Строительство высотного жилого дома

  • Вид работы:
    Дипломная (ВКР)
  • Предмет:
    Строительство
  • Язык:
    Русский
    ,
    Формат файла:
    MS Word
    488,03 Кб
  • Опубликовано:
    2013-10-31
Вы можете узнать стоимость помощи в написании студенческой работы.
Помощь в написании работы, которую точно примут!

Строительство высотного жилого дома

1. РАЗДЕЛ АРХИТЕКТУРЫ

.1 Характеристика условий строительства

Район строительства относится к 1В климатическому району согласно СНиП 2.01.01.-82. Климат континентальный. Преобладание ветров юго-западное.

Нормативные нагрузки для расчета строительных конструкций согласно СНиП 2.01.07.-85 приняты следующие:

снеговая нагрузка - 1,5кПа;

скоростной напор ветра - 0,23кПа

расчетная температура воздуха - минус 430С

Площадка под строительство жилого дома с террасами в городе Ханты-Мансийске.

Площадь застройки - 1500 м2

Строительство будет обеспечиваться электроэнергией и водой от существующих сетей.

Проектом организации строительства предусматриваются мероприятия по сокращению трудоемкости, снижению стоимости, механизации работ в частности:

Круглогодичное производство строительно-монтажных работ с распределением капвложений с СМР по нормативному заделу.

1.2 Максимальная механизация наиболее трудоемких процессов

Весь комплекс работ рекомендуется выполнять следующими механизмами:

Бульдозер мощностью 100 л.с. выполняет планировочные работы, устройство оснований под автодороги, обратную засыпку траншей, разравнивание грунта в отвалах;

Экскаватор ЭО-4321, оборудован прямой лопатой с ковшом емкостью 0,5 м3 производит работы в карьере и работы на площадке.

Уплотнение грунта предусматривается механизированным способом. Разработка грунта вручную предусматривается на пересечении трубопроводов с подземными коммуникациями, на зачистке дна траншей, при разработке дна в приямках.

Для свайных работ выбран сваебойный агрегат СП-49 и трубоукладчик ТО-1224 для раскладки свай в зоне действия установки.

Монтаж вести краном КБ-503. Монтаж блоков начинать только после окончания работ по устройству монолитного железобетонного ростверка фундамента. При монтаже блоков следует выверять горизонтальность верха блока в поперечном направлении, правильность установки блока на основание. Устранять отклонения, заново устанавливая блок, незначительные отклонения устранять, перемещая блок с помощью монтажного лома. После окончательной выверки положения блока выполнить расстроповку. Монтажные петли после укладки 4 - 5 блоков срезать заподлицо с поверхностью бетона или несколько ниже.

Места сопряжений продольных и поперечных стен заделать бетонной смесью, для чего установить простейшую опалубку из двух досок.

Следует оставлять (по проекту) отверстия в ленточном фундаменте для труб водопровода, канализации. Горизонтальные швы кладки заполнять ровным слоем раствора. Вертикальные пазы между смежными блоками заполнять раствором и тщательно уплотняют трамбованием. После укладки блоков и завершения работ по заполнению швов между фундаментными блоками производятся работы по вертикальной и горизонтальной гидроизоляции стен фундамента.

К монтажу надземной части здания приступают, после того как:

закончено устройство подземной части здания, коммуникации и дороги для проезда вдоль здания

отведены и спланированы площадки для складирования

установлены, опробованы и приведены в действие монтажные механизмы.

1.3 Объемно-планировочные решения

Здание прямоугольное в плане с размерами 25х20,2м.

Площадь застройки здания- 625м2;

Общая площадь здания -1500м2;

Полезная площадь- 500м2;

Строительный объем надземной части - 7500м3;

Здание пятиэтажное высота этажа - 3,0м;

Кровля скатная совмещенная;

Отвод воды с кровли здания - наружный организованный;

Естественное освещение предусматривается через окна с переплетом из металлопластика.

1.4 Конструктивные решения

Несущими конструкциями здания являются наружные и внутренние стены. Пространственная жесткость и устойчивость здания обеспечивается совместной работой наружных и с горизонтальными дисками железобетонных перекрытий.

Стены первого этажа выполнены из кирпича керамического рядового полнотелого ГОСТ 530-95. Фундаменты - свайные с монолитным железобетонным ростверком.

Наружные и внутренние стены - из кирпича керамического рядового полнотелого по ГОСТ 530-95.

Перекрытия - сборные железобетонные многопустотные панели по серии 1.141-1.

Перемычки - сборные железобетонные по серии 1.038.1-1.

Лестницы - сборные железобетонные.

Крыша - совмещенная с внутренним водостоком.

Окна - пластиковые, с тройным остеклением по ГОСТ 11489-86.

Двери - деревянные, внутренние по ГОСТ6629-81, наружные по ГОСТ 24698-81.

Природно-геологические данные по строительной площадке.

Рисунок 1.1 - Схема строительной площадки. М: 1: 1000

Таблица 1.1 - Литологическое описание слоев по скважинам

Номер слоя.

Глубина, (м).

Скважина 1.

Скважина 2.

Скважина 3.


От.

До.




1

0,0

1,5

Глина.

Глина.

Глина.

2

1,5

4,0

Песок мелкий

Песок мелкий

Песок мелкий

3

4,0

9,0

Суглинок.

Суглинок.

Суглинок.

4

9,0

15,0

Глина.

Глина.

Глина.

Уровень грунтовых вод обнаружен на глубине 4,0(м).


2. РАСЧЕТНО-КОНСТРУКТИВНЫЙ РАЗДЕЛ

.1 Сбор нагрузок

Таблица 2.1 - Сбор нагрузок на 1 м2 покрытия

Вид нагрузки

Нормативная нагрузка, кг/м2

Коэффициент надежности по нагрузке, γf

Расчетная нагрузка, кг/м2

Постоянные: Металлочерепица; Рабочий настил (доски 20×150 мм, ρ=500 кг/м3); Гидроизоляция(рубероид) Стропила, шаг 1м (доски 20×180, ρ=500 кг/м3); Утеплитель(пенополиуретан d=150мм, g=80кг/м3 Подшивка (доски20×150мм) Пароизоляция (рубероид)

6 10 4 5,1 12 10 4

1,05 1,1 1,3 1,1 1,2 1,05 1,3

6,3 11 5,2 5,6 14,4 10,5 5,2

Итого временные:

51,1


58,2

Временная (снеговая) приgn/рn=51,1/150=0,34<0,8 γf =1,6; С=1

150

1,6

240

Итого:

201,1


298,2


Снеговая нагрузка So=15кПа- для I климатического района;

Расчетная нагрузка на один погонный метр внутренней стены: gпог= gкров´ L/2= 2,982×14/2 = 20,87(кН/м.п.)

Таблица 2.2 - Сбор нагрузок на 1 м2 чердачного перекрытия

Вид нагрузки

Нормативная нагрузка, кг/м2

Коэффициент надежности по нагрузке, γf

Расчетная нагрузка, кг/м2

Постоянные: Стяжка t = 20 мм; Утеплитель плиты из стеклянного штапельного волокна, g=50кг/м3, d=250 мм; Плиты железобетонные много-пустотные: 6,4х2,4м;3,0х2,4м

36 52 12,5 396

1,3 1,3 1,1 1,1

47 68 13,17 435,6

Итого постоянные:

496,5


563,8

Временные: Полезная нагрузка

400

1,3

520

Итого:

896,5


1083,8


Расчетная равномерно распределенная линейная нагрузка на один погонный метр внутренней стены: gпог= gп´(L1/2+ L2/2)= 10,83 ´(6,4/2+3,0/2)= 50,9 (кН/м.п.)

Таблица 2.3 - Сбор нагрузок на 1 м2 перекрытия подвала

Вид нагрузки

Нормативная нагрузка, кг/м2

Коэффициент надежности по нагрузке, γf

Расчетная нагрузка, кг/м2

Постоянные: Пол паркетный; Плиты железобетонные много- Пустотные: 6,4х2,4м;3,0х2,4м

25 396

1,1 1,1

27,5 435,6

Итого постоянные:

421


463,1

Временные: Полезная нагрузка

400

1,2

480

Итого:

821


943,1


Расчетная равномерно распределенная линейная нагрузка на один погонный метр стены:

пог= gп´(L1/2+ L2/2)= 9,43 ´(6,4/2+3,0/2)= 44,32 (кН/м.п.)

Таблица 2.4 - Сбор нагрузок на 1 м2 перекрытия типового этажа

Вид нагрузки

Нормативная нагрузка, кг/м2

Коэффициент надежности по нагрузке, γf

Расчетная нагрузка, кг/м2

Постоянные: Линолиум; Плиты железобетонные много- Пустотные: 6,4х2,4м;3,0х2,4м

4 396

1,3 1,1

5,2 435,6

Итого постоянные:

400


440,8

Временные: Полезная нагрузка

400

1,2

480

Итого:

800


920,8


Расчетная равномерно распределенная линейная нагрузка на один погонный метр наружной стены:

пог= gп´(L1/2+ L2/2 )= 9,21 ´(6,4/2+3,0/2)= 43,28 (кН/м.п.)

для всех типовых этажей: gпог´6 = 43,28´6=259,7(кН/м.п.)

Собственный вес внутренней несущей стены:

с.в.=b×h×γк.к,

где: b = 380 мм - толщина стены;= 18,6 м - высота стены; γк.к.=1400 кг/м3 - удельный вес каменной кладки из силикатного кирпича; qс.в.=18,6´14,0´0,38= 98,95(кН).

Вес 1м2 фундаментных стеновых блоков:

для ФБС24.4.6(ГОСТ13579-78),Þ qфбс=13(кН)

м2Þ5,4(кН). Вес 1м2 стены высотой h=1,8(м); Gст. =5,4 ´ 3= 16,2(кН)

Полная нагрузка на фундамент:

ф. =20,87+50,9+44,32+259,7+98,95+16,2=491(кН/м.п)

2.2 Расчет глубины заложения фундамента

Нормативную глубину сезонного промерзания грунта dfn, м, при отсутствии данных многолетних наблюдений следует определять на основе теплотехнических расчетов. Для районов, где глубина промерзания не превышает 2,5 м, ее нормативное значение допускается определять по формуле


где Mt -безразмерный коэффициент, численно равный сумме абсолютных значений отрицательных среднемесячных температур за зиму в данном районе, принимаемых по СНиП по строительной климатологии и геофизике, а при отсутствии в них данных для конкретного пункта или района строительства - по результатам наблюдений гидрометеорологической станции, находящейся в аналогичных условиях с районом строительства;-величина, принимаемая равной, м, для:

суглинков и глин - 0,23;

супесей, песков мелких и пылеватых - 0,28;

песков гравелистых, крупных и средней крупности - 0,30;

крупнообломочных грунтов - 0,34.

=0,23·9,37=2,15(м)

Расчетная глубина сезонного промерзания грунта df, м, определяется по формуле


где dfn - нормативная глубина промерзания, определяемая по пп. 2.26. и 2.27;- коэффициент, учитывающий влияние теплового режима сооружения, принимаемый: для наружных фундаментов отапливаемых сооружений - по табл.1; для наружных и внутренних фундаментов неотапливаемых сооружений - kh = 1,1, кроме районов с отрицательной среднегодовой температурой.= 0,6 - при температуре воздуха в подвале100С

= 0,6 · 2,15 =1,29(м)

Из условия dw ≤ df + 2, следует, что глубина заложения фундамента не зависит от глубины промерзания.

Принимаем глубину заложения ростверка, равную 1,9(м)

Примем сваю С 60.30-АIII по ГОСТ 19804.2 - 79. Забивка сваи дизель-молотом

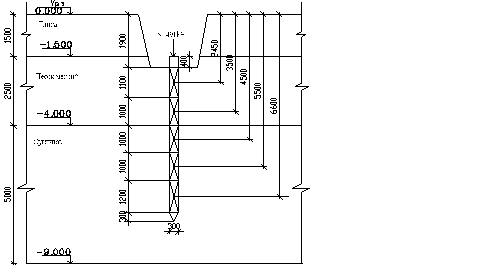
Рисунок 2.1

Конструкцию ростверка принимаем в виде сплошной ленты из монолитного железобетона с устройством каркаса из сеток и арматурных стержней. Высоту ростверка принимаем равную 700(мм), величину заделки сваи в ростверк - 300(мм).

Рисунок 2.2 - Конструирование ростверка

3. ТЕХНОЛОГИЯ И ОРГАНИЗАЦИЯ СТРОИТЕЛЬСТВА

.1 Выбор и обоснование основных подъемно-транспортных механизмов (монтажных кранов)

Основными факторами, определяющими выбор типа и параметров монтажного крана для данных условий строительства, являются конфигурация и размеры сооружений:

габариты здания;

степень укрупнения;

масса и расположение монтируемых элементов;

объемы и характер монтажных работ, а также заданные сроки их выполнение;

степень стесненности монтажной площадки и ее обеспеченность транспортными связями, электроэнергией, топливом и водой.

Для возведения надземной части здания требуется башенный кран.

Определяем необходимые параметры крана:

.Требуемая высота подъема крюка над уровнем стоянки башенного крана:

Нк = h0+h3+hэл.+hст.,

где h0 - превышение монтажного горизонта над уровнем стоянки башенного крана, м;- запас по высоте для обеспечения безопасности монтажа (не менее 1 м);эл. - высота или толщина элемента, м;ст. - высота строповки(от верха элемента до крюка крана), м;

.Требуемая грузоподъемность крана:

Qтр.= Qэл.+Qпр.,

где Qэл. - масса монтируемого элемента, тн;пр. - масса монтажных приспособлений, тн.

.Требуемый вылет крюка[7]:

к= a/2 + b +c,

где a - ширина подкранового пути, м; b - расстояние от оси подкранового рельса до ближайшей выступающей части здания, м; с - расстояние от центра тяжести элемента до выступающей части здания со стороны крана, м. По формуле (3.1) определяем высоту подъема крюка для плиты покрытия:

Нк= 16,7+0,8+0,22+4,5=22,22 м

для контейнера с кирпичами:

Нк=17,7+0,8+0,6+4,5=23,6 м

для бадьи с раствором:

Нк= 17,7+0,8+0,5+4,5=23,5 м

По формуле (3.2) определяем грузоподъемность крана для плиты покрытия:

тр.= 3,8+0,09=3,89 (тн)

для контейнера с кирпичами:

тр.=2+0,09=2,09 (тн)

для бадьи с раствором:

тр.= 1,5+0,09=1,59 (тн)

Определяем вылет крюка крана по формуле:

для плиты покрытия:

к=7,5/2+3,4+23,6=30,75 (м)

для контейнера с кирпичами:

к=7,5/2+3,4+25,6=32,75 (м)

для бадьи с раствором:

к=7,5/2+3,4+24,6=31,75(м)

Рисунок 3.1 - К определению параметров крана

Таблица 3.1 - Исходные данные для выбора типа монтажного крана по основным параметрам для возведения надземной части здания

№ п/п

Нименование

Исходные данные

Параметры приемлемых типов кранов



max вес элем. (тн)

потр вылет стрелы (м)

Расч. Высота подъема крюка (м)

КБ-503

КБ-674А






Q, тн

Lк, м

Hк, м

Q, тн

Lк, м

Hк, м

1.

Плита покрытия

3,8

30,75

22,2

7,5

28-35

67,5

5,6

14-35

58

2.

Контейнер с ирпичами

2

32,75

23,6







3.

Бадья с раствором

1,5

31,75

23,5








Выбранные краны сравниваются по экономическим показателям:

По результатам расчета принимаем монтажный кран КБ-503.

3.2 Описание технологической карты на монтажно-кладочный процесс

.Область применения.

Технологическая карта разработана на устройство каменной кладки и монтаж плит перекрытий для производства работ в летний период. В технологической карте рассматривается процесс каменной кладки надземной части несущих стен толщиной 77 см, 38 см и перегородок толщиной 25 см и 12 см из глиняного сплошного кирпича.

.Описание процесса ведения кирпичной кладки.

Кирпич доставляют на объект, как правило, на инвентарных поддонах. На поддонах кирпич укладывают с перекрестной перевязкой или в “елку”. На транспортные средства поддоны с кирпичом грузят с помощью захвата-футляра. Перевозят кирпич на поддонах автотранспортом и разгружают на объекте теми же приспособлениями. Раствор при централизованном его приготовлении транспортируют на объект авторастворовозами. Доставленный раствор выгружают с эстакады в ящики-контейнеры вместимостью 0,24-0,35 м, которые подают краном непосредственно на рабочее место каменщиков.

Рабочее место каменщиков включает в себя участок возведенной стены и примыкающую к ней площадь, в пределах которой размещаются материалы, приспособления, инструмент и передвигаются сами каменщики. Оно состоит из трех зон: рабочей - вдоль кладки шириной 60-70см, где работают каменщики; зоны материалов(шириной 1,3-1,6м) - где размещаются кирпич, раствор и детали закладываемые в кладку, и транспортной, в пределах которой работают такелажники, обеспечивающие каменщиков материалами и деталями. Общая ширина рабочего места 2,5-2,6м.

При кладке кирпичных стен поддоны с кирпичом и ящики с раствором размещают вдоль фронта работ в чередующемся порядке, причем ящики располагают не более, чем через 3,5м и обязательно длиной стороной перпендикулярно стене. При кладке сплошных стен(без проемов) чередуют вдоль фронта работ четыре поддона с кирпичом и один ящик раствора, а при кладке стен с проемами ящики с раствором чередуют через два поддона с кирпичом, располагая кирпич против простенков, а раствор - против проемов. Запас кирпича на рабочем месте не должен превышать 2-4 часовой потребности. Раствор в ящики загружают непосредственно перед началом работы из расчета на 40-45 мин.

Поскольку кладку стен начинают после возведения фундаментов, то первое рабочее место каменщиков расположено на уровне земли или перекрытия подвала, но затем, после возведения кладки на высоту 1м (ярус кладки) новое рабочее место каменщика необходимо поднять на подмости. Применяют панельные, стоечные, а также универсальные самоустанавливающиеся подмости.

Процесс кладки, состоящий из многих операций, выполняется не одним каменщиком, а звеном, включающим от двух до шести каменщиков. Основу любого звена составляет “двойка”, т.е. каменщик 5-4 разряда(ведущий) и

каменщик 2-го разряда(подручный). При этом первый выполняет кладку верстовых рядов, а второй расстилает раствор по стене, подает кирпич и заполняет забутку. В данном случае выполняют кладку звенья: 3 “тройки” и 2 “двойки”. При возведении стен каждое звено каменщиков работает на отдельной делянке. Количество делянок и их размеры устанавливаются в зависимости от трудоемкости кладки и сменной выработки звеньев.

Кладку стен из кирпича начинают с закрепления угловых и промежуточных порядовок, к которым затем крепят шнур-причалку, причем при кладке наружных верст ее натягивают для каждого ряда. Для упрощения контроля за качеством кладки после закрепления и выверки порядовок по ним выкладывают маяки. После установок порядовок, кладки маяков и натяжки причалки приступают к кладке стены, причем в такой последовательности: раскладывают кирпич на стене, расстилают раствор под наружную версту и ее укладывают.

Столбы выкладывают по однорядной системе перевязки со сдвигом чередующихся рядов на четверть кирпича, для чего используют трехчетверки при перевязке вертикальных швов во всех рядах.

.Расчет длины делянки:

фр.р. = (с hпн m)/ (Нвр. b h),

где с - продолжительность смены, ч;пн - коэффициент нормы проема;- количество человек в звене, чел.;

Нвр.- норма времени, чел.ч;- толщина стены, м;- высота яруса, м.фр.р. = (8 ∙ 1,4 ∙ 4) /(2,96∙ 0,77 ∙1,2)= 16,4 м

3.4 Расчет стройгенплана

.4.1 Проектирование строительного генерального плана

Стройгенпланом называется генеральный план площадки, на котором показывают расположение: постоянных зданий и сооружений, участков для размещения временных зданий и сооружений, инженерных сетей, источников обеспечения строительной площадки электроэнергией, водой, теплом, подключение временных инженерных сетей к действующим трубопроводам, складских площадок, основных монтажных кранов и других строительных машин.

Строительный генеральный план (стройгенплан) отражает организацию строительной площадки на период возведения подземного торгового комплекса и является основным проектным документом, определяющим объемы временного строительства, на стройгенплане показано:

расположение возводимого объекта,

временных зданий, сооружений и инженерных сетей,

объектов строительного хозяйства с учетом требований охраны труда, пожарной безопасности и экологии.

Строительный генеральный план разработан на возведение подземной части объекта на основе требований строительных норм и правил [СНиП 3.01.01-85 «Организация строительного производства»]. Решение стройгенплана непосредственно связано с технологией возведения здания.

Решения строительного генерального плана обеспечивают наиболее полное удовлетворение производственных и бытовых нужд работающих на строительной площадке. Проектные решения стройгенплана непосредственно отражают технологию возведения здания цеха лесопиления. Расчеты потребности во временных зданиях и сооружениях и потребности в основных энергоресурсах приведены в пояснительной записке.

До начала строительно-монтажных работ на стройплощадке необходимо выполнить следующие подготовительные работы:

выполнить вертикальную планировку;

выполнить временное ограждение территории строительной площадки;

произвести разбивку геодезической сетки;

выполнить временные дороги и проезды для крана;

произвести устройство временных инженерных коммуникаций и произвести подключение временных зданий;

выполнить временное освещение строительной площадки;

установить временные бытовые помещения;

Проектирование строительного генерального плана начинается с размещения монтажного крана, определения опасных зон, расчета временных инженерных сетей, складского хозяйства, потребности во временных зданиях и сооружениях, прокладки трассы временных дорог и определения конфигурации строительной площадки. При размещении объектов стройгенплана учтены требования норм пожарной безопасности и охраны труда в строительстве.

Временное ограждение строительной площадки запроектировано панельно-стоечным высотой h =2,5 м.

Для возведения здания используется башенный кран КБ-503. Зоны работы крана, в т. ч. и опасные, показаны на стройгенплане. Определение границы опасной зоны находится в разделе “Охрана труда и техника безопасности”.

Временные дороги запроектированы с песчано-щебеночным покрытием. Для движения крана устраиваются железобетонные блоки с рельсовыми путями на песчаной подушке. Ширина проезжей части принимается равной 6 м. Радиусы закругления дорог определены исходя из маневровых свойств и габаритов

автотранспорта при транспортировке негабаритных грузов. Предусмотрены стоянки для личного транспорта и строительных машин и механизмов.

Временные инженерные сети запроектированы следующего конструктивного исполнения:

временные электрические сети надземные воздушные;

временные тепловые сети из труб в гидрофобной изоляции подземной прокладки;

временные сети водопровода прокладываются совместно с тепловыми сетями в траншее;

временный туалет инвентарный передвижного типа;

пожаротушение на строительной площадке предусмотрено от временных пожарных гидрантов.

3.4.2 Проектирование временного водоснабжения

Суммарный расход воды


где: Qпр - расход воды на производственные нуждыхоз - расход воды на хозяйственные нуждыпож- расход воды на противопожарные нужды

Расход воды по потребителям:

;

где: N - число расхода производственных потребителейпр - удельные расходы на производственные нужды

Кчас - коэффициент часовой неравномерности- число часов работы в смену

экскаватора 10 л/час

штукатурные работы - 7 л/1м2 поверхности

малярные работы - 1л/1м2 поверхности

м3/час

;

где: qх - удельный расход воды на хоз - питьевые нуждыд - ход воды на прием душа одного рабочего (30л)р - число работающихр - число пользующихся душем (40%)д- продолжительность использования душевой установки(45мин)

Кчас - коэффициент часовой неравномерности водопотребления (1,5-3,0)

(м3/ч)

Расход воды на противопожарные нужды

(м3/ч)

Учитывая, что во время пожара потребление воды на хозяйственные нужды резко сокращается или преостонавливается полностью, расчетный расход воды принимаем:

(м3/ч)

(м3/ч)

За расчетное принимаем 36,6 м3/час. Тогда диаметр трубы:

;

где V - скорость движения воды по трубам (1-1,5 м/сек) V=3600 (м/ч)


принимаем трубу Æ150 мм. Подключение временного водопровода осуществляется к существующим сетям.

4. ЭКОНОМИЧЕСКИЙ РАЗДЕЛ

Таблица 4.1 - Подсчет объемов и калькуляция трудозатрат

Наименование работ

V работ

Трудозатраты чел.ч/маш.ч (всего)

Кол-во смен

Продлж. дней



Ед. изм

всего





1

2

3

4

5

6

7

8

1

Разработка грунта экскаваторами емкостью ковша1м3

1000 м3

0,95

10,07

Машин. 5р.-1ч.

1

2

2

Доработка грунта вручную

100 м3

0,9

331

Землекоп 6 чел.

1

7

3

Погружение свай дизель молотом.

шт.

143

2112

Монтажн. 3р-3 4р-3

2

22

4

Вырубка бетона из арматурного каркаса свай.

шт.

143

256

Монтажн. 3р-2 4р-2

1

8

5

Устройство щебеночного основания.

м3

62,7

64

Монтажн. 3р-2 4р-2

1

2

6

Устройство монолитного ростверка.

м3

52,3

733

Плотн.-бетонщ. 8чел.

1

12

7

Горизонтальная гидроизоляция

шт.

4,8

96

Изоляровщики- 4 чел.

1

3

8

Установка блоков стен подвала.

шт.

574

224

Монтажн. 3р-2 4р-2

1

7

9

Устройство перегородок подвала из кирпича керамического

м3

32

192

Каменщики- 4 чел

1

6

10

Гидроизоляция

100м2

6,1

128

Изоляровщики- 4 чел.

1

4

11

Обратная засыпка рвов и пазухов

100м3

10,11

160

Землекоп 4 чел.

1

5

12

Уплотнение пневмотромбовками

100м3

16,9

64

Землекоп 4 чел.

1

2

13

Монтаж плит перекрытия

100м2

23

128

Монтаж 3р-1,4р-2, Кран.-1ч.

1

2

14

Единый монтажно-кладочный процесс

м3

2853

17120

Каменщики- 20 чел

1

107

15

Монтаж каркасов башен

м3

52,3

1152

Монтажн. 3р-3,4р-3

1

24

16

Установка деревянных стропил

м3

32,7

720

Плотник - 10 чел

1

9

17

Гидроизоляция кровли

100м2

7,69

64

Изоляровщики- 4 чел

1

2

18

Огнезащита

100м3

5,2

64

Изоляровщики- 4 чел

1

2

19

Устройство рабочего настила

100м2

6,2

192

Монтажн. 3р-2,4р-2

1

6

20

Устройство пароизоляции

100м2

7,69

64

Изоляровщики- 4 чел

1

2

21

Монтаж кровельного покрытия

м2

630

256

Монтажн. 3р-2,4р-2

1

8

22

Монтаж покрытия башен

м2

71

96

Монтажн. 3р-2,4р-2

1

3

23

Установка оконных и дверных блоков

100м2

16,84

960

Плотник - 6 чел

1

20

24

Монтаж витражей из алюминиевых сплавов

м2

22,4

1792

Плотник - 8 чел

1

28

 

26

Дыропробивные работы

100 шт

12

240

Плотник - 4чел

1

8

 

27

Отделка поверхностей потолков под окраску

100м2

22,2

672

Отделки 2чел.

1

42

 

28

Оклейка руберойдом пола балконов

100м2

6,85

288

Изоляровщики- 4 чел

1

9

 

29

Оклейка руберойдом

100м2

43,2

864

Изоляровщики- 4 чел

1

27

 

30

Оклейка руберойдом стен подвала

100м2

12,8

256

Изоляровщики- 4 чел

1

8

 

31

Облицовка керамическими плитками

100м2

4,6

1392

Облиц-ик 6чел

1

29

 

32

Теплоизоляция стен и покрытия чердака

м3

2172

5040

Изоляровщики- 9 чел

1

35

 

33

Теплоизоляция перекрытий

м3

567,8

2016

Изоляровщики- 9 чел

1

14

 

34

Теплоизоляция стен подвала

м3

62

144

Изоляровщики- 9 чел

1

2

 

35

Улучшенная штукатурка

100 м2

66,66

3360

Штукат. Маляр. - 10 чел

1

42

 

36

Устройство цементных стяжек

100 м2

9,33

224

Плотн.-бетонщ. 4чел.

1

7

 

37

Устройство бетонных и мозаичных полов

100 м2

7,89

576

Плотн.-бетонщ. 4чел.

1

18

 

38

Устройство пола балкона

100 м2

1,75

128

Плотн.-бетонщ. 4чел.

1

4

 

39

Устройство крылец

100 м2

17,45

384

Плотн.-бетонщ. 4чел.

1

12

 

40

Устройство цементных стяжек

100 м2

2,66

64

Плотн.-бетонщ. 4чел.

1

2

 

41

Побелка потолков водоэмульсионными составами

100 м2

192

1152

Маляры - 12 чел

1

12

 

42

Окраска колером оконных и дверных блоков

100 м2

1,77

128

Маляры - 2 чел

1

8

 

43

Клеевая окраска

100 м2

1,7

144

Маляры - 2 чел

1

9

 

44

Окраска эмалью

0,57

48

Маляры - 2 чел

1

3

 

45

Устройство паркетных полов

100 м2

16

1440

Плотники - 6 чел.

1

30

 

46

Оклейка обоев

100 м2

42,25

1200

Отделки 6чел.

1

25

 

47

Устройство линолеума

100 м2

5,05

192

Отделки 6чел.

1

4

 

48

Улучшенная штукатурка по сетке

100 м2

33,3

1680

Штукат. Маляр. - 10 чел

1

21

 

49

Штукатурка фасадов здания

100 м2

21,62

1600

Штукат. - 10 чел

1

20

 

50

Облицовка фасадов

100 м2

1,26

384

Отделки -6чел.

1

8

 

51

Окраска фасадов

100 м2

4,44

128

Маляры - 2 чел

1

8

 

52

Сантехнические и электромонтажные работы




5


82

 

53

Погрузо-разгрузочные и прочие неучтенные работы




5


311

 

54

Благоустройство




5


10

 

55

Подготовка сдачи






10

 

56

СДАЧА






10

 


5. ТРЕБОВАНИЯ ПО ПРОМЫШЛЕННОЙ БЕЗОПАСНОСТИ, ОХРАНЕ ТРУДА И ОКРУЖАЮЩЕЙ СРЕДЫ

.1 Основные направления государственной политики в области охраны труда

.Основными направлениями государственной политики в области охраны труда являются:

обеспечения приоритета сохранения жизни и здоровья работников

содействие общественному контролю за соблюдением прав и законных интересов работников в области охраны труда;

расследование несчастных случаев на производстве и профессиональных заболеваний;

защита законных интересов работников, пострадавших от несчастных случаев на производстве и профессиональных заболеваний, а также членов их семей на основе обязательного социального страхования работников от несчастных случаев на производстве и профессиональных заболеваний;

установление компенсаций за тяжелую работу и работу с вредными или опасными условиями труда, не устранимыми при современном техническом уровне производства и организации труда;

подготовка и повышение квалификации специалистов по охране труда;

организация государственной статистической отчетности об условиях труда, о производственном травматизме, профессиональных заболеваемости и об их материальных последствиях;

обеспечение функционирования единой информационной системы охраны труда.

Обязанности работодателя по обеспечению безопасных условий и охраны труда.

Обязанности по обеспечению безопасных условий и охраны труда в организации возлагаются на работодателя.

Работодатель обязан обеспечить:

Безопасность работников при эксплуатации зданий, сооружений, оборудование, осуществлении технологических процессов, а так же производстве сырья и материалов;

применение средств индивидуальной и коллективной защиты работников;

соответствующим требованиям охраны труда условия труда на каждом рабочем месте;

режим труда и отдыха работников в соответствии с законодательством Российской Федерации и законодательством субъектов Российской Федерации;

приобретение за счет собственных средств и выдачу специальной одежды, специальной обуви и других средств индивидуальной защиты, смывающих и обезвреживающих средств в соответствии с установленными нормами работникам, занятым на работах с вредными или опасными условиями труда, а так же на работах, выполняемых в особых температурных условиях или связанных с загрязнением;

обучение безопасным методам и приемам выполнения работ, инструктаж по охране труда, стажировку на рабочих местах работников и проверку их знаний требований охраны труда, не допущение к работе лиц, не прошедших в установленном порядке указанные обучение, инструктаж, стажировку, проверку знаний требований охраны труда;

организацию контроля за состоянием условий труда на рабочих местах, а так же за правильностью применения работниками средств индивидуальной и коллективной защиты;

проведение аттестации рабочих мест по условиям труда с последующей сертификацией работ по охране труда в организации;

проведение за счет собственных средств обязательных предварительных (при поступлении на работу) и периодических (в течении трудовой деятельности) медицинских осмотров (обследований) работников, внеочередных медицинских осмотров (обследование) работников по их просьбам в соответствии с медицинскими рекомендациями с сохранения за ними место работы и среднего заработка на время прохождения указанных медицинских осмотров;

не допущение работников к выполнению ими трудовых обязанностей без прохождения обязательных медицинских осмотров, а также в случае медицинских противопоказаний;

информирование работников об условиях и охране труда на рабочих местах, о существующем риске повреждения здоровья и полагающихся им компенсациях и средствах индивидуальной защиты;

принятие мер по предотвращению аварийных ситуаций, сохранению жизни и здоровья работника при возникновении таких ситуаций, в том числе по оказанию пострадавшим первой помощи;

расследование в установленном Правительством Российской Федерации порядке несчастных случаев на производстве профессиональных заболеваний;

санитарно-бытовое и лечебно-профилактическое обслуживание работников в соответствии с требованиями охраны труда;

обязательное социальное страхование работников от несчастных случаев на производстве и профессиональных заболеваний;

ознакомление работников с требованиями охраны труда.

Обязанности работника в области охраны труда

Работник обязан:

соблюдать требования охраны труда;

правильно применять средства индивидуальной и коллективной защиты;

немедленно извещать своего непосредственного или вышестоящего руководителя о любой ситуации, угрожающей жизни и здоровью людей, о каждом несчастном случае, происшедшем на строительной площадке;

проходить обучение безопасным методам и приемам выполнения работ, инструктаж по охране труда.

Работники организации выполняют обязанности по охране труда, определяемые с учетом специальности, квалификации или занимаемой должности в объеме должностных инструкций, разработанных с учетом рекомендаций Минтруда России или инструкций по охране труда.

Представители работодателей и работников организаций в соответствии с законодательством принимают мероприятия по улучшению условий и охраны труда, которые должны определяться при заключении коллективных договоров и соглашений по охране труда в соответствии с законодательством и рекомендациями Минтруда России.

5.2 Техника безопасности при организации строительной площадки

При строительстве объектов с применением грузоподъемных кранов, когда опасные зоны выходят за пределы строительной площадки (в них попадают транспортные или пешеходные пути общего пользования, соседние здания, в которых находятся люди), должны быть выполнены следующие мероприятия, обеспечивающие безопасность людей (в случае невозможности их удаления и перекрытия транспортных путей). Обязательные мероприятия:

устройство защитных сооружений(укрытий), обеспечивающие защиту людей от действия опасного фактора;

защита оконных и дверных проемов зданий, попадающих в опасную зону, специально предназначенными для этого ограждениями;

искусственное ограничение размеров и конфигурации опасных зон путем применения соответствующих технических средств (дополнительных средств ограничения работы башенного крана, страховочных устройств, защитных экранов и др.

Намеченные мероприятия должны быть согласованы с организацией, эксплуатирующей соответствующие здания, а также с местным органом Госгортехнадзора.

Проезды, проходы на производственной территории, а также проходы к рабочим местам и на рабочих местах должны содержаться в чистоте и порядке, очищаться от мусора и снега, не загромождаться складируемыми материалами и конструкциями.

Участки работ в населенных пунктах во избежание доступа посторонних лиц должны быть ограждены. Конструкция защитных ограждений должна удовлетворять следующим требованиям:

ограждения, примыкающие к местам массового прохода людей, должны быть высотой не менее 2 м и оборудованы сплошным защитным настилом (козырьком);

козырек должен выдерживать действие снеговой нагрузки, а также нагрузки от падения мелких одиночных предметов;

ограждения не должны иметь проемов, кроме ворот и калиток, контролируемых в течении рабочего времени и запираемых после его окончания.

Места прохода людей в пределах опасной зоны должны иметь защитные ограждения. Вход в строящееся здание должен быть защищен сверху козырьком шириной не менее 2 м от стены здания, под углом 70-75˚(между козырьком и вышерасположенной стеной)

У въезда на строительную площадку необходимо устанавливать схему внутрипостроечных дорог и проездов с указанием мест складирования материалов и конструкций, мест разворота транспортных средств, объектов пожарного водоснабжения.

Строительная площадка, участки работ и рабочие места, проезды и подходы к ним в темное время суток должны быть освещены. Освещенность должна быть равномерной, без слепящего действия ослепительных приборов (приспособлений) на работающих.

Производство работ в неосвещенных местах не допускается.

Проходы на рабочих местах и к рабочим местам должны отвечать следующим требованиям: ширина одиночных проходов должна быть не менее 0,6 м, а высота таких проходов в свету - не менее 1,8 м; лестницы и скобы, принимаемые для подъема или спуска работников на рабочие места на высоте 5 м, должны быть оборудованы устройствами для закрепления предохранительного пояса.

Территория должна быть выделена на местности ограждениями:

а) Защитно-охранными, предназначенными для предотвращения доступа посторонних лиц на участке с опасными и вредными производственными и обеспечения сохранности материальных ценностей. Защитно-охранные ограждения (ограждения с защитным козырьком) устанавливаются в случае попадания их в опасные зоны при условии наличия

пешеходных маршрутов вдоль заграждения.

б) Защитными, предназначенными только для предотвращения доступа посторонних лиц на участке с опасными производственными факторами.

в) Сигнальными, предназначенными для предупреждения о границах территорий и участков с опасными и вредными производственными факторами.

Рисунок 5.1 - Защитные ограждения с козырьком: а) со стойками зарытыми в грунт; б) со стойками, которые крепятся к лежням

1,2 - доски щиты толщина соответственно 10, 25, 40 и 50 мм.

При строительстве объекта применяется панельно-стоичное ограждение.

Также необходимо предусматривать следующие гигиенические требования: площадь комнаты приема пищи следует определять из расчета 1 м2 на каждого посетителя, но не менее 1,65 м2 на инвалида, пользующего креслом-коляской, но не менее 12 м2. Комната приема пищи должна быть оборудована умывальником, стационарным кипятильником, электрической плитой, холодильником. При числе работающих до 10 человек в смену вместо комнаты приема пищи допускается предусматривать в гардеробной дополнительное место площадью 6 м2 для установки стола для приема пищи.

5.3 Складирование материалов

Складирование материалов, прокладка транспортных путей должны производиться за пределами призмы обрушения грунта котлована. Материалы, изделия, конструкции при складировании на строительной площадке и рабочих местах должны укладываться следующим образом:

Фундаментные блоки и блоки стен подвалов в штабеля высотой не более 2,6 м.

Ригели и колонны в штабеля высотой до 2м.

Стеновые панели в кассеты или пирамиды, панели перегородок вертикально в кассеты.

Стеновые блоки в штабеля, в два яруса на подкладках и прокладках.

Плиты покрытий и перекрытий в штабеля не более 2,5 м.

Железобетонные кольца в штабеля не более 2,5 м.

Блоки мусоропроводов в штабеля не более 2,5 м.

Вентиляционные блоки в штабеля не более 2,5 м.

Лестничные марши, ступенями вверх в штабеля не более 6 рядов.

Лестничные площадки в штабеля не более 4 рядов

Карнизные плиты не более 5…6 рядов.

Плиточные материалы в стопы высотой до 1 метра.

Круглый лес в штабеля не более 1,5 м.

Пиломатериалы в штабеля, высотой, при рядовой укладке, не более ширины штабеля.

Оконные и дверные блоки в специализированных контейнерах в вертикальном положении

Паркетные изделия в отапливаемых помещениях, в штабеля не более 1,5 м

Рисунок 5.2 - Складирование материалов

перекрытие строительный генеральный план

5.4 Расчет гибкого стропа

Расчет производится на примере монтажа плиты перекрытия ПК60.15-8 А IV Т: Р = 28 кН

Для монтажа используем четырехветвевой строп: L = 5 - длина ветви стропа, м.

Рисунок 5.3 - Расчетная схема гибких стропов

кН

Согласно таблице 4 ГОСТ 25573-82 принимаем четырехветвевой строп 4СК1-4,0 с канатными ветвями ВК-1,6 (рисунок …):

грузоподъемность стропа - 4 т;

длина ветви стропа - 5 м;

допускаемая нагрузка на захват - 15,7 кН.

Рисунок 5.4: 1 - звено, 2 - канатная ветвь, 3 - захват

5.5 Пожарная безопасность площадки

При организации строительной площадки и производстве строительно-монтажных работ должны выполняться следующие мероприятия:

.Отключены от электро- и газовых сетей реконструируемые и подлежащие сносу здания и сооружения.

.Снесены строения и сооружения, находящиеся в противопожарных разрывах между возводимыми и временными зданиями.

.Выполнены в соответствии с разработанным стройгенпланом подъезды и подходы к строящимся и временным зданиями сооружениям.

. Освещены в ночное время дороги и проезды на строительной площадке, а также места расположения пожарных гидрантов.

.Обеспечен свободный подъезд к пожарным гидрантам: расстояние от гидрантов до зданий должен быть не более 150 м и не менее 5 м, от края дороги не более 2 м.

.Монтаж электрохозяйства строительной площадки, в том числе временного силового и осветительного оборудования производить в соответствии с требованиями “Правил устройства электроустановок”.

.Строительная площадка должна быть обеспечена первичными средствами пожаротушения: водой, песком, водными растворами, огнетушителями и противопожарным инвентарем в соответствии с “Приложением 5” “Правил пожарной безопасности производства СМР”.

.Складирование сгораемых материалов должно вестись с учетом противопожарных разрывов.

.Строительная площадка должна быть обеспечена телефонной связью с возможностью доступа к телефонному аппарату в любое время суток.

Контроль и ответственность за выполнение противопожарной безопасности на строительной площадке возлагается на генподрядчика.

ЗАКЛЮЧЕНИЕ

Разработанный в дипломном проекте генеральный план наиболее полно реализует принцип создания максимально-компактного и простого решения с учетом технологического процесса производства и взаимодействия отдельных зданий и сооружений в соответствии с размерами и конфигурацией площади застройки.

Конструктивные и объемно-планировочные решения выполнены с учетом современных требований к функциональному зонированию производства, создания комфортных условий работающим и использования рациональных строительных конструкций.

Принятые технологические решения отражают эффективные методы производства работ, применение современных технологий, строительных машин, средств малой механизации и инструмента.

Решения по охране труда и технике безопасности обеспечивают создание безопасных условий труда рабочих на строительной площадке.

Мероприятия по соблюдению экологических требований позволили снизить отрицательное воздействие результатов строительной деятельности на окружающую среду до минимального.

Дипломный проект разработан в соответствии с действующими нормами и правилами и обеспечивает взрывопожарную безопасность при соблюдении предусмотренных проектом мероприятий.

ЛИТЕРАТУРА

1.     СНиП 2.01.07-85. Нагрузки и воздействия /Госстрой СССР. - М.: ЦИТП Госстроя СССР 2004. - 36с.

2.      СНиП 2.02.01-83 Основания зданий и сооружений / Госстрой СССР. - М.: Стройиздат, 2001. - 40с.

.        Пособие по производству работ при устройстве оснований и фундаментов [к СНиП 2.02.01-83] -М.: Стройиздат.2000-576 с.

.        СНиП 2.02.03 -85 “Свайные фундаменты”.

.        СНиП 3.02.01-87 “Земляные сооружения, основания и фундаменты”.

.        СНиП 2.03.01-84*. Бетонные и железобетонные конструкции /Госстрой СССР. - М.: ЦИТП Госстроя СССР, 2005. - 80с.

.        СНиП II-22-81*. Каменные и армокаменные конструкции / Госстрой СССР. - М.: Стройиздат, 1999. - 40с.

.        СНиП 3.03.01-87 “Несущие и ограждающие конструкции”.

.        СНиП III-4-80*. Техника безопасности в строительстве /Госстрой РФ.- М.: Стройиздат, 2007. - 255с.

.        СНиП II-2-80. Противопожарные нормы проектирования зданий и сооружений. - М.: Стройиздат, 2000. - 13с.

.        СНиП 3.04.01-87 Изоляционные и отделочные покрытия.

.        СНиП 4.09-82 Сборник сметных норм затрат на строительство временных зданий и сооружений.

.        ГОСТ 21.001-93 СПДС. Общие положения.

.        ГОСТ 21.204-93 СПДС. Условные графические обозначения и изображения элементов, генеральных планов и сооружений транспорта.

.        ГОСТ 21.401-88 СПДС. Технология производства. Основные требования к рабочим чертежам.

.        ГОСТ 21.501-93 Правила выполнения архитектурно-строительных рабочих чертежей.

.        ГОСТ 21.508-93 (1995) СПДС. Правила выполнения рабочей документации генеральных планов предприятий, сооружений и жилищно-гражданских объектов.

.        Будасов Б.В.. Каминский В.П. Строительное черчение: Учеб. для вузов.-4-е изд., перераб. и доп.-М.: Стройиздат, 2007.-446 с.

.        Добронравов С. С. Строительные машины и оборудование: Справочник для строит. спец. Вузов и инж.-техн. Работников. - М.: Высшая шк., 2000.- 456 с.

.        Строительные машины. Справочник в 2-х т. Под ред. д-ра техн. наук В.А. Баумана и инж. Ф.А. Лапира. Т. 1, 2. Изд. 4-е. перераб. и доп. М., “Машиностроение”, 2000. 502 с.

.        Могилевский Я.Г. и др. Машины и оборудование для бетонных и железобетонных работ.- 2-е изд. - М.: Стройиздат, 2003. -199 с.

.        Поляков В.И., Полосин М.Д. Машины грузоподъемные для строительно-монтажных работ.- 3-е изд., перераб. и доп.- М.: Стройиздат, 2004.- 244 с.

.        Справочник проектировщика промышленных, общественных и жилых зданий и сооружений. Основания и фундаменты. М.: Стройиздат 1966. 268 с.

.        Бороздин И.Г. и др. Технико-экономическое обоснование выбора монтажных кранов и приспособлений. Учебное пособие для вузов. - М.: Стройиздат. 1973. 176 с.

.        Инженерные решения по охране труда в строительстве (Орлов Г.Г., Булыгин В.И., Виноградов Д.В. и др.), Под редакцией Орлова Г.Г. - М.: Стройиздат, 1985. - 278 с.

.        Шевцов К.К. Охрана окружающей природной среды в строительстве: Учебное пособие для строительных специальностей вузов. - М.: Высшая школа, 1994 - 240 с.

.        Метод. указания к курс. работе по дисциплине ''Экономика строительства'' Жигунова О.А. Матыс Е.Г. Ротапринт ТюмГАСА, 1998 - 84с.

Похожие работы на - Строительство высотного жилого дома

 

Не нашли материал для своей работы?
Поможем написать уникальную работу
Без плагиата!
Без нейросетей!