Специальное рабочее оборудование для НТТМ промышленного назначения
ФЕДЕРАЛЬНОЕ
АГЕНТСТВО ПО ОБРАЗОВАНИЮ
ВОЛГОГРАДСКТЙ
ГОСУДАРСТВЕННЫЙ ТЕХНИЧЕСКИЙ УНИВЕРСИТЕТ
В.П. Шевчук,
М.В. Ляшенко, В.В. Шеховцов, А.В. Победин, К.О. Долгов, А.О. Пивоваров, Н.В.
Кривошеев
Специальное
рабочее оборудование для НТТМ промышленного назначения
Учебное
пособие
Допущено УМО
вузов РФ по образованию в области транспортных машин и
транспортно-технологических комплексов качестве учебного пособия для студентов,
обучающихся по специальности «Автомобиле- и тракторостроение»
ВолгГТУ
Волгоград
2013
УДК 621.86 (075)
Рецензенты:
Кафедра «Строительные и дорожные машины и
оборудование», Волжского института строительства и технологий (филиал)
Волгоградского государственного архитектурно-строительного Университета, зав.
кафедрой д-р техн наук, проф. В.М.Рогожкин, доцент, к.т.н. Е.В. Павлов, доцент,
к.т.н. Н.Н. Гребенникова;
профессор кафедры «Механика» Волгоградского
государственного аграрного университета, д.т.н. В.М. Герасун.
Печатается по решению редакционно-издательского
совета Волгоградского государственного технического университета, Шевчук, В.П.
Специальное рабочее оборудование для НТТМ
промышленного назначения: учеб. пособие / В.П. Шевчук, М.В. Ляшенко, В.В.
Шеховцов, А.В. Победин, К.О Долгов,А.О. Пивоваров, Н.В. Кривошеев. - Волгоград:
ВолгГТУ, 2013. - 112 c.
Представлен учебный материал, касающийся,
расчёта рабочего оборудования широко распространённых машинотракторных
агрегатов промышленного назначения, включая: одноковшовый экскаватор,
экскаватор непрерывного действия, бульдозер, автогрейдер, грейдер-элеватор,
скрепер, трубоукладчиков.
Содержит основные положения теории применительно
к вопросам расчёта машин промышленного назначения. Приведены исходные данные
для определения параметров их рабочих органов, и даны алгоритмы их решений.
Предназначено для студентов специальности
«Автомобиле- и тракторостроение» со специализацией «Наземные транспортные
средства для трубопроводных транспортных систем», а также для обучающихся в
магистратуре по программам «Тракторы» и «Наземный транспорт».
Пособие может быть также полезным для
инженерно-технических работников и управляющего персонала предприятий
автотракторостроения и нефтегазового комплекса РФ, занимающихся
конструированием, испытанием и эксплуатацией колесных и гусеничных машин,
работающих в составе наземных тягово-транспортных машин промышленного
назначения.
ОГЛАВЛЕНИЕ
ВВЕДЕНИЕ
РАСЧЕТ
ОДНОКОВШОВОГО ЭКСКАВАТОРА
РАСЧЕТ
ЭКСКАВАТОРА НЕПРЕРЫВНОГО ДЕЙСТВИЯ
РАСЧЕТ
БУЛЬДОЗЕРА
РАСЧЕТ
АВТОГРЕЙДЕРА
РАСЧЕТ
ГРЕЙДЕР-ЭЛЕВАТОРА
РАСЧЕТ
СКРЕПЕРА
РАСЧЕТ
ТРУБОУКЛАДЧИКА
СПИСОК
ИСПОЛЬЗОВАННОЙ ЛИТЕРАТУРЫ
ВВЕДЕНИЕ
На сегодняшний день тракторы и
тягово-транспортные средства с разными рабочими органами используется в
сельском хозяйстве, в промышленности, в строительстве для производства сложных
земляных работ, в бурении и добычи полезных ископаемых, на лесоразработках, при
прокладке нефтегазопроводов и т.д. Земляные работы - важная часть строительного
производства. Совершенствование землеройной техники связано с реализацией
перспективных тенденций развития машиностроения: компьютеризации,
интеллектуализации, эргономизации, экологизации, повышения ресурса техники,
обеспечения высокого уровня сервиса и др.
Многоцелевое использование тракторов и
тягово-транспортные средств характеризуется целым рядом специфических
особенностей их эксплуатации, таких как цикличность технологических процессов,
неравномерность загрузки машинно-тракторного агрегата (МТА), повышенный
динамический режим и вибрация. Одной из главных причин колебания тяговой
нагрузки является необходимость выполнения различных технологических процессов
работы с изменяющимися в широком диапазоне тяговыми усилиями и скоростями
движения.
В данном учебном пособии приведены зависимости
для определения параметров и материалы по выбору машин. Приведена система расчетных
формул.
Каждая работа содержит варианты выполнения с
необходимыми исходными данными и пример выполнения и оформления.
РАСЧЕТ ОДНОКОВШОВОГО ЭКСКАВАТОРА
Цель работы
Цель работы - ознакомиться с методикой расчета
одноковшовых экскаваторов и рассчитать:
потребную мощность для работы поворотного,
напорного и подъёмного механизма;
провести тяговый и статический расчет
экскаватора
Содержание работы
Изучить все разделы настоящих методических
указаний и материалы рекомендуемой литературы. Закрепить изученный материал
практическими расчетами, выбрать основные параметры, рассчитать потребную
мощность для работы поворотного, напорного и подъёмного механизма, провести
тяговый и статический расчет экскаваторов.
Теоретическая часть
Слово экскаватор происходит от латинского exavo
- долбить, выдалбливать. Однако в результате развития и совершенствования
конструкций сменного рабочего оборудования область применения одноковшовых
экскаваторов значительно расширилась. Их используют во всех видах
строительства: водохозяйственном, промышленном, гражданском, дорожном и др.
Рабочий процесс одноковшового экскаватора в
общем случае включает в себя четыре основные операции: отделение грунта от
массива (операция отделения); захват грунта ковшом и его заполнение (операция
заполнения); транспортирование заполненного ковша к месту выгрузки (операция
транспортировки); разгрузка грунта в отвал или в транспортные средства
(операция разгрузки); возврат в забой.
Выбор основных параметров. Большинство
параметров проектируемых экскаваторов можно определить на основании законов
подобия и обобщения отечественного и зарубежного опыта, экскаваторостроения. Н.
Г. Домбровский предложил применительно к линейным (А), массным (т), мощностным
(N), силовым (S) показателям, продолжительности (t) рабочих движений и
вместимости ковша (q) следующие зависимости:

(1.1)
Для строительных экскаваторов
типоразмеры определяются, вместимостью ковша (Приложение 3, табл. 1 и табл. 2).
Для экскаваторов с ковшом
вместимостью q=0,1-1,75м3масса, усилие на режущей кромке ковша Р подъема S
связаны уравнениями:
=(15-31)·q; Р=(65 - 67)·q; S=(180 -
200)·q.
Скорость рабочих движений. На блоке
ковша прямой лопаты при стандартном оборудовании скорость принимается в
зависимости от вместимости ковша: при q = 0,25...0,50 м3
= 0,5 м/с;
при q = 4...6 м3
= 1 м/с;
при удлиненном оборудовании указанные скорости увеличиваются на 15...20%. Скорость
напорного движения
=(0,5...
1,0)
, скорость
возврата рукояти
= (1,3 ...
1,5)
. Для
рабочего оборудования обратная лопата скорость тяги
=
0,35...0,45 м/с; скорость подъема
= 0,25 ... 0,30 м/с. Для рабочего
оборудования драглайн
= 0,7...
0,9 м/с и
= 0,8...
1,2 м/с для универсальных строительных экскаваторов;
= 1,0 ...
1,5 м/с и
= 1,5...
1,8 м/с для карьерных экскаваторов.
Определение усилий в рабочем
оборудовании. Сопротивление грунта копанию ковшом Ро экскаватора состоит из
касательной Ро1и нормальнойРо2 составляющих, определяемых усилиями резания,
наполнения и перемещения призмы волочения:
; (1.2)
Ψ, (1.3)
где
-удельное сопротивление грунта
копанию, Н/м2; b, с-ширина режущей кромки ковша и толщина разрабатываемой
стружки, м; ψ
- коэффициент
отношения составляющих усилия копания.
На рисунке 1.1,а представлена
расчетная схема работы прямой лопаты с приложением действующих в процессе
копания сил: I-начало копания; II-конец копания на полном вылете ковша (на
уровне оси напорного вала); III-положение груженого ковша при максимальных
высоте подъема и выдвижении рукояти.
Наибольшая толщина срезаемой стружки
соответствует положению II, при котором обеспечивается 100%-ноенаполнение
ковша:
; (1.4)
. (1.5)
Подъемное усилие на блоке ковша в
процессе копания

. (1.6)
Усилие напора
(1.7)
Мощность механизмов подъема и напора
; (1.8)
; (1.9)
, (1.10)
где ηп и ηн-
соответственно КПД подъемного и напорного механизмов; Sпи Sн-в Н; vни vп-в м/с.
Обычно при одномоторном приводе
выполняются соотношения:
; (1.11)
. (1.12)
На рисунке 1.1, б представлена
расчетная схема работы обратной лопаты с приложением действующих сил в процессе
копания. За расчетное положение принято положение III в конце копания, соответствующее
максимальной реакции грунта, полному заполнению ковша и максимальным плечам
сил.

Рис. 1.1 - Расчетная схема работы экскаваторов:
а - прямой лопаты; б - обратной лопаты; в - драглайна; г - определение
оптимального противовеса для рабочего оборудования прямой лопаты
Схемы к расчету рабочего оборудования
одноковшовых экскаваторов: а - прямой лопаты; б- обратной лопаты; в- драглайна;
г- определение оптимального противовеса для рабочего оборудования прямой
лопаты; rп,r1,r2,r3,rт,rпр,rпп,rс/,rс//- плечи сил соответственно подъёма
ковша, касательной составляющей копания, тяжести ковша с грунтом, тяжести
рукояти, тяги ковша, тяжести противовеса, тяжести механизмов на поворотной
платформе, тяжести стрелы при угле наклона 60 и 45°; gc, gp, gк+г, gпр, gп.п-
силы тяжести соответственно стрелы, рукояти, ковша с грунтом, противовеса;
механизмов на поворотной платформе; Нн- высота до напорного вала;α,
β, φи γ- углы
наклона стрел, рукояти, подъемного полиспаста и откоса котлована.
Усилие подъема стрелы (∑М0=0) от сил
тяжести
, (1.13)
где ri - плечисоответствующих сил gi
относительно оси шарнира стрелы (точка О), м.
Расчетное тяговое усилие ковша
обратной лопаты для положения конца копания (∑Ма=0):
, (1.14)
где ri - плечи соответствующих сил
относительно оси шарнира крепления рукояти к стреле, м.
Мощность механизмов тяги и подъема:
; (1.15)
; (1.16)
. (1.17)
На рисунке 1.1,впредставлена
расчетная схема работы драглайна. Масса ковша вместимостью q определяется по
следующим эмпирическим формулам (в зависимости от категории грунта):
для легких грунтов
; (1.18)
для средних грунтов
; (1.19)
для тяжелых грунтов
. (1.20)
Усилие тяги
. (1.21)
Для выполнения процесса копания
грунта необходимо, чтобы массы ковша было достаточно для его заглубления:
. (1.22)
Устойчивое движение достигается,
если
,в противном
случае ковш переворачивается усилием Sт вокруг точки О. Усилие в подъемном и
тяговом канатах при транспортировании ковша определяется графически по
треугольнику сил.
Мощность, потребная для работы
поворотного и ходового механизмов. Продолжительность поворота составляет от 60
до 80% всей продолжительности цикла.
При определении сопротивления
повороту вращающейся части экскаватора учитываются силы трения, возникающие в
опорном устройстве: силы, появляющиеся при отклонении оси вращения от
вертикали, и силы инерции элементов вращающейся систем.
Вращающие моменты:
в период разгона
; (1.23)
в период торможения
, (1.24)
где Мтрен-вращающий момент от сил
трения, отнесенный к поворотной платформе, Нм; Мн-вращающий момент, возникающий
вследствие отклонения оси вращения экскаватора от вертикали (обычно на 10-12°),
Нм; Мин-вращающий момент от сил инерции, возникающих при вращении поворотной
платформы со стрелой и грузом в период разгона и торможения, с учетом инерции
вращающих масс механизмов, Нм;Мд-вращающий момент вала двигателя, Нм; и-
передаточное число от двигателя до венца поворотного механизма;
-КПД
поворотного механизма; Мтд- тормозной момент на валу двигателя, Нм.
Вращающий момент (Нм) от сил трения:
для роликов с осями, закрепленными в
поворотной платформе:
; (1.25)
для свободных роликов
, (1.26)
где R- средний радиус круга катания,
м; m- масса поворотной части экскаватора, кг; g=9,8 м/с2; r- радиус ролика, м;
-
коэффициент трения ролика на оси;
=0,05- 0,10 м; d- диаметр оси
ролика, м;
- плечо
трения качения, см;
=0.05- 0,08
см.
Вращающий момент сил от наклона
экскаватора (Нм)
, (1.27)
где
- радиус центра тяжести поворотной
части, м;
=10- 12°-
угол отклонения оси вращения от вертикали.
Вращающий момент (Нм) от сил инерции
, (1.28)
где
- коэффициент, учитывающий инерцию
вращающихся частей привода механизма поворота (см. ниже);
-
максимальное угловое ускорение, рад/с2;
- суммарный момент инерции
вращающейся части экскаватора относительно оси поворотной платформы, кгм2.
Максимальное угловое ускорение
(рад/с2)
, (1.29)
где
- максимальная угловая скорость,
рад/с;
, (1.30)
гдес - коэффициент, зависящий от
привода экскаватора (табл. 1.1); Nmax - максимальная установочная мощность
привода, кВт;
- КПД
поворотного механизма;
=0,85; β- угол
поворота платформы, рад; tр(т) - продолжительность разгона (торможения), с.
Таблица 1.1 - Коэффициенты k1и с для различных
приводов
|
Тип
привода
|
Коэффициенты
|
|
k1
|
с
|
|
Одномоторный
с фрикционным включением
|
1
|
88
|
|
Шунтовый
двигатель с индивидуальными генераторами
|
1,3
|
137
|
|
ДВС
с гидропреобразователем
|
4
|
220
|
Момент инерции (кгм2) вращающихся деталей
привода относительно собственных осей
, (1.31)
где т-масса детали, кг; D- диаметр
детали, м; ki- коэффициент, учитывающий тип сборочной единицы или детали; k2=8-
сплошные валы и оси; k2=7- блоки, звездочки, шкивы муфт и тормозов, ведущие и
направляющие колеса гусениц; k2=9- муфты; k2=6- литые и сварные барабаны.
Момент инерции (кгм2) металлоконструкций стрел и рукоятей относительно оси
поворотной платформы (при незначительном изменении их масс по длине)
, (1.32)
где
- масса стрелы (рукояти),кг; R, r-
расстояния от оси вращения до конца стрелы (рукояти). Мощность (кВт) для работы
поворотного механизма
, (1.33)
где Мпов- в кН;
- в рад/с.
Тяговый расчет. Для гусеничных
экскаваторов в общем случае суммарное сопротивление передвижению (Н):
При α=15° - 17°, f=0,1- 0,15
. (1.34)
При α=8° - 10°(крупные
экскаваторы)
, (1.35)
где G- сила тяжести экскаватора.
Мощность потребная для передвижения
экскаватора с заданной скоростью:
, (1.36)
где
- в Н, v - м/с,η - КПД
трансмиссии.
Статический расчет. В задачи
статического расчета входят: выбор противовеса для уравновешивания поворотной
платформы, определение условий устойчивости экскаватора, определение усилий в
опорных роликах поворотного круга и реакций центральной цапфы (или захватных
роликов), определение удельных давлений на грунт и опорных реакций.
При уравновешивании поворотной
платформы необходимо выполнить два основных условия (требования): при любых
возможных положениях поворотной платформы и рабочего оборудования с порожним
или груженым ковшом равнодействующая масс вращающихся частей не должна выходить
за периметр многоугольника, построенного через опорные катки с поворотным
кругом; для всевозможных положений перемещение равнодействующей вперед или
назад от центральной цапфы должно быть одинаковым. Поворотная платформа
уравновешивается для каждого вида рабочего оборудования своим противовесом.
Рассмотрим методику выбора
противовеса. Для одноковшового экскаватора с рабочим оборудованием прямая
лопата (рис. 1.1, г) в основу определения рационального противовеса положено
второе условие уравновешивания. Равнодействующую масс поворотной платформы и
рабочего оборудования смещают в два крайних положения.
Начало копания: ковш опирается на
грунт, его сила тяжести и сила тяжести рукояти не оказывают влияния на
равновесие платформы, стрела поднята под максимальным углом
= 60°,в
равновесии платформы участвуют масса стрелы (тс),масса противовеса (тпр)и масса
поворотной платформы (тпп)со всеми механизмами и узлами без противовеса и
рабочего оборудования. Силы тяжести будут:
. (1.37)
Расчетный вылет ковша, полностью
загруженного грунтом: стрела установлена под минимальным рабочим углом
=35...40°. В
равновесии платформы участвуют массы: тс, тр- масса рукояти, mк+г- масса ковша
с грунтом, тпр, т1.По этим массам определяют силы тяжести:
. (1.38)
Выдвижение рукояти:
при q= 0,25- 0,75 м3 l= lхода/2;
(1.39)
при q=1,0- 1,5 м3 l=(2/3)lхода;
(1.40)
при q= 1,5- 3 м3 l=lхода. (1.41)
Равнодействующие сил тяжести в
соответствующих положениях:
; (1.42)
. (1.43)
Результирующие опрокидывающие
моменты относительно оси поворотной платформы:
; (1.44)
-
-
. (1.45)
Смещение равнодействующей
относительно оси центральной цапфы:
bI
=MI/RI<а;
(1.46)= MII/RII<b; (1.47)
bII/bI = 1,0-1,1. (1.48)
При соблюдении этих условий
найденный противовес принимается как наиболее рациональный.
Противовес для обратной лопаты
выбирают из двух расчетных положений: I-порожний ковш находится на максимальном
вылете перед началом копания; II-груженый ковш вышел из забоя.
Расчетные положения для драглайна:
I- ковшлежит на земле, α=αmax=
=45°; II -груженый
ковш находится на расчетном вылете при α=dmin=25- 30°, q=0,25- 0,5 м3,
Lp=0,75L, q=0,5- 1,0 м3, Lp=0,80L, q>1,0 м3LP = L, где L- полный вылет
ковша, м.
Контрольные вопросы
Дайте понятие экскаватора и область его
применения.
Как определяется скорость рабочих движений?
Как рассчитывается мощность механизмов подъема и
напора?
От каких параметров зависит момент инерции
вращающихся деталей привода?
Чему равно суммарное сопротивление передвижению
для гусеничных экскаваторов?
При каких условиях противовес принимается как
наиболее рациональный?
Что входит в задачи статического расчета
одноковшового экскаватора?
Какие получаются результирующие опрокидывающие
моменты относительно оси поворотной платформы?
Перечень вариантов заданий
|
вариант
|
грунт
|
вместимость
ковша q. м3
|
тип
экскаватора
|
b,
м ширина режущей кромки ковша
|
скорость
перемещения V м/с
|
тип
привода
|
рассчитать
|
|
1
|
1
|
0,1
|
прямая
|
0,5
|
8
|
Одномоторный
|
Vп,
Vн, Vвозв,Ро,Sп,Sн,Nп ,Nн,N,Mпов
|
|
2
|
2
|
0,3
|
обратная
лопата
|
0,6
|
7,5
|
Шунтовый
двигатель
|
Vп,
Vн, Ро,Sп,Sн,Nп ,Nн,N,Mпов
|
|
3
|
3
|
0,5
|
драглайн
|
0,7
|
7
|
ДВС
с гидропреобразователем
|
Vп,
Vн, Ро,mк,Sп,Sн,N,Mпов
|
|
4
|
4
|
0,7
|
прямая
|
0,8
|
6,5
|
Одномоторный
|
Vп,
Vн, Vвозв,Ро,Sп,Sн,Nп ,Nн,N,Mпов
|
|
5
|
1
|
0,9
|
обратная
лопата
|
0,9
|
6
|
Шунтовый
двигатель
|
Vп,
Vн, Ро,Sп,Sн,Nп ,Nн,N,Mпов
|
|
6
|
2
|
1,1
|
драглайн
|
1
|
5,5
|
ДВС
с гидропреобразователем
|
Vп,
Vн, Ро,mк,Sп,Sн,N,Mпов
|
|
7
|
3
|
1,3
|
прямая
|
1,1
|
5
|
Одномоторный
|
Vп,
Vн, Vвозв,Ро,Sп,Sн,Nп ,Nн,N,Mпов
|
|
8
|
4
|
1,5
|
обратная
лопата
|
1,2
|
4,5
|
Шунтовый
двигатель
|
Vп,
Vн, Ро,Sп,Sн,Nп ,Nн,N,Mпов
|
|
9
|
1
|
1,7
|
драглайн
|
1,3
|
4
|
ДВС
с гидропреобразователем
|
Vп,
Vн, Ро,mк,Sп,Sн,N,Mпов
|
|
10
|
2
|
1,9
|
прямая
|
1,4
|
3,5
|
Одномоторный
|
Vп,
Vн, Vвозв,Ро,Sп,Sн,Nп ,Nн,N,Mпов
|
|
11
|
3
|
2,1
|
обратная
лопата
|
1,5
|
3
|
Шунтовый
двигатель
|
Vп,
Vн, Ро,Sп,Sн,Nп ,Nн,N,Mпов
|
|
12
|
4
|
2,3
|
драглайн
|
1,6
|
2,5
|
ДВС
с гидропреобразователем
|
Vп,
Vн, Ро,mк,Sп,Sн,N,Mпов
|
Пример выполнения лабораторной работы
Выбор основных параметров. Большинство
параметров проектируемых экскаваторов можно определить на основании законов
подобия и обобщения отечественного и зарубежного опыта, экскаваторостроения.
Н.Г. Домбровский предложил применительно к линейным (А), массным (т),
мощностным (N), силовым (S) показателям, продолжительности (t) рабочих движений
и вместимости ковша (q) следующие зависимости:
НН=
=9,2 (м)
(т)
=11,1(м)
=10,2(м)
=4,1(м)
=9,2(м)
=9,2(м)
=11,6(м)
=16,7(м) gр=
=11200(Н)
р+г=
=28000(Н) gС=
=16000(Н)
Скорость рабочих движений. На блоке
ковша прямой лопаты при стандартном оборудовании скорость принимается в
зависимости от вместимости ковша: при q = 0,25...0,50 м3
= 0,5 м/с;
при q = 4...6 м3
= 1 м/с;=
2,0 м3 принимаем
= 0,5 м/с;
Скорость напорного движения
=(0,5...
1,0)
; принимаем
= 0,5 м/с;
Скорость возврата рукояти
= (1,3 ...
1,5)
=1,5
=0,75 м/с;
Определение усилий в рабочем
оборудовании. Сопротивление грунта (Н) копанию ковшом (Ро) экскаватора состоит
из касательной
и
нормальной
составляющих,
определяемых усилиями резания, наполнения и перемещения призмы волочения:
;
где
- удельное сопротивление грунта
копанию, Н/м2; b, с -ширина режущей кромки ковша и толщина разрабатываемой
стружки, м; ψ
-
коэффициент отношения составляющих усилия копания. (
-выбрать из
приложения №2).
Наибольшая толщина срезаемой стружки
(м) соответствует положению II, при котором обеспечивается 100%-ное наполнение
ковша:
=
=0,33
где кр=1,3 - коэффициент разрыхления
грунта
(Н)
(Н)
(Н)
Подъемное усилие (Н) на блоке ковша в процессе
копания

=
(Н)
Усилие (Н) напора
=
(принять
)
Мощность (кВт) механизмов подъема и
напора

(кВт)

(кВт)
=22,1+14,4=36,5 (кВт)
где
,
- соответственно КПД подъемного и
напорного механизмов(кпд принять равным 0,7-0,9);
и
- в Н;
и
- в м/с.
Мощность, потребная для работы
поворотного и ходового механизмов. Вращающие моменты (Н-м):
в период разгона
в период торможения
где
- вращающий момент от сил трения,
отнесенный к поворотной платформе, Н-м;
- вращающий момент, возникающий
вследствие отклонения оси вращения экскаватора от вертикали (обычно на 10...
12°), Н-м;
- вращающий
момент от сил инерции, возникающих при вращении поворотной платформы со стрелой
и грузом в период разгона и торможения с учетом инерции вращающих масс
механизмов, Н-м; Мд - вращающий момент вала двигателя, Н-м; и - передаточное
число от двигателя до венца поворотного механизма(принять 20-40);
- КПД
поворотного механизма(принять 85%); Мт.д.-тормозной момент на валу двигателя,
Н-м.
Вращающий момент (Н-м) от сил
трения:
для свободных роликов

(Нм)
где R- средний радиус круга катания,
м(принять 0,5-2); m - масса поворотной части экскаватора, кг(m=65-80%mэкспл);
g=9,8 м/с2; r - радиус ролика, м(принять равным 0,05-0,4);
- плечо
трения качения, см;
=0,05 ...
0,08 см.
Вращающий момент сил от наклона
экскаватора (Н-м)

(Нм)
где
- радиус центра тяжести поворотной
части, м(принять равным 0,01-0,15);
=1O...12°- угол отклонения оси
вращения от вертикали.
Вращающий момент (Н-м) от сил
инерции

(Нм)
где
- коэффициент, учитывающий инерцию
вращающихся частей привода механизма поворота (см. приложение);
-
максимальное угловое ускорение,. рад/с2 (принять 0,1-0,6);
- суммарный
момент инерции вращающейся части экскаватора относительно оси поворотной
платформы, кг-м2.(в пределах 105-3*106).
Мощность (кВт) для работы
поворотного механизма

(кВт)
где Мпов - в кН;
- в рад/с.
- продолжительность разгона
(торможения), с.(1-5с)
Тяговый расчет. Для гусеничных
экскаваторов в общем случае суммарное сопротивление передвижению (Н):
При
(крупные экскаваторы)

(Н)
где G - сила тяжести экскаватора.
Мощность (кВт), потребная для передвижения
экскаватора с заданной скоростью:

(кВт)
Где
- в Н,
-м/с,
- кпд
трансмиссии.
Статический расчет. Задание:
подобрать противовес (принять равным 0,05-0,3 mпп)пр=0,2 mпп=0,2*53200=10640(кг)
примем gпп=90кН
Начало копания (положение I):
Силы тяжести будут:
Расчетный вылет ковша, полностью
загруженного грунтом: стрела установлена под минимальным рабочим углом
=35...40°
(положение II)
= mpg; gK+Г = mK+Г g.= 11200(Н);
gK+Г =28000(Н)
Равнодействующие сил тяжести в
соответствующих положениях:
= g1 +
gпp+gС=521360+90000+16000=627360(Н)= g1 + gпp+gС +gР +gк+г=521360+90000+16000+11200+28000=666560(Н)
Результирующие опрокидывающие моменты
относительно оси поворотной платформы: (rпр принять конструктивно)
= g1r1 + gпprпр +
gСrcI=521360*0,05+90000*1+16000*9,2=263268(Нм);= gСrcII + gрrр +gк+г - g1r1 -
gпprпр=16000*11,6+11200*16,7+28000-521360*0,05-90000*1=284572(Нм)
Смещение равнодействующей относительно оси
центральной цапфы:
bI =MI/RI=263268/627360=0,419(м);=
MII/RII=286372/666560=0,429(м);
bII/bI = 1,0 ... 1,1. bII/bI = 0,429/0,419=1,02
условие соблюдается - найденный противовес
принимается как наиболее рациональный gпп=90кН.
РАСЧЕТ ЭКСКАВАТОРА НЕПРЕРЫВНОГО
ДЕЙСТВИЯ
Цель работы
Цель работы - ознакомиться с методикой расчета
экскаваторов непрерывного действия.
Содержание работы
Изучить все разделы настоящих методических
указаний и материалы рекомендуемой литературы. Закрепить изученный материал
практическими расчетами, выбрать основные параметры, рассчитать
производительность и баланс мощности экскаватора.
Теоретическая часть
Экскаваторами непрерывного действия называют
самоходные землеройные машины с активными рабочими органами, которые
одновременно и непрерывно копают, транспортируют и разгружают грунт при
движении всей машины. Благодаря принципу непрерывности рабочего процесса и
использованию всего рабочего времени на экскавацию грунта эти экскаваторы по
сравнению с одноковшовыми обеспечивают более высокую производительность и
лучшие удельные показатели.
Производительность экскаваторов непрерывного
действия. Для ЭНД с ковшовым рабочим органом эксплуатационная
производительность (м3/ч) вычисляется по формуле:
, (2.1)
где kв-коэффициент использования
машины по времени: непрерывного действия kв=0,85- 0,9; kн- коэффициент
наполнения ковша; kр- коэффициент разрыхления грунта; q- объём ковша; n-число
разгрузок ковшей в ед. времени n=v/l, где v и l - скорость (м/с) и шаг ковшей
(м). Для многоковшовых цепных экскаваторов принимают n =0,33-0,66 c-1, для
роторных карьерных - 1- 2 c-1, для роторных траншейных - 2,7- 2,9 c-1.
Таблица 2.1
|
грунт
|
I
|
II
|
III
|
IV
|
|
Kн
|
0,9-1,2
|
0,8-1,1
|
0,75-1,0
|
0,9-0,9
|
|
Kр
|
1,08-1,17
|
1,14-1,28
|
1,24-1,3
|
1,26-1,32
|
Для скребковых траншеекопателей,
транспортирующих грунт в виде призмы волочения, теоретическая
производительность
, (2.2)
где bc,hc- ширина и высота
транспортного скребка, м; vц- скорость скребковой цепи, м/с; vц=1,5- 2,5 м/с; ε-коэффициент,
учитывающий степень заполнения межскребкового пространства грунтом.
При ε=0,5
нерационально используется выносная способность скребков, то есть теоретическая
производительность снижается более чем в 2 раза. φг= 30 - 45°
- угол естественного откоса грунта в движении. (принимать ε=0,5 - 1).
Техническая производительность:
, (2.3)
где bт,hт-ширина и глубина траншеи,
м; vp - рабочая скорость передвижения траншеекопателя, м/с;
-
коэффициент, учитывающий потери грунта на раструску (пересыпание через скребок
и обратное падение в траншею);
=0,92 при vц=1 м/с;
=0,75 при
vц=2 м/с;
=0,5 при
vц=3 - 4 м/с.
Баланс мощности экскаваторов
непрерывного действия. Его определяют для того, чтобы установить режим работы
на рабочих скоростях и назначить максимальную транспортную скорость.
Для цепных траншеекопателей:
, (2.4)
где Nдвиг, Nцепи,Nпep, Nтр, Nнаc-
мощности, расходуемые соответственно двигателем на привод цепного рабочего
органа, передвижение экскаватора с рабочей скоростью, привод отвальных
конвейеров и системы управления экскаватором (гидронасосы, механические
лебедки), кВт.
Мощность расходуемая на привод
цепного рабочего органа:
, (2.5)
где Nкоп, Nпод- мощность,
расходуемая соответственно на копание грунта и его подъем из забоя до высоты
выгрузки, кВт.
Мощностьрасходуемая на копание
грунта:
, (2.6)
где Nкоп- удельное сопротивление
копанию, Н/м2; kкоп=100000, 200000, 300000 и 400000 Н/м2 для грунтов I, II, III
и IV категорий; kкоп=2(106-107) Н/м2 для мерзлых грунтов всех категорий; Пт-
техническая производительность, м3/ч; Пт=bтhтvр; bт и hт- в м; vР- в м/ч; ηц- КПД
рабочей цепи; ηц=0,60- 0,65
для свободно провисающей ковшовой цепи; ηц=0,40- 0,45 для скребковой
цепи.
Эта же мощность:
, (2.7)
где ∑Rк- суммарная касательная
составляющая реакция грунта на рабочий орган, Н; ∑Rk=Rk1+Rk2+Rk3+…+Rki;
RkI- касательные реакции, действующие на каждый ковш.
Мощность затрачиваемая на подъем
грунта ковшовым рабочим органом:
, (2.8)
где γ- удельный вес
грунта ненарушенной структуры, Н/м3; Пт- в м3/ч; Н΄0- высота
подъема грунта, м; hт- глубина копания,м.
Мощность затрачиваемая на подъем
грунта скребковым рабочим органом:
, (2.9)
где fr- коэффициент трения грунта о
грунт; β-
угол
наклона (град) траектории движения скребка к горизонту [50°- 75°].
Рис. 2.1
Мощность, расходуемая на
передвижение экскаватора с рабочей скоростью:
, (2.10)
где F- суммарное сопротивление
передвижению экскаватора с учетом реакций со стороны грунта на рабочий орган и
уклона поверхности движения, Н; vP- в м/с; ηпер- КПД передач, включая
потери на трение в движителе;vp=Пт/3600bтhт, где bТ - ширина траншеи;hТ-
глубина траншеи.
Величина
, (2.11)
где Ft- сопротивление передвижению
экскаватора,
Н;F1=(mg+∑Rв++Rнож в)(fo±i),
Н; т-масса экскаватора, кг; g=9,81
м/с2; ∑Rв-вертикальная реакция со стороны грунта на рабочий орган,
Н;Rножв-вертикальная реакция со стороны грунта на зачистной нож, Н; когда нож
отсутствует, Rнож в=0;fо-сопротивление передвижению, Н; i-уклон поверхности
движения; F2- суммарная реакция со стороны внешней среды на рабочее
оборудование в направлении вектора vр, Н;
=∑Rг+ Rнож г;
∑Rг- горизонтальная реакция со
стороны грунта на рабочий орган, Н; Rнож г- горизонтальная реакция со стороны
грунта на зачистной нож, Н.
Силы F1 и F2 определены из условия
выполнения экскаватора по навесной системе; когда в конструкции имеются
дополнительные опорные устройства (опорные колеса, лыжи и др.), то в формуле
(2.11) необходимо учитывать дополнительные сопротивления от работы этих
устройств.
Реакции
и
, (2.12)
где kкоп - удельное сопротивление
грунта копанию зачистным ножом, Н/м2; bт - ширина траншеи, м; с1 - толщина
неровностей на дне траншеи, образуемых вследствие особенностей кинематики
движения рабочих органов; c1=0,02 - 0,04 м; ψ - коэффициент; ψ=0,2 -
0,4. В
случае если зачистной нож на дне траншеи одновременно прорезает лунку под
укладку подземных коммуникаций, то реакцию Rнож.г определяют с учетом площади
разрабатываемого сечения. Вертикальные и горизонтальные реакции со стороны
грунта на рабочий орган:
; (2.13)
, (2.14)
где ∑Rк - суммарная
касательная реакция со стороны грунта на рабочий орган, Н; ψ - коэффициент;
ψ=0,15
- 0,45 для
ковшей цепных экскаваторов; ψ=0,8 - 1,0 для скребковых и дискофрезерных
рабочих органов; ψ=0,4
- 1 для
ковшей роторных экскаваторов.
Суммарная касательная реакция со
стороны грунта на рабочий орган:
ковшовый
(2.15)
скребковый
(2.16)
где Nкоп, кВт; vц, м/с.
Мощность на привод отвальных
конвейеров определяют по упрощенной формуле:
, (2.17)
где Пт - вм3/ч; k1 - удельная
мощность, расходуемая на единицу объема транспортируемого грунта, кВтч/м3;
k1=0,03 кВтч/м3 для ленточных отвальных конвейеров при их длине L=3 - 5 м;
k1=0,012 кВтч/м3 для двухсторонних шнековых отвалообразователей.
Мощность на привод системы
управления
, (2.18)
где Fr - усилие в штоке подъемного
гидроцилиндра, Н; (I - копание грунта на расчетной глубине, II - подъем
рабочего оборудования, III - рабочий орган в горизонтальном положении); vшт -
скорость штока рабочего силового цилиндра; vшт=0,05 - 0,10 м/с;ηсум -
суммарный КПД .
Для роторных траншейных экскаваторов
мощность, расходуемая на привод ротора:
, (2.19)
где Nин - дополнительная мощность
(кВт), затрачиваемая на сообщение частицам грунта кинетической энергии,
, (2.20)
где γ - Н/м3; Пт -
м3/ч; vокр - м/с, скорость резания vокр=1,6 - 2,7 м/с; g=9,8 м/с2; ηр - КПД
ротора, ηр=0,7 - 0,8.
Контрольные вопросы
Дайте понятие экскаватора
непрерывного действия.
Какие принципиальные отличия от
одноковшового экскаватора?
Как рассчитывается эксплуатационная
производительность ЭНД?
Каково число разгрузок ковшей в ед.
времени для ЭНД?
От каких параметров зависит
техническая производительность?
Для чего и как определяют баланс
мощности экскаваторов непрерывного действия?
Как определяется вертикальные и
горизонтальные реакции со стороны грунта?
Как рассчитывается мощность на привод
отвальных конвейеров?
Перечень вариантов заданий
|
вариант
|
привод
|
рабочий
орган
|
размер
|
грунт
|
hт,глубина
копания,м
|
Ширина
траншеи,м
|
трактор
|
масса,кг
|
|
1
|
цепной
|
ковш
|
0,03
|
1
|
3,5
|
0,6
|
т-40м
|
2850
|
|
2
|
цепной
|
скребок
|
0,3х0,2
|
2
|
3
|
-
|
ЮМЗ-6
|
3490
|
|
3
|
роторный
|
ковш
|
0,02
|
3
|
2,5
|
0,7
|
МТЗ-50
|
3100
|
|
4
|
цепной
|
ковш
|
0,04
|
4
|
2
|
0,8
|
МТЗ-80
|
3370
|
|
5
|
цепной
|
скребок
|
0,35х0,2
|
1
|
1,5
|
-
|
Т-150К
|
8135
|
|
6
|
роторный
|
ковш
|
0,03
|
2
|
1
|
0,9
|
К-700
|
13500
|
|
7
|
цепной
|
ковш
|
0,05
|
3
|
3,5
|
1
|
ДТ-75
|
8060
|
|
8
|
цепной
|
скребок
|
0,4х0,2
|
4
|
3
|
-
|
Т-74
|
6274
|
|
9
|
роторный
|
ковш
|
0,04
|
1
|
2,5
|
1,1
|
Т-150
|
7400
|
|
10
|
цепной
|
ковш
|
0,06
|
2
|
2
|
1,2
|
т-4
|
8420
|
|
11
|
цепной
|
скребок
|
0,45х0,25
|
3
|
1,5
|
-
|
ТДТ-55
|
9365
|
|
12
|
роторный
|
ковш
|
0,05
|
4
|
1
|
1,3
|
ДТ-75
|
8060
|
Пример выполнения лабораторной работы
Производительность экскаваторов непрерывного
действия (ЭНД). Для ЭНД с ковшовым рабочим органом эксплуатационная
производительность (м3/ч)

(м3/ч)
Техническая производительность (м3/ч)

(м3/ч)
Баланс мощности экскаваторов непрерывного
действия.
Для цепных траншеекопателей
двиг = Nцепи + Nпер + NTР +N НАС
где Nдвиг, Nцепи, Nпep, NTР, Nнаc- мощности,
расходуемые соответственно двигателем, на привод цепного рабочего органа,
передвижение экскаватора с рабочей скоростью, привод отвальных конвейеров и
системы управления экскаватором (гидронасосы, механические лебедки), кВт.
Мощность (кВт), расходуемая на привод цепного
рабочего органа,
цепи = (Nкоп + Nпод)
/ηприв=
(кВт)
где Nкоп, Nпод - мощность, расходуемая
соответственно на копание грунта и его подъем из забоя до высоты выгрузки, кВт;
ηприв
- механический КПД привода от двигателя до турасного вала
включительно.(0,8-0,9)
Мощность (кВт), расходуемая на копание грунта,
коп = kкопПт/ (3600 • 103ηЦ)
(кВт)
где kкоп - удельное сопротивление копанию, Н/м2;
kКОП=100 000, 200 000, 300 000 и 400 000 Н/м2 для грунтов I, II, III и IV
категорий; Пт - техническая производительность, м3/ч; Пт=bтhтvр; bТ и hт- в м;
vР - в м/ч; ηЦ - КПД рабочей
цепи; ηЦ
=0,60... 0,65 для свободно провисающей ковшовой цепи; ηЦ=0,40
... 0,45 для скребковой цепи.
Мощность (кВт), затрачиваемая на подъем грунта
ковшовым рабочим органом,
под=γПт(Н'0+0,5hт)/(3600•103ηЦ)
(кВт)где γ
-
(=0,8…2•104)удельный вес грунта ненарушенной структуры, Н/м3; ПТ - в м3/ч; Н'О
- высота подъема грунта, м(принимается Н'О=30-50% hТ); hТ - глубина копания, в
м. (Н'О=0,3•3,5≈1)
Мощность (кВт), расходуемая на передвижение
экскаватора с рабочей скоростью,
пер=Fvр/(103ηпер)=
(кВт)
где F - суммарное сопротивление передвижению
экскаватора с учетом реакций со стороны грунта на рабочий орган и уклона
поверхности движения, Н; vP - в м/с; ηпер
- КПД передач, включая потери на трение в движителе.(0,6…0,85)
(
(м/с),
где bТ - ширина траншеи, hТ -глубина траншеи, м
)
Величина
=F1+F2 =2813+280=3093 (Н)
где Ft-сопротивление передвижению экскаватора,
Н;
F1=(mg+∑RB+RHOЖ.В)(fo±i)=
, Н;
т-масса экскаватора, кг; g=9,81 м/с2; ∑RB
- вертикальная реакция со стороны грунта на рабочий орган, Н; RHOЖ.В -
вертикальная реакция со стороны грунта на зачистной нож, Н; когда нож
отсутствует, RHOЖ.В =0; f0=0,1 - сопротивление передвижению, Н; i=0 - уклон
поверхности движения;- суммарная реакция со стороны внешней среды на рабочее
оборудование в направлении вектора vР, Н;
=∑RГ+ RHOЖ.Г
,Н
∑RГ - горизонтальная реакция со стороны
грунта на рабочий орган, Н; RHOЖ.Г - горизонтальная реакция со стороны грунта
на зачистной нож, Н.
Реакции (Н)
Ж.Г = kкопbтС1
(Н)нож.в= ψRнож.г
(Н)
где kкоп - удельное сопротивление грунта копанию
зачистным ножом, Н/м2; bт-ширина траншеи, м; с1 - толщина неровностей на дне
траншеи, образуемых вследствие особенностей кинематики движения рабочих
органов; c1= 0,02 ... 0,04 м; ψ -
коэффициент; ψ=0,2 ... 0,4.
Вертикальные и горизонтальные реакции (Н) со
стороны грунта на рабочий орган


где ∑Rк - суммарная касательная реакция со
стороны грунта на рабочий орган, Н; β -
[50-750]; ψ - коэффициент; ψ=0,15
... 0,45 для ковшей цепных экскаваторов; ψ=0,8
... 1,0 для
скребковых и дискофрезерных рабочих органов; ψ=0,4 ...
1,0 для
ковшей роторных экскаваторов.
Суммарная касательная реакция (Н) со стороны
грунта на рабочий орган:
Ковшовый:
∑Rк =103NКОП/vЦ
(Н)
где Nкоп - в кВт; vЦ =1,5…2,5 м/с.
Мощность (кВт) на привод отвальных конвейеров
определяют по упрощенной формуле
=ПTk1
(кВт)
где Пт - в м3/ч; k1 - удельная мощность,
расходуемая на единицу объема транспортируемого грунта, кВт-ч/м3; k1=0,03
кВт-ч/м3 для ленточных отвальных конвейеров при их длине L=3 ... 5 м; k1=0,012
кВт-ч/м3 для двухсторонних шнековых отвалообразователей при L=0,3... 0,5 м.
Мощность (кВт) на привод системы управления
нас =Fгvшт/(103ηсум)
(кВт)
где Fr - усилие в штоке подъемного
гидроцилиндра, Н(принять конструктивно 2000…20000Н); vшт - скорость штока рабочего
силового цилиндра; vшт=0,05. ..0,10 м/с; ηсум
(=0,6…0,85)- суммарный КПД привода.
Для цепных траншеекопателей
двиг = Nцепи + Nпер + NTР +N
НАС=0,71+0,05+0,324+0,21≈1,3(кВт)
РАСЧЕТ БУЛЬДОЗЕРА
Цель работы
Цель работы - ознакомиться с методикой расчета
бульдозеров.
Содержание работы
Изучить все разделы настоящих методических
указаний и материалы рекомендуемой литературы. Закрепить изученный материал
практическими расчетами, провести тяговый расчет бульдозера, расчет его
производительности, расчет действующих сил.
Теоретическая часть
Бульдозер представляет собой навесное
оборудование на гусеничный или колесный трактор (или тягач) в виде отвала
криволинейного профиля, навешиваемого при помощи рамы или толкающих брусьев.
Бульдозеры служат для послойного копания, планировки и перемещения грунтов и
других материалов на расстояниедо 60 - 150 м при строительстве и ремонте дорог,
каналов, дамб, котлованов и др. В зависимости от мощности и конструкции они
могут работать на самых разнообразных грунтах и материалах, от болотистых и
песчаных до взорванных или разрыхленных скальных пород.
Экономически выгодная дальность перемещения
грунта зависит от тягового класса бульдозера, вида грунта и эксплуатационных
условий. Обычно она не превышает 40 - 60 м.
Специальные бульдозеры предназначены для
выполнения отдельных видов работ (разравнивания кавальеров, подземной
разработки материалов, подводной разработки грунтов и т. п.) и работ в особых
грунтовых или климатических условиях (при низких отрицательных температурах до
60°С, при тропической влажности и высоких температурах до 60°С и т. д.).
По типу механизма управления различают
бульдозеры с гидравлическим и канатно-блочным управлением. Действующим
стандартом рекомендуется преимущественно гидравлическая система управления. Она
обеспечивает принудительное заглубление отвала в грунт, что имеет большое
значение для бульдозеров с небольшой массой отвала и при работе на тяжелых
грунтах. Выбор основных параметров. Главный параметр бульдозера - номинальное
тяговое усилие, которое определяется на плотном грунте с учетом догрузки
базовой машины массой рабочего оборудования.
Номинальное тяговое усилие бульдозера:
, (3.1)
где тб=тбм+тно - масса бульдозера,
кг; тбм - масса базовой машины, кг; тно- масса навесного оборудования, кг; km-
коэффициент использования массы по сцеплению; для гусеничных бульдозеров km -
1,0; для бульдозеров на базе пневмоколесных тягачей kmопределяется числом
ведущих мостов;ϕсц- коэффициент сцепления; g=9,81 м/с2.
Скорость рабочего хода бульдозера
выбирают в пределах 2,5 - 3,5 км/ч из-за утомляемости машиниста при ручном
управлении, для безопасности работы и др.
Рис. 3.1 - Основные параметры отвалов: а - углы
установки; б - параметры профиля
Вертикальное давление рв на режущей кромке
отвала зависит от степени затупления ножей и системы управления отвалом
(гидравлическое или канатно-блочное).
Таблица 3.1
|
Категория
грунта
|
I
|
II
|
III
|
IV
|
|
рт,
Н/см
|
До
150
|
200
- 300
|
400
- 550
|
Более
600
|
|
рв,
МПа
|
До
1,0
|
1,2
- 2.0
|
2,5
- 3.5
|
Более
3,5
|
Основными параметрами бульдозера служат также
среднее статическое давление и смещение центра давления. Эти параметры
определяют статическим расчетом.
К основным параметрам отвала относятся (рис.
3.1): В - ширина отвала; H - высота отвала без козырька; δ
- угол
резания при основной установке отвала; β - угол
опрокидывания при основной установке отвала (угол между горизонталью и
касательной к отвальной поверхности в верхней кромке отвала), ε
- угол
наклона при основной установке отвала (угол между горизонталью и линией,
соединяющей верхнюю кромку отвальной поверхности с режущей кромкой среднего
ножа отвала.
Таблица 3.2
|
Параметры
|
Отвалы
|
|
неповоротный
|
поворотный
|
|
δ,
град
|
55
|
50
- 55
|
|
ε,
град
|
75
|
75
|
|
β,
град
|
70
- 75
|
60
- 75
|
|
βк,
град
|
90
- 100
|
90
- 100
|
|
Радиус
кривой части отвальной поверхности
|
R≈H
|
R=(0,8
- 0.9)H
|
|
Длина
прямой части внизу отвальной поверхности
|
По
ширине ножей
|
Дополнительные параметры профиля отвала: Hк -
высота с козырьком; βк - угол
установки козырька при основном положении отвала (угол между горизонталью и
плоскостью козырька);θ - задний угол
при основной установке отвала (угол между горизонталью и линией, соединяющей
режущую кромку среднего ножа с наиболее выступающим элементом конструкции внизу
на тыльной стороне отвала).
Ширину неповоротного отвала В бульдозера
выбирают минимально возможной из расчета перекрытия ширины базовой машины или
выступающих в стороны элементов толкающей рамы не менее чем на 70 мм с каждой
стороны. Для работы в легких грунтах ширину отвала В можно увеличить, применив
удлинители и уширители. Ширину поворотного отвала бульдозера выбирают
аналогично при повернутом в плане отвале.
Высота отвала H (мм) регламентируется тяговым
усилием бульдозера и определяется по эмпирическим формулам:
для неповоротного отвала
; (3.2)
для поворотного отвала
, (3.3)
где
- номинальное тяговое усилие
базовой машины, кН.
Отвалы бульдозеров общего назначения
рекомендуется снабжать козырьком, препятствующим пересыпанию грунта через
верхнюю кромку отвала. Высота козырька по вертикали должна составлять 0,1 - 0,3
высоты отвала.
Задний угол отвала рекомендуется
выбирать не менее 20°.
Радиус кривой части отвальной
поверхности R, высота отвала H, углы резания δ, опрокидывания
β
и
наклона отвала ε
связаны
между собой зависимостью:
. (3.4)
При рекомендуемых углах отвальной
поверхности для неповоротного отвала (δ=55°, β =75° и ε =75°)
R=0,99H, а
для поворотного отвала (δ=
55°, β= 70°, ε = 75°), R=0,81Н.
Угол поворота отвала в плане а
устанавливают в пределах 25 - 30°. Увеличение этого угла может привести к
развороту бульдозера в горизонтальной плоскости.
Угол перекоса отвала в поперечной
вертикальной плоскости позволяет разрабатывать более тяжелые грунты, облегчает
производство работ на косогорах.
Рекомендуемый диапазон регулирования
угла перекоса составляет 0 - 100 при гидрофицированном и 0 - 60 при ручном
управлении отвалом.
Максимальную высоту подъема Нп и
опускания Hо отвалов определяют суммой предельных рабочих углов спуска и
подъема.
Учитывая, что бульдозеры общего
назначения чаще всего работают на уклонах до 20°, высоту подъема выбирают по
углу въезда, который должен быть не менее 20°.
Высоту опускания отвала ниже опорной
поверхности ходовой части базовой машины выбирают такую, при которой угол между
опорной поверхностью гусениц и линией, соединяющей режущую кромку опущенного
отвала с центром давления, был бы не менее 20°.
, (3.5)
где F1 - сопротивление отделению
грунта от массива, Н;F2-сопротивление перемещению призмы волочения, Н; F3,
F4-сопротивление трению при движении грунта соответственно вверх по отвалу и
вдоль него, Н; F5 - сопротивление движению базовой машины с бульдозерным
оборудованием, Н.
Сопротивление отделению грунта от
массива:
, (3.6)
где k- удельное сопротивление
резанию на единицу лобовой площади отвала, Н/м2 (при δ=55° для грунта I
категории k- 70 103 Н/м2, III категории k=170 105 Н/м2); В- ширина отвала, м;
h- глубина резания, м (оптимальные значения h=(0,07 - 0,11)Ндля плотных грунтов
и h=(0,09 - 0,15)H для разрыхленных);α- угол установки отвала в плане
(рис. 3.2).
Рис. 3.2 - Схема сил, действующих на бульдозер:
а - вначале подъема отвала с грунтом; б-при заглублении отвала по условию
устойчивост
Сопротивление перемещению призмы волочения
грунта:
, (3.7)
где mпр-масса призмы волочения
грунта, кг;
, (3.8)
где В, Н - ширина и высота отвала,
м; kпр - коэффициент, зависящий от характеристики грунта и формы отвала; для
связных грунтов kпр=0,8 - 0,9, для несвязныхkпр=1,2 - 1,3;γр -
плотность разрыхленного грунта, кг/м3; g=9,81 м/с2;
-
коэффициент трения грунта о грунт;α - угол установки отвала, град.
Сопротивление трению при движении
грунта вверх по отвалу:
, (3.9)
где
- коэффициент трения грунта по
металлу;δ
- угол
резания.
Сопротивление трению при движении
грунта вдоль по отвалу:
. (3.10)
Сопротивление движению базовой
машины с бульдозерным оборудованием:
. (3.11)
Вертикальная составляющая Rов
реакции грунта в процессе работы меняется как по значению, так и по
направлению. В начальный момент заглубления отвала она направлена вверх (R'ов),
и ее приближенно можно рассчитать по формуле:
, (3.12)
где k' - коэффициент несущей
способности грунта, Н/м2; для средних условий k'= (5 - 6) 105 Н/м2; х - ширина
площадки нижней поверхности ножа, трущейся о грунт, с учетом затупления ножа, м;
х=0,007 - 0,010 м; B - длина ножа, м.
Движение бульдозера возможно, если
или
,
Где Fксц - касательная сила тяги по
сцеплению движителя с грунтом, кН; Fк-касательная сила тяги по двигателю, кН;
, (3.13)
где Тдв - вращающий момент
двигателя, кНм; uт - передаточное число трансмиссии от двигателя к движителю на
соответствующей передаче;
- КПД
трансмиссии; rк - рабочий радиус колеса или ведущей звездочки, м.
Крутящий момент:
. (3.14)
Потребная мощность двигателя
трактора:
, (3.15)
где F - кН; v - рабочая скорость
бульдозера, км/ч.
Техническая производительность
(м3/ч) бульдозера при разработке и перемещении грунта (в плотном теле):
, (3.16)
где
- объем разрыхленного грунта,
перемещаемого отвалом бульдозера, м3; ky - коэффициент уклона, принимаемый по
таблице 30;
- время
одного цикла, с; kр - коэффициент разрыхления грунта.
Таблица 3.3 - Коэффициент уклона
|
Уклон,
%
|
ky
|
Подъем,
%
|
ky
|
|
5
|
1,33
|
5
|
0,67
|
|
10
|
1,8
|
10
|
0,5
|
|
15
|
2,3
|
15
|
0,46
|
|
20
|
2.7
|
-
|
-
|
Производительность бульдозера (м2/ч) при
планировочных работах:
, (3.17)
где В - ширина отвала, м;
- угол
установки отвала в плане, град; а - часть полосы, перекрываемая при последующем
проходе и равная 0,3 - 0,5 м; l - длина участка, м; vср - средняя рабочая
скорость, м/с;tпов - время на поворот, с; п΄п - число проходов по одному
месту; п΄п=1 - 2.
Силы, действующие на бульдозер. На
бульдозер с неповоротным отвалом во время работы действуют следующие силы (рис.
3.6): сила тяжести Gб базовой машины и Gннавесного оборудования, реакции со
стороны грунта на отвал RОГи RОВ, составляющие силы в упряжном шарнире хши zш,
усилия в механизме управления отвалов Fци F΄ц(гидроцилиндрах) при
выглублении и заглублении отвала, касательная сила тягиFk (илиFксц), силы
сопротивления передвижению базовой машины F5и равнодействующая вертикальной
реакции грунта на ходовое оборудование, приложенная в центре давления R1.
При нормальных условиях работы точка
приложения сил RОГ и RОВ располагается на отвале на расстоянии от опорной
плоскости hR=(0,17 - 0,27)Н. В процессе работы отвал бульдозера может встретить
препятствие (камни, корни и т. п.).В этом случае результирующая сил
сопротивления сместится вниз, а в расчетах на прочность принимают, что точка ее
приложения находится на режущей кромке ножа. Максимальная горизонтальная
составляющая реакции грунта на отвал определяется толкающей возможностью тягача
по сцеплению:
, (3.18)
гдеFксц - касательная сила тяги по
сцеплению, Н.
Касательную силу тяги по сцеплению
находят в двух положениях рабочего оборудования: отвал не удерживается
механизмом управления, и он опирается на грунт:
φсц; (3.19)
отвал удерживается механизмом
управления, при этом
φсц, (3.20)
где φсц -
коэффициент сцепления ходовой части тягача с грунтом.
При прочностном расчете касательная
сила тяги принимается с учетом динамических нагрузок:
, (3.21)
где
- динамический коэффициент;
=1,5 - 1,7.
При направлении реакции вниз:
, (3.22)
где δ - угол
резания ножа отвала, град; φс
- угол трения грунта об отвал, град.
Реакции zш и хшв упряжном шарнире определяют из
уравнений равновесия рабочего оборудования:
(3.23)
Сила тяжести рабочего оборудования
Gн должна быть минимальной и по действующему стандарту не более 25% силы
тяжести базовой машины Gб:Gн<0,25Gб.
В то же время у бульдозеров с
канатным управлением она должна быть достаточной для заглубления отвала в грунт
под действием собственной силы тяжести. Минимальную силу тяжести навесного
оборудованияGHmin рассчитывают при максимальном значении
и
минимальном значении ROГ, которое определяется в начальный момент заглубления
только силой трения ножа о грунт
.
, (3.24)
откуда получаем минимальную силу
тяжести (кН) навесного оборудования:
. (3.25)
При определении силы тяжести
рабочего оборудования бульдозера с принудительным заглублением отвала
необходимо учитывать силу
,
направленную вниз. Ее значение ограничено устойчивостью тягача относительно
задней линии опрокидывания и может быть найдено из уравнения моментов сил,
действующих на тягач относительно точкиВ(рис. 3.2,б).
Подъемное усилие механизма
управления находят при двух условиях работы: подъем заглубленного отвала при
движении бульдозера; удержание отвала на заданном уровне в процессе резания
грунта. И в том, и в другом случае усилие механизма управления определяется из
уравнения моментов сил относительно упряжных шарниров.
При первом условии
, (3.26)
где
- сила сопротивления сдвигу грунта,
поднимаемого отвалом,
относительно остальной массы грунта,
Н;
fг -
коэффициент трения грунта о грунт;
- коэффициент сцепления грунта при
сдвиге, Н/м2; Sc - площадь сдвига, м2;
.
При втором условии Fцопределяется
аналогично при условии Fс = 0.
Максимальное усилие Fцв механизме
управления ограничивается устойчивостью тягача относительно передних или задних
линий опрокидывания (точки А и В) (рис. 3.2,б,в).
Вертикальные нагрузки на отвал
бульдозера:
. (3.27)
Усилие в гидроцилиндрепри
заглублении отвала:
. (3.28)
Скорость подъема отвала по
действующему стандарту должна быть более 0,25 м/с.
Сила R´ог, которую
определяют из соотношения сил, возникающих при работе косого клина, стремится
развернуть бульдозер. Этому препятствуют силы сцепления ходового оборудования
тягача с грунтом.
Для гусеничных бульдозеров суммарный
момент сопротивления развороту:
Тр=0,25·μп·R1·L,
(3.29)
где μп -
приведённый коэффициент сопротивления гусениц повороту; μп=0,7 - 1,0;
R1 - суммарная реакция грунта на ходовое оборудование, Н; при «запертом»
положении механизма управление отвалом R1=Gб+Gа+Rов, а при «плавающем» R1≡Gб.
Контрольные вопросы
Дайте понятие бульдозера и область
его применения.
Дайте классификацию бульдозеров по
различным признакам.
Как и когда определяют тяговые
сопротивления при работе бульдозера?
От каких параметров зависит
номинальное тяговое усилие бульдозера?
Как рассчитывается техническая
производительность бульдозера при разработке и перемещении грунта?
Какие силы действуют на бульдозер с
неповоротным отвалом во время работы?
Как определяется максимальная
горизонтальная составляющая реакции грунта на отвал?
Перечень вариантов заданий.
|
№
|
марка
трактора
|
марка
двигателя
|
V(км/ч)
|
n
об/мин
|
m(базовой
машины), кг
|
B
ширина отвала,м
|
R,
м
|
Т(R),
м
|
Кm
|
Vпр
|
l,м
|
уклон
|
|
1
|
т-25
|
Д-21а
|
3,5
|
1800
|
2020
|
1,5
|
0,59
|
-
|
0,65
|
1
|
250
|
5
|
|
2
|
т-40м
|
Д-144
|
3,4
|
1800
|
2850
|
1,6
|
0,745
|
-
|
0,68
|
1,1
|
240
|
10
|
|
3
|
ЮМЗ-6
|
Д-65м
|
3,3
|
1750
|
3490
|
1,7
|
0,73
|
-
|
0,67
|
1,2
|
230
|
15
|
|
4
|
МТЗ-50
|
Д-50
|
3,2
|
1700
|
3100
|
1,8
|
0,745
|
-
|
0,65
|
1,3
|
220
|
5
|
|
5
|
МТЗ-80
|
Д-240
|
3,1
|
2200
|
3370
|
1,9
|
0,73
|
-
|
0,65
|
1,4
|
210
|
10
|
|
6
|
Т-16
|
Д-21А1
|
3
|
1800
|
1810
|
2
|
0,59
|
-
|
0,81
|
1,5
|
200
|
15
|
|
7
|
Т-150К
|
СМД-62
|
2,9
|
2100
|
8135
|
2,1
|
0,64
|
-
|
0,36
|
1,6
|
190
|
5
|
|
8
|
К-700
|
ЯМЗ-240Б
|
2,8
|
1900
|
13500
|
2,2
|
0,79
|
-
|
0,32
|
1,7
|
180
|
10
|
|
9
|
ДТ-75
|
А-41
|
2,7
|
1750
|
8060
|
2,3
|
-
|
0,17
|
-
|
1,8
|
170
|
15
|
|
10
|
Т-74
|
СМД-14А
|
2,6
|
1700
|
6274
|
2,4
|
-
|
0,17
|
-
|
1,9
|
160
|
5
|
|
11
|
Т-150
|
СМД-160
|
2,5
|
2000
|
7400
|
2,5
|
-
|
0,17
|
-
|
2
|
150
|
10
|
|
12
|
ТДТ-55
|
СМД-14БИ
|
2,3
|
1800
|
9365
|
2,7
|
-
|
0,134
|
-
|
2,2
|
130
|
5
|
Пример выполнения лабораторной работы
Тяговый расчет и производительность
Общее тяговое сопротивление (Н)
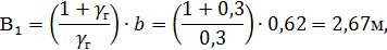
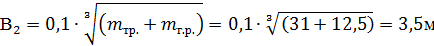
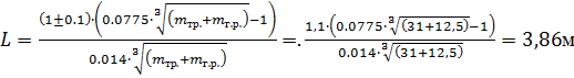
=4970+1080+355+252+4950=11607(Н)
Сопротивление отделению грунта от
массива (Н)

(Н)
где k - удельное сопротивление
резанию на единицу лобовой площади отвала, Н/м2 (при
=55° для
грунта I категории k=70
103 Н/м2, III категории k=
170
103 Н/м2); В- ширина отвала,
м; h - глубина резания, м [оптимальные значения h= (0,07...0,11)Н для плотных
грунтов и h=(0,09...0,15)H для разрыхленных];
(в пределах 25-300) - угол установки
отвала в плане (см. рис. 3.1).
= (0,11)Н=0,1*560=56(мм)
Высота отвала Н(мм): Для
неповоротного отвала

(мм)
Примем Н=560 мм
Где FН - Номинальное тяговое усилие
бульдозера (кН)
Номинальное тяговое усилие
бульдозера (Н)

(Н)
где тб=тб.м+тн.о - масса бульдозера,
кг; тб.м - масса базовой машины, кг; тн.о - масса навесного оборудования, кг,(
тн.о
0,25 тб.м);
km - коэффициент использования массы по сцеплению; для гусеничных бульдозеров
km -1,0; для бульдозеров на базе пневмоколесных тягачей km определяется числом
ведущих мостов;
-
коэффициент сцепления, для гусеничного движителя достигает значения 1.0 - 1.2,
для колесного движителя - 0.7 - 0.8.; g=9,8 м/с2.
Сопротивление перемещению призмы
волочения грунта (Н)

(H)
где
- масса призмы волочения грунта,
кг;
(кг)
В, Н - ширина и высота отвала, м;
kПР - коэффициент, зависящий от характеристики грунта и формы отвала; для
связных грунтов kПР=0,8... 0,9, для несвязных - kПР= 1,2... 1,3;
-
(800…1500) плотность разрыхленного грунта, кг/м3; g=9,8 м/с2;
-
коэффициент трения грунта о грунт(в зависимости от состояния грунта 0,3-0,7);
- угол
установки отвала, град.
Сопротивление трению при движении
грунта вверх по отвалу (Н)

(Н)
где
- коэффициент трения грунта по
металлу(0,35…0,65-рыхлый грунт; 0,5…0,8 - плотный грунт);
-
(550-неповоротный отвал, 50-550- поворотный отвал)угол резания, град.
Сопротивление трению при движении
грунта вдоль по отвалу (Н)

(Н)
Сопротивление движению базовой
машины с бульдозерным оборудованием (Н)

(Н)
где mб - масса бульдозера с базовым
тягачом, кг; RОВ - вертикальная реакция на отвал бульдозера, Н (рис. 1); f0
-коэффициент сопротивления движению базовой машины (f0=0,1); i - уклон
поверхности движения, перевести град в % уклон от прямого угла).
В начальный момент заглубления
отвала она направлена вверх (R'ob) и ее приближенно можно рассчитать по формуле
(Н)

где k' - коэффициент несущей
способности грунта, Н/м2; для средних условий k'= (5... 6)
105 Н/м2; х - ширина
площадки нижней поверхности ножа, трущейся о грунт с учетом затупления ножа, м;
х=0,007... 0,010 м; B - длина ножа, м.- касательная сила тяги по двигателю, кН:
(кН)
ТДВ - вращающий момент двигателя, кН
м ,
(Нм); uT -
передаточное число трансмиссии от двигателя к движителю на соответствующей
передаче(30-70);
- КПД
трансмиссии(0,7-0,9); rк - рабочий радиус колеса или ведущей звездочки, м.
Потребная мощность двигателя
трактора (кВт)
(кВт)
где F - в кН; v - рабочая скорость
бульдозера, км/ч.
Движение бульдозера возможно, если
или
, 13,5>11,6 4,82>11,6
Движение бульдозера невозможно т.к.
недостаточна касательная сила тяги по двигателю. Примем N=34кВт, тогда
(кН).
Движение бульдозера возможно при
Тяговый баланс выполняется.
Техническая производительность
(м3/ч) бульдозера при разработке и перемещении грунта (в плотном теле)

(м3/ч)
где
- объем разрыхленного грунта,
перемещаемого отвалом бульдозера, м3; ky - коэффициент уклона, принимаемый по
таблице №1 ;
- время
одного цикла(0,5-2мин), с; kP - коэффициент разрыхления грунта.(1,3)
Производительность бульдозера (м2/ч)
при планировочных работах

(м2/ч)
где В - ширина отвала, м;
- угол
установки отвала в плане, град; а - часть полосы, перекрываемая при последующем
проходе и равная 0,3... 0,5 м; l - длина участка, м; vср - средняя рабочая
скорость, м/с; tПОВ - время на поворот,(10-30) с; п’П - число проходов по
одному месту; n’П=1...2.
Силы, действующие на бульдозер,
расчет
Максимальная горизонтальная
составляющая реакции грунта на отвал определяется толкающей возможностью тягача
по сцеплению (Н)

(кН)
где
- касательная сила тяги по
сцеплению, Н; 
(Н)
Касательную силу тяги по сцеплению
находят в двух положениях рабочего оборудования: отвал не удерживается
механизмом управления, и он опирается на грунт

(Н)
отвал удерживается механизмом управления, при
этом

(Н)
где φСЦ -
коэффициент сцепления ходовой части тягача с грунтом.
При прочностном расчете касательная
сила тяги принимается с учетом динамических нагрузок (Н)

(Н)
где
- динамический коэффициент;
=1,5... 1,7.
Вертикальная составляющая R0B
реакции грунта в процессе работы меняется как по значению, так и по
направлению.
При направлении реакции вниз (Н)

(кН)
где
- угол резания ножа отвала, град;
- угол
трения грунта об отвал, град. (18-380 в зависимости от типа и состояния грунта)
Реакции zШ и хШ в упряжном шарнире
определяют из уравнений равновесия рабочего оборудования:
Сила тяжести рабочего оборудования
GH должна быть минимальной и по действующему стандарту не более 25% силы
тяжести базовой машины Gб: GH<0,25Gб.
Максимальное усилие FЦ в механизме
управления ограничивается устойчивостью тягача относительно передних или задних
линий опрокидывания (точки А я В) (см. рис. 3.1,б,в). Вертикальные нагрузки (Н)
на отвал бульдозера

(Н)
Принять
=0,5…3,5(м);
=2,5…6,5 (м)
Тогда усилие (Н) в гидроцилиндре при
заглублении отвала

(Н)
Принять
=2…3,5(м);
=1,2…2,5 (м)
Принять β’=300…700, r=0,2…1(м),
=2,3…5,5(м),
hШ=0,2…1
Цель работы
Цель работы - ознакомиться с
методикой расчета автогрейдеров.
Содержание работы
Изучить все разделы настоящих
методических указаний и материалы рекомендуемой литературы. Закрепить изученный
материал практическими расчетами, провести тяговый расчет автогрейдера, расчет
его производительности, расчет действующих сил.
Теоретическая часть
К главным и основным параметрам
автогрейдеров относятся: масса автогрейдера та, удельная мощность
, высота
отвала с ножом (Но),длина отвала без удлинителя Lo, скорости движения, высота
подъема отвала в транспортное положение h, угол резанияφ, боковой
вынос отвала l, заглубление (опускание) отвала ниже опорной поверхности hг;
колесная формула; угол для срезания откосов γoмежду опорной поверхностью и
режущей кромкой отвала, вынесенного за пределы основной рамы и наклоненного
так, что один край режущей кромки находится на опорной поверхности, а другой
максимально поднят(γo
= 0- 80°); угол
наклона отвала γ1
или
угол зарезания, аналогичен γ0, но определяется при положении
отвала, симметричного оси автогрейдера (γ1 = 0- 30°); угол захвата
(рис. 4.1)-
угол в плане между режущей кромкой отвала и осью автогрейдера (α= 0±90°); при
вырезании грунта α=
30- 40°; при
перемещении α
= 60- 75°, при
планировке α=
90°[51, 52].
Радиус кривизны отвала (рис. 4.1,б)
, (4.1)
где φo- угол
опрокидывания отвала, во избежание пересыпания грунта за отвал φo=65- 75°; при
установке отвала φ+ωγ+φo=π,ωγ-
центральный
угол, град.
Производительность
При постройке насыпи из боковых
резервов производительность
, (4.2)
где V- объем грунта, перемещаемого
за один проход, м3.
, (4.3)
где kн=1,8- 2,0- коэффициент
наполнения; φг=30°- 40°-
угол естественного откоса;
- продолжительность цикла, с:
, (4.4)
гдеlр,lп, lхиvр, vп,vх- длина пути
(м) и скорость (м/с) соответственно резания, перемещения и обратного
(холостого) хода; tс- время на переключение передач, с; tс=5 с; tо- время на
опускание и подъем отвала, с; tо=1,5- 2,5 с; tп- время поворота в конце
участка, с;kн- коэффициент разрыхления грунта.
Тяговые сопротивления и тяговый
расчет. Различают два режима работы автогрейдера: рабочий и транспортный. Для
первого характерны большие тяговые сопротивления и малые скорости движения, а
для второго при движении с поднятым отвалом - большие скорости движения и
сравнительно малые тяговые усилия.
При рабочем режиме общее тяговое
сопротивление:
=F1+ F2+ F3+ F4+ F5+ F6+ F7+ F8,
(4.5)
где F1,F2,F3,F4,F5,F6,F7,F8-
сопротивления соответственно резанию грунта, трению ножа о грунт, перемещению
призмы волочения по грунту, перемещению грунта вдоль отвала, перемещению грунта
вверх по отвалу, перемещению автогрейдера на колесах, преодолению уклона пути и
разгона автогрейдера до установившейся рабочей скорости, кН;
Fкоп=F1+F2+F3+F4+F5;Fпер=F7+F8- соответственно суммарные сопротивления копанию
и перемещению, кН.
Сопротивление резанию грунта:
, (4.6)
где
- удельное сопротивление грунта
резанию ножом, кН/м2;Sс- проекция площади поперечного сечения стружки грунта на
плоскость, перпендикулярную к направлению движения автогрейдера, м2; при угле
захватаα=90°
и
α<90°
и
угле зарезанияγo
= 0 (отвал
горизонтален) соответственно:
и
, (4.7)
гдеLо- м; hр- глубина резания, м.
При резании половиной длины отвала:
, (4.8)
где все линейные размеры в м.
Сопротивление трению ножа о грунт:
, (4.9)
гдеRz- вертикальная составляющая
суммарного усилия, действующего на нож, зависящая от типа автогрейдера,
положения ножа внутри базы, угла захвата и определяемая из общей схемы сил,
действующих на автогрейдер, кН. Для ориентировочных предварительных расчетов
при колесных схемах 1
2
3, 1
1
2, 1
3
3 для легких
автогрейдеровRz=2,5 - 40 кН, средних Rz=40 - 60 кН, тяжелых Rz= 60- 80 кН;fc-
коэффициент трения стали о грунт.
Сопротивление перемещению призмы
волочения:
, (4.10)
где
- вес призмы волочения, кН; γг- удельный
вес грунта, кН/м3; kр- коэффициент разрыхления грунта; φг- угол
трения грунта о грунт.
Сопротивление перемещению грунта
вдоль отвала и вверх по нему:
; (4.11)
, (4.12)
гдеGпрfс- сила перемещения призмы
волочения, нормальная в плане к отвалу, кН;Gпрfг- сила трения грунта при
движении вдоль отвала.
Общее сопротивление копанию грунта
автогрейдером:
. (4.13)
Сопротивление перемещению
автогрейдера:
, (4.14)
где
- суммарный коэффициент
сопротивления качению колес;
- cсуммарная нормальная реакция на
все колеса, кН;
- масса
автогрейдера, кг; g=9,81 м/с2;
- угол наклона поверхности движения
к горизонту, град.
при
<10°
;
при
>10°
Сопротивление F8определяют как силу
инерции при разгоне:
, (4.15)
где mа+mг- масса автогрейдера и
грунта в призме волочения, кг; vp- рабочая скорость движения, м/с; tр- время
разгона, с; tр=3- 5 с.
Сила сцепления автогрейдера:
, (4.16)
где
- характеристика развески колес по
осям автогрейдера;
=1 при схеме
3
3
3, 1
3
3, 2
2
2 и
=0,7- 0,75
при схеме 1
1
2 и 1
2
3; Gа -
полный конструктивный вес, кН.
Номинальная сила тяги по сцеплению,
соответствующая 20% коэффициента буксования, при котором тяговая мощность
близка к максимальной.
ксц=(0,7 - 0,73)·φсц·Gсц.
(4.17)
Условия возможности рабочего
движения по сцеплению Pксц≥ F.
При движении с установившейся
рабочей скоростью (F8=0)возможную максимальную площадь сечения вырезаемой
стружки Sc определяют из уравнения:
ксц- Fпер=Ккоп·Sc, (4.18)
где левая часть уравнения
представляет собой свободное тяговое усилие, которое реализуется
непосредственно для копания. При разработке автогрейдером выемки площадью
поперечного сечения Sкнеобходимое число проходов:
(4.19)
где kс- коэффициент, учитывающий
неравномерность сечения стружки при отдельных проходах; kс= 1,30- 1,35.
При транспортном режиме общее
тяговое сопротивление:
, (4.20)
где F9- сопротивление воздуха, кН.
Сопротивление воздуха:
, (4.21)
где kо- коэффициент обтекаемости;
kо=0,6- 0,7 Нс2/м4;Sл- лобовая площадь, м2; Sл≡Вп·На; vт- установившаяся
транспортная скорость, км/ч.
Мощность двигателя.
На первой рабочей скорости при
режиме максимальной тяговой мощности с учетом коэффициента буксования δ = 20% двигатель
должен работать на режиме максимальной мощности:
φсц
,(4.22)
где Ga- в кН; vp- в м/ч; η-общий КПД
трансмиссии;kвых - коэффициент выходной мощности двигателя,kвых=0,9; ko-
коэффициент, учитывающий отбор мощности на привод вспомогательных механизмов
(подъем отвала и др.),ko =0,75 - 0,90.
Мощность при передвижении на
максимальной транспортной скорости vт max:
. (4.23)
По наибольшему значению N с
коэффициентом запаса kзап= 1,2- 1,4 подбирают двигатель:
. (4.24)
Внешние силы и реакции, действующие
на автогрейдер. Рассмотрим внешние силы и реакции на примере наиболее
распространенного автогрейдера с колесной схемой 1
2
3 при
копании грунта (рис. 4.1,а). На автогрейдер действуют активные силы: Ga- вес
автогрейдера (кН), силы тяги на ведущих колесах Рк2 и Рк3. Реактивные силы-
суммарные нормальные составляющие реакции на передние R1и задние R'2и
R'zколеса, суммарные касательные составляющие на те же колеса fоR1, fоR'2и
foR'Z(сопротивления движению колес), составляющие реакции, действующие на
отвал, Rx, Ryи Rz,боковые горизонтальные реакции F'1,F'2, F'3и F1.
При рассмотрении этой системы сил
сделаны следующие допущения: пренебрегли смещением реакций R1,R'2иR'3
вследствие деформации шин, то есть 

, так как они малы по сравнению с
длиной базы L'a; реакции fоR1,fоR2,fоR'3,F1,F'2и F'Z, силы
и
расположены
в одной плоскости на уровне опорной линии колес; составляющие реакций грунта
Rx, Ry, Rz приложены к переднему концу отвала параллельно соответствующим осям
координат; на режиме максимальной тяговой мощности
(R2'+R3')φсц2;
вертикальные составляющие реакций на правые и левые колеса соответствующих осей
равны между собой; 2R2'+2R3'= R2, которая приложена на оси подвески заднего
балансира по оси автогрейдера, соответственно 2foR2'+2foR3'=foR2;общая сила
тяги на ведущих колесах
и приложена
по оси автогрейдера; боковые реакции на задние оси F2'
F3' и
F2'+F3'=F1'.
Рассматривая отвал как косой клин,
можно найти соотношения между составляющими реакции грунта, действующими на
отвал

, (4.25)
где x1и х2определяются по теории
косого клина; в среднем x1=0,15- 0,20;х2=0,3- 0,4. Считая, что автогрейдер
находится в равновесии под действием системы сил и реакций, показанной на
рисунке 4.1, а, можно найти силы и реакции из шести уравнений равновесия
относительно пространственной системы координат xyz. Начало координат в точкеО:
Рис. 4.1 - Схема к расчету автогрейдера в
рабочем режиме (а)и егоотвала (б)
Совместным решением этих уравнений определяют
реакцииRx, Ry, Rz, R1, R2, F1' и F1. Возможность реализации тягового усилия Рк
проверяют по условию сцепления.
Контрольные вопросы
Понятие автогрейдера и его основные параметры.
Какие параметры влияют на производительность
автогрейдера?
Как найти объем грунта, перемещаемого за один
проход?
При рабочем режиме как находится общее тяговое
сопротивление?
При транспортном режиме как находится общее
тяговое сопротивление?
Какие внешние силы и реакции действуют на
автогрейдер?
Перечень вариантов задания
|
Параметры
|
Индекс
машины
|
|
ДЗ-201
|
ДЗ-201.1
|
ГС-10.01
|
ДЗ-122Б
|
ДЗ-180А
|
А-120.1
|
ГС-18.03
|
ДЗ-198
|
ДЗ-98В
|
|
Класс
|
100
|
100
|
100
|
140
|
140
|
180
|
180
|
180
|
250
|
|
Двигатель:
|
|
|
|
|
|
|
|
|
|
|
модель
|
Д-243
|
Д-65М1Л
|
Д-243
|
А-01МС
|
Д-260.2
|
ЯМЗ-236М2
|
ЯМЗ-236М2
|
Д-260.4
|
ЯМЗ-238
НДЗ
|
|
мощность,
кВт
|
57,4
|
44,1
|
58,7
|
100
|
96
|
132
|
132
|
147
|
173
|
|
Тип
трансмиссии
|
Механическая
|
Гидромеханическая
|
Механическая
|
Гидромеханическая
|
Механическая
|
|
Скорость
движения вперед/назад, км/ч
|
2,0...33,0/
5,4...9,2
|
6,3...20/
0...3,4
|
2...35/
4,2...9,4
|
7,4...36,7/
7,7...25,2
|
3,8...40/
6,3...28
|
до
30/ до 20
|
до
40/ до 22
|
3,9...35/
3,9...20
|
до
41/ до 47
|
|
Колесная
формула
|
Базовый
трактор МТЗ 80/82
|
Базовый
трактор ЛТЗ-60АВ
|
1x2x2
|
1x2x3
|
1x2x3
|
1x2x3
|
1x2x3
|
1x2x3
|
1x2x3
|
|
База,
мм
|
5230
|
5210
|
4200
|
5830
|
6450
|
н/д
|
н/д
|
6210
|
6000
|
|
Колея
колес передних/задних, мм
|
1640/1620
|
1495/1380
|
1800/1770
|
2000
|
2200
|
1950
|
н/д
|
2100
|
2622/2502
|
|
Дорожный
просвет, мм
|
280
|
280
|
300
|
350
|
350
|
350
|
350
|
350
|
350
|
|
Радиус
поворота, мм
|
8000
|
7600
|
4750
|
8000
|
8000
|
8000
|
8000
|
8000
|
1600
|
|
Тип
рамы
|
Жесткая
|
ШСР*
|
ШСР
|
ШСР
|
ШСР
|
ШСР
|
ШСР
|
Жесткая
|
|
Угол
складывания шарнирно-сочлененной рамы, град
|
-
|
-
|
н/д
|
±
30
|
±
23
|
±
27
|
±
25
|
±
26
|
-
|
|
Смещение
колес переднего моста, мм
|
-
|
-
|
н/д
|
до
2000
|
н/д
|
до
1900
|
н/д
|
н/д
|
н/д
|
|
Угол
наклона передних колес, град
|
-
|
-
|
+
20
|
±
20
|
+
20
|
±
20
|
±
20
|
±
20
|
±
20
|
|
Рабочее
оборудование:
|
|
|
грейдерный
отвал:
|
|
|
размеры
(длина х высота), мм
|
2500
х 500
|
2500
х 500
|
2730
х 470
|
3740
х 630
|
3740
х 620
|
3840
х 700
|
3740
х 620
|
3745
х 625
|
4200
х 700
|
|
максимальное
заглубление, мм
|
100
|
100
|
100
|
250
|
250
|
450
|
450
|
480
|
500
|
|
угол
резания регулируемый, град
|
30...70
|
30...70
|
30...70
|
30...70
|
30...70
|
30...70
|
45
|
30...70
|
30...70
|
|
угол
поворота в плане, град
|
±
34
|
±
32
|
±
45
|
360
|
360
|
360
|
360
|
360
|
360
|
|
боковой
вынос, мм
|
500
|
500
|
600/400
|
800
|
800
|
935
|
700
|
700
|
1050
|
|
угол
обрабатываемого откоса, град
|
-
|
-
|
-
|
0...90
|
0...90
|
0...90
|
н/д
|
0...90
|
0...90
|
|
бульдозерный
отвал:
|
|
|
|
|
|
|
|
|
|
|
размеры
(длина х высота), мм
|
2000
х 500
|
2000
х 500
|
2440
х 625
|
2480
х 840
|
2500
х 840
|
2520
х 1020
|
2500
х 800
|
н/д
|
3220
х 970
|
|
максимальное
заглубление, мм
|
50
|
50
|
50
|
50
|
50
|
50
|
100
|
н/д
|
110
|
|
кирковщик
(рыхлитель):
|
|
|
число
зубьев
|
-
|
-
|
-
|
4
|
3
|
5
|
5
|
н/д
|
5
|
|
ширина
киркования, мм
|
-
|
-
|
-
|
1490
|
1300
|
1360
|
2100
|
н/д
|
1800
|
|
наибольшая
глубина рыхления, мм
|
-
|
-
|
-
|
250
|
250
|
150
|
250
|
230
|
|
Габаритные
размеры, мм
|
5230х2500х2850
|
5210х2500х2950
|
7140х2400х3220
|
10150x2500х3550
|
10150x2500х3550
|
10800x2620х3790
|
9950х2500х3450
|
8950х2490х3360
|
11000x3220х4000
|
|
Масса
эксплуатационная, кг
|
6500
|
6250
|
7500
|
14
600
|
13
550
|
15
070
|
18
000
|
16
000
|
19
500
|
|
Изготовитель
|
ООО
«РАМЗ Радицкий машиностроительный завод» (г. Брянск) (Промышленная группа
СММ)
|
ОАО
«Брянский арсенал»
|
ЗАО
ОПК«Дормаш» (г. Орел)
|
ОАО
«Брянский арсенал»
|
ЗАО
«ЧСДМ» (г. Челябинск)
|
ООО
«РАМЗ Радицкий машиностроительный завод» (г.Брянск)
|
ОАО
«Брянский арсенал»
|
ЗАО
«ЧСДМ» (г.Челябинск)
|
Пример выполнения лабораторной работы
Исходные данные:
масса автогрейдера та=19500 кг;
удельная мощность
(кВт/м);
высота отвала с ножом Но=700 мм;
длина отвала без удлинителя Lo=4,2
м;
высота подъема отвала в транспортное
положение=hг+100=500+100=600 мм;
угол резания
=50°;
боковой вынос отвала l=1050 мм;
заглубление (опускание) отвала ниже
опорной поверхности hГ=500 мм;
колесная формула -
угол для срезания откосов
между
опорной поверхностью и режущей кромкой отвала, вынесенного за пределы основной
рамы и наклоненного так, что один край режущей кромки находится на опорной
поверхности, а другой максимально поднят (
= 0... 80°); угол наклона отвала
или угол
зарезания, аналогичен
, но
определяется при положении отвала, симметричного оси автогрейдера (
= 0..
.30°); угол захвата
-угол в
плане между режущей кромкой отвала и осью автогрейдера (
= 0±90°);
при вырезании грунта
= 30...40°;
при перемещении
= 60...75°,
при планировке
= 90°.
Радиус кривизны отвала (рис. 4.1,б
теоретической части) находим по формуле:
(м),
где
- угол опрокидывания отвала, во
избежание пересыпания грунта за отвал
=65... 75°; при установке отвала
.
Производительность. При постройке
насыпи из боковых резервов производительность будет равна:
(м3/ч)
где V - объем грунта, перемещаемого
за один проход, м3
(м3/ч)
=1,8...2,0 - коэффициент наполнения;
=30...40° -
угол естественного откоса;
-продолжительность цикла, с;
(с)
,
,
и
,
,
- длина пути (м) и скорость (м/с)
соответственно резания, перемещения и обратного (холостого) хода;
- время на
переключение передач, с;
=5 с; t0 -
время на опускание и подъем отвала, с; to=1,5... 2,5 с;
- время
поворота в конце участка, с;
- коэффициент разрыхления грунта.
Тяговые сопротивления и тяговый
расчет.
При рабочем режиме общее тяговое
сопротивление (кН)
,
;
- соответственно суммарные
сопротивления копанию и перемещению, кН.
Сопротивление резанию грунта
(кН),
где
- удельное сопротивление грунта
резанию ножом, кН/м2: SC проекция площади поперечного сечения стружки грунта на
плоскость, перпендикулярную к направлению движения автогрейдера, м2; при угле
захвата
=90° и
<90° и
угле зарезания
= 0 (отвал
горизонтален) соответственно:
= Lohp=4,2*0,5=2,18 (м2),
;
- в м; h0 =0,5 - глубина резания, м.
Сопротивление (кН) трению ножа о
грунт.
(кН)
где
- вертикальная составляющая
суммарного усилия, действующего на нож, зависящая от типа автогрейдера,
положения ножа внутри базы, угла захвата и определяемая из общей схемы сил,
действующих на автогрейдер, кН. Для ориентировочных предварительных расчетов
при колесных схемах 1
2
3, 1
1
2, 1
3
3 для легких
автогрейдеров
=2,5... 40,0
кН, средних
=40... 60
кН, тяжелых
=60 ... 80
кН; fc - коэффициент трения стали о грунт, который подбирается по таблице 4.1.
Таблица 4.1 - Коэффициент трения
грунта о поверхность ножа
|
Состояние
грунта
|
Глина
|
Песчаник
|
Песчано-глинистый
|
Глинистый
перегной
|
|
Влажный
|
0,43
- 0,48
|
0,79
- 0,82
|
0,63
- 0,78
|
0,45
- 0,52
|
|
Сухой
|
0,33
- 0,41
|
0,38
- 0,55
|
0,36
- 0,5
|
0,35
- 0,43
|
Сопротивление (кН) перемещению призмы волочения:
(кН)
где
=
(кН) - вес призмы волочения.
Сопротивление (кН) перемещению
грунта вдоль отвала
(кН)
и вверх по нему
(кН)
где
- сила перемещения призмы
волочения, нормальная в плане к отвалу, кН;
- сила трения грунта при движении
вдоль отвала.
Общее сопротивление копанию грунта
автогрейдером (кН)
(кН)
Сопротивление перемещению
автогрейдера (кН)
где
- суммарный коэффициент
сопротивления качению колес;
- суммарная нормальная реакция на
все колеса, кН;
- масса
автогрейдера, кг; g=9,81 м/с2;
- угол наклона поверхности движения
к горизонту, град.
При
<10°
при
>10°
Сопротивление F8 (кН) определяют как
силу инерции при разгоне
(кН)
где
- масса автогрейдера и грунта в
призме волочения, кг; vp - рабочая скорость движения, м/с; tP - время разгона,
с;
=3... 5 с. '
Сила сцепления автогрейдера (кН)
(кН)
где
- характеристика развески колес по
осям автогрейдера; е=1 при схеме 3
3
3, 1
3
3, 2
2
2 и
=0,7...0,75 при схеме 1
1
2 и 1
2
3; Gа -
полный конструктивный вес, кН.
(кг)
Номинальная сила тяги по сцеплению
(кН), соответствующая 20% коэффициента буксования, при котором тяговая мощность
близка к максимальной,
(кН)
Условия возможности рабочего
движения по сцеплению
При движении с установившейся
рабочей скоростью (F8=0) возможную максимальную площадь сечения вырезаемой
стружки Sc (м2) определяют из уравнения
, 60-0,8=28*2,1
где левая часть уравнения
представляет собой свободное тяговое усилие, которое реализуется
непосредственно для копания.
При разработке автогрейдером выемки
площадью поперечного сечения SK (м2) необходимое число проходов. SK (длина
полосы*ширина полосы) задаем произвольно, например1 км*14 м, (м2)
где
- коэффициент, учитывающий
неравномерность сечения стружки при отдельных проходах;
= 1,30 ...
1,35.
При транспортном режиме общее
тяговое сопротивление
=0,8+0,06+11,4=12,3 (кН)
где F9- сопротивление воздуха, кН; F8 - по
формуле (10), кН.
Сопротивление воздуха (кН)
(кН)
где k0 - коэффициент обтекаемости;
k0 =0,6...0,7 Н-с2/м4;
- лобовая
площадь, м2;
; vT =3…5 -
установившаяся транспортная скорость, км/ч.
Мощность двигателя. На первой
рабочей скорости при режиме максимальной тяговой мощности с учетом коэффициента
буксования 6 = 20% двигатель должен работать на режиме максимальной мощности
(кВт)
(кВт)
где Ga - в кН; vp - в м/ч;
- общий КПД
трансмиссии, kBЫX - коэффициент выходной мощности двигателя; kBЫX=0,9; ko -
коэффициент, учитывающий отбор мощности на привод вспомогательных механизмов
(подъем отвала и др.);. ko =0,75 . .. 0,90.
Мощность (кВт) при передвижении на
максимальной транспортной скорости vт max
(кВт)
где Ga и F9- в кН;
- в м/ч.
По наибольшему значению N с
коэффициентом запаса
= 1,2 ...
1,4 подбирают двигатель
(кВт)
РАСЧЕТ ГРЕЙДЕР-ЭЛЕВАТОРА
Цель работы
Цель работы - ознакомиться с
методикой расчета грейдер-элеватора.
Содержание работы
Изучить все разделы настоящих
методических указаний и материалы рекомендуемой литературы. Закрепить изученный
материал практическими расчетами, провести тяговый расчет грейдер-элеватора,
расчет его производительности.
Теоретическая часть
К основным параметрам наиболее
распространенного землеройного рабочего органа-дискового сферического ножа
относятся размеры и углы установки дискового ножа, вылет и высота установки
конвейера. Дисковые ножи имеют dн = 60 - 120 см. Для конкретного случая диаметр
- в м.
, (5.1)
гдеПо - теоретическая
производительность, м3/ч; kп - коэффициент, учитывающий потери грунта при
подаче дисковым ножом на конвейер; kп =0,85 - 0,95; vд - действительная скорость
движения, м/ч. Дисковый нож вогнут по сфере, и его режущая кромка образуется
конусной заточкой. Радиус кривизны ножа:
н (5.2)
и может быть определен из
соотношения
. (5.3)
С увеличением радиуса кривизны
rэнергоемкость снижается, но ухудшается подача грунта на конвейер.
Дисковый нож устанавливается под
углом φ'=
45- 70° к
горизонтальной поверхности и углом захвата
= 35- 55° в зависимости от свойств
грунта. Угол резания (град) в вертикальной плоскости АА:
, (5.4)
где φ'- угол
установки (рис. 5.1,б), град; β- угол заострения, град.
Задний угол дискового ножа в плоскости
горизонтального диаметра γ'=φ''-0,5ω,
где φ''- угол между
рабочей плоскостью дискового ножа и вертикальной плоскостью, параллельной
плоскости движения.
Дисковый нож должен заглубляться на (0,4- 0,5)
dн.
Площадь сечения срезаемой стружки:
, (5.5)
в среднем S= 0,2dн2.
Рис. 5.1 - Элеватор с дисковым сферическим ножом
и поперечным конвейером (а) и дисковый сферический нож (б)
Указанные параметры ножа обеспечивают
минимальные удельные сопротивления при вырезании стружки грунта. Минимальные
потери грунта при подаче его с дискового ножа на ленту конвейера шириной
bкполучаются при расстоянии дискового ножа от лентыlд = 0,03- 0,06 м и
bо=2/3bк(рис. 1,б). В этом случае при vр=2- 3 км/ч грунт будет попадать в
середину ленты.
Диаметр ножа, производительность
грейдер-элеватора и размеры конвейера уточняются при тяговом расчете в
соответствии с режимом максимальной тяговой мощности тягача.
Эксплуатационная производительность
При отсыпке насыпей из двухсторонних резервов
эксплуатационная производительность грейдер-элеватора:
, (5.6)
где S - в м2; Lyч - длина обрабатываемого
участка, м; kп - коэффициент, учитывающий потери грунта при подаче его на конвейер;
kп=0,85 для сухих несвязных грунтов; kп =0,95 для влажных связных грунтов; kв -
коэффициент использования рабочего времени; kв =0,85 - 0,90; vд - в м; tп -
время на переключение передач и управление рабочим органом, мин; tп=0,3 мин;
tпов - время, затрачиваемое на поворот в конце гона, мин; tпов=1,0мин; vдср -
действительная средняя скорость движения грейдер-элеватора, м/ч;
. (5.7)
При отсыпке насыпи из одностороннего
резерва, когда дополнительно затрачивается время на холостой ход,
действительная средняя скорость движения:
, (5.8)
где vд' - действительная скорость движения при
обратном холостом пробеге, м/ч; vд'=5000 - 8000 м/ч.
Тяговый расчет
Для полуприцепного и самоходного грейдер-элеваторов
его выполняют аналогично. Цель - определить основные параметры, соответствующие
режиму максимальной мощности тягача, который выбирается заранее.
Общее тяговое сопротивление грейдер-элеватора:
, (5.9)
где
,
- тяговые сопротивления
соответственно на перемещение грейдер-элеватора с тягачом и грунтом на
конвейере и резание грунта, кH (сопротивлением трения грунта о землеройный
рабочий орган и при переходе на конвейер вследствие малости пренебрегаем).
Для самоходного и полуприцепного
грейдер-элеватора тяговое сопротивление на перемещение:
, (5.10)
где G - суммарная сила тяжести
грейдер-элеватора с грунтом, кН;
- вертикальная составляющая реакции
грунта на рабочий орган, кН;
- (0,3 - 0,4)Fx(рис. 5.1,б);
Fx=Fp=k1S - составляющая реакции грунта в плоскости движения, кН; k1 -
коэффициент удельного сопротивления грунта резанию дисковым сферическим ножом,
кН/м2; k1 = 100, 110 - 130 и 140 - 170 кН/м2 для грунтов соответственно I, II и
III категорий; S - в м2; fо - коэффициент сопротивления качению колес;fо=0,l и
0,2 при движении соответственно по свежесрезанному и рыхлому грунту; GT, GГЭ,
GГК - силы тяжести соответственно тягача, грейдер-элеватора и грунта на
конвейере, кН; так как на данном этапе расчета размеры конвейера и толщина слоя
грунта на ленте неизвестны, то предварительно можно принять GГЭ + GГК
GT для
самоходного грейдер-элеватора, GГЭ + + GГК
(0,6 - 0,7) GTдля полуприцепного
грейдер-элеватора; i - уклон поверхности движения.
При непрерывном резании грунта
грейдер-элеватором максимальная производительность получится при работе тягача
на режиме максимальной тяговой мощности.
За расчетную силу тяги следует
принимать максимальную силу тяги по сцеплению с учетом буксования:
, (5.11)
Приравнивая Fи FK, уточняют
возможную площадь проекции сечения стружки S в условиях максимальной тяговой
мощности и по действительному значению устанавливают теоретическую
производительность грейдер-элеватора (м3/ч) в плотном теле:
, (5.12)
где S - в м2;vд, vp - действительная
и расчетная рабочие скорости движения грейдер-элеватора, м/ч;δ- коэффициент
буксования колесного движителя при работе одноосного тягача на режиме
максимальной тяговой мощности, %;δ =20%.
По значению По уточняют диаметр
дискового ножа. Производительность конвейера:
, (5.13)
гдеПо определяют при минимальном расчетном
коэффициенте удельного сопротивления грунта резанию
= 100 кН/м2,
чтобы получить максимальную производительность конвейера;
-
коэффициент разрыхления.
На участке установившегося движения
производительность конвейера:
, (5.14)
где Sк - площадь поперечного сечения
грунта на ленте, м2; vк - скорость ленты конвейера, м/с; vк =2,2 - 3,6 м/с;ск-
коэффициент, учитывающий влияние угла подъема конвейера на его
производительность:
Таблица 5.1
|
3481216202224
|
|
|
|
|
|
|
|
|
|
ск
|
1,0
|
0,99
|
0,97
|
0,93
|
0,89
|
0,81
|
0,76
|
0,71
|
х' - коэффициент, учитывающий форму
ленты,х'=0,0416 и 0,0833 для плоской и желобчатой ленты;bл- ширина ленты
конвейера, м; стандартная ширина bл=0,3; 0,4; 0,5; 0,65; 0,8; 1,0; 1,2; 1,4;
1,6; 1,8; 2,0 м.
Сила тяжести грунта на конвейере:
, (5.15)
где Пк - м3/ч; γг- удельный
вес грунта нарушенной структуры, H/м3;L - длина ленточного конвейера, м;vк -
м/с.
Баланс мощности
Для полуприцепного или самоходного
однодвигательного грейдер-элеватора с электроприводом конвейера и гидронасосов
мощность:
, (5.16)
гдеNп, Nк, Nоч, Nнас - соответственно мощности,
необходимые для передвижения грейдер-элеватора с рабочей скоростью, привода
ленточного конвейера, очистителя ленты и гидравлических насосов управления
плужной балкой с рабочим органом, кВт;η1- КПД
привода движения; η1=0,80 - 0,85; η2 - КПД
генератора и электродвигателей; η2=0,75 - 0,85.
Мощность для передвижения грейдер-элеватора:
, (5.17)
где F - кН, vр- м/с.
Мощность (кВт) для привода
конвейера:
, (5.18)
где Пк - м3/ч; γг - Н/м3; lк
- проекция длины ленточного конвейера на горизонтальное направление, м;
-
коэффициент сопротивления движению ленты конвейера на горизонтальном участке;
=0,04 -
0,06; hк - разность высот уровней концевых барабанов конвейера; hк=2,5 - 5,6 м;
vк - в м/с; g=9,81 м/с2; η3
- КПД
привода конвейера; η3=0,85.
Для очистителя ленты Nоч= 0,8 -
1,5(кВт).
Мощность для привода гидравлических
насосов:
, (5.19)
где Gp - сила тяжести плужной балки
с рабочим органом, кН;vпод- скорость подъема; vпод=0,1 - 0,2 м/с; η4 - суммарный
КПД гидропривода; η4=0,7
- 0,8.
Расчетная схема сил, действующих на
грейдер-элеватор
На самоходный грейдер-элеватор в
рабочем положении (рис. 5.1,а) действуют активные и реактивные силы.
К активным силам относятся тяговое
усилие на ведущих колесах Fк и сила тяжести:
, (5.20)
где Gр, Gро, Gк, Gз, Gш - силытяжести
соответственно основной рамы, плужной рамы с кронштейнами и дисковым ножом,
конвейера, заднего моста с колесами и седельно-сцепного устройства, кН.
Общая точка центра тяжести определяется по
правилам статики, как точка приложения Gгэ.
Реактивные силы - реакция грунта на дисковый нож
Fи на колеса. Реакция Fимеет три составляющие: продольнуюFx,поперечнуюFyи
вертикальную Fz. Соотношение этих составляющих реакции Fзависит от углов
установки ножа, и в среднем

. (5.21)
Вследствие несимметричного
приложения внешних нагрузок (реакций на нож и силы тяжести конвейера с грунтом)
реакции на правые и левые колеса не равны между собой. Составляющие реакции на
передние колеса вертикальныеRАХ,RА2(рис. 5.1, а), горизонтальные

. (5.22)
Составляющие реакции на задние
ведомые колеса вертикальные:RB1иRB2, горизонтальные: 
.
Дополнительными моментами
сопротивления вращению колес, вызванными смещением RAl, RА2, RВ1иRВ2от
осиколесавследствие деформации шин, можно пренебречь, перенося указанные
реакции в вертикальную плоскость, проходящую через ось колеса (возникающая при
этом ошибка в 5 - 6% вполне допустима при практических расчетах).
На колеса действуют также
горизонтальные боковые реакции, которые складываются вдоль передней оси
FАизадней оси FВ(рис. 5.1,а). Они приложены в средних точках контакта колеса с
грунтом.
В общем виде уравнения равновесия
грейдер-элеватора, когда нож касается препятствия в нижней точке, будут иметь
вид (начало координат в точке О контакта левого заднего колеса):
Перечень вариантов заданий
|
Показатель
грейдер-элеватора
|
ДЗ-501
|
Д-437АК
|
ДЗ-502
|
ДЗ-503
|
|
Базовый
тягач(модель)
|
Гусеничный
Т-100
|
Колесный
К-700
|
Гусеничный
ТЧ80ГП
|
Одноосный
тягач БелАЗ-531
|
|
Режущий
орган:
|
|
|
тип
|
Дисковый
|
Совковый
|
Дисковый
|
Струг
|
|
диаметр,
м
|
0,8
|
-
|
1,1
|
-
|
|
ширина,
м
|
-
|
0,8
|
-
|
1,1
|
|
Ширина
ленты транспортера, м
|
1,2
|
1,2
|
1,2
|
1.2
|
|
Двигатель
для привода рабочего органа: тип
|
Дизельный
|
Электрический
|
От
вала отбора мощности тягача
|
|
марка
|
СМД-18К
|
АО-93-8/4
|
|
Колеса:
|
|
|
число
|
3
|
3
|
2
|
2
|
|
размер
шин, дюйм
|
12.00-20
|
12.00-20
|
2Ь.5-25
|
27.00-33
|
|
давление
в шинах, кПа
|
400-450
|
400-450
|
300-350
|
250-350
|
|
Ширина
колеи, м:
|
|
|
в
рабочем положении
|
5,63
|
3,64
|
3
|
4,42
|
|
в
транспортном положении
|
3.33
|
3,33
|
2,5
|
2,53
|
|
Дорожный
просвет, м
|
0,37
|
0,29
|
0,35
|
0.4
|
|
Трансмиссия
привода рабочих органов
|
Механическая
|
|
Техническая
производительность, м3/ч Глубина резания, м Угол резания, град Угол захвата,
град Высота подъема транспортера, м Наибольшая дальность отсыпки грунта, м
Скорость движения ленты транспортера, м/с Наименьший радиус поворота, м
Скорость передвижения, км/ч: рабочая транспортная Габаритные размеры, м:
длина ширина высота Масса, т
|
До
600 0,7 20-55 40-55 3,4 10,5 3,6 4 2,36-3,78 До 10,13 6,28/6,28 3,93/8,7
3/3,8 8,07
|
До
600 0,7 20-55 40-55 3,4 10,5 3,6 4 2,9-3,6 До 31 6,195/6,13 3,93/9,35 3/4,25
8,76
|
750-800
0,42 45-75 35-55 4 15 3,5;6,7 10 2,9-4,62 До 12 12,36/12,36 3,64/9,67
4,1/3,23 27,6
|
1600
0,6 35 - 5,6 20 1,75 8 2,6-5,7 11,088/11,088 5,57/13,77 4,44/3,5 32,2
|
|
|
|
|
|
|
Контрольные вопросы
Понятие грейдер-элеватора и его основные
параметры.
Почему энергоемкость снижается с увеличением
радиуса кривизны?
Под каким углом устанавливается дисковый нож?
Как найти площадь сечения срезаемой стружки?
Из каких параметров состоит эксплуатационная
производительность?
Какова действительная средняя скорость движения,
при отсыпке насыпи из одностороннего резерва?
Каково тяговое сопротивление на перемещение для
самоходного и полуприцепного грейдер-элеватора?
Баланс мощности для для полуприцепного или
самоходного, однодвигательного грейдер-элеватора.
Пример выполнения лабораторной работы
К основным параметрам наиболее распространенного
землеройного рабочего органа - дискового сферического ножа относятся размеры и
углы установки дискового ножа, вылет и высота установки конвейера. Дисковые
ножи имеют dH = 60 ... 120 см. Для конкретного случая диаметр
где П0 - теоретическая
производительность, м3/ч; kП - коэффициент, учитывающий потери грунта при
подаче дисковым ножом на конвейер; kП =0,85... 0,95;
-
действительная скорость движения.
Дисковый нож вогнут по сфере, и его
режущая кромка образуется конусной заточкой. Радиус кривизны ножа (при заданном
dH=0,8м):
(м) (2)
С увеличением радиуса кривизны r
энергоемкость снижается, но ухудшается подача грунта на конвейер.
Дисковый нож устанавливается под
углом
= 45.. .70°
к горизонтальной поверхности и углом захвата
= 35...55° в зависимости от свойств
грунта. Угол резания (град) в вертикальной плоскости АА
где
=45°- угол установки (рис. 5.1,б);
=15°- угол
заострения.
Задний угол дискового ножа
= 3°, угол
заострения
= 15...20°.
Для глинистых, суглинистых, супесчаных и песчаных грунтов соответственно
оптимальные значения
= 40, 50,
55, 60° и а
= 40, 45, 50
и 55°.
Задний угол дискового ножа в
плоскости горизонтального диаметра
, где
- угол между рабочей плоскостью
дискового ножа и вертикальной плоскостью, параллельной плоскости движения.
Дисковый нож должен заглубляться на
величину:
=(0,4...0,5) dH=0,4dH∙∙0,8=0,32
(м)
Площадь сечения срезаемой стружки
(м2)
в среднем S = 0,2d2H.
Указанные параметры ножа
обеспечивают минимальные удельные сопротивления при вырезании стружки грунта.
Минимальные потери грунта при подаче его с дискового ножа на ленту конвейера
шириной bк получаются при расстоянии дискового ножа от ленты lд = 0,03 ...0,06
м и
(см. рис.
5.1,б). В этом случае при vр = 2...3 км/ч грунт будет попадать в середину
ленты. Диаметр ножа, производительность грейдер-элеватора и размеры конвейера
уточняются при тяговом расчете в соответствии с режимом максимальной тяговой
мощности тягача.
Эксплуатационная производительность.
При отсыпке насыпей из двухсторонних резервов эксплуатационная
производительность грейдер-элеватора (м3/ч)
(м3/ч)
где S - в м2; Lyч - длина обрабатываемого
участка, м; kП - коэффициент, учитывающий потери грунта при подаче его на
конвейер; kП=0,85 для сухих несвязных грунтов; kП =0,95 для влажных связных
грунтов; kB - коэффициент использования рабочего времени; kB =0,85 ... 0,90; vд
- в м; tП - время на переключение передач и управление рабочим органом, мин; tП
=0,3 мин; tПОВ - время, затрачиваемое на поворот в конце гона, мин; tПОВ =1,0
мин; vд.ср - действительная средняя скорость движения грейдер-элеватора, м/ч;
Тяговый расчет
Для полуприцепного и самоходного
грейдер-элеваторов его выполняют аналогично. Цель - определить основные
параметры, соответствующие режиму максимальной мощности тягача, который
выбирается заранее.
Общее тяговое сопротивление грейдер-элеватора
(кН)
(кН)
где
,
- тяговые сопротивления
соответственно на перемещение грейдер-элеватора с тягачом и грунтом на
конвейере и резание грунта, кH (сопротивлением трения грунта о землеройный
рабочий орган и при переходе на конвейер вследствие малости пренебрегаем).
Для самоходного и полуприцепного
грейдер-элеватора тяговое сопротивление на перемещение (кН)
(Н)
=(0,3...0,4)Fx=0,3*12,8=3,84 (кН)
где G - суммарная сила тяжести
грейдер-элеватора с грунтом, кН;
- вертикальная составляющая реакции
грунта на рабочий орган, кН;=Fp=k1S=100*0,128=12,1 (кН) - составляющая реакции
грунта в плоскости движения; k1- коэффициент удельного сопротивления грунта
резанию дисковым сферическим ножом, кН/м2; k1 = 100, 110... 130 и 140... 170
кН/м2 для грунтов соответственно I, II и III категорий;, м2; f0- коэффициент
сопротивления качению колес; f0=0,l и 0,2 при движении соответственно по
свежесрезанному и рыхлому грунту; GT, GГЭ, GГК - силы тяжести соответственно
тягача, грейдер-элеватора и грунта на конвейере, кН; так как на данном этапе
расчета размеры конвейера и толщина слоя грунта на ленте неизвестны, то
предварительно можно принять:
ГЭ + GГК
GT
для самоходного грейдер-элеватора,
GГЭ + GГК
(0,6 ...
0,7) GT для полуприцепного грейдер-элеватора;
=80700 (кН), GГЭ +
GГК=0,6*80700=48420 (кН)
- уклон поверхности движения,
принимаем равным 0,1.
При непрерывном резании грунта
грейдер-элеватором максимальная производительность получится при работе тягача
на режиме максимальной тяговой мощности. За расчетную силу тяги следует
принимать максимальную силу тяги по сцеплению с учетом буксования (кН)
где
- коэффициент сцепления;
-реакция на
ведущую ось тягача (рис. 5.1,а), кН.
Приравнивая F и FK, уточняют
возможную площадь проекции сечения стружки S в условиях максимальной тяговой
мощности и по действительному значению устанавливают теоретическую
производительность грейдер-элеватора (м3/ч) в-плотном теле
(м3/ч) (11)
По значению По уточняем диаметр
дискового ножа
(м) (12)
Производительность конвейера (м3/ч)
(м3/ч)
где
определяют при минимальном
расчетном коэффициенте удельного сопротивления грунта резанию
= 100 кН/м2,
чтобы получить максимальную производительность конвейера;
Принимаем Кр=1,25
На участке установившегося движения
производительность конвейера (м3/ч)
где SK - площадь поперечного сечения
грунта на ленте, м2; vK - скорость ленты конвейера, м/с; vK =2,2... 3,6 м/с;
-
коэффициент, учитывающий влияние угла подъема конвейера на его
производительность:
х' - коэффициент, учитывающий форму
ленты; х'=0,0416 и 0,0833 для плоской и желобчатой ленты;
- ширина
ленты конвейера, м; стандартная ширина
=0,3; 0,4; 0,5; 0,65; 0,8; 1,0; 1,2;
1,4; 1,6; 1,8; 2,0 м.
Сила тяжести грунта на конвейере
(кН)
(кН)
где
- в м3/ч;
=(19,1-20,1)
- удельный вес грунта нарушенной структуры, кH/m3; L - длина ленточного
конвейера, м, vK - в м/с.
Баланс мощности
Для полуприцепного или самоходного,
однодвигательного грейдер-элеватора с электроприводом конвейера и гидронасосов
мощность (кВт)
(кВт)
где
,
,
,
- соответственно мощности,
необходимые для передвижения грейдер-элеватора с рабочей скоростью, привода
ленточного конвейера, очистителя ленты и гидравлических насосов управления
плужной балкой с рабочим органом, кВт;
- КПД привода движения;
=0,80 ...
0,85;
- КПД,
генератора и электродвигателей;
=0,75... 0,85.
Мощность (кВт) для передвижения
грейдер-элеватора
(кН)
где F- в кН, vP - в м/с,
Мощность (кВт) для привода конвейера
(кВт)
где Пк - в м3/ч;
- в кН/м3;
lК - проекция длины ленточного конвейера на горизонтальное направление, м;
-
коэффициент сопротивления движению ленты конвейера на горизонтальном участке;
=0,04 ...
0,06; hK - разность высот уровней концевых барабанов конвейера; hK-2,5... 5,6
м; vK - в м/с; g=9,81 м/с2;
- КПД привода конвейера;
=0,85.
Для очистителя ленты NOЧ = 0,8 ...
1,5 кВт. Принимаем NOЧ =1,2 кВт.
Мощность (кВт) для привода
гидравлических насосов
(кН)
где Gp - сила тяжести плужной балки
с рабочим органом, кН;
- скорость
подъема;
=0,1...0,2
м/с;
- суммарный
КПД гидропривода;
=0,7...0,8.
РАСЧЕТ СКРЕПЕРА
Цель работы
Цель работы - ознакомиться с методикой расчета
скреперов.
Содержание работы
Изучить все разделы настоящих методических
указаний и материалы рекомендуемой литературы. Закрепить изученный материал
практическими расчетами, провести тяговый расчет скрепера, расчет его
производительности, расчет действующих сил.
Теоретическая часть
Скрепером называется землеройно-транспортная
машина с ковшовым рабочим органом, предназначенная для послойного резания
грунта с одновременным заполнением ковша, транспортирования его к месту отвала,
отсыпки (с частичным разравниванием и уплотнением) слоями определенной толщины.
Скрепер - машинацикличного действия. Все операции цикла выполняются во время
движения скрепера с переменной скоростью, обусловливаемой изменением
сопротивления движению машины.
Выбор параметров скрепера
Главный параметр одноосного или другого тягача -
максимальная мощность двигателя, а скрепера - вместимость ковша. Основные
параметры самоходного колесного скрепера - максимальная расчетная транспортная
скорость, вес груженого скрепера, его грузоподъемность, развеска по осям,
размеры шин, первая расчетная рабочая скорость, число передач трансмиссии.
Вместимость ковша:
, (6.1)
где Gг - вес грунта в полностью
загруженном ковше, кН; kP - коэффициент разрыхления; kн - расчетный коэффициент
заполнения ковша (при заполнении с толкачом на тяжелых суглинках и глине kн =
0,9 - 1,1. на легких суглинках kн =1,1 - 1,2, на несвязных грунтах kн =0,8 -
1,0);
- удельный
вес грунта ненарушенной структуры, кН/м3.
Размеры ковша выбирают так, чтобы
его продольный профиль соответствовал продольному профилю грунта, заполняющего
ковш. Высота задней стенки hзад= 0,45hг, где hг - высота наполнения ковша (по
вертикали от линии стыка ножа с днищем; при Vк = 3, 6, 10, 15 м3 соответственно
hг - 1,0 - 1,13; 1,25 - 1,50; 1,8 - 2,0; 2,3 - 2,4 м.
Отношение длины ковша lкк его высоте
hкзависит от его вместимости Vк. Для Vк=4 - 6, 6 - 8, 10 - 12, 15 - 18
м3,lк/hк=x=1,0 - 0,8;0,9 - 0,8;0,96 - 0,85;1,0.
Длину и высоту ковша можно
определять приближенно:
экскаватор бульдозер
элеватор скрепер
(6.2)
, (6.3)
где bк - внутренняя ширина ковша, м.
Габаритная ширина:
, (6.4)
где bк - внутренняя ширина ковша, м;
рекомендуется bк=b1+b2+b3; b1,b2, b3 - ширина соответственно колеи тягача, его шины
и зазора между внутренними стенками ковша и шины, м; b3=0,03 - 0,06 м;
b -
суммарная толщина боковых стенок ковша с накладками жесткости, боковых тяг и
зазоров, необходимых для взаимного перемещения тяговой рамы и ковша, м;
b=0,35 -
0,53 м. Для снижения удельных сопротивлений следует при Vк=3, 6, 10, 15м3
принимать соотношения соответственно bк/hк=1,7;1,9; 2,2; 2,5.
По данным И.П. Керова, для
самоходных скреперов с одноосным тягачом (линейные размеры - м, Gc - кН, Vк -
м3):
габаритная длина и ширина ковша
(6.5)
высота боковой стенки
; (6.6)
ширина резания
; (6.7)
вес скрепера
. (6.8)
Для груженого скрепера нагрузка на его заднюю
ось составляет 50 - 55% и на ось тягача - 50 - 45%, порожнего - соответственно
40 - 30 и 60 - 70%.
Эксплуатационная производительность
В плотном теле эксплуатационная
производительность скрепера
, (6.9)
гдеVк - в м3; kн - коэффициент
наполнения; kв- коэффициент использования рабочего времени; kв =0,8 - 0,9; tц -
продолжительность рабочего цикла, с;
, (6.10)
гдеl1, l2, l3, l4 - длина пути
соответственно копания грунта, груженого хода, разгрузки и порожнего хода для
возвращения скрепера в забой, м; v1, v2, v3, v4 - соответствующие средние
скорости движения при отдельных операциях цикла, м/с; tп,tпов,tт - время
соответственно переключения передач, поворота, стыковки с толкачом, с; пп, ппов
- число соответственно переключений передач и поворотов в зависимости от схемы
движения скрепера;
, (6.11)
гдеVк - в м3; kн - коэффициент
наполнения; kп - коэффициент, учитывающий потери грунта при образовании призмы
волочения и боковых валиков;kп =1,2 - 1,5; kс- коэффициент, учитывающий
неравномерность толщины стружки на длине пути копания и существенно зависящий
от способа копания грунта; при постоянной толщине стружки и гребенчатом
зарезанииkс=0,7; kр - коэффициент разрыхления; Sс - площадь проекции стружки на
плоскость, перпендикулярную к движению, м2;
, (6.12)
гдеhотс - средняя толщина
отсыпаемого слоя, м; bк - ширина отсыпки, равная ширине ковша, м. По опытным
данным, для Vк=3;6. - 8; 10; 15 м3 соответственно l1=15 - 25; 20 - 50; 30 - 60;
35 - 70 м и l3=4 - 8; 6 - 15; 9 - 23; 12 - 24 м.
Тяговый расчет скрепера с загрузкой
тягачом
Этот расчет проводят двумя
способами: по заданной вместимости определяют тяговые сопротивления и потребную
силу тяги, по которой подбирают тягач; по заданному типу тягача и его мощности
рассчитывают вместимость ковша скрепера. Для прицепного скрепера вычисляют по
опытным данным ориентировочную вместимость и проводят проверочный расчет,
определяя возможность применения заданного тягача. Полное тяговое
сопротивление, возникающее при наполнении ковша скрепера:
= F1 + F2 + F3 + F4 + F5, (6.13)
где F1, F2, F3, F4, F5 -
сопротивления соответственно перемещению груженого скрепера, резанию грунта,
трению ножа о грунт, наполнению ковша, перемещению призмы волочения, Н.
Сопротивление перемещению груженого
скрепера
, (6.14)
где
- вес груженого скрепера, Н;
- суммарный
коэффициент сопротивления передвижению;
;
- угол наклона поверхности
движения, град.
Сопротивление резанию грунта ножом
скрепера
, (6.15)
где SC - площадь проекции стружки в
плоскости, перпендикулярной к направлению движения скрепера, м2; при Vк=6, 10 и
15 м3 рекомендуемая толщина стружки составляет соответственно 0,04 - 0,06; 0,08
- 0,10 в 0,12 - 0,14 м (суглинок) и 0,06 - 0,08; 0,10 - 0,14 и 0,16 - 0,18 м
(супесь); kрез - коэффициент удельного сопротивления резанию, Н/м2.
Сопротивление трению ножа о грунт
, (6.16)
где fс - коэффициент трения
скольжения стали о грунт; RBи F2
Rг - вертикальная и горизонтальная
составляющие реакции грунта на нож, Н; φ=RB/RГ=0,4 - 0,5,
что соответствует началу момента выглубления ковша в конце наполнения.
Сопротивление наполнению ковша
скрепера грунтом состоит из сопротивления силе тяжести
поднимаемого
столба грунта и сопротивления трению
грунта в ковше, обусловленного
давлением призм грунта, располагающихся по обе стороны входящей в ковш на III
стадии заполнения стружки:
, (6.17)
где hрез - толщина стружки, м;
,
- ширина
ковша и высота грунта в нем, м;
- Н/м3; х - коэффициент;х=tgφг/1+tgφг; φг - угол
внутреннего трения грунта, град. По опытным данным, объем призмы волочения
перед заслонкой (в процентах от вместимости ковша) составляет: 26, 28 и 32 для
песка; 22, 17 и 16 для супеси: 10, 10 и 9 для влажных суглинков; 10, 5 и 4 для
глин при вместимости ковша соответственно 6, 10 и 15 м3.
Сопротивление перемещению призмы
волочения (Н)
, (6.18)
где Vп - объем призмы волочения, м3.
При наборе грунта самоходным
скрепером
и
(6.19)
и прицепным скрепером
и
, (6.20)
где Fк - максимальная окружная сила
на шинах ведущих колес, Н (рис 6.1,a);F - суммарное тяговое сопротивление, Н;
Fкр - максимальная сила на крюке тягача, Н; Gсц, Gтр - сцепной вес
соответственно колесного и гусеничного тягачей, Н; φсц -
коэффициент сцепления; fо - коэффициент сопротивления передвижению движителя
тягача. При использовании толкачей на загрузке с максимальным толкающим усилием
Fтолк
и
, (6.21)
где
- коэффициент одновременности
работы толкача и тягача;
=0,85 -
0,90. Тяговый расчет самоходно-моторных скреперов. Допустимый вес груженого
скрепера:
, (6.22)
где Gc, Gr - соответственно вес
порожнего скрепера и грунта в ковше, Н;
- механический КПД трансмиссии;
-
коэффициент, учитывающий отбор мощности на привод вспомогательных механизмов;
-
коэффициент выходной мощности;
= 0,9;
-
максимальная мощность двигателя, кВт;
- коэффициент обтекаемости,
;
= 0,6 - 0,7
;S - лобовая
площадь одноосного тягача, м2 (ориентировочно произведение ширины колес на
максимальную высоту тягача);
- максимальная транспортная
скорость, км/ч;
=45 - 55
км/ч;
=0,025 -
0,035 при движении по дороге. F'к - тяговое усилие для скрепера со всеми
ведущими колесами Силовой радиус колесного движителя:
, (6.23)
где
- радиус недеформируемой шины, м;
' -
коэффициент деформации шины; на плотном грунте
'= 0,12 - 0,15; на рыхлом -
'=0,08 -
0,10;
- ширина
профиля шины, м.
Рис. 6.1. Схемы к расчету самоходного скрепера:
а - заполнение с толкачом; б, в - с элеваторной загрузкой; г - скребковый элеватор
Толкач выбирается таким, чтобы в конце
заполнения ковша полностью использовались тяговые качества тягача и толкача.
При кратковременных нагрузках
максимально допустимые коэффициенты буксования составляют для колесного
движителя
= 30%, для
гусеничного
= 10%.
Пользуясь формулой с учетом
указанных коэффициентов буксования, напишем суммарную максимальную силутяги
скрепера с гусеничным толкачом по сцеплению:
, (6.24)
где Fк - максимальная сила тяги
тягача по сцеплению, Н;
-
нормальная реакция грунта на колеса одноосного тягача в заключительной стадии
заполнения ковша скрепера, Н.
По тяговому усилию можно выбрать
толкач. Действительные скорости (vд) тягача и гусеничного толкача в момент
набора грунта должны быть одинаковыми с учетом принятых в формуле коэффициентов
буксования (30 и 10%).
Используя тяговые характеристики
тягача и гусеничного толкача, можно определить рабочую скорость тягача на
первой рабочей передаче и общее передаточное число трансмиссии (по регулярной
характеристике двигателя тягача и силовому радиусу колесного движителя).
Мощность двигателя тягача
самоходного скрепера при рассматриваемом режиме работы:
, (6.25)
где Fки
- Н; fо -
коэффициент сопротивления качению;
- км/ч;
-
механический КПД трансмиссии тягача;
=30%.
По регулярной характеристике
двигателя тягача определяется частота вращения коленчатого валаne (
),соответствующая
мощности N.
Передаточное число трансмиссии на I
передаче
, (6.26)
где
- м; ne -
;
- км/ч.
Тяговый расчет скрепера с
элеваторной загрузкой
Его проводят при условии, что
известны мощность двигателя одноосного тягача, его основные параметры: вес Gc,
расчетные скорости на всех передачах, размеры шин и нагрузка R1 на ось тягача.
Все эти параметры определяются тяговым расчетом скрепера с загрузкой под
действием тягового усилия (рис. 6.1, б,в).
Сила тяги (соответствующая режиму
максимальной тяги):
, (6.27)
где
- суммарная вертикальная реакция на
колеса тягача, Н;
(сцепной вес
определяется ниже при расчете реакций, действующих на скрепер).
При расчете скрепера с элеваторной
загрузкой считают, что сопротивление грунта копанию:
, (6.28)
где
- сопротивление грунта резанию, Н;
-
сопротивление трению ножа о грунт, Н;
- удельное сопротивление резанию
грунта, Н/м2;
- площадь
проекции стружки вырезаемого грунта на плоскость, перпендикулярную к
направлению движения, м2; fc - коэффициент трения грунта о нож;
=Rв/Rг -
соотношение вертикальной и горизонтальной составляющих реакций грунта на нож;
= 0,1 - 0,5
и растет с увеличением степени наполнения, ковша; при расчете скрепера с
элеваторной загрузкой для плотных связныхгрунтов можно принимать
0,4 - 0,5.
Теоретическая производительность
скрепера по объему вырезаемого грунта:
, (6.29)
где
- действительная скорость движения
(при режиме максимальной тяговой мощности, соответствующей коэффициенту
буксования
=18 - 20%),
км/ч;
- расчетная
скорость на 1-й передаче,км/ч.
Так как скребковый элеватор должен переместить
в ковш вырезанный грунт, то его теоретическая производительностьПоэ≥По·kр.
Теоретическая производительность
скребкового элеватора
. (6.30)
Техническая производительность с
учетом коэффициента разрыхления грунтаkpи коэффициента заполнения скребков kn:
, (6.31)
где bc - ширина скребка, м;
приближенно принимают bc
ln; ln -
длина ножа ковша, м; hc - высота скребка, м; Vц - скорость цепи, м/с.
Необходимая скорость цепи
скребкового элеватора, если принять Птэ=По:
. (6.32)
Значения
= 0,74;
0,58; 0,32 соответственно при углах наклона рабочей цепи к горизонту α= 25, 38,
52°;
= 0,8 - 1,5
м/с.
Длина скребкового элеватора,
обеспечивающая загрузку ковша с «шапкой», назначается исходя из угла наклонаαрабочей цепи
к горизонту и необходимых технологических зазоров между скребком и днищем ковша
(0,05 - 0,10 м). Мощность привода скребкового элеватора
, (6.33)
где
- мощность для подъема грунта и
преодоления трения грунта, находящегося между скребками, о грунт, кВт;
, (6.34)
где
- м3/ч;
- удельный
вес грунта ненарушенной структуры, Н/м3;
r - высота подъема грунта в ковше,
м;
- КПД цепи
и привода;
. (6.35)
Баланс мощности
Необходимая мощность двигателя
тягача для прицепного скрепера при наборе грунта без толкача:
, (6.36)
где
- вес тягача, Н;
-
коэффициент сопротивления передвижению движителя тягача; F - Н;
- рабочая
скорость, км/ч;
- общий КПД
трансмиссии тягача.
Для самоходного скрепера со всеми
ведущими колесами мощность двигателя
, (6.37)
где F - Н;
- км/ч.
Баланс мощности скрепера с
элеваторной загрузкой
, (6.38)
где
- мощность соответственно для
привода колесного движителя и вспомогательных механизмов, кВт.
Внешние силы и реакции
На самоходный скрепер действуют
активные силы: суммарные силы тяжести скрепера и грунта в ковше Gcи Gr(рис.
6.1,а), тяговое усилие тягача
и толкача
, которое
может быть приложено под некоторым углом β´<0 и β´>0,
или
в частном случае β´=0.К
действующим реактивным силам относятся:
- суммарные нормальные составляющие
реакции грунта на колеса соответственно тягача и скрепера;
и
-горизонтальные
составляющие тех же реакций;
-горизонтальная и вертикальная
составляющие суммарной реакции стружки грунта. Реакция
всегда
направлена обратно движению скрепера; реакция RBможет менять знак в зависимости
от расчетного положения: при направлении вверх (рис. 6.1,а) меняется реакция
, то есть
ухудшаются тягово-сцепные качества скрепера. При выглублении ковша реакция RB
всегда направлена вниз.
Соотношение
принимают
как для скрепера с элеваторной загрузкой. Схема сил представлена на рис.
6.1,б,в.
Смещением
и
от
диаметральной плоскости колес на величину
и
вследствие деформации шин можно
пренебрегать, считая
=0,
=0, то есть
располагать
и
в плоскости
оси колес и не учитывать дополнительные моменты сопротивления от деформации
шин.
Тяговое усилие для самоходного
одномоторного скрепера
, (6.39)
Где kт-коэффициент, учитывающий
степень использования максимальной силы тяги одноосного колесного тягача по
условию сцепления шин с грунтом; при режиме максимальной тяги (
)
=0,73-0,75;
на режиме максимальной тяговой мощности (
)
=0,70-0,73; при 100%-ном буксовании
тягач развивает максимальную силу тяги и
=1,0;
-Н;
-коэффициент сцепления.
Опорные реакции скрепера в
рассматриваемом расчетном положении можно определить из уравнения равновесия:
;
.
Для гусеничного толкача
вычисляют
из формулы (6.21);
; можно без
значительной ошибки приниматьβ´=0.Решая совместно рассмотренные
уравнения, определяем
в момент
конца наполнения ковша. Реакции
и
не будут максимальными в момент
конца наполнения, так как в момент начала выглубления ковша при продолжающемся
наборе грунта нагрузка на колеса возрастает так же, как в момент преодоления
колесом неподвижного препятствия или движения по рыхлому грунту.
Контрольные вопросы
Понятие скрепера?
Как распределяется нагрузка на его
заднюю ось?
Какими способами проводят тяговый
расчет скрепера с загрузкой тягачом?
Какова максимальная транспортная
скорость скрепера?
Как найти необходимую мощность
двигателя тягача для прицепного скрепера при наборе грунта без толкача?
Перечень вариантов заданий
|
Параметры
|
Модель
|
|
МоАЗ-6014
|
ДЗ-13Б
|
ДЗ-115
|
ДЗ-107
|
ДЗ-107-2
|
ДЗ-155-1
|
|
Вместимость
ковша, м3
|
8,3
|
16
|
16,2
|
25
|
25
|
25,5
|
|
Тип
скрепера
|
Самоходный
|
Самоходный
двухмоторный
|
|
Грузоподъемность,
т
|
15
|
30
|
30
|
50,4
|
50,4
|
27
|
|
Тягач
|
МоАЗ-6442
|
БелАЗ-7422
|
БелАЗ-531Б
|
спец.
шасси
|
Спец.
шасси
|
БелАЗ-531
|
|
Мощность
двигателя, кВт
|
165
|
265
|
2х265
|
2х405
|
2х405
|
2х265
|
|
Ширина
резания, мм
|
2820
|
3410
|
3120
|
3800
|
3800
|
3412
|
|
Наибольшее
заглубление, мм
|
200
|
300
|
300
|
400
|
400
|
240
|
|
Толщина
отсыпаемого слоя грунта, мм
|
450
|
500
|
450
|
600
|
600
|
500
|
|
Радиус
поворота, м
|
9,45
|
9,75
|
13,5
|
14,85
|
14,85
|
13,5
|
|
Наибольшая
скорость движения, км/ч
|
45
|
45
|
52,5
|
50
|
50
|
50
|
|
Скорость
скрепера, м/с: -при наборе грунта
|
0,6
|
0,6
|
0,6
|
0,6
|
0,6
|
0,6
|
|
-с
грунтом
|
4-6
|
4-6
|
4-6
|
4-6
|
4-6
|
4-6
|
|
-при
разгрузке
|
3-4
|
3-4
|
3-4
|
3-4
|
3-4
|
3-4
|
|
-порожнего
|
5,5-7
|
5,5-7
|
5,5-7
|
5,5-7
|
5,5-7
|
5,5-7
|
|
Средняя
толщина слоя отсыпки, м
|
0,3
|
0,3
|
0,3
|
0,3
|
0,3
|
0,3
|
РАСЧЕТ ТРУБОУКЛАДЧИКА
Цель работы
Цель работы - ознакомиться с методикой расчета
трубоукладчика.
Содержание работы
Изучить все разделы настоящих методических
указаний и материалы рекомендуемой литературы. Закрепить изученный материал
практическими расчетами.
Перечень вариантов заданий
Таблица 7.1 - Масса погонного метра трубы, кг
|
Толщина
стенки, мм
|
Наружный
диаметр, мм по ГОСТ/ТУ
|
|
530
|
630
|
720
|
820
|
1020
|
1220
|
1420
|
|
7,0
|
91,18
|
108,62
|
124,31
|
-
|
-
|
-
|
-
|
|
8,0
|
104,01
|
123,94
|
141,87
|
161,79
|
-
|
-
|
-
|
|
9,0
|
116,79
|
139,20
|
159,38
|
181,79
|
-
|
-
|
-
|
|
10,0
|
129,51
|
154,42
|
176,84
|
201,74
|
251,56
|
301,39
|
-
|
|
11,0
|
142,19
|
169,59
|
194,25
|
221,64
|
276,44
|
331,25
|
-
|
|
12,0
|
154,82
|
184,71
|
211,61
|
241,49
|
301,27
|
361,07
|
416,65
|
|
13,0
|
167,40
|
199,78
|
228,92
|
261,30
|
326,05
|
390,83
|
|
14,0
|
179,93
|
214,79
|
246,18
|
281,05
|
350,78
|
420,55
|
485,40
|
|
15,0
|
192,40
|
229,76
|
263,39
|
300,75
|
375,47
|
450,21
|
519,70
|
|
16,0
|
204,83
|
244,68
|
280,55
|
320,40
|
400,10
|
479,83
|
553,96
|
|
17,0
|
217,21
|
259,55
|
297,66
|
340,00
|
424,68
|
504,32
|
588,16
|
|
18,0
|
229,54
|
274,37
|
314,72
|
359,55
|
449,22
|
533,54
|
622,31
|
|
19,0
|
241,82
|
289,14
|
331,73
|
379,05
|
473,70
|
562,71
|
656,42
|
|
20,0
|
254,05
|
303,86
|
348,69
|
398,51
|
498,13
|
591,84
|
690,48
|
|
21,0
|
266,23
|
318,53
|
365,60
|
417,91
|
522,52
|
620,91
|
724,48
|
|
22,0
|
278,36
|
333,15
|
382,47
|
437,26
|
546,85
|
649,93
|
758,44
|
|
23,0
|
290,44
|
347,72
|
399,28
|
456,56
|
571,13
|
678,91
|
792,35
|
|
24,0
|
302,47
|
362,24
|
416,04
|
475,82
|
595,37
|
707,84
|
826,20
|
|
25,0
|
-
|
-
|
432,75
|
495,02
|
619,55
|
736,71
|
860,01
|
|
26,0
|
-
|
-
|
449,41
|
514,17
|
643,69
|
765,54
|
893,77
|
|
27,0
|
-
|
-
|
466,03
|
533,28
|
667,77
|
794,32
|
927,48
|
|
28,0
|
-
|
-
|
482,59
|
552,33
|
691,81
|
823,05
|
961,14
|
|
29,0
|
-
|
-
|
499,10
|
571,33
|
715,79
|
851,73
|
994,75
|
|
30,0
|
-
|
-
|
515,5
|
590,29
|
739,73
|
880,36
|
1028,3
|
|
31,0
|
-
|
-
|
-
|
-
|
763,61
|
908,94
|
1061,8
|
|
32,0
|
-
|
-
|
-
|
-
|
787,45
|
937,47
|
1095,2
|
Теоретическая часть
Теоретическая часть расчет трубоукладчика
подробно описана в монографии: Расчет специального рабочего оборудования для
МТА промышленного назначения.: монография / В.П. Шевчук, М.В. Ляшенко, В.В.
Шеховцов, А.В. Победин, К.О. Долгов, Н.В. Кривошеев. - Волгоград: ИУНЛ ВолгГТУ,
2011. -66-88с.
Пример расчёта лабораторной работы.
Один из первых шагов для расчета, определится с
грузоподъёмностью трубоукладчика mгр, а она в свою очередь определяется из
массы погонного метра, диаметра, толщены стенки и длины трубы (см.варианты
заданий). Диаметр 1020мм, толщина стенки 15мм, длина плети 24м, масса погонного
метра 520кг.
Наибольший вылет стрелы К[м] определяется по
формуле:
где В1 - ширина траншеи [м], Dболее 700мм
,
Н1 - высота траншеи 2м.
Максимальный грузовой момент устойчивости
определяется по формуле
Коэффициентом запаса устойчивости определяется
по формуле:
Масса трубоукладчика определяется по формуле:
Ширина гусеничного хода определяется по формуле:
Ширина гусеницы определяется по формуле:
База трубоукладчика определяется из
корреляционной зависимости параметров от массы промышленного трактора общего
назначения по формуле:
Ширина трубоукладчика определяется из корреляционной
зависимости параметров от массы промышленного трактора общего назначения по
формуле:
..
Дорожный просвет h [мм] обычно указывается в
технических требованиях выберем его для трактора общего назначения. Высота трубоукладчика
Н [м] определяется по формуле:
Длина трубоукладчика L1 [м], В3[м] максимальное
расстояние опрокидывание противовеса, R [м]радиус ведущий звездочки
определяется из конструкторских решений. Трубоукладчик должен обладать тяговым
усилием Т[кН], обеспечивающим преодоление сил сопротивления Рf[кН]:
Сила сопротивления перемещению определяется по
формуле:
Потенциальные возможности реализации
трубоукладчиком тягового усилия по условию сцепления с грунтом проверяют по
формуле:
Мощность Nном(кВт) затрачиваемая на
перемещение трубоукладчика
Рис.7.1 - Характеристика двигателя Д-442
Таблица 7.1 - характеристика двигателя Д-442
|
точки
|
nе,
обр/мин
|
Me,
нм
|
Gt,
кг/ч
|
Ne,
кВт
|
ge,
г/кВтч
|
|
1
|
1200
|
714
|
19.02
|
89.7
|
212.1
|
|
2
|
1300
|
702
|
20.27
|
95.5
|
212.2
|
|
3
|
1400
|
662
|
20.59
|
97.0
|
212.3
|
|
4
|
1500
|
623
|
20.73
|
97.8
|
211.9
|
|
5
|
1550
|
600
|
21
|
97.3
|
215.7
|
|
6
|
1600
|
575
|
21.09
|
96.3
|
219.0
|
|
7
|
1650
|
550
|
20.6
|
95.0
|
216.9
|
|
8
|
1700
|
520
|
20.56
|
92.5
|
222.2
|
|
9
|
1750
|
490
|
20
|
89.8
|
222.8
|
|
10
|
1770
|
476
|
19.93
|
88.2
|
226.0
|
|
11
|
1800
|
420
|
19
|
79.1
|
240.1
|
|
12
|
1850
|
10
|
9.584
|
1.9
|
800.0
|
Рис.7.2- Характеристика гидротрансформатора
ЛГ-400-35
Таблица 7.2 - Характеристика гидротрансформатора
ЛГ-400-35
|
i
|
k
|
λ1
1000000 мин2/м*обр2
|
η
|
|
1
|
0.001
|
3.5
|
2
|
0.0035
|
|
2
|
0.1
|
3
|
2.05
|
0.3
|
|
3
|
0.2
|
2.5
|
2.1
|
0.5
|
|
4
|
0.3
|
2.1
|
2.15
|
0.63
|
|
5
|
0.4
|
1.85
|
2.23
|
0.74
|
|
6
|
0.5
|
1.7
|
2.21
|
0.85
|
|
7
|
0.6
|
1.5
|
2.17
|
0.9
|
|
8
|
0.7
|
1.3
|
2.15
|
0.91
|
|
9
|
0.8
|
1.1
|
2.1
|
0.88
|
|
10
|
0.9
|
1
|
1.99
|
0.9
|
|
11
|
0.95
|
1
|
1.8
|
0.95
|
|
12
|
0.999
|
0.1
|
0.1
|
0.0999
|
Для совмещения характеристик двигателя и
гидротрансформатора необходимо построить семейство парабол второй степени в
координатах М=ƒ(n).
Таблица 7.3 - Момент на насосном колесе
|
М1,
i=0,001
|
М1,
i=0,1
|
М1,
i=0,2
|
М1,
i=0,3
|
М1,
i=0,4
|
М1,
i=0,5
|
М1,
i=0,6
|
М1,
i=0,7
|
М1,
i=0,8
|
М1,
i=0,9
|
М1,
i=0,95
|
М1,
i=1
|
|
1
|
248
|
260
|
268
|
276
|
274
|
269
|
266
|
260
|
246
|
223
|
12
|
|
2
|
291
|
298
|
305
|
314
|
324
|
321
|
315
|
313
|
305
|
289
|
262
|
15
|
|
3
|
337
|
346
|
354
|
364
|
376
|
373
|
366
|
362
|
354
|
335
|
303
|
17
|
|
4
|
387
|
397
|
406
|
418
|
432
|
428
|
420
|
416
|
406
|
385
|
348
|
19
|
|
5
|
413
|
424
|
434
|
446
|
461
|
457
|
448
|
444
|
434
|
411
|
372
|
21
|
|
6
|
440
|
451
|
462
|
476
|
491
|
487
|
478
|
473
|
462
|
438
|
396
|
22
|
|
7
|
468
|
480
|
492
|
506
|
522
|
518
|
508
|
503
|
492
|
466
|
422
|
23
|
|
8
|
497
|
510
|
522
|
537
|
554
|
549
|
539
|
534
|
522
|
495
|
447
|
25
|
|
9
|
527
|
540
|
553
|
569
|
587
|
582
|
572
|
566
|
553
|
524
|
474
|
26
|
|
10
|
539
|
552
|
566
|
582
|
601
|
596
|
585
|
579
|
566
|
536
|
485
|
27
|
|
11
|
557
|
571
|
585
|
602
|
621
|
616
|
605
|
599
|
585
|
555
|
502
|
28
|
|
12
|
589
|
603
|
618
|
636
|
656
|
651
|
639
|
633
|
618
|
586
|
530
|
29
|
Рис. 7.3 - Семейство парабол второй степени в
координатах М=ƒ(n).
После построения парабол делается вывод,
согласуются или нет характеристика двигателя и гидротрансформатора.
Далее приступаем к расчету и построению выходной
характеристики системы двигателя и гидротрансформатора.
Таблица 7.3 - Выходная характеристика системы
двигателя Д-442 и гидротрансформатора ЛГ-400-35
|
n2,обр/мин
|
M2,
нм
|
Gt2,
кг/ч
|
N2,
кВт
|
ge2,
г/кВтч
|
|
1
|
1.2
|
888.7
|
0.3
|
0.3
|
1000.00
|
|
2
|
130
|
894.0
|
20.3
|
28.7
|
707.37
|
|
3
|
280
|
885.1
|
20.6
|
48.5
|
424.51
|
|
4
|
450
|
873.8
|
20.7
|
61.6
|
336.41
|
|
5
|
620
|
852.5
|
21.0
|
72.0
|
291.54
|
|
6
|
800
|
817.6
|
21.1
|
80.9
|
260.74
|
|
7
|
990
|
762.3
|
20.6
|
85.5
|
240.97
|
|
8
|
1190
|
694.8
|
20.6
|
84.2
|
244.19
|
|
9
|
1400
|
608.5
|
20.0
|
79.0
|
253.22
|
|
10
|
1593
|
536.3
|
19.9
|
79.4
|
251.12
|
|
11
|
1710
|
501.6
|
19.0
|
75.2
|
252.76
|
|
12
|
1848.2
|
2.9
|
0.2
|
0.2
|
1000.00
|
Рис. 7.4 - Выходная характеристика системы
двигателя Д-442 и гидротрансформатора ЛГ-400-35
Таблица 7.5
|
Ступенчатая
механическая
|
Бесступенчатая
гидромеханическая
|
|
По
тяговому усилию
|
|
|
|
|
|
|
По
теоритической скорости движения
|
|
|
|
|
|
Таблица 7.6 - Тяговая характеристика
|
Первая
передача
|
|
Ркр.
кН
|
РК.
кН
|
Рf.
kH
|
δ
|
φк
|
Vt.
м/c
|
Vд.
м/с
|
Nкр.
кВт
|
Nвом.
кВт
|
Nкрсвом.
кВт
|
ηƒ
|
ηδ
|
ηтр.
Кпп.
|
η
тяговый
|
Gткр.
Кг/ч
|
gekp.
г/кВтч
|
|
1
|
426.85
|
562.85
|
136.00
|
0.45
|
0.98
|
0.00
|
0.00
|
0.04
|
0.00
|
0.04
|
0.76
|
0.55
|
0.95
|
0.39
|
0.11
|
2541.69
|
|
2
|
430.20
|
566.20
|
136.00
|
0.50
|
0.99
|
0.02
|
0.01
|
4.42
|
0.00
|
4.42
|
0.76
|
0.50
|
0.95
|
0.36
|
8.63
|
1955.02
|
|
3
|
424.57
|
560.57
|
136.00
|
0.43
|
0.98
|
0.04
|
0.03
|
10.63
|
0.00
|
10.63
|
0.76
|
0.57
|
0.95
|
0.41
|
11.05
|
1039.04
|
|
4
|
417.42
|
553.42
|
136.00
|
0.38
|
0.96
|
0.07
|
0.04
|
18.22
|
0.00
|
18.22
|
0.75
|
0.62
|
0.95
|
0.44
|
13.89
|
762.50
|
|
5
|
403.95
|
539.95
|
136.00
|
0.33
|
0.93
|
0.10
|
0.07
|
26.49
|
0.00
|
26.49
|
0.75
|
0.67
|
0.95
|
16.18
|
610.71
|
|
6
|
381.79
|
517.79
|
136.00
|
0.27
|
0.88
|
0.13
|
0.09
|
35.06
|
0.00
|
35.06
|
0.74
|
0.73
|
0.95
|
0.51
|
17.91
|
510.69
|
|
7
|
346.76
|
482.76
|
136.00
|
0.21
|
0.80
|
0.16
|
0.12
|
42.54
|
0.00
|
42.54
|
0.72
|
0.79
|
0.95
|
0.54
|
19.09
|
448.88
|
|
8
|
304.04
|
440.04
|
136.00
|
0.17
|
0.70
|
0.19
|
0.16
|
47.58
|
0.00
|
47.58
|
0.69
|
0.83
|
0.95
|
0.55
|
21.20
|
445.57
|
|
9
|
249.39
|
385.39
|
136.00
|
0.12
|
0.57
|
0.22
|
0.19
|
48.39
|
0.00
|
48.39
|
0.65
|
0.88
|
0.95
|
0.54
|
22.65
|
468.14
|
|
10
|
203.63
|
339.63
|
136.00
|
0.09
|
0.47
|
0.25
|
0.23
|
46.47
|
0.00
|
46.47
|
0.60
|
0.91
|
0.95
|
0.52
|
22.52
|
484.73
|
|
11
|
181.71
|
317.71
|
136.00
|
0.08
|
0.42
|
0.27
|
0.25
|
45.12
|
0.00
|
45.12
|
0.57
|
0.92
|
0.95
|
0.50
|
22.77
|
504.55
|
|
12
|
0.00
|
1.86
|
136.00
|
0.00
|
0.00
|
0.29
|
0.29
|
0.00
|
0.00
|
0.00
|
0.00
|
1.00
|
0.95
|
0.00
|
0.00
|
2000.00
|
|
Вторая
передача
|
|
1
|
290.58
|
426.58
|
136.00
|
0.43
|
0.67
|
0.00
|
0.00
|
0.04
|
0.00
|
0.04
|
0.68
|
0.57
|
0.96
|
0.37
|
0.11
|
2690.01
|
|
2
|
293.12
|
429.12
|
136.00
|
0.47
|
0.67
|
0.03
|
0.01
|
4.25
|
0.00
|
4.25
|
0.68
|
0.53
|
0.96
|
0.35
|
8.63
|
2033.05
|
|
3
|
288.85
|
424.85
|
136.00
|
0.41
|
0.66
|
0.06
|
0.03
|
9.99
|
0.00
|
9.99
|
0.68
|
0.59
|
0.96
|
0.38
|
11.05
|
1106.24
|
|
4
|
283.43
|
419.43
|
136.00
|
0.37
|
0.65
|
0.09
|
0.06
|
16.94
|
0.00
|
16.94
|
0.68
|
0.63
|
0.96
|
0.41
|
13.89
|
819.81
|
|
5
|
273.22
|
409.22
|
136.00
|
0.31
|
0.63
|
0.13
|
0.09
|
24.42
|
0.00
|
24.42
|
0.67
|
0.69
|
0.96
|
0.44
|
16.18
|
662.49
|
|
6
|
256.43
|
392.43
|
136.00
|
0.26
|
0.59
|
0.17
|
0.12
|
32.01
|
0.00
|
32.01
|
0.65
|
0.74
|
0.96
|
0.47
|
17.91
|
559.44
|
|
7
|
229.88
|
365.88
|
136.00
|
0.20
|
0.53
|
0.21
|
0.17
|
38.27
|
0.00
|
38.27
|
0.63
|
0.80
|
0.96
|
0.48
|
19.09
|
498.96
|
|
8
|
197.50
|
333.50
|
136.00
|
0.15
|
0.45
|
0.25
|
0.21
|
41.91
|
0.00
|
41.91
|
0.59
|
0.85
|
0.96
|
0.48
|
21.20
|
505.84
|
|
9
|
156.08
|
292.08
|
136.00
|
0.11
|
0.36
|
0.29
|
0.26
|
41.04
|
0.00
|
41.04
|
0.53
|
0.89
|
0.96
|
0.46
|
22.65
|
551.87
|
|
10
|
121.41
|
257.41
|
136.00
|
0.08
|
0.28
|
0.33
|
0.31
|
37.54
|
0.00
|
37.54
|
0.47
|
0.92
|
0.96
|
0.42
|
22.52
|
599.99
|
|
11
|
104.79
|
240.79
|
136.00
|
0.06
|
0.24
|
0.36
|
0.34
|
35.26
|
0.00
|
35.26
|
0.44
|
0.94
|
0.96
|
0.39
|
22.77
|
645.71
|
|
12
|
0.00
|
1.41
|
136.00
|
0.00
|
0.00
|
0.39
|
0.39
|
0.00
|
0.00
|
0.00
|
0.00
|
1.00
|
0.96
|
0.00
|
0.00
|
2000.00
|
|
Третья
передача
|
|
1
|
148.39
|
284.39
|
136.00
|
0.39
|
0.34
|
0.00
|
0.00
|
0.03
|
0.00
|
0.03
|
0.52
|
0.61
|
0.96
|
0.31
|
0.11
|
3246.12
|
|
2
|
150.08
|
286.08
|
136.00
|
0.41
|
0.35
|
0.02
|
3.60
|
0.00
|
3.60
|
0.52
|
0.59
|
0.96
|
0.29
|
8.63
|
2399.23
|
|
3
|
147.23
|
283.23
|
136.00
|
0.37
|
0.34
|
0.09
|
0.06
|
8.20
|
0.00
|
8.20
|
0.52
|
0.63
|
0.96
|
0.32
|
11.05
|
1347.35
|
|
4
|
143.62
|
279.62
|
136.00
|
0.33
|
0.33
|
0.14
|
0.10
|
13.66
|
0.00
|
13.66
|
0.51
|
0.67
|
0.96
|
0.33
|
13.89
|
1016.67
|
|
5
|
136.82
|
272.82
|
136.00
|
0.28
|
0.31
|
0.20
|
0.14
|
19.29
|
0.00
|
19.29
|
0.50
|
0.72
|
0.96
|
0.35
|
16.18
|
838.65
|
|
6
|
125.62
|
261.62
|
136.00
|
0.22
|
0.29
|
0.25
|
0.20
|
24.61
|
0.00
|
24.61
|
0.48
|
0.78
|
0.96
|
0.36
|
17.91
|
727.64
|
|
7
|
107.92
|
243.92
|
136.00
|
0.16
|
0.25
|
0.31
|
0.26
|
28.11
|
0.00
|
28.11
|
0.44
|
0.84
|
0.96
|
0.35
|
19.09
|
679.23
|
|
8
|
86.34
|
222.34
|
136.00
|
0.12
|
0.20
|
0.37
|
0.33
|
28.62
|
0.00
|
28.62
|
0.39
|
0.88
|
0.96
|
0.33
|
21.20
|
740.65
|
|
9
|
58.72
|
194.72
|
136.00
|
0.07
|
0.13
|
0.44
|
0.41
|
24.10
|
0.00
|
24.10
|
0.30
|
0.93
|
0.96
|
0.27
|
22.65
|
939.75
|
|
10
|
35.60
|
171.60
|
136.00
|
0.04
|
0.08
|
0.50
|
0.48
|
17.18
|
0.00
|
17.18
|
0.21
|
0.96
|
0.96
|
0.19
|
22.52
|
1311.30
|
|
11
|
24.53
|
160.53
|
136.00
|
0.03
|
0.06
|
0.54
|
0.52
|
12.87
|
0.00
|
12.87
|
0.15
|
0.97
|
0.96
|
0.14
|
22.77
|
1768.50
|
|
12
|
0.00
|
0.94
|
136.00
|
0.00
|
0.00
|
0.58
|
0.58
|
0.00
|
0.00
|
0.00
|
0.00
|
1.00
|
0.96
|
0.00
|
0.00
|
2000.00
|
Рис. 7.5
Оценка эффективности работы МТУ
Рис. 7.6
Оценка эффективности работы трубоукладчика
Раннее для подсчета геометрических параметров
был выбран диаметр трубы 1020мм, теперь по таблице 10 выберем расстояние между
трубоукладчиками это нужно для того чтобы определится с холостым путем
трубоукладчика. Он равен 225м. Определить производительность, работу и часовой
расход топлива, характеризующие эффективность работы машины для конкретного
технологического цикла 2100с на сварку. Эксплуатационная производительность
трубоукладчика при укладки труб или плети в траншею Пэ:
Продолжительность цикла работы Тц:
Расход за один час работы
Рисунок 7.6 - Расчетная схема для определения
производительности тубоукладчика
СПИСОК ИСПОЛЬЗОВАННОЙ ЛИТЕРАТУРЫ
1. Баженов
Е.Е. Разработка научных методов прогнозирования эксплуатационных свойств
сочлененных наземных транспортно-технологических машин: Автореф. дисс. … канд.
техн. наук / Уральский федеральный университет имени Первого Президента России
Б.Н. Ельцина. - М., 2010. - 320с.
2. Белецкий
Б.Ф. Технология и механизация строительного производства: учебник. Изм. - 3-е
изд. - Ростовн/Д: Феникс, 2004. - 752 с.
. Гинзбург
Ю.В., Швед А.И., Парфенов А.П. Промышленные тракторы. - М.: Машиностроение,
1986. - 296 с, ил.
. Глебов
Е.А. Оценка эффективности работы промышленного трактора с бульдозерным
оборудованием /Е.А. Глебов, Н.В. Кривошеев, В.П. Шевчук // Известия ВолгГТУ:
межвуз. сб. науч. ст. /ВолгГТУ. - Волгоград, 2010. - №10(70). - С. 40 - 43
(Сер.Наземные транспортные системы Вып. 3).
. Иванцов
В.Д. Условия реализации потенциальной эффективности гусеничного пахотного
мошинно-тракторного агрегата на гоне: монография / В.Д. Иванцов. - ВолгГТУ. -
Волгоград, 2003. - 136 с.
. Калачин
С.В. Прогнозирование эксплуатационных параметров МТА // Тракторы и
сельхозмашины. - 2011. - № 4. - С. 20 - 23.
. Коршун
В.Н. Энергосберегающие параметры и режимы функционирования рабочих органов
полевых машин // Тракторы и сельхозмашины. - 2010. - № 7. - С. 24 - 28.
. Костров
В.Ю. Обеспечение эффективности городского многоцелевого малогабаритного
транспортного средства совершенствованием конструктивной схемы и оптимизаций
базовых параметров: автореф. дисс. … канд. техн. наук / Челябинское высшее
военное автомобильное командно-инженерное училище. - Челябинск, 2010. - 123с.
. Кривошеев
Н.В. Анализ способов совершенствования МТУ с целью повышения топливной
экономичности трактора / Н.В. Кривошеев, В.П. Шевчук // Сборник статей научных,
конструкторских и технологических работ студентов. - ВолгГТУ. Волгоград, - 2009.
- С. 85 - 86.
. Кривошеев
Н.В.Критерии оценки моторно-трансмиссионной установки гусеничного трактора /
Н.В. Кривошеев, В.П. Шевчук // Сборник статей I Международной
научно-практической интернет конференции «Молодежь. Наука. Инновации». - Пенза,
2010.
. Кузнецов
Н.Г., Нехорошев Д.Д., Нехорошев Д.А., Гапич Д.С. Анализ работы трансмиссии
колесного трактора кл.1,4 и возможность использования ее с ДПМ // Тракторы и
сельхозмашины. - 2010. - № 8. - С. 20 - 22.
. Кулаков
А.Т., Макушин А.А. Разработка алтайского трактора в варианте с
электромеханической трансмиссией // Тракторы и сельхозмашины. - 2011. - № 2. -
С. 3 - 5.
. Куляшов
А.П., Колотилин В.Е. Экологичность движителей транспортно-технологических
машин. - М.: Машиностроение, 1993. - 288 с.
. Липкович
И.Э., Лопатин А.Д. Производительность человеко-машинных систем // Тракторы и
сельхозмашины. - 2010. - № 11. - С. 49 - 53.
. Лысов,
А.М. Выбор кинематической схемы тракторной КП с переключением передач под
нагрузкой // Тракторы и сельхозмашины. - 2011. - № 2. - С. 27 - 32.
. Лысов
А.М. Рынок тракторов 2007: анализ применения трансмиссий различных типов //
Тракторы и сельхозмашины. - 2008. - № 4.
. Матиевский
Г.Д., Кулманаков С.П. Анализ показателей работы дизеля по характеристике
постоянной мощности // Ползуновский вестник. - 2010. - №1. - С. 13 - 20.
. Многоцелевые
гусеничные и колесные машины: Конструкция: учеб. для вузов/ Г.И. Гладов, А.В.
Вихров, В.В. Кувшинов, В.В. Павлов; под ред. Г.И. Гладова. - М.: Транспорт,
2001. - 272 с.
. Новиков,
Г.В. О проблемах в отечественной теории и практике проектирования тракторов //
Тракторы и сельхозмашины. - 2011. - № 4. - С. 19 - 20.
. Новосельский
А.Е. Повышение эффективности промышленного тракторного агрегата с
автоматической трансмиссией путем рационального выбора ее параметров: дисс. …
канд. наук / ОАО «НИИАТТ». - Челябинск, 2009. - 187 с.
. Пивоваров
А.О. Повышение долговечности планетарного механизма поворота: монография / А.О.
Пивоваров, Вл.П. Шевчук. - Saarbrucken (Germany): LAP LAMBERT Academic
Publishing GmbH & Co. KG, 2012. - 105 с.
. Площаднов
А.Н., Курсов И.В., Маршалов Э.С., Зейгеман А.С., Яковлев П.Ю. Повышение
управляемости МТА с фронтальной навеской // Тракторы и сельхозмашины. - 2010. -
№ 9. - С. 27 - 30.
. Расчет
специального рабочего оборудования для МТА промышленного назначения.:
монография / В.П. Шевчук, М.В. Ляшенко, В.В. Шеховцов, А.В. Победин, К.О.
Долгов, Н.В. Кривошеев. - Волгоград: ИУНЛ ВолгГТУ, 2011. -148с.
. Трубоукладчики
/ И.М. Ващук, В.И. Уткин, Б.И. Харкун. - М.: Машиностроение,1989. - 184 с.
. Шевчук,
В.П. Специальное рабочее оборудование наземных транспортных средств для
трубопроводного транспорта: учеб. пособие / В.П. Шевчук, М.В. Ляшенко, В.В.
Шеховцов, А.В. Победин; ВолгГТУ. - Волгоград, 2008. - 355 с.