Синтез алгоритмов управления тепловым режимом на платформе станции 'Речной вокзал' Новосибирского метрополитена
Аннотация
Целью дипломного проекта является синтез алгоритмов управления тепловым
режимом на платформе станции «Речной вокзал» Новосибирского метрополитена.
Поставленные задачи: изучение системы вентиляции метрополитена, в
частности на станции «Речной вокзал» Новосибирского метрополитена, изучение
теплового режима и процесса воздухообмена в тоннеле метрополитена, исследование
математической модели процесса воздухообмена, синтез системы управления
производительностью воздушно-тепловой завесы, разработка системы управления
расходом воздуха.
В результате проведенной работы была рассмотрена математическая модель
системы вентиляции на станции «Речной вокзал» Новосибирского метрополитена,
проведён синтез системы управления тепловым режимом на этой станции.
Численное моделирование переходных процессов системы управления проведено
в пакете MatLab 6.5 (в среде Simulink).
В дипломном проекте произведена оценка слабых и сильных сторон проекта,
возможностей, стоящих перед ним, и угроз для него, а также заключение о развитии
и перспективах разработанной системы. Приведена калькуляция себестоимости
разработки. Рассмотрены вопросы охраны труда работников метрополитена,
приведены меры безопасности.
Введение
Метрополитен является наиболее совершенным и важнейшим видом
городского транспорта, который способен справляться с высокой интенсивностью
пассажиропотока, как никакой другой вид городского транспорта. Эксплуатационные
показатели метрополитена в значительной степени зависят от эффективности и
конструктивного совершенства его системы вентиляции и теплоснабжения, на
которые существенное влияние оказывают как частота движения поездов на линии,
так и метеорологические и гидрологические условия города.
Состояние воздушной среды влияет на самочувствие пассажиров,
здоровье и работоспособность обслуживающего персонала, а также на сохранность
технического оборудования. Это обуславливает повышение требования к
теплоснабжению и в особенности к вентиляции. Она делится на местную,
обслуживающую бытовые и технологические помещения, аккумуляторную, силовую
тяговую подстанцию, и тоннельную, проветривающую тоннели и станции.
Задачами вентиляционной системы являются:
1. Подача требуемого количества воздуха для обеспечения
нормативного температурного режима на станциях в зимнее и летнее время, а также
удаление вредных выделений в атмосферу (пыль, газ, бактериальная флора и т.
д.).
2. Обеспечение комфортных аэродинамических условий для
пассажиров и работников метрополитена, которые определяются притоком свежего
воздуха, его температурой и скоростью движения в местах скопления людей.
3. Локализация развития аварийных вентиляционных режимов
(пожар) и оперативное удаление продуктов горения по безопасным для людей
маршрутам.
Использование управляемой вентиляции открывает новые
возможности для решения поставленных выше задач.
Дипломный проект содержит 5 глав.
В первой главе рассмотрены особенности вентиляционной сети Новосибирского
метрополитена, в частности станции «Речной Вокзал»; определены требования к
микроклимату.
Во второй главе исследована математическая модель процесса воздухообмена
в тоннеле метрополитена. Представлено поэлементное описание системы управления
производительностью вентилятора воздушно-тепловой завесы и системы управления
шиберами, установленными в тоннеле метромоста.
В третьей главе осуществлён синтез алгоритмов управления расходом воздуха
в тоннеле метрополитена. Представлены результаты численного моделирования.
Четвёртая глава содержит организационно-экономическую часть, в которой
показана целесообразность разработки с экономической точки зрения, проведен «SWOT-анализ».
В пятой главе рассмотрены вопросы охраны труда в метрополитене.
1.
Описание
вентиляционной сети метрополитена как объекта автоматического управления
1.1
Требования к состоянию воздушной среды в тоннеле метрополитена
Метрополитены находятся в крупных городах, состояние
воздушной среды в которых может быть различным в зависимости от особенностей
климата, наличия промышленных зон, озеленения и т. д. Поэтому вентиляция
тоннелей и станций метрополитенов должна не только отвечать санитарным нормам,
но и проектироваться с учетом местных условий.
В составе чистого атмосферного воздуха содержится кислород,
азот, аргон, углекислый газ и в очень небольших количествах неон, гелий,
криптон, ксенон и водород. Как правило, только значительные изменения этого
состава могут оказаться опасными для человека. Например, самочувствие человека
может ухудшиться при содержании кислорода в воздухе менее 17% и более 23% или
при увеличении содержания углекислого газа до 1%. При этом значение имеет не
только количество в воздухе того или иного составляющего, но и время пребывания
человека в образовавшейся газовой среде, т. е. чем меньше человек находится в
среде воздуха, имеющего, например, завышенный процент углекислого газа, тем
меньше он ощущает эти изменения. Человек постоянно пополняет количество
углекислого газа в вагоне, вдыхая с воздухом 0,03-0,05% его, а выдыхая в 100
раз больше.
В соответствии с санитарными нормами концентрация углекислого
газа не должна превышать 20 мг/м3. При большей, чем указано в
нормативах, концентрации углекислого газа у людей может наступить потеря
сознания, поэтому в главную задачу вентиляции входит не допустить опасных для
человека концентраций вредных газов.
Также определяющее влияние на самочувствие человека имеют
метеорологические факторы: температура, относительная влажность,
барометрическое давление и подвижность воздуха.
Для станций и вестибюлей метрополитена характерно наличие
значительных площадей холодных поверхностей, ограждающих конструкции (стен), и
высоких скоростей воздушных потоков, возникающих из-за поршневого воздействия
поездов. В этой связи обслуживающий персонал и пассажиры ощущают практически не
ту температуру, которую показывает термометр, а несколько меньшую, называемую эффективно-эквивалентной,
т. е. когда усиливается отдача тепла от человека к холодным стенам
(экранам) и отдача конвекцией путем интенсивного «смывания» воздухом, а также
когда скорость воздуха превышает 4 м/с, человек испытывает более низкую
температуру, чем показывает термометр, и неприятные ощущения. Защитой от таких
явлений для обслуживающего персонала может служить специальная одежда, укрытия
в виде кабин, а также помещения, оборудованные промышленными телевизионными
установками, позволяющими персоналу находиться в местах, удобных для работы, и
видеть все происходящее на станции на экране.
Так как пассажиры находятся на станциях, в наклонных ходах
эскалаторов и других сооружениях метрополитена незначительное время, на них
указанные выше факторы особого влияния не оказывают.
Более серьезные задачи перед вентиляцией возникают в теплый,
особенно в жаркий период года. При температуре окружающего воздуха, примерно
равной температуре человеческого тела, и относительной влажности около 100%
нарушается нормальная отдача тепла организмом, вследствие чего температура
человеческого тела повышается. В этом случае у человека может наступить
состояние теплового удара.
Задачей вентиляции станций и тоннелей является не только
поддержание в местах пребывания пассажиров и обслуживающего персонала заданных
метеорологических условий и химического состава воздуха, удовлетворяющих
гигиеническим требованиям, но и создание необходимых режимов проветривания при
нарушении нормальной работы устройств метрополитена и задымлении.
В метрополитенах, как правило, предусматривается удаление с
воздухом из сооружений на поверхность скапливающихся теплоты, влаги, газов и
подача свежего воздуха в сооружения. Организация различных схем движения
воздушных потоков с учетом технологии работы метрополитена (движение поездов,
пассажиропотоки по времени суток и направлениям, состояние воздушной среды на
поверхности, исправная работа вентиляционных агрегатов, квалифицированное
обслуживание вентиляционных устройств, четкая система управления и
диспетчерского контроля) является основой осуществления вентиляции станций и
тоннелей.
.2
Описание системы вентиляции Новосибирского метрополитена
Для обеспечения основного принципа вентиляции сооружений метрополитена,
заключающегося в поддержании в допустимых пределах параметров и состава
воздуха, необходимо подавать чистый воздух к местам наибольшего скопления
пассажиров и длительного пребывания обслуживающего персонала с последующим
распределением воздуха по всем тоннелям.
Вентиляция Новосибирского метро осуществляется путем нагнетания воздуха в
тоннели и его последующим распределением. При вентиляции с искусственным
побуждением воздух принудительно подается в тоннели или только из него
извлекается (вентиляторами). Для продольного способа сам тоннель служит
воздуховодом, по которому проходит необходимый для вентиляции воздух.
Такой способ вентиляции в метро Новосибирска применен вследствие его
мелкого заложения (глубина менее 20 м), и малого расстояния между станциями (в
пределах 0,7 - 1,5 км).
Системы тоннельной вентиляции метрополитенов проектируются с учетом в
первую очередь теплового баланса, обеспечивающего в тоннелях и на станциях
допустимые параметры температуры и относительной влажности воздуха. При этом,
для обеспечения нормальных условий эксплуатации (сохранение отделочных
материалов, исключение возможного замораживания систем водоотлива, водопровода
и канализации) температура воздуха на станциях по существующим нормам должна
быть не менее + 10ºС. По СНиП 3208-99 регламентируемая подача воздуха на
станцию метрополитена должна обеспечиваться в объеме 30 м3/час на
одного пассажира и 50 м3/час в часы «пик».
Согласно пункту 7.3 норм проектирования, схемы тоннельной вентиляции
могут быть однонаправленными или двунаправленными, при этом в практике
проектирования преобладает применение двунаправленных схем вентиляции
включающих:
· летний режим, когда воздух подается через станционные
вентиляционные камеры, а удаляется через перегонные;
· зимний режим, когда воздух подается через перегонные
венткамеры, а удаляется через станции.
Тоннельная вентиляция метрополитена мелкого заложения имеет свои
особенности при эксплуатации в регионах с резко-континентальным климатом.
Например, более чем 15-летний опыт эксплуатации Новосибирского метрополитена
показал, что для сохранения требуемых температур воздуха на станциях и в
тоннелях в зимний период, тоннельные вентиляторы должны отключаться при
наступлении отрицательных среднесуточных температур атмосферного воздуха. Такой
сезонный характер работы вентиляции обусловлен главным образом недостаточными
теплоаккумулирующими возможностями грунтов, окружающих вентиляционные шахты и
тоннели, из-за их мелкого заложения (как следствие - малой длины). Вентиляция
метрополитена в зимний период осуществляется за счет поршневого действия
поездов в тоннелях и за счет естественной тяги. При этом на крайних станциях
линии метрополитена (на тупиковых станциях и станциях вблизи выхода в
атмосферу) может сложиться неблагоприятная ситуация, при которой совместное
действие естественной тяги и поршневого действия поездов вызовут переохлаждение
пассажирских помещений станции холодным атмосферным воздухом.
.3
Описание технологического процесса проветривания и элементов системы вентиляции
на станции «Речной вокзал»
На рис.1.1 представлена схема процесса вентиляции на станции «Речной
вокзал». Вентиляция метрополитена в зимний период осуществляется за счет
поршневого действия поездов в тоннелях и за счет естественной тяги. При этом на
крайних станциях линии метрополитена (на тупиковых станциях и станциях вблизи
выхода в атмосферу) может сложиться неблагоприятная ситуация, при которой
совместное действие естественной тяги и поршневого действия поездов вызовут
переохлаждение пассажирских помещений станции холодным атмосферным воздухом.
Например, при эксплуатации в зимний период года на платформе станции “Речной
вокзал” Новосибирского метрополитена, имеющей близлежащий выход в атмосферу -
метромост, температура воздуха на платформе опускается до -3…+50C.
Снижение общего количества поступающего на станцию холодного воздуха возможно с
помощью повышения аэродинамического сопротивления на путях движения холодного
атмосферного воздуха с метромоста. При повышении аэродинамического
сопротивления снижается расход воздуха через участок тоннеля вне зависимости от
того, каким источником давления (поршневым действием поездов или естественной
тягой) он инициируется. Повышение сопротивления возможно вследствие установки
на участке метромост - платформа так называемых шиберов [2]: конструкций из
листового металла или листов асбоцемента, представляющих собой диафрагмы,
уменьшающие площадь живого сечения тоннеля для прохода воздуха и существенно
повышающих аэродинамическое сопротивление участка тоннеля. Шиберы
устанавливаются в тоннелях на расстоянии 2.5…3.5 м - при таком расстоянии
сопротивление отдельного шибера максимально. Размеры внутреннего отверстия для
прохода воздуха ограничены габаритными размерами поезда для соблюдения
безопасности движения метропоездов.
С помощью подвижных шиберов можно управлять поступлением холодного
наружного воздуха в тоннель. Далее холодный воздух с метромоста смешивается с
горячим воздухом, идущим из воздушно - тепловой завесы (ВТЗ). ВТЗ уменьшает
проникновение холодного воздуха из тоннеля метромоста на станцию. Температура
полученной смеси регистрируется датчиком температуры, расположенном в тоннеле.
Эта температура должна составлять +10ºС ± 2ºС по п.3.1 Санитарных правил
2.5.1337-03 "Санитарные правила эксплуатации метрополитенов" от
30.06.2003. Рассмотрим уравнение теплового баланса на участке вентиляционной сети
[7]:
,
где
tсм -
температура смешанного воздуха, tТН -
температура теплоносителя (вода), tНВ - температура наружного воздуха, GВТЗ
- массовый расход воздуха ВТЗ, GНВ
- массовый расход наружного
воздуха.
Из
уравнения теплового баланса tсм вычисляется
по формуле:
Полагая
температуру наружного воздуха и температуру теплоносителя ВТЗ величинами
постоянными, необходимо управлять расходом наружного воздуха (с помощью
управляемых шиберов()пературу воздуха из ВТЗ величинами постоянными, необходимо
управлять расходом наружного воздуха и ________) и расходом воздуха ВТЗ (меняя
производительность вентилятора воздушно-тепловой завесы) для поддержания
температуры на платформе станции на необходимом уровне.
Рис.
1.1 Схема выбранного участка вентиляционной сети:
- места установки датчиков расхода воздуха,
- место расположения датчика температуры, QВТЗ
- расход воздуха, нагнетаемый
вентилятором воздушно-тепловой завесы, QНВ - расход наружного воздуха, поступающего через шиберы
в тоннель, tсм -
температура смешанного воздуха, поступающего на платформу станции.
1.4
Требования к управлению температурой и проветриванием на станции «Речной
вокзал» Новосибирского метрополитена
С учетом особенностей вентиляционной системы на станции
«Речной вокзал» необходимо исследовать математическую модель участка
вентиляционной сети и систему автоматического управления температурным режимом
на станции в зимний период года.
Выбранный участок вентиляционной сети включает в себя
платформу станции с примыкающим тоннелем, в котором установлены управляемые
шиберы, а также воздушно-тепловая завеса.
Требования к вентиляционной сети станции «Речной вокзал» :
1.
Требования, предъявляемые к качеству переходных процессов в системе управления
шиберами (САУ УШ): tп
70 с, s
0%, D
0%;
.
Требования, предъявляемые к качеству переходных процессов в системе управления
производительностью вентилятора воздушно-тепловой завесы (САУ ВТЗ): tп
10 с, s
30%, D
5% .
Управляющими
воздействиями на систему являются сигналы задания требуемых параметров работы
вентилятора воздушно-тепловой завесы и управляемых шиберов.
Для обеспечения комфортных условий для пассажиров и работников метрополитена,
а также нормальных условий эксплуатации (сохранение отделочных материалов,
исключение возможного замораживания систем водоотлива, водопровода и
канализации) температура воздуха на станции в зимний период года должна быть не
менее + 10±2ºС. При
этом температура наружного воздуха лежит в диапазоне от -40ºС до +10ºС по данным СНиП 2.01.01-82 (стр.16).
Разрабатываемая система автоматического регулирования предусматривает наличие
системы сбора информации о состоянии атмосферы метрополитена с последующей ее
обработкой и выработки задающим устройством сигналов регулирования.
.5
Постановка задачи дипломного проектирования
Цель дипломного проекта - синтез алгоритмов управления температурным
режимом на платформе станции «Речной вокзал» Новосибирского метрополитена.
Основными задачами являются:
) изучение участка вентиляционной сети метрополитена как объекта
управления;
) исследование математической модели тепловых процессов и процессов
воздухообмена в тоннеле метрополитена;
) разработка алгоритмов управления массовым расходом воздуха, поступающим
в тоннель из воздушно-тепловой завесы;
) разработка алгоритмов управления шиберным устройством для регулирования
расхода воздуха, поступающего в тоннель с метромоста;
) численное моделирование переходных процессов в системе управления.
В данной главе были рассмотрены особенности системы вентиляции
Новосибирского метрополитена, в частности, на станции «Речной вокзал»;
определены требования к микроклимату и воздухообмену в тоннеле.
Для исследований была выбрана станция «Речной Вокзал». Обозначена цель
регулирования и определены требования к системе управления тепловым режимом на
платформе станции «Речной вокзал» Новосибирского метрополитена.
Также в этой главе были поставлены основные задачи дипломного проекта.
2.
Математическая модель процесса вентиляции в тоннеле метрополитена
.1
Функциональная схема системы вентиляции на станции
Процесс воздухообмена в тоннеле метрополитена (рис.1.1) описывается
уравнением теплового баланса [7]:
(1.1)
где
tсм-
температура смешанного воздуха, tТН -
температура теплоносителя (вода), tНВ - температура наружного воздуха, GВТЗ
- массовый расход воздуха ВТЗ, GНВ
- массовый расход наружного
воздуха.
На
основании уравнения теплового баланса определяется требуемая температура
воздуха на платформе станции
(1.2)
Температура
теплоносителя tтн и
температура наружного воздуха tнв полагаются
постоянными величинами и температура воздуха на платформе станции зависит от
массовых расходов воздуха из ВТЗ и управляемых шиберов. Массовый расход
наружного воздуха определяется по формуле [7]:
(1.3)
где
QНВ -
расход наружного воздуха, ρНВ - плотность наружного воздуха.
Величина
ρНВ вычисляется
по формуле, полученной в результате эмпирических исследований [14]:
(1.4)
Массовый
расход воздуха определяется по следующей формуле [7]:
(1.5)
где
QВТЗ -
расход воздуха воздушно - тепловой завесы, ρТН -
плотность теплоносителя (воды), калориферной установки. Плотность теплоносителя
ρТН = 1000
.
Плотность
воздуха величина постоянная и температура на платформе станции в результате
зависит от расхода наружного воздуха, поступающего в тоннель через управляемые
шиберы и от расхода воздуха воздушно-тепловой завесы.
Исходя
из рис. 1.1 математическая модель системы разделяется на две подсистемы:
система управления расходом воздуха ВТЗ и система управления расходом воздуха
управляемых шиберов. Температура на выходе системы снимается датчиком
температуры. Подсистемы связывает логическое устройство управления,
предназначенное для формирования и выдачи управляющих воздействий UзQ
и Uзα на подсистемы автоматического управления ВТЗ и
управляемых шиберов с учетом сигнала обратной связи с датчика температуры.
Разработка логического устройства управления выходит за рамки данного
дипломного проекта, поэтому не рассматривается. Возмущающим воздействием для
данной системы является tтн и tнв
. Температура наружного воздуха
имеет следующий диапазон изменения: -40°С +10°С (согласно СНиП 2.01.01-82,
стр.16), это медленно меняющаяся величина. Температура теплоносителя (воды)
лежит в диапазоне +70°+95°С и связана с изменением теплового режима котельной.
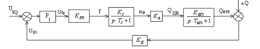
На
рис.2.1 представлена функциональная схема системы вентиляции:
Рис.
2.1 Функциональная схема системы вентиляции.
2.2
Описание элементов САУ ВТЗ, взаимодействие элементов в системе
На рис. 1.1 представлена общая схема участка вентиляционной
сети станции «Речной вокзал», в частности расположение и состав
воздушно-тепловой завесы.
Система автоматического управления воздушно-тепловой завесой
включает в себя следующие элементы: регулятор (Р1), преобразователь
частоты (ПЧ), короткозамкнутый асинхронный двигатель, центробежный вентилятор,
воздушно-тепловая завеса, калориферная установка, датчик расхода воздуха.
Регулятор расхода воздуха по сигналу задания требуемого
расхода воздуха U3Q и сигналу обратной связи с датчика расхода
воздуха UQ1 подает команду на преобразователь частоты. Преобразователь
частоты изменяет частоту вращения вала вентилятора, тем самым регулирует расход
воздуха Q(t), подаваемого в ВТЗ. В
калориферной установке воздух нагревается до температуры 50°С и поступает в
воздушно-тепловую завесу. На рис.2.2 представлена функциональная схема САУ ВТЗ.
Рис. 2.2 Функциональная схема САУ ВТЗ.
.1.1
Воздушно-тепловая завеса
Воздушные завесы известны в литературе как
технологическая конструкция или ограничивающая, или полностью ликвидирующая
перетекание воздуха из одного пространства в другое через открытый проем,
который технологически не может быть закрыт.
В частности, в зимнее время воздушными
завесами можно значительно уменьшить и даже ликвидировать проникновение
холодного наружного воздуха через открытый проем в помещение.
По схеме действия воздушная завеса
является как бы воздушным шибером, заслоняющим плоской струей открытый проем и
тем самым полностью или частично ограждающим пересечение его внешними потоками
воздуха.
В отдельных случаях при очень близком
расположении (70 м) станции или служебных помещений тупиков от портала для
завесы используется наружный воздух, который дополнительно подогревается.
Источниками такого подогрева, в зависимости от условий, могут быть городские и
районные тепловые сети, местные котельные и электроэнергия.
Конструкция воздушной завесы представляет
собой коробы или каналы с узкой воздуховыпускной щелью, размещаемой сбоку
тоннеля (рис. 2.3).
Рис. 2.3 Схема расположения
воздухоподающих коробов и щелей воздушных завес у порталов.
Воздуховыпускная щель представляет собой
узкий насадок, направленный навстречу потоку наружного воздуха под углом 45-30°
к плоскости сечения тоннеля, с внутренними перегородками на расстоянии между
собой, равном ширине щели.
Для воздушных завес обычно применяются
центробежные вентиляторы.
Воздушно-тепловые завесы на станции «Речной вокзал» устроены у
порталов (рис.1.1). В результате близкого расположения станции (70 м) от
портала для завесы используется наружный воздух, который подогревается
калориферной установкой. На основании [14] передаточную функцию
воздушно-тепловой завесы в первом приближении можно представить в виде
апериодического звена.
Коэффициент передачи KВТЗ рассчитывается по формуле:
(2.1)
Постоянная
времени ТВТЗ равна 2 сек.
.1.2
Центробежный вентилятор
Обычный центробежный вентилятор представляет собой расположенное в
спиральном кожухе колесо с рабочими лопастями, при вращении которого воздух,
поступающий через входное отверстие, попадает в каналы между лопастями и под
действием центробежной силы перемещается по этим каналам, собирается спиральным
кожухом и направляется в его выпускное отверстие. Кожух также служит для
преобразования динамического напора в статический. Для усиления напора за
кожухом ставят диффузор. На рис. 2.5 представлен общий вид центробежного
вентилятора.
Рис. 2.5 Общий вид центробежного вентилятора.
Обычное центробежное колесо состоит из лопастей, заднего диска, ступицы и
переднего диска. Литую или точеную ступицу, предназначенную для насаживания
колеса на вал, приклепывают, приворачивают или приваривают к заднему диску. К
диску приклепывают лопасти. Передние кромки лопастей обычно крепят к переднему
кольцу.
Вентиляторы специального назначения, например, пылевые, выполняют с
консольным расположением лопастей без переднего кольца, а в некоторых случаях и
без заднего диска (открытое колесо). Колеса чаще всего склепывают из листового
металла (могут быть и литыми). Легкие колеса изготовляют штамповкой. Широкие
колеса для прочности иногда снабжают тягами, соединяющими передние кольца со
ступицами.
Спиральные кожуха выполняют из листовой стали и устанавливают на
самостоятельных опорах, у вентиляторов малой мощности их крепят к станинам.
При вращении колеса воздуху передается часть подводимой к двигателю
энергии. Развиваемое колесом давление зависит от плотности воздуха,
геометрической формы лопастей и окружной скорости на концах лопастей.
Выходные кромки лопастей центробежных вентиляторов могут быть загнутыми
вперед, радиальными и загнутыми назад. До недавнего времени делали в основном
кромки лопастей загнутыми вперед, так как это позволяло уменьшить габаритные
размеры вентиляторов. В настоящее время часто встречаются рабочие колеса с
лопастями, загнутыми назад, потому что это позволяет поднять к.п.д. вентилятора.
При осмотре вентиляторов следует иметь в виду, что выходные (по ходу
воздуха) кромки лопастей для обеспечения безударного входа всегда должны быть
отогнуты в направлении, обратном направлению вращения колеса.
Для уменьшения потери на удар (так же, как и у насосов) при входе потока
в спиральный кожух в некоторых конструкциях применяют входные направляющие
аппараты. Диффузор, устанавливаемый за вентилятором, для повышения статического
напора должен иметь скос по ходу закручивания потока воздуха в вентиляторе (т.
е. быть направленным в сторону кожуха вентилятора).
Одни и те же вентиляторы при изменении частоты вращения могут иметь
различную подачу и развивать различные давления, зависящие не только от свойств
вентилятора и частоты вращения, но и от присоединенных к ним воздуховодов. При
перемещении воздуха через воздуховод часть напора теряется на трение и в
местных сопротивлениях, т. е. в самом вентиляторе, на входе и выходе из
воздуховода, при переходе воздуха через уширения и сужения, фильтры, калориферы
и т. д. Такие потери на нагнетающей части не ограничены, а на всасывании они не
должны превышать атмосферного давления.
Зная потери и необходимую подачу воздуха, можно по каталогу подобрать
вентилятор.
Станины вентиляторов отливают из чугуна или сваривают из стали. На
станине в подшипниках (чаще всего шариковых) устанавливают также и валы. Колеса
на валах укрепляют шпонками и стопорными болтами
Если вентиляторы используются с ременной передачей, то на валы между
подшипниками консольно насаживают шкивы. Колеса на валы чаще всего насаживают
консольно. Наиболее надежны и компактны малые вентиляторы, где колеса насажены
непосредственно на валы электродвигателей.
Если наблюдать со стороны, противоположной всасыванию, то вентиляторы, в
которых колеса вращаются по часовой стрелке, будут называться правыми, а против
часовой стрелки - левыми. Правильным будет вращение колес по ходу разворота
спиральных кожухов. При обратном вращении колес подача вентилятора резко
падает, но реверсирования не происходит.
Положение кожуха принято обозначать литерами: кожух с расположением
выходного отверстия вверх - литерой В, вниз - Н, вправо - П, влево - Л.
Возможны промежуточные положения (под углом 45°): ВЛ, ВП, НЛ и НП. Кроме того,
указывают направление вращения колеса.
Центробежные вентиляторы принято разделять на вентиляторы низкого
давления [P<0,001 МПа (100 кгс/м2)],
среднего давления [Р>0,004 МПа (400 кгс/м2)] и высокого давления [Р>>0,004
МПа (400 кгс/м2)].
Вентиляторы, приспособленные для перемещения дымовых газов, называют
дымососами, а для перемещения воздуха, засоренного механическими примесями, -
пылевыми.
Вентиляторы должны иметь плавный бесшумный ход, рабочие колеса -
правильное вращение. Лопасти рабочих колес не должны иметь вмятин, прогибов или
разрывов, рабочие колеса - биения или смещения по валу при вращении. Рабочие
колеса вентиляторов следует отбалансировать, при правильной балансировке
рабочее колесо останавливается в разных положениях и не возвращается в
исходное. Рабочие колеса должны легко поворачиваться от руки и не задевать
кожухов. Гайки болтов, крепящих вентиляторы, надежно затягивают. Для надежного
крепления болтов применяют контргайки.
Зазор между кромкой всасывающего конуса центробежного вентилятора и
кромкой переднего диска колеса в радиальном направлении для вентиляторов Ц4-70
и Ц4-76 не должен превышать 1% диаметра колеса, радиальный зазор между задним
диском колеса и стенкой улитки - 4% диаметра колеса. Для вентилятора Ц14-46
радиальный зазор между кромкой всасывающего конуса и колесом не должен
превышать 0,5%, между задним диском колеса и улиткой - 10% диаметра колеса. Те
же зазоры для вентилятора Ц8-18 составляют соответственно 1 и 3%, а для Ц17-40
- 1 и 5%. Для осевых вентиляторов 06-300 зазор между обечайкой и кромками
лопастей должен быть не более 3% диаметра колеса.
При эксплуатации необходимо проводить осмотр подшипников вентилятора и
заменять в них смазку не менее двух раз в год (см. главу 2).
Оси вентиляторов и электродвигателей, соединенных муфтами, должны
находиться на одной прямой. Валы вентиляторов и электродвигателей, соединенных
с помощью ременной передачи, должны быть строго параллельны. Средние линии
полотен шкивов вентилятора и электродвигателей должны совпадать.
Всасывающие отверстия вентиляторов, не присоединенные к воздуховодам,
должны иметь защитные металлические решетки с ячейками размером 25-30 мм. вентиляция теплоснабжение метро моделирование
При наличии шума в вентиляторе в процессе его работы в результате износа
подшипников, ослабления растяжек рабочего колеса, попадания посторонних
предметов, а также при возникновении вибрации вентилятора необходимо выключить
электродвигатель, установить причину шума или вибрации вентилятора и принять
меры к их устранению.
Систематически следует очищать рабочие колеса и внутренние поверхности
кожухов вентиляторов от пылевых и иных отложений. Для облегчения очистки в
кожухах должны быть сделаны люки с герметическими крышками. Сроки очистки
вентиляторов устанавливаются инструкциями.
При перемещении вентиляционными установками воздуха, содержащего вредные
вещества, оказывающие воздействие на металл, необходимо систематически следить
за состоянием защитного покрытия рабочих колес и внутренних поверхностей
кожухов. Сроки восстановления покрытия устанавливаются инструкцией.
Характеристики вентиляторов выражают связь между основными
параметрами его работы. Полная характеристика вентилятора при постоянной
частоте вращения вала (n = const) выражается зависимостями между подачей Q и давлением Р, мощностью
N и к. п. д. Зависимости P(Q), N(Q)
и T(Q) обычно строят на одном
графике. По ним подбирают вентилятор. Характеристику строят на основе
испытаний. На рис. 2.6 представлена аэродинамическая характеристика
центробежного вентилятора ВЦ-4-76-16 [7].
Рис. 2.6 Аэродинамическая характеристика вентилятора
ВЦ-4-76-16.
Производительность вентилятора составляет 70000 м3/ч
или 19,4 м3/с. Частота вращения вала вентилятора - 720 об/мин. или
75,36 рад/сек., мощность приводного асинхронного двигателя вентилятора
составляет 37 кВт.
Вентилятор нагнетает наружный атмосферный воздух в тепловую
завесу. В результате теплообмена воздуха с горячей водой, пропускаемой через
трубки теплообменника ВТЗ, происходит нагрев проходящего воздуха.
Рассмотрим схему регулирования режима работы вентилятора
ВЦ4-76 №16. На рис. 2.7 приведена функциональная схема вентиляторного агрегата
при регулировании частотой вращения.
Рис. 2.7 Функциональная схема вентиляторного агрегата,
регулируемого изменением частоты вращения асинхронного двигателя (w).
Мощность асинхронного короткозамкнутого двигателя составляет
37 кВт.
Передаточную функцию вентилятора можно представить в виде
коэффициента усиления, который определяется исходя из аэродинамической
характеристики вентилятора (рис. 2.6). Коэффициент усиления вентилятора в
рабочей точке равен 1,819
м3 /с.
Рис.
2.8 Математическая модель центробежного вентилятора.
.1.3
Преобразователь частоты (ПЧ)
Регулировать расход воздуха центробежного вентилятора можно с
помощью преобразователя частоты (ПЧ). Преобразователь частоты осуществляет
регулирование частоты тока статора электродвигателя вентилятора в зависимости
от сигнала задания. Скорость вращения ротора определяется частотой тока
статора. В соответствии с теорией электрических машин [5] частота вращения
ротора асинхронного электродвигателя изменяется не мгновенно при изменении
частоты тока статора. При изменении частоты тока статора возникает переходной
процесс, при котором электродвигатель переходит в новое равновесное состояние,
характеризующееся новой частотой вращения ротора. Время переходного процесса
зависит от суммарного момента инерции вращающихся масс вентилятора и ряда
других причин. Поэтому в первом приближении передаточную функцию ПЧ можно
записать в виде апериодического звена,
Передаточная функция запишется в следующем виде:
(2.2)
где
- коэффициент преобразователя частоты, Кj - коэффициент передачи, который
характеризует степень изменения скорости вентилятора при изменении частоты тока
статора двигателя, Тj -
постоянная времени, характеризующая инерционность разгона вентилятора.
определяется по соотношению:
- максимальная частота тока статора, Uзf max - максимальное напряжение, подаваемое с
устройства управления.
Рассчитаем Кj по формуле:
(2.3)
где ωВmax - максимальная частота вращения
вентилятора, которая равна:
.
Тогда Кj
будет равняться:
.
Постоянная времени Тj определяется по выражению
исходя из фактического времени разгона двигателем вентилятора,
которое составляет Tразгон =10 сек. Поэтому:
, TJ=3 сек.
Передаточная функция преобразователя частоты представляется в
виде:
(2.4)
На рис. 2.9 представлена математическая модель преобразователя
частоты и асинхронного двигателя.
2.1.4
Калориферная установка
Калориферы предназначены для нагрева чистого не запыленного воздуха в
системах кондиционирования воздуха, вентиляции, воздушного отопления и в
сушильных установках. Классифицировать применяющиеся в настоящее время
калориферы можно по нескольким признакам.
По виду теплоносителя различают калориферы: водяные, паровые,
электрические. По виду поверхности паровые и водяные различают: гладкорубчатые,
ребристые. По характеру движения теплоносителя делят на: одноходовые,
многоходовые. По количеству рядов труб в настоящее калориферы делятся на две
модели
среднюю (С) с тремя рядами труб
большую (Б) с четырьмя рядами труб.
Теплоноситель (вода или пар) поступает через входной штуцер, проходит по
трубкам и удаляется через выходной штуцер. Нагреваемый воздух обтекает внешние
поверхности труб. По ходу движения воздуха трубки в калориферах могут
располагаться в коридорном или шахматном порядке. В последнем случае
обеспечиваются лучшие условия теплопередачи однако вместе с этим возрастает и
сопротивление воздуха.
В одноходовых калориферах доступ теплоносителя из распределительных
коробок открыт во все трубки и теплоноситель проходит по ним между
распределительной и сборной коробками один раз.
Коробки многоходовых калориферов имеют поперечные перегородки, которые
создают последовательное движение теплоносителя по трубкам. В таких калориферах
скорость движения теплоносителя в трубках при одинаковом расходе по сравнению с
одноходовыми больше, в связи с чем интенсивность теплопередачи возрастает. В то
же время живое сечение трубок меньше, следовательно, больше сопротивление
движимого теплоносителя.
В ребристых калориферах наружная поверхность труб имеет оребрение,
благодаря чему площадь теплопередающей поверхности увеличивается. Количество
трубок ребристых калориферов меньше, чем у гладкорубчатых, но технические
показатели выше. Последнее обстоятельство послужило причиной того, что в
настоящее время применяются, как правило, ребристые калориферы, серийно
выпускаемые отечественной промышленностью. Оребрение поверхностных трубок
выполняется различными способами.
В пластинчатых калориферах ребра образованы стальными пластинами,
насаженными на трубки. Трубки калориферов могут иметь круглое или овальное
сечение, пластины могут охватывать одну или несколько трубок и по своей форме
быть прямоугольными или круглыми.
В спирально-навивных калориферах ребра образуются навивкой стальной
ленты. При этом за счет большого усилия при навивке обеспечивается плотный
контакт между трубкой и лентой, что улучшает условия теплоотдачи. Однако при
такой конструкции ребер сопротивление движению воздуха больше, чем у
пластинчатых калориферов.
В спирально-накатных калориферах ребра образуются накаткой алюминиевой
трубы. При этом за счет большого давления на алюминиевую трубу при накатке
обеспечивается очень плотный контакт между алюминиевой и стальной трубкой что
значительно улучшает условия теплоотдачи.
В электрокалориферах нагревательным элементом служат трубки (иногда с
оребрением для увеличения поверхности теплоотдачи), внутри которых находится
омическое сопротивление. Конструкция электрокалориферов предусматривает
возможность регулирования теплоотдачи за счет включения части мощности по
сравнению с номинальной.
Калориферная установка, используемая на станции «Речной
Вокзал» Новосибирского метрополитена представляет собой систему из 4-х
калориферов марки КВБ12-П. Предназначена для подогрева наружного воздуха,
подаваемого в воздушно-тепловую завесу. Для г. Новосибирска диапазон температур
наружного воздуха в зимний период составляет от -40ºС до +10ºС [согласно СНиП 2.01.01-82, стр.16].
Температура теплоносителя равна +70º+95ºС, теплоносителем является вода, подаваемая в калорифер из
бойлерной. Наружный воздух нагревается, проходя через калорифер, нагнетаемый
центробежным вентилятором. На выходе калорифера температура воздуха проходящего
через него составляет примерно 50ºС. Далее этот нагретый
воздух проходит через щели воздушно-тепловой завесы, попадая в тоннель
метромоста, смешивается с воздухом метромоста.
.1.5
Датчик расхода воздуха
Для рассматриваемого диапазона расходов воздуха в тоннеле метрополитена
используется интеллектуальный датчик разности давлений серии Метран-100 (модель
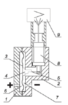
1411) [13]. Конструкция датчика представлена на рис. 2.11.
Рис. 2.11 Конструкция датчика серии Метран-100 (модель 1411).
Между фланцем 1 и корпусом 2 крепится мембрана 3. К
мембране приваривается жесткий центр 4. Жесткий центр с помощью тяги 5 соединен
с рычагом тензопреобразователя 8. При измерении разности давлений (ДД)
положительное давление подается в камеру 6, а отрицательное в камеру 7.
Измеряемое давление, поданное в камеру 6 или 7, воздействует на мембрану и
перемещает ее. Перемещение мембраны через жесткий центр 4 и тягу 5 передается
на рычаг тензопреобразователя. Перемещение рычага вызывает деформацию мембраны
тензопреобразователя, с которой жестко соединен рычаг. На мембране
тензопреобразователя расположены тензорезисторы. Деформация мембраны
тензопреобразователя вызывает изменение сопротивления тензорезисторов.
Электронное устройство датчика преобразует изменение электрических
сопротивлений в стандартный аналоговый сигнал.
Применение микропроцессорной электроники в конструкции таких электронных
преобразователей позволяет: реализовать широкий набор функций настройки и
калибровки датчика, повысить точность настройки и снизить суммарную погрешность
измерений, обеспечить непрерывную самодиагностику.
Рис.2.12 Внешний вид датчика серии Метран-100 (модель 1411)
Передаточную
функцию такого элемента можно представить в виде коэффициента усиления КДТВ,
который рассчитывается из следующих соображений. Максимальное значение расхода
воздуха достигает 19,4
, чему должен соответствовать максимальный выходной
сигнал 10В, т.е.
.
2.1.6
Математическая модель САУ ВТЗ
При регулировании производительности вентилятора объектом управления (ОУ)
является воздушно-тепловая завеса, регулируемой величиной - расход воздуха,
регулирующим воздействием - частота вращения электродвигателя. По рассмотренным
выше математическим моделям звеньев, входящих в систему управления
воздушно-тепловой завесой, составлена структурная схема (рис.2.14).
Рис. 2.14 Структурная схема САУ ВТЗ
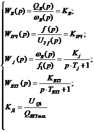
Запишем передаточные функции для всех звеньев:
Коэффициенты имеют следующие значения:
;
;
;
;
;
;
Передаточная
функция (без учета возмущений) имеет вид:
(2.5)
2.2
Описание элементов САУ УШ, взаимодействие элементов в системе
Система автоматического управления шиберами содержит
следующие элементы: регулятор (Р2), исполнительный механизм (ИМ) с
бесконтактным реверсивным пускателем (ПБР), управляемые шиберы (УШ),
аэродинамический объект, датчик расхода воздуха.
Регулятор (Р2) по сигналу задания требуемого угла наклона
шиберов Uзα и сигналу обратной связи с датчика UQ2 подает команду на ПБР на включение ИМ вперед или
назад. ПБР формирует сигнал управления UУ исполнительным механизмом. ИМ изменяет угол
α поворота шиберов.
При этом в тоннеле изменяется расход воздуха QНВ, который контролируется
датчиком расхода воздуха. На рис.2.15 представлена функциональная схема САУ УШ.
Рис.
2.15 Функциональная схема САУ УШ
Рассмотрим элементы данной системы более подробно.
.2.1
Исполнительный механизм управляемых шиберов
Исполнительным механизмом (ИМ) в системе автоматического
регулирования называется устройство, перемещающее регулирующий орган в
соответствии с сигналами, поступающими от усилителя. Исполнительные механизмы
создают поступательное или вращательное движение, предназначенное для перемещения
регулирующего органа. К ним предъявляются следующие конструктивные и
эксплуатационные требования:
простота конструкции, минимальные размеры и масса, высокая
надежность и устойчивость к воздействию внешней среды; безопасность в
эксплуатации и устойчивость в работе; наличие защиты для предохранения
регулирующего органа от перегрузок и поломок и возможности ручного управления
при отказе схемы управления или нарушении энергоснабжения, а также
дистанционного контроля положения регулирующего органа.
Исполнительные механизмы, применяемые в устройствах ЭМС,
разделяют в зависимости от вида потребляемой энергии на электрические,
пневматические, гидравлические, грузовые и пружинные.
Электрические исполнительные механизмы обладают практически
неограниченным радиусом действия и управления, могут применяться при
отрицательной температуре окружающей среды, не требуют герметизации.
В данной схеме используется механизм исполнительный электрический
однооборотный постоянной скорости (МЭО).
Управление механизмом - бесконтактное с помощью пускателя бесконтактного
реверсивного ПБР-3А, который обеспечивает пуск, реверс и защиту трехфазного
асинхронного электродвигателя с короткозамкнутым ротором от перегрузки.
ПБР имеет следующие характеристики:
· напряжение
источника питания цепей управления, В
24
· потребляемая
мощность, Вт <5
Вид вырабатываемых сигналов: +24 В; О В; -24 В, в зависимости от которых
электропривод вращается в одну или другую сторону (вперед или реверс), либо
останов (на вал электродвигателя автоматически накладывается тормоз).
Управление этих звеньев представляется как :
Uупр
= с*sign(S)
для идеального реле, где S - поверхность переключения
Структурно реле представлено на рис.2.17.
Рис. 2.17 Структурная схема реле
Принцип работы МЭО заключается в преобразовании электрического сигнала,
поступающего от регулирующих и управляющих устройств (ПБР-3А), во вращательное
движение выходного вала. В данной работе используется механизм МЭО-4000/160-0,63-97К,
имеющий следующие характеристики:
· номинальный крутящий момент на выходном валу, Н*м 4000
· номинальное время полного хода выходного вала, с 160
· номинальный полный ход выходного вала, об 0,63
· потребляемая мощность в номинальном режиме, Вт < 700
· масса механизма, кг < 270
Механизмы изготавливаются для работы в повторно - кратковременном
реверсивном режиме с числом включений до 320 в час и продолжительностью
включений до 25 % при нагрузке на выходном валу в пределах от номинальной противодействующей
до 0,5 номинального значения сопутствующей. При этом механизмы допускают работу
в течение одного часа в повторно - кратковременном реверсивном режиме с числом
включений до 630 в час и продолжительностью включений до 25 % со следующим
повторением не раньше, чем через три часа.
Математическую модель МЭО на основании экспериментальных исследований
специалистов Института Горного Дела [15] можно представить в виде интегратора с
коэффициентом передачи Km
Управляющей величиной является время подачи напряжения ± 24В на механизм, поэтому передаточную
функцию ИМ можно записать в виде:
(2.6)
Откуда
Кm определяется по соотношению:
(2.7)
где
- скорость изменения положения вала, которая
вычисляется как:
[
].
Подставив
полученную величину в (2.7), получим
[
].
.2.2
Управляемые шиберы
Регулирование расхода воздуха в тоннеле метрополитена производится с
помощью тоннельных вентиляторов и регулирующих устройств - специальных шиберов,
которые расположены непосредственно в тоннеле. От угла поворота шиберов,
установленных в тоннеле, зависит его аэродинамическое сопротивление, а,
следовательно, и сопротивление участка тоннеля, в котором расположен данный
регулятор. Меняя угол открытия шиберов, можно регулировать объем воздуха,
поступающего из данного тоннеля на платформу.
Рис.2.19. Функциональная схема управления шиберами в тоннеле: UП - напряжение питания механизма; UУ - сигнал управления исполнительным механизмом;
α - угол поворота
рычага; RВ - аэродинамическое сопротивление
воздуха, Q - расход наружного воздуха.
Конструкция управляемых шиберов предусматривает «свободный» проход
поездов при полностью открытых шиберах.
Рис.2.20. Схема регулятора воздухораспределения: 1 - шиберы, 2 - МЭО, 3 -
передаточное устройство
Математическую модель управляемых шиберов можно представить в виде
пропорционального (усилительного) звена. Следовательно, передаточная функция
будет иметь вид:
(2.8)
Коэффициент
усиления УШ КУШ определяется из следующих условий: выходная
величина R [
] -
аэродинамическое сопротивление участка, входная α [рад] - угол поворота управляемых шиберов. Значения
аэродинамического сопротивления были рассчитаны по данным [8]. Данные
представлены в табл.2.1.
Таблица 2.1
|
α, рад
|
0
|
0,26
|
0,52
|
0,79
|
1,05
|
1,31
|
1,57
|
|
RТ* , 1,61,7481,8322,0462,3272,7913,304
|
|
|
|
|
|
|
|
По таблице 2.1 строим график зависимости R от α (рис.2.21).
Рис.2.21. Зависимость аэродинамического сопротивления регулятора R от угла поворота шиберов a
Проведем линеаризацию несущественных нелинейностей и вычислим коэффициент регулятора, как отношение
выходной величины к входной:
,
.
Диапазон изменения:
[
].
Выбираем
для предполагаемого диапазона рабочих углов шиберов номинальное значение
данного коэффициента из полученного диапазона:
[
].
Линеаризация характеристики УШ RТ = f(α)
требует ввода постоянной
составляющей
[
].
Структурно УШ представлен на рис. 2.22.
Рис. 2.22 Структурная схема управляемых шиберов
.2.3
Аэродинамический объект
Аэродинамический объект - это часть подсистемы, описывающая взаимосвязь
расхода воздуха Q в тоннеле c аэродинамическим сопротивлением R участка тоннеля. Физически она
представляет собой участок вентиляционной сети метрополитена, примыкающий к
платформе станции, на котором установлен регулятор.
На основании работ [10,11] в качестве математической модели
аэродинамического объекта было принято апериодическое звено первого порядка.
Таким образом, передаточная функция запишется в виде:
(2.9)
где
ТА - постоянная времени, КА -
коэффициент, определяемый по аэродинамической характеристике, как тангенс угла
наклона касательной.
Диапазон изменения ТА : 0,4…2,2 с [10].
Строим график аэродинамической характеристики по расчетным данным [8],
представленным в табл.2.2.
Таблица 2.2
|
RТ* , 1,61,7481,8322,0462,3272,7913,304
|
|
|
|
|
|
|
|
|
QП , 41,539,6938,7836,6934,4131,4228,88
|
|
|
|
|
|
|
|
Рис.2.23. Зависимость расхода воздуха от аэродинамического сопротивления
системы управляемых шиберов.
Как видно из графика (рис.2.23), зависимость Q от R
имеет слабовыраженный нелинейный характер. При увеличении аэродинамического
сопротивления расход воздуха уменьшается, что согласуется с физикой протекающих
процессов. Значит, коэффициент КА должен отражать обратно
пропорциональную зависимость, т.е. быть отрицательным.
Рассчитаем коэффициент КА :
,
.
Диапазон изменения:
[
].
Для
расчета будем использовать номинальное значение:
[
], соответствующее ожидаемому рабочему диапазону
изменения расхода воздуха в тоннеле.
Диапазон изменения ТА: 0,4…2,2 с. [9].
Линеаризация
статической характеристики аэродинамического объекта Q
= f (R)
требует ввода постоянной составляющей Q0 = 53
.
.2.4
Датчик расхода воздуха
В системе используется интеллектуальный датчик разности давлений серии
Метран-100 (модель 1411) [13]. В пункте 2.2.5 представлено его подробное
описание.
Передаточную
функцию такого элемента можно представить в виде коэффициента усиления КДТВ,
который рассчитывается из следующих соображений. Максимальное значение расхода
воздуха достигает 53
, чему должен соответствовать максимальный выходной
сигнал 10В, т.е.
(2.10)
.2.5
Математическая модель САУ УШ
По рассмотренным выше математическим моделям звеньев, входящих в данную
систему, составлена обобщенная математическая модель системы управления
подвижными шиберами (рис.2.26).
Рис.2.26. Обобщенная математическая модель системы управления подвижными
шиберами
Из рис.2.26 выведем выражение для объекта управления, которое будет иметь
следующий вид:
(2.11)
Обозначим
и перейдем от символической формы представления
(2.11) к дифференциальному уравнению:
(2.12)
Теперь
представим объект управления в форме Коши, для этого введем переменные
состояния:

Тогда,
исходя из (2.12), система уравнений в форме Коши примет вид:
2.3
Математическая модель системы управления тепловым режимом на станции
Систему управления тепловым режимом на платформе станции (рис.2.1) можно
разделить на две подсистемы: система управления расходом воздуха ВТЗ (САУ ВТЗ)
и система управления расходом воздуха управляемых шиберов (САУ УШ).
Передаточная функция САУ ВТЗ имеет вид:
Передаточная
функция САУ УШ имеет следующий вид:
В
данной главе была исследована система вентиляции
на станции «Речной вокзал» Новосибирского метрополитена. Приведены
функциональные схемы и дано поэлементное описание системы управления
производительностью вентилятора воздушно-тепловой завесы и системы управления
шиберами.
Исследована
математическая модель процесса воздухообмена и теплового режима на платформе
станции. Математическая модель разделена на две подсистемы: подсистема
управления производительностью вентилятора воздушно-тепловой завесы (САУ ВТЗ) и
подсистема управления шиберами (САУ УШ), установленными в тоннеле
метрополитена.
В
результате составлена обобщенная структурная схема системы управления тепловым
режимом на платформе станции. Полученные математические модели будут
использованы при решении задачи синтеза САУ ВТЗ и САУ УШ.
3.
Синтез алгоритмов управления тепловым режимом на станции
3.1 Расчет
регулятора САУ ВТЗ
.3.1
Постановка задачи синтеза регулятора САУ ВТЗ
Целью функционирования синтезируемой системы управления является
поддержание необходимого расхода воздуха в тоннеле метрополитена.
Требования,
предъявляемые к качеству переходных процессов в системе управления
производительностью вентилятора воздушно-тепловой завесы (САУ ВТЗ): tп
10 с, s
30%, D
5%
Математическую
модель объекта можно рассматривать как последовательное соединение двух
апериодических звеньев и трех коэффициентов усиления. Звено второго порядка
имеет постоянную времени T =
2.44 (c.) и коэффициент демпфирования d
=1,0246. Передаточная функция объекта представляется в виде последовательного
соединения двух апериодических звеньев и коэффициентов усиления:
(3.1)
T1=3 с. , T2=2 c.
3.3.2
Построение ЛАЧХ объекта для статической системы
Асимптотическая ЛАЧХ звена второго порядка при d=1.0246 имеет два «излома» на частотах ω1=1/T1
= 0.33 с-1 ,
ω2=1/T2 = 0.5 с-1 .
Объект
управления представляет собой последовательную цепочку типовых звеньев (два
апериодических звена), поэтому
можно
представить, суммируя ЛАЧХ отдельных звеньев. При этом будет производиться
следующая процедура построения
:
на
частоте ω
= 1 фиксируем точку с амплитудой
дБ;
отмечается
частота сопряжения
;
до
частоты сопряжения ω1 строится
низкочастотная асимптота
, проходящая через точку L=16.97 дБ,
далее происходит излом и до частоты ω2 асимптотическая
ЛАЧХ строится под наклоном -20 дБ/дек.;
на
частоте сопряжения ω2 происходит
излом асимптотической ЛАЧХ объекта. Асимптота проводится под наклоном -40
дБ/дек.
.3.3
Построение желаемой ЛАЧХ
Желаемая ЛАЧХ строится по требованиям к качеству работы замкнутой системы
в статике и динамике. Для удобства построения ЛАЧХ регулятора предлагается
выровнять ЛАЧХ объекта и желаемую ЛАЧХ. При этом строится измененная
характеристика объекта с учетом коэффициента регулятора (kр), найденного из условий статики:
Это
позволяет при построении желаемой ЛАЧХ ориентироваться только на требования
динамики (
).
Наибольшее
влияние на свойства замкнутой системы оказывает средне частотная асимптота
желаемой ЛАЧХ, которую выбирают по условиям динамики. Для того, чтобы
обеспечить требуемые свойства, ее наклон всегда должен быть равен -20 дБ/дек.
Частота
среза
выбирается по заданному быстродействию замкнутой
системы:
Выберем
ωс = 1 с-1,
lg ωс=lg1=0
дек.
Длина
среднечастотного участка желаемой ЛАЧХ ограничивается запасом устойчивости по
модулю
дБ, который откладывается вверх и вниз по оси ординат
(
находим по номограммам в зависимости от требуемого
перерегулирования).
В
области низких частот желаемая ЛАЧХ совпадает с ЛАЧХ объекта; в области высоких
частот эти две характеристики параллельны.
Для
удобства построения ЛАЧХ регулятора предлагается выровнять ЛАЧХ объекта и
желаемую ЛАЧХ. При этом строится измененная характеристика объекта с учетом
коэффициента регулятора (kр),
найденного из условий статики:
(3.2)
Для
расчета
, задается относительная ошибка по ускорению
. И из выражения
(3.3)
определяется
значение
.
3.3.4
Расчет корректирующего звена
Асимптотическая ЛАЧХ корректирующего звена определяется в соответствии с
основным соотношением частотного метода:
(3.4)
ЛАЧХ
объекта, регулятора и желаемая ЛАЧХ приведены на рис.3.1
Рис.3.1.
Логарифмические амлитудно - частотные характеристики
Затем
по
находится передаточная функция
с помощью процедуры, обратной по отношению к порядку
построения ЛАЧХ объекта
(3.5)
Рис.3.2.
Структурная схема системы без регулятора
Результаты
моделирования представлены на рис.3.3:
Рис.3.3.
Переходный процесс в замкнутой системе без регулятора при постоянном
возмущающем воздействии
При
переменном возмущающем воздействии график переходного процесса представлен на
рис. 3.4:
Рис.3.4.
Переходный процесс в замкнутой системе без регулятора с переменным возмущающим
воздействием
Рис.
3.5 Структурная схема замкнутой системы с регулятором
Результаты
моделирования:
Рис.3.6.
Переходный процесс в замкнутой системе с регулятором
Рис.
3.7 Переходный процесс в замкнутой системе с возмущающим воздействием,
обусловленным поршневым эффектом.
Рис.3.8
Статическая ошибка в системе
Рис.3.9
Управляющее воздействие
Из
рисунков видно, что переходный процесс в замкнутой системе соответствует
заданным требованиям.
.3.5
Построение ЛАЧХ объекта для астатической системы
Асимптотическая ЛАЧХ звена второго порядка при d=1.0246 имеет два «излома» на частотах ω1=1/T1
=
0.33, ω2=1/T2 = 0.5
Объект
управления представляет собой последовательную цепочку типовых звеньев (два
апериодических звена), поэтому
можно
представить, суммируя ЛАЧХ отдельных звеньев. При этом будет производиться
следующая процедура построения
:
на
частоте ω
= 1 фиксируем точку с амплитудой
дБ;
отмечается
частота сопряжения
;
до
частоты сопряжения ω1 строится
низкочастотная асимптота
, проходящая через точку L=16.97 дБ под
наклоном -20 дБ, далее происходит излом и до частоты ω2 асимптотическая
ЛАЧХ строится под наклоном -40 дБ/дек.;
на
частоте сопряжения ω2 происходит
излом асимптотической ЛАЧХ объекта. Асимптота проводится под наклоном -60
дБ/дек.
.3.6
Построение желаемой ЛАЧХ
Желаемая ЛАЧХ строится по требованиям к качеству работы замкнутой системы
в статике и динамике. Для удобства построения ЛАЧХ регулятора предлагается
выровнять ЛАЧХ объекта и желаемую ЛАЧХ. При этом строится измененная
характеристика объекта с учетом коэффициента регулятора (kр), найденного из условий статики:
(3.6)
Это
позволяет при построении желаемой ЛАЧХ ориентироваться только на требования
динамики (
).
Наибольшее
влияние на свойства замкнутой системы оказывает средне частотная асимптота
желаемой ЛАЧХ, которую выбирают по условиям динамики. Для того, чтобы
обеспечить требуемые свойства, ее наклон всегда должен быть равен -20 дБ/дек.
Частота
среза
выбирается по заданному быстродействию замкнутой
системы:
Выберем
ωс = 1 с-1,
lg ωс=lg1=0
дек.
Длина
среднечастотного участка желаемой ЛАЧХ ограничивается запасом устойчивости по
модулю
дБ, который откладывается вверх и вниз по оси ординат
(
находим по номограммам в зависимости от требуемого
перерегулирования).
В
области низких частот желаемая ЛАЧХ совпадает с ЛАЧХ объекта; в области высоких
частот эти две характеристики параллельны.
Для
удобства построения ЛАЧХ регулятора предлагается выровнять ЛАЧХ объекта и
желаемую ЛАЧХ. При этом строится измененная характеристика объекта с учетом
коэффициента регулятора (kр),
найденного из условий статики:
(3.7)
Для
расчета
, задается относительная ошибка по ускорению
. И из выражения
(3.8)
определяется
значение
.
.3.7
Расчет корректирующего звена
Асимптотическая ЛАЧХ корректирующего звена определяется в соответствии с
основным соотношением частотного метода:
ЛАЧХ
объекта, регулятора и желаемая ЛАЧХ приведены на рис.3.10
Рис.3.10.
Логарифмические амлитудно - частотные характеристики
Затем
по
находится передаточная функция
с помощью процедуры, обратной по отношению к порядку
построения ЛАЧХ объекта
(3.9)
Рис.
3.11 Структурная схема замкнутой системы с регулятором
Результаты
моделирования:
Рис.3.12
Переходный процесс в замкнутой системе с регулятором
Рис.
3.13 Переходный процесс в замкнутой системе с возмущающим воздействием,
обусловленным поршневым эффектом
Рис.3.14
Ошибка в астатической системе
Из
рис. 3.14 видно, что скоростная ошибка стремится к нулю по прошествии
некоторого времени.
Рис.3.15
Управляющее воздействие
3.4 Расчет
регулятора САУ УШ
3.4.1
Постановка задачи синтеза регулятора САУ УШ
Целью функционирования синтезируемой системы управления является
поддержание необходимого расхода воздуха в тоннеле метрополитена.
Требования, предъявляемые к качеству переходных процессов:
(3.10)
Необходимо определить структуру и параметры регулятора, обеспечивающего
требования статики и динамики при действии возмущения и помехи измерения
величины расхода воздуха.
Из анализа математической модели данной системы, следует, что основным
звеном, вырабатывающим сигнал управления, является реле. Эта особенность
приводит к необходимости применения релейного закона управления объектом. Из-за
неполной информации о модели объекта и действующих возмущениях решать задачу
как задачу оптимального быстродействия затруднительно. Поэтому, синтез системы
управления можно осуществить на основе организации скользящего режима, так как
в этом случае вид переходного процесса зависит только от вида многообразия и не
зависит от параметров объекта и возмущений. Основная идея синтеза состоит в
следующем: обеспечивается желаемое движение в скользящем режиме за счет
соответствующего выбора поверхности разрыва в пространстве состояния объекта
управления, а затем управление выбирается таким образом, чтобы скользящие
режимы по пересечению поверхностей разрыва были устойчивы, то есть траектории,
начинающиеся на этом многообразии, уже не покидали бы его [12].
.4.2
Формирование поверхности переключения
При синтезе системы со скользящим режимом математическую модель объекта
управления необходимо представить в переменных состояниях (форме Коши). Имеем
следующую систему:
,
где
,
.
Формируем желаемое дифференциальное уравнение на единицу меньшего
порядка, чем уравнение объекта:
(3.11)
В статическом режиме y=V в силу свойств решения уравнения
(3.11), где V - заданное входное воздействие на
систему.
Параметр
выбирается исходя из требований на время переходного
процесса (3.10):
с-1. (3.12)
Желаемое характеристическое уравнение примет вид:
.
Теперь
формируется поверхность переключения
. Вектор
состояния переменных имеет вид:
.
Тогда уравнение поверхности скольжения можно записать в виде:
(3.13)
Если
обеспечить выполнение условия
, то
показатели качества будут определяться свойствами решений дифференциального
уравнения (3.11).
Для организации движения вдоль заданного многообразия (поверхности
скольжения) управляющее воздействие формируется в виде:
, (3.14)
где
- размах реле, соответствующий ограниченному ресурсу
управления объекта.
3.4.3
Проверка устойчивости движения к поверхности переключения
Необходимо
обеспечить устойчивость движения относительно поверхности переключения. Для
проверки этого условия воспользуемся вторым методом Ляпунова. Выберем функцию
Ляпунова -
такую, чтобы
. Этому
условию удовлетворяет функция
, где
. Тогда
будет
стремиться к 0, если
(3.15)
Рассмотрим,
когда в нашем случае выполняется условие (3.15):
(3.16)
Подставив известные параметры в уравнение (3.16), получим:
(3.17)
Теперь
необходимо получить оценку параметра
.
Значение параметра
получено путем обработки экспериментальных данных,
представленных в [11]:
[
].
Используя
полученную оценку
, подставим ее в (3.17):
=>
.
Таким
образом,
- область значений параметра
, определяющего быстродействие системы, при котором
выполняется неравенство (3.17), а значит, система будет асимптотически
устойчива относительно поверхности скольжения и, следовательно, в ней будет
возникать скользящий режим.
3.4.4
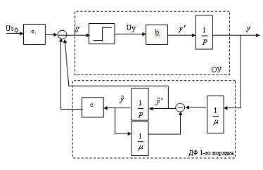
Реализация закона управления. Расчет дифференцирующего фильтра
Для
практической реализации закона управления (3.6) с целью оценки
и ее производной можно использовать дифференцирующий фильтр 1-го порядка (ДФ). На рис.3.16 представлена
структурная схема системы с ДФ 1-го порядка.
Рис.3.16. Замкнутая система с дифференцирующим фильтром 1 - го порядка
Передаточная функция ДФ имеет вид:
, (3.18)
где
.
Малая
постоянная времени m выбирается исходя из того, чтобы процессы в ДФ были
на порядок быстрее, чем в объекте и определяется из соотношения:
(3.19)
Поскольку в систему введено дополнительное устройство с малой
инерционностью - ДФ, в ней возникают разнотемповые процессы, выделение которых
производиться методом разделения движений. Для анализа свойств, процессов в
замкнутой системе выделяется подсистема быстрых движений (ПБД), полученная
методом расщепления ДФ, которой соответствует контур быстрых движений (КБД),
представленный на рис.3.17.
Контур быстрых движений является нелинейным, для исследования его свойств
используется метод гармонического баланса. В данной работе для нахождения
параметров автоколебаний применяется способ Гольдфарба. Основная идея этого
способа заключается в следующем: из основного уравнения метода гармонического
баланса
(3.20)
выделяется частотная характеристика линейной части КБД
(3.21)
На
основе этого уравнения графоаналитическим способом находятся параметры
автоколебаний.
Согласно
[12] передаточная функция гармонически линеаризованного нелинейного элемента
имеет вид:
(3.22)
Передаточная
функция линейной части КБД (рис.3.17) с учетом (3.21), примет вид:
(3.23)
После
замены p на jw и подстановки в (3.23), выделяются вещественная Re(jw) и
мнимая Jm(jw) части. Затем на комплексной плоскости строится
амплитудно-фазовая характеристика линейной части и АФХ нелинейного элемента
(рис.3.18).
Рис.3.18. АФХ линейной части КБД (1) и обратная АФХ нелинейного элемента
(2)
Таким
образом, АФХ линейной части
и
обратная частотная характеристика нелинейного элемента
, имеют точку пересечения в нуле (А=0, w=0),
следовательно, автоколебаний в системе нет.
Полученные
результаты согласуются с видом переходных процессов (рис.3.19-3.20), полученных
моделированием системы с помощью пакета Matlab 6.5.
Рис.3.19.
График управляющего воздействия
Рис
3.20. График расхода воздуха на выбранном участке вентиляционной сети
метрополитена
На
практике такой режим работы невозможен, т. к. высокая частота включения
исполнительного механизма приведет к его преждевременному износу. Для
исключения этого недостатка повысим порядок ДФ, что также сможет обеспечить
фильтрацию помехи измерения.
В
реальной ситуации частота переключения определяется малыми неучтенными
инерционностями, а также параметрами дифференцирующего фильтра, применяемого
для реализации закона управления.
Представим
структурную схему системы с ДФ 2-го порядка.
Передаточная
функция ДФ имеет вид:
.
, (3.24)
где m - малая
постоянная времени дифференцирующего фильтра (3.19), d - коэффициент, характеризующий требуемое по качеству
управления распределение корней полинома (d=0.707).
Желаемые свойства системы можно получить только при условии
асимптотической устойчивости КБД (рис.3.17). Контур стационарный, нелинейный.
Так как используется ДФ 2-го порядка, линейная часть описывается уравнением
3-го порядка, поэтому характерным режимом работы контура являются
автоколебания. Определим аналитически параметры автоколебаний способом
Гольдфарба, аналогично тому, как они находились для ДФ 1-го порядка.
Передаточная функция линейной части будет иметь вид:
(3.25)
Заменим
, получим:
(3.26)
Избавимся
от комплексной переменной в знаменателе выражения (3.26), для этого обе части
дроби домножим на комплексно - сопряженную величину:
(3.27)
Из
выражения (3.27) выделим вещественную и мнимую части:
,
.
Приравниваем
мнимую часть к нулю, откуда находим
. Тогда
линейная часть системы примет вид:
(3.28)
С
учетом (3.21), (3.22) и (3.28), получим:
(3.29)
Сопоставим полученные значения А и w с полученными значениями графоаналитическим способом в
пакете Mathcad. На комплексной плоскости строим
амплитудно-фазовую характеристику линейной части и АФХ нелинейного элемента
(рис.3.22).
Рис.3.22. АФХ линейной части КБД (1) и обратная АФХ нелинейного элемента
(2)
Точка
пересечения АФХ Wл(jw) и
АФХ
имеет координаты (-0.0063,0), следовательно, по
(3.13):
,
откуда
.
Частоту
находим по АФХ линейной части, видя, что в точке пересечения характеристик Wл(jw) и
мнимая
часть Wл(jw)=0
воспользуемся соотношением:
(3.30)
Подставляя
известные параметры в (3.30), определяем
с-1.
Таким
образом, найденные параметры автоколебаний соответствуют значениям,
рассчитанным выше, т.е. устойчивым автоколебаниям.
.4.5
Численное моделирование переходных процессов в системе по управляющему и
возмущающему воздействиям
В пакете MatLab6.5
проведено моделирование процессов замкнутой системы с дифференцирующим фильтром
2-го порядка (рис.3.21) при m=2.12 с. и d=0.707.
Результаты моделирования переходных процессов по управляющему воздействию
представлены на рис.3.23 - 3.25.
Рис.3.23. Графики управляющего Uy воздействия
Рис.3.24. График зависимости угла поворота управляемых шиберов от времени
Рис.3.25. График зависимости расхода воздуха на выбранном участке
вентиляционной сети метрополитена от времени
Результаты моделирования переходных процессов по возмущающему воздействию
представлены на рис. 3.26 - 3.29.
Рис.3.26. График возмущающего воздействия
Рис.3.27. График управляющего воздействия при действии возмущения
Рис. 3.28 График угла наклона шиберов при действии возмущения
Рис.3.29. График расхода воздуха на выбранном участке вентиляционной сети
метрополитена
В результате что вид переходных процессов удовлетворяет требованиям к
качеству регулирования и требованиям к МЭО.
На практике для продления срока службы исполнительного механизма
целесообразно использовать реле с зоной нечувствительности, влияние которой
нейтрализует автоколебательный режим и снизит частоту включения МЭО.
В этой главе были поставлены и выполнены задачи синтеза для системы
управления производительностью вентилятора воздушно-тепловой завесы (САУ ВТЗ) и
системы управления шиберами, установленными в тоннеле метрополитена (САУ УШ).
Расчет регулятора для САУ ВТЗ был выполнен на основе частотного метода синтеза.
Синтез САУ УШ выполнен по методу, основанному на организации скользящего
режима.
Численное моделирование проводилось в пакете MatLab 6.5.
4. Организационно-экономический
раздел
Целью задания на дипломный проект была разработка системы управления
тепловым режимом на платформе станции «Речной вокзал» Новосибирского
метрополитена. Процессы воздухообмена в вентиляционной сети метрополитена
являются определяющими при рассмотрении вопросов повышения экономичности и
безопасности проветривания. В настоящее время снижение затрат на вентиляцию
метрополитена стало весьма актуальной проблемой, необходимость решения которой
связана с ростом требований к энергосбережению вентиляционного оборудования при
его эксплуатации.
4.1 SWOT-анализ разработки
Название данного метода анализа представляет собой аббревиатуру
английских слов Strength (сила), Weakness (слабость), Opportunities (возможности), Threats (угрозы).анализ - это оценка слабых
и сильных сторон анализируемого объекта, возможностей, стоящих перед ним, и
угроз для него, а также написание заключения о развитии рассматриваемого
объекта.
Целью SWOT-анализа разработки является вывод,
на основе которого будут приниматься дальнейшие действия, а также четкая
идентификация основных выбранных характеристик.
В первую очередь необходимо выявить сильные и слабые стороны разработки,
возможности и угрозы.
.1.1
Сильные стороны разработки
· Гибкость и универсальность разработки (возможность
использовать в шахтах, метро и авто тоннелях)
· Взаимодействие со специалистами по различным направлениям
· Улучшение техникоэксплутационных показателей
· Высокая степень удовлетворения потребителя
· Снижение затраты на экнергопотребление
.1.2
Слабые стороны разработки
· Ограниченность использования (используется только на внутреннем рынке)
· Недостаточность финансирования на внедрение проекта
муниципальными властями
.1.3
Возможности разработки
· Возможность внедрения разработки в смежные области
· Быстрый рост рынка, за счет решения актуальной на данный
момент задачи
· Проведение продуманной рекламной кампании
.1.4
Угрозы
· Медленное внедрение проекта на производство.
· Появление новых конкурентов. В современных условиях развития
технологий есть угроза появления новых конкурентов, разрабатывающих более
функциональные системы для снижения затрат на вентиляцию метрополитена.
· Повышение цен на расходные материалы.
· Замедление роста рынка сбыта (собственного)
4.1.5
Формирование и анализ SWOT-матрицы
Анализируя получившуюся SWOT-матрицу,
можно сделать выводы о реализации конкретных возможностей в первую очередь.
Если в наличие есть ресурсы, то реализуются несколько возможностей в соответствие
с рангом. Отмечается от каких слабых сторон удалось избавиться в результате
такого анализа. На основе взаимосвязей и оценок значимости и трудности
достижения желаемых результатов делается заключение о перспективах разработки.
По результатам таблиц можно судить о следующем:
1. По общему рейтингу видно, что разработка имеет перспективы
развития, так как в целом, положительные эффекты преобладают над
нежелательными, но следует обратить внимание на угрозу появления на рынке
конкурентов с более низкими ценами.
. Также можно заключить, что грамотно используя возможности можно
«сгладить» такие слабые стороны как: недостаточность финансирования на
внедрение проекта, муниципальными властями и ограниченность использования
(используется только на внутреннем рынке)
.1.6
Заключение о перспективе разработки
На данный момент имеются определенные трудности во внедрении разработки в
«жизнь» из-за недостаточного финансирования муниципальными властями. Но в
случае преодоления отмеченных слабостей разработка может стать перспективной,
так как у нее имеется ряд важных достоинств.
В целом разработка является перспективной, т.к. задача поддержания
необходимого уровня температуры и воздухораспределения на станции метрополитена
является актуальной на данный момент.
.2
Калькуляция себестоимости научно-технической продукции
Калькулирование себестоимости научно-технической продукции производится
согласно «Типовым методическим рекомендациям по планированию, учету и
калькулированию себестоимости научно-технической продукции» (утв. Миннауки от
15.06.1994 РФ №ОР-22-2-46) .
1. Материалы.
Таблица 4.2
|
Наименование материальных
затрат
|
Ед. изм.
|
Кол-во
|
Цена без НДС с учетом
комиссионных вознаграждений, таможенных пошлин и транспортных затрат
|
Сумма
|
|
Научно-техническая
литература
|
шт.
|
4
|
500
|
2000
|
|
Бумага для офисной техники
Снегурочка А4, пачка 500 листов
|
шт.
|
1
|
100
|
100
|
|
Картридж для принтера HP LaserJet 1320
|
шт.
|
1
|
1700
|
1700
|
|
Канцелярские товары
|
Руб.
|
-
|
200
|
200
|
|
Итого
|
|
|
|
4000
|
2. Спецоборудование для научных (экспериментальных) работ.
Персональный компьютер с лицензионным программным обеспечением (Microsoft Windows XP Professional SP2, Microsoft Office XP SP2, MatLab
6.5) стоимостью 35000 рублей.
3. Затраты на оплату труда работников, непосредственно занятых
созданием научно-технической продукции.
Разработка выполнялась инженером в течении 70 рабочих дней при
восьмичасовом рабочем дне. Месячный фонд времени работы инженера 176 часов,
среднемесячная заработная плата 12000 рублей.
Основная заработная плата инженера составила:
руб.
Дополнительная
заработная плата составляет 20% от основной:
руб.
Затрата
на оплату труда с учетом поясного коэффициента (20%):
руб.
4. Отчисления на социальные нужды.
Единый социальный налог.
- Отчисления в Пенсионный фонд (20% от затрат на оплату труда)
руб.
- Отчисления в Фонд Социального страхования (3.2% от затрат на
оплату труда)
руб.
- Отчисления в Федеральный Фонд обязательного медицинского
страхования (0.8% от затрат на оплату труда)
руб.
- Отчисления в Территориальный Фонд обязательного медицинского
страхования (2% от затрат на оплату труда)
руб.
Итого единый социальный налог 14295.26 руб.
Страховой взнос на обязательное социальное страхование от несчастных
случаев на производстве и профессиональных заболеваний (0.2% от затрат на
оплату труда)
руб.
Итого отчисления на социальные нужды 14405.22 руб.
5. Прочие прямые расходы.
Командировочные расходы составили 10000 руб.
6. Накладные расходы.
Накладные расходы составляют 30% от затрат на основную оплату труда
руб.
|
№
|
Наименование статей затрат
|
Сумма
|
|
1
|
Материалы
|
4000.00
|
|
2
|
Спецоборудование для
научных (экспериментальных) работ
|
35000.00
|
|
3
|
Затраты на оплату труда
работников, непосредственно занятых созданием научно-технической продукции
|
54981.81
|
|
4
|
Отчисления на социальные
нужды
|
14405.22
|
|
5
|
Прочие прямые расходы
|
10000.00
|
|
6
|
Накладные расходы
|
11454.54
|
|
7
|
Итого:
|
129841.57
|
|
8
|
Затраты по работам,
выполняемым сторонними организациями и предприятиями
|
0.00
|
|
9
|
Всего себестоимость
|
129841.57
|
5. Охрана труда
.1
Оздоровление воздушной среды в метрополитене
Государственные нормативные требования охраны труда
Правила, процедуры и критерии, направленные на сохранение жизни и
здоровья работников в процессе трудовой деятельности, устанавливаются
нормативно-правовыми актами, содержащими государственные нормативные требования
по охране труда.
Порядок разработки и утверждения нормативных актов об охране труда, а
также сроки их пересмотра устанавливаются Правительством Российской Федерации.
Постановление Правительства Российской Федерации от 23.05.2000 № 399 “О
нормативных правовых актах, содержащих государственные нормативные требования
охраны труда” обязывает все органы исполнительной власти, предприятия,
учреждения, организации всех форм собственности при проектировании,
строительстве (реконструкции) и эксплуатации объектов, конструировании машин,
механизмов и оборудования, разработке технологических процессов, организации
производства и труда соблюдать единые требования по охране труда, содержащиеся
в нормативных актах.
В настоящее время действует около трёх тысяч нормативных правовых актов
по охране труда. Нормативные правовые акты включают документы, основные виды
которых приведены в таблице 5.1
Таблица 5.1 Основные виды правовых актов
|
Наименование вида
нормативного правового акта
|
Органы, утверждающие
нормативно- правовые акты
|
|
Полное
|
Сокращенное
|
|
|
Государственные стандарты
системы стандартов безопасности труда
|
ГОСТ РССБТ
|
Госстандарт России,
Минстрой России
|
|
Отраслевые стандарты
системы стандартов безопасности труда
|
ОСТ ССБТ
|
Федеральные органы
исполнительной власти
|
|
Санитарные правила
Санитарные нормы Гигиенические нормативы Санитарные правила и нормы
|
СП СН ГН СаНПиН
|
Госкомсанэпид- надзор
России
|
|
Строительные нормы и
правила
|
СНиП
|
Минстрой России
|
|
Правила безопасности
Правила устройства и безопасной эксплуатации Инструкции по безопасности
|
ПБ ПУБЭ ИБ
|
Федеральные органы надзора
в соответствии с их компетенцией
|
|
Правила по охране труда
межотраслевые
|
ПОТ М
|
Минтруда России
|
|
Межотраслевые
организационно-методические документы (положения, методические указания,
рекомендации)
|
|
Минтруда России,
федеральные органы надзора
|
|
Правила по охране труда
отраслевые
|
ПОТ О
|
Федеральные органы
исполнительной власти
|
|
Типовые отраслевые
инструкции по охране труда
|
ТОИ
|
|
|
Отраслевые
организационно-методические документы (положения, методические указания,
рекомендации)
|
ТОИ
|
|
Нормативные правовые акты конкретизируют и детализируют требования
законодательных актов к конкретным предприятиям, производственным процессам,
среде, оборудованию, должностным лицам; определяют обязанности, права и
ответственность за нарушение требований законодательных и иных нормативных
актов об охране труда.
Органы исполнительной власти субъектов Российской Федерации на основе
государственных нормативных правовых актов, содержащих требования по охране
труда, могут разрабатывать и утверждать соответствующие нормативные правовые
акты по охране труда субъектов Российской Федерации
При необходимости, исходя из специфики производства, предприятия и
организации разрабатывают стандарты предприятия, системы безопасности труда на
основе государственных нормативных правовых актов и соответствующих нормативных
правовых актов субъектов Российской Федерации.
Профессиональные союзы в лице соответствующих органов и иные
уполномоченные работниками представительные органы имеют право принимать
участие в разработке и согласовании нормативных правовых актов по охране труда.
Координация проведения работ по разработке правил по охране труда. Координация
проведения работ по разработке правил по охране труда осуществляется
Министерством труда и социального развития РФ.
Система стандартов безопасности труда (ССБТ)
В целях комплексного решения проблемы создания безопасной техники,
безопасных условий труда и эффективных средств защиты работающих создана система
стандартов безопасности труда (ССБТ).
Стандартизация охватывает все уровни управления народным хозяйством и
представляет комплекс стандартов, которые устанавливают нормы и требования по
видам опасных и вредных производственных факторов, требования безопасности к
производственным процессам, оборудованию, зданиям и сооружениям, а также требования
к средствам защиты работающих. ССБТ обязывает включать разделы “Требования
безопасности” в стандарты и технические условия всех категорий.
Разработка ССБТ осуществляется поэтапно, начиная с 1973 года, на основе
координационных планов, программ работ и отдельных графиков. Система стандартов
безопасности труда непрерывно развивается и совершенствуется. В настоящее время
она включает более 370 государственных и более 800 отраслевых стандартов.
Система стандартов безопасности труда - одна из систем государственной
системы стандартизации (ГСС). Шифр (номер) этой системы в
государственной системе стандартов - 12.
ССБТ - комплекс взаимосвязанных стандартов, содержащих требования, нормы
и правила, направленные на обеспечение безопасности, сохранение здоровья и
работоспособности человека в процессе труда, кроме вопросов, регулируемых
трудовым законодательством.
ССБТ включает десять подсистем. В настоящее время используется шесть
подсистем - 0…5. Остальные (подсистемы 6…9) в настоящее время являются резервными.
В соответствии с ГОСТ 12.0.001-82. ССБТ. Основные положения, стандарты системы
стандартов безопасности труда устанавливают цели, задачи и структуры системы, а
также объекты стандартизации. ССБТ включает следующие подсистемы:
- Организационно- методические стандарты;
- Стандарты требований и норм по видам опасных и вредных производственных
факторов;
- Стандарты требований безопасности к производственному оборудованию;
- Стандарты требований безопасности к производственным процессам;
- Стандарты требований безопасности к средствам защиты;
- Стандарты требований безопасности к зданиям и сооружениям.
Стандарты подсистемы “0” устанавливают:
- организационно-методические основы стандартизации в области
безопасности труда (цели, задачи и структура системы, внедрение и контроль за
соблюдением стандартов ССБТ, терминология в области безопасности труда,
классификация опасных и вредных производственных факторов и др.);
- требования (правила) к организации работ, направленных на
обеспечение безопасности труда (обучение работающих безопасности труда,
аттестация персонала, методы оценки состояния безопасности труда и др.).
Стандарты подсистемы “1” устанавливают:
- требования по видам опасных и вредных производственных факторов,
предельно допустимые значения их параметров и характеристик;
- методы контроля нормируемых параметров и характеристик опасных и
вредных производственных факторов;
методы защиты работающих от опасных и вредных производственных
факторов.
Стандарты подсистемы “2” устанавливают:
- общие требования безопасности к производственному оборудованию;
- требования безопасности к отдельным видам производственного
оборудования;
методы контроля выполнения требований безопасности;
Стандарты подсистемы “3” устанавливают:
- общие требования безопасности к производственным процессам;
- требования безопасности к отдельным группам (видам)
технологических процессов;
Стандарты подсистемы “4” устанавливают:
- требования к отдельным классам, видам и типам средств защиты;
- методы контроля и оценки средств защиты;
классификация средств защиты.
Стандарты подсистемы “5” устанавливают:
- требования безопасности к зданиям и сооружениям.
Объектами стандартизации ССБТ являются правила, нормы и требования,
направленные на обеспечение безопасности труда:
- основные положения системы стандартов безопасности труда;
- метрологическое обеспечение безопасности труда;
классификация опасных и вредных производственных факторов;
термины и определения основных понятий в области безопасности
труда;
общие требования безопасности по видам опасных и вредных
производственных факторов (общие требования электробезопасности, пожаро- и
взрывобезопасности и др.), а также методы защиты работающих от этих факторов;
методы контроля нормируемых параметров опасных и вредных
производственных факторов;
предельно допустимые значения параметров опасных и вредных
производственных факторов (предельно допустимые значения параметров
опасных и вредных производственных факторов на рабочих местах устанавливаются в
стандартах ССБТ по нормам, предложенным Минздравом РФ, и согласованию с
министерствами и ведомствами не подлежат);
общие требования безопасности к производственному оборудованию и
к группам производственного оборудования, а также методы контроля и оценки
выполнения требований безопасности;
общие требования безопасности к комплексам производственного
оборудования, работающим в автоматическом и (или) полуавтоматическом режимах, и
методы контроля;
общие требования безопасности к производственным процессам и
видам технологических процессов, а также методы контроля выполнения требований
безопасности;
классификация средств защиты работающих;
общие технические требования к классам и видам средств защиты
работающих;
методы контроля и оценки защитных и гигиенических свойств
средств защиты работающих;
номенклатура показателей качества классов и видов средств защиты
работающих;
общие требования к маркировке средств защиты работающих;
требования к цветам и знакам безопасности.
Принятая структура обозначения стандартов СБТ:
ГОСТ ХХ.Х.ХХХ-ХХ
ХХ - номер системы в ГСС (12);
Х - номер подсистемы с ССБТ;
ХХХ - номер стандарта в подсистеме;
ХХ - год регистрации (утверждения);
Стандарты подсистем 0, 1, 2, 3, 4, 5 являются государственными
(республиканскими) стандартами. В подсистеме стандартов “0” допускается
разрабатывать стандарты предприятия (СТП).
Окончательная редакция проектов государственных (республиканских)
стандартов ССБТ подлежат согласованию по ГОСТ 1.2. Окончательная реакция
стандартов предприятий по безопасности труда обязательно согласовывается с
профсоюзным комитетом предприятия (объединения) и учреждением
санитарно-эпидемиологической службы, на обслуживании которого находится
предприятие.
Система стандартов безопасности труда развивается на основе следующих
принципов:
- плановость;
- директивность;
- комплексность;
- динамизм;
- контроль и надзор за внедрением и соблюдением стандартов;
- преемственность.
Плановость - стандарты в области безопасности труда - разрабатываются
на основе перспективного и текущего планирования. Перспективное планирование -
часть плана развития государственной системы стандартов (ГСС). Текущее
(головное) планирование осуществляет разработки годовых планов.
В плане стандартизации предприятий отдельным разделом включается разработка
стандартов предприятий по безопасности труда.
Директивность - позволяет в законодательном порядке обеспечить реализацию
установленных стандартами норм, требований и положений. За невыполнение
требований стандартов на виновных могут быть наложены административные и
экономические санкции.
Комплексность - комплексность стандартизации в области безопасности труда
выражается в установлении требований безопасности по всем этапам
функционирования объема стандартизации (от этапа проектирования до этапов
эксплуатации и ремонта).
Динамизм - выражается в периодическом обновлении содержания
стандартов по безопасности труда в соответствии с темпами научно-технического
прогресса.
Контроль и надзор - система государственного надзора и ведомственного контроля
за внедрением и соблюдением стандартов безопасности труда, осуществляется
территориальными органами Госстандарта совместно с инспекцией труда.
Преемственность - система стандартов безопасности труда учитывает опыт
других систем государственной системы стандартизации.
Государственные нормативные требования охраны труда, установленные в
нормативно-правовых актах, обязательны для исполнения всеми юридическими и
физическими лицами при осуществлении ими любых видов деятельности на территории
Российской Федерации.
3. Основные причины травматизма
Анализ производственного травматизма и профессиональных заболеваний
показал, что основными причинами несчастных случаев являются организационные
и технические недостатки при обеспечении безопасного производства
работ, а также психофизиологические причины.
К организационным причинам травматизма при проведении работ
являются:
- недостатки в обучении и инструктировании рабочих по безопасным
приемам труда;
- неприменение средств индивидуальной защиты из-за неисправности,
несоответствия или отсутствия спецодежды, спецобуви, и средств индивидуальной
защиты;
использование работающих не по специальности;
работа около приводов, находящихся под напряжением;
неудовлетворительная организация работ (включая нарушения
режимов труда и отдыха), в том числе неудовлетворительная организация и
содержание рабочих мест, проходов и нарушение правил техники безопасности
администрацией;
отсутствие технологического надзора при выполнении работ на
высоте и при погрузо-разгрузочных работах.
К техническим причинам несчастных случаев следует отнести:
- конструктивные недостатки машин, механизмов, оборудования,
приспособлений и инструментов, в том числе оградительных и предохранительных
приспособлений и устройств на машинах и другом оборудовании;
- неисправность машин, механизмов, оборудования, приспособлений и
инструментов, в том числе автомобильного транспорта, грузоподъёмного
оборудования, оградительных и предохранительных приспособлений и устройств на
машинах и другом оборудовании;
неудовлетворительное техническое состояние зданий, сооружений и
их элементов;
несовершенство технологических процессов, в том числе из-за
отсутствия необходимой технологической документации.
Психофизиологические (персональные) причины проявляются вследствие:
- пренебрежения требованиями безопасности;
- невнимательности;
игнорирования средств индивидуальной защиты;
выполнения работ в болезненном состоянии;
физической и нервно-психической перегрузки.
Для обеспечения безопасных условий труда должны выполняться следующие
требования:
К выполнению строительно-монтажных работ допускаются лица не моложе 18
лет, имеющие профессиональные навыки, прошедшие обучение безопасным методам и
приемам этих работ и получившие соответствующие удостоверения. Установка
вентиляционных агрегатов в вентиляционных камерах, расположенных ниже отметки
уровня земли, относится к работам, на выполнение которых выдается наряд-допуск,
подписанный должностным лицом метрополитена.
Рабочие места и проходы к ним на высоте 1,3м и более и расстоянии менее
2м от границы перепада по высоте должны быть ограждены временными ограждениями.
Лестницы и скобы, применяемые для подъёма или спуска работающих на
рабочие места, расположенные на высоте или глубине более 5м, должны быть
оборудованы устройствами для закрепления предохранительного пояса.
Средства подмащивания, рабочий настил которых расположен на высоте 1,3м и
более от поверхности земли или перекрытия, должны иметь перильное и бортовое
ограждения. Конструкции разъемных соединений должны иметь фиксирующие
устройства, предохраняющие их от самопроизвольного разъединения.
Перед началом выполнения работ в каналах и стволах венткамеры необходимо
провести анализ воздушной среды ввиду возможного скопления вредных газов, а
также замеры величин вибрации и шума от движения поездов.
Колодцы и стволы венткамеры в местах возможного доступа людей должны быть
закрыты крышками, прочными щитами или ограждены. В темное время суток
ограждения должны быть обозначены электрическими сигнальными лампами
напряжением не выше 42В.
Погрузо-разгрузочные работы должны выполняться механизированным способом.
Строповку грузов следует производить инвентарными стропами или специальными
грузозахваточными устройствами. Установленный в проектное положение вентагрегат
тепловой завесы должен быть закреплен так, чтобы обеспечивалась его
устойчивость. До выполнения монтажных работ необходимо установить порядок
обмена условными сигналами между лицом, руководящим монтажом и машинистом
(крановщиком). Основным ручным инструментом при установке вентиляторов является
гаечный ключ. Ключи следует подбирать по размерам гаек и головок болтов.
Работать с ключом большего размера, чем гайка и использование металлических
прокладок между гранями гайки и ключа запрещается. Также запрещается удлинять
ключи, присоединяя другой ключ или трубу. Слесарные молотки и кувалды должны
иметь равную поверхность бойка, не имеющую выбоин и заусенцев.
4. Строительная готовность объекта под монтаж вентиляционных
агрегатов тепловых завес
Для установки вентиляционного оборудования высота помещения должна быть
не менее чем на 0,8м больше высоты оборудования и не менее 1,9м от пола до низа
выступающих конструкций перекрытий в местах прохода обслуживающего персонала.
Ширина прохода между выступающими частями оборудования и стенами или колоннами
должна быть не менее 0,8м.
Перед началом монтажа вентилятора следует выполнить следующие
подготовительные работы:
- принять под монтаж помещения вентиляционных камер, площадки,
фундаменты и другие опорные конструкции;
- подготовить и установить грузоподъемные механизмы и
приспособления, предварительно проверив их техническое состояние;
- проверить габариты всех монтажных проемов;
смонтировать электрическое освещение в зоне монтажа;
доставить в зону монтажа вентиляционное оборудование.
При приёмке под монтаж вентиляционных камер особое внимание следует
уделить проверке соответствия проектным данным фактических размеров
фундаментов, закладных деталей отверстий под анкерные болты для крепления
оборудования, а также точности привязки фундаментов и площадок, которые должны
быть ровными и строго горизонтальными. Фундаменты под вентиляционное
оборудование с последующей подливкой раствором, перед монтажом должны быть
забетонированы до уровня 50…80мм ниже проектной отметки опорной поверхности
оборудования.
Помещения, фундаменты, сдаваемые генподрядчиком под монтаж по акту,
должны быть освобождены от опалубки (включая колодцы для анкерных болтов),
строительного и другого мусора. Проемы должны иметь ограждения, высотой не
менее 1м, сделанные из перильной промежуточной и одной нижней бортовой доски,
шириной 150мм, а каналы, лотки и люки - надежно закрыты.
Все недостатки бетонных изделий должны быть устранены, а фундаменты и
колодцы по размерам и качеству бетона должны быть приведены в соответствие со
строительными чертежами.
По результатам осмотра и проведенных замеров оформляется акт готовности и
составляется исполнительная схема фундаментов и колодцев, где показываются
фактические размеры строительной части.
Исполнительная схема с актом готовности строительной части является
документом, разрешающим вести монтаж механической части и электрооборудования.
5. Безопасный монтаж механической части вентилятора тепловой
завесы
Рабочая зона, где производится монтаж оборудования, должна быть
ограждена. На открытом месте работы должны быть установлены оградительные и
предупредительные знаки.
Запрещается допускать посторонних лиц к месту монтажа оборудования.
Монтаж оборудования необходимо производить механизированными методами.
Перед установкой оборудования опорная поверхность фундаментов должна быть
очищена до чистого бетона, промыта водой и с нее должны быть удалены масляные
пятна.
Установка вентагрегата должна производиться под непосредственным
руководством и наблюдением прораба (мастера). Перед подъемом вентилятора
необходимо убедиться в том, что он очищен от грязи, снега, освобожден от
посторонних предметов. При подвешивании к крюку грузоподъемного механизма
необходимо прочно и надежно застропить вентилятор за предусмотренные для этой
цели места, указанные заводом изготовителем. Поднимать и опускать
вентиляционный агрегат следует без резких толчков и кручения, при этом
пользоваться оттяжкой из пенькового или капронового каната.
Под установленным и устанавливаемым вентилятором до его окончательного
монтажа находиться запрещается. Во избежание падения во время монтажа,
вентиляционный агрегат необходимо крепить не менее чем тремя расчалками.
При установке вентилятора на фундамент его положение следует регулировать
специальными приспособлениями - сборными винтами и струбцинами. После
тщательной выверки вставляют анкерные болты так, чтобы концы их опустились в
предназначенные для них колодцы, а края совпали с очертаниями контура
оборудования, нанесенными ранее на фундамент. После проверки отвесности
установки анкерных болтов затягиваются гайки, и производится подливка цементным
раствором рамы; при этом принимают меры к тому, чтобы болты не сместились.
Фундамент перед подливкой тщательно смачиваются водой, а доступные элементы
рамы, которые будут залиты, необходимо очистить от грязи, масла и краски и покрыть
цементным молоком. После окончательного схватывания бетона через 7-10 дней
производится подтяжка фундаментных болтов.
После установки вентилятора необходимо заземлить корпус электродвигателя
и пускового устройства.
6. Меры безопасности при пуске вентилятора в период испытаний
К испытаниям вентилятора должны допускаться лица, достигшие 18 лет,
обученные правилам безопасности, технической эксплуатации и имеющие
соответствующее удостоверение.
Перед испытанием вентилятора необходимо:
1) Руководителю работ ознакомить персонал, участвующий в испытаниях
с порядком проведения работ и с мероприятиями по безопасному их выполнению;
2) Определить места и условия безопасного пребывания лиц, занятых
испытаниями;
) Обеспечить освещенность рабочих мест не менее 50лк;
) Проверить отсутствие внутри и снаружи вентиляционного агрегата
посторонних предметов;
) Убедиться:
- в наличии ограждающего устройства со стороны электродвигателя;
- в исправности всех сборочных единиц и механизмов;
в отсутствии людей в местах, опасных для жизни.
6) Прокрутить ротор вентилятора вручную, сделав несколько оборотов и
убедиться, что лопатки рабочего колеса не задевают корпус.
Начинать испытание оборудования разрешается только после получения
разрешения руководителя испытаний, по наряду-допуску.
Перед пуском вентилятора должны подаваться звуковые сигналы, со знанием
которых должен быть ознакомлен весь обслуживающий персонал. Значение сигнала
устанавливается самим предприятием, эксплуатирующим вентилятор.
Для работы в процессе испытаний должна выдаваться спецодежда (рабочий
костюм или халат, рабочие рукавицы или перчатки, наушники, защитные очки). При
использовании наушников допускается работа не более 3 часов в смену, без
защитных наушников - 15мин.
Смонтированный, опробованный и прошедший обкатку вентилятор сдается в
эксплуатацию согласно правилам, действующим в организации заказчика.
Заключение
В результате выполнения работы был проведен синтез системы управления
процессом воздухообмена и теплообмена на станции «Речной вокзал» Новосибирского
метрополитена.
В первой главе рассмотрены особенности вентиляционной сети Новосибирского
метрополитена, в частности станции «Речной Вокзал»; определены требования к
микроклимату.
Во второй главе исследована математическая модель процесса воздухообмена
и теплообмена в тоннеле метрополитена. Представлено поэлементное описание
системы управления производительностью вентилятора воздушно-тепловой завесы и
системы управления шиберами, установленными в тоннеле метромоста.
В третьей главе осуществлён синтез алгоритмов управления расходом воздуха
в тоннеле метрополитена. Синтез системы управления производительностью
вентилятора воздушно-тепловой завесы произведен на основе частотного метода.
Синтез системы управления шиберами произведен с организацией скользящего
режима. Представлены результаты численного моделирования.
Четвёртая глава содержит организационно-экономическую часть, в которой
показана целесообразность разработки с экономической точки зрения, проведен «SWOT-анализ».
В пятой главе рассмотрены вопросы охраны труда в метрополитене.
Список литературы
1. Нефелов С.В., Давыдов Ю.С. Техника автоматического
регулирования в системах вентиляции и кондиционирования воздуха. М.:
Стройиздат, 1984. - 328с
2. Цодиков В.Я. Вентиляция и теплоснабжение
метрополитенов. Изд. 2-е, перераб. и доп. М., «Недра», 1975. - 568 с.
3. Зедгенизов Д.В. Основные принципы автоматического
управления вентиляцией линии метрополитена. Статья, ИГД СО РАН, 2006.
. Санитарные нормы и правила (СНиП) 32-08: Метрополитены.
- М.: Издательство стандартов, 1999. - 45 с.
. Россовский В. Г. Электромеханические устройства
метрополитенов, М., «Транспорт», 1989. - 351 с.
. Бесекерский В.А., Попов Е.П. Теория автоматического
регулирования, «Наука», главная редакция физико - математической литературы, М.,
1972. - 768 с.
7. Попов В.П. Системы вентиляции и кондиционирования
воздуха. Ленинград, 1970.-476 с.
8. Механизмы исполнительные электрические однооборотные
МЭО-4000-97К; МЭО-10000-97К. Руководство по эксплуатации. ЯЛБИ.420136.005 РЭ.
9. Зедгенизов Д.В. Формирование алгоритмов управления
воздухораспределением в вентиляционной сети метрополитена. Статья, ИГД СО РАН.
. Петров Н. Н. Автоматизация проветривания шахт и
разработка системы регулирования главных вентиляторов // ФТПРПИ. - 1987. - № 4.
- С. 79 - 88.
11. Частотные свойства шахтной вентиляционной сети как
объекта автоматического регулирования // Автоматическое управление в горном
деле/ Ермолаев П. Н. и др. - Новосибирск: ИГД СО АН СССР. - 1971. - С. 16 - 23.
. Зедгенизов Д.В. Система автоматического управления
вентилятором главного проветривания // Горные машины и автоматика - 2003. - №
3. - С. 44-47.
13. Интеллектуальные датчики давления Метран - 100.
Справочник по датчикам. Электронный ресурс: http//www.metran.ru
14. Экспериментальное исследование воздухораспределения на
станции «Речной Вокзал» Новосибирского метрополитена: Отчет о НИР /
Новосибирск, ИГД СО РАН, 1993. - 97 с.
15. Петров Н.Н. Исследование на АЦВК и в натурных условиях
переходных процессов и частотных свойств вентиляционных систем перегонов,
получение математического описания. Отчет, ИГД СО АН СССР, 1990.
. Французова Г.А. Курс лекций: Теория автоматического
регулирования (нелинейные системы).
17. Востриков А.С., Французова Г.А. Теория автоматического
регулирования. - М.: Высшая школа, 2004.- 365 с.
18. Зедгенизов Д.В. Формирование алгоритмов управления
воздухораспределением в вентиляционной сети метрополитена. Статья, ИГД СО РАН.
19. Зедгенизов Д.В. Технико-экономическая оценка способов
управления проветриванием метрополитенов мелкого заложения. Статья, ИГД СО РАН.
20. Лугин И.В., Красюк А.М. Разработка режимов работы
вентиляции для повышения температуры воздуха в зимний период на тупиковой
станции метрополитена мелкого заложения // Известия вузов. Строительство.
Новосибирск. -2004. - №10. - С.53 - 60.