Разработка программы обследования объекта

  • Вид работы:
    Практическое задание
  • Предмет:
    Строительство
  • Язык:
    Русский
    ,
    Формат файла:
    MS Word
    4,24 Мб
  • Опубликовано:
    2013-10-08
Вы можете узнать стоимость помощи в написании студенческой работы.
Помощь в написании работы, которую точно примут!

Разработка программы обследования объекта

1. Краткое описание архитектурно-планировочного решения и основных конструкций с приложением архитектурно-строительных чертежей

В соответствии с климатическими особенностями района, в котором проводится строительство, а также требованиям, предъявляемым к обследуемому зданию, в соответствии с его функциональным назначением жилое здание имеет следующую конструктивную характеристику. Панельный дом с продольными и поперечными несущими стенами.

Фундамент

Фундамент - часть здания расположенная ниже дневной поверхности земли. Ленточный представляет собой заглубленные в грунт ленты - стенки из железобетона на 2,2м. Фундамент проходит под всеми несущими стенами, имеет вертикальную и горизонтальную гидроизоляцию: вертикальная - обмазка горячим битумом в 2 раза, горизонтальная - 2 слоя рубероида на битумной мастике. Плиты марок СБ 4-4, СБ 4-12, СБ 4-24.

Стены

Наружные стены - ограждающая конструкция, которая защищает помещение от неблагоприятных внешних воздействий. Наружная стена - однослойная керамзитобетонная панель. Панели содержат наружный, внутренний и заключенный между ними утепляющий слой. Связи между бетонными слоями гибкие в виде арматуры диаметром 12. С учетом климатических условий города Минусинска и соответствующих теплотехнических расчетов толщина стен 250 мм. Наружный и внутренний слои образуются стенками из конструктивного бетона и имеют толщину 50 и 100 мм. В качестве утеплителя использован пенополистирол толщиной 100 мм.

Внутренняя стена - ограждающая конструкция, защищающая помещение от звуковой энергии, проникающей из смежных помещений. Толщина межквартирных панелей 160 мм, межкомнатных - 160 мм, толщина перегородок 80 мм по ГОСТ 64.28 - 83. Для предотвращения развития трещин панели армируются двусторонними сетками из стержней диаметром 14 мм с ячейкой 400х400 мм. Трещиностойкость вдоль каналов обеспечивают армированием полосой стальной сетки из проволоки диаметром 3 мм, с ячейкой 50х50 мм. Звукоизоляция сопряжений стен и перекрытий гарантируется заведением панелей и плит в стыки не менее чем на 50 мм и устройством бетонных или растворных шпонок.

Перекрытия

Перекрытие - горизонтальные несущие и ограждающие конструкции. В исследуемом здании в качестве перекрытий используют однослойные железобетонные панели толщиной 220 мм. Панели перекрытий опираются по контуру. Между собой они связываются сваркой утопленных в подрезках арматурных выпусков. Швы замоноличиваются бетоном марки 200 с заполнителями из мелких фракций. В проектируемом здании используются плиты перекрытия марок ПП-32.57.22, ПП-32.42.22, ПП-15.32.22, ПП-32.38.22, ПП-13.28.22.

Покрытие

Чердачное перекрытие состоит из железобетонной плиты толщиной 200 мм. Далее идет слой рубероида толщиной 10 мм, затем слой утеплителя из минераловатных плит толщиной 110 мм и слой цементного раствора толщиной 10 мм.

Крыша и кровля

Крыша - конструкция, обеспечивающая защиту здания от атмосферных осадков и являющаяся верхним ограждением здания. Крыша запроектирована скатная, чердачная, по деревянным стропильным балкам с наружным водостоком. Уклон крыши равен 0,77.

В данном здании кровля выполнена из штучных материалов - асбестоцементных листов по деревянной обрешетке. Раскладка листов ведется против тока воды от карниза к коньку с поперечной нахлесткой на одну волну и продольной - на 120 мм. Конек крыши накрывается полуволновыми асбестоцементными шаблонами. Трубы обрамляются стальными фартуками, укладываемыми по стоку воды. Обрешетка выполняется из досок размером сечения 50х50 мм, расположенных под нахлесткой рядовых шаблонов с интервалом 500 мм. Волнистые асбестоцементные листы крепятся к обрешетке гвоздями длиной 100 мм с антикоррозийной шляпкой. Крепление гвоздями осуществляется только по гребням волн, во избежание разлома кровельного материала. Отверстия под крепления предварительно просверливаются. Обрешетка кладется на железобетонную балку.

Перегородки

В исследуемом здании перегородки представляют собой сборные железобетонные панели толщиной 80 мм ГОСТ 64.28 - 83. Панели перегородок устанавливаются на железобетонные плиты перекрытий по прокладке из толя с подкладными деревянными клиньями для рихтовки по высоте.

Лестничный узел

Лестницы являются ответственной частью многоэтажного здания, т.к. служат не только для сообщения между этажами, но и для эвакуации при пожаре или другой аварийной ситуации. Лестничная клетка и лестницы выполняются из несгораемых материалов. Проектируемая лестничная клетка с естественным освещением через окна в наружных стенах.

В исследуемом здании лестницы сборные железобетонные двухмаршевые. Ширина марша 1,2 м. Количество ступеней в марше 9. Марши имеют П-образное сечение. Ступень состоит из горизонтальной проступи и вертикального подступенка размером 300х150 мм и уклоном марша 1:2. Лестничные площадки размещаются в уровне этажей и между ними. Ширина лестничных площадок равна ширине марша. Специальными выступами они опираются в уровне перекрытий на стеновые панели. Для опирания междуэтажных площадок в панелях предусматриваются специальные ниши. Высота ограждений марша 1000 мм. Ограждения (перила) устраиваются из стальных звеньев, привариваемых к закладным элементам в боковой плоскости марша. Звенья ограждений заполняются стальными решетками. Поручень выполняется из дерева.

Оконные и дверные проемы

Конструкции ограждений состоят из светопрозрачного материала и обрамляющих его элементов. В данной работе используют: окна - двойное остекление в спаренных переплетах выполнены из дерева и стекла с твердым селективным покрытием. Окна внутри оснащены подоконниками, а снаружи стоками для воды. Окна типоразмеров - ОСП-15-15. Балконные двери с раздельными переплетами по ГОСТу 1121.4-86. Типоразмеров - БРС-21-7. Двери вешаются на дверные пролеты, прикрепленные к стене гвоздями. Дверные коробки выполнены из дерева. Все внутренние двери - типоразмеров - ДГ-21-9, ДГ-21-7, наружные двери - типоразмеров - ДН-21-9. Входные двери в квартиру проектируют с порогом, внутриквартирные без порога. Конструкция двери состоит из коробки и створной части - дверного полотна, навешенного на петлях на коробку.

Балконы

Балконы и лоджии - железобетонные плоские плиты толщиной 100 мм, они имеют большое

значение для внешнего вида современного жилого дома, повышающие комфортность в квар-

тире. Вынос балкона 1,4 м, высота балкона 1,2м.

Конструкцию балкона образуют горизонтальная железобетонная плита, ограждение, гидроизоляция и пол. Балконные плиты покрывают оклеечной гидроизоляцией, поверх которой по стяжке из цементного раствора устраивают пол из керамических плиток с уклоном 2-3% от плоскости фасада. Наружный край плиты снабжают металлическим сливом. Сопряжение плиты балкона с фасадной стеной защищают от протекания заведением в стену края гидроизоляционного ковра с перекрытием его двумя дополнительными слоями гидроизоляции шириной 400 мм и закрывают фартуком из оцинкованной стали.

Водосток

В данном проекте устраивается наружный водосток. Расстояние между водосточными трубами при наружном водоотводе должно быть не более 20 м. Сечение труб принимают из расчёта 1,5см2 на 1м2 крыш.

2. Характеристики условий эксплуатации конструкций

Район строительства - г. Новосибирск

Значения теплотехнических характеристик:

. внутренняя температура воздуха tint = +21°C;

. наружная температура воздуха t н = - 39°C;

. температура отопительного периода tht = -8,7°C;

. продолжительность отопительного периода zht = 230 сут.;

. влажностный режим помещения: нормальный φ = 55%;

5. зона влажности: 3 сухая;

. условия эксплуатации: А;

. максимальная скорость ветра за январь: ν=5,7 м/с.

. глубина промерзания -2,200 м.

. Программа обследования с описанием методик и используемой инструментальной базы

Таблица 2.1 - Программа обследования с описанием методик и используемой инструментальной базы

Вид работ

Измеряемый параметр

Нормативный документ

Объем измерений

Средства контроля

Описания методики контроля

Допустимые отклонения

Фундаменты

Детальное обследование оснований и фундаментов

Тип фундаментов, их форму в плане(22,4х13,02), размер(2,4х1,2 и 2,4х2,4), глубину заложения, искусственные основания

По проекту

Весь периметр фундамента

Натурными обмерами, рулетка ГОСТ 7502-98

Натурные измерения

-


Физико-механические свойства грунтов оснований

ГОСТ 10180-90 «Бетоны.Методы определения прочности по контрольным образцам»

По контуру сооружения (не более 5м от контуров)

Молоток ПМ-2 ГОСТ22690.1-77;ГПНВ-5;ГПНВ-4 ГОСТ 22690.3-77;22690.4-77

Метод отрыва со скалыванием, ультразвуковой метод по ГОСТ 17624-72

В соответствии с проектом

Выявление деформаций фундаментов         Неравномерная осадка фундаментов; Крен здания; Прогиб (перегиб) ленточных фундаментов; Деформации оснований фундаментов          СНиП 2.02.01-83 <file:///F:\Program%20Files\StroyConsultant\Temp\898.htm>

«Основания зданий и сооружений»По периметру зданияНивелир ГОСТ 24846-81 <file:///F:\Program%20Files\StroyConsultant\Temp\2163.htm>, гидростатический нивелир; Теодолит ГОСТ 10529-86

Метод геометрического нивелирования, Метод тригонометрического нивелирования, Метод гидростатического нивелирования, метод фотограмметрии; Метод створных наблюдений, Метод отдельных направлений, Метод триангуляции, метод трилатерации, методтрилатераци полигонометрии; крен-методами проецирования; координирования; измерения углов или направлений; фотограмметрии; механическими способами с применением кренометров, прямых и обратных отвесовотносительная разность осадок (Ds/L)u

не более 0,002; средняя  (в скобках максимальная smax,u) осадка, см не более (8)






 

Контрольные шурфы для выявления причин появления сырости в подвале

Глубина трещин и местное разрушение

ВСН 57-88(р) «Положение по техническому обследованию жилых зданий»

Шаблон-толщиномер, трещиномер, щелемер

Натурные измерения

-

Проверка наличия и состояния гидроизоляции        Адгезия герметика в швах наружных панельных стен        СНиП 3.04.01-87 <file:///D:\DOC\УЧЕБА\МОЁ\5_курс\Инж.изыскания\МОЕ\808.htm>

«Изоляционные и отделочные покрытия»При наличии балконов во всех обследуемых квартирах не менее 20 стыков: 2 вертикальных угловых, 8 горизонтальных, в том числе: на верхних этажах 50%, на средних - 20%, на нижних - 30%Адгезиометр типа АГ-2Метод определения сцепления материалов по ГОСТ 26589-94Не менее предела прочности герметика при растяжении





  Толщина пленки герметика в швах наружных панельных стен       СНиП 3.04.01-87 <file:///D:\DOC\УЧЕБА\МОЁ\5_курс\Инж.изыскания\МОЕ\808.htm>

«Изоляционные и отделочные покрытия»При наличии балконов во всех обследуемых квартирах не менее 20 стыков: 2 вертикальных угловых, 8 горизонтальных, в том числе: на верхних этажах 50%, на средних - 20%, на нижних - 30%Металлический щуп ГОСТ 882-75*, устройство на базе индикатора часового типа с ценой деления 0,01 мм ГОСТ 577-68*Натурные измерения-





 

Стены

Оценка состояния стен

Относительное смещение вертикальных и горизонтальных граней торцов стеновых панелей в крестообразном шве

СНиП 3.04.01-87 <file:///D:\DOC\УЧЕБА\МОЁ\5_курс\Инж.изыскания\МОЕ\808.htm> «Изоляционные и отделочные покрытия»При наличии балконов во всех обследуемых квартирах не менее 20 стыков: 2 вертикальных угловых, 8 горизонтальных, в том числе: на верхних этажах 50%, на средних - 20%, на нижних - 30%Шаблон, штангенциркуль ГОСТ 166-89*Натурные измеренияНе более 10 мм






Ширина шва между наружными стеновыми панелями

СНиП 3.04.01-87 <file:///D:\DOC\УЧЕБА\МОЁ\5_курс\Инж.изыскания\МОЕ\808.htm> «Изоляционные и отделочные покрытия»При наличии балконов во всех обследуемых квартирах не менее 20 стыков: 2 вертикальных угловых, 8 горизонтальных, в том числе: на верхних этажах 50%, на средних - 20%, на нижних - 30%Штангенциркуль ГОСТ 166-89*Натурные измеренияНе более 20 мм






Адгезия герметика в швах наружных панельных стен

СНиП 3.04.01-87 <file:///D:\DOC\УЧЕБА\МОЁ\5_курс\Инж.изыскания\МОЕ\808.htm> «Изоляционные и отделочные покрытия»При наличии балконов во всех обследуемых квартирах не менее 20 стыков: 2 вертикальных угловых, 8 горизонтальных, в том числе: на верхних этажах 50%, на средних - 20%, на нижних - 30%Адгезиометр типа АГ-2Метод определения сцепления материалов по ГОСТ 26589-94Не менее предела прочности герметика при растяжении






Толщина пленки герметика в швах наружных панельных стен

СНиП 3.04.01-87 <file:///D:\DOC\УЧЕБА\МОЁ\5_курс\Инж.изыскания\МОЕ\808.htm> «Изоляционные и отделочные покрытия»При наличии балконов во всех обследуемых квартирах не менее 20 стыков: 2 вертикальных угловых, 8 горизонтальных, в том числе: на верхних этажах 50%, на средних - 20%, на нижних - 30%Металлический щуп ГОСТ 882-75*, устройство на базе индикатора часового типа с ценой деления 0,01 мм ГОСТ 577-68*Натурные измерения-





Установка маяков               Динамика развития трещин          СНиП 2.03.01-84 <file:///D:\DOC\УЧЕБА\МОЁ\5_курс\Инж.изыскания\МОЕ\905.htm>

«Бетонные и железобетонные конструкции»Видимые дефекты и поврежденияОптические измерительные приборы, шаблон- толщиномерНатурные измеренияДопускается ограниченное по ширине непродолжительное acrc1 и продолжительное acrc2 раскрытие трещин. acrc1 =0,3 мм; acrc2 = 0,2 мм





 

Местное зондирование стен

Определение наличия внутренних расслоений, осадки утеплителя, взятие проб материалов и определения их влажности, объемной массы, толщины слоев

-

Зондирование проводится на очищенной поверхности стены (площадь участка зондирования 40x40 мм) посредством прохождения толщи стены с помощью шлямбура или электродрели со сверлом диаметром 16... 20 мм. Число точек зондирования составляет - 4

Динамический зонд РЗГ-2

Натурные измерения

-

Механическое определение прочности материала конструкций

Прочностные характеристики бетона

ГОСТ 22690-88 «Бетоны. Определение прочности механическими методами неразрушающего контроля»

Испытание проводится не менее чем на 10-12 участках, при этом необходимо, чтобы 2/3 этих участков находились в наиболее загруженной зоне

Молоток ПМ-2 ГОСТ 22690.1-77; ГПНВ-5; ГПНВ-4 ГОСТ 22690.3-77; 22690.4-77

Простукивание

В соответствии с проектом

Вскрытие связей и закладных деталей

Глубина коррозионного поражения арматуры и закладных деталей

ГОСТ 10922-90 «Арматурные и закладные изделия сварные, соединения сварные арматуры и закладных изделий железобетонных конструкций»

Не менее 5 узлов на фасадах различной ориентации, включая места, подвергавшиеся длительному увлажнению

Штангенциркуль ГОСТ 166-89*

Натурные измерения

По расчету

Определение геометрических параметров стен (в том числе параметров армирования)

Линейные размеры конструкций

ГОСТ 10922-90 «Панели стеновые наружные бетонные и железобетонные для жилых и общественных зданий. Общие технические условия» ГОСТ 23616-79 «Система обеспечения точности геометрических параметров в строительстве. Контроль точности»

Для трех сечений поврежденного элемента

Линейка ГОСТ 427-75 <file:///D:\DOC\УЧЕБА\МОЁ\5_курс\Инж.изыскания\МОЕ\6271.htm>*, рулетка ГОСТ 7502-98Натурные измеренияВ соответствии с проектом




Проектное положение арматуры

ГОСТ 10922-90 «Арматурные и закладные изделия сварные, соединения сварные арматуры и закладных изделий железобетонных конструкций»


Металлоискатель

Натурные измерения

В соответствии с проектом

Определение состояния стыков наружных стен

Оценкой состояния материалов заполнения и адгезии герметика в стыках наружных стен;

СНиП 3.04.01-87 «Изоляционные и отделочные покрытия»

Не менее 20 стыков, дефектные стыки обследуются в обязательно порядке.

Метод определения сцепления материалов по ГОСТ 26589-85. Адгезиометр типа АГ-2;

Определение прочности сцепления производят путем испытания на осевое растяжение элементов кладки стен в построечных условиях или на специальных образцах, изготовленных в лаборатории

Не менее предела прочности герметика при растяжении


Воздухопроницаемость стыков наружных стен

СНиП 3.04.01-87 «Изоляционные и отделочные покрытия»

При наличии балконов во всех обследуемых квартирах

МТ-160 - воздухопроницаемость

-

-

Исследование теплотехнических характеристик стен

Температуры воздуха в помещениях

СНиП 2.08.01-85 «Пособие по проектированию жилых зданий. Конструкции жилых зданий»

Во всех помещениях обследуемых квартир. На лестничной клетке в одной секции

Термометр ГОСТ 112-78, термограф ГОСТ 6416-75

Натурные измерения

Минимальная температура: угловая комната +200; жилая комната +180; кухня +180; ванная +250; вестибюль, лестничная клетка +160

СНиП 2.04.05-86 «Отопление, вентиляция и кондиционирование»

СНиП II-3-79 <file:///D:\DOC\УЧЕБА\МОЁ\5_курс\Инж.изыскания\МОЕ\779.htm>** «Строительная теплотехника»Ограждающие конструкции всех помещений обследуемых квартирТермощуп с полупроводниковым термосопротивлением ЭТП-М контактные термометры, ИК-приборы ГОСТ 28243-89Натурные измерения-





  Влажность материалов ограждающих конструкций           ГОСТ 12730.0-78 <file:///D:\DOC\УЧЕБА\МОЁ\5_курс\Инж.изыскания\МОЕ\2460.htm> «Бетоны. Общие требования к методам определения плотности, влажности, водопоглащения, пористости»

СНиП II-3-79 <file:///D:\DOC\УЧЕБА\МОЁ\5_курс\Инж.изыскания\МОЕ\779.htm>** «Строительная теплотехника»В местах выявленных протечек или промерзанийЭлектронный влагомер ГОСТ 24477-80

ВСКМ ГОСТ 26375-84Диэлькометрический методПо фактическому показателю





 

Проверка гидроизоляции стен

Адгезия герметика в швах наружных панельных стен

СНиП 3.04.01-87 <file:///D:\DOC\УЧЕБА\МОЁ\5_курс\Инж.изыскания\МОЕ\808.htm> «Изоляционные и отделочные покрытия»При наличии балконов во всех обследуемых квартирах не менее 20 стыков: 2 вертикальных угловых, 8 горизонтальных, в том числе: на верхних этажах 50%, на средних - 20%, на нижних - 30%Адгезиометр типа АГ-2Метод определения сцепления материалов по ГОСТ 26589-94Не менее предела прочности герметика при растяжении





  Толщина пленки герметика в швах наружных панельных стен       СНиП 3.04.01-87 <file:///D:\DOC\УЧЕБА\МОЁ\5_курс\Инж.изыскания\МОЕ\808.htm>

«Изоляционные и отделочные покрытия»При наличии балконов во всех обследуемых квартирах не менее 20 стыков: 2 вертикальных угловых, 8 горизонтальных, в том числе: на верхних этажах 50%, на средних - 20%, на нижних - 30%Металлический щуп ГОСТ 882-75*, устройство на базе индикатора часового типа с ценой деления 0,01 мм ГОСТ 577-68*Натурные измерения-





 

Перегородки

Выявление деформаций

Отклонение бетонных жб конструкций от вертикали,продольный изгиб, выпучивание

СНиП 3.03.01-87 «Несущие и ограждающие конструкции»

Видимые дефекты и повреждения. При наличии балконов во всех обследуемых квартирах не менее 20 стыков: 2 вертикальных угловых, 8 горизонтальных, в том числе: на верхних этажах-50%, на средних-20%, на нижних-30%

Теодолит с оптической насадкой и рейкой с миллиметровыми делениями; ГОСТ 10529-86 «Теодолиты. Общие технические условия» Штангенциркуль ГОСТ 166-80 «Штангенциркули. Технические условия эксплуатации»

Натурные измерения

-

Перекрытия

Предварительный осмотр

Видимые дефекты и повреждения, состояние отдельных частей перекрытия, действующие на перекрытия нагрузки

-

-

-

-

-

Инструментальные измерения деформаций

Ширина раскрытия трещин

СНиП 2.03.01-84 <file:///D:\DOC\УЧЕБА\МОЁ\5_курс\Инж.изыскания\МОЕ\905.htm>«Бетонные и железобетонные конструкции»Видимые дефекты и поврежденияОптические измерительные приборы, шаблон- толщиномерНатурные измеренияДопускается ограниченное по ширине непродолжительное acrc1 и продолжительное acrc2 раскрытие трещин. acrc1 =0,3 мм; acrc2 = 0,2 мм






Глубина трещин

СНиП 2.03.01-84 <file:///D:\DOC\УЧЕБА\МОЁ\5_курс\Инж.изыскания\МОЕ\905.htm> «Бетонные и железобетонные конструкции»Видимые дефекты и поврежденияЩупы ГОСТ 882-75*Натурные измеренияНа толщину защитного слоя






Относительный прогиб

СНиП 2.03.01-84 <file:///D:\DOC\УЧЕБА\МОЁ\5_курс\Инж.изыскания\МОЕ\905.htm> «Бетонные и железобетонные конструкции»При выявлении прогиба, превышающего допустимые, организовать повторные замеры через 6 мес.Нивелир ГОСТ 24846-81 <file:///D:\DOC\УЧЕБА\МОЁ\5_курс\Инж.изыскания\МОЕ\2163.htm> с оптической насадкой, рейка с миллиметровыми делениями, гидростатический нивелирГидростатическое нивелированиеПрогиб не превышает L/200





Выполнение вскрытий

Степень повреждения

ВСН 57-88(р) «Положение по техническому обследованию жилых зданий»

Вскрытия выполняют в наиболее неблагоприятных зонах. Число мест вскрытий составляет -1.

-

Натурные измерения

-

3. Результаты натурного обследования, выявление дефектов, анализ причин и возможных последствий

При техническом обследовании были использованы визуальный и инструментальный методы.

Визуальный метод позволяет определить качество и характеристики конструкций путем их внешнего осмотра и применения простейших измерительных инструментов. Его достоинством является быстрое получение данных для заключения о состоянии и износе конструкций, недостатком - невозможность установления физико-механических свойств материалов.

Обследование фундаментов

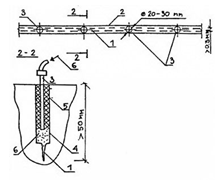
Фундаменты обследуют визуально при помощи шурфов - 3. Минимальный размер

шурфов в плане 1,25 м2. Число разведочных выработок (скважин) - 4.

При обследовании фундаментов были выявлены следующие дефекты: деформации

фундаментов в осях Б-В, В-Г,1-2 (см. приложение 1); появление сырости в подвале в осях А-Б (см. приложение 1).

Основными причинами появления таких дефектов являются:

увеличение нагрузок на фундаменты;

недостаточная прочность материала фундаментов;

отсутствие или некачественное выполнение гидроизоляции фундаментов;

увеличение влажности грунта из-за повышения уровня грунтовых вод, замачивание основания атмосферными и производственными водами;

заиливание непучинистых грунтов пылевато-глинистыми частицами;

ошибки проектировщиков, некачественная оценка инженерно-геологических условий строительной площадки.

Рис. 3.1 - Крен здания; неравномерная осадка фундамента

По результатам обследования составляется заключение, на основе которого разрабатываются рекомендации усиления фундаментов и их основания.

Обследование стен

Стены здания обследуют: визуально (когда об их общем состоянии судят по характеру трещин); приборами путем вскрытия и отбора проб.

При обследовании определяют: размеры стен; расстояние между осями; смещение осей; прочность, трещиностойкость материалов стен, теплотехнические характеристики конструкции, герметичность стыковых соединений, состояние арматуры и металлических закладных деталей, наличие дефектов.

В данном доме присутствуют такие дефекты как отклонение перегородок от вертикали ось 2 Г-Е, ось 7 Г-Е (см. приложение 2), деформации стен ось Е 6-7, ось Е 7-8, промерзание в отдельных квартирах на участках №1 (ось А-2), №2 (ось Д-3), №3 (ось Д-6), №4 (ось А-8), №5 (ось Е-8).

Основными причинами нарушения стыков панелей являются: дефекты, возникающие при изготовлении панелей (отклонения от размеров, превышающие допустимые; нарушения целостности торцевых граней стеновых панелей; повышенная пористость бетона наружных граней и др.);

неправильный выбор герметизирующих и уплотняющих материалов для изоляции стыков;

дефекты, возникающие при складировании и транспортировке панелей (сколы граней, углов, гребня, зуба, другие местные повреждения);

некачественная заделка стыков вследствие нарушений технологии производства работ по устройству их водо- и воздухоизоляции, а также выполнение работ персоналом, не прошедшим специального обучения;

дефекты, допущенные при монтаже панелей (отклонение от размеров зазоров в стыках между панелями, превышающие допустимые; клиновидная форма стыков; смещение стыкуемых панелей относительно плоскости фасада; наличие обратного уклона балконных плит при заделке в стены и т.д.).

Основными причинами деформации стен являются:

недостаточная глубина заложения фундаментов;

значительные прогибы перекрытий;

увеличение эксплуатационных нагрузок;

увеличение прогибов перемычек над проемами;

разрушение мест опирания несущих конструкций.

Отклонение стен здания от вертикали:

Рис. 3.2 - Отклонение стен от вертикали: 1 - внутренняя стена здания, отклоняющиеся от вертикали; 2 - перегородка; 3 - плита перекрытия

Основными причинами промерзания стен в квартирах являются:

ошибки при проектировании (не учтены уровень грунтовых вод и их агрессивность, занижены толщины конструкций стен и т.д.);

нарушение технологии производства строительно-монтажных работ (применение влагоемких материалов или материалов с заниженными теплотехническими характеристиками, отсутствие дополнительной теплоизоляции в местах опирания плит перекрытий или балок и т.д.);

неправильная эксплуатация зданий и сооружений (повреждение гидроизоляции и кровли и, как следствие, увлажнение стен, протечки инженерных коммуникаций и т.д.).

Рис. 3.3

Основными причинами появления сырости в подвалах являются:

каппилярный подсос воды, вызывающий значительное увлажнение подвала на небольшом расстоянии от пола;

повышение уровня грунтовых вод выше уровня пола подвала.

Рис. 3.4

По результатам обследования составляется заключение, на основе которого разрабатываются рекомендации по способам защиты стен и перегородок от деформаций, появления промерзания в квартирах и сырости в подвалах.

Обследование перегородок

Перегородки здания обследуют: визуально, а также простукиванием, высверливанием, пробивкой отверстий и вскрытием в отдельных местах.

При обследовании определяют: устойчивость перегородок, наличие дефектов.

В данном доме присутствуют такие дефекты как выпучивание и продольный изгиб отдельных перегородок, отклонение от вертикали.

Основными причинами выпучивания перегородок являются:

недостаточный размер зазора между перегородкой и стеной или перекрытием;

давление перекрытия на перегородку в результате осадки или прогиба перекрытия;

плохое крепление перегородки к стене;

По результатам обследования составляется заключение, на основе которого разрабатываются рекомендации по способам защиты перегородок от выпучивания, продольного изгиба и отклонения от вертикали.

Обследование перекрытий

Предварительным осмотром устанавливают тип перекрытия (по виду материалов и особенностям конструкции), видимые дефекты и повреждения, состояние отдельных частей перекрытия, подвергавшихся ремонту или усилению, действующие на перекрытия нагрузки.

При обследовании чердачных перекрытий следует проверить толщину слоя, влажность и объемную массу утеплителя (засыпки).

В данном доме присутствуют такие дефекты как трещины в перекрытиях.

Основными причинами появления трещин в перекрытиях являются:

большая гибкость и прогиб перекрытия;

превышение фактической нагрузки над расчетной;

недостаточное распределительное сечение или недостаточный слой бетонного покрытия для сосредоточенных нагрузок;

усадочные деформации;

недостаточное армирование на кручение;

недостатки армирования на разрыв;

отсутствие арматуры для восприятия опорного момента.

Рис. 3.5

По результатам обследования составляется заключение, на основе которого разрабатываются рекомендации по способам защиты перекрытий от появления трещин.

4. Рекомендации по реконструкции, капитальному ремонту, технической эксплуатации

По результатам обследования были разработаны рекомендации по способам защиты стен от деформаций, нарушения стыков панелей, появления сырости и промерзания в квартирах.

Работы по ремонту стен крупнопанельных и крупноблочных зданий выполняют в составе общего комплекса ремонтных работ не ранее чем через 5...6 лет эксплуатации - после стабилизации осадок здания.

На основании результатов обследований швов зданий устанавливают объем работ по ремонтной герметизации. При этом в случаях, связанных с устранением протечек следует исходить из следующего:

при наличии в доме более 30% дефектных швов необходим капитальный ремонт - сплошная ремонтная герметизация швов. Решение об этом принимает соответствующая муниципальная служба, например, Дирекция единого заказчика;

при наличии дефектов швов в 30% и более помещений, выходящих на данный фасад, должен быть произведен ремонт всех швов этого фасада здания, включая швы в местах примыкания оконных (дверных) блоков к четвертям проемов;

при наличии отдельных дефектов швов в менее чем 30% помещений, выходящих на данный фасад, ремонтируют дефектный шов, смежные с ним горизонтальные и вертикальные швы этого и вышерасположенного этажей, а также швы в местах примыканий оконных (дверных) блоков к четвертям проемов смежных панелей вышерасположенного этажа;

при наличии отдельных дефектов швов в местах примыканий оконных (дверных) блоков к четвертям проемов выполняют соответствующий выборочный ремонт согласно описи заказчика.

.7. В случаях, связанных с устранением точечных промерзаний и повышенной воздухопроницаемости, ремонтируют только дефектные участки швов.

.8. В домах со стыками открытого типа при обнаружении дефектов следует все межпанельные швы ремонтировать как закрытые.

.9. Ремонтную герметизацию наружных швов следует вести при сухой погоде и, как правило, при положительной температуре наружного воздуха.

.10. Работы по ремонтной герметизации швов, выполняемые снаружи, следует вести с подвесных подъемных люлек, а также с подъемных консольно-шарнирных вышек, смонтированных на автомашинах. В необходимых случаях возможно привлечение герметчиков-скалолазов.

панельный дом обследование реконструкция

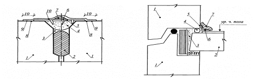
Рис. 4.1 - Конструктивные решения ремонтной герметизации стыков открытого типа: А, Б, В, - варианты ремонтной герметизации вертикальных стыков, Г, Д - варианты ремонтной герметизации горизонтальных стыков; 1 - стыкуемые панели, 2 - старая уплотняющая прокладка (установлена при монтаже), 3 - водоотбойная лента (установлена при монтаже), 4 - сохраняемый водоотводящий фартук, 5 - сохраняемая часть водоотводящего фартука, 6 - Вилатерм, антисептированная пакля или пенополиуретан, 7 - зона очистки и обезжиривания, 8 - праймер Абрис®Рп, 9 - антиадгезив, 10 - самоклеящаяся лента

Рис. 4.2 - Конструктивное решение повторной ремонтной герметизации стыков

Рис. 4.3 - Конструктивное решение дополнительной герметизации горизонтальных стыков:

1 - стыкуемые стеновые панели, 2 - существующая уплотняющая прокладка, 3 - существующий герметик, 4 - существующий цементно-песчаный раствор, 5 - Герлен-Д, наклеенный при первичном ремонте, 6 - мастика Абрис®Рс, 7 - половина Вилатерма сплошного сечения 0 6-8 мм, 8 -зона очистки и обезжиривания, 9 - праймер Абрис®Рп, 10 -самоклеящаяся лента Абрис®С -ЛТбаз С-ЛТпн

1 - стыкуемые стеновые панели, 2 - перекрытие, 3 - старый цементно-песчаный раствор, 4 - старое уплотнение, 5 - зона очистки, 6 - самоклеящаяся лента Абрис®С-ЛТ, 7 - плинтус


При отслоении поверхностного слоя панелей или отделочного покрытия на глубину до 30 мм, появлении в поверхностном слое трещин общей длиной более 10 м на 1 м поверхности стены поврежденные участки расчищают. Арматуру панелей очищают стальными щетками от ржавчины.

Защитный слой панели восстанавливают торкретированием или оштукатуриванием поврежденных участков с сохранением прежней фактуры по форме и цвету.

Наиболее эффективным методом ремонта панелей и блоков стен при значительных повреждениях является торкретирование. При этом важно обеспечить соответствие физико-механических свойств наносимых и заменяемых слоев конструкций стен. В качестве вяжущего предпочтение следует отдавать саморасширяющимся цементам.

Отколы глубиной до 15 см и площадью до 400 см на отдельных участках устраняют методом пробок. Поврежденные места расчищают до наиболее рациональной геометрической формы, арматуру очищают от коррозии. Подготовленный участок заполняют мелкозернистой бетонной смесью на расширяющемся цементе.

Для неармированных панелей и блоков можно использовать сборные бетонные пробки, которые устанавливают в ремонтируемые участки на раствор заподлицо с основной поверхностью.

Трещины шириной более 0,3 мм при длине более 10 м на 1 м поверхности стены расшивают металлическими шпателями с удалением ржавчины с обнаженной арматуры, продувают сжатым воздухом. Заделку трещин выполняют раствором на расширяющихся цементах.

Расчистку поврежденных швов производят на глубину 30...50 мм с помощью электро- или пневмолотков и металлических щеток. При этом обязательно удаление нетвердеющей мастики и поврежденных герметиков. Пыль и мелкий строительный мусор удаляют сжатым воздухом. Затем наносят кистями на поверхность расчищенного шва мастику или клей, приклеивают герметик, шов заполняют цементно-песчаным раствором с последующей промазкой поверхности шва нетвердеющими мастиками.

При наличии трещин до 0,3 мм ремонт наружных поверхностей полносборных зданий заключается в их очистке от старой краски, шпатлевки и восстановлении отделочного покрытия.

Технологический процесс ремонта стыков и швов состоит из установки средств подмащивания, расчистки, продувки и просушки швов, заделки расчищенных мест мастиками и клеевыми составами с заведением пористых герметизирующих прокладок и покрытием их герметизирующими мастиками, оштукатуриванием цементно-песчаным раствором или оклеиванием синтетическими пленками.

Рис. 4.4 - Схема утепления стены 1 - правильное решение: теплоизоляционный материал защищен от попадания влаги паробарьером; 2 - ошибочное решение: водяные пары из жилого помещения проходят сквозь толщу утеплителя и конденсируются на холодной стене. Если ее температура ниже точки росы, пар превращается в капли и стекает на пол

По результатам обследования были разработаны рекомендации по способам защиты перегородок от выпучивания и нарушения звукоизоляции.

Защита перегородок от выпучивания

Прикрепить перегородку к стене в соответствии с техническими условиями; устроить зазор между верхом перегородки и низом перекрытия; усилить или переделать перегородку. Для усиления перегородок в дверных проемах устанавливают деревянные стойки и к ним прибивают плиты.

Повышение звукоизолирующей способности

Заделать отверстия и трещины по контуру перегородки; проверить закрепление минераловатных плит, заменить пришедшие в негодность плиты; установить упругие прокладки в местах примыкания к стенам и перекрытиям; заделать места примыкания отдельных листов между собой.

Рис. 4.5 - Прохождение звука сквозь перегородку

Рис.4.6 - Устройство дополнительного звукоизолирующего слоя на потолке и стенах 1-один из способов крепления к потолку

Рис. 4.7 - Плавающий пол, при котором не возникает звукопроводящий мостик 1-облицовка; 2-мастика; 3-пол из штучных материалов, раствор, бетонная обмазка, звукоизоляционный слой

По результатам обследования были разработаны рекомендации по способам защиты перекрытий от появления трещин.

Ремонт перекрытий включает восстановление или усиление плиты, усиление балок, замену части балки или части плиты. Часто плиты, имеющие аварийные трещины в бетоне, освобождают от бетона отбойными молотками и выправляют старую арматуру. Вводят арматуру усиления, связывая ее на опорах над балкой со старой арматурой. Обнажившиеся поверхности бетона тщательно зачищают и насекают, мусор убирают, перекрытие перед бетонированием обдувают от пыли сжатым воздухом, промывают водой и перед укладкой бетона покрывают 5-10 мм слоем цементного раствора состава 1:2. Если необходимо усилить существующую плиту, поверх ее укладывают арматурную сетку, которую в нескольких местах соединяют сваркой (через коротыши - обрезки арматуры) с арматурой существующей плиты, а затем бетонируют слоем 30-50 мм, соблюдая вес меры по обеспечению хорошего сцепления старого и нового бетона. В случае усиления плиты снизу ее поверхность до арматуры отбивается, приваривается новая арматура к старой. Наиболее эффективно усиление больших плоскостей железобетонных конструкций методом торкретирования (перед этим старую поверхность очищают пескоструйным аппаратом, сдувают сжатым воздухом пыль и крошки и промывают водой из шланга под давлением). Толщина наносимого за один прием слоя торкрет-бетона 7-20 мм. Каждый последующий слой может наноситься только после схватывания предыдущего. При длительных перерывах в торкретировании предыдущий слой обязательно промывается. Все слои торкрет-бетона (кроме последнего) наносят и оставляют без затирки. Все работы могут вестись только при температуре воздуха не менее +5 °С.

Рис. 4.8 - Шпаклевка синтетическим материалом коротких неглубоких трещин: 1 - трещина в конструкции (короткая и неглубокая); 2 - паз, выбранный фрезой; 3 - шпаклевка из синтетического материала

Рис. 4.9 - Нагнетание цементно-песчаного раствора при ширине трещин более 0,3 мм и глубине более 50 мм: 1 - трещина в конструкции (глубина более 50 мм); 2 - пространство, заделываемое бетоном, клеем или лентой; 3 - напорная инъекционная трубка; 4 - просверленная скважина; 5 - резиновый уплотнитель; 6 - раствор на расширяющемся цементе или синтетические смолы

По результатам обследования были разработаны рекомендации по способам защиты балконных плит от появления трещин.

Ремонт балконной плиты зависит от степени ее разрушения. Так, незначительные повреждения бетонной поверхности можно устранить устройством цементной стяжки. Ее выполняют из раствора в соотношении 1 3 (песок: цемент), выравнивая его с незначительным уклоном (1-1,5°) к наружной стороне балкона (рис. 3) Перед нанесением стяжки с поверхности плиты снимают водоизоляционный слой, очищают ее от пыли и грязи и смачивают. При необходимости на бетонной поверхности плиты делают насечку. Раствор (бетон) укладывают ровным слоем по ранее установленным маякам. После выравнивания раствора его желательно подвергнуть "железнению". Для этого поверхность стяжки посыпают тонким слоем сухого цемента и заглаживают мокрой штукатурной лопаткой (кельмой). На поверхности стяжки не должны оставаться следы от кельмы. Становиться на стяжку можно только после полного затвердения раствора не ранее чем через двое суток). При более сильных разрушениях бетонной плиты следует восстановить ее несущую способность. Для этого на чистую поверхность балконной плиты укладывают арматурную сетку из стальной проволоки, диаметром не менее 5 мм. Ячейки сетки должны быть выполнены таким образом, чтобы на каждый погонный метр плиты приходилось не менее трех продольных и трех поперечных стержней. В местах пересечения стержни связывают мягкой вязальной проволокой или сваривают (что лучше) электродуговой сваркой. Между плитой и арматурной сеткой должен оставаться небольшой зазор, чтобы жидкая составляющая бетона могла проникнуть под ее стержни. После этого поверхность балкона бетонируют слоем бетона, толщина которого должна превышать толщину арматурной сетки не менее, чем в два раза. Бетонируемую поверхность тщательно выравнивают и "железнят". Если основной арматурный каркас плиты нарушен коррозией, то конструкцию балкона следует укрепить дополнительно. Усиление балконной плиты можно выполнить, подведя с обеих сторон балкона стальные прокатные балки, которые консольно закрепляют в стене. Для этого в стене пробивают отверстия на глубину не менее двух третей ее толщины. В качестве несущих балок 1 применяют швеллер или двутавровую конструкцию, которую предварительно очищают от ржавчины и окрашивают масляными красками. Балки временно крепят к балкону и бетонируют в стене. После этого к балкам приваривают арматурную сетку и бетонируют по методике, описанной выше. Этим же способом можно выполнить увеличение ширины и длины балкона. Но в этом случае выступающие за ширину балкона передние концы консольных балок должны быть обязательно скреплены между собой стальным уголком 2 Арматурная сетка 3 должна перекрывать всю площадь балкона (включая наращиваемые участки). Размеры ячеек арматурной сетки делают не более 15x15 см

Под арматурной сеткой, выступающей за пределы балконной плиты нужно установить опалубку. При таких работах качеству приготовления бетонной смеси и технологии сварки конструкций следует уделить самое пристальное внимание (особенно на балконах верхних этажей) После полного застывания бетона балкон ограждают по новому периметру. Особенно увлекаться увеличением ширины балкона не следует. Консольная часть балкона, расширенная больше чем на 30-40 см, имеет большой опрокидывающий момент и требует дополнительного квалифицированного расчета и усиления. Такую работу можно выполнять только силами специализированных предприятий, так как обрушение балкона (явление не редкое) обычно влечет за собой очень тяжелые последствия. Следует отметить, что все работы, связанные с изменением архитектуры здания, нужно согласовывать с региональной архитектурной службой, чтобы не вносить хаос в общий вид дома. Усиление балконной плиты можно выполнить и при помощи профилей усиления жесткости (подкосов), изображенных на рис. 5. В таких профилях имеются отверстия для крепежных болтов. Сами болты крепятся в стену, как показано на рисунке. Если усиление балконной конструкции предполагается в деревянной стене, то под крепежные болты в стене просверливаются специальные отверстия С внутренней стороны стены для головок болтов делаются углубления, позволяющие сделать незаметными места крепления. Сам профиль усиления может быть бетонным, деревянным или металлическим усилительный профиль, выполненный из алюминия. Такая конструкция будет иметь более эстетичный вид и выгодно отличаться своей легкостью. Крепление профиля к деревянной стене можно осуществить при помощи больших монтажных шурупов через деревянную прокладку 5. Если речь идет о лоджии, то задача укрепления плиты упрощается ввиду наличия боковых стенок 1, к которым плита может быть прикреплена при помощи накладок 7. Отверстия в бетоне надо просверлить перфоратором. Вообще балконные конструкции могут быть самыми различными как по конструкции, так и по назначению. Так, представлены балконы, выполняющие роль одновременно балкона и крыльца (.1) и балкона-солярия (2). Во втором случае балкон можно считать просто перильным ограждением площадки солярия на крыше, но, тем не менее, это балкон. В настоящее время в связи с дальнейшим развитием строительства загородных домов, дач, коттеджей про¬ектирование балконных конструкций получает свое дальнейшее развитие. Особенно часто встречаются симбиозы крыльца с балконом). При этом сами балконы могут быть как открытым), так и крытыми. Особенности строения таких конструкций и всех их узлов хорошо видны на рисунках и могут быть применены в практических решениях.

Рис. 4.10 - Правильный (А) и неправильный (Б) уклон балконной плиты: 1 - балконная плита; 2 - стена здания; 3 - строго горизонтальная проекция плиты без уклонов; 4 - углы наклона плит

Рис. 4.11 - Восстановление несущей способности балконной плиты: 1 - стальные балки; 2 - обрамляющая стальная стяжка; 3 - арматура; 4 - стена здания; 5 - отверстия для заделки балки (2/3 толщины стены)

По результатам обследования были разработаны рекомендации по способам защиты кровли от появления протечек.

Ремонт кровли из асбоцементных листов подразумевает полную замену износившегося и протекающего листа. Для этого надо снять его с крыши, предварительно открепив от обрешетки, и заменить новым. Целый лист следует осторожно подвести под лист, накрывающий его сверху, и закрепить шиферными гвоздями. Поднимать и спускать материал следует осторожно, стараясь не нарушить его целостность, ведь в местах разлома листа высвобождаются опасные для здоровья асбестовые волокна.

Чтобы избежать проникания осадков, между листами укладывают пеньковый жгут, пропитанный дегтем, или ленту из пенополиуретана, пропитанную битумом, так называемый битуран, или бист. Выполняя эти работы, устраивают хорошую вентиляцию чердака, иначе на внутренней поверхности кровли конденсируется пар, вызывающий гниение древесины.

Рис. 4.12 - Защита волнистого шифера от осадков: 1 - лента герметизирующая; 2 - волнистый шифер; 3 - обрешетка; 4 - крепление гвоздями)

Список используемых источников

1.   Архитектура: Учебник / Т.Г. Маклакова [и др.].- М.: Изд-во АСВ, 2004.- 464 с.

2.      Филимонов П.И. Технология и организация ремонтно-строительных работ: Учебник для вузов по специальности «Коммунальное строительство и хозяйство»/ П.И. Филимонов. - М.: Высшая школа, 1988.- 479 с.

.        ВСН 57-88 (Р) Положение по техническому обследованию жилых зданий. Рострой, М.; 2004 г.

Приложение 1



Приложение 2

ГПНВ-4

Рис. 1

ГПНВ-5

Рис. 2 - Штангенциркуль электронный

Штангенциркуль с цифровым индикатором типа ШЦЦ-1 предназначен для измерения наружных и внутренних поверхностей, а также для измерения глубины отверстий и уступов. Незаменим для некоторых задач измерения.

Нивелир Лазерный предназначены для задания горизонтальной, вертикальной или наклонной плоскости при помощи лазерного луча.

Основное отличие лазерных построителей (нивелиров) от оптических нивелиров заключается в возможности увидеть построенную рабочую плоскость.

Эти приборы успешно используются при разбивочных и монтажных работах на строительных участках, для контроля и монтажа различного оборудования, для разметки и задания направлений, монтаже стен и подвесных потолков, выравнивании полов, укладке плитки, для автоматизации ландшафтных работ и множестве других случаев.

Нивелир Оптический

Оптический нивелир - прибор, служащий для измерения (определения) превышений между точками горизонтальным лучом с использованием нивелирных реек.

Оптические нивелиры по ГОСТ 10528-90 Нивелиры. Общие технические условия. Подразделяются на три группы: высокоточные, точные и технические. По названию групп видно, что основная характеристика для разделения оптических нивелиров на группы - точность. Точность оптического нивелира определяется средней квадратической погрешностью измерения превышения на 1 км двойного хода. Значение погрешности приводится в миллиметрах.

Рис. 3 - Шаблон-толщиномер

Шаблон толщиномер для измерения толщины и местного уширения бандажа и обода цельнокатаного колеса

Рис. 4 - Маяки

За трещинами в стенах с момента их обнаружения должно быть установлено наблюдение при помощи маяков. Наблюдение надлежит вести непрерывно в течение 15-20 дней с фиксированием результатов в специальном журнале. Маяки ставятся гипсовые или из пластинок (стеклянных, жестяных и др.). При пластинчатых маяках наблюдение ведется по рискам на нижней пластинке, прочерченным соответственно начальному положению одного из углов верхней пластинки. Одновременно с наблюдением за состоянием трещин должны быть проведены работы по установлению причин, вызывающих появление трещин и, в первую очередь, исследование состояния грунта основания с выемкой в соответствующих местах шурфов и замеры осадки фундаментов. Если за 15-20 дней изменений трещин не будет отмечено, то процесс развития их можно считать закончившимся.

Влагомер ВСКМ-12

Прибор предназначен для: - экспрессного измерения влажности твёрдых, сыпучих и волокнистых материалов в процессе строительных работ и в процессе эксплуатации. Принцип действия: Диэлькометрический.

Общее описание: Прибор соответствует обыкновенному исполнению изделий третьего порядка по ГОСТ 12997 и относится к стандартизованным средствам измерений и является рабочим средством измерений по ГОСТ 21718. Условия эксплуатации прибора: Температура окружающей среды - от +5 до +40 °С. Относительная влажность воздуха - до 90%. Атмосферное давление 750 +/- 50 мм. рт. ст. Технические характеристики: Пределы измерения влажности в % по массе: - бетон тяжёлый - до 20; лёгкий - 2 ... 25; ячеистый - 4 ...40 - гипсобетон - 4 ... 40 - цементно-песчаный раствор - 2 ... 15 - кирпич керамический сплошной и щелевой - 1 ... 8 - песок строительный - 1 ...15 - щебень гранитный - 0,5 ... 6 - ДСП - 8 ... 80 - древесина - 8 ... 95 Основная абсолютная погрешность - не более 1,5 %. Длительность единичного измерения - не более 5 сек.

Рис. 5

Молоток ПМ-2

Молоток отбойный пневматический предназначен для работ по бетону, камню, дорожным покрытиям, твердым грунтам и т.д. Удельный расход воздуха, не более 1,5 м3/мин*кВт. Внутренний диаметр рукава 16 мм. Параметры указаны при давлении воздуха 5х105 Па.

Рис. 6 - ДефектоскопА1212

Устройство для обнаружения дефектов <#"668034.files/image027.gif">


Адгезиометр

Цифровой адгезиометр PosiTest AT предназначен для измерения адгезии покрытий из металла, древесины, бетона и других материалов. Адгезиометр PosiTest AT оснащен свойством самоцентрирования и индикатором скорости отрыва.

Рис. 8

Термощупы

Позволяет определять температуру окружающей среды и индицирует время. Цифровая термоштанга ТЭМ-1 состоит из блока индикации в пластмассовом корпусе и термощупа в виде штанги из металлопластиковой трубы, в нижней части которой смонтирован датчик, а в верхней - ручка с соединительным разъемом. Датчик подключен проводами, проходящими в штанге термощупа к соединительному разъему и термощупа обычно из двух частей.

Рис. 9

Анемометр

Применение: Для измерения скорости воздуха в потоках, объемного расхода и температуры Диапазон измерения : Скорость воздуха : 0,1 ... 30 м/с • Разрешение : 0,01 (менее 3 м/с) или 0,1 м/с (более 3 м/с) Объемный расход (с воронкой) : 0 ... 2000 м3/ч • Разрешение : 1 м3/ч Температура : -20 ... +80°C • Разрешение : 0,1°C

Рис. 10

Металлоискатель

Рис. 11

Шумомер

прибор для объективного измерения уровня звука <#"668034.files/image033.gif">

Рис. 12

Эндоскоп

группа оптических приборов различного назначения. Различают медицинские и технические эндоскопы. Технические эндоскопы используются для осмотра труднодоступных полостей машин и оборудования при техническом обслуживании и оценке работоспособности (лопатки турбин, цилиндры двигателей внутреннего сгорания, оценка состояния трубопроводов и т. д.), кроме того, технические эндоскопы используются в системах безопасности для досмотра скрытых полостей (в том числе для досмотра бензобаков на таможне). Технические эндоскопы в СССР выпускались в Харькове.

Рис. 13

Похожие работы на - Разработка программы обследования объекта

 

Не нашли материал для своей работы?
Поможем написать уникальную работу
Без плагиата!
Без нейросетей!