Переработка кроликов механизированным способом
Реферат
Переработка кроликов
механизированным способом
ПОТОЧНО-МЕХАНИЗИРОВАННАЯ
ЛИНИЯ ПО ПЕРРАБОТКЕ КРОЛИКОВ
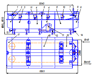
Линия (рис. 1)
производительностью 500 голов в час скомплектована из подвесного конвейера для
транспортирования тушек, аппарата для оглушения кроликов электрическим током,
машины для убоя, дисковых ножей для отделения голов, ушей, передних и задних
конечностей, желобов для сбора крови и внутренностей, оборудования для
сортировки и упаковки тушек.
Кроликов подают на
убой рассортированными по упитанности, количеству голов и массе.
Подвесной конвейер
с автоматически сбрасывающим приспособлением предназначен для горизонтального
перемещения тушек кроликов при обескровливании, забеловке и нутровке.
Ведущие и
поддерживающие зубчатые колеса конвейера смонтированы на опорных стойках. Цепь
расположена на высоте 7 м от уровня пола. На цепи крепятся подвески для
навешивания кроликов на конвейер.
Рис. 1.
Поточно-механизированная линия убоя и обработки кроликов:
1 - подвесной
конвейер; 2 - аппарат для электрооглушения; 3 - машина для убоя; 4 -
желоб обескровливания; 5, 7 - дисковые ножи; 6 - желоб для нутровки туш;
8 - рама для остывания тушек для навешивания кроликов на конвейер.
Автоматически
сбрасывающее приспособление (подвеска) представляет собой скобу, изогнутую из
полосовой стали. К торцевой стенке скобы приварена ось, которая пропускается
через кронштейн и фиксируется в нужном положении болтом. На оси свободно
вращаются два ролика с ребордами, которые перекатываются по уголкам пути
конвейера.
Внутри скобы на оси
вращается флажок на шарнирных втулках, между которыми помещается пружина,
прижимающая флажок в нижнее положение. Снизу флажка приварен стержень из
прутковой стали. К боковым сторонам скобы, внизу, приварена предохранительная
пластинка. В том месте конвейера, где необходимо снять тушку кролика конвейера,
крепится винтами на уголке сбрасывающий клин. На цепи конвейера описанное выше
приспособление крепится при помощи кронштейна, приваренного к верхней пластинке
цепи, в которой ось стопорится болтом (описание операций технологического
процесса убоя и обработки кроликов и применяемого оборудования дано выше).
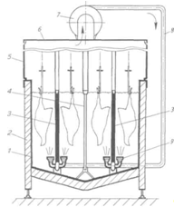
В межсезонный
период для переработки небольших партий кроликов целесообразно применять
агрегат карусельного типа производительностью 1000-1500 голов в смену. По
периметру агрегата закреплено 16 подвесок для тушек кроликов. Под каруселью для
сбора крови и внутренностей установлен металлический желоб. Кроликов на
агрегате перерабатывают по следующей схеме: оглушение кроликов электрическим
током с помощью пистолета (стека); навешивание тушек кроликов на подвески
агрегата; убой кроликов путем отрезания головы между затылочной костью и первым
шейным позвонком, обескровливание, отрезание передних ног по запястный сустав,
забеловка и съемка шкурок, нутровка, ветсанэкспертиза, ливеровка, съемка тушек
с подвесок карусели, отрезание задних лап по скакательный сустав, туалет и
формовка тушек, передача тушек на остывание, сортировку и упаковывание.
Нормы выхода мяса
кроликов, субпродуктов, а также отходы составляют (в Российской
Федерации): мясо кроликов остывшее I категории упитанности - 50,4 % (к предубойной массе кроликов); II категории - 47,5 %;
пищевые обработанные субпродукты - 3,7 %; клейдающие отходы (уши, лапы,
шкурковый лоскут, хвост) - 4,4 %; кормовые отходы (головы, кишки и желудки,
кровь, жир) - 18 %.
Характеристика продукции, сырья и полуфабрикатов
В состав мяса птицы
входят мышечная ткань, соединительная ткань (рыхлая, плотная, жировая,
хрящевая, костная, кровь) и нервная. Количественное соотношение этих видов
тканей обуславливает химический состав, функционально-технологические свойства
мяса, его питательную и товарную ценность.
Мышечная ткань
птицы содержит полноценные и легкоперевариваемые белки, количество которых
колеблется от 15,2 до 23,3 % в зависимости от вида и возраста птицы. Мышечная
система птиц представлена совокупностью белых и красных мышц. Яркую окраску
имеют мышцы, совершающие активную работу в процессе движения и имеющие высокое
содержание природного пигмента-миоглобина.
Мясо птицы имеет
своеобразный приятный вкус и аромат. В среднем в белом мясе кур содержится 0,5
% триглицеридов, 0,5 % фосфатидов, 46 мг % холестерина и 8 мг % стероидов. В
красном мясе - соответственно 2 %, 0,8 %, 110 мг % и 20 мг %. В мышечной ткани
птицы имеются почти все водорастворимые витамины, минеральные вещества и
микроэлементы.
Жир птицы в
остывшем состоянии имеет относительно плотную консистенцию. Цвет его обусловлен
присутствием в нем каротиноидов, а у молодой птицы - наличием пигментов крови.
Органолептически
возрастную группу мяса определяют по твердости киля и степени ороговения клюва.
В зависимости от температуры в толще грудных мышц тушки подразделяют на
остывшие (от 0 до 4 °С) и замороженные (не выше минус 8 ° С). По
упитанности тушки птицы всех видов могут быть первой и второй категории, а по
способу обработки - потрошеные и полупотрошенные.
Масса тушек
колеблется в широких пределах в зависимости от вида, пола, способа обработки.
Например, масса охлажденной потрошеной тушки (без комплекта потрохов и шеи):
бройлеры-цыплята - 675 г, куры - 850 г, утята - 1150 г, утки -1350 г, гусята -
2150 г, гуси - 2550 г, индюшата- 1750 г, индейки - 2750 г, цеса-рята - 475 г,
цесарки - 625 г.
Особенности производства и потребления готовой
продукции
Птицу для сдачи на
убой сортируют по видам и возрасту. Взвешивают птицу после выдержки без корма:
цыплят, кур, индюшат и индеек - в течение 6.. .8 ч, уток, гусят, гусей, цесарят
и цесарок - в течение 4...6 ч.
Процесс первичной
переработки птицы начинается с ее навешивания на конвейер при фиксировании за
ноги в вертикальном положении. Автоматический подсчет птиц всех видов выполняют
с помощью счетчика птицы.
Птицу оглушают
электрическим током во время ее движения на конвейере. Длина участка
электрооглушения рассчитывается исходя из необходимого времени воздействия
электротока для обездвиживания. Установку для электрооглушения располагают на
некотором расстоянии от места навешивания птицы, с тем чтобы после закрепления
птицы в подвеске до оглушения прошло не менее 7... 10 с.
При убое птицы
должны быть обеспечены более полное обескровливание тушек и сбор крови,
предохранение места зареза от соприкосновения с воздухом и наиболее легкая
отдача пера при снятии оперения с тушек птицы. Убой птицы вручную осуществляют
наружным или внутренним способом. При наружном одностороннем способе специальным
ножом перерезают кожу, яремную вену, ветви сонной и лицевой артерий на 15. . .
.20 мм ниже ушного отверстия. При наружном двустороннем способе убоя
специальным ножом прокалывают кожу на 10 мм ниже ушного отверстия. Движением
ножа справа слегка перерезают одновременно правую и левую сонные артерии и
яремную вену. Лезвием ножа прокалывают кожу с противоположной стороны головы,
образуя сквозное отверстие для вытекания крови. При внутреннем способе убоя
в ротовую полость вводят ножницы с остро отточенными концами и перерезают
кровеносные сосуды в задней части неба над языком, в месте соединения яремной и
мостовой вен. При правильном убое за 1 ,5 . . .2,0 мин из тушек удаляется до
50% крови, содержащейся в живой птице. Промышленные способы обескровливания
птицы основаны на перерезании сонной артерии и яремной вены. Обескровливание
кур, цыплят, уток и утят производится автоматически, крупной птицы (гусей,
индеек и цесарок) - вручную. При автоматическом убое уток и утят дисковым ножом
отрезается клюв на уровне глазных впадин, при этом перерезаются и главные
кровеносные артерии.
Для уменьшения силы
удерживания пера тушки птицы подвергают тепловой обработке горячей водой - шпарке.
При этом шею, голову и крылья подвергают дополнительной тепловой обработке
- подшпарке. Температура шпарки зависит от вида и возраста птицы.
Применяют мягкий и жесткий режимы шпарки в течение 80... 120 с. При мягком
режиме (53... 54 °С) частично повреждается роговой слой эпидермиса кожи, а
ростковый слой и собственно кожа практически не повреждаются. При шпарке птицы
по жесткому режиму (60... 62 °С) значительно ослабляется удерживаемость
оперения, так что на машинах для ощипки удаляется в основном все перо.
Подшпарку шеи и крыльев проводят при 61... 65 °С в течение 30 с.
При снятии махового
оперения берут оба крыла одной тушки, складывают и подают в специальное
устройство, которое направляет оба крыла к рабочим органам, захватывающим и
выдергивающим маховое оперение. Таким же образом удаляют и хвостовое перо.
Принцип работы
большинства машин и автоматов, снимающих оперение с тушек птицы, основан на
использовании силы трения резиновых рабочих органов по оперению. Сила трения
может быть тянущим усилием, приложенным к поверхности рабочего органа,
соприкасающегося с оперением, только в том случае, если она превышает силу
удерживаемости оперения в коже тушки. Силу трения вызывает сила нормального
давления рабочих органов, действующая на оперение. Так, в пальцевой машине сила
нормального давления рабочих органов на тушку возникает под действием массы
тушки. В автоматах бильного типа сила нормального давления возникает в
результате энергии удара бил о тушку, в автоматах центробежного типа - за счет
центробежной силы, зависящей от массы тушки.
Затем производят
удаление внутренностей: кишечных комплектов, субпродуктов, желез. Операция
необходима для обеспечения высоких санитарно-гигиенических показателей и
хранимости мяса. Удаление внутренностей может быть полным (потрошение) и
частичным (полупотрошение). Полупотрошение тушек проводят за специальным столом
и на конвейере. Тушку кладут на стол головой от себя, брюшком вверх, делают
продольный разрез стенки брюшной полости в направлении от клоаки к килю грудной
полости. Затем извлекают кишечник вместе с клоакой и отделяют конец
двенадцатиперстной кишки от желудка. Потрошение птицы проводят на линиях
потрошения или на свободном участке линии первичной обработки птицы, а при
отсутствии конвейерной линии - на специальных вешалках.
Полупотрошенные и
потрошеные тушки подвергают сухой и мокрой зачистке. При этом тушки моют водой
в душевых камерах. Для промывки тушек изнутри используют шланги с насадками.
Тушки птицы
охлаждают воздушным и контактным способами. Контактный способ более эффективен,
при этом тушки помещают в ледяную воду в специальной камере при температуре +2
°С.
Перед вкладыванием
в пакет потрошеную тушку формуют. Тушки, упакованные в термоусадочную пленку,
подают к вакуум-упаковочной машине, где пакеты вакуумируются, а затем на
горловину накладывается и зажимается алюминиевая скрепка. Пакеты с тушками
подаются в термоусадочную камеру, где пленка подвергается усадке при 96...200
°С.
Стадии технологического процесса
мясо
кролик шпарка убой
Первичную
переработку птицы можно разделить на следующие стадии:
- навешивание птицы
на подвески конвейера;
- электрооглушение,
убой и обескровливание;
- тепловая
обработка тушек (шпарка);
- снятие оперения с
тушек птицы;
- извлечение
внутренностей (полупотрошение и потрошение тушек);
- мойка, охлаждение
и упаковка тушек птицы.
Характеристика комплексов оборудования
Линия начинается с
комплекса оборудования, включающего подвесной пространственный конвейер с
подвесками, а также транспортер со счетчиком птицы.
Следующим является
комплекс оборудования, состоящий из аппаратов для электрооглушения птицы, машин
для убоя и обескровливания.
Одним из основных
комплексов оборудования линии являются унифицированные аппараты для тепловой
обработки тушек птицы, подшпарки концов крыльев, шеи и головы, а также шпарки
кур и цыплят.
Ведущим является
комплекс оборудования для снятия оперения с тушек птицы, включающий дисковые
автоматы для ощипки тушек птицы, пальцевые машины для снятия оперения, а также
автоматы бильного типа для снятия оперения и бильно-очистные машины.
Завершающий
комплекс включает оборудование для потрошения, состоящее из машин для
разрезания кожи шеи у тушек птицы, для окончательного отделения шеи птицы, для
отделения голов и ног, вскрыватели тушек птицы и извлечители внутренностей, а
также машины для разрезания и мойки желудков.
Финишным является
комплекс оборудования для мойки, охлаждения и упаковки тушек птицы, состоящий
из бильно-душевой машины, моющих устройств, ванны охлаждения и орошения,
упаковочных и термоусадочных машин.
2.
ОБОРУДОВАНИЕ ЛИНИЙ УБОЯ И ПЕРЕРАБОТКИ ПТИЦЫ
По характеру
выполняемых работ поточно-технологические линии (цехи) современных
птицеводческих предприятий можно разделить на две основные группы: по
выращиванию и содержанию птицы; по обработке и переработке продукции и отходов
птицеводства.
Основу цехов второй
группы, предприятий по выращиванию бройлеров, как правило, составляет линия
убоя и переработки птицы. Производительность таких линий определяется мощностью
и специализацией птицеводческого предприятия (табл. .2).
Площадь помещений
цеха убоя и обработки птиц в первую очередь зависит от производительности
установленной в нем технологической линии. Например, в состав линии убоя и
переработки кур производительностью 1500 голов в час входит оборудование 35
наименований, линию размещают в цехе размерами 84 х 18 м (рис. 11.13). Цех убоя
и переработки птицы включает в себя следующие участки: транспортирования птицы
к месту навешивания на конвейер, убоя птицы и первичной обработки тушек; потрошения
тушек, охлаждения тушек и субпродуктов, сортирования, фасования и упаковывания
тушек и потрохов; переработки отходов животного происхождения на кормовую муку;
обработки и затаривания пера, ряд операций, позволяющих получить готовые к
употреблению в пищу тушки или фасованное мясо, пищевые субпродукты (сердце,
печень, мышечный желудок и шейка), а также перо-пуховое сырье и технические
отходы, используемые для производства кормов.
Рис.2.
Технологическая схема линии убоя и обработки птицы:
1 - подвесной
конвейер; 2 - аппарат для электрооглушения; 3 - лоток для убоя
птицы и сбора крови; 4- аппарат для тепловой обработки; 5, 8- бильные
машины; 6- аппарат подшпарки; 7- точка подвеса; 9 - лоток ручной
доощипки; 10 - камера газовой опалки; 11 - стол полупотрошения; 12-
камера мойки; 13 - столы сортирования, маркирования и упаковывания; 14-
натяжная станция; 15, 16, 17- вытяжные зонты
В зависимости от
получаемого вида продукции птицу перед убоем выдерживают без корма (для потрошеных
тушек - 4...5 ч; полупотрошеных - 6...8 ч).
В цех убоя и
переработки птицу доставляют в передвижных клетках-контейнерах, ее выгружают на
конвейер и подают на поточную линию. Затем птицу вручную закрепляют за ноги в
пазах подвески конвейера спиной к рабочему на линии. Перемещающимся конвейером
она доставляется в аппарат электрооглушения. Электрооглушение выполняется
автоматически в течение 15 с, после чего осуществляется убой птицы. Птицу
обескровливают над специальным поддоном, находящимся в лотке, на протяжении 120
с, а затем перемещают в аппарат для тепловой обработки.
В течение 120 с она
подвергается обработке водой температурой 51...53 °С. После этого птицу
направляют в бильную машину для снятия оперения, откуда она поступает в аппарат
подшпарки, где 30 с обрабатывается водой температурой 60...62 °С.
В определенной
точке подвесного конвейера тушки птицы перевешивают, закрепляя их за голову, и
подают во вторую бильную машину, в которой удаляется оперение, оставшееся на
крыльях, лее и голове.
При дальнейшем
перемещении птицы над лотком тушки вручную доощипывают, а оставшееся оперение и
пух удаляют в камере газовой опалки.
При полупотрошении
тушек удаляют кишечник и наполненный зоб и подают тушки в камеру мойки, где в
течение 30 с они промываются водой температурой 18...20 °С. Вымытые тушки
сортируют, маркируют и подают на упаковывание. Тушки сортируют ю упитанности и
качеству обработки и маркируют бумажными этикетками или с помощью
электроклейма.
В том случае, если
тушки реализуют в потрошеном виде, из них удаляют печень, почки, легкие,
трахею, пищевод, желудок, сердце, плюсны ног, шею и голову.
Технические отходы
используют в качестве сырья для приготовления сухих кормов в специальном цехе.
После осмотра тушек
ветеринарным врачом их формуют и охлаждают при температуре от 0 до 1 "С и
относительной влажности 5%. Продолжительность охлаждения в ящиках 24ч, на тел
ежах-6...8 ч. Птицу, предназначенную для быстрой реализации, можно хранить в
охлажденном состоянии в холодильных камерах при температуре 0...4 ° С и
относительной влажности 80...85 % в течение 4...5 сут. При длительном хранении
мясо птицы замораживают в морозильной камере при температуре не выше -12 °С.
в той же
технологической последовательности осуществляются убой и обработка
водоплавающей птицы. При этом время обескровливания уток и гусей увеличивается
до 150с, а температура воды при тепловой обработке повышается до 75...80 °С.
Оперение с тушек уток или гусей удаляют последовательно на нескольких машинах.
Если на тушках остаются пух и перо, их доощипывают вручную и проводят
окончательную очистку воскомассой.
В комплект
оборудования линии убоя и переработки птицы входят подвесной конвейер, аппарат
для электрооглушения птицы, лоток для убоя птицы и сбора крови, аппарат для
тепловой обработки тушек, бильная машина, аппарат для подшпарки, лоток ручной
доощипки, камера газовой опалки, камера мойки тушек птицы, а также столы для
полупотрошения и сортирования продукции. По существу, все выпускаемые линии
убоя и переработки птицы имеют однотипное оборудование, а некоторое различие в
комплектации объясняется их производительностью.
Для
транспортирования тушек птицы при убое, обескровливании и удалении оперения на
перерабатывающих предприятиях применяют подвесной конвейер К7-ФЦЛ-6/41 и его
модификации.
Аппараты
для шпарки тушек птицы
Тушки птицы всех видов шпарят погружением в
горячую воду. Кроме того, тушки водоплавающей птицы можно обрабатывать в
камерах паровоздушной смесью при температуре 80...85 °С. Погружением в горячую
воду проводят полную шпарку (когда обрабатывают всю поверхность тушки) или
подшпарку (когда дополнительно обрабатывают головы, шеи, концы крыльев, в
которых перо удерживается наиболее прочно).
В схеме, показанной на рис. 3,1, б, осевые
насосы 3 устанавливают попарно вертикально в боковых карманах на внешнем
корпусе 1 аппарата и создают поперечную циркуляцию воды. В этом случае
уменьшается сопротивление движению воды и достигается большая равномерность
потоков вдоль аппарата.
В третьей схеме (рис. 3,1, в) осевые
насосы 3 устанавливают вертикально по центру во внутреннем корпусе 2 или
в цилиндрической трубе-диффузоре. В подобной схеме лучше условия циркуляции при
меньшем числе насосов и ниже удельные затраты электроэнергии. При установке
осевых насосов вертикально в боковых карманах или по центру возможна любая
производительность шпарильных аппаратов.
Рис. 3.1. Технологическая схема шпарки тушек
птицы:
а - горизонтальным; б - в боковых
карманах; в - центральным (по центру корпуса); 1 - внешний
корпус; 2 - внутренний корпус; 3 - осевой насос
Аппарат для шпарки кур и цыплят с горизонтальным
расположением насоса (рис. 3.2) состоит из внешнего 13 и внутреннего 12
корпусов. В задний торцевой части внешнего корпуса в цилиндрическом
диффузоре расположена крыльчатка 8 насоса, который приводится во
вращение от электродвигателя 10 через клиноременную передачу 9. Подогрев
воды осуществляется острым паром, который поступает по паропроводу через
вентиль 2. Температура воды поддерживается регулятором расхода пара 4,
соединенным с термометром 5. Аппарат устанавливают под конвейером, и тушки
проходят через лотки загрузки 3 и выгрузки 7. Производительность аппарата до
500 тушек в 1 ч, мощность электродвигателя 2,8 кВт, частота вращения насоса
11,7 с-1.
Схему установки насосов в боковых карманах
применяют в унифицированных аппаратах для шпарки кур и цыплят. В зависимости от
производительности эти аппараты имеют одну, две или три секции.
Двухсекционный аппарат с расположением насосов в
боковых карманах (рис. 3.3, а) состоит из средней секции 4, к
которой с передней стороны прикреплен пеногаситель 7, а с противопо ложной -
поворотная секция 1. Корпус секций прямоугольной формы, сварной, из
листовой стали, усиленный каркасом из уголков. В боковых стенках корпуса
сделаны окна, на которых закреплены карманы 3, переходящие в верхней части в
раструб, располагаемый вдоль всей секции. Раструб сверху закрыт крышкой 10, а
с внутренней стороны в нем есть щель, через которую вода под напором подается
во внутренний корпус. В кармане установлен осевой трехлопастный пропеллерный
водяной насос 2. Крыльчатка 8 насоса (рис. 3.3, б) закреплена
на валу 7, вращающемся в сферическом 9, радиальном 2 и упорном 3
подшипниках.
Рис. 3.2. Аппарат для шпарки кур и цыплят с
горизонтальным расположением насоса:
- стойки; 2
- вентиль для подачи пара; 3 - лоток загрузки; 4 - регулятор расхода
пара; 5 - термометр; 6 - вал насоса; 7 - лоток выгрузки; 8 -
крыльчатка насоса; 9 - клиноременная передача; 10 -
электродвигатель; 11 - патрубок для слива воды; 12 - внутренний
корпус; 13 - внешний корпус
Насос приводится во вращение от электродвигателя
6 через клиноременную передачу 5. На каждой секции
устанавливается по два насоса. Вода в аппарате подогревается острым паром. Для
разогрева воды перед началом работы включают три эжектора 9 (см. рис.
3.3, а), а поддерживают температуру одним или двумя. Терморегулятор 8
обеспечивает отклонение температуры в пределах ±0,5 ºС.
Для уничтожения пены, которая образуется в
процессе работы аппарата, предусмотрен пеногаситель 7, состоящий из камеры с
решеткой и форсунок, разбрызгивающих воду. Аппарат двухходовой; его
устанавливают под конвейером, и птица движется в нем двумя рядами в
противоположных направлениях. Для этого в поворотной секции служит оборотная
звездочка конвейера.
Односекционный аппарат состоит из поворотной
секции и пеногасителя, а трехсекционный имеет две средние секции. Производительность
аппаратов в зависимости от числа секций меняется от 500 до 3000 голов в 1 ч,
мощность электродвигателя каждого насоса 2,8 кВт.
В аппаратах типа К7-ФЦЛ для обработки птицы всех
видов используют центрально расположенные насосы. Аппараты различной
производительности собирают из унифицированных блоков, устанавливаемых
последовательно и параллельно.
Аппарат К7-ФЦЛ-6/5 для шпарки птицы с
центральным расположением насоса (рис. 3.4) имеет ванну, состоящую из четырех
сдвоенных секций шпарки 3, 4 и 6, входной 9 и поворотной 2
секций. Все секции соединяют между собой с помощью фланцев и болтов, а
стыки герметизируют резиновыми прокладками.
В центре каждой секции шпарки установлен
цилиндрический корпус оросителя 11 с отверстиями в нижней части, через которые
крыльчаткой насоса засасывается вода. Насос приводится во вращение
электродвигателем 10. Над ванной на раме 5 смонтированы
направляющие 8 и звездочки двойного 1 и одинарного 7 узлов
поворота, через которые проходит цепь технологического конвейера с навешенными
тушками птицы. Вода в ванне нагревается острым паром, подаваемым по
паропроводам 13.
Рис. 3.3 а. Унифицированный
двухсекционный аппарат для шпарки кур и цыплят с расположением насосов в
боковых карманах
Рис. 3.3. б - водяной
насос: 1 - кронштейн; 2 - радиальный подшипник; 3 - упорный
подшипник; 4 - корпус подшипников; 5 - клиноременная передача; 6 -
электродвигатель; 7 - вал; 8 - крыльчатка; 9 - сферический
подшипник
Сверху аппарат закрыт крышками 15, 16 и 17,
которые уменьшают запах, а также снижают шум и потери теплоты. Крышки могут
быть подключены к вентиляции цеха. Аппарат устанавливают в линии переработки
бройлеров. Тушки на подвесках заходят во входную секцию 9, и
направляющие 8, воздействуя на подвески, погружают тушку под уровень
воды. Тушки четыре раза проходят через аппарат и после шпарки выходят с другой
стороны входной секции 9.
Производительность этого аппарата до 6000
бройлеров в 1 ч. Мощность электродвигателя одного оросителя 4 кВт, потребление
пара до 196 кг/ч.

Рис. 3.4. Аппарат К7-ФЦЛ-6/5 для шпарки птицы с
центральным расположениемнасоса:
1-
двойной узел поворота; 2 - поворотная секция; 3, 4, 6 - секции
шпарки; 5 - рама; 7 - одинарный узел поворота; 8 - направляющая; 9 -
входная секция; 10 - электродвигатель; 11 - ороситель; 12 -
опора; 13 - паропровод; 14 - сливной патрубок; 15, 16, 17 -
крышки
В аппаратах типа К7-ФЦЛ может быть от одной до
восьми секций. При этом производительность (по бройлерам) меняется от 1000 до
6000 тушек в 1 ч.
В аппаратах фирмы "Сторк" (Голландия)
использован метод интенсификации теплообмена путем перемешивания водяной массы
струями воздуха (барботирование), подаваемого под давлением в нижнюю часть
корпуса.
Аппарат фирмы "Сторк" (Голландия) для
шпарки птицы с барботированием воздуха (рис. 3.5, а) состоит из
металлического корпуса 1, покрытого теплоизоляцией 2. Корпус
разделен перегородками 3 и 4 на продольные секции, через которые
конвейером перемещаются тушки птицы, делая три или четыре хода вдоль аппарата.
Перегородка 3 служит одновременно нагревателем воды, и в нее подается
пар давлением 150 кПа. Верхняя часть аппарата закрыта вытяжной крышкой 6, на
которой установлена воздуходувка 7. Она забирает горячий воздух из-под
крышки и по воздуховоду 8 под давлением подает его к форсунам 9. В
результате создаются турбулентные потоки, обеспечивающие быстрый и равномерный
прогрев поверхности тушки птицы. Пространство между крышкой и корпусом аппарата
закрыто боковыми панелями 5, которые можно легко демонтировать при мойке
и чистке аппарата.
По сравнению с оборудованием, рассмотренным
ранее, аппараты с барботированием воздуха более компактны, они характеризуются
большей вместимостью по продукту (на 1 м3 объема) и меньшими
потерями теплоты в окружающую среду. С исключением механических насосов
упрощается обслуживание аппарата и снижаются энергозатраты.
Для уменьшения расходов воды аппарат разделен на
"грязную" 1 (рис. 3.5, б) и "чистую" 2 секции.
Между ними установлена переходная секция с водяным душем 3, с помощью
которого тушки ополаскиваются.
Аппарат для подшпарки оперения концов крыльев,
головы и шеи индеек (рис. 3.6) имеет ванну 1, в которую по трубе 3 заливают воду.
Вода нагревается острым паром через паровые эжекторы 5, расход в которых
регулируется автоматически регулятором 4 в зависимости от заданной температуры
шпарки. Температуру воды контролируют визуально по термометру и через
термодатчик, связанный с регулятором расхода пара.
Рис. 3.5. Аппарат фирмы "Сторк"
(Голландия) для шпарки птицы с барботированием воздуха:
а - схема
аппарата: 1 - корпус; 2 - теплоизоляция; 3 -
перегородка-нагреватель; 4 - перегородка; 5 - боковые панели; С -
вытяжная крышка; 7 - воздуходувка; 8 - воздуховод; 9 - форсунки; б
- схема расположения корпусов: 1 - "грязная" секция; 2 -
"чистая" секция; 3 - водяной душ; 4 - подвесной путь конвейера
Рама 2 ванны закреплена на четырех стойках
станины 12, выполненных по схеме "труба в трубе". Высоту расположения
ванны в зависимости от вида обрабатываемой птицы регулируют механизмом
винт-гайка. Ходовой винт 8 прикреплен к дну ванны, а гайка установлена в
червячном колесе червячной передачи 9. Червяк передачи вращают вручную
рукояткой 15. Над ванной закреплены две пары направляющих. Верхние направляющие
6 фиксируют тушку, которая перемещается в подвеске на конвейере, а нижние 7
удерживают крылья и головы тушек в воде. Положение направляющих в зависимости
от вида тушек регулируют в горизонтальном и вертикальном направлениях.
Производительность аппарата до 500 тушек в ч.
Рис. 3.6. Аппарат для подшпарки оперения концов
крыльев, головы и шеи индеек: 1 - ванна; 2 - рама; 3 - труба для
подачи воды; 4 - автоматический регулятор расхода пара; 5 -
паровой эжектор; 6 - верхние направляющие; 7 - нижние направляющие; 8
- ходовой винт; 9 - червячная передача; 10 - стойка; 11 -
опора; 12 - станина; 13 - паропровод; 14 - патрубок для
слива воды; 15 - рукоятка
Водоплавающую птицу обрабатывают паровоздушной
смесью в камерах.
Камера для тепловой обработки водоплавающей
птицы показана на рис. 3.7. Корпус камеры 5 покрыт теплоизоляцией
12, снаружи предусмотрены смотровые люки 6, а внутри размещены
подвесной путь 2 и оборотная звездочка 7. Пар поступает в камеру по
трубе 9 и барботируется через отверстия в двух перфорированных трубах 11,
проложенных по дну.
Для ввода и вывода тушек птицы предусмотрена
приставка 4, снабженная двумя дверями 10 и 13 в виде
резиновых фартуков. Двери образуют шлюз, препятствующий выходу пара в
помещение. Для отвода пара на приставке установлен вытяжной зонт 3.
Тушки по подвесному пути поступают в камеру и
проходят по ней дважды. Направляющие 1 поднимают тушку к потолку.
Температура смеси контролируется термометром 8 и подерживается
терморегулятором. Производительность аппарата до 500 тушек в 1 ч при массовом
расходе пара 65кг/ч.
Рис. 3.7 Камера для тепловой обработки
водоплавающей птицы:
1 -
направляющая; 2 - подвесной путь; 3 - зонт; 4 - приставка камеры;
5 - камера;6 - смотровой люк;
- оборотная звездочка; 8 - термометр; 9
- труба для подачи пара; 10, 13 - наружные и внутренние двери; 11
- перфорированная труба; 12 - теплоизоляция
Литература
1. Байболова
Л. К. О расширении ассортимента рубленых мясных изделий / Л. К. Байболова //
Мясная индустрия. - 2007. - № 10. - С. 80-81.
2. Бердников
В. Перспективные бизнес - модели развития компаний мясопродуктового
подкомплекса / В. Бердников // Международный сельскохозяйственный журнал.
-2008. - № 6. - С. 54-56.
. Берегатнова
Е. Роль мясного подкомплекса в системе продовольственной безопасности России /
Е. Берегатнова // Международный сельскохозяйственный журнал. - 2008. - № 3. -
С. 39-40.
. Брызгалина
С. Организационно-экономические факторы повышения эффективности производства
мяса крупного рогатого скота / С. Брызгалина // Международный сельскохозяйственный
журнал. - 2008. - № 6. - С. 57-58.
. Брыкля
О. А. Предприятия разных организационно-правовых форм и их роль в производстве
мясной продукции / О. А. Брыкля // Мясная индустрия. - 2006. - № 11.- С. 15-17.
. Брыкля
О. Формирование конкурентной стратегии развития мясного производства /О. Брыкля
// Международный сельскохозяйственный журнал. - 2007. - № 3. - С. 39-40.
. Булатов
Д. С. Экспорт мясной продукции: новые возможности / Д. С. Булатов //Мясная
индустрия. - 2007. - № 2. - С. 12-13.
. Волова
Л. А. Инновации для переработчиков мяса / Л. А. Волова // Мясная индустрия. -
2007. - № 7. - С. 53-56.
. Гарзанов
А. Л. Современные локальные очистные сооружения для предприятий средней и малой
мощности : материал технической информации / А. Л. Гарзанов // Мясная
индустрия. - 2009. - № 8. -С. 65 - 68.
. Гутник
Б. Е. Проект технического регламента "О требованиях к мясу и мясной
продукции, их производству и обороту" / Б. Е. Гутник, К. С. Янковский //
Мясная индустрия. - 2009. - № 4. - С. 20-22.
. Гущин
В. В. Развитие промышленной переработки мяса птицы в России / В. В. Гущин //
Мясная индустрия. - 2009. - № 6. - С. 10-13.
. Донцова
Н. Т. Качественные и безопасные продукты - основа здорового питания / Н. Т.
Донцова, А. М Сивачева, Т. П Ниценко // Мясная индустрия. - 2009. - № 2. -
С.20-23.
. Жариков
Р. В. Развитие регионального рынка продовольственных товаров / Р. В. Жариков,
М. В. Жарикова // Маркетинг в России и за рубежом. - 2008. - № 3. - С. 116-123.
. Измайлова
С. Приоритетные направления развития производства мясо-молочной продукции / С.
Измайлова, Е. Моисеенко, А. Борисов // Международный сельскохозяйственный
журнал. - 2007. - № 4. - С. 45-47.
. Кайшев
В. Г. Основные тенденции развития мясной индустрии России / В. Г. Кайшев //
Мясная индустрия. - 2007. - № 3. - С. 4-10.
. Климанов
А. К. Современные технологии упаковки птицы / А.К Климанов // Мясная индустрия.
- 2009. - № 4. - С. 40-43.
. Костенко
Ю. Г. Производственный контроль - основа получения
высококачественной
и безопасной мясной продукции / Ю. Г. Костенко, О. А. Матвеев // Мясная
индустрия. - 2009. - № 6. - С. 23-24.
18. Красуля
О. Н. Оптимизация рецептур колбасных изделий в условиях реального времени / О.
Н Красуля, И. Г Панин, В. В Гречишников // Мясная индустрия. - 2009.- № 3. - С.
9-12.
19. Кудрявцев
В. В. Механизм формирования конкурентных преимуществ мясоперерабатывающих
предприятий / В. В. Кудрявцев, А. А. Сидоряк // Пищевая промышленность. - 2006.
- № 10. - С. 42-43.
. Кудрявцев
В. В. Особенности развития рынка мяса и мясных продуктов при вступлении России
в ВТО / В. В. Кудрявцев // Мясная индустрия. - 2006. - № 12. -С. 19-22.