Проектирование здания

  • Вид работы:
    Курсовая работа (т)
  • Предмет:
    Строительство
  • Язык:
    Русский
    ,
    Формат файла:
    MS Word
    821,4 Кб
  • Опубликовано:
    2013-11-24
Вы можете узнать стоимость помощи в написании студенческой работы.
Помощь в написании работы, которую точно примут!

Проектирование здания

1. Описание конструктивной компоновочной схемы здания с необходимыми эскизами

Проектируемое здание - цех по производству оконных и дверных блоков в городе Сочи. Размеры в осях 22 х 122 м.; пролёт 22 м.; шаг основных несущих конструкций 3,3 м.; высота здания от уровня чистого пола до низа стропильных конструкций 7 м.

Рисунок 1.1 - Конструктивная схема здания.

Задаемся ориентировочными размерами колонн

Hк=5,80-0,15=5,65

Высота поперечного сечения колонны:


следовательно:

По таблице п. 2 [1] корректируем высоту, принимаем:

При этом количество досок равно 12 штук.

Находим ширину поперечного сечения колонны по таблице п. 2 [1]:

Принимаем доску 200 и минус на отстрожку 20: bk = 18 см.

Задаемся ориентировочными размерами стропильной балки


Находим высоту стропильной балки на опоре:


из условия:



находим:


Принимаем: Вб =0,3

Делаем проверку:


Принимаем доску 100 мм. и минус 20 мм. на отстрожку.

Задаемся ориентировочными размерами плиты покрытия


Тогда высота ребра плиты будет равна:

hр = 150 -6=144 см.

Тогда высота плиты будет равна:


Принимаем доску 50 мм - 6 мм на отстрожку вр=3,5

Задаемся ориентировочными размерами стеновой панели


Тогда высота ребра панели будет равна:


Тогда высота панели будет равна:


Из условия :

Sp ≥50 см2

Sp= hp∙bp ≥50 см.

Находим: вр=4,6 см. Принимаем вр=4,6 см.

Правило расстановки связевых блоков

1)      Связевые блоки устанавливаются у торцов здания и далее равномерно с расстоянием в свету не более 24 м.

)        При применении плит покрытия применяют связи, в виде деревянных распорок, квадратного поперечного сечения или круглых крестообразных тяжей из арматуры класса А-I диаметром 14 мм.

)        Оптимальный угол наклона связи к несущей конструкции 45º (допускается 30º-60º).

)        Расположение связей в покрытии и по стенам должно совпадать.

Схема расположения связей по оси А.

. Конструктивные и химические меры по защите деревянных конструкций от гниения и возгорания

Защита древесины от гниения: конструктивная защита и химическая защита от гниения

Конструктивная защита от загнивания

Принципом конструктивной защиты деревянных конструкций от гниения является создание для древесины такого температурно-влажностного режима, при котором обеспечивается сохранение ее влажности ниже 20% на все время эксплуатации. Для этого необходимо проводить следующие конструктивные мероприятия.

Несущие деревянные конструкции должны быть открытыми, хорошо проветриваемыми и доступности для периодического осмотра.

Необходимо обеспечивать надежную гидроизоляцию деревянных конструкций и их частей, соприкасающихся с грунтом, фундаментами, бетоном, каменной кладкой и массивными металлическими частями.

Поскольку в толще ограждающих элементов, находящихся в зоне изменения температур, возможно образование конденсата, несущие деревянные конструкции следует располагать либо целиком в пределах отапливаемого помещения, либо вне его. Панели покрытия и стен беспустотной конструкции не должны иметь деревянных элементов в зоне низких температур. Пустотные ограждающие конструкции должны иметь осушающие вентиляционные продухи, обеспечивающие быстрое высыхание древесины. При этом холодный сухой воздух вводится под карниз, а сырой и теплый выпускается у конька.

Деревянные покрытия следует осуществлять с наружным отводом атмосферных вод. Деревянные стены защищаются от косого дождя и снега широким венчающим карнизом или широким свесом. Торцы брусьев или бревен защищают от проникновения влаги посредством обшивки досками.

Деревянные покрытия не рекомендуется устраивать с фонарями верхнего света.

Химическая защита от загнивания

Конструктивных мер для защиты древесины от гниения недостаточно при эксплуатации деревянных конструкций в условиях постоянного или периодического увлажнения. Для таких деревянных конструкций антипсептирование является основным мероприятием по защите от гниения, рассчитанным на весь срок службы древесины.

Антисептическая обработка элементов деревянных конструкций и изделий должна производиться в производственных условиях на специализированном оборудовании.

В случае невозможности централизованного снабжения строительства элементами деревянных конструкций химически защищенными от гниения, допускается проведение антисептической обработки древесины на месте строительства механизированным, а в отдельных случаях и ручными способами.

Вид антисептической обработки древесины выбирается в зависимости от условий эксплуатации деревянных конструкций.

Защита древесины от возгорания: конструктивная защита и химическая защита от возгорания

Конструктивная защита от возгорания

Конструктивными мерами по предотвращению возгорания и интенсивного развития пожара в деревянных зданиях предусматривается применение деревянных конструкций из массивных, преимущественно строганных элементов, - брусьев, бревен, клееных массивных элементов без острых выступающих частей, щелей, трещин, так как элементы деревянных конструкций, имеющие сечение более 100×100 мм., во время активного горения обугливаются со скоростью 0,75-1 мм. в мин, и поэтому такие деревянные конструкции сохраняют свою несущую способность в течение 30-45 мин.

Строящиеся здания должны иметь гладкие стены и потолок без выступающих внутрь помещения деревянных частей, иметь беспустотные ограждающие конструкции с применением в них несгораемых или трудносгораемых утеплителей.

Воздушные прослойки разделяются на отсеки (площадью до 50м2) несгораемыми диафрагмами, не препятствующими осушению полостей.

Деревянные поверхности покрываются огнезащитной облицовкой и штукатуркой, деревянные части отделяются от источников нагрева специальными противопожарными преградами. Деревянные конструкции должны эксплуатироваться при температуре, не превышая 50˚С.

Химическая защита от возгорания

К трудносгораемым относятся деревянные элементы, пропитанные водными растворами огнезащитных солей в цилиндрах под давлением с поглощением сухой соли до 75 кг. на 1 м3 древесины. Однако такая обработка снижает прочность древесины на 10-20%, а при обработке клееных элементов может наступить полная потеря прочности клеевого шва через 1-2 года. Поэтому в последнее время практически отказались от такой обработки.

Более эффективна поверхностная защита древесины от возгорания.

Технология нанесения огнезащитных покрытий, красок и обмазок аналогична нанесению антисептических паст и влагозащитных покрытий. Нанесение покрытий необходимо производить в два или более слоев с тем, чтобы обеспечить требуемый расход. Последующий слой наносится после высыхания предыдущего слоя.

. Расчет клеефанерной плиты покрытия

Определение типа и размера поперечного сечения плиты

Рисунок 3.1 - Конструктивная и расчетная схема панели покрытия.

Сбор нагрузок на плиту

Таблица 1 - Сбор нагрузок на 1 м2 плиты

Наименование нагрузки

qn

γm

q

1. Верхняя фанерная обшивка

7

1,1

7,7

2. Нижняя фанерная обшивка

4,2

1,1

4,6

3. Вес ребер

5,93

1,1

6,52

4. Утеплитель минераловатной плиты

15

1,2

18

5. Пароизоляция 1 слоя руберойда ρ = 5 кг/м2

5

1,3

6,5

6. Гидроизоляционный ковер 4 слоя руберойда Ρ= 20кг/м2

20

1,3

26

7. Итого:

57,13


69,32

8. Вес вспомогательных элементов 10% от итого

5,71


6,93

9. Итого собственный вес плиты

62,84


76,25

10. Снеговая

168


240

11. Всего нагрузка на  плиту

230


316,25


qp  = qpтабл∙ 1,5= 316,25∙1,5=474,4 кгс/м.

qн  = qнтабл∙ 1,5= 230,84∙1,5=346,26 кгс/м.

Определение геометрических характеристик поперечного сечения плиты

враспл∙k

врас=150∙0,9=135 см

n=Eg / Eф = 100 000/90 000=1,1

Рассчитываем приведенную к фанере площадь поперечного сечения.

Fпр=Fфв+Fфн+Fg∙n=(врас∙бфв)+(врас∙бфн)+(4вр∙hр) ∙n

Fпр= 475 см2

Расчитываем приведенный статический момент, поперечного сечения относительно нижней плоскости сечения.

Sфв= Fфв∙(бфн+hр+ бфв/2)

Sфн= Fфн∙ бфн/2

Sg= Fg∙( бфн+hр/2)

Sпр=2092,5+24,3+2021,76∙1,1=4340,74 см3

Sфв=135(0,6+14,4+1/2)=2092,5 см3

Sфн=81∙0,6/2=24,3 см3

Sg=259,2(0,6+14,4/2)=2021,76 см3

Положение нейтральной оси приведенного сечения равно:

y0=Sпр/Fпр

y0=4340,74/501,12=8,66 см

y0>hпл/2

,66>16/2=8

 

Момент инерции

Рассчитываем приведенный к фанере момент инерции сечения

Jпр= Jфв+ Jфн+ Jg∙n

Момент инерции всегда расчитывается относительно центральной оси

Jфв= врас∙ бфв3/12+Fфв(hпл0- бфв/2)2

Jфв= 135∙ 13/12+135(16-8,66-1/2)2=11,25+6316,12=6327,4

Чтобы перенести нейтральную ось отдельно от фигуры, к нейтральной оси всего сечения необходимо прибавить к моменту инерции фигуры Fф∙квадрат расстояния от центра тяжести этой фигуры до нейтральной оси сечения.

Jфн= врас∙ бфн3/12+ Fфн∙( y0- бфн/2)2

Jфн= 135∙ 0,63/12+ 81∙( 8,66- 1/2)2=5663,5

Jg=4вр∙ hр/12+ Fg∙( y0- бфн/2- hр/2)

Jg=4∙4,5∙ 14,43/12+ 259,2∙( 8,66- 0,3- 7,2)=4779,65

Jпр=5662,47+6175,67+4767∙1,1=17082 см4

Приведенный момент верхней обшивки равен

Wфв= Jпр/ hпл - y0

Wфн= Jпр/  y0

Wфв=16770,55/16-8,66=2285 см3

Wфн=16770,55/8,66=1937 см3

 

Определяем максимальное значение изгибающегося момента и по перечной силы

М=qp∙lрас/8

Q= qp∙lрас/2

lрас=B- 2∙5,5

lрас=340-2∙5,5=329см

Расчет по нормальным напряжениям. Прочность растянутой фанерной обшивки проверяется по формуле:

М/ Wфн≤ Rфр∙mф

М=4,74∙3292/8=64132,7

Q= 4,74∙329/2=779,73

,7/779,73=82,24

∙0,6=84

,24<84

Устойчивость сжатой фанерной обшивки следует проверять по формуле:

М/ Wфв∙φср≤ Rфс

64132,7/2285∙0,6=46,77

,77<120

a= впл -4вр/3

a= 150-4∙35/3=45,3 см

45,3/1=45,3 => φф=1-(a/ вфв)2/5000=0,59=0,6

Проверяем верхнюю фанерную обшивку на местный изгиб от сосредоточенного груза m=100 кг., как заделанную в местах приклеивания к ребрам пластин.

М=Р∙a/8

W=a∙ бфв2/6

σ=M/W≤ Rфн∙mw

M=120∙45,3/8=679,5кгс∙см

W=45,3∙12/6=7,55 см3

σ=679,5/7,55=90

<160

τ= Q∙Sфво-о/ Jпр∙4вр≤ Rфск

τ= 779,73∙923,4/ 16770,55∙4∙3,5=3,1≤ Rфск

Sфво-о= Fфв(hпл-y0- бфв2)

Sфво-о=135(16-8,66-1/2)=923,4

τ=3,1

3,1<8

Проверка по дифформации выполняется по формуле:

f≤ lрас/200=329/200=1,645

f=5/384 ∙qн∙ lрас4ф∙∙ Jпр=5/384∙3294/90000∙16770,55= 0,27

,27<1,6

4. Расчет ограждающей стеновой конструкции

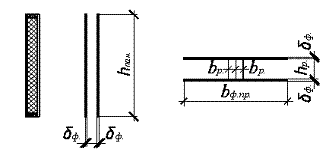
Конструктивная схема стеновой панели

Рисунок 4.1 - Конструктивная схема стеновой панели.

Сбор нагрузок на панель

Таблица 2 - Сбор нагрузок на панель

Наименование нагрузки

qn

γf

q

1. Вес фанеры

20

1,1

22,0

2. Вес ребер

4,5

1,1

3,63

3. Утеплитель

6,60

1,2

7,92

4. Итого:

31,1


33,55

5. Вес вспомогательных элементов 10%

2,95


3,2

6. Итого собственный вес панели

34,05


36,75


Вес ребер:

Vребер= hp∙bp∙B

Vребер= 0,035∙0,1086∙4,5=0,02

m= Vребер∙500=0,02∙500=7∙2=14

Sпан= В ∙ 1,2=4,5∙1,2=5,4

q=m/Sпл=20/6=3,3

Вес утеплителя:

Vутепл=0,67

m=0,67∙50=33,5

Sутепл=4,5∙1,13=5,085

q=33,5/5,1=6,6

Нагрузка от собственного веса с учетом 2-х панелей.

qн= qнт ∙ 2 =34,05∙2=68,1 кг

qр= qрт ∙ 2 =36,75∙2=73,5 кг

qнсв= qн ∙1, 2 = 68,1∙1,2=81,72

qрсв= qр ∙1, 2 = 73,5∙1,2=88,2

Погонная ветровая нагрузка равна:

qнв= qн ∙ 1,2=38∙1,2=45,6

qрв= qнв∙γf = 45,6 ∙1,4=63,84

Определение максимальных значений моментов

Рисунок 4.2 - Расчетная схема стеновой панели.

Qсв=qсвр∙B/2

Qсв=73,5∙4,5/2=165,38 кгс

Qв= qрвр∙B/2

Qв=57,2∙4,5/2=128,7 кгс

Определение геометрических характеристик поперечного сечения панелей

   а)              б)                                в)

Рисунок 4.3 - Сечение стеновой панели.

а) поперечное сечение стеновой панели в вертикальной плоскости;

б) расчетная схема панели при изгибе в вертикальной плоскости;

в) расчетная схема при изгибе в горизонтальной плоскости.

враспан∙φ

врас=1,08 м

Приведенный к фанере момент инерции:

Jпр=2Jф+Jg∙h

Jпр=2∙3807+960,62∙1,11=8680

Jф=(108∙13/12)+108∙(10,86/2+ 1/2)2=9+3797,81=3807

Jq=2вр∙∙hр3/12

Jq=2∙10,863/12=960,62

Wпр=2Jпр/hпан

Wпр=2∙8680/12,86=1350

Проверка прочностей по нормальным напряжениям в растянутой обшивке


где mф - коэффициент, учитывающий соединение листов фанеры по длине панели, равен 0,6.

6,031<140

Проверка на скалывание по шву приклейки фанерной обшивки к ребрам не производим, т.к. из-за малой высоты поперечного сечения панелей расчет на скалывание выполняется всегда.

f≤ lрас/200=0,005

f=5/384 ∙qн∙ lрас4ф∙∙ Jпр=5/384∙0,41∙3294/90000∙3807=14,02*0,01=0,14

,14<1,6

Конструктивная схема стропильной конструкции









                0,08

Сбор нагрузок на стропильную конструкцию

Вес от плит покрытия и снега:

qп.п.н=qтаблн∙В

qп.п.н=230,84∙4,5=1039 кгс/м

qп.п.р=qтабл∙В

qп.п.р=316,25∙4,5=1423 кгс/м

Расчет стропильной конструкции покрытия

От собственного веса балки:

qсв.н=Vб∙ρg/lб

qсв.н=5,784∙500/24=120,5 кгс/м

qсв.р= qсв.н∙γf

qсв.р=120,5∙1,1=132,55 кгс/м

Итого:

qн= qп.п.н+ qсв.н

qн=1039∙120,5=125199,5 кгс/м

qр= qп.п.р+ qсв.р

qр=1425∙132,55=188884 кгс/м

Определение положения опасного сечения

x=lб/2∙lоп/hср

x=(24/2)∙(2,42/2,4)=121,2 см

Определяем геометрические характеристики опасного сечения

hx= hср-ἱ(lб/2-x)

hx=200-1/24,2(2400/2-121,2)=155,77

Wx=(вб∙ hx2)/6

Wx=10∙155,772/6=40440,5

Определяем изгиб момента в опасном сечении

Мх=((qр∙lб)/2)∙х-(qр∙х2)/2

Мх=(18,89∙(2400/2)∙121,2-(18,89∙121,22/2)=2608619,6

Проверку следует производить по формуле

σхx/Wx≤Rg.u.∙mб∙mс

σх=2608619,6/40440,5=64,51<128

Проверка опорного сечения на скалывание

Проверяем условие:


где Qmax - расчетная поперечная сила;

S - статический момент брутто сдвигаемой части поперечного сечения элемента относительно нейтральной оси;

Jоп - момент инерции брутто поперечного сечения относительно нейтральной оси;

B - расчетная ширина сечения.

Qmax=qр∙lб/2

Qmax=1423∙24/2=17076 кгс

S=вб∙hоп2/8

S=10∙2422/8=73205 см 3

Jоп= вб∙hоп3/12

Jоп=10∙2422/12=11810407 см 4

τ=17076∙73205/11810407∙10=10,58

,58<16

Расчет стропильной конструкции по II группе предельного состава

f/l ≤ [ f/l]=f0/k(1+c(hср/l)2)0=5/385∙(qн∙l4)/(Eg∙Jср)0=5/385∙(12,52∙24004)/(100000∙115200000)=0,36ср= вб∙hср3/12ср=100∙2403/12=115200000 см4= 0,15+0,85∙( hоп/ hс)=0,15+0,85∙( 242/ 240)=1,01

c=15,4+3,8∙( hоп/ hс)

с=15,4+3,8∙( 242/ 240)=19,23

f=0,36/1,01(1+19,23(242/2400)2)=0,43

,43/2400=0,00018

Список используемой литературы

.        ГОСТ 39.16.2-96. Фанера общего назначения с наружными слоями из шпон хвойных пород;

.        ГОСТ 8240-89. Швеллеры стальные горячекатаные. Сортамент;

.        ГОСТ 8509-93. Уголки стальные горячекатаные равнополочные. Сортамент;

.        Карлсен Г.Г. Конструкции из дерева и пластмасс.-М: Стройиздат, 1986;

.        Зубарев Г.Н. Конструкции из дерева и пластмасс.-М: "Высшая школа", 1990;

.        СНиП II-25-80. Деревянные конструкции;

.        СНиП 2.01.07-85*. Нагрузки и воздействия.

Похожие работы на - Проектирование здания

 

Не нашли материал для своей работы?
Поможем написать уникальную работу
Без плагиата!
Без нейросетей!