Проектирование 16-этажного 4-секционного жилого дома в г. Гомеле
Введение
Жилищное строительство всегда было важнейшей частью политики государства.
Несмотря на активное строительство в послевоенное время жилищный вопрос еще до
сих пор не решен.
После долгого застоя в промышленности в городе Гомеле наметилась
тенденция к наращиванию объемов строительства, увеличению числа новых рабочих
мест, при качественном совершенствовании жилфонда. Стабилизация экономического
положения населения вызвала увеличение спроса на жилье.
В области имеются свои заводы железобетонных изделий и кирпичные заводы,
поэтому основным направлением проектированием было выбрано строительство жилых
домов из сборного железобетона и жилых кирпичных домов.
В последние годы в число приоритетных задач выдвинулись такие задачи, как
защита жилья от вредных воздействий окружающей городской среды. Для решения
этой проблемы необходимо правильное размещение жилой застройки, выбор типов
домов, ограждающих конструкций.
В данном дипломном проекте рассматривается жилой 16-ти этажный
крупнопанельный дом. Преимущества такого дома перед кирпичным состоит в том
,что он при соблюдении технологии возведения по своей прочности не уступает
монолитному и тем более кирпичному, а также сроки возведения такого жилого дома
короче чем дома с кирпичными конструкциями. На строительстве данного жилого
дома задействуется меньше трудовых ресурсов и капитальных вложений, чем при
строительстве жилого кирпичного дома.
Площадка, отведенная под данное строительство не требует, какой либо
особой конструкции фундаментов. Грунт имеет расчетное сопротивление не ниже
R=235 МПа в основном суглинки и пески.
Основная конструктивная система - стеновая с поперечными внутренними
несущими стенами. Шаг стен принят : 3,0м и 3,6м. Плиты перекрытия укладываются
на комнату, что позволяет избежать неаккуратных швов на потолке. Наружные
стеновые ограждающие конструкции представлены навесными трехслойными панелями с
эффективным утеплением. А также новейшие технологии позволят повысить
архитектурную выразительность фасадов и разнообразить лицо улиц города.
Современные строительные материалы позволят возводить здания повышенной
комфортности.
Новая застройка позволит не только решить жилищную проблему многих
горожан, но и создаст дополнительные рабочие места.
1.
Архитектурно-строительный раздел
.1 Генеральный план
Проектируемый стартовый 16-ти этажный 4-х секционный жилой дом расположен
в Центральной части города Гомеля.
Участок строительства расположен крайней части квартала.
Рельеф участка спокойный. Проект организации рельефа предусматривает
естественный отвод воды с территории жилого дома. В элементах благоустройства
используется асфальтовое покрытие для проездов и плиточное покрытие для
тротуаров и отмосток.
По периметру здания предусмотрен самотечный дренаж из 15-ти колодцев со
сбросом воды в городскую ливневую канализацию.
В квартале расположены ЦТП, ТП, гостевая стоянки на 40 автомашины.
Площадь, которая находится под строительством занимает почти 8892м2,
включая озеленительные зоны, зоны игровых площадок и стоянок для автомобилей.
Возводящееся здание занимает площадь 1520,4м2 и имеет ориентацию
главного фасада на северо-восток, что соответствует меридиональной ориентации,
обеспечивающей наиболее продолжительную инсоляцию здания второго климатического
района.
Комплекс генерального плана включает в себя игровую площадку для детей,
которая обеспечена необходимыми элементами для детских игр. Вблизи игровой
площадки расположена площадка для сушки белья и выбивания ковров, которая
занимает 60 м2.
.2 Технико-экономические показатели по генеральному плану
Площадь территории - 8892м2
Площадь застройки - 1521м2
Площадь озеленения - 3680м2
Площадь дорог и мощенных площадок - 3720м2
Коэффициент застройки - 0,18
Коэффициент использования территории - 0,58
Коэффициент озеленения - 0,42
1.3 Архитектурно - планировочное решение
Многоэтажные жилые дома являются основным типом жилища в городах нашей
страны. Такие дома позволяют рационально использовать территорию, сокращают
протяженность инженерных сетей, улиц, сооружений городского транспорта.
Значительное увеличение плотности жилого фонда (количество жилой площади (м2),
приходящейся на 1 га застраиваемой территории) при многоэтажной застройке дает
ощутимый экономический эффект. Кроме того, их высотная композиция способствует
созданию выразительного силуэта застройки. Правильный выбор этажности застройки
определяет ее экономичность.
В домах с количеством этажей более пяти в связи с обязательным
устройством лифтов и мусоропроводов увеличивается строительная стоимость 1 м2
жилой площади, а затем и эксплуатационные расходы по дому. В то же время
применение в застройке только домов средней этажности приводит к однообразию,
потере масштабности и даже не позволяет достигнуть сверхвысокой плотности
застройки. Поэтому города целесообразно застраивать не только домами средней
этажности, но и домами многоэтажными.
Запроектирован 16-ти этажный 4-х секционный жилой дом по типовому проекту
в сборных конструкциях на 224 квартиры. В том числе:
1
2-х комнатных -
112 или 50 %
2
3-х комнатных -
112 или 50 %
Каждая секция имеет незадымляемую лестничную клетку с вентиляционными
шахтами и два лифта грузоподъемностью 630 и 400 кг - один грузопассажирский,
другой пассажирский, выходящие в лифтовой холл, отделенный от коридоров
перегородками с дверями.
В обеих секциях запроектирован мусоропровод, размещаемый у лифтов с
приемными клапанами на каждом этаже и мусорокамерой в подвальном помещении,
имеющей выход во двор.
Квартиры запроектированы в соответствии с требованиями СНиП
Выход на балкон или лоджию предусмотрен в каждой квартире. В квартирах предусмотрено
расположение раздельных санузлов. Запроектированы кухни и ванные комнаты с
увеличенными размерами.
Несущие стены расположены с таким образом, чтобы они отделяли квартиры от
коридоров и друг от друга, повышая комфортность в части звукоизоляции.
На техническом этаже располагаются лифтовые помещения. Лифтовые помещения
не имеют смежных стен с жилыми помещениями.
Дом оборудован четырьмя раздельными входами выходящими во двор, по одному
на каждую секцию, через которые жильцы попадают на первый этаж. Высота этажа
2,8м от пола до пола.
Вода к зданию поступает через центральный водопровод микрорайона,
канализация присоединена к центральной канализационной сети города равно как и
все остальные инженерные сети здания.
Характеристики здания:
Степень долговечности - II
Степень огнестойкости - I
Класс здания - II
Ориентация - меридиональная.
Отношение рабочей (жилой) площади квартир к общей (полезной) будет равно:
К1 = 10240 / 18048 = 0,57
Значения К1 соответствуют нормативному: К1(0,5-0,75)
Строительный объем надземной части здания составляет 70906м3.
Тогда коэффициент, характеризующий экономическую эффективность здания, равный
отношению строительного объема к его жилой площади будет равен:
K2 = 70906 / 10240 = 6,92 м3/м2
Коэффициент компактности плана, равный отношению периметра наружных стен
к общей площади равен:
K3 = 272,4 м / 1520,64 м2 = 0,186 м / м2 (норм. K3 = 0,16-0,25).
Коэффициент, характеризующий степень насыщенности плана здания,
вертикальными конструкциями, равный отношению конструктивной площади
вертикальной конструкции к площади застройки здания:
K4 = 148,4 / 1520,64 = 0,11 (норм. K4 = 0,1-0,2).
1.4 Технико-экономические показатели по объекту
Строительный объем - 70906 м3.
Приведенная общая площадь (с общественными) - 23392 м2.
Приведенная общая площадь квартир - 18048 м2.
Приведенная жилая площадь - 10240 м2.
Общая площадь без учета летних помещений - 19136 м2.
Площадь летних помещений - 2176 м2.
Отношение строительного объема к приведенной общей площади - 48,51
Отношение площади наружных стен к приведенной общей площади - 0,06
Количество заселяемых людей - 784 человек
Приведенная общая площадь на одного заселяемого - 26,1человека-м2/чел
1.5 Архитектурно - конструктивное решение здания
Проектируемое здание имеет 16-ть этажей. Выполняется из сборного
железобетона и имеет бескаркасную схему с поперечными и продольными несущими
стенами. Основной шаг поперечных несущих стен 3,0 - 3,6м. Ограждающие
конструкции - навесные стеновые панели из керамзитобетона.
Принятая конструктивная схема здания обеспечивает прочность, жесткость и
устойчивость на стадии возведения и в период эксплуатации при действии всех
расчетных нагрузок и воздействий.
Две поперечные внутренние стены спроектированы отдельными панелями,
внутренние продольные стены располагаются так, чтобы объединять по возможности
поперечные стены. Вертикальные нагрузки от перекрытий воспринимаются и
передаются на фундамент основания поперечными и продольными стенами
одновременно.
Стены подвала, расположенные со стороны грунта должны быть защищены сплошной
обмазочной гидроизоляцией, под полом подвала устраивают рулонную гидроизоляцию.
В первую очередь устраивают внешний водосток для отвода атмосферных вод с
территории строительной площадки. После возведения подземной части устроить
водонепроницаемую отмостку шириной не менее 1,0 м.
Этажи перекрываются плитами на комнату опертые по трем сторонам.
Перекрытие состоит из однослойных сплошных плит толщиной 140мм, заводского
изготовления. Плиты лоджий имеют не прямоугольное очертание, также заводского
изготовления из более морозостойкого бетона.
Несущие стены соединяются между собой надпроемными перемычками и диском
плит перекрытия.
За отметку 0,000 условно принят уровень чистого пола первого этажа.
В данном проекте предусмотрены следующие конструкции полов:
Жилые комнаты, проходы - паркет щитовой на мастике по цементно-песчаной
стяжке и звукоизоляционным плитам.
Кухня - линолеум на мастике по цементно-песчаной стяжке и
звукоизоляционным плитам.
Санузлы - керамическая плитка на цементно-песчаном растворе, гидроизоляция
по пенополистирольным плитам.
Лестничные клетки - керамическая плитка на цементно-песчаном растворе.
Лоджии - керамическая плитка на цементно-песчаном растворе.
Лестницы выполнены из сборных элементов.
Ленточный фундамент - сборный ж/б блоки и цокольные панели толщиной
500мм.
Наружные стены - ж/б навесные панели с утеплителем из минераловатных
матов и керамзитобетонным несущим слоем, заводского изготовления толщиной 415
мм.
Внутренние несущие стены - сборные ж/б плиты 180мм
Перегородки - кирпич - 120 мм
Перекрытия - сборные ж/б плиты перекрытия однослойные сплошные толщиной
140 мм.
Центральное отопление - трубы стальные, радиаторы - чугунные секционного
типа .
Отопление и горячее водоснабжение запроектировано из магистральных
тепловых сетей от УТ-1, с нижней разводкой по подвалу. Приборами отопления
служат конвектора. На каждый блок-секцию и каждый встроенный блок выполняется
отдельный тепловой узел для регулирования и учета теплоносителя. Магистральные
трубопроводы и трубы стояков, расположенные в подвальной части здания
изолируются и покрываются алюминиевой фольгой.
Холодное водоснабжение запроектировано от внутриквартального коллектора
водоснабжения с двумя вводами. Вода на каждую секцию подается по внутридомовому
магистральному трубопроводу, расположенного в подвальной части здания, который
изолируется и покрывается алюминиевой фольгой. На каждую блок - секцию и
встроенный блок устанавливается рамка ввода.
Вокруг дома выполняется магистральный пожарный хозяйственно - питьевой
водопровод с колодцами, в которых установлены пожарные гидранты.
Канализация выполняется внутридворовая с врезкой в колодцы
внутриквартальной канализации. Из каждой секции и каждого встроенного помещения
выполняются самостоятельные выпуска хозфекальной и дождевой канализации.
Энергоснабжение выполняется от городской подстанции с запиткой по две
секции двумя кабелями - основной и запасной. Встроенные помещения запитываются
отдельно, через свои электрощитовые. Все электрощитовые расположены на первых
этажах.
На каждой секции устанавливаются радиостойки с устройством радиофидеров
от соседних домов, расположенных вокруг строящихся зданий. В каждой квартире
имеются две радиоточки - на кухне и в зале, а также в кабинетах встроенных
помещений.
На всех блок - секциях монтируются телевизионные антенны, с их
ориентацией на телецентр и установкой усилителя телевизионного сигнала. Все
квартиры подключаются к антенне коллективного пользования.
К каждой блок - секции дома и встроенным блокам из внутриквартальной
телефонной сети подводится телефонный кабель и в зависимости от возможности
городской телефонной станции осуществляется абонентов к городской телефонной
сети.
Мусоропровод внизу оканчивается в мусорокамере бункером - накопителем.
Накопленный мусор в бункере высыпается в мусорные тележки и погружается в
мусоросборные машины и вывозится на городскую свалку отходов. Стены
мусорокамеры облицовываются глазурованной плиткой, пол металлический. В
мусорокамере предусмотрены холодный и горячий водопровод со смесителем для
промывки мусоропровода, оборудования и помещения мусорокамеры. Мусорокамере
оборудована трапом со сливом воды в хозфекальную канализацию. В полу
предусмотрен змеевик отопления. В верху мусоропровод имеет выход на кровлю для
проветривания мусорокамеры и через мусороприемные клапана удаление
застоявшегося воздуха из лестничных клеток, а также дыма в случае пожара. Вход
в мусорокамеру отдельный, со стороны улицы.
В данном дипломном проекте размеры дверей приняты по ГОСТу двери, как
внутренние внутри квартир, так и наружные усиленные. Двери применены как
однопольные, так и двупольные, размером: 2,1 м высотой и 0,9; 0,8; 0,7 м
шириной. Для обеспечения быстрой эвакуации все двери открываются наружу по
направлению движения на улицу исходя из условий эвакуации людей из здания при
пожаре. Дверные коробки закреплены в проемах к антисептированым деревянным
пробкам, закладываемым в кладку во время кладки стен. Для наружных деревянных
дверей и на лестничных клетках в тамбуре - коробки устраивают с порогами, а для
внутренних дверей - без порога. Дверные полотна навешивают на петлях (навесах),
позволяющих снимать открытые настежь дверные полотна с петель - для ремонта или
замены полотна двери. Во избежание нахождения двери в открытом состоянии или
хлопанья устанавливают специальные пружинные устройства, которые держат дверь в
закрытом состоянии и плавно возвращают дверь в закрытое состояние без удара.
Двери оборудуются ручками, защелками и врезными замками. Входные тамбурные
двери в парикмахерской, Бюро путешествий, магазине выполнены из двухслойного
штампованного алюминия рифленой поверхности. Коробки дверей выполняются из
штампованных алюминиевых профилей с креплением анкерами к стенам.
Окна в значительной мере определяют степень комфорта в здании и его
архитектурно- художественное решение. Окна и витражи подобраны по ГОСТу, в
соответствии с площадями освещаемых помещений. Верх окон максимально приближен
к потолку, что обеспечивает лучшую освещенность в глубине комнаты. Основы
витражей т.е. коробки и переплеты выполняются из алюминия, что в 2,5-3 раза
легче стальных, они коррозийностойкие и декоративные. Деревянные конструкции
окон чувствительны к изменению влажности воздуха и подвержены гниению, в связи
с чем их необходимо периодически окрашивать.
Таблица 1.1 Спецификация дверных и оконных блоков.
|
Этаж
|
Обозначение
|
Наименование
|
Размеры
|
Количество на этаж
|
|
Наружные дверные блоки
|
|
1,2 - 16
|
РС 82 01
|
Д 1
|
1469 х 2275
|
8
|
|
1,2 - 16
|
РС 82 01
|
Д 2
|
1340 х 1925
|
8
|
|
Внутренние дверные блоки
|
|
1,2 - 16
|
РС 82 12
|
Д 3
|
1272 х 2071
|
16
|
|
1,2 - 16
|
РС 82 12
|
Д 4
|
870 х 2071
|
40
|
|
1,2 - 16
|
РС 82 12
|
Д 5
|
770 х 2071
|
60
|
|
Оконные проемы и балконные
двери
|
|
1,2 - 16
|
ОТЗ СП 15 - 12
|
ОК 1
|
1143 х 1383
|
16
|
|
1,2 - 16
|
ОТЗ СП 15 - 12
|
ОК 2
|
1953 х 1383
|
40
|
|
2 - 16
|
БТЗ СП 9
|
ОК 3
|
1143 х 1383
|
16
|
|
2 - 16
|
ОТЗ СП 15 - 9
|
ОК 4
|
725 х 1383
|
32
|
1.6 Отделка здания
Внутреннюю отделку квартир не производим.
Отделке подлежат только помещения общего назначения: техэтаж, общие
коридоры, лестничные клетки, лифтовые холлы и вестибюль.
1.Техподполье - цементный - побелка - побелка
2.Общие коридоры, лифтовые холлы, вестибюль - керамическая плитка -
декоративная штукатурка - окраска водоэмульсионная
3.Лестничные клетки керамическая плитка - полимерцементная окраска -
окраска масляная.
4. Чердак, технические помещения - цементный - побелка.
Производим отделку фасадов торкрет-раствором, затем производим окраску
необходимым колером.
1.7 Противопожарные мероприятия
Здание имеет классификацию по пожарной опасности, класса Ф2. Принятые
основные строительные конструкции - несгораемые, обеспечивают пределы
огнестойкости, предусмотренные СНБ 2.02.01 «Противопожарные нормы».
Перекрытия и покрытия, лестничные марши - сборные железобетонные.
Эвакуация осуществляется по незадымляемой лестнице типа Н2 с подпором воздуха.
Лестницы обеспечены естественным освещением через окна в наружных стенах.
Секции отделены друг от друга противопожарными стенами. Лифтовые холлы отделены
от поэтажных коридоров несгораемыми перегородками с дверьми с притворами.
Подвальное помещение имеют два рассредоточенных эвакуационных выхода на улицу.
Проветривание подвала осуществляется специальными вентиляционными продухами. В
здании предусмотрено дымоудаление из коридоров на каждом этаже в соответствии
со СНБ 2.01.0.1 и пожарные краны. Коридор разделен противопожарными перегородками
2-го типа стоящими на расстоянии 13м.
Лестницы выходят на кровлю. Между маршами лестниц предусматривают зазор
шириной не менее 10 мм. В чердаках здания предусмотрены выходы на кровлю,
оборудованные стационарной лестницей.
Все квартиры имеют лоджии. На лоджии оборудованы пожарными лестницами.
На кровле предусмотрена молниезащита.
Двери лестничной клетки - самозакрывающиеся, с уплотнителями.
Эвакуационным выходом является выход первого этажа наружу непосредственно
через вестибюль.
Кольцевой проезд вокруг здания запроектирован шириной 4,5 м на расстоянии
8-10м от стен дома.
1.8 Природоохранные мероприятия после строительства
Запроектированный жилой дом не требует специальных природоохранных
мероприятий. Сброс внутренних стоков предусматривается в городскую фекальную
канализационную сеть. Отвод ливневых вод с территории осуществляется закрытым
дренажем в городскую систему водостока. Возможного источником шума внутри
здания являются лифтовые и кондиционирующие установки. Для снижения шума от
лифтовых установок предусматриваются мероприятия, рекомендуемые техническими
условиями при устройстве лифтов, конструкции лифтовых установок отрезаны от
несущих конструкций здания.
После окончания строительства предусмотрены работы по озеленению
территории.
Озеленение площадки
Посадка деревьев: озеленение площадки предусмотрено выполнить следующими
видами пород деревьев:
липа обыкновенная
лиственница сибирская
рябина обыкновенная
различные виды кустарников
Также предусмотрено выполнить привоз растительного слоя и там где
необходимо посев газонной травы.
Общая площадь газонов составляет около 2834 м2
1.9 Теплотехнический расчет ограждающих конструкций
Теплотехнический расчет производим в соответствии с СНБ 2-04-01-97 «Строительная
теплотехника». Производим расчет слоистых конструкций состоящих из нескольких
слоев, расположенных параллельно внешним поверхностям ограждения.
Определим сопротивление теплопередаче стены жилого дома в Гомеле в панели
из керамзитобетона толщиной 0,235м, минераловатной жесткой плиты на
синтетическом и битумном связующем и фактурного слоя штукатурки толщиной 0,04м.
Характеристики материалов даны на рисунке 1.
Рисунок
1. Наружная ограждающая конструкция.
Сопротивление теплопередаче наружных ограждающих конструкций, Rт,
за исключением заполнений проемов и ограждающих конструкций помещений с
избытками явной теплоты, следует принимать равным экономически целесообразному
Rтэк, определяемому по формуле:
но не менее требуемого сопротивления теплопередаче Rт тр,
определяемого по формуле
и
не менее нормативного сопротивления теплопередаче Rт норм,
приведенного в таблице1
Таблица
1.2. Нормативные сопротивления теплопередаче.
|
Ограждающие конструкции Rт
норм,кв.м•°С/Вт,
|
Нормативное сопротивление
теплопередаче
|
|
А Строительство 1 Наружные
стены крупнопанельных, каркасно-панельных и объемно-блочных 2 Чердачные перекрытия и перекрытия над проездами
|
2,5 3,0
|
где Rт тр - требуемое сопротивление теплопередаче, кв.м°С/Вт,
определяемое по формуле
tн - расчетная зимняя температура наружного воздуха, °С,
принимаемая по таблице 4.3 с учетом тепловой инерции ограждающих конструкций D
(за исключением заполнений проемов) по таблице 5.2;
n - коэффициент, учитывающий положение наружной поверхности ограждающей
конструкции по отношению к наружному воздуху, принимаемый по таблице 5.3;
ав - коэффициент теплоотдачи внутренней поверхности ограждающей
конструкции, Вт/(кв.м•°С), принимаемый по таблице 5.4;
tв - расчетный перепад между температурой внутреннего воздуха и
температурой внутренней поверхности ограждающей конструкции, °С, принимаемый по
таблице 5.5;
Стэ - стоимость тепловой энергии, руб/ГДж, принимаемая по
действующим ценам;
Zот - продолжительность отопительного периода, сут.,
принимаемая по таблице 4.4;
Tн от - средняя за отопительный период температура наружного
воздуха °С, принимаемая по таблице 4.4;
См - стоимость материала однослойной или теплоизоляционного
слоя многослойной ограждающей конструкции, руб./м3, принимаемая по действующим ценам;
l - коэффициент теплопроводности материала однослойной или
теплоизоляционного слоя многослойной ограждающей конструкции в условиях
эксплуатации согласно таблице 4.2, Вт/(м°С).
Тепловую инерцию ограждающей конструкции D следует определять по формуле
D = R1 × s1 + R2 × s2 + ... + Rn × sn,
где - R1, R2, ... , Rn - термические
сопротивления отдельных слоев ограждающей конструкции, м2°С/Вт, определяемые по формуле:
где
d - толщина слоя, м;
l - коэффициент
теплопроводности материала однослойной или теплоизоляционного слоя многослойной
ограждающей конструкции в условиях эксплуатации согласно таблице 4.2, Вт/(м°С).1,
s2, ... , sn - расчетные коэффициенты теплоусвоения
материала отдельных слоев ограждающей конструкции в условиях эксплуатации,
Вт/(кв.м•°С).
Расчетный коэффициент теплоусвоения воздушных прослоек принимается равным
нулю. Слои конструкции, расположенные между воздушной прослойкой, вентилируемой
наружным воздухом, и
наружной поверхностью ограждающей конструкции, не учитываются.
Определим, удовлетворяет ли теплофизическим требованиям стена жилого дома
климатическим условиям г.Гомеля.
Определяем требуемое сопротивление стены теплопередаче
Rтр
0 = ( tв - tн
)n / tн Rв
Rтр
0 = (18 + 28) × 1 / 6 × 8,7 = 0,88 м2×С0/Вт;
Находим толщину утеплителя:
R0
= 1 / aв + d1 / l1 + d2 / l2 + d3 / l3 + 1 / aн;
d2 = (R0н - (1 / aв + d1 / l12 + d3 / l3 + 1 / aн) l2 ) 0,06 = 0,124 м
Принимаем d2=0,14 м
Определяем характеристику тепловой инерции стены по формуле
D = R1 × s1 + R2 s2 + R3 s3 = 0,043 × 10,05 + 2,33 + 0,48 + 4,88
0,255=2,79 т.е. стена относится к конструкциям средней массивности.
Принимаем расчетную температуру наружного воздуха tнар = -28 0С;
R0
= 1 / aв + d1 / l1 + d2 / l2 + d3 / l3 + 1 / aн = 2,79 м С0/Вт
Так как R0 = 2,79 м С0/ Вт > Rтр 0 = 2,5 м С0/Вт, то
следовательно стена удовлетворяет климатическим условиям г.Гомеля.
Определим сопротивление теплопередаче участка перекрытия жилого дома в
Гомеле в пакете из железобетона толщиной 0,22м, минераловатной жесткой плиты на
синтетическом и битумном связующем толщиной 0,12м и фактурного слоя штукатурки
толщиной 0,015м.
Определим, удовлетворяет ли теплофизическим требованиям покрытие жилого
дома климатическим условиям г.Гомеля.
Определяем требуемое сопротивление стены теплопередаче
Rтр
0 = ( tв - tн
)n / tн Rв
Rтр
0 = (18 + 28) × 1 / 6 × 8,7 = 0,88 м2×С0/Вт;
Находим толщину утеплителя:
R0
= 1 / aв + d1 / l1 + d2 / l2 + d3 / l3 + 1 / aн;
d2 = (R0н - (1 / aв + d1 / l12 + d3 / l3 + 1 / aн) l2 ) 0,06 = 0,234 м
Принимаем d2=0,24 м
Определяем характеристику тепловой инерции стены по формуле
D = R1 s1
+ R2 s2 + R3 s3 =0,012 × 18,958+2,823 × 1,7+0,0197 × 11,09 = 3,24
т.е. стена относится к конструкциям средней массивности.
Принимаем расчетную температуру наружного воздуха tнар = -28 0С;
R0
= 1 / aв + d1 / l1 + d2 / l2 + d3 / l3 + 1/aн = 3,07 м С0/Вт
Так как R0 = 3,07 м С0/Вт > Rтр 0 = 3,0 м С0/Вт, то
следовательно покрытие удовлетворяет климатическим условиям г.Гомеля.
Характеристики материалов даны на рисунке 2.
Рисунок
2. Плита покрытия.
Запроектированные наружные ограждающие конструкции удовлетворяют всем
теплотехническим требованиям:
Обладают достаточными теплозащитными свойствами, чтобы лучше сохранять
теплоту в помещениях в холодное время года или защищать от перегрева в летнее
время. Не имеют при эксплуатации на внутренней поверхности слишком низкую
температуру, значительно отличающуюся от температуры внутреннего воздуха, во
избежание образования в ней конденсата и охлаждения тела человека от
теплопотерь излучением. Обладают воздухонепроницаемостью не выше установленного
предела, выше которого воздухообмен будет понижать теплозащитные качества
ограждения и охлаждать помещение, вызывая у людей, находящихся вблизи
ограждения, ощущение дискомфорта
Сохраняют нормальный влажностный режим, так как увлажнение ограждения
ухудшает его теплозащитные свойства, уменьшает долговечность и ухудшает
температурно-влажностный климат в помещении.
1.10 Расчет естественного освещения при боковом источнике
света
Для оценки условий освещения, создаваемых источником света, пользуются
коэффициентом естественного освещения. Пользуемся графическим методом
разработанным А.М.Данилюком.
Итоги расчетов сводим в таблицу.
К.Е.О. = ( n1 × n2 / 100 × q + R × K ) r r0 :
К.Е.О. - коэффициент естественной освещенности, находим по формуле,
n1 - количество световых лучей по
вертикальной плоскости, определяем по графику I Данилюка,
n2 - количество световых лучей по
горизонтальной плоскости, определяем по графику II Данилюка,
q -
коэффициент, учитывающий неравномерную яркость облачного небосвода,
определяется в зависимости от угла Q между линией рабочей плоскости и линией соединяющей исследуемую точку с
оптическим центром светопроема,
R -
коэффициент, учитывающий свет, отраженный от противостоящего здания, если оно
имеется, R = n1 n2 / 100 где n1,n2 количество соответственно теневых
лучей,
K -
коэффициент, учитывающий относительную яркость противостоящего здания,
принимаем по таблице СНиП,
R -
коэффициент, учитывающий повышение К.Е.О., при боковом освещении благодаря
свету, отраженному от внутренних поверхностей и подстилающего слоя,
прилегающему к зданию, зависит от параметров рассматриваемой комнаты,
r0
- общий
коэффициент светопропускания, принимаем по таблице СНиП.
Таблица 1.3. Расчет естественного освещения
|
№п.п.
|
L
|
Q
|
q
|
n1
|
Nno
|
n2
|
|
r
|
|
ер
|
ен
|
|
|
1
|
1,0
|
40
|
0,98
|
12
|
8
|
80
|
9,6
|
1,05
|
|
4,74
|
|
удовл.
|
|
2
|
2,0
|
31
|
0,88
|
7
|
14
|
58
|
4,06
|
1,1
|
|
1,89
|
|
удовл.
|
|
3
|
3,0
|
29
|
0,86
|
5
|
21
|
40
|
2
|
1,25
|
0,48
|
1,03
|
0,5
|
удовл.
|
|
4
|
4,0
|
20
|
0,72
|
2
|
28
|
34
|
0,68
|
1,6
|
|
0,38
|
|
неудовл.
|
|
5
|
5,0
|
18
|
0,7
|
2
|
34
|
26
|
0,52
|
1,9
|
|
0,33
|
|
неудовл.
|
В данной комнате по расчету необходимо применять комбинированное
освещение, у стены противоположной оконному проему обязательно повесить
светильники.
Рисунок
3. Расчет естественного освещения при боковом источнике света(вид сверху).
Рисунок
4. Расчет естественного освещения при боковом источнике света (разрез).
2. Проект
организации строительства
2.1
Характеристика условий строительства
Частичная застройка предназначена для решения проблем жилья в г.Гомеле. В
состав основных объектов входят 3 четырехсекционных жилых дома, помещение под
аптеку и магазин, детский ясли сад, трансформаторная подстанция.
Рельеф участка спокойный. Проект организации рельефа предусматривает
естественный отвод воды с территории жилого дома. В элементах благоустройства
используется асфальтовое покрытие для проездов и плиточное покрытие для
тротуаров и отмосток.
По периметру здания предусмотрен самотечный дренаж из 15-ти колодцев со
сбросом воды в городскую ливневую канализацию.
В квартале расположены ЦТП, ТП, гостевая стоянки на 40 автомашины.
Площадь, которая находится под строительством занимает почти 8892м2,
включая озеленительные зоны, зоны игровых площадок и стоянок для автомобилей.
Возводящееся здание занимает площадь 1520,64 м2 и имеет ориентацию
главного фасада на северо-восток, что соответствует меридиональной ориентации,
обеспечивающей наиболее продолжительную инсоляцию здания второго климатического
района.
Комплекс генерального плана включает в себя игровую площадку для детей,
которая обеспечена необходимыми элементами для детских игр. Вблизи игровой
площадки расположена площадка для сушки белья и выбивания ковров, которая
занимает 60 м2.
2.2 Календарный план строительства
Календарный план по застройке пустыря предусматривает возведение
3-четырехсекционных жилых дома, помещение под аптеку и магазин, детский ясли
сад, трансформаторная подстанция, внешних коммуникаций, благоустройство и
озеленение территории. Все работы планируются в укрупненном виде (по отдельным
объектам)
Расчет стоимости внешних коммуникаций ведется в табличной форме.
Таблица 2.1. Расчет стоимости строительства внешних коммуникаций
|
№ п/п
|
Наименование камуникаций
|
Длинна, км
|
Стоимость, тыс. руб.
|
|
|
|
|
1 км
|
Всего
|
|
1
|
Электросети
|
1,2
|
20,0
|
24
|
|
2
|
Автодороги
|
1,2
|
120,0
|
144
|
|
3
|
Водопроводные сети
|
1,2
|
30,0
|
36
|
|
4
|
Теплосети
|
1,2
|
70,0
|
84
|
|
5
|
Сети канализации
|
1,2
|
60,0
|
72
|
|
6
|
Сети связи
|
1,2
|
5,0
|
55
|
|
7
|
Радиосети
|
1,2
|
0,5
|
0,6
|
|
8
|
Газопроводы
|
1,2
|
20,0
|
24
|
|
|
Всего
|
|
|
439,6
|
Таблица 2.2. Титульный список строительства
|
№ п/п
|
Наименование зданий и
сооружений
|
Стоимость, тыс. руб.
|
|
|
Всего
|
В т.ч. СМР.
|
|
1
|
16-этажный жилой дом
|
80474,1
|
60355,575
|
2.3 Календарный план на подготовительный период строительства
В подготовительный период строительства выполняются следующие работы:
1 общеплощадочные;
2 устройство постоянных инженерных
сетей и дорог;
3 возведение постоянных и временных
зданий и сооружений, используемых в период строительства.
Таблица 2.4. Календарный план на подготовительный период строительства
|
Название объектов и работ
|
Обем СМР, тыс.руб
|
Распределение работ по
месяцам строительства
|
|
Всего
|
В т.ч. монтаж оборудования
|
|
|
|
|
|
|
1
|
2
|
3
|
|
Общеплощадочные работы
|
3636,7
|
-
|
1536,7
|
2100
|
-
|
|
Название объектов и работ
|
Обем СМР, тыс.руб
|
Распределение работ по
месяцам строительства
|
|
Всего
|
В т.ч. монтаж оборудования
|
|
|
|
|
|
|
1
|
2
|
3
|
|
Постоянные инженерные сети
и дороги
|
8,8
|
-
|
-
|
8,8
|
-
|
|
Постоянные здания и
сооружения используемые в период строительства
|
16365,3
|
-
|
6365,3
|
5000
|
5000
|
|
|
|
|
|
|
|
Временные сооружения
|
490 9,6
|
-
|
404,8
|
1198
|
3306,8
|
|
Итого
|
24920,4
|
|
8306,8
|
8306,8
|
8306,8
|
2.4 Строительный генеральный план
Стройгенплан - это чертёж, который показывает образец обустройства
строительной площадки в период ведения строительных работ основного периода.
Разработан с учетом возведения основных зданий и сооружений, объединенных
системой инженерных сетей.
Потребность во временных зданиях и сооружениях определяется на расчётное
количество рабочих, служащих, ИТР, МОП и работников охраны.
Расчётное количество рабочих принимается равным максимальному числу на
графике потребности рабочих на объекте при расчёте площадей гардеробных, и
равным максимальному числу рабочих в одну смену при расчёте площадей других
объектов временного строительного городка.
Нормативная площадь территории временного городка в расчёте на одного
рабочего должна лежать в пределах 8-36 м2.
Помещения для обогрева рабочих должны быть расположены на расстоянии не
более 150 м от рабочих мест. Пункты питания должны быть удалены от туалетов и
мусоросборников на расстояние не менее 25 м и не более 600 м от рабочих мест.
Медпункт надо располагать не далее 800 м от рабочих мест.
Расстояние от туалетов до наиболее удалённых мест внутри здания не должно
превышать 100 м, до рабочих мест вне здания - 200 м.
В городке должно быть предусмотрено место для отдыха и курения рабочих.
Ввиду того, что работы по монтажу ведутся со склада, требуются складские
помещения открытого типа.
Расчёт потребности в воде производится для периода с наибольшим
водопотреблением для производственных, хозяйственных и противопожарных целей.
Противопожарная (постоянная) водопроводная сеть должна быть закольцована,
и на ней располагают пожарные гидранты на расстоянии не далее 150 м один от
другого. Расстояние от гидрантов до здания должно быть не менее 5 м и не более
50 м, а от края дороги - не более 2 м.
Общие требования к проектированию временного электроснабжения
строительного объекта: обеспечение электроэнергией в потребном количестве и
необходимого качества, гибкость электрической схемы, надёжность, минимальные
потери в сети.
Временные трансформаторные подстанции следует располагать в центре
электрических нагрузок и не далее 250 м от потребителя. Временные
внутрипостроечные дороги одностороннего движения имеют ширину проезжей части
3,5 м и радиусы закругления 12 м.
При проектировании стройгенплана были предусмотрены мероприятия по охране
окружающей среды: сохранение почвенного слоя, соблюдение требований к
запылённости и загазованности воздуха, очистке бытовых и производственных
стоков и другие.
2.5 Организационно-технологическая схема возведения зданий и
сооружений.
Технология и организация выполнения основных строительных работ зависит
от конструктивных особенностей сооружаемого комплекса, мощности строительной
организации и ее оснащенности, а также от климатических условий района
строительства.
Технология и организация устанавливаются по отдельным комплексам работ
(земляные, монтажные, бетонные и т.д.).
Во всех случаях должна быть предусмотрена поточность выполнения основных
строительно-монтажных работ.
2.6
Ведомость объемов основных строительных, монтажных и специальных строительных
работ
Объемы строительных работ определяют в натуральных измерителях чаще всего
исходя из сметной стоимости строительно-монтажных работ и нормативных
показателей на единицу сметной стоимости.
2.7
Ведомость потребности в строительных конструкциях, изделиях, материалах и
оборудовании
Потребность в основных материалах, конструкциях, деталях и оборудовании
по годам и кварталам строительства заносим в ведомость. Расчет, ведем исходя из
объемов работ на объекте с использованием действующих норм расхода строительных
материалов.
2.8
Потребность в основных строительных машинах, механизмах, транспортных
средствах, энергоресурсах и воде
Потребность в основных строительных машинах и механизмах и транспортных
средствах по строительству в целом назначается, исходя из наличной номенклатуры
машин в строительной организации. Она назначается также в зависимости от
объемов работ, перевозок грузов, норм выработки, технических характеристики
возможностей строительных машин и транспортных средств.
Определяют исходя из стоимости СМР на 1 млн. у.е. и нормативных
показателей.
Таблица 2.5
Потребность в основных строительных машинах и механизмах
|
Наименование
|
Необходимое кол-во
|
|
на 1 млн. у.е.
|
всего
|
|
Экскаваторы: одноковшовые
|
1,06
|
1,93
|
|
многоковшовые
|
0,09
|
0,16
|
|
Скреперы
|
1,2
|
2,18
|
|
Бульдозеры
|
1,5
|
2,73
|
|
Автогрейдеры
|
0,15
|
0,27
|
|
Сваебойное оборудование
|
0,16
|
0,29
|
|
Бурильные машины
|
0,12
|
0,22
|
|
Погрузчики
|
1,62
|
2,95
|
|
Автопогрузчики
|
0,17
|
0,31
|
|
Компрессоры
|
13,33
|
24,24
|
|
Электростанции
|
31,37
|
57,04
|
|
Краны, всего
|
26,42
|
48,04
|
|
стреловые
|
19,62
|
35,68
|
|
башенные
|
6,8
|
12,36
|
|
гусеничные
|
8,65
|
15,73
|
|
пневмоколесные
|
4,85
|
8,82
|
|
железнодорожные
|
0,36
|
0,65
|
|
автомобильные
|
5,76
|
10,47
|
|
Краны тракторные
|
0,49
|
0,89
|
|
Трубоукладчики
|
5,4
|
9,82
|
|
Подъемники строительные
|
0,25
|
0,45
|
Потребность в транспортных средствах исходя из годовой стоимости
СМР на наиболее напряженный год строительства.
Таблица 2.6. Потребность в транспортных средствах
|
Наименование
|
Необходимое кол-во
|
|
на 1 млн. у.е.
|
Всего
|
|
Автотранспорт
|
|
|
|
- самосвальный:
|
|
|
|
автомобили
|
36,51
|
66,39
|
|
прицепы
|
4,32
|
7,86
|
|
полуприцепы
|
5,09
|
9,26
|
|
Автотранспорт
|
|
|
|
- бортовой:
|
|
|
|
автомобили
|
6,89
|
12,53
|
|
прицепы
|
0,68
|
1,24
|
|
полуприцепы
|
0,92
|
1,67
|
|
Специализированный
|
18,54
|
33,71
|
|
Автомобильные прицепы:
|
|
0,00
|
|
- бортовые полуприцепы
|
20
|
36,37
|
|
- прицепы
|
10
|
18,18
|
|
- саморазгружающиеся
|
15
|
27,28
|
|
Тяжеловозы
|
0,4
|
0,73
|
|
Тракторы гусеничные
|
0,93
|
1,69
|
|
Тракторные прицепы
|
2,3
|
4,18
|
|
Мотовозы
|
0,09
|
0,16
|
Потребность в энергоресурсах и воде определяется на наиболее
напряженный год строительства, исходя из годовой стоимости СМР.
Потребность в электроэнергии, топливе и паре определяем по формуле
Рп = К1Р,
воде, сжатом воздухе и кислороде
Вп = К2В.
Т.к. площадь застройки менее 50 га ,то потребность в воде составляет 20
л/с. Результаты расчетов сводим в таблицу.
Таблица 2.7. Потребность в энергоресурсах и воде
|
Показатель
|
Электро-энергия,
|
Топ-ливо,
|
Пар,
|
Вода
|
Сжатый воздух
|
Кисло-род,
|
|
кВА
|
тонн
|
кг/ч
|
л/с
|
шт. ком-прессор.
|
м3
|
|
на 1 млн. у.е.
|
290,00
|
132,00
|
930,00
|
21,03
|
2,70
|
470,00
|
|
на годовой объем
|
1276,00
|
580,80
|
4092,00
|
92,53
|
11,88
|
2068,00
|
|
с учетом коэф-фициентов
|
1301,52
|
592,42
|
4173,84
|
95,31
|
12,24
|
2130,04
|
2.9
Потребность в рабочих кадрах, жилье и социально-бытовом обслуживании строителей
Число рабочих, занятых в основном производстве находим по формуле
Nоп = S/TWK,
где S - стоимость СМР в наиболее
загруженный год, у.е.;
T -
количество рабочих дней в году при пятидневной рабочей неделе, Т = 260;
W -
среднегодовая выработка одного рабочего на СМР;
K -
коэффициент, учитывающий ежегодное повышение
производительности труда, К = 1,05.
Nоп =8047410/(260х44х1,1) = 640 чел.
Число рабочих, занятых в не основном производстве принимаем 15% от общего количества рабочих,
занятых в основном производстве
Nнп = 0,15 × 640 = 96 чел
Общее число рабочих составит Nр = 640 + 96 = 736 чел.
Находим удельный вес отдельных категорий специалистов в общем количестве
работающих на сооружении объектов. Общее число работающих определяем с учетом
дополнительных 5% на
отпуска и болезни. Результаты расчета сводим в таблицу.
Таблица 2.8. Потребность в рабочих кадрах
|
Наименование
|
Удельный вес,
|
Числен-ность, чел.
|
С учетом 5, чел.
|
|
Рабочие
|
83,9
|
618
|
648
|
|
инженерно-технические
работники
|
11
|
81
|
85
|
|
служащие
|
3,6
|
26
|
28
|
|
МОП и охрана
|
1,5
|
11
|
12
|
|
736
|
773
|
2.10
Потребность в инвентарных зданиях и временных сооружениях
Потребность в административных и санитарно-бытовых зданиях определяем на
основе числа работающих в наиболее многочисленной смене, а в складских
помещениях по нормативным показателям на 1 млн. у.е. СМР.
Таблица 2.9. Потребность в инвентарных зданиях и временных
сооружениях.
|
Характеристика сооружений
|
Расчет требуемой площади, м2
|
|
предназначение
|
наименование
|
|
|
Санитарно-бытовое
|
Гардеробная
|
S=SнNp
|
51
|
|
Душевая
|
S=SнNp'
|
49
|
|
Умывальная
|
S=SнN
|
22
|
|
Сушилка
|
S=SнNp'
|
12
|
|
Столовая, буфет
|
S=SнN'
|
315
|
|
Помещение для обогрева
|
S=SнNp'
|
6
|
|
Уборная
|
S=SнмNм'+SнжNæ'
|
30
|
|
Здравпункт
|
IY категория
|
до 70 м2
|
|
Административное
|
Контора
|
S=SнNсл
|
2751
|
|
Красный уголок
|
S=SнN'
|
251
|
|
Диспетчерская
|
S=SнNд
|
7
|
В таблице:
Sн - нормативный показатель площади
здания данного
типа (табл.8 [6]);
Nр - общее число рабочих, чел.;
Np' - число рабочих в наиболее многолюдную смену,
N' -
число работающих в наиболее многочисленную смену,
Sнм и Sнж - нормативные показатели площади для мужчин
и женщин (0,7 и 1,4 соответственно);
Nм' и Næ' - число мужчин и женщин в наиболее
многочисленную смену соответственно,
Nсл - число ИТР, служащих и МОП.
Nд - количество диспетчеров.
Потребность в складских помещениях и зданиях определяется исходя из
объемов СМР в наиболее напряженный год строительства.
2.11
Инструментальный контроль за качеством сооружений
В главе "Правила производства и приемки работ" [4] приводятся
современные технологии выполнения процессов, правила контроля качества, приемки
работ с указанием допускаемых отклонений, правила техники безопасности и др.
Качество выполненных работ проверяют в соответствии с "Инструкцией по
оценке качества строительно-монтажных работ" [5].
Строительство должно вестись в соответствии с рабочими чертежами,
допущенными к выполнению работ. Все отступления от чертежей должны быть
согласованы с проектной организацией.
Качество выполняемых работ оценивают согласно инструкции по оценке
качества СМР (СН-378-77). Обеспечить непрерывный контроль качества всех видов
работ помогают "Схемы операционного контроля качества".
Технология комплексных процессов зависит от времени года. В зимний период
многие строительные работы - кладку, бетонирование, оштукатуривание и т.д. -
необходимо вести с учетом влияния отрицательных температур; весной и осенью
необходимо считаться в большей степени с дождями, порывистым ветром и их
последствиями. Поэтому в специальных инструкциях содержаться указания об
особенностях производства работ в различные периоды года и в особых
климатических и региональных условиях.
Все конструкции и материалы, поступающие на объект, должны проходить
контрольные проверки и испытания на соответствие Госстандартом, техническим
условиям, требованиям рабочих чертежей, паспортам и другим документам,
подтверждающим качество их изготовления, а также на выполнение правил разгрузки
и сохранения.
3. Расчетно-контруктивный раздел
3.1 Расчет плиты перекрытия и внутренней несущей беспроемной
стены
Плита имеет параметры 6,0х3,4м. Оперта на несущие стены по трем сторонам.
Внутренняя несущая беспроемная стена имеет параметры: высота 49,3м. , ширина
6,3м., толщина 0,18м. Жестко защемлена в фундамент.
Рисунок 3.1.1 - Конструктивная схема перекрытия
Рисунок
3.1.2 - Конструктивная схема стены
3.1.1
Сборная плита перекрытия сплошного сечения
Исходные
данные:
Плита толщиной 140мм в конструктивной ячейке 6,0´3,4м сборного здания с внутренними
панельными стенами и навесными фасадными панелями.
Расчетная схема плиты - плита защемлена по трем сторонам и не имеет опор
по четвертой стороне.
Расчетные пролеты : l1 = 6000-140=5860мм; l2 =3400-140/2=3310мм, где 140мм - толщина стен.
Соотношение сторон плиты l1/l2=5860/3310=1,8 > 1,5 - плита работает на изгиб в одном
направлении.
Рисунок
3.1.3. Расчетная схема плиты.
Материалы
для плиты.
Бетон
Бетон
тяжелый класса В20, Rbn = Rb,ser = 15МПа, Rb,tn= Rb,ser= 1,4МПа, Rb=11,5 МПа, Rbt=0,9 МПа, коэффициент условия работы бетона
=0.9
Плита
подвергается тепловой обработке при атмосферном давлении. Начальный модуль
упругости Еb = 24 × 103 МПа. К
трещиностойкости плиты предъявляются требования 3-й категории. Технология
изготовления плиты - агрегатно - поточная. Натяжение напрягаемой арматуры
осуществляется электротермическим способом.
Арматура
- преднапрягаемая: стержни периодического профиля класса A-IV Rs = 510МПа, Rsn=Rs,ser=590МПа , Es = 19 × 104
МПа.
- ненапрягаемая: проволочная арматура класса Вр-I Rs=365МПа, Rsw =
265МПа, Es = 17 × 104 МПа.
Таблица 3.1.1.Нагрузка на 1 м2 перекрытия в кН
|
Вид нагрузки
|
qнор, кН/м2
|
gf
|
qрас, кН/м2
|
|
1. Линолеум d=3 мм r= 1800 кг/м3
|
0,063
|
1,3
|
0,082
|
|
2. Цементно - песчаная
стяжка d=20 мм r= 1800 кг/м3
|
0,63
|
1,3
|
0,82
|
|
3. Древесно - волокнистая
плита d=50 мм r= 550 кг/м3
|
0,050
|
1,3
|
0,065
|
|
4. Железобетонная плита d=140 мм r= 2500 кг/м3
|
3,5
|
1,1
|
3,85
|
|
Итого постоянная q
|
4,243
|
|
4,816
|
|
Временная нагрузка v
|
1,500
|
1,3
|
1,950
|
|
в том числе длительная vL
|
0,300
|
1,3
|
0,390
|
|
Кратковременная vsh
|
1,200
|
1,3
|
1,560
|
|
Полная нагрузка q+v
|
5,743
|
|
6,616
|
Рисунок
3.1.4. Расчетная схема
Расчетные
нагрузки с учетом коэффициента надежности по назначению
=0.95:
Ширина
расчетной полосы 1,0м.
=0,95´4,816=4,575 кН/м
=0,95´4,243=4,03кН/м
=0,95´6,616=6,285кН/м
=0,95´5,743=5,456кН/м
=0,95´4,543=4,316кН/м
Расчет плиты по предельным состояниям первой группы.
Расчетные пролеты : l2 =3400-140/2=3310мм, где 140мм -
толщина опорной стены.
Поперечное конструктивное сечение плиты заменяем эквивалентным
прямоугольным сечением:
h
=14см , hо = 11см , b =100см.
Плита рассчитывается как защемленная балка, загруженная равномерно -
распределенной нагрузкой.
Усилия от расчетной полной нагрузки:
изгибающий момент на опорах
5,738 кНм
изгибающий
момент в середине пролета
2,869 кНм
поперечная
сила в опорах
10,402 кН
Рисунок
3.1.5. Усилия от расчетной полной нагрузки
Расчетным
моментом принимаем наибольший, т.е. момент на опорах и далее будем искать
только расчетные величины.
Усилия
от нормативной нагрузки:
изгибающий
момент на опорах
4,981 кНм
Усилия
от постоянной и длительной нагрузки:
изгибающий
момент на опорах
3,94 кН*м
Расчет
по прочности сечения, нормального к продольной оси плиты.
При
расчете по прочности расчетное поперечное сечение плиты прямоугольное.
0,0458
При
Граничная
относительная высота сжатой зоны определяется по формуле:
где
МПа при
Величина
должна удовлетворять условию:
При
электротермическом способе натяжения
МПа
где
l - длина натягиваемого стержня с учетом закрепления
его на упоры.
Условие
при
МПа удовлетворяется.
Значение
вводится в расчет с коэффициентом точности натяжения
арматуры
, определяемым по формуле:
По
формуле при электротермическом способе натяжения величина
Число
напрягаемых стержней принимаем равным
. Тогда
При
благоприятном влиянии предварительного напряжения
Предварительное
напряжение с учетом точности натяжения
МПа
Потери
от начального предварительного напряжения
где
принимается при коэффициенте
.
При
электротермическом способе эти потери равны нулю, поэтому
МПа
МПа
Так
как
, то площадь сечения растянутой арматуры определяется
по формуле:
где
- коэффициент условий работы арматуры, учитывающий
сопротивление напрягаемой арматуры выше условного предела текучести.
По
формуле:
Для
арматуры класса А-IV
Поскольку
принимаем
Тогда
см2.
По
сортаменту принимаем : 2
Ø10 А-IV АS=1,57
см2
Мu
= 1,57 × 1,2 × 510 × 102 × 11 × 0,915 = 6,04 × 105
МПа
Мu
= 6,04 × 105 МПа > Мact = 5,738 × 105 МПа
Расстояние
между стержнями принимаем 200мм.
Расчет
по прочности сечения, наклонного к продольной оси плиты.
Поперечная
сила Q =10,4кН
Предварительно
приопорные участки плиты заармируем в соответствии с конструктивными
требованиями. Для этого с каждой стороны плиты устанавливают по четыре каркаса
длиной l = 0,85м с поперечными стержнями Ø 4Вр-I, шаг которых s = 6 см (
или
).
По
формуле проверяем условие обеспечения прочности по наклонной полосе между наклонными
трещинами:
Коэффициент,
учитывающий влияние хомутов,
Коэффициент
поперечного армирования
см2
( 4 Ø
4Вр-I)
где
для тяжелого бетона.
кН
Следовательно,
размеры поперечного сечения плиты достаточны для восприятия активной нагрузки.
Проверяем
необходимость постановки расчетной поперечной арматуры из условия:
Коэффициент
для тяжелого бетона.
Коэффициент,
учитывающий влияние сжатых полок в двутавровом сечении элементов.
Коэффициент,
учитывающий влияние продольной силы обжатия
где
Р2 принимается с учетом коэффициента
0,865
Тогда
< 1,5
Следовательно, условие удовлетворяется, арматура ставится по
конструктивным требованиям, (Хомуты ставим с шагом 6см, Ø4
Вр-I ).
Армирование плиты показано на листе.
Расчет плиты по предельным состояниям второй группы.
Геометрические характеристики приведенного сечения.
Приведенная высота сечения h0
= 11см , ширина
сечения b = 100см ,высота сечения h = 14см
При
,
площадь
приведенного сечения
см2
Статический
момент приведенного сечения относительно нижней грани
см3
Расстояние
от нижней грани до центра тяжести приведенного сечения
см
Момент
инерции приведенного сечения относительно его центра тяжести
см4
Момент
сопротивления приведенного сечения по нижней и по верхней зоне.
см3
Расстояние
от центра тяжести приведенного сечения до ядровой точки, наиболее удаленной от
растянутой зоны, согласно формуле:
Максимальное
напряжение в сжатом бетоне от внешней нагрузки и усилия предварительного
напряжения
где
М- изгибающий момент от полной нормативной нагрузки,
М
= 4,98 кНм = 498100 Нсм
Р2
- усилие обжатия с учетом всех потерь
Н
эксцентриситет
усилия обжатия
см
Н/см2
принимаем
Расстояние
от центра тяжести приведенного сечения до ядровой точки, наименее удаленной от
растянутой зоны
=2,33
Упругопластический
момент сопротивления по растянутой зоне, определяется по формуле:
- для симметричного сечения
см3
= 4932 см3
Потери предварительного напряжения.
При
расчете потерь коэффициент точности натяжения арматуры
Первые
потери от релаксации напряжений в арматуре при электротермическом способе
натяжения стержневой арматуры:
= 0,03 × 463 = 13,9 МПа
и
Потери
от трения арматуры об огибающие приспособления ,поскольку напрягаемая арматура
не отгибается
Потери
от быстронарастающей ползучести определяются в зависимости от соотношения
По
таблице СНиПа
. Из последнего условия устанавливается передаточная
прочность
Усилие
обжатия с учетом потерь
,,,
вычисляется по формуле
1,57 × (463-13,9)100 = 44012 Н
Напряжение
в бетоне при обжатиии
Н/см2
= 0,85 МПа
Передаточная
прочность бетона
МПа
Согласно
требованиям СНиП
МПа и
МПа
Окончательно
принимаем
МПа. Тогда :
Условие
выполняется.
Сжимающее
напряжение в бетоне на уровне центра тяжести напрягаемой арматуры от усилия
обжатия
( без учета изгибающего момента от собственной массы
плиты).
Так
как
то
потери от быстронатекающей ползучести

Первые
потери
13,9 +
2,04 = 15,94 МПа
Вторые
потери определяются по формулам :
Потери
от усадки бетона
МПа
Потери
от ползучести бетона
вычисляются в зависимости от соотношения
, где
находится с учетом первых потерь .
При
МПа
Вторые
потери
МПа
Полные
потери
МПа
Так
как
МПа < 100МПа, окончательно принимаем
МПа.
Р2
= 1,57 × ( 463 - 100 ) × 100 = 35570 Н
Расчет
по образованию трещин.
Для
элементов, к трещиностойкости которых предъявляются требования 3-категории,
коэффициент надежности по нагрузке
. Расчет
производится из условия :
Нормативный
момент от полной нагрузки М = 4,981 кНм
Момент
образования трещин
по способу ядровых моментов определяется по формуле:
где
ядровый момент усилия обжатия
35570 × 0,865 × (4,0+2,33) =
51382,6 Нсм = 0,51 кНм
Так
как
4,981 кНм <
4932 × 106× 1,4 × 103 + 0,51 = 7,41 кНм, в растянутой зоне
от эксплуатационных нагрузок трещины не образуются.
Трещины
не образуются также и в верхней зоне плиты в стадии ее изготовления.
Расчет
прогиба плиты.
Предельно допустимый прогиб для рассчитываемой плиты с учетом
эстетических требований согласно таблице СНиП.
см.
Определение
прогибов производится только на действие постоянных и длительных нагрузок при
коэффициенте надежности по нагрузке
по
формуле :
,
где
для свободно - опертой балки коэффициент
равен :
/48
при равномерно распределенной нагрузке
/8
при двух равных моментах по концам балки от стлы обжатия.
Полная кривизна плиты на участках без трещин в растянутой зоне определяется
по формулам СНиП
Кривизна от постоянной и длительной нагрузки
1/см
где
0,85 - коэффициент, учитывающий влияние
кратковременной ползучести тяжелого бетона,
2 -
коэффициент, учитывающий влияние длительной ползучести тяжелого бетона при
влажности больше 40%
Кривизна
от кратковременного выгиба при действии усилия предварительного обжатия с
учетом
1/см
Поскольку
напряжения обжатия бетона верхнего волокна
Н/см2,
т.е.
верхнее волокно растянуто, то в формуле при вычислении кривизны
, обусловленной выгибом плиты вследствие усадки и
ползучести бетона от усилия предварительного обжатия, принимаем относительные
деформации крайнего сжатого волокна
. Тогда
согласно формулам СНиП
1/см
2,04+42,14
= 44,18 МПа
Прогиб
от постоянной и длительной нагрузок
f = [ 5/48 × 1,7 × 10-5 - 1/8
(0,26 + 0,02) 10-5] 3312 = 0,23см
f =0,23см. < fu = 1,7см.
т.е.
прогиб не превышает допустимую величину.
Прочность
сечения обеспечена.
Сборная
внутренняя несущая беспроемная стена.
Сбор вертикальных нагрузок.
Таблица 3.1.2.Нагрузка на м2 конструкции перекрытия в жилых
помещениях
|
Вид нагрузки
|
qнор, кН/м2
|
gf
|
qрас, кН/м2
|
|
1. Линолеум d=3 мм r= 1800 кг/м3
|
0,063
|
1,3
|
0,082
|
|
Вид нагрузки
|
qнор, кН/м2
|
gf
|
qрас, кН/м2
|
|
2. Цементно - песчаная
стяжка d=20 мм r= 1800 кг/м3
|
0,63
|
1,3
|
0,82
|
0,050
|
1,3
|
0,065
|
|
4. Железобетонная плита d=140 мм r= 2500 кг/м3
|
3,5
|
1,1
|
3,85
|
|
Итого постоянная q
|
4,243
|
|
4,816
|
|
Временная нагрузка v
|
1,500
|
1,3
|
1,950
|
|
в том числе длительная vL
|
0,300
|
1,3
|
0,390
|
|
Кратковременная vsh
|
1,200
|
1,3
|
1,560
|
|
Полная нагрузка q+v
|
5,743
|
|
6,616
|
Таблица 3.1.3. Нагрузка на 1 м2 покрытия
|
Вид нагрузки
|
qнор, кН/м2
|
gf
|
qрас, кН/м2
|
|
1. Гидроизоляц.ковер 4 слоя
|
0,19
|
1,3
|
0,247
|
|
2. Армированная цементная
стяжка t=100 мм r= 2200 кг/м3
|
0,22
|
1,3
|
0,286
|
|
3. Пеностекло d=120 мм r= 300 кг/м3
|
0,36
|
1,3
|
0,468
|
|
4. Пароизоляция 1 слой
|
0,05
|
1,3
|
0,065
|
|
5. Железобетонная плита d=140 мм r= 2500 кг/м3
|
3,5
|
1,1
|
3,85
|
|
Итого постоянная q
|
4,32
|
|
4,916
|
|
Временная
|
|
|
|
|
Снеговая полная S
|
1
|
1,4
|
1,4
|
|
длительная
|
0,3
|
1,4
|
0,42
|
|
Итого постоянная q +
снеговая S
|
5,32
|
|
6,316
|
Таблица 3.1.4. Нагрузка от собственного веса стены на 1 пог.м ее длины
|
Вид нагрузки
|
qнор, кН/м2
|
gf
|
qрас, кН/м2
|
|
Железобетонная стена Н=2800
мм r= 2500 кг/м3
|
79,4
|
1,1
|
87,32
|
Суммируем все виды нагрузок на стену при грузовой площади от стены
Определяем вертикальную нагрузку, действующую на стену:
Грузовая площадь:
А = 10,2 × 3,6 = 36,72 м.кв.
Находим вертикальные нагрузки на рассматриваемую стену.
Nр(0)
= 22,08 кН
Nн(0)
= 19,15 кН
Nр(49,3)
= 0,95 × 16 × 25,8 +22,08 +87,32 × 18 =2006,65 кН
Nн(49,3)
= 0,95 × 16 × 22,5 + 19,15 +79,4 × 18 = 1808,35 кН
Сбор горизонтальной нагрузки. (ветровая).
Согласно карте 3 СНиП 2.01.07-85 «Строительная климатология и геофизика»
город Гомель расположен в первом районе по давлению ветра. Нормативное значение
ветрового давления Wс = 0,23 кПа.
Нормативное давление ветра на высоте Z над поверхностью земли для зданий
высотой H > 40 м с
равномерно-распределенной массой и постоянной по высоте жесткостью несущей
системы равно:
wn = w0 С( k +1,4 ksup Z/H ×xzn); [кПа]
где w0 - нормативное значение ветрового
давления на 1 м2 поверхности фасада. Для города Гомеля w0 = 0,23 кН/м2 (кПа);
С - аэродинамический коэфициент, равный 1,4
k - коэффициент возрастания напора по высоте здания;
ksup - коэффициент возрастания скоростного напора для вершины
здания ksup =1,2;
x - коэффициент пульсации скоростного напора на уровне Н, принимаемый для
здания с Н = 43,7м и x =
0,757;
z - коэффициент динамичности, зависящий от параметра e,который определяется по формуле:
e =Ögfw0 / (940 f1)
gf = 1,4 ,
коэффициент надежности по ветровой нагрузке
f1 - первая частота собственных колебаний, Гц
f1 = 1/T1 = 1/1,0533 = 0,966
T1 - период первой формы собственных колебаний.
По приближенной формуле:
Т1 = 0,021Н = 0, 021´ 43,7 =0,9177
e = (0,9177 / 940) х Ö1,4 х 0,23 х 1000 = 0,020
|
Высота над поверхностью
земли; м
|
5
|
10
|
20
|
40
|
49,3
|
|
K
|
0,5
|
0,65
|
0,85
|
1,1
|
1,2
|
По графику рис.2 СНиП находим значение z = 1,51.
n - коэффициент коррекции пульсации ветра, при L = 52,8 м; Н = 43,7 м; n = 0,641.
|
Высота над поверхностью
земли; Z, м
|
5
|
10
|
20
|
40
|
49,3
|
|
Z/H
|
0,101
|
0,203
|
0,406
|
0,811
|
1,000
|
1,4 ksup Z/H x zn = 1,4 1,2 Z / H 0,641 × 1,51 × 0,77 = 1,252 Z / H
wn(Z = 5) = 0,23 × 1,4(0,5+1,252 ´ 0,101) = 0,202 кН/м2
wn(Z =10) = 0,23 × 1,4(0,65+1,252 ´ 0,203) = 0,291 кН/м2
wn(Z = 20) = 0,23 × 1,4(0,85+1,252 ´ 0,406) = 0,437 кН/м2
wn(Z = 40) = 0,23 × 1,4(1,1+1,252 ´ 0,811) = 0,717 кН/м2
wn(Z = 49,3) = 0,23 × 1,4(1,2+1,252 ´ 1) = 0,790 кН/м2
Полученную эпюру, ограниченную ломаной линией, приводим к эквивалентной
трапециевидной. Для этого сначала определяем ее площадь А, статический момент S и положение центра тяжести С криволинейной
эпюры, а затем находим параметры трапециевидной эпюры .
Рисунок
3.1.6. Сбор нагрузок.
А
= ( 0,79 + 0,717) ´ 9,3 / 2+ ( 0,717 + 0,437 ) ´ 20 / 2 + ( 0,437 + 0,291 ) ´ 10 / 2 + ( 0,291 + + 0,202 ) ´ 5 / 2 + 0,202 ´ 5 = 24,431
[кПа ´ м]= 0,717 × 9,3 × 44,65 + ( 0,79 - 0,717 ) 9,3 ( 40 + ( 2 / 3 ) 9,3 ) /
2 + 0,437 × 20 × 30 + ( 0,717 - 0,437 ) 20
( 20 + ( 2 / 3 ) 20 ) + 0,291 × 10 × 15 + ( 0,437 - 0,291 ) 10 ( 10 + ( 2 / 3 ) 10 ) 10 +
0,202 × 5 × 7,5 + ( 0,291 - 0,202 ) 5
( 5 + ( 2 / 3 ) 5 ) / 2 + 0,202 5 2,5 = 736,715 [кПа × м]
C = S / A =
736,715 / 24,431 = 30,155м
Параметры
эквивалентной трапецевидной эпюры нормативного ветрового давления на здание a, wn, awn будут
равны:
a = (2H-3C) /
(3C-H) = ( 2 × 49,3 - 3 × 30,155 ) / ( 3 × 30,155 -
49,3) = 0,197
Значение
ветровой нагрузки на уровне верха здания:
wn = 2A / (1+a)H = 2 × 24,431 / ( 1+0,197 ) 49,3 = 0,828 кН/м2
Значение
ветровой нагрузки на уровне поверхности земли:
awn = 0,197 × 0,828 = 0,163
кН/м2
Нормативная погонная по высоте здания ветровая нагрузка с учетом
коэффициента надежности по назначению здания gn = 0,95 и при длине наветренного фасада L=3,6 м:
qn= 0,828 × 3,6 × 0,95 = 2,83 кН/м
aqn = 0,163 × 3,6 × 0,95 = 0,56 кН/м
Расчетная ветровая нагрузка при коэффициенте надежности по нагрузке gf = 1,4:
q = 2,83 × 1,4 = 3,962 кН/м
aq = 0,56 × 1,4 = 0,78 кН/м
Определяем усилия: При действии на здание горизонтальной нагрузки, на
стену дополнительно внецентренно - приложенной вертикальной нагрузки в ней
возникают изгибающие моменты и силы поперечные и нормальные.
Находим полный изгибающий момент:
q(x) = q ( 1 + ( a - 1 ) x / H)
Q(x) = - q x ( 1 + ( a - 1 ) x / 2 H )
Mh(x) = - q x2 ( 1 + ( a - 1 ) x / 3 H ) / 2
Таблица 3.1.5. Определение усилий.
|
x
|
По расчетной нагрузке
|
По нормативной нагрузке
|
|
q(x),кН/м
|
Mh(x),кНм
|
Q(x),кН
|
q(x),кН/м
|
Mh(x),кНм
|
Q(x),кН
|
|
0
|
-3.96
|
0
|
0
|
-2.83
|
0
|
0
|
|
49.3
|
-0.784
|
686.93
|
22.47
|
-0.56
|
490.66
|
16.05
|
Определение прогиба здания.
Расчет многоэтажного здания на ветровую нагрузку предусматривает
ограничение величины прогиба:
fsup < (1/500)H =
43,7/400 = 0,109м
Находим изгибную жесткость: Bu = 0,85 × γn × Eb × Ii
Для стен выбираем бетон В30: Еb = 29 × 103 МПа.
γn -
коэффициент учитывающий податливость горизонтальных и вертикальных швов.
δn - податливость раствора
шва, при длительном сжатии равна 1,8.
hfl =
2,8м - высота этажа.
Bu = 0,85γnEbIi = 0,85 × 0,982 × 29 × 106 × 0,18 × 6,33/12 = 90,77 × 106 кН/м2
fsup = -(4α+11)qнН4/120Вu = -(4 × 0,163+11) × -43,53 × 49,34/120 × 90,77 × 106 = 0,0275м
fsup = 0,0275м < (1/500)H = 49,3/400 = 0,0986м - жесткость здания обеспечена.
Определение нормальных напряжений.
Считаем нашу стену внецентренно - сжатой и поэтому нормальные напряжения
находим по формуле:
А
= 6,3 × 0,18 = 1,134 м2
W = bh2/6 = 0,18 × 6,32/6
= 1,1907 м3
т.е.
стенка находится в сжатом состоянии.
Подбор
сечения и армирования.
На
первом этапе требуемое количество арматуры для элементов стены подбирается с
учетом указаний по конструированию стен:
Стена
армируется двумя расположенными вдоль его лицевых поверхностей сетками,
объединенными в единый арматурный блок поперечными балочными каркасами с
расстоянием между ними не более 1000 мм, размер ячеек сеток 200´200 мм;
Минимальный
процент армирования горизонтального сечения стены должен составлять 0,2~0,3% ;
Площадь
сечения горизонтальной распределенной арматуры у каждой грани стены должна
составлять не менее 0,3 см2 на 1 м вертикального сечения.
В
качестве рабочей арматуры следует применять арматуру класса А-III ,
Вр-I , а в качестве конструктивной А -I ,
Вр-I.
Диаметр
арматуры сеток и каркасов назначается не менее 5мм.
Армируем
стену в соответствии с эти требованиями: Две параллельные сетки с ячейками
200х200мм и поперечными каркасами продольные стержни которых Ø6 А-III , а поперечные - Ø5 Вр -I.
Материал
стенки:
Бетон
Бетон
тяжелый класса В30, Rbn = Rb,ser = 22МПа, Rb,tn= Rb,ser= 1,8МПа, Rb=17 МПа, Rbt=1,2 МПа, коэффициент условия работы бетона
=1,1
Плита
подвергается тепловой обработке при атмосферном давлении. Начальный модуль
упругости Еb =29 × 103МПа. К
трещиностойкости плиты предъявляются требования 3-й категории. Технология
изготовления плиты - агрегатно - поточная.
Арматура
стержни периодического профиля класса A-III Rs = 355МПа, Rsw = 285МПа , Es =20 × 104
МПа.
Приведенная призменная прочность бетона:
Rb,red = gb2 ´ Rb + m ´ Rs
где m = As/A - коэффициент армирования конструкции;
As - площадь продольной арматуры в стене;
A - площадь сечения бетона;
gbi -
коэффициент условий работы (gb2 = 1,1);
As = ( 53 × 2 Æ 6 ) = 106 х 0,283 = 30 см2
0,002 × 18 × 630 = 22,7 см2
минимальная площадь армирования.30 см2 > 22,7 см2
А = 18 × 630 =
11340 см2
m = 30/11340 = 0,00265 > 0,002
Rbret = 1,1 × 17+0,00265 × 355 = 18,7+0,941 = 19,64 МПа.
Проверка несущей способности.
Проверка расчетных усилий в столбе в уровне подвала Х =49,3м.
Расчетные усилия: M1 = 343,47 кНм, N1 = 2006,65 кН, Q1 = 22,47 кН
Размеры сечения: h
=6,3м, b = 0,18м.
Проверка несущей способности внецентренно сжатого бетонного элемента
производят из условия.
где
α
= 1 - коэффициент принимаемый для
тяжелого бетона,
γb9 = 0,9 - коэффициент условий работы для бетонных
конструкций,
Аbi
- площадь сжатой зоны бетона столба, определяемой при условии что ее центр
тяжести совпадает с точкой равнодействующей внешних сил.
,65
< 0,9 × 1 × 19,64 × 1,134 = 20,04 × 103
= 20044 кН.
Прочность
сечения обеспечена.
Расчет
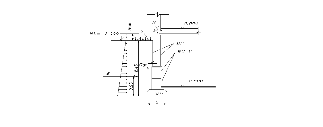
фундаментов мелкого заложения.
Основным направлением экономического и социального развития города
предполагается значительное увеличение объемов капитального строительства, так
как возведение жилых зданий сопровождается сооружением общественных зданий,
школ, предприятий общественного питания и бытового обслуживания. Уменьшение
затрат на устройство оснований и фундаментов от общей стоимости зданий и
сооружений, может дать значительную экономию материальных средств. Однако,
добиваться снижения этих затрат необходимо без снижения надежности, т.е.
следует избегать возведения недолговечных и некачественных фундаментов, которые
могут послужить причиной частичного или полного разрушений зданий и сооружений.
Необходимая надежность оснований и фундаментов, уменьшения стоимости
строительных работ в условиях современного градостроительства зависит от
правильной оценки физико-механических свойств грунтов, слагающих основания,
учета его совместной работы с фундаментами и другими надземными строительными
конструкциями. Проектирование ленточных фундаментов разрабатывается на основе
материалов инженерно - геологических изысканий.
Краткая характеристика проектируемого здания.
Жилой дом расположен в центре города, главным фасадом выходит на главную
улицу города Советская. Площадка строительства попадает на территорию,
застроенную ранее частными домами. Запроектированы следующие конструкции:
1 фундамент леночный из сборных
железобетонных блоков,
2 перекрытия и покрытия - сборные
железобетонные,
3 жилой дом оборудован пассажирским
лифтом, грузоподъемностью 400 кг.
Оценка инженерно-геологических условий площадки.
Назначение и конструктивные особенности подземной части
здания.
Фундамент предназначен для передачи нагрузки от несущих конструкций
сооружения на грунты основания. Напряжения в сечениях несущих конструкций во
много раз больше давления, которое могут воспринимать грунты основания.
При проектировании, после принятия глубины заложения фундаментов,
стремятся подобрать такие размеры подошвы и выбрать такую конструкцию, которые
обеспечивали бы допустимые деформации оснований сооружения. Если это условие не
выполняется, глубину заложения фундаментов увеличивают до слоя более плотного
грунта.
При проектировании фундаментов рассматривают следующие вопросы:
- выбор несущих конструкций сооружений, удовлетворительно работающих
при данных грунтовых условиях;
- возможные деформации грунтов основания сооружения;
способ производства земляных работ, и по поведению фундаментов,
обеспечивающий необходимое сохранение естественной структуры грунтов.
Характеристика площадки, инженерно-геологические и
гидрогеологические условия.
Для обоснования проектных решений по устройству фундаментов необходимо
изучить инженерно-геологические условия площадки.
Оценка инженерно-геологических условий площадки начинается с изучения
напластования грунтов.
При расчете глубины заложения фундамента необходимо учитывать уровень
грунтовых вод. При необходимости производят искусственное понижение грунтовых
вод.
Для количественной оценки прочности и деформационных свойств грунтов
площадки, по данным вычисляем производные характеристики физических свойств, к
которым относятся:
- для песчаных грунтов - коэффициент пористости и степень влажности;
- для пылевато-глинистых грунтов - число пластичности, показатель
текучести, коэффициент пористости и степень влажности.
Коэффициент пористости ( отношение объема пор к объему частиц грунта)
определяем по формуле:
e= rs /r × (1+w) - 1
где rs -
плотность частиц грунта;
r - плотность грунта;
w -
природная влажность в долях единицы;
Степень влажности грунта определяем по формуле:
Sr = wrs / erw
где rw
- плотность воды (»1
г/см3).
По степени влажности песчаные грунты подразделяются на:
маловлажные 0 <
Sr £ 0,5
влажные 0,5 <
Sr £0,8
насыщенные 0,8 <
Sr £1,0
Тип пылевато-глинистых грунтов устанавливается по числу пластичности:
Ip=WL - Wp ,
WL - влажность на границе текучести;
Wp - влажность на границе раскатывания, %.
По числу пластичности, пылевато-глинистые грунты подразделяются на:
супесь 1< Ip £ 7
суглинок 7<
Ip £ 17
глина Ip > 17
Показатель текучести пылевато-глинистых грунтов определяется по формуле:
IL = ( WL - Wp) / Ip
.
Рис.3.2.1.
Геологический разрез
|
Номер слоя грунта
|
Мощность слоя, м
|
Глубина подошвы слоя, м
|
Условные обозначения
|
Наименование грунта
|
|
1
|
0.2
|
0.2
|
|
Почвенный слой
|
|
2
|
1.6
|
1.8
|
Песок мелкий
|
|
|
3
|
4.0
|
5.8
|
Глина
|
|
|
4
|
4.0
|
9.8
|
Суглинок
|
|
Строительная классификация грунтов площадки.
По характеристике механических свойств грунта (g, с, E) и значению расчетного сопротивления Ro можно судить о несущей способности,
деформируемости грунта и возможности использования его в качестве основания
фундамента.
Выбор типа и конструкции фундаментов.
Назначение глубины заложения фундамента.
Тип
фундамента выбирается в зависимости от характера передачи нагрузки на
фундамент. Под стены здания устраиваем ленточные фундаменты из сборных
элементов.
Глубина заложения фундамента зависит от:
- инженерно-геологических и гидрологических условий площадки и
положения несущего слоя грунта;
- конструктивных особенностей подземной части здания;
глубины промерзания грунта.
Расчетная глубина сезонного промерзания грунта df у фундамента определяется по
формуле:
df = kn × dfn
где kn - коэффициент, учитывающий влияние
теплового режима здания на глубину промерзания грунта у фундамента стен и
колонн ( т.к . здание с подвалом температура в котором зимой равна +10 oC, то kn=0,6 (СНБ 5.01.01.-99.))
dfn - нормативная глубина сезонного промерзания грунта.
df = 0,6 × 1,7 =
1,02м.
Глубина заложения составит:
df = 3.17 м;
где 2,800 - отметка пола подвала; 0,17- стяжка под пол подвала; 0,3 -
высота подошвы фундамента.
Нагрузки, учитываемые в расчетах оснований фундаментов.
Основания фундаментов, сложенные несколькими грунтами, рассчитываются по
предельному состоянию второй группы, т.е. по деформациям.
Воздействия и нагрузки на основания должны устанавливаться расчетом,
исходя из рассмотрения совместной работы сооружения с основанием с учетом
перераспределения нагрузок надфундаментной конструкцией. Нагрузки допускается
определить без учета их перераспределения надфундаментной конструкцией и принимать
в соответствии со статической схемой без учета неразрезности конструкции.
Проектируемое здание имеет 14- этажей. Выполняется из сборного
железобетона и имеет бескаркасную схему с поперечными и продольными несущими
стенами. Основной шаг поперечных несущих стен 3,0 - 3,6м. Ограждающие
конструкции - навесные стеновые панели из керамзитобетона.
Принятая конструктивная схема здания обеспечивает прочность, жесткость и
устойчивость на стадии возведения и в период эксплуатации при действии всех
расчетных нагрузок и воздействий.
Две поперечные внутренние стены спроектированы отдельными панелями,
внутренние продольные стены располагаются так, чтобы объединять по возможности
поперечные стены. Вертикальные нагрузки от перекрытий воспринимаются и
передаются на фундамент основания поперечными и продольными стенами
одновременно.
Стены подвала, расположенные со стороны грунта должны быть защищены
сплошной обмазочной гидроизоляцией, под полом подвала устраивают рулонную
гидроизоляцию. В первую очередь устраивают внешний водосток для отвода
атмосферных вод с территории строительной площадки. После возведения подземной
части устроить водонепроницаемую отмостку шириной не менее 1,0 м.
Район строительства город Гомель.
Определяем нагрузки на наружную стену:
Грузовая площадь: А=0,5*3,6*6,3=11,34 м2
Нормативные нагрузки на 1м стены :
Постоянная:
Nп = 1637,86/3,6=454,96 кН
Временная:
NB =24,95/3,6=6,93 кН
Сумарная
N=454,96+6,93=461,89
кН
Расчетные нагрузки на 1 м стены:
Постоянная
Nпр = 1829,13/3,6=508,1 кН
Временная
Nвр = 33,23/3,6=9,23 кН
Сумарная
Nр = 508,1+9,23=517,33 кН
Таблица 3.2.2. Нормативная и расчетные нагрузки на фундамент под наружную
стену
|
Наименование нагрузки
|
Нормативная нагрузка
|
Коэффициент надежности по
нагрузке
|
Расчетная нагрузка кН
|
|
На 1 поверхности, кН/м2
|
От грузовой площади кН
|
|
|
|
Постоянные нагруки:
|
|
|
|
|
|
1.Линолеум
|
0,063
|
10,00
|
1,3
|
13,0
|
0,63
|
100,01
|
1,3
|
130,01
|
|
3. Древесно-волокнистая
плита
|
0,05
|
7,94
|
1,3
|
10,32
|
|
4. Железобетонная плита
|
3,5
|
555,66
|
1,1
|
611,23
|
|
5.Гидроизоляционный ковер
4слоя
|
0,19
|
4,31
|
1,3
|
5,6
|
|
6.Армированая цементная
стяжка
|
0,22
|
9,98
|
1,3
|
12,98
|
|
7.Пеностекло
|
0,36
|
4,08
|
1,3
|
5,3
|
|
8.Пароизоляция 1 слой
|
0,05
|
1,13
|
1,3
|
1,47
|
|
9.Железобетонная внутренняя
стена
|
79,4
|
500,22
|
1,1
|
550,24
|
|
10. Наружная панель
|
2,8
|
444,53
|
1,1
|
488,98
|
|
ИТОГО:
|
-
|
1637,86
|
-
|
1829,13
|
|
Временные:
|
|
|
|
|
|
1.Временная
|
1,5
|
17,01
|
1,3
|
22,11
|
|
В т.ч. длительная
|
0,3
|
3,4
|
1,3
|
4,42
|
|
Кратковременная
|
1,2
|
13,61
|
1,3
|
17,69
|
|
2.Снеговая полная
|
0,7
|
7,94
|
1,4
|
11,12
|
|
Длительная
|
0,3
|
3,4
|
1,4
|
4,76
|
|
ИТОГО:
|
2,2
|
24,95
|
-
|
33,23
|
Определение размеров подошвы фундамента.
Размеры подошвы фундамента зависит от ряда связанных между собой
параметров и устанавливаются путем последовательного приближения. Определяем
размеры ленточного фундамента при следующих данных: глубина заложения фундамента
d=3,45м; gII’=16кН/м3; gm’=20кН/м3; Nр =517,33 кН. В основании залегает песок мелкий с
расчетными значениями характеристик: jII=31o; СII=2кПа; gII=19,1кН/м3.
Определяем приближенное значение размера подошвы фундамента по формуле:
т.к. фундамент ленточный, то b=A:
b=A=NoII /Ro- gmd;
где NoII - расчетная нагрузка в плоскости
обреза фундамента для расчета основания по предельному состоянию второй группы,
кН; Ro - расчетное сопротивление грунта,
залегающего под подошвой фундамента, принимается по приложению 2(3), т.к. песок
мелкий средней плотности насыщенный водой, то Ro = 200 кПа; gm - осредненное значение удельного
веса материала фундамента и грунта на его уступах, принимается равным 20 кН/м3;
d - глубина заложения фундамента от
уровня планировки, равно 3,45м.
Таким образом получаем:
A =
517,33 / 200 -20 × 3.45 = 3,66м;
но т.к. максимальная ширина подошвы ленточного фундамента равна - 3,2м,
то предварительный расчет считаем не верным. Мы будем определять ширину подошвы
ленточного фундамента следующим образом: задаваясь определенным значением b, мы будем рассчитывать R - значение расчетного сопротивления
грунта основания и сравнивать его со значением P - значение давления под подошвой фундамента таким образом,
чтобы P было меньше R не более чем на 10% . При этом R
будем рассчитывать по следующей формуле:
R = gc1gc2 / k [Mgk2bgII + Mqd1gII’ + (Mq - 1)dogII + MccII];
где, gc1gc2 -
коэффициенты условий работы, принимаемые равными gc1=1,3, gc2=1,3;
k -
коэффициент принимаемый равным 1,1;
kz -коэффициент принимаемый равным при b<10м - kz=1;
Mg=1,24; Mq=5,95; Mc=8,24;
b -
ширина подошвы фундамента принимаемая в зависимости от конкретного условия;
d1 = 2,45;
db - глубина подвала - расстояние от уровня планировки до пола подвала, м
(для сооружений с подвалом шириной B£ 20м и глубиной свыше 2 м принимается db =2м);
Все данные берутся из СНБ 5.01.01.-99.
Подбираем размеры фундамента Ф1:
при b=1,2 м;
R =
1,53(1,24 × 1 × 1,2 × 19,1+5,95 × 2,45 × 16+4,95 × 2 × 16+8,24 × 2)=667,9 кПа;
при этом P будет
определятся по формуле: P=N0II / A + gm’d;
P=517,33
/1,2+20*2,45=480,1 кПа;
Отношение P к R определяем по формуле:
(R-P / R)100%
£ 10%
Получим P<R = 28 %; т.к. условие не выполняется,
то величину b уменьшаем.
При b = 1 м
R =
1,53(1,24 × 1 × 1 × 19,1+5,95 × 2,45 × 16+4,95 × 2 × 16+8,24 × 2) = 660,65 кПа;
P =
517,33/1+20 ×
2,45=566,33 кПа;
Получим P<R = 28 %; т.к. условие не выполняется,
то величину b уменьшаем.
При b = 0,8 м
R =
1,53(1,24 × 1 × 0,8 × 19,1+5,95 × 2,45 × 16+4,95 × 2 × 16+8,24 × 2) = 653,4 кПа;
P =
517,33/0,8+20 ×
2,45=695,66 кПа;
P>R = 5
%; условие не выполняется, поэтому в дальнейший расчет принимаем ширину
фундамента Ф1 равной 1,0 м.
Рис
3.2.2. Расчетная схема фундамента Ф1 под наружную стену здания с подвалом.
Вычислим следующие характеристики:
Боковое давление грунта на отметке планировки:
sб’ =gII’hпр*tg2(45-j/2);
sб’ =16 × 0,6tg2(45-24/2)=3,12кПа;
Боковое давление на отметке подошвы фундамента:
sб=gII’(d+hпр)tg2(45-j/2);
sб=16(2,45+0,6)tg2(45-24/2)=15,61кПа;
Равнодействующая бокового давления грунта засыпки на стену подвала
расчетной длиной 1,0м, будет равной:
EoII=(sб’+sб/2)d;
где sб’ - боковое давление грунта на
отметке планировки,
sб - боковое
давление грунта на отметке подошвы фундамента.
EoII = ( 3,12 + 15,61 / 2 ) 2,45 = 22.95 кПа;
Точка приложения равнодействующей:
de= d/3 (2sб’+sб)/(sб’+sб)=2,45/3 (2 × 3,12 + 15,61 ) / ( 3,12 + 15,61 ) =
0,95 м;
Теперь необходимо рассчитать нормальную вертикальную нагрузку и момент в
плоскости подошвы фундамента.
а). Нормальная вертикальная нагрузка:
NII =NoII + GфII + GгрII ;
GфII = Vф gб =((1,0 × 0,3 × 1) + (2 × 0,6 × 0,6 × 1) + (1,6 × 0,38 × 1))23 = 48,5 кН; строительство многоэтажный жилой дом
GгрII =Vгрgгр’ =((2,43-0,3)0,1 × 1 + 0,1 × 1 × 0,4)16
=4,1 кН;
таким образом
NII =517,33+48,5+4,1 = 566,11 кН;
б).Момент в плоскости подошвы:
MII = GгрII e1+MeII;
MeII - расчетное значение момента в сечении на отметке подошвы
фундамента:
MeII =(sб(d+hпр)2/15)1,0 = (15,61(2,45+0,6)2/15)1,0
=3,68;
Таким образом получаем:
MII = GгрII e1+MeII = 4,048 × 0,35+3,68 = 5,1 кНм;
Проверка напряжений в основании и уточнение размеров подошвы
фундамента.
Принятые в первом приближении размеры подошвы фундамента Ф1 уточняются
исходя из требований СНБ 5.01.01.-99, выражаемых неравенствами:
P£ R;max £1,2R;min >0;
где P - среднее давление под подошвой
фундамента, кПа, P = NII /A;
Pmax и Pmin - соответственно максимальное и минимальное значения краевого
давления по подошве нагруженного фундамента, определяемые по формуле
внецентренного сжатия:
Pmax,min= NII /A ± MII /W;
где W -момент сопротивления площади
подошвы фундамента определяемый по формуле:
W = bh2/6 = 1,0 2 × 1,18/6 = 0,196;max=
NII /A + MII /W = 566,11/1,0 + 5,1/0,196= 592,13 кПа;min= NII /A -
MII /W =566,11/1,0 - 5,1/0,196 = 540,09 кПА; = 566,11 кПа;
Так как данные СНБ требования выполняются, то окончательно принимаем
плиту железобетонную для ленточного фундамента Ф10 со следующими размерами: l = 2380 мм, b = 1000мм, c =
200 мм, h = 300 мм.
Расчет конструкции фундамента по предельным состояниям.
В качестве материала фундамента берем бетон В 7,5.
а=3,5 см; рабочая высота сечения h0 = 0,3+0,035=0,335 см.
Определим расчетные нагрузки от веса фундамента и грунта на его обрезах:
Gфр = 1,1 × 48,5=53,13 кН;
Gгрр = 1,1 × 4,1=4,51 кН;
Мgр = 1,2 × 3,68=4,416 кН;
Найдем максимальное давление под подошвой фундамента от действия
расчетных нагрузок по формуле:
Рmax =(517,33+53,13+4,51)/1,0*1±(63,8-53,13+25,31)6/1,0 21
= 790,79 кПа;
Напряжения в грунте под подошвой фундамента у грани стены по формуле:
Рi = N/A + M li/W
0.5l = (517.33+53,13+4.51)/(1,0 × 1) + ((25.31+63.8-30.4) 6/(1,0 × 1)) 0.3/(0.5 × × 1,0) = 786,27 кПа
Поперечная сила у грани стены:
Q= b (0.5l-li) (Pmax+Pi)/2 =
1,0 (0.5 × 1,0-0.3) (790,79+786,27)/2 = 157,7 кН
Проверим выполнение условий:
QI £ fb3 Rbt b ho;
fb3 = 0,6; Rbt = 0,48 кПа; 639>0,6 × 0,48 × 2,8 × 0,335 =
431 кПа;;
QII £ fb3 Rbt b hoI; QII = Рсрр = b*(l-l1)/2
Найдем среденее давление под подошвой фундамента от действия расчетных
нагрузок:
Рср р=(517,33+53,13+4,51)/1,0 × 1=574,9 кПа;
Проверим выполнение условия по среденему давлению под подошвой
фундамента:
Q=Рcрр (0,5 (l-lk)-c) b£1.5 Rbt b ho”/c; =
574,9*(0.5*(1,0-0.6)-0.565)*1,0=209,8<1,5*0,48*1,0*0,5352/0,335=1574
кН;
с = 0,5 (l-lr - 2 ho) = 0.5 (1,0-0.6-2 × 0.335) = 0.335;
Условия не выполняются, поэтому увеличиваем класс бетона фундамента
приняв его В15 с Rbt =
0.75 Mпа, и вновь проверяем условие :
Q=639.1
кН<0,6 × 0,75/2,8
× 0,335= 674,3 кН;
Q=265
кН<1,5 × 0,75 × 2,8 × 0,3352 = 900 кН;
Условия выполняются, следовательно при классе бетона В15 применение
поперечных стержней не требуется. Средний периметр пирамиды продавливания и
расчетную продавливающую силу определим по формуле :
Um = 0.5 × (bk + bн ); F=Pсрр А; А=0,5b (l - lk-2h0);
Um = 0.5 (1,0 + 1)=1 м;
F=517.33/1,0
× 1 (0.5 (1,0-0.6-2 × 0.335))=87.98 кН;
Проверяем выполнение условия на продавливание:
F < fb Rbt Um ho;
F =
87.98 кН=0,088 МН<1 × 0,75 × 1,9 × 0,565=0,805 МН;
Условие выполняется, следовательно прочность фундамента на продавливание
обеспечена. Найдем изгибающий момент в сечении у грани стены по формуле:
Mi = b (0.5 l - li)2 ( (2 Pmax+Pi)/6);i = 1,0 (0.5 × 1,0-0,3)2 ( (2 × 790,79+786,27)/6)=361 кНм;
В качестве рабочих стержней примем арматуру класса А-II с сопротивлением Rs= 280 Мпа. Требуемая площадь сечения
арматуры:
As = MI/0.9 ho Rs;
As = 361/0.9 × 0.335 × 280 =
26.8 см2;
Принимаем 10 стержней диаметром 20, с As = 29,45 см2 класса AII.
Шаг стержней U = 3 см. Площадь
распределительной арматуры:
Asp = 0.1 × 29.45 = 2.945 cм2;
Так как в ленточном фундаменте работают две консольные части сечения
фундамента, то требуемое количество распределительной арматуры следует
увеличить вдвое, т.е
Asp = 2 × 2.945 = 5,89 cм2;
Тогда примем 8 стержней диаметром 10 мм из стали класса АIII с Asp=6.79, шаг равен U=10 cм.
Напряжение в грунте под подошвой фундамента у грани стены от нормльных
нагрузок:
P=
186.3 + 25.31 / 1.54 = 202.7 кПа.
Изгибающий момент у грани стены от нормативных нагрузок:
М=1,0 (0,5 × 1,0 - 0,3)2 (2 × 790,79 + 786,276) = 366 кНм;
Находим модуль упругости бетона и арматуры: Es =210000 Мпа; Eб =23000 МПА ( для В15) и определим соотношение n=210000/23000=9.13.
Коэффициент армирования сечения:
m1= As/bh=29.5/100 × 30=0.0021=0.21%>0.05%
Упругопластический момент сопротивления сечения:
Wpl= (0.292+0.75(g1+2
m1 n))bh2;
Wpl= (0.292+1,5 × 0,0021 × 9,13)) 1,0 × 0,25 = 0,225 м3;
По таблице находим значение расчетного сопротивления бетона растяжению
при расчете по второй группе предельных состояний Rbtn = Rbtser =1.15 Мпа и определим момент
трещинообразования сечения фундамента.
Mcrc = Rbtser Wpl = 1.15 × 0.025 = 0.259 МНм;
Проверяем выполнение условия: M£ Mcrc;
M=366
кНм = 0,366МНм > Mcrc =
0.259 MНм,
Условие не выполняется, проверяем ширину раскрытия трещин:
Dcre = d je n (ss/Es)
20 (3.5-100 m)
=1
× 1.15 × 1 ×
(244/210000) × 20 × (3.5 - 100 × 0.0021)
= 0.28<0.3 мм; ss/Es = M/As z;=ho
(1-x/2); x = 1 / 1.8 + (1 + 5 L ) / 10 m h; L = M / Rbn b ho2;
Найдем
коэффициент армирования:
m=29,45/45,5 × 280=0,002;
Находим
прочность бетона на сжатие для расчетов по второй группе предельных состояний Rbn=11 Мпа;
Вспомогательная
характеристика:
L=0,366/11,0 × 1,0 × 0,3352 =
0,042;
Относительная
высота сжатой зоны бетонного сечения:
x=1/1.8+(1+5 × 0,042 ) / 10 × 0,00211 × 9,13 = 0,123;
Плечо
внутренней пары сил:
Z = 0,335 ( 1 -
0,123 / 2 ) = 0,502 м;
Следовательно
ширина раскрытия трещин меньше предельно допустимой. Приняли для класса бетона
В25, т.к. 0,28<0.3 мм - условие выполняется.
Расчет осадки фундамента.
Значение конечной осадки определяем по методу последовательного
суммирования по формуле:
S = Si=1nSi =bSi=1n (szpi - hi )/ Ei
;
где S - конечная осадка фундамента;
Si - осадка i-го слоя грунта
основания;
b - безразмерный коэффициент =0,8;
n -
число слоев, на которые разбита сжимаемая толщина основания;
szpi - среднее значение дополнительного
напряжения в i-ом слое грунта;
hi - толщина i-го слоя;
Ei - модуль деформации i-го
слоя грунта.
Толщину слоя принимаем в пределах 0,4 ширины фундамента (hi£0,4b).
Вычисляем значения вертикального напряжения от собственного веса грунта
на границах выделенных слоев по оси z, проходящей через центр подошвы фундамента:
szg = szg,o+Si=1n gihi ;
где szg,o=g’dII -
напряжение от собственного веса грунта на уровне подошвы фундамента;
g’ - удельный вес грунта, залегающего выше подошвы фундамента;
dII - глубина заложения фундамента от поверхности природного
рельефа;
gihi - соответственно удельный вес и
толщина i-го слоя грунта.
Определяем дополнительные вертикальные напряжения на границах выделенных
слоев по оси z, проходящей через центр подошвы
фундамента:
szp = apo ,
где a -
коэффициент, принимаемый по табл. СНБ 5.01.01.-99;
po = (p - szg,o) - дополнительное вертикальное давление на основание;
p -
среднее давление под подошвой фундамента.
Рассчитываем осадки фундамента Ф1:
- глубина заложения фундамента d=2,45м;
- ширина подошвы фундамента b=1,0 м;
напряжения от собственного веса грунта в уровне подошвы
фундамента
szg,o =46.79;
-
дополнительное вертикальное давление на основание po=566,11-46,79=523,11 кПа;
Расчет осадки сводим в таблицу 3.
Таблица 3.2.3. Расчет осадки фундамента Ф1.
|
Z, м
|
h, м
|
szg, кПа
|
x=2z/b
|
a
|
szp, кПа
|
szpi, кПа
|
Ei, МПа
|
Si, см
|
|
0
|
0,00
|
46,79
|
0
|
1
|
523,11
|
|
-
|
-
|
|
0,3
|
0,30
|
52,52
|
0,60
|
0,926
|
484,40
|
503,75
|
25
|
0,48
|
|
0,70
|
0,40
|
56,47
|
1,40
|
0,675
|
353,10
|
418,75
|
25
|
0,54
|
|
1,10
|
0,40
|
60,42
|
2,20
|
0,462
|
241,68
|
297,39
|
25
|
0,38
|
|
1,50
|
0,40
|
64,37
|
3,00
|
0,299
|
156,41
|
199,04
|
25
|
0,25
|
|
1,90
|
0,40
|
68,32
|
3,80
|
0,272
|
142,29
|
149,35
|
25
|
0,19
|
|
2,30
|
0,40
|
72,27
|
4,60
|
0,173
|
90,50
|
116,39
|
25
|
0,15
|
|
2,70
|
0,40
|
76,22
|
5,40
|
0,132
|
69,05
|
79,77
|
25
|
0,10
|
|
3,10
|
0,40
|
80,17
|
6,20
|
0,105
|
54,93
|
61,99
|
25
|
0,08
|
|
3,50
|
0,40
|
84,12
|
7,00
|
0,084
|
43,94
|
49,43
|
25
|
0,06
|
|
3,90
|
88,07
|
7,80
|
0,076
|
39,76
|
41,85
|
25
|
0,05
|
|
4,30
|
0,40
|
92,02
|
8,60
|
0,0575
|
30,08
|
34,92
|
25
|
0,04
|
|
4,70
|
0,40
|
95,97
|
9,40
|
0,0489
|
25,58
|
27,83
|
26
|
0,03
|
|
5,10
|
0,40
|
99,92
|
10,20
|
0,0432
|
22,60
|
24,09
|
27
|
0,03
|
=SSi=2,4 см
В результате проведенных расчетов получили значения осадок меньше, чем
допустимое значение осадки, рекомендованной СНБ 5.01.01.-99. , следовательно,
выбранный фундамент отвечает всем требованиям расчета.
Рис.
2.2.3. Эпюры напряжений в основании фундамента
4. Проект производства работ
.1 Паспорт объекта
·
Наименование
обьекта - 224 квартирный 4-х секционный жилой дом.
·
Город
строительства - Гомель .
·
Площадь застройки
- 1521 м2
·
Строительный
обьем - 70906м3.
·
Этажность жилого
дома - 16 этажей.
·
Сметная стоимость
жилого дома - 80474100 тыс. рублей.
.1.1 Номенклатура работ
Номенклатура работ устанавливается в зависимости от вида здания или
сооружения и охватывает весь комплекс работ по строительству объекта. Все
работы принимаются по укрупненным циклам.
)Нулевой цикл.
Планировка площадки с отдельной срезкой и накоплением растительного слоя,
разработка котлованов и траншей, устройство бетонных конструкций здания,
устройство фундаментов под технологическое оборудование, монтаж фундаментных
балок, обратная засыпка грунтом пазух, разравнивание и уплотнение грунта под
полы, устройство систем теплоснабжения с вводами сетей и устройством
необходимых каналов.
)Надземная часть здания.
Монтаж колонн, монтаж подкрановых балок, монтаж шатра, монтаж стеновых
панелей, оконных и дверных блоков, кирпичная кладка внутренних стен, укладка
подкрановых путей, устройство кровли, устройство подготовки под полы, окраска
фасада, остекление, внутренняя штукатурка, устройство чистых полов, внутренние
малярные работы, сантехнические работы, электромонтажные работы, монтаж
технологического оборудования, КИП и пуск технологического оборудования.
)Прочие работы.
Наружное благоустройство и озеленение, неучтенные работы, сдача объекта в
эксплуатацию.
4.1.2
Ведомость объемов работ
Таблица 4.1.1. Ведомость объемов работ.
|
Наименование процессов
|
Ед.
|
Кол-во
|
Н. Вр.
|
Трудоемкость
|
|
|
измер.
|
|
ч.-дн.
|
м.-см.
|
ч.-дн.
|
м.-см.
|
|
I. Землянные работы .
|
|
1.Срезка растительного слоя
|
100
|
|
|
|
|
|
|
бульдозером .
|
м2
|
10,45
|
0,06
|
0,06
|
0,63
|
0,63
|
|
2. Разработка грунта 3 котегории
|
|
|
|
|
|
|
|
в котловане в транспорт .
|
м3
|
3536
|
0,02
|
0,007
|
70,72
|
24,752
|
|
3. Отвоз грунта на 3 км.
|
т
|
53
|
|
|
|
|
|
4. Добор грунта в ручную .
|
м3
|
122
|
0,072
|
|
8,784
|
|
|
5. Обратная засыпка пазух
|
|
|
|
|
|
|
|
котлована бульдозером .
|
м3
|
288,4
|
0,004
|
0,004
|
1,15
|
1,15
|
|
6. Уплотнение грунта
|
м3
|
288,4
|
2,1
|
|
605,64
|
|
|
7. Подсыпка грунта под полы
|
|
|
|
|
|
|
|
подвала .
|
м3
|
15
|
0,009
|
0,003
|
0,135
|
0,045
|
Потребность в строительных конструкциях, деталях , полуфабрикатах,
материалах для постройки здания находим исходя из объемов их поступления на
объект (табл.2.2.3)
Таблица 4.1.2 Потребность в строительных конструкциях, деталях,
полуфабрикатах, материалах.
|
№п.п
|
Наименование возводимых
конструкций
|
Ед. Изм.
|
Объем работ
|
§ СНиП IV-2-82
|
Наименование материалов и
полуфабрикатов
|
Ед. Изм
|
Норма.на ед. изм.
|
Потре-бное кол-во
|
|
1.
|
Плиты перекрытия и
покрытия площадью до 15м2
|
100 шт.
|
3,96
|
§ 27 27.1
|
Раствор цементный 150
Электроды Э-42
|
м3 т
|
2,85 0,01
|
11,29 0,04
|
|
2.
|
То же, площадью до 20м2
|
-//-
|
3,6
|
-//-
|
Раствор цементный 150 Электроды
Э-42
|
м3 т
|
4,14 0,01
|
14,90 0,04
|
|
3.
|
Лестничные площадки
|
-//-
|
0,72
|
§ 28
|
Р-р цемент.150 Электроды
Э-42
|
м3 т
|
0,76 0,01
|
0,55 0,007
|
|
4.
|
Лестничные марши
|
-//-
|
0,72
|
-//-
|
Р-р цемент. 150 Электроды
Э-42
|
м3 т
|
1,16 0,02
|
0,84 0,014
|
|
5.
|
Цокольные панели стен площадью
до 12м2
|
-//-
|
0,24
|
§ 30 30.1
|
Бетон М200 Р-р цемент. 150
|
м3 м3
|
5,1 3,27
|
1,22 0,78
|
|
6.
|
То же, площадью до 20м2
|
-//-
|
0,6
|
-//-
|
Бетон М200 Р-р цемент. 150
|
м3 м3
|
5,58 5,03
|
3,35 3,02
|
|
7.
|
Наружные стеновые панели
площадью до 15м2
|
-//-
|
2,0
|
-//-
|
Бетон М200 Р-р цемент. 150
Клей-мастика КН-3 Воздухозащ. лента
|
м3 м3 т м2
|
5,58 5,03 0,03 85
|
11,16 10,06 0,06 170
|
|
8.
|
То же, площадью до 25м2
|
-//-
|
3,02
|
-//-
|
Бетон М200 Р-р цемент. 150
Клей-мастика КН-3 Воздухозащ. лента
|
м3 м3 т м2
|
7,2 3,69 0,03 161
|
21,74 11,14 0,09 486,2
|
|
9.
|
Внутренние стеновые панели
площадью до 15м2
|
-//-
|
3,7
|
§ 30 30.2
|
Р-р цемент. 150 Пакля
смоляная
|
м3 кг
|
1,02 199
|
3,77 736,3
|
|
10.
|
То же, площадью до 25м2
|
-//-
|
5,4
|
-//-
|
Р-р цемент. 150 Пакля
смоляная
|
м3 кг
|
2,15 205
|
11,61 758,5
|
|
11.
|
Плиты лоджий
|
-//-
|
0,64
|
§ 32
|
Р-р цемент. 150 Электроды
Э-42
|
м3 т
|
3,11 0,03
|
1,99 0,019
|
|
№п.п
|
Наименование возводимых
конструкций
|
Ед. Изм.
|
Объем работ
|
§ СНиП IV-2-82
|
Наименование материалов и
полуфабрикатов
|
Ед. Изм
|
Норма.на ед. изм.
|
Потре-бное кол-во
|
|
12.
|
Плиты балкона
|
-//-
|
0,64
|
-//-
|
Р-р цемент. 150 Электроды
Э-42
|
м3 т
|
2,27 0,01
|
1,45 0,006
|
|
13.
|
Разделительные стенки
|
-//-
|
0,80
|
-//-
|
Р-р цемент. 150 Электроды
Э-42
|
м3 т
|
0,29 0,01
|
0,23 0,008
|
|
14.
|
Сантехкабины
|
-//-
|
1,44
|
§ 34
|
Песок строительный
|
м3
|
8,9
|
12,82
|
|
15.
|
Шахты лифтовые массой более
2,5т
|
-//-
|
0,36
|
-//-
|
Р-р цемент. 150 Электроды
Э-42
|
м3 т
|
2,48 0,04
|
0,89 0,014
|
|
16.
|
Вентблоки массой до 2,5т
|
-//-
|
2,88
|
-//-
|
Р-р цемент. 150
|
м3
|
0,89
|
2,56
|
|
17.
|
Герметизация стыков
стеновых панелей Горизонтал. швы
|
100п.м.
|
45,36
|
§ 36
|
Герметизи- рующей
нетвердеющей мастикой
|
кг
|
76,2
|
3456
|
|
18.
|
То же Вертик. швы
|
-//-
|
45,63
|
-//-
|
Пено- полистиролом
|
м3
|
1,07
|
48,82
|
|
19.
|
Герметизация коробок окон и
балконных дверей
|
-//-
|
22,68
|
-//-
|
Герметизи- рующей
нетвердеющей мастикой
|
кг
|
72,1
|
1635
|
|
20.
|
Зачеканка и расшивка швов
цокольных панелей с внутренней стороны
|
-//-
|
5,04
|
-//-
|
Р-р цемент. 150
|
м3
|
0,2
|
1,008
|
|
21.
|
Промазка и расшивка снизу
швов плит перекрытия
|
-//-
|
8,16
|
-//-
|
Р-р цемент. 150
|
0,04
|
0,326
|
4.1.3
Методы производства строительно-монтажных работ
Перед началом производства работ на строительной площадке выполняется
комплекс подготовительных работ: снос старых строений, расчистка территории,
геодезические разбивочные работы и т.д.
Производство земляных работ начинается с рекультивации растительного
слоя, включающей снятие грунта бульдозерами, погрузку его в автосамосвалы и
вывоз в отвалы для последующего использования при благоустройстве территории по
завершению строительства.
После окончания указанных работ выполняется следующий комплекс - по
инженерному оборудованию территории, в который входят: разработка грунта в
траншеях, устройство дорог, укладка сетей и т.д.
Разработка котлована и траншей выполняется экскаваторами типа
"обратная лопата". Вынутый грунт вывозится автосамосвалами.
Монолитные железобетонные ростверки и отдельные фундаменты бетонируют
стреловыми самоходными кранами. Подача бетона в конструкции осуществляется
поворотными бункерами вместимостью 0,8 м3.
Обратная засыпка грунта осуществляется автосамосвалами с последующим
выравниванием бульдозером и уплотнением грунта пневмотрамбовщиками.
Сборные конструкции монтируются двумя башенными кранами на двух
захватках.
Антикоррозийная защита закладных деталей и сварных швов выполняется в
процессе монтажа сборных железобетонных элементов. Заделка горизонтальных и
вертикальных швов производится с навесных люлек вслед за монтажом и
окончательным закреплением конструкций.
Кровельные работы выполняются с использованием подъемников, специальных
установок для подачи мастики, механизмов для подготовки и наклейки рулонных
материалов, сушки основания кровли. Нанесение грунтовок производится с помощью
установок, состоящих из компрессора, нагнетательного бочка и
пистолета-распылителя.
Устройство гидроизоляционного покрытия начинается с отделки деталей
кровли - карнизов, водосточных воронок и примыканий.
4.1.4
Трудоемкость
На основе номенклатуры и объемов подготовительных, вспомогательных и
дополнительных работ составляем ведомость трудоемкости (табл.2.4.)
Таблица 4.1.3.Ведомость трудоемкости
|
|
Выработка
|
Трудоем.
|
Стоимость
|
|
I. Землянные работы .
|
1044
|
687
|
717395,3205
|
|
II. Фундаменты и стены
подвала .
|
4900
|
430
|
2109496,529
|
|
III. Монтаж сборного
железобетона .
|
8674
|
5616
|
48707863,22
|
|
IV. Кровельные работы .
|
1405
|
434
|
609938,3937
|
|
V. Окна , двери .
|
3102
|
1453
|
4509162,68
|
|
VI. Штукатурка , облицовка
.
|
911
|
141
|
128236,6313
|
|
VII. Отделочные работы .
|
1257
|
160
|
201339,167
|
|
VIII. Чистые полы .
|
582
|
324
|
188841,0511
|
|
IX. Разные работы .
|
874
|
198
|
173263,4243
|
|
Прямые затраты :
|
|
9444,3
|
57345536,4
|
|
Неучтенные работы 10% :
|
|
|
5734553,6
|
|
Прямые затраты с
неучтенными работами :
|
|
|
63080090,1
|
|
Накладные расходы
|
15
|
% :
|
|
|
9462013,5
|
|
Сметная себестоимость :
|
|
|
72542103,6
|
|
Плановые накопления
|
8
|
% :
|
|
|
5803368,3
|
|
Всего сметная стоимость :
|
|
17739,0
|
78345471,9
|
|
Выработка общестроительных
работ
|
|
4416,558
|
|
|
|
Далее производим оценку полученных результатов и делаем соответствующую
корректировку.
1. Оценка полученных результатов.
|
Расчеты на 1 м3
|
Прямые расчеты
|
|
Стоимость 1 м3
|
2100
|
-
|
|
Общая стоимость
|
80474100
|
78345471,9
|
|
Выработка
|
3700
|
4416,56
|
|
Трудоемкость
|
21750
|
17739
|
Выводы :
· Полученная в результате прямых расчетов сметная стоимость примерно равна,
рассчитанной на 1м3.
· Средняя выработка на общестроительные работы для данного типа
здания должна быть в пределах 3000….3700. Полученный результат завышен и
нуждается в корректировке.
· Трудоемкость по результатам расчета занижена. Производим
проверку объемов.
Оптимальная трудоемкость составит 78345472 / 3700 = 21251 чел. - дни
Реальная трудоемкость составляет 9082,1чел.-дней,
разница 21251 - 9082,1 = 12540чел.-дней - относим к неучтенным работам.
/ 21251 = 0,58 > 0,1 процент неучтенных работ превышает допустимого
значения, делаем соответствующую корректировку трудоемкости.
Корректировка трудоемкости : Распределяем трудоемкость из условий
· На неучтенные работы должно приходиться 10%от всей трудоемкости.
· Остальную трудоемкость распределяем по разделам , так чтобы
выработка была в пределах допустимой.
Таблица 4.1.4. Итоговая ведомость трудоемкости работ.
|
Расчетные значения
|
Планируемые значения
|
|
Стоимость К = 1,242
|
Трудо- емкоть
|
Выра- ботка
|
Трудо- емкоть
|
Выра- ботка
|
Расчет
|
|
I Земляные работы
|
891005
|
687
|
1297
|
495
|
1800
|
доп.
|
|
II Фундаменты и стены подвала
|
2619995
|
430
|
6086
|
845
|
3100
|
доп.
|
|
IV Монтаж сборного железобетона
|
60495166
|
5616
|
10773
|
13151
|
4600
|
доп.
|
|
V Кровельные работы
|
757543
|
434
|
1745
|
379
|
2000
|
доп.
|
|
VII Окна и двери
|
5600380
|
1453
|
3853
|
1830
|
3060
|
доп.
|
|
VIII Штукатурка и облицовка
|
159270
|
141
|
1132
|
80
|
2000
|
доп.
|
|
IX Отделочные работы
|
250063
|
160
|
1561
|
197
|
1270
|
доп.
|
|
X Чистые полы
|
234541
|
324
|
723
|
123
|
1900
|
доп.
|
|
XI Разные работы
|
255193
|
198
|
1086
|
2033
|
106
|
остаток
|
|
Неучтенные работы
|
7122316
|
11730
|
607
|
2117
|
1050
|
|
|
Всего:
|
78345472
|
21174
|
|
21251
|
|
|
Также помимо итоговой ведомости трудоемкости основных работ составляем
итоговую ведомость трудоемкости специальных работ.
Таблица 4.1.5. Итоговая ведомость трудоемкости специальных работ.
|
Санитарно-технические
работы
|
240
|
|
Электротехнические работы
|
86
|
|
Благоустройство
|
2252
|
|
Итого: трудоемкость
специальных работ, ч.-д.
|
2578
|
Мы получили все необходимые показатели для составления календарного плана
выполнения работ.
.1.5
Организационно-технологическая схема возведения объекта
Здание строящего обьекта разбивается на 2 захватки. Захватки равны между
собой и обслуживаются башенными кранами.
Здание разбивается на ярусы, каждый из которых по высоте равен высоте
этажа. Схему движения бригад принимаем горизонтальную, когда работы выполняются
последовательно на всех захватках одного яруса по всей длине здания.
Последовательность выполнения СМР на объекте определяем в соответствии с
его конструктивными особенностями и принятой технологии работ, а также с
соблюдением установленных СНиП III-4-79
ограничений, с тем, чтобы обеспечить устойчивость всех возводимых элементов и
безопасные условия ведения СМР.
При выборе последовательности СМР учитываются условия, которые
обеспечивают надлежащее качество работ.
Для сокращения сроков строительства объекта используются бригады
различного состава с различным временем их работы на захватках.
Двухсменная работа предусматривается на следующих процессах:
монтаж строительных конструкций;
монтаж технологического оборудования;
кровельные работы.
Работы, требующие высококачественного труда, выполняются в первую смену:
устройство вводов сетей;
благоустройство территории;
отделочные работы.
На основании принятой организационно-технологической схемы возведения
объекта составляем сетевую модель, исходя из технологической последовательности
с учетом переходов бригад и средств механизации в направлении принятого
развития потоков с захватки на захватку.
4.1.6
Сетевая модель и карточка-определитель работ
Сетевую модель строим без учета масштаба времени на основе
организационно-технологической схемы возведения здания с учетом
последовательности и терминов выполнения СМР.
Карточка-определитель работ складывается на основе сетевой модели,
объемов и трудоемкости работ(табл. 2.5.)
Таблица 4.1.6
Карточка - определитель
|
№/№
|
Наименование процессов
|
Трудоемкость по СНиП
|
Звено
|
Сменн
|
Продолжит.
|
|
|
ч.-дн.
|
м.-см.
|
|
|
|
|
1
|
Подготовительный период
|
1165
|
0
|
16
|
2
|
30
|
|
2
|
Земляные работы
|
495
|
19,15
|
7
|
2
|
30
|
|
3
|
Фундаменты
|
845
|
65,96
|
20
|
2
|
18
|
|
4
|
Монтаж цокольн.этажа
|
774
|
185,93
|
28
|
2
|
12
|
|
5
|
Монтажные работы
|
12378
|
2974,87
|
28
|
2
|
192
|
|
6
|
Кровельные работы
|
379
|
0
|
12
|
2
|
14
|
|
7
|
Окна и двери
|
1830
|
0
|
8
|
1
|
192
|
|
8
|
Штукатурные работы
|
80
|
0
|
2
|
1
|
192
|
|
9
|
Отделочнве работы
|
197
|
0
|
2
|
1
|
192
|
|
10
|
Чистые полы
|
123
|
0
|
2
|
1
|
192
|
|
11
|
Разные работы
|
2033
|
10,34
|
20
|
2
|
40
|
|
12
|
Подготовка к сдаче
|
635
|
0
|
12
|
2
|
20
|
|
13
|
Сдача объекта
|
318
|
0
|
12
|
2
|
10
|
|
Итого основные работы
|
21251
|
3256,25
|
|
|
1104
|
|
14
|
Санитарно-технические
|
240
|
0
|
2
|
2
|
60
|
|
15
|
Электро-технические
|
86
|
0
|
2
|
2
|
16
|
|
16
|
Благоустройство
|
2252
|
0
|
8
|
2
|
120
|
|
Итого специальные работы
|
2578
|
|
|
196
|
|
Всего общая трудоемкость
|
23828
|
3256,25
|
28
|
|
1300
|
4.1.7
Расчет сетевого графика
Производство работ организуется поточным методом, при этом необходимо
учесть одновременность выполнения ряда работ и совмещение профессий.
Работы нулевого цикла производим одной захваткой, при производстве работ,
связанных с возведением коробки здания и дальнейшими отделочными работами, делим
объект на четыре захватки.
Продолжительность (ритм) каждого вида работ на захватках определяется
временем выполнения ведущего механизированного процесса на рассматриваемом
этапе строительства объекта.
Продолжительность выполнения полностью механизированных работ, дн.,
где
Зм - общие затраты машинного времени на производство работ,
маш.-см.;
А
- сменность работы, А=2;
n - число машин,
участвующих в выполнении работы в смену.
В
случае производства работ немеханизированным (частично механизированным)
способом продолжительность работы ti, дн., определяется
по формуле
где
Тр - трудоёмкость работы, чел.-дн.;
N - принятое
количество рабочих в смену;
А - сменность работы.
Если рассматриваемый вид работы включает механизированные и
немеханизированные процессы, то принимают продолжительность, большую из
рассчитанных по данным формулам.
Работы ведутся поточным методом. Для реализации поточного метода вся
номенклатура работ на объекте группируется таким образом, чтобы каждый вид
работы мог быть выполнен звеном или бригадой рабочих заданного
профессионального состава. При этом учитывается одновременность выполнения
работ и совмещения профессий.
Совмещение разных видов работ во времени достигается путём деления объекта
на захватки.
Планировка территории ведётся двумя бульдозерами.
Отрывка траншей под фундамент производится одним экскаватором.
Монтаж ведётся одним башенным краном последовательно по захваткам.
Отделочные и пусконаладочные работы ведутся также последовательно по
захваткам.
Расчёт сетевого графика производится секторным способом:
· расчёт ранних начал
· расчёт поздних окончаний
· расчёт частного и полного резерва времени
· построение сетевого графика во времени
На основании рассчитанного и откорректированного по продолжительности
строительства сетевого графика строится график в масштабе времени, работы
располагаем по ранним срокам совершения событий. На сетевом графике,
выполненном в масштабе времени, работа изображается прямой линией, а их резервы
пунктирной. Работы, лежащие на критическом пути, отличаются от других работ
выделением. Производится привязка сетевого графика к календарю. Под каждой
работой проставляем:
· Продолжительность
· Количество людей
· Сменность
4.1.8
Потребность в рабочих кадрах, жилье и культурно-бытовом обслуживании рабочих
Число рабочих, занятых в не основном производстве принимаем 15% от общего количества рабочих,
занятых в основном производстве
Nнп = 0,15х56 = 9 чел.
Общее число рабочих составит Nр = 56+9 =
65 чел.
Находим удельный вес отдельных категорий специалистов в общем количестве
работающих на сооружении объектов пищевой промышленности. Общее число
работающих определяем с учетом дополнительных 5% на отпуска и болезни. Результаты расчета сводим в
таблицу 1.10.
Таблица
4.1.7. Потребность в рабочих кадрах.
|
Наименование
|
Удельный вес, %
|
Числен-ность, чел.
|
С учетом 5%, чел.
|
|
Рабочие
|
85,4
|
56
|
59
|
|
инженерно-технические
работники
|
11,0
|
6
|
7
|
|
служащие
|
3,2
|
2
|
3
|
|
МОП и охрана
|
1,3
|
1
|
2
|
|
ИТОГО:
|
|
65
|
71
|
4.1.9 Расчет площадей временных зданий
Временными зданиями называются надземные подсобно-вспомогательные и
обслуживающие объекты, необходимые для обеспечения производства СМР. Временные
здания сооружаются только на период строительства. Временные здания в отличие
от постоянных имеют свои особенности, связанные с назначением, конструктивным решением,
методами строительства, эксплуатации и порядком финансирования. По назначению
временные здания делятся на производственные, складские, административные,
административно-бытовые, жилые и общественные.
Потребность во временных зданиях и сооружениях определяется по
действующим нормативам на расчетное количество рабочих, ИТР, служащих, МОП и
работников охраны.
Таблица 4.1.8. Расчёт площадей временных зданий и сооружений
|
Наименование
|
Численность персонала
|
Вместимость, человек
|
Размеры в плане, м
|
Кол-во зданий /
Тип-конструкции
|
|
1
|
2
|
3
|
4
|
5
|
|
Контора нач. уч.
|
2
|
4
|
8,0 Х 7,0
|
|
|
Прорабская
|
4
|
4
|
8,0 Х 3,5
|
1 / щитовая
|
|
Бытовка
|
М - 60 Ж - 20
|
16 16
|
8,0 X
7,0 8,0 X 7,0
|
4 /щитовая 2 / шитовая
|
4.1.10 Водоснабжение строительной площадки
Временное водоснабжение на строительной площадке предназначено для
обеспечения производственных, хозяйственно-бытовых и противопожарных нужд. При
проектировании временного водоснабжения необходимо определить потребность,
выбрать источник, наметить схему, рассчитать диаметр водопровода, привязать
трассу и сооружение на строй генплане. Следует предельно использовать
постоянные источники и сети водоснабжения.
Водопроводную сеть необходимо рассчитывать на период ее наиболее
напряженной работы, т.е. она должна обеспечивать потребителей водой в часы
максимального водозабора и во время тушения пожара.
Водоснабжение строительной площадки
Обеспечение 3 видов потребностей
Qобщ=Qпр+Qx+Qпож,
где Qпр - максимальный расход на
хозяйственно -бытовые нужды
Qпр - максимальный расход воды на
производственные нужды
Qпож - тоже, на противопожарные нужды
Таблица 4.1.9. Потребность в водоснабжении.
|
Потребители
|
Един.изм
|
Количество в смену
|
Удельный расход
|
Кn
|
t
|
|
Компрессор Р = 10кВт/ч
|
кВт / ч
|
70
|
700
|
1,5
|
8
|
|
Мойка машин
|
Маш.
|
10
|
2000
|
1,5
|
8
|
|
Мойка тракторов
|
Маш.
|
2
|
200
|
1,5
|
8
|
Qпр = кпр
t - число
учитываемых часов в смену 8ч.
kn -
коэффициент часовой неравномерности
nn -
число производственных потребителей
en - удельный расход воды на производственные цели
кпр=1,2¸1,3
Qx =
qx -
удельный расход воды на хозяйственно-бытовые нужды (20-25л)
qg -
удельный расход воды на прием душа одного
работающего
(30-50л)
np -
число работающих в максимально загруженной смене
ng -
число пользующих душем (80%)
kr-
коэффициент неравномерности
Qпож = 20 л/с
Qобщ = 0,18 + 0,43 + 20 = 20,61 л/с
Определяем
диаметр трубы
Принимаем
D=150мм- расчетный расход воды, л./сек.- скорость
движения воды по трубам, м./сек.
Для
сетей временного водопровода значения скоростей принимают большими чем для
постоянного водопровода : V = 1,5 м./сек., что позволяет принимать трубопроводы
меньшего диаметра.
Временные
водопроводные сети выполняются из стальных труб.
Расходы
воды на противопожарные нужды могут быть приняты в следующих количествах : при
площади застройки до 50 га. - 20 л./сек.
На
каждые 20 га. + 5 л./сек.
4.1.11 Электроснабжение строительной площадки
Требования:
.Обеспечение энергией в потребном количестве необходимого качества;
.Гибкость электрической сети;
.Надежность электрической сети;
.Минимизация затрат на электроснабжение.
Порядок проектирования:
.Производят расчет электрических нагрузок;
.Выбор источника электроэнергии. Определение количество и мощностей
трансформаторных подстанций;
.Выявление объекта первой категории требующие резервного
электропитания;
.