Здание отстойников окалины
1. Архитектурно-строительный раздел
.1 Исходные данные для проектирования
Место строительства проектируемого здания - г. Липецк
Липецкой обл.
Нормативное значение веса снегового покрова на 1 м2
горизонтальной поверхности земли для III снегового района согласно карте 1 и табл. 4 [24]
S = 1,5 кН/м2.
Нормативное значение ветрового давления принимаем в
зависимости от II ветрового района по данным карты 3 и табл. 5 [24].
W0 = 0,3 кН/м2
Уровень промерзания грунта - 2,20 м.
В качестве основания для свай - стоек приняты галечниковые
отложения р.
Здание в осях А - Б отапливаемое. Конструкции помещения
разработаны на следующий температурно-влажностный режим:
температура наружного воздуха наиболее холодных суток - 42
град. С;
температура наружного воздуха наиболее холодной пятидневки -
39 град. С;
влажность внутреннего воздуха - плюс 10 град. С.
Пролет оборудован мостовым краном Q=5 т.
Режим работы кранов 2К легкий.
Степень огнестойкости в осях а - В III а, пристраиваемые
помещения II.
По долговечности здание относится ко II классу (до 50 лет).
1.2
Технологический процесс производства
Проектируемое здание является отстойником окалины
металлургического завода города Липецк. При прокатке профилей, арматуры, слябов
в прокатным цехах образуется окалина. Окалину смывают и она по каналам попадает
в отстойник. Из колодцев ее выбирают грейферами и грузят на автотранспорт.
1.3 Генеральный план
Проектируемый отстойник размещается в пределах промышленной
зоны металлургического завода города Липецк.
На отводимом земельном участке находятся существующие здания:
прокатный цех, цех непрерывно-заготовочный.
Рельеф участка спокойный. Господствующее направление ветра
юга - западное.
К цеху запроектирована автодорога с асфальтобетонным
покрытием, примыкающая к существующей автодороге.
Планировка основных магистралей и проездов решена с учетом
размещения инженерных коммуникаций и элементов благоустройства, а их застройка
производится только после укладки всех подземных коммуникаций. Вокруг здания
предполагается благоустройство в виде газонов.
1.4 Объемно-планировочное решение
Одноэтажное производственное здание прямоугольное в плане
размером 36 х 72 м L=36 м. Шаг колонн по наружным осямB = 6 м. Высота от чистого
пола до низа несущих стропильных конструкций равна H=10,8 м.
Внутрицеховой транспорт мостовой электрический кран
грузоподъемностью Q=5 т. Отметка головки кранового рельса 8.15 м.
Вывоз окалины автотранспортом через автомобильные ворота в
торце здания. Для движения и эвакуации людского потока предусмотрены двери.
Здание отапливаемое с естественным освещением.
Рисунок 1 - Привязка колонн к разбивочным осям
.5 Архитектурно-конструктивное решение здания и его элементы
Материал каркаса (рамно-связевой) смешанный. В поперечном
направлении устойчивость рамы обеспечивается жестким защемлением колонны с
фундаментом и шарнирным соединением колонны со стропильной конструкцией.
Рисунок 2 - Схема однопролетной рамы
1.5.1 Фундамент
Глубина заложения одноступенчатого ростверка - 2,250 м, обрез
фундамента находится на отм. - 0,150 м. так как сейсмичность площадки
строительства 8 баллов. Под ростверк выполняется подбетонка в 100 мм. Жесткое
соединение колонны с фундаментом достигается анкерными болтами. Жесткая база
колонны имеет четыре анкерных болта.
Рисунок 3 - Схема фундамента
1.5.2 Фундаментные балки
В каркасном здании для опирания цокольной панели по подколонником
укладывают железобетонные фундаментные балки трапецеидального поперечного
сечения. Верхняя грань всех балок располагается на 30 мм ниже уровня чистого
пола. Это дает возможность после укладки по ней гидроизоляции толщиной 30 мм
выйти на отметку чистого пола. Для опирания фундаментных балок у подколонника к
стенкам устраивают бетонные приливы. Чтобы грунт не смерзался с телом балки и
при повышенной влажности не вызывал ее подвижки, балку обсыпают песком.
Рисунок 4 - Фундаментная балка
1.5.3 Колонны
Железобетонные колонны прямоугольного сечения для зданий
высотой 10,8 м с кранами грузоподъемностью 5 т.
Рисунок 5 - Колонна
1.5.4 Фахверковые колонны
Для крепления стеновых панелей предусмотрены колонны фахверка
из стали. Шаг колонн фахверка 6 м.
Основные колонны у торца, смещенные на 500 мм, дополнены по
всей высоте до плоскости стены приколонными фахверковыми стойками.
Рисунок 6 - Фахверковая колонна
.5.5 Подкрановые стальные балки
Подкрановые стальные балки представляют собой сварной двутавр
сплошного сечения, работающий по разрезной схеме.
Балки опирают на колонны через опорные торцевые ребра и крепят к
ним болтами и планками. Между собой балки соединяют болтами, пропускаемыми
через опорные ребра.
Рисунок 7 - Крепление балок к стальным колоннам: 1 - колонна; 2 -
подкрановая балка; 3 - крепежные планки; 4 - торцевое опорное ребро; 5 - ребро
жесткости
В уровне крановых путей предусмотрен проход, для чего по тормозным
балкам укладывают настил, а вдоль проходов устраивают ограждение.
1.5.6 Ферма
Ферма представляет собой сквозную (решетчатую) несущую
конструкцию, образованную из отдельных стержней. Элементы фермы: верхний и
нижний пояса, стойки и раскосы - выполняют из прокатных уголков в виде стержней
парного профиля. Соединяют стержни в узлах сваркой при помощи фасонок (косынок)
из листовой стали, располагаемых между уголками.
Рисунок 8 - стропильная ферма
.5.7 Покрытие
Покрытие выполнено из облегченной плиты покрытия 3х12 м.
Состаящая: 1-продольные плиты покрытия; 2-поперечные ребра из швеллера №14;
3-оцинкованный профилированный настил; 4-самонарезающие болты;
5-пароизоляция-рубероид РМ-350; 6-фенольный пенопласт; 7-стяжка из песчано-цементного
раствора марки 300; 8-один слой рубероида марки РМ-350.
Для необходимой теплоизоляции принята трехслойная навесная
стеновая панель общей толщиной 250 мм, состоящая из двух слоев железобетона,
толщиной 70 мм и 50 мм (λ=1,92 Вт/м°С), и внутреннего
слоя из пенополистирола толщиной 130 мм плотностью γ=150 кг/м3 (λ=0,052 Вт/м°С), являющегося
эффективным утеплителем.
Рисунок 9 - Облегченная плита покрытия
1.5.8 Теплотехнический расчет стеновых ограждений
Таблица 1. Температурно-влажностные характеристики здания
|
Температура
внутреннего воздуха tвн
|
10 °С
|
Зона влажности
территории (прил. 1 [1])
|
3 (сухая)
|
|
Влажность φ
|
50%
|
Влажностный
режим
|
нормальный
|
|
Условия
эксплуатации конструкций
|
А (сухой)
|
Коэффициент
положения конструкции n (табл. 3
[1])
|
1
|
|
Коэффициент
тепловосприятия αв
|
8,7 Вт/м2°С
|
Коэффициент
теплоотдачи αн
|
23 Вт/м2°С
|
|
Нормируемый
температурный перепад Δtн
|
4 °С
|
Температура
наружного воздуха tн
|
-39 °С
|
|
Температура
отапливаемого периода tоп
|
-8,8 °С
|
Продолжительность
отапливаемого периода Zоп
|
228 сут.
|
d=(tв - tоп) Zоп=(16 - (-8,8)). 228=41080Ссут.
=1,3
<
=7
Таблица 2. Характеристики материалов стеновой панели
|
№ слоя
|
Материал слоя
|
Плотность γ,
кг/м3
|
Толщина слоя δ,
м
|
Коэф.
теплопров. λ, Вт/м°С
|
Термич.
сопротивл. слоя R=
δ/ λ, м2°С
/ Вт
|
|
1
|
Железобетон
|
2500
|
0,12
|
1,92
|
0,0625
|
|
2
|
Пенополистирол
|
150
|
0,13
|
0,052
|
2,5
|
Конструкция соответствует требованиям СНиП и может быть
использована.
1.5.9 Ограждающие конструкции
Ограждающими конструкциями являются наружные стеновые панели,
которые, воспринимают нагрузку от собственной массы и ветровые нагрузки в
пределах одного шага. В проекте на здание используются трёхслойные панели,
толщина утеплителя из пенополистирола равная 130 мм, двух слоёв железобетона 70
мм и 50 мм. Толщины материалов приняты по теплотехническому расчёту (см. пункт
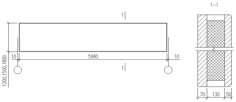
7 «Теплотехнический расчёт наружных ограждающих конструкций»). Длина рядовых
панелей 5980 мм (см. рисунок 1.10). Для заделки углов здания и закрытия стен в
местах вставок между разбивочными осями предусмотрены удлиненные стеновые
панели. Угловые панели (для укладки в торцовых стенах) имеют длину 6280 мм.
Нижние стеновые панели опираются на фундаментные балки по слою гидроизоляции из
цементно-песчаного раствора. Стеновые панели над оконными проемами
устанавливаются на простеночные панели.
Рисунок 10 - Рядовая панель
1.5.10 Окна
Заполнение оконных проемов одинарное стекло толщиной 4 мм по
ГОСТ 111-65* и стеклопакеты толщиной 32 мм по СТУ 47-554-65.
Рисунок 11 - Окна
1.5.11 Откатные ворота 4,5х5 м
Воротный проем обрамляется сборной железобетонной рамой. В полотне
ворот устраивается калитка. Полотна ворот подвешиваются к верхней направляющей
на двух ходовых роликах. Вертикальное положение ворот фиксируется нижней
направляющей. Стальной каркас полотен заполняется дощатыми филенками и
остекленными переплетами. Ворота оборудуются механическим приводом, комплектом
приборов для ручного открывания и тепловой завесой
1.5.12 Пол
Полы производственных зданий состоят из покрытия - верхнего слоя,
непосредственно подвергающегося всем эксплуатационным воздействиям, и
подстилающего слоя, воспринимающего главным образом вертикальные нагрузки и
передающего их на основание - грунт, находящийся в естественном состоянии.
Рисунок 12 - Пол
2.
Расчетно-конструктивный раздел
2.1 Расчет фермы
.1.1
Сбор нагрузок на ферму
а)
Нагрузки от собственного веса конструкций здания
Таблица 3 - Нагрузки от собственного веса конструкции здания
|
№ п/п
|
Элементы
покрытия
|
Ед. изм.
|
Нормативная
нагрузка
|
Коэфф. надёжн.
по нагр.
|
Расчет нагр.
|
|
1
|
Защитный слой
(1 слой рубероида)
|
0,041,30,05
|
|
|
|
|
2
|
Стяжка из
песчанно цементного раствора марки 300 δ=40 мм ρ=1800 кг/м3
|
0,711,30,92
|
|
|
|
|
3
|
Утеплитель
(фенольный пенопласт) t = 50 мм ρ=50
кг/м3
|
0,031,20,04
|
|
|
|
|
4
|
Пароизоляция (1
слой рубероида)
|
0,041,30,05
|
|
|
|
|
5
|
Оцинкованный
профилированный настил
|
0,141,050,15
|
|
|
|
|
6
|
Поперечные
ребра из швеллера №14
|
0,051,050,005
|
|
|
|
|
6
|
Продольные
ребра из швеллера №30
|
0,031,050,03
|
|
|
|
|
7
|
Связи по
покрытию
|
0,061,050,07
|
|
|
|
|
1,04
|
|
1,29
|
Погонная нагрузка на ригель рамы:
- нормативная нагрузка на ригель рамы:
,
расчетная нагрузка на ригель рамы:
,
где В-шаг рам.
Для бесфонарного здания и теплой кровлей следует сложить
величины нагрузок с номерами следующих позиций (1-7) табл. 2. С незначительной
погрешностью сюда можно включить нагрузку от веса промышленной проводки.
;
;
б) Снеговая нагрузка
Интенсивность расчетной снеговой нагрузки, согласно [3],
определяется по формуле:
,
где В-шаг рам;
Sо -
нормативное значение веса снегового покрова на один квадратный метр
горизонтальной поверхности земли, принимается по [3] в зависимости от района
строительства (Sо = 1,5
, т. к. г. Липецк относится к 3 снеговому
району);
- коэффициент, зависящий от конфигурации кровли (
= 1 для кровель с уклоном менее 25 град.
при отсутствии фонарей и перепадов высот);
- коэффициент надежности по нагрузке (равен 1,4).
2.1.2 Результаты расчета в SCAD
Общие характеристики
Группа конструкции по таблице 50* СНиП: 1
Расчетное сопротивление стали Ry= 23,544 kN/см2
Коэффициент надежности по ответственности 1,15
При подборе и проверке элементов ферм приняты следующие
значения коэффициента условий работы:
поясов, опорных раскосов, растянутых элементов решетки,
сжатых элементов решетки крестового сечения - 0.95
сжатых элементов решетки таврового сечения при гибкости их
больше 60 - 0.8
Тип фермы
Рисунок 13 - Расчетная схема фермы
Пролет фермы L = 36,0 м
Высота фермы H = 3,15 м
Количество панелей верхнего пояса 12
Угол наклона a = 0,859372 град
Раскрепления из плоскости
Узлы верхнего пояса: все
Узлы нижнего пояса: только крайние
Сечение верхнего пояса - Уголок равнополочный по ГОСТ 8509-93
L180x18
Сечение нижнего пояса - Уголок равнополочный по ГОСТ 8509-93
L150x18
Сечение раскосов - Уголок равнополочный по ГОСТ 8509-93
L120x15
Сечение стоек - Уголок равнополочный по ГОСТ 8509-93 L75x6
Сечение опорных раскосов - Уголок равнополочный по ГОСТ
8509-93 L160x14
Сечение верхнего пояса
Рисунок 14 - Сечение верхнего пояса
Сечение: Уголок равнополочный по ГОСТ 8509-93 L180x18
Таблица 4 - Геометрические характеристики сечения
|
|
Параметр
|
Значение
|
|
A
|
Площадь
поперечного сечения
|
123,98
|
|
Av,y
|
Условная
площадь среза вдоль оси Y
|
51,989
|
|
Av,z
|
Условная
площадь среза вдоль оси Z
|
46,151
|
|
Iy
|
Момент инерции
относительно оси Y
|
3767,266
|
|
Iz
|
Момент инерции
относительно оси Z
|
8422,139
|
|
It
|
Момент инерции
при стесненном кручении
|
131,15
|
|
Iw
|
Секториальный
момент инерции
|
0,0
|
|
iy
|
Радиус инерции
относительно оси Y
|
5,512
|
|
iz
|
Радиус инерции
относительно оси Z
|
8,242
|
|
Wy+
|
Максимальный
момент сопротивления относительно оси Y
|
734,729
|
|
Wy-
|
Минимальный
момент сопротивления относительно оси Y
|
292,658
|
|
Wz+
|
Максимальный
момент сопротивления относительно оси Z
|
443,27
|
|
Wz-
|
Минимальный
момент сопротивления относительно оси Z
|
443,27
|
|
Wpl,y
|
Пластический
момент сопротивления относительно оси Y
|
430,949
|
|
Wpl,z
|
Пластический
момент сопротивления относительно оси Z
|
759,678
|
Сечение нижнего пояса
Рисунок 16 - Сечение нижнего пояса
Сечение: Уголок равнополочный по ГОСТ 8509-93 L150x18
Таблица 5 - Геометрические характеристики сечения
|
|
Параметр
|
Значение
|
|
A
|
Площадь
поперечного сечения
|
102,18
|
|
Av,y
|
Условная
площадь среза вдоль оси Y
|
44,203
|
|
Av,z
|
Условная
площадь среза вдоль оси Z
|
38,115
|
|
Iy
|
Момент инерции
относительно оси Y
|
2119,647
|
|
Iz
|
Момент инерции
относительно оси Z
|
4813,729
|
|
It
|
Момент инерции
при стесненном кручении
|
107,822
|
|
Iw
|
Секториальный
момент инерции
|
0,0
|
|
iy
|
Радиус инерции
относительно оси Y
|
4,555
|
|
iz
|
Радиус инерции
относительно оси Z
|
6,864
|
|
Wy+
|
Максимальный
момент сопротивления относительно оси Y
|
483,409
|
|
Wy-
|
Минимальный
момент сопротивления относительно оси Y
|
199,68
|
|
Wz+
|
Максимальный
момент сопротивления относительно оси Z
|
305,634
|
|
Wz-
|
Минимальный
момент сопротивления относительно оси Z
|
305,634
|
|
Wpl,y
|
Пластический
момент сопротивления относительно оси Y
|
293,841
|
|
Wpl,z
|
Пластический
момент сопротивления относительно оси Z
|
524,673
|
Сечение раскосов
Рисунок 17 - Сечение раскосов
Сечение: Уголок равнополочный по ГОСТ 8509-93 L120x15
Таблица 6 - Геометрические характеристики сечения
|
|
Параметр
|
Значение
|
|
A
|
Площадь
поперечного сечения
|
67,98
|
|
Av,y
|
Условная
площадь среза вдоль оси Y
|
30,214
|
|
Av,z
|
Условная
площадь среза вдоль оси Z
|
25,364
|
|
Iy
|
Момент инерции
относительно оси Y
|
897,527
|
|
Iz
|
Момент инерции
относительно оси Z
|
2141,384
|
|
It
|
Момент инерции
при стесненном кручении
|
49,747
|
|
Iw
|
Секториальный
момент инерции
|
0,0
|
|
iy
|
Радиус инерции
относительно оси Y
|
3,634
|
|
iz
|
Радиус инерции
относительно оси Z
|
5,613
|
|
Wy+
|
Максимальный
момент сопротивления относительно оси Y
|
254,434
|
|
Wy-
|
Минимальный
момент сопротивления относительно оси Y
|
105,935
|
|
Wz+
|
Максимальный
момент сопротивления относительно оси Z
|
|
Wz-
|
Минимальный
момент сопротивления относительно оси Z
|
167,952
|
|
Wpl,y
|
Пластический
момент сопротивления относительно оси Y
|
156,04
|
|
Wpl,z
|
Пластический
момент сопротивления относительно оси Z
|
290,788
|
Сечение стоек
Рисунок 18 - Сечение стоек
Сечение: Уголок равнополочный по ГОСТ 8509-93 L75x6
Таблица 7 - Геометрические характеристики сечения
|
|
Параметр
|
Значение
|
|
A
|
Площадь
поперечного сечения
|
17,56
|
|
Av,y
|
Условная
площадь среза вдоль оси Y
|
7,034
|
|
Av,z
|
Условная
площадь среза вдоль оси Z
|
6,516
|
|
Iy
|
Момент инерции
относительно оси Y
|
93,058
|
|
Iz
|
Момент инерции
относительно оси Z
|
203,843
|
|
It
|
Момент инерции
при стесненном кручении
|
2,051
|
|
Iw
|
Секториальный
момент инерции
|
0,0
|
|
iy
|
Радиус инерции
относительно оси Y
|
2,302
|
|
iz
|
Радиус инерции
относительно оси Z
|
3,407
|
|
Wy+
|
Максимальный
момент сопротивления относительно оси Y
|
45,136
|
|
Wy-
|
Минимальный
момент сопротивления относительно оси Y
|
17,112
|
|
Wz+
|
Максимальный
момент сопротивления относительно оси Z
|
25,641
|
|
Wz-
|
Минимальный
момент сопротивления относительно оси Z
|
25,641
|
|
Wpl,y
|
Пластический
момент сопротивления относительно оси Y
|
25,668
|
|
Wpl,z
|
Пластический
момент сопротивления относительно оси Z
|
44,106
|
Сечение опорных раскосов
Рисунок 19 - Сечение опорных раскосов
Сечение: Уголок равнополочный по ГОСТ 8509-93 L160x14
Таблица 8 - Геометрические характеристики сечения
|
ПараметрЗначение
|
|
|
|
A
|
Площадь
поперечного сечения
|
87,14
|
|
Av,y
|
Условная площадь
среза вдоль оси Y
|
35,545
|
|
Av,z
|
Условная
площадь среза вдоль оси Z
|
32,459
|
|
Iy
|
Момент инерции
относительно оси Y
|
2092,159
|
|
Iz
|
Момент инерции
относительно оси Z
|
4670,665
|
|
It
|
Момент инерции
при стесненном кручении
|
55,312
|
|
Iw
|
Секториальный
момент инерции
|
0,0
|
|
iy
|
Радиус инерции
относительно оси Y
|
4,9
|
|
iz
|
Радиус инерции
относительно оси Z
|
7,321
|
|
Wy+
|
Максимальный
момент сопротивления относительно оси Y
|
471,238
|
|
Wy-
|
Минимальный
момент сопротивления относительно оси Y
|
180,978
|
|
Wz+
|
Максимальный
момент сопротивления относительно оси Z
|
274,745
|
|
Wz-
|
Минимальный
момент сопротивления относительно оси Z
|
274,745
|
|
Wpl,y
|
Пластический
момент сопротивления относительно оси Y
|
267,976
|
|
Wpl,z
|
Пластический
момент сопротивления относительно оси Z
|
474,016
|
Таблица 9 - Усилия в элементах фермы
|
№ эл.
|
Комбинации
|
Загружения
|
|
Nmin
|
Nmax
|
1
|
2
|
|
Верхний пояс
|
|
1
|
0,0
|
0,0
|
0,0
|
0,0
|
|
2
|
-1299,646
|
-1299,646
|
-430,048
|
-700,079
|
|
3
|
-1299,646
|
-1299,646
|
-430,048
|
-700,079
|
|
4
|
-2023,233
|
-2023,233
|
-669,481
|
-1089,852
|
|
5
|
-2023,233
|
-2023,233
|
-669,481
|
-1089,852
|
|
6
|
-2216,239
|
-2216,239
|
-733,346
|
-1193,818
|
|
7
|
-2216,239
|
-2216,239
|
-733,346
|
-1193,818
|
|
8
|
-2023,233
|
-2023,233
|
-669,481
|
-1089,852
|
|
9
|
-2023,233
|
-2023,233
|
-669,481
|
-1089,852
|
|
10
|
-1299,646
|
-1299,646
|
-430,048
|
-700,079
|
|
11
|
-1299,646
|
-1299,646
|
-430,048
|
-700,079
|
|
12
|
-2,26761e-13
|
-2,26761e-13
|
-3,63839e-14
|
-1,608e-13
|
|
Нижний пояс
|
|
13
|
724,792
|
724,792
|
239,831
|
390,423
|
|
14
|
1730,293
|
1730,293
|
572,548
|
932,055
|
|
15
|
2183,16
|
2183,16
|
722,4
|
1176,0
|
|
16
|
2183,16
|
2183,16
|
722,4
|
1176,0
|
|
17
|
1730,293
|
1730,293
|
572,548
|
932,055
|
|
18
|
724,792
|
724,792
|
239,831
|
390,423
|
|
Раскосы
|
|
19
|
-1058,847
|
-1058,847
|
-350,369
|
-570,368
|
|
20
|
839,591
|
839,591
|
277,818
|
452,261
|
|
21
|
-638,828
|
-638,828
|
-211,386
|
-344,117
|
|
22
|
434,066
|
434,066
|
143,631
|
233,818
|
|
23
|
-241,065
|
-241,065
|
-79,767
|
-129,854
|
|
24
|
49,415
|
49,415
|
16,351
|
26,618
|
|
25
|
49,415
|
49,415
|
16,351
|
26,618
|
|
26
|
-241,065
|
-241,065
|
-79,767
|
-129,854
|
|
27
|
434,066
|
434,066
|
143,631
|
233,818
|
|
28
|
-638,828
|
-638,828
|
-211,386
|
-344,117
|
|
29
|
839,591
|
839,591
|
277,818
|
452,261
|
|
30
|
-1058,847
|
-1058,847
|
-350,369
|
-570,368
|
|
Стойки
|
|
31
|
-70,173
|
-70,173
|
-23,22
|
-37,8
|
|
32
|
-140,346
|
-140,346
|
-46,44
|
-75,6
|
|
33
|
-140,346
|
-140,346
|
-46,44
|
-75,6
|
|
34
|
-73,866
|
-73,866
|
-24,442
|
-39,789
|
|
35
|
-140,346
|
-140,346
|
-46,44
|
-75,6
|
|
36
|
-140,346
|
-140,346
|
-46,44
|
-75,6
|
|
37
|
-70,173
|
-70,173
|
-23,22
|
-37,8
|
Результаты расчета
|
Проверено по
СНиП
|
Фактор
|
Коэффициент
использования
|
|
п. 5.1
|
прочность
верхнего пояса
|
0,79921
|
|
п. 5.3
|
устойчивость
верхнего пояса в плоскости фермы
|
0,958783
|
|
п. 5.3
|
устойчивость
верхнего пояса из плоскости фермы
|
0,87925
|
|
пп. 6.1-6.
4,6.15
|
гибкость
верхнего пояса
|
0,444419
|
|
п. 5.1
|
прочность
нижнего пояса
|
0,955247
|
|
пп. 6.1-6.
4,6.16
|
гибкость
нижнего пояса
|
0,329338
|
|
п. 5.1
|
прочность
раскосов
|
0,552182
|
|
п. 5.3
|
устойчивость
раскосов в плоскости фермы
|
0,88743
|
|
п. 5.3
|
устойчивость
раскосов из плоскости фермы
|
0,716137
|
|
пп. 6.1-6.
4,6.15
|
гибкость
раскосов
|
0,561294
|
|
п. 5.1
|
прочность стоек
|
0,357332
|
|
п. 5.3
|
устойчивость
стоек в плоскости фермы
|
0,943056
|
|
п. 5.3
|
0,752853
|
|
пп. 6.1-6.
4,6.15
|
гибкость стоек
|
0,924815
|
|
п. 5.1
|
прочность
опорных раскосов
|
0,543265
|
|
п. 5.3
|
устойчивость
опорных раскосов в плоскости фермы
|
0,874375
|
|
п. 5.3
|
устойчивость
опорных раскосов из плоскости фермы
|
0,672332
|
|
пп. 6.1-6.
4,6.15
|
гибкость
опорных раскосов
|
0,701318
|
Коэффициент использования 0,958783 - устойчивость верхнего
пояса в плоскости фермы.
2.1.3
Проверка сечений фермы
а)
Верхний пояс
Произведем подбор сечения верхнего пояса фермы. Подбор
производим по наиболее нагруженному стержню №6.
,
где
- усилие в стержне фермы по стат.
расчету;
Зададимся гибкостью
По требуемым площади и радиусу инерции ближе всего подходит
сечение из двух равнополочных уголков по ГОСТ 8509-93 ∟180×18:
,
.
Определяем наибольшую гибкость стержня
и по наибольшей гибкости находим
.
Напряжение
.
Оставляем принятое сечение из двух уголков ∟180×18
б)
Нижний пояс
Произведем подбор сечения нижнего пояса фермы. Подбор
производим по наиболее нагруженному стержню №14.
,
где
- усилие в стержне фермы по стат.
расчету;
По требуемой площади ближе всего подходит сечение из двух равнополочных
уголков по ГОСТ 8509-93 ∟150×18:
.
Напряжение
.
Оставляем принятое сечение из двух уголков ∟150×18
в)
Опорный раскос
Произведем подбор сечения опорного раскоса фермы. Подбор
производим по стержню №19.
,
где
- усилие в стержне фермы по стат.
расчету;
Зададимся гибкостью
По требуемым площади и радиусу инерции ближе всего подходит
сечение из двух равнополочных уголков по ГОСТ 8509-93 ∟160×14:
,
.
Определяем наибольшую гибкость стержня
и по наибольшей гибкости находим
.
Напряжение
.
Оставляем принятое сечение из двух уголков ∟160×14.
2.2
Расчет колонны
2.2.1
Исходные данные
«Привязка» крайних колонн к продольным разбивочным осям в
соответствии с [4, табл. 1.1] принимается равной 250 мм. Типы и размеры колонн
проектируем согласно с [4, табл. II.9]. При шаге колонн В = 12 м, грузоподъемности
мостовых кранов Q = 5 т и отметке верха колонн 10,8 м крайние колонны проектируем
прямоугольного сечения.
Длина надкрановой части крайних и средних колонн
Длина подкрановой части крайних и средних
колонн (включая расстояние от уровня чистого пола до верха стакана фундамента):
Полная длина колонн (от верха стакана фундамента):
Моменты инерции сечений колонны.
надкрановая часть
подкрановая часть
2.2.2
Вычисление величин нагрузок на колонну
Сбор постоянных нагрузок
а) сбор постоянной нагрузки на 1м2 покрытия g1 приведены в таблице 1.
Расчетное давление стропильной балки на колонну
Расчетная нагрузка от веса покрытия:
б) нагрузки от собственного веса колонн определяются по геометрии
сечений и с использованием [4, табл 11.9]
надкрановая часть
подкрановая часть
где 116 кН-общий вес колонны.
в) нагрузки от веса стеновых панелей и остекления, расположенных
выше отметки 5,8 м;
где gст=1,8 кН/м2-вес 1 м2 стеновых панелей
(5, табл. 3);
Σhст=3 м-суммарная высота полос стеновых панелей выше отметки
5,8 м;
gост=0,4
кН/м2 - вес 1 м2 остекления (5, табл. 3);
Σhост=1,2 м - суммарная высота полос остекления выше отметки 5,8
м.
Нагрузка от веса подкрановых балок (на крайние и средние колонны с
одного пролета):
Nпб=8·1,1·0,95=8,4
кН.
Суммарная величина нагрузки на отметки 5,8 м от веса стен,
остекления и подкрановых балок составляет:
для крайних колонн
г) продольные усилия в крайней колонне
приложены эксцентриситетами, величина
которых определяется с учетом следующих допущений:
давление стропильных конструкций на крайнюю колонну приложено на
расстоянии 175 мм (внутрь здания) от продольной разбивочной оси;
давление стенок панелей и остекления Ncт приложено на расстоянии, равном половине толщины панели от
наружной грани колонны.
Изгибающие моменты (положительными считаются моменты, направленные
по ходу часовой стрелки):
в верхней части колонны:
в уровне уступа колонны:
Рисунок 20 - К расчету крайней колонны
Временные нагрузки
а) Снеговые нагрузки.
Нормативная снеговая нагрузка на 1м2 площади
горизонтальной проекции покрытия определяется по формуле
где S0 - вес снегового покрова на 1м2 горизонтальной
поверхности земли [2, п. 5.2], в соответствии с картой 1 [2] г. Липецк
относится к району снеговой нагрузке;
μ - коэффициент перехода;
γf -коэффициент надежности по нагрузке (для
снеговой нагрузки принимается по [2, п. 5.7] для железобетонных покрытий γf=1,4).
Расчетная нагрузка на колонны
Изгибающие моменты в крайней колонне:
в верхней части
в уровне уступа колонны
б) Крановые нагрузки.
По табл. 4 [3] для крана грузоподъемностью Q = 10 т и
принимаем: В = 6600 мм; Ак = 5600 мм.
Fn,max = 125 кН; G = 2,4 т » 24 кН;
Расчетное усилие передаваемое на колонну колёсами крана,
определяется по линиям влияния опорных реакций подкрановых балок, при
наиневыгоднейшем расположении кранов.
от двух сближенных кранов с коэффициентом сочетаний
где
- сумма ординат (под силами F) линии влияния давления двух смежных подкрановых балок на
колонну.
Горизонтальная крановая нагрузка на колонну от двух кранов с
Изгибающие моменты:
Dmax на крайней колонне:
Dmin на крайней колонне:
в) Ветровые нагрузки.
В соответствии с картой 3 [2] г. Липецкк относится ко II району по скоростному напору ветра. По
[2, табл. 5] Wо = 30 кгс/м2 » 0,30 кН/м2. Коэффициент k [2, табл. 6] для местности типа А составляет:
ù для отметки 5 м k5 = 0,75;
ù для отметки 10 м k10 = 1;
ù для отметки 20 м k20 = 1,25.
Значение kн для промежуточных отметок Н определяется
интерполированием по формуле:
Для отметки Н = 10,8 м
Для отметки Н = 14,4 м
Аэродинамический коэффициент се в соответствии с [2,
прил. 4] равен:
для наветренной стороны се = + 0,8;
для заветренной стороны се = ù 0,6.
Коэффициент надежности по нагрузке
для ветровой нагрузки принимается равным 1,4.
Величина расчетной ветровой нагрузки составляет:
Сосредоточенная сила в уровне верха колонны от давления ветра на
элементы здания, расположенные выше отметки 10,8 м:
Переменную по высоте ветровую нагрузку (до отметки Hl = 10,8 м) заменяем равномерно
распределенной, эквивалентной по величине момента в заделке колонны (колонна
рассматривается как консоль длиной Hl = 10,8 м).
Для активного давления:

Для пассивного давления:

Погонная ветровая нагрузка на колонны:
активная
пассивная
Подготовка
исходных данных
принимаем для колонн бетон класса В20. В соответствии с [I, прил. IV] Еb = 2700 кН/см2.
Число панелей крайней и средней колонн nк = nс = 0. В двухпролетной
раме число крайних колонн n1 = 2, число средних колонн n2 = 0. Остальные исходные
данные принимаются в соответствии с выполненными компоновкой и сбором нагрузки.
Результаты
расчета
.2.4
Расчет и конструирование колонны
Таблица 11. Таблица сочетания усилий
|
Сечение
|
0 ù 1
|
1 ù 0
|
1 ù 2
|
2 ù 1
|
|
Вид усилия
|
M
|
N
|
M
|
N
|
M
|
N
|
M
|
N
|
|
Мmax
|
ù296
|
197,5
|
4056,57
|
309,62
|
222,74
|
470,7
|
10527,91
|
526,6
|
|
Mmin
|
ù458
|
305,3
|
ù1222,7
|
212,6
|
ù7149,88
|
422,82
|
ù8809,22
|
530,02
|
|
Nmax
|
ù458
|
305,3
|
2825
|
320,4
|
ù2459,71
|
567,72
|
1855,96
|
623,62
|
Надкрановая
часть колонны
Размеры прямоугольного сечения надкрановой части: b = 0,5 м; h = 0,6 м. Для продольной
арматуры принимают а = а' = 0,04 м. Рабочая высота сечения hо = 0,6 ù 0,04 = 0,56 м.
Расчет в плоскости изгиба
Сечение арматуры подбирают по усилиям в сечении II ù II. Расчетная длина надкрановой части колонны в
плоскости изгиба: при учете крановых нагрузок lо = 2.Н2
= 2 .
4,2 = 8,4; без их учета lо = 2,5.Н2 = 2,5 .
4,2 = 10,5. Так как lо/h
= 8,4/0,6 = 14 > 10, необходимо учитывать влияние прогиба элемента на
величину эксцентриситета продольной силы.
Расчетные усилия в сечение колонны:
от всех нагрузок (с учетом ветровой нагрузки малой суммарной
продолжительности) М = 40,57 кН.м, N = 309,62 кН;
от всех нагрузок, но без учета ветровой М' = 24,46 кН.м; N' = 309,62 кН.
от постоянной продолжительно действующей нагрузки Мl = 20,92 кН.м; Nl = 212,6 кН.
Поскольку в этой комбинации действуют усилия от нагрузок малой
суммарной продолжительности, для определения коэффициента условий работы бетона
находят моменты внешних сил относительно
центра тяжести сечения растянутой арматуры с учетом и без учета ветровой
нагрузки:
Rb = 1,1.11,5 = 12,65 МПа; Rbt = 1,1.0,9 = 0,99 МПа;
Эксцентриситет продольной силы ео = M/N = 40,57/309,62
= 0,131 м > еа = h/30 = 0,6/30 = 0,02 м. Следовательно, случайный
эксцентриситет не учитывают, так как колонна поперечной рамы ù элемент статически неопределимой
конструкции.
принимаем
По формуле
принимая
и вычисляя
Следовательно,
В первом приближении принимают
Тогда
и Ib = 2,03.10ù3 м4.
При
вычисляем:
Рассматриваемое сечение расположено в средней трети высоты
колонны, а сама колонна имеет несмещаемые опоры, поэтому
Площадь сечения сжатой зоны определяют по формуле:
Поскольку Аs,min < 0, величину
определяют по формуле при
Арматура в сжатой зоне по расчету не требуется, поэтому ее сечение
назначают в соответствии с конструктивными требованиями. Принимают 2Æ16АII
Принятое значение превышает расчетное (
), поэтому армирование растянутой зоны
определяют по формуле. Предварительно по формуле находят:
Сечение арматуры в растянутой зоне назначают в соответствии с
конструктивными требованиями: 2Æ16АII
Коэффициент армирования сечения
что незначительно отличается от предварительно принятого
Следовательно, расчет можно не уточнять.
Расчет из плоскости изгиба
За высоту сечения принимают его размер из плоскости изгиба, h =
0,50. Расчетная длина надкрановой части колонны из плоскости изгиба lo
= 1,5 . 4,2 = 6,3 м.
Так как отношение lo/h = 6,3/0,5 = 12,6 не превышает ту же величину
в плоскости изгиба lo/h = 14, расчет колонны из плоскости изгиба
можно не выполнять.
Проверка прочности наклонных сечений
На колонну действует поперечная сила Q = 8,6 кН. Так как при этой комбинации действуют нагрузки малой
суммарной продолжительности, расчет ведут при
Прочность колонны без развития наклонных трещин проверяют из
условия. Так как в сечении колонны действует продольная сила N = 212,6 кН, по формуле
Принимаем
При
Принимаем Qb,u = 94 кН.
Проверяем условие: Q = 8,6 кН < Qb,u = 94 кН.
Так как оно выполняется, поперечное армирование назначают по конструктивным
требованиям.
Подкрановая
часть колонны
Размеры прямоугольного сечения подкрановой части b = 0,5 м; h = 0,8. Для продольной
арматуры принимают а = 0,04 м, тогда hо = 0,8 ù 0,04 = 0,76 м.
Сечение продольной арматуры подбирают по усилиям, действующим в
сечении IVùIV,
которые больше усилий в сечении IIIùIII. Для сечения IVùIV
Расчет в плоскости изгиба
Действующие усилия от всех нагрузок, включая ветровую (нагрузка
малой суммарной продолжительности), М = 105,3 кН.м; N = 526,6 кН; от всех нагрузок, но без учета ветровой, М' = 10,2 кН.м; N' = 526,6 кН.
Моменты внешних сил относительно центра тяжести сечения растянутой
арматуры (соответственно с учетом и без учета ветровой нагрузки):
Условие выполняется, поэтому
Следовательно, Rb =
1,1.11,5 = 12,65
МПа; Rbt = 1,1.0,9 = 0,99 МПа.
Эксцентриситет продольной силы
Случайный эксцентриситет не учитывают, так как колонна ù элемент статически неопределимой
конструкции. Следовательно, е = 0,2 + 0,5 . 0,8 ù 0,04 =
0,56 м.
По формуле находят относительную величину продольной силы:
коэффициент
и граничное значение относительной высоты
сжатой зоны:
где
Так как
по формуле
Принимают минимально необходимое армирование 2Æ16АII
Расчет на действие поперечной силы не выполняют, так как сечение
подкрановой части больше, чем надкрановой, для которой поперечное армирование по
расчету не требуется.
Расчет из плоскости изгиба
Проверяют необходимость расчета из плоскости изгиба. Расчетная
длина подкрановой части из плоскости изгиба lo = 0,8.H1 = 0,8.6,45 = 5,16 м. Так как гибкость из
плоскости изгиба lo/h =
5,16/0,5 = 10,3 меньше минимальной гибкости в плоскости изгиба lo/h = = 1,5.H1/h = 1,5.6,45/0,8 = 12, расчет из плоскости изгиба
можно не выполнять.
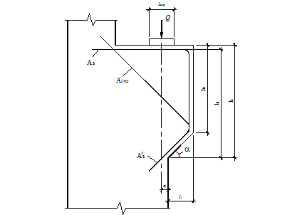
Расчет подкрановой консоли
На подкрановую консоль колонны по оси А действуют сосредоточенная
сила от веса подкрановой балки и вертикальной крановой нагрузки Qс =
42 + 161 = 203 кН.
Размеры консоли: h = 1,45 м; l1 = 0,55 м; b = 0,5 м; а = 0,2 м; hо = 1,41
м. Подкрановая балка шириной 0,2 м опирается поперек консоли, поэтому lsup = 0,2 м. Так как на консоль действуют
нагрузки малой суммарной продолжительности,
Rb = 1,1.11,5 = 12,65 МПа; Rbt = 1,1.0,9 = 0,99 МПа.
Подкрановая консоль крайней колонны
Несущую способность консоли проверяют из условия. В первом приближении
расчет ведут без учета поперечного армирования, т.е. при Аinc = Aw = 0.
Вычисляют
Тогда
Окончательно Qс = 0,203 МН < 0,8.12,65.0,4.0,214.0,959 = 0,831 МН. Так как 0,831 < <
3,5.Rbt.b.ho = 3,5.0,99.0,4.1,06 = 1,469 МН, прочность консоли по
наклонной сжатой зоне обеспечена.
Напряжения смятию под подкрановой балкой:
Смятие бетона консоли не произойдет.
Изгибающий момент на грани примыкания консоли к колонне:
Учитывая большое количество арматуры в сжатой зоне, площадь
сечения растянутой арматуры находят по формуле:
Принимают 3Æ12АII (Аs = 3,39 см2). В сжатой зоне такое же армирование.
Поперечную арматуру устанавливают по конструктивным требованиям.
2.3 Расчет опускного колодца в тиксотропной рубашке
.3.1 Габариты опускного колодца
Рисунок 23 - Разрез опускного колодца
Внутренние размеры колодцев в плане должны быть более размеров,
необходимых для размещения оборудования и устройства проходов, на величину
, м (рис. 1), определяемую по формуле
где Н0 - внутренняя глубина колодца, м.
Наружные размеры колодцев должны быть шире надфундаментной части
на величину
, м (рис. 1), определяемую по формуле
где Нк - глубина погружения колодца, м.
2.3.2 Нагрузки и воздействия
Постоянные:
Нормативное значение веса стен
.
Нормативное значение веса днища
.
Нормативное значение веса тампонажа щели рубашки
.
Нормативное значение общего горизонтального давления на колодец,
погруженного ниже уровня грунтовых вод, определяется как сумма давлений:
гидростатического давления
грунтовых вод;
основного давления
;
дополнительного давления
грунта.
Основное давление грунта определяется как для пласта,
расположенного ниже уровня грунтовых вод по формуле
где
- коэффициент бокового давления грунта в состоянии покоя
рассматриваемого пласта;
-расстояние от поверхности грунта до уровня рассматриваемого
сечения колодца, м;
-объемный вес грунта рассматриваемого пласта,
.
где
- объемный вес грунта;
- объемный вес воды.
е-коэффициент пористости
.
Нормативное значение усилия трения ножа колодца по грунту,
возникающего при всплытии колодца, определяем по формуле:
где
-коэффициент условий работы, учитывающий происшедшее нарушение
контакта колодца с грунтом при возникновении кренов во время погружений
колодца, принимаем равным 0,5;
-наружный периметр колодца на уровне ножа, м;
- высота ножа, м;
-нормативное сопротивление грунта на боковой поверхности ножевой
части погружаемого колодца,
Нормативное усилие трения тампонажа щели тиксотропной рубашки по
грунту, возникающего при всплытии колодца, определяем по формуле:
где
-коэффициент условий работы, принимаем равным 0,5;
-наружный периметр колодца на уровне ножа, м;
- высота тиксотропной рубашки, м;
-нормативное сопротивление грунта на боковой поверхности тампожа
щели тиксотропной рубашки при всплывании, принимается равным нулю без
устройства тампожа.
Нормативное значение гидростатического давления глинистого
раствора
, действующего в зоне тиксотропной
рубашки, в период погружения колодца, определяем по формуле:
где
- нормативное значение удельного веса тиксотропного раствора,
.
- высота тиксотропной рубашки, м;
Нормативное значение кратковременных дополнительных давлений
грунта(горизонтальных) на колодец определяем по формулам от следующих нагрузок
и воздействий, вызываемых:
а) нагрузками, расположенными на поверхности грунта:
б) от вертикальной сосредоточенной силы:
в) от вертикальной равномерно распределенной нагрузки, приложенной
на прямоугольной площадки с размерами 2Ах2В:
г) креном колодца (давление упругого отпора грунта в зоне ножа):
где
- высота ножа, м;
-модуль деформации грунта на глубине погружения колодца
- наружный диаметр колодца в зоне ножа, м;
- высота тиксотропной рубашки, м;
д) навалом (давление в зоне тиксотропной рубашки):
Нормативное значение усилия трения ножа колодца по грунту
, вызванного погружением колодца,
определяем по формуле:
где
-наружный периметр колодца на уровне ножа, м;
- высота ножа, м;
-нормативное сопротивление грунта на боковой поверхности ножевой
части погружаемого колодца,
Нормативное значение усилия трения уплотнителя по грунту
, вызванного погружением колодца,
определяем по формуле:
где
- высота уплотнителя, м;
-нормативное сопротивление грунта на боковой поверхности
уплотнителя погружаемого колодца,
3. Организационно-технологический раздел
3.1 Определение объемов работ
Составляется номенклатура работ, для определения трудозатрат
и потребности в маш-см. В номенклатуре указываются все работы подготовительного
и основного периодов (общестроительные и специальные).
Объемы строительных работ определяются в физических
показателях по чертежам. Объемы специальных работ и работ по инженерной
подготовке и благоустройству определяются в стоимостном выражении.
Таблица 12. Спецификация строительных конструкций и элементов
|
№ п/п
|
Наименование
|
Размеры в осях
|
Масса, т. Объем, м3
|
Кол-во, шт.
|
Общ. мас. Общ. об.
|
|
1
|
2
|
3
|
4
|
5
|
6
|
|
1.
|
Плита колодца
|
|
11,3 4,5
|
110
|
|
|
2.
|
Фундаментная
балка
|
|
1,4 0,57
|
12
|
|
|
3.
|
ЖБ колонна
|
|
8,0 3,22
|
14
|
|
|
4.
|
Фахверковые
колонны
|
|
1,9 -
|
22
|
|
|
5.
|
Подкрановая
балка
|
|
1,6 -
|
12
|
|
|
6.
|
Ферма
металлическая
|
|
|
7
|
|
|
7.
|
Комплексная
металлическая панель покрытия
|
3000х12000
|
0,7 -
|
72
|
|
|
8.
|
Трехслойная
стеновая панель
|
6000х1200х250
|
1,8 0,68
|
192
|
|
|
9.
|
Трехслойная
стеновая панель
|
6000х1800х250
|
2,6 1,1
|
96
|
|
|
10.
|
Окна
|
4500х3600
|
|
24
|
|
|
11.
|
Окна
|
4500х1200
|
|
24
|
|
|
12.
|
Ворота
|
3600х3600
|
|
2
|
|
Таблица 13. Ведомость определения объемов работ
|
№ п/п
|
Наименование
работ
|
Обоснование
объема
|
Ед. изм.
|
Объем работ
|
|
1
|
2
|
3
|
4
|
5
|
|
1
Подготовительный период
|
|
1
|
Планировка
площадки
|
По проекту
организации строительства
|
1000 м2
|
25,9
|
|
2
|
Устройство
временного водоснабжения
|
По проекту
организации строительства
|
1 м
|
139,5
|
|
3
|
Устройство
временной канализации
|
По проекту
организации строительства
|
1 м
|
59
|
|
4
|
Устройство
временных автодорог
|
По проекту
организации строительства
|
1 м2
|
1178
|
|
5
|
Устройство
временного электроснабжения и освещения
|
По проекту
организации строительства
|
1 м
|
708,2
|
|
6
|
Устройство
временных зданий и сооружений
|
По проекту
организации строительства
|
1 шт.
|
7
|
|
7
|
Устройство
временных ограждений
|
По проекту
организации строительства
|
1 м3
|
646,2
|
|
2 Основной
период
|
|
2.1 Земляные
работы
|
|
1.
|
Планировка
площадей
|
Fпл=а×b=50×82,0=4010м2
|
1000 м2
|
4,01
|
|
2.
|
Срезка
растительного слоя грунта
|
Vср
= Fпл×hср =
=4010×0,2=802м2
|
1000 м3
|
0,802
|
|
3.
|
Разработка
котлована экскаватором, грунт - суглинок
|
Высота
котлована: Hк = 3,0 м Длина котлована по нижнему основанию: Lн
= 72,0+1,2+0,6=73,8 м. Ширина котлована по нижнему основанию: Bн =
50+1,2+0,6=51,8 м Согласно СНиП III-8-76
отношение высоты откоса к его заложению Н: В = 1/0,5. При Н = 3,0 м: В = 1,5
м. Длина котлована по верхнему основанию: Lв = 73,8 + 3 = = 76,8
м. Ширина котлована по верхнему основанию: Bв = 50 + 3 = 53 м.
Котлован имеет следующий объем: V = 3/4 ´(73,8 + 76,8) ´(51,8
+ 53) = 11837 м3 Длина въездной траншеи в зависимости от угла её
уклона i = 15%: lв.т. = Н/i = 3/0,15 = 20,0 м. Ширину въездной
траншеи примем 7 м, тогда: F=((7+10)´3)/2=24,0 м2, V в.т.=24´20,0/2=240 м3. Общий объем котлована: Vобщ=240,0+11837=12077,2
м3
|
100 м3 1000
м3
|
2,40 12,077
|
|
4.
|
Подчистка дна
котлована вручную
|
Vруч =
V×0,07 =12077,2 ×0,07
|
м3
|
845,4
|
|
5
|
Обратная
засыпка: - бульдозером; - вручную
|
Vоз=V-Vз=(11837-36х72х
х3)/1,05=3867,77 м3, Vб=Vозх0,9=3481 м3, Vр=Vозх0,1=387
м3,
|
1000 м3
100 м3
|
3,481 3,87
|
|
2.2
Устройство колодца №1
|
|
6
|
Монтаж стен
колодца
|
|
1 м3
|
495
|
|
8
|
Погружение
колодца
|
|
100 м3
|
77,66
|
|
9
|
Устройство
днища
|
|
100 м3
|
7,06
|
|
2.3
Устройство колодца №2
|
|
6
|
Монтаж стен
колодца
|
|
шт.
|
495
|
|
8
|
Погружение
колодца
|
|
100 м3
|
77,66
|
|
9
|
Устройство
днища
|
|
100 м3
|
7,06
|
|
2.4
Устройство фундаментов
|
|
10
|
Устройство ж/б
фундаментов объемом до 25 м3
|
|
100
м3
|
6,45
|
|
11
|
Укладка
фундаментных балок более 6 м
|
|
100
м2
|
1,44
|
|
2.5 Каркас
|
|
12
|
Монтаж колонн
|
|
т
|
112
|
|
13
|
Монтаж блоков
подкрановых балок
|
|
т
|
19,2
|
|
14
|
Монтаж ферм
стропильных
|
|
т
|
56,2
|
|
15
|
Монтаж связей
|
|
т
|
4,4
|
|
16
|
Монтаж фахверка
|
|
т
|
39,5
|
|
Монтаж плит
покрытия
|
|
100
м2
|
25,92
|
|
Монтаж стен
|
|
100
м2
|
31,10
|
|
2.6 Разное
|
|
Устройство
рубероидного ковра
|
|
100м2
|
25,92
|
|
Монтаж оконных
блоков
|
|
100
м2
|
5,18
|
|
Монтаж каркасов
и полотен ворот
|
|
т
|
8,95
|
|
Покрытие пола
|
|
100м2
|
11,8
|
|
Оштукатуривание
стен
|
|
100м2
|
9,5
|
|
Устройство
основания под отмостку - из песка - из щебня
|
|
м3
м3
|
44,0 26,4
|
|
Покрытие
асфальтобетонной смесью
|
|
100 м2
|
2,2
|
|
Отопление
|
|
тыс. руб.
|
7,5
|
|
Вентиляция
|
|
тыс. руб.
|
4,2
|
|
Канализация
|
|
тыс. руб.
|
6,7
|
|
Монтаж крана
|
|
тыс. руб.
|
0,8
|
|
Демонтаж крана
|
|
тыс. руб.
|
0,9
|
3.2
Составление сетевого графика строительства объекта
Таблица 15. Карточка определитель
|
№ п/п
|
Код работ
|
Наименование
работ
|
Ед. изм.
|
Кол-во
|
Трудоем- кость,
чел.-дн.
|
Машины
|
|
|
|
|
|
|
Наименование
|
Кол-во маш-см.
|
Кол-во маш.
|
|
1
|
2
|
3
|
4
|
5
|
6
|
7
|
8
|
9
|
|
1
|
1-2 2-4
|
Земляные работы
Ι захватка
- 50% ΙΙ захватка
- 50%
|
|
|
570,8 570,8
|
Бульдозер
ДЗ-117А Экскаватор ЭО-3322Е Пневматические трамбовки
|
19,3 21,3 392,7
|
1 1 2
|
|
2
|
3-5
|
Монтаж стен
колодца №1
|
м3
|
495
|
438,1
|
Кран на
гусеничном ходу МКГ-25БР Цемент-пушка Агрегаты сварочные передвижные с
дизельным двигателем Компрессоры передвижные
|
26,6 118
137,4 11,76
|
1 1 1
|
|
3
|
6-8
|
Погружение
колодца №1
|
100м3
|
77,66
|
971
|
Башенный кран
Экскаватор ЭО-3322Е Бульдозер ДЗ-117А
|
128 125 123
|
1 1 1
|
|
4
|
9-11
|
Устройство
днища колодца №1
|
100м3
|
7,06
|
1121
|
|
|
|
|
5
|
5-7
|
Монтаж стен
колодца №2
|
м3
|
495
|
438,1
|
Кран на
гусеничном ходу МКГ-25БР Цемент-пушка Агрегаты сварочные передвижные с
дизельным двигателем Компрессоры передвижные
|
26,6 118
137,4 11,76
|
1 1 1
|
|
6
|
8-10
|
Погружение
колодца №2
|
100м3
|
70,6
|
882
|
Башенный кран
Экскаватор ЭО-3322Е Бульдозер ДЗ-117А
|
116 114 112
|
1 1 1
|
|
7
|
11-12
|
Устройство
днища колодца №2
|
100м3
|
7,06
|
1121
|
|
|
|
|
8
|
Демонтаж крана
|
руб.
|
680,2
|
45,3
|
Кран на
гусеничном ходу МКГ25-БР
|
|
1
|
|
9
|
14-16
|
Демонтаж
крановых путей
|
руб.
|
252,5
|
18,6
|
Кран на
гусеничном ходу МКГ25-БР
|
|
1
|
|
10
|
13-15
|
Устройство
крановых путей
|
руб.
|
252,5
|
18,6
|
Кран на
гусеничном ходу МКГ25-БР
|
|
1
|
|
11
|
15-17
|
Монтаж крана
|
руб.
|
574,4
|
38,2
|
Кран на гусеничном
ходу МКГ25-БР
|
|
1
|
|
12
|
17-18
|
Монтаж каркаса
здания
|
|
|
967,7
|
Башенный кран
|
152
|
1
|
|
13
|
18-19
|
Монтаж ворот
|
т
|
4,25
|
18
|
|
|
|
|
14
|
18-21
|
Монтаж окон
|
|
|
71,9
|
Кран на
гусеничном ходу МКГ25-БР
|
10,5
|
1
|
|
15
|
18-23
|
Устройство
кровли
|
100м2
|
25,92
|
224
|
|
|
|
|
16
|
23-25
|
Устройство пола
|
100м2
|
11,8
|
59,3
|
|
|
|
|
17
|
19-20
|
Устройство
отмостки
|
100м2
|
2,2
|
36,6
|
|
|
|
|
18
|
21-24
|
Устройство
отопления и вентиляции
|
|
|
60,9
|
|
|
|
|
19
|
27-30
|
Устройство
технологического оборудования
|
|
|
|
|
|
|
|
20
|
25-27
|
Устройство
внутренней ВиК
|
|
|
|
|
|
|
|
21
|
20-22
|
Оштукатуривание
стен
|
100м2
|
9,5
|
146,5
|
|
|
|
|
22
|
30-31
|
Подготовка к
сдаче
|
|
|
|
|
|
|
|
23
|
31-32
|
Сдача
|
|
|
|
|
|
|
Список источников
1. Арустамов
Э.А., Волощенко А.Е. и др. Безопасность жизнедеятельности: Учебник 5-е изд.,
перераб. и доп.-М.: Издательско-торговая корпорация «Дашко и КО», 2003. - 496
с.
. Архитектура
гражданских и промышленных зданий в 5 т. Т.5. Промышленные здания /Л.Ф. Шубин.
- М.: Стройиздат, 1986. - 355 с.
3. Байцур
А.И., Климов В.Т. Повышение надежности опускных колодцев. - М.: Стройиздат,
1976. - 92 с.
. Балочное
покрытие: методические указания к выполнению курсового проекта. Новокузнецк:
СМИ, 1988. - 30 с.
. Гаевой
А.Ф., Усик С.А. Курсовое и дипломное проектирование. Промышленные и гражданские
здания. - Л.: Стройиздат, 1987.-264 с.
. Голышев
А.Б. и др. Проектирование железобетонных конструкций: Справочное пособие. -
К.:Будивэльнык, 1990.-544 с.
. Дикман
Л.Г. Организация, планирование и управление строительным производством. М.:
Высшая школа, 1982. - 480 с.
. Инженерные
решения по охране труда в строительстве: Справочник. / Под ред. Г.Г. Орлова -
М.: Стройиздат, 1985. - 278 с.
. Инструкция
по проектированию опускных колодцев, погружаемых в тиксотропной рубашке (СН
476-75) - М.: Стройиздат, 1976.-38 с.
. Компоновка
каркаса произдания и расчет подкрановой балки: методические указания к
выполнению курсового проекта. Новокузнецк: СибГИУ, 2004. - 140 с.
. Кутухтин
Е.Г., Коробков В.А. Конструкции промышленных и сельскохозяйственных
производственных зданий и сооружений. - М.:Стройиздат, 1982.-208 с.
. Лавцевич
В.П. Безопасность жизнедеятельности при чрезвычайных ситуациях: Учеб.пособие -
СиБГИУ. - Новокузнецк, 1999. - 291 с.
. Машины
для монтажных работ и вертикального транспорта: Справочное пособие /Под ред.
С.П. Епифанова. - М.: Стройиздат, 1981 - 351 с.
. Металлические
конструкции: Учебник /Под ред. Ю.И. Кудишкина - М.: Изд.центр «Академия»,
2006.-688 с.
. Орловский
Б.Я. и др. Архитектурное проектирование промышленных зданий. - М.: Высшая
школа, 1982.-279 с.
. Пособие
по проектированию бетонных и железобетонных конструкций из тяжелых и легких
бетонов без предварительного напряжения арматуры (к СНиП 2.03.01-84) - М.: ЦИТП
Госстроя СССР, 1989. - 192 с.
. Пчелинцев
В.А. и др. Охрана труда в строительстве. - М.: Высшая школа, 1991.-272 с.
. Расчет
на ЭВМ поперечной рамы одноэтажного промышленного здания: методические указания
к выполнению курсового проекта. Новокузнецк: СМИ, 1987. - 34 с.
. Расчет
свайных фундаментов под сборные железобетонные колонны промышленных зданий:
методические указания к выполнению курсового проекта. - Новокузнецк: СибГИУ,
1999. - 22 с.
. Статистический
расчет каркаса промышленного здания с использованием ЭВМ: методические указания
к выполнению курсового проекта. - Новокузнецк: СМИ, 1985. -29 с.
. Строительные
краны: Справочник /Под ред. В.П. Станевского. - К.: Будивэльнык, 1984.-240 с.
. СНиП
2.02.01-83. Основания зданий и сооружений. - М.: ЦИТП Госстроя СССР, 1986.-39
с.
. СНиП
2.03.01-84. Бетонные и железобетонные конструкции. - М.: ЦИТП Госстроя СССР,
1989. - 80 с.
. СНиП
2.01. - 07-85. Нагрузки и воздействия. М.: ЦИТП Госстроя СССР, 1988.-36 с.
. СНиП
П-23-81. Стальные конструкции. М.: ЦИТП Госстроя СССР, 1990. - 96 с.
. Тер-Галустов
С.А., Иванов В.Д. Опускные сооружения в тиксотропных рубашках.-М: Стройиздат,
1970.-102 с.
. Трепененков
Р.И. Альбом чертежей конструкций и деталей промышленных зданий. М.: Стройиздат,
1980 -284 с.
. Шерешевский
И.А. Конструирование промышленных зданий и сооружений. - Л.: Стройиздат,
1979.-168 с.
. «Расчёт
платежей за негативное воздействие на окружающую среду». - Методические
указания Шилинговский И.Г.: СибГИУ, 2006. - 47 с.
. СНиП
IV-2-82. Сборник элементных
сметных норм на строительные конструкции и работы / Госстрой СССР-М.:
Стройиздат, 1983
. СНиП
21 - 01 - 97. Пожарная безопасность зданий и сооружений. М: Стройиздат, 1998 г.
. СНиП
12-03-2001. Безопасность труда в строительстве. Часть 1. Общие положения /
Госстрой России-М.: Стройиздат, 2001. - 255 с.
. СНиП
12-04-2002. Безопасность труда в строительстве. Часть 2. Строительное
производство / Госстрой России-М.: Стройиздат, 2003. - 255 с.
. Территориальные
единичные расценки на строительные работы ТЕР-2001-01 Земляные работы,
Кемерово, 2001 г. - 145 с.
. Территориальные
единичные расценки на строительные работы ТЕР-2001-06 Бетонные и железобетонные
конструкции монолитные, Кемерово, 2001 г. - 99 с.
. Территориальные
единичные расценки на строительные работы ТЕР-2001-07 Бетонные и железобетонные
конструкции сборные, Кемерово, 2001 г. - 110 с.
37. Территориальные
единичные расценки на строительные работы ТЕР-2001-08 Конструкции из кирпича и
блоков, Кемерово, 2001 г. - 55 с.
38. Территориальные
единичные расценки на строительные работы ТЕР-2001-09 Строительные
металлические конструкции, Кемерово, 2001 г. - 45 с.
отстойник
окалина балка ферма