Расчет сцепления ВАЗ-1111
Липецкий государственный технический
университет
Кафедра управления
автотранспортом
КУРСОВОЙ ПРОЕКТ
по автомобилям и двигателям
Расчёт сцепления ВАЗ 1111
Студент
Кожевников Д.Е.
Группа
ОЗА-08-2
Руководитель:
Сорокин В.И.
Липецк 2012
Содержание
Введение
1. Исходные
данные
.
Проектировочный расчет муфты сцепления
.1 Момент
передаваемый сцеплением
.2
Определение нажимного усилия для сжатия дисков
.2.1
Определение расчетного размера диаметра накладок
.2.2
Определение среднего радиуса трения
.2.3 Расчет
нажимного усилия
. Проверочный
расчет муфты сцепления
.1
Определение удельного давления на фрикционные накладки
.2
Определение хода нажимного диска
.3
Определение работы буксования сцепления
.4
Определение удельной работы буксования
.5 Тепловой
расчет муфты сцепления
. Расчет
ведущего диска
. Расчет
тарельчатой пружины
. Расчет
ведомого диска
. Расчет
шлицевого соединения
8. Выбор подшипников выключения
9. Расчет
привода управления сцеплением
.1
Определение передаточного числа и полного хода педали сцепления
.2
Определение усилия на педали при полном выключении сцепления
Библиографический список
Введение
Сцепление - это механизм трансмиссии, передающий крутящий момент
двигателя и позволяющий кратковременно отсоединить двигатель от трансмиссии и
вновь их плавно соединить.
Конструкция сцепления должна обеспечивать ряд специфических требований:
полное (чистое) включение и выключение; плавность включения; минимальный момент
инерции ведомой части сцепления; уравновешенность осевых усилий во включенном и
выключенном сцеплении; нормальный тепловой режим работы; постоянство момента
трения сцепления; гашение высокочастотных колебаний, вызываемых работой
двигателя; легкость и удобство управления.
Кроме того, к сцеплению, как и ко всем механизмам автомобиля, предъявляю
такие общие требования: обеспечение минимальных размеров и массы, простота
устройства и обслуживания, технологичность, ремонтопригодность, низкий уровень
шума.
Выход сцепления из строя в большой степени обусловлен его тепловой
напряженностью. Для отвода и рассеивания теплоты применяют массивные ведущие
диски, вентиляционные отверстия, оребрение поверхностей и выполняют другие
конструктивные мероприятия.
На автомобилях в большинстве случаев применяют сухие дисковые постоянно
замкнутые сцепления с пружинным нажимным устройством и гасителем крутильных
колебаний, расположенном в ведомом диске. Эти сцепления подразделяются по ряду
признаков:
§ по способу действия - на неавтоматические и автоматические;
§ по числу дисков - на одно- и двухдисковые;
§ по расположению нажимных пружин - на периферийные и центральные;
§ по типу привода - на механические и гидравлические, которые в свою
очередь могут иметь следящий гидравлический, пневматический или вакуумный
усилитель.
В настоящей курсовой работе выполнен расчет сцепления для автомобиля Ваз
-1111 .
1-Картер сцепления
-Нажимной диск
-Нажимная пружина
-Подшипник выключения сцепления
-Втулка подшипника выключения сцепления
-шаровая опора вилки выключения сцепления
-защитный чехол
-задняя крышка КПП
-оболочка троса
-нижний наконечник оболочки троса
-упорная шайба
-резиновая втулка
-гайка
-защитный колпачок
-трос
-нижний наконечник торса
-поводок троса
-регулировочная гайка
-контрогайка
-фиксатор поводка
-вилка выключения сцепления
-кожух сцепления
-маховик
-ведомый диск
-первичный вал КПП
-нижняя крышка картера сцепления
-уплотнительная оболочка троса
-верхний наконечник троса
-стопорная скоба
-пружина педали сцепления
-кронштейн педали сцепления и тормоза
-верхний наконечник оболочки троса
. Исходные данные к расчету
Автомобиль - ВАЗ-1111.
|
№п/п
|
Параметр
|
Единица измер.
|
Принятое значение
|
|
1.
|
Масса АТС
|
кг
|
985
|
|
2.
|
Максимальный крутящий
момент ДВС
|
Н*м
|
44
|
|
3.
|
Частота вращения
коленчатого вала
|
|
|
|
соответствующая
максимальному
|
|
|
|
моменту ДВС
|
об/мин
|
3200
|
|
4.
|
Кинематический радиус
колеса
|
м
|
0,25
|
|
5.
|
Передаточное число КП на
первой перед.
|
|
3,7
|
|
6.
|
Передаточное число главной
передачи
|
|
4,5
|
|
7.
|
КПД трансмиссии на первой
передаче
|
|
0,9
|
|
8.
|
Коэффициент дорожного сопротивл.
|
|
0,16
|
. Проектировочный расчет муфты сцепления
.1 Статический момент, передаваемый сцеплением
;
где

-
максимальный момент двигателя по ВСХ,
;
-
коэффициент запаса сцепления для легковых АТС - 1,2…1,75
2.2
Определение нажимного усилия для сжатия дисков. Определение расчетного размера
диаметра накладок
;
где
- давление между поверхностями трения (0,15…0,25)
МПа.
=0,2
-
коэффициент трения (0,22…0,3);
=0,26
- число
пар трения для однодискового сцепления - 2.
Принимаем
Дн = 160 мм.
По ГОСТ 1786-95 принимаем d =
110 мм; d = 3,1 мм.
2.2.2 Определение среднего радиуса трения
;
(0,06827 м)
2.2.3
Расчет нажимного усилия
;
3.
Проверочный расчет муфты сцепления
3.1
Определение удельного давления на фрикционные накладки
;
где:
-площадь поверхности одной стороны фрикционной
накладки:
3.2
Определение хода нажимного диска
Ход
нажимного диска lн должен
обеспечивать полное выключение сцепления. Зазор между поверхностями трения для
однодискового сцепления - 0,75..1,0 мм
Таким
образом, ход нажимного диска однодискового сцепления lн 1,5…2 мм.
Принимаем
lн = 1,8
3.3
Определение работы буксования сцепления
где:
wе -
угловая скорость коленчатого вала двигателя для карбюраторных ДВС.
;
где
= 3200 об/мин частота вращения коленчатого вала,
соответствующая моменту ДВС
где:
=985 кг - масса автомобиля;
-
коэффициент, учитывающий вращающиеся массы автомобиля;
где:
= 3,7 передаточное число КПП на первой передаче;
-
коэффициенты;
=
0,03…0,05;
= 0,04…0,06;
= 0,25 -
кинематический радиус колеса;
-передаточное
число трансмиссии:
;
где:
=4,5 - передаточное число на главной передаче;
-приведенный
момент сопротивления движению:
;
Н
где:
=0,02
м;
- кпд
трансмиссии на 1 передаче 0,9.
.4
Определение удельной работы буксования
муфта сцепление диск пружина
где
F - площадь поверхности фрикционной накладки:
(0,021195
м2)
Полученное
значение работы буксования сравниваем с допустимым значение работы буксования
< 700000 Дж/м2
.5
Тепловой расчет муфты сцепления
ºC;
где:
=0,5 коэффициент перераспределения теплоты между
деталями, для нажимного диска однодискового сцепления;
С=481,5
Дж/кг - удельная теплоемкость детали , для чугуна и стали;
- масса
детали:
;
где:
- площадь нажимного диска:
;
(0,015439184м2);
- толщина
диска:
=δ·(4…6)=3.1
5=15,5мм
(0,0155м);
=7000кг/м3
- плотность детали.
Допустимое
значение
=10…15 ºC
4.
Расчет нажимного диска
Материал для изготовления - СЧ21 и СЧ24.Диаметр нажимного диска
определяется исходя из диаметра фрикционных накладок, по формуле:
Толщина
диска выбирается в зависимости от толщины фрикционных накладок, по формуле:
=δ·(4…6)=3,1
5=15,5мм
где:
толщина накладок.
Определение напряжения смятия элементов, соединяющих диск с маховиком:
;
где:
k - коэффициент, учитывающий число и расположение
ведущих дисков; k =
0,5 - для однодискового сцепления;
zв - число ведущих дисков;
zк - число контактирующих элементов ;
Sк - площадь контакта;
rкм - средний радиус трения. rкм = rм
.
Расчет тарельчатой пружины
Для
производства тарельчатых пружин используют холоднокатаные калиброванные листы
из стали 85 или 50ХГФА. Типичная технология включает в себя выработку заготовки
на многопозиционном прессе, шлифование с обеих сторон, закладку с
формообразованием и отпуск 42…48 HRC, дробеструйную обработку в течении 6…12 мин., фосфатирование
с промасливанием. Все пружины подвергают контролю по нагрузке, причем
отклонение от номинального значения не должно превышать 5…7%.выборочно
проверяется усталостная прочность при 1 млн циклов нагружения.
Главная
особенность тарельчатой пружины заключается в ее нелинейной характеристике. Это
имеет решающее значение для сохранения в течении длительного времени
необходимого момента трения, который прямо пропорционален нажимному усилию.
Рис.1.
схема расчета тарельчатой пружины
При
проектирование принимают следующие габариты пружины:
De = 158;а = 12;c = 75,5;i =
30;= 3,5;
δ = 2;
Число
лепестков равно 8…20.
где:
De=4,5…6% ДНД;
De/ Dа=1,2…1,5;/δ=1,5…20;e/ Dа≥2,
5;
;1=Dа/
Dе =0,77;
k2 =Dc/ Dе=0,48.
-
перемещение пружины в месте приложения силы РН, обусловленное
поворотом сплошного кольца, мм
мм
-перемещение
конца лепестков пружины при выключении сцепления.
Перемещение,
вызванное изменением угла наклона сплошного конца пружины, мм.
мм
-деформация
изгиба лепестков разрезной части, мм.В расчетах пренебрегают;
≈
≈2 мм;
=0,26;
Е=2·105
МПа- модуль упругости 1 рода.
Определение
силы, действующей на нажимной диск:
1870,12Н
Определение
силы, прикладываемой к пружине при выключении сцепления:
Определение
напряжения в наиболее нагруженном месте пружины в середине основания
:
.
допустимое
где:
диаметр кольца пружины:
угол
поворота сечения при выключенном сечении:
.
Расчет ведомого диска
Ведомый диск состоит из металлического диска ( материал - сталь 50, ГОСТ
1050-74), к которому крепятся заклепками шлицевая ступица (материал - сталь
40Х, ГОСТ 4543-71) и фрикционные накладки (материал - НСФ, ГОСТ 1788-74).
Расчет соединения на срез:
;
Расчет
соединения на смятие:
где:
rkm= 68 мм - средний радиус расположения заклепок;
zв = 1 - число дисков;
zз = 12 - число заклепок;
=7,2-
диаметр ведущего диска
k - коэффициент
приспосабливаемости двигателя
=
=1,3…1,5-коэффициент
запаса сцепления
=44Н
м- максимальный крутящий момент ДВС
Диаметр
заклепок по условию среза:
Диаметр
заклепок по условию смятия:
Из
полученных значений выбирается большее и округляется до стандартной величины.
Принимаем dз = 3мм.
.
Расчет шлицевого соединения
Ступицу ведомого диска устанавливают на шлицевом конце первичного вала с
сопряжением, необходимым для свободного его перемещения на валу.
Так как соединение в муфте принято применять только прямозубое с
центрированием по диаметру шлицевой втулки, выбираем по ГОСТ 1139-80 шлицевое
соединение: 6×13×16×3,5 (z×d×Д×b).
Рис. 2. Схема шлицевого соединения
Средний диаметр шлицевого соединения:
;
где:
Д = 16 мм - диаметр большего вала;
d = 13 мм -
диаметр меньшего вала;
Рабочая
высота шлицев:
;
где:
хв = хс = 0,3 мм - высота фаски на шлицах вала и втулки;
Удельный
суммарный статический момент площади рабочих поверхностей соединения
относительно вала:
Среднее
давление смятия:
=
;
где
l = 16 мм - длина шлицевой втулки;
Максимальное
давление смятия:
;
где:
k3 = 1,1 -
коэффициент неравномерности распределения нагрузки между зубьями;
kп = 1,15 - коэффициент нагрузки от погрешности
изготовления:
kп = (1,1…1,2);
kпр = 1,14 - коэффициент продольной концентрации
нагрузки:

Расчет
рабочих поверхностей на срез:
.
8. Выбор подшипников выключения
Подшипники выключения позволяют значительно уменьшить тепловые нагрузки в
сцеплении при его выключении.
Чаще используют подшипники качения герметичные со смазкой на весь срок
службы.
При выборе подшипника ориентируются на размер шлицевого вала и диаметра
стакана. Основные размеры подшипника:
Выбираем подшипник марки: 6-520806 EC23 по ГОСТ 520-89
D=55
H=13/19
Масса=0,13кг
. Расчет привода управления сцеплением
Основная задача расчета привода фрикционного сцепления состоит в выборе
таких кинематических параметров, которые удовлетворяли бы допустимым нагрузкам
на педаль управления и данному ходу педали, работе совершаемой при выключении
сцепления.
Привод управления сцепления бывает механическим и гидравлическим. Расчеты
этих приводов аналогичны т.к. в гидравлическом приводе используются диаметры
исполнительного и рабочего цилиндров, а они равны друг другу и при определении
передаточного числа они сокращаются.
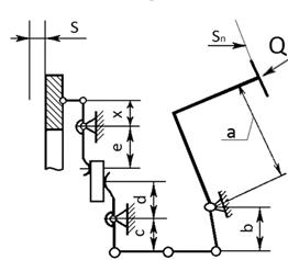
Рис. 3 Схема механического привода управления сцепления
9.1 Определение передаточного числа и полного хода педали
сцепления
;
где:
a, b, c, d, e, f - размеры привода, мм;
;
где: Sп < 190 мм;
S =
1,75 мм - ход нажимного диска;
Δ =3 мм - зазор между рычагами и муфтой
выключения сцепления.
9.2 Определение усилия на педали при полном выключении
сцепления
;
где:
ηп - кпд
привода:
,7…0,8
для механического привода;
,8…0,9
для гидравлического привода;
Zпр=1- количество пружин
Библиографический список
1. Проектирование
трансмиссий автомобилей: Справочник. Под общей редакцией Гришкевича А.И. М.:
Машиностроение, 1984.
. Лукин
П.П. Конструирование и расчет автомобиля/ П.П. Лукин, Г.А. Гаспарянц. М.:
Машиностроение,1984.
. Методические
указания к курсовому проекту по дисциплине «Автомобили и двигатели», спецкурс
«Расчет автомобиля». / Сост. В.Э. Клявин, С.А. Ляпин, Н.М. Моисеева. Липецк:
ЛГТУ 2002.-22с.