Расчет основных параметров автомобиля
Содержание
Введение
. Анализ
компоновочных схем и выбор автомобиля прототипа
.
Тягово-динамический расчет
.1
Определение полного веса автомобиля и подбор шин
2.2 Определение мощности двигателя и
построение внешней скоростной характеристики
.3 Определение передаточного числа
главной передачи
2.4
Определение передаточных чисел коробки передач
.5 Силовой
баланс автомобиля
.6 Расчет и
построение динамической характеристики автомобиля
2.7 Динамический паспорт автомобиля
.8 Расчет и построение графика
ускорений автомобиля
.9 Расчет и построение графиков
времени и пути разгона
.10 Расчет и построение графика пути
торможения автомобиля
2.11 Расчет
топливной экономичности автомобиля
3. Расчет элементов тормозной системы
3.1
Определение необходимых тормозных усилий на осях автомобиля
.2
Определение приводных усилий в дисковом тормозном механизме
.3
Определение тормозных моментов каждой колодки
.4
Определение необходимого момента в системе
.5 Расчет
вакуумного усилителя
.6
Определение коэффициента эффективности дискового тормоза
.7
Проверочный расчет
Заключение
Список
использованных источников
Введение
Целью курсового проекта является расчет основных параметров
проектируемого автомобиля.
В качестве прототипа мною был выбран легковой автомобиль малого класса Chevrolet Aveo 16V (MT). Для расчета были изменены некоторые
заводские параметры автомобиля, такие как: масса снаряженного автомобиля и
число оборотов двигателя при максимальной мощности.
Основные параметры, рассчитываемые в данном курсовом проекте:
тягово-скоростные свойства автомобиля определяют динамичность движения,
то есть возможность перевозить грузы (пассажиров) с наибольшей средней
скоростью. Они зависят от тяговых, тормозных свойств автомобиля и его
проходимости, то есть способности автомобиля преодолевать бездорожье и сложные
участки дорог;
тормозные свойства автомобиля определяются значениями максимального
замедления и длины тормозного пути. Эти свойства автомобиля зависят от
устройства и технического состояния тормозных систем, типа и степени
изношенности протекторов шин;
динамические свойства автомобиля в немалой степени зависят от легкости
управления, то есть от усилий, затрачиваемых водителем и степени его
утомляемости при управлении автомобилем, а также маневренности;
топливная экономичность автомобиля оценивается по расходу топлива в
литрах на 100 километров пробега, отнесенному к единице транспортной работы
(т/км).
Задачи расчета - построить внешнюю скоростную характеристику ДВС, тяговую
и динамическую характеристику автомобиля, графики ускорений, минимального пути
и времени разгона автомобиля до максимальной скорости, график минимального пути
торможения.
Основные требования, предъявляемые к современным легковым автомобилям:
устойчивость, т.е. свойство автомобиля сохранять направление движения и
противостоять силам, стремящимся вызвать занос или опрокидывание автомобиля;
проходимость, т.е. свойство автомобиля двигаться по плохим дорогам и вне
дорог;
плавность хода, т.е. свойство автомобиля обеспечивать защиту перевозимых
пассажиров и грузов, а также систем и механизмов автомобиля от воздействия
неровностей дороги;
экологичность, т.е. свойство автомобиля минимально загрязнять окружающую
среду отработавшими газами и шумом;
безопасность движения, т.е. свойство автомобиля двигаться с наименьшей
вероятностью возникновения дорожно-транспортных происшествий. Это комплексное
эксплуатационное свойство, связанное с управляемостью, поворачиваемостью,
маневренностью, устойчивостью и тормозными свойствами.
1. Анализ компоновочных схем и выбор автомобиля прототипа
|
Характеристика/Марка
автомобиля
|
Toyota Duet V S
package
|
Honda Civic 23L
|
Chevrolet Aveo 16V (MT)
|
Проектируемый автомобиль
|
|
Тип автотранспортного
средства
|
легковой
|
легковой
|
легковой
|
легковой
|
|
Размеры, мм: Д/Ш/В
|
3660 / 1600 / 1450
|
3965 / 1680 / 1335
|
4310 / 1710 / 1500
|
4310 / 1710 / 1500
|
|
Масса снаряженного
автомобиля, кг
|
850
|
810
|
997
|
800
|
|
Полный вес автомобиля, кг
|
1125
|
1150
|
1490
|
1240
|
|
Колесная формула
|
4х2
|
4х2
|
4х2
|
4х2
|
|
Пассажировместимость
|
5
|
5
|
5
|
5
|
|
Тип двигателя
|
Бензиновый АИ-95
|
Бензиновый АИ-92
|
Бензиновый АИ-95
|
Бензиновый АИ-95
|
|
Тип коробки передач
|
5-МКПП
|
5-МКПП
|
5-МКПП
|
5-МКПП
|
|
Обороты двигателя при
максимальной мощности, об/мин
|
7000
|
6300
|
4200
|
5000
|
|
Максимальная скорость, км/ч
|
220
|
168
|
176
|
180
|
|
Размер шин
|
165/65R14
|
165/70R13
|
185/55R15
|
185/65R15
|
|
Мощность, л.с.
|
110
|
82
|
102
|
148
|
На стадии предварительного проектирования выбираем автомобиль прототип Chevrolet Aveo 16V (MT), так как из приведенных выше автомобилей
данного класса он является наиболее приемлемым по комфортабельности, в то же
время имеет большую грузоподъемность. Габаритные размеры как снаружи, так и
внутри автомобиля также превышают габаритные размеры автомобилей приведенных в
таблице, что немало важно при эксплуатации.
Все приведенные автомобили оснащены пятиступенчатой механической коробкой
передач с передним расположением двигателя и приводом на передние колеса.
2. Тягово-динамический расчет
.1 Определение полного веса автомобиля и подбор шин
Полный вес автомобиля может быть определен по
следующей зависимости:

(2.1)
где

-
собственный вес автомобиля (Н);

- общее
количество мест в кузове (кабине), включая место водителя;

-
номинальная грузоподъемность автомобиля (Н);

-
средний вес одного человека (750 Н);

- вес
багажа, приходящийся на одного человека (150 Н).
Распределение веса по осям определяется координатами
центра тяжести, зависит от типа автомобиля, его компоновки и может быть
установлено по данным анализа конструкций автомобилей, сведенным в таблицу 1.
Таблица 2.1 - Распределение веса по осям конструкции
автомобилей
|
Величины, характеризующие
центр тяжести автомобиля
|
Автомобили
|
Примечание
|
|
легковые
|
грузовые
|
автобусы
|
|
|
L1/L
|
0,45-0,55
|
0,55-0,75
|
0,4-0,55
|
С полной нагрузкой
|
|
L2/L
|
0,5
|
0,25-0,45
|
0,24-0,6
|
|
где L -
продольная база автомобиля;
L1 - расстояние от передней оси автомобиля до его центра
тяжести;
L2 - то же относительно задней оси автомобиля или оси тележки
для трехосного автомобиля.
На основании таблицы 2.1 принимаем L1 /L = 0,5.
Вес, приходящийся на переднюю ось, Н:

(2.2)

.
Вес,
приходящийся на заднюю ось, Н:

(2.3)
Нагрузка
на одно колесо передней оси, Н:

(2.4)
Нагрузка
на одно колесо задней оси, Н:
По
справочнику выбираем шины:
- модель MICHELIN
ALPIN A4 GRNX 88T m+s;
- шиноразмер 185/65 R15;
тип брекера - металлокордный;
типичная всесезонная шина для легковых автомобилей, предназначена для
эксплуатации, как в летний, так и в зимний период. Протектор шины разработан
для обеспечения хороших тяговых свойств и управляемости при любых погодных
условиях. Уникальное расположение блоков протектора позволяет достичь высокого
сопротивления к аквапланированию.
Рабочий радиус колеса, мм:
где

-
коэффициент высоты профиля шины, 
= 0,65;

- ширина
шины, 
= 185
мм;

-
коэффициент радиальной деформации шин, 
= 0,14
(радиальная шина).
2.2 Определение
мощности двигателя и построение внешней скоростной характеристики
Мощность двигателя при максимальной скорости движения, кВт:

(2.6)
где

-
коэффициент лобового сопротивления, 
;

=
0,9-0,92 - коэффициент полезного действия трансмиссии, принимаем 
= 0,9;

-
площадь лобового сечения автомобиля;

-
кинематический коэффициент сопротивления качению колеса.
где

-
усредненный коэффициент при малой скорости (14-16
),
принимаем асфальтобетон в удовлетворительном состоянии 
= 0,02.
Площадь лобового сечения автомобиля можно определить по формуле, м2:
где Нa - габаритная высота, м;
Вa - габаритная ширина, м.
Угловая скорость коленчатого вала 5000 об/мин = 523 рад/с.
Для построения характеристики двигателя Ne = f(n), Me = f(n) используют зависимость:

(2.9)
где

-
текущее значение угловой скорости коленчатого вала;

-
угловая скорость коленчатого вала при номинальной мощности.
А1 = А2 = 1,0 - коэффициенты для карбюраторных двигателей.
Текущие значения угловой скорости (ω) берем: 80, 100, 200, 300, 400, 500,
523, 550 рад/с.
Текущие
значения крутящего момента, Н·м:
Последующие значения вычисляем аналогично, полученные результаты
записываем в таблицу.
Таблица 2.2 - Значения мощности и крутящего момента
|
ωеi(рад/с)
|
80
|
100
|
200
|
300
|
400
|
500
|
523
|
550
|
|
Nеi(кВт)
|
18,84
|
24,07
|
51,55
|
77,84
|
98,40
|
108,63
|
109,04
|
108,44
|
|
Mеi(H∙м)
|
235,5
|
240,7
|
257,8
|
259,5
|
246
|
217,3
|
208,5
|
197,2
|
По результатам расчета строим внешнюю скоростную характеристику двигателя
внутреннего сгорания.
Рисунок 2.1 - Внешняя скоростная характеристика ДВС
.3
Определение передаточного числа главной передачи
Значение передаточного числа главной передачи определяют по формуле:
(2.12)
где ωe -
угловая скорость коленчатого вала двигателя, с-1;
rк -
рабочий радиус колеса, м;
Vmax -
максимальная скорость движения автомобиля;
Uкп -
передаточное число коробки передач.
.4
Определение передаточных чисел коробки передач
Передаточное число коробки передач на первой передаче должно
соответствовать выражению:

, (2.13)
где
Gа - полный вес автомобиля, Н;
Gа1 - вес
автомобиля, приходящийся на ведущие колеса, Н;
ψmax -
максимальное значение коэффициента суммарного дорожного сопротивления;
m - коэффициент
перераспределения нагрузки на ведущие колеса, m =0,9- для
переднеприводного автомобиля;
φ - коэффициент сцепления ведущих колес с дорожным покрытием
асфальтобетон (сухой), принимаем φ = 0,75.

(2.14)

-
максимальный угол подъема.

,

Передаточные
числа коробки передач подбираем по закону геометрической прогрессии с учетом
передаточного числа первой передачи:
U1 = 2,
(2.15)
где
;
n -
число передач, исключая ускоряющую.
q = 1,26,2= U1 / q = 1,587,= U2 / q = 1,26,=U3 / q = 1,5 = U4 / q =
0,794.
2.5 Силовой
баланс автомобиля
Для построения тяговой характеристики необходимо определить текущие
значения касательной силы тяги Рtni и
скорости автомобиля υаni
определяемые по формулам
(2.16)
где ηt -
коэффициент полезного действия трансмиссии, принимаем ηt = 0,9;

-
передаточное число трансмиссии на n-ой передаче.

(2.18)
где

-
передаточное число коробки передач на n-ой передаче;

-
передаточное число главной передачи;

-
передаточное число раздаточной коробки.

;

;
Задаваясь
текущими значениями угловой скорости вращения коленчатого вала ДВС 
(80,
100, 200, 300, 400, 500, 523, 550 
) и
получая на внешней характеристике ДВС соответствующие им значения крутящего
момента 
,
рассчитывают значения тяговой силы и соответствующие им скорости движения
автомобиля.
Значения
тяговой силы на первой передаче:
Значения
скорости движения автомобиля, соответствующие значениям тяговой силы на первой
передаче:
Последующие
значения тяговой силы и скорости движения на передачах вычисляем аналогично,
полученные результаты записываем в таблицы 2.3-2.7.
Таблица
2.3 - Зависимость Pti и Vai от ωei для первой передачи
|
ωei,
рад/с
|
80
|
100
|
200
|
300
|
400
|
500
|
523
|
550
|
|
|
4434
|
4532
|
4854
|
4886
|
4631
|
4091
|
3925
|
3713
|
|
  3,824,789,5614,3419,1223,8924,9926,28
|
|
|
|
|
|
|
|
|
Таблица 2.4 - Зависимость Pti и Vai от ωei для второй передачи
|
ωei,
рад/с80100200300400500523550
|
|
|
|
|
|
|
|
|
|
|
3518
|
3596
|
3851
|
3877
|
3675
|
3246
|
3115
|
2946
|
|
  4,826,0212,0518,0724,130,1231,5133,13
|
|
|
|
|
|
|
|
|
Таблица 2.5 - Зависимость Pti и Vai от ωei для третьей передачи
|
ωei,
рад/с80100200300400500523550
|
|
|
|
|
|
|
|
|
|
|
2793
|
2855
|
3058
|
3078
|
2918
|
2577
|
2473
|
2339
|
|
  6,077,5915,1822,7630,3537,9439,6941,73
|
|
|
|
|
|
|
|
|
Таблица 2.6 - Зависимость Pti и Vai от ωei для четвертой передачи
|
ωei,
рад/с80100200300400500523550
|
|
|
|
|
|
|
|
|
|
|
2217
|
2266
|
2427
|
2443
|
2316
|
2046
|
1963
|
1856
|
|
  7,659,5619,1228,6838,2447,8050,0052,58
|
|
|
|
|
|
|
|
|
Таблица 2.7 - Зависимость Pti и Vai от ωei для пятой передачи
|
ωei,
рад/с
|
80
|
100
|
200
|
300
|
400
|
500
|
523
|
550
|
|
|
1773
|
1813
|
1941
|
1954
|
1853
|
1636
|
1570
|
1485
|
|
  9,5611,9523,9035,8547,8059,7662,5065,73
|
|
|
|
|
|
|
|
|
На основании полученных значений касательной силы тяги и скорости
автомобиля строят графические зависимости РК =f(V) рисунок 5.1.
Сила сопротивления дороги рассчитывается по формуле, Н:

(2.19)
После
этого от кривой характеризующей силу сопротивления дороги, откладывают вверх
значения силы сопротивления воздуха при различных скоростях движения.
При
движении на скоростях до 14 
коэффициент
суммарного дорожного сопротивления не зависит от скорости движения. При
скорости выше 14 
коэффициент
сопротивления дороги увеличивается пропорционально 
.

,


(2.20)
где

- фактор
обтекаемости, 

-
скорость движения автомобиля, 
.

0 Н,

=240 Н,

=540 Н,

=960 Н,

=1500 Н,

=1815 Н.
Чтобы
проверить реализуется ли по сцеплению сила тяги на различных передачах
необходимо определить наибольшую возможную силу тяги в заданных дорожных
условиях, Н:

(2.21)
где

- вес
автомобиля, приходящийся на ведущие колеса, Н;

-
коэффициент сцепления ведущих колес с дорожным покрытием.
Рисунок 2.2 - Силовой баланс автомобиля
.6 Расчет и построение динамической характеристики автомобиля
Динамическая характеристика подвижного состава - зависимость
динамического фактора от скорости движения автомобиля на различных передачах.
Динамический фактор - удельная избыточная сила, используемая для
преодоления дополнительных сил сопротивления и для разгона автомобиля.
Значения динамического фактора по тяге позволяют судить о тягово-скоростных
свойствах конкретного автомобиля при разных нагрузках и сравнивать
тягово-скоростные свойства различных автомобилей. При этом, чем больше
динамический фактор по тяге, тем лучше тягово-скоростные свойства и выше
проходимость автомобиля: он способен развивать большие ускорения, преодолевать
более крутые подъёмы и буксировать прицепы большей массы.
Текущие значения динамического фактора определяют по формуле:
где

-
текущие значения силы тяги на различных передачах, Н.
Используя
полученные выше значения 
и 
на
различных передачах, вычислим соответствующие значения 
.
Результаты расчетов заносим в таблицу.
Таблица
2.8 - Зависимость Dni от ωei
|
Передачи КПП
|
ωei,
рад/с
|
|
80
|
100
|
200
|
300
|
400
|
500
|
523
|
550
|
|
Dn1
|
Dn2
|
Dn3
|
Dn4
|
Dn5
|
Dn6
|
Dn7
|
Dn8
|
|
Первая
|
0,3593
|
0,3672
|
0,3933
|
0,3859
|
0,3575
|
0,3038
|
0,2877
|
0,2673
|
|
Вторая
|
0,2851
|
0,2914
|
0,3121
|
0,2983
|
0,2696
|
0,2190
|
0,2041
|
0,1854
|
|
Третья
|
0,2264
|
0,2314
|
0,2366
|
0,2242
|
0,1917
|
0,1389
|
0,1238
|
0,1049
|
|
Четвертая
|
0,1797
|
0,1836
|
0,1789
|
0,1580
|
0,1166
|
0,0547
|
0,0375
|
0,016
|
|
Пятая
|
0,1437
|
0,1469
|
0,1296
|
0,0959
|
0,0390
|
-0,041
|
-0,063
|
-0,090
|
Для проверки реализации динамического фактора по сцеплению с дорожным
покрытием определим его значение по формуле:
Если

больше
максимального значения динамического фактора на первой передаче, то буксование
автомобиля на данной дороге будет отсутствовать.
Значение
динамического фактора при максимальной скорости определяет коэффициент
сопротивления дороги 𝜓, которое может преодолеть автомобиль при этой
скорости, а ординаты точек максимума кривых динамического фактора представляют
собой максимальные значения коэффициента сопротивления дороги, преодолеваемого
на каждой передаче.
Рисунок
2.3 - Динамическая характеристика автомобиля
2.7
Динамический паспорт автомобиля
Неудобство использования динамической характеристики автомобиля состоит в
том, что для оценки тягово-скоростных свойств необходимо строить отдельные
графики для каждого значения нагрузки на автомобиль.
Более универсальным и удобным является динамический паспорт автомобиля,
который позволяет оценить тягово-скоростные свойства при различных нагрузках на
автомобиль.
Динамическим паспортом автомобиля называется его динамическая
характеристика с номограммой нагрузок и графиком контроля буксования.
Методика построения динамического паспорта автомобиля такова:
строят динамическую характеристику автомобиля с полной нагрузкой;
-
строят номограмму нагрузок, характеризующую изменение динамического фактора по
тяге 
в
зависимости от нагрузки на автомобиль;
строят
график контроля буксования. Он включает в себя зависимости динамического
фактора по сцеплению 
от
нагрузки на автомобиль при разных значениях коэффициента сцепления колес с
дорогой 
.
При
построении номограммы нагрузок на автомобиль ось абсцисс его динамической
характеристики продолжают влево и на ней в произвольном масштабе откладывают
значения нагрузки на автомобиль в процентах. Из точки, соответствующей нулевой
нагрузке, проводят вертикаль, на которой откладывают значения динамического
фактора по тяге 
для
снаряженного автомобиля (без груза или без пассажиров) в масштабе, определяемом
по формуле:
где

-
динамический фактор по тяге для автомобиля с полной нагрузкой;

и 
- вес
соответственно снаряженного автомобиля и автомобиля с полной нагрузкой.
Последующие
значения вычисляем аналогично, полученные результаты записываем в таблицу.
Таблица
2.9 - Динамический фактор по тяге автомобиля
|
|
0,1
|
0,2
|
0,3
|
0,4
|
0,5
|
0,6
|
0,7
|
0,8
|
|
|
0,16
|
0,31
|
0,47
|
0,63
|
0,82
|
0,99
|
1,1
|
1,26
|
Сплошными
линиями соединяют одинаковые значения динамических факторов 
и 
на осях
ординат снаряженного и полностью груженого автомобиля.
График
контроля буксования строят на номограмме нагрузок автомобиля. С помощью этого
графика сопоставляют динамические факторы по тяге D и по сцеплению

с целью
определения возможности буксования ведущих колес при различных нагрузках на
автомобиль.
Для
построения графика контроля буксования сначала рассчитывают динамические
факторы по сцеплению при различных нагрузках на автомобиль. При этом используют
следующие выражения:
где

и 
-
динамические факторы по сцеплению соответственно снаряженного автомобиля и
автомобиля с полной нагрузкой;

и 
- вес
соответственно снаряженного и полностью груженого автомобиля.

=
12340 H, 
= 7840 H.
Последовательно
подставляя значения коэффициента сцепления 
,
определяем динамические факторы по сцеплению 
и 
:
Последующие значения вычисляем аналогично, полученные результаты
записываем в таблицу.
Таблица 2.10 - Динамический фактор по сцеплению
|
|
0,1
|
0,2
|
0,3
|
0,4
|
0,5
|
0,6
|
0,7
|
0,8
|
|
|
0,05
|
0,1
|
0,15
|
0,2
|
0,25
|
0,3
|
0,35
|
0,4
|
|
|
0,05
|
0,1
|
0,15
|
0,2
|
0,25
|
0,3
|
0,35
|
0,4
|
Найденные
значения динамических факторов по сцеплению откладывают на вертикалях 
и 
номограммы
нагрузок в том же масштабе, что и динамические факторы по сцеплению, и их
одинаковые значения соединяют штриховыми линиями, над которыми указывают
соответствующие значения 
.
Рисунок 2.4 - Динамический паспорт автомобиля
2.8 Расчет и
построение графика ускорений автомобиля
Располагая значениями динамического фактора автомобиля, можно найти
величину ускорений, которые будут иметь место при разгоне на дорогах,
характеризуемых коэффициентом суммарного дорожного сопротивления ψ.
для этого воспользуемся
зависимостью:
где

-
ускорение автомобиля, 
;

-
коэффициент учета вращающихся масс автомобиля.
Численное
значение можно найти по эмпирической формуле:
где

причем
нижний предел соответствует автомобилям с относительно малыми значениями
моментов инерции маховика и колес. Примем 

-
передаточное число коробки передач на n-ой передаче.
На
первой передаче:
Последующие
значения вычисляем аналогично, полученные результаты записываем в таблицу.
Таблица
2.11 - Значения ускорений автомобиля
|
Передачи КПП
|
J1, м/с2
|
J2, м/с2
|
J3, м/с2
|
J4, м/с2
|
J5, м/с2
|
J6, м/с2
|
J7, м/с2
|
J8, м/с2
|
|
Первая
|
2,6
|
2,66
|
2,86
|
2,79
|
2,56
|
2,14
|
2,02
|
1,86
|
|
Вторая
|
2,18
|
2,23
|
2,4
|
2,27
|
2,04
|
1,58
|
1,46
|
1,3
|
|
Третья
|
1,78
|
1,83
|
1,86
|
1,73
|
1,43
|
0,94
|
0,8
|
0,63
|
|
Четвертая
|
1,42
|
1,46
|
1,39
|
1,18
|
0,77
|
0,17
|
0
|
-0,21
|
|
Пятая
|
1,12
|
1,15
|
0,96
|
0,61
|
0,03
|
-0,78
|
-1,0
|
-1,27
|
Подставляя в уравнение текущие значения динамического фактора D, строим графики ускорений автомобиля
на различных передачах в зависимости от скорости движения.
График ускорений позволяют сравнить приемистость различных автомобилей на
дорогах с одинаковым сопротивлением движению. Однако такое сравнение не совсем
точно, так как различные автомобили имеют неодинаковое максимальное ускорение
на каждой передачи и разное число передач в коробке передач. Поэтому более
точное сравнение приемистости обеспечивают графики времени и пути разгона.
Рисунок 2.5 - График ускорений автомобиля
автомобиль
разгон торможение топливный
2.9 Расчет и построение графиков времени и пути разгона
Время и путь разгона определим следующим образом: кривые графика
ускорений разобьем на ряд отрезков, соответствующих определенным интервалам
скоростей, км/ч: на первой передаче на 3, на второй и третьей на 6 и на
четвертой на 10.
Полагают,
что в каждом интервале скоростей разгон происходит с постоянным, средним
ускорением,
:
где

и 
-
ускорения в начале и конце некоторого интервала скоростей, 
.
Среднее
ускорение можно также рассчитать, зная значения скорости в начале и конце
интервала. На первой передаче:
Последующие значения вычисляем аналогично, полученные результаты
записываем в таблицу.
Таблица 2.12 - Средние значения ускорений в интервалах разгона
|
Передачи
|
Средние значения ускорений,
м/с2
|
|
Jср1
|
Jср2
|
Jср3
|
Jср4
|
Jср5
|
Jср6
|
Jср7
|
Jср8
|
Jср9
|
Jср10
|
|
Первая
|
2,73
|
2,71
|
2,21
|
-
|
-
|
-
|
-
|
-
|
-
|
-
|
|
Вторая
|
2,21
|
2,32
|
2,34
|
2,16
|
1,81
|
1,44
|
-
|
-
|
-
|
-
|
|
Третья
|
1,81
|
1,85
|
1,8
|
1,58
|
1,19
|
0,79
|
-
|
-
|
-
|
-
|
|
Четвертая
|
1,44
|
1,45
|
1,41
|
1,35
|
1,25
|
1,08
|
0,88
|
0,62
|
0,32
|
0,09
|
Время
разгона в интервале скоростей от 
до 
:
На
первой передаче:
Последующие значения вычисляем аналогично, полученные результаты
записываем в таблицу.
Таблица 2.13 - Средние значения времени разгона в интервалах скоростей
|
Передачи
|
Средние значения времени
разгона, с
|
|
∆t1
|
∆t2
|
∆t3
|
∆t4
|
∆t5
|
∆t6
|
∆t7
|
∆t8
|
∆t9
|
∆t10
|
|
Первая
|
2,1
|
3,53
|
3,24
|
-
|
-
|
-
|
-
|
-
|
-
|
|
Вторая
|
0,54
|
2,6
|
2,57
|
2,75
|
3,33
|
2,09
|
-
|
-
|
-
|
-
|
|
Третья
|
0,84
|
4,1
|
4,21
|
4,8
|
6,38
|
4,8
|
-
|
-
|
-
|
-
|
|
Четвертая
|
1,33
|
3,3
|
3,39
|
3,54
|
3,82
|
4,43
|
5,43
|
7,71
|
14,94
|
24,44
|
Вычислив
значение времени разгона в каждом интервале скоростей, находим общее время
разгона в интервалах от минимальной 
до
максимальной 
скорости:

=
+ 
+ ... + 
(2.33)
На первой передаче
На второй передаче:
На третьей передаче:
На четвертой передаче:
Общее время разгона:
При переключении передач в течение некоторого времени (времени
переключения) происходит разъединение двигателя и ведущих колес. При этом
разрывается поток мощности и уменьшается скорость движения автомобиля за счет
действия сил сопротивления движению.
Время переключения передач зависит от типа двигателя, коробки передач и
квалификации водителя.
Так,
для водителей высшей квалификации время переключения передач составляет 0,5-1 с
при бензиновом двигателе. Примем время переключения передач 
Уменьшение
скорости, км/ч, автомобиля при переключении передач, зависящее от дорожных
условий, скорости движения и параметров обтекаемости, определяется по формуле, 
:

(2.34)
где

- время
переключения передач, с.
Зная
значения времени разгона в различных интервалах скоростей, строим кривую
времени разгона. Изломы этой кривой соответствуют моментам переключения
передач.
Для
нахождения пути разгона используют те же интервалы скоростей, которые были
выбраны при определении времени разгона. При этом считается, что в каждом
интервале скоростей автомобиль движется равномерно со средней скоростью:
На
первой передаче:
Последующие значения вычисляем аналогично, полученные результаты
записываем в таблицу.
Таблица 2.14 - Значения средней скорости движения в интервалах скоростей
|
Передачи
|
Значения средней скорости
движения, м/с
|
|
|
|
|
|
|
|
|
|
|
|
|
Первая
|
6,69
|
14,34
|
22,7
|
-
|
-
|
-
|
-
|
-
|
-
|
-
|
|
Вторая
|
5,42
|
9,04
|
15,06
|
21,09
|
27,11
|
31,63
|
-
|
-
|
-
|
-
|
|
Третья
|
6,83
|
11,39
|
18,97
|
26,56
|
34,15
|
39,84
|
-
|
-
|
-
|
-
|
|
Четвертая
|
8,61
|
11,95
|
16,73
|
21,51
|
26,29
|
31,07
|
35,85
|
40,63
|
45,41
|
48,9
|
При
разгоне от скорости 
до
скорости 
путь
разгона в этом интервале скоростей:
На
первой передаче:
Последующие значения вычисляем аналогично, полученные результаты
записываем в таблицу 9.4.
Таблица 2.15 - Значения пути разгона в интервалах скоростей
|
Передачи
|
Значения пути разгона, м
|
|
|
|
|
|
|
|
|
|
|
|
|
Первая
|
14,1
|
50,6
|
73,6
|
-
|
-
|
-
|
-
|
-
|
-
|
-
|
|
Вторая
|
2,93
|
23,5
|
38,7
|
58
|
90,3
|
66,1
|
-
|
-
|
-
|
-
|
|
Третья
|
5,74
|
46,7
|
79,9
|
127,5
|
217,9
|
191,2
|
-
|
-
|
-
|
-
|
|
Четвертая
|
11,5
|
39,4
|
56,7
|
76,2
|
100,4
|
137,6
|
194,7
|
313,3
|
678,4
|
1195,1
|
Путь
разгона автомобиля от минимальной 
до
максимальной 
скорости:

= 
+ 
+ ... + 
На
первой передаче:
На
второй передаче:
На
третьей передаче:
На
четвертой передаче:
За время переключения передач автомобиль проходит
путь:
где

-
скорость в момент начала переключения передач,
.
Общий путь разгона:
Зная значения пути разгона, соответствующие различным интервалам
скоростей, строим кривую пути разгона. Изломы этой кривой, так же, как и у
кривой времени разгона, отвечают переключению передач.
Рисунок 2.6 - График времени и пути разгона
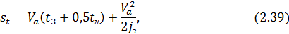
2.10 Расчет и
построение графика пути торможения автомобиля
Тормозной путь автомобиля определяется по следующей зависимости:
где

-
начальная скорость автомобиля (начало торможения);

- время
запаздывания тормозного привода;

- время
нарастания замедления;

-
установившееся замедление.
где

-
коэффициент эффективного действия тормозов.
Вычисляем
значения тормозного пути для мокрого 
и сухого 
дорожного
покрытия.
Примем
для сухого дорожного покрытия коэффициент эффективного действия тормозов Кэ =
1,2, а для мокрого дорожного покрытия коэффициент эффективного действия
тормозов Кэ = 1.
Примем
время запаздывания тормозного привода 
а время
нарастания замедления
Путь торможения для сухого дорожного покрытия:
Путь торможения для мокрого дорожного покрытия:
Последующие значения вычисляем аналогично, полученные результаты
записываем в таблицу.
Таблица 2.16 - Тормозной путь автомобиля
|
Тормозной путь  Начальная
скорость движения автомобиля 
|
|
|
5
|
10
|
15
|
20
|
25
|
30
|
35
|
40
|
45
|
50
|
|
Сухое покрытие
|
3,29
|
10,66
|
22,12
|
37,65
|
57,27
|
80,97
|
108,8
|
140,6
|
176,6
|
216,6
|
|
Мокрое покрытие
|
4,44
|
15,26
|
32,45
|
56,02
|
85,97
|
122,3
|
165
|
214,1
|
269,5
|
331,4
|
По полученным данным строим графики пути торможения.
Рисунок 2.7 - График пути торможения

-
коэффициент сцепления колес с сухой дорогой;

-
коэффициент сцепления колес с мокрой дорогой
.11 Расчет топливной экономичности автомобиля
Топливно-экономической характеристикой автомобиля называется зависимость
путевого расхода топлива от скорости при равномерном движении автомобиля по дорогам
с разным сопротивлением.
Расчет и построение топливно-экономической характеристики выполняют в
такой последовательности:
― задают коэффициент сопротивления дороги 
;
― выбирают несколько (не менее 8) значений угловой скорости коленчатого
вала двигателя 
из
диапазона от 
до 
;
― для выбранных значений 
определяют
отношения 
(значение

известно)
и по полученным отношениям находят значения 
.
Для
выбранных значений 
(80,
100, 150, 200, 300, 400, 450, 500, 523, 550 мин-1) определим отношения 
:
По
полученным отношениям найдем значения 
Последующие значения вычисляем аналогично, полученные результаты
записываем в таблицу.
Таблица 2.17 - Значения коэффициента изменения удельного эффективного
расхода топлива, в зависимости от угловой скорости коленчатого вала
|
|
0,15
|
0,19
|
0,29
|
0,38
|
0,57
|
0,76
|
0,86
|
0,96
|
1
|
1,05
|
|
|
1,185
|
1,157
|
1,096
|
1,05
|
1,017
|
1,006
|
1,016
|
1,032
|
1,04
|
1,065
|
Для
выбранных значений 
определим
соответствующие скорости движения автомобиля 
по
формуле:
Последующие значения вычисляем аналогично, полученные результаты
записываем в таблицу.
Таблица
2.18 - Зависимость 
от 
|
|
80
|
100
|
150
|
200
|
300
|
400
|
450
|
500
|
523
|
550
|
|
|
7,65
|
9,56
|
14,34
|
19,12
|
28,68
|
38,24
|
43,02
|
47,8
|
50
|
52,58
|
Мощность, затрачиваемая на преодоление сопротивления дороги, вычисляют по
формуле, кВт:
где

- вес
автомобиля, Н

-
коэффициент сопротивления дороги;

-
скорость движения автомобиля.
Последующие значения вычисляем аналогично, полученные результаты
записываем в таблицу.
Таблица
2.19 - Зависимость 
от 
|
|
7,65
|
9,56
|
14,34
|
19,12
|
28,68
|
38,24
|
43,02
|
47,8
|
50
|
52,58
|
|

|
1,18
|
1,95
|
3,07
|
5,66
|
9,44
|
12,21
|
15,34
|
16,97
|
18,82
|
Мощность, затрачиваемая на преодоление сопротивления воздуха, вычисляют
по формуле, кВт:
где

- фактор
обтекаемости, 
;

-
скорость движения автомобиля.
Последующие значения вычисляем аналогично, полученные результаты
записываем в таблицу.
Таблица
2.20 - Зависимость 
от 
|
|
7,65
|
9,56
|
14,34
|
19,12
|
28,68
|
38,24
|
43,02
|
47,8
|
50
|
52,58
|
|
|
0,27
|
0,52
|
1,77
|
4,19
|
14,15
|
33,55
|
47,77
|
65,53
|
75
|
87,22
|
По
внешней скоростной характеристике двигателя для выбранных значений 
определим
эффективную мощность двигателя 
, данные
заносим в таблицу.
Таблица
2.21 - Зависимость 
от 
|
|
80
|
100
|
150
|
200
|
300
|
400
|
450
|
500
|
523
|
550
|
|
|
18,84
|
24,07
|
37,67
|
51,55
|
77,84
|
98,4
|
105,08
|
108,63
|
109,04
|
108,44
|
Определим степень использования двигателя по формуле:
Последующие значения вычисляем аналогично, полученные результаты
записываем в таблицу.
Таблица
2.22 - Зависимость 
от 
|
|
18,84
|
24,07
|
37,67
|
51,55
|
77,84
|
98,4
|
105,08
|
108,63
|
109,04
|
108,44
|
|
|
0,071
|
0,078
|
0,11
|
0,156
|
0,283
|
0,485
|
0,634
|
0,827
|
0,937
|
1,087
|
Коэффициент изменения удельного эффективного расхода топлива, в
зависимости от степени использования мощности двигателя:
На четвертой передаче:
Последующие значения вычисляем аналогично, полученные результаты
записываем в таблицу.
Таблица
2.23 - Зависимость 
от 
|
|
0,071
|
0,078
|
0,11
|
0,156
|
0,283
|
0,485
|
0,634
|
0,827
|
0,937
|
1,087
|
|
|
2,731
|
2,683
|
2,472
|
2,198
|
1,603
|
1,068
|
0,918
|
0,918
|
0,968
|
1,038
|
По
найденным значениям коэффициентов 
и 
определим
удельный эффективный расход топлива 
:
где

-
удельный эффективный расход топлива при максимальной мощности, 
.
Последующие значения вычисляем аналогично, полученные результаты
записываем в таблицу.
Таблица
2.24 - Зависимость 
от 
|
|
2,731
|
2,683
|
2,472
|
2,198
|
1,603
|
1,068
|
0,918
|
0,918
|
0,968
|
1,038
|
|
|
970,9
|
931,27
|
812,79
|
692,37
|
489,08
|
322,3
|
279,8
|
284,2
|
302,02
|
331,64
|
По
полученным значениям 
находят
путевой расход топлива 
, для
дороги с заданным коэффициентом сопротивления 𝜓1 (0,01):
где

-
удельный эффективный расход топлива 
;

-
скорость движения автомобиля, 
;

-
плотность топлива, 
;

- КПД
трансмиссии;

-
мощность, затрачиваемая на преодоление сопротивления дороги, кВт;

-
мощность, затрачиваемая на преодоление сопротивления воздуха, кВт.
Последующие значения вычисляем аналогично, полученные результаты записываем
в таблицу.
Таблица
2.25 - Зависимость 
от 
|
|
970,9
|
931,27
|
812,79
|
692,37
|
489,08
|
322,3
|
279,8
|
284,2
|
302,02
|
331,64
|
|
|
6,32
|
6,81
|
8,68
|
10,82
|
13,9
|
14,91
|
16,05
|
19,79
|
22,86
|
27,52
|
При
расчете зададимся коэффициентом сопротивления дороги 
Для
выбранных значений 
определим
соответствующие скорости движения автомобиля 
:
На
первой передаче:
Последующие значения вычисляем аналогично, полученные результаты
записываем в таблицу.
Таблица
2.26 - Зависимость 
от 
|
|
80
|
100
|
150
|
200
|
300
|
400
|
450
|
500
|
523
|
550
|
|
|
3,82
|
4,78
|
7,17
|
9,56
|
14,34
|
19,12
|
21,5
|
23,89
|
24,99
|
26,28
|
Мощность, затрачиваемая на преодоление сопротивления дороги, кВт:
Последующие значения вычисляем аналогично, полученные результаты
записываем в таблицу.
Таблица
2.27 - Зависимость 
от 
|
|
3,82
|
4,78
|
7,17
|
9,56
|
14,34
|
19,12
|
21,5
|
23,89
|
24,99
|
26,28
|
|
|
14,14
|
17,7
|
26,54
|
35,39
|
53,09
|
70,78
|
79,59
|
84,44
|
95,51
|
97,29
|
Мощность, затрачиваемая на преодоление сопротивления воздуха, кВт:
Последующие значения вычисляем аналогично, полученные результаты
записываем в таблицу.
Таблица
2.28 - Зависимость 
от 
|
|
3,82
|
4,78
|
7,17
|
9,56
|
14,34
|
19,12
|
21,5
|
23,89
|
24,99
|
26,28
|
|
|
0,03
|
0,07
|
0,22
|
0,52
|
1,77
|
4,19
|
5,96
|
8,18
|
9,36
|
10,89
|
По
внешней скоростной характеристике двигателя для выбранных значений 
определим
эффективную мощность двигателя 
.
Таблица
2.29 - Зависимость 
от 
|
|
80
|
100
|
150
|
200
|
300
|
400
|
450
|
500
|
523
|
550
|
|
|
18,84
|
24,07
|
37,67
|
51,55
|
77,84
|
98,4
|
105,08
|
108,63
|
109,04
|
108,44
|
Определим степень использования двигателя:
Последующие значения вычисляем аналогично, полученные результаты
записываем в таблицу.
Таблица
2.30 - Зависимость 
от 
|
|
18,84
|
24,07
|
37,67
|
51,55
|
77,84
|
98,4
|
105,08
|
108,63
|
109,04
|
108,44
|
|
|
0,84
|
0,82
|
0,79
|
0,77
|
0,78
|
0,85
|
0,9
|
0,95
|
1,07
|
1,11
|
По
полученным значениям И найдем 
:
Последующие значения вычисляем аналогично, полученные результаты
записываем в таблицу.
Таблица
2.31 - Зависимость 
от 
|
|
0,84
|
0,82
|
0,79
|
0,77
|
0,78
|
0,85
|
0,9
|
0,95
|
1,07
|
1,11
|
|
|
0,923
|
0,915
|
0,906
|
0,902
|
0,904
|
0,927
|
0,949
|
0,974
|
1,032
|
1,046
|
По
найденным значениям коэффициентов 
и 
определим
удельный эффективный расход топлива 
:
Последующие значения вычисляем аналогично, полученные результаты
записываем в таблицу.
Таблица
2.32 - Зависимость 
от 

0,923
|
0,915
|
0,906
|
0,902
|
0,904
|
0,927
|
0,949
|
0,974
|
1,032
|
1,046
|
|
|
328,13
|
317,6
|
297,89
|
284,13
|
275,81
|
279,8
|
289,26
|
301,55
|
322
|
334,2
|
По
полученным значениям 
находят
путевой расход топлива 
, для
дороги с заданным коэффициентом сопротивления 𝜓 (0,3):
Последующие значения вычисляем аналогично, полученные результаты
записываем в таблицу 11.16.
Таблица
2.33 - Зависимость 
от 
|
|
328,13
|
317,6
|
297,89
|
284,13
|
275,81
|
279,8
|
289,26
|
301,55
|
322
|
334,2
|
|
|
50,09
|
48,59
|
45,75
|
43,92
|
43,42
|
45,14
|
47,37
|
48,11
|
55,6
|
56,61
|
Рисунок 2.8 - Топливно-экономическая характеристика автомобиля
3
Расчет элементов тормозной системы
.1 Определение необходимых тормозных усилий на осях автомобиля
Устанавливаем максимальное замедление легкового автомобиля jа=7 м/с2. Максимальное тормозное
усилие находим по формуле, Н:

, (3.1)
где

-
максимальное тормозное усилие, H;
φx - коэффициент
сцепления колес с дорожным покрытием;

-
тормозное усилие, действующее на одно колесо передней оси, H;

-
тормозное усилие, действующее на одно колесо задней оси, H.
Оптимальному
распределению тормозных сил между мостами двухосного автомобиля соответствует
равенство:
(3.2)
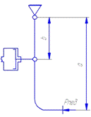
Рисунок 3.1 - Силы, действующие на автомобиль при торможении
R1, R2 -
нормальные реакции опоры, передней и задней осей, Н; Pи - сила
инерции, Н; Ga - вес автомобиля, приложенный в центре тяжести, Н; 
-
тормозное усилие, действующее на переднюю ось, H; 
-
тормозное усилие, действующее на заднюю оси, H; hc -
высота центра тяжести над плоскостью поверхности, м; L - колесная
база автомобиля, м.
Выражаем
тормозное усилие, действующее на переднюю ось 
,
подставляя полученное значение. Находим тормозное усилие, приходящееся на
заднюю ось и тормозное усилие, приходящееся на переднюю ось:
Необходимые
тормозные моменты на передних и задних колесах:

,

, (3.3)
где

-
необходимый тормозной момент на передних колесах, Н·м;

-
необходимый тормозной момент на задних колесах, Н·м;

-
динамический радиус качения колеса, м.
.2 Определение приводных усилий в дисковом тормозном механизме
Рисунок 3.2 - Расчетная схема дискового тормоза
r1 -
внутренний радиус тормозного диска, м; r2 - наружный радиус тормозного диска, м; rср - средний радиус рабочей
поверхности, м; dрц - диаметр
рабочего цилиндра, м.
Тормозные
накладки выполнены в форме кольцевого сектора. Принимаем 

Момент
трения дискового тормоза с кольцевой накладкой, Н · м:
(3.4)
где

- число
поверхностей трения;

-
приводное усилие, Н;

-
коэффициент трения, 
.
Из
формулы 3.4 находим приводное усилие:
3.3 Определение тормозных моментов каждой колодки
Конструктивна схема тормозного привода такова, что при движении
автомобиля вперед или назад обе колодки будут создавать одинаковые моменты,
которые определяются по формуле:
(3.6)
где

-
тормозной момент одной из колодок, Н·М.
Находим
тормозной момент одной колодки:
3.4 Определение необходимого момента в системе
(3.7)
где

-
необходимое давление в системе, Н;

-
приводное усилие, Н;

-
диаметр рабочего тормозного цилиндра (58 мм), м.
Усилие
главного тормозного цилиндра:
(3.8)
где

- усилие
главного тормозного цилиндра, Н;

-
диаметр главного тормозного цилиндра (19 мм), м.
3.5 Расчет вакуумного усилителя
Находим коэффициент усиления:
(3.9)
где F1 - площадь поршня, м2;
F2 -
площадь буфера штока, м2.
(3.10)
где

-
диаметр поршня (25 мм), м.
(3.11)
где

-
диаметр буфера штока (50 мм), м.
Коэффициент
усиления гидровакуумного усилителя обычно 
.
Усилие
на педали тормоза:
(3.12)
где

- усилие
на педали тормоза, Н;

-
передаточное число педального привода.
(3.13)


Рисунок
3.3- Вакуумный усилитель: 1,16 - пружины; 2,11 - болты; 3 - главный тормозной
цилиндр; 4 - регулировочный болт, 5 - наконечник шланга; 6, 12 -клапаны; 7,18 -
корпуса; 8 - шток; 9 - крышка корпуса усилителя; 10 - поршень; 13 - зашитный
чехол корпуса клапана; 14 - толкатель; 15 - воздушный фильтр; 17 - буфер штока;
19 - диафрагма; I-IV - полости
Рисунок
3.4 - Схема определения передаточного числа педального привода.
Усилие
на педали без гидровакуумного усилителя, 
:
(3.14)
Усилие
на педали должно удовлетворять требованию: 
, 
< 500
Н.
3.6 Определение коэффициента эффективности дискового тормоза
Условный приводной момент определяем по формуле:
где

-
условный приводной момент, Н·м.
Коэффициент
эффективности дискового тормоза, отношение тормозного момента, создаваемого
тормозным механизмом, к условному приводному моменту:
(3.16)
Строим статическую характеристику дискового тормоза.
Рисунок 3.5 - Статическая характеристика дискового тормоза.
Из формулы (3.16) следует, что коэффициент эффективности дискового
тормоза представляет собой линейную характеристику от коэффициента трения
скольжения.
.7 Проверочный расчет
Определяем параметры для дисковых тормозов открытого типа с накладкой в
виде сектора.
Находим коэффициент перекрытия
(3.17)
где

-
коэффициент перекрытия, 
;

- площадь
накладки, м2;

-
площадь диска, м2.
Площадь
накладки находим приближенно:
где

- угол,
образованный накладкой сектора на диске, рад.
Рисунок
3.6 - Геометрические параметры накладки
Коэффициент
перекрытия должен входить в заданный интервал, для обеспечения нормального
охлаждения и малого удельного давления, что ведет к повышенному сроку службы
диска и накладок.
Расчет
на среднюю удельную мощность трения при торможении с максимальной для
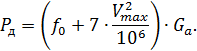
проектируемого автомобиля скоростью, кг·м/(сек·см2):
где

- масса,
приходящаяся на оси автомобиля, кг;

-
суммарная площадь всех накладок, cм2;

-
максимальная скорость проектируемого автомобиля, км/час;

-
максимальное замедление, 
.

Расчет
на допускаемый нагрев при единичном торможении со скорости 30 км/ч до полной
остановки, ˚С:
где
τ - нагрев диска при единичном торможении, 
;

-
скорость автомобиля, км/ч;

- число
тормозных механизмов;

-
удельная теплоемкость диска (чугун 
);

- масса
диска ,кг.
Проверка
дискового тормоза на допускаемую удельную работу трения на единицу тормозных
накладок, Дж/см2:
где

-
удельная работа трения.
Заключение
В результате проведения расчетов определены числовые значения показателей
эксплуатационных свойств и построены графики их изменения для проектируемого
автомобиля в зависимости от изменения его скорости движения.
При выполнении проектировочного расчета автомобиля были определены
значения основных параметров двигателя и трансмиссии, которые обеспечивают
автомобилю требуемую интенсивность разгона при движении по дорогам с твердым
покрытием, возможность движения в условиях бездорожья и в других случаях, когда
имеет место повышенное сопротивление движению.
При проведении тягово-динамического расчета проектируемого автомобиля
были учтены три вида параметров:
) параметры, указываемые в техническом задании на проектирование
автомобиля;
) параметры, которые выбираются конструктором на основании анализа
конструкций современных и зарубежных автомобилей;
) параметры, определяемые расчетным путем.
Параметры, проектируемого автомобиля, полученные расчетным путем,
полностью удовлетворяют требованиям технического задания, также они
соответствуют параметрам автомобилей прототипов такого же класса.
Список использованных источников
1
Методические указания к выполнению курсового проекта по дисциплине «Эксплуатационные
свойства автомобилей» для студентов специальности 190603.65/ А.Ф.Мельников,
В.Н. Кузнецов - Алт. гос. техн. ун-т, БТИ.- Бийск: Изд-во Алт. гос. техн.
ун-та, 2010.- 50 с.
Проектный
тягово ― динамический расчет автомобиля с
применением ЭВМ: Методические указания / Л.Н. Беседин, С.А. Коростелев - Алт.
гос. тех. ун - т им. И.И. Ползунова. Барнаул: Изд - во АлтГТУ. 2003 - 34 с.
Техника
автомобильного транспорта: Подвижной состав и эксплуатационные свойства/ В.К.
Вахламов - Учеб. пособие для студ. высш. учеб. заведений. - М.: Издательский
центр «Академия», 2004.- 528 с.