Автоматизированная разработка ремонтной документации для распределителя шихты доменной печи в условиях ЗАО 'Донецксталь'
МИНИСТЕРСТВО
ОБРАЗОВАНИЯ И НАУКИ,
МОЛОДЕЖИ
И СПОРТА УКРАИНЫ
ГВУЗ
«ДОНЕЦКИЙ НАЦИОНАЛЬНЫЙ ТЕХНИЧЕСКИЙ УНИВЕРСИТЕТ»
Факультет
инженерной механики и машиностроения
Кафедра
«Механическое оборудование заводов черной металлургии»
КУРСОВАЯ
РАБОТА
по дисциплине:
«Менеджмент в ремонтном производстве»
на тему:
«АВТОМАТИЗИРОВАННАЯ РАЗРАБОТКА РЕМОНТНОЙ ДОКУМЕНТАЦИИ ДЛЯ РАСПРЕДЕЛИТЕЛЯ ШИХТЫ
ДОМЕННОЙ ПЕЧИ В УСЛОВИЯХ ЗАО «ДОНЕЦКСТАЛЬ» - МЗ»»
Выполнил:
ст. гр. МЕХ-08б Нестеренко Д.Е.
Проверил:
к.т.н., проф. кафедры МОЗЧМ Ченцов Н.А.
Донецк
- 2012 г.
РЕФЕРАТ
Курсовая работа содержит: 24 страниц, 3 рисунка,
7 источников, 1 таблицу, 13 приложений.
Объект исследования - автоматизированная
разработка ремонтной документации для распределителя
шихты.
Цель исследования - формирование графиков
текущих и капитальных ремонтов машин участке доменного цеха; формальное
представление распределителя шихты;
получение навыков разработки ремонтной документации в среде автоматизированного
рабочего места CMMS (Computerized Maintenance Management System).
Методы исследования - разработка кинематической
схемы распределителя шихты;
разработка графиков капитальных и текущих ремонтов; разработка классификатора
машины, разработка статической части образа оборудования, формирование дерева
элементов машины. Разработка дерева оборудования и ремонтной документации в
среде автоматизированного рабочего места.
В курсовой работе представлены: комплекс
оборудования, включающий описание доменного цеха, характеристику литейного
двора; описание элементов и принципа действия машины; таблица периодичности и
прочих данных о ремонте машины; графики ремонтов; классификатор машины,
статическая часть образа оборудования, дерево элементов машины; дерева
оборудования и ремонтной документация, разработанная в среде
автоматизированного рабочего места.
РЕМОНТНА СЛУЖБА, РАСПРЕДЕЛИТЕЛЬ ШИХТЫ,
КЛАССИФИКАТОР, ДЕРЕВО ЭЛЕМЕНТОВ, РЕМОНТНАЯ ДОКУМЕНТАЦИЯ, ГРАФИК РЕМОНТОВ,
АВТОМАТИЗИРОВАННОЕ РАБОЧЕЕ МЕСТО
СОДЕРЖАНИЕ
ВВЕДЕНИЕ
. ХАРАКТЕРИСТИКА ОБЪЕКТА
РЕМОНТА
2. ГРАФИКИ РЕМОНТА И ФОРМАЛЬНОЕ
ПРЕДСТАВЛЕНИЕ МАШИНЫ
2.1 Титул капитальных ремонтов
машин на участке
2.2 Годовой график текущих
ремонтов машин на участке
2.3 Месячный график ремонтов
машин на участке
2.4 Классификатор машины
.5 Статическая часть образа
оборудования машины
.6 Дерево оборудования машины
3. МЕСТО АВТОМАТИЗИРОВАННОЙ
РАЗРАБОТКИ РЕМОНТНОЙ ДОКУМЕНТАЦИИ
4. ФОРМИРОВАНИЕ ОБРАЗА
ОБОРУДОВАНИЯ
. ФОРМИРОВАНИЕ РАЗМЕТКИ
РЕМОНТА
. ФОРМИРОВАНИЕ РЕМОНТНОЙ
ДОКУМЕНТАЦИИ
ЗАКЛЮЧЕНИЕ
ПЕРЕЧЕНЬ ССЫЛОК
ПРИЛОЖЕНИЕ А
ПРИЛОЖЕНИЕ Б
ПРИЛОЖЕНИЕ В
ПРИЛОЖЕНИЕ Г
ПРИЛОЖЕНИЕ Д
ПРИЛОЖЕНИЕ Е
ПРИЛОЖЕНИЕ Ж
ПРИЛОЖЕНИЕ З
ПРИЛОЖЕНИЕ И
ПРИЛОЖЕНИЕ К
ПРИЛОЖЕНИЕ Л
ПРИЛОЖЕНИЕ М
ПРИЛОЖЕНИЕ Н
ПРИЛОЖЕНИЕ О
ВВЕДЕНИЕ
Любой технологический производственный процесс
реализуется технологическим персоналом путём использования агрегатов и
оборудования с учетом состояния внешней среды. Побочным результатом
технологического процесса является изменение (ухудшение) технического состояния
оборудования и снижение его надёжности (вероятности безотказной работы - ВБР).
В конечном счете, это приводит к потере работоспособности оборудования, его
отказа и остановки технологического процесса. Поэтому нельзя недооценивать
важности задач мониторинга ТС деталей и узлов машин, а также отлаженной работы
ремонтной службы (РС), на плечи которой непосредственно ложатся задачи
обеспечения восстановления работоспособного состояния оборудования путем
выполнения его ремонтов.
Высокие показатели работы в данной сфере
возможны лишь при правильной организации, управлении и автоматизации РС, что в
свою очередь требует создание ремонтной документации с использованием
вычислительной техники на базе анализа, отслеживания многих факторов и
закономерностей, влияющих на изменение ТС элементов технологической системы.
Особенностью деятельности РС является то, что факторы, влияющие на изменение ТС
детали, носят стохастический характер.
Одним из главных и предопределяющим понятием
является такое понятие, как стратегия ремонтов, включающее в себя комплекс
задач РС, решаемых в рамках организации и подготовки ремонтов, потому что
принятая стратегия определяет подходы прогнозирования срока отказа элемента
оборудования и его ремонта, планирование и обеспечение ресурсами, необходимыми
для его выполнения. Именно с этими целями создаются экспертные прогнозные
модели, таблицы периодичности данных о ремонте машин, формируются оптимальные
годовые графики текущих ремонтов, разрабатываются классификаторы машин,
формируется дерево ее элементов и. Квалифицированное решение всех
вышеупомянутых задач - является залогом успехом деятельности РС.
. ХАРАКТЕРИСТИКА ОБЪЕКТА РЕМОНТА
Доменное производство -
производство чугуна восстановительной плавкой железной руды или окускованных
железорудных материалов в доменных печах, первое основное звено в общем
производственном цикле черной металлургии.
Современный доменный цех
включает в себя несколько печей, отделение
приемных бункеров (бункерную эстакаду), систему подачи шихты к загрузочному устройству печи (скиповую яму и
подъемник с машинным зданием либо наклонный ленточный конвейер), литейный двор, воздухонагреватели с
воздухопроводами, систему
газоочистки, отделение разливки чугуна, склад холодного
чугуна, системы придоменной грануляции шлака, а также отделения приготовления огнеупорных масс и ремонта чугуновозных ковшей и воздуходувную станцию.
Вращающийся распределитель шихты
Распределитель шихты (Рис. 1) предназначен для
равномерного распределения шихтовых материалов по окружности большого конуса
засыпного аппарата. Одновременно выполняет роль газотсекающего устройства.
Конус 1 жестко подвешивается на пустотелой
штанге - стальной цельнокатаной трубе, соединенной через вращающуюся муфту и
подвески с балансирами малого конуса.
Вращающаяся муфта имеет роликовый подшипник 7,
при помощи которого штанга вращается вместе с малым конусом. Для предохранения
от износа штанга защищается кольцами из марганцовистой стали. Контактные
поверхности малого конуса и его воронки для герметичности пришлифовываются.
Воронка малого конуса доменной печи 2 изготовляется из стального литья часто в
разъемном исполнении. Ее объем рассчитан на размещение двух скипов материалов.
Для увеличения объема воронки делают сварную надставку 9, которую закрепляют в
стальном литом корпусе 3. Зубчатый венец 10, соединенный с корпусом, передает
ей вращение. Опирается распределитель шихты на опорные и контропорные
конические ролики 4 и центрируется роликами 5.
Рисунок 1 - Кинематическая схема вращающегося
распределителя шихты
Между вращающимися деталями корпуса
распределителя и газовым затвором засыпного аппарата делают уплотнение 11 для
предотвращения выхода газа с пылью, находящегося в межконусном пространстве под
давлением 196 кПа и более. Уплотнение 6 предусмотрено также между штангами
большого и малого 8 конусов.
Рисунок 2 - Привод вращающегося распределителя
шихты (ВРШ)
Привод распределителя (Рис. 2) состоит из
двигателя 6 и редуктора 5, установленных на площадке, закрепленной на
конструкциях колошникового устройства. Угловой редуктор 3 крепится на
кронштейне к фланцу газового затвора. На его вал насажена шестерня 1, входящая
в зацепление с зубчатым венцом 2 воронки распределителя шихты. Угловой редуктор
вращается валом 4 с шарнирами, допускающими перекос. С валом редуктора связан сельсин
7, контролирующий углы поворота и командоаппарат 8.
В таблице 1 приведены данные о текущих и
капитальных ремонтах машин на участке доменного цеха, взятые из «Временного
положения…». [4. c 200-219]
Таблица 1 - Данные о текущих и капитальных
ремонтах машин
|
№
|
Текущие
ремонты машин
|
Капитальные
ремонты
|
|
|
Т1
|
Т2
|
|
|
|
Перио-дич-ность,
сут
|
Про-дол-жи-тель-ность,
ч
|
Трудо-емкость,
чел·час
|
Перио-дич-ность,
сут
|
Про-дол-жи-тель-ность,
ч
|
Трудо-емкость,
чел·час
|
Перио-дич-ность,
лет
|
Про-дол-жи-тель-ность,
ч
|
Трудо-емкость,
чел·час
|
|
1
|
Трансфер-кар
коксовый
|
30
|
8
|
18
|
180
|
16
|
48
|
4
|
120
|
750
|
|
2
|
Воронка-
весы
|
30
|
8
|
28
|
90
|
16
|
64
|
5
|
72
|
625
|
|
3
|
Распреде-литель
шихты
|
90
|
8
|
30
|
180
|
16
|
72
|
3
|
72
|
750
|
|
4
|
Засыпной
аппарат
|
60
|
8
|
26
|
180
|
16
|
54
|
3
|
48
|
800
|
|
5
|
Скиповый
подъемник
|
90
|
8
|
32
|
360
|
16
|
68
|
15
|
240
|
1250
|
. ГРАФИКИ РЕМОНТА И ФОРМАЛЬНОЕ ПРЕДСТАВЛЕНИЕ
МАШИНЫ
2.1 Титул капитальных
ремонтов машин на участке
На этапе планирования капитальных ремонтов в
РСЦ, в ноябре месяце текущего года на последующий, разрабатывается годовой
график капитальных ремонтов (титул).
Разработанный титульный список капитальных
ремонтов утверждается главным механиком и техническим директором предприятия. В
течении года он является основанием для определения сроков и стоимости
капитальных ремонтов.
На основании таблицы 1 разрабатываем титульный
список капитальных ремонтов машин участка доменного цеха. Титульный список
капитальных ремонтов приведен в приложении А.
2.2 Годовой график
текущих ремонтов машин на участке
В рамках текущих ремонтов выполняется
восстановление технического состояния элементов оборудования. Такие ремонты
имеют периодичность от одной недели и более. Объем одного текущего ремонта на
один, два порядка меньше объема капитального ремонта.
Планирования текущих ремонтов выполняется
ремонтной службой цеха в ноябре месяце текущего года, на последующий. Он
включает разработку годового графика текущих ремонтов (ГГТР).
ГГТР содержит укрупненные данные по каждому
ремонтов выполняемых в течение года. Он детализирован по машинам и
характеризуется продолжительность, периодичность и трудоемкость их текущих
ремонтов.
На основании таблицы 1 разрабатываем годовой
график текущих ремонтов машин участка доменного цеха. На текущий ремонты в
месяц запланированно 32 часа. ГГТР приведен в приложении Б.
Оцениваем качество графика с помощью
коэффициента равномерности годового графика текущих ремонтов:
где
максимальная
и минимальная трудоемкость ремонтов, из годового графика текущих ремонтов,
2.3 Месячный график
ремонтов машин на участке
На следующем этапе планирования текущих ремонтов,
после формирования ГГТР, формируется месячный график ремонтов. На графике по
каждой машине, ремонт которой планируется в текущем месяце, указывается: в
числителе - время остановки машины на ремонт, в знаменателе - продолжительность
ремонта.
Месячный график включает все машины ГГТР
вошедшие в ремонты планируемого месяца. Кроме машин ГГТР, в месячный график
включают машины, выведенные из технологического процесса, по которым
выполняется капитальный ремонт. Месячные графики, как правило, разрабатывают мастера
участков в рамках выделенных лимитов трудоемкости ремонтных воздействий на
планируемый день.
На основании ГГТР , таблицы 1 и титула
капитальных ремонтов разрабатываем месячный график ремонтов машин участка
доменного цеха на октябрь. В первой и во второй полоыине месяца выделяется по
16 часов на текушие ремонты. В первой половине октября проводятся текущие
ремонты трансферкара коксового и скипового подъемника. Во второй моловине
месяца проводится текущий ремонт воронки-весы. Также с начала октября в капитальный
ремонт выводится распределитель шихты. Капитальный ремонт будет проводится с
начала месяца, в те дни, на которые не запланированны текущие ремонты. Месячный
график ремонтов приведен в приложении В.
2.4 Классификатор
машины
Классификатор предназначен для построения
идентификатора элемента оборудования при описании ремонтных воздействий, заказе
запасных частей, выдаче заданий на ремонтные воздействия и т.д.
Классификатор строим на основании чертежей,
спецификаций распределителя шихты.
Классификатор приведен в приложении Г.
2.5 Статическая часть
образа оборудования машины
Статическая часть, образа оборудования может
рассматриваться как совокупностью записей, каждая из которых соответствует
одному элементу оборудования (машине, узлу, детали...). Все записи статической
части имеют одинаковую структуру и размер. Формальное представление записи
имеет следующий вид и включает поля:
= M#U#D#E#NAME#PIC#POZ#SB#MAS#SUB#ST##;
где M#U#D#E - составляют идентификатор записи
элемента оборудования (М - код машины; U - код узла, D - код детали, Е - код
метиза);- наименование элемента обоpудования;- номер чертежа;- позиция элемента
на сборочном чертеже;- номер сборочного чертежа;- масса элемента оборудования;-
материал, из которого он изготовлен;- стандартное обозначение, например ГОСТ на
подшипник.
Значения полей M,U,D,E берутся из классификатора
элементов оборудования в соответствии с оговоренными правилами. Прочие данные
берутся с чертежа элемента оборудования.
На основании классификатора разрабатываем
статическую часть образа оборудования распределителя
шихты. Статическая часть образа оборудования приведена в приложении Д.
2.6 Дерево оборудования
машины
Образ оборудования - содержит данные об
оборудовании, представленные в виде, удобном для решения задач ремонтной
службы. Формируется на основании комплексного анализа исходных данных. Основным
источником таких данных является - план цех, ГГТР, ремонтная ведомость,
ведомость дефектов, архив чертежей. Образ оборудования отражает различные его
стороны: техническую, экономическую, наличие ресурса, подготовку к ремонтам и
т.д.
Структурно образ оборудования состоит из
статической и динамической частей. Статическая часть включает данные, которые с
течением времени практически не изменяется, например, наименование детали,
инвентарный номер машины. Динамическая часть включает данные, которые
изменяются в процессе эксплуатации оборудования, например, техническое
состояние детали, балансовая стоимость машины.
На основании разработанного классификатора
формируем дерево элементов распределителя шихты. Дерево элементов приведено в
приложении Е.
. МЕСТО АВТОМАТИЗИРОВАННОЙ РАЗРАБОТКИ РЕМОНТНОЙ
ДОКУМЕНТАЦИИ
Система автоматизации ремонтной службы цеха
(CMMS) в первую очередь позволяет эффективно решать задачи ремонтной службы,
такая система предполагает ведение электронной базы знаний ремонтной службы,
автоматизацию формирования ремонтной документации, планирования ремонтов,
управление логистикой.
В настоящее время, когда практически полностью
исчерпаны возможности повышения эффективности действующего производства путем
оптимизации технологических процессов, все больше внимания уделяется повышению
эффективности ремонтной службы (РС). Это обусловлено тем, что доля РС в
себестоимости продукции в целом по промышленности составляет (5..24)%, в том
числе в металлургии порядка 14%.
Одним из путей повышения эффективности РС
является автоматизация ее организационной деятельности. Это направление
используется как за рубежом, так и в станах СНГ.
В настоящее время результатом полной автоматизации
РС является построение EAM (Enterprise Asset Management)-системы.
Содержательный перевод этого понятия - система управления основными фондами
предприятия. Такая система позволяет сократить простои оборудования, затраты на
техобслуживание, ремонты и материально-техническое снабжение.
Построение ЕАМ системы в условиях
металлургического предприятия требует уточнения перечня задач, что определяется
спецификой ее содержания. При этом необходимо учесть следующее:
значительную часть запасных частей РС изготавливает
собственными силами (характерно для крупных заводов);
часть функций ЕАМ возлагается на общезаводские
службы находящиеся за пределами РС (отдел снабжения, отдел кадров,
бухгалтерия…);
структура и перечень решаемых задач зависят от
масштаба предприятия (металлургический комбинат, мини металлургический завод).
Важным элементом РС предприятия являются ее
подразделения, размещенные в производственных цехах и их участках: станах,
машинах непрерывного литья заготовок и т.п. Такой элемент, в соответствии с понятиями
ЕАМ, является СММS (Computerized Maintenance Management Systems). Он
предназначен для сокращения затрат на обслуживание оборудования и повышение
производительности (коэффициента готовности). В рамках CMMS решаются следующие
задачи:
ведение образа оборудования;
планирование ремонтных воздействий;
прогнозирование отказов;
формирование ремонтной документации, необходимой
для подготовки ремонта;
заказ запчастей (ТМЦ) в цехах главного механика;
заказ ТМЦ через заводские подразделение (отдел
снабжения, отдел оборудования, др.);
складской учет ТМЦ;
история ремонтов (агрегатный журнал);
анализ работы ремонтной службы.
. ОБРАЗ ОБОРУДОВАНИЯ
Программная реализация дерева оборудования
Программная реализация дерева оборудования
обеспечивает его представление на экране и предоставляет средства модификации
структуры дерева и корректировку характеристик элементов. Визуальное
представление программной реализации имеет ряд компонент представленных на
экранной форме.
Окно данных - обеспечивает визуализацию
элементов оборудования в виде дерева. Ветви дерева оборудования могут
сворачиваться. Записи элемента имеют дерева два вида полей. Уникальные поля
элемента включают «Наименование»; «№ чертежа»; «Позиция»; «Масса одной». Их
значения вводятся непосредственно с клавиатуры. Типовые поля элемента включают
«ЕИ»; «Материал»; «ГОСТ». Их значения выбираются из справочников.
Инструментальная панель - представлена группами
кнопок. При нажатии кнопки автоматически решается некоторая задача.
Прототип элемента оборудования
На дереве оборудования очень широко используются
подобные элементы. Для снижения трудоемкости описания подобных элементов и
обеспечения их однозначности используются прототипы. Прототип элемента
оборудования - виртуальное понятие, включающее не изменяемые поля статической
части образа элемента оборудования. Одному прототипу может соответствовать
несколько одинаковых элементов оборудования в цехе. Данные о всех прототипах по
элементам оборудования составляют справочник прототипов
Использование прототипа элемента оборудования
обеспечивает одноразовый ввод и корректировку данных по однотипным элементам
оборудования. Прототип содержит те же поля, что и статическая часть образа
оборудования за исключением идентификатора элемента оборудования. Это поля:
«наименование»; «№Черт» - номер чертежа; «Поз» - позиция элемента оборудования,
«Масс 1й» - масса одного элемента оборудования в кг; «Еи» - единица измерения;
«Материал» - обозначение материала из которого изготовлен элемент; «ГОСТ» номер
стандарта на материал указанный в поле «Материал» или покупное изделие.
На основании чертежей, спецификаций и
классификатора в среде автоматизированного рабочего места разрабатываем образ
оборудования распределителя шихты.
Образ оборудования и справочник прототипов распределителя шихты приведены в
приложениях Ж, З, И.
. ФОРМИРОВАНИЕ РАЗМЕТКИ РЕМОНТА
капитальный ремонт распределитель
шихта
Подготовка ремонта требует разработки большого
количества различной документации (ремонтной документации). Эта документация
формируется на основе требований мастеров к содержанию ремонта, с
использованием данных об оборудовании цеха из его образа. Автоматизированная
разработка ремонтной документации выполняется в среде модуля «Ремонтная
документация». Результатом решения задач модуля являются формальное представление
данных необходимых для разработки ремонтных документов: ведомость дефектов на
капитальный ремонт; ремонтная ведомость на текущий ремонт; линейный график
ремонта; перечень заказов на запчасти; перечень запчастей; перечень материалов
и др.
Предметная область
В среде модуля реализуются следующие бизнес
процесс разметки ремонта и формирования ремонтной документации (разрабатывается
на стадии подготовки ремонта). Бизнес процессы, реализуемые в среде модуля, их
взаимосвязи между собой и с бизнес процессами других модулей могут быть
представлены в виде схемы приведенной на рисунке 3.
Рисунок 3 - Бизнес процесс разработки ремонтной
документации
При решении задач модуля используются данные
формируемые в других модулях системы:
) НСИ - перечень ремонтных работ, ТМЦ и бригад.
) Образ оборудования - данные об элементах
оборудования (прототипы).
) Годовой график текущих ремонтов - перечень
машин и сроков их ремонта.
Перечень ремонтов
Данные о разметках ремонтов выводятся на вкладку
включающую: окно данных, инструментальную панель для создания и редактирования
данных о ремонтах и средство для создания дерева разметок. Окно данных
обеспечивает вывод перечня ремонтов в виде таблицы или дерева, структуру
которого определяет пользователь.
Перечень ремонтов приведен в приложении Л.
Разметка ремонта
Разметка ремонта содержит весь комплекс данных
необходимых для формирования любого ремонтного документа. Ее можно
рассматривать как развернутый план ремонта. Разметка ремонта содержит все
данные о его содержании необходимые для разработки ремонтной документации.
Данные разметки представлены в виде дерева с уровнями: машина, узел, рем. работа
и ТМЦ. Окно данных обеспечивает вывод разметки в виде 5ти уровневого дерева
По ремонтной работе указываются: наименование,
время начала и продолжительность; объем и единица измерения; характеристика
ремонтной бригады. Инструментальная панель включает сервисные кнопки не
связанные с созданием новых записей в разметке.
Создание записей в разметке выполняется на
основе справочников: перечня машин цеха и рем. работ по машинам; перечня рем.
бригад и ТМЦ. Из справочника необходимая запись копируется в разметку с
нормативными значениями. Корректировка записей в разметке позволяет
пользователю изменить содержание их полей в соответствии с запланированными
значениями.
После окончания разметки пользователь выполняет
генерацию любого документа из предложенного перечня. Этот документ может быть
напечатан на бумаге либо сохранен в виде файла заданного формата.
Сформированная разметка ремонта и справочник
ремонтных работ распределителя шихты
приведены в приложениях К, М.
. ФОРМИРОВАНИЕ РЕМОНТНОЙ ДОКУМЕНТАЦИИ
Совокупность исходных данных необходимых для
формирования любого ремонтного документа, представлено в разметке ремонта.
Содержание необходимого документа генерируется
автоматически на основе данных разметки. Виды документов можно разделить на
планы ремонта: ведомость дефектов и ремонтная ведомость; и заявки ресурсов на
запчасти, материалы, ремонтные бригады. Планы ремонта включают все записи
разметки, однако в ведомости дефектов не указывается характеристика ремонтных
бригад, а в ремонтной ведомости материальные ресурсы. Заявки ресурсов
предполагают использование части записей разметки, предполагается сворачивание
данных путем суммирования объемов одинаковых ресурсов.
Сгенерированные, на основе разметки ремонта распределителя шихты, ведомость дефектов и
ремонтная ведомость приведены в приложениях Н, О.
ЗАКЛЮЧЕНИЕ
Подготовка ремонта требует разработки большого
количества различной документации.
При ручном подходе к формированию ремонтной
документации ведомость дефектов и ремонтная ведомость используются как источник
данных для разработки документов. Эти рутинные операции по переносу данных из
одних документов в другие занимают длительное время.
Последовательность автоматизированной разработки
ремонтной документации изложена ниже.
Нормативно справочная информация формируется
один раз, и периодически обновляется, например, при изменении стандартов.
Образ оборудования формируется один раз, а
корректируется лишь при реконструкции или модернизации, содержит данные об
оборудовании необходимые для решения задач ремонтной службы. По каждому узлу на
дереве оборудования формируется набор типовых работ и ресурсов, необходимых для
ее выполнения.
Разметка ремонта выполняется по прогнозным
срокам отказа элементов и включает всю совокупность данных необходимых для
формирования ремонтной документации. Разметка ремонта выполняется на основе
фрагмента дерева оборудования до уровня узлов подлежащих ремонту.
Формирование ремонтной документации выполняется
на основе разметки ремонта с учетом данных о складских запасах.
История ремонтов формируется на основе разметок
ремонтов с отметками о выполненных работах и содержит данные о всех выполненных
ремонтах. Эти данные используются при формировании следующих разметок ремонтов
и для прогнозирования сроков отказов.
Исходя из выше приведенного следует, что
автоматизированная разработка ремонтной документации позволяет повысить
производительность труда, уменьшить число ошибок и рутинных операций.
ПЕРЕЧЕНЬ ССЫЛОК
1. Целиков
А.И. Машины и агрегаты металлургических заводов. Том 1 Машины и агрегаты
доменных цехов. - М.: Металлургия, 1987. - 440 с.
2. Методические
указания к курсовой работе «Автоматизированная разработка ремонтной
документации». Донецкий национальный технический университет.- Донецк 2011: -11
стр.
. Ченцов
Н.А. Организация, управление и автоматизация ремонтной службы: Учебник Донецкий
национальный технический университет.- Донецк: Норд-Пресс -УНИТЕХ, 2007.-258с.
. Временное
положение о техническом обслуживании и ремонтах механического оборудования
металлургических заводов: Харьков 1982: 389стр
. HELP
по модулю «Образ оборудования», Донецк: 2011.-18 стр.
. HELP
по модулю «Ремонтная документация», Донецк: 2011.-24 стр.
. #"663418.files/image008.gif">
|
|
|
|
|
|
|
|
|
|
|
|
|
|
|
|
|
|
|
|
|
|
|
|
2
|
|
|
|
|
|
|
|
|
|
|
|
|
|
|
|
|
|
|
|
|
|
|
|
|
|
3
|
|
|
|
|
|
|
|
|
|
|
|
|
|
|
|
|
|
|
|
|
|
|
|
|
|
4
|
|
|
|
|
|
|
|
|
|
|
|
|
|
|
|
|
|
|
|
|
|
|
|
|
|
5
|
|
|
|
|
|
|
|
|
|
|
|
|

|
|
|
|
|
|
|
|
608
|
224
|
1296
|
1024
|
1008
|
224
|
1232
|
224
|
592
|
1024
|
768
|
224
|
608
|
224
|
1296
|
1024
|
1008
|
224
|
400
|
224
|
592
|
1024
|
768
|
224
|
ПРИЛОЖЕНИЕ В
График ремонтов на октябрь месяц
|
№
|
Машина
|
День
месяца
|
|
|
1
|
2
|
3
|
4
|
5
|
…
|
10
|
11
|
12
|
…
|
28
|
29
|
30
|
31
|
|
1
|
Трансферкар
коксовый
|
|
|
|
|
|
|
|
|
|
|
|
|
|
|
|
2
|
Воронка-весы
|
|
|
|
|
|
|
|
|
|
|
|
|
|
|
|
3
|
Распределитель
шихты
|
|
|
|
|
|
|
|
|
|
|
|
|
|
|
|
4
|
Засыпной
аппарат
|
|
|
|
|
|
|
|
|
|
|
|
|
|
|
|
5
|
Скиповый
подъемник
|
|
|
|
|
|
|
|
|
|
|
|
|
|
|
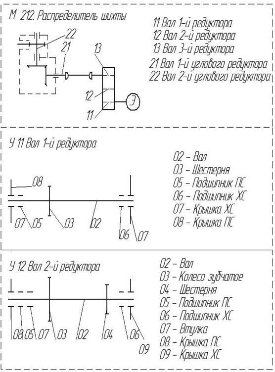
ПРИЛОЖЕНИЕ Г
Классификатор распределителя
шихты
ПРИЛОЖЕНИЕ Д
Статическая часть образа оборудования распределителя шихты
206#00#00#00#Распределитель шихты#_
#_#ВРШ.00.00.000#420,2#_#_##
#11#00#00#1-й вал редуктора#ВРШ.01.01.000#01#ВРШ.01.00.000#
51,9#_#_##
#11#02#00#Вал#ВРШ.01.01.002#02#ВРШ.01.01.000#28#Ст.40Х#ГОСТ
8510-86##
#11#05#00#Подшипник
311#_#17#ВРШ.01.01.000#1,35#_#ГОСТ 8338-75##
#11#06#00#Подшипник
311#_#17#ВРШ.01.01.000#1,35#_#ГОСТ 8338-75##
#11#07#00#Крышка#ВРШ.01.01.011#11#ВРШ.01.01.000#3,6#Ст.20Х#
ГОСТ 8281-80##
#11#08#00#Крышка#ВРШ.01.01.011#11#ВРШ.01.01.000#3,6#Ст.20Х#
ГОСТ 8281-80##
#12#00#00#2-й вал редуктора#ВРШ.01.02.000#02#ВРШ.01.00.000#
90,4#_#_##
#12#02#00#Вал#ВРШ.01.02.003#03#ВРШ.01.02.000#34#Ст.40Х#ГОСТ
8510-86##
#12#03#00#Колесо
зубчатое#ВРШ.01.02.008#08#ВРШ.01.02.000#26 #Ст.45#ГОСТ 10702-78##
#12#04#00#Шестерня#ВРШ.01.02.015#15#ВРШ.01.02.000#18#Ст.45#
ГОСТ 10702-78##
#12#05#00#Подшипник
312#_#18#ВРШ.01.02.000#1,7#_#ГОСТ 8338-75##
#12#06#00#Подшипник
312#_#18#ВРШ.01.02.000#1,7#_#ГОСТ 8338-75##
#12#07#00#Втулка#ВРШ.01.02.005#05#ВРШ.01.02.000#0,8#Ст.20Х#
ГОСТ 8281-80##
#12#08#00#Крышка#ВРШ.01.02.011#11#ВРШ.01.02.000#4,1#Ст.20Х#
ГОСТ 8281-80##
#12#09#00#Крышка#ВРШ.01.02.011#11#ВРШ.01.02.000#4,1#Ст.20Х#
ГОСТ 8281-80##
#13#00#00#3-й вал
редуктора#ВРШ.01.03.000#03#ВРШ.01.00.000# 87,1#_#_##
#13#02#00#Вал#ВРШ.01.03.004#04#ВРШ.01.03.000#42#Ст.40Х#ГОСТ
8510-86##
#13#03#00#Колесо зубчатое#ВРШ.01.03.009#09#ВРШ.01.03.000#30
#Ст.45#ГОСТ 10702-78##
#13#05#00#Подшипник
314#_#19#ВРШ.01.03.000#2,6#_#ГОСТ 8338-75##
#13#06#00#Подшипник
314#_#19#ВРШ.01.03.000#2,6#_#ГОСТ 8338-75##
#13#07#00#Втулка#ВРШ.01.03.006#06#ВРШ.01.03.000#1,1#Ст.20Х#
ГОСТ 8281-80##
#13#08#00#Крышка#ВРШ.01.03.012#12#ВРШ.01.03.000#4,4#Ст.20Х#
ГОСТ 8281-80##
#13#09#00#Крышка#ВРШ.01.03.012#12#ВРШ.01.03.000#4,4#Ст.20Х#
ГОСТ 8281-80##
#21#00#00#1-й вал углового
редуктора#ВРШ.02.01.000#01#ВРШ.02.00.000# 72#_#_##
#21#02#00#Вал#ВРШ.02.01.002#02#ВРШ.02.01.000#40#Ст.40Х#ГОСТ
8510-86##
#21#03#00#Шестерня#ВРШ.02.01.014#14#ВРШ.02.01.000#17#Ст.45#
ГОСТ 10702-78##
#21#05#00#Подшипник
315#_#17#ВРШ.02.01.000#3,1#_#ГОСТ 8338-75##
#21#06#00#Подшипник
315#_#17#ВРШ.02.01.000#3,1#_#ГОСТ 8338-75##
#21#07#00#Крышка#ВРШ.02.01.011#11#ВРШ.02.01.000#4,4#Ст.20Х#
ГОСТ 8281-80##
#21#08#00#Крышка#ВРШ.02.01.011#11#ВРШ.02.01.000#4,4#Ст.20Х#
ГОСТ 8281-80##
#22#00#00#2-й вал углового
редуктора#ВРШ.02.02.000#02#ВРШ.02.00.000# 118,8#_#_##
#22#02#00#Вал#ВРШ.02.02.003#03#ВРШ.02.02.000#46#Ст.40Х#ГОСТ
8510-86##
#22#03#00#Колесо
зубчатое#ВРШ.01.02.008#08#ВРШ.02.02.000#32 #Ст.45#ГОСТ 10702-78##
#22#04#00#Шестерня#ВРШ.02.02.015#15#ВРШ.02.02.000#24#Ст.45#
ГОСТ 10702-78##
#22#05#00#Подшипник
316#_#18#ВРШ.02.02.000#3,6#_#ГОСТ 8338-75##
#22#06#00#Подшипник
316#_#18#ВРШ.02.02.000#3,6#_#ГОСТ 8338-75##
#22#07#00#Крышка#ВРШ.02.02.011#11#ВРШ.02.02.000#4,8#Ст.20Х#
ГОСТ 8281-80##
#22#08#00#Крышка#ВРШ.02.02.011#11#ВРШ.02.02.000#4,8#Ст.20Х#
ГОСТ 8281-80##
ПРИЛОЖЕНИЕ Е
Дерево элементов распределителя шихты
ПРИЛОЖЕНИЕ Ж
Образ оборудования распределителя шихты
ПРИЛОЖЕНИЕ З
Образ с одинаковыми прототипами - Подшипник
ПРИЛОЖЕНИЕ И
Справочник прототипов
ПРИЛОЖЕНИЕ К
Справочник ремонтных работ
ПРИЛОЖЕНИЕ Л
Перечень разметок ремонтов
ПРИЛОЖЕНИЕ М
Разметка ремонта
ПРИЛОЖЕНИЕ Н
Ведомость дефектов
ПРИЛОЖЕНИЕ О
Ремонтная ведомость