Разработка и конструирование пассивной акустической системы контроля дыхательной системы человека
Введение
Невозможно представить современную медицину без
использования достижений научно-технического прогресса. Диагностика и лечение
сложных заболеваний без соответствующего инструментария, то есть голыми руками,
не окажет необходимого эффекта, а возможно и навредит. Это естественно, потому
что для выявления какой-либо патологии зачастую необходимо глубокое
исследование больного и анализ полученных данных от различных методов
диагностирования. Наряду с методикой и инструментами изучения человеческого организма
весьма важна и профессиональная подготовка медперсонала. Главная врачебная
заповедь: «Не навреди». Приборы и системы, позволяющие диагностировать
заболевания, существенно уменьшают вероятность врачебной ошибки.
Квалифицированный медработник на сегодняшний день обязан владеть не только
средними познаниями в общей медицине и глубоким профессионализмом в сфере его
врачебной деятельности, но так же должен быть ознакомлен с современными
медицинскими методиками, приборами и системами. Это усложняет профессиональную
подготовку медработников, зачастую это приводит к недостатку квалифицированных
кадров, либо к присутствию на местах недостаточно подготовленных и знающих
людей.
Современные методы диагностики, такие, как
компьютерная томография, флюорография, рентген, видеоскопия, ультразвуковые
исследования подразумевают вмешательство в механику физиологических процессов
организма. То есть имеется ввиду, что все эти методы активные и могут так или
иначе нарушить, ослабить или повредить и без того не здоровые ткани внутренних
и внешних органов. Кроме того оказать негативное влияние на организм
медработника, часто сталкивающимся с тем или иным вредным воздействием. Среди
пассивных методов можно выделить прослушивание стетоскопом или фонендоскопом и
электрокардиограмму. У всех этих методов наряду с их преимуществами есть и
недостатки. Приборы нового поколения, основанные на старых методиках
исследований, должны унаследовать преимущества своих предшественников, а так же
входе эволюционного отбора утерять их недостатки.
При проведении контроля над испытуемым, а
испытывать могут человека любого рода и сферы деятельности, важным фактором
является точный сбор информации о душевном и физическом состоянии объекта.
Например для разработки и построения более эффективных программ тренировок,
учитывающих не только специфику конкретного вида спорта, но так же учитывающих
индивидуальные способности каждого спортсмена. Сбор биометрических параметров
возможно проводить на рабочем месте, с целью глубоко исследования воздействия
на организм условий труда. Конечно при проведении любых исследований важна
высока достоверность результата, высока скорость проведения работ и простота
применения метода на практике.
Целью данного дипломного проекта является
разработка и конструирование пассивной акустической системы. Данная система
должна позволять в реальном времени осуществлять не только сбор биометрической
информации, а именно глубина и частота дыхания, но так же и диагностировать
некоторые заболевания дыхательной системы человека. Основной же задачей
является документация полученной в течение исследования информации.
1. Обзор существующих методик диагностики
заболеваний дыхательной системы человека
Все существующие методы диагностики можно
поделить по их главной особенности на два типа - это активные и пассивные
методы диагностики. Активные методы подразумевают оценку состояния больного по
сигналу, пришедшему от внутренних органов больного или прошедшему сквозь них,
причем сам сигнал предварительно генерируется источником. Характер источника
сигнала зависит от конкретного метода диагностики. В пассивных же методах
источником сигнала является сам очаг заболевания, генерирующий отличающийся от
шума здорового человека звук. В данной работе будут рассмотрены,
проанализированы и сравнены наиболее распространенные методы диагностики:
флюорография, компьютерная томография, магниторезонансная томография,
оптическое эхозондирование, бронхоскопия, ультразвуковые методы исследования,
электрокардиография.
.1 Активные методы диагностики
.1.1 Рентгенологические методы диагностики
К рентгенологическим методам относятся такие
методики, в основу которых заложен принцип просвета исследуемого материала
рентгеновским излучением. Получение изображения основано на ослаблении
рентгеновского излучения при его прохождении через различные ткани, с
последующей регистрацией его на рентгеночувствительную плёнку. Таким образом на
плёнке получается усредненное, суммационное изображение всех тканей. При
прохождении через исследуемый объект рентгеновское излучение затухает. Затухание
в среде дифференцируется в зависимости от характера среды, таким образом,
проекция содержит области различной интенсивности, что и является информативно
значимым сигналом. Флюорография (рентгенофотография, радиофотография) -
рентгенологическое исследование, заключающееся в фотографировании
флуоресцентного экрана, на который спроецировано рентгенологическое
изображение. Основы этого метода разработали сразу же после открытия
рентгеновских лучей учёные А. Баттелли и А. Карбассо (Италия) и Дж. М. Блейер
(США). Флюорографию применяют главным образом для исследования органов грудной
клетки, молочных желёз и костной системы. Разработаны как стационарные, так и
мобильные флюорографические аппараты. В настоящее время пленочная флюорография
постепенно заменяется цифровой. Цифровые методы позволяют упростить работу с
изображением (изображение может быть выведено на экран монитора или
распечатано, может быть передано по локальной сети сразу нескольким врачам и
т.п.), уменьшить лучевую нагрузку на пациента и уменьшить расходы на
дополнительные материалы (пленку, проявитель для пленки) [1]. Существует две
распространенные методики цифровой флюорографии. Первая методика, как и обычная
флюорография, использует фотографирование изображения на флуоресцентном экране,
только вместо фотокамеры используется ПЗС матрица. Вторая методика использует
послойное поперечное сканирование грудной клетки веерообразным пучком
рентгеновского излучения с детектированием прошедшего излучения линейным
детектором (аналогично обычному сканеру для бумажных документов, где линейный
детектор перемещается вдоль листа бумаги). Второй способ позволяет использовать
гораздо меньшие дозы излучения. Некоторый недостаток второго способа - большее
время получения изображения.
Компьютерная томография - в широком смысле,
синонимом термина томография (так как все современные томографические методы
реализуются с помощью компьютерной техники); в узком смысле (в котором
употребляется значительно чаще), синоним термина рентгеновская компьютерная
томография, так как именно этот метод положил начало современной томографии
[2].
Первые математические алгоритмы для КТ были
разработаны в 1917 г. австрийским математиком И. Радоном. Физической основой
метода является экспоненциальный закон ослабления излучения, который справедлив
для чисто поглощающих сред. В рентгеновском диапазоне излучения
экспоненциальный закон выполняется с высокой степенью точности, поэтому
разработанные математические алгоритмы были впервые применены именно для
рентгеновской компьютерной томографии. В 1963 г. американский физик А. Кормак
повторно (но отличным от Радона способом) решил задачу томографического
восстановления, а в 1969 году английский инженер-физик Г. Хаунсфилдом из фирмы
EMI Ltd. сконструировал «ЭМИ-сканер» (EMI-scanner) - первый компьютерный
рентгеновский томограф, чьи клинические испытания прошли в 1972 году. В 1979
году Кормак и Хаунсфилд «за разработку компьютерной томографии» были удостоены
Нобелевской премии по физиологии и медицине.
Современный компьютерный томограф представляет
собой сложный программно-технический комплекс. Механические узлы и детали
выполнены с высочайшей точностью. Для регистрации прошедшего через среду
рентгеновского излучения используются сверхчувствительные детекторы,
конструкция и материалы, применяемые при изготовлении которых постоянно
совершенствуются. При изготовлении КТ томографов предъявляются самые жесткие
требования к рентгеновским излучателям.
Неотъемлемой частью аппарата является обширный
пакет программного обеспечения, позволяющий проводить весь спектр
компьютерно-томографических исследований (КТ-исследований) с оптимальными
параметрами, проводить последующую обработку и анализ КТ-изображений. Как
правило, стандартный пакет программного обеспечения может быть значительно
расширен с помощью узкоспециализированных программ, учитывающих особенности
сферы применения каждого конкретного аппарата. Прогресс КТ томографов напрямую
связан с увеличением количества детекторов, то есть с увеличением числа
одновременно собираемых проекций. В первом поколении КТ томографов количество
детекторов равнялось 2, во втором - 30-50, в третьем - 300-500, в четвертом -
1000-5000. Во втором поколении была впервые применена веерная форма пучка
рентгеновского излучения. Каждое последующее поколение компьютерных томографов имело
существенно меньшее время реконструкции КТ-изображений и большую скорость
вращения рентгеновской трубки, что позволило ускорить и расширить сферы
диагностического применения КТ-исследований. Спиральная КТ используется в
клинической практике с 1988 года, когда компания Siemens Medical Systems
представила первый спиральный компьютерный томограф.
Рисунок 1.1 - Современная компьютерная
томография
Спиральное сканирование заключается в
одновременном выполнении двух действий: непрерывного вращения источника -
рентгеновской трубки, генерирующей излучение, вокруг тела пациента, и
непрерывного поступательного движения стола с пациентом вдоль продольной оси
сканирования z через апертуру гентри. В этом случае траектория движения
рентгеновской трубки, относительно оси z - направления движения стола с телом
пациента, примет форму спирали. В зависимости от конкретных задач исследования
и характера патологического процесса в легких врач-оператор может выбрать
толщину аксиальных срезов и направление томографирования, а также один из трех
режимов исследования [2].
а - непрерывная КТ, б - дискретная КТ, в -
прицельная КТ
Рисунок 1.2 - Схематическое изображение
различных режимов получения компьютерных томограмм.
Непрерывная КТ, когда последовательно получают
изображение всех без исключения срезов органа. Этот способ томографирования
дает возможность получить максимальную информацию о морфологических изменениях,
но отличается большой лучевой нагрузкой и стоимостью исследования, рисунок.
1.2, а.
Дискретная КТ с заданным относительно большим
интервалом между срезами, что существенно снижает лучевую нагрузку, но приводит
к потере части информации, согласно рисунку 1.2, б.
Прицельная КТ заключается в тщательном послойном
исследовании одного или нескольких интересующих врача участков органа, обычно в
области выявленного ранее патологического образования, как изображено на
рисунке 1.2, в.
В отличие от последовательной КТ скорость
движения стола с телом пациента может принимать произвольные значения,
определяемые целями исследования. Чем выше скорость движения стола, тем больше
протяженность области сканирования. Важно то, что скорость движения стола может
быть в 1,5-2 раза больше толщины томографического слоя без ухудшения
пространственного разрешения изображения. Мультиспиральная (мультисрезовая)
(МСКТ) была впервые представлена компанией Elscint Co. в 1992 году.
Принципиальное отличие МСКТ томографов от спиральных томографов предыдущих
поколений заключается в том, что по окружности гентри расположены не один, а
два и более ряда детекторов. Для того чтобы рентгеновское излучение могло
одновременно приниматься детекторами, расположенными на разных рядах, была
разработана новая - объёмная геометрическая форма пучка. В 1992 году появились
первые двухсрезовые (двухспиральные) МСКТ томографы с двумя рядами детекторов,
а в 1998 году - четырёхсрезовые (четырёхспиральные), с четырьмя рядами
детекторов соответственно. Кроме вышеотмеченных особенностей, было увеличено
количество оборотов рентгеновской трубки с одного до двух в секунду. Таким
образом, четырёхспиральные МСКТ томографы пятого поколения на сегодняшний день
в восемь раз быстрее, чем обычные спиральные КТ томографы четвертого поколения.
В 2004-2005 годах были представлены 32- и 64-срезовые МСКТ томографы, а сегодня
в некоторых американских и канадских больницах уже имеются 320-срезовые [1].
Рисунок 1.3 - Снимок мультиспиральной
компьютерной томограммы
Преимущества МСКТ перед обычной спиральной КТ:
¾ улучшение временного разрешения;
¾ улучшение пространственного
разрешения вдоль продольной оси z;
¾ увеличение скорости сканирования;
¾ улучшение контрастного разрешения;
¾ увеличение отношения сигнал/шум;
¾ эффективное использование
рентгеновской трубки;
¾ большая зона анатомического
покрытия;
¾ уменьшение лучевой нагрузки на
пациента.
Все эти факторы значительно повышают скорость и
информативность исследований внутренних органов.
В случае, когда распознавание затруднено, в
кровеносные сосуды вводят специальное контрастирующее йодсодержащее вещество.
Методики контрастного усиления позволяют
различать и определять характер опухолей (новообразований) на фоне окружающих
их мягких тканей в тех случаях, когда они не видны при обычном исследовании.
Улучшение временного разрешения достигается за
счёт уменьшения времени исследования и количества артефактов из-за
непроизвольного движения внутренних органов и пульсации крупных сосудов.
Улучшение пространственного разрешения вдоль
продольной оси z, связано с использованием тонких (1-1.5 мм) срезов и очень
тонких, субмиллиметровых (0.5 мм) срезов. Чтобы реализовать эту возможность,
разработаны два типа расположения массива детекторов в МСКТ томографах:
¾ Матричные детекторы (matrix detectors),
имеющие одинаковую ширину вдоль продольной оси z;
¾ Адаптивные детекторы (adaptive
detectors), имеющие неодинаковую ширину вдоль продольной оси z.
Преимущество матричного массива детекторов
заключается в том, что количество детекторов в ряду можно легко увеличить для
получения большего количества срезов за один оборот рентгеновской трубки. Так
как в адаптивном массиве детекторов меньше количество самих элементов, то
меньше и число зазоров между ними, что дает снижение лучевой нагрузки на пациента
и уменьшение электронного шума. Поэтому три из четырёх мировых производителей
МСКТ томографов выбрали именно этот тип.
Все вышеотмеченные нововведения не только
повышают пространственное разрешение, но благодаря специально разработанным
алгоритмам реконструкции позволяют значительно уменьшить количество и размеры
артефактов (посторонних элементов) КТ-изображений. Основным преимуществом МСКТ
по сравнению с односрезовой СКТ является возможность получения изотропного
изображения при сканировании с субмиллиметровой толщиной среза (0,5 мм).
Изотропное изображение возможно получить если грани вокселя матрицы изображения
равны, то есть воксель принимает форму куба. В этом случае пространственное
разрешение в поперечной плоскости x-y и вдоль продольной оси z становится
одинаковым. Увеличение скорости сканирования достигается уменьшением времени
оборота рентгеновской трубки, по сравнению с обычной спиральной КТ, в два раза
- до 0,45-0,50 секунды. Улучшение контрастного разрешения достигается
вследствие увеличения дозы и скорости введения контрастных средств при
проведении ангиографии или стандартных КТ-исследований, требующих контрастного
усиления. Различие между артериальной и венозной фазой введения контрастного
средства прослеживается более чётко. Увеличение отношения сигнал/шум достигнуто
благодаря конструктивным особенностям исполнения новых детекторов и
используемых при этом материалов; улучшения качества исполнения электронных
компонентов и плат; увеличению тока накала рентгеновской трубки до 400 мА при
стандартных исследованиях или исследованиях тучных пациентов. Эффективное
использование рентгеновской трубки достигается за счет меньшего времени работы
трубки при стандартном исследовании. Конструкция рентгеновских трубок
претерпела изменения. Эти меры оказались необходимы для обеспечения лучшей
устойчивости при больших центробежных силах, возникающих при вращении за время,
равное или менее 0,5 секунды. Использование генераторов большей мощности (до
100 кВт), конструктивные особенности исполнения рентгеновских трубок, лучшее
охлаждение анода и повышение его теплоёмкости до 8’000’000 единиц также
позволяют продлить срок службы трубок. Зона анатомического покрытия увеличена
благодаря одновременной реконструкции нескольких срезов полученных за время
одного оборота рентгеновской трубки. Для МСКТ томографа зона анатомического
покрытия зависит от количества каналов данных, шага спирали, толщины
томографического слоя, времени сканирования и времени вращения рентгеновской
трубки. Зона анатомического покрытия может быть в несколько раз больше за одно
и то же время сканирования по сравнению с обычным спиральным компьютерным
томографом [1].
Лучевая нагрузка при мультиспиральном
КТ-исследовании при сопоставимых объёмах диагностической информации меньше на
30 % по сравнению с обычным спиральным КТ-исследованием. Для этого улучшается
фильтрация спектра рентгеновского излучения и производится оптимизация массива
детекторов. Разработаны алгоритмы, позволяющие в реальном масштабе времени
автоматически уменьшать ток и напряжение на рентгеновской трубке в зависимости
от исследуемого органа, размеров и возраста каждого пациента. Технология
спирального сканирования позволила значительно сократить время, затрачиваемое
на КТ-исследование и существенно уменьшить лучевую нагрузку на пациента.
На сегодняшний день последняя модификация
компьютерной томограммы DSCT.
DSCT - Dual
Source Computed
Tomography. Русскоязычной
аббревиатуры в настоящее время нет. В 2005 году компанией Siemens Medical
Solutions представлен первый аппарат с двумя источниками рентгеновского
излучения. Теоретические предпосылки к его созданию были еще в 1979 году, но
технически его реализация в тот момент была невозможна. По сути, он является
одним из логичных продолжений технологии МСКТ. Дело в том, что при исследовании
сердца (КТ-коронарография) необходимо получение изображений объектов
находящихся в постоянном и быстром движении, что требует очень короткого
периода сканирования. В МСКТ это достигалось синхронизацией ЭКГ и обычного
исследования при быстром вращении трубки. Но минимальный промежуток времени,
требуемый для регистрации относительно неподвижного среза для МСКТ при времени
обращения трубки, равном 0,33 секунды (≈3 оборота в секунду), равен 173
миллисекунды, то есть время полуоборота трубки. Такое временное разрешение
вполне достаточно для нормальной частоты сердечных сокращений (в исследованиях
показана эффективность при частотах менее 65 ударов в минуту и с частотой
биения около 80, с промежутком малой эффективности между этими показателями и
при больших значениях).
Неоднократно принимались меры по увеличению
скорости вращения трубки в гентри томографа. В настоящее время достигнут предел
технических возможностей для ее увеличения, так как при обороте трубки в 0,33
секунды ее вес возрастает в 28 раз (перегрузки 28 g). Чтобы получить временное
разрешение менее 100 миллисекунд, требуется преодоление перегрузок более чем 75
g. Использование же двух рентгеновских трубок, расположенных под углом 90°,
дает временное разрешение, равное четверти периода обращения трубки (83 мс при
обороте за 0,33 секунды). Это позволило получать изображения сердца независимо
от частоты сокращений. Также такой аппарат имеет еще одно значительное
преимущество: каждая трубка может работать в своем режиме (при различных
значениях напряжения и тока, кВ и мА соответственно). Это позволяет лучше
дифференцировать на изображении близкорасположенные объекты различных
плотностей. Особенно это важно при контрастировании сосудов и образований,
находящихся близко от костей или металлоконструкций. Данный эффект основан на
различном поглощении излучения при изменении его параметров у смеси кровь +
йодсодержащее контрастное вещество при неизменности этого параметра у
гидроксиапатита (основа кости) или металлов. В остальном данные системы
являются обычными МСКТ аппаратами и обладают всеми их преимуществами. Массовое
внедрение новых технологий и компьютерных вычислений позволили внедрить в
практику такие методы, как виртуальная эндоскопия, в основе которых лежит РКТ и
МРТ [1].
Спектр заболеваний распознаваемых методами
диагностики, в основу которых заложен принцип просвета исследуемой области
рентгеновскими лучами, широк. К ним относятся туберкулез, раковые
новообразования, легочная недостаточность, сотрясение головного мозга,
рассеянный склероз, воспаления легких и пневмония, бронхиальная астма,
сосудистые дефекты и механические повреждения мягких и костных тканей
организма. Огромные преимущества этого метода - это возможность документации
исследований, наглядность результата и относительная универсальность. Основные
недостатки этих методов - это дороговизна, емкость, техническая сложность,
относительно плохая визуализация мягких тканей, фотографичность изображения
(невозможно проследить состояние динамически активного организма),
предварительный контроль и показания/противопоказания, вредность и опасность
метода связи с высокой лучевой нагрузкой от ионизирующего излучения.
.1.2 Оптические методы диагностики
К оптическим методам можно отнести такие
методики, в которых заложен принцип исследования пациента при помощи видимого
излучения, либо осмотра внутренних органов напрямую с помощью миниатюрных
видеокамер и видеозондов. Эти методы диагностики так же относятся к активным,
так как информативно значимый сигнал получается при помощи просвета, отражения
видимого излучения или внутреннего вмешательства в организм.
Оптическая томография (ОТ) - вид томографии,
использующий для визуализации оптическое (лазерное) излучение, преимущественно
инфракрасного, а также видимого диапазонов. Однако, в отличие, например, от
рентгеновского, взаимодействие оптического излучения со средой носит более
сложный характер: кроме процесса поглощения присутствуют процессы рассеяния,
преломления и отражения и другие. Это с одной стороны, сильно усложняет задачу
визуализации, с другой стороны, потенциально позволяет получить больше
информации. В силу сильного ослабления оптического излучения в биологических
тканях, наиболее перспективными объектами для диагностики считаются: женская
молочная железа, головной мозг новорождённого, конечности (пальцы и
предплечье), отдельные клетки, а также лабораторные животные (лабораторные
мыши) [2].
Бронхоскопия является в настоящее время одним из
наиболее распространенных и информативных методов исследования дыхательных
путей. Метод позволяет:
¾ Визуально оценить анатомические
особенности дыхательных путей, состояние трахеи, главных, долевых, сегментарных
и субсегментарных бронхов;
¾ Провести биопсию интересующих
участков трахеобронхиального дерева и получить материал для гистологического и
цитологического исследований;
¾ С помощью аспирации промывных вод
бронхов получить материал для цитологического, иммунологического и
бактериоскопического исследования;
¾ С лечебной целью провести лаваж
бронхов.
Бронхоскопия, являющаяся достаточно технически
сложным инструментальным методом исследования, связанным с определенным риском
для больного, должна производиться только в специализированных
пульмонологических отделениях стационаров, имеющих реанимационную службу.
Исследование проводится в специальных рентгено-бронхологических кабинетах,
удовлетворяющих требованиям малой операционной или хирургической перевязочной,
или в эндоскопическом кабинете, оснащенном передвижной рентгеновской
установкой, желательно с электронно-оптическим преобразователем и телевизором.
Используют два метода бронхоскопии. Наиболее распространенным из них является
бронхоскопия с использованием гибкого бронхофиброскопа, как изображено на
рисунке 1.5.
Исследование осуществляется под местной
анестезией 2,4% раствором тримекаина, 2-4% раствором лидокаина или 1% раствором
дикаина. Вначале путем орошения или смазывания местным анестетиком добиваются
анестезии верхних дыхательных путей - ротоглотки и голосовых связок. Через 5
мин вводят бронхофиброскоп через нижний носовой ход или ротовую полость и на
вдохе проводят его через голосовую щель. Путем инстилляции анестетиков через
бронхоскоп осуществляют анестезию трахеи и крупных бронхов, согласно рисунку
1.4.
Рисунок 1.4 - Схема бронхоскопического
исследования
Исследование с помощью бронхофиброскопа включает
несколько этапов:
Визуальная оценка состояния голосовых складок,
подскладочного пространства, трахеи, главных, сегментарных и субсегментарных
бронхов.
Аспирация содержимого бронха с помощью
специального бронхофиброскопа. Аспирируют содержимое бронха для последующего
бактериологического, цитологического и прочих видов исследования. При небольшом
количестве бронхиального секрета вначале инстиллируют в бронх около 20 мл
изотонического раствора, а затем аспирируют этот раствор вместе с содержимым
бронха, получая так называемые промывные воды бронхов, которые в последующем
подвергают бактериологическому и цитологическому исследованию.
Диагностический субсегментарный
бронхоальвеолярный лаваж (БАЛ) для цитологического и бактериологического
исследования бронхоальвеолярного содержимого, рисунок 1.5. Для проведения этой
процедуры бронхофиброскоп под визуальным контролем подводят к устью
субсегментарного бронха и через аспирационный канал бронхофиброскопа вводят в
бронх около 50-60 мл изотонического раствора натрия хлорида, а затем аспирируют
в специальный полиэтиленовый стакан жидкость, поступающую из просвета бронха
(ЖБАЛ). Введение раствора и аспирацию ЖБАЛ повторяют 2-3 раза. В состав ЖБАЛ
входят клеточные, белковые и другие компоненты альвеолярного и (в меньшей
степени) бронхиального содержимого. Чтобы уменьшить примесь бронхиального
секрета, для бактериологического и цитологического исследования используют не
первую, а вторую или третью порцию получаемого ЖБАЛ.
Биопсия бронхов, которая осуществляется с
помощью специальных гибких щипцов (прямая биопсия бронхов) или щеточки
диаметром около 2 мм (щеточная, или браш-биопсия), подводимых к интересующему
месту через аспирационный канал бронхофиброскопа под визуальным эндоскопическим
контролем. После получения биопсийного материала из него сразу готовят мазки.
Чрезбронхиальная (внутрилегочная) биопсия. Биопсийные щипцы вводят в
предварительно намеченный субсегментарный бронх и под рентгенотелевизионным
контролем проводят их дальше, например до уровня затенения в легком, но не
ближе 1-3 см от висцеральной плевры, как на рисунке 1.5. После этого щипцами
захватывают кусочек ткани, из которого готовят препарат для гистологического
исследования.
Пункционная биопсия трахеобронхиальных
лимфатических узлов выполняется с помощью специальной иглы, которую подводят к
стенке бронха, непосредственно прилегающей к интересующим трахеобронхиальным
лимфатическим узлам. Кончиком иглы перфорируют стенку бронха и проникают в
лимфатический узел, аспирируя его содержимое для последующего цитологического
исследования.
Рисунок 1.5 - Схема пункционной биопсии
Некоторые из перечисленных методов весьма сложны
и небезопасны для больного, поэтому выбор каждого из них зависит от конкретных
показаний и противопоказаний к проведению бронхоскопии, оснащенности
бронхоскопического кабинета, в частности, рентгено-телевизионной аппаратурой, и
квалификации врача-эндоскописта. Визуальную оценку состояния трахеи и бронхов
осуществляют во всех случаях бронхофиброскопии.
Бронхоскопия жестким бронхоскопом проводится
обычно под гексеналовым наркозом с использованием мышечных релаксантов и
искусственной вентиляции легких. Трубку жесткого бронхоскопа проводят через
ротовую полость по правой боковой поверхности, отодвигают надгортанник кверху и
проводят бронхоскоп через голосовую щель в трахею, а затем поочередно в правый
и левый главные бронхи.
Бронхоскопия жестким бронхоскопом, будучи
несколько менее информативной, чем бронхофиброскопия, позволяет выполнить
следующие исследования:
¾ Провести осмотр слизистой
трахеобронхиального дерева. При этом ограничиваются, как правило, визуальной
оценкой состояния слизистой голосовых складок, трахеи и главных бронхов, а
также устьев сегментарных бронхов.
¾ Осуществить аспирацию содержимого
бронхов. Применение специальных изогнутых катетеров, вводимых под рентгеновским
контролем в устье сегментарного бронха, дает возможность выполнить также
аспирационную биопсию сегментарных бронхов.
¾ Выполнить биопсию бронхов с помощью
специальных щипцов.
¾ Провести пункционную биопсию
трахеобронхиальных лимфатических узлов.
В случаях массивного легочного кровотечения
использование жесткого бронхоскопа позволяет удалить из бронха большое
количество крови и провести ряд лечебных мероприятий, направленных на остановку
кровотечения (промывание холодным раствором, местное введение адреналина или
специального катетера Фогарта и другие). Применение жесткого бронхоскопа
предпочтительно также для удаления инородных тел, особенно у детей. Рассмотренные
оптические методы диагностики заболеваний дыхательной системы устарели и при
неаккуратности являются источником опасности для пациента. Сама процедура
занимает не мало времени, при проведении осмотра необходим дополнительный
персонал и оборудование, требует предварительной подготовки и вызывает
неприятные ощущения у исследуемого.
.1.3 Акустические методы диагностики
На сегодняшний день акустические методы
диагностики занимают одно из первых мест среди общего множества различных
методов. Широко распространены ультразвуковые методы диагностики, впрочем, как
и всем известный стетоскоп. С помощью ультразвуковых приборов изучают развитие
имбриона у беременных женщин, ищут камни в почках, сканируют сердечнососудистую
систему, а так же их используют гинеколог, гастроинтерологи и практологи.
Стетоскоп используется терапевтами для установления предположительного
диагноза, а так же такими врачами как оториноларинголог (ухо-горло-нос).
Ультразвуковые методы диагностики.
В простейшем варианте реализации метод позволяет
оценить расстояние до границы разделения плотностей двух тел, основываясь на
времени прохождения волны, отраженной от границы раздела. Более сложные методы
исследования (например, основанные на эффекте Доплера) позволяют определить
скорость движения границы раздела плотностей, а также разницу в плотностях,
образующих границу.
Ультразвуковые колебания при распространении
подчиняются законам геометрической оптики. В однородной среде они
распространяются прямолинейно и с постоянной скоростью. На границе различных
сред с неодинаковой акустической плотностью часть лучей отражается, а часть
преломляется, продолжая прямолинейное распространение. Чем выше градиент
перепада акустической плотности граничных сред, тем большая часть
ультразвуковых колебаний отражается. Так как на границе перехода ультразвука из
воздуха на кожу происходит отражение 99,99 % колебаний, то при ультразвуковом
сканировании пациента необходимо смазывание поверхности кожи водным желе,
которое выполняет роль переходной среды. Отражение зависит от угла падения луча
(наибольшее при перпендикулярном направлении) и частоты ультразвуковых
колебаний (при более высокой частоте большая часть отражается).
Для исследования органов брюшной полости и
забрюшинного пространства, а также полости малого таза используется частота 2,5
- 3,5 МГц, для исследования щитовидной железы используется частота 7,5 МГц.
Особый интерес в диагностике вызывает
использование эффекта Доплера. Суть эффекта заключается в изменении частоты
звука вследствие относительного движения источника и приемника звука. Когда
звук отражается от движущегося объекта, частота отраженного сигнала изменяется
(происходит сдвиг частоты).
При наложении первичных и отраженных сигналов
возникают биения, которые прослушиваются с помощью наушников или громкоговорителя.
Генератором ультразвуковых волн является
передатчик, который одновременно играет роль приемника отраженных эхосигналов.
Генератор работает в импульсном режиме, посылая около 1000 импульсов в секунду.
В промежутках между генерированием ультразвуковых волн пьезодатчик фиксирует
отраженные сигналы.
В качестве детектора или трансдюсора применяется
сложный датчик, состоящий из нескольких сотен мелких пьезокристаллов,
работающих в одинаковом режиме. В датчик вмонтирована фокусирующая линза, что дает
возможность создать фокус на определенной глубине.
Используются три типа ультразвукового
сканирования: линейное (параллельное), конвексное и секторное. Соответственно
датчики или трансдюсоры ультразвуковых аппаратов называются линейные,
конвексные и секторные. Выбор датчика для каждого исследования проводится с
учетом глубины и характера положения органа. Для щитовидной железы используются
линейные трансдюсоры на 7,5 МГц, для исследования почек и печени в равной
степени пригодны как линейные, так и конвексные датчики.
Преимуществом линейного датчика является полное
соответствие исследуемого органа положению самого трансдюсора на поверхности
тела. Недостатком линейных датчиков является сложность обеспечения во всех
случаях равномерного прилегания поверхности трансдюсора к коже пациента, что
приводит к искажениям получаемого изображения по краям.
Конвексный датчик имеет меньшую длину, поэтому
добиться равномерности его прилегания к коже пациента более просто. Однако при
использовании конвексных датчиков получаемое изображение по ширине на несколько
сантиметров больше размеров самого датчика. Для уточнения анатомических
ориентиров врач обязан учитывать это несоответствие.
Секторный датчик имеет еще большее
несоответствие между размерами трансдюсора и получаемым изображением, поэтому
используется преимущественно в тех случаях, когда необходимо с маленького
участка тела получить большой обзор на глубине. Наиболее целесообразно
использование секторного сканирования при исследовании, например, через
межреберные промежутки.
Отраженные эхосигналы поступают в усилитель и
специальные системы реконструкции, после чего появляются на экране
телевизионного монитора в виде изображения срезов тела, имеющие различные
оттенки черно-белого цвета. Оптимальным является наличие не менее 64 градиентов
цвета черно-белой шкалы. При позитивной регистрации максимальная интенсивность
эхосигналов проявляется на экране белым цветом (эхопозитивные участки), а
минимальная - черным (эхонегативные участки). При негативной регистрации наблюдается
обратное положение.
Выбор позитивной или негативной регистрации не
имеет значения. Полученное изображение фиксируется на экране монитора, а затем
регистрируется с помощью термопринтера.
Первая попытка изготовить фонограммы
человеческого тела относится к 1942 году. Немецкий ученый Дуссиле «освещал»
ультразвуковым пучком человеческое тело и затем измерял интенсивность пучка,
прошедшего через тело (методика работы с рентгеновскими лучами Мюльхаузера).
Вначале 50-х годов американские ученые Уилд и Хаури впервые и довольно успешно
применили ультразвук в клинических условиях. Свои исследования они
сосредоточили на мозге, так как диагностика с помощью рентгеновских лучей не
только сложна, но и опасна. Получение такой информации с помощью рентгеновских
лучей требует около часа времени, что весьма нежелательно при тяжелом состоянии
больного.
Применение ультразвука для диагноза при
серьезных повреждениях головы позволяет хирургу определить места кровоизлияний.
При использовании переносного зонда можно установить положение срединной линии
головного мозга примерно в течение одной минуты. Принцип работы такого зонда
основывается на регистрации ультразвукового эха от границы раздела полушарий.
Ультразвуковые зонды применяются для измерения
размеров глаза и определения положения хрусталика.
Ультразвуковое исследование играет важную роль в
постановке диагноза заболеваний внутренних органов, таких как печень,
желчевыводящие пути и жёлчный пузырь, поджелудочная железа, селезёнка,
забрюшинное пространство, почки, мочеточники, мочевой пузырь, предстательная
железа и другие. В силу физических особенностей не все органы можно достоверно
исследовать ультразвуковым методом, например, полые органы желудочно-кишечного
тракта труднодоступны для исследования из-за содержания в них газа. Тем не
менее, ультразвуковая диагностика может применяться для определения признаков
кишечной непроходимости и косвенных признаков спаечного процесса. При помощи
ультразвукового исследования можно обнаружить наличие свободной жидкости в
брюшной полости, если её достаточно много, что может играть решающую роль в
лечебной тактике ряда терапевтических и хирургических заболеваний и травм.
Исследование сердца при помощи ультразвукового
метода получило название эхокардиографии. Существуют зонды, которые помогают во
время операций на сердце следить за работой митрального клапана, расположенного
между желудочком и предсердием. Ультразвуковые методы с допплерографией
используются для изучения сосудов конечностей.
Рисунок 1.6 - Трехмерное изображение эмбриона
при ультразвуковом исследовании
Ультразвуковое исследование используется для
изучения внутренних половых органов женщины, состояния беременной матки,
анатомии и мониторинга внутриутробного развития плода.
В настоящее время на основе эффекта Доплера
исследованы только движение крови и биение сердца. Этот эффект широко
применяется в акушерстве, так как звуки, идущие от матки легко регистрируются.
На ранней стадии беременности звук проходит через мочевой пузырь. Когда матка наполняется
жидкостью, она сама начинает проводить звук. Положение плаценты определяется по
звукам протекающей через нее крови, а через 9 - 10 недель с момента образования
плода прослушивается биение его сердца. С помощью ультразвукового исследования
можно также определять количество зародышей или констатировать смерть плода.
Для многих активных методов таких, как флюорография и компьютерная томография
есть ограничения, обусловленные вредностью этих методов, так как они построены
по принципу просвета организма радиоактивными электромагнитными волнами.
Недостатком этих методов является субъективность оценки результата, на это
накладывается и случайность процесса. При томографии и рентгенографии результат
визуализируется в виде снимка в двух (или более) проекциях. При каждом
эксперименте (испытании) пациент облучается дозой радиации приблизительно. То
есть при недостаточно хорошем оборудовании распознавание снимка затрудненно, на
это накладывается неквалифицированность медработника, и просто человеческий
фактор. Пациент может быть направлен на повторное обследование. И подвергаться
повторному вредному воздействию
.2 Пассивные методы диагностики
Среди пассивных методов диагностики можно
выделить только акустические методы. К приборам, использующие данный принцип действия,
можно отнести только фонендоскоп. Фонендоскоп берет начало от прибора
называющегося стетоскопом.
Стетоскоп изобретён в 1816 основоположником
диагностического метода аускультации Рене-Теофиль Лаэннеком, французским
врачом, основателем научной диагностики. Впервые аналог стетоскопа,
представляющий собой, свернутые нотные листы, были использованы для
аускультации сердца.

Рисунок 1.7 - Простейший стетоскоп и фонендоскоп
Позднее стетоскоп претерпел ряд изменений,
устройство стетоскопа было усовершенствовано, но принцип и физика стетоскопа
осталась неизменной. Был изобретен фонендоскоп (от греч. φωνη
- «звук»,
’ένδον
- «внутри»
и σκοπέω
- «наблюдаю»),
имеющий натянутую мембрану для усиления звука. Название фонендоскопу дал
Николай Сергеевич Коротков [3].
В настоящее время чаще всего используется стетофонендоскоп, имеющий на одной
конце наконечник фонендоскопа с мембраной, а с другой - наконечник стетоскопа
без мембраны, как на рисунке 1.7.
Опытный врач с помощью простейшего фонендоскопа
может диагностировать заболевания дыхательной и сердечнососудистой систем.
Такие заболевания, как: рак легких, пневмония, бронхит, туберкулез, легочная
недостаточность и астма воспринимаются и распознаются человеческим ухом.
В настоящее время во Владивостоке была
разработана еще одна система пассивного акустического контроля. Так называемая
система форсированного выдоха. Суть данной системы заключается в том, что
микрофон располагается в трубке, в которую с усилием выдыхает пациент. Тем
самым создается динамический шум и флуктуации давления в среде, которые и
документируется. По спектру шума диагностируется то или иное заболевание.
Недостатки данных способов очевидны:
стетофонендоскоп устаревший прибор, для работы с ним необходим опыт
диагностики, система форсированного выдоха сложна в применении, с помощью ее
невозможно снимать биометрические параметры с движущегося (занимающегося
деятельностью) объекта в реальном времени, сбор информации происходит с одного
микрофона.
2. Теоретическое обоснование
.1 Строение органов дыхания, физиология
Строение и особенности дыхательных органов
В понятие дыхательной системы входит ряд
органов. Вся дыхательная система условно делится на четыре области:
¾ Верхние дыхательные пути (полость
носа, носоглотка, ротоглотка, гортань);
¾ Нижние дыхательные пути (трахея и
бронхи);
¾ Легочная паренхима, плевра и ее
полость;
¾ Аппарат, обеспечивающий дыхательные
движения (ребра с прилегающими костными образованиями, дыхательные мышцы).
Трахея начинается от нижней границы гортани на
уровне VI-VII шейных позвонков и заканчивается на уровне IV-V грудных
позвонков, где происходит ее деление на правый и левый главные бронхи. Следует
помнить, что правый главный бронх отходит от трахеи под углом 15-40о,
и его длина не превышает 3 см. Левый главный бронх отходит от трахеи под углом
50-70о и имеет длину 4-5 см.
В состав бронхиального дерева, которое
изображено на рисунке 2.1, входят главные бронхи, долевые бронхи, сегментарные
бронхи, многочисленные ветвления сегментарных бронхов, дольковые бронхи и
терминальные бронхиолы. Бронхиальное дерево, осуществляющее в основном функцию
проводящих воздухоносных путей, в среднем насчитывает 16 дихотомических делений
бронхов, основная часть которых приходится на ветвления сегментарных бронхов.
Дольковые бронхи еще имеют хрящевой каркас, тогда как концевые (терминальные)
бронхиолы в своих стенках хрящ не содержат.
Рисунок 2.1 Состав бронхиального дерева
Основной, хотя и не единственной, функцией
легких является обеспечение нормального газообмена. Внешнее дыхание - это
процесс газообмена между атмосферным воздухом и кровью легочных капилляров, в
результате которого происходит артериализация крови: повышается напряжение
кислорода и снижается напряжение углекислого газа в крови. Интенсивность такого
газообмена в первую очередь определяется тремя патофизиологическими механизмами
(легочной вентиляцией, перфузией и диффузией газов в альвеолярно-капиллярной
мембране), которые обеспечиваются системой внешнего дыхания [3].
Легочная вентиляция определяется следующими
факторами :
¾ механическим аппаратом вентиляции,
который, в первую очередь, зависит от активности дыхательных мышц, их нервной
регуляции и подвижности стенок грудной клетки;
¾ эластичностью и растяжимостью
легочной ткани;
¾ внутрилегочным распределением газа и
адекватностью этого распределения перфузии различных отделов легкого.
Вентиляционные нарушения в клинической практике
могут быть обусловлены дефектом одного или нескольких из приведенных факторов,
что является причиной разнообразных типов вентиляционной дыхательной
недостаточности. Газообмен в легких происходит под действием давления. Градиент
давления меняется в зависимости от напряжения мышц грудной клетки и диафрагмы.
Таким образом физическая модель легких - это объем, в котором поочередно то газ
выходит под давлением, то создается область разряжения, и газ поступает в
объем. Основным же источником шума в дыхательных органах человека является шум
кровотока и аэродинамический шум. Теоретически источником этих шумов будет
являть вся дыхательная область легких и бронхов, так как плотность
распределения сосудов и дыхательных альвеол приблизительно одинакова. Так же
спектр этого шума и форма будут изменяться в зависимости от времени и
соответствовать основным физиологическим периодам дыхания - вдоху и выдоху. В
то время как любая патология будет носить точечный или локальный характер.
Таким образом задача обнаружения очага заболевания сводится к задаче
шумопеленгования.
Отталкиваясь от данного условия необходима
математическая модель, которая будет описывать акустическое поле, создаваемое
точечным источником в замкнутом эллиптическом объеме. Сечение грудной клетки
человека напоминает эллипс. Присутствие большого количества крупных кровеносных
сосудов, мелких капилляров и плевры, заполненной жидкостью, позволяет
аппроксимировать содержание и свойства среды, как однородную акустическую
среду, заполненную жидкостью (кровь, лимфа, биораствор, морская вода).
.2 Теория распространения звука в
ограниченном эллипсоидальном пространстве
Для должного выбора математического аппарата
необходимо точно сформулировать физическую модель эксперимента, которая
изображена на рисунке 2.2. Средой 1 (r1с1)
является внутренний объем человека, данная среда имеет свойства отличные от
внешней среды 2 (r2с2)
и ограничена эллипсоидальной поверхностью. Свойства среды характеризуют
плотность и скорость звука в данной среде. В среде 1 располагается точечный
источник сферического излучения М0, монополь или диполь. Среда 1
жидкая, в ней могут распространяться только продольные волны. Точка наблюдения
М может находиться как на поверхности, так и вне поверхности SГР,
и имеет координаты r, φ,
γ.
Рисунок 2.2 - Схематическое изображение
физической модели
Амплитуда колебаний и расстояние, на которое
будут распространяться волны малы, это важный фактор при выборе математической
модели, так как это свидетельствует о линейности колебательного процесса.
Изменения плотности среды малы по сравнению с абсолютным значением плотности,
также считается, что гидростатическое давление постоянно, жидкость покоится,
распространение звука происходит адиабатически, внутреннее трение мало.
Поскольку дифференциальные уравнения для
скалярной функции решать проще, чем для векторов, при нахождении решения будет
использоваться потенциал колебательной скорости, при этом считается, что в
жидкости присутствуют только безвихревые движения. С учетом данных допущений,
из уравнения состояния, уравнения Эйлера и уравнения непрерывности получается
волновое уравнение, которое при гармонических колебаниях (зависимость от
времени e --iωt)
сводится к уравнению Гельмгольца для скалярного потенциала колебательной
скорости.
Для рассматриваемой задачи
математической моделью будет являться неоднородное уравнение Гельмгольца с
правой частью, представляющей собой плотность распределения источников q(
):
, (2.1)
гдеΦ1,2 - потенциал
колебательной скорости в первой и во второй среде соответственно,
к1,2=
- волновые
числа для первой и второй среде соответственно,
,
- радиус-векторы, указывающие на
расположение источника и на точку наблюдения.
Решение уравнения Гельмгольца должно
удовлетворять условиям неразрывности на границе раздела двух сред SГР:
, (2.2) [8]
гдеn - нормаль к
границе раздела SГР,
ρ1, ρ2 - плотности
первой и второй среды соответственно, и условию излучения на бесконечности:
, (2.3)
где А - константа,
D(φ,γ) - некая
функция, зависящая только от углов φ, γ.
Как известно, при заданной плотности
распределения источников q(
) и известной функции Грина G(
) для
рассматриваемой задачи можно найти решение с помощью выражения
, (2.4)
гдеV - объем,
где находятся источники, заданные плотностью распределения q(
).
Функция Грина представляет собой
поле элементарного точечного источника, расположенного в точке с координатой,
характеризуемой радиус-вектором
, и должна удовлетворять
неоднородному уравнению Гельмгольца:
, (2.5)
условиям неразрывности на границе:
, (2.6)
и условию излучения, аналогичному
(2.3).
Таким образом, выражения для функции
Грина внутренней области
и функции
Грина внешнего пространства
будут иметь вид:
, (2.7)
гдеКотр - функция,
зависящая только от угловых координат (имеет смысл коэффициента отражения волн
от границы раздела),
Кпр - функция, также
зависящая от угловых координат (имеет смысл коэффициента прохождения волн во
второе полупространство),
R=
-
расстояние между точкой расположения источника и точкой наблюдения,
Rпр=
-
расстояние между точкой расположения некоего мнимого источника прошедших через
границу раздела волн и точкой наблюдения.
Выражения для расчета R, Rпр, координат
реального и мнимого источника в трехмерном пространстве в сферической системе
координат, согласно рисунку 2.2, будут иметь вид, схожий с (2.8) - (2.12):
, (2.8)
, (2.9)
, (2.10)
, (2.11)
,
,
, (2.12)
гдеr0, φ0, γ0 - координаты
реального источника, размещенного внутри объема W,
r, φ, γ -
координаты точки наблюдения,
rпр - радиальная
координата мнимого источника прошедших волн (расчет координаты rпр -
аналогично приведенному в работе [28]).
Подставляя решение (2.7) в граничные
условия (2.6) и, учитывая (2.8-2.12), можно найти выражения для Котр,
Кпр, при которых решение будет удовлетворять как уравнению
Гельмгольца (2.5), так и условиям на границе (2.6).
Коэффициент отражения будет иметь вид:
, (2.13)
,
,
,
,
, (2.14)
,(2.15)
- уравнение эллипсоидальной
поверхности раздела двух сред SГР в полярных
координатах,
а - большая полуось сечения
эллипсоида вращения, проходящего через ось Oz , как на
рисунке. 2.2,
b - меньшая
полуось этого же сечения;
коэффициент прохождения будет иметь вид:
. (2.16)
Поскольку в условия на границе
входят производные по нормали к границе SГР, в конечные выражения
для КОТР, КПР входят производные
и
. Для
поверхности SГР произвольной геометрии эти выражения будут довольно
громоздкими, что затруднит расчет. В рассматриваемом случае поверхность раздела
предполагается эллипсоидальной, поэтому можно получить более простые выражения
для производных по нормали. Переходя к координатам вытянутого эллипсоида
вращения ς,
φ, η, рисунок
2.4, из сферической системы координат r, φ, γ, рисунок
2.3, c помощью
формул перехода:
,φ=φ, (2.17)
,
где
,
для производных по нормали можно
получить следующие выражения:
,
,
,
,
,
,
.
После того, как будет найден
скалярный потенциал колебательной скорости давление p и
колебательную скорость
можно будет
найти по следующим известным формулам:
,
.
Рис. 2.3 - Геометрия задачи в аксонометрической
проекции
Рис. 2.4 - Ортогональная система софокусных
эллипсов и гипербол с фокусами F, -F. Эти кривые определяют систему координат
вытянутого эллипсоида вращения ς, φ, η (ось
вращения - ось ОZ)
,
,
3. Расчет и выбор оборудования
Из рассмотренных выше, существующих методов
диагностики существует лишь два метода пассивного акустического контроля.
Совершенно очевидно, что данные методы нуждаются в дальнейшей доработке и
обеспечении современными системами приборостроения. Современные медицинские
структуры обязаны соответствовать ритму крупного города, при этом не проигрывая
в качестве обслуживания, поэтому не могут позволить себе таких серьезных
недостатков.
Поставленной задачей данной дипломной работы
служит проектирование и разработка такой пассивной акустической системы,
которая бы позволила осуществлять сбор информации в реальном времени, из
нескольких контрольных точек единовременно.
Так же акустическая система должна обладать
такими качествами, как портативность, мобильность и совместимость с
современными компьютерными системами. В свою очередь процесс сбора информации и
дальнейшей ее обработки не должен нести высокой интеллектуальной нагрузки на
управляющий медперсонал, иными словами должен быть прост в применении.
Термин «пассивный акустический контроль» не
подразумевает никакого вмешательства в биомеханику исследуемых органов
пациента, так как в решением задач, поставленных перед системами пассивного
акустического контроля, является чистый сбор информации, излучаемой объектом.
Такой же принцип применяется в системах гидроакустического шумопеленгования.
Сбор акустической информации производится электроакустическими преобразователями
- микрофонами.
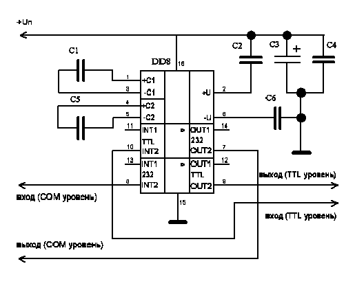
3.1 Принцип работы прибора
Проектируемый прибор состоит из восьми
акустических датчиков, соединенных через операционный усилитель с модулем
преобразования и передачи сигнала, поступившего с акустических датчиков.
Синхронизация прибора с периферийным ПК осуществляется через СОМ порт.
Модуль преобразования содержит аналого-цифровой
преобразователь, собственный усилитель, преобразование сигнала для передачи в
интерфейс RS-232 и RS-232
TTL - RS-232
COM преобразователь.
.2 Классификация и выбор микрофона. Обоснование
Микрофоны подразделяются на несколько архетипов:
¾ Электродинамические (МД- катушечные,
МЛ- ленточные).
¾ Электростатические ( конденсаторные
МК).
¾ Электромагнитные ( аппаратура связи
).
¾ Пьезоэлектрические ( используется в
слуховых аппаратах).
¾ Угольные (телефония, переговорные
устройства).
Катушечные и ленточные микрофоны относятся к
динамическим микрофонам. Динамический микрофон - наиболее распространенный тип
конструкции микрофона. Он представляет собой мембрану соединённую с лёгкой
катушкой индуктивности, которая помещена в сильное магнитное поле, создаваемое
постоянным магнитом. Колебания давления воздуха (звук) воздействуют на мембрану
и приводят в движение катушку. Когда катушка пересекает силовые линии магнитного
поля, в ней наводится ЭДС индукции. ЭДС индукции пропорциональна как амплитуде
колебаний мембраны, так и частоте колебаний.
Рисунок 3.1 - Структурная схема катушечного
микрофона
Динамический микрофон практически аналогичен по
конструкции динамической головке (динамику, громкоговорителю). Это, в сущности,
«обращение» динамика: вместо подачи напряжения на катушку динамика для создания
звука, мы снимаем с этой катушки напряжение, созданное внешним звуком. В ранней
радиолюбительской практике динамики нередко использовались в качестве
динамического микрофона. Конечно, настоящий динамический микрофон конструктивно
несколько отличается от динамика: у него другая конструкция мембраны, катушка
содержит большее количество витков и намотана гораздо более тонким проводом. В
отличие от конденсаторных, динамические микрофоны не требуют фантомного
питания.
Угольный микрофон - один из первых типов
микрофонов. Угольный микрофон содержит угольный порошок, размещённый между
двумя металлическими пластинами и заключённый в герметичную капсулу. Стенки
капсулы или одна из металлических пластин соединяется с мембраной. При
изменении давления на угольный порошок изменяется площадь контакта между
отдельными зёрнышками угля, и, в результате, изменяется сопротивление между
металлическими пластинами. Если пропускать между пластинами постоянный ток,
напряжение между пластинами будет зависеть от давления на мембрану. Угольный
микрофон практически не требует усиления сигнала, сигнал с его выхода можно
подавать непосредственно на высокоомный наушник или громкоговоритель. Из-за
этого свойства угольные микрофоны использовались до недавнего времени в
телефонных аппаратах, их использование освобождало телефонный аппарат от
дорогостоящих и дефицитных в то время полупроводниковых деталей либо
громоздких, хрупких и энергоёмких усилителях на радиолампах. Классический
телефонный аппарат с дисковым номеронабирателем почти наверняка содержит
угольный микрофон. Однако угольный микрофон отличается плохой амплитудно-частотной
характеристикой (он нечувствителен к слишком низким и слишком высоким
частотам). Кроме того, в отличие от наиболее распространённого динамического
микрофона, угольный требует питания постоянным током. Сейчас появились дешёвые
и доступные полупроводниковые устройства, которые позволяют использовать
микрофоны других типов. Поэтому в современных устройствах угольные микрофоны
практически не применяются.
Конденсаторный микрофон - тип конструкции
микрофона. Представляет собой конденсатор, одна из обкладок которого выполнена
из эластичного материала (обычно полимерная плёнка с нанесённой металлизацией),
которая при звуковых колебаниях изменяет ёмкость конденсатора. Если конденсатор
заряжен, то изменение ёмкости конденсатора приводит к изменению напряжения,
которое и является полезным сигналом с микрофона. Для работы такого микрофона
между обкладками должно быть приложено поляризующее напряжение (обычно 48
вольт). Конденсаторный микрофон имеет очень высокое выходное сопротивление. В
связи с этим, в непосредственной близости к микрофону (внутри его корпуса)
располагают предусилитель с высоким (порядка 1 ГОм) входным сопротивлением,
выполненный на электронной лампе или полевом транзисторе. Как правило,
напряжение для поляризации и питания предусилителя подаётся по сигнальным
проводам (фантомное питание). Конденсаторные микрофоны обладают весьма
равномерной амплитудно-частотной характеристикой и обеспечивают
высококачественное звучание, в связи с чем широко используются в студиях
звукозаписи, на радио и телевидении. Недостатками их являются высокая
стоимость, необходимость во внешнем питании и высокая чувствительность к ударам
и климатическим воздействиям - влажности воздуха и перепадам температуры, что
не позволяет использовать их в полевых условиях. Существует тип конденсаторного
микрофона - электретный микрофон, который свободен от большинства перечисленных
недостатков [10].
Рисунок 3.2 - Структурная схема конденсаторного
микрофона
Электретные микрофоны являются разновидностью
конденсаторных микрофонов, но им не нужен поляризирующий автономный источник
напряжения, так как мембрана выполняется из электретной пленки. Электрет, это
материал способный сохранять электрический заряд после его электризации.
Наибольший эффект дают пленки толщиной 10 мкм из фторопласта, пропилена,
поликарбоната. Структурная схема электретного микрофона показана на рисунке 3.3
и рисунке 3.4.
Рисунок 3.3 - Структурная схема электретного
микрофона
В таком микрофоне сама гетероэлектретная плёнка
служит мембраной. При её деформации на её поверхностях возникают разноимённые
заряды, которые можно зарегистрировать, расположив электроды непосредственно на
поверхности плёнки (на поверхность напыляют тонкий слой металла (алюминий,
золото, серебро и т.п.). Электрический заряд мембраны (предположим
положительный) индуцирует в основании капсюля отрицательный заряд. Мембрана под
действием электрических сил F притягивается к основанию и находится на
некотором расстоянии h от основания. При воздействии звукового сигнала мембрана
совершает колебания, и расстояние h меняется. А следовательно меняется величина
заряда и через сопротивление нагрузки Rн протекает ток заряда-разряда равный по
частоте звуковому сигналу. Конденсатор C1 разделяет постоянную составляющую от
переменной и на зажимах микрофона возникает напряжение звуковой частоты.
Питание микрофонного усилителя осуществляется по фантомной схеме, т.е.
электропитание подается по тем же проводникам, которые служат для передачи звукового
сигнала. Пример обозначения электретных микрофонов МКЭ-13, МКЭ-17, МКЭ-19
являются нагрудными микрофонами. В конструкцию некоторых электретных микрофонов
входит предусилитель («преобразователь сопротивления», «согласователь
импеданса») на полевых транзисторах или на миниатюрных радиолампах с выходным
сопротивлением в единицы кОм. Однако, такие микрофоны требуют внешнего
источника электропитания [10].
Рисунок 3.4 - Схема подключения электретного
микрофона.
Обозначение микрофонов:
МД-281А: МД - микрофон динамический, цифра «2»
-класс качества (0,1,2,3), число «81» - № конструкторской разработки, буква «А»
- вариант конструкции (А,Б,В,Г,С). Например С - стереофонический микрофон.
МД-52А - корпус алюминиевый. МД-52Б - корпус пластмассовый. МКЭ - микрофон
конденсаторный электретный. Для высококачественной передачи звука используются
электродинамические микрофоны и электростатические.
Так же независимо от типа микрофона существует
другая классификация - по рабочим параметрам и характеристикам. Так как
микрофоны представляют собой электроакустический преобразователь, их основной
задачей является преобразование колебания давления и механического напряжения в
соответствующие пропорциональные колебания электрического напряжения. Эти
преобразования характеризуются основными рабочими параметрами микрофона.
Чувствительность микрофона S - это отношение
напряжения U на выходе микрофона к звуковому давлению P, действующему на
диафрагму микрофона, при заданной частоте(как правило 1000 Гц):
S=U/P(мВ/Па);
Чем выше это значение, тем выше чувствительность
микрофона.= 1÷2 мВ/Па у
электродинамических микрофонов.=10÷40
мВ/Па у электростатических(конденсаторных микрофонов).
Выходное сопротивление микрофона, это
электрическое сопротивление Z на выходе микрофона на частоте 1000 Гц. По ГОСТу
Z=50, 100, 200 Ом. Допускается Z= 2000 Ом для речевых микрофонов бытовой
аппаратуры.
Частотная характеристика, изображенная на
рисунке 3.5, это зависимость величины чувствительности микрофона S от частоты ƒ.
Рисунок 3.5 - График частотная характеристики
По частотной характеристике можно определить:
а) Номинальный диапазон частот от ƒнч
до ƒвч
Гц - диапазон частот, в котором микрофон воспринимает колебания и в котором нормируются
его параметры:
) 20÷20000
Гц -для конденсаторных (электростатических) микрофонов.
) 63÷12500
Гц -для электродинамических микрофонов.
) 300÷3000
Гц - для угольных микрофонов.
б) Величину частотных искажений:
1) ΔL = (2÷4)
дБ - для конденсаторных (электростатических) микрофонов.
2) ΔL = (8÷12)
дБ -для электродинамических микрофонов.
3) ΔL = (30÷40)
дБ - для угольных микрофонов.
в) Перепад «фронт-тыл»
ΔLфт= Lmаx + Lmin
1) ΔLфт = (10÷12)дБ
- для электродинамических микрофонов.
2) ΔLфт = (18÷20)дБ
- для конденсаторных (электростатических) микрофонов.
Уровень собственного шума микрофона - выраженное
в децибелах отношение эффективного значения напряжения, обусловленного
флуктуациями давления в окружающей среде и тепловыми шумами различных
сопротивлений в электрической части микрофона, к напряжению, развиваемым
микрофоном на нагрузке при давлении равном одному Па при воздействии на
микрофон давления полезного сигнала равного 0.1 Па [12].
Неравномерность частотной характеристики -
разность между максимальным и минимальным значением чувствительности микрофона
в номинальном диапазоне частот.
Характеристика направленности Г, это зависимость
чувствительности микрофона от угла θо
- падения (вектора направления распространения) звуковой волны относительно
акустической оси микрофона. Характеристика строится в полярной системе
координат, как на рисунке 3.6.
Рисунок 3.6 - Полярная система координат для
построения характеристики направленности
Г - называется коэффициентом направленности
Г=S/So, где S -чувствительность микрофона измеренная под любым углом θо.-
чувствительность микрофона измеренная под углом θ=0о.
Иначе - осевая чувствительность (по направлению акустической оси).
А-ненаправленный микрофон (всенаправленный); Б -
двунаправленный микрофон; В - Направленный «кардиоида»; Г - Остронаправленный
«бикардиоида».
Рисунок 3.7 - Характеристики направленности,
основные типы
По свойствам направленности:
¾ Ненаправленные (диаграмма
направленности - окружность, рисунок 3.7, А).
¾ Двухсторонне направленные (диаграмма
направленности в виде восьмерки, рисунок 3.7, Б).
¾ Направленные (диаграмма в виде
«кардиоида», рисунок 3.7, В).
¾ Остронаправленные (форма диаграммы
«бикардиоида» -лепесток, рисунок 3.7, Г).
Микрофоны - приемники давления. У этих
микрофонов чувствительная диафрагма открыта для доступа звука только с одной
стороны, т.е. один акустический вход.
Рисунок 3.8 - Характеристика направленности
микрофонов-приемников давления
Микрофоны давления считаются не направленными,
согласно рисунку 3.8. Однако на ВЧ, когда длина волны становится меньше
размеров микрофона, характеристика приобретает направленный вид. Эту нестабильность
характеристики направленности можно ослабить за счет уменьшения размеров
микрофона. Микрофоны этого типа используют в тех случаях когда необходимо по
звуковому каналу передать звуковые волны действующие со всех сторон. Например,
случай когда нужно прослушивать звуки со всех направлений.
Микрофоны - приемники градиента давления. У этих
микрофонов чувствительная диафрагма открыта для доступа звука с обеих сторон.
Характеристика направленности показана на рисунке 3.9.
Рисунок 3.9 - Характеристика направленности
микрофона-приемника градиента давления
Такой микрофон реагирует на разность давлений
(градиент давления) ΔР = Р1 - Р2.
Характеристика направленности у этих микрофонов
в виде восьмерки. Такой микрофон имеет максимальную чувствительность с двух
сторон, как показывает диаграмма направленности. Акустическая ось
перпендикулярна к плоскости чувствительного элемента (мембрана).
Микрофоны комбинированного приема. Они
представляют собой сочетание двух приемников (микрофонов): давления и градиента
давления.
Рисунок 3.10 - Характеристика направленности
микрофона-приемника комбинированного приема
Результирующая характеристика - кардиоида,
согласно рисунку 3.10. Односторонняя направленность комбинированного микрофона
объясняется тем, что при падении звуковой волны с фронта (0о)
электрические сигналы обеих микрофонов совпадают по фазе и суммируются.
А при падении звуковой волны с тыла (180о)
электрические сигналы противоположны по фазе и вычитаются (гасят друг друга).
Комбинированные микрофоны самые популярные, так как очень удобные в
эксплуатации [13].
Для наблюдения и снятия шумов организма
предусмотрено полное прилегание микрофона к поверхности тела исследуемого. В
случае применения стетофонендоскопа врач может слышать характерный звук,
относящийся к тому или иному заболеванию. Исходя из всего выше перечислено,
лучше всего подойдут микрофоны электретные комбинированные. Электретные
микрофоны обладают хорошей чувствительностью, небольшими размерами, невысокой
ценой. Исходя из того, что спектр излучаемого организмом шума располагается в
области средних и высоких частот, так же целесообразным является выбор
электретного типа микрофона. Их номинальный диапазон частот составляет 20÷20000
Гц, как в пункте а,1. Они обладают относительно ровной частотной
характеристикой, это позволит получать одинаковые уровни сигнала на различных
частотах. Так как в любой системе преобразования и усиления сигнала всегда
присутствуют собственные шумы, а микрофон является начальным звеном такой
системы, то величина создаваемого им полезного сигнала определяет соотношение
"сигнал/собственный шум" всей системы. Поэтому снижение
чувствительности микрофона является нежелательным фактором. Следует также иметь
в виду, что стремление к увеличению ширины воспроизводимого микрофоном
диапазона частот приводит к уменьшению абсолютной величины его
чувствительности. С другой стороны, чем шире диапазон частот микрофона, тем
труднее получить в его пределах стабильную ХН. Комбинированные микрофоны
позволяют получить сигнал из одной полуплоскости, при этом не будут
воспринимать окружающий шум, это обеспечит необходимую помехозащищенность. Но
тип приемника не обязательно должен быть комбинированным, главное, чтобы он был
однонаправленным. Всем этим характеристикам можно соотнести отечественный
электретный микрофон МКЭ-378В.
Рисунок 3.11 - График АЧХ электретного микрофона
МКЭ-378В
Электретный микрофон МКЭ-378В имеет показанную
на рисунке 3.11 частотную характеристику, напряжение питания Uпит
= 2,5÷6
В., номинальный диапазон частот Δf
= 30÷18000
Гц., чувствительность S
= 10-20 мВ/Па, уровень собственных шумов не более 30 дБ. Корпус микрофона
представлен на рисунке 3.12.
Рисунок 3.12 - МКЭ-378В
Для увеличения чувствительности микрофона
предложено следующее конструктивное улучшение: капсюль электретного микрофона
помещается в специальную акустическую систему, представляющую собой, закрытую
пластиковой мембраной, диафрагму. Такой звукоулавливатель выглядит, наподобие
диафрагмы у фонендоскопа. Такое конструкторское решение позволит увеличить
чувствительность и сохранить необходимую характеристику направленности.
В связи с данным конструктивным решением,
передаточная характеристика акустического датчика, капсюля в закрытой
диафрагме, изменится.
.3 Расчет акустического датчика
Акустический датчик состоит из металлической
диафрагмы, к которой жестко крепится круглая мембрана с одной стороны и
электретный микрофон МКЭ-378В с другой. В связи с малым объемом и удельным
весом воздуха массой воздуха можно пренебречь, но так как диафрагма закрытая,
необходимо учесть упругость воздушной полости. Так же необходимо учесть массу и
упругость самой мембраны. Принципиальная схема акустического датчика
представлена на рисунке 3.13.
Рисунок 3.13 - Электроакустическая аналогия
акустического датчика
mм
- масса мембраны, См - упругость мембраны, Свозд - упругость
воздуха, Р - давление, действующее на мембрану.

- формула упругости, (3.1)
Где Δ - прогиб;
F-сила.

,(3.2)
Где Р - давление;
R - радиус
мембраны;
D - жесткость
мембраны;
m - масса
мембраны.

(3.3)
Жесткость мембраны, жестко
закрепленной по контуру:

,(3.4)
Где E - модуль
упругости;
h - толщина
мембраны;
µ - коэффициент Пуассона.
Подставим (3.4) в (3.2), получим:

;(3.5)
Подставив (3.3) и (3.5) в (3.1),
давление P сокращается
в правой части уравнения и получается окончательное выражение упругости круглой
мембраны, жестко закрепленной по контуру [11]:

(3.6)
Колеблющаяся масса мембраны будет
определяться по формуле:

, (3.7)
Где S - площадь
мембраны;
h - толщина
мембраны;
r
- плотность мембраны.
Упругость воздушного объема:

, (3.8)
Где Vвозд - объем
воздушной полости;

- площадь соединения с микрофоном;
c
- адиабатическая постоянная;
rвозд - статическое давление воздуха в
полости.
Численные значения для диафрагмы с
мембраной:
Е = 5000, модуль юнга для пластиков;
h = 0.3 мм =
0.0003 м, толщина мембраны;
µ = 0.45, коэффициент Пуассона для
пластиков;
R = 28.9 мм =
0.0289 м, радиус по которому закрепляется мембрана;
S = πR2 = 0.0026 м2,
колеблющаяся площадь мембраны;
r
= 700 кг/м3, плотность пластика;

= πr2 = 0.0002 м2,
площадь контакта с микрофоном;
c
= 5/3, адиабата воздуха;
Н = 1.5 мм = 0.0015 м, глубина
диафрагмы;
r = 8.5 мм =
0.0085 м, радиус капсюля микрофона;

= 0.18*10-6 м3,
объем усеченного конуса ( воздушной полости).
Значения материалов и размеров
диафрагмы взяты из соображений применения данной конструкции в медицинских
фонендоскопах.
Общее сопротивление схемы с входной
стороны, изображенной на рисунке 3.13:

;(3.9)
Сопротивление со стороны приемника:

;(3.10)
Отношение воздействия на выходе, к
воздействию на входе является передаточной функцией. Соответственно
передаточная функция данной системы будет равна отношению акустического сопротивления
со стороны приемника к общему акустическому сопротивлению:

,

; (3.11)

;(3.11)`
АЧХ такой схемы будет иметь вид, как
на рисунке 3.14:
Рисунок 3.14 - График АЧХ диафрагмы
с мембраной
Как видно из графика, изображенного
на рисунке 3.14, передаточная функция акустической системы на низких частотах
велика и уменьшается в сторону высоких частот. Это в первую очередь объясняется
размерами диафрагмы и свойствами системы, анализ которых можно произвести,
взглянув на рисунок 3.13 и формулу (3.11)`. Акустическое сопротивление мембраны
складывается из массы и упругости мембраны, к нему добавляется акустическое
сопротивление воздушной полости. Передаточная функция обратно пропорциональна
массе мембраны и обратно пропорционально квадрату частоты.
АЧХ мембраны несомненно будет
оказывать влияние на весь акустический датчик целиком. График АЧХ акустического
датчика изображен на рисунке 3.15.
Общая передаточная функция находится
как произведение передаточной функции закрытой диафрагмы с мембраной (3.10)` на
передаточную функцию электретного микрофона МКЭ-378В, рисунок 3.11. Результат
получен графически.
Рисунок 3.15 - График АЧХ
акустического датчика
Рисунок 3.16 - Акустический датчик,
разрез
.4 Расчет усилителя микрофона
Сигнал поступающий с выхода
электретного микрофона имеет малую амплитуду и всегда нуждается в усилении,
хотя внутри уже есть транзистор, который выполняет предварительное усиление
сигнала. Усилитель выполнен на основе маломощного счетверенного операционного
усилителя LM-124.
ОУ LM-124
выполнен из четырех независимых операционных усилителей с внутренней частотной
коррекцией и высоким коэффициентом усиления, спроектирован специально для
работы от одного источника питания в широком диапазоне напряжений питания.
Характерные особенности:
¾ Наличие внутренней частотной
коррекции;
¾ Большой коэффициент усиления по
постоянному напряжению Кпн=100 дБ;
¾ Большая частота единичного усиления f=1
МГц;
¾ Широкий диапазон напряжений питания
при однополярном 3÷30
В;
при двуполярном ±1,5÷±15
В;
¾ Очень маленький ток потребления,
практически не зависящий от напряжения питания (1 мВт/ОУ при +5 В) 800 мкА;
¾ Малый входной ток Iвх=40
нА;
¾ Небольшая разность входных токов Δ=5
нА;
¾ Малое напряжение смещения Uсм=2
мВ;
¾ Диапазон синфазных входных сигналов
включает напряжение заземления;
¾ Диапазон дифференциального входного
напряжения соответствует напряжению питания;
¾ Большой размер выходного напряжения Uвых=0÷V+
- 1,5 В.
Схема включения типовая для неинвертирующего
усилителя, представлена на рисунке 3.17. Коэффициент усиления для такой схемы
равен:

;
Рисунок 3.17 - Типовая схема
включения LM-124,
неинвертирующий усилитель
3.5 Проектирование передающего
модуля
Исходя из условий портативности
прибора, а так же наличие большого числа акустических датчиков, было предложено
исполнить связь с периферийным ПК с помощью микроконтроллера по интерфейсу RS-232.
Использование микроконтроллера позволит усовершенствовать конструкцию, дополнив
ее возможностью записи на флэш карту. Так же использование микроконтроллера
значительно уменьшает стоимость прибора и позволяет использование прибора со
всеми персональными компьютерами.
Интерфейс RS-232
поддерживается на любом компьютере и синхронизируется через COM порт.
RS-232 - интерфейс передачи информации между двумя устройствами на расстоянии
до 20 м. Информация передается по проводам с уровнями сигналов, отличающимися
от стандартных 5В, для обеспечения большей устойчивости к помехам. Асинхронная
передача данных осуществляется с установленной скоростью при синхронизации
уровнем сигнала стартового импульса.
Устройства для связи по
последовательному каналу соединяются кабелями с 9-ю или 25-ти контактными
разъемами типа D. Обычно они обозначаются DB-9, DB-9, CANNON 9, CANNON 25.
Максимальная скорость передачи потока информации до 20000 бод, но современные
устройства способны работать и на больших скоростях. Не имеет значения на
сколько быстрое (медленное) ваше соединение - максимальное число чтения за
секунду можно установить с помощью используемого программного обеспечения.
При передаче по последовательному
каналу контроль четности может быть использован для обнаружения ошибок при
передаче данных. При использовании контроля четности посылаются сообщения
подсчитывающие число единиц в группе бит данных. В зависимости от результата
устанавливается бит четности. Приемное устройство также подсчитывает число
единиц и затем сверяет бит четности.
Для обеспечения контроля четности
компьютер и устройство должны одинаково производить подсчет бита четности. То
есть, определиться устанавливать бит при четном (even) или нечетном (odd) числе
единиц. При контроле на четность биты данных и бит четности всегда должны
содержать четное число единиц. В противоположном случае соответствует для
контроля на нечетность.
Часто в драйверах доступны еще две
опции на четность: Mark и Space. Эти опции не влияют на возможность контроля
ошибок. Mark означает, что устройство всегда устанавливает бит четности в 1, а
Space - всегда в 0.
Проверка на четность - это
простейший способ обнаружения ошибок. Он может определить возникновение ошибок
в одном бите, но при наличии ошибок в двух битах уже не заметит ошибок. Также
такой контроль не отвечает на вопрос какой бит ошибочный. Другой механизм
проверки включает в себя старт и стоп биты, циклические проверки на
избыточность, которые часто применяются в соединениях Modbus.
Сигнальная линия может находится в двух
состояниях: включена и выключена. Линия в состоянии ожидания всегда включена.
Когда устройство или компьютер хотят передать данные, они переводят линию в
состояние выключено - это установка старт бита. Биты сразу после старт бита
являются битами данных.
Стоп бит позволяет устройству или
компьютеру произвести синхронизацию при возникновении сбоев. Например, помеха
на линии скрыла старт бит. Период между старт и стоп битами постоянен, согласно
значению скорости обмена, числу бит данных и бита четности. Стоп бит всегда
включен. Если приемник определяет выключенное состояние, когда должен
присутствовать стоп бит, фиксируется появление ошибки.
Управление потоком представляет
управлять передаваемыми данными. Иногда устройство не может обработать
принимаемые данные от компьютера или другого устройства. Устройство использует
управление потоком для прекращения передачи данных. Могут использоваться
аппаратное или программное управление потоком. Аппаратный протокол управления
потоком RTS/CTS. Он использует дополнительно два провода в кабеле, а не
передачу специальных символов по линиям данных. Поэтому аппаратное управление
потоком не замедляет обмен в отличие от протокола Xon-Xoff. При необходимости
послать данные компьютер устанавливает сигнал на линии RTS. Если приемник
(модем) готов к приему данных, то он отвечает установкой сигнала на линии CTS,
и компьютер начинает посылку данных. При неготовности устройства к приему
сигнал CTS не устанавливается.
Программный протокол управления
потоком Xon/Xoff использует два символа: Xon и Xoff. Код ASCII символа Xon -
17, а ASCII код Xoff - 19. Модем имеет маленький буфер, поэтому при его
заполнении модем посылает символ Xoff компьютеру для прекращения посылки
данных. При появлении возможности приема данных посылается символ Xon и
компьютер продолжит пересылку данных. Этот тип управления имеет преимущество в
том, что не требует дополнительных линий, т.к. символы передаются по линиям
TD/RD. Но на медленных соединениях это может привести к значительному
замедлению соединения, т.к. каждый символ требует 10 битов.
Два типа устройств RS-232, 1488 и
1489, используются и сейчас. Это ранние представители этого стандарта.
Устройства того времени питались мощными источниками питания, поскольку
согласно стандарту RS-232 передатчики должны были обеспечивать минимальный +5В
сигнал низкого уровня и минимальный -5В сигнал высокого уровня. Эти уровни
сигналов обеспечивали устойчивость к помехам после передачи по проводам к
приемнику. Но это требовало наличие двуполярного источника питания, и поэтому
многие материнские платы включали в себя источник отрицательного напряжения
исключительно для питания устройств типа 1488 или 1489. Модуль связи построен
на микроконтроллере AТ mega 8535.
Включение этого микроконтроллера типовое, показано на рисунке 3.18 с
использованием АЦП с внешним опорным 5В на выводе AREF. Назначение
выводов:
¾ Выводы 1 - 8 порт В, могут
назначаться на ввод или на вывод. Если задействовать интерфейс SPI
(интерфейс, обеспечивающий полный дуплексный обмен данных между двумя контролерами),
то вывод 5 (SS)
предназначен для выбора ведомого контролера. Контролер является ведомым при SS
= 0. Вывод 6 (MISO) - вход
ведущего - выход ведомого. Вывод 7 (MOSI)
- выход ведущего - вход ведомого.
¾ Вывод 8 (SCK)
синхронизирующий;
¾ Вывод 9 (RESET)
- вход предназначенный для осуществления Внешнего сброса управляется сигналом
низкого уровня;
¾ Вывод 10 (UCC)
- плюс напряжение питания;
¾ Вывод 11 (GND)
- общий (минус напряжения питания);
¾ Выводы 12,13 (XTAL2,
XTAL1) - предназначены
для подключения внешнего резонатора, при использовании внешнего генератора
сигнал тактирования подается на выход 12 (XTAL2);
¾ Выводы 14 - 21 - порт D,
могут назначаться на ввод или на вывод. При использовании интерфейса RS
- 232 выводы 14,15 являются соответственно RXD
и TXD TTL
уровня. Выводы 16,17 (INT0,INT1)
могут служить как источниками внешнего прерывания;
¾ Выводы 22 - 29 - порт С, могут
программно назначаться на ввод или на вывод. Если задействовать 2-проводно
последовательный интерфейс то выводы 22, 23 (SCL,
SDA) предназначены для
синхронизации и данных соответственно;
¾ Вывод 30 (AVCC)
- плюс аналоговое напряжение питания;
¾ Вывод 31 (GND)
- общий;
Рисунок 3.18 - Типовое включение AT
mega 8535
¾ Вывод 32 (AREF)
- выход опорного напряжения для АЦП и компаратора;
¾ Выводы 33 - 40 - порт А, могут
программно назначаться на ввод или на вывод. При включении АЦП или компаратора
все выводы являются входами мультиплексора;
В схеме типового включения емкости С1, С2
керамические и включены в непосредственной близи от микроконтроллера для
подавления помех.
Задачи AT
mega 8535:
¾ Принимать сигнал поступающий с
выхода усилителя, при необходимости усиливать;
¾ Оцифровывать акустический сигнал;
¾ Преобразовывать оцифрованный сигнал
для интерфейса RS-232;
¾ Управлять записью сигнала и пунктом
назначения, при необходимости записывать сигнал на флэш карту ММС.
В модуле связи к микроконтроллеру подключен
преобразователь уровней RS
232 TTL - RS
232 COM, который
выполнен на микросхеме MAX232CPE. Типовая схема включения показано на рисунке
3.19.
Назначение выводов:
¾ Вывод 16 (UCC)
- плюс напряжение питания;
¾ Вывод 15 (GND)
- общий (минус напряжения питания);
¾ Выводы 10,11 - вход TTL
уровня;
¾ Выводы 7,14 - выход COM
уровня;
¾ Выводы 8,13 - вход СOM
уровня;
¾ Выводы 9,12 - выход TTL
уровня;
¾ Вывод 9 (RESET)
- вход предназначенный для осуществления внешнего сброса управляется сигналом
низкого уровня;
Рисунок 3.19 - Типовое включение MAX232CPE
4. Расчет экономических показателей
Целью планирования стоимости производства
прибора пассивного акустического контроля дыхательной системы человека является
экономически обоснованное определение величины затрат на его выполнение. Так же
в экономический раздел включен сравнительный анализ затрат на различные
варианты проектируемого прибора оп статье «материалы». В плановую себестоимость
прибора включаются все затраты, связанные с ее выполнением, независимо от
источника финансирования. Так же нужно учесть стоимость разработки программного
обеспечения необходимого для функционирования данного прибора корректно.
Определение затрат на изготовление опытного
экземпляра путем составления плановой калькуляции себестоимости.
Смета затрат проекта определяется по следующим
статьям:
¾ Материалы;
¾ Основная и дополнительная заработная
плата;
¾ Единый социальный налог;
¾ Амортизационные отчисления;
Расчет затрат на проектирование и изготовление
макета
Материалы
В эту статью включается стоимость оборудования и
материалов, необходимых для выполнения проектных работ.
Таблица 1 Расчет затрат по статье «Материалы»
|
№
|
Материалы
|
Цена
с НДС, руб.
|
|
1
|
Фонендоскоп
медицинский × 8
|
800
|
|
2
|
Печатная
плата
|
160
|
|
3
|
Расходные
материалы на крепеж
|
100
|
|
4
|
Информация
в Internet
|
250
|
|
5
|
Операционный
усилитель LM-124
×
2
|
200
|
|
6
|
Резисторы
× 83
|
996
|
|
7
|
Кнопка
КЗ × 8
|
120
|
|
8
|
Диоды
× 6
|
30
|
|
9
|
ТрансформаторТПП237-127/220-50
ОЮО.470.001 ТУ
|
160
|
|
10
|
Гнездо
COM
× 2
|
90
|
|
11
|
Микрофоны
МКЭ-378В × 8
|
280
|
|
12
|
Диодный
мост КЦ405 ТТ3.362.096 ТУ
|
30
|
|
13
|
AT mega 8535
|
55
|
|
14
|
MAX 232 CPE
|
45
|
|
15
|
Корпус
|
300
|
|
16
|
Провода
двужильные 4 м
|
120
|
|
17
|
Конденсаторы
× 50
|
500
|
|
18
|
Жилет
|
300
|
|
19
|
Гнездо
ММС
|
300
|
|
20
|
Карта
ММС 64 Mb
|
230
|
|
21
|
Шнур
СОМ
|
120
|
|
22
|
Экран
ЖК
|
50
|
|
ИТОГО
|
5136
|
Основная и дополнительная заработная плата
К данной статье относится основная заработная
плата исполнителей проекта.
Зная затраты труда по фазам исследования и сроки
выполнения работ, можно рассчитать заработную плату. При этом считается, что
разработкой проекта занимался один человек один месяц (166 часов). Руководитель
работает над проектом 15% времени и занимается планированием и анализом
проекта.
Размер заработной платы устанавливается, исходя
из трудоемкости отдельных видов работ и средней заработной платы участников
проекта. Учитывается районный коэффициент в размере 30% и дальневосточная
надбавка 30%.
дыхательный акустический датчик эллипсоидальный
Таблица 2Расчет расходов по статье «Основная
заработная плата»
|
Исполнитель
|
Трудоемкость,
час
|
Оклад
с РК и ДВ в месяц, руб.
|
Затраты
по з/п, руб.
|
|
Руководитель
проекта
|
25
|
20000
|
3012
|
|
Инженер
|
141
|
15000
|
12741
|
|
ИТОГО
|
15753
|
Расходы на дополнительную заработную плату
рассчитываются по формуле:
,
где
- основная заработная плата,
, получаем:
Принимая
руб.
Единый социальный налог
Единый социальный налог (ЕСН) - это
отчисления во внебюджетные социальные фонды. Единый социальный налог
рассчитывается как процент от основной заработной платы и состоит из следующих
статей:
1. Пенсионный фонд;
. Социальное страхование;
. Медицинское страхование.
Соответственно отчисления составляют 26,2% от
основной заработной платы. Расчет отчислений на социальные нужды производится
по формуле:
В итоге получаем
руб.
Амортизационные отчисления
С учетом износа используемого оборудования
необходимо включить в смету амортизационные отчисления, вычисленные линейным
методом.
Амортизационные отчисления рассчитываются по
формуле:
,
Где П - первоначальная стоимость,
руб;
На - ежемесячная норма амортизации,
%;
А - амортизационные отчисления.
Таблица 3Расчет затрат по статье расходов
«Амортизация»
|
Наименование
оборудования
|
Период
амортизации
|
Ежемесячная
норма амортизации, %
|
Отчисления
(руб/мес)
|
|
ПЭВМ
|
5
лет
|
1,67
|
250
|
|
ИТОГО
|
|
|
250
|
Сметная стоимость проектных работ
Таблица 4Сметная стоимость проектных работ
|
Статья
затрат
|
Сумма,
руб.
|
|
Материалы
Основная заработная плата Дополнительная заработная плата Единый социальный
налог Амортизационные отчисления
|
5436
15753 2363 4746 250
|
|
ИТОГО
|
28575≈28580
|
Расчет затрат на разработку программы для
согласования прибора с ПЭВМ и дальнейшей обработкой собранной информации
Материалы
В эту статью включается стоимость оборудования и
материалов, необходимых для выполнения проектных работ.
Таблица 5Расчет затрат по статье «Материалы»
|
№
|
Материалы
|
Цена
с НДС, руб.
|
|
1
|
Бумага
для принтера
|
200
|
|
2
|
Картридж
|
150
|
|
3
|
Принтер
|
4500
|
|
5
|
Информация
в Internet
|
500
|
|
6
|
Электроэнергия
|
280
|
|
ИТОГО
|
5186
|
Основная и дополнительная заработная плата
К данной статье относится основная заработная
плата исполнителя проекта.
Считается, что разработкой проекта занимался
один человек один месяц (166 часов).
Размер заработной платы устанавливается, исходя
из трудоемкости отдельных видов работ и средней заработной платы участников
проекта. Учитывается районный коэффициент в размере 30% и дальневосточная
надбавка 30%.
Таблица 6 Расчет расходов по статье «Основная
заработная плата»
|
Исполнитель
|
Трудоемкость,
час
|
Оклад
с РК и ДВ в месяц, руб.
|
Затраты
по з/п, руб.
|
|
Инженер
|
166
|
15000
|
15000
|
|
ИТОГО
|
15000
|
Расходы на дополнительную заработную плату
рассчитываются по формуле:
,
где
- основная заработная плата,
, получаем:
Принимая
руб.
Единый социальный налог
Единый социальный налог (ЕСН) - это
отчисления во внебюджетные социальные фонды. Единый социальный налог
рассчитывается как процент от основной заработной платы и состоит из следующих
статей:
4. Пенсионный фонд;
. Социальное страхование;
. Медицинское страхование.
Соответственно отчисления составляют 26,2% от
основной заработной платы. Расчет отчислений на социальные нужды производится
по формуле:
В итоге получаем
руб
Амортизационные отчисления
С учетом износа используемого оборудования
необходимо включить в смету амортизационные отчисления, вычисленные линейным
методом.
Амортизационные отчисления рассчитываются по
формуле:
,
где П - первоначальная стоимость,
руб;
На - ежемесячная норма амортизации,
%;
А - амортизационные отчисления.
Таблица 7Расчет затрат по статье расходов
«Амортизация»
|
Наименование
оборудования
|
Период
амортизации
|
Ежемесячная
норма амортизации, %
|
Отчисления
(руб/мес)
|
|
ПЭВМ
|
5
лет
|
1,67
|
250
|
|
Принтер
|
3
года
|
2,78
|
125
|
|
ИТОГО
|
375
|
Сметная стоимость проектных работ
Таблица 8Сметная стоимость проектных работ
|
Статья
затрат
|
Сумма,
руб.
|
|
Материалы
|
5186
|
|
Основная
заработная плата
|
15000
|
|
Дополнительная
заработная плата
|
2250
|
|
Единый
социальный налог
|
4520
|
|
Амортизационные
отчисления
|
375
|
|
ИТОГО
|
27330
|
Сравнительная характеристика различных
вариантов, предложенных к проектированию
Были предложены следующие варианты реализации
проектируемого прибора:
¾ Два микрофона, соединены через
усилитель с линейным входом звуковой карты ПЭВМ (упрощенный макет);
¾ Восемь микрофонов соединены через
четыре усилителя с четырьмя линейными входам звуковой карты ПЭВМ;
¾ Восемь микрофонов соединены через
усилительный каскад с микроконтроллером AT
mega 8535 MAX
232CPE (проектируемый
вариант) и с СОМ портом ПЭВМ;
Таблица 9 Сравнительная характеристика различных
реализаций проектируемого прибора.
|
Наименование
деталей, с учетом их количества
|
Реализация
1 Стоимость, руб
|
Реализация
2 Стоимость, руб
|
Реализация
3 Стоимость, руб
|
|
|
Микрофон
|
40
|
160
|
160
|
|
|
Фонендоскоп
|
200
|
800
|
800
|
|
|
Операционный
усилитель
|
44
|
172
|
200
|
|
|
Дополнительная
звуковая карта для ПК
|
-
|
11500
|
-
|
|
|
Карта
ММС 64 Mb
|
-
|
-
|
230
|
|
|
Батарейка
9V
|
40
|
80
|
-
|
|
|
Макетная
плата
|
160
|
300
|
160
|
|
|
Резистор
|
106
|
424
|
996
|
|
|
Конденсатор
|
32
|
128
|
500
|
|
|
49Микро-контроллер
|
-
|
100
|
|
Гнездо
jack 3,5 stereo
|
60
|
160
|
-
|
|
Шнур
СОМ
|
-
|
-
|
120
|
|
Корпус
|
150
|
300
|
300
|
|
Экран
ЖК
|
-
|
-
|
50
|
|
Гнездо
ММС
|
-
|
-
|
45
|
|
Кнопки
|
-
|
-
|
120
|
|
Гнездо
СОМ
|
-
|
-
|
90
|
|
Провод
двужильный
|
30
|
120
|
120
|
|
Жилет
|
-
|
300
|
300
|
|
Адаптер
питания
|
50
|
50
|
300
|
|
Материалы
на крепеж
|
150
|
150
|
100
|
|
ИТОГО
|
1062
|
14644≈14650
|
4911≈4910
|
|
|
|
|
|
|
|
5. Проведение эксперимента
В качестве эксперимента был собран упрощенный
макет. Данный макет представляет собой акустический тракт «акустический датчик
- ПЭВМ». В изготовленный макет заложены основные принципы работы проектируемого
прибора.
Сигнал поступающий с двух акустических датчиков,
через усилитель К574УД2 поступает на линейный вход звуковой карты ПЭВМ, где
оцифровывается и записывается в файл формата WAV.
После чего легко обрабатывается программными средствами.
Целью эксперимента является проверка основных
положений при проектировании прибора пассивного акустического контроля
дыхательной системы человека, отработка алгоритмов анализа собранной
информации, проверка акустических датчиков, определение свойств сигнала и определение
необходимого коэффициента усиления сигнала, снятого микрофонов.
Эксперимент проходил в виде процедуры замера
интенсивности излучаемого легкими звука при дыхании. В область грудной клетки
устанавливалась пара акустических датчиков и через усилитель сигнал поступал на
линейный вход звуковой карты ПЭВМ. Для усиления использовался неинвертирующий
усилитель на базе операционного малошумящего двуканального усилителя К574УД2.
Коэффициент усиления составил 1667,7.
В результате эксперимента было выяснено, что
спектр шума легких располагается в низком диапазоне частот, верхняя граница
которого не превышает 2000 Гц. Сам сигнал представляет собой сложный
нестационарный случайный процесс.
Так же в результате эксперимента очень практично
и эффективно проявили себя разработанные в дипломе акустические датчики. Исходя
из расчетов их передаточная характеристика в диапазоне 30-2000 Гц практически
ровна 1 и имеет незначительный перепад, что и было подтверждено практически.
Специфическая конструкция позволила достигнуть необходимой характеристики
направленности и улучшить соотношение сигнал/шум, по сравнению с использованием
одиночного микрофона.
Результаты записи показаны на рисунке 5.1
Рисунок 5.1 - Спектральная плотность мощности шума
легких при дыхании
Заключение
В результате дипломного проектирования был
смоделирован прибор пассивного акустического контроля дыхательной системы
человека. Был собран экспериментальный опытный макет и проверены основные
принципы действия всей системы. Так же были разработаны и опробованы на
практике специализированные акустические датчики.
Было предложено несколько вариантов реализации
прибора и выбран наиболее актуальный и оптимальный вариант, как с точки зрения
экономических показателей, так и технических характеристик.
В целом смоделированный прибор обладает более
эффективной способностью к диагностированию, чем его предшественники,
одновременно в принцип действия заложен огромный потенциал. Сокращено время
аускльтации и увеличено Так же прибор не представляет абсолютно никакой
физиологической опасности, так как не оказывает ни малейшего воздействия на
организм.
Тема дипломного проекта весьма актуальна.
Необходимо продолжать работу в данном направлении и поиск новых методик
диагностики, основанных на этом же принципе действия.
Список литературы
1. Ройтберг
Г.Е., Струтынский А.В. - Лабораторная и инструментальная диагностика
заболеваний внутренних органов - М. Бином-пресс, 1999.
. Ройтберг
Г.Е., Струтынский А.В. - Внутренние болезни. Система органов дыхания - М.
Бином-пресс, 2005.
. Скотт
М. Г., Гроновский А.М. - Прикладная лабораторная медицина - М. Медицина, 2007.
. Курс
лекций под редакцией Судакова К.В. - Физиология. Основы и функциональные
системы - М. Медицина, 2000.
. Диссертация
Шевкун С.А. под руководством Короченцова В.И. - Разработка методов анализа
волновых полей в замкнутых объемах - 2006.
. Шевкун,
С. А. Исследование распространения суммы гармонических сигналов в морской
среде. Молодежь и научно-технический прогресс: Материалы региональной научной
конференции. - Владивосток: Изд-во ДВГТУ, 2002.
. Короченцев,
В. И. Расчет поля точечного излучателя, расположенного в замкнутом объеме.
Доклады IX научной школы-семинара академика Л. М. Бреховских "Акустика
океана", совмещенной с XII сессией Российского акустического общества. -
М.: ГЕОС.- 2002.
. Короченцев,
В. И. Определение координат акустических точечных источников в неоднородных
средах. Доклады IX научной школы-семинара академика Л. М. Бреховских
"Акустика океана", совмещенной с XII сессией Российского
акустического общества. - М.: ГЕОС, 2002.
. Касаткин,
Б. А. Неклассическое решение классических задач акустики. Ин-т проблем морских
технологий. - Владивосток: Изд-во Дальнаука, 2000.
10. Современные
микрофоны. <http://www.chipinfo.ru/>
. Римский-Корсаков
А.В. - Электроакустика - М. Связь, 1973.
. Акустика
для техникумов. Характеристики микрофонов. <http://kazakiy.h11.ru>
. Руководство
по выбору микрофонов. Электретные микрофоны. <http://chem.net>
. Лепендин
Л.Ф. Акустика: Учеб. Пособие для вузов - М. Высш. Школа. 1978.
. Скучик,
Е. Основы акустики - М.: Мир, 1976.
. Селезнев
П.И. Современные аналоговые микросхемы - М. Мир, 2003.
. Операционные
усилители и аналоговые микросхемы. Приложение к журналу «Радио» №7/1999.
. Мячин
Ю.А. Справочник по аналоговым микросхемам. 180 аналоговых микросхем - М.
«Патриот», 1993.
. Дж.М.
Эванс, Б. Берман. Маркетинг. - М. Экономика, 1993
. Семенов
В.М. Экономика предприятия: Учебник.- М.: Центр экономики и маркетинга, 2000.