Общая характеристика ОАО 'Викуловский пассажиравтотранс'

  • Вид работы:
    Отчет по практике
  • Предмет:
    Транспорт, грузоперевозки
  • Язык:
    Русский
    ,
    Формат файла:
    MS Word
    419,26 Кб
  • Опубликовано:
    2013-09-07
Вы можете узнать стоимость помощи в написании студенческой работы.
Помощь в написании работы, которую точно примут!

Общая характеристика ОАО 'Викуловский пассажиравтотранс'

Введение

производственный подразделение подвижной автомобиль

Производственная практика является составной частью процесса подготовки квалифицированных специалистов в области автомобильного транспорта и проводится на базе теоретических знаний, полученных при изучении дисциплин: «Техническое обслуживание автомобилей» и «Ремонт автомобилей».

Целью производственной практики является закрепление и углубление знаний, полученных в процессе обучения, приобретение навыков и умений по всем видам профессиональной деятельности.

В связи с этим задачами практики являются:

изучение одной конкретной модели автомобиля;

-получение практических навыков по монтажно-демонтажным работам;

-ознакомление с организацией и производственной деятельностью предприятия.

В период с 16 ноября 2009 по 9 января 2010 года я проходил производственную практику на ОАО «Викуловский пассажиравтотранс», в качестве практиканта.

Автотранспортное предприятие является одним из градообразующих предприятий моего родного села и во многом благодаря этому, Викуловский район уже многие годы занимается перевозками пассажиров в Тюменской области. Автотранспортное предприятие начало свою работу в 1954г. и 31 августа 2009г. отмечал 55-тилетие.

1.Общие сведения о предприятии

Таблица.

Наименование предприятия: Открытое акционерное общество «Викуловский пассажиравтотранс»

Реквизиты

Почтовые: 627571 Тюменская область, c.Викулово, ул. Зырянова 15


Тел./факс (34557) 2-50-30, 2-50-29


Платежные: ИНН 7213004468, КПП 721301001, ОКПО 81317753, ОКВД 60.31.1.50.20


Таблица. Персонал

Число рабочих и водителей

Средняя квалификация рабочих и водителей

Число ИТР

Всего

Ремонт. обсл.

Вспом.

Водители

Ремонт.-обсл.

Водители

Инженеры

Контр. Механики


9

8

28

Автослесарь 3-4 и 5 разрядов

1 и 2 кл.

1

3

49


Таблица. Подвижной состав

Подвижной состав

Автобусы, маломестные

Автобусы, междугородные

Итого


шт.

%

шт.

%

шт.

%

Кол-во марок п/с

12

75

3

25

15

100

Кол-во единиц п/с

12

75

3

25

15

100

пасс/вмест. (чел)

288

65

126

35

414

100


1.1 Назначение предприятия, его основные производственные подразделения, их функции и взаимосвязь

В настоящее время предприятие обслуживает 17 автобусных маршрутов: 9 пригородных, 6 междугородных, 2 внутрипоселковых. Общая протяженность маршрутной сети составляет около двух тысяч километров.

На предприятии трудится 28 водителей. 4 слесаря, токарь, газоэлектросварщик, 3 контрольных механика, 1 диспетчер, кондуктор, контролер, инженер, 3 бухгалтера, экономист.

Директор предприятия является доверенным лицом Российского государства, единоначальником и отвечает за результаты деятельности всего предприятия.

На директора возложены ответственные обязанности: обеспечение выполнения предприятием государственного плана по всем количественным и качественным показателям; организация материально-технического снабжения, научная организация труда на предприятии; руководство работой по внедрению новой техники и технологии, совершенствованию транспортного процесса и выполнению предприятием обязательств перед государственным бюджетом и банком. Вопросы подбора и подготовки кадров, охраны тру да и техники безопасности, жилищного и социально-культурного строительства требуют также пристального и постоянного внимания со стороны руководителя предприятия. Вместе с тем директор предприятия в соответствии с Положением о социалистическом государственном производственном предприятии наделен и большими правами. Он устанавливает структуру аппарата управления, утверждает трансфинплан на основе заданий вышестоящей организации в пределах, предусмотренных законом, вносит изменения в план, принимает заказы на перевозки от других организаций, вносит изменения в титульные списки строительства, утверждает и в случае необходимости изменяет проектные задания и сметно-финансовые расчеты на строительство отдельных объектов.

Директор предприятия в своей работе опирается на коллектив трудящихся и общественные организации, и многие вопросы решает совместно или по согласованию с профсоюзной организацией предприятия. К числу этих вопросов прежде всего относятся вопросы, связанные с использованием поощрительных фондов, удовлетворением жилищных и культурно-бытовых нужд, охраной труда и техникой безопасности.

Внутри АТП выделяются автоколонны, цехи и участки, осуществляющие непосредственно перевозки, техническое обслуживание и ремонт подвижного состава.

Главный инженер который является его техническим и хозяйственным руководителем. Он организует процесс производства, обеспечивает строгое соблюдение технологической дисциплины и высокое качество технического обслуживания и ремонта транспортных средств,создает условия для выполнения рабочими плановых заданий и обязательств, обеспечивает соблюдение на своем участке правил техники безопасности и охраны труда работающих, борется за соблюдение трудовой дисциплины, чистоты и порядка на рабочих местах, участвует в пересмотре в установленном порядке норм выработки и расценок, внедряет технически обоснованные нормы, принимает меры к недопущению перерасхода фона.

Эксплуатационная служба АТП организует свою работу на основе установленного плана перевозок для обслуживаемых предприятий и организаций по видам грузов и грузоотправителям, а также плана пассажирских перевозок. Она изыскивает возможности для наиболее рационального осуществления этих перевозок с наименьшими затратами. Поэтому эксплуатационная служба главное внимание уделяет обеспечению всемерного развития централизованной системы перевозок в городах и районах, а также в междугородном и межрайонном сообщении как важнейшему условию полного и своевременного обслуживания предприятий и организаций и наиболее эффективного использования транспортных средств. На пассажирских автотранспортных предприятиях служба эксплуатации на основе всестороннего изучения потребностей призвана обеспечить более полное удовлетворение нужд населения в автобусных перевозках.

Диспетчерская подготавливает путевые листы по каждому выпускаемому на линию автомобилю на предстоящий день работы и выдает их шоферам, осуществляет, контроль за выпуском автомобилей на линию в целом по предприятию и по колоннам и составляет оперативный суточный отчет, вносит в суточные планы перевозок сведения о фактическом выпуске автомобилей на линию. Принимает от шоферов путевые листы и товарно-транспортные документы, осуществляет контроль за правильностью заполнения их, за данными о величине пробега автомобилей и массе перевезенного груза, указанными в путевых листах, определяет на основе первичной обработки путевых листов объем произведенной работы по каждому автомобилю, осуществляет оперативный учет выполнения плана и производит расчеты за перевозку.

Техническая служба АТП уделяет главное внимание вопросам поддержания транспортных средств в технически исправном состоянии и обеспечения развития производственной базы, а также осуществляет руководство материально-техническим снабжением предприятия. Для выполнения этих задач в ведении технической службы, возглавляемой

Главный инженер, руководит гаражами (зона хранения) и мастерскими, в составе которого имеются производственные участки и бригады по техническому обслуживанию и ремонту подвижного состава.

Главными задачами технической службы предприятия являются:

организация надлежащего хранения подвижного состава, обеспечивающего высокую техническую готовность его к работе и своевременность выпуска автомобилей на линию, и прием их, а также разработка и решение вопросов, связанных с укреплением производственно-технической базы предприятия;

оперативное планирование всех видов технического обслуживания и ремонта автомобилей и автомобильных шин, организация выполнения этих работ и контроля за их качеством, проведение технического учета и отчетности по подвижному составу, автомобильным шинам и другим производственным фондам;

руководство всей совокупностью работ по обеспечению нормального материально-технического снабжения предприятия, организации хранения, выдачи и учета топлива, запасных частей' и других материальных ресурсов, разработка и осуществление мероприятий по более рациональному использованию их.

Экономист. На основе систематического проведения анализа работы предприятия, автоколонн и других подразделений и исходя из заданий государственного плана экономическая служба определяет пути, по которым должны разрабатываться технические и организационные мероприятия, направленные на повышение технической готовности подвижного состава и совершенствование эксплуатационной и коммерческой деятельности предприятия.

Бухгалтерия проводит учет наличия средств распоряжение предприятия, сохранности и уровня использования их, организует выполнение финансового плана, проверяет состояние финансового хозяйства предприятия, проводит большую оперативную работу по организации расчетов с клиентурой поставщиками и финансовыми органами, организует первичный учет расходования материальных ресурсов и денежных средств.

Главный бухгалтер является государственным контролером на предприятии. Он несет ответственность за целесообразность и законность расходования средств, и соблюдение финансовой дисциплины.

1.2 Общая организационная структура

Схема

2. Мероприятия по технике безопасности на рабочем месте, производственной санитарии, пожарной профилактике, охране окружающей среды на рабочем месте

Таблица

п/п

Мероприятия

Срок исполнения

Ответственный за исполнение

1.

Проведение вводного инструктажа и инструментов на рабочем месте

Пост. при пр. на работу

Гл.специалисты Начальники цехов

2.

Проверка правил пожарной безопасности и Электра - безопасности

1 раз в квартал

Гл. механик

3.

Об. персонала, обслуж. механизмы и транспорт безопасным методом работы

Февраль 2010 год

Гл. специалисты

4.

Проведение проф. осмотров работающих

I раз в 6 мес.

Руков. Подраз. в согласии с врачом

5.

Проверка наличия пожарных щитов, их комплектности на объектах хозяйства

1 раз в 3 мес.

Общественные инспектора участков

6.

Проверка наличия и срока годности огнетушителей на объектах хозяйства

1 раз в б мес.

Руководители подразделений

7.

Под. автобусов к сезону (укомплек. их перв. средствами пожаротушения)

Июль 2010 год

Гл. механик бригадир

8.

Осущ. контроля за чистотой двиг. автобусов, и нал. средств пожара -тушения

Постоянно в теч. сезона

Гл. механик бригадир

9.

Проверка готовности газовой котельной к отопительному сезону

Август 2010 год

Гл. механик спец. «Газсервиса»

10.

Периодическая проверка знаний правил ТБ, пожарной и эл. безопасности руководителями подразделений

Декабрь 2010 год

Комиссия урса «Газпрома»


Описание работы

Я проходил производственную практику в ОАО «Викуловский пассажиравтотранс» с 16 ноября 2009 года по 9 января 2010 года. На различных участках хозяйства, связанных с ремонтом, техническим обслуживанием, проведением не сложных диагностических работ, разборкой-сборкой двигателей и других узлов и агрегатов, а также прочих работах, касающихся автомобилей.

. Индивидуальное задание

Таблица. Перечень постовых работ по текущему ремонту двигателя

Наименование и содержание работы

 Кол. мест возд.

 Место вып.

 Приборы, инструменты, приспособления

Технические требования

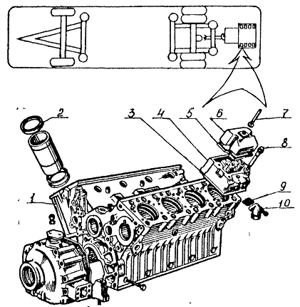
 Снятие головки цилиндра

 1.

 Откройте дверку отсека двиг., люк заливной гор.

 3

 Сверху сзади, слева

 Ключ (2.28)

2.

 Откройте крышку люка над двигателем

 1

 В салоне, сзади

 

 Работу выполнять только при замене головок цилиндров и прокладок 2, 3, 4, 7 и 8

 3.

Откройте кран системы отопления, снимите паровоздушную пробку 3 расширительного бачка 5, отверните пробку 22 и слейте охлаждающую жидкость из системы отопления и охлаждения (См. рис. 1)

3

Св. в отсеке двиг. и рад.

Ключ гаечный открытый 22 мм (2.4), емкость (4.7), резиновые перчатки (5.22)

 

4.

Ослабьте винты крепления хомутов и снимите трубу водяную соединительную

3

Св. в отсеке двигателя

Отвертка 6,5 мм (2.4), ключ гаечный открытый 13 мм (2.4)

 

5.

Отсоедините тягу ГМП от рычага 10 (См. рис. 2)

1

То же

Пассатижи (2.4)

Работы 5 -7 необходимо вып. только при замене головок цилиндров левого ряда

6.

Отсоедините трубопроводы от пневматических цилиндров 11 и 14 и отведете их в сторону

2

Св. в отсеке двигателя

Ключ гаечный открытий 17 ми (2.4)

-

7.

Выверните болты крепления с шайбами, отсоедините кронштейн крепления пневматических цилиндров в сборе и отведите его в сторону

4

То же

То же

 

8.

Ослабьте винты крепления хомутов и снимите шланг отвода охл. жидкости в системе отопления автобуса

3

 

Отвертка 6,5 мм (2.4), ключ гаеч. От. 13 мм (2.4)

 

9.

Отсоедините от фильтра тонкой очистки топлива топливопроводы: подводящий 11 к ТНВД ; к фильтру тонкой очистки 12; отводящие от фильтра тонкой очистки; отводящий 13 от ТНВД (См. рис. 5)

4

Св. в отсеке двигателя

Ключ гаечный открытый 19 мм (2.4)

Работы 9, 10 необходимо выполнять при замене головок цилиндров и прокладок правого ряда двигателя

10.

Отв. болты креп. и снимите фильтр тонкой оч. топ.

3

То же

То же

-

11.

Выверните болты крепления выпускного коллектора, снимите коллектор и прокладку коллектора

3

Сн., в салоне, в отсеке дв.

Ключ гаечный кольцевой 17 мм (2.4)

12.

Снимите шланг угловой, соединяющий патрубок впускных коллекторов с соединительной трубой воздушного фильтра

1

В салоне

Отвертка 6,5 мм (2.4)

 

13.

Отсоедините от патрубка впускного коллектора электромагнитный клапан

1

То же

Ключ гаечный открытый 10 мм (2.4)

 

14.

Отверните болты крепления и снимите патрубок впускных коллекторов, прижимы для крепления топлив. и электроп. факельных свечей и прокладки

5

 

Ключ гаечный открытый  17 мм (2.4), головка см. 17 мм (2.4), ключ (2.26)

 

 15.

Выверните болт с шайбой скобы крепления топлив. высокого давления, снимите скобу с прокладками

4

Сверху

Ключ гаечный открытый 13 мм (2.4)

-

16.

Отверните соединительные гайки топливопровода 8 высокого давления от штуцера топливного насоса высокого давления (ТНВД) и форсунки 6, снимите топливопровод снимаемой головки (См. рис. 5). После снятия топлив. поставьте тех. пробку в штуцер ТНВД

3

 

Ключ гаечный открытый 19 мм (2.4), пробка (5.18)

 

17.

Выверните болты крепления с шайбами впускного коллектора и водораспределительной трубы на снимаемой головке и ослабьте крепление болтов на других головках. Для снятия головок цилиндров правого ряда предварительно снимите с двигателя компрессор. Порядок вып. см. раб. 4 - 12 карта №33

4

Св. в отсеке двигателя

Ключ гаечный открытый 13 мм (2.4), головка сменная 13 мм (2.4), ключ (2.26)

 

18.

Выверните болты 3 крепления с шайбами дренажной труб. 4 фор. и отсоедините ее от форсунок (См. рис. 9)

4

То же

Ключ гаечный открытый 14 мм (2.4)

 

19.

Отверните гайку 2 скобы крепления форсунки, снимите скобы 1и форсунку в сборе с упл. кольцом 8

4

Св. в отсеке двигателя

Ключ гаечный открытый 17 мм (2.4)

 

20.

Отверните болт 7 крепления с плоскими шайбами, сним. крышку 6 головки цилиндра и прокладку 5 (

3

Сверху

Ключ гаечный кольцевой 13 мм (2.4)

 

21.

Отверните гайки с шайбами и снимите стойку с коромыслами в сборе

3

 

Ключ гаечный открытый 17 мм (2.4)

-

22.

Выньте штанги толкателей

2

 

-

-


Рис. 10. Головка цилиндра: 1 - блок цилиндров, 2 - кольцо стольное, 3 - прокладка головки цилиндров, 4 - головка цилиндров, 5 - прокладка крышки, 6 - крышка головки цилиндра, 7 - болт крепления крышки, 8 - болт крепления головки цилиндра, 9 - прокладка, 10 - патрубок глушителя.

Дифектация:

Заменяем деталь на новую или исправную из ремонтного фонда

Рис. 1 - сторона впуска, 2 - сторона выпуска, 1, 2, 3, 4 - порядок затяжки болтов.

Заключение

В период прохождения практики я заметил, что в процессе эксплуатации автомобиля его свойства постепенно ухудшаются следствии изнашивания, коррозии, снижают эффективность его использования. Для предупреждения появления дефектов и своевременного их устранения автомобиль подвергают техническому обслуживанию и ремонту. При выполнении индивидуального задания по разборке, сборке и дифектации двигателя ЛИАЗ-5256, я пришел к выводу, что особенно велика трудоемкость этих работ и необходимость использования специализированного оборудования (стенды, измерительные приборы и т.д.) и что ведет к простоям и затратам. Наилучший выбор если будет проводиться своевременное диагностирование и техническое обслуживание и ремонт подвижного состава автомобильного транспорта что позволит содержать автомобильный парк в исправном состоянии и снизит его простой.

Установить фиксатор маховика в нижнее положение. Упирая ломик поочередно в ребра насосного колеса гидротрансформатора и, поворачивая коленчатый вал, установить его в положение, при котором фиксатор войдет в углубление на маховике.

Проверить положение регулировочной шкалы (лимба) ведомой полумуфты привода ТНВД (Рис.7). Если шкала вверху, то клапаны регулируются по схеме положение 1, если внизу - по схеме положения П (Рис. 11а).

Для того, чтобы перевести механизм из положения 1 в положение П необходимо провернуть коленчатый вал на один оборот.

В соответствии с приведенной на рис. 11 а схемой в 1 положении (лимб вверху) регулируются зазоры впускных клапанов 1-го, 3-го и 8-го цилиндров и выпускных клапанов 1- го, 4-го, 5-го и 8-го цилиндров.

Во втором положении (лимб внизу) регулируются зазоры впускных клапанов 2-го, 4-го, 5-го и 6-го цилиндров и выпускных клапанов 2-го, 3-го, 6-го и 7-го цилиндров.

Список использованной литературы

.Крупицкий, В.И. Справочник молодого слесаря

.Ачкасов, К.А. Справочник начинающего слесаря/К.А. Ачкасов, В.П. Вегера. - М.: Агропромиздат, 1998г.

.Макиенко, Н.Н. Общий курс слесарного дела/Н.Н, Макиенко. - М.: Высшая школа, 1984г.

.Карагодин, В.И. Устройство и техническое обслуживание автомобилей: учеб. пособие для водителей/ В.И. Карагодин, С.К.

Похожие работы на - Общая характеристика ОАО 'Викуловский пассажиравтотранс'

 

Не нашли материал для своей работы?
Поможем написать уникальную работу
Без плагиата!
Без нейросетей!