Исправление пути на пучинах

  • Вид работы:
    Практическое задание
  • Предмет:
    Транспорт, грузоперевозки
  • Язык:
    Русский
    ,
    Формат файла:
    MS Word
    416,03 Кб
  • Опубликовано:
    2013-11-16
Вы можете узнать стоимость помощи в написании студенческой работы.
Помощь в написании работы, которую точно примут!

Исправление пути на пучинах

Федеральное Агентство Железнодорожного транспорта

Уральский Государственный Университет Путей Сообщения

Кафедра: «Путь и железнодорожное строительство»








ЛАБОРАТОРНАЯ РАБОТА №5

По теме:“ Исправление пути на пучинах”


Выполнил

студент гр. ЭД-231

Аплеев Даниил

Проверил

преподаватель

Кожевникова Н.И.




Екатеринбург

Пучинами называется общее или местное поднятие поверхности в результате промерзания грунта и увеличение в объеме замерзающей в нем воды, как первоначально задержавшейся, так и поступившей в процессе промерзания из более теплых слоев.

Пучины представляют собой искажения положения рельсошпальной решетки в профиле и по уровню, вызванные неравномерным морозным пучением грунтов. В зависимости от геологических и гидрогеологических условий, а также от характера промерзания земляного полотна при неравномерном вспучивании могут образоваться прямые и боковые пучины.

К прямым относятся горбы, впадины и перепады, боковые пучины бывают односторонние и перекосные (рис. 3.15). Высота их достигает 100 м и более.

Рис. 1. Разновидности пучин:

а -пучинный горб; б -пучинная впадина; в - пучинный перепад; г - перекосная пучина; д - односторонняя пучина; I-II-левая и правая нити; 1, 2 соответственно летнее и зимнее положение пути; 3-пучинные подкладки; РР - величина равномерного пучения; РГ, РВ , РП , РОД - высота пучинного горба, впадины, перепада, односторонней пучины

Исправление пути на пучинах заключается в устройстве плавных отводов от мест с неравномерным пучением, укладкой подкладок различной толщины между металлической подкладкой и деревянной шпалой (железобетонные шпалы на пучинистых участках не укладывают). Так как пучины в течение зимы растут медленно, а в весенне-летний период опускаются постепенно исправлять путь приходится несколько раз как в период роста, так и в период осадки пучин. Особенно возрастает число исправлений па скоростных направлениях железных дорог, где приходится устраивать более пологие уклоны отводов.

Для устройства отводов от пучин применяют следующие виды пучинных подкладок: карточки, башмаки, короткие нашпальники, полусквозные нашпальники, сквозные нашпалышки. Карточки имеют толщину I; 1,5; 3; 5; 8; 10; 15; 20; 25 мм, длина их принимается равной длине металлических подкладок. Толщина башмаков принята 25; 30; 40 и 50 мм, длина в зависимости от типа рельсов-от 300 до 400 мм. Короткие нашпальники имеют толщину 50; 60; 70; 80; 90мм, длину-от 400 до 500 мм. Толщина полусквозных и сквозных пашпальников принята 50; 60; 70; КО; 90; 100; 110мм, длина - соответственно 800 и 2400 мм. Карточки толщиной до 1,5 мм изготовляют из листовой стали, остальные карточки, башмаки и нашпальники - из березы, дуба, осины, сосны, бука, а толщиной 3-15 мм делаю из березовой фанеры или дуба. Во всех пучинных подкладках просверливаю отверстия диаметром 25 мм для костылей.

Рис. 2 Схема устройства отводов от пучинного горба на участках со скоростями движения поездов до 100 км/ч.

Рис. 2 Схема устройства отводов от пучинного горба на  участках со скоростями движения поездов более 100 км/ч.

Между концами отводов от двух рядом расположенных горбов должна быть разделительная площадка длиной не менее 10 м (рис. 3).

Рис. 3. Схемы устройства отводов от двух рядом расположенных пучинных горбов с разделительной площадкой между ними при скоростях движения поездов: а - до 100 км/ч; б - более 100 км/ч.

Если пучинные горбы расположены близко, рельсовые нити между концами отводов поднимают на пучинные подкладки и устраивают разделительную площадку длиной не менее 10 м (рис. 4).

Рис. 4. Схемы устройства отводов от двух рядом расположенных пучинных горбов с разделительной площадкой между ними при скоростях движения поездов: а - до 100 км/ч; б - более 100 км/ч.

Если такой возможности пег, переходят с горба на горб уклоном не круче i1, при скоростях до 120 км/ч и не круче i3, при скоростях 121-160 км/ч (рис. 5).


При устройстве отводов выбирают вид пучинной подкладки в зависимости от высоты пучения и плана пути (табл.1). В таблице даны рекомендации по применению нормальных и пучинных (удлиненных) костылей. Кроме того, при исправлении пути на пучинах необходимо выполнять следующие правила:

под каждую металлическую подкладку можно укладывать не больше двух карточек, при этом общая толщина их должна быть меньше следующей по сортаменту пучинной подкладки;

на башмак или нашпальник можно укладывать только одну карточку, причем общая толщина их должна быть меньше следующей по сортаменту подкладки;

в прямых участках пути отводы на односторонних и перекосных пучинах сначала делают на рельсовой нити с большей высотой горба, а вторую нить исправлять по уровню;

на кривых участках сначала нужно исправлять наружную нить, а затем внутреннюю, если же внутреннюю нить вспучило больше наружной, исправляют обе нити одновременно;

при осадке пучин весной отводы сначала устраивают по той нити, которая меньше осела, а на кривых участках - по внутренней нити;

укладку пучинных подкладок при росте пучин надо производить от горба к концу отвода, а при осадке - от конца отвода к горбу; отвод по обеим рельсовым нитям сначала делают с одной стороны пучины, а затем с другой;

кроме костылей, прикрепляющих рельсы, металлические и пучинные подкладки к шпалам, должны забиваться обшивочные костыли в шпалы у торцов башмаков и коротких нашпалышков и дополнительные костыли для прикрепления полусквозных и сквозных нашпальников через просверленные в них отверстия;

При исправлении пути на пучинные подкладки последовательность выполнения работ следующая. Очищают путь от снега на всем фронте работ, выдергивают дополнительные и третьи костыли. С помощью оптического прибора или визирок устанавливают длину отвода от горба по одной рельсовой нити. Толщину пучинных подкладок на каждой шпале по первой рельсовой нити определяют оптическим прибором или визирками, по второй нити- с помощью уровня и записывают ее мелом на шейке рельса (учитывая толщину лежащих в пути подкладок). Подбирают и раскладывают по концам шпал новые пучинные подкладки, пластинки-закрепители и при необходимости - пучинные костыли.

По окончании подготовительных работ бригада приступает к устройству отвода по одну сторону горба. При исправлении пучин высотой до 50 м отвод сначала устраивают по первой, а затем по второй рельсовой нити. Наддергивают костыли на 10-30 мм на шести концах шпал впереди по ходу работ и трех сзади (при осадке пучин наддергивают костыли на трех концах шпал впереди и двух сзади). Расшивают полностью один конец шпалы, на которой будет укладываться первая пучинная подкладка. Вывешивают рельс гидравлическим домкратом или рычажным прибором, удаляют старые пучинные и путевую подкладки, ставят пластинки-закрепители, зачищают постель шпалы, укладывают новые пучинные и путевую подкладки, пришивают рельс к шпале двумя костылями, не добивая их на 10 30 мм. Затем поддергивают костыли на одном конце шпалы впереди, добивают костыли на одном конце шпалы сзади по ходу работы и в таком порядке продолжают работы по устройству всего отвода сначала по одной, а зачем по второй рельсовой нити.

Состав бригады при пучинах высотой до 25 мм-два-три, до 50 мм-четыре-пять, более 50мм-восемь монтеров пути. При высоте пучин более 50 мм восемь монтеров пути разбиваются на две бригады по 4 чел., которые одновременно исправляют путь по обеим рельсовым нитям.

Последовательность работ сохраняется такая же.

К заключительным работам относятся: добивка костылей, устранение неисправностей по уровню, шаблону и направлению, появившихся после пропуска поездов, забивка трех основных и дополнительных костылей, прикрепление башмаков и коротких нашпальников обшивочными, а полусквозных и сквозных нашпальников пришивочными костылями, уборка мусора.

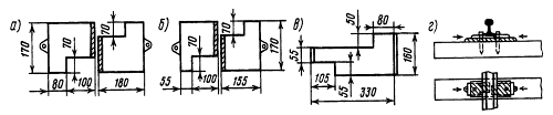
Для пропуска поезда по месту работ устраивают временный отвод с использованием инвентарных карточек толщиной 1; 1,5; 2; 3; 4; 5; 6; 7; 8; 9; 12; 15; 18; 21 мм. Карточки толщиной до 9 мм изготовляют из металла, остальные - из дуба, обитого листовым железом. Они бывают составные и цельные (рис. 6).

Рис. 6 Инвентарные карточки: а - для рельсов Р75, Р65 (составные); б - для рельсов Р50 (составные); в - для рельсов Р50, Р43 (цельные)

Составные карточки заводят под металлическую подкладку одновременно с обеих сторон, цельные - с одной стороны и прикрепляют рельс к шпале костылями.

Для исправления пучин на пути с раздельным скреплением используют регулировочные прокладки толщиной 3; 5; 7 и 9 мм, изготовленные из кордонита или древесины. Укладывают их между подошвой рельса и металлической подкладкой.

Литература

 Путевое хозяйство. / Под ред, И.Б. Лехно.- М.: Транспорт, 1981.- 447 с.

Тихомиров В.И. Содержание и ремонт железнодорожного пути: Учебник для техникумов. -4-е изд. Перераб. и доп. -М.: Транспорт, 1987.-336с.

Каменский В.Б., Горбов Л.Д. Справочник дорожного мастера и бригадира пути. М.:Транспорт, 1986.-487с.


Не нашли материал для своей работы?
Поможем написать уникальную работу
Без плагиата!
Без нейросетей!