Тензометричні датчики. Магнітні підсилювачі. Електромагнітні реле

  • Вид работы:
    Контрольная работа
  • Предмет:
    Физика
  • Язык:
    Украинский
    ,
    Формат файла:
    MS Word
    94,29 Кб
  • Опубликовано:
    2013-10-23
Вы можете узнать стоимость помощи в написании студенческой работы.
Помощь в написании работы, которую точно примут!

Тензометричні датчики. Магнітні підсилювачі. Електромагнітні реле

Міністерство освіти і науки України

Українська державна академія залізничного транспорту

Навчально-науковий інститут перепідготовки та підвищення кваліфікації кадрів

Кафедра "Будівельні матеріали, конструкції та споруди"







Контрольна робота

з дисципліни "Автоматика та автоматизація виробничих процесів"

Перевірив доц. Плугін Д.А.

Розробив слухач: Завора О.В., ЗС-12 ш.6233








Харків, 2013

Зміст

Вступ

1. Тензометричні датчики (тензорезистори)

Дротові тензометричні датчики

Напівпровідникові тензометричні датчики

Фольгові тензометричні датчики

2. Магнітні підсилювачі зі зворотним зв'язком

Зворотний зв'язок у нереверсивних магнітних підсилювачах

Магнітні підсилювачі із зовнішнім зворотним зв'язком

3. Електромагнітне реле та галузь їх використання

Типи реле

Галузь застосування електромагнітного реле

4. Системи автоматичного регулювання (САР) та галузь їх використання

5. Автоматизація монтажних робіт

Список літератури

Вступ


Сучасний розвиток усіх галузей народного господарства можна охарактеризувати широким втіленням автоматизації у виробничі процеси у всіх галузях народного хазяйства, в тому числі і в будівництві.

Автоматизація виконує велику роль у підвищенні продуктивності праці та обладнання. Вона дозволяє виконувати більш раціональні технологічні процеси та значно скоротити час виготовлення продукції, при цьому поліпшити якість продукції, забезпечити надійність обладнання, скоротити витрати електроенергії, забезпечити мінімальні витрати матеріалів, поліпшити культуру виробництва, зменшити кількість обслуговуючого персоналу та значно підвищити ефективність виробництва.

Підвищення технічного рівня персоналу та полегшення праці при автоматизації виробництва сприяє зникненню різниці між фізичною та розумовою працями.

Для подальшого розвитку автоматизації виробництва велике значення має знання основ автоматики та автоматичних систем, а також принцип дії машин та обладнання.

1. Тензометричні датчики (тензорезистори)


Для зміни деформацій у деталях машин і механізмів застосовуються датчики спеціальних конструкцій, які звуться тензометричних датчиків або тензометрів. Основною вимогою тензодатчиків - це мінімальні габарити й вага, для того щоб установка не впливала б на величину деформації деталі й тензометр міг відтворювати швидку зміну деформацій. Зміна активного опору провідників при їхній механічній деформації називається тензоефектом.

Область застосування тензодатчиків:

1) вимір тисків;

) вимір рівня рідини;

) вимір прискорення 4;

) вимір зосереджених сил і т.д.

Широке поширення одержали:

1) дротові;

) напівпровідникові;

) фольгові;

) плівкові.

Тензочутливість - це відношення величини відносної зміни його опору до відносної зміни лінійного розміру дроту:

, (1.4.9)

де  - характеризує собою зміна геометричних розмірів;

μ - коефіцієнт Пуассона;- коефіцієнт зміни питомого опору матеріалу зі зміною його геометричних розмірів.

, (1.4.10)

Де d - опір проведення;- початкова довжина деформуємої ділянки проведення.

Малюнок 1 - Характеристика проведення

Дротові тензометричні датчики

Дротові тензодатчики засновані на зміні опору дроту діаметром 0,01 - 0,05 мм, складена у вигляді петлеобразної ґрати (спіралі) з константанового дроту між склеєними смужками тонкого паперу. Датчик же приклеюється до деталі, деформацію якої потрібно виміряти. Зміна опору тензодатчика відбувається при розтяганні або стиску, а також при зміні питомого опору дроту під впливом механічних напруг.

Малюнок 2 - Дротовий тензометричний датчик

1- деталь; 2 - папір; 3 - константановий дріт.

Для дротових тензодатчиков виконаних з константанового дроту m=2, R=2000 Ом, деформація не більше 0,3%, база - 5-30 мм, максимальна температура 500°С.

Переваги:

1) простота конструкції;

) мала температурна залежність;

) безінерційність;

) стабільність;

) відсутність гістерезису.

Недоліки:

1) мала чутливість;

) температурна погрішність.

Для приклеювання тензометричних датчиків до деталі використається клей БФ-2 або БФ-4, а для захисту від вологості здійснюють герметизацію за допомогою металевих кожухів, гумових покриттів і т.д.

Напівпровідникові тензометричні датчики

Напівпровідникові тензодатчики (малюнок 1.4.11) являють собою пластини, до яких приєднані металеві виводи і які наклеєні на паперову підкладку.

Малюнок 3 - Напівпровідниковий тензометричний датчик

Розміри напівпровідникового тензодатчика повинні бути:

1) довжина нитки l - 40-60 мм;

) діаметр d - 1-2 мм;

) ширина смужки b - 4-6 мм;

) товщина - 1-30 мм.

Матеріали:

1) германій;

) кремній;

) анти монид індію;

) арсенід галію.

Переваги:

1) великий вихідний сигнал;

) великий термін служби;

) малі розміри;

) висока тензочуттєвість.

Недоліки:

1) мала механічна тензочуттєвість;

) наявність гістерезису;

) нестійкі характеристики.

Типи напівпровідникових тензодатчиков:

1) без підкладки;

Малюнок 4 - Напівпровідниковий тензодатчик без підкладки

) з масивними затискачами;

тензометр магнітне реле підсилювач

Малюнок 5 - Напівпровідниковий тензодатчик з масивними затискачами

) з U-образним тензочуттєвим елементом.

Малюнок 6 - Напівпровідниковий тензодатчик з U-образним тензочуттєвим елементом

Фольгові тензометричні датчики


Фольгові тензодатчики мають ґрати, не круглого, а прямокутного перетину, виготовляються з тонких смужок фольги товщиною 4-12 мікронів, методом фототравлення, і можуть мати розмиту форму, наприклад розетки. Робочий струм 200 ма, опір R 30-250 Ом.

Матеріали:

1) золото-срібло;

) медноникелеві сплави.

Для приклеювання використається цемент типу Котинского, при цьому датчик можна багаторазово використати шляхом відклеювання його при нагріванні деталі.

2. Магнітні підсилювачі зі зворотним зв'язком


Pобота магнітних підсилювачів заснована на використанні властивостей феромагнітних матеріалів. Ці властивості, відомі з курсу фізики. Якщо по обмотці, розташованої на сердечнику з феромагнітного матеріалу, проходить електричний струм, то в сердечнику виникає магнітне поле. Це магнітне поле в осерді характеризується напруженістю і магнітною індукцією. Принцип роботи магнітних підсилювачів заснований на зміні у феромагнітних матеріалах магнітної проникності для змінного струму при наявності підмагнічуючого постійного струму. Тому шляхом незначної зміни вхідного сигналу у вигляді постійного струму можна значно змінювати величину індуктивного опору, включеного в більш потужну ланцюг змінного струму.

Зворотний зв'язок у нереверсивних магнітних підсилювачах


Для підвищення коефіцієнта підсилення МП і їхньої швидкодії можна вводити позитивний зворотний зв'язок (ПЗЗ) у МП. Зворотний зв'язок може бути зовнішньої й внутрішньої. Зовнішній ЗЗ може виконаються як по струму, так і по напрузі.

Зовнішній ЗЗ виконується за допомогою спеціальної обмотки, що накладається на сердечники в такий же спосіб, як обмотки керування.

Внутрішній ЗЗ виконується шляхом включення одичних випрямлячів послідовно з робочими обмотками.

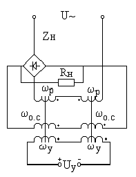
Магнітні підсилювачі із зовнішнім зворотним зв'язком


Малюнок 7 - Схема магнітного підсилювача із зовнішнім зворотним зв'язком по струму

На малюнку струм навантаження надходить в обмотки ЗЗ - Wо. с. з'єднані аналогічно обмоткам керування Wу. Струм Iн в обмотках Wос створюється додатковий магнітний потік ЗЗ, напрямок якого постійно й визначається полярністю підключення обмоток ЗЗ до випрямляча. Якщо потоки Фо. с. і Фу складаються, то ЗЗ уважається позитивною. Якщо потоки діють назустріч один одному, то МП має негативний зворотний зв'язок (НЗЗ).

Перехід від ПЗЗ до НЗЗ у МУ здійснюється при зміні полярності керуючого сигналу Uу. Навантаження постійного струму Rн включені послідовно з обмотками ЗЗ Wос. Навантаження змінного струму Zн включаються до випрямляча, тобто випрямляч служить для здійснення ЗЗ. Іноді при навантаженні на постійному струмі для одержання ЗЗ використаються окремий випрямляч, що підвищує стабільність характеристики МП, тому що створюються полегшені умови роботи.

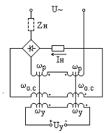
Малюнок 8 - Схема магнітного підсилювача із зовнішнім зворотним зв'язком по напрузі

Отже, магнітний підсилювач із внутрішнім зворотним зв’язком має більший ККД і коефіцієнт підсилення за потужністю, що призводить до збільшення добротності. При однакових розмірах осердь підсилювач з внутрішнім зворотним зв’язком має вихідну потужність майже у півтора рази більшу, ніж підсилювач із зовнішнім зворотним зв’язком. Окрім цих досягнень підсилювачі з внутрішнім зворотним зв’язком мають меншу кількість обмоток, а в деяких випадках і меншу кількість діодів (вентилів). Тому в наш час переважне застосування (особливо в потужних підсилювачах) отримав внутрішній зворотний зв’язок. Зовнішній зворотний зв’язок застосовують в тих малопотужних підсилювачах, де головною вимогою є стабільність роботи.

Магнітні підсилювачі, застосовуються в вимірювальній і обчислювальній техніці. На принципі роботи магнітних підсилювачів заснована робота так званих трансформаторів постійного струму

3. Електромагнітне реле та галузь їх використання


Реле - це пристрій, що автоматично здійснює стрибкоподібне перемикання вихідного сигналу під впливом керуючого сигналу, що змінюється безупинно в певних межах.

Реле - це проміжний елемент, що пускає в хід одну або кілька керованих електричних ланцюгів при впливі на реле певних електричних сигналів керуючого ланцюга.

Малюнок 9 - Схема реле

Х - контрольована величина;

Д - датчик;

Р - реле;

К - контакт;

ИУ - виконавчі пристрої.

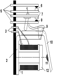
Малюнок 10 - Електромагнітне нейтральне реле постійного струму з поворотним якорем

-        каркас із обмоткою;

2-      ярмо;

-        виводи обмотки;

-        колодка;

-        контактна пружина;

-        контакт, що замикається

-        рухливі контакти;

-        розмикальний контакт;

-        зворотна пружина;

-        якір;

-        штифт отлипання;

-        сердечник.

Електромагнітне реле виконує наступні функції:

         гальванічна розв’язка між колом керування реле і колом навантаження реле

-        розмноження одного керуючого сигналу на декілька вихідних сигналів

         посилення потужності керуючого сигналу

         незалежне керування декількома вихідними колами з різними рівнями струму і напруги (різними потужностями)

         перетворення і нормування рівнів електричних сигналів.

 

Типи реле


Типи реле класифікуються по наступних основних ознаках:

1) по призначенню (керування, захисту й сигналізації);

) за принципом дії:

а) електромеханічні, електромагнітні нейтральні, електромагнітні поляризовані, магнітоелектричні, електродинамічні, індукційні, електротермічні;

б) магнітні безконтактні;

в) електронні;

г) трігерні (безконтактно - електронні);

д) фотоелектронні;

е) іонні.

3) що заміряють величину, що:

а) електричні: струму, напруги, потужності, опору, частоти, коефіцієнта потужності;

б) механічні: сили, тиску, швидкості, переміщення, рівня, обсягу;

в) теплові: температури, кількості тепла;

г) оптичні: сили світла, довжини хвилі, прозорості;

д) акустичні: сили звуку;

е) фізичні величини часу, в'язкості й ін.

4) по потужності керування:

а) малопотужні з потужністю керування, ;

б) середньої потужності, ;

в) потужні, Рупр? 10Вт.

5) за часом спрацьовування:

а) безінерційні ;

б) швидкодіючі ;

в) уповільнені tср = (0,15¼1) cек;

г) реле часу .

Галузь застосування електромагнітного реле


Найбільше круг задач реле визначився на початку 60-х років. Реле були потрібні для створення лабораторного оснащення, систем зв’язку, комп’ютерних інтерфейсів, домашніх електроприборів, систем кондиціонування повітря, автомобільної електроніки, керування дорожніх рухом та інше. Функції, які виконує реле. Електромагнітне реле є електричним ключем, який керуються за допомогою електромагнітна. При протіканні електричного струму через котушку реле переключаються один або декілька ізольованих від котушки електричних контактів, комутуючи загрузку реле. Електромагнітне реле можна вважати універсальним комутатором аналогових та імпульсних сигналів.

4. Системи автоматичного регулювання (САР) та галузь їх використання


Завданням автоматичного регулювання є підтримання в певних межах або на постійному рівні того чи іншого параметра (температури, тиску, витрат та ін) технологічного процесу. Під дією зовнішнього впливу, що обурює відбувається відхилення регульованого параметра від заданого значення. Автоматичний регулятор створює регулюючу дію, за знаком протилежний відхиленню параметра.

Малюнок 11 - Укрупнена функціональна схема САР

Такий тип зв'язку називається негативним зворотним зв'язком. Таким чином, система автоматичного регулювання (САР) - це замкнута динамічна система з негативним зворотним зв'язком. Даний принцип регулювання по відхиленню регульованого параметра (принцип Ползунова) використовується при побудові практично всіх САР теплопотребляючих систем. У теорії автоматичного регулювання розглядається також принцип регулювання по обурює впливу і комбінований принцип регулювання, які, як правило, не застосовуються при автоматизації систем теплоспоживання.

САР можна класифікувати за призначенням:

САР стабілізуючого регулювання;

САР стежить регулювання;

САР програмного регулювання.

САР стабілізуючого регулювання, звана також термостатом, підтримує регульовані параметри стабільними, постійними, наприклад, регулювання температури води системи підлогового опалення.

САР стежить регулювання забезпечує зміну регульованого параметра в залежності від зміни іншого параметра, наприклад, зміна температури теплоносія системи опалення в залежності від зміни температури зовнішнього повітря (за графіком ЦКР).

САР програмного регулювання змінює значення регульованого параметра в часі за заданою програмою, наприклад, автоматичне зниження температури повітря у виробничому приміщенні в неробочі періоди.

САР називають замкнуту динамічну систему, що складається з об'єкта регулювання ОР і автоматичного регулятора.

САР, взаємодіючих між собою. Об'єктом регулювання ОР називають установку або технологічний комплекс, в якому відбувається зміна регульованого параметра під впливом змін навантаження (збурюючих впливів) або керуючої дії автоматичного регулятора. Автоматичним регулятором називають пристрій, що забезпечує підтримку регульованого параметра в об'єкті регулювання на задається рівні, або його зміна за що задається законом або залежно від іншого параметра. Автоматичний регулятор включає в себе безпосередньо регулятор, а також виконавчий пристрій.

5. Автоматизація монтажних робіт


Питома вага монтажних робіт в будівництві збільшується з кожним роком. Поряд зі зниженням маси окремих конструкцій вони укрупнюються і доводяться до максимальної заводської готовності. Прогрес монтажу базується також на подальшому зростанні рівня комплексної механізації, розвитку автоматизації застосуванні прогресивних технологій і організаційних форм виконання процесу.

Складним (комплексним) робочим процесом називають сукупність простих процесів, які технологічно й організаційно пов'язані єдиною кінцевою продукцією (наприклад, монтаж збірних конструкцій каркаса будинку). Залежно від ступеня механізації розрізняють такі робочі процеси: автоматизовані, частково автоматизовані, комплексно механізовані, механізовані, частково механізовані та ручні.

В останній час монтажні роботи стали значною складовою частиною будівництва. Завдяки новим розробкам постійно знижують масу окремих конструкцій, що дозволяє збільшувати кількість великогабаритних блоків. Застосовують безкрановий монтаж, заснований на використанні домкратних підіймачів та вертольоти. Все ширше застосовують радіопрограм не управління кранами. Одночасно в кабіні машиніста крана монтують телевізор.

Список літератури


1. Исаев А.К. Автоматизация и механизация работ на транспортном строительстве: Учебное пособие для техникумов транспортного строительства. - М., 1989. - 264 с.

. Исаев К.С. Вопросы автоматизированного управления ремонтами железных дорог. - М., 1980.

. Автоматика и автоматизация производственных процессов / Под ред. К.С. Исаева. - К.: Вища школа, 1985.

. Основы автоматизации транспортного строительства / Под ред. К.С. Исаева. - М.: Транспорт, 1978.

. Нечаев Г.К. Автоматика и автоматизация процессов: Учебное пособие для строительных ВУЗов. - К.: Вища школа, 1985. - 279 с.

. Нечаев Г.К. Электрические измерения и автоматический контроль. Учебное пособие для строительных ВУЗов специальности "Автоматизация и комплексная механизация строительства". - К.: Вища школа, 1985. - 135 с.

Похожие работы на - Тензометричні датчики. Магнітні підсилювачі. Електромагнітні реле

 

Не нашли материал для своей работы?
Поможем написать уникальную работу
Без плагиата!
Без нейросетей!