Статистически неопределимые системы и физика усталости разрушения
Контрольная работа
Статистически неопределимые системы и
физика усталости разрушения
Содержание
1. Основные понятия и определения
2. Статистически неопределимые системы, работающие на растяжение и
сжатие
3. Статистически неопределимые задачи на кручение
4. Статистически неопределимые задачи на изгиб
5. Метод сил
6. Использование свойств симметрии при раскрытии статистической
неопределимости
7. Физика усталости разрушения
Литература
1. Основные
понятия и определения
Статистически неопределенной является такая механическая
система, в которой число неизвестных превышает число статистических уравнений.
Порядок статистической неопределимости равен разности числу неизвестных реакций
связи число уравнений статистических равновесия.
= N1 - N2 (6.1)
Для раскрытия статистической неопределимости мы должны
использовать уравнения совместимости деформаций. Подавляющая часть современных
конструкций зданий, сооружений, машин и т.д. являются статистически
неопределимыми.
2.
Статистически неопределимые системы, работающие на растяжение и сжатие
Целью использования статистически неопределимых систем в
технике, является для увеличения прочности и жесткости.
. Статически неопределимая система, у которой все связи
сходятся в одной точке.
Рис. Статически неопределимой системы, у которой все связи
сходятся в одной точке.
Степень
статической неопределимости рассматриваемой системы
= 3 - 2 = 1
Рассмотрим условия статистического равновесия. Используем метод сечения.
Рис. Схема статистического равновесия
(6.2)
После преобразований можно записать
(6.3)
Рассмотрим условия совместности деформаций
неопределимый физика усталость разрушение
Рис. План перемещений
В прямоугольном треугольнике
Выражая удлинения через продольные силы, получим
После преобразований уравнение совместности деформаций примет
следующий вид
(6.4)
Три уравнения (6.2) - (6.4) образуют систему неоднородных линейных
алгебраических уравнений относительно
.
. (6.5)
После некоторых преобразований получим
.
. Статически неопределимые системы с параллельными связями
Рис. Статически неопределимая система с параллельными связями
Для определения степени статической неопределимости можно
воспользоваться тремя уравнениями равновесия для плоской системы сил
1 =
4-3=1
или использовать одно условие равновесия в моментах относительно
точки
2 =
2-1=1.
Наиболее простое решение имеет место во втором случае.
Рассмотрим условия статистического равновесия. Используем метод сечения и рассечем
стержни 1 и 2, заменив действие отброшенной части продольными силами
.
Рис. Схема статистического равновесия
Рассматривая условие равновесия в моментах относительно точки
, можно получить уравнение, аналогичное
(6.2) и (6.3)
,
. (6.6)
Рассмотрим условия совместности деформаций
Рис. План перемещений
После
введения следующих обозначений
из подобия треугольников ∆ABB’ и ∆ACC’ можно получить
условие совместности деформаций в виде
После
перехода к продольным силам получаем условие совместности деформаций в
окончательном виде
. (6.7)
Совместное
решение (6.6) и (6.7) позволяет получить
Для проверки используем уравнение статического равновесия в
моментах относительно точки А:
.
. Стержни, жестко заделанные на границах
Рис. Стержень, жестко заделанный на границах
1.
Вычисляем
степень статистической неопределимости:
= 2-1 =1
2.
Отбросим
лишнюю связь. Прикладываем неизвестную реакцию X. Если предположить, что X нам
известно, то тогда данная система полностью эквивалентна исходной статически
неопределимой системе, будем называть эквивалентной системой.
3.
Перемещение
в направление отброшенной связи должно быть равно 0. Это и есть уравнение
совместности деформации.
(6.8)
. Выразим через X продольные силы для каждого участка.
1.
Используем
выражения для продольных сил при вычислении удлинений стержней
1.
После
подстановки этих выражений в зависимость (6.8) можно определить реакцию Х

Следующие этапы решения задачи не чем не отличаются от расчетов
статистически определимых систем, так как X=3F/5 можно считать внешней
нагрузкой.
Для последнего примера произведем дополнительно учет нагрева
второго стержня на
○. На участке (2) происходит удлинение, как
за счет упругих деформаций, так и за счет температурного расширения.
Где aсталь =125*10-4 1/○K,
aалюминий=240*10-4 1/○K
С учетом отмеченных особенностей уравнение совместности деформаций
(6.8) может быть записано в следующем виде
Статистические неопределимые системы с зазором и натягом. По технологическим или конструктивным
причинам в технике используются зазоры и натяги. С учетом этого уравнение
совместности деформаций (6.8) может быть записано в следующем виде
где
- величина зазора (знак положительный)
или натяга (знак отрицательный).
Аналогичной зависимостью могут быть записаны и для двух первых
примеров.
3.
Статистически неопределимые задачи на кручение
Применение статически неопределимых систем, работающих на
кручение, позволяет повысить прочность и конструктивную надежность целого ряда
технических систем. Одним из примеров практического использования таких систем
является планетарный редуктор, позволяющий при малых габаритах передавать
значительную мощность при большом передаточном отношении. При кручении в
поперечном сечении действует только один внутренний силовой фактор - крутящий
момент, что делает рассматриваемые задачи очень близкими аналогичным задачам на
растяжение и сжатие (рис. 6.9.)
Рис. Статически неопределимые стержни, работающие на кручение
(а) или на растяжение и сжатие (b)
1.
Вычисляем
степень статистической неопределимости:
= 2-1 =1
2. Отбросим одну из связей и заменим ее действие крутящим моментом
(рис.6.10).
Рис. Эквивалентная система в статически неопределимых задачах на
кручение
. Перемещение в направление отброшенной связи должно быть равно 0.
Это и есть уравнение совместности деформации.
(6.9)
. Выразим через X продольные силы для каждого участка.
1.
Используем
выражения для крутящих моментов при вычислении углов закручивания участков
стержня
1.
После
подстановки этих выражений в зависимость (6.9) можно определить реакцию Х
Следующие этапы решения задачи не чем не отличаются от расчетов
статистически определимых систем, так как X=2Т/3 можно считать внешней
нагрузкой. Суммарная эпюра крутящих моментов показана на рис.6.11.
Рис. Эпюра крутящих моментов для статически неопределимой балки
Порядок дальнейшего решения задач прочности и жесткости при
кручении практически не отличается от статически определимых задач, изложенных
в разделе 4.
4.
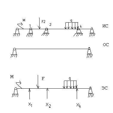
Статистически неопределимые задачи на изгиб
В природе и в технике широко используются статистически
неопределимые балки и рамы, работающие на изгиб.
1.
Определяем
степень статической неопределимости системы, работающей на изгиб
=N1 - N2 или n=4-3=1
Формируем основную систему. Основная система может быть образована
из исходной системы, путем отбрасывания "лишних” связей. Число таких
лишних связей равно степени статической неопределимости системы
. Может быть отброшена любая связь. В
рассматриваемом случае отбросим шарнирно подвижную опору
и введем неизвестную реакцию этой
”лишней" связи
(рис.6.12).
1.
Для
получения эквивалентной системы к основной системе прикладываем все внешние
нагрузки и неизвестную реакцию связи X. Эквивалентно системе это основная
система, которая приложена к внешней нагрузке и к реакции связи. Эквивалентная
система тождественна исходной системе, после вычисления X.
Рис. Схема статически неопределимой балки, грузовая,
вспомогательная и суммарная эпюры
Уравнение совместности деформаций в рассматриваемом примере
требует, чтобы прогиб в точке
был равен нулю
. В терминах перемещения это выглядит следующим образом
. (6.10)
где
- перемещение в точке
под действием единичной силы;-
неизвестная реакция отброшенной связи;
- перемещение в точке
под действием внешних нагрузок.
Воспользуемся способом Верещагина для вычисления коэффициентов
при построенных грузовой и вспомогательной
эпюрах
После подстановки этих коэффициентов в уравнение совместности
деформаций находим реакцию
Дальнейший порядок вычислений точно такой же, как и в
статистически определимых задачах на изгиб. После предварительного определения
координаты сечения стержня с экстремальным значением изгибающего момента
можно вычислить значения суммарного изгибающего момента в трех
точках.
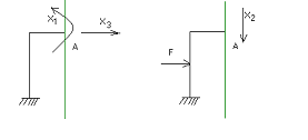
5. Метод сил
Обобщим изложенный подход на
"лишних” связей. В методе сил каждое разрешающее уравнение
по своей сути это есть условие совместности деформации, записанное для точек 1,
2, и т.д. (рис.6.13).
Запишем это условие для первой точки. Сумма перемещений этой точки
складывается из следующих составляющих:
- перемещение точки 1 от внешних нагрузок;
- перемещение от силы
, действующей в направлении первой отброшенной связи;
Рис. Расчетная схема метода сил
(6.11)
Система (6.11) известна как уравнения метода сил. Это система
неоднородных линейных алгебраических уравнений порядка
.
(6.12)
Матрица [A] симметрична по теореме о взаимности
перемещений. Матрица, как правило, редко заполнена, т.е. содержит много нулей.
Ненулевые элементы матрицы [A] расположены вблизи диагонали, в этом
случае рассматриваемая матрица называется ленточной. Указанные особенности
значительно облегчают хранение и решение система неоднородных линейных
алгебраических уравнений.
6.
Использование свойств симметрии при раскрытии статистической неопределимости
Значительная часть современных конструкций обладает свойством
симметрии. Вероятно, источником является симметрия в природе.
На симметричные конструкции могут воздействовать симметричные
и кососимметричные нагрузки (рис. 6.14).
Рис. Симметричные конструкции при воздействии симметричных и
кососимметричных нагрузок
Из трех внутренних силовых факторов, действующих в точке
пересечения плоскости симметрии с конструкцией, можно образовать две группы.
. Это X1, X3 (внутренние силовые
факторы отброшенной части, вызывают симметричное деформирование).
Рис. Особенности симметричного и кососимметричного нагружений
симметричных конструкций
1.
Это
кососимметричное деформирование, связанное с X2.
Таким образом, если симметричная конструкция нагружена
симметрично, то X2=0. (X2 - приводит к кососимметричному
деформированию). Если на конструкцию действует кососимметричная нагрузка, то X1,X3=0.
Под усталостной прочностью конструкций мы будем понимать
прочность конструкции при действии переменных нагрузок (с ней связано до 10%
отказов в работе).
Усталостной прочностью на практике стали заниматься в XIX веке в связи с
крушениями на железных дорогах, и в I половине ХХ века в морском флоте.
Использование колеса в колесной паре отличается от использования
колеса на полуоси тем, что на вал действуют переменные нагрузки.
7. Физика
усталости разрушения
Аналогичная задача встречается в системах валов и называется
трансмиссией.
Усталостные разрушения сопровождаются образованием и
развитием трещин. Этот процесс включает несколько этапов:
1. Преобладают изгибающие моменты.
Зарождение трещины:
Трещина зарождается в районе наличия дефектов в
кристаллической решетке в виде примесей (типа серы, фосфора и т.п.).
. При достижении некоторой глубины напряжение заметно снижается;
рост трещины в направлении к центру прекращается.
. Трещина развивается на поверхности.
. Рост к центру.
. Разрушение наступает мгновенно при исчерпании запаса прочности.
Классификация циклов нагружения при усталостном напряжении.
Циклом напряжений называют совокупность их значений за
определенный период.
Рассмотрим более общий случай изменения напряжений:
Классификация:
. Симметричный:
.
Положительный Отрицательный
Пульсирующий
. Знакопеременный несимметричный.
Наряду с усталостью при изгибе в технике часто встречается
усталость при кручении.
На практике для характеристики цикла используется коэффициент
асимметрии цикла.
Испытание образцов на усталость (на выносливость).
Предел выносливости.
Данная кривая характеризует материал.
N - число циклов.
Если образец выдержал 10 циклов, то он выдержит и большее
количество циклов.
-1 -
предел выносливости - напряжение, соответствующее 107 циклов
нагружения при симметричном цикле нагружения.
Влияние на усталостную прочность концентраторов напряжения.
- теоретический коэффициент концентрации напряжений. Не зависит
от свойств материала.
Действ. влияния концентраторов кроме aТ определяют еще и экспериментально.
Необходимо два предела выносливости:
1. для стандартного образца без концентраторов: (
-1).
. для стандартного образца с концентратором данного типа. (
)
- Эффективный коэффициент концентрации напряжений, получаемый
экспериментальным путем.
Так как при определении
в большинстве случаев используется закон Гука, то есть материал
считается линейным, поэтому
всегда больше чем
.
Это происходит за счет того, что реальный материал обладает той
или иной степенью пластичности.
Пусть
.
. 
.4 Влияние на усталостную прочность качества поверхности.
- коэффициент выносливости для образца с заданной поверхностью.
- стандартный образец полированной поверхности.
1 - полированная поверхность;
- шлифованная поверхность;
- чистовая механообработка;
- черновая механообработка;
- необработанная поверхность;
- поверхность после коррозии.
С целью повышения усталостной прочности применяются следующие
технологические процессы:
. электрохимическая обработка поверхности (хромирование и т.п.).
. электролитическое нанесение защитных слоев.
. нанесение остаточных сжимающих напряжений при обкатке роликом.
Влияние на усталостную прочность размеров поперечного сечения.
- предел выносливости образца с диаметром d>10.
- предел выносливости стандартного образца.
Коэффициент, учитывающий влияние масштабного фактора.
Образец большего диаметра имеет большую площадь опасного
поперечного сечения и большее количество микродефектов, являющихся причинами
трещин.
Коэффициент запаса по усталостной прочности.
Литература
1. Феодосьев
В.И. Сопротивление материалов. Изд.9. - М.: Наука, 1986.
2. Лихарев
К.К., Сухова Н.А. Сборник задач по курсу " Сопротивление материалов” - М:
Машиностроение, 2000.
. Феодосьев
В.И. Избранные задачи и вопросы "Сопротивление материалов”. - М.: Наука,
2000.
. Сопротивление
материалов. (Под ред.Г.С. Писаренко), 5-е изд. Киев, Высшая школа, 2006.
. Биргер
И.А., Мавлютов Р.Р. Сопротивление материалов, - М.: Наука, 2006.
. Биргер
И.А., Мавлютов Р.Р. Сопротивление материалов, - М.: Изд-во МАИ, 1996.
. Александров
А.В., Потапов В.Д., Державин Б. П Сопротивление материалов. - М.: Высшая школа,
1995.
. Степин
П.А. Сопротивление материалов. - М.: Интеграл пресс, 2008.
. Подскребко
М.Д. Сопротивление материалов. - Минск: Дизайн Про, 1998.
. Ицкович
Г.М. Сопротивление материалов. - М.: Высшая школа. 2008.