Создание нового образца мехатронной системы
СОДЕРЖАНИЕ
Введение
. Исходные данные для
курсового проектирования
. Расчетно-конструкторская
часть
.1 Расчет основних усилий,
моментов, действующих в системе
.2 Расчет мощности двигателя
скипового подъемника
.3 Выбор двигателя
.4 Выбор редуктора
.5 Расчет широтно-импульсного
преобразователя (ШИП)
.6 Расчет основных
статических параметров двигателя
.7 Динамический расчет
электропривода
.8 Расчет выпрямителя
источника питания
.9 Расчет и выбор параметров
сглаживающего фильтра
.10 Расчет трансформатора
источника питания
Заключение
Список литературы ( к
приложению 2.)
Введение
Мехатронная система (МС) - это неразделимая совокупность механических,
электромеханических и электронных узлов, в которых осуществляется
преобразование и обмен энергии, информации. В современных мехатронных системах
преобразование движения одного или нескольких тел в требуемые движения других
тел осуществляется системой тел (деталей), называемых механизмом. Механизмы
входят в состав машин - технических систем (ТС) и предназначены для осуществления
механических движений по преобразованию потоков энергии, силовых
взаимодействий, необходимых для выполнения различных рабочих процессов. Часто
силовой основой МС является электропривод постоянного или переменного тока [1],
формирующий управляемую электромехническую систему широкого назначения. Для
электромехнических систем управления характерна тесная взаимосвязь
электромеханической части с энергетическим каналом питания и каналом
управления, что обуславливает ожидаемые характеристики проектируемого
устройства часто в равной степени всеми функциональными звеньями. Управляемые
комплексы с электрическим приводом (система, состоящая из двигателя и связанных
с ним устройств приведения в движение одного или нескольких исполнительных
механизмов, входящих в состав МС) получили название электромеханических систем
(ЭМС).
Создание нового образца МС обычно сопровождается использованием в
разнообразных вариантах гибких технологических решений. Разновидностью этого
принципа является модульный подход. Модули могут легко соединяться, образуя
сложные технические системы, разъединяться, заменяться с целью формирования ТС
с другими компонентами и техническими характеристиками при необходимости
модернизации, ремонта. В общем случае модуль характеризуется конструктивной и
технологической завершенностью, обладает строго фиксированными параметрами
(функциональными характеристиками, геометрическими размерами), принадлежащими
заранее установленным параметрическим типоразмерным рядам.
1. Исходные данные для курсового проектирования
Разработать систему управления электроприводом скипового подъёмника
наклонной шахты, обеспечивающую следующие проектные технические характеристики:
- Масса груза 210 кг;
- вес скипа Gск = 3000 Н;
диаметр колеса скипа DК = 0,25 м;
диаметр цапфы осей колес DЦ = 0,06 м;
высота подъёма h = 120 м;
скорость подъема скипа VП = 1,6 м/с;
скорость спуска скипа VС = 1,8 м/с;
скорость вращения двигателя nд = 1500 об/мин.;
время паузы после спуска и подъёма равно t0 = 36 секунд;
коэффициент трения в цапфе m = 0,1;
коэффициент трения качения колеса по рельсу f = 0,06 см;
коэффициент, учитывающий трение реборды колеса о рельс, К =
1,35;
угол наклона рельсового полотна a = 15°;
коэффициент полезного действия барабана и передачи h = 0,9;
приведенный к валу двигателя маховой момент, обусловленный
массами барабана, направляющего колеса, каната и редуктора, составляет 2,1 кГ×м2.
время переходного процесса замкнутой системы [tпп] = 0,15с;
перерегулирование [s%] = 50 ¸ 60%.
-
рельсовое полотно; 2 - СКИП; 3 - направляющее колесо; 4 - канат;
-
барабан; 6 - редуктор; 7 - электродвигатель; 8 - щит управления.
Рисунок 1.1.
- Функциональная схема разрабатываемого устройства
В качестве усилительно-преобразовательного устройства применить
ШИП-преобразователь с управлением от микро ЭВМ (PIC - контроллера) или другого
программируемого устройства, задающего режим работы электропривода скипового
подъемника. Усилительно-преобразовательное устройство; микро ЭВМ, аппарат
защиты и устройства подключения к напряжению сети ~ U, частотой 50 Гц располагаются в
герметичном щите управления.
2. Расчетно-конструкторская часть
.1 Расчет основных усилий, моментов, действующих в системе [2]
Рисунок 2.1 - Силы, действующие на скип
.1.1 Сила, действующая на канат,
обусловленная весом скипа с грузом
кан = G·sina,
где G - вес скипа с грузом, G = 5060 Н;
a - угол наклона, a=15о.кан
= (3000 + 210·9,81)·sin15° =1310 H.
2.1.2 Сила, действующая на колеса скипа
кол = G·cosa.
Fкол = (3000 + 210·9,81)·cos15° = 4888 Н.
2.1.3 Сила, действующая на канат, обусловленная
трением реборд и колес о рельсы и трением в цапфах колес
где К - коэффициент, учитывающий трение реборды колеса о рельс, К=1,35;-
радиус колеса, Rk = 12,5 см; m - коэффициент трения в цапфе, m = 0,1;ц - радиус цапфы, rц = 3 см; f - коэффициент трения
качения колеса по рельсу, f=0,06 см.
2.1.4 Суммарная сила, действующая на канат
тяги = Fкан + Fтр .
тяги = 1310+ 190 = 1500Н;
2.1.5 Приведенный к валу двигателя статический
момент
,
где
- скорость подъема,
= 1,6
м/с;
- угловая
скорость вращения двигателя,
= 157
рад/с;
h - КПД, h = 0,93.
Н·м.
.1.6 Приведенный к валу двигателя момент инерции
от поступательно движущихся масс скипа с грузом
.
кГ·м2.
2.1.7 Суммарный маховый момент скипового
подъемника, приведённый к валу двигателя
кГ·м2.
.2 Расчет мощности двигателя скипового подъемника
Спуск и подъём скипа производятся с различной скоростью. Паузы после
спуска и подъема равны 25с каждая. Для учёта потерь при пуске и торможении
эквивалентная мощность электродвигателя, определяемая статической нагрузкой,
должна быть увеличена на 15%.
2.2.1 Полезное усилие в тросе при подъеме
нагруженного скипа
пол = (Gск + Gг)·sina.
пол = (3000 + 210·9,81)·sin15о = 1310 Н
2.2.2 Дополнительное усилие, необходимое для
преодоления трения качения, составит
Н.
2.2.3 Дополнительное усилие, необходимое для преодоления трения
скольжения в цапфах
.
Н.
2.2.4 Дополнительное усилие в тросе,
обусловленное трением при подъеме скипа с учётом трения в ребордах
тр = K·(Fкач + Fск).
тр = 1,35·(23,46 + 121,44) = 195,6 Н
2.2.5 Полное усилие в тросе при подъеме груза
= Fпол + Fтр.
= 1310+ 195,6 = 1505,6 Н.
2.2.6 Мощность, развиваемая двигателем при
подъеме
.2.7 Время подъема скипа
2.2.8 Полезное усилие в тросе при
спуске порожнего скипа
’пол = - Gck·sina.
’пол = - 3000·sin 15о= -776,5Н.
2.2.9 Усилие, необходимое для преодоления трения
качения
.
Н.
2.2.10 Усилие необходимое для преодоления трения
скольжения в цапфах
.
Н.
2.2.11 Усилие в тросе, обусловленное трением при
спуске порожнего скипа с учётом трения в ребордах
’тр
= K·(F’кач + F’ск).
F’тр
= 1,35·(13,9 + 72) = 90,8 Н.
2.2.12 Полное усилие в тросе при спуске
порожнего скипа
’ = F’пол + F’тр.
’ = -776,5+ 195,6 = -580,9.
2.2.13 Мощность двигателя при спуске порожнего
скипа
2.2.14 Время спуска порожнего скипа, с
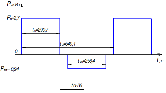
Построение графика расходуемой мощности на валу двигателя, при помощи
которого можно определить эквивалентную мощность.
Рисунок
2.2 - График расходуемой мощности на валу двигателя
2.2.15 Эквивалентная мощность
.
кВт.
2.2.16 Номинальная мощность двигателя
Рн
= 1,4·Рэкв.
Рн
= 1,4·2,85 = 3,99 кВт, что позволяет принять Рн = 4кВт.
2.3 Выбор двигателя
.3.1 Предварительный выбор двигателя обычно
производят из справочной литературы [3, 4] по результатам расчёта номинальной
мощности с запасом в 2кВт:
Таблица 2.1. - Параметры выбранных двигателей
|
Тип двигателя
|
Uном
|
nном
|
Рн
|
Rя
|
Iном
|
η
|
|
В
|
об / мин
|
кВт
|
Ом
|
А
|
--
|
|
П-41
|
220
|
3000
|
6
|
0,193
|
33
|
0.825
|
|
П-51
|
220
|
1500
|
6
|
0,34
|
33
|
0,825
|
|
2ПН160LУ4
|
220
|
1000
|
6
|
0,34
|
32,6
|
0,835
|
|
П-62
|
220
|
750
|
6
|
0,351
|
39,5
|
0,81
|
Окончательно требуется выбрать только один из четырех двигателей. Для
этого необходимо построить энергетические характеристики каждого, а затем по
необходимым условиям и параметрам выбрать соответствующий тип двигателя
скипа-подъемника.
2.3.2 Определение характеристик двигателя
Для построения энергетической характеристики каждого двигателя необходимо
рассчитать следующие параметры:
номинальную угловую скорость двигателя
,
где
n - номинальная частота вращения двигателя.
рад/с.
рад/с.
рад/с.
рад/с.
номинальный
вращающий момент двигателя
.
Н·м.
Н·м.
Н·м.
Н·м.
Так
как двигатель постоянного тока допускается перегружать по току в 2¸ 2,5 раза, то значение расчетного крутящего момента
можно принять равнымМмакс= (2-2,5)·Мном.
2.3.3 Построение характеристик выполняется в
координатах
,
Рисунок
2.3. - Энергетические характеристики двигателей, Рном = 6 кВт
.3.4
Определение требуемых характеристик
скипа-подъемника
требуемый
момент для подъема груженого скипа
где
G - вес скипа с грузом, G=5060 Н; Dбар - диаметр барабана, Dбар=0,4¸0,5м.
требуемая
угловая скорость для подъема груженого скипа
,
где
Vп - линейная скорость подъема, Vп=1,6 м/с.
рад/с.
2.3.5 Расчет ориентировочного значения передаточного
числа редуктора
2.3.6 Определение ожидаемой линейной скорости на
выходе редуктора с ориентировочным передаточным числом
Так как все значения линейных скоростей перемещения скипа, получаемых
после редуктора, значительно меньше требуемой скорости подъема Vп = 2,2 м/с, то
необходимо применить двигатель с большей мощностью и произвести корректировку
реальных передаточных чисел выбранных редукторов.
Исходя из ранее перечисленных ограничений и оптимальных параметров
системы, выбираем двигатель (ДПТ типа 2ПН160LУ4) со следующими параметрами:
- напряжение Uя ном= 220 В;
- номинальная мощность Pном = 6000 Вт;
номинальный ток якоря Iя = 32,6 А;
КПД h =
83,5%;
момент инерции якоря двигателя Jдв = 0,65 кГ·м2;
сопротивление якорной обмотки Rя ном = 0,34 Ом;
индуктивность якорной обмотки Lя = 2,2·10-3.
2.4 Выбор редуктора
Выбор
редуктора осуществляется по параметрам выбранного двигателя и рассчитанным
характеристикам: i = 16,
,
; а также
геометрическим размерам проектируемого узла, если они указаны в задании.
Для
мехатронной системы редуктор [7] является конструктивным элементом, что
необходимо учитывать при формировании массогабаритных параметров.
Выбираем редуктор цилиндрический двухступенчатый горизонтальный с
зацеплением Новикова типа 1Ц2У-160 с основными параметрами:
1. Крутящий момент на тихоходном валу, Н·м:
минимальный………………………………………………………750
максимальный………………………………………………….……1250
. Передаваемая мощность, кВт:
минимальная……………………………………………………...….5,75
максимальная……………………………………………………...…10,5
. Допускаемая радиальная консольная нагрузка, приложенная к середине
посадочной части тихоходного вала, Н:
минимальная…………………………………………………….….1000
максимальная……………………………………………………….1450
. Допускаемая радиальная консольная нагрузка, приложенная к середине
посадочной части быстроходного вала, Н:
минимальная.………………………………………………………..9000
максимальная………………………………………………………12500
. Номинальное передаточное число…………………………………...10
.КПД, %, не менее...…………………………………………………….97
.Межосевое расстояние, мм…………………………………….…….160
.Частота вращения быстроходного вала, об/мин, не более…………….1800
2.5 Расчет широтно-импульсного преобразователя (ШИП)
.5.1 Исходные данные для расчета
Рассчитаем транзисторный ШИП [1,8]для управления двигателем постоянного
тока ДПТ (типа 2ПФ160LУ4) по цепи якоря в динамическом режиме.
Данные двигателя:
- номинальное напряжение Uн = 220 В;
- номинальная мощность Pн = 8000 Вт;
номинальный ток якоря Iн = 43 А;
номинальная частота вращения n = 1000 об/мин;
момент инерции якоря двигателя Jдв = 0,65 кГ·м2;
сопротивление якорной обмотки Rя = 0,12 Ом;
индуктивность якорной обмотки Lя = 2,2·10-3.
Для получения линейных характеристик по каналу управления примем для ШИП
симметричный закон коммутации силовых ключей gо = 0,5.
С учетом номинального напряжения Uн, потерь на силовых ключах в режиме
насыщения DUк и
необходимости 20% -го запаса по напряжению, выбираем источника питания с
напряжением
=1.2·UH+2·Uk,
где Uk - потеря напряжения на насыщенном силовом ключе, Uk =
5В.=1,2·220+2·5=274 В.
Ток якоря двигателя в динамических режимах может превышать Iн в 2,5¸4 раза, поэтому расчетный ток
силового транзисторного ключа принимаем
тк = 4·Iн.тк= 4·43 = 172 А.
2.5.2 Выбор силовых полупроводниковых элементов
Выбираем для транзисторного ключа [9] IGBT-модуль М2ТКИ-200-06 со
следующими параметрами:
- напряжение коллектор-эмиттер, Uкт, В……………………..…..600
- напряжение насыщения коллектор-эмиттер, Uктнас, В…………..2,2
максимальный ток коллектора, Ikmax , А…………………..……200
импульсный ток коллектора, Iки, А…………………………..…...400
время включения, tвкл, с……………………..……………..0,07·10-6
время выключения, tвыкл, с…….……………………….…0,22·10-6
мощность рассеяния на коллекторе, Ррк, Вт…………………..1000
тепловое сопротивление «переход-корпус», Rтеп, оС/Вт……...0,35
Выбираем диод, шунтирующий IGBT-модуль в соответствии с [4,9], например,
диод Д161-200 со следующими параметрами:
- действующий ток, IVD, А…………………………………………200
- пороговое напряжение, Uo, В…………………………..……...….1,35
динамическое сопротивление, RVD, Ом……………………….0,002
сопротивление при типовом охладителе и естественном
охлаждении, RVDT, оС/Вт…………………………………………....0,55
- максимальная температура структуры, Qpn, oС…………………140
2.5.3 Определение оптимальной частоты коммутации
ШИП
В связи с применением ненасыщенного ключа коэффициент форсировок на
включение и отключение транзисторов принимается : К1=1 и К2=1.
Длительность фронта и спада коллекторного тока силового ключа по
паспортным данным силового IGBT-модуля принимают:+ = 0,07 мкс = 0,07. 10-6 с;-
= 0,22 мкс = 0,22. 10-6 с;
Определяют оптимальную частоту коммутации ШИП:
fопт
= Kf
,
где
Kf = 0,332 для ШИП с симметричным законом коммутации;
,
.опт =
0,332
.
Принимаем
частоту коммутации fk = 2700 Гц.
2.5.4 Определение постоянных и базовых величин,
необходимых для расчета электромагнитных нагрузок энергетического канала
Конструктивная
постоянная двигателя:
.
В·с/рад.
Базовая
скорость:
.
рад/с.
Базовый
ток:
б
=
.
б
=
А.
Базовый
момент
Мб=Со·Iб
.
Мб=2,012·1269=2552
Н·м.
Учитывая,
что ШИП с симметричным управлением не искажает естественных механических
характеристик двигателя, определяем относительную продолжительность включения в
номинальном режиме:
.
Относительная
скорость в номинальном режиме:
.
Относительная
электромагнитная постоянная времени:
,
где
Т - период коммутации;
с.
На
естественной механической характеристике ДПТ для максимального тока двигателя в
динамическом режиме (Iмакс = 172 А) определяем частоту вращения
.
рад/с;
а
также относительное значение этой скорости
.
2.5.5 Среднее значение тока двигателя
.
.
.
А.
.5.6.
Действующее значение тока двигателя
,
где
;
.
2.5.7 Значение среднего тока транзисторного
ключа при максимальном токе двигателя составит
.
2.5.8 Значение действующего тока транзисторного ключа
определяют как
2.5.9 Среднее значение тока шунтирующего диода
2.5.10 Значение действующего тока шунтирующего диода
2.5.11 Потери энергии в силовом транзисторном ключе
определяют как
где
сопротивление
насыщенного ключа
Полученная
величина потерь меньше допустимой мощности рассеяния на коллекторе силового
IGBT-модуля.
2.5.12 Определение потерь мощности в шунтирующем
диоде осуществляют по выражению
Рvd
= Uo·Ivdcp+ Ivdcp2·RVD .
Рvd
= 1,35·183,779+183,7792·0,002 = 315,651 Вт.
2.5.13 Максимальную температуру структуры диода
определяют из условии, что температура окружающей среды не превышает Qокр = 50оС
Q’pn= Qокр+Pvd·RVDT .
Так
как Q’pn>[Qpn] = 140 оС, то
требуется дополнительное охлаждение диодов для обеспечения соответствующих
температурных режимов. В этом случае следует произвести дополнительно расчет
радиаторов, выбрать тип охладителя.
двигатель скиповый подъемник мощность
2.5.14 Расчет суммарных дополнительных потерь в
системе ШИП-ДПТ в относительных единицах производится по выражению
2.5.15 Абсолютные дополнительные потери определяют
как
2.5.16 Основные потери в цепи якоря двигателя
составляют
.5.17
Потери мощности в цепи якоря двигателя
2.6 Расчет основных статических параметров двигателя
.6.1 Сопротивление якорной цепи в нагретом
состоянии [5,6]
где
tном - температура двигателя в номинальном режиме работы, tном = 80оС;хол -
температура двигателя в не нагретом состоянии, tхол = 20оС; a - температурный коэффициент сопротивления, для медной обмотки значение
a принимается равным 0,004 [1/оС].
2.6.2 Жесткость естественной механической
характеристики
.
Н·м·с.,
где
arctg(bе) = 87,997о - угол наклона естественной механической
характе- ристики к оси w.
2.6.3 Скорость идеального холостого хода для
естественной механической характеристики составит
.
об/мин.
2.6.4 Момент короткого замыкания определяют из
выражения
Мкз
= wо·bе.
Мкз
= 109,336·28,593 = 3126 Н·м.
2.6.5 Ток короткого замыкания
.
А.
2.6.6 Построим естественные электромеханическую и
механическую характеристики ДПТ
. (2.69)
.
Рисунок
2.5. - Статическая электромеханическая характеристика ДПТ
Рисунок
2.6. - Статическая механическая характеристика ДПТ
2.7 Динамический расчет электропривода
.7.1 Основные параметры передаточной функции
двигателя
Задаемся величиной максимального статического тока
= 2·Iн
= 2·4 3= 86 А.
Сопротивление насыщенного ключа определяют как
Rt
r=
.
=
Ом.
Эквивалентное
сопротивление якорной цепи
яэкв
= Rном+ Rtr .
яэкв
= 0.141+0.026 = 0.167 Ом.
Механическая постоянная времени с учетом приведенного момента инерции
,
где
Nm - коэффициент, учитывающий момент инерции механической части привода, Nm= 3.
с.
Электромагнитную
постоянную времени можно определить
с.
Коэффициент
усиления (передачи) двигателя
.
Передаточная
функция двигателя
Относительная
постоянная времени
.
Коэффициент
демпфирования
.
.7.2 Коэффициент передачи ШИП совместно с
широтно-импульсным модулятором при напряжении управления Uзт = 10 В составит
2.7.3 Определение постоянной времени ШИП
Так
как запаздывание на выходе ШИП в основном определяется частотой коммутации
равной fk = 2700 Гц, то в реальной САУ с учетом параметров апериодического
фильтра на входе ШИП, значение ТШИП принимается равным 0,003 с.
2.7.4 Расчет параметров настройки контура тока на
технический оптимум
Датчик
тока: Iшунта= 200 А, Uшунта=25·10-3 В.
Коэффициент
усиления усилителя датчика тока: Кудт = 100.
Примем
максимальный ток электродвигателя равным
= 2·Iн
= 2·43=86 А.
В/А
Коэффициент
приведения
Коэффициент
передачи в цепи обратной связи по току составит
т
= Кдт·Кпри .
т
= 0,013·9,302 = 0,116
В
качестве некомпенсируемой постоянной времени примем Tm= 3·10-3 c.
Постоянная
интегрирования регулятора тока:
c.
В
качестве компенсируемой постоянной времени примем:
Тком
= 0,013 с
Электромагнитная
постоянная времени= Tком= 0,013 с
Передаточная функция регулятора тока
.
2.7.5 Настроим контур скорости на симметричный
оптимум
Выбираем тахогенератор постоянного тока (типа ТС-1МУХЛ4) со следующими
техническими параметрами:
крутизна выходного напряжения, Кртг, В/(об/мин)…………0,03
частота вращения, об/мин
номинальная……………………………………………………3000
максимальная………………………………………………… 6000
минимальная………………………………………………… 0,1
номинальное сопротивление нагрузки, Ом, не менее…….………2000
масса, кг не более…2,7
Коэффициент передачи тахогенератора
.
В·с.
Коэффициент
приведения с учетом двукратного превышения скорости
,
где
Uзс - максимальное задающее воздействие контура скорости, Uзс=10 В;
wн - номинальная
угловая скорость, wн = 104,72 рад/с.
.
Коэффициент
передачи в цепи обратной связи по скорости
Кс
= Ктг·Кприс .
Кс
= 0,286·0,167 = 0,048
В
качестве некомпенсируемой постоянной времени примем: Тmскор= Тmтока.
Без
учета ОС по ЭДС можно записать
Так
как полученное значение много больше Тm = 0,003 с, то
условие (2.90) по учету влияния ОС по ЭДС выполняется.
Постоянная времени интегрирования регулятора скорости
.
.
Компенсируемая
постоянная времени [ 6,7]
Ткомс=
8 Тm=0,024 с.
а1=
Ткомс=0,024 с.
Передаточная
функция регулятора скорости
.
Передаточная
функция фильтра, устанавливаемого на входе контура скорости
.
2.7.6 Анализ линейной части системы автоматического
управления
Введем при анализе САУ [10,11] передаточные функции:
Знаменатель передаточной функции
АА(р) = а00·р5 + а11·р4 + а22·р3 + а33·р2 + а44·р + а55,
где а00 = a2·b2·Tm·Co·Tшип·Тя ;
а11 = (Tшип + Тя)·a2·b2·Tm·Co ;
а22
= a2·b2·Tm·Co + b1·Kшип·Кт·
·а2·Tm·Co
+ a2·b2·Co·Tшип ;= Kшип·Кт·
·а2·Tm·Co
+ a1·b1·Kшип·Кc + a2·b2·Co ;= (a1 + b1) Kшип·Кc ;= Kшип·Кc .
Числитель
передаточной функции
:(p)
= a1·b1·Kшип·p2 + (a1 + b1) Kшип·p + Kшип .
Числитель
передаточной функции
:(p) =
a2·p·Rяэкв·(b2·p·(Tшип·р + 1)·(Tя·р + 1) + (b1·p + 1)·Kшип·Кт·
).
При
ступенчатом входном воздействии
:
Номинальное задающее воздействие
задН = Кс·wн .
задН = 0,048·104,72 = 5 В.
Знаменатель передаточной функции принимается в виде:
А(р) = АА(р)·р.
Числители передаточных функций:
по управлению BU(p) = BUz(p)·UзадН .
по возмущению Bi(p)=Bic(p)·Iн . (2.102)
Все последующие вычисления, построения графиков и характеристик
целесообразно выполнять с использованием программного пакета Mathcad 11
Enterprise Edition.
Корни характеристического полинома

Воспользовавшись теоремой разложения, можно получить графики переходных
процессов.
Производная характеристического полинома
.
Функция переходного процесса по возмущению
.
Функция переходного процесса по управлению
.
Рисунок 2.7. - Переходной процесс по возмущению
Рисунок 2.8.- Переходной процесс по управлению
В соответствии с теоремой о конечном значении функции можно определить
значение установившейся скорости при отработке номинального входного
управляющего и возмущающего воздействий.
Установившееся значение скорости при отработке управляющего воздействия
рад/с
Установившееся
значение скорости при набросе нагрузки
рад/с
Полученные
значения скорости показывают, что в данном случае управляющее и возмущающее
воздействия отрабатываются без ошибки: wн = 104,72рад/с., а
перерегулирование по управляющему воздействию составляет не более 1,096%.
2.7.7 Анализ устойчивости контура скорости
Передаточная
функция разомкнутой САУ:
Для
анализа устойчивости воспользуемся критерием Найквиста и построим АФЧХ
разомкнутой системы, как показано на рис. 2.9.
Рисунок
2.9. - АФЧХ разомкнутой системы
Так
как годограф АФЧХ W(j·W) разомкнутой системы при изменении частоты от 0 до + ¥ не охватывает точку (-1; j0), то замкнутая система устойчива.
Построим
ЛАЧХ и ЛФЧХ разомкнутой системы.
Рисунок
2.10.- ЛАЧХ и ЛФЧХ разомкнутой системы.
Из
анализа графических зависимостей видно, что на графике ЛФЧХ пересекает линию -
в нескольких точках. Замкнутая система будет
устойчивой, когда L(w) < 0 при Fр(w) = -
для самой
правой из точек пересечения.
Найдем
частоту среза
где
w - вспомогательная переменная, w = 0,1…1000.
рад/с
Запас устойчивости по фазе на частоте среза
гр
мин.
запас - (30…40) гр .
Запас устойчивости по амплитуде на частоте среза
где
w - вспомогательная переменная, w = 5…250.
мин.
запас - (8 …10) Дб.
В
результате исследования ЛАЧХ и ЛФЧХ выяснилось, что система имеет недостаточный
запас устойчивости по фазе и необходимо применить коррекцию системы (рис. 2.11.)
с использованием корректирующего звена в виде ПИД - регулятора.
Рисунок
2.11. - Схема ПИД - регулятора
Передаточная
функция корректирующего звена будет иметь вид
,
где
К1 - коэффициент усиления звена; К = 120;=1 (кOм); R2 =120 (кOм); Т1 -
постоянная времени, Т1 = 0,05 с;
Т2
- постоянная времени, Т2 =0,04 c; С1 - емкость конденсатора; С1 = 50∙10-6
(Ф);
С2
- емкость конденсатора; С2 = 3,3∙10-7 (Ф).
Передаточная
функция скорректированной системы будет иметь вид
.
Построим
ЛАЧХ и ЛФЧХ скорректированной системы.
Рисунок
2.12. - ЛАЧХ и ЛФЧХ скорректированной системы
Определим
частоту среза
,
где
w - вспомогательная переменная, w = 0,1…1000.
Запас устойчивости по фазе на частоте среза
мин.
запас - (30…40) гр .
Запас устойчивости по амплитуде на частоте среза составляет
,
где
w - вспомогательная переменная, w = 5…250.
что
превышает допускаемый мин. запас - (8 …10) Дб.
В
результате применения корректирующего звена система имеет достаточные запасы
устойчивости, как по фазе, так и по амплитуде.
2.7.8 Передаточная функция замкнутой системы
.
Рисунок
2.13. - График изменения вещественной части переходной характеристики системы
2.7.9 Для расчета переходного процесса в замкнутой
системе анализируем вещественную часть переходной характеристики
Рисунок
2.14. - Переходной процесс в замкнутой системе
Из
рисунка 2.14. видно:
время
переходного процесса по третьей точке перехода кривой через линию
установившегося значения составляет 0,12 с и не превышает заданного значения в
сравнении с исходными данными для проектирования ([tпп] = 0,15 с),
ожидаемое
значение перерегулирования составляет 42%, т.е. (s% = 42%) и не
превосходит установленного уровня ([s%] = 50 ¸ 60%) для проектируемого электропривода скипа
подъемника.
2.8 Расчет выпрямителя источника питания
.8.1 Выбор схемы выпрямителя
В качестве схемы выпрямления выбираем [12] однофазную мостовую схему со
следующими параметрами:
- число фаз, m……………………………………………………………1
- отношение среднего выпрямленного напряжения к напряжению во
вторичной обмотке трансформатора,Uд/U2…………………..…… 1,11
- отношение обратного напряжения на вентиле к среднему
выпрямленному напряжению, Uобр/Uд……………………………… 1,57
- отношение мощности трансформатора к выходной
мощности выпрямителя, Рт/Рд……………………………………… 1,21
- коэффициент использования вентиля по току, KI…………… 0.78
- частота пульсаций (при fсети = 50Гц), fп,……………………… 100
Для расчета необходимы следующие исходные данные:
- напряжение на выходе выпрямителя, Uд , В………………..…… 274
- ток нагрузки выпрямителя, Iд , А………………………………… 180
2.8.2 Определение обратного напряжения на
вентиле
обр = 1,57·Uд.
обр = 1,57·274 = 430 В.,
среднего значения тока вентиля
в = 0,5·Iд.
в= 0,5·180 = 90 А.
2.8.3 Выбор диодов
По вычисленным значениям Uобр и Iв и заданным температурным режимам
работы выпрямителя выбираем [8] диод Д 141-100 со следующими параметрами:
- прямой постоянный ток, Iпр, А………………………………..100
- наибольшее обратное напряжение, Uобрм, В...……………...…1000
падение напряжения на открытом диоде, Uпр, В……………...1,45
предельно допустимая рабочая частота, f, кГц…………………....0,5
диапазон допустимых рабочих температур, Т, оС…………-60..+190
2.8.4 Определение дифференциального
сопротивления вентиля
hв = 1,2·
. hв = 1,2·
= 0,0174 Ом.
2.8.5 Сопротивление плеча выпрямительного моста
составит
hп = 2·hв. hп = 2·0,0174 = 0,0338 Ом.
2.8.6 Ориентировочное значение активного
сопротивления фазы выпрямителя [9]
,
где
К2 - коэффициент схемы выпрямления, К2 = 4; Rн - сопротивление нагрузки, Rн =
Uд/Iд = 1,5 Ом; N - число стержней трансформатора, N = fc - частота сети
питания, fc = 50 Гц; Bm - максимальная индукция в стали сердечника, Bm = 0,7
Тл;
.
2.8.7 Определение индуктивности рассеяния
обмоток трансформатора при частоте напряжения сети fc = 50 Гц
,
где
КL - коэффициент, зависящий от схемы выпрямления, КL = 6,4.
.
2.8.8 Индуктивное сопротивление обмоток
трансформатора
=
2·p·fc·Ls . xT = 2·p·50·0,082=25,8 Ом.
.8.9 Расчетное выпрямленное напряжение ненагруженного
выпрямителя
.
В.
2.8.10 Фактическое обратное напряжение на вентиле
В
2.9 Расчет и выбор параметров сглаживающего фильтра
Для снижения пульсации выпрямленного напряжения на выходе
преобразователя-выпрямителя устанавливается сглаживающий фильтр. Эффективность
сглаживающего фильтра оценивают по его способности уменьшать амплитуду
пульсации, т.е. по значению коэффициента сглаживания qc.
2.9.1 Расчет коэффициента сглаживания
,
где
,
- амплитуда основной гармоники пульсаций и постоянная
составляющая напряжения на входе фильтра,
=183,6 В,
= 274 В.
,
- амплитуда основной гармоники пульсаций и постоянная
составляющая напряжения на выходе фильтра,
=1 В,
=274 В.
.
2.9.2 Выбор схемы фильтра
В
соответствии с рекомендациями [1,8,12] выбираем Г-образный LC-фильтр.
Определяем произведение Lд · С
,
где
mn - частота пульсаций выпрямленного напряжения, mn=100 Гц;
wс = 314,16 рад/с.
.
2.9.3 Определение минимального значения индуктивности
дросселя
.
Гн.
По
рассчитанному значению Lд.мин выбираем стандартный дроссель фильтра ДПМ
200-1000 со следующими параметрами:
- индуктивность дросселя Lд , 10-6 Гн………………………..…1000
- номинальный постоянный ток, А…………………………………200
2.9.4 Расчет емкости конденсатора фильтра
.
Ф.
2.9.5 Рабочее напряжение конденсатора
Рабочее
напряжение конденсатора при проектировании выбирается больше значения
выпрямленного напряжения из выражения
.
В.
По рассчитанному значению емкости С и рабочему напряжению выбираем
конденсатор К50-78-450В - 220мкФ ± 20%.
2.10 Расчет трансформатора источника питания
.10.1 Теоретическое значение типовой мощности
трансформатора
= KT·UН·IД ,
где KT - схемный коэффициент типовой мощности трансформатора; UН -
номинальное напряжение сети; IД - средний выпрямленный ток.= 1,23·220·43 =
11635,8 Вт.
2.10.2 Расчетная типовая мощность трансформатора
составит
РТ = Кс·Кт·Sт ,
где Кс - коэффициент запаса, учитывающий возможное снижение напряжения
сети. РТ = 1,1·1,23·11635 = 17742 Вт.
По рассчитанному значению типовой мощности выбираем силовой трансформатор
ТС-19 со следующими параметрами:
- типовая номинальная мощность, Sт, кВА…………………………19
- напряжение во вторичной обмотке, U2, В………………………..270
напряжение короткого замыкания, Uкз, %…..…………………….10
2.10.3 Действующее значение первичного тока
трансформатора
,
где
Кi1 - схемный коэффициент первичного тока; Ктр - коэффициент трансформации
трансформатора.
.
С учетом
результатов выполненного расчета далее разрабатывается система управлення
электроприводом (СУЭ) скиповым подъемником, включающая в себя энергетический и
информационный каналы, с микропроцессорным управлением.
Заключение
В результате выполнения курсовой работы был разработан электропривод
скипового подъемника с заданными параметрами по скорости подъема и тяговой
мощности, а также система управления электроприводом. Были построены и
исследованы энергетические характеристики ряда двигателей постоянного тока, что
позволило выбрать приемлемый тип двигателя и проверить его реальные возможности
на обеспечение заданных скоростных параметров системы. Произведен расчет
основных параметров и осуществлен выбор основных элементов широтно-импульсного
преобразователя. ШИП рассчитан и спроектирован на основе современных
переключающих устройств (например, силовых IGBT-транзисторов ), обеспечивающих
хорошие технические показатели при допустимом тепловом балансе рабочего режима
ключевых элементов схемы ШИП.
Произведен статический и динамический расчеты системы. Построены
статические характеристики ДПТ, логарифмические частотные и фазовые характеристики
системы с определением запасов устойчивости по частоте и фазе. Для коррекции
переходных процессов в системе был применен ПИД-регулятор, включение которого
обеспечило желаемый переходной процесс в замкнутой системе электропривода.
Анализ переходного процесса показал, что система отрабатывает управляющее
воздействие в заданное пусковое время.
Были рассчитаны и выбраны силовые элементы источника питания:
трансформатор, выпрямитель, сглаживающий фильтр, а также определены их основные
параметры.
Для управления широтно-импульсным преобразователем и электроприводом
скипового подъемника в целом была разработана схема управления с выбором
элементов информационного канала: датчиков тока (шунта) и скорости
(тахогенератора), а также определены параметры и других необходимых элементов
схемы управления.
Список литературы ( к приложению 2.)
1. Гольц
М.Е., Гудзенко А.В. Быстродействующие электроприводы постоянного тока с
широтно-импульсными преобразователями. - М.: Энергоатомиздат, 1986г.
2. В.И.
Анурьев. Справочник конструктора машиностроителя. 3 том - 7-е изд., перераб и
доп./М.: Машиностроение, 1992.
3. Справочник
по автоматизированному электроприводу / Под ред. Елисеева В.А. и Шинявского
А.В. - М.: Энергоатомиздат, 1986г.
. Алиев И.И.
Справочник по электротехнике и электрооборудованию: Учеб. пособие для вузов.-
М.: Высшая школа, 2000.
. Карнаухов
Н.Ф. Электромеханические модули мехатронных систем. Основы расчета и
проектирования: Учебное пособие. - Ростов-на-Дону: Издательский центр ДГТУ,
2001г.
6. Карнаухов Н.Ф. Электромеханические
системы. Основы расчета: Учебное пособие: Издательский центр ДГТУ.
Ростов-на-Дону 1998г.
7. Рапутов
Б.М. Электрооборудование кранов металлургических предприятий/ М.: Металлургия,
1990.
8. Цифровые
электроприводы с транзисторными преобразователями / Герман-Галкин С.Г., Лебедев
В.Д., Марков Б.А. - Л.: Энергоатомиздат, 1986г.
. Силовые
IGBT-модули. Материалы по применению. - М.: Додека, 1997.
.
Солодовников В.В. Основы теории и элементы систем автоматического регулирования
: Учеб. Пособие для вузов. - М.: Машиностроение, 1985г.
11.
Бесекерский В.А., Попов Е.П., Теория систем автоматического регулирования .-
М.: Наука, 1972г.
. Карнаухов
Н.Ф. Стабилизированный вторичный источник питания систем управления роботов:
Метод. указания - Ростов-на-Дону : РИСХМ 1991г.