Розробка стенда для дослідження електропривода побутової техніки на базі трифазного асинхронного двигуна
ВСТУП
Практично всі процеси, зв’язані з
механічною енергією, рухом, відбувається за допомогою електроприводу.
Виключенням є лише автономні транспортні засоби (автомобілі, літаки та
кораблі), що використовують неелектричні двигуни. У відносно невеликій кількості
промислових установок використовуються гідроприводи, та ще рідше пневмопривод.
Таке широке розповсюдження
електропривода зумовлено особливостями електроенергії - можливістю передавати
її на різні відстані, з постійною готовністю до використання, легкістю
перетворення її в інші види енергії. Потужність електроприводів змінюється в
широкому діапазоні від мікроват до десятків мегават, тобто діапазон сучасних
електроприводів по потужності складає більше
. Такого ж порядку може досягати
діапазон по частоті обертання, що становить від 1 оберта до 150000 об/хв.
Електродвигуни, що приводять у дію
системи в побуті й на виробництві, споживають значну частину виробленої
енергії. Більшість цих двигунів процюють у нерегульованому режимі з низькою
ефективністю. Недавній прогрес у напівпровідниковій індустрії, особливо в
силовій електроніці й мікроконтролерах, зробили приводи з регулюванням
швидкості практичними й значно менш дорогими. Але при регулювані швидкості
необхідно не забувати і про захист
електродвигунів в критичні моменти роботи. Сьогодні приводи з регулюванням
швидкості потрібні не тільки у високопрофесійному й потужному промисловому
застосуваннях, таких як обробні машини або підйомні крани, але усе більше й
більше в побутовій техніці, наприклад, у пральних машинах, компресорах,
невеликих насосах, кондиціонерах повітря й т.п. Всі функції контролю за
швидкістю та іншими параметрами може виконувати мікроконтролер. Цей принцип вже
застосовуеться в схемах керування двигунами електрообладнання та
електроінструменту.
1. РОЗРОБКА ТЕХНІЧНЕ ЗАВДАННЯ ТА
ТЕХНІЧНІ УМОВ НА СТЕНД АСИНХРОННОГО ЕЛЕКТРОПРИВОДА
Згідно завдання на курсове
проектування необхідно розробити стенд для дослідження електропривода побутової
техніки на базі трифазного асинхронного двигуна. Стенд повинен забезпечувати
дослідження трифазного асинхронного двигуната та схеми керування ним:
напруга живлення 220В±15%
частота мережі 50Гц
Стенд може використовуватись в
закритих приміщенях при наступних умовах:
середовище не вибухонебезпечне;
температура середовища від +10 до
+30 °С;
відносна вологість повітря 90% при
+20 °С ;
напругу мережі живлення 220В±10%.
частота мережі 50Гц
2. АНАЛІТИЧНИЙ
ОГЛЯД ЛІТЕРАТУРНИХ ДЖЕРЕЛ
2.1
Принципи побудови систем керування електроприводами
Функції систем автоматичного
керування полягають у здійсненні пуску, регулювання швидкості, гальмування,
реверсування для підтримання режиму роботи електропривода відповідно до вимог
технологічного процесу. При цьому вибір виду електромеханічної системи (ЕМС),
пристроїв, призначених для їх побудови, визначається вимогами технологічного
об'єкта з врахуванням особливостей конкретного електропривода [1].
Системи керування можна поділити на
автоматизовані й неавтоматизовані. Автоматизовані системи керування, своєю
чергою, підрозділяють на розімкнені й замкнені.
Неавтоматизованими вважаються такі
системи, в яких усі операції з керування електроприводом здійснюються
оператором за допомогою найпростіших апаратів ручного керування, таких як
автоматичні вимикачі, рубильники, пакетні вимикачі, пускові й регулювальні
резистори, контролери. Однак застосування цих апаратів обмежене, особливо в тих
випадках, коли робота пов'язана з частими пусками або регулюванням швидкості.
Крім того, застосування апаратів ручного керування виключає можливість
дистанційного керування, що неприйнятно в сучасному автоматизованому
електроприводі. Даний спосіб керування можливий лише в малопотужному приводі.
Автоматизованими називаються такі
системи, в яких оператором задаються лише команди на початок, закінчення або
аварійне зупинення роботи, а решта операцій необхідного режиму роботи
забезпечуються системою керування без участі оператора [2].
Розімкнені САК характеризуються тим,
що вони не мають зворотних зв'язків, і при їх реалізації зміна збурювальних
впливів (навантаження на валу двигуна) спричиняє зміну раніше заданого режиму
роботи привода.
Бурхливий розвиток
електроніки й електротехніки зумовив створення нових пристроїв, необхідних для
побудови ЕМС з автоматизованим ЕП постійного й змінного струму.
Сучасні системи
керування ЕП являють собою дуже складні пристрої з великим набором необхідних
функцій. У них поряд із релейно-контактними апаратами, до яких належать різного
роду реле, контактори, шляхові й кінцеві вимикачі, містяться також елементи
цифрової й аналогової мікросхемо техніки, підсилювачі, перетворювальні
пристрої, різні датчики (електромашинні, електромагнітні, напівпровідникові), а
також мікропроцесорні засоби обчислювальної техніки.
В замкнених
системах керування силова частина електропривода зазвичай будується із
застосуванням різних перетворювальних пристроїв, до яких належать керовані
випрямлячі, перетворювачі постійної напруги, інвертори й перетворювачі частоти,
виконані на тиристорах або силових транзисторах.
Слід зазначити, що
в приводах великої потужності для керування силовою частиною поряд із
тиристорами використовуються також електромашинні перетворювачі.
Замкнені структури ЕМС
застосовуються в тих випадках, коли треба забезпечити рух виконавчих органів
робочих машин із високими показниками. Вони характеризуються великим діапазоном
регулювання швидкості й точністю її підтримання, високою якістю перехідних
процесів і точністю зупинення, а також високою економічністю й оптимальним
функціонуванням як технологічного устаткування, так і власне ЕП. Основною
ознакою замкнених структур є таке автоматичне керування, за якого ЕП найкраще
виконує свої функції за будь-яких керуючих і зовнішніх збурень, що діють на
робочу машину [3].
Здебільшого в разі простих
одномасових технологічних об'єктів, коли вихідна координата ЕП є вхідною
величиною технологічного об'єкта керування й дорівнює вихідній величині
об'єкта, замикання ЕМС можливе за вихідною величиною ЕП. У разі складних
об'єктів (наприклад, із пружними зв'язками) замикання системи за вихідною
величиною ЕП спричиняє помилки в ЕМСАК. Щоб спростити визначення різних
особливостей ЕП, далі розглядатимемо ЕМС із простими технологічними об'єктами,
в яких замикання ЕМС здійснюється за вихідною координатою ЕП [4].
При побудові схеми замкненої ЕМС для
регулювання вихідних координат - швидкості, прискорення, положення - зазвичай
використовуються зворотні зв'язки за швидкістю, положенням, струмом і напругою
всіх розглянутих вище видів. Слід зазначити, що зворотний зв'язок за моментом
або зусиллям застосовується рідко через відсутність простих і надійних
відповідних датчиків.
Регулювання двох чи декількох
координат електропривода здійснюється за трьома основними структурними схемами
(рис. 2.1, 2.2, 2.3).
Рисунок 2.1 - Структурна схема
замкненої ЕМС із загальним підсумовувальним підсилювачем
На схемі ЕМС із загальним
підсумовувальним підсилювачем (рис. 2.1) електромеханічна частина представлена
електродвигуном ЕД і механічним перетворювальним пристроєм МПП. Електромагнітний
момент М двигуна в загальному випадку є регульованою координатою
електропривода. У цій схемі координати І і ω
- відповідно струм і частота обертання вала
двигуна.
Побудова схем із загальним
підсилювачем основана на використанні підсилювача П, на входи якого подається
алгебрична сума заданого сигналу за швидкістю Uз.ш сигналів зворотних зв'язків
за всіма координатами, наприклад за швидкістю Uз.з.ш і струмом Uз.з.с. Ці
сигнали надходять із виходу системи за допомогою спеціальних датчиків із коефіцієнтами
передачі відповідно Кω
і КІ,. З виходу підсилювача сигнал Uп. подається на керуючий вхід перетворювача
напруги ПН, в якому напруга мережі Uм перетворюється на напругу із заданими
параметрами.Дана
схема порівняно проста, однак її недолік полягає в неможливості незалежного
регулювання координат і, як наслідок, у труднощах досягнення оптимального
регулювання водночас усіх координат. Розвитком схеми із загальним підсилювачем
є схема, зображена на (рис. 2.2), де використовуються нелінійні зворотні зв'язки,
які в теорії електропривода називають відсіканнями.Нелінійні зв'язки зазвичай
реалізуються завдяки введенню додаткових опорних сигналів відсікання ±Uвід1,
±Uвід2 і вентильних елементів. У результаті дії зворотних зв'язків у деякому
діапазоні вони виявляються вже розділеними між собою, проте і в цій схемі
неможливо здійснити незалежне регулювання всіх координат.
Рисунок 2.2 - Структурна схема ЕМС
із загальним підсилювачем і нелінійними зворотними зв'язками
Зазначений недолік схем із загальним
підсилювачем можна усунути використанням так званих систем підпорядкованого
регулювання координат із послідовною корекцією (рис. 2.3).
Рисунок 2.3 - Структурна схема ЕМС
із підпорядкованим регулюванням координат
Особливість цих систем полягає у
відповідності кількості підсилювачів і замкнених контурів числу регульованих
координат. При цьому замкнені контури розташовуються таким чином, що вихідний
сигнал зовнішнього контуру є задавальним вхідним сигналом внутрішнього контуру.
Тим самим кожен внутрішній контур підпорядковується зовнішньому контуру (звідси
й назва таких систем). У схемі першим контуром є контур струму (координата I),
що підпорядковується зовнішньому відносно нього контуру швидкості (координата ω).
Кожен
контур має свій підсилювач і називається регулятором положення, швидкості,
струму й моменту відповідно [4].
Регулювання частоти обертання АД за
рахунок зміни ковзання можна здійснити регулюванням напруги на статорі або
зміною опору в колі ротора. Останнє можливе лише в АД з фазним ротором.
Слід зазначити, що використання
керованих випрямлячів або трифазних регуляторів напруги в колі ротора є дуже
проблематичним. Це пов'язане з тим, що система керування має містити пристрій
синхронізації зі змінною напругою ротора. Однак частота ЕРС у роторі змінюється
пропорційно ковзанню s від ƒ1
до 0, і імпульсно-фазове керування стає практично неможливим. Дану проблему
можна розв'язати завдяки застосуванню імпульсного регулювання струму ротора.
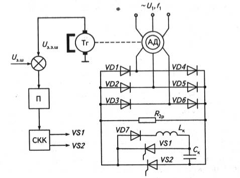
Рисунок 2.4 - Замкнена схема
керування трифазним АД з фазним ротором
Схема (рис. 2.4) містить некерований
трифазний випрямляч, виконаний на діодах VD1- VD 6 і додатковий опір R2p, які
ввімкнені в коло ротора, а також тиристорний комутатор (VS1, VS 2, VD 7, Lк,
Ск).
Схема працює так. Напруга зворотного
зв'язку U3.3.ш, пропорційна швидкості ротора, знімається з тахогенератора Тг і
подається на вхід підсилювача непогодженості П, де вона порівнюється із заданою
напругою Uз.ш Сигнал різниці ΔU= Uз.ш
- Uз.з.ш підсилюється підсилювачем і подається на вхід системи керування
комутатором СКК. У даній схемі комутатор являє собою паралельний імпульсний
перетворювач постійної напруги з двоступінчастою комутацією. Комутація струму
ротора здійснюється робочим тиристором VS2, а тиристор VS1 є комутувальним.
Середнє значення струму ротора регулюється за допомогою широтно-імпульсної
модуляції (ШІМ). Схему побудовано таким чином, що тривалість періодів
чергування імпульсів струму залишається незмінною, а тривалість відкритого
стану тиристора VS2 змінюється відповідно до значень керуючого сигналу. Система
керування виробляє два сигнали для керування VS1 і VS2. Внаслідок надходження
керуючого імпульсу на тиристор VS2 він відкривається й шунтує резистор R2p .
При цьому по колу VS2, VD 7, Lк
відбувається заряджання комутувального конденсатора Cк за коливальним законом.
У результаті він виявляється зарядженим до напруги, що перевищує значення
напруги на тиристорі VS1, який відкривається, і напруга UСк прикладається до
тиристора VS2, і він вимикається. Потім процес повторюється. Частоту
квантування вибирають набагато більшою, ніж частота напруги живлення АД, тому
індуктивності кола ротора буває достатньо для згладжування пульсацій, і навіть
за імпульсного регулювання струм у роторі має безперервний характер. У разі
потреби в коло ротора можна послідовно вмикати додаткову індуктивність.
Асинхронний двигун, на відміну від
двигуна постійного струму, найчастіше має один канал керування, а саме по колу
статора. Якщо в двигуні постійного струму можна незалежно змінювати напругу на
якорі й потік, то в АД зміна напруги на статорі за постійної частоти спричиняє
зміну потоку.
Аналіз рівняння механічної
характеристики АД показує, що в разі ненасиченої магнітної системи значення
моменту на валу двигуна змінюється прямо пропорційно квадрату напруги на
статорі. При цьому регулювання напруги на статорі приводить до зміни критичного
моменту, а значення критичного ковзання практично залишається незмінним.Тому в
розімкнених схемах за постійного моменту опору (Мст=const) регулювання частоти
обертання АД можливе тільки в обмеженому діапазоні її зміни.Для розширення
діапазону регулювання використовують замкнені схеми керування [5].
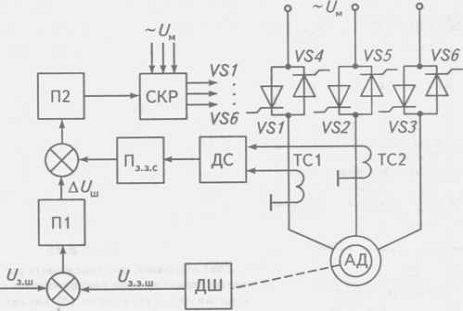
В асинхронному ЕП з тиристорним
регулятором напруги, ввімкненим у коло статора (рис. 2.5), силова частина схеми
містить регулятор напруги, виконаний на тиристорах VS1-VS6, та асинхронний
електродвигун АД. Система керування складається з датчика швидкості ДШ, датчика
струму ДС, підсилювача зворотного зв'язку П1, підсилювача-обмежувача зворотного
зв'язку за струмом Пз.з.с, системи керування регулятором напруги СКР. Контроль
частоти обертання ротора АД здійснюється за допомогою датчика швидкості ДШ, а
інформація про поточне значення струму статора знімається з виходу датчика
струму ДС, куди вона надходить із вторинних обмоток трансформаторів струму ТС1,
ТС2, ввімкнених у двох фазах кола статора. Схему виконано за принципом
підпорядкованого регулювання, коли внутрішній контур регулятора струму підпорядкований
зовнішньому контурові регулятора швидкості.
Рисунок 2.5 - Функціональна схема ЕП
з регулятором напруги в колі статора
Напруга задання швидкості Uз.ш
порівнюється із сигналом зворотного зв'язку Uз.з.ш, що знімається з виходу
датчика швидкості, й різницевий сигналз.ш - Uз.з.ш=ΔUш
подається на вхід регулятора швидкості. Вихідний сигнал РШ є задавальним для
регулятора струму РС. Вихідна напруга РС є керуючою напругою СКР. Схема дає
змогу здійснити перехід із режиму стабілізації швидкості в режим стабілізації
струму. Для синхронізації СКР з мережею на її вхід подаються сигнали,
пропорційні фазним напругами мережі Uм. Система керування регулятором напруги
здійснює імпульсно-фазове керування силовими тиристорами відповідно до закону
зміни керуючого напруги [6].
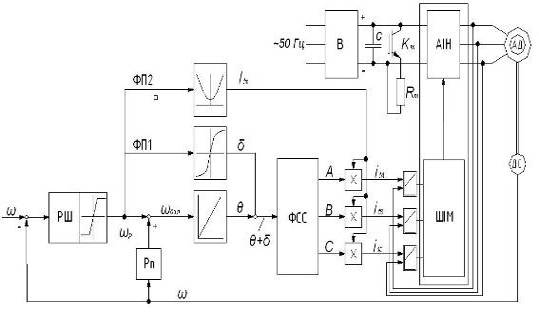
2.2 Замкнута за швидкістю система регулювання електроприводу з
асинхронним двигуном при підтримці сталого потокощеплення статора
У приводі з асинхронним
двигуном та
-
регулюванням, закон частотного регулювання швидкості приводу визначається
співвідношенням між частотою і напругою на статорі двигуна. При обліку опору
обмотки статора слід розглядати як закон частотного регулювання , співвідношення
між частотою і напругою за активним опором статора 
, яке для збереження сталого
критичного моменту двигуна треба підтримувати постійним. При цьому
підтримується і постійне, незалежне від швидкості, потокозчеплення статора в
сталих (статичних) режимах.
Приведена на (рис. 2.6)
функціональна схема ілюструє спосіб реалізації системи управління швидкістю,
побудованою з використанням викладених принципів. Асинхронний двигун живеться
від перетворювача частоти з ланкою постійного струму і інвертором напруги з
ШІМ. На вході блоку ШІМ діє трифазна система задаючих напруг.
Система замкнута за швидкістю
через регулятор швидкості (РШ). На вході регулятора швидкості порівнюються між
собою сигнал задання швидкості і сигнал зворотного зв'язку за швидкістю. Сигнал
задання частоти формується таким чином, що сигнал датчика швидкості, помножений
на число пар полюсів подається із знаком «плюс» на суматор на виході регулятора
швидкості. На вхід інтегратора поступає сигнал задання частоти. Цей сигнал в
тому ж масштабі, що і швидкість. Як видно з функціональної схеми, на вході
інтегратора виконується рівність:
(2.1)
де
- напруга
на виході регулятора швидкості.
З рівняння (2.1) виходить, що
в замкнутій за швидкістю системі сигнал на виході регулятора пропорційний
частоті роторної ЕДС. Таким чином, подання на вхід ФП сигналу з виходу
регулятора швидкості означає подання на нього величини, пропорційній роторній
частоті.
Інтегратор повинен
безперервно обчислювати миттєве значення кута
відповідно до виразу:
(2.2)
У сталому режіме чим більше
за значенням
, тим вища
швидкість зміни задання кута, тобто тим більше швидкість двигуна. Кожного разу,
коли кут досягає значення 2π, значення
його обнуляється. Вхідний сигнал, задаючий напругу на виході перетворювача
частоти частоти, розраховується у функціональному перетворювачі залежно від
заданої частоти і від значення частоти роторної ЕДС.
Розташування кривих у
функціональному перетворювачі, симетричне щодо осі ординат, забезпечує
незмінний знак напруги при різних напрямах обертання двигуна. Реверс
здійснюється зміною знаку сигналу на вході регулятора швидкості. Блок обмеження
вихідної напруги регулятора швидкості, характеристика якого показана на блоці
РШ, служить для обмеження струму при великих змінах сигналу задання швидкості.
Схема вимагає настройки для певного приводу. Можлива настройка на деякі середні
параметри, але при цьому точність підтримки критичного моменту двигуна
знижуватиметься.
Рисунок 2.6 - Функціональна схема
системи регулювання швидкості з підтримкою сталого потокощеплення статора в
сталому режимі
2.3
Замкнута за швидкістю система регулювання електроприводу з асинхронним двигуном
при підтримці сталого потокощеплення ротора
При забезпеченні
постійності сталого значення потокощеплення ротора механічна характеристика
асинхронного двигуна має такий же вигляд, як механічна характеристика двигуна
постійного струму з незалежним збудженням. Функціональна схема системи з
регулюванням швидкості приводу при підтримці постійності потокощеплення ротора
приведена на (рис. 2.7). Схема виконана з використанням автономного інвертора,
керованого струмом, на відміну від схеми (рис. 2.6), де на вході перетворювача
частоти формувалися синусоїдальні сигнали задання напруги, тут на входах регуляторів
струму повинні бути сформовані зрушені на 120 електричних градусіва
синусоїдальні сигнали задання струму статора. Для пояснення принципів
формування цих сигналів треба знайти залежності, що визначають закон зміни
струму статора, при якому незалежно від швидкості приводу підтримується
постійність потокощеплення ротора. Побудовані вектори у нерухомій системі
координат показані на (рис. 2.7).
Рисунок 2.7 - Просторова векторна
діаграма (а) і характеристика функціонального перетворювача ФП2 (б)
Швидкість
визначається
частотою напруги живлення, а вектор
обертається з швидкістю відносно
ротора, який сам обертається в ту ж сторону з швидкістю при ідеальному
холостому ході, коли ротор обертається з синхронною швидкістю, частота роторної
ЕДС рівна нулю, вектори струму і потокощеплення ротора співпадають в просторі.
Кут навантаження δ
рівний нулю. У міру збільшення навантаження двигуна зростає кут навантаження.
У схемі на (рис. 2.8)
функціональні перетворювачі ФП1 і ФП2 реалізують, відповідно, нелінійну
залежність представлену на (рис.2.7,б).
Рисунок 2.8 - Функціональна схема
системи регулювання швидкості з підтримкою сталого потокощеплення ротора в
сталому режимі
Вихідний сигнал регулятора
швидкості, пропорційний частоті роторної ЕДС, використовується як вхідний
сигнал для функціональних перетворювачів. Сигнал інтегрується інтегратором (І),
дякуючи чому сигналу на виході інтегратора є сигналом задання кута, який
відраховується в межах 0 до
. Там же приведені синусоїдальні
сигнали, що діють при
і на виході
блоку формування синусоїдальних сигналів (ФСС). Зміна знака призводить до зміни
значення синусоїдальних сигналів на виході формувача ФСС [7].
2.4 Система
регуляції та захисту асинхронного двигуна
Даний варіант частотного
перетворювача виконаний на мікроконтролері РІС16С62 та драйвері ІR2131.
В основному, пропонована схема призначена для управління трифазним асинхронним
двигуном, коли в розпорядженні є однофазна мережа 220В. Схема, зображена на
(рис.
2.9) складається з силового трифазного інвертора,
генератора управляючих сигналів і зєднуючого елемента - драйвера для ключів
інвертування.
Мікросхема ІR2131
є драйвером 6-ти ключів (IGBT
або МОSFET),
що має три виходи для управління нижніми ключами моста і три виходи для ключів
з плаваючим потенціалом управління. В ній передбачений захист по струму, яка
вимикає всі ключі і видає сигнал помилки FAULT,
коли сигнал на виводі ІТRIP
перевищує 0,5В. Входи драйвера узгоджуються з ТТЛ логікою, що дозволяє
управляти ним за допомогою мікроконтролерів з живленням 5В без додаткових
перетворювачів рівня. Окрім цього у ІR2131
є окремий вхід виключення всіх ключів і вхід скидання сигналу помилки.
Допустима напруга на інвертуванні, з яким працює мікросхема, складає 600В.
На
(рис. 2.9) зображена найпростіша схема трифазного моста на транзисторах ІRF740,
які керуються від ІR2131.Для
генерації сигналів управління мостом можна використовувати недорогий
мікроконтролер фірми Місгоспір РІС16С62.
При невеликій номінальній потужності
електропривод живиться від мережі змінного струму 220В через роз'єм XI,
при цьому рекомендується використовувати в трифазному мосту транзистори ІRF740
(VT2-VT7).
Через ці транзистори можна пропустити потужність до 5КВт [8].
Висновки: провівши аналітичний огляд
літературних джерел, в якому було розглянуто принципи побудови систем керування
електроприводами , а також структурні схеми замкнених ЕМС: із загльним
підсилювачем; нелінійними зворотніми зв’язками та та із підпорядкованим
регулюванням координат. Також було представлено схеми керування асинхронними
двигунами і системи регулювання швидкості із підтримкою сталого потокощеплення
як у статорі так і у роторі. Врахувавши всі переваги та недоліки приведених
схем переходимо до побудови структурної схеми стенда для дослідження
електропривода побутової техніки на базі трифазного асинхронного двигуна.
3. ПОБУДОВА СТРУКТУРНОЇ СХЕМИ СТЕНДА
АСИНХРОННОГО ЕЛЕКТРОПРИВОДА
3.1
Побудова мікропроцесорної схеми керування
Розглянемо деякі структурні схеми
електроприводів із мікропроцесорним керуванням. Широкі можливості розвитку
частотно- керованих електроприводів відкриває застосування мікропроцесорного
керування на базі спеціалізованих мікроконтролерів.
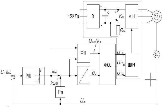
Система керування трифазним двигуном
змінного струму на базі мікроконтролера МС68НС908МR24 (рис.3.1) містить
зазначений мікроконтролера, випрямляч В, трифазний інвертор напруги ІН. У схемі
передбачено датчики зворотних зв'язків за швидкістю ДШ із пристроєм погодження
швидкості й перевантаження за струмом ДС, напругою ДН із гальванічною
розв'язкою між силовою частиною та схемою мікроконтролера.
Ця система керування працює так:
сигнал завдання швидкості надходить через комутаційний інтерфейс на вхід
контролера, де він порівнюється із сигналом, що надходить з виходу
тахогенератора, що безперервно вимірює дійсне значення частоти обертання.
Регулятор швидкості формує задану частоту обертання двигуна на підставі сигналу
помилки за швидкістю (різниці між заданою та дійсною швидкістю), щоб компенсувати
ковзання двигуна. Перетворювач напруга-частота формує напругу, що відповідає
частоті. В схемі Передбачено широтно-імпульсну модуляцію керуючих імпульсів.
Потім модуль ШІМ генерує шість вихідних сигналів для керування силовими ключами
інвертора напруги. В результаті в усталеному режимі швидкість двигуна дорівнює
заданій. Схема передбачає контроль несправності з наступним блокуванням виходів
ШІМ для захисту силових ключів.
трифазний асинхронний двигун електропривод
Рисунок 3.1 - Структурна схема ЕП з
мікропроцесорним керуванням
Трифазні без колекторні двигуни
постійного струму добре зарекомендували себе в системах високоефективних
приводів завдяки їх порівняно простій керованості. Однак недолік двигунів цього
типу полягає в тому, що процес їх комутації реалізуєтеся у функції положення
ротора. Причому, якщо для визначення положення ротора використовуються якісь
датчики, то для передавання одержаної інформації потрібне встановлення
додаткових ліній зв'язку, приєднаних до двигуна, що дещо обмежує застосування
ЕП даного типу.
Мікроконтролер МС68НС908МR24 формує
точки, в яких наведена в обмотках двигуна проти ЕРС переходить через нуль
див.(рис. 3.2).
Рисунок 3.2 - Структурна схема
мікропроцесорного керування ЕП із бездатчиковим визначенням положення ротора
Добута інформація обробляється й
направляється в ШІМ-модуль для формування керуючих сигналів за законом
широтно-імпульсної модуляції. Дану схему розроблено для використання в
нескладних системах ЕП для керування відцентровими насосами, компресорами,
вентиляторами за обмеженого діапазону регулювання швидкості й потужності. Шість
напівпровідникових ключів керуються так, щоб до обмотки двигуна прикладалася
напруга прямокутної форми. Технологія вимірювання проти ЕРС ґрунтується на
тому, що в кожен момент часу до джерела підімкнені тільки дві фази БДПС, тому
третя фаза може бути використана для вимірювання проти ЕРС.
Така побудова схеми вможливлює
бездатчикове детектування положення ротора, хоча привод має здійснити пуск без
цього зворотного зв'язку. Це зумовлено тим, що амплітуда, яка наводиться ЕРС,
пропорційна швидкості двигуна. Отже, проти ЕРС не можна виміряти за дуже
низьких швидкостей, і для керування має бути реалізований спеціальний алгоритм
пуску.
3.3 Система
керування асинхронним двигуном
Структурна схема
приведена на (рис. 3.4), що складається з мікросхеми ІR2131,
яка є драйвером 6-ти ключів (IGBT
або МОSFET),
що має три виходи для управління нижніми ключами моста і три виходи для ключів
з плаваючим потенціалом управління.
Рисунок 3.3 - Структурна схема
керування асинхронним двигуном за допомогою трохфазного мостового драйвера IR2131
В ній передбачений
захист по струму, яка вимикає всі ключі і видає сигнал помилки FAULT,
коли сигнал на виводі ІТRIP
перевищує 0,5В. Це зручно для розробника, оскільки організація такого захисту
вимагає від нього лише правильного визначення величини резистивного датчика.
Входи драйвера
узгоджуються з ТТЛ логікою, що дозволяє управляти ним за допомогою
мікроконтролерів з живленням 5В без додаткових перетворювачів рівня. Окрім
цього у ІR2131
є окремий вхід виключення всіх ключів і вхід скидання сигналу помилки,
Допустима напруга на інвертуванні, з яким працює мікросхема, складає 600В.
Обробкою сигналу
помилки і загальним керуванням займається мікроконтролер. На це місце вдало
підходять РІС мікроконтролери фірми Місгосhір.
PIC контролери є
прості у вивченні і мають значні переваги перед іншими контроллерами в подібних
схемах. Діапазон робочих напруг живлення РІС процесорів 4-6В, максимальний
споживаний струм при тому, до якого підключений генератор тактових сигналів RС
- 5мА, струм в режимі зниженого енергоспоживання 20мкА. Велику ручність створює
підвищена здатність навантаження портів - 25мА, що дозволяє напряму керувати
світлодіодами(включаючи світлодіоди оптронів). Наявність різноманітної
периферії (АЦП, компаратори, послідовні порти, таймери, модуль ШІМ та ін.)
надає розробнику широкі можливості для побудови гнучких і дешевих систем
управління. Всі мікроконтролери РІС 16/17 мають вбудовану схему скидання,
сторожовий таймер і захист коду від зчитування. Місгосhір
вільно поширює асемблер МРLAB,
симулятор МРSІМ,
інтегровану систему відладки для Windows
МРLAB. Для цих контроллерів
СІ-компілятори (наприклад, компілятор фірми HI-ТЕСН)
прискорюють процес написання і відладки програм.В нашій схемі процесор РІС16С62
живиться від стабілітрона. При нескладних задачах управління електроприводом
можна тактувати мікроконтролер від RС
генератора. Максимально допустима частота при цьому 4МГц.
При
невеликій номінальній потужності електропривод живиться від мережі змінного
струму 220В, при цьому рекомендується використовувати в трифазному мосту
транзистори ІRF740.
3.4
Мікроконтролерна система управління трифазним асинхронним двигуном
При експлуатації та дослідженні
трифазних асинхронних двигунів потрібно візуально спостерігати частоту
інвертора. Тому в структурну схему буде доцільно ввести вузол відображення
інформації. Для керування силовими ключами та для захисту від струму в схему
потрібно ввести драйвер шести ключів. Для зміни частоти також необхідний вузол
кнопок керування. Таким чином структурна схема стенда буде мати вигляд
представленій на (рис.3.4), яка складається із мікроконтролера, дешифратора,
драйвера, силового блока живлення та п’яти вузлів: гальмування; кнопок
керування; стабілізаторів живлення; індикації; силових ключів.
Рисунок 3.4
- Структурна схема стенда
Сучасна мікроконтролерна техніка та
елементна база дозволяє побудову схем керування з широкими функціональними
можливостями за рахунок програмного забезпечення і одночасно не складних у
побудові та реалізації.
Мікроконтролер працює за програмою,
яку необхідно за допомогою програматора завантажити в пам'ять мікроконтролера
до його установки у прилад. Інформацію про частоту інвертора мікроконтролер
виводить на - вузол індикації, що представляє собою двох розрядний цифровий
індикатор.
Висновки: врахувавши конструктивні
особливості попередньо розглянутих структурних схем керування електроприводом
їх переваги та недоліки можна констатувати наступне:
− схема представлена на
рис. 3.1 є складною для її реалізації та вона не має потрібних сервісних
функцій;
− схема на рис. 3.2
відрізняється від попередньої лише тим, що не має датчика перетворення
швидкості;
− на рис. 3.3
представлена схема, що майже повністю відрізняється від попередньо розглянутих
за своєю будовою. Це звичайно надає їй певні переваги, але одночасно ускладнює
її конструктивну реалізацію та підвищує вартість.
− особливістю схеми
представленої на рис. 3.4 є відносно широкі функціональні можливості та
простота, а також наявність значно простішого вузла індикації частоти
інвертора, ще є вузол гальмуваня та вузол керування. Але суттєвою перевагою
даної схеми є те , що мікросхема драйвера передбачає ще захист по струму, що
дасть змогу відмикати силові ключі та тим самим уникати перенавантажень і
виходу з ладу двигуна.
4. РОЗРОБКА СХЕМИ ЕЛЕКТРИЧНОЇ
ПРИНЦИПОВОЇ СТЕНДА АСИНХРОННОГО ЕЛЕКТРОПРИВОДА ТА ВИБІР ЕЛЕМЕНТНОЇ БАЗИ
4.1
Розробка вузла мікроконтролера
Сучасний етап розвитку ЕМСАК та
автоматизованого ЕП характеризується широким використанням мікропроцесорних
засобів обчислювальної техніки (МЗОТ). Вимоги підвищення точності й швидкодії
керування технологічними процесами, а також ускладнення самих законів керування
зумовлюють необхідність застосування МЗОТ. Передумовами для цього є постійне
підвищення надійності й швидкодії МЗОТ, розширення їх номенклатури й поява
спеціалізованих мікроконтролерів.
До мікропроцесорів (МП) належать
програмно-керовані пристрої, що здійснюють обробку цифрової інформації і
керування й побудовані на одній чи кількох великих інтегральних мікросхемах
(ВІС). До складу цих схем, як правило, входять арифметичний логічний пристрій
(АЛП), пристрій керування (ПК) і регістровий запам'ятовувальний пристрій (РЗП).
Робота МП забезпечується програмою, записаною в його пам'яті . Сукупність МП і
різних зовнішніх пристроїв утворює мікропроцесорну систему (МПС). До її складу
поряд із МП здебільшого входять пристрої оперативної (ОЗП) і постійної (ПЗП)
пам'яті, інтер-фейсний пристрій (ІП), пристрої сполучення (ЗПС) із зовнішніми
об'єктами. Пристрої пам'яті ОЗП і ПЗП слугують для розміщення даних програми,
відповідно до якої обробляються дані системи керування. Пристрої
введення-виведення інформації призначені для забезпечення взаємодії МПС із
зовнішніми пристроями. До них належать клавіатура пульта керування МПС, а також
пристрої відображення інформації: принтери, монітори тощо.
Як пристрої сполучення ПС
забезпечують зв'язок МПС із різними периферійними пристроями. Вони можуть мати
найрізноманітніші схемні реалізації. За пристрої сполучення можуть правити
також аналого-цифрові (АЦП) і цифро-аналогові (ЦАП) перетворювачі електричних
сигналів, призначені для погодження одержаної інформації про поточні значення
вимірюваних параметрів системи керування ЕП. При цьому сучасні МПС можуть
містити пристрої сполучення на базі програмованих мікроконтролерів, здатних
виконувати складні функції [9].
Слід зазначити, що сукупність МП,
пристроїв пам'яті та інтерфейсу називають мікроЕОМ. За функціональним
призначенням МПС і мікроЕОМ можна поділити на універсальні та спеціалізовані.
До універсальних належать МПС і
мікроЕОМ, здатні забезпечувати керування різними об'єктами, а також виконувати
всілякі обчислювальні операції. Для здійснення цих функцій МПС має широкий
набір периферійних пристроїв. Дуже часто при конкретному застосуванні частина
цих пристроїв буває не цілком задіяною. Інакше кажучи, універсальні МПС і
мікроЕОМ можуть мати певну елементну надлишковість. До універсальних МПС можна
віднести мікропроцесорні набори серій К580, К589, а також однокристальні
мікроЕОМ серій КР1816ВЕ31, КР1816ВЕ48 або КР1816ВЕ51. Зазначені надвеликі
інтегральні схеми (НВІС) відрізняються в основному розрядністю процесора,
обсягом оперативної пам'яті, а також наявністю реп-рограмованого ПЗП з
електричним або ультрафіолетовим стиранням інформації.
Спеціалізованими називаються МПС, що
призначені для виконання конкретних операцій, наприклад, для схем керування ЕП
верстата або робота, для побутових приладів або дитячих ігор. У зв'язку з цим
МПС конкретного типу містять лише ті пристрої і мають програмне забезпечення
для виконання заздалегідь визначених функцій. Нині в системах керування ЕП
найчастіше застосовуються спеціалізовані мікроконтролери, наприклад фірми
«Intel» серії MSC196MH, а також низка мікроконтролерів фірми «MOTOROLA» сім'ї
НС08 чи НС05 [10].
Для схеми обираємо мікроконтролер
РІС16F628-20/Р.
Він є досить простим та доступним, цокольовка
якого приведена на (рис. 4.1).
Рисунок 4.1 - Виводи мікроконролера
РІС16F628
Щоб побудови вузол мікронотролера
необхідно забезпечити стабільність частоти роботи за допомогою кварцового
резонатора. Схема вузла мікронтролера представлена на (рис. 4.2).
Рисунок 4.2 - Схема вузла
мікроконтролера
Вибираємо конденсатори C1
і С2 типу К10-8К ємністю 33 мкФ, С2 типу з номінальною напругою 16В.
Кварцовий резонатор QZ1 з
частотою 20MГц.
Резистор R1
типу С2-23-0,125-1 кОм
10%.
Світлодіод HL1 типу
АЛ307БМ.
4.2
Розробка вузла драйвера
Мікросхема ІR2130
рідко зустрічається у вітчизняних розробках. Однією з причин цього є її
відносно висока вартість, але якщо взяти до уваги, що ціна таких виробів на
нашому ринку сильно залежить від попиту на них, то з певним ризиком можна
рекомендувати її розробнику для застосування у виробах, де визначальним
чинником є ціна.
Мікросхема ІR2130
є драйвером 6-ти ключів (IGBT або МОSFET),
що має три виходи для управління нижніми ключами моста і три виходи для ключів
з плаваючим потенціалом управління. В ній передбачений захист по струму, яка
вимикає всі ключі і видає сигнал помилки FAULT,
коли сигнал на виводі ІТRIP перевищує
0,5В. Це зручно для розробника, оскільки організація такого захисту вимагає від
нього лише правильного визначення величини резистивного датчика [11].
Для схеми обираємо
трифазний мостовий драйвер типу IR2130
фірми INTERNATIONAL RECTIFIER. Входи драйвера узгоджуються з ТТЛ логікою, що
дозволяє керувати ним за допомогою мікроконтролерів з живленням 5В без
додаткових перетворювачів рівня. Допустима напруга на інвертуванні, з яким
працює мікросхема, складає 600В. Дана мікросхема має систему захисту по струму
яка у разі перевантаження вимикає всі ключі а також запобігає одночасному
відкриттю верхніх і нижніх транзисторів і тим самим запобігає протіканню
крізних струмів. Для скидання захисту необхідно встановити всі одиниці на
входах HNx, LNx. Схема драйвера зображена на (рис. 4.3).

Рисунок 4.3 - Трифазний мостовий
драйвер IR2130
4.3
Розробка вузла силових ключів
Для зменшення електричних втрат
доцільніше використовувати ключі на польових транзисторах, оскільки вони мають
менший опір у відкритому стані ніж ключі на біполярних транзисторах.

а)
б)
Рисунок 4.4 - Внутрішня схема
(а), та зовнішній вигляд (б) силового польового
транзистора IRF740-ТО-220
В якості ключів вибираємо
високовольтні потужні польові транзистори зарубіжного виробництва типу, IRF740-TO-220
(рис. 4.4), параметри якого наведені в [9].
Рисунок 4.5
- Схема силового ключа
Для вузла комутації вибираємо такі
елементи
[9]:
- транзистор
VT1 типу IRF740-TO-220;
- резистор R1
типу С2-23-0,125-100 Oм
10%;
- резистор R2
типу С2-23-0,125-47 Oм
10%;
- діод VD1
типу BYW95.
Для забезпечення роботи АД необхідно
шість аналогічних вузлів комутації.
4.4
Розробка вузла кнопок керування
Вузол керування представляє собою
набір із чотирьох кнопок, за допомогою яких можна задавати різні режими роботи:
«Пуск», «Стоп», збільшення та зменшення частоти обертання АД, відповідно «+» та
«-».Схема вузла кнопок керуваня представлено на (рис. 4.6).
Рисунок 4.6 - Схема вузла кнопок
керування
Також до складу вузла
керування входять такі елементи: діоди VD1-VD4 типу
КД522А та резистор R1 типу С2-23-0,125-1к
Oм
10%.
4.5
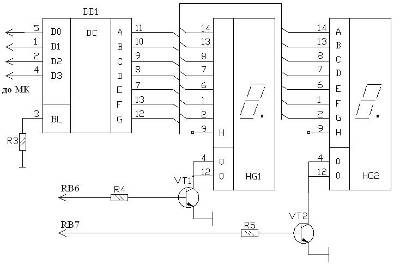
Розробка вузла індикації
Схема вузла індикації приведена на (рис.
4.7). Для забезпечення індикації швидкості обертання ротора АД використовуємо
світлодіодні матриці. Сигнал на які надходить з дешифратора, який своїми
виводами D0-D3
зєднаний з виводами мікроконтролера RA0
- RA3.
Рисунок 4.7 - Схема вузла індикації
Для вузла комутації вибираємо такі
елементи [9]:
- індикатори
HG1,
HG2
типу АЛС324А;
- дешифратор
DD1 типу КР154ИД;
- резистори R3, R4, R5
типу С2-23-0,125-1 кOм
10%;
- транзистори
VТ1, VТ2
типу КТ315Б.
4.6
Розробка вузла гальмування
Рисунок 4.8 - Схема вузла
гальмування
До складу вузла гальмування входять
такі елементи:
- реле
К1 типу РЄС9;
- діод
VD1 типу КД522;
- резистори R8, R9
типу С2-23 - 0,125- 1кОм
10%;
- транзистори VT3,VT4
типу KT
3102В.
Схема вузла гальмування приведена на
(рис. 4.8).
4.7
Розробка вузла блока живлення
Блок живлення забезпечує подачу
необхідних напруг для живлення обмоток АД та схеми керування ним.
Отже поставимо необхідні вимоги до
схеми живлення:
- постійний
струм;
- стабільність
напруги;
- згладженість
пульсацій;
- захист
від перенавантажень.
Живлення всього блоку буде
забезпечено від мережі змінного струму 220 В.
Блок живлення складається з силового
трансформатора, випрямляча, та стабілізаторів напруги. Напруга живлення обмоток
буде поступати з виходу схеми випрямлення. Для живлення схеми керування служить
вузол стабілізації. Схема блока живлення представлена на (рис. 4.9).
Рисунок 4.9 - Схема вузла блока
живлення
Вузол стабілізації напруги
складається із інтегральної мікросхеми стабілізатора DA1
для живлення мікроконтролета та схеми індикації, а також DA2
для живлення трохфазного мостового драйвера.
Вибір елементів блока живлення
[9]:
До складу вузла блоку живлення
входять такі елементи:
- діоди
VD4-VD7
типу КД206А;
- інтегрований
стабілізатор напруги: DA1
типу К142ЕН5А;
DA2
типу 78L05A;
- конденсатори:
С4 типу К50-16-100мкФ - 6В;
С5 типу К50-16-100мкФ - 25В;
С6 типу К10-7В-0,1мкФ;
С7 типу К50-16-500мкФ - 25В;
С8 типу К50-20-100 мкФ 400 В;
С9 типу К78-2-0,1 мкФ 1000В;
- резистори: R10
типу Royal761-
5- 20Ом
5%;
R11
типу Royal761- 5-
3.3кОм
5%.
4.8 Принцип
дії схеми електричної принципової
В даній схемі
дискретність зміни частоти інвертора складає 1 Гц і регулюється в межах від 1
до 99 Гц.
Схема електрична
принципова приведена на ДПМА 08.00.00.00 Е3. Обмотки двигуна потрібно зєднати зіркою.
Дана система управління працює від однофазної мережі 220 вольт, що дає змогу
використовувати дану схему як в промисловості так і в побуті.
Блок живлення
складається потужних діодів VD15-VD18,
резистора R25,
що обмежує струм, фільтруючої ємності С16 та ємності С14, яка гасить стрибки,
що виникають на паразитних індуктивностях схеми. А також з малопотужного
трансформатора Т1 потужністю 2Вт на вторинній обмотці якого 19-20В.
Перераховані вище елементи утворюють перший щабель живлення системи.
Для живлення мікроконтролера DD2
напругою 5В передбачений другий щабель - інтегральний стабілізатор DA3.
Мікроконтролер працює за програмою, яка представлені в (ДОДАТОК А). Програму
необхідно за допомогою програматора завантажити у пам’ять мікроконтролера до
його встановленя в прилад.
Для живлення трохфазного мостового
драйвера DD4
напругою 15В в схемі використовується стабілізатор напруги DA5. Входи драйвера
узгоджуються з ТТЛ логікою, що дозволяє керувати ним за допомогою
мікроконтролера без додаткових перетворювачів рівня. Отримавши на вхід сигнал
від мікроконтролера драйвер має три вихода для керування нижніми ключами моста
та три виходи для керування для ключів з плаваючим потенціалом керування.
Комутація
обмоток двигуна відбувається за рахунок польових транзисторів великої
потужності з малим опором відкритого каналу (VT5-VT10). Це дозволяє зменшити
енергетичні втрати. Кількість обертів двигуна мікроконтролер виводить на
семисегментні матриці HG1
та HG2. Для запуску
двигуна служить кнопка SА4 для зупинки SА3. Частоту обертання можна змінювати
за допомогою кнопок SА1 та SА2.
Дана схема має систему захису по
струму. У випадку перевантаження трохфазний мостовий драйвер вимикає всі силові
ключі, а також запобігає одночасному відкриттю верхніх та нижніх транзисторів і
тим самим перешкоджає протікання крізних струмів. Напруга спрацьовування
захисту складає 0,5 вольт по входу ITRP (DD4).
Після спрацьовування захисту на виході FAULT (відкритий колектор), з'являється
логічний нуль, запалюється світлодіод HL1, і закриваються всі силові ключі. Для
скидання захисту необхідно встановити всі одиниці на входах HNx, LNx.
5. РОЗРАХУНОК ВУЗЛІВ ПРИНЦИПОВОЇ
СХЕМИ СТЕНДА АСИНХРОННОГО ЕЛЕКТРОПРИВОДА
5.1
Розрахунок потужності споживання блоку керування
Сумарна потужність споживання блоком
керування дорівнює сумі потужностей, що споживаються всіма елементами схеми
[12].
(5.1)
де P - сумарна
потужність пристрою, Вт;
Pi - потужність
1-го елемента, Вт;
n -
кількість різних типів елементів, шт.;
Потужність споживання АД:
(5.2)
де UHO - напруга
живлення,
В;
I0 - випрямлений
струм,
А.
Вт.
Потужність споживання
мікронтролером РІС16F628:
(5.3)
де UЖ - напруга живлення,
В;
Iсп -
споживаний
струм,
А.
Вт.
Потужність споживання
індикатором:
(5.4)
Вт.
Cумарне
споживання індикаторами HG1 і HG2 рівна 0,3
Вт.
Потужність споживання резсторами:
(5.5)
Вт;
Вт;
Вт;
; (5.6)
Вт.
Потужність що
виділяється на вихідних каскадах ключів:
(5.7)
Вт.
Потужність що виділяється на
транзисторі VT1 та
VT2 :
(5.8)
Вт;
(5.9)
Вт.
Потужність що виділяється на
транзисторі VT3 та
VT4 :
(5.10)
Вт;
Вт.
Потужність що виділяється на діодах VD1-VD4:
Вт.
Потужність діодів VD5-VD10, VD11-VD13, VD19,VD20
та VD15-VD18 розраховуються
аналогічно.
Потужність що виділяється на трохфазному
мостовому драйвері DD3 розраховується по формулі
(5.3):
Вт.
Потужність що виділяється на мікросхемі DA1:
(5.11)
Вт.
Сумарна потужність споживаня
пристрою керування складає:
(5.12)
Вт.
5.2 Розрахунок мостового випрямляча
Вихідні дані:
випрямлена напруга UHO
=18-20
B;
випрямлений струм I0 = 7,5 A;
напруга мережі U1 =
220 B;
частота мережі f =
50 Гц.
Рисунок 5.1 - Схема
випрямляча
Для вибору типу діодів
визначаємо зворотну напругу
Uзвр
= 1,5 · U0 (5.13)
звр = 1,5 · 20= 30 В.
де U0
- випрямлена напруга, В.
U0
= 1,2 · UHO (5.14)
0 = 1,2 · 20
= 24.
Середній струм , А:
Iср
= 0,5 · I0 (5.15)
Iср
= 0,5 · 7,5 = 3,75.
Вибираємо діодну зборку типу КЦ409Є
з Uзвр = 100 В; Iср
= 4 А.
5.3
Розрахунок трансформатора Т1
Визначаємо опір трансформатора:
Ом (5.16)
де U0 - випрямлена
напруга;
I0 - струм
навантаження, мА.
Ом.
Напруга U2 на
вторинній обмотці трансформатора:

В (5.17)
В.
Струми вторинної I1
і
первинної I2 обмоток
трансформатора:
(5.18)
А;
(5.19)
А.
Обраховуємо габаритну потужність
трансформатора, яка для двохнапівперіодної схеми визначається виразом:
(5.20)
ВА.
Визначивши габаритну
потужність трансформатора, знаходимо додаток площі перерізу осердя
трансформатора
на площу
вікна осердя
.
З раніше отриманих
розрахунків маємо змогу визначитися з вибором проводу. При цьому отримуємо:
(5.21)
см
.
З таблиці в якій приведені
основні дані типових Ш-подібних пластин, по значенню
вибираємо
для осердя трансформатора пластини типу УШ40
см
, шириною середнього стержня осердя
см, висотою
вікна
см і
шириною вікна
см.
При цьому отримуємо наступне
значення:
(5.22)
см
.
Необхідна товщина пакета
пластин обраховується за наступною формулою:
(5.23)
см.
Визначаємо число витків
і товщину
провідника
первинної і
вторинної обмоток трансформатора:
витка (5.24)
витка (5.25)
мм (5.26)
мм. (5.27)
Для первинної обмотки вибираємо
мідні обмотувальні проводи діаметрами d1=0,8
мм, для вторинної - d2=2,12 мм,
марки ПЕВ-2.
5.4 Вибір
мікросхеми стабілізатора
Вихідні дані:
Вхідна напруга Uвх
= 7,5…15В;
Вихідна напруга Uвих
= 5
0,1В;
Максимальний пропускний струм
Iмах
= 3А;
Схема стабілізатора
представлена на (рис. 5.2).
Вибираємо
інтегральний стабілізатор напруги К142ЕН5А [12].
Максимальна розсіювана
потужність Pмах = 10Вт.
Рисунок 5.2 - Схема стабілізатора
Для згладжування пульсацій вибираємо
конденсатор типу К50-16 С4
ємністю 100мкф і робочою напругою 6В.
5.5
Розрахунок надійності блоку керування
Надійність - це властивість
апаратури виконувати свої функції при зберіганні експлуатаційних показників в
заданих границях по режимах роботи, які встановлені в технічному завданні.
Розрахунок надійності здійснюється
по відомим даним про інтенсивність відмов елементів. Загальна інтенсивність
відмов:
(5.28)
де λ0 - загальна
інтенсивність відмов,
1/год;
К - кількість різновидностей
елементів по типам;
Ni -
кількість елементів з інтенсивністю відмов одного типу;
λei - інтенсивність
відмов елементів схеми даного тину в реальних умовах, 1/год.
Значення приведені в (табл.
5.1).
Час спрацювання на відмову:
(5.29)
Таблиця 5.1 - Інтенсивність
відмов елементів
|
Назва елементів
|
Інтенсивність відмов, λ·10-6,
1/год
|
Кількість елементів
|
|
Діоди
|
1,0
|
21
|
|
Резистори
|
3,0
|
25
|
|
Конденсатори
|
2,0
|
16
|
|
Мікросхеми
|
0,1
|
5
|
|
Пайка
|
1,0
|
320
|
|
Транзистори
|
0,35
|
|
Кнопка
|
0,03
|
4
|
|
Світлодіоди
|
0,25
|
1
|
|
Індикатор
|
1,0
|
2
|
год.
Ймовірність безвідмовної
роботи на протязі інтервалу часу очікування строку служби приладу:
(5.30)
де Р0 - ймовірність
безвідмовної роботи;
е - константа е=2,72;
t -
інтервал часу.
Отримані дані заносимо в
таблицю 5.2.
За даними табл. 5.2 будуємо
графік залежності (Р0=f(t))
ймовірності безвідмовної роботи від часу напрацювання, рис. 5.1.
Таблиця 5.2 - Ймовірність
безвідмовної роботи на протязі проміжного часу
|
Час напрацювання, год
|
Ймовірність безвідмовної роботи
|
|
0 500 1000 1500 2000 2500 3000 3500 4000 4500
5000 5500 6000 6500 7000 8500 9000 9500 10000
|
1,000
0,804 0,646 0,520 0,418 0,336 0,271 0,217 0,174 0,140 0,113 0,091 0,073 0,056
0,047 0,025 0,020 0,016 0,013
|
Рисунок 5.1 - Графік залежності
ймовірності безвідмовної роботи від часу напрацювання
Висновки: в даному розділі був
проведений розрахунок надійності по відомим даним про інтенсивність відмов
елементів. Загальна інтенсивність відмов була порахована за формулою (5,28), а
значення занесені в (табл.. 5.1)
Також було обраховано ймовірність
безвідмовної роботи на протязі певного періоду часу, отримані дані було
занесено в (табл.. 5.2) за даними якої було побудовано графік залежності (Р0=f(t))
представлений на (рис. 5.1). Судячи з якого можна сказати, що інтенсивність
відмов майже прямо пропорційно залежить від часу напрацювання даної схеми
керування.
6. Розробка конструкції СТЕНДА АСИНХРОННОГО
ЕЛЕКТРОПРИВОДА
6.1 Розробка друкованої плати
Розведення друкованих плат для схеми
керування асинхронним двигуном виконується за допомогою програми
Diptrace. При цьому
можливі наступні операції: розташування нависних елементів на платі; розводка
друкованих провідників та ескізу проводячого рисунку плати; контроль за
надійним зєднанням дорожок та посадочних місць і таке інше.
На виробництві при розробці
друкованих плат застосовують наступні способи формування рисунка:
‾ фотографічний - використання
різних видів активного випромінювання для експонування світлочутливих
матеріалів;
‾ офсетний -
виготовлення офсетних форм і друкування з їх допомогою позитивного або
негативного зображення рисунка на заготовці;
‾ трафаретний -
використання для друку позитивного або негативного зображення рисунка;
‾ пресування -
створення рельєфної поверхні основи плати;
‾ штампова - вирубання
рисунка друкованої плати із листа фольги спеціальним штампом;
‾ ксерографічний -
проектування позитивного або негативного зображення рисунка на пластину з
напівпровідниковим шаром;
‾ гарвірування -
отримання рисунка плати фрезеруванням за допомогою координатного - слідкуючого
пристрою;
‾ малювання -
отримання позитивного або негативного зображення вручну.
В умовах лабораторії кафедри
виготовлення друкованої плати проводилось за такими етапами:
‾ друкування на глянцевому
папері за допомогою лазерного принтера дзеркального відображення рисунка
розробленої друкованої плати у Diptrace;
‾ перенесення
зображення з паперу на зачищену пластину з фольгованого склотекстоліту за
допомогою праски (при температурі 110-1400С);
‾ приготування
травного розчину: мідного купоросу (CuSO4)
або хлорного заліза, при температурі розчину 70-800С;
‾ зняття паперу з
плати шляхом розмочування у теплій воді та занурення її у травний розчин на 40
- 60 хв. при забезпеченні стабільної температури 750С ;
‾ зняття розчинником
шару тонера з доріжок витравленої плати та промивка її мильним розчином;
‾ свердління отворів
необхідного діаметру, лудження доріжок та
припаювання елементів згідно
розробленої схеми.
Монтаж друкованих плат та
електрорадіоелементів (ЕРЕ) та інтегральних схем (ІС) починається з
встановлення їх на друковану плату і складається із наступних операцій:
− подача ЕРЕ в зону
встановлення;
− орієнтування виводів
відносно монтажних отворів;
− фіксація ЕРЕ в
потрібному положенні.
Встановлюють ЕРЕ в такій
послідовності: резистори, конденсатори, мікросхеми.
Найзручніше розташовувати всі
елементи на тій стороні плати, де немає друкованих провідників. Таке
розташування полегшує процес паяння. Всі ЕРЕ повинні бути міцно закріпленні на
платі, щоб не було зміщень при механічних впливах.
Закріплення ЕРЕ виконується в
основному за допомогою виводів. Виводи вставляють в отвори і підгинають, після
чого з’єднують з печатним провідником паянням. Таке з’єднання забезпечує
механічну міцність і електричний контакт.
Встановлення і закріплення ЕРЕ на
друкованих платах може бути здійснене повністю на автоматичних лініях.
Застосування автоматичних і механічних пристроїв має смисл тільки в
багатосерійному чи масовому виробництвах, так як ці пристрої складні й дорого
коштують.
Паяння здійснюють електричним
паяльником з напругою не більше 36 В. В якості матеріалів для паяння
застосовують застосовують олов’яно-свинцевий припій ПОС-61 та каніфоль.
Загальний вигляд плати вигляд розробленої
плати представлений на (рис.6.1).
Рисунок 6.1 - Загальний вигляд
друкованої плати
6.2
Розробка та виготовлення корпусу блока керування
Корпус блоку керування Ад
складається із трьох основних частин:
− верхньої частини;
− друкованої плати;
− радіатора.
Верхня частина блоку виготовляється
із органічного скла товщиною 4 мм яка за допомогою гвинтів М3, зєднує між собою
друковану плату та сам радіатор. Для того, щоб встановити відстань між
органічним склом та друкованою платою використовують металеві трубки зовнішнім
діаметром 6 мм та внутрішнім 4 мм. Дані трубки підібрані такого розміру щоб
верхня частина не торкалася до радіоелементів. Нижня частина блоку керування
виготовлена із алюмінію. Вона призначена для відводу тепла від польових
транзисторів в навколишнє середовище, що попереджає перегрівання транзисторів
тим самим попереджає вихід з ладу та збільшує їх термін експлуатації.
Транзистори до радіатора кріпляться гвинтами, що забезпечує їх надійне
прилягання до алюміневої пастини та необхідну віддачу тепла на радіатор.
Конструкція дає можливість проводити
монтаж елементів приладу, швидкий огляд, налагодження та ознайомлення з будовою
приладу.
За допомогою розємів блок керування
підєднується до асинхронного двигуна та до мережі живлення.
ВИСНОВКИ
В результаті виконання дипломного
проекту на тему “Розробка стенда для дослідження електропривода побутової
техніки на базі трифазного асинхронного двигуна” проведений аналітичний огляд
літературних джерел, в якому приведені короткі відомості про асинхронні двигуни
та основні види схем керування ними. На основі аналізу літературних джерел
розроблені варіанти структурних схем та прийнято обґрунтоване рішення з
проектування стенда та його структурної схеми.
На основі вибраної структурної схеми
розроблені вузли принципової схеми, представлена повна схема електрична
принципова стенда та її принцип дії, проведений розрахунок основних вузлів
принципової схеми, розроблена конструкція та основні заходи з технічного
обслуговування та ремонту стенда.
Приведене економічне обґрунтування
виготовлення блоку керування, визначена трудомісткість та собівартість виробу.
На основі розробленої схеми та
конструкції реально виготовлений стенд представлений на ДПМА 08.00.00.000 Д1.
Стенд може використовуватись з метою
проведення лабораторних робіт, пов’язаних з зняттям характеристик та визначення
параметрів електроприводів із застосуванням асинхронних двигунів.
Окрім того стенд буде
застосовуватися в навчальному процесі при виконанні лабораторних робіт з
дисциплін “Спеціальні електричні машини” та “Теорії електроприводу” зі
спеціальності “Електропобутова техніка”.
ПЕРЕЛІК ПОСИЛАНЬ
1.
Ермолин Н.П. Электрические машины малой мощности. - М.: Высш. шк., 1975.- 503
с.
.
Чунихин А.А. Электрические аппараты. - М.: Энергия, 1975. - 645с.
.
Електричні машини та електропривод побутової техніки: Підручник/ М. Г. Попович,
Л. Ф. Артеменко, О. П. Бурмістенков та ін.; За ред. Д. Б. Головка, М. Г.
Поповича. 2-ге вид., стереотип. - К.: Либідь, 2004. - 352с.
.
Попович М.Г., Ковальчук О.В. Теорія автоматичного керування. - К.: Либідь,
1997.- 544 с.
.
Москаленко В.В. Автоматизированный электропривод. - М.: Энергоатомиздат, 1986.
- 416с.
.
Копылов И.П.. - Электрические машины.- М.: Энергоиздат,1986.- 360с.
7.
Соколовський Г.Г. Электроприводы постоянного тока с частотным
регулированием. - М.: Высш. шк., 2006.
8.
Ермолин Н.П. Электрические машины. - М.: Высш. шк., 1975.- 503 с.
9.
Диоды талицы. Портала О.Диоды талицы / Портала О.Н. Радиокомпоненты и
материалы: Справочник.- К: Радиоматор М.: КУБК-а 1998-720с: ил.
.
Козаченко В., Основные тенденции развития встроенных систем
управления двигателями и требования к микроконтроллерам, СipNews
№1
99г.
11.
Чернышов
А. А. Основы надежности полупроводниковых приборов и интегральных микросхем. -
М.: Радио и связь, 1988.
.
Болчаров Л Н, и др. Расчет электронных устройств на транзисторах. М.: Эенергия,
1978. - 208с.
.
Економічний розділ дипломного проекту. Методичні вказівки для студентів
спеціальностей “Обладнання легкої промисловості”,”Електропобутова
техніка“/ Т.Г.
Гайворонська.- Хмельницький: ХНУ,
2008.
.
ГОСТ 12.2.033-78.ССБТ. Робочее место при выполнении работ стоя. Общие
эргономические требования . М.: Изд.
стандартов, 1979.
.
ГОСТ 12.2.049-80.ССБТ. Оборудование производственное. Общие эргономические
требования . - М. : Изд.
стандартов, 1980.
.
Маклер В.Я. и др. Вентиляция и кондиционирование воздуха на машиностроительных
заводах Справочник.- М.: Машиностроение,
1980.
.
ГОСТ 12.2.072-82.ССБТ. Роботы промышленные, роботизированные технологические
комплексы и участки .- М.: Изд.
стандартов, 1983.
18.
Справочная книга по светотехнике. Под ред. Айзенберга Ю. Б. - М.:
Энергоатомиздат, 1983.