Реконструкция электросети гостиничного комплекса ООО 'Санта Ризот отель'
ЮЖНО-САХАЛИНСКИЙ
ИНСТИТУТ
ЭКОНОМИКИ,
ПРАВА И ИНФОРМАТИКИ
Кафедра
«Электротехники,
автоматизации
и энергетики»
ДИПЛОМНАЯ
РАБОТА
Тема: «Реконструкция
электросети гостиничного комплекса ООО «Санта Ризот отель»
Направление
140211 Электроснабжение
Южно-Сахалинск
Оглавление
Введение 4
1. Расчёт
нагрузок 6
1.1. Расчёт
нагрузок электроприёмников 6
1.2. Расчёт
осветительной нагрузки 10
1.3. Расчёт
суммарной нагрузки 21
2. Выбор
трансформаторов, проводников и электрооборудования 22
2.1. Выбор числа
и мощности трансформаторов на ТП 22
2.2. Выбор
проводников питающих линий 23
2.3. Выбор
вводно-распределительных устройств 30
2.4. Выбор
предохранителей 31
2.5. Выбор
электрических щитов 33
2.6. Выбор
автоматических выключателей 34
2.7. Выбор
сечений кабелей от ВРУ до электрощитов 37
2.8. Расчёт
токов короткого замыкания 38
2.9. Расчёт
токов однофазного КЗ 43
2.10. Проверка
питающего кабеля по термической стойкости 44
2.11. Выбор
предохранителей и выключателей нагрузки 6 кВ 45
3. Спецвопрос.
Релейная защита 46
3.1. Выбор
устройств релейной защиты и автоматики 47
3.2. Расчёт
токовой отсечки питающей линии 6 кВ 47
3.3. Расчёт МТЗ
питающей линии 6 кВ 49
3.4. Защита
трансформатора ТМ−630/6 51
3.5.
Автоматическое включение резерва 54
4. Охрана
труда и техника безопасности 58
4.1. Расчёт
заземления 58
4.2. Техника
безопасности при монтаже оборудования 66
4.3.
Уравнивание потенциалов 67
4.4. Пожарная
безопасность 68
5. Экономическая
часть 70
5.1.
Устанавливаемое оборудование 70
5.2. Стоимость
устанавливаемого оборудования 70
5.3. Полная
стоимость реконструкции 72
5.4.
Экономическая выгода от замены источников освещения 76
Заключение 78
Список
использованной литературы 79
Введение
Назначением систем электроснабжения городов (ЭСГ) является обеспечение
электроэнергией всех технологических процессов коммунально-бытовых,
промышленных, транспортных и других потребителей, располагающихся на
территориях городов и частично ближайших пригородных зон.
Основными задачами конкретного проектирования ЭСГ и иных населенных пунктов
являются выбор экономически целесообразных структур номинальных напряжений,
типов (по назначению) электрических сетей, номинальных параметров основного
электрооборудования линий, подстанций, распределительных пунктов, а также
параметров режимов передачи мощности и качества напряжения. При этом должны
учитываться электротехнические, экологические и градостроительные (включая
архитектурно-технико-эстетические) требования и ограничения, а также развитие
потребителей электроэнергии, источников питания, электрических сетей и
возможная неопределенность перспективной технико-экономической информации.
На всех этапах проектирования ЭСГ следует руководствоваться действующими
нормативами при сооружении электроустановок и рекомендациями.
В данной дипломной работе рассматривается система электроснабжения
гостиничного комплекса ООО «Санта Ризот отель». В процессе выполнения работы
необходимо решить следующие задачи:
определить электрические нагрузки по установленной мощности
электроприёмников;
определить осветительную нагрузку, рассчитать осветительную сеть с
заменой установленных светильников более современными;
выбрать сечения проводников 0,4 кВ;
рассчитать токи короткого замыкания;
определить требуемый объём релейной защиты и провести её расчёт;
− провести выбор и проверку коммутационно-защитной аппаратуры.
В экономической части работы необходимо оценить затраты на предлагаемую
реконструкцию, а в разделе «Техника безопасности» - рассчитать контур
заземления и рассмотреть вопросы электро- и пожаробезопасности.
1. Расчёт
нагрузок
.1 Расчёт
нагрузок электроприёмников
Важнейшей предпосылкой рационального проектирования системы
электроснабжения является правильное определение расчетных нагрузок, в
зависимости от которых выбираются параметры всех элементов системы.
Активные и реактивные нагрузки отдельных потребителей являются случайными
функциями многих переменных величин. Они зависят от организации бытовых и
трудовых режимов населения, технологических особенностей работы потребителей и
т. д. Определение нагрузки производится на основании экспериментальных данных,
обработанных с помощью методов математической статистики.
Нормированные значения применяются при разработке проектов электрических
сетей новых и реконструируемых микрорайонов, районов и городов в целом.
Определению подлежат расчетные нагрузки на вводе к каждому потребителю и в
отдельных элементах электрических сетей.
Нагрузки определяют необходимые технические характеристики элементов
электрических сетей − сечения жил и марки проводников, мощности и типы
трансформаторов, электрических аппаратов и другого электротехнического
оборудования. Правильное определение электрических нагрузок обеспечивает
правильный выбор средств компенсации реактивной мощности, устройств
регулирования напряжения, а также релейной защиты и автоматики электрических
сетей. Существует несколько методов определения электрических нагрузок:
) по ретроспективной информации по графикам электрических нагрузок и
показаниям счётчиков − вероятностно-статистический метод;
) по удельным нагрузкам жилых и общественных зданий − для городских
и сельских нагрузок;
) по удельным расходам электроэнергии и плотностям промышленной нагрузки,
которые зависят от рода производства и выявляются по статистическим данным;
) по коэффициенту спроса Кс, значения которого зависят от
технологии производства (типа электроприемника) и приводятся в отраслевых
инструкциях и справочниках;
) по коэффициенту расчётной активной мощности Кр.
Величина расчетной нагрузки устанавливается на какой-то определенный
срок. Как правило, наибольшая точность предъявляется к определению нагрузки на
вводе потребителя. При этом наряду с точными методами в практике проектирования
используются различные приемы расчета нагрузки, имеющие оценочный характер.
Выбор метода для расчёта нагрузок определяется характером и объёмом
исходной информации, которые в свою очередь зависят от вида потребителя.
В гостиничном комплексе, рассматриваемом в данной работе, имеются только
бытовые потребители. Расход электроэнергии в гостиничных номерах определяется
электроосвещением и работой электроприёмников, которыми оснащены все номера:
холодильником, кондиционером, чайником, телевизором и феном. Кроме того, в
электропотреблении необходимо учитывать вероятную нагрузку электроприборов,
включаемых в розеточную сеть.
Учитывая то, что для каждого гостиничного номера известен основной состав
электроприемников, нагрузки в данной работе будем рассчитывать с использованием
коэффициента спроса.
По установленной мощности электроприёмника определяются расчётные
значения мощности:
Рм=Кс∙Рн; (1.1)м=Рм∙tgj, (1.2)
где Рн − установленная номинальная мощность
электроприёмника;
Кс − коэффициент спроса;
tgj −
коэффициент мощности.
Полная расчётная мощность электроприемника:
Sм=Рм/сosj. (1.3)
Перечень электроприёмников, которыми оборудованы все гостиничные номера,
с указанием номинальных мощностей дан в таблице 1.1.
Таблица 1.1.
Перечень электроприёмников стандартного гостиничного номера
|
Наименование
|
Pн, кВт
|
сosφ
|
tgφ
|
Кс
|
|
Холодильник
|
0,1
|
0,86
|
0,6
|
1
|
|
Чайник
|
0,8
|
1
|
0
|
0,1
|
|
Телевизор
|
0,1
|
0,8
|
0,75
|
0,7
|
|
Фен
|
1
|
0,98
|
0,2
|
0,05
|
|
Кондиционер
|
0,1
|
0,8
|
0,75
|
0,6
|
Рассчитываем мощности отдельных электроприемников по формулам (1.1−1.2):
Рхол=0,1·1=0,1 кВт;
Рч=0,8·0,1=0,08 кВт;
Ртв=0,1·0,7=0,07 кВт;
Рф=1·0,05=0,05 кВт;
Рконд.=0,05=0,05 кВт;
Qхол=0,1·0,6=0,06 кВАр;
Qч=0,08·0·=0;
Qтв=0,07·0,75=0,053 кВАр;
Qф=0,05·0,2=0,01 кВАр;
Qконд.=0,05·0,75=0,038 кВАр.
Расчётная мощность электроприёмников одного гостиничного номера:
Р1 расч=Рхол+Рч+Ртв+Рф+Рконд; (1.4)
Q1
расч=Qхол+Qч+Qтв+Qф+Qконд; (1.5)
Р1 расч=0,1+0,08+0,07+0,05+0,05=0,35 кВт;
Q1
расч=0,06+0+0,053+0,01+0,038=0,161
кВАр;
S=
; (1.6)
S1 расч=
=0,385 кВА.
Расчётная
нагрузка розеточной сети определяется по формуле:
Рр.р.=Руд·nр·Ко.р., (1.7)
где Руд=0,06 кВт - удельная мощность на 1 розетку при числе
розеток свыше 100 [1, п.6.3];
nр=2·96=192 - общее число розеток;
Ко.р=0,6 - коэффициент одновременности для сети розеток при nр=192 [1, п. 6.3].
Рр.р.=0,06·192·0,6=6,91 кВт;
Qр.р.=6,91·0,85=5,87 кВАр.
Определяем суммарную расчётную нагрузку электроприёмников гостиничного
комплекса с учётом девяти печей, мощностью 4 кВт каждая:
Рр.=96·0,35+6,91+9·4=76,51 кВт;
Qр.=96·0,161+5,87=21,33 кВАр;
Sр.=
=79,4 кВА.
1.2 Расчёт
осветительной нагрузки
Для обеспечения нормальных условий труда и отдыха, огромное значение
имеет эффективная световая среда, а именно, искусственное освещение, которое
создает возможность нормальной деятельности человека при отсутствии или
недостаточности естественного освещения.
К искусственному освещению предъявляются следующие требования:
) достаточная яркость рабочей поверхности;
) постоянство освещения;
) ограничение пульсации светового потока;
) ограничение ослепленности;
) благоприятное распределение яркости в поле зрения.
Достаточная яркость рабочей поверхности является необходимым условием для
обеспечения нормальной работоспособности человеческого глаза. Величина
освещенности рабочего места устанавливается в зависимости от точности
выполняемых работ. Чем точнее работа, чем меньше объекты различения и чем
дальше эти объекты расположены от рабочего, тем уровень освещенности должен
быть выше. Для гостиничных номеров нормируемое минимальное значение
освещенности Ен составляет 150 лк для горизонтальной плоскости
нормирования освещения на высоте 0,0 м от уровня пола, для санузлов - Ен=50
лк. [1, п.4.10; 2, с. 108]
Однако уровень освещенности определяется не только величиной объектов
различения и расстоянием их до глаза, но и контрастом объектов различения с
фоном, а также степенью светлоты фона.
Постоянство освещенности является необходимым условием в осветительной
установке.
Колебания освещенности могут явиться следствием колебания напряжения в
осветительной сети или раскачивания светильников местного освещения, свободно
подвешенных на подводящих ток проводах.
Колебания освещенности вызывают зрительное утомление. Исследования
показали, что колебания освещенности имеют место при изменении амплитуды
напряжения на 4% от номинального значения.
Для люминесцентных ламп, работающих в сетях переменного тока, как и для
любых других газоразрядных источников света, характерно наличие колебаний
светового потока во времени, определяемых безынерционностью излучения
электрического разряда.
Колебания светового потока создает так называемый стробоскопический
эффект. Стробоскопический эффект нарушает правильное восприятие глазом
движущихся предметов.
Достаточной мерой борьбы с пульсацией светового потока, т.е. явлением
стробоскопического эффекта, является применение схем включения ламп таким
образом, чтобы соседние лампы получали напряжение со сдвигом фаз, т.е.
включение ламп в многоламповых светильниках на разные фазы или применение
двухламповой схемы, где одна лампа включается последовательно с индуктивным
сопротивлением, а другая - последовательно с индуктивным и емкостным
сопротивлением.
Уровень ослепленности, создаваемый светильниками, расположенными в поле
зрения, определяется их яркостью и силой света по направлению к глазу
наблюдателя, высотой их расположения над линией зрения и яркостью окружающего
фона.
В соответствии с этим ограничение ослепленности в действующих СНиП
сводится к регламентации минимально допускаемой высоты подвеса светильника над
полом освещаемого помещения в зависимости от защитного угла светильника,
характера рассеивателя и мощности источника света, определяющих его яркость и
силу света по направлению к глазу наблюдателя.
Светильники с защитным углом менее 10° без рассеивателей и с лампами в
прозрачной колбе для общего освещения помещений не допускаются.
В практических условиях освещения недопустима большая неравномерность
распределения яркости в поле зрения, которая может возникнуть, если яркость
рабочей поверхности резко отличается от яркости стен и потолка помещения.
Для сохранения удовлетворительного распределения яркости в окружающем
пространстве светильники общего освещения должны создавать на уровне рабочей поверхности
не менее 10% освещенности, нормированной для данного рода работ при
комбинированном освещении, но не более 30%.
Неравномерность распределения яркости в поле зрения может быть вызвана
падающими тенями, возникающими от расположенных вблизи предметов, корпуса
работающего или неравномерным освещением рабочей поверхности. Неравномерность
распределения яркости по рабочей поверхности не регламентирована СНиП, однако
при проектировании осветительной установки надо стремиться к устранению
затенения и равномерному распределению освещенности в пределах рабочей
поверхности.
Основными характеристиками источников света являются следующие
номинальные величины: напряжение, мощность, световой поток, световая отдача и
средняя продолжительность работы (горения).
По способу генерирования света все электрические источники делятся на: 1)
температурные; 2) люминесцентные (холодного свечения); 3) светодиодные.
К первой группе относятся лампы накаливания, в том числе галогенные, ко
второй - газоразрядные лампы, в том числе люминесцентные.
В третью группу входят светодиоды, в том числе органические. Светодиодные
источники света появились очень недавно и являются наиболее перспективными.
Светодиод или LED (light emitting diode) - это полупроводниковый прибор,
преобразующий электрический ток непосредственно в световое излучение. Светодиод
состоит из полупроводникового кристалла на подложке, корпуса с контактными
выводами и оптической системы. Свечение возникает при рекомбинации электронов и
дырок в области p-n-перехода.
В светодиоде, в отличие от лампы накаливания или люминесцентной лампы,
электрический ток преобразуется непосредственно в световое излучение.
Светодиод (при должном теплоотводе) мало нагревается, что делает его
незаменимым для некоторых областей применения. Говоря о температуре светодиода,
необходимо различать температуру на поверхности кристалла и в области
p-n-перехода. От первой зависит срок службы, от второй - световой выход. В
целом с повышением температуры p-n-перехода яркость светодиода падает, потому
что уменьшается внутренний квантовый выход из-за влияния колебаний
кристаллической решетки. Поэтому так важен хороший теплоотвод. Падение яркости
с повышением температуры не одинаково у светодиодов разных цветов. Оно больше у
красных и желтых, и меньше у зеленых, синих и белых.
Светодиод излучает в узкой части спектра, его цвет чист, ультрафиолетовое
и инфракрасное излучения, как правило, отсутствуют. Светодиод - низковольтный
прибор. Обычный светодиод, применяемый для индикации, потребляет от 2 до 4 В
постоянного напряжения при токе до 50 мА. Светодиод, который используется для
освещения, потребляет такое же напряжение, но ток выше - от нескольких сотен мА
до 1 А. В светодиодном модуле отдельные светодиоды могут быть включены
последовательно, и суммарное напряжение оказывается более высоким (обычно 12
или 24 В).
При подключении светодиода необходимо соблюдать полярность, иначе прибор
может выйти из строя.
Яркость светодиода характеризуется световым потоком и осевой силой света,
а также диаграммой направленности. Существующие светодиоды разных конструкций
излучают в телесном угле от 4 до 140 градусов.
Цвет, как обычно, определяется координатами цветности и цветовой
температурой, а также длиной волны излучения. Яркость светодиодов очень хорошо
поддается регулированию, но не за счет снижения напряжения питания - этого-то
как раз делать нельзя, - а так называемым методом широтноимпульсной модуляции
(ШИМ), для чего необходим специальный управляющий блок, обычно он совмещается с
блоком питания и конвертором, а также с контроллером управления цветом
RGB-матрицы. Метод ШИМ заключается в том, что на светодиод подается не
постоянный, а импульсно-модулированный ток, причем частота сигнала должна
составлять сотни или тысячи герц, а ширина импульсов и пауз между ними может
изменяться. Средняя яркость светодиода становится управляемой, в то же время
светодиод не гаснет.
Для выбора источника света проведем их небольшой сравнительный анализ.
Лампы накаливания неэффективны: слишком много энергии уходит на нагрев
вольфрамовой нити и стеклянной колбы, слишком мало выделяется в виде света.
Коэффициент полезного действия лампы накаливания составляет 5-10%.
Светодиоды с началом промышленного производства последовательно
совершенствовались. Исследования коснулись и внутреннего квантового выхода
излучения в активном слое, и методов вывода излучения из кристалла. Решались и
продолжают решаться задачи увеличения тока через один диод и уменьшения нагрева
диодов, чтобы получить от одной светодиодной лампочки возможно больший световой
поток. Рекордные значения коэффициента полезного действия - преобразования
электрической энергии в световую энергию - достигли в лабораториях 60%!
Лампы накаливания легко бьются, часто перегорают, чем доставляют немало
неприятностей. Более экономичны и дольше служат люминесцентные лампы, но они
столь же хрупки и содержат ядовитую ртуть. Светодиод механически прочен, его,
конечно, не рекомендуется бить молотком, но ронять его в отличие от лампочки
можно.
Средняя лампа накаливания горит 1000-1500 часов, лучшие люминесцентные -
до 24 тысяч часов. Светодиоды исключительно надежны, срок службы может
достигать 100 тысяч часов, что почти в 100 раз больше, чем у лампочки
накаливания, и в 5-10 раз больше, чем у люминесцентной лампы. Таким образом,
при 10 часах горения ежедневно срок службы светодиода составит более 25 лет.
Главным же доказательством преимуществ светодиодов по сравнению с другими
источниками света является светоотдача: величина светового потока на один ватт
электрической мощности. Лампы накаливания имеют световую отдачу около 18 лм/Вт.
Светодиоды белого свечения в промышленности достигли сейчас значений порядка 80
лм/Вт, т.е. уровня экономичных люминисцентных ламп. В лабораториях получены
значения световой отдачи до 150 лм/Вт, т.е. превысила светоотдачу лучших современных
люминесцентных ламп; когда эти значения будут достигнуты в массовом
производстве, белые светодиоды вытеснят обычные лампы.
Следовательно, светодиод является в настоящее время наилучшим источником
освещения, который обладает самым высоким коэффициентом полезного действия.
Учитывая то, что часть электрической энергии, расходуемой на освещение,
составляет в мире около 21% от общего количества потребляемой электроэнергии,
массовое применение светодиодов для освещения позволит сэкономить
электроэнергию, оцениваемую миллиардами долларов, и решить часть экологических
проблем, связанных с глобальным потеплением.
В настоящее время светодиоды находят применение практически во всех
областях светотехники, за исключением освещения производственных площадей, да и
там могут использоваться в аварийном освещении. Особенно выгодно применять
светодиоды сейчас, в период мирового финансового кризиса, когда необходимо
жестко экономить электроэнергию.
Для освещения гостиничных номеров предварительно выбираем светодиодные
лампы KREONIX P130 E27/14 168LED, имеющие стандартные цоколи E14 и E27 [3].
Данные лампы можно использовать для замены стандартных ламп накаливания в любых
существующих светильниках, без какой-либо модернизации. [3] Рабочее напряжение
лампы KREONIX P130 E27/14 168LED - 220 В, мощность одной лампы 8,4 Вт. Внешний
вид лампы дан на рисунке 1.1
Рис. 1.1. Внешний вид лампы KREONIX P130 E27/14 168LED
Расчёт осветительной нагрузки проведём методом коэффициента использования
в соответствии с методикой, приведенной в [2; 4]. Расчётную величину
осветительной нагрузки можно определить по формуле:
Pро=Руст·Кс, (1.8)
где Руст - установленная мощность ламп;
Кс - коэффициент спроса.
Установленная мощность ламп определяется их количеством, которое зависит
от светового потока Ф, необходимого для получения нормы освещенности, и
светового потока одной лампы.
Для одного помещения световой поток всех ламп, необходимый для получения
нормы освещённости, методом коэффициента использования рассчитывается следующим
образом:
Ф=
, (1.9)
где Ф − световой поток ламп, установленных в помещении, лм;
Ен − нормированная минимальная освещённость, лк; [1, п.
4.10; 2, табл. 4.5]
Кзап=1,3 − коэффициент запаса;
S − площадь
помещения, м2;
z=1,15
− коэффициент минимальной освещенности для светодиодных ламп; [2, с. 125]
η − коэффициент использования светового
потока, о.е..
Коэффициент использования светового потока зависит от коэффициентов
отражения потолка, стен и рабочей поверхности ρ и от индекса помещения i.
Коэффициенты отражения для светлого потолка, стен, оклеенных светлыми
обоями и темного пола (расчётной поверхности) [2, табл. 5-1]:
rп=50%, rс=30%, rр=10%.
Индекс помещения определяется геометрическими размерами помещения и
расчётной высотой h (расстоянием от
светильника до расчетной поверхности):
i=
, (1.10)
здесь А − длина помещения, м;
B − ширина
помещения, м.
Индекс помещения для гостиничного номера согласно плану:
iн.=
=1,18.
По
[2] определили коэффициент использования светового потока для гостиничного
номера
− ηн=59%.
Определяем
требуемый световой поток для гостиничного номера:
Фн.=
=7184 лм.
Таким
образом, для получения требуемого уровня освещенности в гостиничном номере
необходима установка 10 ламп KREONIX P130 E27/14 168LED, которые дадут световой
поток:
Фрасч.н.=10·700=7000
лм.
Расчётный световой поток ламп, принятых к установке в номере, меньше
требуемого на 3,6%, что допустимо, так как отклонение расчётного светового
потока от требуемого допускается на (-10%÷+20%) [2, с. 125].
В настоящее время в номерах установлены светильники для 6 ламп
накаливания мощностью 60 Вт.
Следовательно, требуется установка пары двухламповых подвесных или
настенных светильников либо установка четырёх одноламповых светильников,
встраиваемых в подвесные потолки.
Габаритные размеры принятых к установке ламп, необходимые при выборе
светильников показаны на рисунке 1.2.
Рис. 1.2. Габаритные размеры лампы KREONIX P130 E27/14 168LED
Аналогичным образом рассчитываем требуемый световой поток для санузла
гостиничного номера:
iс.у.=
=0,5;
ηс.у.=24%;
Фс.у.=
=1246 лм.
Вместо
двух ламп накаливания по 40 Вт, используемых в настоящее время для освещения
санузлов гостиничных номеров, принимаем две лампы KREONIX P130 E27/14 168LED,
создаваемый ими световой поток:
Фрасч.с.у.=2·700=1400 лм.
Световой поток принятых к установке в санузле ламп превышает требуемый на
12%, что допустимо [2, с. 125].
Определяем требуемый световой поток для коридора 30´2,2 м, при :
iк.=
=1,025;
ηк.=40%;
Фк.=
=12334 лм.
Число
ламп KREONIX P130 E27/14 168LED
для коридора определяем по формуле:
n=
, (1.11)
здесь Фном=700 лм -·номинальный световой поток одной лампы KREONIX P130 E27/14
168LED;
nк.=
=17,6.
Для
коридора принимаем к установке 18 ламп KREONIX P130 E27/14 168LED, создаваемый
ими световой поток:
Фк=18·700=12600 лм.
Световой поток принятых к установке в коридоре ламп превышает требуемый
на 2,2%, что допустимо [2, с. 125].
Так как длина коридора составляет 30 м, то восемнадцать потолочных
светильников с лампами KREONIX P130 E27/14 168LED устанавливаем на расстоянии
1,6 м друг от друга по осевой линии коридора, крайние светильники - с отступом
от концов коридора 1,4 м.
Общее число ламп KREONIX P130 E27/14 168LED Д в гостиничном комплексе:
N=(10+2)·96+18·9=1314.
Установленная мощность ламп:
Руст=NЛ·РЛном, (1.12)
Руст=1314∙8,4=11038 Вт.
По [1, табл. 6.5] определили значение коэффициента спроса для гостиницы:
Кс=0,8. Следовательно, осветительная нагрузка в целом:
Pр.о.=11,04·0,8=8,83 кВт;
Qр.о.=8,83·0,75=6,62 кВАр.
1.3 Расчёт
суммарной нагрузки
Суммарная нагрузка гостиничного комплекса с учетом осветительной
нагрузки, общей нагрузки ресторанов, бара, кухни, прачечной и прочих
вспомогательных помещений (Рпр=284 кВт, Qпр=193 кВАр) и нагрузки уличного освещения (Рул.о.=6,94
кВт, Qул.о=6,35 кВАр):
РΣ=Рр+Pр
о+Рпр+Рул.о.; (1.13)
QΣ=Qр+Qр.о.+Qпр+Qул.о. (1.14)
РΣ=76,51+8,83+284+6,94=372,3 кВт,
QΣ=21,33+6,62+193+6,35=227,3 кВАр.
SΣ=
=436,2 кВА.
2. Выбор
трансформаторов, проводников и электрооборудования
.1 Выбор
числа и мощности трансформаторов на ТП
Правильный выбор числа и мощности трансформаторов на городских
подстанциях является одним из основных вопросов рационального построения
системы электроснабжения.
Наиболее экономичны однотрансформаторные подстанции, которые при наличии
централизованного (складского) резерва или связей по вторичному напряжению
могут обеспечить надежное питание потребителей II и III
категорий.
При проектировании систем электроснабжения установка
однострансформаторных подстанций рекомендуется при полном резервировании
электроприёмников I и II категория по сетям низкого
напряжения и для питания электроприёмников III категории, когда возможна замена поврежденного
трансформатора в течение не более одних суток и при наличии централизованного
резерва.
Выбор номинальной мощности силовых трансформаторов осуществляется по
условию:
, (2.1)
где Nт - число трансформаторов;
Кз - коэффициент загрузки, при двух трансформаторах
принимается в пределах от 0,7 до 0,8, при одном - 0,85.
Определим расчётную мощность трансформаторов для ТП, питающей гостиничный
комплекс, при установке двух трансформаторов и установке одного трансформатора:
Sрасч2=
=290,7 кВА;
Sрасч1=
=512,9 кВА.
Таким
образом, на ТП возможна установка двух трансформаторов ТМ-400/6/0,4 или одного
ТМ-630/6/0,4.
Так
как на рассматриваемой ТП в настоящее время стоят два трансформатора мощностью
400 кВА, износ которых достиг значительной степени, то принимаем решение о
целесообразности их замены. С учетом перспективы развития на подстанции
устанавливаем два трансформатора ТМ-630/6/0,4, при этом в ближайшие несколько
лет постоянно в работе должен находиться только один трансформатор, второй
выполняет функции резерва, через определенные промежутки времени трансформаторы
меняются ролями.
2.2
Выбор проводников питающих линий
В настоящее время для реконструкции существующих и строительства новых
линий электропередачи на напряжение до 1 кВ (а также для напряжения до 10 кВ)
рекомендованы самонесущие изолированные провода, которые имеют значительные
преимущества перед обычными проводами АС, а именно:
не требуется расчистка трасс и замена изоляции, сокращаются
восстановительные работы, отсутствует гололедообразование. При этом
обеспечиваются:
безопасность работ на ВЛИ и вблизи нее;
снижение потерь напряжения и мощности вследствие малого реактивного
сопротивления (у изолированных проводов - 0,1 Ом/км, у голых - 0,35 Ом/км), а
также увеличение пропускной способности для одинаковых сечений на 6,5%;
упрощение решения вопросов присоединения. Присоединение выполняется при
помощи прокалывающего зажима, при этом не нарушаются механические свойства
провода и его электрические параметры;
экономия металлоконструкций и железобетона при техническом перевооружении
(на одноцепной опоре со стойкой СВ 95-2 можно вешать две цепи за счет снижения
изоляционных расстояний между цепями и уменьшения механических нагрузок).
Экономия железобетона на одну опору составляет 0,17 м3,
металлоконструкций - 12,3 кг.
Кроме того, значительно повышают надежность самонесущих изолированных
проводов следующие критерии:
провода защищены от схлестывания;
простота монтажных работ и соответственно уменьшение сроков их проведения;
высокая механическая прочность проводов и соответственно невозможность их
обрыва;
пожаробезопасность, основанная на исключении короткого замыкания при
схлестывании;
возможность прокладки СИП по фасадам зданий, а также совместной подвески
с проводами низкого, высокого напряжения, линиями связи, что дает существенную
экономию на опорах.
возможность применения опор действующих проектов и новых опор меньшей
высоты;
высокая надежность и бесперебойность энергообеспечения потребителей;
отсутствие коротких замыканий между проводами фаз, случайных перекрытий;
малая вероятность замыканий на землю;
уменьшение расстояния между проводами на опорах и в пролете;
сокращение общих эксплуатационных расходов за счет уменьшения объемов
аварийно-восстановительных работ.
Поэтому в качестве проводников для питающей линии 6 кВ выбираем
самонесущие изолированные провода СИП-3.
В соответствии с [5] сечения проводов ВЛ и жил кабелей должны выбираться
по экономической плотности тока в нормальном режиме и проверяться по
допустимому длительному току в аварийном и послеаварийном режимах, а также по
допустимому отклонению напряжения.
Рациональное сечение определяется по формуле:
Fр=
, (2.2)
где Ip - расчётный ток нормального режима;
jэ - экономическая плотность тока,
зависящая от вида проводника и его изоляции и продолжительности использования
максимальной нагрузки Тmax.
Для городских ТП 6/0,4 кВ Тmax=4500−5000 ч [6, с. 842], тогда для самонесущих
изолированных проводов с токоведущими алюминиевыми жилами jэ=1,2 А/мм2 [5, табл. 1.3.36].
Расчётный ток для питающей линии 6 кВ определим по формуле
Iр=
, (2.3)
где Sр=0,5·SΣ - расчётная мощность, текущая по
одной из двух питающих линий 6 кВ, кВА;
Uном - номинальное напряжение;
Iр =
=21 А.
Рациональное
сечение для питающей линии 6 кВ:
Fр=
=17,5 мм2.
Полученное
сечение округляем до ближайшего большего стандартного сечения.
Для
питающей линии 6 кВ выбираем СИП-3 - одножильный самонесущий изолированный
провод с сечением токоведущей жилы 35 мм2. Жила выполнена из
алюминиевого сплава высокой прочности. Изоляция выполнена из сшитого
полиэтилена.
Выбранное сечение необходимо проверить по допустимому длительному току, а
также по потере напряжения, которая не должна превышать допустимую, и по
термической стойкости при КЗ (по нагреву от кратковременного выделения теплоты
при токах КЗ).
Максимальный ток в питающей линии:
Imax=
, (2.4)
Imax=
=42 А.
Максимальный ток питающей линии 6 кВ не превышает длительно допустимого
тока Iдоп=85 А для провода СИП-3-3х35,
следовательно, недопустимого перегрева провода не произойдёт.
Наибольшую потерю напряжения в линии 6 кВ определим по формуле:
/1000, (2.5)
где Ip - расчётный ток в проводнике, А;
rуд, худ - удельное активное
и индуктивное сопротивление проводника;
L -
длина проводника, м.
Наибольшая потеря напряжения в питающем проводе СИП-3-3х35 (при
отключении одной из двух питающих ВЛИ):
cosφ=372,3/436,2=0,853;
sinφ=227,3/436,2=0,521;
ΔUнб=
·42·(0,986·0,853+0,1·0,521)·2,5=174 В,
или
ΔUнб%=0,174·100/6=2,9%.
В
нормальном режиме потери напряжения в питающей ВЛИ составят не более 1,5%.
Т.о.
сечение питающей линии 6 кВ успешно прошло проверку по допустимой потере
напряжения.
Выберем
сечение питающего кабеля, который соединит шины 0,4 кВ ТП с вводной панелью
серии ВРУ-3. Предварительно принимаем к установке вводную панель
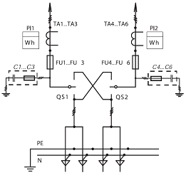
ВРУ-3А-12-УХЛ4, схема которой показана на рисунке 2.1.
Рис.
2.1. - Принципиальная схема первичных соединений вводной панели ВРУ-3А-12-УХЛ4
Определяем
расчётный ток питающего кабеля в соответствии с рисунком 3.1
Iр =
=157,4 А.
К
установке принимаются кабели с бумажной изоляцией и алюминиевыми жилами марки
ААШв, следовательно, jэ=1,4 А/мм2
[5, табл. 1.3.36].
Находим
рациональное сечение для питающей кабельной линии от шин 0,4 кВ ТП до вводной
панели:
Fр=
=112,4 мм2.
Для соединения вводной панели гостиничного комплекса с шинами 0,4 кВ
прокладываем четыре кабеля ААШв-(3х120+1х95). Прокладку кабелей выполняем в
двух траншеях на глубине 0,6 м, расстояние в свету между кабелями - 300 мм.
Следовательно, допустимый ток для кабеля ААШв-(3х120+1х95) в соответствии с [7,
с. 401, 408]:
Iдоп
120=270·0,93=251
А.
Максимальный ток в питающем кабеле:
Imax=
=314,8 А,
что
превышает длительно допустимый ток Iдоп 120=251 А, следовательно, необходимо выбрать кабели
большего сечения.
Выбираем кабели ААШв-(3х185+1х150) с длительно допустимым током:
Iдоп
185=345·0,93=321 А
> Imax=314,8 А,
следовательно, недопустимого перегрева кабеля не произойдёт.
Потери напряжения в питающем кабеле ААШв-(3х185+1х150) :
ΔU=
·314,8·(0,169·0,853+0,06·0,521)·0,25=12 В или ΔU%=3,2%.
Т.о.
сечение кабеля успешно прошло проверку по допустимой потере напряжения.
Проверка
выбранного сечения на термическое действие тока КЗ проводится по условию:
F≥
; (2.6)
где Fmin - минимальное сечение кабеля по
условию термической стойкости;
Вк - тепловой импульс.
Тепловой импульс определяется по формуле:
, (2.7)
здесь
− периодическая составляющая тока трехфазного
короткого замыкания (КЗ) в начальный момент времени;
tоткл - время отключения КЗ.
Таким
образом, для окончательной проверки сечения проводников питающих линий
необходимо рассчитать токи КЗ.
2.3
Выбор вводно-распределительных устройств
Вводно-распределительные устройства (ВРУ) устанавливаются в жилых и
общественных зданиях и предназначены для приема, распределения и учета электрической
энергии, а также для защиты линий при перегрузках и коротких замыканиях в
трехфазных сетях напряжением 380/220 В частотой 50 Гц с изолированной и
глухозаземленной нейтралью, а также в четырехпроводном и пятипроводном
исполнениях с рабочим нулевым заземляющим проводником.
Для присоединения сети 0,4 кВ внутреннего электроснабжения гостиничного
комплекса к питающему кабелю выбрано стандартное вводно-распределительное
устройство типа ВРУ-3А-12-УХЛ4 - вводную панель для двух взаимно резервируемых
вводов на 400 А и учётом электроэнергии на двух вводах.
В вводной панели для защиты аппаратуры установлены два комплекта
предохранителей типа ПН-2 в каждой фазе. За предохранителями установлены
трансформаторы тока 400/5, они необходимы для понижения тока, идущего на учет.
К вторичной цепи трансформаторов тока подключены два многотарифных счетчиков
учета электроэнергии типа ЦЭ 6803.
Для распределения электроэнергии внутри гостиничного комплекса
устанавливаем распределительную панель ВРУ-3А-25-УХЛ4, схема которой приведена
на рисунке 2.2. Распределительная панель ВРУ-3А-25-УХЛ4 предназначена для
питания десяти групп по 100 А от двух вводов и оснащена 30 предохранителями 100
А типа ПН-2.
Перечень электрооборудования выбранных вводной и распределительной
панелей ВРУ-3А-12-УХЛ4 и ВРУ-3А-25-УХЛ4 приведен в таблице 2.1.

Таблица 2.1.
Электрооборудование
|
Электрооборудование
|
Iном, А
|
Тип
|
Количество
|
|
вводная панель
ВРУ-3А-12-УХЛ4
|
|
Предохранитель
|
400
|
ПН−2
|
6
|
|
Трансформатор тока
|
400/5
|
|
6
|
|
Счетчик электроэнергии
|
−
|
ЦЭ6803
|
2
|
|
распределительная панель
ВРУ-3А-25-УХЛ4
|
|
Предохранитель
|
100
|
ПН−2
|
30
|
2.4
Выбор предохранителей
Плавкий предохранитель предназначен для защиты электрических установок от
токов КЗ и перегрузок. Основными его характеристиками являются номинальный ток
плавкой вставки Iном.вст, номинальный ток предохранителя Iном.пр, номинальное напряжение
предохранителя Uном,пp, номинальный ток отключения
предохранителя Iном.откл, защитная (времятоковая)
характеристика предохранителя.
Номинальным током плавкой вставки называют ток, на который рассчитана
плавкая вставка для длительной работы в нормальном режиме. Номинальный ток
предохранителя - это ток, при длительном протекании которого не наблюдается
перегрева предохранителя в целом. Необходимо иметь в виду, что в предохранителе
может использоваться плавкая вставка с номинальным током, меньшим номинального
тока предохранителя. Номинальное напряжение предохранителя определяет
конструкцию предохранителя и длину плавкой вставки. Отключающая способность
предохранителя характеризуется номинальным током отключения, являющимся
наибольшим током КЗ, при котором предохранитель разрывает цепь без каких-либо
повреждений, препятствующих его дальнейшей работе после смены плавкой вставки.
Наибольшее распространение в сетях напряжением до 1 кВ получили
предохранители типа НПН (насыпной неразборный) и типа ПН2 (насыпной разборный).
электроприёмник трансформатор кабель проводник
Различают плавкие предохранители инерционные (типа ИП), способные
выдерживать значительные кратковременные перегрузки, и безинерционные (типов
НПН, ПН2) с ограниченной способностью к перегрузкам.
Выбор предохранителей производят по условиям [4, с. 283]:
Uном.пр>Uс; (2.8)
Iном.пр>Iр.max, (2.9)
где Uс - номинальное напряжение сети;
Iр.max - максимальный рабочий ток.
Плавкая вставка для безинерционных предохранителей в цепях без
двигательной нагрузки выбирается следующим образом [2, с. 283]:
Iном.вст>Iр.max; (2.10)
Iном.вст>iп, (2.11)
где iп - пиковый ток защищаемого присоединения.
Выбор предохранителя для вводной панели ВРУ-3А-12-УХЛ41:
Uс=0,4 кВ; iп=Imax=314,8 А.
Выбираем предохранитель типа ПН2-400 с током плавкой вставки Iном.вст=315 А [7, с. 371].
Аналогично выбираются предохранители для присоединений распределительной
панели ВРУ-3А-25-УХЛ4, которые показаны на листе 1 графической части работы,
результаты представлены в таблице 2.2.
Таблица 2.2.
Выбор предохранителей
|
Цепь
|
Pm, кВт
|
Qm, кВАр
|
Sm, кВА
|
Iр, А
|
Марка предохранителя
|
Iвст, А
|
|
ЭЩ1 (левое крыло гостиницы)
|
25,5
|
7,11
|
26,5
|
38,2
|
ПН2-100
|
40
|
|
ЭЩ2 (центральная часть
гостиницы)
|
25,5
|
7,11
|
26,5
|
38,2
|
ПН2-100
|
40
|
|
ЭЩ3 (правое крыло
гостиницы+вспом. пом.)
|
45,5
|
25,11
|
52,0
|
75,1
|
ПН2-100
|
80
|
|
ЭЩ4 (рестораны, бар)
|
56
|
35
|
66
|
95,3
|
ПН2-100
|
100
|
|
ЭЩ5 (кухня)
|
67
|
12
|
68,1
|
98,2
|
ПН2-100
|
100
|
|
ЭЩ6 (вспомогательные
кухонные помещения)
|
49
|
38
|
62,0
|
89,5
|
ПН2-100
|
100
|
|
ЭЩ7 (конференц-зал, офис,
фойе )
|
50
|
45
|
67,3
|
97,1
|
ПН2-100
|
100
|
|
ЭЩ8 (прачечная)
|
42
|
45
|
61,6
|
88,8
|
ПН2-100
|
100
|
|
Распределительная панель
для ЩО внутреннего освещения и уличного освещения
|
15,77
|
12,97
|
20,4
|
29,5
|
ПН2-100
|
40
|
2.4
Выбор электрических щитов
К установке приняты щитки распределительные ЩР-1А-100-18-УХЛ3. На вводе
щитков и в цепях отходящих линий установлены автоматические выключатели.
В качестве щитков освещения выбраны щитки УОЩВ-12 УХЛ4, которые оснащены
вводными автоматическими выключателями и устанавливаются в нишах.
2.5
Выбор автоматических выключателей
Для защиты электрооборудования наряду с плавкими предохранителями в
установках напряжением до 1 кВ широко применяют автоматические воздушные
выключатели, выпускаемые в одно-, двух- и трехполюсном исполнении, постоянного
и переменного тока.
Автоматические выключатели снабжают специальным устройством релейной
защиты, которое в зависимости от типа выключателя выполняют в виде токовой
отсечки, максимальной токовой защиты или двухступенчатой токовой защиты. Для
этого используют электромагнитные и тепловые реле. Эти реле называют
расцепителями.
Конструктивно автоматические выключатели намного сложнее предохранителей
и представляют собой сочетание выключателя и расцепителя.
Номинальным током автоматического выключателя Iном.а называют наибольший ток, при протекании которого выключатель
может длительно работать без повреждений. Номинальным напряжением
автоматического выключателя Uном.а называют указанное в паспорте
напряжение, равное напряжению электрической сети, для работы в которой этот
выключатель предназначен. Номинальным током расцепителя Iном.рас называют указанный в паспорте ток,
длительное протекание которого не вызывает срабатывание расцепителя. Током
уставки расцепителя называют наименьший ток, при протекании которого
расцепитель срабатывает. При выборе уставок тока срабатывания автоматических
выключателей необходимо учитывать различия в характеристиках и погрешности в
работе расцепителей выключателей. Существуют следующие требования к выбору
автоматических выключателей:
номинальное напряжение выключателя не должно быть ниже напряжения сети:
Uном
а > Uс; (2.12)
номинальный ток автоматического выключателя и номинальный ток его
расцепителя должен быть не меньше наибольшего расчетного тока нагрузки,
длительно протекающего по защищаемому элементу [2, с. 289]:
Iном,а
>Iр,max; (2.13)
Iном.рас>Iр.max; (2.14)
автоматический выключатель не должен отключаться в нормальном режиме
работы защищаемого элемента, поэтому ток уставки замедленного срабатывания
регулируемых расцепителей следует выбирать по условию [2, с. 289]:
Iном.рас>(1,1¸1,3)Iр.max; (2.15)
при допустимых кратковременных перегрузках защищаемого элемента
автоматический выключатель не должен срабатывать; это достигается выбором
уставки мгновенного срабатывания электромагнитного расцепителя по условию [2,
с. 291]:
Iном.рас.э>(1,25¸1,35)iп; (2.16)
где iп - пиковый ток.
отключающая способность должна быть рассчитана на максимальные токи КЗ,
проходящие по защищаемому элементу:
Iоткл
> I(3)п0, (2.17)
здесь Iоткл − номинальный ток отключения
автоматического выключателя;
I(3)п0 − максимальный ток трехфазного
КЗ в защищаемой цепи.
Выбираем автоматический выключатель для ввода электрического щита №1,
устанавливаемого в левом крыле гостиничного комплекса:
Iр
max=38,2 А;
,3∙Iр max=1,3·38,2=49,7 А,
,35·iпик=1,35·(1,5·38,2)=77,4 А.
Для защиты щита №1 выбираем автоматический выключатель ВА 51−31
[10, табл. 2.1.1]:
Iном,а=100 А, Uном,а=0,4 кВ, Iном,рас=50 А, Iрас,ном э=150 А.
Аналогичным образом выбираются остальные автоматические выключатели,
результаты сведены в таблицу 2.3.
Таблица 2.3.
Выбор автоматических выключателей
|
Щит
|
Место установки
|
Pm, кВт
|
Qm, кВАр
|
Sm, кВА
|
Iр.max, А
|
Выключатель
|
Iном, А
|
Iрас,ном,
А
|
Iрас,ном.э,
А
|
|
1
|
левое крыло
|
25,5
|
7,11
|
26,5
|
38,2
|
ВА 51−31
|
100
|
50
|
150
|
|
2
|
центральная часть
|
25,5
|
7,11
|
26,5
|
38,2
|
ВА 51−31
|
100
|
50
|
150
|
|
3
|
правое крыло гостиницы
|
45,5
|
25,11
|
52,0
|
75,1
|
ВА 51−37
|
160
|
100
|
200
|
|
4
|
бар
|
56
|
35
|
66
|
95,3
|
ВА 51−37
|
160
|
125
|
250
|
|
5
|
кухня
|
67
|
12
|
68,1
|
98,2
|
ВА 51−37
|
160
|
160
|
320
|
|
6
|
склад
|
49
|
38
|
62,0
|
89,5
|
ВА 51−37
|
160
|
125
|
250
|
|
7
|
офис
|
50
|
45
|
67,3
|
97,1
|
ВА 51−37
|
160
|
160
|
320
|
|
8
|
прачечная
|
42
|
45
|
61,6
|
88,8
|
ВА 51−37
|
160
|
125
|
250
|
|
ввод 0,4 кВ трансформатора
ТП
|
372,3
|
227,3
|
436,2
|
629,6
|
ВА 53-41
|
1000
|
1000
|
2000
|
2.7 Выбор
сечений кабелей от ВРУ до электрощитов
Сечения жил кабелей выбирают по экономической плотности тока и проверяют
по нагреву длительным расчётным током, по условию термической стойкости к токам
КЗ и по условию соответствия выбранному защитному устройству (автоматическому
выключателю):
Iр £ Iдоп, (2.18)
Iдоп ³ kзащ∙Iз, (2.19)
здесь Iдоп − длительно допустимый ток
кабеля [7, табл. 7.10];
Iз - параметр защитного устройства,
т.е. ток срабатывания расцепителя автоматического выключателя;
kзащ=1 - коэффициент защиты для сетей,
где предусматривается защита от перегрузок [4, табл. 7.6].
Расчётный ток для щитка №1 − I1 р=38,2 А (табл. 2.3), в цепи щитка №1 стоит автоматический
выключатель ВА 51−31 с Iрас.ном=50 А (табл. 2.3), следовательно, для
кабеля от ВРУ №1 до ЭЩ1 должны выполняться условия:
Fр=
=23,4 мм2,
Iдоп ³ 38,2 А,
Iдоп ³ 1∙0=50 А.
Выбираем
медный кабель ВВГ−4´10 с длительно-допустимым током Iдл,доп=50 А [10, с. 78].
Сечения
остальных кабелей от распределительной панели до электрощитов выбраны
аналогично, результаты показаны в таблице 2.4.
Таблица
2.4.
Выбор
кабелей, питающих электрощиты
|
Щит
|
Место установки
|
Iр.max, А
|
Выключатель
|
Iрас,ном, А
|
Fр, мм2
|
Кабель
|
Iдоп, А
|
|
1
|
левое крыло
|
38,2
|
ВА 51−31
|
50
|
3,9
|
ВВГ−4´10
|
50
|
|
2
|
центральная часть
|
38,2
|
ВА 51−31
|
50
|
5,7
|
ВВГ−4´10
|
50
|
|
3
|
правое крыло гостиницы
|
75,1
|
ВА 51−37
|
100
|
34,4
|
ВВГ−4´35
|
115
|
|
4
|
бар
|
95,3
|
ВА 51−37
|
125
|
3,4
|
ВВГ−4´50
|
150
|
|
5
|
кухня
|
98,2
|
ВА 51−37
|
160
|
0,8
|
ВВГ−4´70
|
185
|
|
6
|
склад
|
89,5
|
ВА 51−37
|
125
|
4,3
|
ВВГ−4´50
|
150
|
|
7
|
офис
|
97,1
|
ВА 51−37
|
160
|
40,1
|
ВВГ−4´70
|
185
|
|
8
|
прачечная
|
88,8
|
ВА 51−37
|
125
|
38,4
|
ВВГ−4´50
|
150
|
Групповые линии освещения и групповые линии розеточной сети 220 кВ выполняются
однофазными трёхпроводными. В гостиничных номерах прокладывается однофазная
трёхпроводная групповая линия розеточной сети проводом ВВГ−3´2,5, допустимый ток для которого
составляет 25 А. Каждая групповая линия защищается своим однополюсным автоматом.
2.8
Расчёт токов короткого замыкания
Расчёт токов короткого замыкания производится для выбора и проверки
параметров электрооборудования, а также для выбора или проверки уставок
релейной защиты и автоматики.
Основная цель расчёта состоит в определении периодической составляющей
тока короткого замыкания для наиболее тяжёлого режима электрической сети. Учёт
апериодической составляющей производится приближённо, допуская при этом, что
она имеет максимальное значение в рассматриваемой фазе.
Расчёт токов короткого замыкания с учётом действительных характеристик и
действия режима работы всех элементов энергосистемы весьма сложен. Вместе с тем
для решения большинства задач, встречающихся на практике, можно ввести
допущения, упрощающие расчёты и не вносящие существенных погрешностей. К таким
допущениям относят следующие:
Не учитывается насыщение магнитных систем, что позволяет считать
постоянными и не зависящими от тока индуктивные сопротивления всех элементов
короткозамкнутой цепи;
Пренебрегают намагничивающими токами силовых трансформаторов;
Не учитывают ёмкостные проводимости элементов короткозамкнутой цепи на
землю;
Сопротивление шин распределительных устройств, электрических аппаратов
(выключателей, трансформаторов тока и др.), кабельных и воздушных перемычек сравнительно
небольшой длины не учитывают из-за их малого значения;
Считают, что трёхфазная система является симметричной; влияние нагрузки
на ток короткого замыкания учитывают приближённо; при вычислении тока короткого
замыкания обычно пренебрегают активным сопротивлением цепи, если отношение X/R
более трёх. Однако активное сопротивление необходимо учитывать при определении
постоянной времени затухания апериодической составляющей тока короткого
замыкания Та.
Указанные допущения наряду с упрощением расчётов приводят к некоторому
преувеличению токов короткого замыкания (погрешность расчёта не превышает 10%,
что принято считать допустимым).
Расчёт токов при трёхфазном коротком замыкании выполняется в следующем
порядке:
) составляется расчётная схема замещения;
) путём постепенного преобразования приводят схему замещения к наиболее
простому виду так, чтобы каждый источник питания или группа источников,
характеризующиеся определённым значением результирующей ЭДС, были связаны с
точкой короткого замыкания одним результирующим сопротивлением;
) зная результирующую ЭДС источников питания и результирующее
сопротивление, по закону Ома определяют начальное значение периодической
составляющей тока короткого замыкания Iп0, затем ударный ток и при
необходимости периодическую и апериодическую составляющую тока короткого
замыкания для заданного момента времени.
Под расчётной схемой установки понимают упрощённую однолинейную схему
электроустановки с указанием всех элементов и их параметров, которые влияют на
ток короткого замыкания и поэтому должны быть учтены при выполнении расчётов
тока короткого замыкания.
На расчётной схеме указываются номинальные параметры (напряжения,
мощности, сопротивления) отдельных элементов. Сопротивление шин
распределительных устройств, электрических аппаратов (выключателей,
трансформаторов тока и др.), кабельных и воздушных перемычек сравнительно
небольшой длины при расчётах токов КЗ в сетях выше 1 кВ не учитывают из-за их
малого значения. В целях упрощения расчётов для каждой электрической ступени в
расчётной схеме вместо её действительного напряжения на шинах указывают среднее
значение. Приняв для каждой электрической ступени среднее напряжение, считают,
что номинальное напряжение всех элементов, включенных на данной ступени, равны
её среднему значению. Для определения сопротивления элементов сети на расчётной
схеме обычно указываются их параметры в именованных или относительных единицах.
В сетях же до 1 кВ сопротивления электрических аппаратов, контактов, шин при
расчёте токов КЗ обязательно учитываются. Расчет токов КЗ в сетях до 1 кВ
удобнее всего проводить в именованных единицах.
Для расчёта токов трехфазного КЗ составляем схемы замещения для расчётных
точек КЗ − шины 0,4 кВ питающей ТП и ввод в здание гостиничного
комплекса. Составленные схемы даны на рисунке 2.3.
Рис. 2.3. Схемы замещения для расчёта токов КЗ в типовых точках
Сопротивление системы, приведённое к напряжению 0,4 кВ:
ХС=
·
, (2.20)
здесь Iоткл=12,5 кА - значение тока отключения
выключателя нагрузки, стоящего на стороне ВН трансформаторной подстанции 6/0,4
кВ.
ХС=
·
·1000=1,17 мОм.
Zтр=3,1+j13,6 мОм.
Сопротивления кабельной линии определяется по удельным сопротивлениям [6,
табл. 1.9.5] и её длине:
Z=zуд·L, (2.21)
Zкл=(0,169+j0,06)·250/4=10,56+j3,75 мОм.
Сопротивление автоматического выключателя ZкВ принято по [8, табл. 1.9.3]:
ZкВ=0,1+j0,17мОм.
Переходное сопротивление контактных соединений зависит от места КЗ, т,е,
от удаленности КЗ от шин ТП [8, табл, 1.9.4]:
RперТП=15 мОм,
Rпер,расп=20 мОм.
Результирующее сопротивление при КЗ на шинах ТП:
ZΣТП=jХС+Zтр+ZкВ+RперТП, (2.22)
ZΣТП=j1,17+3,1+j13,6+0,1+j0,1+15=18,2+j14,87 мОм.
Начальное значение периодической составляющей тока трехфазного КЗ на
шинах ТП:
Iп0 ТП=
, (2.23)
Iп0 ТП=
=9,83 кА.
Ударный
ток находится по формуле:
iуд=
×Iп0·Куд, (2.24)
где Куд - ударный коэффициент, зависящий от постоянной
времени Та.
Ударный коэффициент и постоянная времени:
Куд=1,02+0,98∙
, (2.25)
Та=
. (2.26)
Для шин 0,4 кВ ТП:
Та=
=0,004 с,
Куд=1,02+0,98∙
=1,1,
iуд ТП=
×9,83·1,1=15,3 кА.
Аналогичным
образом найдены токи трёхфазного КЗ для ввода в здание:
ZΣВРУ=j1,17+3,1+j13,6+0,1+j0,1+10,56+j3,75+20=33,76+j18,62
мОм;
Iп0 ВРУ=
=5,99 кА;
Та=
=0,002 с;
Куд=1,02+0,98∙
=1,027;
iуд ВРУ=
×5,99·1,027=8,7 кА.
2.9
Расчёт токов однофазного КЗ
Начальное значение периодической составляющей тока однофазного КЗ
определяется по формуле [7, с. 141]:
I(1)п0=
, (2.27)
где z0 - суммарное сопротивление схемы замещения нулевой
последовательности относительно точки КЗ.
Сопротивления нулевой последовательности трансформатора с низшим
напряжением до 1 кВ при схеме соединения обмоток Δ/Y0−11 принимаются равными сопротивлениям прямой
последовательности. [9, с. 141]
Сопротивления нулевой последовательности шин зависят от многих факторов:
расположения и выполнения заземляющих проводников, близости проводящих
металлоконструкций и др. В практических расчетах активное и индуктивное
сопротивления нулевой последовательности трехжильных кабелей принимают
соответственно r0к=10·r1к; х0к=4·х1к.
В таблице 2.5 показаны суммарные сопротивления схем замещения прямой и
нулевой последовательностей относительно расчётных точек однофазного КЗ, там
приведены значения периодической составляющей тока однофазного КЗ и ударного
тока при однофазном КЗ.
Таблица 2.5.
Расчет токов однофазного КЗ
|
Точка КЗ
|
ZΣ, мОм
|
Z0Σ, мОм
|
I(1)п0, кА
|
iуд, кА
|
|
шины ТП
|
18,2+j14,87
|
20,65+j18,44
|
9,83
|
15,3
|
|
ввод в здание
|
33,76+j18,62
|
128,8+j29,87
|
1,75
|
2,54
|
2.10
Проверка питающего кабеля по термической стойкости
Принимаем tоткл=0,5 с, тогда:
Вк=9,832·(0,5+0,004)=48,7 кА2с;
=77 мм2.
Следовательно,
выбранный питающий кабель ААШв-(3х185+1х150) выдержит термическое действие
токов КЗ.
2.11
Выбор предохранителей и выключателей нагрузки 6 кВ
Плавкие предохранителя напряжением выше 1 кВ выбирают по конструктивному
выполнению, номинальным напряжению и току, предельным отключаемым току и
мощности, роду установки (наружная, внутренняя) и в некоторых случаях с учетом
избирательной защиты линий.
На стороне 6 кВ в цепях силовых трансформаторов
6/0,4 кВ устанавливаем кварцевые предохранители ПКТ-6. Плавкие предохранители
позволяют осуществить наиболее простую и дешевую защиту электроустановки. При
выполнении защиты трансформатора с помощью плавких предохранителей оказываются
ненужными трансформаторы тока, аппаратура релейной защиты. Плавкие
предохранители не требуют проведения наладочных работ, необходимых для
устройств релейной защиты, выключателей и другого, более сложного оборудования.
Максимальный ток в цепи трансформатора ТМ-630/6:
Imax=1,4∙
=84,9 А.
Выбираем
плавкий предохранитель ПКТ103-6-100-12,5У3. [7, с. 255]
Проверка
условий выбора предохранителя сведена в таблицу 2.6.
Таблица
2.6
Выбор
предохранителя 6 кВ
|
Расчётные данные
|
Справочные данные
|
Условия выбора
|
|
Uуст=6 кВ
|
Uном=6 кВ
|
Uном³Uуст
|
|
Imax=84,9
A
|
Iном=100 A
|
Iном³Imax
|
|
Iп0=2,1 кА
|
Ioтк.ном=12,5
кА
|
Ioтк.ном³Iпо
|
Выбор выключателей нагрузки и разъединителей проводится по номинальным
напряжению и току, проверяются выключатели нагрузки и разъединители по
электродинамической и термической стойкости при КЗ.
Для ТП выбраны выключатели нагрузки серии «ISARC» («ИСАРК»), предназначенные для коммутации цепей
трёхфазного тока частотой 50 Гц номинальным напряжением 6 кВ и номинальным
током до 400 А.
Данные выключатели обладают целым рядом преимуществ:
простота и надёжность конструкции;
простота установки и обслуживания;
малый вес подвижных частей;
наличие дугогасительной камеры;
полное разделение на шинный и высоковольтный отсеки с помощью
механической заслонки.
Проверка выключателей нагрузки ISARC-1 выполнена в таблице 2.7.
Таблица 2.7
Проверка выключателей нагрузки ISARC-1 и разъединителей РВ-6/400УЗ
|
Расчётные данные
|
Справочные данные
|
Условия выбора
|
|
Uуст=6 кВ
|
Uном=6 кВ
|
Uном³Uуст
|
|
Imax=84,9
A
|
Iном=400 A
|
Iном³Imax
|
|
iуд= ·1,5·2,1=5,5 кАiпр.скв=31,5 кАiпр.скв³iуд
|
|
|
|
Вк=2,12·(1,5+0,05)=6,8
кА2·с
|
·tоткл=162·1,5=234
кА2·с ·tоткл³Вк
|
|
3.
Спецвопрос. Релейная защита
.1 Выбор
устройств релейной защиты и автоматики
Защита силовых трансформаторов, устанавливаемых на ТП, выполняется с
помощью плавких предохранителей. Защита присоединений на стороне НН ТП
выполняется автоматическими выключателями и предохранителями 0,4 кВ.
Для линий 6 кВ должны быть предусмотрены устройства релейной защиты от
многофазных КЗ и однофазных замыканий на землю.
Защита от многофазных КЗ предусмотрена в двухфазном исполнении. На
защищаемой линии 6 кВ устанавливается двухступенчатая токовая защита, первая
ступень которой выполняется в виде токовой отсечки (ТО), а вторая - в виде
максимальной токовой защиты (МТЗ).
Защиту линии 6 кВ выполняем на микропроцессорном устройстве защиты МРЗС−05М.
Защита от однофазных замыканий на землю выполняется в виде селективной
защиты (устанавливающей поврежденное направление), действующей на сигнал.
Расчёт защит проведем по следующим данным: ток трёхфазного в конце
питающей линии 6 кВ -2,1 кА, ток КЗ в начале линии - 2,7 кА.
3.2
Расчёт токовой отсечки питающей линии 6 кВ
Ток срабатывания ТО выбирается по условию отстройки от максимального тока
трехфазного КЗ в конце линии:
Iс.з.=Котс·I(3)к.макс, (3.1)
здесь Котс=1,2 - коэффициент отстройки, для ТО линии без выдержки времени.
Iс.з.=1,2·2,1=2520 А.
Ток срабатывания реле:
Iс.р.=
·Iс.з., (3.2)
где Ксх - коэффициент схемы, равен 1 при соединении ТТ в неполную звезду;
КI - коэффициент трансформации
трансформаторов тока, принимаем для данной линии КI=250/5.
Iс.р.=
·2520=50,4 А.
Принимаем
уставку срабатывания реле Iс.р.
равной 50 А. При выбранной уставке ток срабатывания защиты:
Ic.з.=
; (3.3)
Ic.з.=
=2500 А.
Коэффициент
чувствительности ТО без выдержки времени должен быть не менее 2:
Кч=
>2 (3.4)
здесь
− минимальное значение тока двухфазного КЗ при
КЗ в месте установки отсечки
=0,94<2.
Так
как чувствительность токовой отсечки без выдержки времени оказалась
недостаточной, то устанавливается токовая отсечка с выдержкой времени с tс.з.=0,5 с. Ток срабатывания токовой отсечки с выдержкой
времени отстраиваем от броска тока намагничивания трансформатора на ТП:
Iс.з.=Котс·4∙Iном тр ТП1, (3.5)
здесь Котс=1,1−1,2 - коэффициент отстройки;
Iном
тр ТП -
номинальный ток трансформатора ТП.
Iном тр ТП=
=60,6 А;
Iс.з.=1,2·4∙60,6=291 А;
Iс.р.=
·291 =5,8 А.
Чувствительность
токовой отсечки с выдержкой времени не проверяется.
3.2
Расчёт МТЗ питающей линии 6 кВ
Первичный ток срабатывания МТЗ:
Iс.з=Iраб.макс·Котс·Кз/Кв, (3.6)
где Iраб.макс - максимальный рабочий ток линии, А;
Котс=1,1 - коэффициент отстройки, обеспечивающий надежное
несрабатывание (отстройку) защиты путем учета погрешностей с необходимым
запасом;
Кв=0,9 - коэффициент возврата;
Кз - коэффициент самозапуска, при отсутствии точных данных по
сети принимается равным 1,5¸2.
Iс.з=42·1,1·1,5/0,9=77 А.
Ток срабатывания реле:
Iс.р.=
·77=1,54 А.
Принимаем
уставку тока 1,6 А. При выбранной уставке ток срабатывания защиты:
Ic.з.=
=80 А.
Коэффициент
чувствительности защиты должен быть не менее 1,5:
Кч=
>1,5, (3.7)
где I(2)к.мин - ток двухфазного КЗ в конце защищаемого участка сети в
минимальном режиме.
=22,7>1,5.
Время
срабатывания МТЗ выбирается из условий селективности защиты и термической
стойкости защищаемого элемента. Время срабатывания последующей защиты
(расположенной ближе к источнику питания) tс.з.посл:
tс.з.посл.=tс.з.пред..+Dt, (3.8)
где tс.з.пред. -время срабатывания предыдущей
защиты, с;
Dt -ступень селективности, принимается равной (0,6-0,7) с для защит с
ограниченно зависимой характеристикой.
tс.з.МТЗ.=0+0,6=0,6 с.
3.4
Защита трансформатора ТМ−630/6
Согласно требованиям ПУЭ для силовых трансформаторов (СТ) должны быть
предусмотрены устройства релейной защиты от следующих видов повреждений и
ненормальных режимов работы:
многофазных замыканий в обмотках и на вводах;
однофазных замыканий на землю в обмотке и на вводах, присоединенных к
сети с глухозаземленной нейтралью;
витковых замыканий в обмотках;
токов в обмотках, обусловленных внешними КЗ;
токов в обмотках, обусловленных перегрузкой;
понижения уровня масла;
однофазных замыканий на землю в сетях 6 кВ с изолированной нейтралью,
если трансформатор питает сеть, в которой отключение однофазных замыканий на
землю необходимо по уровням безопасности;
Для трансформатора мощностью 630 кВА предусматриваем следующие виды
защит:
- для защиты от многофазных КЗ в обмотках и на их выводах - токовую
отсечку без выдержки времени, устанавливаемую со стороны питания и охватывающую
часть обмотки трансформатора;
для защиты от токов в обмотках, обусловленных внешними КЗ и
резервирования действия защиты от внутренних повреждений - максимальную токовую
защиту без пуска или с пуском минимального напряжения, устанавливаемую со
стороны питания;
для защиты от токов в обмотках, обусловленных перегрузкой, - токовую
защиту с действием на сигнал с выдержкой времени.
Токовая отсечка устанавливается на стороне питания и отстраивается от
максимального тока КЗ при коротком замыкании на шинах НН:
Iс.з>Котс·I(3)к.макс.ВН, (3.9)
здесь I(3)к.макс.ВН - максимальное значение тока
трёхфазного КЗ за трансформатором, приведённое к стороне ВН, где установлена
токовая отсечка;
Котс -
коэффициент отстройки.
I(3)к.макс.ВН=Iп0
ТП·
; (3.10)
I(3)к.макс.ВН=9,83·
=0,584 кА;
Iс.з.=1,5·584=876 кА.
Ток
срабатывания реле:
Iс.р.=
·876=17,5 кА.
Принимаем
уставку тока 18 А. При выбранной уставке ток срабатывания ТО:
Ic.з.=
=900 А.
Коэффициент
чувствительности ТО без выдержки времени, установленной со стороны питания
силового трансформатора, определяется по двухфазному КЗ в месте установки
отсечки, его значение должно быть не менее 2:
Кч=
>2, (3.11)
где I(2)к.ВН - ток двухфазного КЗ при коротком замыкании на стороне ВН
трансформатора.
=2,03 > 2.
Теперь
рассмотрим вопрос о возможности выполнении защиты трансформатора плавким
предохранителем ПКТ103-6-100-12,5У3, выбор которого показан в пункте 2.11,
чувствительность в этом случае:
=5,1 > 2.
Таким
образом, защиту трансформатора ТМ−630/10 выполняем плавкими
предохранителями 6 кВ. Выбранные предохранители ПКТ103-6-100-12,5У3
обеспечивают требуемую надежность защиты и её селективность.
Защиту
трансформатора от внешних коротких замыканий и от перегрузок выполняем
расцепителями автоматического выключателя ВА 53-41. При КЗ на стороне НН электромагнитный
расцепитель автоматического выключателя срабатывает без выдержки времени, при
перегрузках срабатывает тепловой расцепитель с выдержкой времени. Основной
зоной защиты для автоматического выключателя являются шины 0,4 кВ ТП, зоной
резервирования − отходящие линии, защита которых выполнена плавкими
предохранителями 0,4 кВ.
3.5
Автоматическое включение резерва
Устройства АВР устанавливают на подстанциях, для которых предусмотрены
два источника питания, работающих раздельно в нормальном режиме.
Назначением устройства АВР является осуществление возможно быстрого
автоматического переключения на резервное питание потребителей, обесточенных в
результате повреждения или самопроизвольного отключения рабочего источника
электроснабжения, что обеспечивает минимальные нарушения и потери в
технологическом процессе.
Включение резервного источника питания на поврежденную секцию сборных шин
КРУ, как правило, не допускается во избежание увеличения объема разрушений,
вызванных КЗ, и аварийного снижения напряжения потребителей, электрически
связанных с резервным источником. Действие АВР не должно приводить к
недопустимой перегрузке резервного источника как в последующем установившемся
режиме, так и в процессе самозапуска потерявших питание электродвигателей
потребителя.
Схема устройства АВР в нашем случае должна:
а) обеспечивать возможно раннее выявление отказа рабочего источника
питания;
б) действовать согласованно с другими устройствами автоматики (АПВ, АЧР);
в) не допускать включение резервного источника на КЗ;
д) не допускать подключение потребители к резервному источнику,
напряжение на котором понижено.
В качестве резервного источника для электроснабжения гостиничного
комплекса используется дизель-генератор мощностью 720 кВт, подключенный к шинам
0,4 кВ ТП,
Выключатели, включаемые устройствами АВР, должны иметь контроль
исправности цепи включения.
Устройство АВР состоит из двух измерительных органов (ИО) − по
одному на каждый источник, логической части, содержащей органы выдержки времени
(ОВ), цепи однократности и запрета действия АВР и сигнальных реле. Для удобства
обслуживания, наладки и опробования УАВР его ИО и та логическая часть, которая
вырабатывает сигналы на отключение выключателя ввода отказавшего источника
питания и на подготовку обесточенных электроприемников к подаче напряжения от
резервного источника, подключаются к цепям оперативного тока указанного
выключателя. Другая аппаратура устройств АВР, составляющая логическую часть и
предназначенная для формирования команды на включение резервного источника, питается
оперативным током секционного выключателя.
Измерительный орган осуществляет постоянный контроль за состоянием
источника питания на основе информации, поступающей от измерительных
трансформаторов напряжения и тока. На подстанциях напряжением 6 кВ в качестве
измерительных органов используются два реле напряжения, включенных на вторичные
линейные напряжения (обычно АВ и ВС) шинных трансформаторов напряжения. Первое
из двух реле типа РН-54/160 фиксирует состояние, при котором данный источник
питания может выполнять функцию резервного. Напряжение срабатывания этого реле
принимается равным 80−90 В. Уставка второго реле типа РН-53-6ОД
выбирается из условия надежного несрабатывания при перегорании одного
предохранителя на стороне ВН трансформатора напряжения и отстройки от
наименьшего напряжения на РП, электрически связанной с ПС, для которой
выбирается уставка ИО. Как правило, принимается Uср=25−40 В. Соединенные последовательно размыкающие
контакты двух указанных реле обеспечивают срабатывание ИО при симметричном
снижении напряжения до значения, при котором уже не обеспечивается нормальная
работа потребителей. Второй контакт реле типа РН-54/160 используется в части
АВР, относящейся к резервному по отношению к рассматриваемому источнику
питания. Размыкание этого контакта, при напряжении 80−90% от Uном предотвращает переключение
обесточенных потребителей на резервный источник с пониженным уровнем
напряжения.
Выдержка времени у АВР принимается на ступень больше выдержки времени
токовой защиты от КЗ, в нашем случае, отстройка выполняется от времени действия
максимальной токовой защиты отходящей линии 10 кВ по формуле:
tс.АВР.=tс.з.МТЗ+Dt, (3.12)
здесь Dt
-ступень селективности, принятая равной (0,6-0,7) с;
tс.з.МТЗ.=0,6 с -время срабатывания
максимальной токовой защиты.
tс.АВР.=0,6+0,6=1,2 с.
Напряжение срабатывания АВР определим по формуле:
(3.13)
где Uр.min - минимальное напряжение сети равно
5700 В;
Rв=1,25 − коэффициент возврата
минимального реле напряжения;
Rз=1 − коэффициент запаса.
Напряжение срабатывания АВР на питающей подстанции:
4560 В.
4. Охрана
труда и техника безопасности
.1 Расчёт
заземления
Все металлические части электроустановок, нормально не находящиеся под
напряжением, но могущие оказаться под напряжением из-за повреждения изоляции, должны
надёжно соединяться с землёй. Такое заземление называется защитным, так как его
целью является защита обслуживающего персонала от опасных напряжений
прикосновения. Заземление обязательно во всех электроустановках 380 В и выше
переменного тока, и 440 В и выше постоянного тока.
В электроустановках заземляются корпуса трансформаторов, аппаратов,
вторичные обмотки измерительных трансформаторов, приводы электрических
аппаратов, каркасы распределительных щитов, пультов, шкафов, металлические
конструкции кабельных муфт, металлические оболочки и броня кабелей, проводов,
металлические конструкции зданий и сооружений.
Заземление, предназначенное для создания нормальных условий работы
аппарата или электроустановки, называется рабочим заземлением. К рабочему заземлению
относится заземление нейтралей трансформаторов и дугогасящих катушек. Без
рабочего заземления аппарат не может выполнить своих функций или нарушается
режим работы электроустановки.
Для защиты оборудования от повреждения ударом молнии применяется грозозащита
с помощью разрядников, ОПН, искровых промежутков, стержневых и тросовых
молниеотводов, которые присоединяются к заземлителям. Такое заземление
называется грозозащитным.
Обычно для выполнения всех трёх типов заземления используют одно
заземляющее устройство.
Для выполнения заземления используют естественные и искусственные
заземлители. В качестве естественных заземлителей применяют водопроводные
трубы; металлические и железобетонные конструкции зданий, находящиеся в
соприкосновении с землёй; свинцовые оболочки кабелей. Естественные заземлители
должны быть связаны с магистралями заземлений не менее чем двумя проводниками в
разных точках.
В качестве искусственных заземлителей используют прутковую круглую сталь
диаметром не менее 10 мм (неоцинкованная) и 6 мм (оцинкованная), полосовую
сталь толщиной не менее 4 мм и сечением не менее 48 мм2. Сечение
горизонтальных заземлителей для электроустановок напряжением выше 1 кВ
выбирается по термической стойкости. Количество заземлителей (уголков,
стержней) определяется расчётом в зависимости от необходимого сопротивления
заземляющего устройства или допустимого напряжения прикосновения.