Реконструкция электропривода компрессора животноводческих ферм АОЗТ 'Детскосельский' Ленинградской области
Содержание
электроустановка
компрессорная станция двигатель
Введение
. Существующая компрессорная станция
.1 Общее описание и структурная
схема
.2 Электрическая схема привода
.3 Задачи работы
. Предлагаемая система
электропривода
.1 Электрическая схема и описание ее
работы
.2 Способы пуска асинхронного
двигателя
.3 Определение параметров
электропривода
.4 Расчет индуктивности дросселя
.5 Пусковая диаграмма с применением
дросселя
. Расчет механических характеристик
электропривода
.1 Диаграмма нагрузки
.2 Расчет механической
характеристики
.3 Расчет энергетических показателей
. Электрические аппараты и
электроснабжение
.1 Выбор электрических аппаратов
.2 Электроснабжение
. Безопасность и экология
.1 Анализ условий и безопасности
труда на проектируемом объекте, обоснование путей профилактики травматизма
.2 Организационно - технические
мероприятия по обеспечению безопасного производства работ в электроустановках
.3 Инженерно-технические решения.
Заземление
.4 Противопожарная профилактика при
эксплуатации электроустановок
.5 Экология
.6 Безопасность в чрезвычайных
ситуациях
. Технико-экономическое обоснование
Заключение
Список использованной литературы
Введение
Сельскохозяйственный производственный кооператив
“Детскосельский” основан в 1931 году. Полное название кооператива звучит
следующим образом: Ордена Ленина сельскохозяйственный производственный
кооператив “Племенной завод по разведению крупного рогатого скота чернопестрой
породы”. Кооператив занимает пятое место по производству сельскохозяйственной
продукции в Ленинградской области. Хозяйство находится в 25 километрах от
Санкт-Петербурга и в 3 километрах от Пушкина.
Первоначально хозяйство было основано как
совхоз. Особое внимание уделялось выращиванию молодняка. В военные годы по
территории совхоза проходила линия фронта. За военные годы хозяйству был
нанесен существенный ущерб. К 1956 году хозяйство достигло предвоенного уровня,
а по некоторым показателям превзошло его. К концу 70-х годов “Детскосельский ”
превратился в крупное высокорентабельное предприятие. С помощью государства,
которое делало значительные капиталовложения в хозяйство, повысился уровень
механизации трудоемких процессов, выросли урожаи овощных культур, повысились
надои молока. В 1979 году “Детскосельский” получил статус племенного хозяйства
и вошел в общую систему страны. В октябре 1992 года хозяйство было
преобразовано в акционерное общество закрытого типа. В 2000 году АОЗТ
“Детскосельский” было преобразовано в сельскохозяйственный производственный
кооператив.
Предприятие имеет три фермы: “Центральная”,
“Пушкинская” и ’’Колпинская” и свой молокозавод, расположенный на территории
кооператива. Также в хозяйстве выращивают овощи: картофель, капусту, морковь,
свеклу, редис и другие.
Хозяйство имеет свою столовую, дом культуры,
общежитие, санаторий, дом спорта.
На сегодняшний день кооператив успешно
развивается: строится новый животноводческий комплекс, осваивается выпуск
нового вида продукции: овощи в вакуумной упаковке, налаживаются связи с
иностранными партнерами.
На предприятии создаются оптимальные условия для
рабочего персонала: рабочим ежемесячно выдается мясная, молочная продукция,
продаются овощи по льготным ценам. Отдельным работникам выдаются льготные
путевки в санатории, за низкую плату предоставляется жилье.
Сельскохозяйственный производственный комплекс
занимается выращиванием крупного рогатого скота. Важным вопросом при
выращивании крупного рогатого скота является уборка и удаление навозной массы.
На фермах (на территории комплекса их количество составляет четыре), где содержится
крупный рогатый скот, для удаления навозной массы из помещения по навозопроводу
в хранилище, используются пневмоустановки типа УПН-15. Данная установка
приводится в действие посредством сжатого воздуха. Сжатый воздух создаётся
компрессорными станциями. Две компрессорные станции расположены на территории
комплекса, предназначенные для снабжения сжатым воздухом пневмоустановки.
На сегодняшний день актуальным вопросом является
техническое состояние, а также модернизация компрессорных станций предназначенных
для бесперебойной работы и снабжения сжатым воздухом пневмоустановки.
Объёмы производства в СПК “Детскосельский”
представлены в таблице 1.
Таблица 1.
Размеры и эффективность производства в СПК
“Детскосельский”.
|
№
п/п
|
Показатели
|
2010
год
|
2011
год
|
2012
год
|
2012
в % к 2010
|
|
1
|
2
|
3
|
4
|
5
|
6
|
|
1.
|
Валовая
продукция, тыс. руб.
|
181787
|
165023
|
211871
|
116,5
|
|
2.
|
Товарная
продукция сельского хозяйства, тыс.руб.
|
129010
|
136077
|
133088
|
103,2
|
|
3.
|
Сельскохозяйственные
угодья, га в том числе пашня
|
3129
2304
|
2915
2090
|
2805
2223
|
89,6
96,5
|
|
4.
|
Среднегодовая
стоимость основных средств, тыс. руб.
|
140033,5
|
167480
|
269095,5
|
192,2
|
|
5.
|
Среднегодовая
стоимость оборотных средств, тыс. руб.
|
72509,5
|
115241,5
|
223341,5
|
308,5
|
|
6.
|
Среднегодовая
численность работников, чел.
|
918
|
677
|
675
|
73,5
|
|
7.
|
Поголовье
крупного рогатого скота на конец года в том числе коров
|
3055
1425
|
2985
1425
|
3182
1425
|
104,2
100
|
|
8.
|
Среднегодовой
надой молока на корову, кг
|
6643
|
6672,2
|
7383,95
|
111,2
|
|
9.
|
Себестоимость
1 центнера молока, руб.
|
472,1
|
523,31
|
590,72
|
125,1
|
|
10.
|
Среднегодовая
оплата труда одного работника, руб.
|
4890
|
6380
|
7988
|
163,4
|
|
11.
|
Прибыль,
тыс. руб.
|
5249
|
4377
|
975
|
18,6
|
По данным таблицы видно, что набольшее изменение
произошло в среднегодовой стоимости оборотных средств, она возросла в три раза
(308,5%). Среднегодовая стоимость основных средств так же возросла на 92%. Эти
увеличения во многом связаны с ростом цен.
Произошли изменения в площади
сельскохозяйственных угодий. 10,4% сельхозугодий было передано на
непроизводственные цели. Среди этих земель передано пашни 3,5%.
Среднегодовая численность работников снизилась
до 73,5%, но в тоже время среднегодовая оплата труда одного работника возросла
на 63%. Это обусловлено повышением уровня автоматизации технологических
процессов.
В 2012 году по сравнению с 2010 годом
увеличилось поголовье крупного рогатого скота на 4,2% за счет молодняка.
Поголовье коров осталось неизменным. При этом на 11,2% увеличился среднегодовой
надой на 1 корову. Причиной послужили изменения в технологии производства
продукции, в том числе в рационе кормления, в условиях содержания и так далее.
Валовая продукция увеличилась на 16,5%.
Увеличение товарной продукции на 3,2% связано с направлением дополнительной
части валовой продукции на реализацию и тем самым снижением доли на собственное
потребление хозяйством.
За счет увеличения производственных ресурсов
(среднегодовой стоимости оборотных средств на 208,5%, среднегодовая стоимость
основных средств на 92%, заработной платы на 63%) возросла себестоимость
продукции на25,1%. Это обуславливает снижение прибыли в 2012 году по отношению
к 2011 году на 18%.
1. Существующая компрессорная
станция
.1 Общее описание и
структурная схема
Оборудование компрессорной станции (рис.1).
Для привода компрессора используется асинхронный
двигатель. Компрессор предназначен для подачи пульсирующей струи воздуха. Для
получения равномерной струи воздуха в сеть необходимо устанавливать ресивер.
Назначение и конструкция ресивера.
Ресивер служит для выравнивания пульсирующего
потока воздуха, поступающего из компрессора, а также для отделения воды и
масла, содержащихся в сжатом воздухе. Они изготовляются в виде герметичных
цилиндрических резервуаров, устанавливаемых горизонтально или вертикально на
фундаменте.
Ресивер рекомендуется устанавливать вне здания
за его капитальной стеной на северной стороне, на расстоянии 12-15 м от
компрессорной.
Установка ресивера должна обеспечивать свободный
доступ к нему, возможность осмотра, ремонта, очистки, как с внутренней, так и с
наружной стороны. Для удобства обслуживания и осмотра ресивера должны быть
устроены площадки и лестницы. Установка ресиверов производится в соответствии с
утверждёнными проектами и правилами устройства и безопасной эксплуатации
сосудов, работающих под давлением.
Для лучшего отделения масла и влаги ресиверы
рекомендуется устанавливать в вертикальном положении, подводить воздух в
середину ресивера, а отводить сверху. Внутри ресивера устанавливают перегородки
или отбойные щиты, заставляющие воздух менять свое направление, что улучшает
сепарацию влаги и масла и устраняет возможность возникновения воздушных мешков,
способствующих образованию легко воспламеняющейся взрывчатой смеси.
Каждый ресивер должен иметь:
а) фланцы для подводящего и отводящего
трубопроводов;
б) фланец для трубки, подводящей воздух к
регулятору;
в) предохранительный клапан;
г) манометр;
д) спускной кран для выпуска воды и масла;
е) люки и лазы;
ж) запорный вентиль для отключения от сети.
Кроме того, рекомендуется иметь дополнительно
один - два фланца для присоединения временных трубопроводов и гнезда для
установки термометров.
В верхней части воздухосборника устанавливается
легкоплавкая пробка.
Предохранительный клапан на ресивере должен быть
отрегулирован на предельное давление, превышающее наибольшее рабочее давление
воздуха не более чем на 10 %.
Во избежание конденсации паров воды в ресивере
между компрессором и ресивером рекомендуется устанавливать холодильники, в
которых происходит конденсация паров воды и масла.
Для наблюдения за давлением воздуха устанавливается
манометр. Между ресивером и компрессором размещается обратный клапан для
предотвращения обратного течения сжатого воздуха в случае разрыва линии.
Рис. 1. Структурная схема компрессорной станции
) фильтр; 2) компрессор; 3) муфта; 4)
электродвигатель; 5) масловлагоотделитель; 6) ресивер; 7) краник; 8)
предохранительный клапан; 9) манометр; 10) потребитель.
Назначение предохранительного клапана.
Предохранительный клапан при повышении давления
воздуха сверх допустимого, открываясь, выпускает излишек воздуха и тем самым не
допускает аварии компрессорной установки. При закрытом клапане сжатый воздух
действует на небольшую площадь, равную проходу в седле. При повышении давления
под клапаном сверх допустимого он начинает подниматься, преодолевая жёсткость
пружины, и давление действует на большую площадь, равную площади
дифференциальной части клапана, вследствие чего он быстро поднимается, открывая
большее проходное отверстие.
Предохранительные клапаны должны работать чётко
и надёжно.
Назначение масловлагоотделителя и фильтра.
Масловлагоотделители применяются для отделения
из воздушного потока масла и влаги (для высушивания воздуха). Действие
масловлагоотделителя основано на инерции: при резком повороте струи газа
частицы влаги и масла, имеющие более высокую плотность, выпадают из струи. Для
достаточно полного очищения воздуха скорость его в корпусе масловлагоотделителя
не должна превышать (0,3 - 0,5) м/с.
Проникающие вместе с воздухом механические
примеси вызывают быстрый износ поверхности цилиндров, втулок и
распределительных клапанов компрессора. Для предохранения компрессора от
попадания в него вместе с воздухом механических примесей на всасывающих
трубопроводах устанавливаются очистительные фильтры: сотовые и матерчатые.
Сотовый фильтр представляет собой металлический
ящик высотой около 100 (мм) с верхней и нижней крышками, размером 600x600
(мм). Крышка выполнена в виде рамки, на которую натянута сетка. Ящик
заполняется обрезками трубок диаметром 15 мм и длиной 20 мм. При прохождении
воздуха через такой ящик механические примеси выпадают из потока. В фильтрах
устанавливается несколько таких ящиков. Для улавливания взвешенных в воздухе
частиц пыли кольца фильтров смачиваются висциновым маслом (смесь из 60%
цилиндрового и 40% солярового масла).
Матерчатый фильтр состоит из деревянной камеры,
внутри которой на рамах натянута прочная материя. Воздух перед поступлением в
компрессор проходит через материю, и на ней задерживаются частицы пыли. Для
предохранения материи от повреждения фильтр закрывают крышкой, имеющей
жалюзи.[22, 24, 29].
Помещение компрессорной станции содержит
оборудование такое как:
) фильтр; 2) компрессор; 3) муфта; 4)
электродвигатель; 5) масловлагоотделитель; 6) ресивер; 7) краник; 8)
предохранительный клапан; 9) манометр; 10) потребитель.
Схема расположения оборудования представлена на
рис. 1.
Данная установка состоит из: асинхронного
двигателя, компрессора, фильтра, масловлагоотделителя, предохранительных
клапанов, спускного крана и ресивера.
Таблица 1.1.1.
Паспортные данные асинхронного электродвигателя:
тип 4AH180S2У3
|
Uном (в)
|
Iном (А)
|
fном (Гц)
|
Рном (кВт)
|
nном (об/мин)
|
Jдв (кгм)²
|
Режим
работы
|
cosφ
|
КПД
%
|
Вес
(кг)
|
Соед.,
фаз
|
|
380
|
91
|
50
|
37
|
970
|
0,18
|
S1
|
0,73
|
0,85
|
475
|
Y
|
Асинхронные двигатели являются в настоящее время
самым распространённым видом электродвигателя в промышленности и сельском
хозяйстве. Это определяется рядом преимуществ асинхронных двигателей по
сравнению с другими видами двигателей: он более прост и надёжен в эксплуатации,
для его изготовления требуется меньше цветных металлов, он имеет меньшие массу,
габариты и стоимость, чем двигатели постоянного тока.
До недавнего времени асинхронные двигатели
применялись главным образом в нерегулируемом электроприводе. Вместе с тем в
связи с появлением серийно выпускаемых электротехнической промышленностью
силовых тиристорных устройств - преобразователей напряжения и преобразователей
частоты - растёт число регулируемых электроприводов с асинхронным двигателем.
Такие электроприводы имеют хорошие регулировочные и массогабаритные свойства, а
также стоимостные показатели. В связи с этим применение асинхронного
электропривода представляет собой важное направление в развитии электропривода.
В существующей компрессорной установке
используется асинхронный двигатель, который приводит в действие компрессор.
Асинхронный двигатель соединён с компрессором с помощью муфты.
Таблица 1.1.2.
Техническая характеристика компрессора: тип КТ6-
ЭЛ - ГБ.
|
Эффективная
производительность (м3 /мин)
|
Потребл.,
мощность (кВт) при давлении 7 (атм)
|
Число
оборотов коленчатого вала (об /мин)
|
Рабочее
давление (атм)
|
Число
цилиндров (шт)
|
|
5.3
при 850
(об/мин)
|
37,1
при 850(об/мин)
|
Наибольшее
850
(об/мин)
|
6-7
|
Низкого давления
|
2
|
|
2.75
при 440
(об/мин)
|
19,3
при 440(об/мин)
|
440
(об/мин)
|
__________
|
Высокого давления
|
1
|
|
1.75
при 270
(об/мин)
|
12,3
при 270(об/мин)
|
Наименьшее
270 (об/мин)
|
______________
|
____________________
|
___________
|
Компрессор КТ-6 предназначен для обслуживания
сжатым воздухом пневмоустановки типа УПН-15, для транспортировки навоза по
навозопроводу в хранилище.
Компрессор КТ-6 - двухступенчатый,
трёхцилиндровый с V-образным расположением цилиндров воздушного охлаждения.
Цилиндры имеют внешние рёбра для увеличения
поверхности охлаждения.
Воздушное охлаждение осуществлено от
вентилятора, приводимого в движение через клиноременную передачу от маховика.
Цилиндры низкого давления снабжены воздушными
фильтрами и конденсационными бачками с кранами для спуска конденсата.
Для смазки компрессоров применяется масло: зимой
марки «М» ГОСТ- 1861-44, летом марки «Т» ГОСТ 61-44.
Режим работы компрессора продолжительный.
Включение и отключение может происходит автоматически в зависимости от давления
сжатого воздуха [22, 24, 25].
Включение может производиться при падении
давления в резервуарах до 5,5 атм., а выключение - при достижении давления 7
атм.
Установка служит для транспортировки навоза
любой консистенции (жидкого, полужидкого, подстилочного) от коровника в любых
климатических условиях (при окружающей температуре от -40 до +50 ˚С)
Установка работает следующим образом. Навоз под
действием собственной массы и вакуума, создаваемого насосом, поступает в
рабочую камеру. После её заполнения клапан перекрывает окно загрузочной воронки
и открывает нагнетательный клапан навозопровода. Поршень насоса, совершая
рабочий ход, выталкивает навоз из рабочего цилиндра по навозопроводу в
хранилище. Навозопровод проложен под землёй ниже уровня промерзания.
Навозохранилище заполняется снизу, что
предотвращает замерзание выходного конца навозопровода и навозного бурта, так
как промерзший в промежутках между уборками верхний слой предохраняет от мороза
поступающие снизу новые порции навоза.
Благодаря применению пневмоцилиндра,
специального клапанного механизма, термообработанного и хромированного поршня и
системы защиты от перегрузок достигают высокой надёжности установки при работе
в разных климатических условиях.
Заборная камера приводится в действие
пневмоцилиндром. При этом легко разрезаются соломистые материалы, за счёт чего
обеспечивается надёжная транспортировка подстилочного навоза по трубопроводу.
Подача навозной массы до 7-10 т/ч, дальность
транспортировки до 100 метров.
Принцип действия компрессоров и классификация
поршневых компрессоров.
Чередование процессов всасывания и нагнетания в
поршневых компрессорах такое же, как в поршневых насосах. При нагнетательном
ходе поршня насоса ввиду несжимаемости жидкости сразу же начинается
выталкивание жидкости через нагнетательный клапан, а в поршневом компрессоре
при нагнетательном ходе поршня воздух сначала сжимается, а уже затем
выталкивается поршнем через нагнетательный клапан.
Одноступенчатый компрессор простого действия
имеет открытый с одного конца цилиндр 4, в котором движется поршень 3,
приводимый в действие от кривошипного механизма и совершающий возвратно-поступательное
движение (рис. 2). В левой крышке размещены всасывающий клапан 2, открывающийся
в сторону поршня, и нагнетательный клапан 1, открывающийся в сторону
нагнетательного трубопровода. При движении поршня вправо в пространстве между
крышкой и поршнем создаётся разрежение, вследствие чего под действием
атмосферного давления всасывающий клапан 2 поднимается и, открывая клапанное
отверстие, впускает воздух в цилиндр. Когда поршень достигает крайнего правого
положения, клапан под действием пружины опускается на своё седло и закрывает
отверстие, в результате чего воздух перестаёт поступать в цилиндр. В течение
всего периода всасывания отверстие нагнетательного клапана остаётся закрытым.
При движении поршня влево воздух, находящийся в
цилиндре, сжимается до тех пор, пока давление в цилиндре не достигнет величины,
достаточной для преодоления сопротивления специально отрегулированной пружины
нагнетательного клапана. По достижении этого давления нагнетательный клапан 1
поднимается, и сжатый воздух выталкивается из цилиндра в нагнетательный
трубопровод. Заметим, что сжатый воздух, выталкиваемый поршнем из цилиндра,
преодолевает, кроме жёсткости пружины, и давление воздуха в нагнетательном
трубопроводе.
Совокупность описанных выше процессов называется
циклом работы компрессора. Полный цикл работы компрессора простого действия
происходит, таким образом, за два хода поршня (вперёд и обратно), т. е. за один
оборот приводного вала.
Рис. 2 Схема простейшего компрессора.
Классификация поршневых компрессоров
В зависимости от способа действия, числа
ступеней и т. п. поршневые компрессоры классифицируются следующим образом:
а) по способу действия - простого и двойного;
б) по расположению оси цилиндра -
горизонтальные, вертикальные, производительностью не более 40 м / мин; угловые;
со звёздным расположением цилиндров, применяются при небольших
производительностях в передвижных установках;
в) по числу ступеней - одноступенчатые,
двухступенчатые, многоступенчатые;
г) по числу цилиндров -
одноцилиндровые,двухцилиндровые, многоцилиндровые;
д) по конечному давлению - низкого, высокого;
е) по способу охлаждения - с воздушным
охлаждением - мелкие по габаритным размерам; с водяным охлаждением - водяная
рубашка и наружное охлаждение в промежуточных холодильниках для
многоступенчатых компрессоров;
ж) по частоте вращения - тихоходные (не выше 200
об/мин); средней быстроходности (от 20СН-250 об/мин); быстроходные (450-4000
об/мин);
з) по роду сжимаемого газа - воздушные,
кислородные, аммиачные и другие.
и) по установке - стационарные, передвижные.[12]
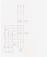
1.2 Электрическая схема привода
Принципиальная электрическая схема включения
асинхронного двигателя при помощи магнитного пускателя с тепловыми реле и
автоматическим выключателем с электромагнитным расцепителем изображена на рис.
3.
Данная электрическая схема содержит:
- автоматический
выключатель серии А 3124,
- магнитный
пускатель серии ПАЕ - 522,
- кнопочную
станцию серии ПКЕ - 222 - 2УЗ,
- тепловое
реле серии РВ - 200,
- асинхронный
двигатель типа 4АН180$2УЗ,
- питающие
кабели.
Автоматический выключатель предназначен для
защиты электродвигателя от токов короткого замыкания и токов перегрузки
Магнитный пускатель предназначен для подачи
питания на электродвигатель.
Кнопочная станция служит для управления
магнитным пускателем.
Тепловое реле используется для защиты
электродвигателя от длительных перегрузок.
Для привода компрессора используется асинхронный
двигатель.
Соединение элементов электрической схемы
осуществляется с помощью питающих кабелей.
Работает схема управления следующим образом.
Включением автоматического выключателя QF
(рис. 3) на установку подаётся сетевое напряжение. При последующем нажатии
кнопки управления SB1
“Пуск” на катушку магнитного пускателя подаётся напряжение, пускатель
срабатывает и замыкает контакты в силовой цепи. Одновременно замыкается
блокировочный контакт КМ:4 и шунтирует кнопку SB1
“Пуск”, поэтому при отпускании кнопки двигатель не отключается от сети.
Для остановки двигателя следует нажать на кнопку
SB2 “Стоп”. При этом
разрывается цепь питания катушки магнитного пускателя КМ и двигатель
отключается от сети контактами КМ:1...КМ:3.
Следствие прямого пуска.
Данный способ прямого включения на сеть
асинхронного двигателя является в настоящее время наиболее распространённым.
В существующей компрессорной установке пуск
двигателя осуществлялся прямым включением на сеть.
При прямом пуске асинхронный двигатель создаёт
пусковой момент во много раз больший момента сопротивления компрессора. При
этом муфта, соединяющая компрессор и электродвигатель быстро изнашивалась и
выходила из строя.
По этой причине в элементах соединения возникают
недопустимые по функционированию динамические нагрузки.
Для снижения динамических нагрузок необходимо
уменьшать пусковой начальный момент. Для асинхронного двигателя это решается
путём уменьшения напряжения. Пусковой момент уменьшается пропорционально
квадрату напряжения.[15, 28]
1.3 Задачи работы
Основной задачей дипломной работы является
решение вопросов плавного пуска электродвигателя. Уменьшение пускового момента
может быть достигнуто снижением напряжения на зажимах электродвигателя.
Необходимо рационально выбрать способ плавного
пуска, на основании параметров электропривода. Выбрав наиболее рациональный способ
пуска (дроссельный пуск для данных условий), следует произвести расчёт
индуктивности дросселя. Задача расчета заключается в определении индуктивного
сопротивления катушки, которое бы обеспечило снижение пускового начального
момента электродвигателя. После выполненных предварительных расчетов (на фазу)
по соотношению числа витков, сечения сердечника и зазора выбираем дроссель.
Далее производим расчёт и выбор электрических аппаратов пуска и защиты
электрооборудования компрессорной станции. Выбрав необходимое оборудование,
строим пусковую диаграмму и выполняем расчёт механических характеристик
электропривода. Проанализировав основные характеристики электропривода, делаем
выводы.
2. Предлагаемая система
электропривода
2.1 Электрическая
схема и описание её работы
В данной компрессорной установке существующую
схему пуска компрессора, с помощью асинхронного двигателя включающего прямым
способом пуска на сеть, я предлагаю сделать расчёт и выбор электрооборудования
компрессора. Для данных условий компрессорной станции рационально будет
применение дроссельного пуска асинхронного двигателя. То есть, во время пуска
асинхронного двигателя дроссель включается в схему посредством реле времени
автоматически. Таким образом, дроссель ограничивает пусковой ток, следовательно
и пусковой момент электродвигателя. Поэтому, предлагаемый способ плавного пуска
исключает обрыв и выход из строя муфты, находящейся на валу между асинхронным
двигателем и компрессором.
Делая вывод, можно сказать, что предлагаемая
система электропривода является наиболее приемлемой для использования в
компрессорной станции для данных условий.
Предлагаемая электрическая схема электропривода
изображена на рис. 4 электрическая схема состоит из:
• автоматического
выключателя серии АЗ710Б;
• контакторов
типа КТ 6000;
• кнопочной
станции серии ПКЕ-222-2УЗ;
• реле
времени типа РВ - 200;
• теплового
реле серии РТТ-31;
• асинхронного
двигателя типа 4АН180Б2УЗ.
Данная схема работает следующим образом.
Включением автоматического выключателя QF1
(рис. 4) на установку подаётся сетевое напряжение. При последующем нажатии
кнопки управления SB1
“Пуск” одновременно на реле времени РВ и катушку контактора КМ2 через контакт
реле времени РВ-1 подаётся напряжение. Таким образом, подаётся напряжение через
дроссель и двигатель, при пониженном напряжении начнёт запускаться. По
истечении определённого времени срабатывает реле времени и размыкает свой
контакт РВ-1, тем самым обесточивает катушку контактора КМ2 и контактор КМ2
отключается, одновременно контакт реле времени РВ-2 замыкается и подаётся
напряжение на катушку контактора КМ1.Контактор КМ1 включается и двигатель уже
начинает работать при полном напряжении в установившимся режиме.
Для защиты электродвигателя от токовых
перегрузок используется тепловое реле типа РТТ - 311.
Основные параметры электрических аппаратов
приведены в нижеуказанных таблицах.[2.1.1. - 2.1.9.]
Таблица 2.1.1.
Основные параметры автоматического выключателя.
|
Тип
|
Ток
уставки, А
|
Время
отключения, С (tоткл)
|
Номинальное
напряжение Uном, В
|
Ток
номинальный, А
|
габаритные
размеры, мм
|
число
полюсов
|
|
А3710Б
|
600
|
0,03
|
380
|
160
|
225x500x190
|
3
|
Таблица 2.1.2.
Основные параметры контактора.
|
Тип
|
Номинальное
напряжение UНОМ, В
|
Ток
номинальный, А
|
число
полюсов
|
допустимая
частота включения 1/час
|
|
КТ
6000
|
440
|
100
|
3
|
1200
|
Таблица 2.1.3.
Основные параметры теплового реле.
|
Тип
|
Ток
уставки
|
Ток
номинальный, А
|
|
РТТ-311
|
106,2..
143,7
|
125
|
Таблица 2.1.4.
Основные параметры кнопочной станции.
|
Тип
|
Номинальное
напряжение Uном,
В
|
|
ПКЕ-222-2УЗ
|
400
|
Таблица 2.1.5.
Основные параметры дросселя.
|
Ток
номинальный, А
|
Номинальное
напряжение Uном,
В
|
Индуктивность
катушки L,
Гн
|
Индуктивное
сопротивление X, Ом
|
число
витков ῳ катушки
|
|
100
|
380
|
0,0003
|
0,09
|
11
|
Таблица 2.1.6.
Основные параметры реле времени.
|
Тип
|
Время
отключения
|
Ток
номинальный, А
|
Номинальное
напряжение Uном,
В
|
|
РВ-200
|
0,24
|
1-5
|
220
|
17х
90x58
|
Таблица 2.1.7.
Параметры асинхронного двигателя.
|
Электромагн.
нагрузки
|
Обмоточные
данные
|
|
βδ,Тл
|
А,
А/см
|
J, А/мм²
|
2р
|
U1л, В
|
Da1/Di1 мм/мм
|
11, мм
|
δ,
мм
|
Z1 /Z 2
|
|
0,83
|
448
|
6,3
|
2
|
380
|
313/171
|
145
|
1,00
|
36/28
|
Таблица 2.1.8.
Параметры схемы замещения в относительных
единицах.
|
Xµ
|
в
номинальном режиме
|
при
кор. замыкании
|
|
R1ʼ
|
X1ʼ
|
R2ʼʼ
|
X2ʼʼ
|
R2пʼʼ
|
Rk,п
|
Xk,п
|
|
3,6
|
0,035
|
0,084
|
0,019
|
0,1
|
0,025
|
0,06
|
0,14
|
Таблица 2.1.9.
Данные электродвигателя. Таблица 2.1.9.
|
паспортные
данные
|
|
mп
|
mм
|
mк
|
Sном,%
|
SK,%
|
iп
|
Jд,кг м²
|
|
1,2
|
1,0
|
2,2
|
1,8
|
12,5
|
7,0
|
0,180
|
На рис.5 изображены схемы замещения асинхронного
двигателя:
а) физическая схема замещения;
б) Т - образная схема замещения;
в) точная схема замещения.
Рис. 5 Схемы замещения асинхронного двигателя: а
- физическая схема замещения; б - Т-образная схема; в - точная схема замещения.
2.2 Способы пуска
асинхронного двигателя
. Прямое включение на сеть. Пуск осуществляется
напрямую без каких либо приспособлений и возможен, если питающая сеть
достаточно мощная. Способ отличается предельной простотой, но в то же время он
сопряжён с более или менее значительными толчками тока, которые могут вредно
отразиться на работе питающей сети. Данный способ пуска является наиболее
распространённым (см. рис.6а).
. Пуск в ход посредством реактора в цепи
статора. Реакторы применяют для ограничения пускового тока и пускового момента.
Уменьшение пускового момента электродвигателя может, достигнуто путём снижения
напряжения на зажимах двигателя при пуске. Пусковой момент уменьшается
пропорционально квадрату напряжения. Данный способ является наиболее
целесообразным для пуска компрессора (см. рис.6б).
. Пуск в ход посредством автотрансформатора.
Пуск при пониженном напряжении, мало применяемый из-за значительного снижения
пускового и номинального момента, а также из-за дорогой стоимости оборудования
и технического обслуживания автотрансформатора. Применяется данный способ в тех
случаях, когда вопрос о величине пускового момента не имеет существенного
значения (см. рис.7).
. Пуск в ход посредством переключения звезда -
треугольник (□/∆). Таким образом, пусковой ток в сети при
соединении обмотки статора звездой в три раза меньше, чем при соединении
треугольником. Однако при этом пусковой момент уменьшается тоже в три раза
(см.рис.6в).
. Пуск асинхронного двигателя с помощью системы
плавного пуска. В основе работы этой системы лежит тот принцип, что при малом
напряжении на двигателе пусковой ток и крутящий момент также малы. Эта система
позволяет избежать рывков при пуске. Одним из преимуществ является возможность
точной регулировки крутящего момента, независимо от того, есть ли нагрузка
приводимого механизма. В принципе, можно достичь полного пускового момента,
однако существенным отличием является более бережное отношение к приводимому
механизму, что в результате выражается в снижении затрат на техническое
обслуживание рис.8.
Основные характеристики способов пуска (1, 4, 5)
изображены на рис. 9.
Поэтому, из выше перечисленных способов пуска
наиболее приемлемым и эффективным для данных условий компрессорной станции,
является пуск асинхронного двигателя с применением дросселя в цепи статора. [3,
15, 28]
Рис. 7. Автотрансформаторный способ пуска
Рис. 8. Система плавного пуска
Рис. 9. Система плавного пуска
2.3 Определение параметров
электропривода
Основные данные асинхронного двигателя:
Номинальная мощность Р - 37 кВт;
Номинальное напряжение U
= 380 В;
Номинальная частота вращения n
= 970 об/мин;
Коэффициент полезного действия η
=
0,73;
Режим работы S1;
Кратность пускового тока mп,=
1,2;
Минимальная кратность момента mм
= 1;
Максимальная кратность момента mk=
2,2;
Номинальный ток Iном
= 91 А
Вес двигателя 475 кг;
а) Определяем угловую скорость вращения
двигателя по формуле:
ωном. дв. =

∙ n, (1)
где 
- 3,14; n = 970
об/мин.
ωном. дв. = 
= 101,53 (рад/с);
б) Определяем номинальный момент двигателя по
формуле:
Мном. дв. = 
, (2)
где Рном = 37000 (Вт).
Мном. дв. =

364,4 (Нм);
в) Определяем пусковой момент
двигателя Мп.дв. по формуле:
Мп.дв. = 1,2 ∙ Мном.дв.,
при кратности пускового момента m = 1,2
Мп.дв. = 1,2 ∙
364,4 = 437,3 (Нм).
г) Определяем пусковой ток двигателя
по формуле:
Iп = (5:7)
∙ Iном, (3)
где Iном = 91(А).
Iп = (5:7)
∙ 91 = 480 (А);
д) Определяем номинальное скольжение
по формуле:
Sном = 
, (4)
где ω0 -
синхронная скорость об/мин.
ω˳ = 1000 (об/мин).
ωном -
номинальная скорость вращения об/мин.
Sном = 
= 0,03
е) Находим номинальный момент
компрессора Мном.ком. при частоте вращения n = 850
(об/мин), пр формуле:
Мном.ком. = 
, (5)
где Рном - номинальная
мощность компрессора, Р = 44100 (Вт), при n = 850
(об/мин), при р = 8 (атм), необходимо снизить давление, создаваемое
компрессором до р = 7 (атм), для того чтобы двигатель мог запуститься. При р =
7 (атм), n = 850
(об/мин) номинальная мощность компрессора, Р = 37100 (Вт)
ωном = 
∙ n
ωном = 
= 89
(рад/с).
Мном.ком. = 
= 365,4 (Нм).
ж) Определяем величину начального
момента трогания компрессора по формуле:
Мтр.ком. = (30 : 50%)
∙ Мном.ком., (6)
Мтр.ком. = 182,7 (Нм).
Рассчитываем параметры схемы
замещения. Схему замещения применяют для упрощения расчета основных параметров
асинхронной машины.
а) Определяем активное сопротивление
статора по формуле:
R1 = R1ʼ ∙
Zн, (7)
где R1ʼ -
приведенное активное сопротивление статора в о. е.
R1ʼ =
0,035.
Zн - полное
сопротивление Ом по формуле 8:
Zн = 
,
где Uф - фазное
напряжение В,
Iном -
номинальный ток электродвигателя.
Zн = 
= 2,42 (Ом)
R1 = 0,035 ∙
2,42 = 0,085 (Ом).
б) Определяем активное сопротивление
ротора по формуле:
R2 = R2” ∙ Zн , (8)
где R2”
- приведённое активное сопротивление ротора в о.е.
R2”
= 0,019 (Ом).
R2
= 0,019 ∙ 2,42 = 0,046 (Ом).
в) Определяем индуктивное сопротивление статора
по формуле:
X1
= X’1 ∙
ZH
,
(9)
где X’1
- индуктивное сопротивление статора в о.е.
X’1 =
0,084 (Ом).
X1
= 0,084 ∙ 2,42 = 0,2 (Ом).
г) Определяем индуктивное сопротивление обмотки
статора по формуле: X2
=
X2”
∙ Zh
,(10)
где Х2” - индуктивное сопротивление
обмотки ротора в о.е.
Х2” = 0,1 (Ом).
Х2 = 0,1 ∙ 2,42 = 0,24 (Ом).
д) Находим общее активное сопротивление по
формуле:
Rk
=
R1+R2,(11)
Rk
=
0,085+0,046 = 0,131(Ом).
е) Находим общее индуктивное сопротивление по
формуле:
Х2 = Х1 + Х2 ,(12)
Х2 = 0,2 + 0,24 = 0,44 (Ом).
ж) Определяем полное сопротивление Zk
при коротком замыкании по формуле:
Zk = 
,(13)
Zk = 
= 0,458 (Ом).
з) Делаем проверку, определяем пусковой ток
двигателя Iп.дв.
Iп.дв. = 
= 
= 480 (А),
следовательно полное сопротивление
определено верно.
и) Определяем общий момент
сопротивления при пуске по формуле:
Мс = Мс.о.дв. + Мс.о.ком.
,(14)
где Мс.о.дв. - момент сопротивления
холостого хода двигателя,
Мс.о.дв. = 10% ∙ ( Мном.дв.).
Мс.о.дв. = 10% ∙ (364,42) =
36,44 (Нм).
Мс.о.ком. - момент трогания
компрессора при пуске.
(пуск компрессора производится при декомпрессии,
при открытых клапанах не на противодавление).
Мс.о.ком. = (30 : 50)% ∙
Мном. ,
Мс.о.ком. = (30 : 50)% ∙
365,4 = 182,7 (Нм).
Мс= 36,44 + 182,7 = 219,14 (Нм).
Производительность компрессора составляет Q
= 5,3 м3/мин, при давлении Р = 7 атм. [5,21]
2.4 Расчёт
индуктивности дросселя
Дроссель представляет собой катушку
индуктивности на ферромагнитном сердечнике с зазором, изображенную на рис. 10.
Магнитопровод состоит из отдельно набранных пластин, изготовленных из листовой
стали и изолированных друг от друга. Величина магнитной проницаемости µFe
магнитопровода µFe
» µо (допущение).
µо - магнитная постоянная вакуума
равна,
µо = 4 ∙ π ∙
10-7
(Гн/м).
Задача расчёта заключается в определении
индуктивного сопротивления катушки, которое бы обеспечило снижение начального
пускового момента асинхронного электродвигателя. Задаваясь значениями площади
магнитопровода S = 10×10(см),
величиной воздушного зазора δ = 5 (мм),
производим расчёт индуктивности катушки.
Площадь магнитопровода С1×С2
равная 10×10 (см).
Величина воздушного зазора в магнитопроводе δ
= 5 (мм).
Для того чтобы определить полное сопротивление
дросселя Zдр.,
необходимо
рассчитать суммарное сопротивление дросселя и электродвигателя.
а) Суммарное сопротивление дросселя и
электродвигателя Z
общ.
можно
получить из формулы моментов:
Мп = 
(15)
Zo6щ. = 
(16)
Зная пусковой момент асинхронного двигателя
(сниженный вдвое)
Мп.дв. = 218,65 (Нм), определяем Zобщ.

= 
= 
,
Zобщ. = 
= 0,54 (Ом)
б) Зная суммарное сопротивление
дросселя и двигателя Zобщ., а также
полное сопротивление двигателя при коротком замыкании Zк.дв.,определим
полное сопротивление дросселя Zдр по формуле:
Zдр =
Zобщ -
Zк.дв, при
Zк.вд =
0,45 (Ом)
Zдр =
0,54-0,45 = 0,09 (Ом).
Рис. 10 Общий вид дросселя
в) Определим индуктивность катушки L.
Примем X- индуктивное сопротивление дросселя X ~
Zдр
=
0,09 (Ом).
L = 
(17)
г) Определяем по формуле:
ω = 2 ∙ π ∙ f,
(18)
где f
- частота питающей сети, ω - угловая
частота.
f = 50 (Гц)
ω = 2 ∙ 3, 14 ∙ 50 = 314 (рад/с).
L = 
= 0,0003 (Гн).
д) Задаёмся значением площади
поперечного сечения Sсерд. = 100 (см2).
Значение магнитного сопротивления Rµ, при µFe » µ0
равно магнитному сопротивлению зазора Rµδ,то есть Rµ =Rµδ.
Величина воздушного зазора
составляет δ
= 5 (мм).
Определим магнитное сопротивление
зазора Rµδ по формуле:
Rµδ = 
(19)
Rµδ = 
= 4 ∙ 105 (А/Вб).
е) Определим число витков w
катушки дросселя.
w = 
,
w = 
= 11 витков.
Определяем среднюю длину магнитопровода -1,
= 4 ∙ 105 ∙ 4 ∙ π
∙ 10¯⁷
∙
0,01 = 0,38 (м).
Таким образом, был получен расчёт параметров
дросселя (L = 0,003 (Гн); δ
= 5 (мм);
Rµ
= 4 ∙ 105 (А/Вб); w
= 11 витков; S = 16 (мм2)).
В дальнейшем проведём проверку дросселя на
линейность.
Зная пусковой ток асинхронного двигателя Ιп.дв.=
480 (А)
а) Определим намагничивающую силу катушки F
по
формуле:
F = Ιп.дв.
∙
w ,(20)
где w
- число витков.
F = 480 ∙ 11
=5280 (А).
б) Определяем магнитный поток Ф по формуле:
Ф = 
, (21)
Ф = 
= 1,32 ∙ 10-2 (Вб)
= 13 (мВб).
в) Определяем магнитную индукцию Вδ
по формуле:
Вδ = 
, (22)
Вδ = 
= 1,3 (Тл).
г) Выберем сечение провода дросселя. По
номинальному току Ιдр.[7]
находим ближайшее наибольшее табличное значение равное 100 А. Сечение провода
марки ПРТО (провод с медной жилой, с резиновой изоляцией) S
= 16 (мм² ).
Выполнив проверку на линейность, можно сказать,
что у данного дросселя линейная характеристика Вδ
= 1,3 (Тл) это позволяет утверждать что магнитная система линейная то есть,
индуктивность не зависит от тока за всё время пуска. Если бы магнитная индукция
В составила Вδ
= 2 (Тл), то пришлось бы делать пересчёт с учётом µFe
магнитного сопротивления сердечника. [11,17]
Выполним расчёт графической зависимости
индуктивности дросселя L
от тока I. Выразим L из
уравнений:
Так как
1) В = 
,то 2) Ф = 
;
тогда 3) F = I ∙ ω, подставляя в
формулу 2 получаем Ф = 
;
4) B = 
,5) µ = 
= 
; 6) Rµ = 
; 7) L = 
,
где Н - напряжённость магнитного
поля, определяемая по формуле:
H = 
; (8)
H = 
= 10,3 ∙ 10-8
(А/м).
Подставляя различные значения тока в формулу 7,
определяем индуктивность L
и строим график зависимости L
- f (1), изображённый
на рисунке 11.
Данные сводим в таблицу 2.3.1.
Таблица 2.3.1.
Расчётные данные для построения
характеристики L = f
(I).
|
I, А
|
10
|
20
|
30
|
40
|
50
|
60
|
70
|
80
|
90
|
|
L, мГн
|
302,5
|
302,5
|
302,5
|
302,5
|
302,5
|
302,5
|
302,5
|
302,5
|
302,5
|
Рис 11. Характеристика дросселя зависимость
индуктивности L от тока I.
2.5 Пусковая
диаграмма с применением дросселя
) Определим суммарный момент инерции
компрессора и электродвигателя Jƹ
по формуле (18):
Нам известен момент инерции электродвигателя Jдв.
=
0,18 кг ∙ м2;
Момент инерции коленчатого вала компрессора по
ориентировочным данным [5, 8] (точных справочных данных не удалось найти) по
формуле равно:
Jk
=
0,7 ∙ (Jдв.)
(24)
Jk
= 0,7 ∙ 0,18 = 0,126 (кг ∙ м2)
Jƹ
= Jдв. +
Jk
,
(23)
Jƹ
= 0,18 + 0,126 = 0,206 (кг ∙ м2).
Момент трогания компрессора (при открытых
клапанах) Мо.ком. = 182,7 (Нм)
2) Расчёт естественной механической
характеристики электродвигателя:
Для расчёта воспользуемся формулой Клосса[15,
23]:
Мп = 
, (25)
где Мк - кратность
максимального момента электродвигателя.
Мк = 2,2;
s -
скольжение (текущая координата);
ɛ - угловое ускорение;
U с min = 0.9 -
минимальное напряжение сети в относительных единицах;
Мп = 
= 1,2 - кратность пускового
момента;
S п = 1 -
скольжение при пуске электродвигателя;
Мк = 
= 2.2 - кратность максимального
(критического) момента электродвигателя.
Подставив Мп,Мк,
Sп в формулу
25, имеем :
,2 = 
; (26)
Выразим (ɛ), из
уравнения (26):
,4 · (1 + ɛ) = 
1,2 · 
+ 2,4 · ɛ;
,4 + 4,4ɛ - 
- 1,2 · 
- 2,4 · ɛ = 0;
Выразив (ɛ), получим:
ɛ = 
+ 0,6 · 
- 22;
3) λн = 
;
где 
- номинальное скольжение;
Sн = 
= 
= 0.03;
λн = 1 -
кратность номинального момента;
Подставив Sн, λн в формулу
Клосса (25) получим :
= 
= 
; (27)
Выразим (ɛ) из
уравнения 27:
.4 = (1+ ɛ) = 
;
,4 · ɛ = 
- 4,4;
Выразив (ɛ)
получим:
ɛ = 
+ 13,88 · 
- 1,83; (28)
Приравняем правые части уравнений,
получим:

+ 0,6 · 
- 2,2 = 
+ 13,88 ·
- 1,83
Приравняем правую часть уравнения к
нулю, получим:

- 13,28 · Sk - 0,37 = 0;
Преобразуем это уравнение, умножив
левую часть на Sк, получим
квадратное уравнение :
,28 · SK2 +
1.37· Sк - 0,587 =
0;
Решая данное уравнение, получим[15, 23]:
D = b2 - 4· а· с =
0,372 + 4 · 13,28 · 0,587 = 31,32
SK = 
= 
= 0,196;
Подставив Sк = 0,196 в
формулу (28), получим ɛ =0,953 ;
Для того чтобы удостоверится в
правильности найденных значений, сделаем проверку подставив ɛ = 0,953 и SK = 0,196 в
формулы (25) и (27),получим:
λн = 
; 2) Мп = 
;
≈ 
≈ 1,002; 1,2 ≈ 
≈ 1,195;
Расчёт выполнен верно.
Подставляя найденные ɛ и SK в формулу
(27) и задаваясь различными значениями скольжения, построим механическую
характеристику двигателя (рис. 12). Данные расчётов сведены в таблицу 2.4.1
Таблица 2.4.1.
Данные для построения естественной
механической характеристики асинхронного двигателя.
|
S
|
0
|
0,01
|
0,0125
|
0,03
|
0,196
|
0,2
|
0,5
|
0,7
|
0,9
|
1
|
|
M, (Hм)
|
0
|
142,12
|
174,92
|
364,42
|
801,72
|
801,36
|
645,02
|
543,71
|
466,45
|
433,6
|
|
ω,рад/с
|
104,7
|
103,6
|
103,3
|
101,55
|
84,17
|
83,76
|
52,35
|
31,41
|
10,47
|
Для определения необходимых нам параметров
произведем следующие графические построения:
) Графически вычитаются характеристики и
определяется кривая динамического момента Мдин = М - Мс;
2) Момент сопротивления механизма (компрессора)
составляет Мс ком. = 182,7 (Нм);
) Кривая динамического момента делится на
ряд участков, на каждом из которых момент предполагается постоянным и равным
среднему значению;
) Затем по графику определяем ∆ωi
для каждого участка и рассчитываем Мдин.ср;
) Определяем приращение скорости ∆t
и строим временную характеристику пуска (без применения дросселя в цепи статора
электродвигателя).
Средний динамический момент рассчитывается
следующим образом:
Мдин.ср = 
(29)
где, Mᵢ
- момент в начале участка, (Нм);

- момент
в конце участка, (Нм).
Мдин.ср = 
= 
= 125.
Рассчитываем приращение времени на
каждом участке:
∆t = JΣ · 
(30)
Общий момент инерции есть сумма моментов инерции
двигателя Jдв
(из паспортных данных) и механизма Jмex
где, JΣ
- общий момент инерции, кг · м.
JΣ
- 0,206 кгм2
∆t = 0,206 · 
= 0,006 с.
Расчётные данные сводим в таблицу
2.4.2.
Таблица 2.4.2.
Расчётные данные для построения
характеристик.
|
№
уч-ка
|
1
|
2
|
3
|
4
|
5
|
6
|
7
|
8
|
9
|
10
|
11
|
12
|
|
Мдин.,
Нм
|
125
|
307,2
|
399
|
442
|
442
|
408,1
|
343
|
283
|
215
|
165,5
|
125
|
87,5
|
|
∆ω,
рад/с
|
4
|
4
|
6
|
5
|
12
|
8
|
10
|
10
|
12
|
10,5
|
12,5
|
5
|
|
∆ti,с
|
0,006
|
0,0026
|
0,003
|
0,0023
|
0,005
|
0,0041
|
0,006
|
0,007
|
0,011
|
0,013
|
0,21
|
0,011
|
1) 3атем
по расчётным данным строим характеристику ω
= f (tп)
рис.12.
2) Определяем
время пуска компрессора tп
(без применения дросселя) по формуле:
tп=Σ∆ti,(31)
где Σ∆ti
определяем
путём суммирования всех двенадцати участков.
tп
= 0,095 ≈ 0,1 с.
Общее время пуска составило tп
= 0,1сек. На основании этого можно сказать, что пуск компрессора происходит
довольно-таки быстро. Из пусковой диаграммы видно, что при пуске асинхронный
двигатель развивает большой избыточный динамический момент Мдин.,
из-за которого возникают динамические нагрузки и впоследствии чего, муфта
выходит из строя.
Для того чтобы это явление исключить вводим в
цепь статора дроссель. Таким образом, с помощью дросселя, двигатель будет
запускаться при пониженном напряжении, пусковом токе, а главное при пониженном
пусковом моменте.
Чтобы в этом убедиться, необходимо построить
пусковую диаграмму с дросселем в цепи статора асинхронной машины.
1) Найдём
падение напряжения на дросселе ∆U
по формуле:
∆Uдр.
= Iп.дв
·
Zдр.,(32)
где Zдр
- полное сопротивление дросселя (Ом);
Iп.дв -
пусковой ток электродвигателя (А);
(∆Uдр.
≈
30 %(Uф)
- по табличным данным)
∆Uдр.
=
480 · 0,09 = 44 (В);
Определим падение напряжения ∆Uдв.
на двигателе по формуле:
2) ∆Uдв.
=
Uф -
∆Uдр.,
(33)
Где Uф
-
фазное напряжение (В).
∆Uдв.
≈
70% (Uф)
∆Uдв.
=
220 - 44 = 176 (В);
3) Определяем
критическое скольжение Sкр.
и
критический (максимальный) момент Мкр. электродвигателя с
применением дросселя. [9]
Определяем максимальный момент Мкр. по
формуле:
Мкр. = 
,
Мкр. = 
= 272,6
(Нм).
Рис. 12. Пусковая диаграмма без
применения дросселя
Из расчётов видно, что без дросселя
Мкр. электродвигателя был равен Мкр. =801,72 (Нм), а
после того как дроссель был включен в цепь статора электродвигателя Мкр.
= 372,6 (Нм), значит данный дроссель обеспечивает пусковой момент
электродвигателя вдвое меньший какой нам и необходим.
Находим критическое скольжение Sкр. электродвигателя
по формуле:
Sкр. = 
;
Sкр. = 
= 
= 0,196
Таким образом, видно, что
критическое скольжение до применения и после применения дросселя не изменилось.
4) Используя
формулу Клосса рассчитаем основные параметры для построения пусковой
диаграммы.[3,15J
Мп = 
, (35)
Где ɛ = 0,953;
Мкр. = 372,6 (Нм)
Sкр. = 0,196;
Подставляя значения Мкр.,
Sкр. в уравнение
(35) и задаваясь различными значениями скольжения S, можно
сосчитать текущие координаты пускового момента Мп.
Расчётные данные сводим в таблицу
2.4.3.
Момент сопротивления механизма
(компрессора) остаётся неизменным
Мс.ком. = 182,7 (Нм);
Таблица 2.4.3.
Данные для построения искусственной
механической характеристики.
|
S
|
0
|
0,01
|
0,196
|
0,2
|
0,3
|
0,4
|
0,5
|
0,6
|
0,7
|
0,8
|
0,9
|
1
|
|
M, (Hм)
|
0
|
67,5
|
372,6
|
372,6
|
355,8
|
327,7
|
300,1
|
274,6
|
253
|
234
|
217
|
202,1
|
|
ω,
рад/с
|
104,7
|
103,6
|
84,7
|
83,7
|
73,3
|
62,8
|
52,4
|
41,8
|
31,4
|
20,9
|
10,5
|
0
|
Для определения необходимых нам параметров
произведем следующие графические построения:
• Графически
вычитаем характеристики и строим кривую динамического момента Мдин. =
М - Мс;
• Кривая
динамического момента делится на ряд участков, на каждом из которых момент
предполагается равным среднему значению;
• Затем
по графику определяем ∆ωi;
для каждого участка и рассчитываем Мдин.ср.
• Определяем
приращение скорости ∆t
и строим временную характеристику пуска (с дросселя в цепи статора
электродвигателя);
• Определяем
средний динамический момент;
• Рассчитываем
приращение времени на каждом участке;
• Общий
момент инерции остаётся неизменным:
JΣ=
0,206 кгм2 [15,16]
Расчётные данные сводим в таблицу 2.4.4.
Таблица 2.4.4.
Расчётные данные для построения характеристик.
|
№
участка
|
1
|
2
|
3
|
4
|
5
|
6
|
7
|
8
|
|
Мдин.ср.,
Нм
|
25
|
112,5
|
192,5
|
192,5
|
150
|
102,5
|
65
|
37,7
|
|
∆ω, рад/с
|
4
|
6
|
12
|
15
|
15
|
20
|
20
|
3
|
|
∆tj, с
|
0,04
|
0,015
|
0,0135
|
0,0165
|
0,021
|
0,041
|
0,065
|
0,012
|
4) Рассчитываем
приращение времени на каждом участке по формуле (30):
∆ti, = 0,206 · 
= 0,04 с.
5) Определяем
время пуска компрессора tп
(с дросселем)
tп =
0,24 ≈ 0,25 с.
6) По
расчётным данным строим характеристику ω
= f (tп)
рис. 13.
Рис. 13 Пусковая диаграмма с применением
дросселя
3.
Расчёт механических характеристик электропривода
3.1 Диаграмма
нагрузки
Привод компрессора всегда сопровождается
наличием статического момента, который изменяется по гармоническому закону. [3]
При изменении статического момента по закону;
1) Мс
= Mo + MсA
· SIN · v · t (36)
выражение для момента двигателя будет выглядеть
так;
2) М = Мср + 
· SIN(v · t - arctg · v ·
B),
где Мcр.
=
Mо;
v
- скорость поступательного движения;
В - электромеханическая постоянная;
Определив момент сопротивления механизма Мс,
приравниваем значение среднего момента к моменту холостого хода, то есть Мср.
= Мо.
Зная скорость поступательного движения v
можно определить угол поворота рабочего вала (кривошипа) δ
по формуле:
3) δ
= v
· t,
(37)
где t
- текущая координата времени;
4) Дале
определяем величину равную отношению амплитудного статического момента и
среднего момента χ.
χ = МсА/
Мср,
Находим эквивалентный момент Мэ. по
формуле:
Мэ = Мср · 
; (38)
Определив такие параметры как χ и отношение
моментов Мэ / Мср. По графику Мэ / Мср
= f (v · B)
представленному на рисунке 14а, видим, как изменяются эквивалентный и средний
момент в зависимости от электромеханической постоянной, при синусоидальной
нагрузке эквивалентный момент двигателя всегда значительно меньше, чем при
пиковой нагрузке с прямоугольным характером пика. С увеличением отношения
эквивалентного и среднего моментов снижается электромеханическая постоянная и
наоборот.
5) Задаёмся
величиной r - радиусом
кривошипа.
Радиус кривошипа r
= 10 (см) = 0,1 (м).
6) Определим
скорость поступательного движения кривошипа ʋ
по
формуле:
ωном.=
ωном.
· r, (39)
где ωном.
- номинальная угловая скорость вращения электродвигателя (рад/с),
ωном.=101,53
· 0,1 = 10,2 (м/с)
7) Находим
величину В - электромеханическая постоянная по формуле:
В = 
·Мкр.дв. (40)
В = 
· 13 72 = 0,027 (Нм).
В дальнейшем определяем величину равную
отношению амплитудного статического момента и среднего момента χ
по формуле:
χ = 2 · 
(41)
χ = 2 · 
= 2,00
Рассчитав 
· В - произведение скорости
движения кривошипа и электромеханической постоянной и χ - отношение
амплитудного статического момента и среднего момента.
Затем строим кривую зависимости
максимальных значений момента двигателя от электромеханической постоянной, то
есть λм = f (ʋ · B) смотри
(рис. 14б).
Примем что Мс а » Мср,
тогда эквивалентный момент равен:
Мэ = 
,(42)
где Мд.А. - амплитудное
значение момента двигателя.
Мд.А.=
Мкр. = 801,72 (Нм),
Мэ. = 801,72/ 
= 566,9 (Нм).
8) Определяем
необходимую перегрузочную способность двигателя λм,
работающего с нагрузкой, изменяющейся по синусоидальному закону.
λм =
Мmax/Мном.
(43)
Для этого предположим, что двигатель по нагреву
используется полностью, то есть что Мэ. = Мном.= 566,9
(Нм).
Таким образом максимальное значение двигателя Мmax
будет
найдено по формуле (44) согласно Мср. = Мо = 182,7 (Нм).
Мmax
= Мср. + Мд.А.,(44)
Подставляя значения получаем:
Мmax
= 182,7 + 801,72 = 985 (Нм);
Перегрузочная способность равна λм:
λм = 985/566,9 =
1,73 (не должна превосходить 
), так как λм = 
;
Анализируя этот расчёт можно
сказать, что перегрузочная способность двигателя не превосходит 
, значит для такого режима проверка
на перегрузку имеющих нормально λм ≤ 2, не
требуется.[3]
Рис. 14.
а. Кривые зависимости эквивалентного
и среднего моментов от электромеханической постоянной;
б. Кривые зависимости максимальных
значений момента двигателя от электромеханической постоянной.
График зависимости максимальных
значений момента двигателя от электромеханической постоянной, то есть λ = f (ʋ · B),
показывает какую кратность (перегрузочную способность) двигателя необходимо
приложить, чтобы преодолеть динамические нагрузки компрессора.
Возвратно - поступательное движение
рабочего органа механизмов приводит к появлению периодической пульсирующей
нагрузки на валу электродвигателя, а изменение запаса кинетической энергии
рабочего органа - к переменному моменту инерции механической части
электропривода.
Осуществить выравнивание
компрессорной нагрузки можно с помощью двух способов. Если приводимый механизм
содержит несколько кривошипношатунных устройств (многоцилиндровый компрессор),
то их рабочий процесс разносится по фазе. Одним из вариантов выравнивания
компрессорной нагрузки является существенное завышение установленной мощности
электродвигателя (невыгодный способ). Другим способом является навеска
дополнительных маховых масс-маховиков (более рациональный вариант). В таких
электроприводах преодоление пика нагрузки осуществляется за счет кинетической
энергии маховика, которая высвобождается в момент пика нагрузки при снижении
скорости электропривода. Данную задачу можно рассматривать как
квазиустановившуюся, поскольку вполне можно допустить постоянство среднего
значения момента сопротивления.
При рассмотрении маховиковых
электроприводов можно сделать допущение о постоянстве суммарного приведённого
момента инерции системы и переменной составляющей момента инерции можно
пренебречь.
Исходной информацией для
исследования квазиустановившихся процессов нагружения механизмов с
кривошипно-шатунными устройствами являются нагрузочные и инерционные
характеристики смотри рис. 15.
Синусоидальная эквивалентная
нагрузочная характеристика рис. 16 используется при анализе механизмов с
несколькими устройствами с фазовым разнесением процессов.
Нагрузочная характеристика должна
быть эквивалентна реальной нагрузочной характеристике по энергетике и динамике.
Если выполнить условие равенства периодов нагрузочных характеристик, пиковых
моментов, и моментов холостого хода, то отклонение расчётной нагрузочной
характеристики электродвигателя от реальной может быть признано допустимым.
Следствием этих условий является равенство средних моментов. [8]
Рис. 16. Эквивалентная нагрузочная диаграмма
3.2 Расчет механической
характеристики
Расчёт естественной механической характеристики
электродвигателя начинаем с определения:
1) Номинальной
угловой скорости вращения по формуле:
ωном. дв. =

= 101,53 (рад/с);
(1)
2) Номинального
момента двигателя по формуле:
Мном. дв. = 
364,4 (Нм); (2)
3) Определяем
пусковой момент двигателя Мп.дв. по формуле:
Мп.дв. = 1,2 ∙
364,4 = 437,3 (Нм). (3)
4) Определяем
пусковой ток двигателя по формуле: где Iном
=
91(А). (4)
Iп =
(5:7) ∙ 91 = 480 (А);
д)Определяем номинальное скольжение по формуле:
где ω˳ - синхронная
скорость об/мин.
ω˳ = 1000 (об/мин). Sном = 
= 0,03 (5)
Для расчёта воспользуемся формулой Клосса:
Мп = 
, (25)
где Мк - кратность
максимального момента электродвигателя.
Мк = 2,2;
s -
скольжение (текущая координата);
ɛ - угловое ускорение;
U ∙ с
min = 0.9 -
минимальное напряжение сети в относительных единицах;
Мп = 
= 1,2 - кратность пускового
момента;
S п = 1 -
скольжение при пуске электродвигателя;
Мк = 
= 2.2 - кратность максимального
(критического) момента электродвигателя.
Подставив Мп,Мк,
Sп в формулу
25, имеем :
,2 = 
; (26)
Выразим (ɛ), из
уравнения (26):
,4 · (1 + ɛ) = 
1,2 · 
+ 2,4 · ɛ;
,4 + 4,4ɛ - 
- 1,2 · 
- 2,4 · ɛ = 0;
Выразив (ɛ), получим:
ɛ = 
+ 0,6 · 
- 2,2;
). λн = 
;
λн = 1 - кратность
номинального момента;
Подставив Sн, λн в формулу
Клосса (25) получим :
= 
= 
; (27)
Выразим (ɛ) из
уравнения 27:
.4 = (1+ ɛ) = 
;
,4 · ɛ = 
- 4,4;
Выразив (ɛ) получим:
ɛ = 
+ 13,88 · 
- 1,83; (28)
Приравняем правые части уравнений,
получим:

+ 0,6 · 
- 2,2 = 
+ 13,88 ·
- 1,83
Приравняем правую часть уравнения к
нулю, получим:

- 13,28 · Sk - 0,37 = 0;
Преобразуем это уравнение, умножив
левую часть на Sк, получим
квадратное уравнение :
,28 · SK2 +
1.37· Sк - 0,587 =
0;
Решая данное уравнение, получим[15,
23]:
D = b2 - 4· а· с =
0,372 + 4 · 13,28 · 0,587 = 31,32
SK = 
= 
= 0,196;
Подставив Sк = 0,196 в
формулу (28), получим ɛ =0,953;
Для того чтобы удостоверится в
правильности найденных значений, сделаем проверку подставив ɛ = 0,953 и SK = 0,196 в
формулы (25) и (27),получим:
1) λн = 
; 2) Мп = 
;
≈ 
≈ 1,002; 1,2 ≈ 
≈ 1,195;
Расчёт выполнен верно.[15, 16, 28]
Подставляя найденные ɛ и SK в формулу
(27) и задаваясь различными значениями скольжения, построим механическую
характеристику двигателя (рис. 17). Данные расчётов сведены в таблицу 3.2.1
Данные для построения естественной
механической характеристики асинхронного двигателя.
Таблица 3.2.1.
|
S
|
0
|
0,01
|
0,0125
|
0,03
|
0,196
|
0,2
|
0,5
|
0,7
|
0,9
|
1
|
|
M, (Hм)
|
0
|
142,12
|
174,92
|
364,42
|
801,72
|
801,36
|
645,02
|
543,71
|
466,45
|
433,6
|
104,7
|
103,6
|
103,3
|
101,55
|
84,17
|
83,76
|
52,35
|
31,41
|
10,47
|
0
|
Рис. 17. Естественная механическая
характеристика
3.3 Расчёт
энергетических показателей
а) Определение коэффициента полезного действия
электродвигателя (с дросселем).
) Определим коэффициент полезного действия
электродвигателя ц по формуле:
Ƞ = 
, (45)
где Р₁| -
подводимая к двигателю электрическая мощность.
Р₁ = 37000 (Вт), Р2 -
полезная мощность.
Коэффициент полезного действия
электродвигателя Ƞ (без
дросселя) был равен: Ƞ = 0,85 %
По характеристике изображенной на
рис. 18 (отношение токов ротора в зависимости от напряжения при работе с
номинальной частотой и номинальной нагрузкой), определяем кратность напряжения
Кu по формуле:
Кu = 
, (46)
где U
- напряжение электродвигателя при включенном дросселе.
U =176 (В);
Uном
- фазное напряжение двигателя.
Uном =
220 (В);
Кu = 176/220 = 0,8
Далее по этой же графической зависимости
определяем отношение токов ротора, то есть I2ʼ
/ I2ʼн,
согласно кратности максимального момента двигателя.
I2ʼ
/ I2ʼн.
= 1,4
) Находим полезную мощность электродвигателя Р2
(без дросселя) по формуле:
P2
= Pi· Ƞ,
(47)
Р2 = 37000 · 0,85 = 31450 (Вт) =
31,45 (кВт).
) Находим полезную мощность электродвигателя Р2
(с дросселем при пониженном напряжении) по формуле:
Р2ʼ
= Р2
· I2ʼ/ I2ʼн.,(48)
Р2’
= 31,45 · 1,4 = 44,03 (кВт)
3) Определяем кратность напряжения Кu
по формуле:
Кu = 0,85
4) Определяем ток холостого хода двигателя Iон.дв.
по формуле:
Iон.дв.
= 0,3 ÷ 0,4(Iном.)
(49)
Iон.дв.
= (27,3 ÷ 36,4) (А)
Рис. 19. Отношение токов статора в зависимости
от напряжения при номинальной частоте и номинальном напряжении при кратности
максимального момента
Находим кратность тока холостого хода к
номинальному току двигателя по формуле:
К = Iон.дв.
/ Iон.дв.
(50)
К = 27,4/91 = 0,3
5) Но характеристике рис. 19 (отношение токов
статора в зависимости от напряжения при работе с номинальной частотой и
номинальной нагрузкой при кратности максимального момента) определяем кратность
тока статора I1/
I1
I1
/ I1н.
= 1,5
6) Определяем полную мощность электродвигателя
(с дросселем) Р1ʼ по формуле:
Р1ʼ
= Р1
· I1 / I1н.(51)
Р1ʼ
= 37000 · 1,5 = 55500 (Вт)
= 55,5 (кВт).
7) Определяем коэффициент полезного действия Ƞ
(при пониженном напряжении с дросселем) по формуле:
Ƞ = Р2ʼ
/ Р1ʼ ,(52), Ƞ
= 44030/ 55500 = 0,8
) Произведём расчёт характеристики Ƞ
=
f (Q)
(рис. 21б) поршневого компрессора но формуле:
Ƞ = 
,(52.1)
где Q
- производительность компрессора (м3/ мин).
Q = 5,3 (м3/
мин).
Qтeop.
-
теоретическое значение производительности.
Зная коэффициент полезного действия компрессора Ƞ
= 0,85, определяем по формуле 52.1 Qтeop.
Qтeop.
=
Q/ Ƞ
,
Qтeop.
=
5,3 / 0,85 = 6,2 (м3/ мин).
Задаваясь различными значениями Q
подставляя в формулу 52.1 определяем значения л и строим зависимость Ƞ
= f (Q),
при Qтeop.
=
const, которая
изображена на рис.21б.
Расчётные данные сводим в таблицу 3.3.1.
Таблица 3.3.1.
Данные для построения характеристики Ƞ
= f (Q).
|
Ƞ
|
-
|
0,16
|
0,32
|
0,48
|
0,65
|
0,81
|
0,85
|
|
Q
|
м3/мин
|
1
|
2
|
3
|
4
|
5
|
5,3
|
Рис. 20. Изменение реактивной мощности при
номинальной частоте, в зависимости от напряжения (кривые 1, 3, 5); и при
номинальном напряжении в зависимости от частоты (кривая 4); кривая 5 - полная
реактивная мощность
Из полученных данных можно сказать, что
коэффициент полезного действия Ƞснизился
на 0,05. Это связано с тем, что увеличились потери в роторной цепи, а также
снизилась жёсткость характеристики и она стала более мягкой по отношению к
естественной.
б) Определяем коэффициент мощности
электродвигателя cos
φ (с применением
дросселя).
cos
φ =
Р/ S,(53)
где Р - активная мощность кВт,
S - полная мощность
кВа,
По формуле 46 определяем кратность напряжения Кu:
1) Кu
= 176/ 220 = 0,8
2) По
графику изменения реактивной мощности при номинальной частоте в зависимости от
напряжения рис.20 кривые 1, 3, 5 и при номинальном напряжении в зависимости от
частоты (кривые 2, 4, 6) определяем кратность реактивной мощности Qкр.
(при
пониженном напряжении с дросселем) согласно Кu = 0,8:
Qкр. -
1,2;
3) Находим
полную мощность Sном.
(при
номинальном напряжении с дросселем) по формуле 53:
Sном. =
Р/ cos φ;
Sном.
= 37/ 0,73 = 50,7(кВа);
4) При
номинальном напряжении найдем реактивную мощность по формуле:
Q ном. = 
;(54)
Q ном. = 
= 34,7 (кВар)
Подставив Q
ном. в формулу 55 определим реактивную
мощность электродвигателя (с дросселем) Q
Q = Q
кр. · Q
ном. ,(55)
Q = 1,2 · 34,7 =
41,64 (кВар).
5) Определяем
sin φ
(отношение
реактивной мощности к полной мощности) по формуле:
sin
φ = Q
/ Sном
;(56)
sin
φ = 41,64 / 50,7 =
0,82;
6) Определяем
коэффициент мощности cos(p
электродвигателя (с дросселем) по формуле:
cos φ
=

;(57) φ
=

= 0,57
Задаваясь различными значениями
производительности Q подставляя в формулу определяем
значения мощности компрессора Р и строим зависимость Р = f (Q), при
давлении р = 7атм.= const, которая изображена на рисунке 21а.
Р = Q
· P (58)
Расчётные данные сводим в таблицу 3.3.2.
Таблица 3.3.2.
Данные для построения характеристики Ƞ
= f (Q).
Таблица 3.3.2.
|
Q
|
м3/мин
|
0
|
1
|
2
|
3
|
4
|
5
|
|
Р
|
кВт
|
0
|
7
|
14
|
21
|
28
|
35
|
Выводы: из расчётов видно, что коэффициент
мощности электродвигателя снизился на 0,16 из-за того, что в цепь статора
электродвигателя на момент пуска ввели дроссель, тем самым увеличилась
реактивная мощность.[7,20]
4.
Электрические аппараты и электроснабжение
.1 Выбор
электрических аппаратов
По основным данным делаем расчёт и правильный
выбор электрических аппаратов.
а)Iп.дв.
=
480 (А); Iном.дв =
91 (А);
Выбираем трёхполюсный автоматический выключатель
с электромагнитным расцепителем.
IЭ
≥ 1,2*Iп.дв.,
где Iэ
- ток уставки электромагнитного расцепителя.
Э ≥
1,2 · 480 = 576 (А)
Из справочных данных в соответствии с ПУЭ выбираем
автоматический выключатель серии А3710Б. Номинальный ток Iном.
= 160 (А); напряжение U
= 380 (В); ток уставки электромагнитного расцепителя I
Э
= 600 (А); время отключения tоткл.
=0,03 (с); габаритные размеры: 225×500×190 (мм).
б) Выбираем контактор переменного тока.
Серии КТ 6000; напряжение U
= 380 (В); номинальный ток Iном.
= 100 (А); число полюсов - 3; допустимая частота включений 1/час = 1200.
Дополнительные сведения: для тяжёлых режимов работы.
в) Из табличных значений выбираем четырёхжильный
кабель с резиновой и поливинилхлоридной изоляцией с алюминиевыми жилами марки
АВВГ - П пониженной горючести с заполнением. Сечение токопроводящей жилы
составляет 70 (мм2); I
= 140 (А).
г) Выбираем тепловое реле (количество - 2шт.)
серии РТТ - 311;.Номинальный ток Iном.=
125 (A); уст.Iн
=
106,2... 143,7 (А);
д) Выбираем кнопочную станцию типа ПКЕ - 222 -
2УЗ.
е) Среди выбранных электрических аппаратов
асинхронный двигатель остаётся тот же самый.
ж) Выбираем реле времени типа РВ - 200
предназначено для переключения нагрузки с регулируемой задержкой времени. Время
задержки составляет 0,24 с. Количество внутр. реле / ток контакта, А 1 - 5 ;
масса, кг - 0,1 ; габаритные размеры 17×90×58. [7]
Основные
параметры электрических аппаратов приведены в нижеуказанных таблицах.[4.1.1. -
4.1.6.]
Таблица 4.1.1.
Основные параметры автоматического выключателя.
|
Тип
|
Ток
уставки, А
|
Время
отключения, с (tоткл.)
|
Номинальное
напряжение Uном, В
|
Ток
номинальный, А
|
Габаритные
размеры, мм
|
Число
полюсов
|
|
А3710Б
|
600
|
0,03
|
380
|
160
|
225×500×190
|
3
|
Таблица 4.1.2.
Основные параметры контактора.
|
Тип
|
Номинальное
напряжение Uном, В
|
Ток
номинальный, А
|
Число
полюсов
|
Допустимая
частота включения 1/час
|
|
КТ
6000
|
440
|
100
|
3
|
1200
|
Таблица 4.1.3.
Основные параметры теплового реле.
|
Тип
|
Ток
уставки
|
Ток
номинальный, А
|
|
РТТ-311
|
106,2..143,7
|
125
|
Таблица 4.1.4.
Основные параметры кнопочной станции.
|
Тип
|
Номинальное
напряжение Uном, В
|
|
ПКЕ-222-2УЗ
|
400
|
Таблица 4.1.5.
Основные параметры дросселя.
|
Ток
номинальный, А
|
Номинальное
напряжение Uном, В
|
Индуктивность
катушки L,
Гн
|
Индуктивное
сопротивление X, Ом
|
число
витков ω катущки
|
|
100
|
380
|
0,0003
|
0,09
|
11
|
Основные параметры реле времени. Таблица 4.1.6.
|
Тип
|
Время
отключения
|
Ток
номинальный, А
|
Номинальное
напряжение Uном, В
|
Габаритные
размеры
|
|
PB-200
|
0,24
|
1-5
|
220
|
17×
90×58
|
4.2 Электроснабжение
Основными задачами сельского электроснабжения
являются - обеспечение требуемых качеств электроэнергии, надёжности и
экономичности электроснабжения.
Изменение частоты в пределах нескольких
процентов номинальной в основном влияет на работу асинхронных двигателей. При
снижении частоты тока соответственно уменьшается частота вращения
электродвигателей, несколько увеличиваются ток, максимальный момент и нагрев
двигателя, а при увеличении частоты - наоборот.
Электроэнергия от генерирующей станции на
напряжение 110 кВ передаётся по линии электропередач (ЛЭП) на главную
понизительную подстанцию (ГПП) комплекса “Детскосельский”, на которой
напряжение снижается до 10 - 35 кВ. От распределительного устройства (ГПП) это
напряжение по кабельной ЛЭП (фидерам) передаётся к трансформаторным подстанциям
ТП, расположенным в непосредственной близости от электропотребителей. На
трансформаторных подстанциях величина напряжения снижается до 0,4 кВ и по
воздушной или кабельной линиям поступает непосредственно к потребителю
электроэнергии (животноводческие фермы, производственные помещения и объекты).
Линии электропередач имеют четвёртый (нулевой) провод, позволяющий получить
фазное напряжение 220В, а также обеспечивать защиту электроустановок.
Схема электроснабжения относится ко второй
категории по надежности обеспечения электроэнергией. Электроприёмники второй
категории должны обеспечиваться электроэнергией от двух источников питания. При
нарушении электроснабжения от одного из них допустимы перерывы в
электроснабжении на время, необходимое для включения резервного питания
дежурным персоналом или выездной оперативной бригадой. Допускается питание
электроприёмников второй категории по одной линии и от одного трансформатора,
если обеспечена возможность проведения аварийного ремонта линии или замена
повредившегося трансформатора за время не более одних суток.[2, 7]
5. Безопасность и
экология
5.1 Анализ условий и безопасности
труда на проектируемом объекте, обоснование путей профилактики травматизма
Охрана труда осуществляется в соответствии с
положением о работе по охране труда на предприятиях, организациях и учреждениях
[1].
Микроклимат в производственном помещении и на
рабочем месте оказывает существенное влияние на самочувствие работающего.
На данном объекте фактическое состояние условий
труда на рабочем месте приведено в таблице 6.1.
Таблица 6.1.
Фактическое состояние условий труда на рабочих
местах
|
Показатель
|
Нормируемое
|
Фактическое
|
|
значение
|
значение
|
|
Категория
работ
|
средней
тяжести
|
средней
тяжести
|
|
Температура,
°С
|
18…20
|
10
|
|
Относительная
влажность, %
|
60...40
|
80
|
|
Скорость
движения воздуха, м/с
|
0,2
|
0,2
|
|
Освещённость,
лк
|
100
|
100
|
|
Уровень
звукового давления при частоте 1000 Гц, дБ
|
80
|
83
|
Данные таблицы свидетельствуют о неблагоприятных
условиях. Температура окружающего воздуха ниже нормы. А влажность - выше.
Уровень звукового давления также превышает норму. Это все приводит к снижению
производительности труда и повышению уровня травматизма на рабочих местах.
Категории работ производимые на объекте
персоналом приведена в табл. 6.2.
Таблица 6.2
Категории работ производимые на объекте штатным
персоналом
|
Показатели
|
Фактические
значения
|
|
Физическая
динамическая нагрузка (кг м): региональная - перемещение груза до 1 м общая
нагрузка: перемещение груза - от 1 до 5 м - более 5 м
|
3520
|
|
Масса
поднимаемого и перемещаемого вручную груза (кг): при чередовании с другой
работой постоянно в течение смены суммарная масса за каждый час смены: - с
рабочей поверхности - с пола
|
0,8
550
|
|
Стереотипные
рабочие движения (кол-во)
|
|
|
локальная
нагрузка
|
|
|
региональная
нагрузка
|
21000
|
|
Статическая
нагрузка (кгс х с): одной рукой двумя руками с участием мышц корпуса и ног
|
6600
13200
|
|
Рабочая
поза
|
стоя
до 80%
|
|
Наклоны
корпуса (количество за смену)
|
200
|
|
Перемещение
в пространстве (км) по горизонтали по вертикали
|
1,5
|
Из таблицы видно, что по показателям тяжести
трудового процесса дежурного персонала компрессорной станции относится к
категории тяжести труда 2а.
Должностные обязанности инженера по охране
труда. Осуществляет контроль за соблюдением в подразделениях предприятия
законодательных и иных нормативных правовых актов по охране труда, за
предоставлением работникам установленных льгот и компенсаций по условиям труда.
Изучает условия труда на рабочих местах, подготавливает и вносит предложения о
разработке и внедрении более совершенных конструкций оградительной техники,
предохранительных и блокировочных устройств, других средств защиты от
воздействия опасных и вредных производственных факторов. Участвует в проведении
проверок, обследований технического состояния зданий, сооружений, оборудования,
машин и механизмов, эффективности работы вентиляционных систем, состояния
санитарно-технических устройств, санитарно-бытовых помещений, средств
коллективной и индивидуальной защиты работников, определении их соответствия
требованиям нормативных правовых актов по охране труда и при выявлении
нарушений, которые создают угрозу жизни и здоровью работников или могут
привести к аварии, принимает меры по прекращению эксплуатации машин,
оборудования и производства работ в цехах, на участках, на работах местах.
Совместно с другими подразделениями предприятия проводит работу по аттестации и
сертификации рабочих мест и производственного оборудования на соответствие
требованиям охраны труда. Участвует в разработке мероприятий по предупреждению
профессиональных заболеваний и несчастных случаев на производстве, по улучшению
условий труда и доведению их до требований нормативных правовых актов по охране
труда, а также оказывает организационную помощь по выполнению разработанных
мероприятий. Контролирует своевременность проведения соответствующими службами
необходимых испытаний и технических освидетельствований состояния оборудования,
машин и механизмов, соблюдение графиков замеров параметров опасных и вредных
производственных факторов, выполнение предписаний органов государственного
надзора и контроля за соблюдением действующих норм, правил и инструкций по
охране труда, стандартов безопасности труда в процессе производства, а также в
проектах новых и реконструируемых производственных объектов, участвует в
приемке их в эксплуатацию. Участвует в рассмотрении вопроса о возмещении
работодателем вреда, причиненного работникам увечьем, профессиональным
заболеванием или другим повреждением здоровья, связанными с выполнением ими
трудовых обязанностей. Проводит вводные инструктажи по охране труда со всеми
вновь принимаемыми на работу, командированными, учащимися и студентами,
прибывшими на производственное обучение или практику.
Периодичность проведения инструктажей приведены
в таблице 6.3.
Таблица 6.3.
Периодичность проведения инструктажей
|
Вид
инструктажа
|
Должность
инструктирующего
|
Регистрация
|
|
Вводный
инструктаж
|
Инженер
по Охране Труда
|
В
личной карточке; в заявление по приёме на работу; в журнале вводных
инструктажей.
|
|
Внеплановый
инструктаж
|
Инженер
по Охране Труда
|
Журнал
первичных инструктажей, журнал внеплановых инструктажей
|
|
Целевой
инструктаж
|
Производитель
работ
|
В
наряде, или в журнале нарядов допусков
|
Из таблицы 6.3. видно, что на компрессорной станции
проводятся данные виды инструктажей в соответствии с требованиями стандарта. На
данном объекте проводятся все необходимые мероприятия по охране труда.
Кроме этого инженер по ОТ осуществляет контроль
за организацией хранения, выдачи, стирки, сушки одежды, специальной обуви и
других средств индивидуальной защиты, состоянием предохранительных
приспособлений и защитных устройств, а также правильным расходованием в
подразделениях предприятия средств, выделенных на выполнение мероприятий по
охране труда. Составляет отчетность по охране труда по установленным формам и в
соответствующие сроки.
Эксплуатируемое электрооборудование
соответствует требованиям ПУЭ, ПТЭ и ПТБ электроустановок потребителей.
Своевременно проводятся осмотры, испытания электрооборудования; проверяется
обеспеченность элекгрозащитньтми средствами, их укомплектованность, содержание
и профилактические испытания этих средств.
Техническое обслуживание, а также текущий ремонт
электрооборудования проводится в соответствии с системой планового - предупредительного
ремонта (ППРс.х).
5.2 Организационно - технические
мероприятия по обеспечению безопасного производства работ в электроустановках
Согласно ПТБ, «Организационные мероприятия,
обеспечивающие безопасность работ» следует обеспечивать следующие
организационные мероприятия:
· оформление работы нарядом-допуском,
распоряжением или перечнем работ, выполняемых в порядке текущей эксплуатации;
· допуск к работе;
· оформление перерыва в работе,
переводов на другое рабочее место, окончание работы.
Для работы со снятым напряжением выполняются
следующие мероприятия:
· производим необходимые отключения и принимаем
меры, препятствующие подаче напряжения на место работы, вследствие ошибочного
или самопроизвольного включения коммутирующей аппаратуры.
· на приводах ручного и ключах
дистанционного управления коммутационной аппаратурой вывешиваем запрещающие
плакаты «Не включать - работают люди», «Не включать - работа на линии».
· проверяем отсутствие напряжения на
токоведущих частях, которые должны быть заземлены для защиты людей от поражения
электрическим током. Замеры напряжения осуществляем указателем напряжения либо
вольтметром.
· налагаем заземление в следующем
порядке: сначала заземляющий провод присоединяем к системе заземления, затем
закорачиваем проводники - к каждой фазе электроустановки.
· вывешиваем предупреждающие и
предписывающие плакаты, ограждаем при необходимости рабочие места и оставшиеся
под напряжением токоведущие части. Вывешиваем плакаты: «Работать здесь»,
«Заземлено», «Стой - напряжение».
5.3 Инженерно - технические решения.
Заземление
Для обеспечения безопасности персонала
необходимо чёткое соблюдение техники безопасности на рабочем месте, а также,
при проектировании установки, предусмотреть ряд защитных мер для предотвращения
поражения электрическим током. Для защиты от пробоя изоляции на корпус в
электроустановках с напряжением переменного тока 380В и выше необходимо
выполнять заземление токоведущих частей.
Каждый заземляемый элемент электроустановки
присоединяется к заземлителю посредством отдельного ответвления.
Последовательное включение в заземляющий провод нескольких заземляемых частей
электроустановки запрещается. Для эффективной защиты электроустановки при
удельном сопротивлении грунта до 100 Ом, сопротивление заземлителя не должно превышать
30 Ом [5].
Рассчитаем сопротивление заземлителя при
следующих исходных данных:
одиночный вертикальный заземлитель выполнен из
угловой стали (равносторонний уголок 50×50×5мм,
длинной L = 2,5м), t
= 0,7 м, h = 1,6 м, р₁
= 1800мм, р2, = 800м·м. [6]. Заземлитель соединён с заземляющим
устройством стальной полосой (40 × 4 мм,
длиной 1 = 5 м).
Рис. 22. Одиночный вертикальный заземлитель в
двухслойном грунте.
Сопротивление вертикального заземлителя,
выполненного из угловой стали, определяется по формуле 5.1,
Rв = 
· ( 1n 
+ 0,5 1n 
) ·KCEЗ.., (6.1)
где, 𝜌э
-
эквивалентное удельное электрическое сопротивление грунта. Ом м,
b
- ширина полки уголка, м.
KCEЗ.
- коэффициент
сезонности, учитывает промерзание и увлажнение грунта, в нашей зоне, для
вертикального заземлителя равен 1,8[5]
tв. = 
+ t.,
Эквивалентное электрическое
сопротивление земли 𝜌э
рассчитывается по формуле 6.2,
𝜌э = 
., (6.2)
где, L,
h - размеры
указанные в соответствие с рисунком 22,
t₁ = 0,7 + 
L = 0,7 + 0,5 ·
2,5 = 1,95 м.,
𝜌э =
= 36,З6
Ом·м.,
По формуле 6.1. имеем,
RВ = 
· ( 1n 
+ 0,51n 
) · 1,8 = 40,6 Ом.,
tв. = 
+ t. = 
+ 0,7 = 3,2 м
Определим число вертикальных заземлите лей, по
формуле 6.3,
Nв. = 
., (6.3)
где, RH. -
нормируемое сопротивление, 30 Ом. [6]

- коэффициент использования
вертикальных электродов, размещённых в ряд, 0,7, таблица 8.2 [1].
В соответствии с формулой 6.3,
Nв. = 
= 1,93 шт.
Принимаем число вертикальных
электродов 2.
Сопротивление горизонтального
заземлителя, выполненного из полосовой стали, определяется по формуле 6.4,
Rr = 
1n 
· KСЕЗ.., (6.4)
где, а - ширина стальной
полоски, 4 см;
L - длинна
стальной полоски, в соответствие с планом компрессорной станции 5 м.
KСЕЗ..
-коэффициент сезонности, в нашей зоне для горизонтальной, протяженной полосы
равен 4,5[6].
По формуле 6.4 имеем,
Rr = 
1n 
· 4,5 = 293,9 Ом
Уточняем число вертикальных
электродов с учётом сопротивления горизонтальной полосы, по формуле 6.5,
N = 
· (
- 
).
где, ηr. -
коэффициент использования соединительной полосы в ряду, 0,8 таблица 8.8 [2]
N = 
· (
- 
) = 1,77 шт
В соответствие с формулой 6.5 принимаем два
вертикальных электрода. Общее сопротивление горизонтального и вертикального
заземлителей, определяется по формуле 6.6,
Rобщ. = 
= 
= 26,87 Ом
Если 𝜌э. больше 100
Ом·м, то Rобщ. должно быть
равно 0,3 ·𝜌э.,но не более
десятикратного значения допустимой величины Rдоп. = 30 Ом.
5.4 Противопожарная профилактика при
эксплуатации электроустановок
Помещение компрессорной станции относят к
категории В - пожароопасные производства. По степени пожароопасности относится
к классу П-Па.
Для систем вентиляции и отопления обеспечения
надежности работы вся аппаратура управления находится в электрощитовой,
пожарный щит оборудован: пенным огнетушителем огнетушитель ОП-5 или ОУ-2-1 1шт;
багром - 1шт; топорами - 2 шт; лопатой - 1 шт; ведрами- 2 шт.
Здесь же находится ящик с песком и приставная
лестница. В случае пожара внутри помещения используем для тушения и внутренний
водопровод. Пожарный инвентарь размещается на видных местах и имеет свободный
доступ. Кроме этого существуют свободные подъезды для машин пожарных расчётов,
в случае возникновения пожарной ситуации.
Запрещается пользоваться пенными огнетушителями
для тушения загоревшихся электропроводов электрооборудования, находящегося под
напряжением. В данном случае тушение пожара может производиться только после
обесточивания электроустановки.
Оповещение о пожаре на данном объекте
осуществляется с помощью телефона.
При невозможности отключения тока пользоваться
для тушения можно только сухим песком или углекислотными огнетушителями.
5.5 Экология
Загрязнение водных объектов. Под загрязнением
водных объектов понимают такое его состояние в официально установленном месте
использования воды, при котором наблюдаются отклонения от норм при увеличении
нормируемых вредных компонентов. Основное нормативное требование качества - это
соблюдение ПДК (предельно - допустимая концентрация).
Предельно - допустимая концентрация для водного
объекта, такая концентрация, при увеличении которой вода становится непригодной
для одного или нескольких видов водопользования. Значение ПДК pH кислотно -
щелочного баланса равно 7 мл/л; ПДК хлора равно 1,2мл/л; ПДК угарного газа СО =
7924 мл/м3.
Основным вопросом раздела “загрязнение воды”,
является принятие организационно - технических мер, для наименьшего сброса
загрязняющих веществ во все водные объекты.
Главным и наиболее эффективным являются
современные технологии производства, при котором можно полностью исключить
сброс отходов в сточные воды. Жидкие фазы - заменяют в газовые. Воду заменяют
другими растворителями (охладителями), применяются безводные процессы
полимеризации, например, при производстве каучука (синтетическая резина) раньше
использовали воду для эмульсионной полимеризации.
Актуально на сегодняшний день применение в целях
экономии воды - оборотный цикл.
Большое значение имеет разработка локальных
методов очистки стоков по месту их возникновения. В основе положены различные
химические и физические методы очистки или их сочетание.
Широко используется биохимическая очистка
промышленных стоков, в которых содержится большое количество органических
веществ. Очистка основана на использовании микроорганизмов в процессе их
жизнедеятельности и различных органических и минеральных соединений. Данный
метод эффективен для пищевой промышленности, а также на предприятиях АПК.
Недостатки метода - высокая стоимость и массогабаритные размеры.
Загрязнение почвы
Почва - верхний слой земли, который образуется и
развивается в результате совместного воздействия воздуха и воды, климатических
условий и живых организмов.
Важным свойством почвы является - плодородие, то
есть способность обеспечивать рост и развитие растений.
Очень велико значение леса в охране водных
ресурсов. Нельзя допускать загрязнение почвы с помощью различных жидкостей
содержащих вредные вещества. Для этого существующую систему канализации
дополняют установкой гидрофильтров и отстойников, позволяющих снизить уровень
содержания вредных веществ до допустимых норм.
Все горюче - смазочные материалы и другие
вредные вещества собираются в ёмкости и вывозятся для угилизации. При случайных
разливах этих веществ их собирают при помощи опилок, которые в последствии
также утилизируют.
Загрязнение атмосферы
Для участка компрессорной станции предлагается:
не допускать загрязнения атмосферы, для чего установить в системе местной
вентиляции ценгробежный ротационный пылеуловитель типа ЦРП, а в системе местной
вентиляции установить для электростатической очистки воздушной среды от
масляного аэрозоля в виде двухзонного электрофильтра позволяющего улавливать
туман маслянистых жидкостей.
Шум и вибрация стали одним из загрязнителей
окружающей среды. Шумы высокой интенсивности отрицательно действуют на организм
человека.
5.6 Безопасность в чрезвычайных
ситуациях
В данной дипломной работе проводим оценку
химической обстановки для компрессорной станции сельскохозяйственного
производственного комплекса, “Детскосельский”, при аварии в холодильных
помещениях, так как она является наиболее реальным и опасным источником
химического заражения. На территории холодильного помещения находится
обвалованная ёмкость, содержащая 0,8 тонн хлора. Учтём, что расстояние между
холодильным помещением и компрессорной станции составляет 2 км.
Исходные данные для расчета:
) авария на территории холодильного помещения;
выброс 0,8 тонн хлора; емкость обвалована.
) Расстояние от холодильного помещения до
компрессорной станции - 2 км.
) Открытая местность.
Находим глубину распространения заражённого
воздуха с поражающей концентрацией хлора при скорости ветра 1 м / с по таблице
21 из [1]
· при инверсии Г=6 км
· при изотермии Г~ 1,2 км
· при конвекции Г= 0,3 км
Если скорость ветра больше 1 м / с, то при
определении глубины учитываем поправочные коэффициенты, которые приведены в
табл.1. [1]
Поправочные коэффициенты для учёта влияния
скорости ветра на глубину распространения заражённого воздуха.
Таблица 1.
|
Состояние
приземного Слоя воздуха
|
Скорость
ветра ʋ, м/с.
|
|
1
|
2
|
3
|
4
|
5
|
6
|
7
|
8
|
9
|
10
|
|
Инверсия
|
1
|
0,6
|
0,5
|
0,4
|
-
|
-
|
-
|
-
|
-
|
-
|
|
Изотермня
|
1
|
0,7
|
0,55
|
0,5
|
0,45
|
0,4
|
0,38
|
0,36
|
0,34
|
0,32
|
|
Конвекция
|
1
|
0,7
|
0,62
|
0,55
|
-
|
-
|
-
|
-
|
-
|
-
|
Далее ведём расчёт для инверсии, так как в
остальных случаях (изотермия и конвекция) заражённый воздух с поражающей
концентрацией не доходит до объекта.
Глубина распространения заражённого воздуха при
инверсии в зависимости от ветра будет составлять:
При V=1
м/сГi=6 км
V=2 м/сГ 2=3,6 км
V=3 м/сГз=2,7 км=4
м/сГ4=2,3 км [l]
Далее производим расчёт на примере следующих
случаев:
1. V1
=
1 м/с
2. V2=2m/c
3. V3=3m/c
При V = 4 м/с инверсия наблюдается крайне редко,
так как для этого необходимо, чтобы разность температур на расстоянии 50 см и
200 см от земли была равна ± 1,6 °С [1];
Определяем ширину зоны химического поражения для
инверсии в выше перечисленных случаев по формуле:
Ш=0,03 · Г,[1]
тогда Ш1 = 0,03 Г1=0,03 ·
6 = 0,2 км
Ш2 = 0,03 Г2=0,03 ·3,6 =
0,11 км
Ш3 = 0,03 Г3=0,03 · 2,7 =
0,1 км
Высоту зоны химического поражения определяем по
формуле:
Н = 0,01 · Г1[2}
тогда Н1 = 0,01· Г1 = 0,01
· 6 = 0,06 км
Н2 = 0,01 · Г2 = 0,01 ·
3,6=0,04 км
Н 3= 0,01 · Г3 = 0,01 · 2,7=0,03 км
Определяем площадь зоны химического поражения по
формуле:
S = 
[3]
тогда S1 = 
· Г1 · Ш1 = 
· 6 · 0,2 = 0,6 км²
S2 = 
· Г2 · Ш2 = 
· 3,6 · 0,11 = 0,2 км²
S3 = 
· Г3· Ш3 = 
· 2,7 · 0,08 = 0,1 км²
Определяем время подхода заражённого
воздуха к компрессорной станции, по формуле:
Тподх. = 
[4]
где R-
расстояние до мастерских (R=2
км)
U - средняя скорость
переноса ОЗВ (при V=1 м/с, U=2
м/с; при V=2 м/с, U=4
м/с; при V=3 м/с, U=6
м/с;)
тогда Тподх. 1 = 
= 17 мин;
Тподх. 2 = 
= 8 мин;
Тподх. 3 = 
= 6 мин;
В течение этого времени создаётся угроза
поражения людей в компрессорной станции.
Время испарения хлора из обвалованной ёмкости
при U=1 м/с находим по
таблицам t1=l,3
часа ≈ 78 мин.,; при U2=2
м/с поправочный коэффициент - 0,70 t2
=
1,3 · 0,7 = 0,91 часа ≈ 55 мин.,; при U3
=
3 м/с поправочный коэффициент - 0,55 t3
= 0.55 · 1.3=0,715 часа≈42 мин.
Таким образом, при аварии на территории
холодильных помещений создаётся угроза для жизни и здоровья людей.
Поэтому предусматривается организовать место для
хранения противогазов и других средств индивидуальной защиты, которые позволяют
в чрезвычайной ситуации сохранить жизнь и здоровье людей, работающих на этом
предприятии.
С учётом 5 рабочих объекта и стоимости
противогазов типа ГП - 5 = 800 рублей, затраты составят 4000 рублей. Данные
расходы необходимо предусмотреть в смете в реальное время.
6. Технико-экономическое обоснование
Затраты, связанные с разработкой и внедрением
проекта, складываются из затрат на создание проекта и затрат на модернизацию.
1) Затраты
на создание проекта:
а) затраты труда - 6000 рублей;
б) материальные затраты - 500 рублей;
в) амортизация оборудования - 726 рубля.
Затраты на создание проекта - 7226 рублей.
2) Затраты
на модернизацию:
а) затраты труда - 10000 рублей;
б) материальные затраты - 4000 рублей;
в) амортизация оборудования - не упитывается.
Затраты на модернизацию - 14000 рублей.
Общая сумма затрат равна - 21226 рублей.
Определим экономические показатели до
реконструкции, и после реконструкции.
До реконструкции.
Произведём расчет, учитывая следующее допущения,
срок окупаемости вновь введённого оборудования должен составлять не больше
срока его эксплуатации, допустим по каким либо причинам оборудование будет
эксплуатироваться 7 лет.
Основным критерием экономической
целесообразности проекта является величина приведенных затрат, определяемая по
формуле 6.1,
=(И+Ен.· К)·а.(7.1)
где, И- эксплуатационные издержки, руб.,
К -
капитальные вложения, руб.,
Е -
нормативный коэффициент капитальных вложений, принимается 0,1,
а -
коэффициент дисконтирования, учитывает величину обесценивания денег,
определяется по формуле 7.2,
а = 
. (7.2)
где, Ен. нормативный постоянный
коэффициент, 0,1
t - временные интервалы,
1, 2, 3, 4, 5, 6, 7 лет.
Расчёт начнём с расчёта эксплуатационных
издержек. Величину эксплуатационных издержек определяем по формуле 7.3, как
сумму затрат на техническое обслуживание и технический ремонт, затрат на
амортизационные отчисления и затрат на электрическую энергию.
И = Зто. + За.
+ Зэл.эн. (7.3)
Амортизационные отчисления определяются по
формуле 7.4 в процентах от балансовой стоимости используемого оборудования.
За = Бб · На,
(7.4)
где, Бб - балансовая стоимость
оборудования, руб.
На
- норма амортизационных отчислений, 10%.
Балансовая стоимость оборудования, определяемая
по формуле 7.5,
Бб = Ц · (1 + 
). (7.5)
где, Ц- общая стоимость оборудования,
руб.;
Ннац.
- снабженческо-бытовая наценка, 11%;
Нм. -
наценка на строительно-монтажные и пусконаладочные работы, 18%;
Нд - наценка предприятий на доставку техники,
7%;
Общая стоимость оборудования используемого на
сегодняшний день на компрессорной станции составляет ориентировочно около
150000 руб.
Тогда балансовая стоимость оборудования на
основе формулы 7.5:
Бб = 150000 ·
(1 + 
) = 204000 руб.
Определим амортизационные отчисления на
оборудование электропривода компрессора, согласно формулы 7.4,
ЗА.
= 204000 • 0,1 = 20400руб.
Определим затраты на текущий ремонт и
техническое обслуживание, по формуле 7.6,
Зто. = Бб · Нто.
(7.6)
где, Нто. - нормативные отчисления
на проведение текущего ремонта и технического ремонта, 8 %;
Зто.
=
204000-0,08 = 36320руб.
Затраты на электроэнергию определяются по
формуле 7.7,
Зэл.эн. = W
· Цэл. · Тисп. (7.7)
где, W
- установленная мощность электрооборудования, кВт;
Цэл. - стоимость электроэнергии,
1кВтч;
Тисп. - время использования
оборудования в году, час.
Расход электрической энергии составляет около
40500 кВтч, если учесть, что 1 кВтч стоит около 1,25 рубля, то стоимость
потребляемой энергии составляет 50625 рублей.
Определим сумму годовых эксплуатационных
расходов по формуле 7.3,
И = 16320 + 20400 + 50625 - 87345руб.
Определим в соответствии с формулой 7.2
коэффициент дисконтирования, для первого года, расчет для остальных годов
аналогичен, результат запишем в таблицу 7.1.1.
Таблица 7.1.1.
Приведённые затраты до реконструкции.
|
а
|
0,91
|
0,83
|
0,75
|
0,7
|
0,63
|
0,56
|
0,47
|
|
t, год
|
1
|
2
|
3
|
4
|
5
|
6
|
7
|
|
Зд.р.,
руб.
|
93133,95
|
84946,35
|
76758,75
|
71641,5
|
64477,35
|
57313,2
|
48102,15
|
а = 
= 0,91
Вычислим приведённые затраты по
формуле 7.1,
Зд.р.
= (87345 + 0,1-150000)-0,91 = 93133,95руб.
После реконструкции.
Балансовая стоимость оборудования составит по
формуле 7.5,
Бб = 171226 ·
(1 + 
) = 61641,36 руб.
Амортизационные отчисления по формуле 7.4,
За =
61641,3 · 0,1 = 6164,13 руб.
Затраты на техническое обслуживание и
технический ремонт в год снизились за счет снижения расходов на приобретение
запасных частей (муфт).
Зто.=
16320 - 1200=15120 руб.
Затраты на электроэнергию остаются прежними:
Зэл.эн. =
50625 руб.
Годовые эксплуатационные издержки по формуле
7.3,
И = 6164,13 +15120 + 50625 = 71909,13руб.
Определим приведённые затраты в соответствии с
формулой 7.1, результаты по остальным значениям а запишем в таблицу
7.1.2.
ЗП.Р. = (71909,13 + 0,1-171226)-0,91
= 81018,8 руб.
Таблица 7.1.2.
Приведённые затраты после реконструкции.
|
а
|
0,91
|
0,83
|
0,75
|
0,7
|
0,63
|
0,56
|
0,47
|
|
t, год
|
1
|
2
|
3
|
4
|
5
|
6
|
7
|
|
ЗП.Р.,
руб.
|
81018,8
|
73896,34
|
66773,8
|
62322,21
|
56090
|
49857,77
|
41844,91
|
Годовой экономический эффект от проведённой
реконструкции.
Определим годовой экономический эффект по
формуле 7.8, для значения а = 0,91, результаты для остальных значений а
запишем в таблицу 7.1.3.
Э = ЗдР
- 3П Р.(7.8)
где, ЗдР - затраты до
реконструкции, 93133,95 рублей
3П Р. - затраты
после реконструкции, 81018,8 рублей
Тогда, согласно формулы 7.8,
Э = 93133,95 - 81018,8 = 12115,15руб.
Данные по остальным значениям а запишем в
таблицу 7.1.3.
Таблица 7.1.3.
Расчёт экономического эффекта.
|
а
|
0,91
|
0,83
|
0,75
|
0,7
|
0,63
|
0,56
|
0,47
|
|
t, год
|
1
|
2
|
3
|
4
|
5
|
6
|
7
|
|
Э,
руб.
|
12115,15
|
11050,01
|
9984,95
|
9319,29
|
8387,35
|
7455,43
|
6257,24
|
Определим срок окупаемости по формуле 7.9,
То = 
. (7.9)
где, Ц - общая стоимость оборудования,
171226 рублей
Э - суммарный экономический эффект за 7
лет, полученный на основе формулы 7.8 и таблицы 7.1.3, 64569,42 рублей.
Тогда на основе формулы 7.9 получим,
То = 
= 2,6 года
Выводы
В результате расчетов установлено,
что за 2,6 года капиталовложения 171226 рублей окупятся по сравнению с базовыми
приведенными затратами к капиталовложениями, что является вполне допустимой
нормой.
Заключение
В моей дипломной работе в соответствии с
заданием на дипломное проектирование была произведена реконструкция
электропривода компрессора с целью обеспечения пусковых режимов без чрезмерных
динамических нагрузок. При написании дипломной работы было выполнено:
1) рациональный
выбор плавного пуска электродвигателя, для данных условий компрессорной
станции;
2) рассчитаны
основные параметры дросселя;
3) построена
пусковая диаграмма с применением дросселя;
4) рассмотрены
механические характеристики электродвигателя и приводимого механизма
(компрессора);
5) выбрана
коммутирующая и защитная аппаратура;
6) предложены
меры направленные на экономию затрат на техническое обслуживание и технический
ремонт за счёт снижения расходов на приобретение запасных частей;
7) проработаны
вопросы по технике безопасности и экологии.
Технико-экономический расчёт показал
целесообразность использования на данной компрессорной станции, дроссельный
пуск. Годовой экономический эффект составил 64569,42 рубля. Срок окупаемости
равен 2,6 года.
Список использованной литературы
1. Аграрная
экономика: Учебник 2-е изд., Под ред. Малыша М.Н. - СПб.: Издательство Лань,
2002. - 688 с.
2. Акимов
Н.Н., Ильин В.Г. Гражданская оборона на объектах сельскохозяйственного
производства. - М.: Колос, 1984. - 335 с.
3. Алиев
И.И. Электротехнический справочник. - М.: ИП РадиоСофт, 2002.
- 384
с.
4. Андреев
В.П., Сабинин Ю.А. Основы электропривода. - М., Л.: Госэнергоиздат, 1963. - 722
с.
5. Атаманюк
В. Г. и др. Гражданская оборона. - М.: Высш. шк., 1986. - 207 с.
6. Баранов
А.Ф., Бизюкин Д.Д. Технический справочник железнодорожника.
- М.,
Государственное транспортное железнодорожное издательство,
.-795с.
7. Бессонов
Л.А. Теоретические основы электротехники. - М.: Высшая школа, 1973. - 752с.
8. Будзко
И.А., Зуль Н.М. Электроснабжение сельского хозяйства. - М.. Агропромиздат,
1990. - 496 с.
9. Видякин
Ю.А., Кондратьева Т.Ф. и др. Колебания и вибрации в поршневых компрессорах. -
Л.: Машиностроение, 1972. - 224 с.
10. Епифанов
А.П. Электро-механические преобразователи. - СПб.: Издательство “Лань”, 2004. -
208 с.
11. Епифанов
А.П., Малайчук Л.М., Гущинский А.Г. Электропривод. - СПб.: Издательство “Лань”,
2012. - 400 с.
12. Исследование
и расчёт компрессоров, вакуум-насосов и детандеров. - М.: Машгиз, 1960. - 143
с.
13. Калантаров
П.Л., Цейтлин Л.А. Расчёт индуктивностей. - Л.: Энергия, 1970.-415 с.
14. Коба
В.Г., Брагинец Н.В. и др. Механизация и технология производства продукции животноводства.
- М.: Колос, 2000. - 528 с.
15. Козинский
В.А. Электрическое освещение и облучение. - М.: Агропромиздат, 1990. - 239 с.
16. Козлов
Е.М. Конструирование и расчёт обмоточных приспособлений электрических машин. -
М.: Энергия, 1968. - 176 с.
17. Костенко
М.П., Пиотровский Л.М. Электрические машины. - М., Л.: Энергия, 1965. - 704 с.
18. Москаленко
В.В. Автоматизированный электропривод. - М.;
Энергоатом мздат, 1986. - 416 с.
19. Немцов
М.В., Шамаев Ю.М. Справочник по расчёту параметров катушек индуктивности. - М.:
Энергоиздат, 1981. - 136 с.
20. Николаев
НС., Дмитриева И.М. Гражданская оборона на объектах агропромышленного
комплекса. - М.: ВО “Агропромиздат”, 1990. - 351 с.
21. Охрана
труда. - М.: Агропромиздат, 1988. - 351 с.
22. Пястолов
А.А., Мешков А.А., Вахрамеев АЛ. Монтаж, эксплуатация и ремонт
электрооборудования. - М.: Колос, 1981. - 335 с.
23. Раков
А.А., Виноградов Ю.А. Компрессоры. - М.: Издательство “Машиностроение”, 1965. -
170 с.
24. Раков
А.А., Виноградов Ю.А. Компрессорные установки. -Челябинск: Челябинское книжное
издательство, 1961. - 343 с.
25. Расчёты
режимов электрических цепей с нелинейными элементами. - М.: Наука, 1967. - 103
с.
26. Семидуберский
М.С. Насосы, компрессоры, вентиляторы. - М.: Высшая школа, 1974. - 232 с.
27. Система
плавного пуска - М.: Учебное пособие, 2005. - 30 с.
28. Тарасов
В.М. Воздушные поршневые компрессоры. - М.: Машгиз, 1962. - 158 с.
29. Филиппов
В.В. Процессы впуска н выпуска поршневых компрессоров. - М.: Госгортехиздат,
1960. - 141 с.
30. Черкасский
В.М. Насосы, вентиляторы, компрессоры. - М.: Энергия, 1977. -422 с.
31. Чиликин
М.Г., Сандлер А.С. Общий курс электропривода. - М.: Энергоиздат, 1981. - 576 с.
32. Шерстюк
А.Л. Насосы, вентиляторы и компрессоры. - М.: Высшая школа, 1972.-344 с.