Расчет элементов системы электроснабжения нефтегазового комплекса
Министерство
образования и науки Российской Федерации
НОВОСИБИРСКИЙ
ГОСУДАРСТВЕННЫЙ ТЕХНИЧЕСКИЙ УНИВЕРСИТЕТ
ФАКУЛЬТЕТ
МЕХАТРОНИКИ И АВТОМАТИЗАЦИИ
Кафедра
электротехнических комплексов
Расчетно-графическая
работа
«Электроснабжение
нефтегазовых комплексов и производств»
Выполнил: Ильин Е.Ф.
Проверил: Спиридонов Е.А.
Новосибирск
2013
Содержание
Задание
Введение
. Метод
упорядоченных диаграмм. Для неосновных потребителей + АЭД
. Выбор
трансформаторов
. Выбор
кабеля
. Расчет
токов короткого замыкания
. Построение
эпюр напряжения
Заключение
Задание
В данной работе требуется произвести электрические
расчеты элемента системы электроснабжения объекта нефтегазового комплекса.
Объектом является компрессорные станции. Необходимо выбрать синхронные
двигатели, привести расчеты их основных характеристик и электрических нагрузок
компрессорной станции. Так же требуется выбрать систему питания, подобрать
силовые трансформаторы и произвести расчеты токов короткого замыкания. На
основании этого построить схему электроснабжения.
Таблица 1. Исходные данные
|
Тип предприятия НГК
|
Вид основного ЭП и его ном.параметры
|
Освещение
|
Отопление
|
Вентилляция
|
|
ЭД
|
|
|
Рн, кВт
|
Кол-во групп
|
Рн, кВт
|
Кол-во групп
|
Рн, кВт
|
Кол-во групп
|
|
Водозаборы на реках и озёрах
|
АЭД
|
250
|
0,38
|
60
|
3
|
10
|
1
|
16
|
1
|
Таблица 2. Коэффициенты неосновных потребителей
|
Неосновные ЭП
|
Коэффициент использования ки
|
Коэффициент мощности Cos(φ)
|
|
Освещение
|
0,8
|
1
|
|
Отопление
|
0,76
|
0,92
|
|
Вентиляция
|
0,88
|
0,85
|
Введение
Электроэнергетика - отрасль промышленности, занимающая производством
электроэнергии на электростанциях и передачей ее потребителям. Она является
основой развития производственных сил в любом государстве. Энергетика
обеспечивает бесперебойную работу промышленности, сельского хозяйства,
транспорта, коммунальных хозяйств. Стабильное развитие экономики России
невозможно без постоянно развивающейся энергетики. Энергетическая
промышленность тесно связана с комплексом топливной промышленности.
Российская энергетика - это более 600 тепловых, свыше100 гидравлических и
9 атомных электростанций. Ежегодно ими вырабатывается свыше 1 триллиона кВт/ч
электроэнергии и более 1 миллиарда Гкал тепла. Общая длина линий электропередач
превысила 2,5 млн. километров.
Для обеспечения надежного электроснабжения объектов добычи нефти на новых
месторождениях приходится создавать мощные энергетические базы. Трудность
создания таких баз часто заключается в значительной удаленности нефтяных
промыслов от энергетических центров. Поэтому при проектировании
электроснабжения нефтяного месторождения, разрабатывают такую систему, которая
обеспечивала бы возможность роста потребления электроэнергии без коренной
реконструкции всей системы электроснабжения.
Запроектированная система электроснабжения должна обеспечивать в условиях
после аварийного режима, путем соответствующих переключений, питание
электроэнергией тех приемников электроэнергии, работа которых необходима для
продолжения производства.
Питание электрической энергией потребителей нефтяной промышленности
осуществляется от сетей энергосистем или от собственных местных электрических
станций. Потребители с большой установленной мощностью электрифицированных
механизмов, например перекачивающие насосные станции магистральных
трубопроводов, комплекс установок нефтяных промыслов, как правило, питаются от
энергосистем.
На нефтяных промыслах в настоящее время находятся в эксплуатации
несколько десятков типоразмеров отечественных и импортных погружных
центробежных электронасосов с двигателями погружного типа. С помощью этих
насосов получают свыше 70% общего количества нефти, добытого механизированным
способом. Разработан и находится в эксплуатации широкий ряд оборудования для
управления установками ЭЦН.
1. Метод упорядоченных диаграмм. Для неосновных потребителей
+ АЭД
Выбран АЭД серии 4А модель 4А355S4У3
N=2

Определяется групповой коэффициент использования:
Определятся эффективное число ЭП по активной мощности:
Определяется коэффициент максимума по коэффициенту использования и
эффективному числу:
Выбираем Км=1,2
Определяется расчетная активная мощность группы:
Коэффициент использования по реактивной мощности:
0,425 для основных потребителей
Эффективное число ЭП по реактивной мощности:
Коэффициент максимума:
kм=1.23
Расчётная реактивная мощность:
=kи
Расчётная полная мощность:
Sp=
2. Выбор трансформаторов
Расчёт коэффициента k:
Расчёт мощности трансформатора:
Выбираем трансформатор Т2 и Т1:
ТМН-1000/35
Таблица 3. Характеристические данные трансформатора ТМН-1000/35
|
Номинальная мощность, кВА
|
1000
|
|
Номинальное высшее напряжение, кВ
|
35
|
|
Номинальное низшее напряжение, кВ
|
0,4/0,69/6,3/11
|
|
Потери холостого хода, кВт
|
2,1
|
|
Потери короткого замыкания, кВт
|
12,2
|
|
Напряжение короткого замыкания, %
|
6,5
|
|
Ток холостого хода, %
|
1,4
|
|
Масса масла, кг
|
2650
|
|
Масса полная, кг
|
7000
|
|
Длина, мм
|
3700
|
|
Ширина, мм
|
1550
|
|
Высота, мм
|
3600
|
3. Выбор кабеля
Находится площадь сечения кабеля 1:
При неизвестных величинах по ПУЭ j принимается в диапазоне от 1 до 2
В данном случае j принимается 2
Находится площадь сечения кабеля 2:

В данном случае j принимается 2
Длину кабельных линий принимаем 1 км.
В первом случае выбирается кабель сечением 185 мм2.
Параметры кабеля:
,
,
Кабель - медный.
Длину кабельных линии принимаем 1 км.
Во втором случае кабель сечением 50 мм2.
Параметры кабеля:
,
,
Кабель - медный.
4. Расчет токов короткого замыкания
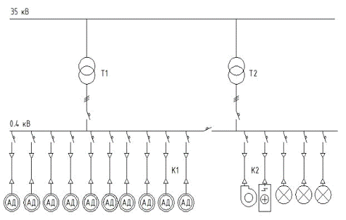
Рисунок 1. Принципиальная схема электроснабжения предприятия
Принять длину кабеля равной 1 км.
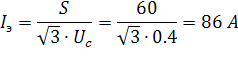
Расчёт токов короткого замыкания в точке К1:
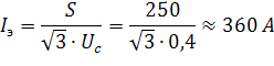
Расчёт токов короткого замыкания в точке К2:
Расчёт токов короткого замыкания в точках К3=К4=К5:
5. Построение эпюр напряжения
Строим эпюры для самого мощного пути:
Рисунок 2. Эпюра напряжения
Так как наше напряжение не выходит из пяти процентной зоны то установки
задаём по нулям:
электроснабжение
трансформатор напряжение компрессорный
Таблица 4.Уставки трансформаторов
Заключение
В данной расчетно-графической работе приведены электрические расчеты
элемента СЭ объекта НГК. Объект НГК - водозаборы на реках и озёрах. Выбрана
система питания и подобраны силовые трансформаторы. Произведены расчеты токов
КЗ. Также в РГР построена схема электроснабжения компрессорной станции.