Расчет режимных характеристик и рабочей линии ГТУ ГТН-10,5
МИНИСТЕРСТВО
ОБРАЗОВАНИЯ И НАУКИ РФ
Брянский
государственный технический университет
Кафедра
«Тепловые двигатели»
«Расчет
режимных характеристик и рабочей линии ГТУ ГТН-10,5»
Курсовая
работа
По
дисциплине: «Режимы работы и эксплуатации энергетических машин»
Брянск
2013
Аннотация
В данной курсовой работе произведён расчёт режимных характеристик и
рабочей линии газотурбинной установки ГТН-10,5 на переменных режимах работы.
Содержание
Введение
1. Исходные данные для двухвальной ГТУ и турбины
на номинальном режиме
2. Расчёт режимных характеристик двухвальной ГТУ
.1 Методика
расчёта переменных режимов
.2 Результаты
расчётов
Заключение
Список
используемой литературы
Введение
В данной курсовой работе произведён расчёт переменных режимов газовой
турбины на основе расчёта проекта проточной части и основных характеристик на
номинальном режиме работы турбины. Из общей формулы мощности ГТУ Nе
= G·Hе видно, что изменение мощности может быть достигнуто
путём регулирования расхода газа G и полезной работы Hе.
В зависимости от одного из трёх способов регулирования ГТУ изменение
мощности достигается:
1. В основном за счёт изменения начальной температуры газа перед ГТ
(путём изменения подачи топлива в КС), а следовательно и Не при n =
const и других слабоизменяющихся параметрах: G и π. Это регулирование первого рода или
качественное. При этом КПД установки претерпевает наиболее значительное
изменение.
2. Путём одновременного изменения как расхода газа, так и полезной
работы. Это регулирование второго рода или смешанное. При этом КПД установки
изменяется в меньшей степени, чем при регулировании первого рода.
. Изменение расхода рабочего тела при неизменных значениях степени
повышения давления и температур в характерных точках цикла. Это регулирование третьего
рода или количественное. Удельная работа и КПД при этом меняются незначительно
или остаются практически неизменными.
Количественный способ регулирования мощности может быть осуществлён
только в замкнутых ГТУ путём пропорционального изменения давления во всех
точках схемы ГТУ. В ГТУ открытого типа невозможно осуществить пропорциональное
изменение давлений во всей схеме, так как нижний уровень давления (атмосферное
давление) вообще не может быть изменён произвольно. Поэтому в ГТУ открытого
типа при регулировании мощности отношение давлений (π и πт) и температура Т1 непрерывно меняются.
Удельная эффективная работа Не и КПД ηe обычно снижаются вместе с понижением нагрузки (в
большей или меньшей степени в зависимости от схемы ГТУ). Поэтому в ГТУ открытого
типа осуществляется регулирование первого (качественное) или второго рода
(смешанное, или качественно-количественное).
Изменение экономичности ГТУ при частичных нагрузках, очевидно, зависит от
того, насколько способ регулирования приближается к количественному. При первом
способе регулирования с изменением расхода G происходит резкое изменение Не и в этом случае
следует ожидать значительного снижения КПД ГТУ при частичных нагрузках (для
одновальных ГТУ с генераторной нагрузкой). Если регулирование мощности
достигается при существенном уменьшении расхода, то величина Не
меняется в меньшей степени, благодаря чему экономичность ГТУ на частичных
нагрузках будет более высокой, чем в первом случае (для двухвальных ГТУ с
выделенным компрессором).
Из сказанного следует предположение: чем значительнее меняется расход
газа при регулировании мощности ГТУ тем более устойчивым должен быть КПД
установки.
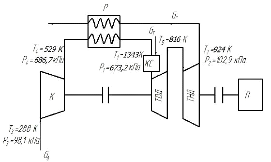
Принципиальная тепловая схема ГТУ с регенерацией
Принцип действия ГТУ с регенерацией. Всасываемый в компрессор (К) воздух
с температурой Т3 и давлением p3 сжимается в нём до давления p4 и приобретает температуру Т4. Затем сжатый воздух
поступает в регенератор (Р), где подогревается до температуры Т5 и
затем направляется в камеру сгорания (КС), где смешивается с топливом.
Полученная смесь воздуха и продуктов сгорания после камеры сгорания поступает в
турбину высокого давления (ТВД) с температурой Т1 и давлением р1.
Вал турбины высокого давления вращает вал компрессора. После расширения в
турбине низкого давления (ТНД) всё рабочее тело с температурой Т2 и
давлением р2 поступает регенератор, в котором оно подогревает
воздух, идущий из компрессора в камеру сгорания. Вал турбины низкого соединен с
валом потребителя (П).
1. Исходные данные для двухвальной ГТУ и турбины на номинальном режиме
Эффективная мощность Ne = 10,5 МВт.
Начальная температура газа Т1* = 1343 К.
Температура воздуха перед компрессором Т3 = 288 К.
Температура газа перед камерой сгорания Т5 = 816 К.
Степень повышения давления в компрессоре π =7.
Коэффициент избытка воздуха в КС α = 4,28.
К.п.д. компрессора на расчётном режиме ηКО = 0,87.
К.п.д. турбины на номинальном режиме ηТО = 0,86.
Номинальный режим характеризуется следующими величинами:
Коэффициенты сопротивления для схемы ГТУ с регенерацией:
общий ν = 1,1;
между компрессором и турбиной ν1 = 1,05;
на выходе из турбины ν2 = 1,05.
Соответственно относительные потери давления:
ζ = ν - 1 = 1,1 - 1 = 0,1;
ζ1 = ν1 - 1 = 1,05 - 1 = 0,05;
ζ2 = ν2 - 1 = 1,05 - 1 = 0,05.
Теплоёмкость воздуха (средняя для процесса сжатия)
срв = 1,019 кДж/кг;
kВ = 1,391; mВ = 0,281.
Теплоёмкость газа (средняя для процесса расширения)
срГ = 1,19 кДж/кг;
kГ = 1,320; mГ = 0,242.
Механические к.п.д. турбины и компрессора ηМТ
= ηМК = 0,98.
К.п.д.
КС ηКС = 0,99;
= 0,09;
= 0,97.
Удельная
работа компрессора
= 1,019·288·(70,281 - 1)/0,87 = 245,6 кДж/кг.
Удельная
работа турбины
=
0,97·1,19·1343·(1 - (7/1,1)-0,242)·0,86·0,98 = 471,65 кДж/кг.
Удельная
эффективная работа ГТУ
= 471,65
- 245,6 - 0,09·147,36=212,8 кДж/кг,
где
245,6·(1 - 0,4) = 147,36 кДж/кг.
Температура
воздуха за компрессором
= 288·(1
+ (70,281 - 1)/0,87) = 528,9 К.
Подведенное
тепло
=
1,19·(1343 - 816) ·0,93 = 583,2 кДж/кг.
2. Расчёт режимных характеристик двухвальной ГТУ
2.1 Методика расчёта переменных режимов
Уточнённый расход газа через турбину
=10500/206,8 = 52,77 кг/с.
Эффективный
к.п.д. ГТУ
Наличие
баланса мощностей турбокомпрессорного вала (ТВД) приводит к тому, что
характеристика турбокомпрессора (режимная линия) является однопараметрической и
изображается на диаграмме компрессора одной кривой (рисунок 1).
Отношение
давлений ТВД πТ1
определяются по значениям πТ формулой:
Температурный
коэффициент для ТВД
находится из баланса мощности турбокомпрессорного
вала:
где
Т1* для ТВД и турбины в целом одна и та же.
Для
ТНД соответственно будет
, где температура перед ТНД
К.п.д.
турбин высокого и низкого давления определяются по значениям
и
Относительный приведенный расход находится по характеристике компрессора
или из выражения
Теоретическая
приведенная безразмерная мощность определяется выражением
и
полезная
Рисунок 1 - Универсальная характеристика осевого компрессора ГТН-10,5
Удельный относительный расход тепла определяется из выражения:
Тогда
к.п.д. ГТУ
и
, где n2 - частота вращения вала ТНД;
- принимается.
2.2 Результаты расчётов
режим турбина тепловая
Весь
расчёт сведён в таблицу 1, из которой ясна принятая последовательность
расчётов. По полученным значениям параметров на построены режимные
характеристики двухвальной ГТУ (рисунок 2 - 4): 




.
Таблица
1- Расчёт режимных характеристик двухвальной ГТУ
|
Пара- метр
|
Расчётная формула
|
|
|
|
2
|
3
|
4
|
5
|
6
|
7
|
|
 - из расчета ГТ0,9940,9860,9770,9680,9590,950
|
|
|
|
|
|
|
|
|
по характеристике ОК0,8150,8520,8740,8850,8890,882
|
|
|
|
|
|
|
|
|
  0,700,840,940,970,980,99
|
|
|
|
|
|
|
|
|
 0,80700,86550,88410,88600,88640,8867
|
|
|
|
|
|
|
|
|
По характеристике ОК2,953,193,473,954,524,94
|
|
|
|
|
|
|
|
|
 - из расчета ГТ0,5970,6460,7020,8000,9151,0
|
|
|
|
|
|
|
|
|
 1,992,963,914,845,766,65
|
|
|
|
|
|
|
|
|
 1,982,933,854,735,576,36
|
|
|
|
|
|
|
|
|
 0,37610,37550,38890,40870,42890,4526
|
|
|
|
|
|
|
|
|
 691,0686,0703,4765,7845,5897,6
|
|
|
|
|
|
|
|
|
 0,76980,76430,78370,85310,94191,0
|
|
|
|
|
|
|
|
|
 1,001,011,021,021,031,05
|
|
|
|
|
|
|
|
|
 (или
по харак. ОК)0,33830,52700,68530,80520,90141
|
|
|
|
|
|
|
|
|
 0,0190,0750,1830,3650,6391,0
|
|
|
|
|
|
|
|
|
 0,8770,8740,8850,9240,9711,0
|
|
|
|
|
|
|
|
|
 0,8680,8670,8700,8760,8800,881
|
|
|
|
|
|
|
|
|
 0,9850,9840,9870,9940,9991,0
|
|
|
|
|
|
|
|
|
 0,0180,0740,1810,3620,6391,0
|
|
|
|
|
|
|
|
|
 при 0,5970,6460,7020,8000,9151,0
|
|
|
|
|
|
|
|
|
 0,1840,3000,4250,5980,8091,004
|
|
|
|
|
|
|
|
|
 0,1000,2470,4250,6060,7901,0
|
|
|
|
|
|
|
|
|
 0,2860,4290,5710,7140,8571,0
|
|
|
|
|
|
|
|
|
 0,2860,4290,5710,7140,8571,0
|
|
|
|
|
|
|
|
Рисунок 2 - Режимные характеристики двухвальной ГТУ
Рисунок 3 - Универсальная характеристика двухвальной ГТУ
Рисунок 4 - Режимная характеристика двухвальной ГТУ
Заключение
Сопоставляя результаты расчёта двухвальной ГТУ по таблице 1 и рисункам 2
- 4, можно отметить следующее:
Для двухвальной ГТУ число режимных характеристик на одну больше, чем для
одновальной. Для такой установки диапазон режимов работы неограничен, уверенно
можно работать на всех режимах. Зависимости τ = f(Nе) и η = f(Nе) для двухвальной ГТУ более пологие,
что свидетельствует о большей пригодности двухвальных ГТУ для работы на
переменных режима.
Список используемой литературы
1. Арсеньев
Л.В., Тырышкин В.Г. Комбинированные установки с газовыми турбинами.- Л.:
Машиностроение. Ленингр. отд-ние, 1982.-247 с.
2. Костюк
А.Г., Шерстюк А.Н. Газотурбинные установки: учеб. пособие для вузов.- М.:
Высшая школа, 1979.- 254 с.
. Кузьмичёв
Р.В. Расчёт и проектирование газотурбинных установок газоперекачивающих
станций: учеб. пособие.- Брянск: БИТМ, 1988.-88с.
. Кузьмичёв
Р.В. Расчёт тепловых схем и переменных режимов работы газотурбинных установок:
учеб. пособие.- Брянск: БГТУ, 1997.-80 с.