Проектирование электропривода компрессора бурового станка СБШ–250МН
Федеральное
агентство по образованию
ГОУ
ВПО
«Уральский
государственный горный университет»
Кафедра
ЭГП
Пояснительная
записка к курсовому проекту
по
дисциплине: «Электропривод»
.140604.2013.0000
КП
Проектирование
электропривода компрессора бурового станка СБШ-250МН
Разработчик:
Студент группы ЦЭГПА -
10: Елькин А.А.
Руководитель проекта:
Доцент, кандидат тех.
наук: Елисеев В.В.
Екатеринбург,
2013.
Содержание
1. Условия работы и требования, предъявляемые к проектируемому
электроприводу (электроприводу компрессора бурового станка СБШ - 250 МН)
. Обзор и анализ систем проектируемого электропривода и структур
систем управления им
. Расчет мощности и выбор двигателя, управляемого преобразователя
. Расчет структурной схемы электропривода в абсолютных и
относительных единицах
. Синтез регуляторов системы управления электропривода
. Расчет структурной схемы электропривода в относительных единицах
. Анализ статических и динамических свойств электропривода
. Описание принципиальной схемы электропривода
Список использованной литературы
1. Условия работы и требования,
предъявляемые к электроприводу компрессора бурового станка СБШ - 250 МН
Буровые станки предназначены для
шарошечного бурения скважин под взрывные работы как на вскрышных, так и на
обычных уступах карьеров, в сухих и обводненных, монолитных и трещиноватых
породах.
Область применения - открытые горные
разработки полезных ископаемых, а также горно - химической промышленности и
промышленности строительных материалов, строительство гидротехнических и
железнодорожных сооружений.
Станок работает в условиях
повышенной запыленности, тряски и вибрации; широкого диапазона изменения
температуры окружающего воздуха (от - 500 до + 400).
Электропривод компрессора
представляет собой винтовую объемную машину, основными рабочими органами
которой являются два ротора, вращающиеся в подшипниках качения. Роторы в
корпусе вращаются с определенными зазорами (по диаметру и торцам),
обеспечивающими безопасную работу в температурном режиме 1100 С.
Радиальные нагрузки воспринимаются роликовыми подшипниками № 20 - 323I4MI.
Осевые нагрузки воспринимают радиально - упорные подшипники № 6 - 663I4Л.
Регулирование производительности
компрессора в пределах от 10 до 100% осуществляется автоматически.
Система регулирования обеспечивает
изменение производительности компрессора от 10 до 100% за счет дросселирования
воздуха на всасывании. При уменьшении производительности уменьшается и
потребляемая мощность. Импульсом для автоматического регулирования служит
изменение давления нагнетаемого воздуха (изменение нагрузки внешней сети). При
работе компрессора на номинальном режиме давление конечное - 0,883 МПа (9
кгс/см2) при комплектовании электродвигателя МПЭ - 315 - 200.
В настоящее время широкое применение
в области применения открытых горных разработках имеют СБШ - 250 МН с
компрессором 6ВВ - 25/9У2.
Компрессор 6ВВ - 25/9У2 предназначен
для снабжения сжатым воздухом пневматических машин и механизмов, применяемых
при проходке вертикальных стволов шахт и проведения горизонтальных горных
выработок в угольной и горнорудной промышленности и устанавливаемых на
поверхности шахт.
Анализ режимов нагрузки и
характеристик электроприводов, отечественных и зарубежных станков шарошечного
бурения позволяет сформулировать требования к ним:
обеспечение максимальной
производительности при допустимых нагрузках в электромеханическом оборудовании;
высокая конструктивная надежность,
бесперебойная работа электропривода в тяжелых условиях;
- надёжное
автоматическое ограничение момента развиваемого двигателем путём формирования
статической характеристики с требуемым коэффициентом отсечки, величину которого
можно изменять при наладке в необходимых пределах:
диапазон регулирования
(5 - 10);
кратность перегрузки:
где: Мmax -
максимальный момент двигателя;
- пусковой момент.
Мн -
номинальный момент двигателя. Мн = 650(Нм)
переход рабочей ветви
электромеханической характеристики
;
целесообразность
регулирования продолжительности пуска.
Пневматическое
транспортирование буровой мелочи при шарошечном бурении осуществляется по
следующей схеме: воздух от компрессора под давлением (6 - 7) 105 Па
подается во внутренний канал буровой штанги, откуда поступает к забою и далее
выходит по кольцевому зазору между штангой и стенками скважины со скоростью 18
- 20 м/с.
Вынос породы из скважины
происходит вследствие того, что давление восходящей струи воздуха (2 - 3) 105
Па на частицы породы превышает их вес. Скорость воздуха, при которой его
давление на частицу равно ее весу - скорость витания. В этом случае частицы
породы находятся во взвешенном состоянии.
. Обзор и анализ систем
проектируемого электропривода и структур систем управления им
Основными типами
регулируемого электропривода являются следующие системы: «полупроводниковый
тиристорный преобразователь - двигатель постоянного тока». Управляемые
преобразователи электроэнергии выполняются главным образом как
полупроводниковые преобразователи в виде неуправляемых и управляемых
выпрямителей, автономных инверторов напряжения (АИН) и тока (АИТ), инверторов,
ведомых сетью. Для устранения искажения формы напряжения сети, в
преобразователях применяют фильтро-компенсирующие устройства.
Для получения высокого
быстродействия применяют системы с неуправляемыми выпрямителями.
Применение ТП-Д и
электродвигателей постоянного тока с малым динамическим моментом инерции и
пониженной частотой вращения в сочетании с САР (системы автоматического
регулирования) обеспечивающей оптимальную форму электромеханической
характеристики и высокое быстродействие, позволяет придать компрессору новые
качества. В тиристорном преобразователе в соответствии с принципом его действия
при уменьшении выходного напряжения по сравнению с номинальным ухудшаются
энергетические показатели системы: снижается коэффициент мощности,
увеличивается содержание высших гармоник напряжения питающей сети. Это -
главные недостатки ТП постоянного тока. Действие указанных факторов
нейтрализуется применением фильтро - компенсирующих устройств (ФКУ).
САР выполняют в виде
общеизвестных систем «подчинённого» регулирования с регуляторами тока якоря и
напряжения (или ЭДС) двигателя.
. Расчет мощности и выбор
двигателя, управляемого преобразователя
На станках шарошечного
бурения СБШ - 250 МН для компрессоров 6ВВ - 25/9У2 наиболее широкое
распространение получил электродвигатель типа: МПЭ - 315 - 200 благодаря
равномерной передаче и малой величине удельного давления, хорошему сцеплению
при вращении.
Электродвигатель
механически соединен с компрессором упругой муфтой. Муфта упругая предназначена
для передачи крутящего момента от основного электродвигателя к компрессору.
Система автоматизации
при включении электродвигателя компрессора включает в себя:
пульт управления;
датчики температуры и
давления, устанавливаемые на компрессоре.
Система автоматизации
обеспечивает исполнение следующих функций:
) Пуск компрессора;
)Пуск маслонасоса;
) Пуск электронагревателя;
) Пуск вентилятора;
) Останов компрессора и
вспомогательного оборудования;
) Останов маслонасоса;
) Останов
электронагревателя;
) Останов вентилятора;
)Аварийную световую и
звуковую сигнализацию с отключением электропривода компрессора при:
повышении перепада на
маслофильтре до 0,15 МПа (1,5 кгс/см2);
повышение температуры
воздуха до 383 К (110 0С).
Определим вес и массу
станка:
где:
-
опытный коэффициент зависимости веса бурового станка от усилия подачи и
диаметра долота;
- диаметр долота.
Определим расход воздуха
зависящий от объема разбуренной породы в минуту:
где: Dскв. -
диаметр скважины, м;бур. max. - максимальная скорость бурения,
м/мин.;воз. - удельный расход воздуха на 1 м3 буровой
мелочи, равный 80 - 150 м3/м3.
Производительность
компрессора выбираем в 2 - 3 раза больше, чем расход воздуха, так как возможны
большие утечки воздуха по трещинам при бурении трещиноватых пород.
Определим работу,
затрачиваемую на сжатие 1 м3 воздуха с давления р1 до
давления р2:
;
Мощность двигателя
компрессора:
где: kзап. -
коэффициент запаса мощности электродвигателя, принимаемый равным: 1,1 - 1,25;сж.
- работа, затрачиваемая на сжатие 1 м3 засасываемого компрессором
воздуха давлением р1 до давления, создаваемого компрессором, р2,
Дж/м3;
К.П.Д. компрессора, (0,6
- 0,7);
К.П.Д. передачи, (0,92 -
0,95).
Для привода компрессора
выбираем двигатель МПЭ - 315 - 200 в защищенном исполнении с основными
параметрами по техническим данным:
Рн = 200 кВт;
;
.
Мощность, потребляемая
двигателем из сети:
Для бурового станка СБШ
- 250 МН средняя величина расхода воздуха для очистки скважин составляет 20,18
и 40 м3/мин.
Пневматические системы
удаления разбуренной породы укомплектовывают стандартным оборудованием.
Вес и масса двигателя
компрессора:
где: lприв.дв
- длина привода двигателя с муфтой упругой, м
К = 1,05 -
конструктивный коэффициент.прив.дв. - диаметр вала привода
двигателя, м м.дв. - диаметр муфты двигателя, м
Усилие при вращении
электропривода в нормальном режиме:
где: Wп -
работа, затрачиваемая на вращение привода.
Момент инерции при
вращении:
Мощность
электродвигателя при работе в нормальном режиме:
где:
-
номинальный К.П.Д. двигателя.
Диаметр вала привода
компрессора:
где:
-
линейный коэффициент.k = 300 кг - масса компрессора (согласно тех.
данным).
Угловая скорость
вращения вала привода компрессора:
где: vв.в. -
скорость вращения вала.
Одним из основных
элементов электропривода определяющим его технические и экономические
показатели является электродвигатель. Применение электродвигателя недостаточной
мощности может вызвать нарушение в нормальной работе механизма, понижение его
производительности, аварии, выход из строя электродвигателя. Использование
электродвигателя повышенной мощности приводит к неоправданным капитальным
затратам, снижению КПД двигателя.
Для электропривода
компрессора выбираем двигатель: МПЭ - 315 - 200.
Степень защиты:
;
Класс изоляции: F
Номинальная угловая
скорость вращения двигателя:
Передаточное число
электропривода:
Выбираем электропривод в
системе управляемого пуска - регулируемый.
Для плавного в
ограниченном диапазоне регулирования скорости.
Суммарное передаточное
число:
Номинальное скольжение
двигателя:
Момент статического
сопротивления электропривода компрессора:
где: Dв.п. -
диаметр вала привода, м
Момент статического
сопротивления компрессора приведённый к валу двигателя c упругой муфтой:
Допустимое время
перегрузки двигателя при вращении:
где:
=
15 сек.- постоянная времени нагрева двигателя.
Кмех. = 1,15
- коэффициент механической перегрузки при вращении привода.
Кратность перегрузки
привода двигателя в максимальном режиме:
Кратность перегрузки
привода двигателя в пусковом режиме:
В качестве
электропривода двигателя выбираем электропривод серии
КТЭУ - 200/220 - 13221
УХЛ4.
;
;
;
;
;
Время движения с
установившейся скоростью:
Время пуска двигателя:
где: а = 0,1м/с2
- требуемое ускорение при пуске. tп < tуст.
Время работы двигателя:
Продолжительность цикла:
где: t0 = 39
с. - время паузы.
Номинальная
продолжительность включения:
Допустимый момент
кратковременной перегрузки:
Электропривод имеет
следующие виды защит:
- от выхода из строя тиристоров при
внешних и внутренних коротких замыканиях, открывании тиристора в неработающей
группе, опрокидывании инвертора;
от перенапряжениях на тиристорах;
от аварийной перегрузки тиристоров;
от развития аварийных процессов при
исчезновении напряжения собственных нужд и силового напряжения;
от снижения тока возбуждения
двигателя ниже допустимого;
от превышения допустимого тока
возбуждения;
от перенапряжения на якоре
двигателя;
от превышения скорости двигателя;
от неправильного порядка сборки
схемы.
. Расчет структурной схемы
электропривода в абсолютных и относительных единицах
Расчёт структурной схемы ДПТ:
Номинальный ток якоря двигателя:
Суммарное активное
сопротивление обмотки якоря:
где:
ЭДС двигателя:
Электромагнитный момент
двигателя:
Коэффициент
динамичности:
Пусковой ток двигателя:
Индуктивность якорной
цепи:
где: Рn -
количество пар главных полюсов;
К - коэффициент,
учитывающий размагничивающие действия реакции якоря. К = 0,25
Электромагнитная
постоянная времени двигателя:
где:
=
-
индуктивность якорной цепи.
Передаточная функция
электрической части двигателя:
Момент инерции привода
компрессора:
Момент инерции привода
компрессора приведённый к валу двигателя:
Суммарный момент инерции
привода:
Электромеханическая
постоянная времени двигателя:
Передаточная функция
механической части двигателя:
Расчёт структурной схемы
ТП:
Передаточная функция
тиристорного преобразователя:
,
где:
-
передаточный коэффициент тиристорного преобразователя.
- постоянная времени
тиристорного преобразователя.
Рисунок - 1. Структурная схема
двухконтурной системы регулирования скорости вращения электропривода
компрессора 6ВВ - 25/9У2
. Синтез регуляторов системы
управления электропривода
В связи с расширением использования
полупроводниковой техники управления и созданием унифицированных блочных систем
регуляторов (УБСР), предназначенных для управления электроприводами,
практический интерес представляет последовательная коррекция контуров
регулирования. С учетом этих условий в теории автоматизированного электропривода
разработан метод синтеза унифицированных контуров регулирования, получивший
название метода последовательной коррекции с подчиненным регулированием
координат. Этот метод позволяет расчетным путем определить параметры
регуляторов, обеспечивающих заданные динамические показатели контура
регулирования.
При подчиненном регулировании
координат система электропривода разделяется на группы звеньев, в каждой из
которых, как правило, имеется только одна большая постоянная времени. Каждая из
таких групп звеньев включается в контур регулирования со своими регулятором и
обратной связью. В результате система получается многоконтурной, причем каждый
последующий контур охватывает предыдущий. Выходные величины регуляторов внешних
контуров регулирования оказываются входными для внутренних контуров
регулирования. Поэтому такие системы называют системами подчиненного
регулирования координат с последовательной коррекцией. Одна из регулируемых
координат является основной, остальные - подчиненными.
Требуемые показатели
качества регулирования в оптимизированном контуре (колебательность и
перерегулирование) обеспечиваются выбором отношения постоянных времени
(
- коэффициент отношения постоянных времени), а быстродействие определяется
только величиной суммарной некомпенсированной постоянной времени
.
При увеличении
быстродействие
контура снижается. В тоже время уменьшение величины
вызывает
возрастание колебательности процесса и, что особенно важно, перерегулирование.
Оптимизация САУ
производится для каждого контура в отдельности и осуществляется последовательно
от контура к контуру, начиная с внутреннего.
В номенклатуру
аналоговых элементов УБСР-АИ входят источники питания, задатчики входных
сигналов, датчики регулируемых параметров, усилительные устройства, регуляторы,
потенциальные разделители, компараторы, функциональные устройства, устройства
защиты и коммутации, устройства технологической логики, контролирующие и
вспомогательные устройства, т. е. функционально полный набор обеспечивающий
построение систем управления любой структуры.
Питание ячеек
осуществляется стабилизированным напряжением ±15 В. Уровни выходных напряжений
- до 10 В.
Синтез регулятора тока.
При синтезе регулятора
тока пренебрегаем влиянием внутренней обратной связи по ЭДС двигателя, что
сказывается на точности регулирования тока, незначительно влияет на
динамические показатели, но существенно упрощает синтез регулятора.
При этом передаточная
функция объекта регулирования имеет вид:
Постоянная времени
тиристорного преобразователя:
Желаемая передаточная функция
разомкнутого КРТЯ:
Передаточная функция
регулятора тока:
получена передаточная
функция ПИ-регулятора.
Сигнал обратной связи по
току снимается с шунта, включенного в якорную цепь.
Выбираем шунт на
номинальный ток IRS=300 А и URS=75 мВ.
Передаточный коэффициент
шунта:
В системе УБСР - АИ в
качестве промежуточного усилителя используется ячейка ДТ-2АИ (Uвх.н =
75 мВ, Uвых.н = 10 В).
Коэффициент усиления
усилителя регулятора тока:
Коэффициент обратной
связи по току:
Постоянная времени
интегрирования регулятора тока:
Передаточная функция
регулятора тока:
Синтез регулятора
скорости.
При выборе типа
регулятора скорости следует учитывать допустимое значение регулирования
скорости:
Значение соответствующее
естественной электромеханической характеристике электропривода:
где:
-
передаточный коэффициент двигателя.
Следовательно, требуемое
повышение электромеханической характеристики:
Пропорциональный
регулятор скорости обеспечивает повышение жёсткости:
Объект регулирования
скорости состоит из замкнутого контура регулирования тока якоря и механического
звена электропривода и имеет передаточную функцию:
Желаемая передаточная
функция разомкнутого КРС:
Передаточная функция
регулятора скорости:

В качестве
тахогенератора используют тахогенератор постоянного тока типа ТП80-20-0,2 с.
Статическая ошибка
регулирования скорости при
:
Скорость идеального
холостого хода двигателя:
Номинальное скольжение
двигателя:
Коэффициент обратной
связи по скорости:
Коэффициент передачи
регулятора скорости:

Рисунок - 2. Структурная схема в
относительных единицах в программе Matlab
Рис. - 13. Кинематическая схема
механизма
. Расчет структурной схемы
электропривода в относительных единицах
Перевод коэффициентов
пропорциональности звеньев осуществляется по следующей формуле:
где:Uвх.б и Uвых.б
- входное и выходное базисные напряжения;вх.б и Yвых.б -
входная и выходная базисные величины;
К - коэффициент передачи
звена.
Зададимся базисными
величинами:
зс.б = Uос.б = Uзт.б = Uот.б = Uу.б
= 10 В;
ТП = ЕТП = 220 В;
Ед.б = Ед.н
=
=210,38
В;б = Iд.н = 988,14 А;
ωб=ωн=157
с-1
Регулятор скорости:
Тиристорный
преобразователь:

Обратная связь по
скорости:
Обратная связь по току:
Ток статической
нагрузки:
Скорость установившегося
режима работы привода:
Сопротивление якорной
цепи системы ТП-Д:
В зависимости от вида
применяемого усилителя все чаще применяют: структуру с суммирующим усилителем.
Основной особенностью
структуры с суммирующим усилителем является использование задержанных связей
(отсечек).
Основным недостатком
структуры с суммирующим усилителем является взаимное влияние обратных связей,
затрудняющее получение оптимальных динамических качеств при регулировании.
. Анализ статических и
динамических свойств электропривода
Уравнение статической
электромеханической характеристики в СПРК получим исходя из условия равенства
напряжений задания по току якоря и обратной связи на входе регулятора тока:
Контуры регулирования в
СПРК по управляющему воздействию являются астатическими, т.е. ошибки
регулирования координат равны нулю (при
,
и
при
).
При действии
возмущающего воздействия появляется статическая ошибка регулирования по
скорости:
электропривод компрессор
двигатель буровой
Для ограничения
ускорения в переходных режимах пуска и остановки, а следовательно динамических
нагрузок, в СПРК применяются датчики интенсивности. Датчики интенсивности
первого порядка преобразуют скачкообразный сигнал на входе в линейно
изменяющейся во времени с ограничением сигнала на выходе. Выходное напряжение
датчика интенсивности является входным для КРС.
В переходных режимах
будет иметь место динамическая ошибка по скорости:
где:
-
ускорение привода.
Т.е. в переходных
режимах, обусловленных изменением задающего воздействия по линейному закону
,установившаяся
динамическая ошибка суммируется со статической:
Влияние внутренней
обратной связи по ЭДС двигателя в переходных процессах приводит к расхождению
между статической и динамической электромеханическими характеристиками привода
с ошибкой по току якоря:
Рисунок - 6. График
статической механической характеристики
. Описание
принципиальной схемы электропривода
Основным составляющим
элементом привода, обеспечивающим регулирование вращения электропривода
компрессора является низковольтное комплектное устройство, включающее в себя
тиристорный преобразователь.
Комплектное тиристорное
устройство КТУ входит в состав низковольтного комплектного устройства НКУ и
можно использовать для управления электроприводом компрессора буровых станков
СБШ - 250 МН, оборудованных системой ТП-Д (тиристорный преобразователь -
двигатель).
В КТУ входят два
выпрямителя:
силовой реверсивный
тиристорный для питания якорной цепи электропривода (выпрямитель якоря);
нереверсивный
тиристорный для питания обмотки возбуждения двигателя (выпрямитель
возбуждения).
В шкафу КТУ установлены:
- два силовых тиристорных блока,
представляющие собой групповые радиаторы с установленными на них тиристорами и
образующие силовую схему одного мостового реверсивного тиристорного выпрямителя
для питания якорной цепи электропривода;
один силовой тиристорный блок,
образующий силовую схему одного мостового нереверсивного тиристорного
выпрямителя для питания цепей возбуждения двигателя;
автоматический выключатель со
стороны переменного тока выпрямителя якоря;
автоматический выключатель со
стороны постоянного тока выпрямителя якоря;
автоматический выключатель со
стороны переменного тока выпрямителя возбуждения;
блок управления, регулирования и
защиты привода;
электроизмерительные приборы,
сигнальные лампы и другое вспомогательное оборудование.
Степень защиты шкафа IP22 по ГОСТ
14254 - 96.
Выпрямитель якоря работает по
принципу раздельного управления силовыми комплектами тиристоров с запиранием
неработающего комплекта (без уравнительных токов) и подключается к питающей
сети через автоматический выключатель, осуществляющий защиту комплектного
устройства от токов короткого замыкания. Якорь электродвигателя подключается к
зажимам постоянного тока через автоматический выключатель.
Схема управления выпрямителем якоря
выполнена по принципу двухконтурной системы подчиненного регулирования
параметров с ПИ-регулятором контроля вращения и ПИ-регулятором тока. Обмотка
возбуждения электродвигателя подключается непосредственно к шинам постоянного
тока возбудителя.
Схема управления выпрямителем
возбуждения выполнена в виде одноконтурной системы регулирования параметров с
ПИ-регулятором тока возбуждения.
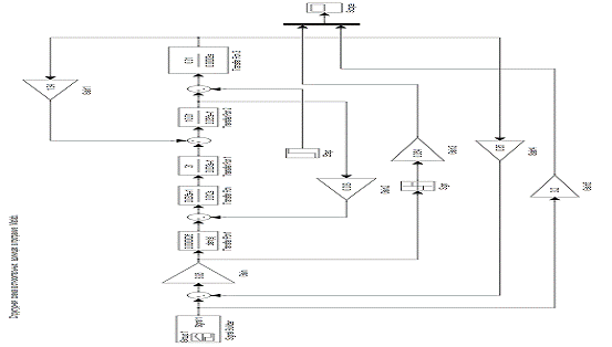
ЗС - задатчик скорости вращения
привода;
БГР - блок гальванической развязки;
ПР2…ПР5 - бесконтактные реле;
БП - блок питания;
Ф1…Ф5 - сглаживающие фильтры;
ПЭ1, ПЭ2 - пороговые элементы;
КБ - ключ блокировки сигнала
задания;
РН - регулятор напряжения на якоре
двигателя;
РТ - регулятор тока якоря двигателя;
ЗВ - задатчик тока возбуждения
двигателя;
МК1…МК3 - микроконтроллеры;
РТВ - регулятор тока возбуждения
двигателя;
В - выпрямитель;
ДН - датчик выходного напряжения на
якоре двигателя;
У1, У2 - усилители выходных сигналов
шунтов;
ДП - датчик проводимости;
УФ1, УФ2 - усилители - формирователи
импульсов управления тиристорами;- вводной автоматический выключатель;-S - блок
- контакт вводного автоматического выключателя QF1;- автоматический выключатель
электропитания блока управления;- автоматический выключатель электропитания
обмотки возбуждения;
ПЯ - управляемый тиристорный
выпрямитель электропитания обмотки якоря;
ПВ1, ПВ2 - однофазные управляемые
выпрямители электропитания обмотки возбуждения;- реле контакта фаз;К - блок -
контакт реле контроля фаз Al;, RS2 - токоизмерительные шунты;- варистор;
ОВ - обмотка возбуждения двигателя.
Питание органов управления
осуществляется напряжением +20 В, поступающих от блока управления агрегатом.
Система управления тиристорным
преобразователем ПЯ состоит из:
аналогового регулятора РТ тока
якоря;
аналогового регулятора РН напряжения
якоря;
датчика тока якоря (усилитель У1 с
измерительным шунтом RS1);
датчика РН напряжения якоря;
элемента БГР гальванической развязки
(преобразователь постоянного тока);
микроконтроллера МК2 (типа
PIC16С711) и усилителя - формирователя импульсов УФ1, образующих систему
импульсно - фазового управления (СИФУ) преобразователя.
Синхронизация СИФУ преобразователя
осуществляется линейным напряжением 380 В питающей сети, преобразованием с помощью
трансформатора источника питания БП, апериодического фильтра Ф4 и порового
элемента ПЭ1.
Аналоговый регулятор тока РТ
реализован в виде аналогового пропорционально - интегрального регулирующего
устройства.
Аналоговый регулятор напряжения РН
представляет собой пропорциональное регулирующее устройство с ограничением
выходного напряжения.
СИФУ преобразователя базируется на
микроконтроллере МК3 (типа PIC16С711) и усилителе - формирователе импульсов
УФ2.
Во время реверса тока возбуждения
преобразователь имеет режим бестоковой паузы. В это время производится
блокировка управляющих импульсов тиристоров выпрямительных мостов до тех пор,
пока она не завершится.
Для этой цепи преобразователь
оборудован датчиком ДП проводимости тиристоров, контролирующим величину падения
напряжения на тиристорах преобразователя ПВ1 и ПВ2.
В режиме реверса тока возбуждения
блокируются (снимаются) импульсы управления тиристорами преобразователя ПЯ
питания обмотки якоря путем использования бесконтактного реле ПР5 и
микроконтроллера МК1 (вход В4).
Варистор RU20 выполняет роль защиты
от перенапряжений в режиме сброса энергии, накопленной в обмотке возбуждения, в
случае обрыва в питающих цепях.
Рисунок - 8. График сигнала при
включении двигателя
Рисунок - 9. Графики переходных
процессов пуска и остановки электропривода компрессора 6ВВ - 25/9У2
Электродвигатель совершает работу
при включении магнитного контактора КМ 9. Трансформатор тока ТА ограничивает
питание двигателя при больших токов, а также измеряет большие токи по прибору
РА.
Работа принципиальной схемы
управления двигателя осуществляется следующим образом:
Включаем выключатель SA 1, при этом
цепь раздваивается:
) Питание подходит на предохранитель
F1 и на землю.
) По проводу 79(3) питание подходит
на кнопку электромагнитного вентиля контактора аварийного стопа SB13 (его
нормально замкнутый блокировочный контакт), а также на блокировочные контакты
индивидуальных контакторов К1 и К2. Питание подаем на кнопку электромагнитного
вентиля блокировочного контакта контактора SB2, предназначеный на отключение
двигателя в случае неудовлетворительной его работы. При этом включаем кнопку
электромагнитного вентиля контактора SB1 на срабатывание катушки магнитного контактора
КМ9 для того, чтобы запустить двигатель, и при этом параллельно кнопки ЭМВ
контактора SB1 включается магнитный контактор КМ 9.1. Блокировочные контакты
теплового реле КК1 и КК2 нормально замкнуты при обесточивании катушек теплового
реле КК1 и КК2.
При этом в схеме установлен
контактор автомата QF7 для включения других вспомогательных машин (двигатели:
ветилятора, маслонасоса) и т.д.
Список использованной литературы
1. М.П. Белов «Автоматизированный электропривод типовых
производственных механизмов и технологических комплексов»: Учебник для вузов /
2 - е изд., стер. - М.: Издательский центр «Академия», 2004. - 576 с.
. В. М. Терехов «Системы управления электроприводов»: Учебник для
студ. высш. учеб. заведений / Под ред. В.М. Терехова. - М.: Издательский центр
«Академия», 2005. - 304 с.
. В.И. Ключев «Электропривод и автоматизация общепромышленных
механизмов»: Учебник для вузов. - М.: Энергия, 1980. 360 с.
. Н.Н. Чулков «Расчет приводов карьерных машин», М:. Недра, 1987
г.
. В.В. Елисеев «Автоматизированный электропривод типовых
производственных механизмов и технологических комплексов». Методические
указания: 3 - е изд., перераб. и доп., Екатеринбург, 2008 г.
. В.В. Елисеев «Автоматизированный электропривод машин и
установок». Методические указания: изд. УГГГА, Екатеринбург, 1997 г.