|
Параметр
|
Значение параметра
|
|
Напряжение питания, В
|
5,38-30
|
|
Диапазон измерений, м/с
|
30-300
|
|
Вид исполнения
|
наствольный
|
|
Длина базы трубки, мм
|
150
|
1. Теоретические ведомости
Хронограф - это устройство для замера начальной скорости
пули будь то airsoft оружие или пневматика, нужен он в первую очередь
специалистам при модернизации оружия, чтоб сравнивать скорость винтовки /
пистолета до и после изменений.
Виды хронографов
Существует несколько видов хронографов, которые используются
для измерения скорости вылета пули: наствольный, рамочный и рогатый.
Наствольный. Имеет вид, показанный на рис. 1.
Рис. 1. Наствольный хронограф
Имеет такие достоинства:
) Простота и дешевизна изготовления
) Портативность
) Высокая стабильность результатов измерений за счет
постоянства положения ствола относительно датчиков.
Но, к сожалению имеет и недостаток:
Крепление на ствол, что усложняет подготовку к измерениям и
делает невозможным использование для некоторых типов оружия.
Рамочный. Имеет вид, показанный на рис. 2.
Рис. 2. Рамочный хронограф
Достоинства:
) Относительная дешевизна
) Практически не ограниченная «рамка»
) Простота и удобство использования для всех типов
оружия.
Недостатки:
Сильная зависимость от внешних условий освещения, вследствие
чего высокая нестабильность результатов измерений.
Рогатый. Имеет вид, показанный на рис. 3.
Рис. 3. Рогатый хронограф
микросхема хронограф программирование
Достоинства:
) Простота и удобство использования для всех типов
оружия.
) Возможность измерения скорости пули на произвольном
расстоянии от ствола.
) Простота и удобство использования для всех типов
оружия.
) Возможность измерения скорости пули на произвольном
расстоянии от ствола.
Недостатки:
) Ограниченный размер активной зоны - «рамки», что
теоретически может приводить к повреждению прибора.
) Относительная нестабильность результатов измерений
при стрельбе с рук, за счет нестабильности положения ствола по отношению к оси
прибора.
Сравнив достоинства и недостатки этих трех видах хронографов
я остановил свой выбор на настовольном хронографе. В первую очередь ключевым
фактором моего выбора была точность и стабильность измерений, которое дает
именно наствольный хронограф. Тот недостаток, что его можно использовать не для
всех видов стволов меня не интересовал, так как я делал его под одну модель
копии оружия. Кроме того, этот недостаток можно исправить путем использования
насадок на конкретный вид ствола, оставив при этом саму базовую трубку.
Принцип работы
Принцип действия хронографа основан на точном измерении
промежутка времени, заключенном между моментами пересечения оптических осей
двух датчиков расположенных на известном и строго определенном расстоянии между
ними. Измерение производится с помощью микропроцессора PIC 16F630. Отсчет
времени осуществляется внутренним счетчиком микропроцессора, тактируемым от
внутреннего тактового генератора процессора. Частота тактового генератора
процессора стабилизируется внешним кварцевым резонатором.
Пролет пули через оптическую ось первого датчика вызывает
срабатывание этого датчика. Срабатывание первого датчика вызывает обнуление
внутреннего счетчика микропроцессора и запускает отсчет в этом счетчике.
Пролет пули через оптическую ось второго датчика вызывает
срабатывание этого датчика. Срабатывание второго датчика вызывает остановку
счетчика и запись результата отсчета.
Далее происходит вычисление значения скорости пролетевшего
объекта путем деления некоторой константы (значение ее зависит от нескольких
факторов, прежде всего от расстояния между оптическими осями датчиков) на
сохраненное значение счетчика. Школьный курс физики: расстояние (константа)
известно, делим на время (значение счетчика) и получаем скорость объекта.
Это значение скорости отображается на индикаторе, сохраняется
в энергонезависимой памяти микроконтроллера. Кроме того значение скорости
передается в последовательный порт микроконтроллера. Терминальной программой
можно принять информацию из этого порта и выполнить ее дальнейшую обработку.
2.
Применяемые детали
Индикатор
В качестве индикатора рекомендуется BA56-12SRWA (их выпускает
Kingbright), они широко распространены. Буквами (одной или двумя) между цифрой 12
и буквами WA обозначаются цвет и яркость индикатора (SR - сверхъяркий
красный). А вот буква A (которая BA56) - крайне важна. Это
значит, что сегменты разрядов имеют общий анод.
В зависимости от применяемого индикатора и желаемой яркости
его свечения номиналы резисторов R3..R9, возможно, потребуется изменить (скорее
всего, это будет номинал 360..910 Ом).
Детали
оптопар
При сборке прибора были использованы фотодиоды и
фототранзисторы L-34F3C и L-32P3C. Они имеют наружный диаметр 3 мм. Вместо них
можно взять фотодиоды L-53F3C и фототранзисторы L-51P3C. Характеристики у них
практически те же, только наружный диаметр составляет 5 мм., это менее удобно
для монтажа в трубке хронографа. Характериситик настолько близки, что Вы можете
применять пары L-34F3C и L-51P3C (или L-53F3C и L-32P3C).
Питание
устройства
Изначально планировалось использовать в устройстве батареи
«Крона». Но «Кроны» хватает не надолго. Можно использовать 4 батареи «АА» или
«ААА», соединенных последовательно. Можно вместо батарей использовать
аккумуляторы подходящего размера или же блок питания. Для размещения батарей
(или аккумуляторов) выпускаются и есть в продаже специальные отсеки питания.
Стабилизатор
питания
Настоятельно рекоменуется применять стабилизатор LP2950-5.0.
Возможная замена - стабилизаторы 78L05, 78M05 и 7805. Они различаются мощностью
(током, который они способны через себя пропускать). LP2950-5.0 и 78L05
расчитаны на ток до 100 mA (миллиампер).
Трубка
для установки датчиков
Трубка должна быть достаточно жесткой, чтобы не мяться и не
гнуться. Она не должна быть хрупкой. У нее должны быть достаточно толстые
стенки (в тонкой фотодиод или фототранзистор будет болтаться). Она должна очень
плотно надеваться на ствол оружия, так как неплотность даст перекос
(несоосность); а отсутствие соосности со стволом в лучшем случае увеличит
погрешность измерений, а в худшем - пуля попадет в деталь оптопары. Совсем
будет замечательно, если удастся организовать резьбовую посадку хронографа на
ствол. При изготовлении необходимо как можно точнее выдержать расстояние между
оптическими осями оптопар. Расстояние между торцами деталей оптопары должно
быть порядка 13 мм. Если будет меньше - велик риск отстрелить датчик пулей.
Будет больше - уменьшится мощность потока ИК-лучей, хронограф будет менее
устойчив к загрязнениям; оптопары придется чистить чаще
. Технология изготовления
Разработка топологического рисунка
Один из главных этапов создания любого прибора является его
топологический рисунок. Который в дальнейшем будет применяться для переноса на
подложку. Главная задача - создание рисунка токоведущих дорожек, которые будут
объединять элементы схемы (резисторы, транзисторы, конденсаторы и т.п.). После
подбора и ознакомления с формфактором элементов, которые будут использоваться в
данной схеме инженер должен представить, как должны размещаться элементы
согласно схеме принципиальной электрической. Провести расчеты и знать токи
которые будут протекать в этой схеме. Чтобы при разработке ее учесть это, задав
соответствующим толщиной дорожки, диаметр отверстий для установки элементов и
монтажных отверстий. При этом надо учесть форм-фактор, мощность рассеяния,
схему подключения и т.п.
Следующий этап, это технология которая будет применяться при
создании шаблона топологии и разрешение оборудование, которое будет переносить
шаблон какой вид травления будет применен для полученного рисунка.
Эти все аспекты должны быть учтены при создании топологии
рисунка.
Печатная плата была изготовлена с помощью «Лазерно-Утюжной
Технологии» (ЛУТ). Шаблон для нее был спроектирован в программе «Sprint
Layout». С помощью этой программы Вы сможете не только распечатать образ
печатной платы для переноса на текстолит, но и сделать в плате небольшие
изменения, если это потребуется. А потребоваться это может, например, если Вы
приобрели индикатор не соответствующий по размерам тому индикатору, на который
расчитана предлагаемая плата. Или если Вы захотите установить на плату кнопку
выключения питания, или положить электролитический конденсатор «на бок», или
подвинуть детали для того, чтобы сделать крепежное отверстие и т.д. и т.п.
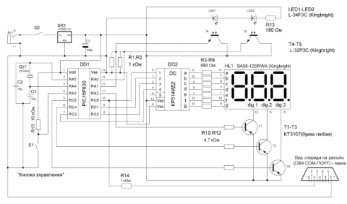
Рис. 4. Принципиальная электрическая схема устройства
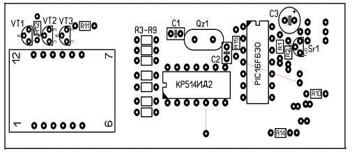
Рис. 5. Печатная плата

|
№
|
Тип
|
Количество
|
Диаметр
|
|
1
|
контактный
|
64
|
0,6 мм
|
|
2
|
контактный
|
12
|
0,8 мм
|
|
3
|
контактный
|
28
|
1,0 мм
|
|
4
|
монтажный
|
4
|
2,0 мм
|
|
108 отверстий
|
Создание шаблона
Как только рисунок топологии готов и учтены все выше
сказанные факторы, необходимо создать шаблон для переноса рисунка на медную
подложки.
Для этого надо взять глянцевую бумагу (к примеру, из
журнала). Протереть спиртом, загрузить в лазерный принтер и распечатать данный
рисунок.
Подготовка подложки
· Необходимо вырезать пластину из
фольгированного текстолита необходимых размеров, на которой будет располагаться
схема. Также нужно не забывать оставлять место для монтажных отверстий.
· Провести химическую очистку (любыми
порошковыми средствами для чистки).
· Провести механическую очистку, чтобы
убрать окисел, который образовался во время прошлого процесса.
Нанесение рисунка на подложку
Для этого надо разогреть утюг примерно до 200 ˚С - 220 ˚С
градусов (температура плавления тонера). Наложить на медную поверхность
подложки топологический рисунок, который был распечатан на глянцевой бумаге,
рисунком к медной части. В течение 3 мин. провести под давлением термообработку
утюгом, поверх глянцевой бумаги.
Получение рисунка
После переноса рисунка пластина и шаблон под действием
температуры склеиваются. Надо поместить пластину под холодную воду на 2-3 мин.
Пока не размокнет бумагу. Далее бумага аккуратно снимается и на пластине
остается топологический зеркальный рисунок.
Травление
В данной работе используется химическое травление (раствором
хлорного железа с водой). Особенность его заключается в том, что медь которая
не защищена резистом удаляется путем химической реакции. Но эта реакция
протекает, как вертикально так и горизонтально. Горизонтальное травление может
подтравливать медь под резист, это в свою очередь может снижать максимальный
ток, который будет протекать по этой дорожке. И потому еще на самом начальном
этапе это надо учитывать при создании топологического рисунка. Этот
отрицательный эффект можно уменьшить путем правильного выбора времени травления
и концентрацией активного вещества.
Очистка от активного вещества
Очистка происходит путем тщательного промывания проточной
водой.
Отверстия
Отверстия делаются в соответствии с размерами выводов
элементов, которые будут устанавливаться и места монтажа. И их делают в
соответствующих местах, устанавливаемых при создании топологического рисунка.
Очистка платы от резиста выполняется в два этапа:
· Химическая (растворителя)
· Механическая, чтобы удалить окись образовавшийся
после химического растворителя.
Установка и пайка элементов
Последний, но не менее важный процесс, это установление
элементов схемы. Здесь использовался флюс спиртоканифольный и припой (ПОС-61).
Главное на данном этапе - это не сжечь элемент который устанавливается. Для
этого лучше всего использовать маломощную паяльную станцию с возможностью регулировки температуры.
Программирование микросхемы
Программы для микропроцессора
Программа для микропроцессора («прошивка») должна
соответствовать расстоянию между оптопарами хронографа. Чем больше это
расстояние («база»), тем точнее результат измерения скорости пули. Прошивка,
как правило, подходит только для того типа микроконтроллера, для которого она
разработана. В настоящее время для микроконтроллера PIC 16F630 разработаны и
доступны для применения прошивки с такой базой:
· с базой 100 миллиметров
· с базой 150 миллиметров
· с базой 50 миллиметров
· с базой 64 миллиметра
Прошивка загружается в микроконтроллер с помощью специального
устройства, которое называется программатор. Вам подойдет любой
программатор, который умеет работать с микроконтроллерами PIC 16F630.
Подходящий прогамматор можно найти во многих местах, связанных с изготовлением
и ремонтом электронной аппаратуры, а также у тех, кто продает микроконтроллеры
(как у организаций, так и у частных лиц).
Схем программаторов очень много. Один из вариантов
программатора, способного работать с микроконтроллерами PIC 16F630, управляющая
им программа и немного советов по работе с ним описаны далее на этой странице.
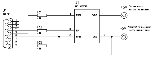
Схема программатора
Рис. 7. Схема программатора
Этот простой программатор можно собрать навесным монтажом
(т.е. без изготовления печатной платы), припаяв резисторы непосредственно к
выводам разъема и к выводам «кровати» для установки контроллера. Обратите
внимание, что для подключения программатора к разъему, расположенному на
корпусе компьютера, Вам потребуется разъем - «мама», DB-9F.
В последнее время, и ообенно на ноутбуках, встречаются
COM-порты, работающие с уровняими сигнала +3V/-3V (а традиционно это +10V/-10V,
на них и расчитан приведенный выше программатор). К сожалению, нет уверенности,
что программатор, собранный по предложенной здесь схеме, сможет нормально
работать, если он будет подключен к такому низковольтному COM-порту.
Но даже «традиционные» (+10V/-10V) COM-порты не могут
обеспечить питание, достаточное для работы микроконтроллера в режиме
программироания. Поэтому требуется запитать микроконтроллер от внешнего
источника стабилизированного напряжения +5V. Например, можно запитать
программатор от компьютера, взяв +5V от свободного разъема, имеющегося в
компьютере для питания винчестера или дисковода. Но обычно еще удобнее
запитывать программатор от порта USB, что и было сделано. Как правило, провода
в кабеле имеют стандартные цвета (красный, черный, желтый, зеленый); Вам нужны
красный (+5V) и черный («масса»). Но лучше все же убедиться в этом, подключив
кабель USB к компьютеру и проверив тестером полярность напряжения на проводах
кабеля.
Управляющая программатором программа
Для управления программатором, собранным по приведенной выше
схеме, можно использовать програму IC-Prog.
. Эксплуатация
Работа в режиме измерения скорости
· После включения питания
происходит самодиагностика прибора - «ТЕСТ» (индикация «888», если загрязнился
первый датчик - «[», если загрязнился второй датчик - «]»), к сожалению, в
данной модификации, алгоритм программы не предусматривает диагностику датчиков
во время работы;
· При замере сначала
отображается в течении 1 сек. текущий номер замера, затем собственно значение
измеренной скорости в м/с.
Хранение результатов замеров
Хронограф имеет возможность сохраненить значения замеров в
энергонезависимой памяти (до 60 замеров):
· При включении питания
хронограф определяет номер последнего замера и продолжает нумерацию и запись
значений дальше;
· При достижении последней
свободной ячейки памяти нумерация автоматически сбрасывается в начало;
· Для обнуления памяти
необходимо нажать кнопку, включить питание и удерживать ее до появления
индикации 888.
Просмотр записанных результатов замеров
· Выход из режима просмотра
записанных результатов осуществляется отключением питания или по достижению
конца списка записанных результатов.
Результаты измерений, сделанные с помощью хронографа, можно
загрузить в персональный компьютер по интерфейсу RS-232. Сделать это можно с
помощью программы Chronos (535Кб), интерфейс которой выглядит вот так:
Рис. 8. Интерфейс программы для исследования полученных
данных
Выводы
В данной работе было спроектировано и реализовано устройство
для измерения начальной скорости пули - хронограф. В процессе работы была
разведена и изготовлена печатная плата, на которую был произведен монтаж
элементной базы. Устройство можно запитать от внешнего блока питания или же от
батареи гальванических элементов формата АА.
После сборки устройство было проверено на работоспособность,
а так же на точность измерений. Был проведен эксперимент в ходе которого были
сравнены показания собранного устройства с устройством, изготовленным
промышленным производителем. Полученные данные несколько отличаются. Эту
погрешность можно объяснить невозможностью проведения серии выстрелов с
одинаковой скоростью. Так как разность между измерениями двух хронографов
составляет 1-2 м/с, то можно сделать вывод, что собранный прибор работает
исправно и имеет удовлетворительную точность.
Таким образом, данное устройство можно применять для
хронографирования airsoft-версий оружия, прошедших внутреннюю доработку деталей
для улучшения характеристик выстрела.
Список литературы
1. http://ourguns.ru/armory_news/post-1.79.html
2. http://chronolite2.narod.ru/
. Чубенко А. «Джерело живлення»