Сигнал линейно-частотной модуляции в среде MatLAB – Simulink
Введение
- интерактивный инструмент для
моделирования, имитации и анализа динамических систем. Он дает возможность
строить графические блок-диаграммы, имитировать динамические системы,
исследовать работоспособность систем и совершенствовать проекты. Simulink
полностью интегрирован с MatLAB, обеспечивая немедленным доступом к широкому
спектру инструментов анализа и проектирования. Эти преимущества делают Simulink
наиболее популярным инструментом для проектирования систем управления и
коммуникации, цифровой обработки и других приложений моделирования.
В данной работе будем модулировать
сигнал линейно-частотной модуляции с несущей частотой 9 кГц и девиацией частоты
1 кГц. А так же сформируем полосно-пропускающий фильтр с частотой резонанса 9
кГц и граничными частотами 8,5 кГц и 9,5 кГц.
Полосно-пропускающий фильтр -
электронный или любой другой фильтр, который пропускает частоты, находящиеся в
некоторой полосе частот, и не пропускающий колебания с частотами, выходящими за
пределы этой полосы. Эта полоса подавления характеризуется шириной пропускания.
В ходе выполнения работы будут
исследованы основные характеристики фильтров, такие как: амплитудно-частотная
характеристика (АЧХ), переходная и импульсная характеристики, распределение
спектральной плотности сигнала. Будет рассмотрено преобразование основных
характеристик фильтра при изменении некоторых его параметров, таких как
сопротивление резистора и ёмкость конденсатора.
Задание
Сформировать в среде MatLAB -
Simulink сигнал линейно-частотной модуляции с несущей частотой 9 кГц и
девиацией частоты 1 кГц.
Сформировать аддитивную смесь
сигнала и белого гауссовского шума, обеспечив заданное вариантом отношение
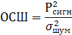
сигнал/шум, ОСШ=0.3.
Определить спектральную плотность
сформированного сигнала (п. 1), а также спектральную плотность аддитивной смеси
сигнала и шума, сформированную согласно п. 2.
Средствами MatLAB - Simulink
разработать (синтезировать) фильтр, вид и параметры которого определяются
согласно номеру варианта.
Снять передаточную АЧХ фильтра.
Снять переходную характеристику
фильтра.
Снять импульсную характеристику
фильтра.
Исследовать преобразования сигнала
(п. 1 и п. 2) в фильтре (п. 4), при изменении параметров фильтра.
Исследовать преобразование
спектральной плотности аддитивной смеси сигнала и шума (п. 2) в фильтре (п. 4),
при изменении параметров фильтра.
Задание 1
Сформируем в среде MatLAB - сигнал,
состоящий из последовательных пилообразных импульсов несущей частотой 9 кГц и
девиацией частоты 1кГц. Этот сигнал реализован путём перемножения последовательных
пилообразных импульсов частотой 9кГц и изменяющегося во времени синусообразного
сигнала с Дев. Частотой 1кГц. На рисунке 1 показана модель, иллюстрирующая
технологию получения сигнала.
На рисунке 2 мы видим результаты
моделирования.
Рисунок 1 - Модель, иллюстрирующая
технологию получения сигнала
Рисунок 2 - Изменяющийся во времени
синусообразный сигнал
Задание 2
Требуется сформировать
смесь белого гауссовского шума и сигнала, отношение сигнал/шум = 0,3.
Рассчитывать мощность гауссовского шума будем при помощи формулы 1, в которой
ОСШ - отношение сигнал/шум, 
- мощность сигнала, 
- мощность шума (Noise
power). Выразив мощность шума получим формулу 2
(1)
(2)
где 
- мощность шума (noise power),
являющаяся параметром блока Band Limited White-Noise.
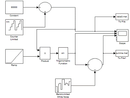
Рисунок 2.3 - Модель смеси сигнала с
шумом
Смесь шума и сигнала реализуем путем
сложения исходного сигнала и белого гауссовского шума, модель изображена на
рисунке 3. Результаты моделирования изображены на рис. 4.
Рисунок 2.4 - Результаты
моделирования: 1,2 - графики исходных сигналов, 3 - график смесь сигнала с шумом
Аддитивный белый гауссовский шум
(АБГШ, англ. AWGN) - вид мешающего воздействия в канале передачи информации.
Характеризуется равномерной спектральной плотностью, нормально распределённым
значением амплитуды и аддитивным способом воздействия на сигнал. Наиболее
распространённый вид шума, используемый для расчёта и моделирования систем
радиосвязи. Термин «аддитивный» означает, что данный вид шума суммируется с
полезным сигналом. В противоположность аддитивному, можно указать
мультипликативный шум - шум, перемножающийся с сигналом.
Задание 3
Определим спектральную плотность
сигнала и смеси сигнала с шумом. Для определения спектральной плотности запишем
сигнал и смесь сигнала в файлы, для этого воспользуемся блоком «To File», модель показана на
рисунке 5.
Рисунок 5 - Запись сигналов в файлы
Рисунок 6 - Код для обработки
сигналов
Обработку файлов будем производить с
помощью кода приведенного на рисунке 6.
Рисунок 7 - Спектр сигнала
Спектры сигнала и сигнал с шумом
показаны, на рисунке 2.7 и рисунке 2.8 соответственно.
Рисунок 8 - Спектр сигнала с шумом
Задание 4
С использованием пакета MatLAB -
Simulink создадим модель полосно - пропускающего фильтра с частотой резонанса 9
кГц и граничными частотами: 8,5 кГц и 9,5 кГц.
Синтезируем полосно-пропускающий
фильтр, на основе последовательного колебательного контура. Для расчета фильтра
воспользуемся формулой:

(3)
Из формулы (3) выразим L:

(4)
Модель иллюстрирующая работу фильтра
изображена на рисунке (9)
Рисунок 9 - Модель
полосно-пропускающего фильтра
Сигнал, прошедший через фильтр
показан на рисунке 10
Рисунок 11 - Сигнал с шумом
прошедший через фильтр
Задание 5
Расчет АЧХ фильтра будем производить
с использованием формулы 6.
На рисунке 12 представлен код
программы для расчета АЧХ фильтра.
Рисунок 12 - Код для расчета АЧХ ППФ
Рисунок 13 - АЧХ
полосно-пропускающего фильтра, рассчитанный с помощью кода
Рисунок 14 - АЧХ
полосно-пропускающего фильтра, полученная через LTI Viewer
Задание 6
Исследуем переходную характеристику
ППФ фильтра, путем подачи на него сигнала с блока Step.

Рисунок 15 - Переходная
характеристика фильтра
Задание 7
Исследуем импульсную характеристику
фильтра, путем подачи на вход единичного импульса.
Рисунок 16 - Модель, для получения
импульсной характеристики фильтра
Рисунок 17 - Импульсная
характеристика фильтра
Задание 8
Исследуем преобразования АЧХ
фильтра, при изменении граничных частот f1=7,5кГц и f2=9,5кГц. Для этого, пересчитаем
параметры фильтра с помощью формул 2.6 и 2.7, L=0.1033 Гн, R=630 Ом.
Рисунок 18 - АЧХ фильтра с
измененными параметрами
Рисунок 19 - Исходный сигнал с
измененными параметрами фильтра
Рисунок 20 - Результат прохождения
смеси сигнала с шумом, через фильтр с измененными параметрами
Задание 9
Исследуем преобразование
спектральной плотности аддитивной смеси сигнала и шума в фильтре, при изменении
граничных частот f1=7,5кГц и f2=9,5кГц. Для этого, пересчитаем параметры фильтра с помощью
формул 2.6 и 2.7 L=0.1033 Гн, R=630 Ом.
Спектр сигнала, прошедший через
фильтр с измененными параметрами представлен на рисунке 21.
Рисунок 21 - Спектр сигнала, прошедший
через фильтр с измененными параметрами
Заключение
В данной работе была изучена
технология моделирования радиоэлектронных цепей и устройств, получены навыки
работы с моделями радиоэлектронных цепей и устройств с помощью пакета
прикладной программы MatLAB - Simulink.
В ходе выполнения работы был
смоделирован ЛЧМ сигнал с несущей частотой 9 кГц и девиацией частоты 1 кГц. А
также были рассчитали спектры сигналов, и составлены графики. Спектр сигнала
показывает распределение мощности сигнала в зависимости от частоты.
Был смоделирован полосно -
пропускающий фильтр с частотой резонанса 9 кГц, и граничными частотами: 8,5 кГц
и 9,5 кГц. Снята переходная и импульсная характеристики фильтра. Переходная
характеристика показала реакцию фильтра на единичное ступенчатое воздействие
при нулевых начальных условиях. Импульсная характеристика показала отклик
фильтра на короткий импульс высокой амплитуды.
Список использованных
источников
simulink
фильтр моделирование имитация
1. Кетков, Ю.Л. MATLAB
8: программирование, численные методы / Ю.Л. Кетков, А.Ю. Кетков - СПб.:
БХВ-Петербург, 2006. - 762 с.
. MATLAB 6.5 SP1/7/7 SP1
+ Simulink 5/6. Работа с изображениями и видеопотоками: научное издание / В.П.
Дьяконов. - М.: СОЛОН-Пресс, 2005. - 395 с.
3. Дьяконов, В.П. MATLAB 6.5 SP1/7 +
Simulink 5/6. Обработка сигналов и проектирование
фильтров. Серия Библиотека профессионала / В.П. Дьяконов. - М.: СОЛОН-Пресс,
2005. - 576 с.
. Ануфриев, И.Е. MATLAB
8 / И.Е. Ануфриев, А.Б. Смирнов, Е.Н. Смирнова. - СПб.: БХВ-Петербург, 2009. -
1138 с.
. Атабеков Г.И.
Теоретические основы электротехники. Линейные электрические цепи. Учебник для
ВУЗов. М.: Энергия, 1978 - 592 стр.
6. В.В. Муханов, А.Г.
Бабенко, ПАРАЛЛЕЛЬНЫЙ КОЛЕБАТЕЛЬНЫЙ КОНТУР, ГОУ ВПО УГТУ−УПИ,
Екатеринбург, 2009