Розробка автоматизованої системи аналізу виконання робіт з ремонту та обслуговування на СТО

  • Вид работы:
    Дипломная (ВКР)
  • Предмет:
    Информационное обеспечение, программирование
  • Язык:
    Украинский
    ,
    Формат файла:
    MS Word
    829,58 Кб
  • Опубликовано:
    2013-10-11
Вы можете узнать стоимость помощи в написании студенческой работы.
Помощь в написании работы, которую точно примут!

Розробка автоматизованої системи аналізу виконання робіт з ремонту та обслуговування на СТО

ЗМІСТ

ВСТУП

1. Загальні відомості про СТАНЦІЇ ТЕХНІЧНОГО ОБСЛУГОВУВАННЯ

1.1 Принцип роботи СТО

.2 Характеристика аналізуємої станції тех. обслуговування

.3 Види робіт що виконує СТО

.4 Зовнішня структура об’єкту

. АНАЛІЗ ПРОБЛЕМНОЇ ОБЛАСТІ УПРАВЛІННЯ ВИКОНАННЯМ РОБІТ НА СТАНЦІЇ ТЕХНІЧНОГО ОБСЛУГОВУВАННЯ

.1 Аналіз об’єкту управління СТО

.2 Аналіз існуючої системи аналізу виконання робіт на СТО

.3 Аналіз існуючих теоретико-практичних розробок по створенню інформаційних систем

.4 Модель аналізу виконання робіт з ремонту й обслуговування на СТО

3. Вирішення проблеми комп’ютерним шляхом

3.1 Проектування системи аналізу виконання робіт з ремонту й обслуговування на СТО

.2 Технічне завдання на розробку автоматизованої системи обробки інформації

.3 Аналіз варіантів використання системи

.4 Розробка концептуальної моделі предметної області

.5 Розробка реальних прецедентів і визначення системних операцій

.6 Опис програмного забезпечення

.7 Діаграма розміщення

.8 Аналіз можливих застосувань системи

ВИСНОВКИ

Перелік використаних джерел

Додатки

ВСТУП

За останні роки значно зріс об'єм і обіг інформації у всіх сферах життєдіяльності людини: економічної, фінансової, політичної, духовної. І процес накопичення, обробки і використання знань постійно прискорюється. Вчені стверджують, що кожні десять років кількість інформації збільшується удвічі. У зв'язку з цим виникає необхідність використання автоматичних засобів, що дозволяють ефективно зберігати, обробляти і розподіляти накопичені дані.

Виходячи з сучасних вимог, що пред'являються до якості роботи фінансової ланки будь-якого підприємства, не можна не відзначити, що ефективна робота його цілком залежить від рівня оснащення компанії інформаційними засобами на базі комп'ютерних систем.

Розвиток автобізнесу у всьому світі на сучасному етапі також досить часто представляється практично неможливим без впровадження систем автоматизації. Керівництво багатьох компаній: від невеликих фірм до крупних корпорацій вже давно оцінило всі переваги від впровадження систем автоматизації і інтеграції бізнес-процесів. Впровадження навіть простої програми за розрахунком вартості послуг автосервісу дозволяє економити до 30 % бюджету організації.

Автоматизація будь-якого підприємства починається з бухгалтерії, що входить в поняття автоматизації бухгалтерського обліку. Щодня підприємство стикається з рядом однотипних операцій. До таких операцій відносяться виставляння рахунків і рахунків-фактур, занесення даних в базу, складання звітів. Автоматизація обліку дозволяє дані процедури зробити повністю автоматичними. Скорочення помилок і часу при введенні однотипних операцій досягається за рахунок вмісту даних форм в програмах.

Автоматизація підприємства дозволяє звести до мінімуму людський чинник, упорядкувати весь бухгалтерський облік. Адже недбале ведення обліку може привести до порушення роботи підприємства і в крайніх випадках до ліквідації даних фірм.

Можна довго продовжувати описувати переваги автоматизації бухгалтерського обліку. Залишається зробити вибір яку програму придбати. На сьогоднішній день ринок налічує велика кількість програм що дозволяють проводити автоматизацію бухгалтерії.

У таких програмах слід всього лише вказати дані про найменування організації, реквізити компанії, контактну інформацію підприємства і реєстраційні дані. Все інше програма виконуватиме сама.

Автоматизація підприємства - це дорога до чіткої, стабільної і ефективної можливості вести відкритий бізнес, але рекомендується брати приклад з компаній, які вже накопили чималий досвід в розробці систем автоматизації для автомобільного бізнесу.

Комп'ютерний облік має свої особливості і радикально відрізняється від звичайного. Комп'ютер не лише полегшує облік, скорочуючи час, потрібний на оформлення документів і узагальнення накопичених даних для аналізу ходу виробничої діяльності, необхідного для управління нею, але й допомагає мобілізувати та прискорити дії бухгалтерського відділу підприємства.

Саме тому метою даного дипломного проекту є розробка автоматизованої системи аналізу виконання робіт з ремонту й обслуговування.

Об’єктом дослідження є приватне підприємство - станція технічного обслуговування (СТО) Зазначена мета реалізується шляхом рішення наступних завдань:

·   аналіз програмних пакетів, що пропонуються для автоматизації аналізу виконання робіт з ремонту й обслуговування;

·   аналіз динаміки виконання робіт з ремонту й обслуговування;

·   аналіз темпу зростання виконаних замовлень та коефіцієнта інтенсивного завантаження підприємства;

·   реалізація розробленої системи аналізу виконання робіт з ремонту й обслуговування;

·   економічне оцінювання ефективності процесу впровадження вибраної системи аналізу виконання робіт з ремонту й обслуговування;

·   забезпечення безпеки і життєдіяльності на підприємстві.

Основним завданням даної проектованої системи є аналіз і оперативне регулювання бухгалтерських операцій, підготовки стандартних документів для зовнішнього середовища (рахунків, звітів).

інформаційний автоматизований інформація обробка

Розділ 1. Загальні відомості про станції технічного обслуговування

        

         1.1 Принцип роботи СТО

Автомобільний транспорт відіграє велику роль в економічному і соціальному житті суспільства. Він відрізняється високою маневреністю і здатністю здійснювати пряму доставку вантажів і людей (без участі інших видів транспорту).

Завдяки високій мобільності автомобільного транспорту він широко використовується на перевезеннях вантажів і пасажирів, як в середині міст (районів), так і в міжміському (міжрайонному) і міжнародному повідомленнях.

В умовах переходу до ринкової економіки автомобільний транспорт з'явився свого роду полігоном, де почався процес приватизації державної власності та розукрупнення підприємств. В даний час тут діє значна кількість малих підприємств і індивідуальних підприємців, які виконують великі обсяги робіт з перевезень вантажів, а також з технічного обслуговування і ремонту автотранспортних засобів.

Сприятливі перспективи у розвитку малого підприємництва на автомобільному транспорті відкриваються у зв'язку із заходами з регулювання транспорту, Програмою, зокрема, передбачено: створення економічного механізму оновлення та модернізації транспортних засобів; формування ефективних систем контролю якості робіт і послуг; вдосконалення організації дорожнього руху та СТО з застосуванням сучасних технічних засобів.

Сучасні СТО - це багатофункціональні підприємства, які в залежності від потужності та призначення виробляють: ТО і ТР автомобілів у гарантійний та післягарантійний період експлуатації; діагностування вузлів і агрегатів, антикорозійний захист кузовів, капітальний ремонт агрегатів; підготовку автомобілів до технічного огляду; продаж і передпродажну підготовку автомобілів; продаж запасних частин, експлуатаційних матеріалів і авто приладів, надання технічної допомоги на дорогах; консультації з питань технічної експлуатації автомобілів.

За принципом розміщення СТО поділяються на міські та дорожні.

Міські СТО призначені для обслуговування в основному постійного парку легкових автомобілів населення, дорожні станції - для обслуговування автомобілів, що знаходяться в дорозі. Такий поділ визначає різницю в технологічному оснащенні станцій. Так, обов'язкові на міських станціях ділянки кузовних і фарбувальних робіт на дорожніх станціях можуть бути відсутні.

Дорожні станції обслуговування є універсальними станціями для обслуговування і ремонту легкових та вантажних автомобілів і автобусів. Вони мають від одного до п'яти робочих постів і призначені для виконання мийних, мастильних, кріпильних, регулювальних робіт, усунення дрібних відмов і несправностей, що виникають в дорозі, а також для заправки автомототранспорту паливом і маслом. Дорожні станції завжди споруджуються в комплексі з автозаправними станціями.

В процесі експлуатації автомобіля його надійність та інші властивості поступово знижуються внаслідок зношування деталей, а також корозії і втоми матеріалу з якого вони виготовлені. В автомобілі з'являються різні несправності, які усувають при ТО та ремонті.

Необхідність і доцільність ремонту автомобілів обумовлено перш за все міцністю їх деталей і агрегатів. Відомо, що створити рівно-прочний автомобіль, всі деталі якої зношувалися б рівномірно і мали однаковий термін служби, неможливо.

Отже, створити сучасний автомобіль навіть тільки шляхом заміни деяких деталей і агрегатів, що мають невеликий ресурс, завжди доцільно і з економічної точки зору виправдано. Тому в процесі експлуатації автомобілі на СТО піддаються всім видам обслуговування та поточного ремонту, який здійснюється шляхом заміни окремих деталей і агрегатів, які відмовили в роботі. Це дозволяє підтримувати автомобілі в технічно справному стані.

При тривалій експлуатації автомобілів досягається такий стан, коли витрати коштів і праці, пов'язані з підтриманням їх у працездатному стані в умовах СТО стає більше прибутку, ніж яку вони приносять в експлуатації. Таке технічний стан автомобілів вважається граничним, і вони направляються в ремонт.

Завданням технічного обслуговування і поточного ремонту автомобілів, як сфери практичної діяльності СТО є підтримка і відновлення працездатності автомобільного парку.

Всі підприємства автомобільного транспорту можна розділити на три групи за їх призначенням:

експлуатаційні, до яких відносяться автокомбінати, автопарки та інші автотранспортні підприємства;

обслуговуючі, які здійснюють обслуговування рухомого складу різних підприємств, організацій та індивідуальних власників;

ремонтні, здійснюють капітальний ремонт автомобільних агрегатів і вузлів.

Експлуатаційні підприємства здійснюють перевезення вантажів і пасажирів, технічне обслуговування, ремонт та зберігання свого рухомого складу.

До обслуговуючих підприємств відносяться всі станції технічного обслуговування, гаражі-стоянки, готелі для автотуристів, кемпінги та АЗС. Всі вони обслуговують автовласників приватників, а так же водіїв, які здійснюють поїздки в службових автомобілях.

Особливе місце в підтриманні авто та обладнання в експлуатаційному стані займає поточний ремонт, завданням якого є відновлення втраченої споживчої вартості засобів праці у зв'язку із зносом.

Витрати на ТО та ремонт автомобілів на автотранспортних підприємствах і станціях ТО залишаються ще досить високими. При цьому велике число автомобілів експлуатується з несправностями і значними відхиленнями регулювальних параметрів технічного стану агрегатів і механізмів від оптимальних, залишається високою і частка дорожньо-транспортних пригод, викликаних несправностями і відмовами автомобілів, по великому числу автомобілів спостерігається підвищена витрата палива і запасних частин. Крім того в капітальний ремонт спрямовуються автомобілі з невиробленим до 30% і більше ресурсом, а якість їх ремонту залишається на низькому рівні.

До основних факторів, що визначають такий незадовільний стан справ, відносять недотримання вимог існуючої системи технічної експлуатації автомобілів на всіх стадіях їх існування: від розробки до списання, а так само не достатній рівень пристосованості автомобілів до технічного діагностування.

Найважливішою умовою високопродуктивної та безперебійної роботи рухомого складу автомобільного транспорту є забезпечення його сучасною виробничо-технічною базою по ремонту автомобілів, агрегатів та відновлення зношених деталей.

Головні завдання ремонтного виробництва полягають у подальшому розвитку централізованого ремонту машин і обладнання як найважливішої передумови впровадження прогресивних технологічних процесів, що забезпечують підвищення якості та ефективності ремонту складної сучасної техніки.

Автомобілі ремонтують агрегатним методом шляхом заміни деталей, вузлів, механізмів і агрегатів на нові або заздалегідь відремонтовані.

Технологічний процес ремонту автомобілів передбачає належне забезпечення підприємства запасними частинами, кріпильними виробами та автомобільними приладдям промислового виробництва.

Основна задача проектування полягає у створенні найбільш передових за технічним рівнем і найбільш економічних за капітальними витратами і експлуатаційним показниками підприємств, що особливо актуально в умовах ринкової економіки.

        

         1.2 Характеристика аналізуємої станції технічного обслуговування

Станція Технічного Обслуговування являє собою сучасний сервісний центр, Призначений для технічного обслуговування, а також різних видів ремонтних робіт автомобілів.

СТО оснащена сучасний технологічнім обладнанням зарубіжного виробництва. В розпорядженні є повний комплект спеціального інструменту та діагностичного обладнання для якісного обслуговування и ремонту автомобілів. Все обладнання має необхідні сертифікати відповідності нормативам Україні.

Співробітники СТО мають високий Рівень професійної підготовки та великий досвід роботи, а регулярна участь в спеціалізованих тренінгах дозволяє їм Постійно удосконалювати свою майстерність.

Персонал СТО пройшов Спеціальну кваліфікаційну підготовку. Більшість співробітників - досвідчені фахівці з досвідом роботи від 4 до 10 років з технічного обслуговування автомобілів.

Гарантія

Умови гарантії на виконані роботи відповідають умовам гарантії заводу-виробника за умови дотримання правил експлуатації та обслуговуванні автомобіля в гарантійний період.

Гарантія поширюється на:

• оригінальні ЗПЧ - 12 місяців без обмеження пробігу;

• регулювальні роботи - 20 діб або 1500 км пробігу;

• ремонтні роботи - 6 місяців або 25000 км пробігу.

        
1.3 Види робіт що виконує СТО

• передпродажну підготовку автомобіля

• діагностику, обслуговування та ремонт ходової частини автомобіля, з використанням спеціального інструменту та діагностичного обладнання, рекомендованого заводом-виробником;

• Перевірку та регулювання кутів установки коліс на комп'ютерному стенді.

• Шиномонтаж та балансування коліс.

• Діагностику та ремонт двигунів і трансмісій з технічних рекомендацій заводу-виробника з використанням спец інструменту.

• Комп'ютерну діагностику всіх електронних систем автомобілів та програмування блоків управління на оригінальному діагностичному обладнанні.

• Регулювання та встановлення світлотехніки.

• Заправку та ремонт автомобільних кондиціонерів.

• Очищення паливних систем, перевірку і ремонт паливної апаратури двигунів.

• Усі види кузовних робіт, включаючи відновлення геометрії кузова. Нові встановлені деталі кузова обробляються для більш тривалого терміну експлуатації.

• Комп'ютерну діагностику геометрії кузова та ремонт на стенді Autorobot.

• Фарбувальні роботи. Фарбувальний ділянка має 10 постів підготовки до фарбування і фарбувально-сушильну камеру Blowterm. При фарбуванні автомобілів використовуються лакофарбові матеріали фірми GLASURIT.

• Миття автомобілів, вузлів і агрегатів, хімчистку салону. Мийка розрахована на 5 автомобільних місць і виконується як вручну, так і безконтактним способом.

        
1.4 Зовнішня структура об’єкту

На СТО працюють три ділянки

Ділянка ТО і ремонту автомобілів:

• 4 підйомника для ТО і ремонту автомобілів;

• 2 поста регулювання геометрії коліс автомобіля;

• 2 поста з ремонту електрообладнання та паливної системи;

• 2 поста шиномонтажу;

• 5 машиномісць на мийці.

Ділянка малярно-рихтувальних робіт:

• 2 підйомника + 1 стенд Autorobot;

• 2 пости кузовних робіт;

• 5 постів малярно-підготовчих робіт;

• 1 пост підбору фарби;

• 1 фарбово-сушильна камера.

Ділянка по додатковому обладнанню автомобілів:

• 2 поста + 2 підйомника.

Розділ 2. Аналіз проблемної області управління виконанням робіт на станції технічного обслуговування

        

         2.1 Аналіз об’єкту управління на СТО

Характеристика діючої системи управління

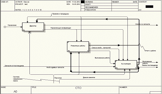
На підприємстві СТО керівництво формується трьома відділами. Це - директор, відділ бухгалтерії та секретар. Схема організаційної й функціональної структур представлена на рис. 2.1.

Для виконання завдання «Аналіз виконання робіт з ремонту й обслуговування» визначені наступні обмеження:

·   з одним замовником може бути укладено декілька договорів;

·   адреси й банківські реквізити можуть змінюватися.

Рис. 2.1. Схема управління на підприємстві СТО

До функцій директора СТО відноситься здійснення контролю за діяльністю роботи підприємства, підписання контрактів, угод, договорів з іншими підприємствами.

До функцій головного бухгалтера відноситься здійснення контролю за фінансовою діяльністю підприємства, за приходом і витратою коштів на підприємстві, веденням бухгалтерських документів, бухгалтерським обліком. Головний бухгалтер повинен забезпечувати своєчасну здачу щомісячних, квартальних і річних звітів у податкову інспекцію й інші фонди. Він постійно повинен виконувати роботу з різних ділянок бухгалтерського обліку, відображати в бухгалтерському обліку операції, що пов’язані з рухом грошових коштів і товарно-матеріальних цінностей та робити нарахування й перерахування платежів у державний бюджет, оплату податків, виплату заробітної плати працівникам, інших виплат. Забезпечувати контроль за своєчасним поданням звітів з кожної ділянки підприємства та наприкінці кожної неділі на підставі цих даних складати звіт директору підприємства, а також стежити за збереженням бухгалтерських документів, оформляти їх відповідно до встановленого порядку.

Основними функціями секретаря є виконання технічних функцій по забезпеченню й обслуговуванню роботи керівника підприємства, одержання від підрозділів необхідної керівникові інформації, виклик з доручення керівника працівників, забезпечення робочого місця керівника необхідним канцелярським приладдям. Секретар повинен приймати документи на підпис керівника й особисті заяви працівників, вести діловодство, підготовляти й здавати до архіву документи, вести телефонні переговори, приймати й відправляти факсові повідомлення, приймати відвідувачів.

         2.2 Аналіз існуючої системи аналізу виконання робіт з ремонту й обслуговування на СТО

Замовлення на ремонт та обслуговування автомобіля приймаються в відділі бухгалтерії. Після того як замовник ознайомиться зі списком замовлень (довідник послуг Д1), що пропонує СТО , він узгоджує всі умови з бухгалтером та складає і підписує договір (Д2) в 2-х екземплярах (один залишається підприємству, а інший забирає замовник).

Після того, як обидві сторони підписують договір, бухгалтер виписує квитанцію на оплату замовлених послуг (Т1). У разі якщо замовник сплачує квитанцію, віддається наказ на початок виконання замовлених послуг (Д3).

В кінці кожного тижня бухгалтер складає відповідно до сплачених квитанцій звіт виконаних замовлень (Т2). Відповідно виписаних і несплачених квитанцій також складається звіт (Т3).

Таким чином, вхідними документами є:

·   довідник послуг;

·   договір;

·   замовлення.

Вихідними документами є:

·   квитанція на оплату;

·   звіт сплачених замовлень;

·   звіт несплачених замовлень.

В таб. 2.1 та 2.2 представлено перелік вхідних та вихідних документів відповідно.

Таблиця 2.1

Перелік вхідних документів виконання замовлень на ремонт та обслуговування на СТО

Найменування форм вхідних документів

Ідентифікатор

Форма подання

Частота надходження

Джерело інформації

Довідник послуг

Д1

ручний документ

у міру надходження

бухгалтерія

Договір

Д2

ручний документ

у міру надходження

бухгалтерія

Замовлення

Д3

ручний документ

у міру надходження

замовник



Модель існуючого технологічного процесу обробки інформації з аналізу виконання робіт з ремонту й обслуговування представлено на рис. 2.2 у вигляді схеми документообігу, де взаємопов'язані завдання, виконавці, документи й операції з ними.

Таблиця 2.2

Перелік вихідних документів виконання замовлень на ремонт та обслуговування на СТО

Найменування форм вихідних документів

Ідентифікатор

Форма подання

Період видачі

Одержувач інформації

Квитанція на оплату

 Т1

екран, печатка

на вимогу

Гол. бухгалтер, директор

Звіт сплачених замовлень

Т2

екран, печатка

на вимогу

Гол. бухгалтер

Звіт несплачених замовлень

Т3

екран, печатка

на вимогу

Гол. бухгалтер


В умовах відносної невизначеності в податковій сфері підприємство СТО може сильно постраждати або навіть потерпіти крах, і всього лише з занедбаності в бухгалтерському обліку. При веденні бухгалтерського обліку ручним способом не рідкість навіть прості арифметичні помилки.

Істотним недоліком існуючої системі аналізу виконання робіт з ремонту й обслуговування на СТО є відособленість збору, обробки і використання інформації. Причому як окремі працівники, так і підрозділи підприємства в цілому не мають доступу до «чужої» бази даних, при необхідності збираючи потрібну ним інформацію самостійно.

Саме тому було прийнято рішення для аналізу та вдосконалення існуючої системи аналізу робіт з ремонту та обслуговування на СТО .

        
2.3 Аналіз існуючих теоретико-практичних розробок по створенню інформаційних систем

У даному огляді представлено аналіз використання пакетів прикладних програм розробки автоматизованої системи аналізу виконання робіт з ремонту й обслуговування на станціях технічного обслуговування.

В світі існує безліч уніфікованих систем автоматизації. Але досвід показує, що впровадження дорогих зарубіжних систем на підприємство автомобільної галузі досить часто себе не виправдовує, оскільки їх функціонал найчастіше використовуються не більше ніж на 10-15%. Це пояснюється тим, що на підприємствах даної галузі існує певна специфіка (законодавча, технологічна і інша), яка робить значний вплив на формування вимог до корпоративних інформаційних систем.

Для того, щоб зрозуміти, як вони функціонують, зважити всі плюси й мінуси, було розглянуто декілька програмних пакетів:

·   «Менеджер СТО»;

·   «Облік на СТО»;

·   «Менеджер автосервісу»;

·   «LogicStar-Avto»;

·   «АЛЬФА-АВТО: Автосалон+Автосервіс+Автозапчастини»;

·   «АвтоПідприємство».

«Менеджер СТО» - програмний продукт для обліку замовлень і клієнтів автосервісного центру. Дозволяє організувати розраховану роботу приймальників і менеджерів автосервісу на багато користувачів (по локальній мережі), попередній запис клієнтів на ремонт, аналізувати завантаженість і показники роботи сервісу [8].

Основні завдання продукту:

·   планування завантаження ремонтних постів СТО;

·   завантаженість кожного ремонтного поста і всього СТО;

·   планування завантаження слюсарів і механіків;

·   управління замовленнями;

·   попередній запис;

·   облік замовлень: роботи, виконавців і запчастин;

·   друк бланків замовлень;

·   зберігання контактних даних клієнта;

·   історія взаємин з клієнтом;

·   облік автомобілів клієнта;

·   історія ремонтів автомобілів клієнта;

·   облік джерел клієнтів;

·   дата реєстрації клієнта в системі;

·   відправка e-mail-повідомлень клієнтові.

Ця програма дозволяє розподіляти роботу між декількома користувачами за окремими робочими місцями. Кількість робочих місць обмежується розмірами локальної мережі організації.

Переваги: розподілена робота декількох операторів, низька ціна, прискорення процесу запису на обслуговування і оформлення замовлень, підвищення ефективності роботи і взаємодії персоналу автосервісу, підвищення якості управлінських рішень.

Розглянута програма призначена для станції технічного обслуговування більш розвиненого, ніж СТО. Вона вимагає від організаційної структури підприємства декілька операторів для обліку замовлень, локальну мережу та вихід до світової мережі, що спричинить більше витрат підприємства.

"Облік на СТО" - проста і зручна програма обліку роботи на станціях технічного обслуговування, шиномонтажних майстерень, автомийок та інших підприємствах подібної діяльності [9].

Можливості програми:

·   розрахунок заробітної плати співробітникам;

·   облік витрачених матеріалів;

·   створення замовлень;

·   етапи проходження замовлень від попереднього до завершення робіт по даному замовленню;

·   контроль виконання графіка замовлень;

·   оплата по замовленнях;

·   планування використання робочих місць;

·   замовлення товару у постачальників;

·   поставка товару на склад;

·   списання товару по замовленням;

·   різна інформація по клієнтам, включаючи дисконтні карти;

·   друк різних звітів;

·   система внутрішніх повідомлень (коли працюють декілька чоловік з програмою);

·   можливість вести декілька підприємств в одній базі даних.

Програма «Облік на СТО» поширюється за принципом «Спробуй перед тим, як купити» (shareware). Це означає, що:

·   всіма авторськими правами на програму «Облік на СТО» ексклюзивно володіє автор програми - компанія «Butsoft»;

·   можливість використовувати цю програму впродовж випробувального періоду в 40 днів. Для продовження користування програмою потрібно придбати ліцензію;

·   не ліцензована пробна версія програми «Облік на СТО» може поширюватися вільно (окрім випадків, обумовлених нижче) лише у тому вигляді, в якому вона поставляється, тобто без всяких змін.

·   програма «Облік на СТО» не передбачає жодних гарантій. Використання відбувається на свій власний ризик. Ні автор, ні його уповноважені агенти не несуть відповідальності за втрати даних, пошкодження, втрати прибутку або будь-які інші види втрат, зв'язані з використанням (правильним або неправильним) цієї програми;

·   установка і використання програми «Облік на СТО», свідчить про згоду підприємства з умовами даної ліцензії.

Розглянута програма вимагає ліцензованого використання, автори не несуть відповідальності за втрати даних, пошкодження, втрати прибутку або будь-які інші види втрат, тому для використання на СТО не буде розглянута.

Програма «Менеджер автосервісу» призначена для поліпшення якості обслуговування клієнтів, автоматизації документообігу і управлінського обліку з метою максимізації прибутковості СТО [10].

Програма розроблена в результаті 10-річної творчої співпраці фахівців компанії «Енергософтвер Консалтинг» з фахівцями автобізнесу, з врахуванням стандартів, бізнес-процесів і завдань, специфічних для автосервісних підприємств України.

Переваги:

·   максимізація прибутковості бізнесу за рахунок оптимального планування і використання ресурсів СТО, мінімізації рівня складських запасів за допомогою АВС-аналізу попиту на запчастини і витрати;

·   поліпшення якості обслуговування клієнтів шляхом прискорення бізнес-процесів запису на обслуговування, оформлення замовлень, оплати товарів і послуг з принципу «готовий автомобіль - готовий рахунок»;

·   підвищення якості управлінських рішень на основі результатів моніторингу і аналізу операційної ефективності роботи СТО в режимі реального часу;

·   дозволяє створити сучасну повнофункціональну інформаційну систему управління СТО з єдиним інформаційним простором, стандартизованими бізнес-процесами і централізованою базою даних;

·   масштабування інформаційної системи від одного до декількох десятків користувачів.

Розглянута програма передбачає використання зареєстрованих авторських прав та вимагає деяких фінансових вкладень, тому не може бути розглянута для придбання та впровадження на станції технічного обслуговування СТО.

«LogicStar-Avto» - це багатофункціональна система автоматизації підприємств сфери авто бізнесу, що спеціалізуються в області продаж та обслуговування автотранспорту [11].

Комплексна автоматизація оперативного обліку автопідприємства з використанням програмного забезпечення «LogicStar-Avto» дозволяє оптимізувати бізнес-процеси та підвищити відділ керування підприємства.

Система Logicstar-avto представлена базовими модулями оперативного обліку, що відображають ключові бізнес-процеси автоцентра, і додатковими функціональними можливостями, що забезпечують завдання управління автопідприємством і взаємодії із зовнішніми системами.

Всі модулі програми функціонують в єдиному інформаційному просторі, забезпечуючи базу для on-line аналізу результатів фінансово-господарської діяльності, планування ресурсів і ухвалення управлінських рішень.

Оперативність доступу до інформації про клієнтів, автомобілі і запчастини, зберігання історії обслуговування і рекомендацій, даних в процесі взаємодії з контрагентом, підвищує швидкість і якість обслуговування клієнтів.

Гнучкий багаторівневий індивідуальний підхід до прав користувачів, реєстрація історії змін інформації і аналіз роботи персоналу регламентує роботу з системою, запобігає виникненню помилок і стимулює ефективність співробітників.

Дана система автоматизації відмінно вписуватиметься в організаційну структуру широкопрофільних станцій технічного обслуговування, а так як на СТО менш вузька спеціалізація, тому розглянута система не може бути впровадженою на даному підприємстві.

Програма «АЛЬФА-АВТО: Автосалон+Автосервіс+Автозапчастини» [12].

Типове галузеве вирішення «Альфа-авто: Автосалон + Автосервіс + Автозапчастини» використовується для комплексної автоматизації оперативного обліку автосалонів, технічних центрів і інших організацій, основним видом діяльності яких є торгівля автомобілями, надання послуг з їх ремонту, а також роздрібна та оптова торгівля широкою номенклатурою автомобільних запчастин і шин.

Типове вирішення «Альфа-авто: Автосалон+Автосервіс+Автозапчастини» не є самостійною програмою і призначено для використання з компонентом «Оперативний облік» та програмою «1С:Підприємство 7.7».

Основні можливості програми:

·   система дозволяє планувати завантаження ремонтної зони, для цього в програмі є документ "Заявка на ремонт";

·   документ "ЗАМОВЛЕННЯ" є багатофункціональним документом. В ньому, можливо, фіксувати як виконані роботи, так і продані запасні частини, необхідні для виконання ремонту. Також в документі визначаються виконавці робіт. В разі виконання роботи декількома майстрами, встановлюється відсоток участі;

·   система підтримує можливість обліку видів ремонту, необмежених по кількості: поточного, гарантійного і др.;

·   в системі можливо ведення списку «Комплексних робіт», за допомогою якого можна формувати список, що складається з декількох робіт з бази нормативів системи;

·   програма дозволяє працювати із страховими компаніями і організаціями на обслуговуванні, виставляючи для них вартість нормо-годин відмінну від загальної.

Програма «АЛЬФА-АВТО: Автосалон+Автосервіс+Автозапчастини», як і інше програмне забезпечення, не може бути впроваджене на станції технічного обслуговування, тому що використовується з компонентом «Оперативний облік» та програмою «1С:Підприємство7.7».

Система «АвтоПідприємство» призначена для автоматизації документообігу автосервісних і авторемонтних підприємств (складський облік матеріалів і калькуляція робіт, виписка рахунків, замовлень, актів, накладних, ордерів і інших документів, ведення довідників, розрахунки, аналітика, звітність) - від приходу автомобіля на ремонт до передачі його власникові [13].

Основні характеристики системи «АвтоПідприємство»:

·   програма повністю формує весь перелік необхідних первинних документів для оформлення послуг з ремонту і продажу автозапчастин, веде облік клієнтів, їх автомобілів, історій ремонтів кожного автомобіля (коли був ремонт, хто його робив), містить в собі бази даних по нормах часу (у постачання входить більше 1 250 000 норм більш ніж по 60 марках автомобілів);

·   багаторівневий складський облік (4-х рівнева структура складу (стелаж, вертикальна секція, полиця, віконечко);

·   облік всіх операцій по ремонту транспортних засобів;

·   облік наданих послуг (прибуток, вкладені засоби, заробітна плата);

·   128 форм звітів. Складські звіти, звіти по товарах, замовленнях, касових операціях, аналіз продажів, руху фінансових потоків, по контрагентові, документообігу та ін.;

·   експорт інформації в зовнішні програми (збереження документів у форматі jpg, bmp, gif, wmf, emf, html, rtf, pdf, xls з якісним форматуванням);

·   самостійне налаштування і модифікація даних.

Система «АвтоПідприємство» більш відповідає вимогам підприємствам з продажу автомобілів, ніж станціям технічного обслуговування.

Всі ці приклади наведені для широкопрофільних підприємств, що розвивають різні напрямки розвитку підприємства (обслуговування, продаж, ремонт та ін.). Розглянувши ці та інші системи аналізу було зроблено висновок, що дані продукти не підходять.

З огляду на високу вартість, досить тривале впровадження та необхідність додаткових фінансових затрат розглянутих програмних пакетів, доцільно буде розробити програму на базі СУБД Microsoft Access. Переваги й можливості даної системи полягають у тім, що створювані Таб., форми, запити й звіти дозволяють швидко й ефективно обновляти дані, одержувати відповіді на запити, можливість здійснювати пошук потрібної інформації, аналізувати дані, друкувати звіти, діаграми.

Найголовніше те, що СУБД Microsoft Access не потребує високої кваліфікації користувача, досить легко освоюється та не потребує значних затрат.

Інформаційна система дозволить позбавити співробітника від рутинної повсякденної роботи по виписці відповідних документів. Оскільки раніше документи виписувалися вручну, в яких вказувалися реквізити, що повторюються, а також великий перелік номенклатури - це займало багато часу. Автоматизація дозволить значно скоротити час. У друкарській формі автоматично будуть вказані всі необхідні реквізити відповідно до встановленої форми друку документів.

За рахунок скорочення часу на виконання довгих рутинних робіт, можна буде підвищити трудомісткість співробітника, який зможе виконувати не лише свою роботу, але і взяти на себе ряд інших обов'язків.

        

         2.4 Модель аналізу виконання робіт з ремонту й обслуговування на СТО

Аналіз виконання робіт з ремонту і обслуговуванню служить базою для науково-обґрунтованого планування, оцінки і контролю роботи підприємства, виконання взятих зобов'язань, сприяє виявленню резервів, посиленню режиму економії і зміцненню господарського розрахунку.

Об'єм виконаних і об'єм замовлених послуг є взаємозв'язаними показниками. В умовах обмежених виробничих можливостей і необмеженого попиту на перше місце висувається об'єм виконаних послуг. Але у міру насичення ринку і посилення конкуренції не виробництво визначає об'єм виконаних послуг, а, навпаки, можливий об'єм виконаних послуг є основою розробки виробничої програми.

Важливе значення для аналізу мають натуральні показники об'ємів виконаних і замовлених послуг. Для визначення цих показників треба проаналізувати динаміку замовлених і виконаних послуг. Даний аналіз представлено у таб. 2.3.

Таблиця 2.3

Динаміка замовлених і виконаних послуг

Місяць

Кількість замовлених послуг

Кількість виконаних послуг

Абсолютне відхилення

Відносне відхилення, %

Січень

78

60

18

76

Лютий

79

65

14

82

Березень

105

94

11

89

Квітень

134

127

7

94





Разом:

396

346

50

87


Абсолютне відхилення розраховується за формулою:

АВ=Кз-Кв, (2.1)

де АВ - абсолютне відхилення,

Кз - кількість замовлених послуг,

Кв - кількість виконаних послуг,

АВ1=78-60=18; ВВ1=(60/78)*100%=76%;

АВ2=79-65=14; ВВ2=(65/79)*100%=82%;

АВ3=105-94=11; ВВ3=(94/105)*100%=89%;

АВ4=134-127=7; ВВ4=(127/134)*100%=94%;

ΔКв= Кв1+Кв2+Кв3+Кв4=60+65+94+127=346.

ΔКз= Кз1+Кз2+Кз3+Кз4=78+79+105+134=396.

Відносне відхилення розраховується за формулою:

ВВ=(Кв/Кз)*100% (2.2)

ВВ=(ΔКв/ΔКз)*100%=(346/396)*100%=87%.

З таблиці видно, 87% замовлених послуг є виконаними, тобто сплаченими і формують прибуток підприємства. Також просліджується зростання об'єму виконаних послуг з початку року. Для більш детального розгляду динаміки виконаних і замовлених послуг збудовано графік (рис 2.3).

З графіку видно, що від початку року крива виконаних послуг майже здоганяє криву замовлених послуг.

Але відсоток невиконаних послуг за звітний період (13%) негативно впливає не лише на підсумки діяльності даного підприємства, але і на роботу торгівельних організацій, організацій-постачальників сировини, транспортних організацій тощо.

Для більш детального аналізу виконання робіт з ремонту й обслуговування треба визначити коефіцієнт інтенсивного завантаження підприємства. Розрахунок здійснюється за формулою:

Кіз=Кв/Кз, (2.3)

де Кіз - коефіцієнт інтенсивного завантаження.

Кіз=346/396=0,8737

Коефіцієнт інтенсивного завантаження показує, що підприємство працює не на всю свою потужність. Це спричиняє зменшення прибутку підприємства. Крім того, в умовах конкуренції підприємство може втратити ринки збуту продукції, що надалі може призвести до більшого спаду виробництва.

Вартість замовлення (ціна з ПДВ) розраховується за формулою:

С=С*1,2, (2.4)

де С - сума замовлення.

Темп зростання виконаних (оплачених) замовлень для певного відрізку часу розраховується за формулою (для зразка проаналізовано 4 місяці):

Тзр=Т1*Т2*Т3*Т4…, (2.5)

Т1 - темп зростання виконаних замовлень за перший місяць року (в першому місяці року Т1=1,0),

Т2 - темп зростання виконаних замовлень за другий місяць року,

Т3 - темп зростання виконаних замовлень за третій місяць року,

Т4 - темп зростання виконаних замовлень за четвертий місяць року…

Т1=1,0;

Т2=Квл/Квс=65/60=1,08;

Т3=Квб/Квл=94/65=1,45;

Т4=Квк/Квб=127/94=1,35.

Тзр=1,0*1,08*1,45*1,35=2,11=211%-100%=111%

Розрахунок показав, що темп зростання виконаних замовлень за звітній період на СТО досить великий. За чотири місяці на підприємстві темп виконаних замовлень зріс на 111%.

Даний аналіз демонструє, що темп зростання виконаних замовлень за звітній період збільшився більш ніж удвічі, хоча коефіцієнт інтенсивного завантаження показує протилежне - за рахунок невиконаних послуг підприємство працює не на всю потужність. Також з аналізу зроблено висновок, що за звітній період динаміка виконаних і замовлених послуг є позитивною.

РОЗДІЛ 3. Вирішення проблеми комп’ютерним шляхом

        

         3.1 Проектування системи аналізу виконання робіт з ремонту й обслуговування на СТО

На етапі проектування потрібно вирішити, як будуть реалізовані заплановані можливості проекту. Для цього розробляється зовнішній дизайн програмного продукту, тобто вигляд системи, що проектується, з точки зору користувача.

Структуру і склад головного меню програми представлено на рис. 3.1. Меню програми дозволяє вибрати наступні режими роботи:

Рис. 3.1 Структура і склад головного меню програми

Для того щоб зробити замовлення, головний бухгалтер повинен натиснути пункт меню «Справочник клиентов», та заповнити відомості про замовника. Якщо замовник вже отримував послуги на підприємстві, то він вже збережений у довіднику, і повторно заповнювати відомості не треба.

«Справочник услуг» існує для того, щоб замовнику було зручніше обрати та замовити послугу. На цьому етапі замовлення головний бухгалтер лише має можливість добавити найменування послуги та вказати її ціну лише у тому випадку, якщо у довіднику її немає.

В пункті «Сделать заказ» головного меню головний бухгалтер може зробити замовлення, обравши ПІБ замовника з «Справочника клиентов», який вже є у цьому меню, та найменування обраної послуги. Також у цьому пункті меню обов’язково слід вказати кількість послуг, які хоче замовити клієнт.

Після обрання замовником послуг складається договір. Для того щоб головний бухгалтер міг пересвідчитись, що замовник оплатив вибрані їм послуги в структурі вікна меню «Подписать договор» розташована кнопка «Квитанция». В даному меню головний бухгалтер має змогу відслідкувати, які замовник замовив послуги, та за які послуги була здійснена оплата. В меню «Подписать договор» вводиться дата підписання договору, номер замовлення та кількість оплачених послуг. У полі «Примечание» вказується дата виконання замовлення, або які-небудь інші обговорені з замовником дії.

Для аналізу роботи підприємства, у програмі з правої сторони розташовані «Отчет за месяц», «Анализ выполненных работ» та «Темп роста выполненных услуг».

Для того щоб переглянути пункт меню «Отчет за месяц» система пропонує головному бухгалтеру ввести місяць та рік, за який той бажає переглянути інформацію. Якщо головний бухгалтер введе невірні дані, система у звіті видасть звістку про помилку.

Для того щоб переглянути пункт меню «Темп роста выполненных услуг» система пропонує головному бухгалтеру ввести рік, за який той бажає переглянути інформацію. Якщо головний бухгалтер введе невірні дані, система у звіті видасть звістку про помилку.

Щоб ці два пункти меню функціонували, в головному меню зліва передбачено відповідно кнопки «Таблица для отчета за месяц» та «Таблица для темпа роста».

Для того щоб переглянути пункт меню «Анализ выполненных работ» система пропонує головному бухгалтеру ввести рік, за який той бажає переглянути інформацію. Якщо головний бухгалтер введе невірні дані, система у звіті видасть звістку про помилку. В цьому пункті меню система видасть динаміку замовлених і виконаних послуг та коефіцієнт інтенсивного завантаження підприємства.

В цілому система досить легка в користуванні, головне меню зручне, а робота в програмі не обтяжує користувача проводити додаткові підрахунки, система все розраховує самостійно.

        

         3.2 Технічне завдання на розробку автоматизованої системи обробки інформації

Дана система призначається для автоматизації виконання робіт з ремонту й обслуговування на СТО.

Система призначається для введення, контролю, зберігання і обробки інформації про кількісні характеристики послуг, що пропонує підприємство. Метою створення системи, також, є своєчасне і точне забезпечення управлінського персоналу інформацією.

У таб. 3.1 представлено основні функції системи.

Таблиця. 3.1

Основні функції системи

№ п/п

Функції

Категорія

1

Формування бази замовлених послуг


1.1

Формування довідника послуг

очевидна

1.2

Формування договору

очевидна

1.3

Формування замовлення

очевидна

1.4

Розрахунок суми замовлених послуг

схована

1.5

Формування квитанції на оплату

схована

1.6

Формування звіту замовлених послуг

очевидна

2

Аналіз виконання робіт з ремонту й обслуговування


2.1

Аналіз динаміки замовлених і виконаних послуг

очевидна


 

2.2

Визначення коефіцієнта інтенсивного завантаження

очевидна

2.3

Визначення темпу зростання виконаних замовлень

очевидна

3

Підтримка бази даних


3.1

Запис в базу даних

очевидна

3.2

Корегування введеної інформації

очевидна

3.3

Видалення введеної інформації

очевидна


Під атрибутами проектованої системи розуміються якісні і технічні характеристики системи, які дозволяють оцінити властивості проектованої системи та задовольнити певні потреби користувачів системи: стиль інтерфейсу, адаптованість, відмовостійкість системи, і тому подібне. Атрибути проектованої системи представлені в таб. 3.2.

Таблиця 3.2

Атрибути проектованої системи

№ п/п

Атрибути

Значення або обмеження

1

Час відгуку системи

Після запиту користувача інформація на екрані повинна з'явитися протягом 5 секунд

2

Стиль інтерфейсу

Діалогові вікна

3

Відмовостійкість

Обробка інформації здійснюється протягом 24 годин, навіть при наявності перебоїв у мережі

4

Платформа

Microsoft Windows XP

5

Адаптованість

Можливість використання системи для аналогічних цілей на інших підприємствах


         3.3 Аналіз варіантів використання системи

Варіанти використання описують не лише взаємодії між користувачами і системою, але також реакції системи на здобуття окремих повідомлень від користувачів і сприйняття цих повідомлень за межами системи. Варіанти використання включають в себе опис особливостей способів реалізації системи і різних виняткових ситуацій, таких як коректна обробка помилок системи. Безліч варіантів використання в цілому визначає всі можливі сторони очікуваної поведінки системи.

Ситуація формування бази замовлених послуг. Головний бухгалтер здійснює запуск системи. Головний бухгалтер вибирає пункт меню «Довідник» та вводить дані про послугу(и), або ж пункт меню «Договір» чи «Замовлення», вводить дані замовника, корегує інформацію. Якщо інформація була введена вірно, зберігає створений документ. Далі головний бухгалтер натискає кнопку «Розрахувати» і система розраховує суму замовлених послуг і друкує квитанцію на оплату. Замовник повинен оплатити дану квитанцію. На підставі цих квитанцій, наприкінці кожного місяця головний бухгалтер складає звіт замовлених послуг (виконаних та невиконаних).

Ситуація аналізу виконання робіт з ремонту й обслуговування. На підставі щомісячних звітів, головний бухгалтер проводить аналіз виконання робіт з ремонту й обслуговування. Головний бухгалтер розраховує абсолютне та відносне відхилення, коефіцієнт інтенсивного завантаження та темп зростання виконаних (оплачених) замовлень за певний проміжок часу та на підставі цих розрахунків проводить аналіз роботи підприємства.

Ситуація підтримки бази даних. Головний бухгалтер запускає базу даних, перевіряє програму антивірусною програмою на віруси, вводить інформацію, корегує її, додає нову або ж видаляє непотрібну інформацію.

На рис. 3.2 зображено діаграму прецедентів системи SYS_ANALIZ.

Для зручності безліч варіантів використання може розглядатися як окремий пакет.

Прецедент «Формування бази замовлених послуг» складається з функцій, опис яких наведено в таб. 3.3 - 3.8.

Таблиця 3.3

Опис функції «Формування довідника послуг»

Прецедент

Формування довідника послуг

Виконавець

Головний бухгалтер

Мета

Внесення інформації у довідник послуг

Опис

Головний бухгалтер запускає систему. Вибирає пункт меню «Довідник». Якщо замовленої послуги немає в довіднику, головний бухгалтер вводить та зберігає її

Тип

Основний, ідеальний

Посилання

1.1, 3.1, 3.2, 3.3




Таблиця 3.4

Опис функції «Формування договору»

Прецедент

Формування договору

Виконавець

Головний бухгалтер

Мета

Складання договору для виконання замовлення

Опис

Головний бухгалтер запускає систему, вибирає пункт меню «Договір». Вводить дані замовника, корегує та зберігає створений документ

Тип

Основний, ідеальний

Посилання

1.2, 3.1, 3.2

Таблиця 3.5

Опис функції «Формування замовлення»

Прецедент

Формування замовлення

Виконавець

Головний бухгалтер

Мета

Формування замовлення для подальшого виконання

Опис

Головний бухгалтер запускає систему. Вибирає пункт меню «Замовлення». Вибирає відповідну(і) послугу(и)

Тип

Основний, ідеальний

Посилання

1.3, 3.1, 3.2


Таблиця 3.6

Опис функції «Розрахунок суми замовлених послуг»

Прецедент

Розрахунок суми замовлених послуг

Виконавець

Система

Мета

Розрахунок повної суми замовлення для формування квитанції

Опис

Після обраних замовником послуг, головний бухгалтер натискає кнопку «Розрахувати». Система проводить відповідні розрахунки

Тип

Основний, ідеальний

Посилання

1.4


Таблиця 3.7

Опис функції «Формування квитанції на оплату»

Прецедент

Формування квитанції

Виконавець

Система

Мета

Формування квитанції для оплати замовлених послуг

Опис

Розрахована сума замовлених послуг відображається в квитанції

Тип

Основний, ідеальний

Посилання

1.5


Таблиця 3.8

Опис функції «Формування звіту замовлених послуг»

Прецедент

Формування звіту замовлених послуг

Виконавець

Головний бухгалтер

Мета

Формування звіту для визначення прибутку підприємства

Опис

Наприкінці кожного місяця головний бухгалтер на підставі квитанцій про оплату формує звіт виконаних (оплачених) та невиконаних (неоплачених) замовлень

Тип

Основний, ідеальний

Посилання

1.6


Таблиця 3.9

Опис функції «Аналіз динаміки замовлених і виконаних послуг»

Прецедент

Аналіз динаміки замовлених і виконаних послуг

Виконавець

Головний бухгалтер

Мета

Розрахунок абсолютного та відносного відхилення

Опис

Головний бухгалтер проводить аналіз, порівнюючи кількість замовлених та виконаних послуг за певний період часу

Тип

Основний, ідеальний

Посилання

2.1


Таблиця 3.10

Опис функції «Визначення коефіцієнта інтенсивного завантаження підприємства»

ПрецедентВизначення коефіцієнта інтенсивного завантаження підприємства


Виконавець

Головний бухгалтер

Мета

Аналіз завантаження підприємства

Опис

Головний бухгалтер розраховує коефіцієнт інтенсивного завантаження підприємства

Тип

Основний, ідеальний

Посилання

2.2


Таблиця 3.11

Опис функції «Визначення темпу зростання виконаних замовлень на підприємстві»

ПрецедентВизначення темпу зростання виконаних замовлень


Виконавець

Головний бухгалтер

Мета

Аналіз зростання роботи підприємства

Опис

Головний бухгалтер розраховує темп зростання виконаних замовлень

Тип

Основний, ідеальний

Посилання

2.3


        
3.4 Розробка концептуальної моделі предметної області

Для розробки автоматизованої системи аналізу виконання робіт з ремонту й обслуговування важливого значення набуває концептуальна модель, під якою розуміють попереднє (наближене) зображення системи.

Об’єкти концептуальної моделі представлені на рис. 3.3.


Робота всієї існуючої системи полягає в замовленні автовласником послуг на СТО, в виконанні працівниками замовлених послуг та в відображенні головним бухгалтером всіх цих послуг у звіті.

Концептуальну модель предметної області наведено на рис. 3.4.

В даній концептуальній моделі є один користувач - Byhgalter. Основними атрибутами Byhgalter є код доступу (Kdost). Об‘єкт SYS_ANALIZ не має атрибутів, тому що він має чисто поведінкові функції.

Об’єкт Dogovor має наступні атрибути: номер договору (Nomer_dogovor), дата укладення договору (Data_dogovor), термін виконання договору (Srok_dogovor), примітка (Dovidka).

Рис. 3.4. Концептуальна модель системи SYS_ANALIZ

Об’єкт Zakazchik має наступні атрибути: ПІБ замовника (FIO), адреса проживання (Adress) та телефон (Telephon).

Основними атрибутами об’єкта Zakaz є: номер замовлення (Nomer_zakaz), найменування послуги (Name_yslyg), кількість замовлень (Kol_yslyg), номер ділянки (Nomer_ych), номерний знак автомобіля (Nomer_avto) та марка автомобіля (Marka_avto).

Концептуальна модель зі зв’язками (асоціаціями) і атрибутами для системи SYS_ANALIZ наведена на рис. 3.5.

         3.5 Розробка реальних прецедентів і визначення системних операцій

Для даної системи SYS_ANALIZ було розглянуто один варіант використання - прецедент «Аналіз виконання робіт з ремонту й обслуговування». На рис. 3.6 зображено архітектуру вікна прецеденту «Аналіз виконання робіт з ремонту й обслуговування».

Рис. 3.5. Концептуальна модель зі зв’язками (асоціаціями) і атрибутами

У таб. 3.12 наведено опис загальної характеристики прецеденту «Аналіз виконання робіт з ремонту й обслуговування».

У таб. 3.13 представлено типовий хід прецеденту «Аналіз виконання робіт з ремонту й обслуговування».

Таблиця 3.12

Загальна характеристика прецеденту «Аналіз виконання робіт з ремонту й обслуговування»

Прецедент

Аналіз виконання робіт з ремонту й обслуговування

Виконавці

Головний бухгалтер

Ціль

Аналіз роботи підприємства

Опис

Головний бухгалтер наприкінці кожного місяця на підставі даних з ділянок підприємства проводить аналіз роботи підприємства. Головний бухгалтер розраховує абсолютне та відносне відхилення, коефіцієнт інтенсивного завантаження та темп зростання виконаних замовлень

Тип

Основний, реальний

Посилання

2.1, 2.2, 2.3




Таблиця 3.13

Типовий хід прецеденту «Аналіз виконання робіт з ремонту й обслуговування»

Дія виконавця

Відгук системи

1. Після того як головний бухгалтер отримав звіти зі всіх ділянок підприємства про виконані послуги, він входить в систему та натискає один з пунктів А та Б.

2. Система виводить діалогове вікно для введення місяця чи року, для якого потрібно розглянути інформацію.

3. Головний бухгалтер вводить місяць чи рік, для якого потрібно розглянути інформацію та натискає кнопку «ОК».

4. Система стежить, чи всі параметри введені та чи введені вірно, та виводить на екран потрібну інформацію.

5. Після перегляду отриманих даних головний бухгалтер проводить корегування інформації, якщо це потрібно, та натискає кнопку «Зберегти».

6. Система записує отриману інформацію.

7. Головний бухгалтер натискає кнопку «Вихід».

8. Система закриває діалогове вікно.


         3.6 Опис програмного забезпечення

Система SYS_ANALIZ розроблена за допомогою програми СУБД Access.- є потужною програмою управління даними, призначену головним чином для програмістів. Access поставляється лише у складі професійного видання пакету Office.

Працюючи в середовищі Microsoft Office, користувач отримує в своє розпорядження повністю сумісні з Access текстові документи (Word), електронні Таб. (Excel), презентації (Powerpoint). За допомогою нових розширень для Internet можна безпосередньо взаємодіяти з даними з World Wide Web і транслювати представлення даних на мові HTML, забезпечуючи роботу з такими застосуваннями як Internet Explorer і Netscape Navigator.спеціально спроектований для створення розрахованих на багато користувачів застосувань, де файли бази даних є ресурсами, що розділяються, в мережі. У Access реалізована надійна система захисту від несанкціонованого доступу до файлів.

В Access також користувач може самостійно відстежувати, контролювати та змінювати хід виконання програми. Це досягається за допомогою програми Visual Basic.

Нижче наведено декілька зразків відгуку системи на дії користувача.

Для того щоб відкрити програму система виконує наступний алгоритм рис. 3.7.

Якщо користувач натискає ту чи іншу кнопку, система виконує операцію, яку наведено на рис. 3.8.


Якщо програма не має вирішень тієї чи іншої проблеми, то на екран виводиться оповіщення "Ошибка при выполнении команды".

Програма в цей час виконує операцію, яку зображено на рис. 3.9.

        

         3.7 Діаграма розміщення

Проектування програмної системи керування персоналом визначає оптимальний варіант розміщення програмних компонентів у локальній обчислювальній мережі.

Локальна мережа зв'язує сервер й комп'ютер головного бухгалтера й комп’ютер директора підприємства. Розміщення технічних засобів у локальній обчислювальній мережі системи "Аналіз виконання робіт з ремонту й обслуговування на СТО представлено на рис. 3.10.

 

        

         3.8 Аналіз можливих застосувань системи

Система аналізу виконання робіт з ремонту й обслуговування, яка розробляється для приватного підприємства СТО може застосовуватися і на інших підприємствах авторемонтного напрямку.

Основним завданням розробки даного програмного продукту є аналіз роботи підприємства. Тому він включає в себе розрахунок абсолютного та відносного відхилення, коефіцієнта інтенсивного завантаження підприємства та визначення темпу зростання виконаних послуг.

Програма містить довідники послуг (рис. 3.11) та замовників (рис 3.12). За допомогою них, головному бухгалтеру не потрібно кожного разу вводити інформацію про замовлення чи замовника. Система зберігає введену інформацію.




Головний бухгалтер може зберегти замовлення в пункті меню «Сделать заказ» (рис 3.13). Щоб замовлення було виконане головний бухгалтер обов’язково повинен скласти з замовником договір. Скласти договір і зберегти інформацію він може у вікні меню «Подписать договор» (рис 3.14).




Динаміку виконаних і замовлених послуг (абсолютне та відносне відхилення) та коефіцієнт інтенсивного завантаження представлено на рис. 3.15.

Рис. 3.15. Структура і склад вікна «Анализ выполненных работ»

Структуру і склад вікна «Темп роста выполненных услуг» зображено на рис. 3.16.

Рис. 3.16. Структура і склад вікна «Темп роста выполненных услуг»

Рис. 3.17. Структура і склад вікна «Отчет за месяц»

Також за допомогою проектованої системи можна переглянути звіти по місяцях. Досить ввести місяць та рік щоб отримати звіт роботи підприємства. Він включає в себе підрахунок замовлених та виконаних послуг. Структуру і склад вікна «Отчет за месяц» зображено на рис. 3.17.

ВИСНОВКИ

У процесі розробки системи аналізу виконання робіт з ремонту й обслуговування було проаналізовано методику і технологію обробки та зберігання даних на ПП СТО Це дозволяє зробити певні висновки та пропозиції по вдосконаленню роботи підприємства.

В ході роботи була дана характеристика діючої системи керування та характеристика існуючої системи аналізу виконання робіт з ремонту й обслуговування. Було запропоновано та розроблено нову автоматизовану систему аналізу виконання робіт з ремонту й обслуговування.

З метою обґрунтування доцільності даної розробки були проведені дослідження та аналіз існуючих теоретико-практичних розробок у даному напрямку. Це дало змогу підтвердити, що розробка автоматизованої системи є доцільної і необхідною в умовах ринкової конкуренції. Вона дасть змогу підприємству вийти на новий рівень роботи з замовниками, більш прогресивний та динамічний.

Сферою застосування спроектованої системи аналізу є відділ бухгалтерії на підприємстві СТО За допомогою даної системи можна не тільки відслідити кількість виконаних і замовлених послуг, але й повністю проаналізувати роботу підприємства:

·   отримати звіт по місяцях;

·   зробити аналіз виконаних послуг;

·   розрахувати коефіцієнт інтенсивного завантаження підприємства;

·   проаналізувати темп росту виконаних замовлень.

Даний програмний продукт зручний і простий у використанні, користувачам буде досить легко освоїтись у інтерфейсі програми, а самому підприємству не потрібні нові співробітники.

Надалі можливі поліпшення й доробки програмного продукту.

ПЕРЕЛІК ВИКОРИСТАНИХ ДЖЕРЕЛ

1. Твердохліб М.Г. Информационное обеспечение менеджмента: Навч. Пособие./ М.Г. Твердохліб - Вид. 2-ге, доп. и перероб. - К.: КНЕУ, 2002. - 224 с.

2. Ризун Н.О. Современные инструменты анализа сложных экономических систем / Н.О. Ризун, Е.Г. Холод // Академічний огляд. - 2008. - № 1. - С.132--137.

3. Трубилин И.Т. Автоматизированные информационные технологии в экономике, 1999. - 416 с.

4. «Правила охраны труда при эксплуатации электронно-вычислительных машин», приказ Госнадзорохрантруда от 10.02.99г. №21 СН 512-78

5. Ананьев О. М. Напрями розвитку сучасного електронного бізнесу / Ананьев О. М. // Торгівля, комерція, підприємництво. - 2003. - Вип. 6.

6. Рейнбоу В. Компьютерная графика. Энциклопедия [Текст] / В. Рейнбоу. - СПб.: Питер, 2003. - 768 с.

7. Саттон М. Корпоративный документооборот. Принципы, технологии, методология внедрения. Пер. с англ. [Текст] / Майкл Дж.Д. Саттон. -СПб.: Азбука, 2002. - 448 с.

8. Таха Х. Введение в исследование операций. Пер. с англ. [Текст, електронний ресурс] / Хемди Таха. - М.: Вильямс, 2005. - 903 с.

9. Томашевський В. Моделювання систем [Текст] / В. М. Томашевський. - К.: БИУ, 2005. - 400 с.

10.Фролов А. Базы данных в Интернете [Текст] / А.В. Фролов, Г.В. Фролов. - М.: Русская редакция, 2000. - 448 с.

11.Цегелик Г. Чисельні методи [Текст] / Г.Г. Цегелик. - Львів: Вид. центр ЛНУ ім. Івана Франка, 2004. - 408 с.

12.Чекалов А. Базы данных: от проектирования до разработки приложений [Текст, електронний ресурс] / А. Чекалов- СПб.: БХВ-Петербург, 2003.- 384с.

14.Янг Б. Объектно-ориентированный анализ и проектирование с примерами приложений. 3-е издание [Текст, електронний ресурс] / Бобби Янг, Джим Коналлен, Гради Буч. - М.: Вильямс, 2008. - 720 с.

15.Афанасьев М. Электронная коммерция / М. Афанасьев, Л. Мясникова // РИСК. - 2006. - № 3. - С. 52-59.

16.Балабанов И. П. Интерактивный бизнес / И. П. Балабанов - СПб.: Питер, 2001. - 128 с.

17.Брыжко М. Н. Е-будущее и информационное право / М. И. Брыжко, В. С. Цымбалюк, А. А. Орехов, О . И. Гальченко - К.: Інтеграл, 2002. - 264 с.

18.Буров Є. Комп'ютерні мережі / Є. Буров - Львів: БАК, 2003.

19.Волокитин А. В. Электронная коммерция: [учебное пособие для служащих госорганизаций и комм. фирм., под общ. ред.

20.Рейман Л. Д. / А. В. Волокитин, А. П. Маношкин, А. В. Солдатенков - М.: НТЦ "ФИОРД-ИНФО", 2002. - 272 с.

21.Катренко А. Дослідження операцій: підручник з грифом МОН [Текст] / А.В. Катренко - Львів: "Магнолія 2006", 2009. - 350 с.

22.Кинкоф Ш. HTML. Наглядный самоучитель. Пер. с англ. [Текст] / Шерри Виллард Кинкоф. - М.: НТ Пресс, 2008. - 320 с.

23.Ларман К. Применение ЦМЬ и шаблонов проектирования. 2-е издание. Пер. с англ. [Текст, електронний ресурс] / Крэг Ларман. - М.: Вильямс, 2004, - 624 с.

24.Левин М. Методы поиска информации в Интернет [Текст] / М.Левин. - М.: Солон-Пресс, 2003. - 224 с.

25.Макарова Н. Компьютерное делопроизводство. Учебный курс [Текст] / Н.В. Макарова, Г.С. Николайчук, Ю.Ф. Титова. - СПб.: Питер, 2004. - 416 с.

26.Малайчук В. Основи теорії кодування й декодування [Текст] / В.П. Малайчук, В.Ф. Рожковський. - Дніпр.: Дніпропетр. держ. ун-т, 2000. - 204с.

27.Овечкина Е. Математика, статистика, экономика на компьютере [Текст, електронний ресурс] / Е.В. Овечкина, М.В. Мащенко, В.Е. Каплан, А.В. Каплан. - М.: ДМК, 2006. - 388 с.

28.Олифер В. Компьютерные сети. Принципы, технологии, протоколы [Текст, електронний ресурс] / В.Г. Олифер, Н.А. Олифер. - Спб.: Питер, 2001.- 672с.

29.«Государственные санитарные правила и нормы работы с визуальными дисплейными терминалами ЭВМ», утвержденные МЗ Украины 10.12.98,«Правила пожарной безопасности в Украине», утвержденные приказом Управления Государственной пожарной охраны МВД Украины вот 14.06.95 № 400.

30.Інтернет-магазин: CRM-системи [Електронний ресурс]. Режим доступу: #"656801.files/image028.gif">


         А.4. Дослідження та аналіз ринків збуту програмних продуктів

Даний програмний продукт має декілька характеристик: зручний інтерфейс, низька ціна, вибір інформації з бази даних бухгалтерії, можливість накопичення даних, сортування даних по вибраним ознакам, видача вихідної інформації на вимогу користувача, швидка адаптація до умов експлуатації, можливість доробок в процесі експлуатації та інші.

Система аналізу виконання робіт з ремонту й аналізу розробляється для підприємств, що займаються виробництвом, для організації якого необхідний постійний моніторинг, сировина, аналіз постачальників та інше. Вона представляє інтерес для підприємств будь-якої форми власності.

В таб. А.5 наведено сегментацію ринку по основним користувачам.

Таблиця. А.5

Сегментація ринку по основним користувачам

Галузь використання

Бухгалтер

Менеджер

Керівник

Товариство з обмеженою відповідальністю

*

*

*

Приватне підприємство

*


*

Приватний підприємець

*


*

В таб. А.6 наведено оцінку по п’ятибальній системі цих параметрів експертами по галузях використовування. П'ять балів виставлялася оцінка найважливішому параметру.

Таблиця. А.6

Характеристика програмного продукту і його ранги

Характеристики продукту

Товариство з обмеженою відповідальністю

Приватне підприємство

Приватний підприємець

Зручний інтерфейс

4

5

5

Низька ціна

4

5

5

Сортування даних

4

4

3

Швидка адаптація користувача

3

4

4


В таб. А.7 приведено орієнтовний об’єм продажів по сегментах використовування у відсотках залежно від ціни програмного продукту.

В результаті такої сегментації було одержано планований об'єм продажів по галузях використовування.

Якщо брати середній рівень цін, то планований об'єм продажу по виробничих підприємствах складе:

*0,5+1250*0,4+1750*0,1=350+500+175=1025,00 (грн).

Таблиця. А.7

Сегментація продукту по ціновому чиннику

Сегменти

Товариство з обмеженою відповідальністю

Приватне підприємство

Приватний підприємець

До 1000 грн

40

50

60

До 1500 грн

30

40

30

До 2000 грн

30

10

10


        
А.5. Оцінка конкурентоспроможності програмного продукту

Конкурентоспроможність даного програмного продукту визначається наступними показниками:

·   місце об’єкта на ринку - 2 бали;

·   характеристика ринку для об’єкта - 2 бали;

·   вірогідність розширення ринку - 2 бали;

·   ціна об’єкта у порівнянні з ціною подібних об’єктів - 3 бали;

·   очікувана гострість конкуренції - 2 бал;

·   наявність розподільних каналів - 2 бали;

·   стійкість до обсягу продажу - 3 бали;

·   потреба або перепідготовка персоналу - 1 бал;

·   комплексний показник якості - 1 бал;

Розрахунок конкурентоспроможності здійснюється за формулою:

 (А.2)

КЗАГ=1*2+2*2+3*2+4*3+5*2+6*2+7*3+8*1+9*1=84.

Згідно з нормативами конкурентоспроможності, 84 досить непоганий показник, так як показник 90 прийнято рахувати середньою оцінкою. Отже даний програмний продукт має середній показник конкурентоспроможності.

         А.6. Оцінка додаткових витрат на підготовку, якщо програмний продукт буде реалізовано на ринку програмних продуктів

З метою підвищення економічної ефективності системи, яка розробляється, пропонується на ряду з використанням системи на підприємстві провести реалізацію деякого числа копій стороннім підприємствам. Передбачається, що дана система аналізу буде цікава іншим підприємствам, які готові її придбати.

На ринку подібний програмний продукт коштує 1000 грн. Для того щоб розрахувати ціну пропозиції потрібно врахувати додаткові витрати для тиражування.

Витрати для копіювання спроектованої системи наведено в таб. А.8.

Таблиця. А.8

Затрати на витратні матеріали

Найменування

Одиниця виміру

Кількість

Ціна, грн

Сума, грн

CD-RW 52x

шт.

2

5,00

10,00

Бумага

пачка

1

35,00

35,00

Канцтовари

шт.

1

30,00

30,00

Усього:

75,00


Для створення п’яти копій програмного продукту досить половини місяця й одного фахівця. Додаткова заробітна платня пропонується в розмірі 10% від основної.

Тоді витрати, що зв'язані з нарахуванням заробітної плати, становлять:

Фонд оплати праці =(1580*0,5*1,1)= 869 (грн.);

Відрахування в Пенсійний фонд =(33,2% від ФОП)=869*0,332=288,5 (грн);

Відрахування у фонд Держстраху =(1,5% від ФОП)=869*0,015=13,03 (грн);

Відрахування у фонд Безробіття =(1,3% від ФОП)=869*0,013=11,29 (грн);

Відрахування у фонд Держстраху від нещасного випадку =(2,0% від ФОП)=869*0,02=17,38 (грн).

Для збільшення темпів та об’єму реалізації даного проекту планується провести необхідні заходи рекламного характеру. Витрати на такі заходи становлять 800 грн.

Витрати збуту плануються в розмірі 360,00 грн.

Таким чином загальна сума витрат на тиражування становить:

Зтираж=869+288,5+13,03+11,29+17,38+800+360=2359,2 (грн.).

        

         А.7. Встановлення ціни на програмний продукт

Згідно дослідженню ринку збуту не менше п'яти підприємств готові купити програмний продукт. Від продажу планують отримати додатковий прибуток у сумі 2000 грн. Тоді очікувана ціна продукту буде:

Ц=2000/5*(1-0,38)+75+2359,2/5=248+75+471,84=794,84 (грн);

Тоді ціна з врахуванням ПДВ (794,84*0,2=158,97) дорівнюватиме: 794,84+158,97=954 (грн);

Розрахуємо точку беззбитковості:

(869+288,5+13,03+11,29+17,38+800+360)/(954-75)=2359,2/879=2,68 (шт.).

Точка беззбитковості показує, якщо продати 3 копії програмного продукту, можна повністю покрити додаткові витрати з тиражуванням та продажу програмного продукту. Графік розрахунку точки беззбитковості зображено на рис. А.2.


Додаток Б. Охорона праці і техніка безпеки

Основною метою охорони праці і техніки безпеки є забезпечення умов безпечної роботи для персоналу й створення умов для високопродуктивної й безаварійної роботи засобів обчислювальної техніки.

Основні вимоги по ВІД і ТБ:

·   площа, необхідна для одного робочого місця при роботі з ЕОМ - 8м2, без ЕОМ - 4м2;

·   рівень освітленості на робочому столі в межах 400-750ЛК;

·   рівень шуму не більше 35-45 ДБ;

·   температура повітря влітку 20-220 З, узимку 20-250 З;

·   відносна вологість повітря 65 %;

·   опір заземлюючих пристроїв ЕОМ не більше 4 Ом;

·   тип вогнегасника ОУ-5;

·   кількість вогнегасників на робоче приміщення: один на кожні 20м2;

·   потужність рентгенівського випромінювання не більше 100 мкр/година.

Вимоги до персоналу: не допускаються до роботи на ЕОМ робітники підприємства, які не пройшли необхідний інструктаж.

Вихідні дані для проведення розрахунків:

·   площа приміщення 50 м2., висота 3м., ширина 5м., довжина 10м. ;

·   кількість одночасно працюючих робітників 4;

·   кількість ЕОМ (кількість підключення) 4.

Таблиця Б.1

Основні показники розрахунку освітленості приміщення

№ п/п

Найменування показника, спосіб розрахунку

Джерело інформації

Показник




позначення

значення

1

Виробнича площа приміщення, S=А*В,м2

Завдання

S

50,00

2

Довжина приміщення, м

Вих. дані

А

10,00

3

Ширина, м

Вих. дані

В

5,00

4

Висота, м

Вих. дані

Н

4,00

5

Відстань світильника до перекриття, м

Постійна

Hc

0,20

 

Продовження Таб. Б.1

 

6

Висота над підлогою, м. hh=Н-hc

Розрахунок

hh

3,80

7

Висота робочої поверхні, м.

Постійна

hp

0,70

8

Розрахункова висота, м.h= hh-hp

Розрахунок

h

3,10

9

Тип лампи

Таблиця


1

10

Конструктивно-світова технічна схема

Таблиця


2

11

Експлуатаційна група

Таблиця


3

12

Тип світильника

Таблиця


ОДОР

13

Крива сили світла.

Таблиця


г

14

Відстань між світильниками λ

Таблиця

λ

0,9


 L=λ*h, м

Розрахунок

L

2,79

15

Кількість світильників: а) по довжині A/L

Розрахунок

n1

4


б) по ширині B/L

Розрахунок

n2

2


в) необхідне кіл-в (A/L)*(B/L)

Розрахунок

N

8

16

Мінімальна нормована освітленість, лк

Таблиця

E

500

17

Коефіцієнт запасу

Таблиця

K3

1,5

18

Коефіцієнт нерівномірності висвітлення, Z=1.1 для ламп, Z=1.15, для ламп накалювання

Довідник

Z

1,1

19

Індекс приміщення i=(A*B)/[h*(A+B)]

Розрахунок

i

1

20

Коефіцієнт відбиття, %: а) стелі й стін (вікна закриті білими шторами)

Таблиця

pn

70


б) стелі й стін при не завішених вікнах

Таблиця

рс

50


в) підлоги

Таблиця

рпол

30

21

Коефіцієнт використання світлового потоку,%

Таблиця

g

49%

22

Необхідний світловий потік кожного світильника, лм Ф=(E*Kз*S*Z)/(N*g)

Розрахунок

Ф

10523

23

Тип лампи

Таблиця


ЛД 80-4

24

Світловий потік лампи, лм

Таблиця

Ф1

3865

25

Потужність лампи, Вт

Таблиця

80

26

Число ламп у кожному світильнику Nл=Ф/Ф1

Розрахунок

3

27

Загальна настановна потужність, Вт Woc=Wл*N*Nл

Розрахунок

Woc

1920


Таблиця. Б.2

Розрахунок опору заземлюючих пристроїв

№ п/п

Основні показники й спосіб розрахунку

Джерело інформації

Показник




Позначення

Значення

1

2

3

4

5

1

Кількість точок підключення


N

4

2

Питомий опір ґрунту, Ом/м

Таблиця

P

10,00

3

Довжина куточка, м

Таблиця

t

2,20

4

Таблиця

b

0,10

5

Глибина закладення куточка, м

Таблиця

h

2,20

6

Довжина смуги, м

Таблиця

ti

0,40

7

Ширина сполучної смуги, м

Таблиця

bi

5,60

8

Глибина закладення, м

Таблиця

hi

0,65

9

Кількість заземлюючих пристроїв

Таблиця


3

10

Коефіцієнт екранування куточків і смуги

Таблиця

hеп

0,67

11

Коефіцієнт екранування куточків

Таблиця

hекр

0,76

12

Опір заземлюючого пристрою Rтр=P/t*(Ln(2*t/b)+0,5*Ln|(4*h+t)/(5* h-t)|)

Розрахунок

Rтр

17,71

13

Опір сполучної смуги Rn=p/(2*ПІ*ti)*Ln(2*ti^2/(bi*hi))

Розрахунок

Rп

9,2

14

Результуючий опір Rpез=1/|(hэn/Rn)+(hэкр*h/Rтр)|

Розрахунок

Rрез.

3,8


Таблиця. Б.3

Перелік необхідного устаткування по охороні праці й техніки безпеки

№ п/п

Найменування

Тип устаткування

Одиниця виміру

Кількість

1

Тип вогнегасника

ОУ-5

шт.

1

2

Комплектуючі до вогнегасника

Кронштейн

шт.

1

3

Комплектуючі до вогнегасника

Пожежний гідрат H=0,75 м

шт.

1

4

Рукав пожежний

Рукав пожежний

шт.

1

5

Охоронна сигналізація

Озон NMT450

шт.

1


Таблиця Б.4

Розрахунок кількості кондиціонерів

№ п/п

Найменування показника

Джерела інформації

Показники




Індекс

Значення

1

2

3

4

5

1

 Площа робочого приміщення

Вих. дані

S

50

2

 Кількість ЕОМ

Вих. дані

Nэвм

4

3

 Сумарна потужність устаткування Wоб=Nэвм*Wэвм; (Wэвм=100Bт)

Розрахунок

Wоб

400

4

Сумарна потужність світильників

Исх. дані

Wос

1920

5

 Кількість одночасно працюючих людей

Исх. дані

n

4

6

Коефіцієнт використання настановної потужності

Таблиця

W1

0,95

7

Коефіцієнт одночасної роботи устаткування

Таблиця

W2

0,9

8

Коефіцієнт що враховує спосіб установки освітлюючих приладів

Таблиця

ДО1

0,7

9

Коефіцієнт, що враховує особливості світильників

Таблиця

ДО2

1,2

10

Максимальний перепад температури повітря в градусах

Таблиця

tвп

10

11

Надходження тепла від устаткування, Qоб=(860*Wоб*W1*W2)/1000, Ккал/година

Розрахунок

Qоб

294,12

12

Надходження тепла від людей Qл=(n*q), Ккал/година;

Розрахунок

520

13

Надходження тепла від освітлювальних приладів, Qос=(860*Wос*K1*K2)/1000, Ккал/година.

Розрахунок

Qос

1387,01

14

Загальний надлишок тепла в приміщенні Q=Qоб+Qл+Qос, Ккал/година

Розрахунок

Q

2201,13

15

Ваговий повітрообмін G=Q/(c*tвп), кг/година.

Розрахунок

G

917,14

16

Необхідний об'єм повітря, що подається V=G/m, м3/година.

Розрахунок

V

611,42

17

Тип кондиціонера, вартість

Тех. хар-ка


3100

18

Продуктивність обраного кондиціонера (норма подачі повітря), куб.м/година.

Тех. хар-ка

Vнк

620

19

 Необхідна к-сть кондиціонерів V/Vнк (шт.)

Розрахунок

К

1


Похожие работы на - Розробка автоматизованої системи аналізу виконання робіт з ремонту та обслуговування на СТО

 

Не нашли материал для своей работы?
Поможем написать уникальную работу
Без плагиата!
Без нейросетей!