Разработка электронных схем энергоресурсосбережения организации в САПР-системах
МИНИСТЕРСТВО
ОБРАЗОВАНИЯ РОССИЙСКОЙ ФЕДЕРАЦИИ
ГОСУДАРСВЕННОЕ
ОБРАЗОВАТЕЛЬНОЕ УЧРЕЖДЕНИЕ
ВЫСШЕГО
ПРОФЕССИОНАЛЬНОГО ОБРАЗОВАНИЯ
«ИЖЕВСКИЙ
ГОСУДАРСТВЕННЫЙ ТЕХНИЧЕСКИЙ УНИВЕРСИТЕТ
ИМ.
М.Т. КАЛАШНИКОВА»
ФАКУЛЬТЕТ
МАТЕМАТИКИ И ЕСТЕСТВЕННЫХ НАУК
КАФЕДРА
МАТЕМАТИЧЕСКОГО ОБЕСПЕЧЕНИЯ
ИНФОРМАЦИОННЫХ
СИСТЕМ
Разработка
электронных схем энергоресурсосбережения организации в САПР-системах
(расчетно-пояснительная
записка к курсовому проекту по дисциплине «Мультимедиа технологии»)
Оглавление
Введение
. Обзор современных программных комплексов для создания
электронных схем
.1 AutoCAD MEP
.2 Компас
.3 Proteus VSM
. Обзор стандартных библиотек графических элементов для создания
схем коммуникаций
.1 Инструментальные палитры
. Создание электронных схем на примере завода Буммаш
.1 Основные правила построения
.2 Построение электроснабжающих коммуникаций
.2 Построение теплоснабжающих коммуникаций
Заключение
Список литературы
Введение
Современный мир - мир компьютерных
технологий, где многую работу за человека выполняет компьютер.
Создание различных инженерных схем -
весьма трудоемкий и длительный процесс. Поэтому необходимо как можно больше
упростить его. Сейчас уже существует множество программных комплексов,
позволяющих создать те или иные схемы снабжения.
Объектом исследования данной
курсовой работы явились САПР-системы, позволяющие спроектировать электрические
и трубопроводные системы в строительной индустрии.
Предмет исследования - инструменты
создания электронных схем, библиотеки графических элементов схем. Результатом работы
служит создание электронных схем электо- и теплоснабжения организации на
примере завода Буммаш.
В состав задач входят:
. Обзор современных программных
комплексов для создания электронных схем.
. Обзор стандартных библиотек
графических элементов для создания схем инженерных коммуникаций.
. Создание электронных схем
теплоснабжающих и электроснабжающих коммуникаций на примере завода Буммаш.
1. Обзор современных программных
комплексов для создания электронных схем
.1 AutoCAD MEP
MEP - это решение для проектирования
инженерных систем зданий на платформе AutoCAD. Работа в привычной среде AutoCAD
позволяет добиться мгновенного роста производительности и дает возможность
изучать специализированные функции проектирования инженерных систем в удобном
для пользователя темпе.
Инструменты, разработанные
специально для проектирования инженерных систем зданий, помогают повысить
эффективность, точность проектирования благодаря автоматизации задач
построения, улучшить координацию проектных данных за счет использования
популярного формата DWG.
· знакомая среда
AutoCAD;
· специализированные
рабочие пространства;
· специализированные
инструменты для проектирования принципиальных схем;
· создание рабочей
документации;
· интеллектуальные
пояснения для объектов;
· использование
подоснов для чертежей: фасадов и разрезов;
· синхронизация
спецификаций с моделью;
· управление
чертежами;
· улучшенные средства
настройки отображения проекта;
· межотраслевая
координация.
Системные требования: AutoCAD MEP
2012 (для 32-разрядного варианта):
· Операционная
система Microsoft® Windows® 7 Enterprise, Ultimate, Professional или Home
Premium, Windows Vista® (SP2) включая Enterprise, Business, Ultimate или Home
Premium; либо Microsoft Windows XP® Professional или Home (SP3 или выше)
· Двухъядерный
процессор Intel® Pentium® 4 или AMD Athlon® с тактовой частотой 3 ГГц,
поддерживающий технологию SSE2.
· 2 ГБ оперативной
памяти (рекомендуется 3 ГБ)
· 4 ГБ свободного
места на диске для типовой установки; 5 ГБ - для полной установки
· Монитор с разрешением
1024 x 768 и поддержкой режима «true color» (рекомендуется разрешение 1280 х
1024 и режим «true color»)
· Графический адаптер
с объемом памяти 128 МБ; рекомендуется 3D графический адаптер класса рабочих
станций с 256 МБ памяти или выше, поддерживающий технологию Direct3D®
· Браузер Microsoft®
Internet Explorer® 7.0 или выше
· Устройство
указания, совместимое с Microsoft Mouse
· DVD-привод (только
для установки)
· USB-носитель (для
программных комплексов)
Программа AutoCAD MEP предназначена
для проектирования вентиляционных, электрических, трубопроводных и
санитарно-технических систем в строительной индустрии. Она содержит:
· Каталоги чертежных
объектов, представляющих собой реальные элементы инженерных систем, соединение
которых между собой возможно с использованием интеллектуальных функций.
· Инструменты,
характерные для машиностроительной, электротехнической и санитарно-технической
дисциплин, такие как инструменты анализа для определения размеров систем,
позволяющие обеспечить оптимальные характеристики.
· Общие инструменты
проектирования, которые могут использоваться во всех 3 дисциплинах:
· Инструменты
управления проектами, которые объединяют проекты инженерных систем с
архитектурными планами здания.
· Инструменты для
определения настроек проектирования, управляющие внешним видом и поведением
объектов.
· Шаблоны чертежей с
базовыми, основанными на стандартах параметрами, позволяющими освоить работу
программы.
Программа может использоваться для
всестороннего проектирования систем для планов промышленных, офисных и жилых
зданий.
.2 «Компас»
«Компас»- семейство систем
автоматизированного проектирования с возможностями оформления проектной и
конструкторской документации согласно стандартам серии ЕСКД и СПДС.
Разрабатывается российской компанией
«Аскон». Название линейки является акронимом от фразы «комплекс
автоматизированных систем», в торговых марках используется написание заглавными
буквами - «КОМПАС».
Программы данного семейства
автоматически генерируют ассоциативные виды трёхмерных моделей (в том числе
разрезы, сечения, местные разрезы, местные виды, виды по стрелке, виды с
разрывом). Все они ассоциированы с моделью: изменения в модели приводят к
изменению изображения на чертеже.
Существует большое количество
дополнительных библиотек к программам семейства, автоматизирующих различные
специализированные задачи. Например, библиотека стандартных изделий позволяет
добавлять уже готовые стандартные детали в трёхмерные сборки (крепежные
изделия, подшипники, элементы трубопроводов, шпонки, уплотнения), а также
графические обозначения стандартных элементов на чертежи (обозначения отверстий),
предоставляя возможность задания их параметров.
САПР КОМПАС-Электрик,
предназначенная для автоматизации проектирования и выпуска комплекта
конструкторской документации на электрооборудование объектов производства,
имеет в своей основе структурированную многофункциональную базу данных. Эта
база может работать под управлением одной из следующих СУБД: Microsoft Access,
Borland InterBase или Microsoft SQL Server.
Все комплектующие, которые хранятся
в базе данных, имеют так называемое двойное представление. Во-первых, каждое
изделие описывается набором тестовых и числовых данных. В их числе -
«Наименование изделия», «Документ на поставку (ГОСТ, ТУ, РД), «Поставщик», «КОД
ОКП», различные технические характеристики (например, «ток срабатывания»,
«потребляемая мощность» и т.п.). Во-вторых, изделие связано с его
геометрическим представлением. Это условные графические обозначения при помощи
которых изделие отображается на электрических схемах разного типа, а также
реальное изображение, которое можно поместить на общий вид проектируемого
устройства (например, шкафа, панели, щита и т.п.).
Особенность КОМПАС-Электрик
заключается в том, что условное графическое обозначение элемента содержит в
себе информацию о точках подключения электрической связи. Это могут быть контакты
электрорадиоэлемента, зажимы на электроаппаратах и т.п. При этом можно
поставить в соответствие графическое обозначение вывода на УГО и реальное
обозначение зажима на корпусе элемента. Такой подход к хранению данных
реализован и в системах проектирования электронных устройств (P- Cad, OrCAD,
Protel и др.). Именно он позволяет после проектирования разработчиком
принципиальной электрической схемы автоматически получить схему и таблицу
соединений. Эти документы необходимы при электромонтажных работах по изделию
непосредственно в производстве.
Рисунок 1.1 - Общий
интерфейс КОМПАС-Электрик
.3 PROTEUS VSM
VSM - пакет программ для
автоматизированного проектирования (САПР) электронных схем. Разработка компании
Labcenter Electronics (Великобритания).
Пакет представляет собой
систему схемотехнического моделирования, базирующуюся на основе моделей
электронных компонентов принятых в PSpice. Отличительной чертой пакета PROTEUS
VSM является возможность моделирования работы программируемых устройств:
микроконтроллеров, микропроцессоров, DSP и проч. Библиотека компонентов
содержит справочные данные. Дополнительно в пакет PROTEUS VSM входит система
проектирования печатных плат. Пакет Proteus состоит из двух частей, двух
подпрограмм: ISIS - программа синтеза и моделирования непосредственно
электронных схем и ARES - программа разработки печатных плат. Вместе с
программой устанавливается набор демонстрационных проектов для ознакомления.
Пакет является
коммерческим. Бесплатная ознакомительная версия характеризуется полной
функциональностью, но не имеет возможности сохранения файлов.позволяет
синтезировать схему будущего электронного устройства и промоделировать его
работу, выявить ошибки, которые были допущены либо в программе, либо в схеме,
доработать устройство, добавить новые элементы и многое другое.
Рисунок 1.2 - Общий
интерфейс Proteus ISIS
2. Обзор стандартных
библиотек графических элементов для создания схем коммуникаций
.1 Инструментальные
палитры
В AutoCAD MEP существуют
стандартные библиотеки графических элементов для создания схем коммуникаций
такие, как Труба, Электрооборудование, Воздуховод, Сантехника (и устройства).
Инструментальные палитры
- это логически организованные группы инструментов, с помощью которых
производится добавление объектов в чертеж. В AutoCAD MEP пользователям
предлагается обширный набор как палитр общего назначения, так и
специализированных палитр. На них расположены средства нанесения пояснений, а
также средства проектирования различных инженерных систем.

Рисунок 2.1 - Примеры
инструментальных палитр
В состав AutoCAD MEP
входит используемый по умолчанию каталог сантехнических элементов, который
содержит несколько сотен элементов (несколько тысяч - с учетом размеров). В
каталоге отражен широкий диапазон типов мультивидовых элементов трубопровода:
от больших компонентов, таких как чиллеры и градирни, до компонентов небольшого
размера, таких как клапаны и спринклеры системы пожаротушения.
В отличие от устройств,
панелей и проводов, электрооборудование, использующееся в программе, не
работает с цепями. Его можно соединять только с физическими кабелепроводами: с
коробами и кабельными лотками. Иногда (например, в случае распределительной
коробки) элементы значатся в каталогах элементов электрической системы и как
устройства, и как мультивидовые элементы. Распределительная коробка, являющаяся
устройством, работает с цепями и подсоединяется к проводам. Мультивидовой
элемент распределительной коробки присоединяется к коробу в соответствии с
номинальным диаметром (условным проходом) короба. Номинальный диаметр (условный
проход) (т. н. фабричный диаметр) - это размер диаметра, предоставляемый в
дополнение к фактическим значениям внешнего диаметра и соответствующий
промышленным стандартам.
Электрические схемы
обычно представлены в двумерном виде, при этом устройства и панели отображаются
в виде условных обозначений, а провода - в виде одиночных линий. Для мультивидовых
элементов на плане отображается геометрия реального элемента, которую можно
масштабировать. Оборудование может быть отображено в 3D пространстве. Например,
может возникнуть необходимость показать 3D модель, которая содержит
электрооборудование, короба и кабельные лотки для здания. В этом случае можно
отобразить реальную геометрию этих объектов в 3D виде.
Рисунок 2.2 - Примеры
электрооборудования
3. Создание электронных
схем на примере завода Буммаш
.1 Основные правила
построения
При построении любой
электронной схемы той или иной коммуникации нужно знать основные правила.
Схемы выполняются без
соблюдения масштаба. Действительное пространственное расположение составных
частей не учитывается или учитывается приблизительно.
Графическое обозначение
элементов схемы и соединяющих их линий следует располагать так, чтобы
обеспечивалось наилучшее представление о структуре установок и взаимодействие
её основных элементов. Расстояние между двумя соседними линиями графического
изображения должно быть не менее 1 мм. Расстояние между параллельными линиями
должно быть не менее 3 мм. Расстояние между отдельными условными графическими
изображениями должно быть не менее 2 мм.
Условное графическое
изображение элементов схем устанавливаются ЕСКД. Могут использоваться
изображения в виде упрощённых внешних очертаний элементов схем.
При необходимости
возможно применение нестандартизованные условные графические обозначения и
упрощённые внешние очертания. При этом на схемах необходимо привести принятые
условные обозначения и дать соответствующие пояснения.
Размеры некоторых
условных графических обозначений устанавливаются стандартами. Толщина линий
должна быть одинаковой на всех схемах. Размеры графических обозначений
допускается изменять пропорционально.
Линии связи выполняются
толщиной от 0,2 до 1,0 мм, в зависимости от формата листов и размеров
графических обозначений. Линии связи должны состоять из горизонтальных и
вертикальных отрезков и иметь минимальное число изломов и взаимных пересечений.
В отдельных случаях допускается применять наклонные линии связи. Линии связи
должны вычерчиваться полностью.
На схемах допускается
помещать различные технические данные, которые указывают либо около графических
обозначений, либо на свободном поле схемы.
Текстовые данные
приводят в тех случаях, когда содержащиеся в них сведения нецелесообразно или
невозможно выразить графически. Содержание текста должно быть кратким и точным,
но без сокращений за исключением общепринятых.
.2 Построение электроснабжающих
коммуникаций
Имеется схема
электрической сети (рис. 3.1). Необходимо построить ее с помощью программного
комплекса AutoCAD MEP.
Рисунок 3.1 - Исходная
схема электроснабжения завода Буммаш
Для начала необходимо
изучить условные графические обозначения, которые установлены Единой системой
конструкторской документации.
Таблица 3.1
Условно-графические обозначения
|
Наименование элемента схемы
|
Графическое обозначение
|
|
1
|
2
|
|
Трансформатор (автотрансформатор) силовой. Общее обозначение.
Примечание. Внутри окружности допускается размещение квалифицирующих символов
и дополнительной информации. Допускается увеличение диаметра окружности
|
|
|
Трансформатор силовой, трёхобмоточный. Трансформатор собственных
нужд основного напряжения
|
|
|
Выключатель неавтоматический (рубильник)
|
|
|
Сборные шины распредустройств высокого напряжения
|
|
|
Разъединитель
|
|
|
Разъединитель заземляющий
|
|
|
Заземление:
|
|
|
общее обозначение
|
|
|
Защитное
|
|
|
электрическое соединение с корпусом
|
или
|
|
Примечание. При отсутствии наклонных линий допускается
горизонтальную линию изображать толстой
|
|
Предохранитель плавкий, общее обозначение
|
|
|
Катушка электромеханического устройства
|
|
Некоторые сокращения на схеме:
ВМП - масляные выключатели
ГПП - главная понизительныя станция
ЗРУ - закрытое распределительное
устройство
КСО - камера сборного одностороннего
обслуживания
ААШв - алюминиевый кабель с
алюминиевой оболочкой и шланговым защитным покровом из ПВХ пластика
СМВ - секционный масляный
выключатель
Построение схемы начинается с
создания нового слоя с помощью диспетчера свойств слоев для подложки, на
которую размещается изображение схемы. Слой блокируется от изменений. Создается
новый слой Схема, на котором создается вся электрическая схема (рис. 3.2).
Выбирается цвет всех объектов на слое. При необходимости можно изменить тип и
вес линии.
Рисунок 3.2 - Создание новых слоев
На активном слое Схема чертятся все
необходимые элементы с помощью графических примитивов, таких как Отрезок,
Полилиния, Окружность, Прямоугольник. Все необходимые элементы находятся на
ленте вкладок вверху рабочего окна (рис. 3.3). Также на ленте можно найти
необходимые действия, например, переместить, копировать, удлинить, отобразить
зеркально, повернуть и т.д. Благодаря подсказкам, появляющимся при наведении
курсора на иконку действия,. можно посмотреть как применить данное действие.
Рисунок 3.3 - Лента вкладок с
подсказками по действиям
Все элементы нужно создавать,
используя различные привязки. Также чаще всего нужно использовать режим Орто,
который позволяет строить линии под прямым углом. Если необходимо создать
несколько одинаковых элементов или групп элементов, то достаточно, начертив
лишь один или одну группу, скопировать нужное и переместить на выбранное место.
Рисунок 3.4 - Создание одинаковых
элементов
Начертив всю электрическую схему на
слое Схемы, необходимо заблокировать его от изменений. При этом следует создать
новый слой Подписи для нанесения текста и сокращений.
Для создания текста на ленте вкладок
выбираем вкладку Аннотации, затем текст. Далее нужно указать правый нижний угол
и высоту надписи. После этих действий откроется окно формата текста (рис 3.5),
где можно поменять шрифт, наклон, размер, выбрать дополнительные символы и т.д.
Рисунок 3.5. - Создание подписей на
схеме
После завершения всех работ,
получаем готовую электронную схему электроснабжения, выполненную с помощью
стандартных примитивов (рис.3.6). Для наилучшего отображения схемы можно
изменить цвет фона на белый. Если схема создана правильно, то при достаточно
большом увеличении нигде не будет разрывов линий. Это обеспечивается с помощью
тех или иных привязок. Благодаря программному комплексу AutoCAD MEP, схему
можно начертить за гораздо меньшее время по сравнению с созданием схемы
вручную. Более того, электронная схема более удобна в применении.
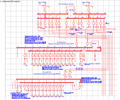
Рисунок 3.6. - Схема
электроснабжения завода Буммаш
3.3 Построение теплоснабжающих
коммуникаций
Имеется схема теплоснабжения завода
Буммаш (рис. 3.7). Необходимо построить ее с помощью программного комплекса
AutoCAD MEP.
Рисунок 3.7. - Исходная схема
теплоснабжения завода Буммаш
Для начала необходимо изучить
условные графические обозначения, которые установлены Единой системой
конструкторской документации.
Таблица 3.1 Условно-графические
обозначения
|
Наименование элемента схемыГрафическое обозначение
|
|
|
1
|
2
|
|
Вентиль запорный проходной
|
|
|
Затвор дисковый
|
|
|
Кран шаровой
|
|
|
Задвижка
|
|
|
Теплопровод горячей воды, подающий
|
|
|
Теплопровод горячей воды, обратный
|
|
После выполнения действий, описанных
выше в пункте 3.2, получим готовую электронную схему теплоснабжения завода
Буммаш, выполненную в AutoCAD.
Рисунок 3.8. -Электронная схема
электроснабжения завода Буммаш
электронная схема
энергоресурсосбережение графический
Заключение
В результате данной курсовой работы
были построены электронные схемы электроснабжения и теплоснабжения на примере
завода Буммаш в программе AutoCAD. Для правильного построения схем необходимо
было изучить основные положения Единого Стандарта Конструкторской Документации,
основные условно-графические обозначения. Для построения схем не применялись
стандартные библиотеки инструментов, использовались примитивы построения.
Разработанные специально для проектирования инженерных систем зданий,
инструменты помогают повысить эффективность, точность проектирования благодаря
автоматизации задач построения, улучшить координацию проектных данных, но
требуют определенных инженерных навыков.
Список литературы
1. ГОСТ 2.702-75 ЕСКД. Правила выполнения электрических схем.
. ГОСТ 2.710-81 ЕСКД. Обозначения буквенно-цифровые в
электрических схемах.
. ГОСТ 2.721-74 ЕСКД. Обозначения условно-графические в схемах.
Обозначения общего применения.
. Сайт Блог электромеханика, URL:
http://www.electroengineer.ru/2011/01
/blog-post_1803.html
. Сайт Компания АСКОН, URL:
http://machinery.ascon.ru/software//items/?prcid=137&prpid=894
. Официальный сайт Autodesk, URL:
http://www.autodesk.ru/products/autocad-mep/overview
.Сайт Электричество и схемы, URL:
http://www.elektroshema.ru/2011-02-05-22-57-45/ing/95-abok2
. ГОСТ 2.784-96 ЕСКД. Обозначения условно-графические. Элементы
трубопровода