Разработка условного графического изображения и посадочного места компонента К140УД13 в системе проектирования PCAD

  • Вид работы:
    Контрольная работа
  • Предмет:
    Информационное обеспечение, программирование
  • Язык:
    Русский
    ,
    Формат файла:
    MS Word
    384,52 Кб
  • Опубликовано:
    2013-05-14
Вы можете узнать стоимость помощи в написании студенческой работы.
Помощь в написании работы, которую точно примут!

Разработка условного графического изображения и посадочного места компонента К140УД13 в системе проектирования PCAD

Министерство образования Республики Беларусь

Учреждение образования

БЕЛОРУССКИЙ ГОСУДАРСТВЕННЫЙ УНИВЕРСИТЕТ

ИНФОРМАТИКИ И РАДИОЭЛЕКТРОНИКИ








КОНТРОЛЬНАЯ РАБОТА

по курсу: «Компьютерное проектирование электронных устройств»

Контрольная работа

Вариант 10

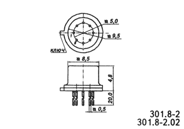
Необходимо разработать условное графическое изображение и посадочное место компонента К140УД13 (типовая схема и корпус показаны на рис. 1) в системе проектирования PCAD.

Рис. 1.

1. 
Создание УГО (символа) для электрической схемы

Для решения поставленной задачи используется встроенный в систему специальный графический редактор P-CAD Symbol Editor. Указанный редактор может быть запущен автономно исполняемым модулем SYMED.EXE, или из редактора P-CAD Schematic, или из редактора P-Cad PCB, или из менеджера библиотек P-CAD Library Executive после выполнения команды Utils/P-CAD Symbol Editor. На рис. 1.1 представлен экранный интерфейс указанного редактора.

Рис. 1.1

Настройка редактора символов

1 Выполнить команду Options/Configure. Установить систему единиц - мм, размер форматки - А4. Нажать кнопку ОК. Размер рабочего поля составит примерно 280x210 мм.

Выполнить команду Options/Grids. Появится диалоговое окно (рис. 1.2) для определения списка нужных сеток. Для установки сетки с нужным шагом надо в поле Grid Spasing ввести числовое значение шага (введем 0.1; 0.5; 1; 2.5 и 5 мм) и нажать кнопку Add (добавить), а затем -кнопку ОК. После ввода каждого значения шага сетки необходимо нажимать кнопку Add. Переключение шагов сетки в дальнейшем можно производить непосредственно в окне строки состояний экрана.

Рис. 1.2

С помощью команды Options/Display просмотрим цвета и стили отдельных элементов изображения рис. 1.3.

Рис. 1.3

Для нанесения надписей кириллицей отредактируем имеющиеся стили текста с помощью команды Options/TextStyle ,

Просмотрим список толщин линий с помощью команды Options/CurrentLine, Системных линий Think(0,254mm) и Thick(0,762mm) достаточно.

Сохраним введенные настройки в файле с именем настройки в папку Шаблоны с помощью команды Symbol/Save To File AS.

Создание символа с помощью мастера

1 Откроем созданный файл настройки. Сохраним проект в папку Компоненты каталога Проекты под именем К140УД13, предварительно создав нужный каталог и папку.

Шаг сетки установим равным 2,5 мм.

В графе Symbol/Width установим ширину символа 20 мм.

В графе Pin Spacing установим расстояние между выводами 5 мм.

В графе Number Pin Left зададим количество выводов слева 4.

В графе Number Pin Rigth зададим количество выводов справа 4.

В графе Length установим User и зададим длину вывода 5 мм.

В поле Default Pin Name зададим имена выводов.

В поле Default Pin Designator присвоим значения указателям выводов.

В графе Display сбросим флажок Pin Name, чтобы запретить отображение выводов на схеме.

Нажимаем кнопку Finish для завершения работы мастера символов и сохранения результатов.

Редактирование символа

Переместим вывод 6 в верхнее крайнее положение.

Перейдем в свойства вывода 2, в области OutSide Edge установим Dot, чтобы добавить к изображению вывода знак инверсии.

3 Добавим обозначение символа, для чего добавим текстовый символ в соответствии с ГОСТ 2.759-82 «».

Окончательный вариант созданного символа представлен на рис. 1.4.

Рис. 1.4

Проверка символа

Активизируем команду Utils/Validate. На отсутствие ошибок указывает появление информационного сообщения рис. 1.5.

Рис. 1.5.

Сохранение символа

Активизируем команду Symbol/Save AS для сохранения созданного символа в одну из библиотек рис. 1.6.

Рис. 1.6

При сохранении символа в библиотеке система автоматически проверяет символ, и при наличии ошибок сохранение не производится. Сохраним символ в My_lib под именем К140УД13.

2. Создание посадочного места компонента

.1 Запуск редактора корпусов

. В меню программы Library Executive активируем команду Pattern/Open. Появится окно редактора корпусов и стандартный диалог Windows по открытию файлов. Здесь можно выбрать нужный корпус из библиотеки, предварительно открыв ее (файлы с расширением lib), или загрузить его из сохраненного ранее файла с расширением pat.

Нажмем кнопку Cancel, чтобы оказаться от выбора файла. Плавающее окно закроется.

.2 Настройка редактора корпусов

Используя команду Options/Configure, установим метрическую систему едини. Поскольку большинство создаваемых посадочных мест имеют небольшие размеры, размеры рабочей зоны (Workspace Size) выберем равным 200х200 мм.

Выполним команду Options/Grids. Для установки сетки с нужным шагом надо в поле Grid Spasing ввести числовое значение шага (введем 0.1; 0.5; 1; 2.5 и 5 мм) и нажать кнопку Add (добавить), а затем -кнопку ОК. После ввода каждого значения шага сетки необходимо нажимать кнопку Add. Переключение шагов сетки в дальнейшем можно производить непосредственно в окне строки состояний экрана

С помощью команды Options/Display просмотрим цвета и стили отдельных элементов изображении.

Для нанесения надписей создадим свои стили текста. используя команду Otions/Text Style. Как правило, текстовых надписей, связанных с компонентами на печатной плате, немного. Обычно указываются только позиционные обозначения (RefDes). Для них можно создать дополнительный стиль с высотой букв 2-3 мм, основанный на одном из штриховых шрифтов P-CAD.

Пополним список толщин линий с помощью команды Options/Current Line. К уже имеющейся добавим 0,5 и 0,762 мм.

Структуру слоев и радиусы скругления полигонов пока оставим неизменными.

Coхраним введенные настройки в папку Шаблоны. Файл запишется с расширением pat.

Очень важным элементом посадочного места являются контактные площадки. Стили переходных и монтажных отверстий могут быть считаны из файла технологических параметров.

.3 Создание корпуса с помощью мастера

Используя команду File/Open, откроем файл Настройки, созданный ранее.

В меню активизируем команду Pattern/Pattern Wizard, появится окно изображенное на рис. 2.1

Рис. 2.1

В окне мастера из раскрывающегося списка Pattern Type выберем корпус с четырехрядным расположением выводов - QUAD.

Дальнейшие установки связаны с конструктивными особенностями выбранного типа корпуса.

В полях Number of Pads Down и Number of Pads Across укажем количество контактных площадок 2.

В поле Pad Of Spacing (On Center) укажем расстояние между центрами соседних контактных площадок -5 мм.

В поле Pattern Width укажем расстояние между центрами контактных площадок с разных сторон корпуса - 3,5 мм.

В поле Pad 1 Position укажем номер контактной площадки , на которую будет устанавливаться первый вывод корпуса компонента, устанавливаем - 1.

В полях Pad Style (Pad 1) и Pad Style (Other) поставим соответственно SX59Y59D352 и EX59Y59D352.

Снимаем галочку с группы Silk Screen.

Установив все параметры, как показано на рис. 2.2, жмем кнопку Finish для завершения работы мастера и сохранения результатов.

Рис. 2.2

Используя команду Place Arc обозначим корпус в соответствии с размерами - dmax 9,5.

Используя команду Place Line обозначим ключ напротив восьмой контактной площадки.

В результате мы получим изображенный на рис. 2.3 корпус.

Перед помещением корпуса в библиотеку его обязательно нужно проверить. Работа с командой Utils/Validate представлена на рис. 2.4.

Рис.2.3

Рис. 2.4

.4 Сохранение корпуса

В основном меню редактора корпусов активизируем команду Pattern/Save As, представленную на рис. 2.5.

Нажав кнопку Library в окне Pattern Save To Library, выберем библиотечный файл, в котором будет храниться созданный корпус.

Укажем имя корпуса в поле Pattern Name. По стандартам данный корпус обозначается как 301.8-2. Это обозначение приводится в справочнике по микросхемам [3].

Нажимаем кнопку ОК для сохранения корпуса в библиотеке.

Рис. 2.5

.5 Создание компонента в Library Executive

После создания и посадочного места необходимо их объединить в единое целое - компонент. Для этой цели применяются диспетчер библиотек - Library Executive. Используя созданный на предыдущих этапах корпус и символ, создадим новый библиотечный компонент - микросхему К140УД13.

.6 Выбор корпуса для компонента

Создание компонента в диспетчере библиотек начинается с выбора корпуса (посадочного места).

Выберем корпус для компонента и укажем его свойства.

1 В Library Executive активизируем команду Component/New. Откроется стандартный диалог выбора файлов, в котором необходимо выбрать библиотеку для работы My_lib.

Появится рабочее окно диспетчера с информацией о компоненте. Нажмем в этом окне кнопку Select pattern, чтобы выбрать корпус нового компонента.

В появившемся окне Library Wizard выберем из списка нужный корпус, изображенный на рис. 2.6 - это корпус 301.8-2.

В поле Number of Gates окна Component Information укажем количество секций в компоненте -2 рис. 2.7.

Рис. 2.6

редактор символ мастер библиотека

5 В поле Refdes Prefix укажем префикс для позиционного обозначения компонента на схеме и плате. Для операционных усилителей - это DD.

Рис. 2.7

В группе Component type выберем тип компонента Normal.

В группе Component Style выбирем стиль компонента - Heterogeneous.

В группе Gate Number выберем числовую нумерацию.

В группе Alternate Views флажки устанавливать не будем.

Нажмем кнопку Pins View, чтобы просмотреть содержимое таблицы упаковки на первом этапе работы. Первые два столбца заполняются автоматически.

Поскольку при создании корпуса указатели выводов были согласованы с номерами контактных площадок, информация в обоих столбцах одинакова.

.7 Выбор символа для компонента

Следующим шагом на пути создания компонента является выбор символа из числа имеющихся в текущей библиотеке.

В окне Pins View нажмем кнопку Component Info, чтобы вернуться в окно информации о компоненте. и там нажмем кнопку Select Symbol для выбора схемного представления компонента (символа).

В окне Library Browse выберем из списка нужный символ для компонента. В данном случае это созданный на предыдущем этапе символ. После нажатия кнопки ОК появится предупреждение о несоответствии указателей, номеров и имен выводов.

Нажмем Yes. Откроем таблицу упаковки, изображенную на рис. 2.8.

Рис. 2.8

Заполним эту таблицу в соответствии с цоколевкой микросхемы по справочнику:

графа Pin# - номер вывода у символа, заполняется в соответствии с номером вывода микросхемы (восьмой не используется).

графа Pin Name заполняется в соответствии с наименованием вывода.

в графе Elec. Type в строках, соответствующим входам (2,3,5и8) выбираем Input, в строках, соответствующим выходам(6) - Output, в строках, соответствующим питанию (4,7) - Power, в строках, соответствующим земле(1) - оставим Unknown.

В графе Pin Name в строке 4, соответствующей общему выводу микросхемы, впишем GND. В строке 7, соответствующей питанию микросхемы, впишем +14. Результат упаковки микросхемы К140УД13 представлен на рис. 2.9.

Рис. 2.9

Администратор библиотек позволяет выполнить проверку правильности настройки таблицы перед записью элемента в библиотеку. Для проверки выполним команду Component/Validate. При верном заполнении появляется надпись, представленная на рис. 2.10.

Рис. 2.10

Выполним команды Component/Save и, нажав кнопку ОК, запишем созданный библиотечный элемент в библиотеку под именем К140УД13 (рис. 2.11).

Рис. 2.11


1.        Н. И. Шатило, Л. Н. Харченко. Компьютерное проектирование Радиоэлектронных средств. Методическое пособие. Минск. БГУИР. 2011.

2.      А. С. Уваров. P-CAD. Проектирование и конструирование электронных устройств. Горячая Линия - Телеком. 2004.

.        Б. П. Кудряшов, Ю. В. Назаров, Б. В. Тарабрин, В. А. Ушибышев. Аналоговые интегральные микросхемы: Справочник. Радио и связь. 1981.

.        ГОСТ 2.759-82 ЕСКД. Обозначения условные графические в схемах. Элементы аналоговой техники.

Похожие работы на - Разработка условного графического изображения и посадочного места компонента К140УД13 в системе проектирования PCAD

 

Не нашли материал для своей работы?
Поможем написать уникальную работу
Без плагиата!
Без нейросетей!