Разработка адаптера связи ОЗУ с синхронной системной шиной
РЕФЕРАТ
Курсовой проект содержит: пояснительная записка
36 с., рисунков 9, таблиц 1, список литературы 24 источника; графическая часть
содержит 1 чертеж.
АДАПТЕР СВЯЗИ, ОПЕРАТИВНОЕ ЗАПОМИНАЮЩЕЕ
УСТРОЙСТВО, СИНХРОННАЯ СИСТЕМНАЯ ШИНА, БЛОК УПРАВЛЕНИЯ, БЛОК ВЫДАЧИ ИНФОРМАЦИИ,
БЛОК ПРИЕМА ИНФОРМАЦИИ, РЕГИСТР АДРЕСОВ, ДЕШИФРАТОРЫ.
Объектом для разработки является адаптер связи
ОЗУ с синхронной системной шиной.
Цель работы - разработать адаптер связи ОЗУ с
синхронной системной шиной.
В результате проведенной работы разработан
адаптер связи ОЗУ с синхронной системной шиной.
Эффективность внедрения: повышение скорости
обмена информации в ЭВМ.
СОДЕРЖАНИЕ
ПЕРЕЧЕНЬ СОКРАЩЕНИЙ
ВВЕДЕНИЕ
. АНАЛИЗ СУЩЕСТВУЮЩИХ УСТРОЙСТВ
.1 Анализ архитектуры и структуры
существующих устройств
.2 Анализ элементной базы
существующих устройств
. РАЗРАБОТКА АДАПТЕРА СВЯЗИ ОЗУ С
СИНХРОННОЙ СИСТЕМНОЙ ШИНОЙ
.1 Разработка структурной схемы
устройства
.2 Выбор элементной базы устройства
.3 Разработка принципиальной схемы
устройства
ЗАКЛЮЧЕНИЕ
СПИСОК ЛИТЕРАТУРЫ
ПЕРЕЧЕНЬ СОКРАЩЕНИЙ
ПК - персональный компьютер;
ЭВМ - электронно-вычислительная машина;
ЭВУ - электронно-вычислительное устройство;
ЭВТ - электронно-вычислительная техника;
ОЗУ - оперативное запоминающее устройство;
ПЗУ - постоянное запоминающее устройство;
МП - микропроцессор;
ША - шина адреса;
ШД - шина данных;
ШУ - шина управления;
БПрИ - блок приема информации (unit
receiving
information);
БВИ - блок
выдачи
информации
(block the release of information);
БУ - блок управления (control
block);
РА - регистр адреса (address
register);
ТИ - тактовый импульс;
КШД - кодовая шина данных;
КША - кодовая шина адреса;
КШИ - кодовая шина инструкций.
ВВЕДЕНИЕ
На сегодняшний день компьютеры проникли во все
сферы деятельности человека, начиная с начального образования и заканчивая
изучением новейших технологий, изучения новых видов материи, неизвестных пока
человечеству. Применение компьютерных технологий облегчает процесс образования
в средних и высших учебных заведениях, как самих учеников, студентов, так и
рабочего персонала. Автоматизация обработки информации позволяет в считанные
секунды проделать работу, на которую раньше терялись недели, информирование
руководителей о состоянии предприятий и рабочих мест происходит мгновенно. А
благодаря разнообразию программного и аппаратного обеспечения сегодня возможно
использование всех потенциальных возможностей компьютерных технологий.
Оперативное запоминающее устройство - (ОЗУ, RAM
- Random Access Memory) позволяет записывать и считывать данные средствами
микропроцессора. При отключении питания данные не сохраняются, таким образом,
ОЗУ не является энергонезависимым. ОЗУ используется, как правило, для
временного хранения промежуточных данных в процессе расчетов.
Системная шина - основная интерфейсная система
компьютера, обеспечивающая сопряжение и связь всех его устройств между собой.
Все блоки, а точнее их порты ввода-вывода, через
соответствующие унифицированные разъемы (стыки) подключаются к шине
единообразно: непосредственно или через контроллеры (адаптеры). Управление
системной шиной осуществляется микропроцессором либо непосредственно, либо, что
чаще, через дополнительную микросхему контроллера шины, формирующую основные
сигналы управления.
При синхронном обмене ведущее устройство не
анализирует готовность ведомого устройства, предполагая, что ведомое устройство
всегда готово к обмену. Такой метод обмена применим в случае, если ведомое и
ведущее устройства обладают примерно одинаковым быстродействием.
В связи с тем, что в современном мире ЭВМ
развиваются очень быстро и нужны новые решения для ускорения обмена информации,
в данной работе мы будем разрабатывать адаптер связи ОЗУ с синхронной системной
шиной, для этого нам необходимо:
. Проанализировать существующие ОЗУ и
системные шины компьютеров;
. Разработать структурную схему адаптера
связи ОЗУ с синхронной системной шины;
. Выбрать элементы и узлы устройства;
. Разработать принципиальную схему
устройства.
В результате работы мы получим адаптер связи ОЗУ
с синхронной системной шиной.
шина компьютер адаптер связь
ГЛАВА 1 АНАЛИЗ СУЩЕСТВУЮЩИХ УСТРОЙСТВ
.1 Анализ архитектуры и структуры
существующих устройств
Одним из основных компонентов компьютера
является оперативная память, которая служит местом хранения информации и для
дальнейшей ее передачи процессору, жесткому диску, другим внешним устройствам.
Она располагается в специальных разъемах на материнской плате. Оперативная
память является тем местом, где хранятся данные и команды, с которыми работает
центральный процессор, и представляет собой схему из огромного количества
мельчайших конденсаторов и транзисторов (одна такая пара позволяет обычно
хранить один бит). Если бы не существовало оперативной памяти, то данные
располагались бы на жестком диске, и время обращения к ним резко бы
увеличилось, что привело бы к резкому снижению общей производительности
компьютера.
Оперативную память также обозначают RAM
(Random Аccess
Memory - память
произвольного доступа). Понятие произвольного доступа означает, что можно
обратиться к произвольной ячейке памяти, в отличие от последовательного метода
доступа, когда для доступа к ячейке нужно вначале прочитать другие данные,
которые находятся до данной ячейки (примером может служить магнитная лента).
Оперативная память изготовляется в виде
микросхем, крепящихся на специальных пластинах, которые устанавливаются на
материнской плате в соответствующие разъемы. При включении компьютера
операционная система загружается в оперативную память, затем в нее загружаются
программы приложения, например, Word,
и данные, например, документы. Центральный процессор управляет загрузкой
программы, данных в оперативную память, далее происходит работа с данными,
находящимися в оперативной памяти, а не на жестком диске. Если требуются
данные, которые находятся на жестком диске, то информация вначале загружается в
оперативную память, после чего она вызывается для обработки центральным
процессором. После обработки она снова помещается в оперативную память и затем
заносится на жесткий диск. То есть центральный процессор работает с
инструкциями и данными, которые находятся в оперативной памяти, а все другие
устройства (диски, магнитная лента, модемная связь и пр.) действуют через нее.
Поэтому оперативная память имеет огромное влияние на работу компьютера. Так как
оперативная память предназначена для хранения данных и программ только во время
работы компьютера, то после выключения электропитания все данные, которые в ней
находились, теряются.
Типы архитектуры ОЗУ:
Самой первой была архитектура FPM DRAM (Fast
Page Mode DRAM - быстрая со страничным способом), имеющая два вида памяти с
разным временем доступа: 60 и 70 нс; микросхемы с доступом 60 нс работают при
частоте системной шины 60, 66 МГц. FPM называется также стандартной памятью и
работает в пакетном режиме чтения цикла 5-3-3-3.
Следующей модификацией памяти является EDO DRAM
(Extended Data Output DRAM - расширенный вывод данных DRAM). Быстродействие
достигается за счет дополнительных регистров, в которых хранятся данные в
течение следующего запроса к микросхеме и которые позволяют начать следующий
цикл до того, как закончится предыдущий. Работает на 10-15% быстрее, чем FPM
DRAM. Имеет время доступа 50 нс, 60 нс (для шины с частотой 66 МГц) и 70 нс.
Используется на материнских платах с частотой шины до 66 МГц и процессорами
Pentium, реже с 486-процессором. В силу того, что при частоте системной шины
более 66 МГц работает неустойчиво, постепенно ушла с рынка.обеспечивает
конвейеризацию при работе памяти. Она используется в платах SIMM-72 и DIMM, при
этом в них не используется проверка на нечетность, но могут запоминаться
контрольные суммы ЕСС. Данный тип памяти может использоваться как в оперативной
памяти, так и в видеопамяти. Для работы с данным типом нужно, чтобы BIOS мог
работать с ними, так что старые материнские платы могут их не поддерживать. Некоторые
платы определяют при помощи соответствующего BIOS тип модуля памяти и допускают
одновременную установку стандартной и EDO памяти. Достигает при пакетном режиме
чтения цикла 5-2-2-2.(Burst EDO - пакетный EDO) - позволяет считывать данные
блоками или пакетами за один такт. Развилась из SDRAM и работает на частоте
системной шины 66 МГц. В BEDO получили дальнейшее развитие принципы конвейерной
обработки. Данная память требует несколько больше времени на выборку первого
данного в пакетном режиме, но обеспечивает более быструю выборку следующих
данных. Она также используется в платах SIMM-72 и DIMM. Достигает при пакетном
режиме чтения цикла 5-1-1-1.(Synchronous DRAM - синхронная DRAM) - обеспечивает
конвейерную обработку данных и чередование адресов, что увеличивает ее
производительность. Все операции в таких микросхемах синхронизированы с
тактовой частотой CPU и работают с тактовыми частотами системной шины до 133
МГц, причем время рабочего цикла составляет 8-10 нс при частоте системной шины
100 МГц. Для современных шин существует память РС100, РС133, где цифры
указывают частоту системной шины. Работает быстрее, чем EDO DRAM, однако при
частоте шины до 66 МГц разница в производительности не существенна.
Память SDRAM является наиболее перспективной,
особенно для больших тактовых частотах системной шины компьютера, которую не
может эффективно поддерживать памяти других типов. Данная память
устанавливается на платах DIMM или как микросхема на системную или видеоплату.
Достигает при пакетном режиме чтения цикла 5-1-1-1.II (DDR SDRAM) позволяет
обрабатывать команды доступа параллельно в их независимых банках памяти, что
убыстряет время доступа. Данная память ускоряет работу за счет использования
переднего фронта и спада импульса в два раза, имеет обозначение РС1600, РС2100,
где цифры обозначают количество Мбайт/сек, которые могут быть переданы по шине,
соответственно 1 600 Мбайт/сек с использованием системной шины 100 МГц, а 2100
- для 133 МГц. Однако они должны поддерживаться чипсетом.
Память Direct RDRAM является перспективной
памятью, на которую перешла компании Intel. Она может работать с тактовой
частотой шины 400 МГц/сек, с пропускной способностью до 1 600 МГц/сек, позволяя
передавать данные на переднем и заднем фронтах импульса, обеспечивает
конвейерную выборку данных. Кроме указанных, существует память SLDRAM, которая,
как и Direct RDRAM, на частоте 400 МГц позволяет осуществлять передачу данных
до 1 600 байт/сек.
Существуют модификации вышеуказанных типов
памяти, например, CDRAM (Cashe RAM), EDRAM (Enhanced RAM) - является памятью
DRAM, в которой имеется статическая память, используется как буферная память в
модуле. Время доступа к данным в указанных выше видах памяти составляет от 50
до 70 нс.
Кроме того, существуют другие виды памяти,
которые устанавливаются на графических (видео) картах (но не для оперативной
памяти) - VRAM, SGRAM, GDDR2, GDDR3, GDDR4, GDDR5. Где GDDR2 построен на основе
DDR2, GDDR3, GDDR4, GDDR5 построены на основе DDR3.
Современные компьютеры используют DDR, DDR2 и
DDR3.
Рисунок 1 - Структурная схема ОЗУ
Передача данных между оперативной памятью и
процессором происходит по системной шине, которая характеризуется тактовой
частотой, то есть количеством тактов в секунду. Этот показатель измеряется в
мегагерцах, то есть количеством миллионов тактов в секунду. Количество данных,
которые передаются в течение одного цикла шины, называются шириной шины. По
сравнению с процессором, производительность оперативной памяти меньше, и, чтобы
центральный процессор не простаивал, организована кэш-память, которая работает
быстрее, чем оперативная память, и хранит образ участков оперативной памяти.
Если бы жесткие диски работали намного быстрее, то оперативной памяти могло бы
не потребоваться, однако жесткие диски работают примерно в 200 раз медленнее.
Компьютерная шина (от англ. computer bus,
bidirectional universal switch - двунаправленный универсальный коммутатор) - в
архитектуре компьютера, подсистема, которая передаёт данные между
функциональными блоками компьютера. Обычно шина управляется драйвером. В
отличие от связи точка-точка, к шине можно подключить несколько устройств по
одному набору проводников. Каждая шина определяет свой набор коннекторов
(соединений) для физического подключения устройств, карт и кабелей.
Ранние компьютерные шины представляли собой
параллельные электрические шины с несколькими подключениями, но сейчас данный
термин используется для любых физических механизмов, предоставляющих такую же
логическую функциональность, как параллельные компьютерные шины.
Компьютерная шина служит для передачи данных
между отдельными функциональными блоками компьютера и представляет собой
совокупность сигнальных линий, которые имеют определенные электрические
характеристики и протоколы передачи информации. Шины могут различаться
разрядностью, способом передачи сигнала (последовательные или параллельные,
синхронные или асинхронные), пропускной способностью, количеством и типами
поддерживаемых устройств, протоколом работы, назначением (внутренняя или
интерфейсная).
кодовую шину данных (КШД), содержащую провода и
схемы сопряжения для параллельной передачи всех разрядов числового кода
(машинного слова) операнда;
кодовую шину адреса (КША), содержащую провода и
схемы сопряжения для параллельной передачи всех разрядов кода адреса ячейки
основной памяти или порта ввода-вывода внешнего устройства;
кодовую шину инструкций (КШИ), содержащую
провода и схемы сопряжения для передачи инструкций (управляющих сигналов,
импульсов) во все блоки машины;
шину питания, содержащую провода и схемы
сопряжения для подключения блоков ПК к системе энергопитания.
Системная шина обеспечивает три направления
передачи информации:
между микропроцессором и основной памятью;
между микропроцессором и портами ввода-вывода
внешних устройств;
между основной памятью и портами ввода-вывода
внешних устройств (в режиме прямого доступа к памяти).
.2 Анализ элементной базы существующих
устройств
Существует несколько видов оперативной памяти,
но основными являются виды, типа SDRAM
(Synchronous
Dynamic Random
Access Memory
- синхронная динамическая память с произвольным доступом).
DDR (Double
Data Rate
- двойная скорость передачи данных). Удвоенная скорость достигается за счет
считывания данных не только по фронту (нарастание сигнала), но и по спаду
сигнала. Таким образом, за один такт передается два бита данных, то есть, если
частота системной шины равняется 100 МГц/сек, то получаем эффективную частоту в
200 МГц/сек. Ширина шины данных составляет 64 бит, то есть для предыдущего
примера получаем пропускную способность в 100 МГц х 2 х 64 бит = 12,8 Гбит/сек.
Микросхемы выполняются по технологии 0.13 и 0.09 мкм процесса.
Существуют следующие типы памяти: DDR200
для работы на частоте 100 МГц, DDR266
на частоте 133 МГц, DDR333
- 166 МГц, DDR400 - 200
МГц, DDR433 - 217
МГц, DDR466 - 233
МГц, DDR500 - 250
МГц, DDR533 - 267
МГц. Платы могут иметь и другое название, которое начинается с РС со значением
округленной пропускной способности памяти. Так память DDR200
может иметь название РС1600, память DDR266
название РС2100 (пропускная способность - 2133 мегабайт в секунду), DDR300
- РС2400, DDR333 - РС2700
(пропускная способность - 2 667 Мбайт/сек), DDR400
- РС3200, DDR433 - РС3500
(3 467 Мб/с), DDR466 -
РС3700, DDR500 -
РС4000, DDR533 - РС4300
(4 267Мб/с). Пропускная способность указывается в одноканальном режиме, в
двухканальном этот показатель увеличивается в два раза. Большинство плат
позволяют работать в двухканальном режиме, но существуют и четырехканальные
модули.
Указанная выше частота обозначает
гарантированную частоту, на которой работает модуль. Модуль можно использовать
на более низкой (underclocking)
и более высокой (overclocking)
частоте.
Основной характеристикой платы оперативной
памяти является ее емкость. Она измеряется в мегабитах. Если одна микросхема
имеет емкость 512 Мбит, то общая емкость на данной плате будет 512 х 8 (8
микросхем на одной стороне) х 2 (2 стороны платы) = 8 194 мегабит = 1024
мегабайт = 1 гигабайт. Таким образом, плата на рисунке имеет емкость в 1
гигабайт.второе поколение данного вида памяти, появившееся в 2004 году. Отличие
от DDR заключается в вдвое большей частоте шины, по которой данные передаются в
буфер. Главное отличие состоит в том, что данный вид памяти может работать на
более высокой частоте, так как у DDR имелось ограничение. Тесты показывают, что
скорость работы DDR2 чуть выше, чем у DDR, приближаясь к заявленной.
Платы также имеют различие. Ключ сдвинут влево,
слева от ключа находится 64 контактов, справа - 56, всего на одной стороне -
120, всего на двух сторонах - 240. Таким образом, память DDR нельзя вставить в
разъем DDR2 и наоборот, то есть, они не взаимозаменяемы.
Имеются модули DDR2-400 (PC2-3200), DDR2-533
(PC2-4200), DDR2-667 (PC2-5300), DDR2-675 (PC2-5400), DDR2-700 (PC2-5600),
DDR2-711 (PC2-5700), DDR2-750 (PC2-6000), DDR2-800 (PC2-6400), DDR2-888
(PC2-7100), DDR2-900 (PC2-7200), DDR2-1000 (PC2-8000), DDR2-1066 (PC2-8500),
DDR2-1150 (PC2-9200), DDR2-1200 (PC2-9600).третье поколение данного вида
памяти. Отличие от DDR2 заключается в пониженной энергопотреблении (на 40 %),
так как произошел переход на технологии 90, 65, 50, 40 нанометров (один
нанометр равен одной тысячной микрометра).
Платы также имеют различие. Ключ сдвинут еще
левее, слева от ключа находится 48 контактов, справа - 72, всего на одной
стороне - 120, всего на двух сторонах - 240. Таким образом, память DDR2 нельзя
вставить в разъем DDR3 и наоборот, то есть, они не взаимозаменяемы.
Имеются модули DDR3-800 (PC3-6400), DDR3-1066
(PC3-8500), DDR3-1333 (PC3-10600), DDR3-1600 (PC3-12800), DDR3-1800
(PC3-14400), DDR3-1866 (PC3-14900), DDR3-2000 (PC3-16000), DDR3-2133
(PC3-17000), DDR3-2200 (PC3-17600), DDR3-2400 (PC3-19200).следующее поколение
этого вида памяти, которое планируется массово выпускать в 2013 году. Данный
вид памяти будет поддерживать частоты от 2133 до 4266 МГц/сек.
Память организована блоками по 8 бит, которые
составляют 1 байт. Чтобы увеличить надежность памяти, иногда добавляется
девятый бит, называемый битом четности, который принимает значение таким
образом, чтобы сумма всех девяти бит составляла определенную величину по модулю
два (0 или 1), и нарушение этого правила означает ошибку в памяти. При ее
наличии на экране появится сообщение о том, что произошла ошибка четности.
Однако не все микросхемы имеют 9 бит, так как не во всех модулях памяти
используется данный метод и такие микросхемы немного дешевле, чем с проверкой
на четность. Некоторые изготовители для удешевлении микросхем используют 8 бит,
вычисляют значение девятого и посылают значение 9 бита в процессор, и такие
микросхемы трудно отличить от 9-битных.
Некоторые изготовители выпускают микросхемы с
коррекцией ошибок по тому же принципу, как это сделано в жестких дисках, то
есть позволяют в некоторых случаях восстановить испорченную информацию. Эта
память использует дополнительно 7 бит (ЕСС) для 32 разрядов и 8 для 64. Такая
память дороже и используется для компьютеров, которые требуют особой надежности
хранения данных. При частом возникновении ошибок можно при помощи специальных
программ определить место сбоев. Обычно для домашних компьютеров используется
память без проверки на четность и кодов ЕСС, так как работа памяти и так
достаточно надежна. Если возникают ошибки, то можно сделать перезагрузку
компьютера, чтобы избавиться от наведенных ошибок и, кроме того, время от
времени выполнить тесты памяти.
Оперативная память не вся состоит из
перезаписываемых ячеек памяти. Часть оперативной памяти состоит из не
перезаписываемых ячеек (ROM или ПЗУ), она не позволяет записать в нее
информацию. Данные и программы, записанные в ней, установлены один раз и в
течение долгого времени не меняются. Этот вид памяти используется в BIOS и
необходим при включении компьютера, чтобы можно было запустить операционную
систему после включения электропитания.
Основными характеристиками оперативной памяти
являются: время доступа (время выполнения операции считывания/записи, то есть
время от начала цикла чтения до получения данных на выходе), ее размер,
производительность, разрядность и т.д. Производительность измеряется в
мегабайт/сек, это количество данных, которые память может считывать и
записывать в единицу времени. Разрядность шины памяти определяется количеством
бит, с которыми может быть выполнена операция чтения/записи за один момент
времени.
Шины расширений:
шина расширения ISA (Industry Standard
Architecture - промышленная стандартная архитектура) представлена в двух
версиях: для IBM PC/XT (1981 год) и для PC AT (1984 год). Она использовалась в
первом компьютере IBM PC, и тогда это было неофициальное название шины IBM
PC/XT, позволяющей добавлять в систему различные устройства. Часто возникает
путаница относительно ее характеристик, поскольку в новых компьютерах эта шина
не применяется, а фирма IBM до 1987 года не публиковала ее полного описания и
временных диаграмм сигналов.
шина PC/XT - 8-разрядная шина данных и
20-разрядная шина адреса, рассчитанная на тактовую частоту 4,77 МГц; имеет 4
линии для аппаратных прерываний и 4 канала для прямого доступа в память (каналы
DMA - Direct Memory Access). Шина адреса ограничивала адресное пространство
микропроцессора величиной 1 Мбайт. Использовалась с МП 8086, 8088.
Шина PC/AT - 16-разрядная шина данных и
24-разрядная шина адреса, рабочая тактовая частота до 8 МГц, но может
применяться и МП с тактовой частотой 16 МГц, так как контроллер шины способен
делить частоту пополам; имеет 7 линий для аппаратных прерываний и 4 канала DMA.
Использовалась с МП 80286, совместима и с МП с тактовой частотой больше 66 МГц
(коэффициент деления увеличен); увеличено количество линий аппаратных
прерываний с 4 до 15 и каналов прямого доступа к памяти (DMA) с 4 до 7.
Благодаря 24-разрядной шине адреса адресное пространство увеличилось с 1 Мбайт
до 16 Мбайт. Теоретическая пропускная способность шины данных равна 16 Мбайт/с,
но реально она ниже, около 5,5 Мбайт/с, ввиду ряда особенностей ее
использования. - основная шина на устаревших материнских платах. С появлением
32-разрядных высокоскоростных МП шина ISA стала существенным препятствием
увеличения быстродействия ПК. Раньше с помощью интерфейса ISA подключались
такие устройства, как видеокарты, модемы, звуковые карты и т. д. На современных
материнских платах этот интерфейс либо совсем отсутствует, либо имеется всего
1-2 слота. Конструктивно слот ISA представляет собой разъем, состоящий из двух
частей - 62-контактного и примыкающего к нему (в PC AT) 36-контактного
сегментов.
Шина EISA (Extended ISA) - 32-разрядная шина
данных и 32-разрядная шина адреса, создана в 1989 году как функциональное и
конструктивное расширение ISA. Адресное пространство шины 4 Гбайт, работает на
частоте 8-10 МГц. Теоретическая пропускная способность шины - 33 Мбайт/с,
причем скорость обмена по каналу МП - кэш - ОП определяется параметрами
микросхем памяти; увеличено число разъемов расширений - теоретически может
подключаться до 15 устройств (практически до 10). Улучшена система прерываний,
поддерживается Bus Mastering - режим единоличного управления шиной со стороны любого
из устройств на шине, имеет систему арбитража для управления доступом устройств
к шине. Обеспечивается автоматическое конфигурирование системы и управление
DMA. Шина поддерживает многопроцессорную архитектуру вычислительных систем.
Шина EISA весьма дорогая и применяется в скоростных ПК, сетевых серверах и
рабочих станциях. Внешне слоты шины на СП имеют такой же вид, как и ISA, и в
них могут вставляться платы ISA, но в глубине разъема находятся дополнительные
ряды контактов EISA, а платы EISA имеют более высокую ножевую часть разъема с
дополнительными рядами контактов.
Шина MCA (Micro Channel Architecture) -
32-разрядная шина, созданная фирмой IBM в 1987 году для машин PS/2, пропускная
способность 76 Мбайт/с, рабочая частота 10-20 МГц. По своим прочим характеристикам
близка к шине EISA, но не совместима ни с ISA, ни с EISA. Поскольку компьютеры
PS/2 не получили широкого распространения, в первую очередь ввиду отсутствия
наработанного обилия прикладных программ, шина МСА также используется не очень
широко. Второй важной причиной отсутствия спроса на МСА является
несовместимость плат адаптеров ISA с МСА. И не последнюю роль сыграл тот факт,
что IBM потребовала от всех изготовителей, желающих приобрести права на
использование этой шины, заплатить за использование ISA во всех выпущенных
ранее компьютерах. Собственно говоря, это и повлекло за собой разработку
Локальные шины:
Современные вычислительные системы
характеризуются:
стремительным ростом быстродействия
микропроцессоров и некоторых внешних устройств (так, для отображения цифрового
полноэкранного видео с высоким качеством необходима пропускная способность 22
Мбайт/с);
появлением программ, требующих выполнения
большого количества интерфейсных операций (например программы обработки графики
в Windows, мультимедиа).
В этих условиях пропускной способности шин
расширения, обслуживающих одновременно несколько устройств, оказалось
недостаточно для комфортной работы пользователей, поскольку компьютеры стали
подолгу «задумываться». Разработчики интерфейсов пошли по пути создания
локальных шин, подключаемых непосредственно к шине МП, работающих на тактовой
частоте МП (но не на внутренней рабочей его частоте) и обеспечивающих связь с
некоторыми скоростными внешними по отношению к МП устройствами: основной и
внешней памятью, видеосистемами и т. д.
Сейчас существуют три основных стандарта
универсальных локальных шин: VLB, PCI и AGP.
Шина VLB (VL-bus, VESA Local Bus) представлена в
1992 году ассоциацией стандартов видеоэлектроники (VESA - торговая марка Video
Electronics Standards Association) и поэтому часто ее называют шиной VESA. Шина
VLB, по существу, является расширением внутренней шины МП для связи с
видеоадаптером и реже с жестким диском, платами мультимедиа, сетевым адаптером.
Разрядность шины для данных - 32 бита, для адреса - 30, реальная скорость
передачи данных по VLB - 80 Мбайт/с, теоретически достижимая - 132 Мбайт/с (в
версии 2 - 400 Мбайт/с).
Недостатки шины VLB:
ориентация только на МП 80386, 80486 (не
адаптирована для процессоров класса Pentium);
жесткая зависимость от тактовой частоты МП
(каждая шина VLB рассчитана только на конкретную частоту до 33 МГц);
малое количество подключаемых устройств - к шине
VLB может подключаться только 4 устройства;
отсутствует арбитраж шины - могут быть конфликты
между подключаемыми устройствами.
Шина PCI (Peripheral Component Interconnect,
соединение внешних компонентов) - самый распространенный и универсальный
интерфейс для подключения различных устройств. Разработана в 1993 году фирмой
Intel. Шина PCI является намного более универсальной, чем VLB; допускает
подключение до 10 устройств; имеет свой адаптер, позволяющий ей настраиваться
на работу с любым МП от 80486 до современных Pentium. Тактовая частота PCI - 33
МГц, разрядность - 32 разряда для данных и 32 разряда для адреса с возможностью
расширения до 64 бит, теоретическая пропускная способность 132 Мбайт/с, а в
64-битовом варианте - 264 Мбайт/с. Модификация 2.1 локальной шины PCI работает
на тактовой частоте до 66 МГц и при разрядности 64 имеет пропускную способность
до 528 Мбайт/с. Осуществлена поддержка режимов Plug and Play, Bus Mastering и
автоконфигурирования адаптеров.
Конструктивно разъем шины на системной плате
состоит из двух следующих подряд секций по 64 контакта (каждая со своим
ключом). С помощью этого интерфейса к материнской плате подключаются
видеокарты, звуковые карты, модемы, контроллеры SCSI и другие устройства. Как
правило, на материнской плате имеется несколько разъемов PCI. Шина PCI, хотя и
является локальной, выполняет и многие функции шины расширения. Шины расширения
ISA, EISA, MCA (а она совместима с ними) при наличии шины PCI подключаются не
непосредственно к МП (как это имеет место при использовании шины VLB), а к
самой шине PCI (через интерфейс расширения). Благодаря такому решению шина
является независимой от процессора (в отличие от VLB) и может работать
параллельно с шиной процессора, не обращаясь к ней за запросами. Таким образом,
загрузка шины процессора существенно снижается.
Шина AGP (Accelerated Graphics Port - ускоренный
графический порт) - интерфейс для подключения видеоадаптера к отдельной
магистрали AGP, имеющей выход непосредственно на системную память. Разработана
шина на основе стандарта PCI v2.1. Шина AGP может работать с частотой системной
шины до 133 МГц и обеспечивает высочайшую скорость передачи графических данных.
Ее пиковая пропускная способность в режиме четырехкратного умножения AGP4x
(передаются 4 блока данных за один такт) имеет величину 1066 Мбайт/с, а в
режиме восьмикратного умножения AGPSx - 2112 Мбайт/с. По сравнению с шиной PCI,
в шине AGP устранена мультиплексированность линий адреса и данных (в PCI для
удешевления конструкции адрес и данные передаются по одним и тем же линиям) и
усилена конвейеризация операций чтения-записи, что позволяет устранить влияние
задержек в модулях памяти на скорость выполнения этих операций.
Шина AGP имеет два режима работы: DMA и Execute.
В режиме DMA основной памятью является память видеокарты. Графические объекты
хранятся в системной памяти, но перед использованием копируются в локальную память
карты. Обмен ведется большими последовательными пакетами. В режиме Execute
системная память и локальная память видеокарты логически равноправны.
Графические объекты не копируются в локальную память, а выбираются
непосредственно из системной. При этом приходится выбирать из памяти
относительно малые случайно расположенные куски. Поскольку системная память
выделяется динамически, блоками по 4 Кбайт, в этом режиме для обеспечения
приемлемого быстродействия предусмотрен механизм, отображающий последовательные
адреса фрагментов на реальные адреса 4-килобайтовых блоков в системной памяти.
Эта процедура выполняется с использованием специальной таблицы (Graphic Address
Re-mapping Table или GART), расположенной в памяти. Интерфейс выполнен в виде
отдельного разъема, в который устанавливается AGP-видеоадаптер.
Периферийные шины:
Периферийные шины гораздо более разнообразны.
Периферийные шины IDE
(Integrated
Drive Electronics),
ATA (AT
Attachment - подключаемый к AT),
EIDE (Enhanced
IDE), SCSI
(Small Computer
System Interface)
используются чаще всего в качестве интерфейса только для внешних запоминающих
устройств. Интерфейс АТА, широко известный и под именем Integrated Drive
Electronics (IDE), предложен в 1988 году пользователям ПК IBM PC AT. Он
ограничивает емкость одного накопителя 504 Мбайт (по причине организации
адресного пространства в традиционной BIOS «головка-цилиндр-сектор»»: 16
головок х 1024 цилиндра х 63 сектора х 512 байт в секторе = 504 Кбайт = 528 482
304 байт) и обеспечивает теоретическую скорость передачи данных 5-10 Мбайт/с.
Существует много модификаций и расширений
интерфейсов ATA/IDE. Есть интерфейсы АТА с различными номерами, Fast ATA (тоже
с номерами), Ultra ATA (и их несколько) и, наконец, EIDE. Есть также
IDE-интерфейсы, поддерживающие протоколы ATAPI, DMA и т. д. Многие из
приведенных названий официально не утверждены, являются торговыми марками, но
тем не менее в литературе встречаются часто. Такая массовость названий связана
с тем, что в настоящее время более 90% всех используемых в персональных
компьютерах дисковых интерфейсов относятся к категории IDE.
Кратко рассмотрим некоторые модификации.ATA-2
или Enhanced IDE (EIDE - расширенный IDE), использующий как традиционную (но
расширенную) адресацию по номерам головки, цилиндра и сектора, так и адресацию
логических блоков (Logic Block Address - LBA), поддерживает емкость диска до
2500 Мбайт и скорость обмена до 16,7 Мбайт/с. К адаптеру EIDE, поддерживающему
стандарт AT API, может подключаться до четырех накопителей, в том числе и
CD-ROM, и НКМЛ.(ATA Package Interface) - стандарт, созданный с тем, чтобы
напрямую подключать к интерфейсу АТА не только жесткие диски, но и дисководы
CDROM, стримеры, сканеры и т. д. Версии интерфейса АТА-3 и Ultra ATA
обслуживают диски большей емкости, имеют скорость обмена до 33 Мбайт/с,
поддерживают технологию SMART
(Self Monitoring
Analysis
and Report
Technology - технологию
самостоятельного следящего анализа и отчета), позволяющую устройствам сообщать
о своих неисправностях, и ряд других сервисов. Современные версии интерфейса
ATA/ATAPI-5, ATA/ATAPI-6 по протоколам UDMA/66 и UDMA/100 обеспечивают пиковую
пропускную способность 66 и 100 Мбайт/с, соответственно.(Ultra Direct Memory
Access) - режим прямого доступа к памяти. Обычный метод обмена с жестким диском
IDE - это программный ввод-вывод, PIO (Programmed Input/Output), при котором
процессор, используя команды ввода-вывода, считывает или записывает данные в
буфер жесткого диска, что отнимает какую-то часть процессорного времени.
Ввод-вывод путем прямого доступа к памяти идет под управлением самого жесткого
диска или его контроллера в паузах между обращениями процессора к памяти, что
экономит процессорное время, но несколько снижает максимальную скорость обмена.
На материнских платах реализованы два канала
IDE, к каждому из которых возможно подключение до двух устройств.(Small
Computer System Interface) является более сложным и мощным интерфейсом и широко
используется в трех версиях: SCSI-1, SCSI-2 и SCSI-3. Это универсальные
периферийные интерфейсы для любых классов внешних устройств. Фактически SCSI
является упрощенным вариантом системной шины компьютера, поддерживающим до
восьми устройств. Такая организация требует от устройств наличия определенных
контроллеров - например, в жестких дисках SCSI все функции кодирования-декодирования,
поиска сектора, коррекции ошибок и т. п. возлагаются на встроенную электронику,
а внешний SCSI-контроллер выполняет функции обмена данными между устройством и
компьютером - часто в автономном режиме, без участия центрального процессора (режимы
DMA - прямого доступа к памяти, или Bus Mastering - «захватчика», главного
абонента шины). Интерфейсы SCSI-1 имеют 8-битовую шину; SCSI-2 и SCSI-3 - 16-
или 32-битовую и рассчитаны на использование в мощных машинах-серверах и
рабочих станциях. Существует много различных спецификаций данного интерфейса,
отличающихся пиковой пропускной способностью, максимальным числом подключаемых
устройств, предельной длиной кабеля. Так, максимальная пропускная способность
может достигать 80 и даже 160 Мбайт/с. В интерфейс SCSI: Plug and Play
добавлены средства поддержки технологии Plug and Play - автоматическое
опознание типа и функционального назначения устройств, настройка без помощи
пользователя или при минимальном его участии, возможность замены устройств во
время работы и т. п. Все SCSI-устройства управляются специальным
SCSI-контроллером, реализованным чаще в виде отдельной платы расширения,
устанавливаемой в свободный разъем на материнской плате. Однако выпускаются и
материнские платы со встроенными контроллерами SCSI. RS-232 - интерфейс обмена
данными по последовательному коммуникационному порту (СОМ-порту). Управление
работой СОМ-портов (число которых ограничено четырьмя) осуществляется
специальной микросхемой UART16550A, расположенной на материнской плате. Физически
разъем СОМ-порта может быть 25- или 9-контактным. С помощью данного интерфейса
осуществляется работа и подключение таких устройств, как внешний модем, мышь и
т. д.
IEEE 1284 (Institute
of Electrical
and Electronic
Engineers 1284 - стандарт
Института инженеров по электротехнике и электронике 1284) - стандарт,
описывающий спецификации параллельных скоростных интерфейсов SPP (Standard
Parallel Port - стандартный параллельный порт), EPP (Enhanced Parallel Port -
улучшенный параллельный порт), ЕСР (Extended Capabilities Port - порт с
расширенными возможностями), как правило, используемых для подключения через
параллельные порты компьютера (LPT-порты) таких устройств, как принтеры,
внешние запоминающие устройства, сканеры, цифровые камеры. Со стороны LPT-порта
установлен стандартный разъем DB-25 (25 контактов), а со стороны устройства
используется разъем типа Centronics. Контроллер параллельного порта размещен на
материнской плате.
Универсальные последовательные периферийные
шины:(Universal Serial Bus) - новая универсальная последовательная шина. Она
появилась в 1995 году и призвана заменить такие устаревшие интерфейсы, как
RS-232 (СОМ-порт) и параллельный интерфейс IEEE 1284 (LPT-порт), то есть прийти
на смену последовательным и параллельным клавиатурным и «мышиным» портам - все
устройства подключаются к одному разъему, допускающему установку многочисленных
устройств с легкостью технологии Plug and Play. Технология Plug and Play -
«включай и работай» - позволяет производить «горячую» замену, то есть замену устройств
без необходимости выключения и перезагрузки компьютера. После физического
подсоединения устройства правильно опознаются и автоматически конфигурируются:
USB самостоятельно определяет, что именно подключили к компьютеру, какой
драйвер и ресурсы понадобятся устройству, после чего все это выделяет без
вмешательства пользователя. Для адекватной работы шины необходима операционная
система, которая корректно с ней работает. В данном случае такой ОС является
Windows 95 и выше. К шине USB можно одновременно подключить до 127 устройств,
практически любых: мониторы, принтеры, сканеры, клавиатуры и т. д. Каждое
устройство, подключенное на первом уровне, может работать в качестве
коммутатора - то есть к нему, при наличии соответствующих разъемов, могут
подключаться еще несколько устройств. Обмен по интерфейсу - пакетный, скорость
обмена - 12 Мбит/с. В 2001 году появилась следующая спецификация интерфейса USB
2.0 (начальный стандарт теперь называется USB 1.1), обеспечивающая пропускную
способность 480 Мбит/с. Поддерживается также дополнительный подканал со
скоростью обмена данными в 1,5 Мбит/с для медленных устройств (клавиатуры,
мыши, модема). Шина USB реализует как синхронный (нужный, например, при
проведении телеконференций), так и асинхронный режимы передачи данных. Компания
Microtune анонсировала шину Cablefree USB - интерфейсы USB 1.1 и 2.0 с
Bluetooth адаптером, позволяющую подключать устройства по оптическому каналу на
расстоянии до 30 метров (технология Bluetooth обеспечивает связь даже при
отсутствии прямой видимости).3.0 - Новый стандарт на порядок превосходит предел
в 480 Мбит/с для USB 2.0, устанавливая планку теоретической максимальной
скорости передачи данных на отметке в 4.8 Гбит/с. Естественно, стоит отдавать
себе отчет в том, что реальная производительность будет несколько ниже
заявленной. К тому же контроллеры USB 3.0 пока еще несовершенны. Тем не менее,
существующие уже сегодня образцы достигают отменных скоростных характеристик.
В отличие от предыдущих реализаций интерфейса, в
которых поддерживалась лишь одна операция единовременно, USB 3.0 может
производить чтение и запись данных в двух направлениях независимо. Это было
достигнуто добавлением по паре выделенных SuperSpeed линий как для передачи,
так и для приема данных. Таким образом, общее число каналов возросло с четырех
у USB 2.0 до девяти, если считать отдельную землю USB 3.0.
Кроме того, был усовершенствован и протокол
работы Universal Serial Bus. Новая сигнальная схема, упомянутая выше,
предполагает так же и то, что при отсутствии активности клиентских устройств,
контроллер больше не будет, посылая запросы на поиск необходимого для передачи
трафика, расходовать лишнюю энергию. Также было снижено минимально возможное
для работы напряжение с 4.4 В до 4.0 В. С другой стороны, с 500 мА до 900 мА был
поднят порог максимально допустимого тока, пропускаемого шиной, что должно
расширить круг поддерживаемой периферии и дать возможность определенным классам
устройств отказаться от внешнего питания. В качестве бонуса можно ожидать и
более быструю зарядку мобильных устройств, аккумуляторы которых получают
энергию по USB.
Имеющиеся сегодня устройства, предназначенные
для стандарта USB 2.0, будут без проблем функционировать с контроллерами для
3.0 и наоборот. Конечно, для достижения высоких скоростей передачи данных
потребуется использование не только соответствующего контроллера, но и
подходящего устройства вместе с удовлетворяющим спецификациям кабелем.
Подключение же 2.0 устройства в порт 3.0, или 3.0 устройства в 2.0 порт,
обеспечит стандартную для USB второго поколения производительность.
IEEE 1394 (Institute
of Electrical
and Electronic
Engineers 1394 - стандарт
Института инженеров по электротехнике и электронике 1394) - новый и
перспективный последовательный интерфейс, предназначенный для подключения внутренних
компонентов компьютера и внешних устройств. IEEE 1394 известен также под именем
Fire Wire - «огненный провод» (хотя это название - собственность Apple и на
компьютерах других производителей не применяется, как и цифровой интерфейс
iLink компании Sony, также объединенный в стандарте IEEE 1394). Цифровой
последовательный интерфейс Fire Wire характеризуется высокой надежностью и
качеством передачи данных, его протокол поддерживает гарантированную передачу
критичной по времени информации, обеспечивая прохождение видео- и аудиосигналов
в реальном масштабе времени без заметных искажений. При помощи шины Fire Wire
можно подсоединить друг к другу огромное количество различных устройств по
технологии Plug and Play и практически в любой конфигурации, чем она выгодно
отличается от названных ранее трудно конфигурируемых шин типа SCSI. К одному
контроллеру возможно подключение до 63 устройств на один порт с помощью единого
шестижильного кабеля. Пропускная способность интерфейса составляет 100-400
Мбит/с, а в будущем ожидается даже 1600 Мбит/с. Этот интерфейс будет
использоваться для подключения жестких дисков, дисководов CD-ROM и DVD-ROM, а
также высокоскоростных внешних устройств, таких как цифровые видеокамеры,
видеомагнитофоны и т. д.
PCMCIA (Personal
Computer
Memory Card
International
Association - ассоциация
производителей плат памяти для персональных компьютеров) - внешняя шина
компьютеров класса ноутбуков. Другое название модуля PCMCIA - PC Card. Шина
имеет разрядность 16/26 (данные/адрес, адресное пространство - 64 Мбайт),
поддерживает автоконфигурирование, возможно подключение и отключение устройств
в процессе работы компьютера. Конструктив - миниатюрный 68-контактный разъем.
Контакты питания сделаны более длинными, что позволяет вставлять и вынимать
карту при включенном питании компьютера.
ACPI (Advanced
Configuration
Power Interface
- расширенный интерфейс конфигурирования и питания) - интерфейс, представляющий
собой единую систему управления питанием для всех компонентов компьютера.
Поддерживается новейшими модификациями BIOS материнских плат.
В конце 2000 года группа компаний Working Group
(Intel, IBM, Maxtor, Quantum, Seagate и др.) анонсировала новый чрезвычайно
эффективный последовательный интерфейс Serial ATA, обеспечивающий пропускную
способность 1500 Мбит/с по 8-жильному кабелю (вместо 80-жильного, используемого
параллельным АТА). В последующих версиях предполагается увеличение скорости
обмена данными до 3000-6000 Мбит/с. Появилась информация и о начале работ над
интерфейсом Serial Attached SCSI.
ГЛАВА 2. РАЗРАБОТКА АДАПТЕРА СВЯЗИ ОЗУ С
СИНХРОННОЙ СИСТЕМНОЙ ШИНОЙ
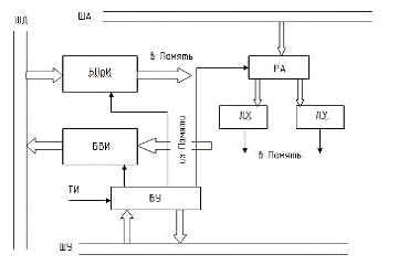
.1 Разработка структурной схемы устройства
Для разработки структурной схемы устройства
представим структурную схему адаптера связи оперативной памяти, показанную на
рис. 2:
Рисунок 2 - Структурная схема адаптера связи
оперативной памяти
ШД - шина данных;
ША - шина адреса;
ШУ - шина управления;
БПрИ - блок приема информации;
БВИ - блок выдачи информации;
РА - регистр адреса;
ДY
- дешифратор по оси Y;
БУ - блок управления;
ТИ - тактовый импульс (подается при синхронной
работе).
Для разработки структурной схемы устройства нам
надо разработать следующие блоки: БУ, БВИ, БПрИ, РА, ДX,
ДY, в результате
получим:
Рисунок 3 - Структурная схема адаптера связи ОЗУ
с синхронной системной шиной
.2 Выбор элементной базы устройства
Для блока управления нам понадобятся следующие
составляющие:
элемент «И» (AND)
- конъюнктор;
элемент «ИЛИ» (OR)
- дизъюнктор;
синхронный RS-триггер.
а) б) в)
Рисунок 4 - Структурные элементы блока
управления:
а) конъюнктор, б) дизъюнктор, в) RS-триггер
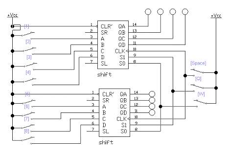
Для блоков выдачи информации, приема информации
и регистра адресов нам понадобится элемент, показанный на рис. 5.
Рисунок 5 - 4-х разрядный универсальный регистр
Опишем элементы регистра:
CLR’ - сброс
регистра (начальная установка);
SR -
информационный вход со сдвигом вправо;
A, B,
C, D
- параллельные информационные входы;
SL -
информационный вход со сдвигом влево;
S0, S1
- управляющие входы, имеют 4 режима, представленные в таблице 1;
CLK - вход
синхроимпульса;
QA, QB,
QC, QD
- параллельные информационные выходы.
Таблица 1
Режимы управляющих входов
|
S1
|
S0
|
режимы
|
|
0
|
0
|
режим
хранения
|
|
0
|
1
|
сдвиг
влево
|
|
1
|
0
|
сдвиг
вправо
|
|
1
|
1
|
параллельная
запись
|
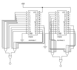
Для дешифраторов нам понадобится следующий блок:
Рисунок 6 - 16-ти разрядный дешифратор
Опишем элементы дешифратора:
- 15 - параллельные информационные выходы;
GND - земля;
VCC - питание
(5в);
A, B,
C, D
- параллельные информационные входы;
G1’, G2’
- разрешающие входы.
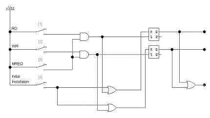
2.3 Разработка принципиальной схемы устройства
Разработка блока управления:
Рисунок 7 - Принципиальная схема блока
управления
Сигналы, подаваемые на вход устройства:
RD - чтение;
WR - запись;
MREQ - сигнал
обращения к памяти из ШУ;
Initial
Installation - сигнал начальной
установки.
Подаваемые на вход сигналы, через элементы «И» и
«ИЛИ», проходят на RS-триггеры,
затем следуют к управляющему входу (S0)
на БВИ и БПрИ напрямую, и через элемент «ИЛИ» к управляющему входу (S0)
к РА.
Разработка блока выдачи информации, блока приема
информации и регистра адресов:
Данные блоки состоят из 8-ми разрядных
универсальных регистров, показанных на рис. 8.
Рисунок 8 - Принципиальная схема БВИ, БПрИ и РА
Разработка дешифраторов по оси X
и Y:
Сигналы РА из его параллельных информационных
выходов (QA, QB,
QC, QD)
подаются на параллельные информационные входы (A,
B, C,
D) дешифраторов, а
оттуда в куб памяти, где записывается определенная информация с адресом по осям
X и Y.
Принципиальная схема дешифраторов представлена
на рис. 9.

Скомпоновав все схемы и элементы, мы получим
адаптер связи ОЗУ с синхронной системной шиной.
ЗАКЛЮЧЕНИЕ
В результате проведенной работы был разработан
адаптер связи ОЗУ с синхронной системной шиной, состоящий из следующих блоков:
БУ, БВИ, БПрИ, РА и дешифраторов, и выполняющий функцию согласования ОЗУ с
шиной.
Получены следующие результаты:
1. Проанализированы существующие ОЗУ и
системные шины компьютеров;
. Разработана структурная схема адаптера
связи ОЗУ с синхронной системной шины;
. Выбраны элементы и узлы устройства;
. Разработана принципиальная схема
устройства.
СПИСОК ЛИТЕРАТУРЫ
1. Бройдо В.Л. Вычислительные
системы, сети и телекоммуникации: Учебник для вузов. 2-е изд. - СПб.: Питер,
2004. - 703 с.
. Пятибратов А.П. и др.
Вычислительные системы, сети и телекоммуникации: Учебник. - 2-е изд., перераб.
и доп. /А.П. Пятибратов, Л.П. Гудыно, А.А. Кириченко; Под ред. А.П.
Пятибратова. - М.: Финансы и статистика, 2001. - 512 с.
. Олифер В.Г., Олифер Н.А.
Сетевые операционные системы. - СПб.: Питер, 2007. - 539 с.
. Гусев В.Г. Электроника и
микропроцессорная техника: учебник для вузов / В.Г. Гусев, Ю.М. Гусев. -
5-изд., стер. - М.: Высшая школа, 2008. - 798 с.
. Келим Ю.М. Типовые
элементы систем автоматического управления: учебное пособие для студентов
учреждений среднего проф. образования. - М.: Форум: Инфра-М, 2007. - 384 с.
. Музылева И.В. Элементарная
база для построения цифровых систем управления: учебное пособие. - М.:
Техносфера, 2006. - 144 с.
. Гудвин Г.К. Проектирование
систем управления / Гудвин Г.К., Гребле С.Ф., Сальгадо М.Э. - М.: БИНОМ, 2010.
- 911 с.
. Дорф Р.К. Современные
системы управления / Дорф Р.К, Бишон Р.Х. - М.: Лаборатория базовых знаний,
2004. - 832 с.
9. Кузин А.В. Микропроцессорная
техника: учебник / А.В. Кузин, М.А. Жаворонков. - 3-е изд. - М.: Академия,
2007. - 304 с.
10. Аппаратура радиоэлектронная
бытовая. Входные и выходные параметры и типы соединений. Технические
требования: ГОСТ Р 517721-2001. - Введ. 2002-01-01. - М.: Изд-во стандартов,
2001. - 27 с.
. Единая система
конструкторской документации. Общие требования к текстовым документам.
Межгосударственный стандарт ГОСТ 2.105-95. - Введ. 1995-09-08. - М.: Изд-во
стандартов, 1996. - 25 с.
. Чье Ен Ун. Схемотехника.
Лабораторный практикум. - Петропавловск-Камч.: Изд-во КамчатГТУ, 2002. - 56 с.