Проектирование лабораторного стенда по защите телефонных линий от прослушивающих устройств

  • Вид работы:
    Дипломная (ВКР)
  • Предмет:
    Информационное обеспечение, программирование
  • Язык:
    Русский
    ,
    Формат файла:
    MS Word
    895,46 Кб
  • Опубликовано:
    2013-09-06
Вы можете узнать стоимость помощи в написании студенческой работы.
Помощь в написании работы, которую точно примут!

Проектирование лабораторного стенда по защите телефонных линий от прослушивающих устройств

Федеральное агентство железнодорожного транспорта

Омский государственный университет путей сообщения

Кафедра «Системы передачи информации»







Проектирование лабораторного стенда по защите телефонных линий от прослушивающих устройств

Пояснительная записка к дипломному проекту

ИНМВ.109897.000 ПЗ













Омск 2009

Реферат

УДК 621.436

Дипломный проект содержит 68 страниц, 23 рисунка, 14 таблицы, 16 источников, 1 приложение, 8 демонстрационных листов.

Технические каналы утечки информации, закладные устройства, средства защиты телефонных линий, стенд по защите телефонных линий, измерения.

Объектом исследования является телефонная линия.

Цель работы - убедится в возможности доступа к конфиденциальной информации на телефонной линии, необходимости ее защиты, рассмотреть способы защиты информации, а так же проверить устройства защиты.

В процессе работы проводился обзор методов несанкционированного доступа на телефонных линиях, экспериментальные исследования стенда по защите линии связи от прослушивающих устройств.

В результате исследования был выбран выжигатель телефонных закладок прибор “Кобра”, служащий для уничтожения закладных устройств, включенных в линию передачи информации.

Результаты проекта рекомендованы для внедрения в учебную программу при обучении студентов по предметам “Программно-аппаратные средства информационной безопасности” и “Технические средства обеспечения информационной безопасности”.

Дипломный проект выполнен в текстовом редакторе Microsoft Word 2003 и представлен на диске в конверте на обороте обложки.

Содержание

Введение

. Технические каналы утечки информации

.1 Классификация технических каналов утечки акустической (речевой) информации

.2 Способы перехвата информации, передаваемой по каналам проводной связи

.2.1Перехват информации при передаче телефонных сообщений

.2.2 Перехват информации при передаче факсимильных сообщений

.2.3 Перехват данных, передаваемых в сети Интернет

. Методы и средства защиты от прослушки

.1 Методы защиты информации на энергетическом уровне (маскираторы речи)

.2 Криптографическое преобразование

.3 Анализаторы телефонных линий

.4 Активная заградительная помеха

.5 Импульсная рефлектометрия

.6 Пассивные способы защиты

.7 Нейтрализаторы

. Стенд по защите телефонных линий от прослушивающих устройств

.1 Устройство стенда

.2 Проведение лабораторной работы

.2.1 Прослушивание телефонной линии

.2.2 Работа с прибором “Кобра

.2.3 Определение значения импульса прибора “Кобра”

.3 Расчет напряжения импульса в линии, вырабатываемого прибором “Кобра”, на различном удалении от источника

. Обеспечение безопасности труда при выполнении экспериментальных исследований

.1 Производственная среда и условия труда

.2 Характеристика возможных опасных и вредных производственных факторов на рабочем месте

.3 Освещенность на рабочем месте

.4 Электромагнитные излучения

.5 Производственный шум

.6 Опасность поражения электрическим током

.7 Воздействие неблагоприятных параметров микроклимата

.8 Производственная вентиляция

.9 Эргономический анализ организации рабочего места

. Технико-экономическое обоснование дипломного проектирования

.1 Трудозатраты

.2 Смета затрат

.3 Расчет стоимости специального оборудования и его амортизации

.4 Расчет цены реализации разработки

Заключение

Библиографический список

защита телефонный анализатор прослушивающий

Введение

Отличительной чертой второй половины XX века является бурное развитие радиоэлектронных средств связи. Одновременно развиваются и средства электронного шпионажа, что делает проблему защиты информации все более и более актуальной. Основное количество информации перехватывается сегодня с помощью технических средств. Агентство национальной безопасности США, например, поставляет до 80 % информации разведывательного характера благодаря радиоэлектронным методам, остальное поступает по агентурным каналам. Объясняется это довольно просто: большинство информации сейчас хранится, обрабатывается и передается электронными методами, которые позволяют вести наблюдение и регистрацию перехватываемых данных со стороны с помощью специальной аппаратуры, не вмешиваясь непосредственно в работу технических систем.

Телефонная линия - наиболее удобный и при этом самый незащищенный источник связи между людьми. Поэтому до сих пор прослушивание телефонных переговоров - самый распространенный способ несанкционированного перехвата информации. Если злоумышленник наметил "объект" для наблюдения, то первым делом он попробует внедриться в его телефонные переговоры.

В данном дипломном проекте разрабатывается лабораторная работа по защите телефонной линии от прослушивающих устройств, которая будет помогать студентам в работе при изучении предметов “Программно-аппаратные средства информационной безопасности” и “Технические средства обеспечения информационной безопасности”.

Целью дипломного проекта является определение возможных каналов утечки информации, методы съема информации с телефонной линии и методы защиты от несанкционированного доступа.

1. Технические каналы утечки информации

.1 Классификация технических каналов утечки акустической (речевой) информации

Каналы утечки информации достаточно многочисленны. Они могут быть как естественными, так и искусственными, т.е. созданными с помощью технических средств.

Перекрытие всех возможных каналов несанкционированного съема информации требует значительных затрат, и, поэтому, в полном объеме сделать это удается далеко не всегда. Следовательно, в первую очередь необходимо обратить внимание на те из них, которыми с наибольшей вероятностью могут воспользоваться недобросовестные конкуренты.

Для обсуждения информации ограниченного доступа (совещаний, обсуждений, конференций, переговоров и т.п.) используются специальные помещения (служебные кабинеты, актовые залы, конференц-залы и т.д.), которые называются выделенными помещениями (ВП). Для предотвращения перехвата информации из данных помещений, как правило, используются специальные средства защиты, поэтому выделенные помещения в ряде случаев называют защищаемыми помещениями (ЗП).

Выделенные помещения располагаются в пределах контролируемой зоны (КЗ). В отдельных случаях на период проведения закрытого мероприятия контролируемая зона временно может устанавливаться большей, чем охраняемая территория предприятия. При этом должны приниматься организационно-режимные и технические меры, исключающие или существенно затрудняющие возможность перехвата информации в этой зоне [1].

В выделенных помещениях, так же как и на объектах технических средств передачи, обработки, хранения и отображения информации (ТСПИ), устанавливаются вспомогательные технические средства и системы.

Под техническим каналом утечки акустической (речевой) информации (ТКУАИ) понимают совокупность объекта разведки (выделенного помещения), технического средства акустической (речевой) разведки (ТСАР), с помощью которого перехватывается речевая информация, и физической среды, в которой распространяется информационный сигнал.

В зависимости от физической природы возникновения информационных сигналов, среды их распространения технические каналы утечки акустической (речевой) информации можно разделить на прямые акустические (воздушные), акустовибрационные (вибрационные), акустооптические (лазерные), акустоэлектрические и акустоэлектро-магнитные (параметрические).

Способы перехвата акустической (речевой) информации из выделенных помещений представлены на рисунке 1.1.

Рисунок 1.1- Классификация способов перехвата акустической (речевой) информации

В таблице 1.1 рассматриваются некоторые характеристики и особенности применения основных средств радиоэлектронного шпионажа.

Таблица 1.1- Характеристики и особенности применения основных средств радиоэлектронного шпионажа

Контролируемое устройство

Приемник информации

Место установки

Стоимость аппаратуры

Вероятность применения

Качество перехвата

  Телефон

Индуктивный или контактный датчик

Телефонная линия от аппарата до районной АТС

  Низкая

  Высокая

  Хорошее

Телефон, использование микрофонного эффекта

 Контактный датчик

Телефонная линия от аппарата до районной АТС

  Низкая

  Низкая

  Плохое

Телефон или любое устройство с питанием от сети

Радиомикрофон с передачей по телефонной сети или по сети 220В

Телефонный аппарат, телефонная розетка

  Низкая

  Высокая

  Хорошее

  Любое место в помещении

Различные автономные радиомикрофоны, направленные микрофоны

  Любое место в помещении

  Высокая

  Средняя

  Хорошее

Радиотелефон, радиостанция

Панорамный радиоприемник

Прием с эфира

 Средняя

 Высокая

 Хорошее

 Сотовый телефон 

Устройство прослушивания сотовой сети

 Прием с эфира

 Высокая

 Высокая

 Хорошее

 Монитор ПК

Широкополосная антенна

 Прием с эфира

Очень высокая

 Низкая

Посредственное

 Монитор ПК

Широкополосный контактный датчик

 Питающая электросеть

 Очень высокая

 Низкая

 Посредственное

 Магистраль компьютерной сети

Индуктивный или контактный датчик

 Кабель магистрали

  Высокая

Высокая, если кабель проходит по неохраняемой территории

  Хорошее


Как видно из приведенной выше таблицы, наибольшую привлекательность для злоумышленников представляют акустические каналы утечки информации, в особенности телефонная сеть, ввиду ее общедоступности и невысокой стоимости подслушивающей аппаратуры [11].

.2 Способы перехвата информации, передаваемой по каналам проводной связи

Несмотря на все многообразие современных технических средств связи, телефонный аппарат остается тем устройством, через которое, как и 50 лет назад, осуществляется подавляющее большинство информационных контактов. Объясняется это сравнительно низкой стоимостью такого вида связи и, главное, возможностью оперативного узнавания партнера в самой естественной форме общения - речевой.

Использование выделенных телефонных сетей повышает степень защиты речевой информации (т.к. большую часть этой сети составляют волоконно-оптические кабели, несанкционированный съем информации с которых способен произвести только специалист с высокой профессиональной подготовкой), но не устраняет полностью возможность ее утечки, т. к. подслушивающее устройство может быть подключено в любом месте телефонного кабеля от одного абонента до другого.

Таким образом, для большинства коммерческих организаций и частных лиц наиболее приемлемым для защиты речевой информации является применение всевозможных средств индикации подключения к телефонной линии, а также скремблеров, маскираторов и шифраторов. Средства индикации достаточно дешевы, однако не обеспечивают полного контроля за подключениями к телефонной линии, т. к. современная подслушивающая аппаратура не вносит дополнительной нагрузки в линию и, следовательно, не может быть обнаружена. Единственный безопасный способ передачи информации - изменение формы электромагнитных сигналов на входе телефонной линии и ее восстановление на выходе [1].

До настоящего времени телефонная связь превалирует среди многих видов электрорадиосвязи, поэтому телефонный канал является основным, на базе которого строятся узкополосные и широкополосные каналы для других видов связи.

На передающей стороне телефонного канала в качестве передатчика используется микрофон, который преобразует акустические сигналы в полосе частот от 0,3 до 3,4 кГц в электрические сигналы таких же частот. На приемной стороне телефонный канал заканчивается телефонным капсюлем (телефоном), преобразующим электрическую энергию в акустические сигналы в этой же полосе частот.

Для передачи информации используются аналоговый и дискретный (цифровой) каналы.

Аналоговый канал чаще называют каналом тональной частоты (ТЧ). Он используется для передачи речи, электронной почты, данных, телеграфирования, факсимильной связи и т.п. Пропускная способность канала ТЧ составляет Сх = 25 кбит/с.

Стандартный цифровой канал (СЦК) с пропускной способностью Сх = 64 кбит/с разработан прежде всего для передачи речи в реальном времени, т.е. для обычной телефонии с целью передачи сигналов частот 0,3-3,4 кГц.

Чтобы полосу частот 0,3 - 3,4 кГц (аналоговый сигнал - речь) преобразовать в цифровой поток со скоростью 64 кбит/с, осуществляют три операции: дискретизацию, квантование и кодирование.

В современной многоканальной аппаратуре имеется возможность создания каналов с более высокой пропускной способностью, чем у каналов ТЧ и СЦК. Увеличение пропускной способности достигается расширением эффективно передаваемой полосы частот. Все каналы используют одну линию передачи, поэтому оконечная часть аппаратуры должна осуществлять разделение каналов.

Среди возможных методов разделения каналов преимущественное распространение получили два - частотный и временной. При частотном методе каждому из каналов отводится определенный участок частотного диапазона в пределах полосы пропускания линии связи. Отличительными признаками каналов являются занимаемые ими полосы частот в пределах общей полосы пропускания линии связи. При временном методе разделения каналы подключаются к линии связи поочередно, так что для каждого канала отводится определенный временной интервал в течение общего времени передачи группового сигнала. Отличительным признаком канала в этом случае является время его подключения к линии связи.

.2.1 Перехват информации при передаче телефонных сообщений

Типовая абонентская телефонная линия состоит из пары проводов, проложенных от телефонной розетки до распределительной коробки (РК). От нее она идет далее по многопарному кабелю до распределительного щита (РЩ), а затем - по многопарному бронированному кабелю до АТС. Между АТС прокладываются симметричные или коаксиальные высокочастотные кабели. Использование тех или иных средств для перехвата информации, передаваемой по телефонным линиям связи, будет определяться возможностью доступа к линии связи (рисунок 1.2).

Для перехвата информации с различных типов кабелей используются разные типы устройств:

а) для симметричных высокочастотных кабелей - устройства с индукционными датчиками;

б) для коаксиальных высокочастотных кабелей - устройства непосредственного (гальванического) подключения;

в) для низкочастотных кабелей - устройства непосредственного (гальванического) подключения, а также устройства с индукционными датчиками, подключаемыми к одному из проводов.







Рисунок 1.2- Схема перехвата информации, передаваемой по телефонному каналу

Перехват информации с обычных абонентских двухпроводных телефонных линий может осуществляться или путем непосредственного контактного подключения к линиям, или с использованием простых малогабаритных индуктивных датчиков, подключаемых к одному из проводов абонентской линии. Факт контактного подключения к линии связи легко обнаружить. При подключении индукционного датчика целостности оплетки кабеля не нарушается, параметры кабеля не изменяются и обнаружить факт подключения к линии в этом случае практически невозможно.

Информация, перехватываемая с телефонной линии, может записываться на диктофон или передаваться по радиоканалу с использованием телефонных передатчиков, которые часто называют телефонными закладками или телефонными ретрансляторами.

Телефонные закладки могут быть установлены последовательно в разрыв одного из телефонных проводов, параллельно или через индуктивный датчик (рисунки 1.3-1.5)


Рисунок 1.3- Схема последовательного подключения закладного устройства к телефонной линии



Рисунок 1.4- Схема параллельного (без разрыва линии) подключения закладного устройства к телефонной линии




Рисунок 1.5- Схема подключения закладного устройства к телефонной линии с использованием индукционного датчика

При последовательном включении питание закладки осуществляется от телефонной линии, что обеспечивает неограниченное время ее работы. Однако закладку с последовательным подключением довольно легко обнаружить за счет изменения параметров линии и в частности падения напряжения. В ряде случаев используется последовательное подключение с компенсацией падения напряжения, но реализация этого требует наличия дополнительного источника питания.

Телефонные закладки с параллельным подключением к линии могут питаться или от телефонной линии, или от автономных источников питания. Чем выше входное сопротивление закладки, тем незначительнее изменение параметров линии и тем труднее ее обнаружить. Особенно трудно обнаружить закладку, подключенную к линии через высокоомный адаптер сопротивлением более 18 - 20 МОм. Однако такая закладка должна иметь автономное питание.

Наряду с контактным подключением возможен и бесконтактный съем информации с телефонной линии. Для этих целей используются закладки с миниатюрными индукционными датчиками. Такие закладки питаются от автономных источников питания и установить факт подключения их к линии даже самыми современными средствами практически невозможно, так как параметры линии при подключении не меняются.

Перехваченную информацию телефонные закладки передают по радиоканалу. В качестве антенны может использоваться телефонный провод. Для передачи информации наиболее часто используются VHF (метровый), UHF (дециметровый) и GHz (ГГц) диапазоны длин волн и частотная широкополосная (WFM) или узкополосная (NFM) модуляция сигнала.

Для повышения скрытности используются цифровые сигналы с фазовой или частотной манипуляцией, передаваемая информация может кодироваться различными методами.

Дальность передачи информации при мощности излучения 10-30 мВт в зависимости от вида модуляции и типа используемого приемника может составлять от 100 до 500 м.

Передача информации (работа на излучение) начинается в момент поднятия трубки абонентом. Однако встречаются закладки, производящие запись информации в цифровой накопитель и передающие ее по команде.

Телефонные закладки выполняются или в виде отдельного модуля, или камуфлируются под элементы телефонного аппарата, например, конденсатор, телефонный или микрофонный капсюли, телефонный штекер, розетку и т.д.

Телефонные закладки могут быть установлены: в корпусе телефонного аппарата, телефонной трубке или телефонной розетке, а также непосредственно в тракте телефонной линии.

Возможность установки телефонной закладки непосредственно в телефонной линии имеет важное значение, так как для перехвата телефонного разговора нет необходимости проникать в помещение, где находится один из абонентов. Телефонные закладки могут быть установлены или в тракте телефонной линии до распределительной коробки, находящейся, как правило, на одном этаже с помещением, где установлен контролируемый аппарат, или в тракте телефонной линии от распределительной коробки до распределительного щитка здания, располагаемого обычно на первом этаже или в подвале здания.

При питании от телефонной линии время работы закладки не ограничено. При использовании автономных источников питания время работы закладки составляет от нескольких десятков часов до нескольких недель.

Способы применения телефонных закладок определяются возможностью доступа в помещение, где установлен контролируемый телефонный аппарат.

Рассмотрим несколько видов закладных устройств.

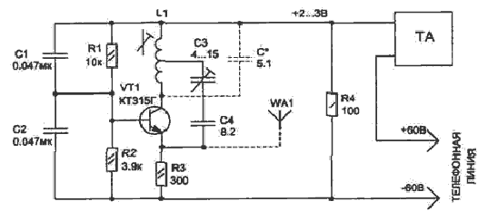
а) УКВ микропередатчик для телефонного аппарата

Если требуется беспроводное дистанционное прослушивание телефонных разговоров на своем (чужом) телефонном аппарате, то можно использовать схему миниатюрного передатчика с частотной модуляцией, рассчитанного на работу в диапазоне УКВ на частотах 63-80 МГц совместно с любым бытовым радиоприемником (рисунок 1.6). Схема питается от телефонной линии только во время разговора, когда поднята телефонная трубка.

Рисунок 1.6- Схема телефонного микропередатчика

Прослушивается разговор радиоприемником на участке диапазона, где нет радиовещательных станций. Радиус действия передатчика без применения антенны WA1 до 50 м, а для увеличения дальности, кроме применения антенны, необходимо использовать приемник с высокой чувствительностью. Так, увеличение чувствительности приемника в 2 раза на столько же увеличивает дальность приема. При подключении устройства к телефонной линии необходимо соблюдать полярность, указанную на схеме.

Настройка схемы заключается в перестройке генератора сердечником катушки L1 на нужную частоту УКВ диапазона, а после этого конденсатором СЗ надо подстроить передатчик, контролируя прием по качеству передачи на слух. Частотная модуляция в передатчике получается за счет изменения внутренней емкости транзистора при колебании напряжения питания схемы за счет протекания тока в линии ТА при разговоре [13].

Схема передатчика собрана на односторонней печатной плате размером 20х40 мм. Размеры платы позволяют разместить ее в корпусе стандартного телефонного гнезда.

б) Телефонный радиоретранслятор с амплитудной модуляцией

Рисунок 1.7- Схема телефонного радиретранслятора

Устройство, схема которого приведена на рисунке 1.7, представляет собой телефонный радиоретранслятор. Он позволяет прослушивать телефонный разговор на радиоприемнике диапазона 27-28 МГц с амплитудной модуляцией. Устройство представляет собой маломощный однокаскадный передатчик с амплитудной модуляцией и кварцевой стабилизацией несущей частоты. Передатчик подключается параллельно телефонной трубке. При подключении следует учитывать полярность напряжения линии. Когда трубка положена на рычаг, разговорный узел отключен от линии. Подключена к линии в этот момент только цепь вызывного устройства. Таким образом, до тех пор, пока трубка не снята, напряжение питания на передатчик не поступает. Как только трубку снимают, к линии подключается разговорная часть. Во время разговора ток через разговорную часть меняется синхронно с речью, соответственно изменяется и напряжение в точках +Л1 и -Л1. Изменение напряжения питания приводит к соответствующему изменению амплитуды генерируемых высокочастотных колебаний, т. е. имеет место амплитудная модуляция. В результате разговор можно слушать на расстоянии до 50м на приемник диапазона 27-28 МГц.

в) Телефонный радиопередатчик без антенны

Данное закладное устройство не нуждается в антенне, так как антенной является телефонная пара (рисунок 1.8). Включается в разрыв телефонной линии. Настройка закладки производится изменением емкости подстроечного конденсатора, а также сжатием или растяжением витков катушки L1 для приема сигнала в свободном от вещательных станций участке УКВ (FM) диапазона вещательного приемника. Радиус действия равен 250-300м в прямой видимости. Диодный мост можно исключить, но тогда надо будет соблюдать полярность при подключении.

Рисунок 1.8-Схема телефонного радиопередатчика

г) Простейший радиопередатчик в телефон

Это закладное устройство способно передавать все разговоры на расстояние до 40м (рисунок 1.9).




Рисунок 1.9- Схема радиопередатчика

Подключение устройства в линию последовательное. Во время телефонного разговора устройство передает информацию на частоте FM-диапазона (88-108МГц).

С точки зрения безопасности телефон имеет еще один недостаток - с его помощью можно прослушивать в помещении, где он установлен, все разговоры, даже если телефонная трубка лежит на рычаге. Прослушивание телефона через звонковую цепь основано на том, что механические вибрации, вызванные в том числе и разговорами в комнате, вызывают в нем электрический ток, хоть и очень маленький, но достаточный для выделения. Учитывая, что звонок постоянно соединен с телефонной линией, этот способ всегда доступен для прослушивания. Его легко нейтрализовать, выключив телефон из сети.

Еще одним способом прослушивания телефона является ВЧ-навязывание. Для его осуществления к одному из проводов телефонной линии, относительно общей массы (например, трубы отопления), подключается перестраиваемый высокочастотный генератор. Путем плавной перестройки находят частоту его резонанса с телефоном. Высокочастотные колебания проникают в схему телефонного аппарата и активно модулируются микрофоном, реагирующим на звуки в комнате. Сигналы, возвращающиеся в линию, могут быть прослушаны. Самым простым вариантом борьбы с таким прослушиванием является конденсатор, подключенный параллельно микрофону.

Кроме этого, существуют различные устройства, блокирующие выключатель трубки после ее снятия. Недостатком такого вида прослушивания является постоянно занятая телефонная линия.

.2.2 Перехват информации при передаче факсимильных сообщений

Для перехвата факсимильных передач используются специальные комплексы типа РКI 1100, подключаемые к двухпроводной абонентской линии.

Типовая система перехвата факсимильных передач размещается в стандартном дипломате, может питаться как от сети переменного тока, так и от встроенных батарей, подключается к линии через высокоомный адаптер, поэтому практически невозможно определить факт подключения, позволяет автоматически распознавать речевое и факсимильное сообщение, записывать передаваемые сообщения, обладает высокой помехоустойчивостью и адаптируется к изменению параметров линии и скорости передачи информации. Система позволяет непрерывно контролировать работу на прием и передачу нескольких факсов.

Регистрация перехваченных сообщений может осуществляться в нескольких видах: регистрация по строкам в реальном масштабе времени; распечатка по строкам с одновременной записью в запоминающее устройство; печать на выходные устройства записанной информации; запись информации в запоминающее устройство без печати.

Кроме записи перехваченных сообщений такая система записывает служебную информацию о характере передаваемых сообщений, нестандартных режимах работы факса, поисках и методах (приемах) криптографии.

Программное обеспечение системы позволяет моделировать приемник факсимильного аппарата с расширенными возможностями по визуальному анализу регистрируемых сигналов и заданию параметров демодуляции в случаях, когда автоматическая демодуляция является неудовлетворительной.

1.2.3 Перехват данных, передаваемых в сети Интернет

При подключении к Интернету через абонентскую телефонную линию наиболее часто используются современные технологии DSL (доступ по цифровой абонентской линии).

При этом доступ организуется следующим образом. Телефонный сигнал, пропущенный через фильтр с полосой 4 кГц, смешивается с компьютерным сигналом, прошедшим через модем. Модемы DSL отличаются от телефонных значительно большим диапазоном частот. Если телефонные модемы работают в полосе стандартного телефонного канала (0,3 - 3,4 кГц), то частотная полоса, занимаемая DSL, составляет сотни кГц - единицы МГц. Суммарный сигнал (с телефона и с компьютера) поступает в абонентскую линию и передается на АТС. Там, в свою очередь, телефонный сигнал выделяется фильтром нижних частот (4 кГц) и подается на телефонный коммутатор, а компьютерный сигнал попадает на модем и затем направляется в мультимедийную сеть.

Существующие технологии DSL делятся на две подгруппы: симметричного и асимметричного доступа. Симметричные технологии применяются, как правило, в корпоративном секторе, тогда как асимметричные - предназначены для предоставления услуг доступа к мультимедийной сети отдельным абонентам. Различные технологии уплотнения абонентских линий обозначаются собственными аббревиатурами: ADSL, HDSL, RADSL, SHDSL, VDSL. Все они представляют собой разные способы передачи цифровых потоков (цифровизации) по абонентской линии (Subscriber Line)

В зависимости от способа передачи линейного сигнала различают:

а) системы DSL- с последовательной передачей сигналов под названием «системы модуляции одной несущей» (Single Carrier Modulatoin, SCM), где используются способы кодирования 2В1Q, САР и др.;

б) системы с параллельной передачей сигналов на нескольких несущих частотах, так называемые «системы со многими несущими» (Discrete Multitone, DMT). Их применяют в асимметричных DSL.

Таблица 1.2- Виды систем DSL.

Тип

Линейное кодирование

Количество используемых пар

Скорость (Мбит/с)

HDSL

2B1Q или САР

1, 2 или 3

2

SDSL

2B1Q или САР

1

От 0,384 до 2,3

SHDSL

ТС-РАМ

1 или 2

От 0,192 до 2,3

ADSL

DMT

1

До 0,8 - «восходящая», до 8 - «нисходящая»

VDSL

QAM или DМТ

1

Для асимметричной до 6,5 - «восходящая», до 52 -«нисходящая», для симметричной - от 13 до 26


Симметричные технологии DSL, такие, как HDSL, SDSL, SHDSL, являются системами с одной несущей (SСМ). Асимметричные DSL, такие, как ADSL, ADSL2, ADSL2+, используют модуляцию нескольких несущих (DМТ). Система уплотнения HSDL обеспечивает режим передачи со скоростью около 2 Мбит/с в обе стороны по одной или двум парам проводов на расстояние до 10 км. Оборудование ADSL, наоборот, предназначено для асимметричной передачи со скоростями 6-8 Мбит/с - в сторону абонента и 840 Кбит/с или меньше - в сторону узла связи. RADSL отличается от упомянутых выше технологий тем, что поддерживает либо симметричный режим со скоростью около 1 Мбит/с, либо асимметричный - при скорости к абоненту до 8 Мбит/с. SDSL обозначает, как правило, симметричную передачу по одной паре; IDSL - модификацию ISDN (цифровая сеть с интеграцией служб). Новый стандарт VDSL2 (Very-High-Bit rate DSL, сверхвысокоскоростная DSL) обеспечивает скорость передачи до 100 Мбит/с в обоих направлениях. Такая скорость реализуется в случае, когда расстояние от распределительного узла до пользователя не превышает 350 м. При больших расстояниях скорость VDSL2 падает, но не опускается ниже 12 Мбит/с.

2. Методы и средства защиты от прослушки

Попробуем теперь разобраться с возможностями защиты и противодействия прослушиванию.

Для защиты телефонного аппарата от утечки акустической (речевой) информации по электроакустическому каналу используются как пассивные, так и активные методы и средства.

На сегодняшний день существует несколько разновидностей технических средств для защиты телефонных линий от перехвата информации: криптографические (скремблирование), анализаторы телефонных линий, односторонние маскираторы речи, постановщики заградительных помех, средства пассивной защиты [1].

Для защиты акустической (речевой) информации в выделенных помещениях наряду с защитой телефонных аппаратов необходимо принимать меры и для защиты непосредственно телефонных линий, так как они могут использоваться в качестве источников питания акустических закладок, установленных в помещениях, а также для передачи информации, получаемой этими закладками. При этом используются как пассивные, так и активные методы и средства защиты. Пассивные методы защиты основаны на блокировании акустических закладок, питающихся от телефонной линии в режиме положенной трубки, а активные - на линейном зашумлении линий и уничтожении (электрическом "выжигании") закладных устройств или их блоков питания путем подачи в линию высоковольтных импульсов.

Защита информации, передаваемая по каналам связи, может осуществляться на семантическом и энергетическом уровнях. На семантическом уровне защита информации достигается применением криптографических методов и средств защиты и направлена на исключение ее получения (выделения), даже при перехвате противником (злоумышленником) информационных сигналов. Методы защиты информации на энергетическом уровне направлены на исключение (затруднение) приема противником (злоумышленником) непосредственно информационных сигналов. То есть эти методы направлены на уменьшение отношения сигнал/шум до величин, обеспечивающих невозможность выделения информационного сигнала средством разведки (средством несанкционированного съема информации).

.1 Методы защиты информации на энергетическом уровне (маскираторы речи)

Односторонние маскираторы речи - это вид устройств, снижающих вероятность перехвата голосовой информации. Принцип их действия основан на том, что во время получения входящего сообщения в линию подмешивается интенсивный маскирующий сигнал, распространяющийся по всей длине соединения. Передающего сообщение необходимо предупредить, что ты включаешь маскиратор, и он будет слышать только сильный шум, на который не должен обращать внимания, и продолжать свое сообщение. Учитывая, что характеристики шумового сигнала известны, в маскираторе происходит автоматическая его компенсация с помощью адаптивного фильтра, и владелец маскиратора слышит голос передающего достаточно отчетливо. Уровень маскирующего шума может быть выставлен настолько большим, что прослушать такую линию невозможно. Достоинствами этого устройства является достаточно высокая степень защиты входящего сообщения, потому что для выделения полезного сигнала злоумышленнику понадобится не только его записать, но и очистить с помощью специального дорогостоящего оборудования.

Защита телефонных разговоров осуществляется как активными, так и пассивными методами.

К основным активным методам относятся:

а) подача во время разговора в телефонную линию синфазного маскирующего низкочастотного (речевого диапазона) сигнала (метод синфазной низкочастотной маскирующей помехи);

б) подача во время разговора в телефонную линию маскирующего высокочастотного сигнала звукового диапазона (метод высокочастотной маскирующей помехи);

в) подача во время разговора в телефонную линию маскирующего высокочастотного ультразвукового сигнала (метод ультразвуковой маскирующей помехи);

г) поднятие напряжения в телефонной линии во время разговора (метод повышения напряжения);

д)подача во время разговора в линию напряжения, компенсирующего постоянную составляющую телефонного сигнала (метод "обнуления");

е) подача в линию при положенной телефонной трубке маскирующего низкочастотного (речевого диапазона) сигнала (метод низкочастотной маскирующей помехи);

ж) подача в линию при приеме сообщений маскирующего низкочастотного (речевого диапазона) с известным спектром (компенсационный метод);

з) подача в телефонную линию высоковольтных импульсов (метод "выжигания").

Суть метода синфазного маскирующего низкочастотного (НЧ) сигнала заключается в подаче в каждый провод телефонной линии с использованием единой системы заземления аппаратуры АТС и нулевого провода электросети 220 В (нулевой провод электросети заземлен) согласованных по амплитуде и фазе маскирующих сигналов речевого диапазона частот (как правило, основная мощность помехи сосредоточена в диапазоне частот стандартного телефонного канала: 300 - 3400 Гц). В телефонном аппарате эти помеховые сигналы компенсируют друг друга и не оказывают мешающего воздействия телефонный разговор. Если же информация снимается с одного провода телефонной линии, то помеховый сигнал не компенсируется. Так как его уровень значительно превосходит полезный сигнал, то перехват информации становится невозможным.

В качестве маскирующего помехового сигнала, как правило, используются дискретные сигналы (псевдослучайные последовательности импульсов) речевого диапазона частот.

Метод синфазного маскирующего низкочастотного сигнала используется для подавления телефонных радиозакладок (как с параметрической, так и с кварцевой стабилизацией частоты) с последовательным (в разрыв одного из проводов) включением, а также телефонных радиозакладок и диктофонов с подключением к линии (к одному из проводов) с помощью индукционных датчиков различного типа.

Метод высокочастотной маскирующей помехи заключается в подаче во время разговора в телефонную линию широкополосного маскирующего сигнала в диапазоне высших частот звукового диапазона (то есть в диапазоне выше частот стандартного телефонного канала). Данный метод используется для подавления практически всех типов подслушивающих устройств как контактного (параллельного и последовательного) подключения к линии, так и подключения с использованием индукционных датчиков. Однако эффективность подавления средств съема информации с подключением к линии при помощи с индукционных датчиков (особенно, не имеющих предусилителей) значительно ниже, чем средств с гальваническим подключением к линии.

В качестве маскирующего сигнала используются широкополосные аналоговые сигналы типа "белого шума" или дискретные сигналы типа псевдослучайной последовательности импульсов.

Частоты маскирующих сигналов подбираются таким образом, чтобы после прохождения селективных цепей модулятора закладки или микрофонного усилителя диктофона их уровень оказался достаточным для подавления полезного сигнала (речевого сигнала в телефонной линии во время разговоров абонентов), но в то же время эти сигналы не ухудшали качество телефонных разговоров. Чем ниже частота помехового сигнала, тем выше его эффективность и тем большее мешающее воздействие он оказывает на полезный сигнал. Обычно используются частоты в диапазоне от 6 - 8 кГц до 16 - 20 кГц. Например, в устройстве Sel SP-17/Т помеха создается в диапазоне 8 - 10 кГц.

Такие маскирующие помехи (рисунки 2.1, 2.2) вызывают значительные уменьшение отношения сигнал/шум и искажения полезных сигналов (ухудшение разборчивости речи) при перехвате их всеми типами подслушивающих устройств. Кроме того, у радиозакладок с параметрической стабилизацией частоты ("мягким" каналом) как последовательного, так и параллельного включения наблюдается "уход" несущей частоты, что может привести к потере канала приема.

Рисунок 2.1 - Спектрограмма излучения телефонной радиозакладки с кварцевой стабилизацией частоты и узкополосной частотной модуляцией в условиях маскирующих высокочастотных помех, создаваемых устройством УЗТ - 01

Рисунок 2.2 - Спектрограмма излучения телефонной радиозакладки с параметрической стабилизацией частоты и широкополосной частотной модуляцией в условиях маскирующих высокочастотных помех, создаваемых устройством УЗТ - 01


Для исключения воздействия маскирующего помехового сигнала на телефонный разговор в устройстве защиты устанавливается специальный низкочастотный фильтр с граничной частотой 3,4 кГц, подавляющий (шунтирующий) помеховые сигналы и не оказывающий существенного влияния на прохождение полезных сигналов. Аналогичную роль выполняют полосовые фильтры, установленные на городских АТС, пропускающие сигналы, частоты которых соответствуют стандартному телефонному каналу (300 Гц - 3,4 кГц), и подавляющие помеховый сигнал.

Метод ультразвуковой маскирующей помехи в основном аналогичен рассмотренному выше. Отличие состоит в том, что используются помеховые сигналы ультразвукового диапазона с частотами от 20 кГц до 50 - 100 кГц.

Метод повышения напряжения заключается в поднятии напряжения в телефонной линии во время разговора и используется для ухудшения качества функционирования телефонных радиозакладок. Поднятие напряжения в линии до 18 - 24 В вызывает у радиозакладок с последовательным подключением и параметрической стабилизацией частоты "уход" несущей частоты и ухудшение разборчивости речи вследствие размытия спектра сигнала [2]. У радиозакладок с последовательным подключением и кварцевой стабилизацией частоты наблюдается уменьшение отношения сигнал/шум на 3 - 10 дБ. Телефонные радиозакладки с параллельным подключением при таких напряжениях в ряде случаев просто отключаются.

Метод "обнуления" предусматривает подачу во время разговора в линию постоянного напряжения, соответствующего напряжению в линии при поднятой телефонной трубке, но обратной полярности.

Этот метод используется для нарушения функционирования подслушивающих устройств с контактным параллельным подключением к линии и использующих ее в качестве источника питания. К таким устройствам относятся: параллельные телефонные аппараты, проводные микрофонные системы с электретными микрофонами, использующие телефонную линию для передачи информации, акустические и телефонные закладки с питанием от телефонной линии и т.д.

Метод низкочастотной маскирующей помехи заключается в подаче в линию при положенной телефонной трубке маскирующего сигнала (наиболее часто, типа "белого шума") речевого диапазона частот (как правило, основная мощность помехи сосредоточена в диапазоне частот стандартного телефонного канала: 300 - 3400 Гц) и применяется для подавления проводных микрофонных систем, использующих телефонную линию для передачи информации на низкой частоте, а также для активизации (включения на запись) диктофонов, подключаемых к телефонной линии с помощью адаптеров или индукционных датчиков, что приводит к сматыванию пленки в режиме записи шума (то есть при отсутствии полезного сигнала).

Компенсационный метод используется для односторонней маскировки (скрытия) речевых сообщений, передаваемых абоненту по телефонной линии, и обладает высокой эффективностью подавления всех известных средств несанкционированного съема информации.

Суть метода заключается в следующем: при передаче скрываемого сообщения на приемной стороне в телефонную линию при помощи специального генератора подается маскирующая помеха (цифровой или аналоговый маскирующий сигнал речевого диапазона с известным спектром). Одновременно этот же маскирующий сигнал ("чистый" шум) подается на один из входов двухканального адаптивного фильтра, на другой вход которого поступает аддитивная смесь принимаемого полезного сигнала речевого сигнала (передаваемого сообщения) и этого же помехового сигнала. Аддитивный фильтр компенсирует (подавляет) шумовую составляющую и выделяет полезный сигнал, который подается на телефонный аппарат или устройство звукозаписи.

Недостатком данного метода является то, что маскировка речевых сообщений односторонняя и не позволяет вести двухсторонние телефонные разговоры.

.2 Криптографическое преобразование

Криптографическое преобразование является самым эффективным способом защиты. На первом этапе голосовое сообщение кодируется по какому-либо алгоритму, затем оно передается в телефонную линию, после получения его другим абонентом оно декодируется по обратному алгоритму в голосовой сигнал. Так как информация передается по всей длине телефонной линии в закодированном виде, независимо от использования оборудования перехвата, злоумышленник получает информацию, расшифровать которую в реальном масштабе времени, не имея кодов, невозможно. Для расшифровки потребуются специальные дорогостоящие устройства и время, за которое информация, скорее всего, устареет. Не стоит приобретать дешевые скремблеры, так как для расшифровки закодированного таким прибором сигнала специалисту потребуется всего несколько минут [14].

К недостаткам этого способа можно отнести наличие специального кодирующего оборудования у всех участников конференций, время для синхронизации оборудования, обмена ключами, задержка между моментом передачи и приема сообщения, потеря качества - тембр голоса чаще всего разобрать не удастся. Появление в настоящее время одноплечевых скремблеров требует установки второго комплекта на АТС. Соответственно, информация на втором отрезке линии становится доступной, появляется третье лицо, знающее о твоих попытках скрыть переговоры, это тоже можно отнести к недостаткам. Скремблеры не защищают также от перехвата информации из помещений, где находится аппарат и проходит телефонная линия, с помощью аппаратуры ВЧ-навязывания и аппаратуры, использующей микрофонные эффекты.

.3 Анализаторы телефонных линий

Подключение к линии какого-либо устройства влечет за собой изменения ее электрических параметров - тока, напряжения, активного и реактивного сопротивления, емкости и индуктивности. Наиболее легко измеряемым и информативным параметром является напряжение в линии при положенной и поднятой трубке. Для большинства АТС при поднятой трубке напряжение 8-12 В (в зависимости от модели аппарата), при положенной трубке 60-64 В. Резкие падения напряжения при поднятой или положенной трубке могут служить сигналом о наличии прослушки. Еще одной причиной для беспокойства может быть появление в линии сигнала с частотой свыше 50 КГц, из чего можно сделать вывод, что, возможно, к линии подключена аппаратура ВЧ-навязывания или телефонный радиопередатчик, использующий линию как антенну. При подключении устройств с питанием от телефонной линии, изменяются показатели тока. Анализируя все эти параметры, прибор "принимает решение" о наличии несанкционированного подключения. Наиболее продвинутые модели выдают сигнал тревоги в случае кратковременного разрыва телефонной линии и оборудованы средствами подавления систем съема информации. В настоящее время на рынке имеется большое количество моделей анализаторов телефонных линий, стоимостью от нескольких десятков до нескольких десятков тысяч долларов. Установка такого прибора позволит вовремя определить попытку подключения к линии и принять меры по ее очистке от возможных подключений.

При подключении к телефонной линии закладного устройства изменяется величина потребляемого тока (при поднятии трубки телефонного аппарата). Величина отбора мощности из линии зависит от мощности передатчика закладки и его коэффициента полезного действия.

При параллельном подключении радиозакладки потребляемый ток (при поднятой телефонной трубке), как правило, не превышает 2,5 - 3,0 мА.

При подключении к линии телефонного адаптера, имеющего внешний источник питания и большое входное сопротивление, потребляемый из линии ток незначителен (20 - 40 мкА).

Комбинированные радиозакладки с автономными источниками питания и параллельным подключением к линии имеют невысокое входное сопротивление (несколько кОм) и практически не потребляют энергию из телефонной линии, но значительно увеличивают ее емкость.

Производя измерение тока в линии при снятии телефонной трубки и сравнивая его с типовым, можно выявить факт подключения закладных устройств с током потребления более 500 - 800 мкА.

Определение техническими средствами контроля закладных устройств с малым током потребления из линии ограничено собственными шумами линии, вызванными нестабильностью как статических, так и динамических параметров линии. К нестабильности динамических параметров в первую очередь относятся флюктуации тока утечки в линии, величина которого достигает 150 мкА.

Простейшее устройство контроля телефонных линий представляет собой измеритель напряжения. При настройке оператор фиксирует значение напряжение, соответствующее нормальному состоянию линии (когда к линии не подключены посторонние устройства), и порог тревоги. При уменьшении напряжения в линии более установленного порога устройством подается световой или звуковой сигнал тревоги.

На принципах измерения напряжения в линии построены и устройства, сигнализирующие о размыкании телефонной линии, которое возникает при последовательном подключении закладного устройства.

Как правило, подобные устройства содержат также фильтры для защиты от прослушивания за счет "микрофонного эффекта" в элементах телефонного аппарата и высокочастотного "навязывания".

Устройства контроля телефонных линий, построенные на рассмотренном принципе, реагируют на изменения напряжения, вызванные не только подключением к линии средств съема информации, но и колебаниями напряжения на АТС (что для отечественных линий довольно частое явление), что приводит к частым ложным срабатываниям сигнализирующих устройств. Кроме того, эти устройства не позволяют выявить параллельное подключение к линии высокоомных (с сопротивлением в несколько МОм) подслушивающих устройств. Поэтому подобные устройства не находят широкого применения на практике.

Принцип работы более сложных устройств основан на периодическом измерении и анализе нескольких параметров линии (наиболее часто: напряжения, тока, а также комплексного (активного и реактивного) сопротивления линии). Такие устройства позволяют определить не только факт подключения к линии средств съема информации, но и способ подключения (последовательное или параллельное). Например, контроллеры телефонных линий "КТЛ-2", "КТЛ-3" и "КТЛ-400" за 4 минуты позволяют обнаружить закладки с питанием от телефонной линии независимо от способа, места и времени их подключения, а также параметров линии и напряжения АТС. Приборы также выдают световой сигнал тревоги при кратковременном (не менее 2 секунд) размыкания линии.

Современные контроллеры телефонных линий, как правило, наряду со средствами обнаружения подключения к линии устройств несанкционированного съема информации, оборудованы и средствами их подавления. Для подавления в основном используется метод высокочастотной маскирующей помехи. Режим подавления включается автоматически или оператором при обнаружении факта несанкционированного подключения к линии [3].

К недостаткам анализаторов можно отнести отсутствие четких критериев оценки несанкционированного подключения. На разных типах АТС параметры линий могут сильно отличаться, падение напряжения и изменение силы тока могут быть вызваны плохими контактами, появление высокочастотных сигналов - промышленными наводками. Как следствие этого возможны ложные срабатывания прибора контроля прослушивания. Даже при отслеживании большого количества параметров можно судить только о вероятности подключения. Практически невозможно с помощью анализаторов отследить подключения к линии бесконтактных устройств (емкостных и индуктивных). При установке большинства анализаторов требуется настройка под конкретные параметры линии и, соответственно, перед этим полная проверка линии на наличие несанкционированных подключений и накопление статистической информации о наличии "естественных помех". Если этого не сделать, прибор просто не "заметит" прослушки или будет много ложных срабатываний.

2.4 Активная заградительная помеха

Приборы для постановки активной заградительной помехи предназначены для защиты телефонных линий практически от всех видов подслушивающих устройств. Заградительная помеха представляет собой дополнительный сигнал, который воздействует на стандартные параметры линии во всех режимах, как в режиме разговора, так и в режиме отбоя. Обычно в разумных пределах изменяется постоянная составляющая напряжения и ток, что позволяет воздействовать на некоторые виды подслушивающих устройств, реагирующих на поднятие трубки, наличие голосового сигнала, заставляя тем самым эти устройства работать не только в полезном режиме, но и вхолостую, расходуя ограниченные ресурсы. Такие помехи воздействуют на узлы питания подслушивающей аппаратуры, действуют на входные каскады усилителей, тем самым делая речевую информацию практически неразличимой. Для того чтобы эта помеха не воздействовала на аппарат владельца, производится ее компенсация фильтрами, а сами сигналы подбираются таким образом, чтобы они либо затухали при прохождении по линии, либо легко фильтровались оборудованием АТС. Другие виды помех позволяют воздействовать на радиопередатчик подслушивающего устройства, меняя его параметры (размывание несущей частоты, ее скачки, понижение мощности излучения), вызывая ложное срабатывание устройства.

Недостатком этих устройств является то, что они защищают только участок от твоего телефона до АТС. Остается возможность прослушивания на самой АТС и на линии твоего собеседника [14].

Основным способом пассивной защиты является установка непосредственно в цепи телефонного аппарата специальных фильтров и устройств, позволяющих предотвратить некоторые виды прослушивания телефонных линий, находящихся в режиме отбоя. Правильная установка таких устройств позволяет предотвратить перехват информации методом ВЧ-навязывания, с помощью микрофонов, передающих информацию по телефонной линии в длинноволновом диапазоне.

.5 Импульсная рефлектометрия

Импульсная рефлектометрия - это интенсивно развивающаяся область измерительной техники, которая основывается на получении информации об измеряемой линии по анализу реакции линии на зондирующее воздействие.

Импульсная рефлектометрия применяется как для металлических кабелей всех типов, так и для световолоконных кабелей связи.

Приборы, работающие на основе метода импульсной рефлектометрии, называются импульсными рефлектометрами или рефлектометрами во временной области - TDR (Time Domain Reflektometer), для оптоволоконных линий - OTDR.

В импульсных рефлектометрах для металлических кабелей в качестве зондирующего импульса используется электрический импульс напряжения малой длительности. В импульсных рефлектометрах для оптических кабелей используется короткий оптический (световой) импульс.

Метод импульсной рефлектометрии реализован в конкретных приборах - импульсных рефлектометрах фирмы СТЭЛЛ для металлических кабелей: "Портативный цифровой рефлектометр РЕЙС-105М", "Цифровой рефлектометр РЕЙС-205", "Рефлектометре РЕЙС-305".

Импульсные рефлектометры для металлических кабелей позволяют оператору сделать анализ реакции линии на зондирующее воздействие (проанализировать рефлектограмму) и тем самым определить расстояние до места дефекта (обрыва, короткого замыкания, низкоомной утечки), определить наличие в кабеле неоднородностей волнового сопротивления (кабельных вставок, муфт, ответвлений и т.д.).

.6 Пассивные способы защиты

Наряду с активными способами защиты информации, существуют и пассивные. К наиболее распространенным относятся ограничение опасных сигналов, фильтрация опасных сигналов, отключение источника опасных сигналов.

Возможность ограничения опасных сигналов основывается на нелинейных свойствах полупроводниковых элементов, главным образом диодов. В схеме ограничителя малых амплитуд используются два встречновключенных диода, имеющих вольтамперную характеристику (зависимость значения протекающего по диоду электрического тока от приложенного к нему напряжения), показанную на рисунке 2, а. Такие диоды имеют большое сопротивление (сотни кОм) для токов малой амплитуды и единицы Ом и менее - для токов большой амплитуды (полезных сигналов), что исключает прохождение опасных сигналов малой амплитуды в телефонную линию и практически не оказывает влияние на прохождение через диоды полезных сигналов.

Диодные ограничители включаются последовательно в линию звонка (рисунок 2.3, б) или непосредственно в каждую из телефонных линий (рисунок 2.4).

Фильтрация опасных сигналов используется главным образом для защиты телефонных аппаратов от "высокочастотного навязывания".

Простейшим фильтром является конденсатор, устанавливаемый в звонковую цепь телефонных аппаратов с электромеханическим звонком и в микрофонную цепь всех аппаратов (рисунки 2.3,б; 2.3,в). Емкость конденсаторов выбирается такой величины, чтобы зашунтировать зондирующие сигналы высокочастотного навязывания и не оказывать существенного влияния на полезные сигналы. Обычно для установки в звонковую цепь используются конденсаторы, емкостью 1 мкФ, а для установки в микрофонную цепь - 0,01 мкФ. Более сложное фильтрующее устройство представляет собой многозвенный фильтр низкой частоты на LC-элементах.

 

Рисунок 2.3- Пассивные способы защиты

Для защиты телефонных аппаратов, как правило, используются устройства, сочетающие фильтр и ограничитель. К ним относятся устройства типа "Экран", "Гранит-8", "Корунд", "Грань-300" и др. (рисунок 2.4).

Рисунок 2.4 - Схема устройства защиты телефонных аппаратов типа "Гранит", сочетающего фильтр и ограничитель

Наиболее эффективным пассивным методом защиты является отключение телефонного аппарата от линии, осуществляемое как вручную (обыкновенный выключатель), так и с помощью специального коммутатора, который автоматически отключает телефон от линии при положенной трубке и подключает при поднятии трубки или поступлении входящего звонка.

Самый простой способ реализации этого метода защиты заключается в установке в корпусе телефонного аппарата или телефонной линии специального выключателя, включаемого и выключаемого вручную. Более удобным в эксплуатации является установка в телефонной линии специального устройства защиты, автоматически (без участия оператора) отключающего телефонный аппарат от линии при положенной телефонной трубке [4].

К типовым устройствам, реализующим данный метод защиты, относится изделие "Барьер- М1". В эго состав входят:

а) электронный коммутатор;

б) схема анализа состояния телефонного аппарата, наличия вызывных сигналов и управления коммутатором;

в) схема защиты телефонного аппарата от воздействия высоковольтных импульсов.

Устройство имеет следующие режимы работы: дежурный режим, режим передачи сигналов вызова и рабочий режим.

В дежурном режиме (при положенной телефонной трубке) телефонный аппарат отключен от линии, и устройство находится в режиме анализа поднятия телефонной трубки и наличия сигналов вызова. При этом сопротивление развязки между телефонным аппаратом и линией АТС составляет не менее 20 МОм. Напряжение на выходе устройства в дежурном приеме составляет 5 - 7 В.

При получении сигналов вызова устройство переходит в режим передачи сигналов вызова, при котором через электронный коммутатор телефонный аппарат подключается к линии. Подключение осуществляется только на время действия сигналов вызова.

При поднятии телефонной трубки устройство переходит в рабочий режим и телефонный аппарат подключается к линии. Переход устройства из дежурного в рабочий режим осуществляется при токе в телефонной линии не менее 5 мА.

Изделие устанавливается в разрыв телефонной линии, как правило, при выходе ее из выделенного помещения или в распределительном щитке (кроссе), находящемся в пределах контролируемой зоны. Электропитание устройства осуществляется от телефонной линии при токе потребления в дежурном режиме не более 0,3 мА.

Устройство "Барьер - М1" обеспечивает защиту телефонного аппарата не только от утечки информации по электроакустическому каналу, но также и его защиту от воздействия высоковольтных импульсов (напряжением до 1000 В и длительностью до 100 мкс).

.7 Нейтрализаторы

Стоит упомянуть еще об одном устройстве - нейтрализаторе (выжигатель телефонных закладок). Принцип его действия основан на подаче в линию кратковременного высокого напряжения (порядка полутора тысяч вольт), которое выводит из строя устройства, подключенные к линии гальванически (входные каскадные электронные устройства перехвата информации и блоки их питания, гальванически подключенных к телефонной линии).

При использовании данного метода телефонный аппарат от линии отключается. Подача импульсов в линию осуществляется два раза. Первый (для "выжигания" параллельно подключенных устройств) - при разомкнутой телефонной линии, второй (для "выжигания" последовательно подключенных устройств) - при закороченной (как правило, в центральном распределительном щитке здания) телефонной линии [5].

Для защиты телефонных линий используются как простые устройства, реализующие один метод защиты, так и сложные, обеспечивающие комплексную защиту линий различными методами, включая защиту от утечки информации по электроакустическому каналу.

На отечественном рынке имеется большое разнообразие средств защиты. Среди них можно выделить следующие: "SP 17/Т", "SI-2001", "КТЛ-3","КТЛ-400", "Ком-3", "Кзот-06", "Цикада-М", "Прокруст" (ПТЗ-003), "Прокруст-2000", "Консул", "Гром-ЗИ-6", "Протон" и др [6].

В активных устройствах защиты телефонных линий наиболее часто реализованы метод высокочастотной маскирующей помехи ("SP 17/Т", "КТЛ-3", "КТЛ-400", "Ком-3", "Прокруст" (ПТЗ-003), "Прокруст-2000", "Гром-ЗИ-6", "Протон" и др.) и метод ультразвуковой маскирующей помехи ("Прокруст" (ПТЗ-003), "Гром-ЗИ-6").

Метод синфазной низкочастотной маскирующей помехи используется в устройстве "Цикада-М", а метод низкочастотной маскирующей помехи - в устройствах "Прокруст", "Протон", "Кзот-06" и др.

Метод "обнуления" применяется, например, в устройстве "Цикада-М", а метод повышения напряжения в линии - в устройстве "Прокруст".

Компенсационный метод маскировки речевых сообщений, передаваемых абоненту по телефонной линии, реализован в изделии "Туман".

Большинство устройств защиты производят автоматическое измерение напряжения в линии и отображают его значение на цифровом индикаторе. В приборе ""Гром-ЗИ-6" на цифровом индикаторе отображается уровень уменьшения напряжения в линии.

Устройства защиты телефонных линий имеют сравнительно небольшие размеры и вес (например, изделие "Прокруст" при размерах 62х155х195 мм весит 1 кг) [2]. Питание их, как правило, осуществляется от сети переменного тока 220 В. Однако некоторые устройства (например, "Кзот-06") питаются от автономных источников питания.

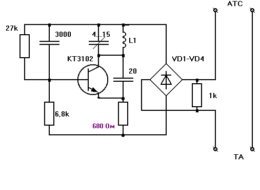
Для вывода из строя ("выжигания" входных каскадов) средств несанкционированного съема информации с гальваническим подключением к телефонной линии используются устройства типа "ПТЛ-1500, "КС-1300", КС-1303", "Кобра" и т.д. [5].

Приборы используют высоковольтные импульсы напряжением не менее 1500 - 1600 В. Мощность "выжигающих" импульсов составляет 15-50 ВА. Так как в схемах закладок применяются миниатюрные низковольтные детали, то высоковольтные импульсы их пробивают и схема закладки выводится из строя.

"Выжигатели" телефонных закладок могут работать как в ручном, так и автоматическом режимах. Время непрерывной работы в автоматическом режиме составляет от 20 секунд до 24 часов.

Устройство "КС-1300" оборудовано специальным таймером, позволяющим при работе в автоматическом режиме устанавливать временной интервал подачи импульсов в линию в пределах от 10 минут до 2 суток [6].

3. Стенд по защите телефонных линий от прослушивающих устройств

Разработанный мною стенд имитирует работу специальной аппаратуры по защите телефонной линии от подключенных в нее прослушивающих устройств (несанкционированного доступа).

.1 Устройство стенда

Стенд состоит из двух телефонных аппаратов, цифрового осциллографа, закладного устройства, смонтированного в телефонной розетке, радиоприемника и прибора “Кобра”. Общий вид стенда приведен на рисунке 3.1

Прибор ”Кобра” предназначен для подачи в линию высоковольтных импульсов, приводящих к электрическому "выжиганию" входных каскадов электронных устройств перехвата информации и блоков их питания, гальванически подключенных к телефонной линии. Осциллограф ОМЦ-20 служит для определения значения импульса, посылаемого в линию прибором “Кобра”. С помощью закладного устройства и радиоприемника проводится попытка прослушивания телефонного разговора.

Рисунок 3.1- Общий вид стенда

Структурная схема закладного устройства представлена на рисунке 3.2. Радиозакладка включает в себя транзистор, сопротивления, конденсаторы и катушку. Значения этих элементов представлены в таблице 3.1.

Рисунок 3.2- Структурная схема закладного устройства

Таблица 3.1- Значения элементов закладного устройства

Элементы

Значение

R1, кОм

47

R2, Ом

330

C1, пФ

47

C2, пФ

47

VT1

ВС547ВР


Данное закладное устройство способно передавать все телефонные разговоры на расстоянии до 40 метров и работает в диапазоне частот 88-108 МГц. Общий вид представлен на рисунке 3.3.

Рисунок 3.3- Общий вид закладного устройства

.2 Проведение лабораторной работы

Подключение всех элементов в одну общую цепь представлено на рисунке 3.4.

В телефонную линию последовательно монтируется закладное устройство, в нашем случаем в телефонную розетку (рисунок 3.5). Прибор “Кобра” подключается параллельно линии передачи. Параллельно ему подключается осциллограф ОМЦ-20.









Рисунок 3.4- Структурная схема стенда

.2.1 Прослушивание телефонной линии

Процесс снятия информации происходит при поднятой трубке телефона. Злоумышленник настраивает свой радиоприемник на рабочую частоту радиозакладки. Закладное устройство передает информацию на определенной частоте FM-диапазона на расстоянии не более 40 метров. Во время проведения практических экспериментов была установлена рабочая частота радиопередатчика 105.2 МГц. Максимальное расстояние передачи составляет 15 метров.

Рисунок 3.5- Подключение закладного устройства в телефонную розетку

При подключении прибора “Кобра” в линию передачи все телефонные аппараты и электронные устройства отключаются от проводной коммуникации. Концы проводной линии должны быть разомкнуты. Основные параметры прибора представлены в таблице 3.2.

Таблица 3.2- Параметры прибора “Кобра”

Основные параметры

Значение

Напряжение питания, В

220

Потребляемая мощность, Вт

15

Напряжение на выходе, В

1500

Время не прерывной работы: в ручном режиме, мин в автоматическом режиме, сек

 10 20


.2.2 Работа с прибором “Кобра”

Устройство может работать в ручном или автоматическом (циклическом) режимах.

При ручном режиме работы прибора кратковременно нажимаем кнопку “Разряд” на лицевой стороне прибора. При этом происходит подключение

выходного напряжения устройства к подключенному участку проводной коммуникации и загорается светодиод "Контроль разряда". В случае наличия в линии параллельно подключенных устройств несанкционированного доступа происходит их уничтожение (прожигание) и все светодиоды в линейке "Уровень напряжения" быстро гаснут. Для уверенного уничтожения устройств несанкционированного доступа прожигание проводится несколько раз.

Для уничтожения последовательно включенных в проводную коммуникацию устройств несанкционированного доступа, необходимо замкнуть между собой отключенные от внешней подводки концы проводной коммуникации и повторить указанные выше действия.

В положении "Автомат" переключателя "Режим работы", процесс прожигания происходит циклически с периодом около 5 секунд.

Определение значения импульса прибора “Кобра”

Для определения значения импульса, посылаемого в линию передачи прибором “Кобра”, подключаем параллельно ему осциллограф ОМЦ-20.

Полученная осциллограмма подаваемого импульса в телефонную линию представлена на рисунке 3.6.

При проведении работ были получены следующие значения импульса:

максимальное значение напряжения импульса составляет 16,6 мВ в момент времени равный 27 мкс;

напряжение полуспада 8,2 мВ в момент времени 74 мкс.














Рисунок 3.6- Осциллограмма импульса, вырабатываемого прибором “Кобра”

Рисунок 3.7- Осциллограмма тока от прибора “Кобра” в информационной цепи кабеля

.3 Расчет напряжения импульса в линии, вырабатываемого прибором “Кобра”, на различном удалении от источника

Чтобы получить форму тока, вырабатываемого прибором “Кобра”, воспользуемся следующей формулой

I(t)=Iф*I0*(e-α*t-e-β*t), (3.1)

где Iф - ток фронта, А;

α, β - коэффициенты затухания, полученные по следующим формулам:

α=0,8/tс, (3.2)

β=3,25/ tф, (3.3)

где tс - время полуспада импульса, мкс;ф - время максимального значения импульса, мкс.

Рисунок 3.8- Форма тока импульса, вырабатываемого прибором “Кобра”

Чтобы рассчитать напряжение импульса на различном удалении от источника воспользуемся следующей формулой

U(x,t)=(R2/ 2*(α12- α22))*( α12*g1(x,t)- α22* g2(x,t)), (3.4)

где R2 - сопротивление жилы кабеля, Ом;- интегральная величина, определяющая затухание тока по оболочке кабеля;- интегральная величина, определяющая затухание тока в цепи жила-оболочка;

α1 - коэффициент затухания оболочки;

α2 - коэффициент затухания цепи жила-оболочка.

Коэффициент затухания оболочки рассчитываем по формуле

, (3.5)

где С - емкость жилы, Ф;- сопротивление жилы, Ом.

Определяем коэффициент затухания цепи жила-оболочка по формуле

, (3.6)

где С - емкость жилы, Ф;- сопротивление жилы, Ом;- сопротивление оболочки, Ом.

Рисунок 3.9- Напряжение в линии, полученное расчетным путем, на различном удалении от источника

4. Обеспечение безопасности труда при выполнении экспериментальных исследований

Охрана труда представляет собой систему законодательных, социально-экономических, организационных, технических, санитарно-гигиенических и лечебно-профилактических мероприятий и средств, обеспечивающих безопасность, сохранение здоровья и работоспособность человека в процессе труда.

Охрана труда исследует трудовой процесс с позиций обеспечения его безопасности для жизни и здоровья трудящихся.

В соответствии с трудовым законодательством на всех предприятиях, в учреждениях и организациях должны быть созданы здоровые и безопасные условия труда. Обеспечение таких условий возлагается на администрацию, которая обязана внедрять современные средства техники безопасности, предупреждающие производственный травматизм, и создавать санитарно-гигиенические условия, предотвращающие возникновение профессиональных заболеваний.

Безопасность- это состояние деятельности, при которой с определенной вероятностью исключаются потенциальные опасности, влияющие на здоровье человека.

Безопасность следует понимать как комплексную систему мер по защите человека и среды обитания от опасностей, формируемых конкретной деятельностью. Чем сложнее вид деятельности, тем более комплексна система защиты. Комплексную систему на рабочем месте составляют следующие меры защиты: правовые, организационные, экономические, технические, санитарно-гигиенические [7].

Для обеспечения безопасности конкретной производственной деятельности должны быть выполнены три условия:

а) осуществляется детальный анализ опасностей, формируемых в изучаемой деятельности. Анализ должен проводиться в следующей последовательности: устанавливается элемент среды обитания как источник опасности. Затем проводится оценка имеющихся в рассматриваемой деятельности опасностей по качественным, количественным, пространственным и временным показателям.

б) разрабатываются эффективные меры защиты человека и среды обитания от выявленных опасностей. Под эффективными понимаются такие меры защиты человека на производстве, которые при минимуме материальных затрат дают наибольший эффект: снижают заболеваемость, травматизм и смертность.

в) разрабатываются эффективные меры защиты от остаточного риска данной деятельности. Они необходимы, так как обеспечить абсолютную безопасность деятельности невозможно. Эти меры применяются в случае, когда необходимо заниматься спасением человека или среды обитания. В условиях производства такую работу выполняют службы здравоохранения, противопожарной безопасности, службы ликвидации аварий и т.д.

Для выполнения условий обеспечения безопасности деятельности необходимо выбрать принципы обеспечения безопасности, определить методы обеспечения безопасности деятельности и использовать средства обеспечения безопасности человека и производственной среды.

.1 Производственная среда и условия труда

Производственная среда- это пространство, в котором осуществляется трудовая деятельность человека. В производственной среде как части техносферы формируются негативные факторы, которые существенно отличаются от негативных факторов природного характера. Эти факторы формируют элементы производственной среды, к которым относятся: предметы труда, средства труда, продукты труда, энергия, природно-климатические факторы, персонал.

Производственные помещения- это замкнутые пространства производственной среды, в которых постоянно или периодически осуществляется трудовая деятельность людей, связанная с участием в различных видах производства, в организации, контроле и управлении производством. Внутри производственных помещений находятся рабочая зона и рабочие места.

Рабочей зоной называется пространство или площадки, на котором находятся места постоянного или временного пребывания работающих.

Рабочее место- часть рабочей зоны; оно представляет собой место постоянного или временного пребывания работающих в процессе трудовой деятельности.

Условия труда- сочетание различных факторов, формируемых элементами производственной среды, оказывающих влияние на здоровье и работоспособность человека.

.2 Характеристика возможных опасных и вредных производственных факторов на рабочем месте

Опасный производственный фактор - фактор, приводящий к травме или резкому ухудшению здоровья.

Вредный производственный фактор - фактор накопительного действия, который постепенно приводит к развитию профессионального заболевания.

Длительная работа оператора ЭВМ может повести за собой ухудшение состояния здоровья вследствие воздействия на него комплекса вредных и опасных факторов:

недостаточная освещенность рабочего места;

повышенный уровень электромагнитных излучений;

производственный шум;

опасность поражения электрическим током;

повышенный уровень инфракрасной и ультрафиолетовой радиации;

воздействие неблагоприятных параметров микроклимата;

вынужденная рабочая поза.

Это приводит к развитию различных расстройств зрения, головным болям, мышечным болям в области спины, ухудшению работоспособности и мозговой активности. Длительное воздействие этих факторов может привести к серьезным заболеваниям зрения, костно-мышечной и сердечно-сосудистой систем. Так, например, при длительном воздействии шума и недостаточном отдыхе могут произойти стойкие патологические изменения в слуховом анализаторе и сердечно-сосудистой системе, и как следствие этого, вызвать заболевание органов кровообращения (например, гипертония), а затем необратимое снижение слуховой деятельности - тугоухость [8].

Рабочие места с использованием ПЭВМ (персональные электронно-вычислительные машины) должны соответствовать требованиям СанПиН 2.2.2/2.4.1340-03.

.3 Освещенность на рабочем месте

Производственное освещение бывает трех видов: естественное - за счет солнечного излучения; искусственное- за счет источников искусственного света; совмещенное.

Естественное освещение имеет положительные и отрицательные стороны. Более благоприятный спектральный состав, высокая диффузность света способствуют улучшению зрительных условий работы. В то же время при естественном освещении освещенность во времени и пространстве непостоянна, зависит от погодных условий, возможно тенеобразование, ослепление при ярком солнечном свете.

Искусственное освещение помогает избежать многие недостатки, характерные для естественного освещения, и обеспечить оптимальный световой режим. Однако условия гигиены труда требуют максимального использования естественного освещения, так как солнечный свет оказывает оздоровляющее действие на организм. Искусственное освещение не устраивают только там, где это противопоказано технологическим условиям производства, где хранится светочувствительные химикаты, материалы и изделия.

При отсутствии достаточного освещения в светлое время суток используют и искусственный свет. Такое освещение называется совмещенным. Оно предусмотрено существующими нормами.

По конструктивному выполнению естественное освещение подразделяется на боковое, осуществляемое через оконные проемы; верхнее, когда свет проникает в помещение через аэрационные и зенитные фонари, проемы в перекрытиях; комбинированное, когда к верхнему освещению добавляется боковое. Наиболее эффективно комбинированное естественное освещение, обеспечивающее более равномерное распределение внутри производственного помещения.

Искусственное освещение по конструктивному выполнению может быть трех видов: общее, комбинированное, местное, концентрирующее световой поток непосредственно на рабочих местах.

Общее искусственное освещение подразделяется на рабочее, аварийное, охранное, дежурное, локализованное, освещение безопасности и эвакуационное освещение.

Рабочее освещение обеспечивает нормируемые осветительные условия в помещениях и местах производства работ вне здания. Его устраивают во всех помещениях, предназначенных для работы, прохода людей и движения транспортных средств [9].

При освещении рабочей зоны используется область оптического спектра электромагнитных излучений, называемая видимой. Он обеспечивает возможность зрительного восприятия, дающего около 90% информации об окружающей среде, влияет на тонус центральной и периферической нервной системы, на обмен веществ в организме, его иммунные и аллергические реакции, на работоспособность и самочувствие человека. Оптимальные параметры видимого света по интенсивности, спектральному составу и режиму освещения различны в зависимости от требований организма к условиям конкретной деятельности, а также от характера и интенсивности одновременно воздействующих других факторов среды - акустических, цветовых, пространственно-планировочных и др.

Недостаточное освещение рабочего места затрудняет зритель работу, вызывает повышенное утомление и способствует развитию близорукости. Слишком низкие уровни освещенности вызывают апатию и сонливость, а в некоторых случаях способствуют развитию чувства тревоги. Длительное пребывание в условиях недостаточного освещения сопровождается снижением интенсивности обмена веществ в организме и ослаблением его реактивности. К таким же последствиям приводит длительное пребывание в световой среде с ограниченным спектральным составом света и монотонным режимом освещения.

Излишний яркий свет слепит, снижает зрительные функции, приводит к перевозбуждению нервной системы, уменьшает работоспособность, нарушает механизм сумеречного зрения. Воздействие чрезмерной яркости может вызывать фотоожоги глаз и кожи, катаракты и другие нарушения тканей.

.4 Электромагнитные излучения

Степень воздействия электромагнитных полей на человека зависит от напряженностей электрического и магнитных полей, интенсивности облучения, диапазона радиочастот, длительности воздействия, локализации облучения на поверхности тела и индивидуальных особенностей организма. Под действием электромагнитных полей происходит частичное поглощение энергии тканями организма, в тканях возникают высокочастотные токи, сопровождающиеся тепловым эффектом.

Мощность экспозиционной дозы мягкого рентгеновского излучения в любой точке на расстоянии 0,05 м от экрана и корпуса ВДТ (на электроннолучевой трубке) при любых положениях регулировочных устройств не должна превышать 1 мкЗв/час (100 мкР/час).

Временные допустимые уровни ЭМП, создаваемых ПЭВМ на рабочих местах пользователей представлены в таблице 3.1.

Таблица 4.1- Временные допустимые уровни ЭМП, создаваемых ПЭВМ на рабочих местах

Наименование параметров

ВДУ ЭМП

Напряженность электрического поля, В/м

в диапазоне частот 5 Гц - 2 кГц

25


в диапазоне частот 2 кГц - 400 кГц

2,5

Плотность магнитного потока, нТл

в диапазоне частот 5 Гц - 2 кГц

250


в диапазоне частот 2 кГц - 400 кГц

25

Напряженность электростатического поля, кВ/м

15


.5 Производственный шум

Органы слуха человека воспринимают звуковые волны с частотой от 16 до 20000 Гц. Колебания с частотой ниже 16 Гц и выше 20000 Гц не вызывают слуховых ощущений, но оказывают биологическое воздействие на организм.

Шум отрицательно влияет на организм человека, и в первую очередь на его центральную нервную и сердечно-сосудистую системы. Длительное воздействие шума снижает остроту слуха и зрения, повышает кровяное давление. Производственный шум нарушает информационные связи, что вызывает снижение эффективности и безопасности деятельности человека, так как высокий уровень шума мешает услышать предупреждающий сигнал опасности. Кроме того шум вызывает обычную усталость. При действии шума снижаются способность сосредоточения внимания, точность выполнения работ, связанных с приемом и анализом информации, и производительность труда.

Шум, отрицательно воздействую на слух человека, может вызывать три возможных исхода: временно снизить чувствительность к звукам определенных частот, вызвать повреждение органов слуха или мгновенную глухоту. Уровень звука в 130 дБ вызывает болевое ощущение, в 150 дБ- приводит к поражению слуха при любой частоте.

В производственных помещениях при выполнении основных или вспомогательных работ уровни шума на рабочих местах не должны превышать предельно допустимых значений, установленных для данных видов работ в соответствии с действующими санитарно-эпидемиологическими нормативами.

При выполнении работ в производственных помещениях уровень вибрации не должен превышать допустимых значений вибрации для рабочих мест (категория 3, тип "в") в соответствии с действующими санитарно-эпидемиологическими нормативами.

Измерение уровня звука и уровней звукового давления проводится на расстоянии 50 см от поверхности оборудования и на высоте расположения источника(ков) звука.

.6 Опасность поражения электрическим током

Опасность поражения электрическим током существует в связи с высоким напряжением приборов, сетевого оборудования и периферийных устройств - 220 В переменного тока. Многие из них имеют металлические корпуса, что увеличивает опасность поражения электрическим током при неисправностях цепей электропитания.

Воздействие электрического напряжения 220 В на организм человека, в зависимости от производственных условий, длительности действия, точек приложения и индивидуальных свойств организма может привести к поражениям различной степени и характера: ожоги, "электрические знаки" на коже, нагрев кожи и внутренних органов, паралич мышц и остановка сердца. Таким образом, воздействие электрического тока на организм человека может привести к тяжелым последствиям и даже к смерти человека, поэтому защита от поражения электрическим током является важной частью организационно-технических мероприятий по охране труда.

Принцип действия защитного заземления основан на уменьшении напряжения на корпусе относительно земли до допустимого уровня напряжения соприкосновения. Металлические части соединяются с землей при помощи заземляющих проводников и заземлителей. Заземлитель представляет совокупность электрически соединенных проводников, находящихся в соприкосновении с землей.

По расположению заземлителей относительно заземляемого оборудования заземления бывают выносные и контурные. Выносные заземлители находятся в стороне от оборудования, а контурные - вокруг него.

На сопротивление защитного заземления накладывается ограничение на наибольшее допустимое значение, определяемое в соответствии с категорией помещения по опасности поражения током. В помещениях без повышенной опасности сопротивление защитного заземления не выше 4 Ом.

.7 Воздействие неблагоприятных параметров микроклимата

Микроклимат - это климат внутренней среды помещения, который определяется действующими на организм человека сочетаниями температуры, влажности и скорости движения воздуха, а также температуры окружающих поверхностей.

В производственных помещениях температура, относительная влажность и скорость движения воздуха на рабочих местах должны соответствовать действующим санитарным нормам микроклимата производственных помещений.

В помещениях проводится ежедневная влажная уборка и систематическое проветривание. Уровни положительных и отрицательных аэроионов в воздухе помещений должны соответствовать действующим санитарно-эпидемиологическим нормативам.

Содержание вредных химических веществ в воздухе производственных помещений не должно превышать предельно допустимых концентраций вредных веществ в воздухе рабочей зоны в соответствии с действующими гигиеническими нормативами.

Высокая температура воздуха способствует быстрой утомляемости работающего, может привести к перегреву организма, тепловому удару или профзаболеванию. Низкая температура воздуха может вызвать местное или общее охлаждение организма, стать причиной простудного заболевания либо обморожения.

Влажность воздуха оказывает значительное влияние на терморегуляцию организма человека. Высокая относительная влажность при высокой температуре воздуха способствует перегреванию организма, при низкой же температуре она усиливает теплоотдачу с поверхности кожи, что ведет к переохлаждению организма. Низкая влажность вызывает пересыхание слизистых оболочек дыхательных путей работающего.

Подвижность воздуха эффективно способствует теплоотдаче организма человека и положительно проявляется при высоких температурах, но отрицательно при низких [7].

Таблица 4.2- Зависимость субъективных ощущений человека от параметров рабочей среды

Температура воздуха, ° С

Относительная влажность воздуха, %

Субъективное ощущение

21

40 75 85 90

Наиболее приятное ощущение Хорошее, спокойное состояние Отсутствие неприятных ощущений Усталость, подавленное состояние

24

20 60 80 100

Отсутствие неприятных ощущений Неприятные ощущения Потребность в покое Невозможное выполнение тяжелой работы

30

25 50 65 80 90

Неприятные ощущения отсутствуют Нормальная работоспособность Невозможное выполнение тяжелой работы Повышение температуры тела Опасность для здоровья

 

Для создания нормальных условий труда в производственных помещениях обеспечивают нормативные значения параметров микроклимата- температуры воздуха, его относительной влажности и скорости движения, а также интенсивность теплового излучения. Нормируемые параметры микроклимата в производственных помещениях приведены в таблице 4.3

Таблица 4.3- Оптимальные и допустимые нормы параметров микроклимата в рабочей зоне производственных помещений

Период года

Категория работ

Температура воздуха, ° С

Относительная влажность воздуха, %

Скорость движения воздуха, м/с



оптимальная

допустимая

оптимальная

допустимая

оптимальная

допустимая

Холодный

Ia Iб IIa IIб III

22-24 21-23 18-19 17-19 16-18

23 22 21 19 16

40-60 40-60 40-60 40-60 40-60

75 75 75 75 75

0.1 0.1 0.2 0.2 0.3

0.1 0.2 0.3 0.4 0.5

Теплый

Ia Iб IIa IIб III

23-25 22-24 21-23 20-22 18-20

25 24 21 21 20

40-60 40-60 40-60 40-60 40-60

55 60 65 70 70

0.1 0.2 0.3 0.3 0.4

0.1-0.2 0.1-0.3 0.2-0.4 0.2-0.5 0.2-0.6


.8 Производственная вентиляция

Вентиляцией называется комплекс взаимосвязанных устройств и процессов для создания требуемого воздухообмена в производственных помещениях. Основное назначение вентиляции- удаление из рабочей зоны загрязненного или перегретого воздуха и подача чистого воздуха, в результате чего в рабочей зоне создаются необходимые благоприятные условия воздушной среды. Одна из главных задач, возникающих при устройстве вентиляции- определение воздухообмена, т.е. количество вентиляционного воздуха, необходимого для обеспечения оптимального санитарно-гигиенического уровня воздушной среды помещений.

В зависимости от способа перемещения воздуха в производственных помещениях вентиляция делится на естественную и искусственную.

Естественная вентиляция производственных помещений осуществляется за счет разности температур в помещении наружного воздуха или действия ветра. Естественная вентиляция может быть организованной и неорганизованной.

При неорганизованной естественной вентиляции воздухообмен осуществляется за счет вытеснения внутреннего теплового воздуха наружным холодным воздухом через окна, форточки, фрамуги и двери. Организованная естественная вентиляция, или аэрация, обеспечивает воздухообмен в заранее рассчитанных объемах и регулируемый в соответствии с метеорологическими условиями. Бесканальная аэрация осуществляется при помощи проемов в стенах и потолке и рекомендуется в помещениях большого объема со значительными избытками теплоты. Для получения расчетного воздухообмена вентиляционные проемы в стенах, а также в кровле здания оборудуют фрамугами, которые открываются и закрываются с пола помещения. Манипулируя фрамугами, можно регулировать воздухообмен при изменении наружной температуры воздуха или скорости ветра. Площадь вентиляционных проемов и фонарей рассчитывают в зависимости от необходимого воздухообмена.

Искусственная вентиляция устраняет недостатки естественной вентиляции. При искусственной вентиляции воздухообмен осуществляется за счет напора воздуха, создаваемого вентиляторами; воздух в зимнее время подогревается, в летнее- охлаждается и кроме того очищается от загрязнений.

Кондиционирование- это создание и поддержание в закрытых помещениях определенных, благоприятных для человека, параметров воздушной среды по температуре, влажности, чистоте, составу, скорости движения и давления воздуха. В требуемых случаях в кондиционерах производят специальную обработку воздуха: ионизацию, дезодорацию, озонирование и т.д. В производственных условиях кондиционирование, в режиме автоматического регулирования параметров среды, обеспечивает поддержание санитарных норм микроклимата.

Кондиционеры представляют собой совокупность технических средств для приготовления, перемещения и распределения воздуха: фильтры, холодильные установки, увлажнители, терморегуляторы, регулирующие приборы и т.д.

Системы отопления предназначены для поддержания в рабочих зонах производственных помещений температурных условий, соответствующих санитарным нормам, с целью обеспечить для работающих оптимальные или допустимые условия труда. Система отопления включает следующие основные элементы: тепловой генератор, теплопровод для размещения теплоносителя, нагревательные приборы и теплоносители [7].

Генераторами тепловой энергии могут быть печи электрические, газовые, а также работающие на дровах, угле. Местные печи просты в обслуживании, но имеют ряд недостатков: выделение в помещение вредных газов, трудность регулирования теплоотдачи, пожарная опасность. В связи с этим они имеют все более ограниченное применение.

Системы центрального отопления обладают существенными преимуществами: обеспечивают централизованное регулирование теплоснабжением, равномерный нагрев воздуха помещения. Кроме того, они не загрязняют воздух продуктами горения и пылями.

4.9 Эргономический анализ организации рабочего места

Эргономика - отрасль знания, изучающая трудовые процессы с целью создания наилучших условий труда.

При размещении рабочих мест расстояние между рабочими столами должно быть не менее 2,0 м. Рабочие места в помещениях с источниками вредных производственных факторов должны размещаться в изолированных кабинах с организованным воздухообменом.

Рабочие места при выполнении творческой работы, требующей значительного умственного напряжения или высокой концентрации внимания, рекомендуется изолировать друг от друга перегородками высотой 1,5-2,0 м.

При работе с компьютером экран видеомонитора должен находиться от глаз пользователя на расстоянии 600-700 мм, но не ближе 500 мм с учетом размеров алфавитно-цифровых знаков и символов.

Конструкция рабочего стола должна обеспечивать оптимальное размещение на рабочей поверхности используемого оборудования с учетом его количества и конструктивных особенностей, характера выполняемой работы. При этом допускается использование рабочих столов различных конструкций, отвечающих современным требованиям эргономики. Поверхность рабочего стола должна иметь коэффициент отражения 0,5-0,7.

Конструкция рабочего стула (кресла) должна обеспечивать поддержание рациональной рабочей позы при работе, позволять изменять позу с целью снижения статического напряжения мышц шейно-плечевой области и спины для предупреждения развития утомления. Тип рабочего стула (кресла) следует выбирать с учетом роста пользователя, характера и продолжительности работы.

Рабочий стул должен быть подъемно-поворотным, регулируемым по высоте и углам наклона сиденья и спинки, а также расстоянию спинки от переднего края сиденья, при этом регулировка каждого параметра должна быть независимой, легко осуществляемой и иметь надежную фиксацию.

Поверхность сиденья, спинки и других элементов стула (кресла) должна быть полумягкой, с нескользящим, слабо электризующимся и воздухопроницаемым покрытием, обеспечивающим легкую очистку от загрязнений.

Высота рабочей поверхности стола для взрослых пользователей должна регулироваться в пределах 680-800 мм; при отсутствии такой возможности высота рабочей поверхности стола должна составлять 725 мм.

Модульными размерами рабочей поверхности стола, на основании которых должны рассчитываться конструктивные размеры, следует считать: ширину 800, 1000, 1200 и 1400 мм, глубину 800 и 1000 мм при нерегулируемой его высоте, равной 725 мм.

Рабочий стол должен иметь пространство для ног высотой не менее 600 мм, шириной не менее 500 мм, глубиной на уровне колен не менее 450 мм и на уровне вытянутых ног не менее 650 мм.

Конструкция рабочего стула должна обеспечивать:

а) ширину и глубину поверхности сиденья не менее 400 мм;

б) поверхность сиденья с закругленным передним краем;

в) регулировку высоты поверхности сиденья в пределах 400-550 мм и углам наклона вперед до 15 град, и назад до 5 град.;

г) высоту опорной поверхности спинки 300±20 мм, ширину не менее 380 мм и радиус кривизны горизонтальной плоскости 400 мм;

д) угол наклона спинки в вертикальной плоскости в пределах ±30 градусов;

е) регулировку расстояния спинки от переднего края сиденья в пределах 260-400 мм;

ж) стационарные или съемные подлокотники длиной не менее 250 мм и шириной 50-70 мм;

з) регулировку подлокотников по высоте над сиденьем в пределах 230±30 мм и внутреннего расстояния между подлокотниками в пределах 350-500 мм.

Рабочее место следует оборудовать подставкой для ног, имеющей ширину не менее 300 мм, глубину не менее 400 мм, регулировку по высоте в пределах до 150 мм и по углу наклона опорной поверхности подставки до 20°. Поверхность подставки должна быть рифленой и иметь по переднему краю бортик высотой 10 мм.

Информационное поле рабочего места - это пространство с размещенными средствами отображения информации.

Моторное поле человека - это пространство рабочего места с органами управления в котором осуществляется движение человека-оператора. Моторное поле может быть частью информационного поля.

Показаны три зоны досягаемости рабочего места оператора:- зона оптимальной досягаемости, равной 400-500 мм должны находится предметы, с которыми оператору ЭВМ приходится постоянно работать: клавиатура, манипулятор "мышь".- лёгкой досягаемости, равной 600-700 мм находится оборудование, которое требует повременной настройки и регулирования, например, монитор, на котором нужно подстраивать контрастность и прочие параметры изображения, системный блок (при работе с дискетами и компакт-дисками, для включения/выключения компьютера).- зона досягаемости с поворотом корпуса оператора ЭВМ (800-1200 мм). Там находятся удалённые предметы и устройства, мешающие нормальной работе оператора в непосредственной близости от него, или требующего редкого обращения к ним. Это могут быть розетки для включения электрооборудования, принтеры, сканеры.

Оценка оптимальности рабочего места осуществляется с помощью следующих коэффициентов:

а) коэффициент оптимальной досягаемости

Копт =Sо.ч./Sо.д., (4.1)

где Sо.ч - площадь очень часто используемых органов управления;о.д. - площадь оптимальной досягаемости.

б) коэффициент легкой досягаемости

Кл.д. =Sч./SII, (4.2)

где Sч - площадь часто используемых органов управления;- площадь лёгкой досягаемости.

в) коэффициент досягаемости

Кд. =Sр.и./ SIII, (4.3)

где Sр.и. - площадь редко используемых органов управления;- площадь досягаемости.

Если К≤1 или К>1, то вносят элемент ненадёжности при работе оператора.

При работе двумя руками органы управления размещают с таким расчетом, чтобы не было перекрещивания рук.

Оценка информационного поля оператора приведена на рисунке 4.2.









Рисунок 4.2 - Информационное поле оператора

Обеспечение оптимального угла обзора достигается подбором расстояния от глаза до объекта, а также учёта размера объекта различения (минимальный размера объекта различения - 2 угловые минуты).

Допустимые визуальные параметры устройств отображения информации представлены в таблице 4.4.

Таблица 4.4- Допустимые визуальные параметры устройств отображения информации

Параметры

Допустимые значения

Яркость белого поля, кд/кв.м

Не менее 35

Неравномерность яркости рабочего поля, %

Не более ±20

Контрастность (для монохромного режима)

Не менее 3:1

Временная нестабильность изображения (непреднамеренное изменение во времени яркости изображения на экране дисплея)

 Не должна фиксироваться

Пространственная нестабильность изображения (непреднамеренные изменения положения фрагментов изображения на экране)

Не более 2 х 10(-4L), где L - проектное расстояние наблюдения, мм


Для дисплеев на ЭЛТ частота обновления изображения должна быть не менее 75 Гц при всех режимах разрешения экрана, гарантируемых нормативной документацией на конкретный тип дисплея и не менее 60 Гц для дисплеев на плоских дискретных экранах (жидкокристаллических, плазменных и т.п.).

Конструкция ПЭВМ должна обеспечивать возможность поворота корпуса в горизонтальной и вертикальной плоскости с фиксацией в заданном положении для обеспечения фронтального наблюдения экрана ВДТ. Дизайн ПЭВМ должен предусматривать окраску корпуса в спокойные мягкие тона с диффузным рассеиванием света. Корпус ПЭВМ, клавиатура и другие блоки и устройства ПЭВМ должны иметь матовую поверхность с коэффициентом отражения 0,4 - 0,6 и не иметь блестящих деталей, способных создавать блики.

Конструкция ВДТ должна предусматривать регулирование яркости и контрастности.

Предельно допустимые значения визуальных параметров ВДТ, контролируемые на рабочих местах, представлены в таблице 4.5.

Таблица 4.5- Визуальные параметры ВДТ, контролируемые на рабочих местах

Параметры

Допустимые значения

Яркость белого поля, кд/кв.м

Не менее 35

Неравномерность яркости рабочего поля, %

Не более ±20

Контрастность (для монохромного режима)

Не менее 3:1

Временная нестабильность изображения (мелькания)

Не должна фиксироваться

Пространственная нестабильность изображения (дрожание)

Не более 2 х 10(-4L), где L - проектное расстояние наблюдения, мм



5. Технико-экономическое обоснование дипломного проектирования

В данном дипломном проекте разрабатывается расчет затрат на создание лабораторного стенда

.1 Трудозатраты

Представим организацию выполнения научно-исследовательской работы в виде таблицы 5.1. В этой таблице представлены наименования этапов разработки, трудоемкость и исполнители разработки.

В разработке проекта участвуют : руководитель проекта, инженер по реализации проекта, консультант по нормоконтролю, руководитель по БЖД, руководитель по экономике.

Определяем оклады руководителю, консультанту и инженеру. Считая, что в месяце 24 рабочих дня, определяем дневной заработок, а также трудоемкость. Месячный оклад руководителя составляет 16800 рублей, инженера - 7800 рублей, в соответствии с действующими в ОмГУПС ставками оплаты труда для научно-исследовательские части.

Результаты расчета приведены в таблице 5.2.

Таблица 5.1- Организация выполнения научно-исследовательской работы

Наименование этапов

Исполнители

Трудоемкость чел*дн

Постановка задачи

руководитель

1

Обзор научно-технической литературы

инженер

5

Подбор теоретических сведений

инженер

5

Подбор приборов

инженер

1

Работа с приборам и проведение тестовых измерений

инженер

2

Консультации по специальной части

руководитель

5

Консультации по БЖД

консультант

2

Консультация по экономике

консультант

2

Проведение нормоконтроля

консультант

2

Сдача работы

руководитель

1

всего


26


.2 Смета затрат

Фонд оплаты труда (ФОТ) определяется суммой основной заработной платы (ОЗП) и дополнительной заработной платы (ДЗП).

Таблица 5.2- Расчет оплаты труда исполнителей

Исполнители

Дневной заработок, р.

Участие, дни

Заработная плата, р.

Руководитель

700

7

4900

Инженер

600

13

7800

Консультант по экономике

500

2

1000

Консультант по БЖД

500

2

1000

Консультант по нормоконтролю

2

1000

Итого


26

15700


Районный коэффициент составляет 15% от основной заработной платы.

Дополнительная заработная плата рассчитывается по формуле

ДЗП=(ОСН+РК)*(tотп/(251-tотп))*100%, (5.1)

где tотп - это количество дней отпуска;

РК- районный коэффициент, р.;

ОСН- основная заработная плата, р.

ДЗП=(15700+2355)*(28/(251-28))*100%=2274,93 р.

Фонд оплаты труда рассчитывается по формуле

ФОТ=ОЗП+ДЗП, (5.2)

где ОЗП- основная заработная плата, р.

ФОТ=15700+2274,93=17974,93 р.

Отчисления единого социального налога определяется в размере 26.2% от фонда оплаты труда, рассчитывается по формуле

ЕСН=0.262*ФОТ. (5.3)

ЕСН=0.262*20410=4709,43 р.

Затраты на электроэнергию определяются по формуле

СЭ=W*T*S*КИМ, (5.4)

где W - мощность всех приборов, Вт;

Т - фонд времени работы прибора, час;- стоимость киловатт-часа электроэнергии;

КИМ - коэффициент использования мощности.

Результаты расчета затрат на электроэнергию сведены в таблицу 5.3.

Таблица 5.3- Затраты на электроэнергию.

Оборудование

Потребляемая мощность, кВт

Фонд времени, час

Расход электроэнергии, кВт/час

Затраты на электроэнергию, р.

Прибор “Кобра”

0.015

50

0.75

1.55

Телефонный аппарат Panasonic KX-TS2356

0.001

50

0.05

0.10

Итого




1.65


СЭ=0,016*50*2,06*0.9=1,48 р.

.3 Расчет стоимости специального оборудования и его амортизации

В процессе создания лабораторного макета были использованы:

выжигатель телефонных закладных устройств “Кобра” ;

телефонный аппарат Panasonic KX-TS2356 ;

розетка телефонная, настенная, 2 порта RJ-12;

закладное устройство.

На проведение экспериментальных работ выделено 20 дней или 0.055 года. Результаты работы сведены в таблицу 5.4. Норма амортизации составляет 8%

Таблица 5.4- Амортизационные отчисления

Наименование оборудования

Цена за единицу, рублей

Время использов, года

Норма аморт., %

Год. сумма аморт. рублей

Аморт. отчисления, рублей

Прибор “Кобра”

11840

0.055

8

947,2

52.09

Телефонный аппарат Panasonic KX-TS2356

1100

0.055

8

88

4.84

Телефонная розетка

12

0.055

8

0.96

0.05

Закладное устройство

10

0,055

8

0.08

0.04

Итого





57.02


Общая сумма всех затрат рассчитывается по формуле

Зобщ=ФОТ+Зсп.об+СЭ+ЕСН, (5.5)

где Зсп.об - затраты на специальное оборудование, р.

Зобщ=17974,93+57,02+1,49+4709,43=22742,87 р.

Накладные расходы рассчитывается по формуле

Зн=Зобщ*12,37%. (5.6)

Зн=22742,87 *12,37%=2813,29 р.

Полная себестоимость рассчитывается по формуле

S=Зобщ+Зн . (5.7)

=Зобщ+Зн=22742,87+2813,29=25566,16 р.

Полученные результаты расчета основных технико-экономических показателей разработки сводим в таблицу 5.5.

.4 Расчет цены реализации разработки

Определим лимитную цену разработки по формуле:

Цл=S+П, (5.8)

где П - прибыль предприятия, р.

Прибыль предприятия рассчитывается по формуле

П=0.4*S. (5.9)

Цл=25566,16+25566,16*0,4=35792,62 р.

Цена реализации разработки рассчитывается по формуле

Цр=Цл+НДС,(5.10)

где НДС - налог на добавленную стоимость.

Цр=35792,62+0,18*35792,62=42235,29 р.

Таблица 5.5- Себестоимость затрат

Статьи затрат

Сумма, рублей

Основная заработная плата

15700

Дополнительная заработная плата

2274,93

Фонд оплаты труда

17974,93

Отчисления единого социального налога

4709,43

Амортизационные отчисления

57,02

Затраты на электроэнергию

1,66

Накладные расходы

2813,29

 

Всего затрат

25566,16

 

Лимитная цена

35792,62

 

Цена разработки

42235,29


Заключение

Диплом содержит пояснительную записку, источники литературы, иллюстрации, таблицы и приложения. Материалы дипломного проекта выполнены с соблюдениями ГОСТов и стандартов.

Самый распространенный способ несанкционированного перехвата информации - это прослушивание телефонных переговоров, так как телефонная линия является самым наиболее удобным и при этом самым незащищенным источником связи между людьми. Поэтому защита конфиденциальных данных, передаваемых по каналам телефонных линий, является актуальной задачей.

В процессе выполнения дипломного проекта по теме "Проектирование лабораторного проекта по защите телефонных линий от прослушивающих устройств” были рассмотрены возможные каналы утечки речевой (акустической) информации.

Был произведен обзор методов несанкционированного доступа к телефонной линии, возможные варианты подключения закладных устройств. Так же показана необходимость применения современных способов и аппаратуры, используемых при защите. Проведен анализ способов защиты линии передачи, обзор нескольких видов аппаратуры защиты телефонных линий. Для защиты телефонных линий от закладных устройств был использован прибор “Кобра”, выжигающий входные каскадные электронные устройства, гальванически подключенные в линию связи.

Было представлено обеспечение безопасности труда при выполнении экспериментальных исследований.

Произведен расчет стоимости специального оборудования, его амортизации. Подсчитано отчисление единого социального налога (ЕСН).

Библиографический список

1 Хорев, А. А. Техническая защита информации: учеб. пособие для студентов вузов. В3 т. Т.1. Технические каналы утечки информации / А. А. Хореев. М.: НПЦ "Аналитика", 2008. 436с.

Подавитель телефонных закладок ПТЗ-003 "Прокруст". Руководство пользователя. М.: Нелк, 1996.- 12 с.

Специальная техника: Каталог. - М.: НПО “Защита информации”, 1998. - 32 с.

Устройство защиты телефонных "Барьер- М1". Инструкция по эксплуатации. - М.: ТОО "Энсанос", 1998. - 4 с.

Специальная техника защиты и контроля информации: Каталог. - М.: Маском, 1998.- 44 с.

Технические системы защиты информации: Каталог. - М.: АОЗТ “Нелк”, 1998. - 56 с.

Клочкова, Е. А. Охрана труда на железнодорожном транспорте: учебник для техникумов и колледжей ж.-д. транспорта./ Е. А. Клочкова. М.: ГОУ “Учебно-методический центр по образованию на железнодорожном транспорте”, 2008. - 502с.

Кузнецов, К. Б. Безопасность жизнедеятельности. Ч.1. Безопасность жизнедеятельности на железнодорожном транспорте: учебник для вузов ж.-д. транспорта / К. Б. Кузнецов, В. К. Васин, В. И. Купаев, Е. Д. Чернов. М.: Маршрут, 2005. - 576с.

Кукин, П. П. Безопасность технологических процессов и производств: учеб. пособие для вузов / П. П. Кукин, В. Л. Лапин, Н. Л. Пономарев. М.: Высшая школа, 2004. - 319 с.

10 <http://www.rg.ru/Anons/arc_2003/0610/9.shtm>

<http://multitek.chat.ru/inform.htm>

<http://www.skrembler.ru/st6.html>

<http://cxem.net/radiomic/radiomic.php>

<http://www.xakep.ru/magazine/xs/041/062/1.asp>

СТП ОмГУПС-1.2-05. Стандарт предприятия. Работы студенческие учебные и выпускные квалификационные. Общие требования и правила оформления текстовых документов.

Курило В.А. Выполнение раздела «Безопасность и экологичность» в дипломных проектах: Методические указания для студентов электромеханических и теплоэнергетических специальностей / В.А. Курило, Л.Я. Уфимцева, Б.В. Мусаткина, О.В. Игнатов; Омский гос. ун-т путей сообщения. Омск, 2004. 35 с.

Похожие работы на - Проектирование лабораторного стенда по защите телефонных линий от прослушивающих устройств

 

Не нашли материал для своей работы?
Поможем написать уникальную работу
Без плагиата!
Без нейросетей!