Моделирование системы автогрузовых перевозок

  • Вид работы:
    Контрольная работа
  • Предмет:
    Информационное обеспечение, программирование
  • Язык:
    Русский
    ,
    Формат файла:
    MS Word
    327,07 Кб
  • Опубликовано:
    2013-10-28
Вы можете узнать стоимость помощи в написании студенческой работы.
Помощь в написании работы, которую точно примут!

Моделирование системы автогрузовых перевозок

Содержание

Задание

Концептуальная модель

Разработка библиотеки функциональных блоков

Функциональные основные блоки для построения модели автогрузовых перевозок

Вспомогательные функциональные блоки для построения основных функциональных блоков модели автогрузовых перевозок

Структурная модель системы

Разработка плана экспериментов

Результаты имитационных экспериментов

Расчет характеристик системы

Выводы

Приложение

Задание


Моделируемая система состоит из одного бульдозера, четырех самосвалов и двух механизированных погрузчиков. Бульдозер сгребает землю к погрузчикам. Для начала погрузки перед погрузчиками должны лежать хотя бы две кучи земли. Время, затрачиваемое бульдозером на подготовку фронта работ до начала погрузки, имеет распределение Эрланга и состоит из суммы двух экспоненциальных величин, каждая из которых имеет математическое ожидание, равное 4 (это соответствует эрланговскому распределению с математическим ожиданием 8 и дисперсией 32). Кроме наличия земли для начала погрузки требуются погрузчик и порожний самосвал. Время погрузки распределено экспоненциально с математическим ожиданием 14 мин для 1-го погрузчика и 12 мин для второго.

После того как самосвал загружен, он уезжает к месту разгрузки, разгружается и вновь возвращается на погрузку. Время нахождения самосвала в пути распределено нормально, причем в загруженном состоянии он тратит на дорогу в среднем 22 мин, а в порожнем - 18 мин. Среднеквадратичное отклонение в обоих случаях равно 3 мин. Время разгрузки распределено равномерно на интервале от 2 до 8 мин. После погрузки каждого самосвала погрузчик должен "отдыхать" в течение 5 мин, а затем вновь может приступать к погрузке. Работа системы анализируется в течение 8 ч, причем все операции, начавшиеся в конце этого периода, должны быть завершены до окончания имитационного прогона.

Цель моделирования - определить следующее:

.        Число обслуженных самосвалов погрузчиками

2.      Число выданных бульдозером куч

.        Длины очередей погрузчиков

.        Степень загрузки обслуживающих устройств

Концептуальная модель


Рассматриваемая система включает в себя следующие объекты:

1.      бульдозер - сгребает землю к погрузчикам;

2.      погрузчик - загружает в самосвал кучи земли, подготовленные бульдозером;

3.      самосвал - машина, которая отвозит землю от места загрузки, разгружается там и возвращается обратно;

4.      кучи - количество подготовленных к погрузке куч земли.

Объект

Атрибуты

Бульдозер

Время сгребания кучи земли - случайная величина, определяющая время, необходимое бульдозеру, чтобы сгрести кучу земли

Погрузчик

Признак занятости - отражает тот факт, что данный погрузчик сейчас загружает самосвал Время погрузки - случайная величина, распределенная экспоненциально с заданным математическим ожиданием

Кучи

Число пар куч - отражает то количество пар куч, которое сейчас доступно для погрузки

Самосвал

Признак занятости - отражает тот факт, что данный самосвал сейчас занят (загружается, едет на разгрузку или возвращается, "отдыхает") Время нахождения самосвала в пути в порожнем состоянии - случайная величина, определяющая время нахождения самосвала в пути Время нахождения самосвала в пути в загруженном состоянии - случайная величина, определяющая время нахождения самосвала в пути Время отдыха - время, которое самосвал отдыхает после очередного рейса



Разработка библиотеки функциональных блоков

 
Концептуальная модель системы


Функциональные основные блоки для построения модели автогрузовых перевозок


Наименование: Бульдозер.

Назначение: Создает (генерирует) поток событий с заданным распределением интервалов времени между ними. Используется для имитации подготовки куч бульдозером.

Изображение:

 

Описание входов: отсутствуют

Описание выходов:

·        Единственный выход представляет собой моменты времени, когда бульдозер сгребает очередные две кучи.

моделирование автогрузовая перевозка программный

Состояния элемента: Элемент может находиться либо в состоянии отсчета запланированного времени подготовки очередной кучи, либо в состоянии индикации этого события (генерация выходного импульса) и немедленного планирования времени следующего события.

События, на которые реагирует элемент: Элемент не реагирует на внешние события. Единственное внутренне событие, вызывающее его реакцию - наступление времени свершения очередного события (сгребание 2 куч).

Алгоритм функционирования: После отсчета блоком "задержка" заданного интервала времени, на выход подается импульс (сигнал о том, что появились две сгребенные кучи) и перезапускается генератор случайной величины, распределенной по эрланговскому закону распределения.

Блок-схема модели:

 

Параметры, устанавливаемые пользователем:

·        математическое ожидание распределения между временем сгребания 2 куч.

Окно установки параметров:


Наименование: Кучи.

Назначение: Предназначен для организации накопления куч.

Изображение:

 

Описание входов:

·        Поступающие заявки, то есть импульсы, генерируемые блоком "Бульдозер".

·        Погруженные кучи.

Описание выходов:

·        Число готовых пар куч, доступных в текущий момент времени.

Состояния элемента: Элемент находится в стационарном состоянии обработки поступающих импульсов (пар куч).

События, на которые реагирует элемент: Элемент реагирует на поступление новых пар куч.

Алгоритм функционирования: Поступающая пара куч (на первый вход подается сигнал 1) суммируется с текущим количеством куч за вычетом отгруженных куч (вход 2) и результат формируется на единственном выходе.

Блок-схема модели:

 

·        Нет.

Наименование: Самосвал.

Назначение: Перевозка земли от карьера к месту доставки.

Изображение:

 

Описание входов:

·        Сигнал загрузки от погрузчика.

Описание выходов:

·        Признак занятости.

·        Признак начала отъезда после загрузки.

Состояния элемента: Элемент может находиться либо в состоянии "свободен", когда самосвал может приступить к погрузке, либо в состоянии "занят", когда самосвал находится или на пути на разгрузку или возвращается на погрузку порожний.

События, на которые реагирует элемент: Элемент реагирует на сигнал начала загрузки от погрузчика.

Алгоритм функционирования: На вход (s) от погрузчика поступает сигнал на загрузку. Интегратор заявок со сбросом определяет, свободен ли самосвал. Если да, то на выход (-) поступает 1 от входа (s) - так вычитается пара куч из общего числа и на выход (busy) поступает 1, что показывает что самосвал занят. Если самосвал занят, то на выход (-) поступает 0 и текущий сигнал на загрузку от погрузчика переходит к следующему самосвалу.

Блок-схема модели:

 

Параметры, устанавливаемые пользователем:

·        Среднее время в дороге с грузом (математическое ожидание, отклонение).

·        Среднее время в дороге без груза (математическое ожидание, отклонение).

·        Время разгрузки (минимальное и максимальное значение).

Окно установки параметров:


Наименование: Погрузчик.

Назначение: Производит погрузку куч на самосвалы.

Изображение:

 

Описание входов:

·        Очередь куч на погрузку от бульдозера.

·        Сигнал разрешения на погрузку.

Описание выходов:

·        Признак занятости погрузчика.

·        Сигнал завершения погрузки.

·        Сигнал принятия на погрузку очередных двух куч.

Состояния элемента: Элемент может находиться в трех состояниях. Погрузчик может заниматься погрузкой, отдыхать после погрузки или быть в состоянии "готов к погрузке".

События, на которые реагирует элемент: Элемент реагирует на сигнал "разрешение погрузки" (первый вход) и на изменение состояния количества куч для погрузки (второй вход).

Алгоритм функционирования: Погрузчик начнет работу при соблюдении 3 условий: он свободен, в наличии свободные кучи для погрузки и есть свободный самосвал для погрузки. Генератор времени погрузки "Время" и задержка отвечают за обеспечение эмуляции времени работы. После погрузки погрузчик еще находится в состоянии "занят" в течении времени после погрузочного отдыха. После этого идет сброс интегратора и погрузчик переходит в состояние "свободен". Во время погрузки или в отдых на выход (b) подается сигнал "занят".

Блок-схема модели:

 

Параметры, устанавливаемые пользователем:

·        Среднее время погрузки в минутах

·        Время отдыха после погрузки

Окно установки параметров:


Вспомогательные функциональные блоки для построения основных функциональных блоков модели автогрузовых перевозок


Наименование: Задержка.

Назначение: Осуществляет задержку на заданный интервал времени.

Изображение:

 

Описание входов:

·        Отсчитываемый временной интервал.

·        Импульс, длиной в один шаг интегрирования, представляющий собой время (в единицах интегрирования модели), через которое необходимо выдать импульс.

Описание выходов:

·        Импульс, длиной в один шаг интегрирования, означающий, что заданный интервал времени истек.

Состояния элемента: Элемент находится в состоянии задержки на заданный интервал времени.

События, на которые реагирует элемент: Реагирует на поступление синхроимпульса.

Алгоритм функционирования: Осуществляется задержка до тех пор, пока значение непрерывного времени, прошедшего с поступления синхроимпульса не станет равной заданному временному интервалу. При достижении нуля интегратором, блок "Hit Crossing" выдает единичный выходной импульс (длительностью в один шаг интегрирования), который и символизирует об окончании отсчета временного интервала.

Блок-схема модели:

 

Параметры, устанавливаемые пользователем: нет.

Наименование: Интегратор заявок со сбросом.

Назначение: Интегрирование заявок и возможность сброса (обнуления).

Изображение:

 

Описание входов:

·        Интегрируемая заявка.

Описание выходов:

·        Результат интегрирования.

Состояния элемента: Элемент находится в состоянии запоминания предыдущего значения результата, либо в состоянии обнуления (пои ненулевом значении сигнала на втором входе).

События, на которые реагирует элемент: Входная величина, сигнал сброса.

Алгоритм функционирования: Значение на выходе элемента "Memory1" (задержка на один шаг интегрирования) складывается с текущим значением входной величины. Результат сложения на следующем шаге появляется на выходе. В случает ненулевой входной величины на втором входе, текущее значение интегратора умножается на ноль, тем самым сбрасывая (обнуляя) значение на выходе интегратора.

Блок-схема модели:

 

Параметры, устанавливаемые пользователем: нет.

Наименование: Интегратор заявок.

Назначение: Интегрирование заявок.

Изображение:

 

Описание входов:

·        Интегрируемая заявка.

Описание выходов:

·        Результат интегрирования.

Состояния элемента: Элемент находится в состоянии запоминания предыдущего значения результата.

События, на которые реагирует элемент: Входная величина.

Алгоритм функционирования: Значение на выходе элемента "Memory1" (задержка на один шаг интегрирования) складывается с текущим значением входной величины. Результат сложения на следующем шаге появляется на выходе.

Блок-схема модели:

 

Параметры, устанавливаемые пользователем: отсутствуют

 

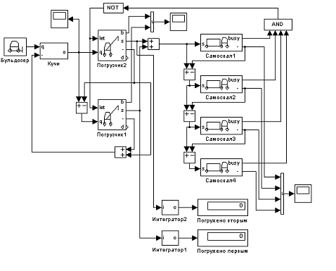
Структурная модель системы


Блок-схема модели


Описание модели

Модель работы автогрузовых перевозок состоит из "Бульдозеров", "Куч", "Погрузчиков" и "Самосвалов". Бульдозер начинает сгребать кучи земли. Они парами (т.к. загрузка осуществляется парами куч) встают в очередь. Далее из очереди погрузчики начинают грузить кучи на самосвалы. Погрузчики после этого отдыхают некоторое время. Самосвалы же после разгрузки возвращаются порожними и снова встают на разгрузку. Если погрузчик свободен, он готов к погрузке и ищет свободный самосвал. Он обращается к первому. Если он свободен, идет погрузка, иначе заявка переходит ко второму. Если свободных самосвалов нет, погрузчик ждет первого свободного.

Основные параметры, отслеживаемые в примере, является количество обслуженных самосвалов каждым погрузчиком.

 

Разработка плана экспериментов


Для получения интегральных характеристик системы (см. Задание), принимая во внимание широкое использование случайных величин, необходимо провести целый ряд экспериментов (имитационных прогонов) и усреднение результатов при параметрах модели, указанных в задании.

При проведении экспериментов будут установлены следующие параметры:

Время интегрирования (мин)

480 (8 часов)

Метод интегрирования

Dormand-Prince (ode45)

Шаг интегрирования

Variable, auto; 0.02 max

Число погрузчиков

2

Время погрузки первого погрузчика (мин)

14

Время погрузки первого погрузчика (мин)

12

Число самосвалов

4

Время на дорогу в загруженном состоянии (мин)

22

Время на дорогу в порожнем состоянии (мин)

18

Время отдыха погрузчика (мин)

5


В ходе имитации будут определены следующие измеряемые величины:

·        Количество генерируемых куч

·        Количество погруженных самосвалов первым погрузчиком

·        Количество погруженных самосвалов вторым погрузчиком

·        Простой погрузчиков

 

Результаты имитационных экспериментов


№ п/п

Погружено первым

Погружено вторым

1

22

19

2

20

18

3

26

21

4

16

5

20

17

 

Расчет характеристик системы


Графики процессов

Число куч


Выводы


В ходе курсовой работы была проанализирована и смоделирована в среде simulink работа системы автогрузовых перевозок. Были изучены и применены на практике приемы работы со средой моделирования и с программным комплексом Mat LAB в целом. Так же были рассчитаны заданные параметры системы.

Полученные результаты показывают, что совершенствование модели, нецелесообразно (по крайней мере на данном этапе), так как это не приведет к значительному экономическому эффекту от оптимизации.

Приложение

 
Подсистемы основных библиотечных блоков

Самосвал: Subsystem Подсистема для генерации нормально распределенных случайных величин. MATLAB Function: random ('norm', OR1 (1),DOR1 (2)) +random (""'norm', DOR2 (1),DOR2 (2)) +random ('unif', RAZ (1),RAZ (2))

Бульдозер: Subsystem Подсистема случайных величин, распределенных по эрланговскому закону распределения. MATLAB Function: random ('exp', AW) + random ('exp', AW)

 

Похожие работы на - Моделирование системы автогрузовых перевозок

 

Не нашли материал для своей работы?
Поможем написать уникальную работу
Без плагиата!
Без нейросетей!