Разработка мобильной транспортной платформы грузоподъемностью 100 килограмм
Введение
Увеличение цен на промышленные площади
способствует повышению плотности товаров в складском помещении, в связи с этим
требуются новые высокоманевренные погрузочно-транспортные устройства. Ранее для
этих целей успешно применялись машины с электрическим приводом и кинематической
схемой, включающей в себя четыре стандартных колеса. Основное их достоинство -
простота конструкции и отсутствие необходимости сложного интеллектуального
управления. Основной же их недостаток - низкая маневренность.
В данном дипломном проекте будет разработана
мобильная транспортная платформа грузоподъемностью 100 килограмм, которая
способна управляться оператором, а также имеет автономную систему принятия
решений.
1. Обзор кинематических схем
современных погрузчиков
.1 Классическая четырехколесная
схема
Классическая четырех колесная кинематическая
схема представлена на рисунке 1.1.
Рисунок 1.1 -Классическая кинематическая схема
робота погрузчика
Данная кинематическая схема лежит в основе
практически всех современных транспортных роботов на любом предприятии.
Ее основными достоинствами являются:
Простота и надежность конструкции
Простая система управления
Высокая нагрузочная способность
Хорошее сцепление с поверхностью
Высокая устойчивость статическая устойчивость
конструкции
Её основными недостатками являются:
Относительно большая величина внешнего радиуса
разворота
.2 Кинематическая схема с двумя
ведущими и одним пассивным колесом
Кинематическая схема с двумя ведущими и одним
пассивным колесом представлена на рисунке 1.2
Рисунок 1.2 - Кинематическая схема робота с
передним пассивным колесом
Данная кинематическая схема тоже весьма
распространена.Она сочетает в себе достоинства предыдущей схемы такие как
простота и надежность предыдущей конструкции и системы управления, однако у неё
более высокая маневренность,что обеспечивается за счет вращающегося переднего
колеса. Из недостатков стоит отметить пониженную,относительно предыдущей,
нагрузочную способность данной кинематической схемы,
1.3 Кинематическая схема с четырьмя
колесами фирмы KORNYLAK
На протяжении последних нескольких лет
наблюдается стабильный рост интереса научного сообщества к роликонесущим
колесам (Mecanum Wheels или Swedish Wheels). Отличием такого колеса от обычного
является наличие роликов, установленных по его периметру (рис. 1). При
определенном угле между ними и осью колеса можно получить дополнительную, по
сравнению с традиционным колесом, степень свободы.
Рисунок 1.3 - Роликонесущее колесо фирмы
KORNYLAK
Роликонесущие колеса были изобретены в 1973 году
в шведской компании Mecanum AB. С тех пор они привлекают внимание разработчиков
роботов во всем мире. Такой интерес связан прежде всего с возможностью
построения омниплатформ, т.е. платформ для мобильных роботов, способных
перемещаться по плоскости в любых направлениях в любой момент времени без
переориентации. Требование переориентации робота или его колес является одним
из признаков неголономных связей, что усложняет управление роботом. Большинство
работ по теме роликонесущих колес рассматривают частные случаи платформ с тремя
или четырьмя колесами имеющими конкретное значение угла γ.
Целью
данной работы является рассмотрение общего случая шасси с N роликонесущими
колесами
с постоянным (но произвольным) углом γ
и
вывод необходимых и достаточных условий относительного расположения колес,
которые бы гарантировали:
) отсутствие сингулярностей;
) возможность разделения сигнала управления на
линейную и угловую составляющие.
Такого рода информация позволит проводить
унифицированный кинематических анализ уже существующих трех- и четырехколесных
платформ, а также даст возможность спроектировать шестиколесную платформу для
передвижения по пересеченной местности, что является весьма востребованной
задачей.
Кинематическая схема платформы с четырьмя
роликонесущими колесами KORNYLAK представлена на рисунке 1.3
Рисунок 1.4 - Кинематическая схема с
использованием роликонесущих колес KORNYLAK
Основными её достоинствами являются
Высокая нагрузочная способность
Высокая статическая устойчивость
Наиболее высокая маневренность из всех
представленных
Основные недостатки заключаются в следующем
Сложная система управления решающая проблемы
голономности связи робота с грунтом
Относительно высокая стоимость роликонесущих
колес
2. Определение технических
требований разрабатываемой платформы
Разрабатываемая платформа должна удовлетворять
следующим техническим требованиям:
Грузоподъемность до 100 кг.
Максимальная скорость перемещения 5 м/с.
Ускорение 10 м/с2.
Угловая скорость 1 рад\с.
Время переходного процесса по скорости не более
0.05с.
Перерегулирование не более 20 %.
3. Расчетно-конструкторская часть
.1 Расчет приводных двигателей
В связи с ограниченным выбором приводных
двигателей, работающих в диапазоне питающего напряжения от 10 до 24 вольт
произведем ориентировочный расчет мотор-редуктора
Частота вращения выходного вала мотор-редуктора
,
Частота вращения в оборотах/мин
Для расчета требуемого момента примем
коэффициент силы трения для движения резинового колеса по грунтовке
Момент требующийся для каждого колеса определяем
как
Мощность мотор-редуктора не менее
Выбираем мотор-редуктор:LS-775PX
Напряжение питания 14.4вольт,
Скорость выходного вала 720об/мин
Номинальный крутящий момент 50 Н∙м
Тип редуктора Планетарный
4. Разработка Су
.1 Описание схемы преобразователя
напряжений
Для питания двигателей выберем следующую схему
Рисунок 4.1 - Схема принципиальная мостового
преобразователя
Эта схема обладает следующими преимуществами
Высокий КПД
Относительная дешевизна
Высокое быстродействие
Работа от источника постоянного напряжения
Недостатки
Необходимость формировать дополнительное
напряжение питания драйвера при помощи схемы вольтдобавки
4.2 Выбор методов управления ДПТ
Мост может управляться несколькими различными
методами. В большинстве случаев, период полезной работы для всех методов одинаков
и заключается в том, что мост подключает нагрузку к питанию, за счет чего
нагрузка выполняет полезную работу. Рассмотрим возможные методы управления
полумостом
4.2.1 Метод управления «Постоянная
амплитуда и знак»
Это простейший способ управления мостом. Во
время периода полезной работы (как и во всех остальных методах управления) один
транзистор верхнего плеча и противоположный транзистор нижнего плеча открыты,
остальные - закрыты. Ток мотора нарастает в течение этого периода от нуля до
максимального значения.
В течение периода холостого хода, транзистор
верхнего плеча остается открытым, а транзистор нижнего плеча закрывается. Ток
мотора продолжает течь через транзистор Q3 и диод D1. Он не может течь через
диод D2, поскольку прямой ток диода D2 противоположен току мотора (другими
словами, диод D2 в этом режиме никогда не будет проводить ток в прямом
направлении). Напряжение на выводах мотора в этом случае будет равно VF.
Напряжение на обмотках двигателя будет
или приблизительно Vg, если пренебречь Rm. Если
момент на валу мотора отсутствует, то приблизительно
Если вал застопорен, то Vg=0. В конечном счете,
изменение тока на индуктивной нагрузке пропорционально напряжению на ней
(U=L*dI/dt). В случае отсутствия нагрузки ток будет уменьшаться очень медленно,
в то время как в случае заблокированного ротора ток будет уменьшаться
приблизительно с той же скоростью, с какой он возрастал.
Как только ток упадет до нуля, диод D1 закроется
и напряжение генератора Vg установится на выводах мотора. Схема будет
продолжать находиться в этом состоянии до тех пор, пока не начнется следующий
цикл управления
Как можно видеть из этого пояснения, диод D1
проводит ток в течении периода холостого хода до тех пор, пока ток не упадет до
нуля. Он начинает проводить во время максимального тока. Предположив линейность
уменьшения тока (другими словами, пренебрегая резистивными компонентами схемы),
суммарная рассеиваемая энергия может быть вычислена по формуле:
где tcollapse - это время, за которое ток падает
до нуля, а tcycle - это продолжительность цикла управления или другими словами
сумма продолжительности периодов полезной работы и холостого хода.
Время, необходимое на уменьшение магнитного поля
в моторе, зависит в основном от напряжения, выдаваемого мотором-индуктором. Так
как,это напряжение равно Vg, которое к тому же может быть равно нулю, время
уменьшения тока может быть весьма большим. Это означает, что диод проводит ток
значительную часть цикла управления, а значит, рассеиваемая на диоде энергия
весьма значительна, что может быть опасно для устройства. Если у вас именно
такой случай, лучше применить другой способ управления, где нагрузка на диод
будет меньше.
Есть еще один вариант этого режима управления
мостом, когда вместо транзистора Q3 открытым на протяжении всего цикла остается
транзистор Q2. Это приводит к тому, что диод D4 становится проводящим элементом
для тока. Время затухания, как и остальные параметры, в этом случае аналогичны.
В целом, это хорошая идея - переключать
транзистор верхнего плеча настолько редко, насколько это возможно, так как
переходные процессы в нем медленны, а значит, потери на переключение
значительны. В этой связи первый вариант управления мостом предпочтительнее.
Несмотря на это, если управляющая частота достаточно низка, чтобы потери на
переключение не являлись проблемой, имеется возможность уменьшить рассеивание
энергии на диоде путем поочередного использования этих двух вариантов метода
управления мостом, т.е. открытым в период холостого хода будет оставаться
поочередно то транзистор Q2, то транзистор Q3. Эта хитрость позволяет уменьшить
рассеиваемое тепло на диоде вдвое, поскольку та же энергия будет рассеиваться
поочередно на диодах D1 и D4, что позволяет диодам функционировать в штатном
режиме. В любом случае, при таком способе управления мостом могут
коммутироваться гораздо большие средние и пиковые токи при условии, конечно,
что диоды являются ограничивающим фактором.
4.2.2 Метод симметричного управления
ключами
Этот в значительной мере популярный метод
удаляет практически полностью нагрузку с ограничительных диодов. Этот режим
характерен тем, что мотор в период холостого хода включается в обратной
полярности. То есть в течении периода полезной работы открыты транзисторы Q2 и
Q3, а в период холостого хода - Q1 и Q4. При этом диоды никогда не проводят ток
за исключением короткого периода переключения транзисторов.
В течении периода холостого хода напряжение на
обмотках мотора равно
=Vbat+Vg
что значительно выше, чем в предыдущих методах.
Это приводит к значительно более быстрому уменьшению магнитного поля. Проблема
данного метода в том, что ток уменьшается до нуля, после чего продолжает
уменьшаться (становится отрицательным). В этот момент двигатель старается
вращаться в обратном направлении, что не вполне правильно. Еще одна
отличительная черта данного метода, что напряжение генератора Vg никогда не
устанавливается на выводах мотора. Это не проблема для большинства традиционных
схем, однако, если применяется метод контроля скорости по противо-ЭДС, этот
метод управления мостом применяться не может.
4.2.3 Метод активного уменьшения
поля (Active field-collapse drive)
Это вариация предыдущего метода: в течении
периода холостого хода мотор подключается в обратной полярности, что позволяет
очень быстро уменьшить остаточное поле, при этом току не позволяется
значительно уйти в отрицательную область.
Работает данный метод следующим образом. Период
полезной работы традиционен (открыты транзисторы Q2 и Q3). В период холостого
хода оба этих транзистора закрываются, а открывается транзистор Q1. Это
приводит к тому, что диод D4 начинает проводить ток. На моторе, как и в
предыдущем случае, будет напряжение Vbat+Vg, поэтому остаточное поле уменьшается
интенсивно. Однако, как только ток падает до нуля, диод D4 закрывается и
напряжение генератора Vg появляется на выводах мотора. Однако и этот метод не
без проблем. Так как левый вывод мотора подключен к Vbat и мотор продолжает
вращаться «вперед», напряжение генератора Vg будет открывать диод D3. В
результате мотор будет короткозамкнут, и напряжение генератора вместо того,
чтобы быть на выводах мотора, будет появляться на внутренней обмотке. Это в
свою очередь снова вызовет генерацию тока через мотор, а значит, уменьшение
остаточного поля будет происходить значительно медленнее, чем в предыдущем
методе.
Нагрузка на диоде (в нашем случае это D4) не
нулевая, однако она все равно значительно меньше, чем в случае управления
знакопостоянной амплитудой, поскольку уменьшение остаточного поля происходит
значительно быстрее.
Однако, как и в предыдущем методе управления
мостом, напряжение генератора никогда не появляется на выходах мотора, поэтому
данный метод не подходит для случая контроля скорости по противо-ЭДС.
4.2.4 Модифицированный метод
активного уменьшения поля
Если имеется возможность замерить напряжение на
выводах мотора в схеме, то можно внести в вышеприведенный метод управления
некоторые изменения с целью увеличения его эффективности.
Когда ток мотора становится равным нулю,
напряжение на выводе мотора подскакивает от напряжения земли до Vbat+VF. Если
схема может отследить этот момент, отключить транзистор Q1 и включить
транзистор Q2, диод D3 никогда не откроется, Vg может быть обнаружен на выводах
мотора, а ток останется равным нулю. Этот метод управления убирает нагрузку с
диода D3, однако она наследует быстрое уменьшение остаточного поля от
предыдущего метода. Одной интересной характеристикой метода активного
уменьшения остаточного поля (обоих вариантов: и оригинального, и
модифицированного) является то, что во время затухания поля ток течет через
аккумуляторную батарею. Это означает, что во время периода выключения этот ток
заряжает батарею, возвращая часть потраченной энергии. В целом, это интересная
фишка, но необходимо удостовериться, что батарея в состоянии принять этот ток,
иначе Vbat может возрасти потенциально до опасных пределов. Если батарея не в
состоянии принять возвратный ток, необходимо поставить конденсатор большой
емкости на линию питания, чтобы сгладить увеличение напряжения. Точное значение
емкости данного конденсатора можно рассчитать исходя из значения возвратного
тока и максимального превышения напряжения питания батареи. Как правило,
емкость конденсатора чем больше - тем лучше. Естественно, аналогичная техника
может быть применена для нижнего плеча, используя транзистор Q4 и диод D1 для
возвратных токов. Также возможно попеременное использование методов управления
с транзисторами Q1 и Q4 для снижения нагрузки на диод в два раза путем ее
разделения на два диода.
4.2.5 Метод синхронного уменьшения
(Synchron collapse drive)
Если имеется возможность измерить ток
потребления мотора и точно определить, когда он пересекает ноль, появляется
возможность модифицировать метод управления «фиксированная противофаза»
несколько иным способом. В этом случае в течении периода холостого хода
транзисторы Q1 и Q4 проводят ток, но только до тех пор, пока остаточное поле не
уменьшится до нуля. В этот момент оба транзистора Q1 и Q4 закрываются, а взамен
открывается транзистор Q2 (или Q3). Это позволяет замерить напряжение
генератора Vg на выводах мотора, при этом ограничивающие диоды не нагружаются,
а ток равен нулю для всего периода холостого хода.
Поскольку диоды не используются, за исключением
короткого периода, когда переключаются транзисторы, рассеивание энергии на них
будет пренебрежимо мало. Однако данный метод управления требует весьма точного
определения момента перехода тока двигателя через ноль, что может быть сложно
реализуемо с приемлемой степенью надежности.
Проанализировав условия работы усилителя
мощности, выбираем метод симметричного управления.
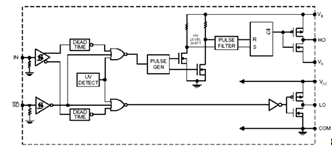
4.2.6 Выбор драйвера для управления
Н-мостом
Для управления H-мостом используем драйвер
полумоста ir2104
Отличительные особенности:
Управляющие каналы разработаны для нагруженного
функционирования
полностью работоспособны до +600В
Нечувствителен к отрицательным напряжениям при
переходных процессах
Стойкость к скорости нарастания напряжения
(dV/dt)
Диапазон напряжения питания драйверов 10…20В
Блокировка при снижении напряжения
В входная логика с триггерами Шмита
Логика предотвращения поперечной проводимости
Согласованная задержка распространения для обоих
каналов
Внутренне установленная пауза при переключении
каналов
Выход драйвера верхнего уровня в фазе со входом
Вход выключения прекращает работу обоих каналов
Напряжение смещения VOFFSET не более 600В
Имп.вых. ток к.з Iо± 130 мА/ 270 мА
Выходное напряжение драйверов VOUT 10 - 20В
Время вкл./выкл. 680/150 нс
Пауза 520 нс
Типовая схема включения:
Рисунок 4.2
Рисунок 4.3
Описание выводов:Логический вход управления
выходами драйверов верхнего и нижнего уровней, в фазе с HO
/SD Вход выключенияНапряжение питания ключей
верхнего уровняВыход драйвера верхнего уровняВозврат питания верхнего
уровняПитание драйверов нижнего уровня и логикиВыход драйвера нижнего
уровняВозврат питания нижнего уровня- драйвер высоковольтных, высокоскоростных
МОП-транзисторов или IGBT-транзисторов с зависимыми выходными каналами нижнего
и верхнего уровней. Собственная HVIC-технология и стойкая к защелкиванию
КМОП-технология позволили создать монолитную конструкцию.Логический вход
совместим с стандартными КМОП или LSTTL выходом. Выходы драйверов отличаются высоким
импульсным током буферного каскада, что выполнено для минимизации встречной
проводимости драйвера. Выходной канал может быть использован для управления
N-канальным силовым МОП-транзистором или IGBT-транзистором с напряжением
питания верхнего уровня 10…600В.
4.3 Расчет широтно-импульсного
преобразователя
.3.1 Исходные данные для расчета
Рассчитаем транзисторный ШИП для управления
двигателем постоянного тока ДПТ по цепи якоря в динамическом режиме.
Данные двигателя:
номинальное напряжение Uн = 14,4 В;
номинальная мощность Pн = 200 Вт;
номинальный ток якоря Iн = 18,64А;
номинальная частота вращения n =17622 об/мин;
момент инерции якоря двигателя Jдв = 0,0012
кГ·м2;
сопротивление якорной обмотки Rя = 0,11 Ом;
индуктивность якорной обмотки Lя = 4.3·10-4Гн.
Для получения линейных характеристик по каналу
управления примем для ШИП симметричный закон коммутации силовых ключей gо
= 0.5.
С учетом номинального напряжения Uн, потерь на
силовых ключах в режиме насыщения DUк и необходимости
20% -го запаса по напряжению, выбираем источника питания с напряжением
=1.2·UH+2·Uk,
где Uk - потеря напряжения на насыщенном силовом
ключе, Uk = 0,44В.
=1,2·18+2·0,44В=22,8 В.
Ток якоря двигателя в динамических режимах может
превышать Iн в 2,5¸4 раза, поэтому расчетный ток силового
транзисторного ключа принимаем.
Iтк = 4·Iн.тк= 4·10 = 40 А.
4.3.2 Выбор силовых
полупроводниковых элементов
Выбираем для транзисторного ключа [9] MOSFET
IRF1010N со следующими параметрами:
напряжение исток-сток, Uкт, В 55
сопротивление открытого каналаер, Rdson, мОм 11
максимальный ток канала, Ikmax, А 50
импульсный ток канала, Iки, А 290
время включения, tвкл, с 7,6·10-8
время выключения, tвыкл, с 4,8·10-8
мощность рассеяния на истоке, Ррк, Вт 180
тепловое сопротивление «переход-корпус», Rтеп, оС/Вт
0,85
Выбираем диод, шунтирующий MOSFET в соответствии
с [4,9], например, диод Д161-200 со следующими параметрами:
действующий ток, IVD, А 200,
пороговое напряжение, Uo, В 1,35,
динамическое сопротивление, RVD, Ом 0,002,
сопротивление при типовом охладителе и
естественном охлаждении, RVDT оС/Вт 0,55 максимальная температура структуры, Qpn,
oС 140.
.3.3 Определение оптимальной частоты
коммутации ШИП
Время включения и выключения силового ключа по
паспортным данным MOSFET транзистора принимают:+ = 0,07 мкс = 0,07. 10-6 с;- =
0,22 мкс = 0,22. 10-6 с;
Определяют оптимальную частоту коммутации ШИП:
,
где Kf = 0,332 для ШИП с
симметричным законом коммутации;
,
.
.
Принимаем частоту коммутации fk =
4000 Гц.
4.3.4 Определение постоянных и
базовых величин, необходимых для расчета электромагнитных нагрузок
энергетического канала
Конструктивная постоянная двигателя:
.
В·с/рад.
Базовая скорость:
.
рад/с.
Базовый ток:
.
А.
Базовый момент
Мб = Со·Iб.
Мб = 0,007·172 = 1,152 Н·м.
Учитывая, что ШИП с симметричным
управлением не искажает естественных механических характеристик двигателя,
определяем относительную продолжительность включения в номинальном режиме:
.
Относительная скорость в номинальном
режиме:
.
Относительная электромагнитная
постоянная времени:
,
где Т - период коммутации;
с.
На естественной механической
характеристике ДПТ для максимального тока двигателя в динамическом режиме
(Iмакс = 172 А) определяем частоту вращения
.
рад/с;
а также относительное значение этой
скорости
.
4.3.5 Среднее значение тока
двигателя
.
.
.
А.
4.3.6 Действующее значение тока
двигателя
,
где
;
.
4.3.7 Значение среднего тока
транзисторного ключа при максимальном токе двигателя составит
.
4.3.8 Значение действующего тока
транзисторного ключа определяют как

4.3.9 Среднее значение тока
шунтирующего диода
Значение действующего тока
шунтирующего диода
Потери энергии в силовом
транзисторном ключе определяют
где
Полученная величина потерь меньше допустимой
мощности рассеяния корпуса MOSFET транзисторов.
Определение потерь мощности в шунтирующем диоде
осуществляют по выражению (Uo=1.35 В пороговое напряжение; Qrr =0,002 Ом
динаическое сопротивление)
Рvd = Uo·Ivdcp+ Uпит·Qrr f.
Рvd = 1,3·25.58+18,6·230·10-9·4000=33,832 Вт.
Максимальная температура структуры диода
Максимальную температуру структуры диода
определяют из условии, что температура окружающей среды не превышает Qокр
= 50оС
Q’pn= Qокр+Pvd·RVDT.
Q’pn= 50+33.832·0,35 = 59,063 оС.
Так как Q’pn>[Qpn]
= 140 оС, то требуется дополнительное охлаждение диодов для обеспечения
соответствующих температурных режимов. В этом случае следует произвести
дополнительно расчет радиаторов, выбрать тип охладителя.
4.4 Расчет основных статических
параметров двигателя
.4.1 Сопротивление якорной цепи в
нагретом состоянии
где tном - температура двигателя в
номинальном режиме работы, tном = 80оС; tхол - температура двигателя в не
нагретом состоянии, tхол = 20оС; a
- температурный коэффициент сопротивления, для медной обмотки значение a принимается равным 0,004
[1/оС].
4.4.2 Жесткость естественной
механической характеристики
.
Н·м·с.,
где arctg(bе) = 2,810 - угол наклона
естественной механической характеристики к оси w.
.4.3 Скорость идеального холостого
хода для естественной механической характеристики
.
об/мин.
4.4.4 Момент короткого замыкания
определяют из выражения
Мкз = wо·bе.
Мкз = 21510·0,049 = 105,572 Н·м.
4.4.5 Ток короткого замыкания
.
А.
4.4.6 Построим естественные
электромеханическую и механическую характеристики ДПТ
Статическая электромеханическая характеристика
ДПТ:
.
Статическая механическая
характеристика ДПТ:
Рисунок 4.4 - Статическая
электромеханическая характеристика ДПТ
Рисунок 4.5 - Статическая
механическая характеристика ДПТ
4.5 Динамический расчет
электропривода
.5.1 Основные параметры передаточной
функции двигателя
Задаемся величиной максимального статического
тока= 2·Iн= 2·18,64= 37,28 А.
Эквивалентное сопротивление якорной цепи
яэкв = Rном+ Rtr.яэкв = 0,136+0,11 =0,246 Ом.
Механическая постоянная времени с учетом
приведенного момента инерции
,
где Nm - коэффициент, учитывающий
момент инерции механической части привода, Nm=2.
с.
Электромагнитную постоянную времени
можно определить
с.
Коэффициент усиления (передачи) двигателя
.
Передаточная функция двигателя
Относительная постоянная времени
.
Коэффициент демпфирования
.
.5.2 Коэффициент передачи ШИП
совместно с широтно-импульсным
модулятором при напряжении управления Uзт = 5 В составит
4.5.3 Определение постоянной времени
ШИП
Так как запаздывание на выходе ШИП в основном
определяется частотой коммутации равной fk = 4000 Гц, то в реальной САУ с
учетом параметров апериодического фильтра на входе ШИП, значение ТШИП
принимается равным 0,001 с.
4.5.4 Описание датчика скорости
В качестве системы слежения за скоростью
выходного вала будем использовать энкодер AS5045
Разрешение 4096 импульсов на оборот
Выходной синусно-косинусный интерфейс
Низкое энергопотребеление
Передаточная функция звена обратной связи
4.5.5 Анализ устойчивости контура
скорости
Передаточная функция разомкнутой
САУ:
Для анализа устойчивости
воспользуемся критерием Найквиста и построим АФЧХ разомкнутой системы, как
показано на рисунке 2.9.
Рисунок 4.6 - АФЧХ разомкнутой системы
Так как годограф АФЧХ W(j·W)
разомкнутой системы при изменении частоты от 0 до + ¥
не охватывает точку (-1; j0), то замкнутая система устойчива.
Построим ЛАЧХ и ЛФЧХ разомкнутой системы.
Рисунок 4.7 - ЛАЧХ и ЛФЧХ разомкнутой системы
Найдем частоту среза
где w - вспомогательная переменная,
w = 0,1…1000.
Запас устойчивости по фазе на
частоте среза
мин. запас - (30…40) гр.
Так как система управления нашего
робота цифровая-то для исследования этой системы управления преобразуем нашу передаточную
функцию к цифровому виду с помощью z-преобразования,интервал дискретизации
Т=0,00001 с
Построим её корневой годограф
Рисунок 4.8 - Корневой годограф
нескорректированной разомкнутой системы
В результате исследования корневого
годографа системы выяснилось, что система при замыкании контура обратной связи
будет неустойчива. Следовательно, нам необходимо построить Цифровой пид
регулятор.
Примем функцию регулятора в виде
Его коэффициенты получим построив
непрерывный регулятор для нашей системы с помощью диаграмм Боде.
Его z-преобразование
Для анализа устойчивости проанализируем корневой
годограф данной системы
График 4.9 - Корневой годограф скорректированной
цифровой системы
Исследуя полеченный годограф цифровой системы мы
делаем заключение, что система устойчива
Переходной процесс при воздействии единичного
ступенчатого сигнала изображен на рисунке 2,13.
Рисунок 4.10 - Переходной процесс в замкнутой
системе
Из рисунка 2.16 видно:
время переходного процесса кривой через линию
установившегося значения составляет 0,05 с и не превышает заданного значения в
сравнении с исходными данными для проектирования ([tпп] = 0,008 с),
ожидаемое значение перерегулирования составляет
19%.
4.6 Алгоритм работы СУ
.6.1 Описание системы управления в
статике
Система управления состоит из джойстика,
соединенного с микроконтроллером посредством интерфейса rs232, который в свою
очередь скоммутирован с усилителем мощности, который управляет двигателями.
Микроконтроллер связан с энкодерами, установленными на каждом колесе,
посредством синусно-косинусного интерфейса. К микроконтроллеру через АЦП
подключены оптические дальномеры,а также через каналы SPI и I2C 2 акселерометра
и гироскоп.
4.6.2 Описание в динамике
При подаче питания микроконтроллер настраивается
на обмен данными с джойстиком оператора. При получении значений скоростей
перемещения по координатам контроллер, через матрицу прямого преобразования
рассчитывает выходное значение скорости на каждое колесо, а также настраивается
на выдачу модулированных широтно-импульсной модуляцией сигналов на плату
усилителя мощности. При этом контроллер получает данные от синусно-косинусных
энкодеров, переводя скорость вращения каждого колеса в скорость локального
перемещения робота. Так как в реальных условиях существует проскальзывание
колес робота относительно поверхности, микроконтроллер также запрашивает данные
через интерфейс SPI от акселерометров, через канал I2C от гироскопов и
оцифровывает аналоговый сигнал от дальномеров. Обрабатывая эти данные
совместно, микроконтроллер рассчитывает перемещение в глобальных координатах.
4.7 Описание компонентов
информационной подсистемы робота
Система управления роботом должна обеспечивать
требуемые параметры скорости перемещения робота при минимальной цене.
Информационная подсистема робота состоит из
микроконтроллера, реализующего получение данных с устройства оператора и
преобразование этих данных в управляющие воздействия.
Для обеспечения высоких выходных характеристик в
качестве центрального микроконтроллера будет использоваться микропроцессор
stm32f407 включающий в себя блок умножения с накоплением для расчета выходных
воздействий на приводную систему.
Также необходимо использовать преобразователь
мощности выполненный H-мост
Микроконтроллер STM32f407
Ядро 32-битный ARM процессор «Cortex™-M4»
Частота ядра 168Мгц, все инструкции выполняются
за 1-2 такта.
МБ flash и 192 КБайта SRAM.
сопроцессор чисел с плавающей точкой.
таймеров
линий ввода-вывода
Высокоскоростной usb (скорость 480мбит/с).
Контроллер LCD и DDR памяти.
Три АЦП 2,4 со скоростью МСеэмпла/с
5. Безопасность и экологичность
проекта
.1 Характеристика мехатронной
системы в соответствии с нормативными требованиями производственной
безопасности
Мобильный робот предназначен для транспортировки
грузов массой до 100 килограмм. В комплект поставки мобильной системы входит
стойка для автоматической подзарядки аккумуляторных батарей и мобильная
платформа робота.
Опасные и вредные производственные факторы
воздействуют на работающих при эксплуатации общепромышленного оборудования
(подъемно-транспортных машин и механизмов, электрооборудования, сосудов,
работающих под давлением и других). Мероприятия по охране труда при
обслуживании общепромышленного оборудования частично изложены в отраслевой и
специальной нормативной литературе.
Применительно к конструкции объекта можно
выделить следующие ОВПФ:
высокий уровень шума, вследствие работы
электродвигателей мобильной платформы;
необходимость достаточного освещения, для работы
оператора мобильной платформы;
механические колебания - вибрации;
получение электротравм;
опасность нахождения в помещении “посторонних”
объектов во время работы робота;
5.2 Обеспечение безопасных условий
эксплуатации мехатронной системы
Основная цель мероприятий по охране труда -
предотвращение чрезвычайных и опасных ситуаций, травматизма и профессиональных
заболеваний персонала.
Система безопасности робота способна
обеспечивать точные перемещения робота, экстренные остановки, а также
интеллектуально производить оценку и принимать решение о предотвращении
нетипичных ситуаций, все это обеспечивается за счет программы управления
Реализация данного проекта, позволяет обеспечить
безопасность жизни людей при эксплуатации, а также предотвратить аварийные
ситуации на производстве. Вероятности разрушения, деформации конструкций, или
оснований сведена к минимуму.
Помещения без повышенной опасности - это сухие,
беспыльные помещения с нормальной температурой воздуха и с изолирующими
(например, деревянными) полами.
Повышение электробезопасности в установке заряда
батарей достигается применением систем защитного заземления (в сетях с
изолированной нейтралью), защитного отключения и других средств и методов
защиты, в том числе знаков безопасности и предупредительных плакатов и
надписей.
При опасности прикосновения к токоведущим частям
электроустановок обходимо применить следующие мероприятия:
надежная изоляция проводов от земли и корпусов
электроустановок, дающая безопасные условия для обслуживания персонала;
сплошные или сетчатые ограждения, для
обеспечения недоступности токоведущих частей оборудования и электрических
сетей;
применить блокировку в электроустановках
напряжением свыше 250В.
Повышение электробезопасности достигается путем
применения изолирующих, ограждающих, предохранительных и сигнализирующих
средств защиты.
Микроклимат производственных помещений -
метеорологические условия внутренней среды этих помещений, которые определяются
действующими на организм человека сочетаниями температуры, влажности скорости
движения воздуха, а также температурой поверхностей, ограждающих конструкций,
технолоческого оборудования и теплового облучения (таблица 5.1).
Таблица 5.1- Оптимальные величины
показателей микроклимата на рабочих местах производственных помещений
|
Период
года
|
Категория
работ по уровням энергозатрат, Вт
|
Температура
воздуха, °C
|
Температура
поверхностей °C
|
Относительная
влажность воздуха, %
|
Скорость
движения воздуха, м/с
|
|
Холодный
|
Iа
(до 139)
|
22
- 24
|
21
- 25
|
60
- 40
|
0,1
|
|
Iб
(140 - 174)
|
21
- 23
|
20
- 24
|
60
- 40
|
0,1
|
|
IIа
(175 - 232)
|
19
- 21
|
18
- 22
|
60
- 40
|
0,2
|
|
IIб
(233 - 290)
|
17
- 19
|
16
- 20
|
60
- 40
|
0,2
|
|
III
(более 290)
|
16
- 18
|
15
- 19
|
60
- 40
|
0,3
|
|
Теплый
|
Iа
(до 139)
|
23
- 25
|
22
- 26
|
60
- 40
|
0,1
|
|
Iб
(140 - 174)
|
22
- 24
|
21
- 25
|
60
- 40
|
0,1
|
|
IIа
(175 - 232)
|
20
- 22
|
19
- 23
|
60
- 40
|
0,2
|
|
IIб
(233 - 290)
|
19
- 21
|
18
- 22
|
60
- 40
|
0,2
|
|
III
(более 290)
|
18
- 20
|
17
- 21
|
60
- 40
|
0,3
|
Гигиенические требования к микроклимату
производственных помещений, характеризующими микроклимат являются:
температура воздуха;
температура поверхностей (учитывается
температура поверхностей ограждающих конструкций (стены, потолок, пол),
устройств (экраны и т.п.), а также технологического оборудования или
ограждающих его устройств);
относительная влажность воздуха;
скорость движения воздуха;
интенсивность теплового облучения.
Для выполнения санитарно-эпидемиологических
требований в проектной документации предусмотрено:
учет данных о фоновом уровне физических
воздействий, создающих угрозу жизни и здоровью людей;
соблюдение требований действующего
законодательства РФ к санитарно защитным зонам и разрывам;
система вентиляции и кондиционирования воздуха
обеспечивает подачу в помещения воздуха с содержанием вредных веществ, не
превышающим предельно допустимых концентраций для рабочей зоны производственных
помещений.
5.3 Электробезопасность
погрузчик напряжение двигатель
В связи с тем, что для приводов мобильного
робота используются электродвигатели с питанием батарей, которые требуют зарядки,
в случае аварии оборудования, обслуживающий персонал может подвергнуться
воздействию электрического тока. Для того чтобы избежать возможности поражения
оператора и обслуживающего персонала электрическим током, предусмотрен контур
защитного заземления, расчет которого приводится ниже.
Защитное заземление - преднамеренное
электрическое соединение с землей или ее эквивалентом металлических
нетоковедущих частей, которые могут оказаться под напряжением вследствие
замыкания на корпус и по другим причинам (индуктивное влияние соседних
токоведущих частей, вынос потенциалов, разряд молнии, наведение статического
электричества и другие).
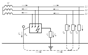
Принцип действия защитного заземления можно
уяснить на примере схемы питания электроустановки на рисунке 6.1. Человек,
касаясь корпуса электроустановки, на которой произошел пробой изоляции,
оказывается под защитой сопротивления заземления r3, которое включено
параллельно Rч. Так как Rч. >> r3, то ток короткого замыкания протекает
по пути наименьшего сопротивления, то есть через заземлитель и ток Iчел
<< Iзаз.
Рисунок 5.2 - Схема сети с защитным заземлением
электроустановки
В заземляющее устройство входит заземлитель
(металлический проводник или группа проводников, находящихся в непосредственном
соприкосновении с грунтом), и заземляющие проводники, соединяющие заземляемые
части электроустановки с заземлителем.
В зависимости от расположения заземлителей по
отношению к заземляемому оборудованию заземления бывают выносные
(сосредоточенные) и контурные. Заземлители выносных заземлений располагают
сосредоточенно на расстоянии свыше 20 м от заземляемого оборудования, то есть
вне зоны растекания тока замыкания на землю.
Заземлители контурного заземления располагают по
периметру и внутри площадки, на которой установлено заземляемое оборудование.
Все эти заземлители электрически соединены друг с другом.
5.3.1 Расчет заземления
Расчет производится в следующей
последовательности:
Прокладка углубленного заземления, в нашем
случае, не представляется возможной, так как оно прокладывается во время
строительства цеха. Горизонтальные заземлители, в условиях возможного
омасливания грунта вокруг здания завода или производственного помещения, могут
оказаться не эффективными. В связи с этим, выбираем вертикальные заземлители,
стержневые круглого сечения углубленные в землю и соединенные между собой
стальной полосой (рисунок 5.3).

Рисунок 5.3- Схема заземляющего контура
Для искусственного заземлителя примем стальной
стержень диаметром dст = 12 мм и длиной lст = 2 м; полоса стальная шириной bп
=20 мм и длиной lп = 15 м.
Расстояние между одиночными вертикальными
заземлителями a = 1,5 м, глубина заложения t0 = 0,5 м.
Электроды расположены в ряд. Для зоны Ростовской
области грунт - чернозем. Поэтому удельное сопротивление грунта ρчерн
= 30 Ом м; климатический коэффициент ψ = 1,32 (средняя
влажность).
Определим величину расчетного удельного
сопротивления грунта
. (
Рассчитаем сопротивление растеканию
тока одиночного заземлителя Rст
Где
lcn = 200 см - длина стержня;ст = 12 мм;т - глубина заложения, см
. (6.3)
.
Ориентировочное
число заземлителей
.
По
ориентировочному числу заземлителей определим коэффициент использования
вертикальных заземлителей ηв=0,69.
Уточним их количество
.
Определим сопротивление
соединительной полосы
.
.
Определим общее сопротивление
защитного заземления
.
Полученное сопротивление меньше
допустимого (4 Ом) - заземление будет выполнять полностью свою задачу.
Однако расхождение между общим и
допустимым сопротивлением заземления составляет ≈ 30 %, а это не
желательно. Поэтому для уменьшения разницы примем количество заземлителей n = 6
шт. тогда:
ηв = 0,05; ηп = 0,72;общ
= 3,22 Ом 3,22 < 4 Ом.
Расхождение 19,5% удовлетворяет
требованиям.
5.4 Расчет производственного
освещения
В качестве источника света предполагается использовать
люминесцентные лампы ЛБ. Перед лампами накаливания данный тип источника света
обладает рядом преимуществ, в частности более высоким сроком службы, малым
потреблением электроэнергии и высоким коэффициентом полезного действия (КПД).
Светильники устанавливаются на потолке, на
высоте 5 м над полом.
Искусственное освещение широко используют в
производственных помещениях складов, цехов, производственных и строительных
помещениях.
При проектировании осветительной установки
необходимо решить ряд технических задач: выберем тип источника света, систему
освещения, норму освещенности, тип светильника, способы освещения, схему
размещения светильников, рассчитаем освещенность в заданных точках, уточним
после этого размещение и число светильников, определим единичную мощность
светильников и ламп.
5.4.1 Расчет освещения методом
коэффициента использования светового потока
Коэффициент использования светового потока
светильника относительно данной плоскости представляет собой отношение
светового потока, упавшего на расчетную поверхность (как прямого, так и
отраженного), к световому потоку лампы. Величины коэффициента использования
зависит от размеров помещения, высоты подвеса потолка, от характера кривой
светораспределения и КПД светильника.
Размеры помещения:
А = 50м - длина;
В = 20 м - ширина;
Н = 5 м - высота.
Объект различения - темные поверхности.
Напряжение в сети U = 220 В.
Принимаем систему общего освещения. Разряд
зрительной работы - IV. Норма освещенности на рабочем месте для этого вида
составляет Енорм. = 200лк.
Для освещения помещения выбираем подвесные
светильники типа ПВЛ, применение которых допускается в любых производственных
помещениях. Учитывая возможность образования пыли в ходе различных
технологических операций, предусматриваем пыленепроницаемое исполнение
светильников.
В качестве источника света используем
люминесцентные лампы типа ЛБ. Их следует применить во всех случаях, когда нет
специальных условий, рекомендующих определенный тип ламп.
При высоте помещения H = 5 м и высоте расчетной
поверхности над полом 1 м, величина свеса светильника hc = 1,8 м. Тогда
расчетная величина подвеса h = 2,2 м и расстояние между рядами светильников
определяется как:
= 1,4*h, (6.9)= 1,4*2,2 = 3,08 м.
Принимаем расположение светильников по длине:
принимаем nдл = 17.По длине, следовательно,
число светильников 17.
Расположение светильников по ширине:
принимаем nш = 7.
Общее число светильников определяется:
= nдл * nш,
=
17*7 = 119 шт.
Так как мы используем светильники линейного
освещения, то расстояние между рядами светильников уменьшится.
Определим индекс помещения по формуле:
Коэффициенты отражения потолка, рабочих
поверхностей:
rп = 70%, rр =50%.
Для светильников типа ПВЛ с индексом помещения i
= 6,5 и выбранных значений rп, rр
коэффициент использования светового потока равен η = 64%.
Для производственных помещений с содержанием
пыли менее 1 кг/м³ при
освещении люминесцентными лампами выбираем коэффициент запаса Кз=1,5.
Определим расчетное значение светового потока
для создания нормированной освещенности на рабочих местах по формуле:
,
Где Ен = 200 лк - нормированное
значение минимальной освещенности;= 50*20 = 1000 м² - площадь
помещения;= 1,15 - поправочный коэффициент.
Подставляя численные значения
параметров в формулу светового потока, получим
=4530 лм.
В светильнике ПВЛ размещают по 2
лампы ЛБ, следовательно световой поток каждой лампы равен: 4530 / 2 = 2265 лм.
Выбираем лампу ЛБ мощностью 40 Вт со
световым потоком 3000 лм., которая соответствует расчетному значению светового
потока.
Производим проверочный расчет
освещенности по формуле:
,
где Nл - общее количество ламп
осветительной установки (Nл= N*n = 119*2 = 238).
Полученное значение освещенности
должно быть не менее Eн, определенного по СНиПу П-4-79 для данного разряда
длительной работы.
Данное условие выполняется, так как
E>Eн, то есть 264,91 лк>200 лк.
Общая мощность осветительной
установки рассчитывается по формуле:
Р0 = Kп *P * Nл,
где Kп = 1,25- коэффициент,
учитывающий потери;P = 40 Вт - мощность лампы.
Р0 = 1,25*40*238 = 11900 Вт = 11,9
кВт.
Для общего равномерного освещения
помещения площадью 1000 м²
необходимо
установить 119 светильника ПВЛ (по 2 лампы ЛБ в каждом; мощностью 40 Вт); общая
мощность осветительной установки 11,9 кВт.
5.5 Экологичность проекта
Работа в производственном цеху
сопряжена с образованием жидких и твердых отходов.
Жидкие отходы - бытовые отходы,
образующиеся в процессах влажной уборки помещений, при пользовании
водопроводом, туалетом и т.п., сбрасываются в городскую канализацию и далее
поступают в системы централизованной очистки на городских очистных сооружениях.
Твердые отходы: бытовой мусор
(отходы бумаги, отработанные специальные ткани для протирки офисного
оборудования и экранов мониторов, пищевые отходы); отработанные люминесцентные
лампы; офисная техника, комплектующие и запчасти, утратившие в результате износа
потребительские свойства.
Бытовой мусор после предварительной
сортировки складируют в специальные контейнеры для бытового мусора (затем
специализированные службы вывозят мусор на городскую свалку).
Утратившее потребительские свойства
офисное оборудование передают специальным службам (предприятиям) для
сортировки, вторичного использования или складирования на городских мусорных
полигонах.
Возможность экологичной утилизации,
переработки и повторного использования продукции после выработки эксплуатационного
срока. Рабочие жидкости должны быть утилизированы согласно инструкции по их
применению и утилизации, вышедшие из строя части, например двигатели, а также
переработанная проволока (электрод инструмент), могут быть восстановлены или
переработаны.
5.6 Чрезвычайные ситуации (ЧС)
Пожары представляют особую
опасность, так как сопряжены с большими материальными потерями. Пожар может
возникнуть при взаимодействии горючих веществ, окисления и источников
зажигания. В помещении лаборатории присутствуют все три основные фактора,
необходимые для возникновения пожара.
Требования к пожарной безопасности
устанавливает система стандартов безопасности труда.
Пожарная безопасность - состояние
объекта, при котором исключается возможность пожара, а в случае его возникновения
предотвращается воздействие на людей опасных факторов пожара и обеспечивается
защита материальных ценностей.
Пожарная безопасность обеспечивается
системой предотвращения пожара и системой пожарной защиты. Во всех служебных
помещениях: обязательно должен быть «План эвакуации людей при пожаре»,
регламентирующий действия персонала в случае возникновения очага возгорания и
указывающий места расположения пожарной техники.
Источниками зажигания в цехе могут
быть электронные приборы, применяемые для технического обслуживания, устройства
электропитания, кондиционирования воздуха, где в результате различных нарушений
образуются перегретые элементы, электрические искры и дуги, способные вызвать
загорания горючих материалов.
К средствам тушения пожара,
предназначенных для локализации небольших загораний, относятся пожарные стволы,
внутренние пожарные водопроводы, огнетушители, сухой песок, асбестовые одеяла и
так далее.
Для тушения пожаров на начальных
стадиях применяются - углекислотные огнетушители. Углекислотные огнетушители -
применяются главным образом в производственных помещениях. Основным
достоинством углекислотных огнетушителей является высокая эффективность тушения
пожара, сохранность электронного оборудования, диэлектрические свойства
углекислого газа, что позволяет использовать эти огнетушители даже в том
случае, когда не удается обесточить электроустановку сразу. Инструктаж о мерах
пожарной безопасности проводится со всеми вновь поступившими на предприятие для
работы на станке и вспомогательном оборудовании. Каждый рабочий должен четко
знать и выполнять установленные правила пожарной безопасности, не допускать
действий, могущих привести к пожару.
5.7 Заключение о БиЭП
С целью обеспечения безопасных и
комфортных условий труда персонала и защиты ОС выполнены: расчет заземления
нейтрали электросети; расчет искусственного освещения.
Рассмотрена возможность
возникновения ЧС, включая аварии в работе проектируемого объекта. Разработаны
мероприятия по предотвращению чрезвычайных ситуаций. В целом можно заключить,
что мехатронная мобильная система соответствует требованиям производственной и
экологической безопасности.
6. Концепция бизнеса мехатронной
системы
Для бизнеса предлагается мобильная
грузовая платформа способная автономно и вручную перевозить грузы до 100
килограмм. Данная система была спроектирована автоматизации и облегчения
погрузочно-разгрузочных работ на производстве. Система способна обеспечивать
точные перемещения мобильной платформы, экстренные остановки, а также
интеллектуально производить оценку нахождения “постороннего” объекта в рабочей
зоне и принимать решение о предотвращении нетипичных ситуаций. Все это
обеспечивается за счет системы управленияи внешних сенсоров. Данное устройство
может применяться в портах, производственных и торговых предприятиях, а также в
промышленности, где применение погрузочных платформ в цехах необходимо.
Целью бизнеса является получение
прибыли за счет создания конкурентоспособного товара. Целью настоящего
бизнес-плана является рассмотрение предлагаемого нововведения с позиции
маркетингового синтеза и принятие решения для стратегического планирования его
внедрения.
Цена данного мехатронного устройства
составляет 261661 руб., что является приемлемой ценой для крупных предприятий.
Данная система будет востребована как замена морально устаревшим системам с
меньшим уровнем автоматизации и меньшей маневренностью.
Для налаживания производства данной
мехатронной системы необходимы капиталовложения в размере 1736000 руб., которые
могут быть погашены в течение 6 месяцев. Достижение безубыточности возможно при
объеме производства и продаж не
менее 134 шт. за первый год производства.
6.1 Характеристика мехатронной
мобильной транспортной платформы
Ни одно крупное складское помещение или
производственный цех машиностроительного предприятия не обходится без подъемно-
транспортного оборудования. Мобильный погрузчик является одним из наиболее
простых, недорогих и эффективных типов техники для транспортировки грузов.
В настоящее время для обслуживания различных
сборочных площадок, цехов и складских помещений могут применяться погрузчики с
ручным и автоматическим управлением.
Безопасность при эксплуатации кран-балок
различной конструкции и грузоподъемности должна обеспечиваться выполнением всех
требований ПБ 10-382-00 «Правил устройства и безопасной эксплуатации
грузоподъемных устройств». Помимо этого в обязательном порядке при эксплуатации
кран-балок с электрическим приводом должны соблюдаться требования действующей
редакции «Правил устройства электроустановок».
В целом же безопасность персонала при работе с
мобильными погрузчиками обеспечивается рядом организационных и технических мер.
К организационным можно отнести нанесение предостерегающих надписей или
ограждение территории, на которой перемещаются грузы. Все электрические части крана
должны иметь соответствующую маркировку, предупреждающую о наличии опасного для
жизни человека напряжении. Перед началом работ с кран-балкой проводится
инструктаж по технике безопасности, а с площадки, где работает кран, удаляются
все посторонние лица.
Если говорить о технических мерах по обеспечению
безопасности работы с мобильным роботом, то, в первую очередь, стоит отметить
необходимость строгого соблюдения руководства по эксплуатации робота.
Предлагаемая система способна сделать сократить
сроки отводимые на транспортировку грузов,сделать их более безопасными.
Основные технические преимущества предлагаемого
устройства:
возможность использования устройства во всех
цехах заводов;
высокая маневренность и автономность;
обеспечение безопасности рабочих цеха;
способность системы интеллектуально принимать
решения о перемещениях груза или оператора.
Основные технические характеристики:
возможность удаленного управления системой;
работа системы в режиме реального времени;
масса устройства, кг 25.
В комплект поставки входят:
мобильная платформа 1 шт;
джойстик оператора 1 шт;
комплект батарей 1 шт;
руководство по эксплуатации 1 экз.
Для характеристики с позиций маркетинга
предлагаемого устройства, разработана маркетинговая модель (таблица 6.1).
Таблица 6.1 - Маркетинговая ориентация
|
По
замыслу Повышение маневренности и скорости перемещения складских погрузчиков;
|
|
В
реальном исполнении Мобильная мехатронная платформа; мехатронная система
управления движением подъемно- транспортного оборудования.
|
|
Область
применения все области промышленности; складские хозяйства; порты;
строительство; торговые предприятия.
|
|
Преимущества
у потребителей предотвращение аварийных ситуаций на заводе; автоматизация
работы системы; безопасное производство для рабочих; исключение несчастных
случаев; точность перемещений мобильного робота; интеллектуальная система,
автоматически принимающая решения.
|
|
Преимущества
у разработчика получение прибыли; возможность создания концептуально нового
устройства; внедрение устройства во многие сферы производства; охват новой
рыночной «ниши»; увеличение доли риска.
|
|
Сопровождение
ремонт оборудования; техническое обслуживание; перспектива расширения видов
погрузочно-транспортного оборудования.
|
|
Использование
информационных технологий применение Вейвлет преобразований при расчете
движения.
|
|
Конкуренты
различные производители классических погрузчиков; производители гексаподовых
погрузчиков.
|
6.2 Исследование и анализ рынка
Разработка и реализация мехатронных мобильных
платформ может быть применена на машиностроительном предприятии, а также
предприятиях других отраслей, имеющих погрузочно-разгрузочные цехаи и складские
помещения. Потенциальными потребителями могут быть крупные производственные
предприятия, порты, строительные площадки.
Данная мобильная мехатронная система является
модульной, т.е. при заказе данного устройства, система изготавливается
индивидуально для каждого подъемно- транспортного оборудования, и затем
интеллектуально адаптироваться к параметрам цеха. Также возможно по желанию
потребителя задавать свою допустимую зону отклонений работы устройства.
Таблица6.2 - Сегментация потенциальных
потребителей
|
Сегменты
рынка
|
Планируемые
объемы продаж по годам (шт.)
|
|
2013г.
|
2014г.
|
2015г.
|
|
1
кв
|
2
кв
|
3
кв
|
4
кв
|
1
п/г
|
2
п/г
|
|
|
Промышленные
предприятия:
|
2
|
2
|
4
|
5
|
10
|
14
|
30
|
|
-
г. Ростов-на-Дону
|
1
|
1
|
2
|
3
|
5
|
7
|
10
|
|
-
Ростовская область
|
1
|
1
|
2
|
2
|
5
|
7
|
20
|
|
Учебные
университеты:
|
3
|
12
|
20
|
20
|
45
|
50
|
100
|
|
-
г. Ростов-на-Дону
|
2
|
4
|
5
|
5
|
20
|
27
|
40
|
|
-Ростовская
область
|
1
|
8
|
15
|
15
|
25
|
23
|
60
|
|
Складские
хозяйства:
|
5
|
15
|
20
|
25
|
50
|
56
|
120
|
|
-
г. Ростов-на-Дону
|
3
|
7
|
8
|
8
|
20
|
26
|
|
-Ростовская
область
|
2
|
8
|
12
|
17
|
30
|
30
|
65
|
|
Итого
|
10
|
30
|
44
|
50
|
105
|
120
|
250
|
6.3 Производственный план
Процесс изготовления мехатронной системы
предотвращения аварийной ситуации включает в себя следующие этапы:
приобретение необходимых для проектирования
устройств и деталей;
разработка программной части проекта;
сборка устройства;
проверка работоспособности, устранение
неисправностей;
выпуск инструкции по эксплуатации;
упаковка.
6.3.1 Определение себестоимости и
цены мехатронной системы
Закупка комплектующих для производства
мехатронной системы будет производиться в фирмах г. Ростова-на-Дону,
занимающихся оптовой торговлей электронными элементами, или непосредственно на
предприятиях-производителях. Потребность в электронных элементах приведена
(таблица 6.3), потребность в комплектующих и материалах в расчете на одно
устройство (таблица 6.4), потребность во
вспомогательных материалах приведена (таблица 6.5), потребность в персонале и
средствах на оплату труда на производство одного устройства приведена
(таблица6.6).
Таблица 6.3 - Потребность в крепежных изделиях
|
Позиция
|
Наименование
|
Количество
|
Цена
за шт., руб.
|
Цена,
руб
|
|
1
|
Подшипник
80102 ГОСТ 7242-81
|
8
|
100
|
800
|
|
2
|
Кольцо
A15.65Г ГОСТ 13940-86
|
4
|
10
|
40
|
|
3
|
Шайба
4Л ГОСТ 6402-70
|
32
|
1,5
|
48
|
|
4
|
Болт
M4x16 ГОСТ 7805-70
|
32
|
1,75
|
56
|
|
5
|
Болт
M5x40 ГОСТ 7805-70
|
24
|
2
|
48
|
|
6
|
Шайба
5Л ГОСТ 6402-70
|
208
|
1,55
|
322,4
|
|
7
|
Гайка
M5 ГОСТ 5927-70
|
168
|
1,6
|
268,8
|
|
8
|
Винт
A.M3x30 ГОСТ 17473-80
|
50
|
1,52
|
76
|
|
9
|
Шайба
3Л ГОСТ 6402-70
|
50
|
1,4
|
70
|
|
10
|
Гайка
M3 ГОСТ 5927-70
|
50
|
1,5
|
75
|
|
11
|
Винт
M5x20 ГОСТ 11738-84
|
8
|
2,5
|
20
|
|
12
|
Винт
M5x14 ГОСТ 11738-84
|
56
|
2,4
|
134,4
|
|
13
|
Винт
M5x12 ГОСТ 11738-84
|
60
|
2,2
|
132
|
|
14
|
Винт
5x16 ГОСТ 10621-80
|
16
|
1,5
|
24
|
|
15
|
Винт
5x12 ГОСТ 10621-80
|
8
|
1,5
|
12
|
|
16
|
Винт
M5x50 ГОСТ 11738-84
|
28
|
3
|
84
|
|
17
|
Винт
M5x30 ГОСТ 11738-84
|
8
|
2,6
|
20,8
|
|
Итого
|
|
|
|
2231,4
|
Таблица 6.4 - Потребность в готовых изделиях
|
Позиция
|
Наименование
|
Количество
|
Цена
за шт., руб.
|
Цена,
руб
|
|
1
|
Колесо
6'' Mecanum Wheel Set (2x Left, 2x Right)
|
1
|
8910
|
8910
|
|
2
|
Петля
ленточная 240х15х15
|
1
|
100
|
100
|
|
3
|
Подложка
самоклеющаяся
|
16
|
2
|
32
|
|
4
|
Дистанционная
пластиковая втулка для плат
|
26
|
1
|
26
|
|
Итого
|
|
|
|
9068
|
Таблица 6.5 - Потребность в изделиях,
изготавливаемых на производстве
|
Позиция
|
Наименование
|
Количество
|
Цена
за шт., руб.
|
Цена,
руб
|
|
1
|
Фланец
тихоходного вала
|
4
|
800
|
3200
|
|
2
|
Корпус
подшипникового узла
|
4
|
1100
|
4400
|
|
3
|
Пластина
торцевая колесного узла
|
4
|
400
|
1600
|
|
4
|
Вал
тихоходный
|
4
|
650
|
2600
|
|
5
|
Втулка
дистанционная колесного узла
|
4
|
150
|
600
|
|
6
|
Рама
колесного узла
|
2
|
400
|
800
|
|
7
|
Вал
муфты
|
4
|
150
|
600
|
|
8
|
Полый
тихоходный вал
|
4
|
400
|
1600
|
|
9
|
Шпонка
призматическая 72х3х2,6
|
4
|
140
|
560
|
|
10
|
Фторопластовая
втулка дистанционна
|
4
|
50
|
200
|
|
11
|
Дистанционная
пластина
|
4
|
120
|
480
|
|
12
|
Пластина
горизонтальная колесного узла
|
4
|
200
|
800
|
|
13
|
Поперечная
труба каркаса
|
2
|
350
|
700
|
|
14
|
Уголок
каркасный несущий
|
8
|
40
|
320
|
|
15
|
Труба
А каркасная продольная
|
1
|
200
|
200
|
|
16
|
Труба
Б каркасная продольная
|
1
|
200
|
200
|
|
17
|
Нижняя
крышка
|
1
|
1200
|
1200
|
|
18
|
Верхня
крышка
|
1
|
4200
|
4200
|
|
19
|
Рама
А для защиты колес
|
2
|
230
|
460
|
|
20
|
Рама
Б для защиты колес
|
2
|
230
|
460
|
|
21
|
Уголок
упорной рамы
|
8
|
30
|
240
|
|
22
|
Труба
А упорная
|
2
|
40
|
80
|
|
23
|
Труба
Б упорная
|
1
|
50
|
50
|
|
24
|
Крышка
смотровая
|
1
|
550
|
550
|
|
25
|
Заглушка
пластиковая целендрическая
|
53
|
5
|
265
|
|
26
|
Корпус
аккомуляторного отсека
|
2
|
200
|
400
|
|
27
|
Упорная
пластина для аккомуляторов
|
2
|
60
|
120
|
|
28
|
Уголок
для датчика хола
|
4
|
30
|
120
|
|
Итого
|
|
|
|
27005
|
Таблица 6.6 - Потребность в вспомогательных
инструментах и расходных материалах
|
Позиция
|
Наименование
|
Количество
|
Цена
за шт., руб.
|
Цена,
руб
|
|
1
|
Набор
монтажных инструментов для сборки
|
1
|
3500
|
3500
|
|
2
|
Герметик
Atoselant
|
1
|
300
|
300
|
|
3
|
Цапон
лак красный
|
1
|
25
|
25
|
|
Итого
|
|
|
|
3825
|
Таблица 6.7 - Потребность в вспомогательных
инструментах и расходных материалах
|
Позиция
|
Наименование
|
Количество
|
Цена
|
Стоимость
|
|
1
|
Разъем
штырьевой 2
|
1
|
1
|
1
|
|
2
|
Разъем
штырьевой 4
|
1
|
3
|
3
|
|
3
|
Разъем
штырьевой 6
|
3
|
5
|
15
|
|
4
|
Конденсатор
электролитический 105CKE250M
|
2
|
5,79
|
11,58
|
|
5
|
Конденсатор
керамический C0603C823K5RACTU
|
4
|
8,7
|
34,8
|
Конденсатор
электролитический106CKE200M
|
2
|
10,5
|
21
|
|
7
|
Конденсатор
керамический 02016D104KAT2A
|
2
|
5,94
|
11,88
|
|
8
|
Операционный
усилитель NE5532P
|
3
|
26,1
|
78,3
|
|
9
|
Драйвер
ir2104
|
2
|
98,4
|
196,8
|
|
10
|
Логика
"или" 74AC11032D
|
1
|
83,7
|
83,7
|
|
11
|
Демультиплексор
74AC11138D
|
1
|
35,1
|
35,1
|
|
12
|
Резистор
CRCW0805300RFKEA
|
6
|
0,57
|
3,42
|
|
13
|
Резистор
ASC0805-10KFT5
|
3
|
0,57
|
1,71
|
|
14
|
Резистор
Y162410R0000C9R
|
4
|
0,57
|
2,28
|
|
15
|
Резистор
CRCW0805200RFKEA
|
4
|
0,57
|
2,28
|
|
16
|
Резистор
ERJ6BQF5R1V
|
4
|
9
|
36
|
|
17
|
Резистор
CPF0805B10KE1
|
1
|
9
|
9
|
|
18
|
Резистор
CRCW08054K70FKEA
|
2
|
21
|
42
|
|
19
|
Резистор
CRCW080512K00FKEA
|
1
|
0,57
|
0,57
|
|
20
|
Резистор
CRCW08052K0FKEA
|
2
|
0,57
|
1,14
|
|
21
|
Оптопара
ILD207
|
2
|
15,3
|
30,6
|
|
22
|
Диод
быстровосстанавливающийсяSR309
|
10
|
16,8
|
168
|
|
23
|
Ультрабыстрый
мощный диодSTTH30R06PI
|
4
|
132,3
|
529,2
|
|
24
|
Супрессор
P6KE18A
|
4
|
3,6
|
14,4
|
|
25
|
МДП
транзистор IRF1010EPBF
|
4
|
67,2
|
268,8
|
|
26
|
Биполярный
транзисторBC817
|
2
|
1,47
|
2,94
|
|
27
|
Биполярный
транзисторBC807
|
1
|
1,47
|
1,47
|
|
28
|
Итого
|
|
|
1605,97
|
Таблица 6.8 - Потребность в комплектующих
|
Позиция
|
Наименование
|
Количество
|
Цена
за шт., руб.
|
Цена,
руб
|
|
1
|
планетарный
Мотор-редуктор 14.4V, 720RPM 300Н*мм
|
3
|
3510
|
10530
|
|
2
|
Трехосевой
акселерометр
±1.5 / 6g Triple Axis Accelerometer Breakout Board (MMA7361L)
|
2
|
450
|
900
|
|
3
|
Литий-полимерная
батарея Venom 22C 4S 5000mAh 18,6V LiPO Battery
|
6
|
3780
|
22680
|
|
4
|
Дальномеры
Sharp GP2D120 IR Range Sensor 4-30 cm
|
9
|
742
|
6678
|
|
6
|
Плата
управления STM32F4DISCOVERY
|
1
|
400
|
400
|
|
7
|
Кнопка
подачи питания Schneider Electric Pushbutton, 22mm, XB4BC21
|
1
|
150
|
150
|
|
8
|
Гетинакс
|
1
|
2000
|
2000
|
|
Итого
|
|
|
|
43338
|
Таблица 6.9 - Потребность в персонале и оплате
труда на производство одного устройства
|
Категория
персонала
|
Численность,
чел.
|
Оплата
труда за 1час, руб.
|
Необходимое
время на выпуск, ч.
|
Суммарная
заработная плата на производство одного устройства, руб.
|
|
Инженер-электронщик
|
2
|
700
|
5
|
7000
|
|
Монтажник
|
2
|
400
|
4
|
3200
|
|
Сварщик
|
1
|
800
|
1
|
800
|
|
Итого
|
|
|
|
11000
|
Страховые взносы на заработную плату (СВз)
приняты в размере 30% от заработной платы на производство одного устройства
(Зпр):
СВ3=0,3×3пр=0,3×11000=3300
руб.
Себестоимость определяем в таблице 6.10.
Таблица 6.10- Калькуляция затрат на производство
устройства
|
Статьи
затрат
|
Сумма,
руб
|
|
1.
Комплектующие изделия и материалы, за вычетом возвратных отходов (Мз)
|
87073,37
|
|
2.
Заработная плата производственных рабочих (Зпр)
|
11000
|
|
3.
Страховые взносы (СВз)
|
3300
|
|
4.
Общепроизводственные расходы (Опр) (420% от Зпр)
|
46200
|
|
5.
Общехозяйственные расходы (Охр) (120% от Зпр)
|
13200
|
|
6.
Коммерческие расходы Кр (4% от Мз)
|
3482,93
|
|
Итого
себестоимость (С)
|
164256,3
|
Для определения цены рассчитывается плановая
прибыль (П). Предположим, что будет обеспечена рентабельность Р=35% (можно принять
рентабельность от 35 до 55%), тогда прибыль составит:
Определяется оптовая цена устройства (Цо) по
формуле:
Цо=С+П,
Цо=
+
=221746
руб.
Свободная отпускная цена (Цпр) определяется по
формуле:
Цпр=Цо+НДС,
где НДС- налог на добавленную стоимость (НДС-18%
от Цо).
Цпр=221746+39914,28=261660,28 руб.
6.3.2 Определение величины
собственных капиталовложений на разработку и производство мехатронной системы
Величина собственных капиталовложений на
разработку и производство мобильного робота-погрузчика (Зк) будет обусловлена
величиной единовременных (капитальных) затрат, затрат на НИОКР, технологическую
подготовку производства, маркетинг.
Единовременные (капитальные) затраты (К)
включают затраты на приобретение оборудования, а также затраты по подготовке
кадров:
К = Коб + Кпк,
где Коб=700000 руб. - затраты на приобретение
оборудования для монтажа, ПК с соответствующим программным обеспечением,
программаторы;
Кпк=50000 руб. - затраты по подготовке
программистов, инженеров - электронщиков и монтажников для разработки
программного продукта мехатронной системы и монтажа готового изделия.
К= 700000 +50000=750000 руб.
Кроме того, потребность в капиталовложениях
определяется затратами на НИОКР, технологическую подготовку производства,
маркетинг.
Расчёт данных затрат производится на основании
расчёта себестоимости устройства.
Затраты на НИОКР, технологическую подготовку и
маркетинг (З*) определяются укрупнённо как 30% от произведения себестоимости
одного изделия на среднеквартальный выпуск изделий в 1-м полугодии планируемого
периода:
З*=0,3×
=0,3*
=985537,8
руб.
Таким образом, общая потребность в
капиталовложениях будет определена по формуле:
Зк=К +З*.
Зк=750000+985537,8 =1735537,8 руб.
Принято решение о сумме капиталовложений в
размере 1736000 руб. с учетом непредвиденных расходов.
6.4 План маркетинговых действий
Товарная политика предусматривает:
высокое качество товара, которое обеспечивается
применением прогрессивной технологии и высоким профессионализмом кадров;
постоянную работу по совершенствованию объекта
производства;
выпуск различных модификаций устройства;
Ценовая политика предусматривает:
использование гибких цен в зависимости от
модификации;
постепенное снижение цены за счет снижения
издержек производства;
снижение цены за счет увеличения объемов
производства;
предоставление скидок при большом объеме заказа.
Сбытовая политика предусматривает:
сбыт продукции непосредственно
предприятием-изготовителем;
рекламную деятельность (выпуск рекламных
проспектов и их рассылка потенциальным потребителям);
сайт с интернет-магазином со всеми сведениями об
устройстве и возможностью его заказа.
6.5 Финансовый план
В финансовом плане определяются доходы и
затраты, чистая прибыль, возможность погашения собственных капиталовложений и
условия безубыточности.
Предполагаемые доходы от продаж (Q) определяются
по формуле:
=Цо×N,
где N - объем продаж по периодам, шт. Цо-
оптовая цена устройства (без НДС).
Издержки производства (И) определяются по
формуле:
И=С×N,
где С - себестоимость устройства.
Рассчитав доходы и затраты (таблица 7.11), в
результате определяется чистая прибыль по периодам. Также рассчитывается
возможность погашения капиталовложений (таблица 7.12).
Таблица 6.11- Доходы и затраты, тыс. руб.
|
Показатели
|
2013г.
|
2014г.
|
2015г.
|
|
1
кв
|
2кв
|
3
кв
|
4
кв
|
1п/г
|
2
п/г
|
|
|
Планируемый
объем продаж, шт.
|
10
|
30
|
44
|
50
|
105
|
120
|
250
|
|
Доходы
от продаж
|
2217,46
|
6652,38
|
9756,824
|
11087,3
|
23283,33
|
26609,52
|
55436,5
|
|
Затраты
на производство
|
1642,563
|
4927,689
|
7227,28
|
8212,815
|
17246,92
|
19710,76
|
41064,1
|
|
Прибыль
от реализации
|
574,897
|
1724,69
|
2529,544
|
2874,48
|
6036,43
|
6898,76
|
14371,9
|
|
Налог
на прибыль (20%)
|
114,98
|
344,94
|
505,91
|
574,896
|
1207,29
|
1379,75
|
2874,38
|
|
Чистая
прибыль
|
459,92
|
1379,75
|
2023,64
|
2299,58
|
4829,14
|
5519,1
|
11497,52
|
Таблица 6.12- Расчет возможности погашения
капиталовложений, тыс.руб.
|
Показатели
|
2013г.
|
2014г.
|
2015г.
|
|
1
кв
|
2
кв
|
3
кв
|
4
кв
|
1п/г
|
2
п/г
|
|
|
1.
Сумма капиталовложений
|
1736
|
|
|
|
|
|
|
|
2.
Ожидаемая чистая прибыль за период
|
459,92
|
1379,75
|
2023,64
|
2299,58
|
4829,14
|
5519,1
|
11497,52
|
|
3.
Дисконтированная чистая прибыль ( п.2/(1+к)t)*, тыс.руб.
|
418,11
|
1254,32
|
1839,67
|
2090,53
|
3991,1
|
4561,24
|
8638,26
|
|
4.
Непогашенный остаток капиталовложений на конец периода
|
1317,89
|
63,57
|
-
|
-
|
-
|
-
|
-
|
|
5.
Остаток чистой прибыли (нарастающим итогом)
|
-
|
-
|
1776,1
|
3866,63
|
7857,73
|
12418,97
|
21057,23
Погашение капиталовложений возможно в II
полугодии 2013 года. Срок возврата кредита - 6 месяцев.
6.6 Расчет безубыточности
Объемом безубыточности производства является
объем продаж, при котором предприятие уже не несет убытков, но еще не имеет
прибыли (объем производства принимается равным объему продаж).
Для определения объема безубыточности все
затраты на производство продукции разделяются на переменные и постоянные.
Переменные затраты прямо пропорциональны объему производства, постоянные
затраты, практически, не зависят от объемов производства.
Переменные затраты (V) определяют прямым счетом
на единицу продукции, к ним условно можно отнести: материальные затраты,
заработную плату, страховые взносы:
= Мз+Зпр+ СВз. = 87073,37+11000+ 3300=101373,4
Постоянные затраты (W) определяют в целом на
объем выпуска продукции за расчетный период, а при калькулировании
себестоимости единицы продукции эти затраты распределяются на объем
произведенной продукции:
= Опр+ Охр+ Кр. = 46200+ 13200+3482,93=62882,93
Расчеты объемов безубыточности на 2013-2015г.
реализации проекта проводятся в таблице 6.11.
Таблица 6.13- Расчет безубыточности
|
Показатели
|
2013г.
|
2014
г.
|
2015
г.
|
|
Объем
продаж (QПР), шт.
|
134
|
225
|
250
|
|
Объем
продаж (QПР), тыс. руб.
|
29713,96
|
49892,85
|
55436,5
|
|
Постоянные
затраты за год (W), тыс. руб.
|
8426,3
|
14148,66
|
15720,74
|
|
Переменные
затраты на 1 шт (V), тыс. руб.
|
101,373
|
101,373
|
101,373
|
|
Оптовая
цена единицы изделия (Цо), тыс. руб.
|
221,746
|
221,746
|
221,746
|
|
Критический
объем продаж (Qкр), шт.
|
72
|
118
|
131
|
|
То
же, тыс. руб. (стр. 5×стр. 6 )
|
15965,712
|
26166,028
|
29048,73
|
|
Запас
финансовой прочности (ЗФП), тыс. руб.
|
13748,3
|
23726,82
|
26387,77
|
|
Коэффициент
запаса финансовой прочности КЗФП, %
|
46,27
|
47,55
|
47,59
|
Объем продаж в точке безубыточности определяется
расчетом по следующей формуле:
.
Запас финансовой прочности:
.
Коэффициент запаса финансовой прочности
КЗФП определяется отношением величины запаса финансовой прочности к объему
продаж. Он характеризует степень финансовой устойчивости, рекомендуемая нижняя
граница - 30% к объему продаж:
.
Данный расчет иллюстрируется
построением графика безубыточности, построив который можно определить, сколько
необходимо выпустить и реализовать продукции, чтобы покрыть все издержки, а
также при каком объеме продаж производство убыточно, а при каком - прибыльно.
График безубыточности приведен на
рисунке 6.1.
Рисунок 6.1- График безубыточности
на 2013 г.
Заключение
В данном дипломном проекте была
разработана мобильная платформа для транспортного робота грузоподъемностью 100
килограмм, был проведен обзор известных кинематических схем, их анализ и выбор
наилучшей кинематической схемы подходящей для данного робота. Была рассчитана
необходимая приводная мощность колеса, в соответствии с которой был выбран
мотор-редуктор. Был рассчитан усилитель мощности, а также цифровой ПИД -
регулятор.
Данная платформа позволяет повысить
экономическую эффективность существующих транспортных погрузчиков путем
снижения временных затрат на перевозку грузов, одновременно с этим
интеллектуальная система управления уменьшает вероятность столкновения
транспортной платформы с посторонними объектами тем самым предотвращая
повреждения данного робота.
Список использованных источников
1. Карнаухов
Н.Ф. Электромеханические системы (Автоматизированный электропривод): Методическое
указание к курсовому проектированию. Ростов н/Д: Издательский центр ДГТУ, 1996
г.
2. Карнаухов
Н.Ф. Электромеханические модули мехатронных систем. Основы расчёта и
проектирования: Учебное пособие. - Ростов н/Д: Издательский центр ДГТУ, 2001 г.
. Дорф
Р.К., Бишоп Р.Х. Современные системы управления. Учебное пособие. - Москва
Лаборатория Базовых Знаний,2009 г.
. Ильинский
Н.Ф., Казаченко В.Ф. Общий курс электропривода: Учебник для вузов. - М.:
Энергоатомиздат, 1992 г.
. Оптические
датчики расстояния. [Электронный ресурс]. Режим
доступа:http://www.sensoren.ru/opticheskie_datchiki_rasstoyaniya_leuze_electronic_odsl_96_tof.html
. Документация
на силовые MOSFET транзисторы IRFZ1010n.International Rectifier 2010 г.
Похожие работы на - Разработка мобильной транспортной платформы грузоподъемностью 100 килограмм
|