Разработка механизма осевой и окружной приводки
Введение
Чтобы обеспечить высокое качество
печати на рулонных машинах, необходимо точная приводка красок. При приводке
красок операторы тратят много времени, качество печати не достигает требуемого
уровня и количество выпускаемой продукции падает. В данной дипломной работе
предлагается усовершенствование рулонной печатной машины ПОГ-84 путем
модернизации механизмов окружной и осевой приводки.
1. Конструкторская часть
.1 Приводка красок в
печатных машинах
приводка цилиндр пружина сжатие
Приводка - соответствие в
расположении изображений на запечатанном материале, совмещение наложения красок
в многокрасочной печати. Приводку можно проследить по нанесенным на
запечатываемый материал приводочным меткам.
Приводочные метки - элементы
(образцы, эталоны или кресты), размещенные на оригиналах или отпечатанные на
оттисках с целью помочь определить правильное расположение изображений и
совмещение наложенных красок.
Неприводка - изображения на оттиске
с несовмещением красок. А - краски совмещаются, В-неприводка (рис. 1)
Рис. 1. Приводка и неприводка красок
Допустимые отклонения составляют
примерно 0,1 мм. Существенным фактором получения высококачественной
многокрасочной репродукции является высокая точность наложения отдельных цветоделенных
изображений для голубой, пурпурной, желтой и черной красок. Точность приводки
красок должна быть в пределах нескольких сотых миллиметра. Возможность
обеспечения приводки красок на печатной машине по образующей цилиндра и
направлению движения бумажного листа достигается регулированием совмещения
красок относительно друг друга с шагом 1/100 мм. Регулировка незначительных
отклонений в приводке может выполняться с пульта управления. Посредством
поворота и перемещения отдельного формного цилиндра можно выполнять коррекцию
приводки по его окружности и в осевом направлении. В некоторых моделях машин
возможна диагональная регулировка приводки (вращение изображения). Она
достигается перемещением формного цилиндра (идеальным вариантом был бы поворот
самой печатной формы на формном цилиндре). Для того, чтобы ускорить и упростить
процесс приводки в печатной машине, были разработаны системы оценки и контроля
приводки, большинство из которых базируется на анализе специальных меток,
нанесенных на запечатываемый материал.
Самым простым способом проверки
совмещения красок является рассматривание определенного участка изображения в
лупу. Если лупа оснащена измерительной шкалой, то печатник может оценить
величину несовмещения и, насколько требуется, отрегулировать неприводку по
окружности и в осевом направлении.
С целью упрощения процесса контроля
вдоль изображения на оттиске печатают специальные приводочные метки, которые
копируются на печатные формы таким образом, что при точном совмещении всех
линий / меток для отдельных печатных красок / цветоделенных изображений эти
миниметки ложатся одна на другую или формируют определенные структуры -
приводочные метки, кресты. Отклонения определяются визуально посредством лупы и
далее учитываются при настройке печатной машины.
Автоматизированные устройства
измерения приводки красок могут распознавать отклонения, количественно их
оценивать и отображать для печатника на мониторе. Кроме этого, такие устройства
могут передавать данные для коррекции приводки непосредственно в систему
настройки печатной машины.
Для измерения совмещения красок
непосредственно в процессе печати (inline) используют измерительные системы,
которые устанавливают как на листовых, так и на рулонных печатных машинах.
Измерение ведется преимущественно по приводочным меткам, отпечатанным по
периметру основного изображения.
Осевая неприводка заключается в
несовмещение красок на оттиске в осевом направлении (рис. 2)
Рис. 2. Осевая неприводка
Окружная неприводка заключается в
несовмещение красок на оттиске в окружном направлении (рис. 3)
Рис. 3. Окружная не приводка
Диагональная неприводка заключается
в несовмещение красок на оттиске по диагонали (рис. 4)
Рис. 4. Диагональная неприводка
.2 Способы приводки
Приводка путем регулирования
расположения формы относительно формного цилиндра (рис. 5).
Рис. 5. Формный цилиндр
С помощью этого способа можно
регулировать приводку в осевом, окружном и диагональном направлениях.
Регулирование осуществляется с помощью винтов расположенных в механизме
крепления формы. Достоинства этого метода заключаются в простоте механизма и
отсутствие сложных кинематических связей. Недостатком является: регулировка
возможна только при полной остановке машины, качество приводки зависит от опыта
печатника, так же стоит понимать, что остановки приводят к резкому снижению
полезной производительности машины, а это прямые убытки.
Способ приводки путем изменения
положения листа на самонакладе (рис. 6).
Рис. 6. Приводка путем изменением
положения листа
Приводка осуществляется с помощью
регулирования упоров на самонакладе. Достоинство это отсутствие механизма как
такового. Недостатки возможно использование только на однокрасочных машинах.
Способ приводки винтовым механизмом
(рис. 7).
Рис. 7. Приводка винтовым механизмом
Осевая приводка осуществляется
винтовым механизмом, содержащим подвижный винт 1, перемещающийся при вращении
маховика 3, что обеспечивает смещение формного цилиндра 2 вдоль осевой линии.
Эту операцию печатник может выполнять вручную, поворачивая маховик, или
дистанционно с помощью шагового электродвигателя, управление которым
производится с пульта.
1.3 Механизмы приводки
формного цилиндра
Окружное смещение необходимо для
окружной приводки по ходу подачи запечатываемого материала или в
противоположном направлении. Смещение выполняется поворотом формного цилиндра
относительно его оси вращения в ту или иную сторону. Осевая приводка
заключается в перемещении формного цилиндра в поперечном направлении,
диагональная - в угловом смещении оси формного цилиндра относительно опоры
цилиндра со стороны обслуживания. Конструкция и принцип действия механизмов
приводки листовых и рулонных машин практически аналогичны друг другу. Для
осуществления осевой (поперечной), окружной и диагональной (угловой) приводки,
формный цилиндр размещается в оригинальных эксцентричных подшипниках с
возможностью его осевого и окружного перемещения. Со стороны обслуживания
печатной машины располагаются механизмы осевой и диагональной приводки, а со
стороны привода - механизм окружной приводки.
Осевая приводка (см. ДП.ПОГ-84.423.02.24.000СБ)
производиться с помощью винтового механизмам содержащий подвижный винт 11, и
гайку 5. Вращение винта 11 осуществляется от индивидуального электродвигателя
47, через червячную передачу 1 и полумуфту 6, в результате чего вращение гайки
5 приводит к перемещению в поперечном направлении винта 11 закрепленный на
торце формного цилиндра гайкой 16. Смещение формного цилиндра вдоль оси
составляет ±2 мм, величина сдвига которого контролируется и индексируется
благодаря сигналу потенциометра 46. Датчики 44 предназначены для коррекции
механизма осевой приводки при его настройки.
Осевая приводка (см.
ДП.ПОГ-84.423.02.25.000СБ) производится с помощью винтового механизма
содержащего подвижный винт 1 гайку 2, закрепленную неподвижно относительно
стенки машины. Вращение винта осуществляется от индивидуального
электродвигателя 13 через зубчатую передачу 4, 5, в результате чего он
перемещается в поперечном направлении одновременно с соединительной муфтой 3,
закрепленной на торце вала формного цилиндра. Смещение формного цилиндра вдоль
образующей составляет 
2 мм, величина которого
контролируется и индексируется на пульте благодаря сигналу потенциометра 12,
кинематически связанного с вращением винта 1 шестерней 6. Осевая приводка
проводится печатником по ходу работы машины с пульта управления. Гайка 11
предназначена для коррекции механизма осевой приводки при его настройке. Для
работоспособности механизма осевой приводки предусмотрена централизованная
смазка исполнительных механизмов.
Действие механизма окружной
приводки.
Окружная приводка (см.
ДП.ПОГ-84.423.02.16.000СБ) производиться при помощи смещения косозубой шестерни
в осевом направлении. Шестерня 2 и 4 жестко зафиксированы на стакане 3,
позволяющий им смещаться в осевом направлении. Смещение шестерни 2 в осевом
направлении осуществляется аналогично перемещению в поперечном направлении
винта в осевой приводке (см. ДП. ПОГ-84.423.02.24.000СБ). Смещение шестерни 2 в
ту или иную сторону вызывает ее разворот в окружном направлении, что приводит к
развороту формного цилиндра. Смещение формного цилиндра по окружности
составляет ±2 мм.
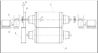
Действие механизма
окружной приводки (см. ДП. ПОГ-84.423.02.17.000СБ) рулонных печатных машин
аналогично работе механизма окружной приводки листовых машин. Оно основано на
принципе разложения сил в косозубом зацеплении. Осевое смещение косозубой
шестерни 3 относительно косозубой шестерни офсетного цилиндра (на рисунке не
показана) вызывает разворот самой шестерни совместно с валом формного цилиндра
в окружном направлении. Шестерня 3 посажена относительно шестерни 2 по
шлицевому соединению, позволяющему ей смещаться в осевом направлении. Шестерня
2 жестко зафиксирована на оси формного цилиндра 1, она предназначена для
привода раскатных цилиндров красочного аппарата. В то же время, шестерня 3
упруго поджимается пружинами 4 к опорному подшипнику 13, установленном свободно
на оси 5. На средней части оси 5 нарезана ходовая резьба, которая
взаимодействует с гайкой-шестерней 6, вращение которой осуществляется зубчатым
валом 7 с помощью передачи 14 от шагового двигателя 15. В результате вращения
гайки-шестерни 6 ось 5 смещает косозубую шестерню 3 в осевом направлении на
величину Х, преодолевая действие замыкающих пружин сжатия 4. Смещение шестерни
3 в осевом направлении Х в ту или иную сторону вызовет соответственно ее
разворот на величину Y,
согласно зависимости Y = Х х ctg 
, где 
- угол наклона зубьев
шестерни 3. Команда на поворот шагового двигателя 15 подается с пульта или
автоматически через систему управления приводкой по ходу работы печатной машины
или вручную с пульта управления. Смещение формного цилиндра по окружности
составляет величину в пределах 
2 мм.
Для обеспечения точности
предусмотрена система компенсации и выборки зазоров в подвижных деталях
окружной приводки.
В данной работе
представлен вариант построения окружной приводки с системой упругого силового
элемента в виде пружины, позволяющего выбирать зазоры в передаче винт-гайка, а
также зазоры в других соединительных деталях, что повышает точность работы
механизма осевой приводки.
1.4 Расчет пружины
сжатия в механизме приводки
Исходные данные
Размер печатной формы - L=930 мм, B=607 мм (рис. 8.)
Рис. 8. Печатная форма
Деформация декеля: 
Диаметр форменного
цилиндра: 
Радиус цилиндра: 
Рис. 9. Ширина зоны
контакта
Ширина зоны контакта
(рис. 9.) определяется из [2]:
Распределение нагрузки:
Общее усилие печати:
R=35000
цик./час
Мощность требуемая для
вращения одного цилиндра с одной зоной контакта:
Масса вала находится по
формуле:


Момент инерции находится
по формуле:
Момент 
Торможение за 5 секунд:
Общий момент: 
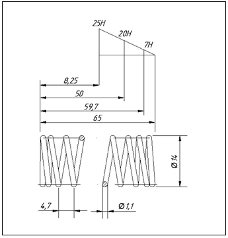
Расчет пружины сжатия
Данные: проволока I класса по ГОСТ 9389-75, 
, 

, 
, 
=0,5, заделка пружины -
глухая.
Относительный
инерционный зазор 
;
Сила пружины при
максимальной деформации:

;

;
С учетом 
и D выбираем пружину №232, 
Н;
Диаметр проволоки: d=1,1 мм;
Наружный диаметр: D=14 мм;
Наибольший прогиб одного
витка: 
;
Предел прочности при
растяжении проволоки класса I
выбираем из таб. 3.28 [11]:

;
Максимально касательное
напряжение:

;
Критическая скорость: 

;
Жесткость пружины: 

;
Жесткость одного витка: 

;
Число витков:
рабочих 
;
опорных 
;
полное 
;
Деформация:
предварительная 
;
рабочая 
;
максимальная (до
соприкосновения витков) 
;
Число зашлифованных
витков: 
;
Высота пружины:
при максимальной
деформации

;
при предварительной деформации

;
в свободном состоянии 
;
при рабочей деформации 
Средний диаметр пружины:


;
Отношение высоты в
свободном состоянии к среднему диаметру и предельное значение этого отношения:

; 

; 
;
Проверка устойчивости: 
;
Индекс пружины: 

;
Коэффициент кривизны
винта: 

;
Расчет касательного
напряжения: 

;
Проверка прочности: 
;
Шаг пружины: 

;
Длина развернутой
проволоки: 

;
Плотность стали, 
: 
;
Масса пружины: 

;
Объем, занимаемый
пружиной


.
Рис. 10. Геометрические параметры
пружины
По произведенным нами расчета чертим
пружину (рис. 10).
2.
Технолого-машиностроительная часть
приводка цилиндр пружина сжатие
Разработка технологического процесса
разборки машин может иметь разные условия в зависимости от наличия на
предприятии-потребителе конструкторской, эксплуатационной документации на
машину, а также технологической документации предприятия-изготовителя на
сборку. Сочетание отсутствующих и имеющихся в наличии вышеперечисленных
документов могут быть различными, как это показано ниже.
Первый вариант предусматривает
наличие на предприятии-потребителе конструкторской и эксплуатационной
документации на машину, а также технологической документации
предприятия-изготовителя на сборку.
Поскольку разборка - это процесс
обратный сборке, можно рекомендовать сначала изучить технологический процесс
сборки ремонтируемой машины, если есть возможность - приобрести технологическую
документацию предприятия-изготовителя на сборку машины. Это обстоятельство при
наличии конструкторской и эксплуатационной документации на машину значительно
упрощает разработку технологического процесса разборки машины и е составных
частей, особенно если это задача решается впервые при отсутствии типовых
технологических процессов.
Разработка технологии разборки
выполняется на этапе технологической подготовки ремонта машины.
Во втором случае на
предприятии-потребителе есть конструкторская и эксплуатационная документация на
машину, но нет технологической документации предприятия-изготовителя на сборку.
Основным источником информации при
разработке технологического процесса разборки машины и ее составных частей
является конструкторская документация - сборочные чертежи, по которым
составляются технологические схему сборки, значительно облегчают процесс
разработки технологии разборки. Методика составления технологических схем
разборки по сборочным чертежам приведена ниже.
Разработка технологии разборки в
этом случае также выполняется на этапе технологической подготовки ремонта
машины.
В третьем случае на
предприятии-потребителе отсутствует и конструкторская документация на машину, и
технологическая документация предприятия-изготовителя на сборку.
Технологическую схему разборки
машины при отсутствии на предприятии-потребителе конструкторской документации
на машину и технологической документации предприятия-изготовителя на ее сборку,
технологическую схему разборки машины приходится составлять частично при первом
текущем и окончательно при первом капитальном ремонтах машины. Эти
технологические схемы разборки могут быть использованы при соответствующих
последующих ремонтах машины.
Методика составления технологических
схем разборки для рассматриваемых условий имеет много общего с методом их
составления по сборочным чертежам, которая подробно рассмотрена ниже.
В дипломном проекте объектом
разборки будет механизм осевой приводки рулонной печатной машины ПОГ-84
2.1 Анализ конструкции
машины и ее составной части как объектов разборки при ремонте
Назначение и состав
машины
Для выполнения дипломной работы была
выбрана рулонная печатная машина ПОГ-84. Рулонные офсетные печатные машины ряда
ПОГ-84 предназначены для печатания и фальцевания газетной продукции
красочностью от 1+1 до 4+4 с одного до восьми рулонов одновременно. Машины ряда
ПОГ-84 выпускаются в линейном и в башенном исполнении в комбинации из печатных
секций типа «I» - образная, «Y» - образная и «H» - образная в зависимости от
конкретных требований.
Технические
характеристики
Таблица 1. Технические
характеристики рулонной печатной машины ПОГ-84
|
Формат машины по бумаге, мм
|
Максимальный
|
840 х 578
|
|
Минимальный
|
700 х 578
|
|
Общая установленная мощность, кВт
|
25
|
|
Длина рубки листа в фальцаппарате, мм
|
578
|
|
Ширина рулона, мм
|
420, 700, 750, 840
|
|
Диаметр рулона, мм
|
1000
|
|
Диаметр втулки рулона, мм
|
75 - 76
|
|
Биение рулонов, мм, не более
|
5
|
|
Масса обрабатываемых бумаг, г/м2
|
42…80
|
|
Точность совмещения красок на каждой стороне бумажной ленты, мм
|
при печати в одной секции
|
0,10
|
|
при печати в двух секциях
|
0,15
|
|
Приводка формного цилиндра, мм
|
Окружная
|
± 2
|
|
Осевая
|
± 2
|
|
Толщина формной пластины, мм
|
0,3 ± 0,02
|
|
Размер формной пластины, мм
|
850 х 607
|
|
Толщина офсетной покрышки (с прокладками), мм
|
2,1
|
|
Размер офсетной пластины, мм
|
860 х 720
|
|
Насыщенность оттисков иллюстрациями, равномерно распределенными
по формату, %
|
до 30
|
|
Линиатура растра, лин/см
|
до 48
|
|
Точность рубки, мм
|
± 1
|
|
Точность Точность фальцевания тетрадей на каждом сгибе, мм
|
± 1,5
|
|
Расстояние от линии обреза листов, обрубаемых в фальцаппарате до
графеечных проколов, мм, не более
|
10
|
|
Допускаемые надрывы на 4х страничной продукции без
учета диаметра отверстия от графейки, мм
|
3
|
|
Давление воздуха в пневмосистеме, 105Па (кг./см2)
|
6…8
|
|
Габариты машины, мм
|
длина
|
5 130
|
|
ширина
|
5 400
|
|
высота
|
3 280
|
|
Масса машины, кг
|
|
12 930
|
|
|
|
|
|
Разбиение машины на
отдельные составные части при разборке
Данная машина включает в себя:
· рулонная зарядка;
· красочный аппарат;
· увлажняющий
аппарат;
· лентопроводящая
система;
· элементы привода.
2.2 Технологический
маршрут общей разборки машины
· произвести мойку
машины;
· демонтировать узел
рулонной зарядки;
· демонтировать
красочный аппарат;
· демонтировать
увлажняющего аппарата;
· демонтировать
лентопроводящую систему;
· демонтировать
привод.
Разбиение составной
части машины - объекта разборки на отдельные сборочные единицы при узловой
разборке
· электродвигатель 47
в сборе;
· стакан 56 в сборе;
· червячный вал 20 в
сборе;
· стакан 73 в сборе;
· стакан 60 в сборе;
· вал 63 в сборе;
Материально-техническая
подготовка технологического процесса разборки машины и ее составных частей
Для снятия составных частей и
деталей с машины надо иметь слесарно-монтажный и демонтажный инструменты, ключи
гаечные, молотки слесарные, отвертки, бородки, съемники и т.д. Эти инструменты
могут быть стандартными или из ЗИП машины. Потребность в конкретных типоразмерах
слесарно-монтажного и демонтажного инструментов можно найти в технологических
схемах разборки.
Материальная подготовка
технологического процесса разборки машины, ее составных частей должна
предусматривать обеспеченность ремонтных работников также обтирочными концами,
моющими средствами, смазочными материалами.
2.3 Технологическая
схема разборки составной части
Технологическая схема
общей разборки
При составлении технологии разборки
машины следует выделять ее отдельные составные части, которые могут быть
демонтированы с машины независимо от других частей при общей разборке машины.
Такое разбиение машины на отдельные
составные части облегчает разработку технологического процесса разборки машины
в целом и ее составных частей.
Технологическая схема общей разборки
машины при ремонте дает наглядное представление о ее составе и
последовательности снятия с нее составных частей.
Методика составления технологической
схемы общей разборки машины приведена на (рис. 12):
Рис. 12. Принципиальная
технологическая схема общей разборки
Проводится горизонтальная линия
общей разборки, по краям которой расположены два прямоугольника: слева -
обозначающий машину в сборе, справа - базовую деталь машины или частично
разобранную машину. Общая разборка машины представляет собой процесс
разъединения ее на составные части. Они показываются в последовательности их
снятия в виде прямоугольников, отходящих от линий общей разборки вверх.
Составные части, снимаемые с машины,
показываются в порядке их удаления с учетом последовательности снятия крепежных
деталей также в виде прямоугольников, но отходящих от линий общей разборки
вниз.
На технологических схемах разборки
указывается применяемый при выполнении разборки слесарно-монтажный инструмент, например,
гаечные ключи, отвертки, съемники и другие инструменты.
На технологических схемах разборки
указываются также характерные приемы работ при снятии составных частей машины,
например, выпрессовывать, раззенковывать и т.д.
Временное направление последовательности
снятия с машины отдельных крепежных деталей и составных частей машины
показывается стрелкой, параллельной линии общей разборки.
Составление
технологической схемы узловой разборки составной части машины
Методика составления технологической
схемы узловой разборки составной части машины такая же, как и общей разборки
машины. Отличие состоит в том, что при узловой разборке составная часть машины
расчленяется на отдельные сборочные единицы, которые при необходимости могут
быть разобраны до отдельных изношенных деталей, требующих ремонта или замены.
В технолого-машиностроительной части
дипломного проекта разработан технологический маршрут разборки привода
механизма осевой приводки рулонной печатной машины ПОГ-84.
Составление карты
разборки составной части машины
Технологические процессы разборки
машины в целом и ее составных частей оформляется в виде технологических карт
разборки, форма которых может быть заимствована из карты сборки по формам 1 и
1а ГОСТ 3.140786 «Формы и требования к заполнению и оформлению документов на
технологические процессы (операции), специализированные по методам сборки». В
этих картах приводятся не только технологические переходы, непосредственно
связанные с разборкой машины, но также перечень необходимых при этом устройств,
моющих средств, смазочных и обтирочных материалов.
3. Разработка
мероприятий по технике безопасности и охране труда
1. Анализ травмоопасных зон машины
. Система вентиляции
. Обеспечение пожарной безопасности
. Электробезопасность
. Освещение
. Борьба с шумом
. План цеха, где находится машина с
обозначением всех огнетушителей, стеллажей, проходов и т.д.
.1 Анализ
травмоопасности рулонной печатной машины ПОГ-84
Если расположить узлы машины по
травмоопасности, то наиболее травмоопасными зонами в машине ПОГ-84 являются:
· рулонная зарядка;
· печатная секция;
· лентопроводящая
система;
· фальц-аппарат;
· лестница.
Рис. 13. Схема травмоопасных зон
машины ПОГ-84
Основной опасностью в зоне рулонной
зарядки является возможность получения ушибов во время печати. Кроме того при
размотке рулона, возможны порезы.
Для предотвращения контактов с
рулоном бумаги, необходимо установить оградительную цепочку.
В печатной секции основная опасность
- это попадание частей одежды, рук, в частности пальцев, между валиками. Для
предотвращения возможных травм в машине ПОГ-84 предусмотрены кожухи и
оградительные барьеры.
Лентопроводящая система опасна тем,
что при проводе бумажного полотна через машину к фальц аппарату, возможны
порезы рук, шеи, плеч. Для предотвращения травм предусмотрены, защитные
ограждения.
В фальц-аппарате основной опасностью
может быть попадание частей одежды в воронку, ушибы и более серьезные травмы
рук, для этого предусмотрены кожухи и ограждения.
Лестница опасна тем, что при быстром
подъеме или спуске можно получить переломы и сильные ушибы, т.к. лестница
крутая. Лестница всегда должна находиться в сухом и чистом состоянии, во
избежание подскальзывания.
Таблица 2. Основные виды травматизма
и меры борьбы с ними
|
№ п/п
|
Травмоопасная зона
|
Возможные травмы
|
Меры борьбы
|
|
1
|
Рулонная зарядка
|
Порезы, ушибы
|
Оградительные цепочки
|
|
2
|
Печатная секция
|
Травмы рук, ушибы
|
Кожуха, оградительные барьеры
|
|
3
|
Лентопроводящая система
|
Порезы
|
Защитное ограждение
|
|
4
|
Фальц-аппарат
|
Ушибы, травмы рук
|
Кожуха, защитные ограждения
|
|
5
|
Лестница
|
Переломы, сотрясения, ушибы
|
Соблюдение техники безопасности, поддерживание чистоты на
лестнице
|
3.2 Система вентиляции
Системы вентиляции удаляют
загрязненный и подают в помещение чистый воздух. Эти системы могут включать
устройства для нагревания
или охлаждения, увлажнения или
подсушки, а также очистки приточного воздуха.
В машине ПОГ-84 несколько печатных
секций, а значит несколько красочных и увлажняющих аппаратов. Для удаления
запахов краски и увлажняющего раствора над секцией располагается раструб,
соединенный с вытяжкой.
3.3 Обеспечение пожарной
безопасности на машине ПОГ-84
Основными причинами пожара являются:
неисправности, плохая смазка подшипников, загрязнение электрооборудования
бумажной пылью, короткое замыкание, курение в цехе, несоблюдение правил
пожарной безопасности при ремонтных работах, самовозгорание промасленных
обтирочных материалов.
Для ликвидации возможности
возгорания на рабочем месте необходимо соблюдение требований противопожарной
безопасности:
. Запрещается курить в
производственном помещении.
. При появлении дыма и запаха гари
немедленно сообщить об этом в местную пожарную службу.
. При искрении и нагреве проводов
немедленно выключить электричество, после чего вызвать специалиста по электрооборудованию.
. Запрещается держать вблизи машины,
легко воспламеняющиеся жидкости и материалы.
. Не загромождать пути отхода при
пожаре.
. Держать телефон пожарной службы на
видном месте.
. Знать расположение огнетушителей и
план эвакуации.
3.4 Электробезопасность
на рулонной печатной машине ПОГ-84
Основными причинами
электротравматизма являются:
· прикосновение к
неизолированным токоведущим частям машины;
· работа с
неисправным ручным электроинструментом;
· работа без защитных
изолирующих средств и предохранительных приспособлений;
· прикосновение к
незаземленному корпусу машины;
· несоблюдение правил
технической эксплуатации и правил техники безопасности.
Меры по предотвращению
электротравматизма:
· исключить
провисание проводов и их попадание на кожух;
· обеспечить надежную
изоляцию электропроводов;
· предусмотреть
защитное отключение - быстродействующая защита, обеспечивающая автоматическое
отключение электроустановок;
· кожуха с
электропроводкой окрасить в ярко красный цвет.
3.5 Освещение
Основные требования к
производственному освещению
Для обеспечения благоприятных
условий труда осветительные установки должны удовлетворять определенным
требованиям:
1. Создавать на рабочей
поверхности освещенность, соответствующую характеру работы, но не ниже установленных
норм.
2. Обеспечивать достаточную
равномерность распределения яркости на рабочей поверхности и в пределах
окружающего пространства.
. Ограничивать прямую и
отраженную блёсткость в поле зрения.
. Не создавать на рабочей
поверхности резких и глубоких теней.
. Обеспечивать постоянную
освещенность во времени.
. Ограничивать глубину
пульсации освещенности при использовании газоразрядных ламп, питаемых от сети
переменного тока 50 Гц.
. Создавать свет необходимого
спектрального состава.
. Не создавать опасных и
вредных производственных факторов.
Расчет освещенности
рабочего места
Требуемый световой поток лампы:
Принимаем:
=750
лк - нормированная освещенность по табл. 5 [5].
k=1,4
коэффициент запаса;
Z=1,1
коэффициент минимальной освещенности.
Принимаем число
светильников N=24 в каждом светильнике 4 лампы, следовательно n=96;
- коэффициент
использования светового потока, берется из таб. 6 [5].
Принимаем коэффициент
отражения потолка равным 50%.
Коэффициент отражения
стен 50%.
Показатели помещения
принимаем:
· длина помещения
а=10 м;
· ширина помещения b=10 м;
· высота помещения h=6 м.
- коэффициент помещения.
=0,35 - коэффициент
использования светового потока
Тип помещения средний
Выбираем лампу ЛД мощностью 40 Вт со
световым потоком 3440 лм.
Рис. 14. План цеха
. Машина ПОГ-84
. Стол печатника
. Огнетушители
. Стапели с готовыми тетрадями
. Станок для загиба печатных форм
. Шкаф для хранения инструментов и
материалов
. Светильники
. Вход
. Выход
3.6 Борьба с шумом
Учитывая большие технические
трудности снижения уровня шума при выполнении производственных процессов,
приходится ориентироваться не на уровни шума, вызывающие раздражение и
утомление, а на такие допустимые уровни, при которых исключается возможность
заболевания работающих.
В машине ПОГ-84 уровень шума
неимоверно высок. Основной шум возникает при печати. Для снижения шума в
печатной секции предусмотрены шумоизоляционные материалы на кожухах секции.
Кроме того рекомендуется ввести вибропоглащающие прокладки в месте крепления
красочного аппарата (башни) к основной станине, а так же поставить
вибропоглощающие прокладки в местах крепления ограждений к станине.
Таблица 3. Основные источники шума и
меры борьбы с шумом
|
№ п/п
|
Источник шума
|
Меры борьбы, предпринятые предприятием изготовителем
|
Дополнительные меры борьбы с шумом
|
|
1
|
Рулонная зарядка
|
Снабжены смазкой
|
Изготовление с высокой степенью точности
|
|
2
|
Печатные секции
|
Шумоизоляционные материалы, кожуха
|
Вибропоглощающие прокладки
|
|
3
|
Фальц-аппарат
|
Кожуха
|
Вибропоглощающие прокладки
|
4. Экономическая часть
.1 Технико-экономические
показатели оборудования
Средний тираж Nтир -1000
тыс. от.;
Производительность машины - 35000
от./час;
Годовой режимный фонд времени - 4100
часов.
Приведенный ниже экономический
расчет производится с целью определения экономической эффективности внедрения
модернизированной конструкции осевой и окружной приводки для машины ПОГ2-84
Расчет производится для базовой и
модернизированной модели.
4.2 Расчет годовой
производственной мощности оборудования
Годовая производственная мощность
рассчитывается по формуле (все расчетные формулы взяты из [8]):
где Fосн -
годовой фонд времени основной работы оборудования;печ - норма
времени на печать единицы оттиска (tпеч=0,03 ч. для
производительности 1000 оттисков);пр - норма времени на приладку (по
соответствующей таблице на стр. 276 [6] выбираем tпр = 40 мин =0,67
ч.);
Принимаем средний тираж
=1000
тыс. от.
Годовой режимный фонд
времени определяется по формуле:
где Fреж -
режимный фонд времени работы оборудования (4100 ч);ср -
среднегодовое время простоев оборудования при ремонтах и осмотрах, ч.;то
- годовое время на остановки оборудования по технологическим причинам, ч.
Среднегодовое время
простоев равно:
где fк=50 ч, fт,=30 ч, fо=8 ч. -
время простоя при выполнении капитального, текущего ремонтов и осмотра;т
- число текущих ремонтов за период рабочего цикла.
Принимаем dт =8;о - число осмотров за год.
Принимаем dо =11;рц - длительность ремонтного цикла, год.
Принимаем 10 лет;
Ксм - коэффициент сменности работы оборудования.
Принимаем Ксм =2.
Время на технологические остановки определяется по нормативам,
установленным в процентах от режимного фонда времени работы оборудования за
вычетом среднегодовых затрат времени на ремонтные работы и осмотры:
где nт.о - процент для определения времени простоя на
технологических остановках. Принимаем nт.о=7%.
Расчет годовой производственной мощности:
Годовая производственная мощность:
4.3 Расчет полной себестоимости изготовления продукции
Полная себестоимость представляет
собой издержки производства, связанные с выпуском и реализацией полиграфической
продукции в денежной форме.
Определяется полная себестоимость
объема продукции, соответствующего годовой производственной мощности
проектируемой машины. Расчет осуществляется по следующим калькуляционным
статьям расходов:
. Сырье и материалы;
. Основная заработная плата
производственных рабочих;
. Дополнительная заработная плата
производственных рабочих;
. Отчисления на социальное
страхование с основной и дополнительной заработной платы производственных
рабочих;
. Расходы на содержание и
эксплуатацию оборудования;
. Цеховые расходы;
. Общехозяйственные расходы;
. Коммерческие расходы.
Расчет затрат на материалы:
В затраты на материалы входят
затраты на краску:
+
Расчет затрат на краску:
где Нрасх. -
норма расхода краски на 1000 от. (Нрасх. =120 г.);
Цед. мат -
цена единицы материала (Цед.мат = 4 руб./г)
Затраты на материалы:
Заработная плата
основная (прямая) производственных рабочих определяется, исходя из
технологической трудоемкости годового объема продукции и часовой тарифной
ставки lч.сд рабочего-сдельщика соответствующего разряда:
где lч.сд =
112,5 руб. (по экспертной оценке);
Тн-ч -
технологическая трудоемкость годового объема продукции может быть определена по
формуле:
,
,
-трудоемкость
годового числа приправок, годового объема продукции по печати, н-ч;
-годовое
число приладок, ед.
Доплаты и дополнительная
заработная плата определяются в размере 50-60% от основной заработной платы.
Затраты на оплату труда
определяются по формуле:
Отчисления на социальное
страхование составляют 30% от суммы основной и дополнительной заработной платы
производственных рабочих:
Расходы на содержание и
эксплуатацию оборудования включает расчет следующих статей:
· затрат на
содержание оборудования Зс;
· затрат на ремонт
оборудования Зр;
· затрат на
технологическую электроэнергию Зэ;
· амортизационные отчисления
За;
· прочих расходов на
содержание и эксплуатацию оборудования Зпр.
Затраты на содержание
оборудования могут быть определены по формуле:
где ЗRe -
затраты на содержание оборудования на единицу ремонтной сложности, р;- число
единиц ремонтной сложности.
По экспертной оценке
можно принять ЗRe = 450 р.
Для модели по
соответствующей таблице [6] находим:
Затраты на ремонт
оборудования можно определить по формуле:
где lч.сд4 -
часовая тарифная ставка ремонтного рабочего-сдельщика 4 разряда, (lч.сд4
=100 руб.);
Т’ср -
среднегодовая трудоемкость ремонтных работ и технического обслуживания,
финансируемых за счет данной статьи себестоимости, руб.;
2,2 - коэффициент,
учитывающий долю трудоемкости осмотра в трудоемкости капитального ремонта.
Затраты на
технологическую электроэнергию определяются по формуле:
где Цэ -
стоимость одного кВт/ч (Цэ = 3,15 руб.);
Мток -
суммарная мощность токоприемников, кВт (для базовой модели Мток =25
кВт, модернизация не влияет на потребление тока);
гп -
коэффициент использования мощности токоприемников, (гп =0,73),печ
- годовой фонд времени на печать, ч
Амортизационные
отчисления определяются по формуле:
где а - норма
амортизационных отчислений (по прил. 4 [8] а = 25%);
Кобщ -
капитальные вложения.
Капитальные вложения складываются из
цены машины Цg, затрат на монтаж Змонт и транспортировку
Зтр. Затраты на монтаж по экспертной оценке можно принять в размере
10%, а на транспортировку - в размере 5% от цены машины.
Для определения срока окупаемости
используются капитальные вложения, учитывающие затраты на производственные
площади. Поскольку введение нового оборудования не ведет к значительному
увеличению производственной площади, то капитальные вложения, учитывающие
затраты на производственные площади принимаем равными 0, тогда:
Прочие расходы на
содержание и эксплуатацию определяются укрупнено по отношению к сумме расходов,
уже рассчитанных по данной статье калькуляции.
где в - процент затрат
по прочим статьям расходов на содержание и эксплуатацию оборудования (в =10%).
Таким образом затраты на
содержание и эксплуатацию оборудования составят:
Цеховые расходы Зц
определяются укрупнено в размере 20% от суммы основной, дополнительной
заработной платы, отчисления на социальное страхование и расходов по содержанию
и эксплуатации оборудования:
Общехозяйственные
расходы определяются укрупнено в размере 12-14% от цеховой себестоимости
продукции:
Производственная
себестоимость определяется суммой цеховой себестоимости и общехозяйственных
расходов:
Коммерческие расходы
определяются укрупнено в размере 2% от производственной себестоимости:
Полная себестоимость
определяется суммированием производственных коммерческих расходов:
4.4 Расчет показателей
экономической эффективности
Важнейшим показателем
экономической эффективности внедрения нового оборудования является прибыль П.
Она определяется исходя из стоимости годового объема продукции О, произведенного
на новом оборудовании, и полной себестоимости изготовления этой продукции.
где Ц п -
стоимость учетной единицы продукции.
Для базовой модели:
где Сед -
себестоимость единицы продукции.
Для проектируемой модели
стоимость учетной единицы продукции можно повысить с учетом повышения качества
продукции на 10%.
Экономический эффект от
модернизации составил
Пмод=П2-П1 =
-
=
3139369,95 руб.
Вывод: Модернизация
конструкции осевой и окружной приводки дает возможность повысить качество
продукции. В свою очередь повышение качества позволяет увеличить цену на
выпускаемую продукцию. При увеличении цены на 10% прибыль увеличивается на
3139369,95 руб. в год.
Заключение
1. В дипломной работе был
проведен сопоставительный анализ основных направлений совершенствования
механизмов приводки. Разработан механизм осевой и окружной приводки,
обеспечивающий повышенную точность совмещения краски.
. Разработан процесс разборки
привода осевой приводки.
. В разделе охрана труда были
разработаны мероприятия по предотвращению пожара, а также по предотвращению
поражения оператора электрическим током. Проведен расчет освещенности рабочего
места.
. Экономический расчет
показал, что модернизация конструкции осевой и окружной приводки дает
возможность повысить качество продукции, что приводит к увеличению прибыли.
Список используемой
литературы
1. Штоляков В.И.,
Вартанян С.П., Федосеев А.Ф., Перова А.А. Рулонные офсетные печатные машины KBA. - М.: МГУП, 2007.
2. Штоляков В.И.,
Румянцев В.Н. Печатное оборудование. Учебное пособие. - М: МГУП, 2011.
3. Куликов
Г.Б. Безопасность жизнедеятельности. Учебник. М.: Изд-во МГУП «Мир книги»,
1998.
4. Тимофеев
В.И. Технология конструкционных материалов. Учебное пособие. - М.: МГУП, 2005.
. Куликов
Г.Б. Охрана труда. Методические указания. - М.: МГУП, 2007.
. Единые
нормы времени и выработки на процессы полиграфического производства. - М.:
Книжная палата, 1988.
. Токмаков
Б.В. Методические указания по дипломному проектированию. - М.: МГУП, 2005.
. Елизарова
О.И. Экономика и организация производства. Методические указания - М.: МГУП,
2004.
9. Косиловой А.Г.
Справочник технолога-машиностроителя. Машиностроение, 1986.
10. Положение
о техническом обслуживании и ремонте оборудования полиграфических предприятий.
- М.: Книжная палата, 1990.
11. Заплетохин В.А.
Конструирование деталей механических устройств: Справочник. - Л.:
Машиностроение, 1990 - 669 с.