Разработка механизированного приспособления на токарный станок модернизации 16К30Ф3С32 детали 'Вал'
«Проектирование
технологической оснастки»
Контрольная
работа
на
тему: «Разработка механизированного приспособления на токарный станок
модернизации 16К30Ф3С32 детали «Вал» »
Содержание
Введение
Описание детали
Краткая техническая характеристика
металлорежущего станка
Выбор базы
Расчетная часть
.1 Расчет режимов резания при
точении
Расчет опасного сечения
6 Расчет
погрешности установки заготовки в приспособление
Назначение и прицип
работы приспособления
Вывод
Список использованной литературы
Введение
В данной контрольной работе рассматривается
вопрос разработки комплекта конструкторской документации приспособления для
обработки на токарном станке детали «Вал».
В данной работе представлена схема базирования
детали, принципиальная схема приспособления, выполнены расчеты сил закрепления
и сил резания, выполнены расчеты на срез некоторых элементов конструкции
приспособления. Определена погрешность установки заготовки.
Также в работе представлено описание
последовательность действий при эксплуатации.
На современном этапе развития общества, все
большее внимание уделяется такому направлению как машиностроение. Ведущую роль
в нем играет станкостроение, изготавливающее средства производства -
технологическое оборудование, приспособления и инструменты для
машиностроительных предприятий, которые позволяют повысить производительность
труда, расширить технологические возможности.
Повышение производительности труда
обеспечивается применением высокопроизводительного оборудования и
высокоэффективных приспособлений.
Так, например, за счёт использования
приспособлений в машиностроении при обработке деталей исключаются разметка
заготовок и выверка их при установке на станках.
Используя приспособления, можно сократить
основное технологическое время за счёт совмещения обработки нескольких
заготовок и различных поверхностей одной заготовки; увеличения числа
одновременно работающих инструментов; повышения параметров режима обработки.
Для этого обычно применяют многошпиндельные сверлильные и фрейзерные головки;
многорезцовые державки для токарно - револьверных станков; многоместные
приспособления и приспособления для установки заготовок пакетами;
приспособления, повышающие жёсткость технологической системы СПИД (станок -
приспособление - инструмент - деталь).
В понятие технологическая оснастка входят
различные приспособления - механические устройства, используемые для
закрепления заготовок при механической обработке, сборки и контроля различных
изделий.
По классификации и назначению приспособления
подразделяют на следующие виды:
) Станочные - применяемые, для установки и
закрепления на станках обрабатываемых заготовок.
) Для установки и закрепления режущего
инструмента.
) Сборочные приспособления - для соединения
сопрягаемых деталей в сборочные единицы и узлы. Их применяют для
предварительной сборки упругих элементов (пружин), для выполнения соединений с
натягом и т. п.
)Контрольные приспособления - применяют для
промежуточного и окончательного контроля размеров деталей.
По уровню специализации приспособления
различают:
универсальные - предназначенные для обработки
разнообразных заготовок (тиски, 3-х кулачковые патроны (см. рис. 1),
делительные столы и головки и т. п.);
специализированные - для обработки заготовок
одного типа (различные механизмы со сменными устройствами - делительное
приспособление с набором сменных цанг);
специальные - предназначенные для выполнения
к/либо одной операции на данной детали (накладные кондукторы-рис.2, и т.п.).
Универсальные приспособления применяют в
условиях единичного и мелкосерийного производства, а специализированные и
специальные - в условиях крупносерийного и массового производства.
В условиях серийного производства применяют
также универсально-обратимые приспособления. Они состоят из множества
нормализованных элементов и допускают быструю и многократную их перекомпоновку,
вследствие чего могут быть использованы для выполнения различных операций. Это
способствует снижению сроков изготовления и внедрения технологической оснастки.
Существуют две основные системы
универсально-обратимых приспособлений, универсально-сборная (УСП)-рис.3 и
универсально-наладочная (УНП).
Система УСП состоит из набора нормализованных
деталей, из которых можно быстро, по принципу универсальной собираемости и
взаимозаменяемости собирать различные приспособления одноцелевого назначения.
После использования собранного пo заявке приспособления его разбирают и детали
возвращают на склад; затем из них могут быть собраны новые компоновки. Таким
образом, система УСП универсальна только в отношении изготовления приспособлений.
Последние же получаются не универсальными, а специальными (одноцелевыми).
Система УСП включает набор из 25 000-30 000 деталей и некоторое количество
нормализованных неразборных узлов. Из этого набора можно собирать одновременно
до 300 приспособлений.
Система универсально-наладочных приспособлений
основана на использовании сменных установочных, зажимных и направляющих
элементов, закрепляемых на базе универсального нормализованного приспособления.
1.
Описание детали, выбор приспособления и вида силового зажима
Деталь вида «Вал» представляет собой тело
вращения цилиндрической формы.
Данная деталь представляет собой изделие,
габаритные размеры которого l=800мм,
d=400h14,
шероховатость Rz=80.
Деталь типа «Вал» изготавливается из дюралюмия
Д16Т.
Алюминиевый сплав Д16Т относится к
термически упрочняемым алюминевым сплавам. Это означает, что его можно
закалить. Сплав содержит 3,8-4,9% меди и 1,2-1,8% магния. Сплав содержит
3.8-4.9% меди и 1.2-1.8%магния
Таблица 1- Основные механические
свойства сплава Д16Т
|
Параметр
|
Значение
|
|
Модуль
упругости первого рода, Е
|
6900кг/мм2
|
|
Временное
сопротивление разрыву,
σв
|
6350
кг/мм2
|
|
Напряжение
при относительном растяжении 0,2%
|
28
кг/мм2
|
|
Напряжение
при относительном растяжении 0,2% при температуре 100°С
|
26
кг/мм2
|
|
Напряжения
смятия при относительной деформации 0,2%
|
35
кг/мм2
|
|
Коэффициент
температурного расширения
|
23,8·10-6
1/град
|
|
Плотность
|
2,78
г/см3
|
Таблица 2 - Химический состав сплава
Д16Т, в %
|
Химический элемент
|
Fe
|
Si
|
Mn
|
Ni
|
Ti
|
Al
|
Cu
|
Mg
|
Примеси
|
|
Значения
|
до 0,5
|
до 0,5
|
0,3-0,9
|
до 0,1
|
до 0,1
|
90,8-94,7
|
3,8-4,9
|
1,2-1,8
|
до 0,3
|
Прочие, каждая 0,05; всего 0,1
|
Рисунок 1 - Общий вид детали
2.
Краткая техническая характеристика металлорежущего станка
Станок 16К30Ф3С32 патронно-центровой
предназначен для токарной обработки наружных и внутренних поверхностей деталей
типа тел вращения со ступенчатым и криволинейным профилями в один или несколько
проходов в замкнутом полуавтоматическом цикле, а также для нарезания крепежных
резьб (в зависимости от возможностей системы ЧПУ). Станок используют в
единичном, мелко- и среднесерийном производстве.
Таблица 3 - Техническая характеристика станка
16К30Ф3С3
|
Параметр
|
Значение
|
|
Наибольший
диаметр обрабатываемой детали, мм:
|
|
Над
станиной
|
630
|
|
Над
суппортом
|
320
|
|
Прутка
|
70
|
|
Перемещении
суппорта между рабочими упорами, не менее,мм:
|
|
продольное
|
1200
|
|
поперечное
|
300
|
|
Числа граней резцедержателя
|
4
|
|
Пределы
частоты вращения шпинделя, об/мин
|
6.3-150
|
|
Кол-во
скоростей шпинделя:
|
|
общее
|
24
|
|
по программе
|
12
|
|
Пределы
рабочих подач, мм/об:
|
|
продольных
|
0.01...20.47
|
|
поперечных
|
0.01...20.47
|
|
Габаритные
размеры станка, мм, не более:
|
|
длина
|
5290
|
|
ширина
|
3470
|
|
высота
|
2105
|
Рисунок 2 - Станок 16К30Ф3С32
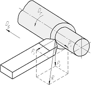
3.
Выбор базы
При моем базировании детали она лишается 5
степеней свободы, т.к. закрепляется в трехкулачковом патроне. Приспособление
представляет собой трехкулачковый патрон, который охватывает наружный диаметр в
трех местах. Силы зажима будет предостаточно для того, чтобы силы резания не
сдвинули заготовку.
Рисунок 3 - Базирование детали
Базирование - придание заготовке или
изделию требуемого положения относительно выбранной системы координат.
4.
Расчетная часть
.1
Расчет режимов резания при точении
Материал - Д16Т;
Глубина резания - 5мм;
Обрабатываемый диаметр 400h14мм
(D);
Длина обработки 800мм(L).
) Выбор марки инструментального материала и геометрию
режущей части инструмента
Для Д16Т принимаем Т15К6.
Выбираем проходной резец со следующей
геометрией:
D = 20, L=225,
,
,
,
Sо=Sтаб Kls, (4.1)
где Sтаб - подача
табличная;
Kls -
коэффициент для Sтаб.
Sтаб =
(0.38…0.43),
Kls=0.9
Sо=(0.38...0.43)
0.9=0.3...0.35
Принимаем So=0.3
) Расчет скорости резания
Pz=10
Cp tx Sy Vn Kp (4.2)
где Cpi, xpi,
ypi, kpi, np - справочные коэффициенты;
t - глубина резания (мм);
S - величина подачи
(мм/об);
V - скорость
резания.
Pz=10
40 51 0.30.75 226.080=800Н
Таблица 4 - Значение Ср и показателей степени
для определения силы резания при точении
|
Вид обработки
|
Инструментальный материал
|
Cp
|
xp
|
yp
|
np
|
|
Точение и растачивание
|
Д16Т
|
40
|
1.0
|
0.75
|
0
|
)Уточнение скорости резания по ряду чисел
оборотов шпинделя
, (4.3)
где V - скорость
резания;
D - диаметр
обрабатываемой детали.
N=
=180
Применяем Nст=180об/ми
)Расчет крутящего момента на
шпинделе станка
, (4.4)
где Dзаг
-диаметр
заготовки, мм.
Mkp=
=160н*м
) Расчет момента
врезания
MвPz=Pz R, (4.5)
где R-радиус детали.
MвPz=800 200=160000н м,
Mз=2…2,5
MвPz
Mз=2.5*160000=40000н
м
)Расчет силы закрепления
Рисунок 4 - Схема
резания
Qз=
,
(4.6)
где Мз -
момент закрепления;
R
- радиус закрепления.
Qз=
=266.6кг.
Qобщ=3
266.6=799.8кг
8) Расчет эффективной
мощности
, (4.7)
где V-скорость резания.
Ne=
=3.01кВт
)Из этой формулы находим
мощность расходуемую электродвигателем
, (4.8)
где
-
к.п.д. станка, равный 0,75.
Nэ=
=4.01кВт
10)Определение машинного
времени
Tm=
,
(4.9)
где l - длина обработки;
l1 - величина врезания и
перебега;
n-число оборотов;
So-подача режущего инструмента.
Тм=
=4.4мин
Конструктивно решили,
что винтов будет 6 шт. В ГОСТ 1491-80 указаны марки стали и предел прочности
винта. Мы выбрали марку: Ст.3 и придел прочности
=38кгс/мм2.
Сила разрыва винта равна
силе на штоке, следовательно, можно посчитать площадь всех винтов:
S=
,
(5.1)
гдеW - сила зажима заготовки 7998Н;
- предел прочности
38кгс/мм2.
S=
=210.4мм2
) Определяем площадь
одного винта
S
=
,
(5.2)
где S - площадь все винтов 157.8мм2;
n
- кол-во винтов 6шт.
S
=
=35мм2
) Производим расчет с
учетом коэффициента запаса
S1=
S
2, (5.3)
S1=35х2=70мм2
3) Из площади одного
винта находим диаметр одного винта:
S=
R, (5.4)
R=
,
(5.5)
R=
=4.2мм
) Из этого радиуса
находим диаметр винта:
d=2
R, (5.6)
d=2х4.2=8.4мм
По ГОСТ 1491-80
принимаем d=8мм.
По ГОСТ1491-81 принимаем
остальные параметры винта:
шаг - крупный, диаметр
головки D = 12мм, высота головки k=3.9мм,
длина резьбы b=20мм,
длина винта l = 40мм, высота паза t
= 2мм, ширина паза n=1.78мм
6.
Расчет погрешности установки заготовки в приспособление
Погрешность установки 
как одна из составляющих общей
погрешности выполняемого размера, суммируется из погрешностей базирования

, закрепления 
и
погрешности положения заготовки в приспособлении
.
Все составляющие представляют поля
рассеивания случайных величин, поэтому суммируются в общем случае по правилу
геометрического сложения. деталь металлорежущий
станок вал
Погрешность базирования 
имеет место при не совмещении
установочной и технологической баз и зависит также от допуска и погрешности
формы базовых поверхностей.
Погрешность закрепления
возникает в
результате смещения обрабатываемых поверхностей заготовок от действия зажимной
силы. В нашем случае применяется механическое приспособление обеспечивающее
постоянство силы зажима погрешностью закрепления можно пренебречь, т.е.
= 0
Погрешность положения заготовки 
является следствием неточности
изготовления станочного приспособления и износа его установочных элементов, а
также погрешности установки самого приспособления на станке. Погрешность
положения заготовки принимаем 
=0.05
Для данного случая погрешность
базирования по диаметру равна 
=0.08
Погрешность установки заготовки
находим по формуле:
, (6.1)
.
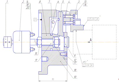
7.
Назначение, устройство и принцип работы проектируемого приспособления
Рисунок 5 - Приспособление токарное
Самоцентрирующие трехкулачковые патроны
предназначены для закрепления обрабатываемых штучных заготовок и пруткового
материала на токарных станках.
Электродвигатель(1) передает ток в редуктор(2),
по средствам преобразования редуктор двигает шток(11).При зажиме заготовки шток
с гайкой(15) при движении влево двигает ползун(8) и передают движения
рычагу(7). Рычаг двигает вниз рейку(5),сухарик(4) и кулачок(3).За счет движения
кулачка вниз происходит зажим заготовки.
Разжим заготовки происходит за счет движения
штока и гайки(15) вправо при этом рычаг поднимает рейку вверх вместе с сухариком
и кулачком.
8.
Вывод
К числу нормализованных приспособлений, на базе
которых собирают УНП, относятся машинные тиски со сменными губками, скальчатые
кондукторы, пневматические патроны со сменными кулачками (рис. 4), цанговые
устройства и другие.
Применение УНП сокращает издержки и сроки
технологической подготовки производства, повышает его гибкость. При запуске
новой партии обрабатываемых деталей приспособления не снимают со станка, а лишь
переустанавливают сменные элементы. Сменные детали и узлы УНП хранят на рабочем
месте у станка. Их установка на приспособление осуществляется по центрирующим
штырям, штифтам или по направляющим пазам без выверки и занимает по времени
около 5 мин. Вследствие этого сокращается время на организацию рабочего места и
повышается коэффициент использования станочного оборудования по времени.
Наличие освоенного парка УНП на действующем
заводе облегчает переход на новый объект производства. Сроки подготовки
производства могут быть при этом сокращены, так как отпадает необходимость
конструирования и изготовления многочисленной специальной оснастки.
Использование приспособлений обеспечивает:
)повышение производительности труда благодаря
сокращению времени на установку и закрепление заготовок (tв); благодаря
применению многоместной и многоинструментной обработки (за счёт снижения t0);
)повышение точности обработки за счёт более
точной установки заготовки и настройки станка;
)облегчение условий труда станочников;
расширение технологических возможностей оборудования.
Список
использованной литературы
1)Ансеров, М.А. Приспособления для
металлорежущих станков - М.: Машиностроение, 2007:652 стр.
)Анурьев, В.И. Справочник
конструктора-машиностроителя: В 3-х т. Т.1-4-е изд., перераб. и доп. - М.:
Машиностроение, 2010: 730 стр.
)Стружестрах, Е.И. Справочник
нормировщика машиностроителя Том 2 техническое нормирование станочных работ
2009; 240 стр.
)Горошкин, А.К. Приспособление для
металлорежущих станков - М.: Машиностроение, 2006; 484 стр.
)Корсаков, В.С. Основы
конструирования приспособлений - М.: Машиностроение, 2008; 277 стр.
) Повышаем
информационную культуру // Библиотека МОУ «ООСШ № 2» п. Октябрьский
[Электронный ресурс] . - http:// schoolbiblio.ucoz.ru /forum/. - (дата
обращения : 14.01.2012).