Разработка автоматизированной системы управления воздушным компрессором КГЦ

  • Вид работы:
    Дипломная (ВКР)
  • Предмет:
    Другое
  • Язык:
    Русский
    ,
    Формат файла:
    MS Word
    1,88 Мб
  • Опубликовано:
    2013-11-08
Вы можете узнать стоимость помощи в написании студенческой работы.
Помощь в написании работы, которую точно примут!

Разработка автоматизированной системы управления воздушным компрессором КГЦ















ПОЯСНИТЕЛЬНАЯ ЗАПИСКА К ДИПЛОМНОМУ ПРОЕКТУ

Разработка автоматизированной системы управления воздушным компрессором КГЦ


Введение

В мировой практике нефтепереработки осуществлено большое количество схем вторичной перегонки бензина. При выборе технологической схемы руководствуются главным образом компонентным составом бензина, требованиями качества целевых фракций, экономическими требованиями. Целью вторичной перегонки бензина является разделение прямогонного бензина на фракции, которые дают наибольший экономический эффект в процессах дальнейшей переработки бензина (таких как, изомеризация, риформинг и нефтехимических процессах).

В качестве сырья установки изомеризации наиболее часто используют фракцию с концом кипения 62-75°С, в которой ограничивают содержание фракций С4, С7+ и содержание бензола.

В качестве сырья установки риформинга обычно используются фракции с началом кипения 95-110°С и концом кипения 160-180°С, в которой ограничивается содержание компонентов, образующих бензол. Исследования, проведенные на установке Л-35-8/300Б на ООО «Лукойл-Волгограднефтепереработка» показали, что с увеличением температуры начала кипения сырья риформинга со 100°С до 105°С содержание бензола в стабильном катализате снижается с 3.5 до 1.5%.об.

Обычно для подготовки сырья установок риформига и изомеризации используется двухколонная схема, в которой осуществляется разделение прямогонной фракции НК-180°С на фракции НК-75°С, 75-100°С и 100°С-КК. Данная схема с выделением бензолобразующей фракции до реактора риформинга позволяет уменьшить содержание бензола в катализате и уменьшить удельные энергетичские затраты и увеличить выход целевого продукта - высокооктанового компонента бензина, по сравнению со схемой выделения бензолсодержащей фракции после реактора риформинга при заданной мощности установок.

1. Особенности технологического процесса фракционирования прямогонного бензина

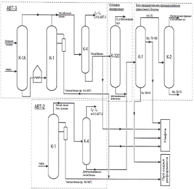
В настоящее время на ООО «РН-КНПЗ» осуществляется модернизация установки каталитического риформинга в составе, которой имеется блок фракционирования. Принципиальная схема разделения (фракционирования) бензинов осуществляется по схеме представленной на рисунке 1.1.

Рисунок 1.1 - Принципиальная схема разделения бензинов на ООО «РН-КНПЗ»

1.1    Описание технологического процесса

Рисунок 1.2 - Технологическая схема блока фракционирования

программный автоматизация нефтепродукт управление

Непосредственно технологический процесс фракционирования осуществляется по технологической схеме, представленной на рисунке 1.2.

Стабильный бензин сырьевым насосом Н-1 (Н-1А) прокачивается через межтрубное пространство теплообменника Т-1 и межтрубное пространство теплообменника Т-2 и с температурой 120°С поступает в качестве сырья в колонну К-1. Подача бензина регулируется по расходу с коррекцией по уровню в сырьевой емкости Е-1. Выходящие сверху колонны пары после конденсации в аппарате воздушного охлаждения ВХ-1 и водяном холодильнике Х-1 поступают в рефлюксную емкость Е-2, из которой насосом Н-4 (Н-4А) откачивается фракция НК-75°С. часть фракции подается в колонну в качестве острого орошения, балансовое количество фр. НК-75 0C прокачивается через межтрубное пространство теплообменника Т-3 и с температурой 95°С направляется в колонну К-2 на выделение изопентановой фракции. Бензолобразующая фракция самотеком поступает в продуктовую емкость Е-3, затем насосом Н-3 (Н-3А) с заданным расходом прокачивается через трубное пространство теплообменника Т-1, аппарат водяного охлаждения Х-4, и с температурой не выше 40°С выводится с установки.

Фракция 100-160°С откачивается насосом Н-2 (Н-2А) снизу колонны К-1, часть потока направляется в печь П-1, балансовое количество фракции по расходу с коррекцией по уровню в кубе колонны направляется в трубное пространство теплообменника Т-2, затем в аппарарат воздушного охлаждения ВХ-3, аппарат водяного охлаждения Х-3 и с температурой не выше 40°С выводится с установки.

Пары сверху колонны К-2 после конденсации в аппаратах воздушного охлаждения ВХ-2 и водяных доохладителях Х-2 направляются в рефлюксную емкость Е-4, из которой насосом Н-6 (Н-6А) откачивается изопентановая фракция, часть фракции поступает в колонну как острое орошение, балансовое количество изопентановой фракции направляется в аппарат водяного охлаждения Х-5 и с температурой не выше 40°С выводится с установки.

Кубовый продукт колонны К-2, негидроочищенное сырье изомеризации, откачивается насосом Н-5 (Н-5А) снизу колонны, часть потока направляется в печь П-2, балансовое количество фракции по расходу с коррекцией по уровню в кубе колонны охлаждается в трубном пространстве теплообменника Т-3, водяном холодильнике Х-6 и с температурой не выше 40°С выводится с установки.

1.2    Требования, предъявляемые к процессу фракционирования

К процессу фракционирования предъявляются следующие технологические требования:

-       Разделение бензина на фракции нк-75 о С (верхний продукт), 75-100 (95) о С (боковой продукт без использования стриппинга - бензолообразующая фракция) и 100 (95) - 160 о С (кубовый продукт - негидроочищенное сырье риформинга);

-       Выделение из фракции нк-75 о С изопентановой фракции, кубовый продукт - негидроочищенное сырье установки изомеризации;

-       На блоке гидроочистки использовать фракцию, полученную с блока фракционирования прямогонного бензина с последующим компаундированием фракции нк-75 о С и фракции 100-КК (фракция 95-КК);

-       Режим работы - непрерывный, 8000 часов в году;

-       Обеспечение энергоресурсами, реагентами и вспомогательными материалами осуществляется от источников и инженерных сетей НПЗ. В соответствии с ТУ на присоединение объекта к инженерным сетям НПЗ;

Продукты блока фракционирования должны удовлетворять требованиям качества:

.3      Требования к автоматизации

-       Предусмотреть автоматизацию на современной базе микропроцессорной техники. При разработке проекта руководствоваться утвержденными «ТТ к оборудованию РСУ, СБ и ПАЗ (АСУ ТП) и КИП применяемого в проектах для ООО «РН-Комсомольский НПЗ»;

-       Предусмотреть средства измерения, обеспечивающие автоматизированный технологический учет (замена СИ по расходу и температур Кл. 0,5-1,0 не ниже), как на границах блока, так и для ответственных позиций регулирования;

-       Управление технологическим процессом осуществить из ЦУП завода.


2. Разработка автоматизации участка предварительного нагрева нефтепродуктов

В настоящем дипломном проекте рассматривается автоматизация участка предварительного нагрева нефтепродуктов блока фракционирования, представленного на рисунке 2.1

Рисунок 2.1 - Участок предварительного нагрева нефтепродуктов

Участок состоит из следующего технологического оборудования:

.        Емкость Е-1, оборудованная датчиком уровня LC;

.        Центробежный насос Н-1;

.        Регулирующий клапан с расходомером FC;

.        Теплообменник Т-1.

Основной функцией представленного участка является подогрев стабильного бензина за счет теплообменных процессов в межтрубном пространство теплообменника Т-1 до температуры 120°С, с последующей прокачкой сырьевым насосом Н-1 (Н-1А). Подача бензина регулируется по расходу с коррекцией по уровню в сырьевой емкости Е-1.

Наибольший интерес при автоматизации данного процесса представляет электропривод перекачивающего насоса Н-1.

Поскольку процесс управления расхода задвижками мало эффективен, то логично предположить, что при модернизации имеется возможность заменить не регулируемый электропривод перекачивающего насоса на регулируемый с автоматической системой поддержания требуемого давления.

Следует отметить, что преобразователь частоты предназначен для бесступенчатого регулирования частоты вращения асинхронного электродвигателя. Регулирование скорости осуществляется за счет преобразования трехфазного (или однофазного) напряжения с постоянной частотой и амплитудой в трехфазное напряжение с переменной частотой и амплитудой. Частотные преобразователи позволяют реализовывать достаточно сложные алгоритмы управления, осуществлять защиту двигателя, регулировать КПД, оптимизировать режимы работы в зависимости от нагрузки и выполнять другие функции. Применение частотных преобразователей с асинхронными двигателями является перспективным и экономически обоснованным направлением замены как регулируемого привода постоянного тока, так и нерегулируемого привода переменного тока.

Использование частотных преобразователей позволяет:

·        значительно снизить энергетические, ремонтные и эксплуатационные затраты при поддержании прежней производительности машин и механизмов;

·        плавно регулировать скорость вращения электродвигателя от нуля до

·        номинального значения при сохранении максимального момента на валу;

·        реализовать полную защиту электродвигателя;

·        уменьшить потребление электроэнергии за счет оптимального управления электродвигателем в зависимости от нагрузки;

·        осуществить плавный пуск электродвигателя с током, не превышающим номинального значения;

·        устранить пиковые нагрузки и просадки напряжения в электросети в момент пуска электродвигателя;

2.1 Описание насосного оборудования

В качестве перекачивающего насоса используют центробежный нефтеперекачивающий насос ЦН 160/112Е

Рисунок 2.2 - Внешний вид насоса ЦН 160/112Е

Насосы типа ЦН - двустороннего входа горизонтальные одноступенчатые, c торцовым уплотнением, предназначены для перекачивания нефтепродуктов и воды содержащей примеси нефтепродуктов. Насос допускается для работ во взрывоопасных производствах для перекачивания жидкостей относящихся к категории IIА, IIB и группе взрывоопасности T1, Т2, Т3 и Т4 по ГОСТ 12.1.011-78.

Таблица 2.1 - Технические характеристики насосов марки ЦН




2.2 Описание электродвигателя

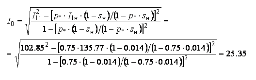
В качестве приводного двигателя насоса используется асинхронный двигатель с короткозамкнутым ротором серии 4А250S2У3. Паспортные данные двигателя:

Номинальная мощность двигателя, кВт: Pн = 75

Скорость двигателя, об/мин: nн =3000

Номинальное скольжение: sн=0.014

Номинальный КПД: зн=0.93

Номинальный коэффициент нагрузки: cosцн=0.9

Момент инерции вала двигателя, кг/м2: J = 1

Линейное напряжение питания, В: U1 = 380

Фазное напряжение питания, В: U = 220

Номинальный ток статора, А


Синхронная угловая частота вращения электромагнитного поля, рад/сек:


Номинальная угловая частота вращения, рад/сек:



Номинальный момент на валу двигателя, Н·м:


Ток статора двигателя при частичной загрузке, А:


где р*=Р/Рн=0.75 - коэффициент загрузки двигателя

cosцp=0.99 - коэффициент мощности при частичной нагрузке

зр*=зн=0.93 - КПД двигателя при частичной загрузке

Ток холостого хода двигателя, А


Соотношение для расчета критического скольжения



где: в - жесткость механической характеристики:


Значение коэффициента в находится в диапазоне 0.6ч2.5, поэтому в первом приближении принимаем в=1.

Определим коэффициент:


Активное сопротивление ротора, приведенное к обмотке статора двигателя, Ом:


Активное сопротивление статорной обмотки, Ом:


Параметр г, который позволяет найти индуктивное сопротивление короткого замыкания:


Индуктивное сопротивление короткого замыкания, Ом:


Индуктивное сопротивление роторной обмотки, приведенное к статорной, Ом:


Индуктивное сопротивление статорной обмотки, Ом:


По найденным значениям параметров определим критическое скольжение:


ЭДС ветви намагничивания, наведенная потоком воздушного зазора в обмотке статора в номинальном режиме, В:



Индуктивное сопротивление намагничивания, Ом


Электромеханическая характеристика, определяющая зависимость приведенного тока ротора от скольжения


где U1j - фазные напряжения, приложенные к обмоткам статора двигателя.

U1j=220B, 198 B, 176 В, 154 В;

Полагая, что ток намагничивания двигателя имеет полностью реактивный характер, выражение для электромеханической характеристики, описывающей зависимость тока статора от скольжения, запишется следующим образом



где I0 будет меняться в зависимости от величины питающего напряжения, согласно выражению:


Рисунок 2.3 - Электромеханические характеристики двигателя

Механическая характеристика двигателя определяется следующим выражением:


Уравнение нагрузочной характеристики производственного механизма (вентилятора) имеет следующий вид:

или


где М0 - момент сопротивления трения в движущихся частях механизма, который был найден следующим образом. Как известно, потери трения приблизительно определяются по следующей формуле, Вт:


Кроме того, принимается, что потери трения практически не зависят от частоты вращения, поэтому момент трения определится, Н·м


Современные асинхронные двигатели проектируются таким образом, что наибольший КПД достигается при загрузке на 10-15% меньшей номинальной. Двигатели рассчитываются так потому, что большинство из них в силу стандартной дискретной шкалы мощностей работают с некоторой недогрузкой. Поэтому КПД при номинальной нагрузке и нагрузке р*= 0,75 практически равны между собой, т.е. зн0.75.

Вид механических характеристик системы зависит от приложенного к статорным обмоткам АД переменного напряжения.

Семейство механических характеристик Мj(s) и нагрузочная характеристика нагрузочного механизма Mc(s) приведены на рисунке 1.4:

Рисунок 2.4 - Механические характеристики двигателя Мj(s) и насоса Mc(s)

.3 Описание способов регулирования скоростью электродвигателя

В большинстве промышленных механизмов для достижения высокой производительности электропривода и требуемого качества его работы необходимо осуществлять регулирование скорости. Регулированием скорости называется принудительное изменение скорости электропривода в зависимости от требований технологического процесса. Регулирование скорости осуществляется дополнительным воздействием на приводной двигатель; оно может быть произведено человеком или специальным автоматическим устройством.

Наибольшее распространение получили следующие способы регулирования угловой скорости асинхронного двигателя: 1) реостатное регулирование; 2) переключением числа полюсов; 3) изменением частоты питающего напряжения; 4) каскадным включением асинхронного двигателя с другими машинами или преобразователями. Для регулирования угловой скорости, кроме упомянутых, могут быть использованы некоторые другие способы включения электрических двигателей: импульсное регулирование, регулирование изменением подводимого к статору напряжения, регулирование с помощью электромагнитной муфты скольжения и др.

а) Реостатное регулирование;

Введение резисторов в цепь ротора (реостатное регулирование) позволяет, регулировать угловую скорость двигателя. Плавность регулирования зависит от числа ступеней включаемых резисторов. Регулирование осуществляется вниз от основной угловой скорости. Реостатные характеристики асинхронного двигателя, как и в приводе постоянного тока, отличаются невысокой жесткостью, уменьшающейся с ростом сопротивления резисторов в роторной цепи.

Допустимый диапазон при реостатном регулировании угловой скорости не превышает (1,5 ~ 2). В условиях эксплуатации напряжение питающей сети также может изменяться относительно номинального значения. Его снижение приведет к уменьшению модуля жесткости характеристики и к еще большему уменьшению диапазона регулирования. При вентиляторной нагрузке может быть допущен больший диапазон регулирования, примерно (3 ~ 5). Плавность регулирования тем выше, чем больше число ступеней регулировочного резистора.

Допустимая нагрузка длительно работающего двигателя при реостатном регулировании определяется неизменным моментом, равным номинальному, так как номинальному моменту соответствует номинальный ток двигателя.

Допустимый ток и соответственно допустимый момент двигателя должен быть снижен по сравнению с номинальным тем в большей мере, чем ниже его угловая скорость.

Допустимый момент асинхронных двигателей с фазным ротором уменьшается по мере снижения угловой скорости примерно до 0,4Мном в соответствии с равенством


Потери мощности при реостатном регулировании складываются из переменных потерь, включающих потери в меди статора и ротора и во внешних резисторах роторной цепи, и постоянных - не зависящих от нагрузки. При неизменном моменте нагрузки и реостатном управлении потери мощности в роторной цепи изменяются пропорционально скольжению, а потери в статоре не зависят от скольжения и остаются неизменными при данном моменте нагрузки. Основная мощность теряется в регулировочном резисторе.

Недостатками реостатного регулирования скорости являются:

) Необходимость дискретного изменения сопротивления в роторной цепи с помощью силовых аппаратов, управляемых дистанционно или вручную, что дает ступенчатое регулирование скорости и исключает возможность использования замкнутых систем автоматического управления;

) Невысокое быстродействие;

) Большие потери энергии.

В настоящее время наблюдается тенденция к уменьшению использования рассмотренного вида регулирования скорости по причине его недостатков по сравнению с другими имеющимися методами регулирования.

б) Регулирование изменением напряжения;

Если регулировать напряжение, подводимое к трем фазам статора асинхронного двигателя, то можно, отвлекаясь от влияния параметров регулирующего устройства на характеристики двигателя, изменять максимальный момент, не изменяя критического скольжения. Устройством для регулирования напряжения может быть, например, тиристорный регулятор (ТРН). ТРН является устройством, преобразующим напряжение питающей сети в регулируемое напряжение той же частоты. В связи с большими потерями скольжения в асинхронных приводах, ТРН в основном применяется для управления двигателями с фазным ротором. Использование ТРН в электроприводах асинхронных двигателей с короткозамкнутым ротором возможно только для формирования пуско-тормозных режимов.

Регулирование угловой скорости двигателя при этом способе происходит за счет уменьшения модуля жесткости механических характеристик и осуществляется вниз от номинальной угловой скорости. Плавность регулирования определяется плавностью изменения напряжения. При применении тиристорного регулятора напряжения угловая скорость регулируется бесступенчато. Механические характеристики двигателя с короткозамкнутым ротором при регулировании напряжения па статоре приведены на рисунке 2.5.

Рисунок 2.5 - Механические характеристики АД при регулировании напряжения на статоре

Из этих характеристик следует, что пределы регулирования весьма ограничены даже при использовании вентиляторной нагрузки, но они могут быть существенно расширены в замкнутых системах электропривода. В действительности вследствие уменьшения критического скольжения из-за влияния параметров регулирующего устройства пределы регулирования в разомкнутых системах еще уменьшаются.

Так как большие потери мощности скольжения в двигателе с короткозамкнутым ротором выделяются в самом роторе, то допустимый момент резко уменьшается по мере роста скольжения, поэтому такой неэкономичный способ регулирования угловой скорости асинхронного двигателя с короткозамкнутым ротором можно использовать только при малой мощности двигателя и в кратковременном режиме работы.

Потери энергии в приводе получаются примерно такими же или несколько больше, как и при реостатном регулировании; потери мощности скольжения в основном выносятся из двигателя и выделяются в дополнительном резисторе, что увеличивает допустимый момент. Этот способ может быть использован при вентиляторной нагрузке для продолжительного режима, а при Мс = const для кратковременного режима работы.

в) Регулирование угловой скорости переключением числа полюсов

Из выражения для угловой скорости асинхронного двигателя следует, что угловую скорость можно регулировать, изменяя число пар полюсов р, если задана частота питающей сети f1 и мало изменяется скольжение s:


Так как число пар полюсов может быть только целым числом, то регулирование угловой скорости оказывается ступенчатым. Такой способ регулирования реализуется практически в двигателях с короткозамкнутым ротором, где переключение полюсов производится в обмотке статора, обмотка ротора при этом автоматически приспосабливается к избранному числу полюсов. Принципиальные схемы присоединения полуобмоток для изменения числа полюсов в обмотках с соотношением 2:1 приведены на рисунок 2.6 (а-в).

Рисунок 2.6 - Принципиальные схемы присоединения полуобмоток для изменения числа полюсов в обмотках с соотношением 2:1

На рисунке 2.7 (а-д) даны наиболее употребительные схемы переключения обмоток статора. При переключении с одного числа полюсов на другое сохраняется то же направление вращения двигателя.

 а) б)

 в) г)

д)

Рисунок 2.7 - Наиболее употребляемые схемы переключения обмоток статора

На рисунке 2.8 для схемы изображенной на рисунке 2.7 а) приведены примерные механические характеристики которые могут быть использованы в приводах с вентиляторной нагрузкой.

Если применяется схема переключения, отвечающая рисунке 2.7 б) или в), то в этом случае номинальные моменты, развиваемые двигателем при двойном и одинарном числах полюсов, примерно одинаковы, а его механические характеристики имеют вид, показанный на рисунке 2.9.

Рисунок 2.8 - Механические характеристики для схемы а) (рисунка 2.7) в приводах с вентиляторным моментом нагрузки

Переключение обмоток статора по схемам, изображенным на рисунке 2.7 г.) и д), дает возможность получить момент, вдвое больший при двойном числе полюсов по сравнению с одинарным. Это означает, что с уменьшением номинальной угловой скорости в 2 раза соответственно возрастает номинальный момент (рисунок 2.10).

Рисунок 2.9 - Механические характеристики для схем рисунка 2.7 б) и в)


Рисунок 2.10 - Механические характеристики для схем рисунка 2.7 г.) и д)

Точность регулирования определяется статизмом на данной характеристике и оценивается скольжением, которое в среднем составляет: для многоскоростных двигателей малой мощности - 0,05, средней мощности - 0,03, т.е. точность оказывается сравнительно высокой.

Диапазон регулирования практически не превышает 6: 1 (3000: 500 об/мин).

Регулирование угловой скорости переключением полюсов является не плавным, а ступенчатым. Вместе с тем рассматриваемый, способ регулирования является весьма экономичным и отличается механическими характеристиками, обладающими большой жесткостью. Благодаря своим преимуществам двигатели с переключением полюсов находят применение там, где не требуется плавного регулирования скорости, например в некоторых металлорежущих станках в целях уменьшения количества механических передач.

д) Регулирование с помощью силовых полупроводниковых преобразователей;

Силовые полупроводниковые преобразователи в системах электропривода выполняют функцию регулирования скорости и момента электрического двигателя. Они включены между двигателем и основным источником питания.

По принципу действия силовые преобразователи разделяются на следующие базовые типы:

широтно-импульсные преобразователи (ШИП), связывающие источник постоянного тока с двигателем постоянного тока;

- управляемые выпрямители (УВ), связывающие источник переменного тока с двигателем постоянного тока, частным случаем управляемого выпрямителя является выпрямитель неуправляемый (В);

- автономные инверторы (АИ), связывающие источник постоянного тока с двигателем переменного тока, делятся на инверторы тока и напряжения (АИН и АИТ);

непосредственные преобразователи частоты (НПЧ), связывающие источник переменного тока с двигателем переменного тока.

ШИП преобразует постоянное напряжение питания (Uirp = const,/j =0) в постоянное регулируемое напряжение на выходе (U2(V =var, f2 = 0).

УВ преобразует переменное, обычно синусоидальное напряжение частоты f= 50 Гц постоянного действующего значения (обычно 220В), в постоянное регулируемое напряжение на выходе (U2cp = var, f2 =0).

АИ преобразует постоянное напряжение питания (U1 - const, f =0) в переменное напряжение на выходе с регулируемым действующим значением и регулируемой частотой (U 2=var, f 2=var).

НПЧ преобразует переменное, обычно синусоидальное, напряжение частоты f1, = 50 Гц постоянного действующего значения (обычно 220 В) в переменное напряжение на выходе с регулируемым действующим значением и регулируемой частотой (U2 =var, f2 =var).

2.4 Выбор способа регулирования

Промышленные двигатели постоянного тока начали выпускаться в 1860-1870 гг., чему предшествовал 30-летний период их разработки после фундаментальных открытий М. Фарадея (закона электромагнитной индукции и превращения электрической энергии в механическую).

Двигатели постоянного тока широко применяются и в наше время благодаря использованию современных тиристорных преобразователей, которые позволяют осуществлять регулирование скорости данных двигателей путем изменения напряжения на якоре или в обмотках возбуждения. Для расширения диапазона регулирования скорости используются различные сигналы обратной связи (напряжение на якоре, тахогенераторы и т.д.). Однако эксплуатация двигателей постоянного тока влечет за собой ряд значительных неудобств, связанных с конструктивными особенностями машин данного типа, а именно:

. Сложность конструкции и, как результат, высокая цена

. Наличие щеточно-коллекторного узла

. Большая масса

. Необходимость в периодическом обслуживании

Все эти недостатки требуют существенных затрат при покупке машин постоянного тока и их дальнейшей эксплуатации, а так же они могут значительно снизить надежность и точность систем в целом. Необходимо планировать дополнительные планово-предупредительные работы и останавливать производство для обслуживания щеточно-коллекторных узлов и проводить периодическую продувку машин от пыли.

Возможность управления частотой вращения короткозамкнутых асинхронных электродвигателей была доказана сразу же после их изобретения. Реализовать эту возможность удалось лишь с появлением силовых полупроводиниковых приборов - сначала тирристоров, а позднее транзисторов IGBT.

В настоящее время во всём мире широко реализуется способ управления асинхронной машиной, которая сегодня рассматривается не только с точки зрения экономии энергии, но и с точки зрения совершенствования управления технологическим процессом. В промышленности и быту применяют двигатели переменного и постоянного тока.

Исторически сложилось, что для регулирования скорости вращения чаще использовали двигатель постоянного тока. Преобразователь в данном случае регулировал только напряжение, был прост и дешёв. Однако двигатели постоянного тока имеют сложную конструкцию, критичный в эксплуатации щёточный аппарат и сравнительно дороги.

Асинхронные двигатели широко распространены, надёжны, имеют относительно невысокую стоимость, хорошие эксплуатационные качества, но регуляторы скорости их вращения из-за сложности систем электронного регулирования частоты питающего напряжения стоили до начала 80-х годов дорого и не обладали качествами, необходимыми для широкого внедрения в индустрию.

Быстрый рост рынка преобразователей частоты для асинхронных двигателей не в последнюю очередь стал возможен в связи с появлением новой элементной базы - силовых модулей на базе IGBT (биполярный транзистор с изолированным затвором), рассчитанный на токи до нескольких килоампер, напряжением до нескольких киловольт и имеющих частоту коммутации 30 кГц и выше.

В зависимости от характера нагрузки преобразователь частоты обеспечивает различные режимы управления электродвигателем, реализуя ту или иную зависимость между скоростью вращения электродвигателем и выходным напряжением.

Режим с линейной зависимостью между напряжением и частотой

(U/f=const) реализуется простейшими преобразователями частоты для обеспечения постоянного момента нагрузки и используется для управления синхронными двигателями или двигателями, подключёнными параллельно.

Вместе с тем при уменьшении частоты, начиная с некоторого значения, максимальный момент двигателя начинает падать. Для повышения момента на низких частотах в преобразователях предусматривается функция повышения начального значения выходного напряжения, которая используется для компенсации падения момента для нагрузок с постоянным моментом или увеличения начального момента для нагрузок с высоким пусковым моментом, таких, например, как промышленный миксер.

Для регулирования электроприводов насосов и вентиляторов используется квадратичная зависимость напряжения / частоты (U/f2=const). Этот режим, так же как и предыдущий, можно использовать для управления параллельно подключенными двигателями.

Вместе с тем для повышения качества управления приводом требуется использование других, более совершенных методов управления. К ним относятся метод векторного управления. Данный метод обеспечивает наиболее точное и эффективное управление.

В результате для электропривода насоса наиболее экономически выгоден способ векторного управления с обратной связью по скорости. А для обеспечения поддержания заданного давления и расхода также необходимо реализовать контур регулирования по давлению.

2.5 Разработка функциональной схемы электропривода

Первая промышленная векторная система регулирования скорости электропривода с АД была разработана в конце 60-х годов ХХ века фирмой Siemens.

В системе выполнено непосредственное измерение главного магнитного потока с помощью установленных в зазоре двигателя датчиков, действие которых основано на эффекте Холла. Это является основным недостатком данной системы т.е. необходимость использования специального двигателя, конструктивной особенностью которого является наличие датчиков Холла, измеряющих магнитный поток в зазоре. В этом состоит одна из причин того, что развитие векторных систем пошло по пути перехода от непосредственного измерения потока к определению его значения с помощью математической модели электромагнитных процессов в АД (модели потока). Такое направление развития векторных систем стало возможным в результате успехов в области силовой электроники и микропроцессорной техники.

Функциональная схема системы регулирования скорости электропривода при векторном управлении АД и определении потокосцепления ротора по модели потока приведена на рисунке 2.1. Питание двигателя осуществляется от ПЧ со звеном постоянного тока и инвертором управляемым током. В показанном на рисунке 2.1 варианте схемы быстродействующие токовые контуры выполнены во вращающейся в отличие от не подвижной, системе координат. Поэтому контур регулирования токов по прямой  и квадратурной  осям включает в себя преобразователи координат прямого и обратного каналов (ПКП и ПКО). На выходах регуляторов токов РТ и РТ сравниваются между собой сигналы задания токов ` и ` и истинные значения соответствующих токов.

















Рисунок 2.11 - Функциональная схема системы регулирования давления при векторном управлении асинхронным двигателем

Входные сигналы регуляторов тока ` и ` являются сигналами задания напряжения инвертора. Во вращающейся системе координат напряжения на выходе инвертора u1A, u1B, u1C создают токи в статорных обмотках двигателя i1A, i1B, i1C, которые после преобразования их в ПКО во вращающуюся систему координат служат сигналами обратной связей по току.

Система управления электроприводом выполнена во вращающейся системе координат и построена по принципам подчиненного регулирования. Внешним по отношению к контуру тока, по оси , является контур регулирования потокосцепления ротора регулятором потока РПт. Выходной сигнал регулятора потока представляет собой сигнал задания составляющей тока статора по вещественной оси `. На входе регулятора сравнивается сигнал задания ` и истинное значение потокосцепления ротора определенной в модели потока. Внешним по отношению к контуру регулирования тока  является контур регулирования момента со своим регулятором РМ. На его входе сравнивается выходной сигнал регулятора скорости Mд`, который задает значение электромагнитного момента, и сигнал обратной связи по моменту Мд вычисленный в модели. Контур регулирования скорости с регулятором РС замкнут по сигналу  на выходе датчика скорости (ДС).

В рассматриваемой схеме исключение влияние перекрестных связей, имеющихся в математической модели двигателя, Обеспечивается путем использования быстродействующих контуров регулирования токов. Это позволяет рассматривать подсистему регулирования потокосцепления ротора как не связанную с подсистемой регулирования момента и делает возможным независимое регулирование потокосцепление ротора подобно тому, как происходит регулирование потока возбуждения в двигателе постоянного тока с независимым возбуждением. В частности, существует возможность предварительного намагничивания двигателя, т.е. возможность установить поток до того, как на контур скорости будет подан сигнал задания скорости и когда скорость двигателя равна 0.

При рассмотрении принципа построения системы предполагалось, что параметры двигателя стабильны во времени, а параметры модели потока точно соответствуют параметрам двигателя и остаются неизменными. На самом деле Параметры двигателя могут меняются в зависимости от внешних причин. Например, активное сопротивление обмоток статора и ротора зависит от температуры, которая зависти от тока протекающего по ним и от температуры окружающей среды. Кроме того, магнитную систему двигателя не всегда можно рассматривать как не насыщенную, характеризуемую постоянными значениями индуктивностей. Расхождения между изменившимися реальными параметрами двигателя и не низменными параметрами модели приводит к отклонению процессов в двигателе от расчетных, не позволяя в полной мере использовать достоинства векторного управления. Поэтому необходима подстройка модели к нестабильным параметрам двигателя. Это одна из важных задач, возникающих при разработке системы. Существует ряд методов ее решения. Остановимся на двух сравнительно простых задачах параметрической адаптации, позволяющих учитывать в модели потока изменение сопротивления из - за нагрева обмоток и насыщения магнитной системы машины.

Для решения первой задачи в двигателе предусматривается автоматический контроль температуры обмоток с помощью датчика температуры. В зависимости от нее сопротивление обмоток рассчитываются системой управления на основании специальной тепловой модели двигателя. По полученным значениям в реальном времени корректируется модель.

.6 Принцип действия преобразователя частоты с ШИМ

Схема трехфазного мостового инвертора (рисунок 2.2) включает в себя три плеча с транзисторными ключами. К средним точкам каждого из плеч подключено начало фазной обмотки статора двигателя, если обмотки статора соединены звездой, как это показано на рисунке 2.2, или угол треугольника, если обмотки соединены треугольником. Схема включает в себя общий для всех трех фаз источник пилообразного опорного напряжения . Управляющие сигналы , , представляют собой трехфазную систему синусоидальных напряжений, сдвинутых между собой на 120° Изменение частоты напряжения на выходе инвертора достигается изменением частоты управляющих сигналов, а изменение амплитуды - изменением их амплитуды.

На рисунке 2.3 показано, как формируется трехфазное напряжение на фазах нагрузки, соединенной в звезду. На рисунке заштрихованными горизонтальными линиями отмечены состояния сигналов , а следовательно, и замкнутые состояния ключей 1-6. Их зависимость от знаков разностей , , . Фазные напряжения на выходе могут принимать пять разных значений: , , , . Так на крайнем левом промежутке времени (смотри рисунок 2.2) замкнуты ключи 2, 4 и 6, чему соответствует равенство нулю напряжений на выходе: .

На следующем за ним промежутке времени замкнуты ключи 5,6 и 1. При этом , . Линейное напряжение между фазами А и В определено как . Можно отметить, что алгоритм работы рассматриваемой схемы, так же как алгоритм работы однофазного инвертора исключает возможность одновременного замыкания обоих ключей одного плеча моста. Кроме того, в графиках напряжения имеются участки, на которых замкнуты одновременно все четные или все нечетные ключи, в результате чего значения напряжения на этих участках равны нулю.



















Рисунок 2.12 - Преобразователь с 3-фазным инвертором и широтно-импульсной модуляцией

При равенстве амплитуды задающего сигнала  максимальному значению опорного напряжения  амплитуда первой гармоники напряжения на выходе инвертора равна .


а - напряжения опорное и задания

б - регулировочная характеристика инвертора

Рисунок 2.13 - Характеристика передаточного коэффициента инвертора

Для наглядности график напряжений построен при том же соотношении частоты ШИМ и частоты напряжений на выходе инвертора . Сказанное ранее о влиянии высокой частоты ШИМ справедливо и для трехфазного инвертора.

Описанная схема инвертора с явно выраженным пилообразным опорным напряжением может быть реализована как в аналоговой инвертором и широтно-импульсной модуляцией форме, так и в цифровой форме с применением микропроцессорной техники. Наряду с ней разработаны и применяются алгоритмы векторной широтно-импульсной модуляции, специально ориентированные на микропроцессорную реализацию.

2.7 Выбор ПЧ

Для электропривода перекачивающего насоса выбираем преобразователь частоты Danfoss VLT5000 [5].VLT серии 5000 является усовершенствованным и универсальным приводом с простым управлением. Быстрое меню содержит все основные параметры, необходимые для ввода привода в эксплуатацию. Преобразователь частоты Danfoss VLT серии 5000 изображен на рисунке 2.13.

Рисунок 2.14 - Преобразователь частоты Danfoss VLT серии 5000

Наличие специальных функций, делает удобным использование данной модели в системах вентиляции и на насосных агрегатах, а возможность монтажа «стенка к стенке» и способу охлаждения «cold plate», сделают одно- и многодвигательную систему управления (конвейер) простой и компактной. Возможность подключения различных датчиков обратной связи (датчик температуры, давления), делает доступным автоматическое управление процессом (поддержание заданной температуры, давления).

Спереди преобразователя частоты имеется панель управления, которая изображена на рисунке 2.14.

Рисунок 2.15 - Панель управления преобразователя


Панель управления разделяется на четыре функциональные группы:

. Шестиразрядный светодиодный дисплей.

. Кнопки для изменения параметров и сдвига функции дисплея.

. Индикаторные лампочки.

. Клавиши для местного управления.

Все параметры на дисплее имеют шестиразрядный формат светодиодного отображения, который позволяет показывать один элемент рабочих параметров непрерывно в течение всего времени работы. В качестве дополнения к дисплею имеются три индикаторные лампы для показа включения сетевого питания (ON (ВКЛ)), предупреждения (WARNING (ПРЕДУПРЕЖДЕНИЕ)) и аварийного сигнала (ALARM (АВАРИЙНЫЙ СИГНАЛ)). С помощью панели управления можно непосредственно изменять большинство наборов параметров преобразователя частоты, если только эти функции не были запрограммированы как заблокированные с помощью параметра 018 Блокировка изменения данных.

Кнопка [QUICK MENU] обеспечивает доступ к параметрам, используемым в быстром меню. Она используется также в случае, когда не должно выполняться изменение значений параметра. Кнопка [CHANGE DATA] используется для изменения установок параметра. Она используется также для подтверждения изменения установленных значений параметров. Кнопки [+] / [-] используются для выбора параметров и изменения их значений. Они используются также в режиме дисплея для выбора отображения некоторого рабочего значения. Для получения доступа ко всем параметрам следует одновременно нажать кнопки [QUICK MENU] + [+]. Кнопка [STOP/RESET] используется для останова подключенного двигателя или для сброса преобразователя частоты после отключения. Кнопка может быть выбрана как Активная [1] или Неактивная [0] с помощью параметра 014 Местный останов / сброс. Если функция останова активна, то в режиме отображения дисплей будет мигать. Кнопка [START] используется для пуска преобразователя частоты. Будучи всегда активной, клавиша [START] не имеет приоритета над командой останов.

В режиме меню большинство параметров преобразователя частоты может быть изменено. Для прокрутки параметров используются кнопки [+/-]. В процессе прокрутки в режиме меню номера параметров будут мигать. Если дисплей показывает три точки справа, то значение параметра имеет более трех разрядов. Чтобы увидеть значение, активизируйте [CHANGE DATA].

С помощью кнопки [QUICK MENU] можно получить доступ к 12 наиболее важным параметрам преобразователя частоты. После программирования преобразователь частоты в большинстве случаев готов к работе. Если кнопка [QUICK MENU] нажата в режиме отображения, то запускается быстрое меню. Прокрутка быстрого меню выполняется с помощью клавиш [+/-], изменение значений параметров производится нажатием кнопки [CHANGE DATA] и последующим изменением величины с помощью кнопок [+/-].

Для запуска двигателя следует нажать кнопку [Start (Запуск)]. Установить число оборотов двигателя путем настройки параметра 003 Местное задание.

Если в параметре 101 выбран режим Постоянный крутящий момент [1], то получаем характеристику U/f, не зависящую от нагрузки, при которой выходные напряжение и частота растут с ростом нагрузки, поддерживая, таким образом, постоянное намагничивание двигателя. Если нагрузка носит квадратичный характер (центробежные насосы, вентиляторы), то следует выбрать Переменный крутящий момент пониженный [2], Переменный крутящий момент средний [3] или Переменный крутящий момент повышенный [4]. Если требуется более высокий момент опрокидывания, чем тот, что обеспечивают три первые характеристики, то следует выбрать значение Переменный крутящий момент пониженный с пуском [5], Переменный крутящий момент средний пуском [6] или Переменный крутящий момент повышенный с пуском [7].

Имеется выбор из двух различных режимов работы преобразователя частоты, в параметре 002: Дистанционное управление [0] или Местное управление [1].

В параметре ручное управление (020) выбирается возможность переключения между автоматическим и ручным режимами управления. В автоматическом режиме преобразователь частоты управляется внешними сигналами, в то время как в ручном режиме он управляется с помощью местного задания непосредственно с блока управления. При выборе значения Не включено [0], функция ручного управления будет отключена. Выбор значения Включено [1] позволяет переключаться между автоматическим и ручным режимами.

Параметр задержка пуска (120) устанавливает время запаздывания запуска после выполнения условий запуска. После того как время задержки истекло, выходная частота начнет расти до выхода на задание.

Параметр время разгона (207) - это время ускорения от 0 Гц до номинальной частоты двигателя (параметр 104 Частота электродвигателя).

Параметр время замедления (208) - это время перехода от номинальной частоты электродвигателя  до 0 Гц.

С помощью параметра местный реверс (016) можно выбрать или отменить функцию реверса на панели управления LCP. Кнопкой можно пользоваться только в том случае, если параметр 002 Местное/дистанционное управление имеет значение Местное управление [1], а параметр 013 Местное управление - Местное управление и разомкнутая система [1] или Местное управление через параметр 100. С помощью этого параметра можно выбрать или отменить функцию реверса на панели управления LCP. Кнопкой можно пользоваться только в том случае, если параметр 002 Местное или дистанционное управление имеет значение Местное управление [1], а параметр 013 Местное управление - значение Местное управление, разомкнутая система [1] или Местное управление через параметр 100.

В параметре блокировка изменения данных (018) можно заблокировать изменение параметров с помощью кнопок управления. Если выбрано Заблокировано [1], то изменять параметры нельзя; однако, еще возможно изменение параметров через последовательный канал связи.

Параметр конфигурация (100) используется для выбора конфигурации, к которой должен быть адаптирован преобразователь частоты. Это упрощает адаптацию к заданной прикладной задаче, причем неиспользованные в данной конфигурации параметры скрываются (не активны). Если выбирается Регулирование скорости без обратной связи [0], то обеспечивается нормальное регулирование скорости (без сигнала обратной связи), но с автоматической компенсацией нагрузки и скольжения, обеспечивая постоянство скорости при изменении нагрузки. Компенсация действует, но при необходимости может быть запрещена в параметрах 134 Компенсация нагрузки и 136 Компенсация скольжения. Если выбирается Регулирование скорости с обратной связью [1], то обеспечивается повышенная точность скорости. Следует добавить сигнал обратной связи, а в группе параметров 400 Специальные функции должен быть настроен ПИД-регулятор. Если выбрано Регулирование процесса с обратной связью [3], то активизируется внутренний регулятор процесса, обеспечивая точное управление процессом посредством сигнала обратной связи. Сигнал обратной связи может быть установлен в единицах измерения заданного процесса или в процентах. Следует добавить сигнал обратной связи процесса и настроить регулятор процесса в группе параметров 400 Специальные функции. Если установлена плата DeviceNet и в параметре 904 Варианты выбран вариант 20/70 или 21/71, то режим регулирования процесса с обратной связью не действует.

Используя режим быстрого запуска, можно быстро и корректно (по ЕМС) выполнить монтаж преобразователя частоты. Это показано на рисунке 5.5.

Для электрического монтажа нужно подключить сеть питания к клеммам питания преобразователя частоты, т.е. к клеммам 91, 92, 93, а заземляющий провод - к клемме 95. Экранированный/бронированный кабель от двигателя нужно подключить к клеммам двигателя на преобразователе частоты, т.е. к клеммам U, V, W. Концы экрана следует подключить к соединителю экрана. Также нужно снять защитную крышку под передней панелью управления и установить перемычку между клеммами 12 и 27.

Рисунок 2.16 - Схема механического монтажа преобразователя частоты

Рисунок 2.17 - Схема электрического монтажа преобразователя частоты

Таблица 2.2. - Пояснения клемм

Номер клеммы

Функция

01-03

Выходы реле 01-03 могут использоваться для индикации состояния и для аварийных сигналов / предупреждений.

12

Источник питания 24 В=.

18-33

Цифровые входы.

20, 50

Общая точка для входных и выходных клемм.

42

Аналоговый выход для отображения частоты, задания, тока или крутящего момента.

46

Цифровой выход для отображения состояний, предупреждений или аварийных сигналов, а также частотный выход.

50

Напряжение питания +10 В= для потенциометра или термистора.

53

Аналоговый вход по напряжению 0 - 10 В=.

60

Аналоговый вход по току 0/4 - 20 мА.

67

Напряжение питания +5 В= для шины Profibus.

68, 69

Интерфейс последовательной связи RS 485.

70

Общий провод для клемм 67, 68 и 69. Этот вывод обычно не используется.


2.8 Выбор датчика температуры

Компания ABB Instruments предлагает полный ассортимент надежных датчиков температуры, которые способны выдерживать суровые промышленные условия. Для измерения температуры используем предназначен для эксплуатации в особо тяжёлых условиях, которые характерны для установок нефтедобычи, в том числе морской, транспортировки нефти и технологических процессов химии, нефтехимии, металлургии.

Рисунок 2.18 - Температурный сенсор серии Heavy Duty

Конструкция головки сенсора обеспечивает повышенную защиту от воздействия окружающей среды и выпускается в 3-х версиях:

·        с керамическим клеммным блоком;

·        с преобразователем сигнала,

·        с преобразователем сигнала + ЖК - дисплей.

Температурный сенсор: термометр сопротивления Pt100 (до 600°С) или термопара тип К (Ni-CrNi) (до 1100°С).

2.9 Выбор датчика давления

В качестве датчика давления выбираем преобразователь давления Cerabar M PMC41/45 (см рисунок 2.19).

Рисунок 2.19 - Преобразователь давления Cerabar M PMC41/45

Преобразователи давления Cerabar M предназначены для измерения относительного и абсолютного давления в газах, парах, жидкостях и пыли. Благодаря модульной концепции конструкции Cerabar M может быть подобран для применения в различных областях промышленности.

Точность:

Ошибка измерения лучше чем 0.2% от установленного диапазона измерения (опция: нелинейность лучше чем 0.1%)

Долговременная стабильность лучше чем 0.1%/год

Подготовлен для мониторинга давления по SIL 2 согласно IEC 61508/IEC 61511.

Сенсоры:

Сухая емкостная керамическая ячейка (Ceraphire®) для диапазона измерения до 40 бар, стойкость к перегрузке, вакууму, обратному давлению;

Пьзорезистивный сенсор с металлической диафрагмой для диапазона измерения до 400 бар;

Выходной сигнал: 4 - 20 мA, 4 - 20 мA с HART, PROFIBUS PA.

Корпус - Cerabar M с корпусом из нержавеющей стали выполняет все гигиенические требования для пищевой и фармацевтической промышленностей. Алюминиевый корпус идеально подходит для промышленного производства.  


3. Разработка САР давления

3.1 Проверочный расчет и выбор элементов силовой части электропривода

Схема силовой части приведена на рисунке 3.1 и включает в себя:

неуправляемый выпрямитель;

блок фильтрующих конденсаторов;

транзисторный инвертор;

асинхронный двигатель.

Расчет начнем по порядку. Сначала рассчитаем и выберем диоды для неуправляемого выпрямителя. Диоды выбираем по току через вентиль.

Необходимый класс вентилей может быть выбран из соотношения:


где КП=1,25; КН=1,5 - коэффициенты, учитывающие повторяющиеся и кратковременные перенапряжения на вентилях;

UVM - максимальное обратное напряжение, В


,

Класс диода не ниже 11.

Напряжение в звене постоянного тока Ud, B

 

 


Действующее значение линейного напряжения Uс, B

 


Среднее значение тока через вентиль Ivcp, А

 (3.8)

где Id - действующее значение тока, принимаем равным номинальному току двигателя, А

 (3,9)

Диоды - тип ВЛ-25-8 Iн=25 А, класс по напряжению не ниже

Выбираем транзистор типа КТ828

Постоянное напряжение коллектор - эмиттер 400 В

Постоянный ток коллектора 5А

Мощность рассеяния на коллекторе 50Вт

Теперь рассмотрим параметры схемы замещения асинхронного двигателя.

Расчеты произведем на основании данных двигателя.

Жесткость линеаризованной рабочей части механической характеристики


где Мм - критический момент двигателя, ;

 - синхронная скорость двигателя, с-1;

Sк - критическое скольжение двигателя.

Определим критический момент двигателя


где km - перегрузочная способность по моменту;

Мн - номинальный момент двигателя, .

Синхронная частота вращения двигателя:


где n0 - синхронная скорость вращения, об/мин.

Рассчитаем критическое скольжение двигателя:


где  - активное сопротивление ротора, приведенное к статорной обмотки, Ом;



где

реактивное сопротивление ротора, приведенное к статорной обмотке.

Рассчитаем параметры структурной схемы асинхронного двигателя при произвольном повороте вращающейся системы координат относительно пространственных векторов.

Индуктивное сопротивления рассчитаны при номинальной частоте. Поэтому для определения индуктивностей надо значения индуктивных сопротивлений поделить на номинальное значение угловой частоты  после чего получим:



где =314 - номинальная угловая частота вращения магнитного потока, с-1.

Аналогично определим индуктивности рассеивания фаз статора ,  и ротора ,:




Тогда полные индуктивности фаз статора   и ротора будут равны  :

=



Постоянная времени фазы обмотки статора



где

Постоянная времени фазы обмотки ротора


где

Коэффициент рассеяния машины


где безразмерный коэффициент определяющий отношение индуктивностей

безразмерный коэффициент определяющий отношение индуктивностей

 

Тогда получим:

Также для моделирования необходимо значение:


где J-момент инерции на валу двигателя,

Определим значение всех блоков структурной схемы асинхронного двигателя при произвольном повороте вращающейся системы координат относительно пространственных векторов, рисунок 3.3:




Тогда можно составить структурную схему асинхронного двигателя при произвольном повороте вращающейся системы координат относительно пространственных векторов, с подстановкой числовых значений.

3.2 Разработка параметров системы регулировании скорости при векторном управлении

В аналоговую часть входят:

Регулятор скорости РС;

Автономный инвертор напряжения АИН;

Асинхронный двигатель АД;

Обратные связи по току и потоку.

Регулятор скорости выполнен в виде сложного П - регулятора, настройку контура скорости будем производить на модульный оптимум.

Рассчитаем коэффициенты передачи датчиков обратных связей по току и напряжению.

Коэффициент передачи датчика напряжения

 

где

Коэффициент передачи датчика тока



где

Коэффициент передачи датчика скорости


где

Настройки контуров регулирования и расчет динамических характеристик системы регулирования скорости при векторном управлении асинхронным двигателем.

Схема построена с использованием математического описания ненасыщенного асинхронного двигателя во вращающейся системе координат. Преобразователь характеризуется коэффициентом передачи по напряжению и чистым запаздыванием на время , равное периуду ШИМ инвертора. Считается, что величины Мд и д определяемые в модели потока, точно воспроизводят электромагнитный момент двигателя МД и потокосцепление ротора Д в масштабах, характеризующихся коэффициентами передачи обратных связей по моменту и потокосцеплению ротора kд.м. и kд.т. соответственно. Датчик скорости имеет коэффициент передачи kд.с. Опыт показывает, что стандартные настройки регуляторов, рассчитанные по линеаризованному описанию системы, обеспечивают удовлетворительную динамику системы, построенной по принципам подчиненного регулирования, и при ограничении выходных переменных регуляторов.

Расчет параметров АИН

Передаточная функция автоинвертора напряжения имеет вид:


Найдем ЭДС, наводимую в обмотке статора Е1, В:


где номинальный коэффициент нагрузки.


Регулировочная характеристика инвертора имеет вид:


где k2 =2,34 - коэффициент, зависящий от схемы соединения вентилей инвертора

Определим значения углов инвертирования, при работе с номинальной скоростью:

Номинальная выпрямленная ЭДС статорной обмотки , В



где k1=1,35 - коэффициент, зависящий от схемы соединения вентилей;

Sн - номинальное скольжение двигателя.


где  - номинальная скорость двигателя, рад/с;

 - синхронная скорость двигателя, рад/с.

Из условия, что:


Определим  - жёсткость линеаризованной рабочей части механической характеристики асинхронного двигателя :


Определим значения углов инвертирования, при работе с минимальной скоростью:

Выпрямленная ЭДС статорной обмотки , В:


где  - максимальное скольжение двигателя.


где D=4 - диапазон регулирования частоты вращения двигателя.

Определим  - жёсткость линеаризованной рабочей части механической характеристики асинхронного двигателя :


Определим коэффициент усиления инвертора КИ, по формуле:


где  - максимальная жесткость линеаризованной рабочей части механической характеристики асинхронного двигателя, рад;

 - минимальная жесткость линеаризованной рабочей части механической характеристики асинхронного двигателя, рад;

 - выбираем из справочника, задавшись углом б

Определим постоянную времени  инвертора, с:

 (3.42)

где  - время запаздывания инвертора, с.

 (3.43)

где f=50 - частота питающей сети, Гц;

M=3 - число фаз.

Окончательно передаточная функция автоинвертора напряжения будет:

Настройка контура тока

Настройку будем производить без учета влияния перекрестных связей. Передаточная функция разомкнутого контура тока статора по оси  записывается в виде:




где  коэффициент передачи преобразователя;

 коэффициент передачи датчика тока;

передаточная функция регулятора скорости;

коэфициент рассеяния машины;

значение чистого запаздывания.

В зоне частот, где  фазовая частотная характеристика звена чистого запаздывания близка к фазовой частотной характеристике апериодического звена с постоянной времени  На этом основании при расчете параметров регулятора тока можно принять малую постоянную времени равной времени чистого запаздывания  и для настройки контура на модульный оптимум применить ПИ регулятор с параметрами:


где  - динамический коэффициент регулятора тока;

 - малая постоянная времени, с.

Определим постоянную времени регулятора тока , с:


При рассмотрении контура тока  должна быть учтена обратная связь по производной потокосцепления ротора. Перенеся вход обратной связи на вход звена , получим передаточную функцию объекта контура в виде:



Поскольку обычно  можно и в контуре тока  применить ПИ регулятор с параметрами такими же, как в контуре тока .

Настройка контура регулирования потокосцепления ротора

Для расчета параметров регулятора в контуре, содержащим подчиненный замкнутый контур (в рассматриваемом случае - контура тока статора по оси ) рекомендуется рассматривать его как апериодическое звено малой постоянной времени, равной удвоенной малой постоянной времени подчиненного контура. Тогда передаточная функция объекта, по которой рассчитываются параметры регулятора потока, должна быть записана в виде:

где  - коэффициент передачи датчика потока, принимаем равным 1;

 - малая постоянная времени при отсутствии запаздывания в определении потокосцепления ротора, с;

Т2 - постоянная времени фазы обмотки ротора, с.

Определим малую постоянную времени при отсутствии запаздывания в определении потокосцепления ротора , с:

 


где  - эквивалентная малая постоянная времени токового контура, с;

 - малая постоянная времени контура тока, с.

.

Определим параметры ПИ-регулятора потока:


где  - динамический коэффициент регулятора потокосцепления.

Постоянная времени регулятора потока  с:

Настройка контура регулирования электромагнитного момента двигателя

Контур не содержит звена с большой постоянной времени. В предположении, что в двигателе установлено номинальное потокосцепление ротора , передаточная функция объекта при расчете в амплитудных значения имеет вид:


где     - потокосцепление ротора;

 - коэффициент обратной связи по моменту;

 - коэффициент обратной связи по току;

 - малая постоянная времени контура регулирования момента.

В этом выражении  - передаточная функция апериодического звена, которым при расчете параметров регулятора момента заменена передаточная функция замкнутого контура тока  при


 

Для настройки контура на модульный оптимум регулятор должен быть интегрирующим с передаточной функцией:

 

где  - динамический коэффициент регулятора момента, 1/с.


где  - число пар полюсов;  - потокосцепление ротора;

 - коэффициент обратной связи по моменту, принимаем равным 1.

Настройка контура скорости

Настройку произведём на модульный оптимум. Поскольку объект представляет собой интегрирующее звено, для настройки на модульный оптимум надо применить пропорциональный регулятор скорости с коэффициентом kрс:


где  - коэффициент обратной связи по моменту;

J - момент инерции двигателя, ;

 - малая постоянная времени контура скорости, с;

 - коэффициент передачи датчика скорости.

 

Постоянная времени регулятора скорости т ре' с:


В элементах схемы, относящихся к модели потока, расчёты выполняются по следующим формулам:

эффективное значение потокосцепления ротора :


электромагнитный момент двигателя Мд, :


частота роторной ЭДС :




.3 Настройка контура давления

Для того чтобы произвести расчет регулятора контура давления необходимо сначала определить передаточную функцию насоса как объекта управления.

Из /4/ следует, что напор(Н), развиваемый насосом, величина пропорциональная квадрату частоты вращения:

или


где  - коэффициент напора, определяющий условие выбора насоса.

Передаточную функцию насоса можно определить из /7/ как


Настройку произведём на модульный оптимум. Поскольку объект представляет собой интегрирующее звено, для настройки на модульный оптимум надо применить пропорциональный регулятор давления с коэффициентом:


где - коэффициент обратной связи по давлению;

- малая постоянная времени контура давления.

Определим значение малой постоянной времени контура давления , с


.

Полученные значения подставим в формулу и получим:

.

Поддержание значения давления при изменении нагрузки происходит без бросков и скачков, таким образом можно сказать, что контур регулирования давления настроен адекватно.


4. Разработка ПО

.1 Описание программных средств

Использование контроллеров и ЭВМ в автоматизации технологических процессов предполагает использование ряда специализированного программного обеспечения, необходимого для разработки решений задач автоматизации. Необходимо разработать программу для контроллера, на который возлагаются функции контроля и управления процессом. Далее следует разработать человеко-машинный интерфейс, обеспечивающий связь верхнего уровня SCADA-системы с контроллерами и визуализацию процесса на мониторах операторских станций.

Большинство фирм-производителей программируемых логических контроллеров поставляют и программное обеспечение для разработки программ контроллеров, называемое средствами программирования. Используем в нашем проекте среду программирования контроллеров RSLogix 5000 фирмы Rockwell Automation, что позволит обеспечить полную совместимость программной и аппаратной частей системы.

Верхний уровень SCADA-системы разрабатывается в отдельной среде программирования. Задачей является разработка графического интерфейса, предназначенного для взаимодействия между системой и человеком (человеко-машинный интерфейс, HMI - Human Machine Interface). Для удобства использования выберем в качестве HMI сервера среду RSView 32 фирмы Rockwell Automation.

Описание среды программирования RSLogix 5000

Программный продукт RSLogix 5000 поддерживает архитектуру ControlLogix и представляет собой средство программирования контроллера Logix5000.

Стандарт языков программирования IEC1131-3 описывает множество свойств программируемого контроллера, включая операционную систему, определение данных, языки программирования и комплект инструкций.

В IEC1131-3 компоненты разделены по категориям как обязательные и необязательные или дополнительные. Вследствие этого спецификация IEC1131-3 предоставляет минимальный функциональный набор, который может быть расширен по необходимости для обеспечения требований конечного пользователя. Для достижения этого каждый производитель систем программного управления может использовать различные компоненты спецификации и предоставлять различные расширения.

Операционная система (ОС) контроллеров Logix5000 с приоритетной многозадачностью соответствует определению IEC1131-3. В IEC1131-3 ОС программируемого контроллера может содержать ноль или более задач, которые могут выполнять одну или больше программ, каждая из которых содержит одну или больше функций или подпрограмм. В соответствии с IEC1131-3, число компонентов каждой из этих категорий зависит от конкретной реализации. Контроллеры Logix5000 поддерживают множество задач, каждая из которых может содержать множество программ с неограниченным числом функций и подпрограмм. IEC1131-3 предоставляет возможность классификации различных способов выполнения задач. Задачи могут быть определены как непрерывные, периодические или основанные на событии. Непрерывные задачи не нуждаются в планировании, они могут занимать все свободное время процессора, когда другие задачи остановлены. Периодические задачи работают по плану, основанному на повторе через заданное время. Спецификация IEC1131-3 не определяет базовое время для конфигурации периодической задачи. Описываемая IEC1131-3 задача, основанная на событии, запускается при обнаружении восходящего фронта сигнала по заданному входу. Контроллеры Logix5000 поддерживают непрерывные и периодические задачи. Кроме того, период для периодической задачи является настраиваемым, с минимально возможным значением 1 миллисекунда.

Согласно спецификации IEC1131-3 доступ к памяти предоставляется посредством создания именованных переменных. Имена переменных по IEC1131-3 должны состоять из, как минимум, 6 символов (пакет программирования RSLogix5000 поддерживает минимум 1 символ), начинаться с символа подчеркивания «_» или буквы латинского алфавита (A-Z) и далее содержать любое количество символов, включая символ подчеркивания «_», буквы латинского алфавита (A-Z) и цифры (0-9). Дополнительно, строчные латинские буквы могут поддерживаться как равнозначные символы (A=a, B=b,…, Z=z). Контроллеры Logix5000 обеспечивают полную совместимость с данным определением, поддерживают опцию строчных букв и длину имен переменных до 40 символов.

Переменные по IEC1131-3 могут быть определены как доступные для всех программ в пределах ресурса или контроллера или с ограниченным доступом, предоставляемым только функциям или подпрограммам внутри одной программы. При передаче данных между множеством ресурсов или контроллеров путь доступа может настраиваться для определения местоположения данных внутри системы. Контроллеры Logix5000 обеспечивают совместимость с этим стандартом, предоставляя возможности для определения областей данных программ, области данных контроллера и возможности для настройки путей доступа к данным при использовании механизма производимых / потребляемых данных.

Представление переменных в физической памяти по спецификации IEC1131-3 определяется использованием любых элементарных типов данных или дополнительно определенных типов данных, которые создаются как группы из множества данных различных элементарных типов. Контроллеры Logix5000 поддерживают использование элементарных типов данных BOOL (1 бит), SINT (8-битовое целое), INT (16-битовое целое), DINT (32-битовое целое) и REAL (число с плавающей запятой по IEEE). Кроме того, поддерживаются производные типы данных посредством создания определяемых пользователем структур и массивов.

Спецификация IEC1131-3 определяет пять различных языков программирования и набор общих элементов. Все языки определены как необязательные, но, как минимум, один должен поддерживаться для удовлетворения требований совместимости со стандартом. Компоненты языка программирования по IEC1131-3 определены следующим образом:

общие элементы языка;

общие графические элементы;

инструкции (Instruction List - IL);

элементы структурированного текста (Structured Text - ST);

элементы релейно-контактной логики (Ladder Diagram - LD);

- элементы функциональных схем (Sequential Function Chart - SFC);

элементы функциональных блоков (Function Block Diagram - FBD).

Контроллеры Logix5000 и пакет программирования RSLogix5000 поддерживают общие элементы языка и элементы релейно-контактной логики. Кроме того, окружение, использующее формат импорта / экспорта ASCII, основано на языке структурированного текста.

Описание SCADA RSView 32

RSView 32 - это пакет программного обеспечения, который работает на базе операционной системы Microsoft® Windows NT®, предназначенный для разработки и выполнения прикладных программ по сбору данных, оперативному контролю и управлению. RSView 32 предоставляет простой интерфейс для Microsoft® Windows NT® со всеми его характеристиками и функциональными возможностями, которые необходимы для эффективного контроля и управления оборудованием и технологическими процессами. Вместе с управляющими элементами ActiveX серии RSTools™ и остальным комплексным семейством продуктов Rockwell Software RSView 32 обеспечивает максимальную гибкость при контроле и эксплуатации системы управления. RSView 32 легко интегрируется с программными продуктами Rockwell Software, Microsoft и другими сторонними продуктами, благодаря поддержке таких технологий, как ActiveX, VBA, OLE, ODBC, OPC и DDE.

Характерными чертами RSView32 являются:

Интегрированное, компонентное ПО для мониторинга и управления механизмами и производственным и процессами

Беспрецедентная совместимость с продуктами Microsoft, RSI и ПО других производителей

Многократно используемые, настраиваемые элементы управления ActiveX, непосредственно отображаемые на экране

Гибкая расширяемая архитектура, позволяющая добавлять требуемые расширения: RSView32 TrendX, RSView32Messenger, RSView32 RecipePro, RSView32 SPC и RSLadder.

Поддерживаемые сетевые интерфейсы: EtherNet/IP, ControlNet, DeviceNet, DH+, а также другие сети для которых доступны серверы OPC

.2 Разработка программных средств управления технологическим процессом

Программирование контроллеров Allen-Bradley осуществляется в специально разработанной среде RSLogix 5000. В ней настраиваются блоки ввода / вывода, контроллер, создается управляющая программа на любом из четырёх поддерживаемых языков (релейная логика, структурированный текст, функциональные блоки двух видов), создаются теги для обмена данными с модулями ввода / вывода и для оперирования этими данными. Связь ЭВМ оператора с контроллером осуществляется с помощью коммуникационного пакета RSLinx, который содержит в себе набор драйверов для связи по различным протоколам и сетям. Создание программы происходит в следующей последовательности:

. создание проекта;

. конфигурирование модулей ввода / вывода;

. создание тегов;

. ввод логики;

. загрузка проекта;

. контроль состояния.

Создание проекта

Создание проекта происходит в следующей последовательности:

. Выбор пункта File ® New для создания нового проекта;

. Определение проекта.

В появившемся окне вводим имя проекта (K_1), тип контроллера (1756-L1), тип шасси (1756-A17), номер слота установки контроллера (0), путь сохранения программы.

После заполнения всех полей, нажимаем кнопку OK. Появляется окно планировщика задач контроллера.

В этом окне можно создавать задачи, программы, подпрограммы контроллера, сконфигурировать блоки ввода / вывода.

Конфигурирование модулей ввода / вывода

Чтобы добавить в проект новый модуль, в контекстном меню папки I/O Configuration выбираем пункт New Module. В появившемся окне каталога модулей выбираем нужный модуль и нажимаем OK.

Далее, в появившемся окне вводим имя модуля, номер слота в шасси и т.д.

Чтобы настроить модули ввода / вывода на сигнал по току или напряжению, существует меню более полной настройки модулей.

После выбора модуля, появляется значок с его именем в папке I/O Configuration. Заходим в эту папку, выделяем нужный модуль и, нажав правую кнопку мыши, выбираем меню Properties. В появившемся окне переходим на закладку Configuration. Затем в поле Input Range (для модуля ввода) или Output Range (для модуля вывода) выбираем тип сигнала. Если сигнал токовый, то выбираем его входной / выходной диапазон (0…20 мА). Если информационный сигнал - напряжение, то также выбираем его стандартные диапазоны. Затем в поле Scaling присваиваем верхнему и нижнему уровням сигнала инженерные значения, которые будут посылаться в тег. Например, уровню входного сигнала 4 мА будет соответствовать значение тега 0, а уровню 20 мА - значение тега 55. Максимальное и минимальное инженерное значение выбирается в соответствии с диапазоном измерения датчика. Такой выбор делается для всех каналов данного модуля.

На закладке Alarm Configuration устанавливаются пределы верхнего и нижнего уровня сигнала. Т.е. если у нас входной сигнал изменяется от 0 до 20 мА, а мы зададим минимальное ограничение 4 мА, то при подаче сигнала менее 4 мА, в инженерное значение будет посылаться ноль.

Важным параметром при настройке модулей ввода / вывода является Requested Packet Interval (RPI) - время, за которое модуль должен ответить на запрос от контроллера. Если в течение этого времени ответа от модуля нет, то выдаётся ошибка связи.

Создание тегов

Среда RSLogix 5000 поддерживает пять типов данных:

булевский тип данных (BOOL), с диапазоном 0 и 1;

короткое целое (SINT), с диапазоном от -128 до 127;

целое (INT), с диапазоном от -32768 до 32767;

двойное целое (DINT), с диапазоном от -2147483648 до 2147483647;

вещественный тип (REAL), с диапазоном от 3.402823E+38 до -1.1754944Е-38 (отрицательные значения) и от 1.1754944Е-38 до 3.402823Е38 (положительные значения), а также 0.

Также возможно создавать теги-массивы с различным типом данных и различных размерностей.

Для создания тега нужно выделить папку Program Tags или Controller Tags, в зависимости от того локальный или глобальный тег необходимо создать, затем нажать правую кнопку мыши и в появившемся контекстном меню выбрать пункт New Tag. В появившемся окне вводим имя тега, его вид и тип данных.

Организация логики

При создании проекта пакет программирования автоматически создаёт главную задачу MainTask, программу MainProgram, и поле набора логики MainRoutine. Они отображаются в виде папок.

Любая логика в MainRoutine будет выполнена всякий раз, когда выполняется MainProgram. Можно использовать MainRoutine для вызова своих программ (процедур) в пределах MainProgram.

В нашем проекте созданы две задачи: MainTask, PAZ

В задачу MainTask входят шесть процедур: MainRoutine, Flow, Level, model, PID, temp.

В задачу PAZ входит процедура PAZ.

Задача MainTask является циклической и выполняется постоянно, за исключением времени выполнения задачи PAZ.

Задача PAZ является периодической, с периодом выполнения 100 мс. В обоих задачах время сторожевого таймера установлено 500 мс. Если операция в задаче выполняется дольше, чем это заданно сторожевым таймером, то контроллер выдаёт ошибку.

Загрузка проекта в контроллер

Связь программной среды с контроллером осуществляется с помощью коммуникационного пакета RSLinx. Сначала запустим работу драйвера Virtual Backplane. Для этого в RSLinx заходим в меню Communications®Configure Drivers, и выбрав нужный драйвер из списка имеющихся драйверов, нажимаем кнопку Add New.

Затем в программной среде RSLogix заходим в меню Communication®Select Recent Communication Path, и в появившемся окне выбираем нужный драйвер и нажимаем кнопку OK.

Выбрав нужный драйвер, заходим в меню Communication, выбираем пункт Download, и проект автоматически загружается в контроллер. После этого в том же меню выбираем пункты Go Online и затем Run, после этого загруженный проект запускается, и контроллер начинает обрабатывать данные.

Принципы построения программ на языке лестничной логики

Программа на языке лестничной логики выглядит как последовательность ступеней (Rung), следующих одна за другой сверху вниз. Ступени нумеруются целыми числами, начиная с нуля.

Выполнение программы начинается с самой верхней ступени и последовательно переходит на следующие ступени ниже.

Внутри ступени могут располагаться инструкции, имеющие разное функциональное назначение и внешний вид. Инструкции делятся на входные (input) и выходные (output), причем входные инструкции автоматически группируются в левой части ступени, а выходные - в правой. Внутри каждой ступени должна находиться хотя бы одна выходная инструкция, иначе редактируемая ступень будет считаться ошибочной - слева от ступени появится столбец из символов «e» (error).

Ступень представляет собой аналог цепи релейно-контакторной схемы. Слева подразумевается постоянное присутствие положительного сигнала, или значение логической единицы. С правой стороны ступени находится область отрицательного сигнала или логический ноль. Порядок выполнения инструкций внутри ступени имитирует движение электрического тока от положительного потенциала к отрицательному потенциалу - в данном случае слева направо. Каждая инструкция имеет входной и выходной контакт. Значение сигнала на выходном контакте зависит от значения входного контакта и результата выполнения инструкции. Большинство инструкций не выполняет своих функций при нулевом значении входного контакта и выставляет нулевое значение на выходной контакт.

Внутри ступени допускается наличие множества ветвей (Branch).

Выполнение инструкций внутри ступени с ветвями происходит также последовательно слева направо, причем при наличии нескольких параллельных ветвей следующая за ними инструкция не выполнится до тех пор, пока не выполнятся последовательно инструкции в каждой ветви, начиная с верхней ветви и кончая нижней.

Над полем ввода инструкций расположена панель инструментов, на которой находятся кнопки с мнемониками инструкций, сгруппированные по функциональному назначению. Для ввода инструкции необходимо сначала выбрать мышью позицию вводимой инструкции внутри ступени, затем можно воспользоваться одним из следующих способов:

1)       нажать на соответствующую кнопку на панели инструментов;

2)      выполнить команду меню «Add Ladder Element» и выбрать инструкцию из появившегося списка.

В нашем проекте в качестве регуляторов используются ПИД-регуляторы (инструкция PID). Опишем более подробно использование инструкции PID.

Инструкция PID предназначена для реализации пропорционально-интегрально-дифференциального закона регулирования в языке Ladder Diagram.

Операнды инструкции PID:

- PID - необходимо указать предварительно объявленный тег структуры типа PID;

- Tieback - указывается аналоговый тег сигнала управления от внешнего устройства или задатчика ручного управления, если не используется, то ставится 0;

- Control Variable (сокращенно CV) - выходной аналоговый тег, в который заносится результат исполнения инструкции PID - выход ПИД-регулятора;

- PID Master Loop - если данный ПИД-регулятор участвует в системе подчиненного регулирования как внутренний контур, то в данном поле указывается тег структуры типа PID внешнего контура регулирования, иначе необходимо ввести 0;

- Inhold bit - указывается двоичный тег, при значении которого равном 1 выход инструкции PID принимает значение аналогового тега, указанного в поле Inhold value.

Ниже под операндами располагаются три параметра, предназначенных для просмотра текущих значений:

- Setpoint (сокращенно SP) - задание ПИД-регулятора;

- Process Variable (сокращенно PV) - регулируемая величина;

- Output (сокращенно OP) - выход ПИД-регулятора.

Принципы построения программ на языке функциональных блоков (FBD)

Программа на языке FBD выглядит как набор функциональных блоков и связей между ними. Блоки располагаются на одном или более листов (Sheet). Местоположение блока на листе может быть произвольным. Также как и в языке лестничной логики, над областью программы располагается панель инструментов, где инструкции сгруппированы по типам.

Внутри окна программы находится панель инструментов, с помощью которой можно добавить новый лист, удалить текущий лист, перемещаться вперед и назад между листами, скрывать и показывать сетку. С помощью выпадающего списка с номерами листов можно выбирать необходимый лист для просмотра и редактирования. С помощью поля текстового ввода справа от выпадающего списка можно задать описание для текущего листа.

Добавление новой инструкции в подпрограмму производится либо командой меню «Add Element…», либо нажатием соответствующей кнопки на панели инструментов. Важно отметить, что при добавлении любой FBD-инструкции в области программных тегов создается новая структура соответствующего инструкции типа, которой по умолчанию присваивается имя в виде <мнемоника инструкции>+<порядковый номер инструкции данного типа среди программных тегов>. Имя структуры данных инструкции выводится над телом этой инструкции.

В дальнейшем допускается переименование автоматически присвоенного имени структуры. Для инструкции можно выполнить замену одной структуры на другую, вызвав выпадающий список тегов двойным щелчком мыши и выбрав нужную структуру из списка.

Каждая структура имеет набор входных и выходных контактов: входные располагаются слева, выходные - справа. Контакты блока принимают значения полей (внутренних тегов) сопоставленной с инструкцией структуры. Внешний вид контактов зависит от типа данных сопоставленного с ним поля структуры: для дискретных полей это квадрат с точкой внутри, для аналоговых полей - квадрат без точки. Если для тега структуры введено текстовое описание, то оно выводится над именем структуры. Его можно редактировать после двойного щелчка в область текста. Если описание не задано, его можно задать командой меню «Edit Main Operand Description».

Между выходными контактами одного блока и входным контактом другого может быть установлена связь, при условии, что типы данных выходного и входного контактов совпадают. Связь может быть выполнена явным образом - в виде линии, соединяющей два блока.

Когда связываются дискретные контакты, линия соединения будет пунктирной, а если связываются аналоговые контакты, то линия будет сплошной.

Можно устанавливать связи неявным образом - с помощью пары соединителей (Input/Output Wire Connectors). Это удобно при большом количестве связанных функциональных блоков для экономии места и более ясного представления программы.

Входные (ICON - Input Connector) и выходные (OCON - Output Connector) соединители (Wire Connectors) добавляются в программу по нажатию соответствующих кнопок в панели инструментов или по команде контекстного меню «Add FBD element…»

Выглядят входные и выходные соединители как прямоугольники со скругленными концами с одной стороны и треугольным выступом с другой. Для того, чтобы установить соединение, пользователю необходимо задать одинаковое текстовое имя для обоих соединителей - как входного, так и выходного. В первый раз имя соединения вводится вручную, для второго соединителя его можно выбрать из списка всех заданных соединений.

Имя соединения может выбираться произвольно, в соответствии с решаемыми задачами. Целесообразно включать в имя соединителей полезную смысловую нагрузку, для упрощения читаемости программы.

После установки соединения под каждым соединителем появляются координаты местоположения второго соединителя в поле ввода подпрограммы, например 1-С3, где 1 - это номер листа FBD-подпрограммы, С - горизонтальная координата квадрата, 3 - вертикальная координата квадрата, в котором находится второй соединитель.

Помимо внутренних соединителей ICON и OCON в FBD-программе существует возможность ссылаться на внешние данные с помощью входных ссылок IREF (Input Reference) и выходных ссылок OREF (Output Reference). Ссылки выглядят как прямоугольники с заостренной правой или левой стороной. Использование ссылки выполняет функцию присваивания значения тега или константы, на которые ссылается ссылка, параметру функционального блока, на контакт которого ссылка заводится - для входных ссылок, и, наоборот, для выходных ссылок.

При создании в программе обратных связей в пределах одной последовательности связанных блоков возникает необходимость разрешения порядка исполнения блоков: для этого необходимо выделить требуемое соединение и с помощью правой кнопки мыши вызвать контекстное меню, в котором необходимо выбрать команду «Assume Data Available» - активное присваивание данных.

После этого на конце соединения появится двойная стрелка, которая укажет на блок, который будет исполняться первым.


5.      Экономическая часть

5.1 Расчёт стоимости приобретения и монтажа оборудования

В данном дипломном проекте реализована автоматизация участка нагрева нефтепродуктов блока фракционирования, расположенного на нефтеперерабатывающем заводе ООО «РН-КНПЗ». Автоматизация участка позволяет осуществить переход на новую элементную базу, что благоприятно сказывается на технических показателях системы, а как следствие и на экономических. Для обоснования экономической эффективности проекта необходимо составить смету затрат на модернизацию, определить экономический эффект и рассчитать рентабельность затрат и срок их окупаемости.

Таблица 5.1 - Смета затрат на приобретение и монтаж электрооборудования

№ п/п

Наименование электрооборудования

Количество

Стоимость за единицу, руб

Общая стоимость, руб

1

Частотный преобразователь Danfoss

1

378000

378000

2

Асинхронный двигатель

1

267000

267000

3

АСУ участка предварительного нагрева ControlLogix 5000

1

129000

129000

Итого

774000

Транспортные расходы (10%)

77400

Итого стоимость электрооборудования

851400

Строительно-монтажные работы (20%)

170280

Заготовительно-складские работы (1,5%)

12771

Итого строительно-монтажные работы

183051

Всего капитальных затрат (З)

1034451


Транспортные расходы принимают от стоимости электрооборудования в зависимости от расстояния транспортировки, в %.

Строительно-монтажные расходы принимают в зависимости от объёма работ в пределах 20-30% стоимости электрооборудования.

Заготовительно-складские расходы принимают в размере 1,3-2,0% от стоимости оборудования и транспортных расходов.

.2 Расчёт расхода и стоимости электроэнергии

Определяем расход активной электроэнергии по агрегату, кВт-час

 

Wг = Рс * Тг * Ки, (5.1)

где    Рс - активная потребляемая мощность АСУ и ПЧ-АД, кВт;

Тг = 8000 ч/год;

Тг - количество часов работы участка за год;

Ки = 0,9 - коэффициент использования.

После внедрения проекта расход активной электроэнергии равен:

Wг1 = 82 Ч 8000 Ч 0,9 = 590400 кВт-час

При этом следует отметить, что до внедрения проекта расход активной электроэнергии:

Wг2 = 87 Ч 8000 = 696000 кВт-час

Определяем стоимость потреблённой электроэнергии за год внедрения проекта, руб.:

 

С1 = Wг1 Ч С, руб., (5.2)

 

С1 = 590400 Ч 3,02 = 1783008 руб.

где С - стоимость 1 кВт в час производимой электроэнергии для ООО «РН-КНПЗ»,

С = 3,02 руб.

Определяем стоимость потреблённой электроэнергии за год до внедрения проекта, руб.:

 

С2 = Wг2 Ч С, руб., (5.3)

 

С2 = 696000 Ч 3,02 = 2101920 руб.

Определяем стоимость сэкономленной электроэнергии:

, (6.4)

 руб.

Экономическая эффективность может быть определена по показателю рентабельности затрат Rз, %:


Откуда получаем

Находим, за какой срок окупится новая система за счет экономии электроэнергии

S=1034451/318912=3,24 (года)

Отсюда следует, что при стоимости оборудования 3474900 рублей новая система окупится за 3,24 года.


Список использованных источников

1 Башарин, А.В. Примеры расчётов автоматизированного электропривода / А.В. Башарин, Ф.Н. Голубев, В.Г. Каперман. - М.: Энергия, 1971. - 440 с.

2 Васильченко, С.А. Система управления электроприводами. Часть 2: учеб. пособие для электротехнических специальностей вузов / С.А. Васильченко, В.А. Соловьев. - Комсомольск-на-Амуре: ГОУВПО «Комсомольский-на-Амуре гос. техн. ун-т», 2004. - 122 с.

3 Васильченко, С.А. Преобразовательная техника: учеб. пособие для электротехнических специальностей вузов / С.А. Васильченко, Н.Е. Дерюжкова, В.А. Соловьев. - Комсомольск-на-Амуре: ГОУВПО «Комсомольский-на-Амуре гос. техн. ун-т», 2002. - 120 с.

Вешеневский, С.Н. Характеристики двигателей в электроприводе / С.Н. Вешеневский - 6-е изд., испр. - М.: Энергия, 1977. - 431 с.

Дерюжкова, Н.Е. Автоматизация электротехнических комплексов и систем: учеб. пособие для электротехнических специальностей вузов / Н.Е. Дерюжкова. - Комсомольск-на-Амуре: ГОУВПО «Комсомольский-на-Амуре гос. техн. ун-т», 2004. - 115 с.

Онищенко Г.Б. Автоматизированный электропривод переменных установок: учебник / Г.Б. Онищенко 2-е изд. М.: Академия 2005. - 412 с.

Копылов, И.П. Справочник по электрическим машинам / И.П. Копылов, Б.К. Клоков. - М.: Энергоатомиздат, 1988. - 456 с.

Справочник по проектированию автоматизированного электропривода и систем управления технологическими процессами / Крупович, В.И. [и др.] - М.: Энергоиздат, 1982. - 415 с.

9 Соколовский Г.Г. Электроприводы переменного тока с частотным регулированием учебник для вузов / Г.Г. Соколовский / М.: Академия 2006. - 266 с.

Терехов В.М., Системы управления электроприводов / В.М. Терехов, Осипов О.И. - М.: Издательский центр «Академия» 2005. - 304 с.

Чебовский, О.Г. Силовые полупроводниковые приборы / О.Г. Чебовский - 2 - е изд. перераб и доп. - М.: Энергоиздат, 1985. - 401 с.

12 Бычков, В.П. Электропривод и автоматизация металлургического производства / В.П. Бычков. - М.: Высшая школа, 1976. - 391 с.

Перельмутер, В.М. Тиристорные электроприводы прокатных станов/ В.М. Перельмутер, Ю.Н. Брауде, Д.Я. Перчик. - М.: Металлургия, 1978. - 152 с.

Гарнов, В.К. Унифицированные системы автоуправления электроприводом в металлургии / В.К. Гарнов, В.Б. Рабинович, Л.М. Вишеневский. - М.: Металлургия, 1997. - 192 с.

Похожие работы на - Разработка автоматизированной системы управления воздушным компрессором КГЦ

 

Не нашли материал для своей работы?
Поможем написать уникальную работу
Без плагиата!
Без нейросетей!