Проектування спеціального пристосування для свердлильної операції

  • Вид работы:
    Контрольная работа
  • Предмет:
    Другое
  • Язык:
    Украинский
    ,
    Формат файла:
    MS Word
    165,62 Кб
  • Опубликовано:
    2013-05-30
Вы можете узнать стоимость помощи в написании студенческой работы.
Помощь в написании работы, которую точно примут!

Проектування спеціального пристосування для свердлильної операції

Зміст

 

Вступ

1. Загальні відомості про пристосування

1.1 Призначення пристосування

1.2 Переваги проектованого пристосування

1.3 Матеріали деяких деталей пристосування

2. Базування деталі при обробці

2.1 Через різність зовнішніх діаметрів, а також через те, що базою являється зовнішня циліндрична поверхня, підраховується похибка базування

3. Розрахунок сил затиску

4. Вибір та розрахунок силового приводу

5. Розрахунок деталі на міцність

6. Збирання та експлуатація пристрою

Література

Вступ

Різноманітна технологічна оснастка широко застосовується в машинобудуванні. Вартість і терміни підготовки виробництва в основному визначається трудомісткістю та вартістю технологічного оснащення. З усього технологічного оснащення найбільш часто використовуються верстатні пристосування, основною задачею яких є:

-        Базування оброблюваних деталей на верстатах без вивірки баз, що прискорює процес базування і дає можливість автоматичного отримання точних розмірів на налаштованих верстатах;

-        Підвищення продуктивності та поліпшення умов праці робітників за рахунок автоматизації пристосувань;

-        Розширення технологічних можливостей верстатів, можливість виконувати таку обробку або з такою точністю, для якої ці верстати не призначені.

В останній час рівень механізації та автоматизації пристосувань значно підвищився. Це стало можливим при застосуванні таких принципів:

-        Створення переналагоджуваних пристосувань з індивідуальним механізованим приводом;

-        Створення універсальних силових приводів для послідовного обслуговування ряду спеціальних пристроїв.

Застосування переналагоджуваних та універсально-збірних пристроїв знижує витрати коштів і часу на підготовку виробництва.

Даний проект присвячений розробці спеціального верстатного пристосування для свердлувальної операції, яке дало б змогу встановити деталь за короткий час та з високою точністю, а також забезпечило б надійне закріплення деталі під час обробки.

Проект складається з пояснювальної записки та графічної частини, що включає в себе креслення деталі загального виду, збиральне креслення верстатного пристосування та креслення штока пневмоприводу.

1. Загальні відомості про пристосування


1.1 Призначення пристосування


Деталлю проекту являється маховик, деталь повітряного компресора. Креслення деталі - див. додаток А.

Річний обсяг випуску - 500 деталей на рік, що відповідає середньо серійному типу виробництва.

Технологічний процес обробки деталі:

Заготівельна

Отримати заготовку методом лиття в кокіль.

Токарно-гвинторізна

Встановити, закріпити, зняти. Точити деталь згідно креслення.

Свердлувальна

Встановити, закріпити, зняти. Свердлувати отвори D=14 мм. Свердлувати, зенкерувати та розгортати 8 отворів D=40Н8.

Довбальна

Встановити, закріпити, зняти. Довбати шпоночний паз в центральному отворі.

Контрольно-вимірювальна

Перевірити точність витримування розмірів

Задані поверхні, отвори D=40Н8, обробляються на операції 015 свердлувальна. Матеріал оброблюваної деталі - сталь 20 ГОСТ 1050-88.

Деталь обробляється на верстаті моделі 2М55. Його характеристики:

Найбільший умовний діаметр свердління в сталі - 50 мм.

Частота обертання шпинделя - 20-2000 об/хв.

Подача - 0,056-2,5 мм/об.

Потужність електродвигуна головного приводу - 5,5 кВт.

Одночасно обробляється одна деталь, ріжучий інструмент - свердло Р6М5 D=36,6 мм, зенкер Р6М5 D=39,6 мм, розгортка Р6М5 D=40 мм.

1.2 Переваги проектованого пристосування


Впровадження розроблюваного пристосування дасть можливість встановлювати деталь на операції без попередньої вивірки, за рахунок використання спеціальних установчих елементів.

Жорсткість пристосування дозволить використовувати максимальну потужність верстата.

Можливість швидкого затиску та розтиску деталі досягається за рахунок використання силових приводів.

Конструкція пристосування забезпечуватиме зручність та безпеку в роботі.

1.3 Матеріали деяких деталей пристосування


Оскільки дане пристосування працює в нормальних виробничих умовах, використання спеціальних матеріалів не доцільно.

Матеріал для виготовлення установчих елементів має бути міцним, зносостійким і водночас не крихким, найкраще підійде сталь яка має поверхневе зміцнення.

Корпусні деталі виготовляють з чавуну або зі сталевого прокату.

свердлильна операція маховик привод

2. Базування деталі при обробці


Оскільки до оброблюваних отворів пред'явлені жорсткі вимоги розташування відносно центрального отвору, то необхідно базувати деталь саме на цьому отворі. Головною базовою поверхнею буде конічна поверхня деталі, допоміжною торцева.

Схема базування деталі наведена на рисунку 2.1.

Рисунок 2.1 - Схема базування деталі.

При такому способі встановлення утворюються дві бази - подвійна направляюча (конусна поверхня деталі) і опорна (торцева поверхня деталі). Подвійна направляюча база позбавляє деталь чотирьох ступенів волі, опорна - однієї.

Зв'язки, забезпечувані базами, та позбавлені ступені волі наведені в таблиці 2.1.

Таблиця 2.1 - Зв'язки, забезпечувані базами

База

Забезпечені зв'язки

Позбавлені ступені волі

ПНБ

1,2,3,4

II, III, IV, VI

ОБ

6

I



Таблиця 2.2 - Матриця зв'язків.

X

Y

Z

1

1

0


1

1

0

ОБ

0

0

0


0

0

1


Заміняю теоретичну схему базування установчими елементами пристосування. Подвійною направляючою базою буде довга конічна оправка, опорною - нижня плоска частина оправки. Схема встановлення деталі в установчих елементах пристосування, наведена на рисунку 2.2.

Рисунок 2.2 - Деталь, встановлена на оправку.

- Кріпильний болт М14

- Шайба D=15 мм.

- Гайка М14.

- Шток пневмоциліндра

- Корпус пристосування.

- Оправка конічна.

- Розрізна шайба.

Закріплення ведеться одиничним прижимом.

2.1 Через різність зовнішніх діаметрів, а також через те, що базою являється зовнішня циліндрична поверхня, підраховується похибка базування


Розрахунок похибки базування ведеться за формулою:


Допустима похибка

З умови базування: , 0,43  0,25 - умова виконується, звідси виходить, що при обробці отворів при даному базуванні буде досягнута необхідна точність.

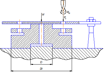
3. Розрахунок сил затиску


Розраховую силу затиску, необхідну для надійного закріплення деталі при обробці. Схема сил діючих на заготовку зображена на рисунку 3.1.

Рисунок 3.1 - Розрахункова схема.

Сила затиску обчислюється за формулою:

 (3.1)

де:- сила затиску в кГ;- коефіцієнт запасу;- коефіцієнт тертя в робочих поверхнях зажимів;

Мкр - обертовий момент на свердлі в кГ∙мм;- число одночасно працюючих свердел;1, D - див. рисунок 3.1 D1 = 160 мм, D = 95 мм.

Коефіцієнт гарантованого запасу k0 = 1,51 = 1,0 - враховує збільшення сил різання через нерівності на поверхнях;2 = 1,0 - збільшення сил різання через затуплення ріжучого інструменту;3 = 1,0 - збільшення сил різання при переривчастому різанні.4 = 1,2 - постійність сили закріплення;5 = 1,0 - враховує ергономіку ручних затискних механізмів;6 = 1,0 - враховує наявність моментів.


Обертовий момент

Сн = 0,0345, q = 2, y = 0,8, x = 0

 (3.2)

Осьова сила

Ср = 68, q = 1, y = 0,7, x = 0

 (3.3)= 1181,7 кг.

Усі розрахунки перевірено за допомогою спеціалізованої програми "Сила" на ЕОМ.

4. Вибір та розрахунок силового приводу


В якості силового приводу для затиску деталі обираю пневмоциліндр односторонньої дії, де затиск виконується силою стисненого повітря, а розтиск - за допомогою пружини. Пневмоциліндр обираю тому, що для затиску-розтиску заготовки необхідний великий хід штоку (35-40 мм), якого не може забезпечити пневмокамера.

Розраховую діаметр пневмоциліндра. Розрахунок ведеться за формулою:

 (4.1)

Де:- сила затиску (розрахована в п.3) η - коефіцієнт корисної дії пневмоприводу, η = 0,85.

ρ - тиск повітря в пневмомережі, ρ = 0,4 МПа.


Обираю пневмоциліндр D = 70 мм за ГОСТ 15608-81.

Дійсна сила штоку:

 (4.2)

 

Отже, оскільки Кз > 1, то пневмоциліндр зможе забезпечити надійну фіксацію заготовки при обробці. Пневмоциліндр вмикається в пневмомережі за наступною схемою:

Рисунок 4.1 - Схема підключення до пневмомережі.

На схемі:

- Кран-вентиль.

- Фільтр-вологовідділювач.

- Редукційний пневмоклапан.

- Манометр.

- Маслорозпилювач.

- Пневморозподілювач 8 - Пневмоглушник.

- Пневмоциліндр.

Приводжу ескіз обраного мною пневмоциліндра односторонньої дії.

Рисунок 4.2 - Пневмоциліндр.

5. Розрахунок деталі на міцність


Для розрахунку на міцність приймаю деталь пневмоциліндра - шток, з основним діаметром 15 мм. На міцність розраховую ділянку з різьбою М12. Матеріал, з якого виготовлений шток - 20Х13. Для того, щоб різьба витримала навантаження, необхідне виконання умови:

 (5.1)

Межа текучості для сталі 20Х13 σт = 710 МПа.

 (5.2)

Оскільки ця ділянка штоку ослаблена різьбою, то розрахунок на міцність проводжу для неї, як для найнебезпечнішої ділянки.

Розрахунковий діаметр різьби визначається за формулою:

 (5.3)

де d - зовнішній діаметр різьби, мм;

р - крок різьби, мм.

 (5.4)

де W = 1307,81 кг = 13078,1 Н - максимальна осьова сила, що діє на шток.


Оскільки умова  виконується (148,55 < 426) то ділянка штоку з нарізаною різьбою витримає навантаження при закріпленні деталі. Перевіряю виконання умови міцності на інших ділянках штока.

Загальний діаметр штока 15 мм:


Паз під розрізну шайбу, діаметром 12 мм:


Головка штока, діаметром 30 мм:


Оскільки зусилля, діючі на ділянках штоку, значно нижчі гранично допустимих, то я роблю висновок що шток з такими параметрами придатний для використання у спроектованому мною пристосуванні.

6. Збирання та експлуатація пристрою


Пристосування в зібраному вигляді повинно задовольняти технічні вимоги, вказані на кресленні загального виду, забезпечувати надійну фіксацію заготовки при свердлінні та точність встановлення.

Порядок збирання пристрою.

Довгу конічну оправку 8 прикріпити до корпуса 1 за допомогою 6 гвинтів М12 з шайбами 6,7. Шток пневмоциліндра 9 пропустити крізь отвори оправки та корпуса, надіти на нього поршень пневмоциліндра 13 та зафіксувати за допомогою гайки М12 та шайби 11. Вкласти в корпус пружину 18, надіти корпус пневмоциліндра, попередньо вклавши гумові ущільнювачі 14, закрити корпус кришкою та надійно стягнути 6 шпильками М12 з шайбами 4,5. Прикріпити знизу дві направляючі шпонки 15 за допомогою гвинтів М5 поз. 16. Під'єднати до пневмомережі з тиском 0,4 МПа згідно схеми, наведеної на кресленні. Встановити виріб на верстат та надійно зафіксувати кріпильними болтами (на кресленні не зображені). Після цього пристосування готове до експлуатації.

Експлуатація пристосування

. Встановити і закріпити пристосування на верстаті з урахуванням нульової точки верстата.

. Підготувати базові поверхні до установки заготовки.

. Встановити заготовку.

. На шток пристосування встановити шайбу розрізну.

. Поворотом рукоятки розподільного крана виконати затиск заготовки.

. Обробити заготовку.

. Поворотом рукоятки розподільного крана виконати роз тиск заготовки.

. Зняти розрізну шайбу з штока.

. Зняти деталь.

. Підготувати базові поверхні до встановлення наступної заготовки.

. У процесі експлуатації дотримуватися технічних вимог, не допускати значного підвищення тиску в пневмомережі.

. У процесі експлуатації періодично перевіряти на герметичність. У випадку виявлення витоку повітря припинити експлуатацію до усунення причини.

. Пристосування зберігати на дерев'яній підставці у приміщенні з плюсовою температурою.

. Не допускати дії атмосферних опадів та агресивних середовищ.

Література


1. Справочник. Станочные приспособления. В 2-х томах. М: "Машиностроение”, 1984г., Т.2. под реддакцией Б.Н. Вордашкина, А.А. Шатилова, 1984г.

. Горошкин А.К., "Приспособления для металлорежущих станков”, справочник - 7изд., перераб. и доп. - М: Машинострение, 1979г.

. Общемашиностроительные нормативы режимов резания для нормирования работ, выполняемых на универсальных и многоцелевых станках с ЧПУ, ч.2, Москва, 1989г.

.Н.Г. Куклин, Г.С. Куклина, Детали машин, М.: Высшая школа, 1984г.

. Справочник технолога машиностроителя. В 2-х томах. Т.1. Под ред.А.Г. Косиловой и Р.К. Мещерякова, 1985. - 656с., ил.

.А.Л. Белоусов. Проектирование станочных приспособлений: учебное пособие для учащихся техникумов, 3-е изд, перераб. и доп. - М.: Высшая школа, 1980. - 240с., ил.

. Ю.Е. Кирилюк. Допуски и посадки: справочник - 2-е изд., перераб. и доп. - К: Вища школа. Главное изд-во 1989. - 135с., 3ил, 26 табл.

Похожие работы на - Проектування спеціального пристосування для свердлильної операції

 

Не нашли материал для своей работы?
Поможем написать уникальную работу
Без плагиата!
Без нейросетей!