Проектирование универсальной быстропереналаживаемой инструментальной системы для обработки взаимоточных поверхностей, включая отверстия
Кафедра “Технология машиностроения”
ВЫПУСКНАЯ
КВАЛИФИКАЦИОННАЯ РАБОТА СПЕЦИАЛИСТА
ДИПЛОМНОЕ ПРОЕКТИРОВАНИЕ
. Выдано студенту (ке)
. Тема проекта (работы) Проектирование универсальной
быстропереналаживаемой инструментальной системы для обработки взаимоточных
поверхностей, включая отверстия
утверждена приказом по университету от____5 апреля
№__621/3____________________
. Исходные данные к проекту:
. Годовая программа по данным ОАО "Автодизель" с уточнением ее
у руководителя дипломного проектирования.
. Методические указания "Дипломное проектирование по технологии
машиностроения" [2411].
. Список литературы, необходимой при выполнении различных разделов
проекта приведен в п. 2 стр.29 - 34 [2411].
. Содержание расчетно-пояснительной записки (перечень подлежащих
разработке вопросов) Приведено в методических указаниях "Дипломное
проектирование по технологии машиностроения" на стр. 10 - 32.
. Перечень графического материала (с точным указанием обязательных
чертежей)
. Структура и состав быстропереналаживаемой инструментальной системы -
лист формата А0.
. Схема установки инструментальной системы на станки - лист формата А0.
.Деталировка - лист формата А1.
. Блок для черновой кольцевой обработки - лист формата А1.
. Державка резца, корпус - 2 листа формата А1.
. Операционные эскизы - 2 листа формата А1.
. Чертежи детали и заготовки - 2 листа формата А1.
. Экономические показатели - лист формата А1.
. Консультанты по проекту с (указанием относящихся к ним разделов
проекта)
к.э.н., доцент по экономике
по экологии, охране труда и технике безопасности
Контрольные проверки выполнения дипломного проекта: 20 апреля; 4 мая; 25
мая;
июня.
. Нормоконтролер ___________________________________________
. Срок сдачи дипломного проекта - 5 июня 2012 г.
. Дата выдачи задания
Руководитель
Задание
принял к исполнению
«___»______________________2012 г.
Содержание
Введение
. Исходные данные к проекту
1.1 Способы обработки поверхностей
1.2 Описание используемого оборудования
2. Обзор и анализ существующих конструкций технологической
оснастки
2.1 Обзор и анализ существующих
конструкций
2.2 Проектируемая оснастка
. Патентные исследования по
конструкциям проектируемой оснастки
4. Проектирование технологической оснастки
.1 Краткое описание оснастки
.2 Корпус оправки
.3 Блоки скользящие
. Расчеты технологической оснастки на прочность, жесткость,
податливость
5.1
Расчет оправки на точность, жесткость
5.2 Расчет податливости инструментального блока
. Технологическая часть
.1 Характеристика типа производства
.2 Выбор вида заготовки
.3 Выбор баз и последовательность обработки изделия
.4 Расчет режимов резания и норм времени
. Охрана труда при изготовлении деталей оснастки
.1 Общие сведения об охране труда на производстве
.2 Краткая характеристика цеха
.3 Производственный интерьер
.4 Шум и меры борьбы с ним
.5 Вибрация
.6 Электробезопасность
.7 Метеорологические условия
.8 Освещение
.9 Выбор системы освещения
.10 Выбор типа светильников
.11 Распределение светильников
.12 Расчет осветительной установки
.13 Пожарная безопасность
. Экономическая эффективность спроектированной оснастки
.1 Введение
.2 Исходные данные
.3 Ведомость оборудования
.3.1 Расчет количества оборудования
.3.2 Коэффициент загрузки оборудования
.4 Расчет капиталовложений по изменяющимся элементам
.4.1 Балансовая стоимость изменяемых элементов основного и
вспомогательного оборудования
.4.2 Стоимость изменяющихся элементов производственных
площадей
.4.3 Капиталоемкость продукции по базе и проекту
.5 Расчет себестоимости получения изделия
.5.1 Расчет себестоимости заготовки
.5.2 Расчет затрат энергии на технологические цели
.5.3 Заработная плата и единый социальный налог для
рабочих-станочников в цехах металлообработки наибольшее распространение
получила система сдельно - премиальной оплаты труда
.5.4 Страхование имущества
.5.5 Амортизация оборудования
.5.6 Отчисления в ремонтный фонд
.5.7 Затраты на эксплуатацию оборудования
.5.8 Возмещение износа инструментов и приспособлений
.5.9 Амортизация и содержание производственных площадей
.5.10 Технологическая себестоимость по базе и по проекту
.5.11 Расчет экономической эффективности
.6 Сравнительные технико-экономические показатели
.7 Оценка экономических результатов проекта за расчетный
период
.7.1 Калькуляция затрат на единицу продукции, руб/шт
.7.2 Расчет денежных поступлений на единицу продукции
.7.3 Годовые денежные поступления
.7.4 Годовые денежные поступления с учетом капиталовложений
.7.5 Остаточная стоимость оборудования и зданий после
расчетного периода
.7.6 Срок окупаемости
.7.7 Коэффициент внутренней доходности
.8 Основные показатели проекта
Выводы и практические рекомендации
Список используемой литературы
Приложения
Приложение «А»
Приложение «Б»
Введение
Современное машиностроительное производство ориентированно на коренное
повышение эксплуатационных и качественных показателей изготавливаемой продукции
с увеличением объемов производства и повышении производительности при
обеспечении минимальных затрат труда в процессе изготовления.
Эффективность современного машиностроительного производства с учетом выше
сказанного достигается на основе комплексной автоматизации и механизации
технологических процессов, что означает широкое применение гибких
производственных систем, роботизированных технологических комплексов и другого
технологического оборудования, управляемого от ЭВМ, обеспечивающего
автоматизацию механической обработки резанием и сборки изделий.
Современные тенденции развития машиностроительного производства включают
в себя также широкое применение новых прогрессивных и перспективных конструкций
режущих инструментов, прогрессивных конструкционных и инструментальных
материалов, и, как следствие, применение прогрессивных высокопроизводительных
методов механической обработки.
Перспективным в машиностроении является внедрение гибкого
автоматизированного производства, состоящего из одного или нескольких гибких
производственных комплексов, объединенных автоматизированной системой
управления производством и автоматизированной транспортно-складской системой.
Обеспечивает быстрый переход на изготовление новых изделий при помощи ряда
автоматизированных систем: научных исследований, проектирование систем
управления, технологической подготовки производства, управления предприятием,
транспортно-складской, инструментального обеспечения, контроля, удаления
отходов.
Таким образом, выполнение данной дипломной работы является актуальным в
настоящее время, в проекте рассматриваются вопросы усовершенствования
технологической оснастки для механической обработки крышки заднего подшипника
первичного вала коробки передач, с применением обрабатывающих центров,
прогрессивного режущего инструмента, повышение эксплуатационных и качественных
показателей изготавливаемой продукции.
1. Исходные данные к проекту
.1 Способы обработки поверхностей
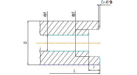
Варианты обрабатываемых поверхностей представлены на (рисунках 1.1, 1.2,
1.3).
Первый вид обработки деталей (рисунок 1.1)
Рисунок
1.1 - Обработка деталей со ступенчатыми
Второй
вид обработки деталей (рисунок 1.2)
Рисунок 1.2 - Обработка деталей по внутренним и наружным поверхностям
Третий вид обработки деталей (рисунок 1.3)
Рисунок
1.3 - обработка кольцевых поверхностей деталей
Геометрические
параметры обрабатываемых поверхностей, мм
Таблица
1.1
Для
конкретного применения и разработки оснастки была взята деталь представитель,
крышка заднего подшипника первичного вала (рисунок 1.4)
Рисунок
1 - Крышка заднего подшипника первичного вала
1.2 Описание используемого оборудования
Проектируемая оснастка может применяться на многоцелевых обрабатывающих
центрах, на станках сверлнльно-расточнои и фрезерной групп.
Мной предложено использовать два обрабатывающих центра 1727Ф6, МЦ-5-700,
краткие их характеристики.
Токарный двухшпиндельный обрабатывающий центр модели 1727Ф6 предназначен
для токарной обработки деталей (тел вращения) с выполнением фрезерных,
зубообрабатывающих, сверлильно-расточных операций. Станок обеспечивает
последовательную двухстороннею обработку с автоматической передачей детали из
патрона в патрон двух шпиндельных бабок.
Станок оснащен 2мя револьверными головками. Многофункциональность станка,
высокая точность (некруглость до 2 мкм) и скорость обработки позволяют
использовать его для изготовления высокоточных и сложных деталей на
предприятиях различных отраслей промышленности с применением современного
инструмента.
Техническая характеристика двухшпиндельного токарного обрабатывающего
центра 1727Ф6:
Предельные размеры, устанавливаемых поверхностей не менее, мм:
наибольший диаметр над станиной
.......................................................300
диаметры в местах установки:
в гидропатроне левом.........................................................................50-250
в гидропатроне
правом.......................................................................70-200
Предельные размеры обрабатываемых поверхностей, не менее, мм:
наибольший диаметр над станиной........................................................300
наибольший диаметр над
суппортом.....................................................300
наибольшая длина
(патронноеисполнение)...........................................180
Высота устанавливаемого резца в головке автоматической 4х позиционной с
вертикальной
осью...............................................................20
Диаметр отверстия в 12ти позиционной головке револьверной, мм....30
Наибольшее перемещение бабки шпиндельной правой (по оси W),мм....1525
Наибольшее продольное перемещение левого суппорта (по оси Z),
мм........315*
Наибольшее поперечное перемещение левого суппорта (по оси X),
мм............................300
Наибольшее поперечное перемещение правого суппорта (по оси U), мм...........................300
Наибольшее вертикальное перемещение головки револьверной (по оси Y),
мм......100 (±50)
Дискретность задания перемещения по осям X, U, Z, Y, W,
мкм........................................1,0
Пределы частот вращения шпинделей бабки шпиндельной левой и
правой,
мин-1............................................................................10...3125
Наибольшая частота вращения инструментального шпинделя 12ти позиционной
головки револьверной, мин-1.................................................................4000
Наибольшая рабочая подача по осям X, U, Z, Y, W, мм/мин............4000
Скорость быстрых перемещений по осям X, U, Z, Y, W, мм/мин...10000
Наибольший крутящий момент на шпинделе бабки шпиндельной левой,
кНм................0,67
Наибольший крутящий момент на шпинделе бабки шпиндельной правой,
кНм............0,376
Наибольший крутящий момент привода 12ти позиционной головки револьверной,
кНм0,02
Суммарная мощность электродвигателей,
кВт......................................60
Габаритные размеры станка (вместе с отдельно расположенными агрегатами и
электрооборудованием), мм
длина.........................................................................................................5890
ширина......................................................................................................2850
высота.......................................................................................................2345
Масса станка (вместе с отдельно расположенными агрегатами и
электрооборудованием),
кг......................................................................10200
Обрабатывающий центр МЦ-5-700 предназначен для комплексной
высокоскоростной обработки деталей из различных материалов, в том числе
труднообрабатываемых, имеющих сложную геометрическую формы. Станки могут
выполнять операции сверления, фрезерования, растачивания, нарезания и
фрезерования резьбы.
Обрабатывающий центр МЦ-5-700 имеет поворотный двухкоординатный стол и
пять формообразующих координатных движения, что позволяет производить обработку
заготовки с пяти сторон.
Техническая характеристика обрабатывающего центра МЦ-5-700:
Класс точности по ГОСТ
8-82...............................................................А
Размеры базовой поверхности стола, мм................................... Æ700х500
Мощность главного привода,
кВт.............................................................38
Пределы частот вращения шпинделя,
мин-1..............................60...14000
Номинальный крутящий момент, кНм................................................0,138
Конус шпинделя по DIN69893…………………...…HSK-A63
Число управляемых осей координат......................................5 +
шпиндель
Число одновременно управляемых осей
координат.................................5
Наибольшее перемещение по линейным координатам X/Y/Z,
мм.........710/530/530
Наибольший поворот по круговым координатам В/С, град.........180/360
Скорость быстрых перемещений X/Y/Z,
м/мин.................................... 30
Скорость быстрых перемещений В/С, м/мин.....................................40/60
Ускорение при разгоне,
м/с2...................................................................5
Пределы подач координатных перемещений X/Y/Z, мм/мин.....50...10000
Пределы подач координатных перемещений В/С, мин-1..........0,0016...8
Дискретность задания координатных перемещений X/Y/Z, мкм.........1,0
Дискретность задания координатных перемещений В/С, мкм..............1,0
Количество инструментов в
магазине..........................................24 (2х12)
Максимальная нагрузка на стол,
кг........................................................350
Масса станка,
кг...............................................................................7900
2. Обзор и анализ существующих конструкций технологической оснастки
.1 Обзор и анализ существующих конструкций
Станки с ЧПУ работают в автоматическом режиме, поэтому их
инструментальная оснастка должна удовлетворять требованиям автоматизированного
производства и, кроме того, обладать гибкостью, позволяющей без переналадки выполнять
разнообразные технологические операции при изготовлении различных деталей. Для
выполнения каждой операции (перехода) применяют инструментальные блоки,
представляющие собой функциональную сборочную единицу в виде режущего и
вспомогательного (зажимного) инструмента. Инструментальные блоки должны
обеспечивать высокую точность позиционирования (установки) инструмента по
отношению к базам станка, возможность регулирования размеров и автоматическую
замену блоков. Решение данной задачи достигается применением системы
вспомогательного инструмента для станков с ЧПУ.
Для снижения затрат на вспомогательный инструмент и для удобства
эксплуатации важным условием эффективности подсистемы вспомогательного
инструмента является его минимальное количество, обеспечивающее возможность
закрепления максимально возможного числа инструментов различных типов и
размеров. Важным фактором унификации инструментальной оснастки является
принятие единых исполнений присоединительных поверхностей инструмента и
станков.
Кроме инструментов традиционной конструкции и
номенклатуры применяют инструменты, обладающие повышенными надежностью,
точностью, регулируемые по размеру и комбинированные, обеспечивающие совмещение
переходов, а следовательно, повышение эффективности оборудования.. При обработке
коротких отверстий применяют инструмент оснащенный многогранными пластинами,
обладающие высокой надежностью, точностью и обеспечивающие высокую
производительность.
Схема вспомогательного инструмента используемая на станках с ЧПУ.
Рисунок 2.1 - Вспомогательный инструмент
Применяемая и машиностроении система вспомогательного
инструмента имеет три подсистемы (рисунок 1):
а) подсистему вспомогательного инструмента для станков
с ЧПУ сверлнльно-расточнои и фрезерной групп;
б) подсистему вспомогательного инструмента с цилиндрическим хвостовиком
для станкоп с ЧПУ токарной группы;
Инструментальные блоки собирают на базе подсистемы вспомогательного
инструмента для станков сверлильно-расточной и фрезерной групп (рис.а). которая
позволяет применять любой требуемый инструмент. Хвостовики инструментов
выполняются по ГОСТ 25827-83. Предусмотрена единая конструкция хвостовиков для
станков как с автоматической .сменой, так и ручной сменой инструмента. Место
захвата манипулятором представляет собой канавку трапецеидальной формы с углом
60°. Фрезеровка на фланце под углом 90° обеспечивает при автоматической замене
расположение шпоночных пазов блока против шпонок шпинделя. Каждый вид
вспомогательного инструмента имеет до 24 типоразмеров, отличающихся длиной (см.
рис. а) и размерами посадочного места под режущий инструмент. Допускаемое
биение посадочного места для инструмента или регулируемой по длине оправки
относительно хвостовика с конусностью 7:24 составляет 0,005-0,01 мм. Для
станков классов точности Н и П установлена степень точности хвостовиков АТ5,
для станков классов точности В и А-АТ4. Вспомогательный инструмент изготовляют
из стали 18ХГТ с цементацией и закалкой до твердости 53-57 HRC3, что обеспечивает достаточную
долговечность и отсутствие деформаций после
термической обработки.
Для закрепления инструментов с цилиндрическим
хвостовиком подсистемой предусмотрены цанговые патроны и оправки с диапазонами
диаметров хвостовиков 3-25 мм и 20-40 м. Цанги имеют конусность 1:5,
изготовляются из стали 60С2А с термообработкой до твердости 49-53HRC3. На станках сверлильно-расточной и
фрезерных групп применяются как стандартные конструкции инструментов, так и
выполненные по отраслевым стандартам и отличающиеся от стандартных более точным
изготовлением режущей и присоединительной части. Так, сверла спиральные с
цилиндрическим хвостовиком диаметром 3-20 мм по ОСТ2 И20-1 - 80 для станков с
ЧПУ отличаются от стандартных (ГОСТ 10902-77) уменьшенными допусками на
симметричность сердцевины, осевое и радиальное биение режущих кромок.
Хвостовики сверл выполнены цилиндрическими, без обратной конусности, что
обеспечивает более надежное закрепление в цанговых патронах. Задняя поверхность
выполняется либо двухплоскостной, либо винтовой. Обе эти формы задней
поверхности обеспечивают снижение осевой силы на 15-20 %, увеличивают стойкость
и надежность сверла, точность отверстий за счет уменьшения разбивки и точность
координат центров отверстий.
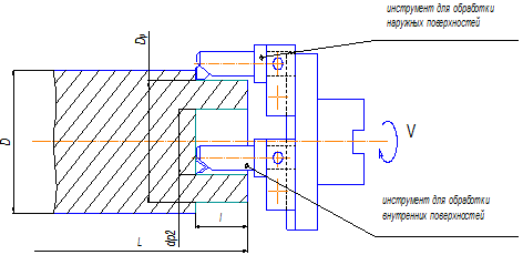
.2 Проектируемая оснастка
Анализируя все выше перечисленные оправки я разработал универсальную
Быстро переналаживаемую систему, которая позволяет производить обработку
ступенчатых поверхностей, наружных и внутренних поверхностей
Кольцевых поверхностей. Оснастка может применяться на многоцелевых
станках, станках с ЧПУ, для станков токарной, сверлильно-расточной и фрезерных
групп. Оснастка сокращает простои оборудования, снижает затраты на
вспомогательный инструмент, повышает эффективность оборудования, обеспечивает возможность
закрепления максимально возможного числа инструментов различных типов и
размеров.
. Важным фактором унификации инструментальной оснастки
является принятие единых исполнений присоединительных поверхностей инструмента
и станков.
Инструмент для обработки ступенчатых поверхностей
Рисунок
2.2 - Обработка ступенчатых поверхностей
Данный
вид обработки позволяет производить обработку сразу по нескольким поверхностям.
Это позволяет сократить время на переналадку станка, повышает
производительность, повышает качество обрабатываемой
Поверхности.
Инструмент
для обработки наружных и внутренних поверхностей
Рисунок
2.3 - Обработка наружных и внутренних поверхностей
Данный
вид обработки позволяет производить обработку одновременно по наружной и
внутренней поверхностям. Этот вид обработки может быть с успехом применен для
тел вращения. Инструмент можно быстро перестроить на любой нужный диаметр.
Инструмент
для обработки кольцевых поверхностей
Рисунок
2.4 - Обработка кольцевых поверхностей
Данный
вид обработки позволяет производить кольцевую обработку деталей.
Достоинства
этого метода в том, что припуск при обработке делится на три части. За счет
того, что первый резец опережает второй, происходит разделение припуска на три
части, повышая качество обрабатываемой поверхности.
3.
Патентные исследования по конструкциям проектируемой оснастки
Мной
был произведен обзор патентов и авторских свидетельств на режущий инструмент и
оправки. Проанализировав конструкции и способы применения инструмента, оснастки
были выбраны патенты и конструкции, которые обладают прогрессивными режимами
резания, сокращают время переналадки станка, повышают точность, качество
обработки, повышают экономическую эффективность. В качестве патента была
выбрана расточная головка, которая применяется для черновой и чистовой обработки.
Авторское свидетельство RU 2042477 C1
Расточная головка. Изобретение относится к
металлообработке. Целью изобретения является повышение производительности
посредством автоматической подналадки расточной головки на исполнительный
размер. Данное изобретение может быть использовано на спроектированной
оснастке.
Рисунок 3.1 - Расточная головка
4. Проектирование технологической оснастки
.1 Краткое описание оснастки
Проектируемая технологическая оснастка может применяться для обработки
ступенчатых поверхностей, внутренних и наружных, кольцевых поверхностей.
Оснастка состоит из: оправки универсальной, которая подходит под конуса HSK, 7:24, хвостовик VDI под револьверную головку, двух
скользящих блоков и инструмента. Оснастка в сборе представлена на (рисунок
4.1).
Рисунок
4.1 - Оснастка в сборе
.2
Корпус оправки
Корпус
оправки производится из стали 40Х ГОСТ 1055-88 габаритные размеры 185мм на
100мм. В оправке сделан паз «ласточкин хвост» размером 50мм, шероховатость
поверхности Ra40. Корпус оправки может быть соединен с конусами HSK,
7:24, хвостовик VDI для станка с револьверной головкой. Корпус изображен
(рисунок 4.2).
Рисунок
4.2 - Корпус
.3
Блоки скользящие
Скользящие
блоки двух видов, предназначены для черновой и чистовой обработки. Блоки
делаются из стали 40Х, ГОСТ1055-88 шероховатость Ra40
Габаритные
размеры блоков 60х100х65, 60х100х105. В корпусе есть паз по которому происходит
перемещение блоков.
В
черновом блоке предусмотрено два положения инструмента и устанавливается он в
зависимости от обрабатываемой поверхности. Для крепления резца сделаны два
отверстия под болт М16. В нижней части блока сделан паз для фиксации и
перемещения блока в корпусе оправки. Блок для черновой обработки изображен
(рисунок 4.3).
Рисунок 4.3 - Блок для черновой обработки
Блок для чистовой обработки имеет точно такую же конструкцию, но в место
резца используется расточная оправка. Крепится оправка с помощью винта М8 с
потайной шестигранной головкой. Блок для чистовой обработки изображен (рисунок
4.4).
Рисунок
4.4 - Блок для чистовой обработки
В
черновом и чистовом блоках предусмотрено два положения инструмента и выбираются
они степени сложности обрабатываемой поверхности. Блоки могут перемещаться
относительно друг друга, этим перемещением регулируется диаметр обрабатываемого
отверстия или диаметр наружной поверхности (рисунок 4.5).
Рисунок
4.5 - Перемещение блоков относительно друг друга
S - перемещение
блоков относительно друг друга.
В
блоке для черновой обработки поверхности устанавливаются резцы с прямоугольной
державкой и СМНП. Крепится резец двумя болтами М16. Используемый резец с СМНП
(рисунок 4.6).
Рисунок
4.6 - Резец с СМНП
Блок
с установленным резцом (рисунок 4.7).
Рисунок
4.7 - Крепление резца
Крепление
резца выполнено особым способом. Болт крепящий резец к блоку завинчивается со
смещением 1-3мм. Это обеспечивает контактную жесткость не по одной плоскости, а
сразу по двум. Таким образом, осуществляется высокая жесткость для обработки
кольцевых поверхностей (рисунок 4.8).
Рисунок
4.8 - Контактная жесткость
В
блоке для чистовой обработки поверхности устанавливаются расточные оправки,
которые могут выполнять финишную обработку. Фиксируется оправка в блоке винтом
М8, с потайной шестигранной головкой.
Используемая
расточная оправка (рисунок 4.9).
Рисунок
4.9 - Расточная оправка
Блок
с установленной оправкой (рисунок 4.10).
Рисунок
4.10 - Крепление расточной оправки
По
своим возможностям проектируемая оснастка универсальна, может быстро
перенастраиваться для обработки различных поверхностей, имеет высокую точность
обработки, проста в эксплуатации, применяется на многоцелевых обрабатывающих
центрах, станках сверлильно-расточных и фрезерных групп.
5.
Расчеты технологической оснастки на прочность, жесткость, податливость
5.1 Расчет
оправки на точность, жесткость
Расчет
точности позиционирования инструментального блока.
Инструментальные блоки, устанавливаемые в шпинделе, должны обеспечить
статическую точность, приведенную к вылету режущих кромок.
Допустимое биение режущих кромок до 18 мм после установки
инструментального блока в шпиндель:
[2е∑] = 0,056 мм [1, с.37]
Рассчитаем биение 2е∑ резца, установленной в шпинделе станка с ЧПУ
при следующих исходных данных таблица 5.1.
Таблица 5.1
Исходные данные
|
Исходный параметр
|
Значение параметра, мм
|
|
- Биение шпинделя станка
при вылете шпинделя 300 мм - Действительный вылет шпинделя - Биение
конического отверстия 7:24 шпинделя у торца - Степень точности изготовления
конических поверхностей - Биение цилиндрической поверхности базового блока
относительно наружного конуса 7:24 - Биение относительно цилиндрического
хвостовика.
|
0,001 160 0,008 АТ7 0,01
0,01
|
Выполним эскиз инструментального блока с указанием его элементов,
диаметральных размеров элементов на концах стыков и осевых размеров от концов стыков
элементов, а также выявим размерную цепь, замыкающим звеном которой является
смещение резца (рисунок 5.1).
Рисунок
5.1 - Расчетная схема
где
е1 - Смещение конического отверстия в шпинделе
е2
- Перекос оси отверстия шпинделя
е3
- Перекос в коническом соединении базового блока и шпинделя
е4
- Смещение цилиндрического отверстия базового блока к оси
конуса
7:24
е5
- Перекос в соединении базового блока и оправки
е6
- Смещение оси конической поверхности оправки к оси
цилиндрического
хвостовика
е7
- Перекос в цилиндрическом соединении оправки и хвостовика
Ее
- Суммарное смещение
Для каждого элемента инструментального блока определяем значения ei, Ki, Ai по [1, с.38.]
;
;
;
;
.
Полученные
данные заносим в таблицу 5.2
Таблица
5.2
Данные
для расчета величины биения инструментального блока
|
Погрешность
|
Вид ошибки
|
ei
|
Ki
|
Ai
|
|
1. Смещение конического
отверстия в шпинделе
|
Векторная
|
4 мкм
|
1,17
|
1
|
|
2. Перекос оси отверстия
шпинделя
|
Угловая
|
1 мкм / 300 мм
|
1,1
|
0,67
|
|
3. Перекос в коническом
соединении базового блока и шпинделя
|
Угловая
|
2,5 мкм / 100 мм
|
1,51
|
2,01
|
|
4. Смещение цилиндрического
отверстия базового блока к оси конуса 7:24
|
Векторная
|
5,0 мкм
|
1,09
|
1
|
|
5. Перекос в соединении
базового блока и оправки
|
Угловая
|
4,3 мкм / 100
|
1,09
|
0,96
|
|
6. Смещение оси конической
поверхности оправки к оси цилиндрического хвостовика
|
Векторная
|
5,0 мкм
|
1,17
|
1
|
|
7. Перекос в цилиндрическом
соединении оправки и хвостовика
|
Угловая
|
2,5 мкм / 100 мм
|
1,17
|
0,36
|
Погрешность позиционирования вершины лезвия инструмента, равная половине
биения, при установке блока в шпиндель станка рассчитывается по формуле:
[1,
с.38]
где е∑ - половина допуска биения режущей части как замыкающего
звена;
K∑
- коэффициент относительного рассеивания замыкающего звена;
n -
число элементов инструментального блока, влияющих на точность позиционирования;
eiAi -
принятое за скалярную величину произведение векторной величины ei на свое передаточное отношение Ai;
Ki -
коэффициент относительного рассеивания размеров присоединительных поверхностей
вспомогательного инструмента.
Величина K∑
рассчитывается по формуле:
[1,
с.39]
Рассчитаем
величину K∑:
Рассчитаем
погрешность позиционирования вершины инструмента:

Рассчитанная
погрешность позиционирования меньше допускаемой:
е∑
= 24,84мкм = 0,02484 мм < 0,056 мм = [2е∑]
Разработанный
инструментальный блок обеспечивает заданную точность позиционирования.
5.2
Расчет податливости инструментального блока
Точность
обработки зависит от деформации инструментальных блоков. Деформации
инструментальных блоков регламентируются допустимой податливостью, т.е.
деформацией блока (мкм/Н) в точке приложения силы. Допустимая податливость для
оправки установленной в инструментальном блоке:
[П]
= 0,153 мкм/Н
Рассчитаем
податливость резца, установленного на оправке, установленного в державке,
установленного в шпинделе станка с ЧПУ.
Определим
значения угла поворота Өi/M, (кНм)-1, для всех соединений инструментального
блока, используя данные [1, с. 42 ]
Результаты
представлены в таблице 5.3
Таблица 5.3
Данные для расчета величины податливости инструментального блока
|
Вид соединения
|
Значения угла поворота Өi/M,
(кНм)-1
|
|
Конус 7:24
|
0,00035
|
|
Цилиндрическое соединение D36
|
0,0032
|
|
Цилиндрическое соединение D9
|
0,0026
|
Рассчитаем величину деформации инструментального блока под действием
силы, нормальной к его оси, определяемую по формуле:
, мкм
где P - нагружающая сила, Н;
li -
длина i-го элемента инструментального блока,
мм;
n -
число элементов инструментального блока;
E =
2,1 1011 Па - модуль продольной упругости;
Ii = π D4/64 - осевой момент инерции i-го элемента, мм4;
Өi/M - угол поворота i-го соединения, (кНм)-1.
Податливость инструментального блока, определяется по формуле:
мкм/Н
Рассчитаем величину деформации инструментального блока:
мкм
Рассчитаем податливость инструментального блока, определяется по формуле:
мкм/Н
Рассчитанная податливость инструментального блока меньше допускаемой:
П = 0,0971 мкм/Н < 0,153 мкм/Н = [П]
Разработанный инструментальный блок обеспечивает заданную точность
обработки.
6. Технологическая часть
.1 Характеристика типа производства
Тип производства по ГОСТ 3.1108-74 характеризуется коэффициентом
закрепления операций Кз.о:
[1,
с. 19]
где ΣО - суммарное число различных операций
Ря - явочное число рабочих подразделения, выполняющих различные операции.
Согласно
ГОСТ 14.004-74, принимаются следующие коэффициенты закрепления операций: для
массового производства
; для крупносерийного производства
; для среднесерийного производства
;
для
мелкосерийного производства
; для
единичного производства Кз.о - не регламентируется.
Исходные
данные:
Годовая программа выпуска изделий N1 = 60024 шт.
Количество деталей на изделие m = 1 шт.
Запасные части β = 5 %
Режим работы предприятия 2 смены в сутки.
. На основании исходных данных рассчитываем годовую программу:
шт.
2.
Располагая штучным временем, затраченным на каждую операцию, определяем
количество станков:
[1,
с. 20]
где N - годовая программа, шт.;
Tшт -
штучное время выполнения рассматриваемой операции, мин;
Fд
- действительный годовой фонд времени работы оборудования и рабочих мест (в две
смены),
ч. ([1, с. 22, табл. 2.1]).
nз.н.
= 0,75 - нормативный коэффициент загрузки оборудования;
3. Устанавливаем принятое число рабочих мест Р, округляя до ближайшего
большего целого числа полученное значение mp.
4. Вычисляем значение фактического коэффициента загрузки рабочего места n з.ф. = mp / P.
5. Определяем количество операций на каждом рабочем месте:
;
Все полученные данные заносим в таблицу 6.1.
Таблица 6.1
|
Операция
|
Тшт, мин
|
mp
|
P
|
ηз.ф
|
О
|
|
005
|
Погрузочно-разгрузочная
|
|
010
|
3,10
|
0,54
|
1
|
0,54
|
1,39
|
|
015
|
6,17
|
1,07
|
2
|
0,54
|
1,39
|
|
020
|
1,29
|
0,22
|
1
|
0,22
|
3,41
|
|
025
|
1,76
|
0,31
|
1
|
0,31
|
2,42
|
|
030
|
1,80
|
0,32
|
1
|
0,32
|
2,34
|
|
035
|
1,71
|
0,30
|
1
|
0,30
|
2,5
|
|
040
|
0,45
|
0,08
|
1
|
0,08
|
9,38
|
|
045
|
1,29
|
0,22
|
1
|
0,22
|
3,41
|
|
050
|
1,24
|
0,215
|
1
|
0,215
|
3,49
|
|
055
|
1,44
|
0,09
|
1
|
0,18
|
4,16
|
|
060
|
0,77
|
0,135
|
1
|
0,135
|
5,56
|
|
065
|
0,49
|
0,085
|
1
|
0,085
|
8,82
|
|
070
|
0,49
|
0,085
|
1
|
0,085
|
8,82
|
|
075
|
Слесарная
|
|
080
|
Слесарная
|
|
085
|
Слесарная
|
|
090
|
Промывочная
|
|
095
|
Испытание на герметичность
|
|
100
|
Промывочная
|
|
105
|
Приемочный контроль
|
|
110
|
Укладывание
|
|
ΣР = 14
|
|
ΣО = 57.1
|
|
|
|
|
|
|
|
|
Ря = SР = 14; SО = 57,1
Коэффициент закрепления операций
Производство
крупносерийное.
Определим
такт выпуска на данном типе производства:
мин.
где
Fд - действительный годовой фонд времени работы единицы оборудования, ч
6.2 Выбор вида заготовки
Крышка заднего подшипника первичного вала изготавливается из ковкого
чугуна марки КЧ 37-12-Ф по ГОСТ 1215-79.
Способ получения заготовки - литье в песчаные формы.
Данный способ наиболее универсальный, недостатком
является большие затраты времени на изготовление форм. Так, набивка одного
кубического метра формовочной смеси вручную занимает 1,5...2 ч., а с помощью
пневматической трамбовки - 1 ч. Применение пескомета для набивки форм сокращает
время набивки до 6 мин. Встряхивающие машины ускоряют набивку по сравнению с
ручной в 15, а прессование - в 20 раз.
При литье в песчаные формы машинная формовка по
металлическим моделям с механизированной выемкой моделей из полуформ с заливкой
в сырые и подсушенные формы является экономичным вариантом изготовления деталей
в крупносерийном и массовом производстве по 1 классу точности. Применение при
этом машинного изготовления стержней с калибровкой их перед сборкой форм в
кондукторах позволяет в дальнейшем обеспечит безразметочную механическую
обработку отливок в приспособлениях. [5].
Литьем в землю по металлическим моделям при машинной
формовке получают отливки массой до 10,15 т. при наименьшей толщине стенок
3,8мм.
Для получения заготовки также можно использовать литье
в кокиль. Литье в кокиль экономически целесообразно при величине партии не
менее 300...500 шт. для мелких отливок и 30...50 шт. для крупных отливок.
Часовая производительность метода - до 30 отливок. Этим способом можно получать
отливки имеющие точность 13...15-го квалитетов по СТ СЭВ 144-75 и параметр
шероховатости поверхности Rz
80...10. Литьем в кокиль получают отливки из чугуна, стали, алюминия, магниевых
и др. сплавов.
В данном случае менять способ получения заготовки -
литье в песчаные формы, полученные машинной формовкой по металлическим моделям,
на литье в кокиль, экономически нецелесообразно, т.к. точность отливок,
производительность и рентабельность производства достигалась в полной мере
литьем в песчаные формы при годовой программе выпуска 31500 шт. деталей.
Коэффициент использования материала:
или 72%
где mд = 4,1 кг, - масса детали;
m0 = 5,7 кг, - масса заготовки.
Ковкий чугун получают отжигом белого чугуна. Отжиг на ферритный ковкий
чугун. Отливки выдерживаются в печи при температуре 950...1000˚С в течении
15...20 часов.
При медленном охлаждении в интервале 760...720˚С происходит
разложение цементита перлита, и структура после отжига состоит из феррита и
углерода отжига: получается ферритный ковкий чугун. Отжиг является длительной
(30...40 часов) и дорогостоящей операцией технологического процесса
производства отливок из ковкого чугуна
.3 Выбор баз и последовательность обработки изделия
Правильный выбор технологических баз определяет достижение требуемой
точности детали в процессе ее изготовления и экономичность технологического
процесса.
При обработке хвостовика крышки в качестве технологических баз для
черновой обработки на первой операции выбираем необработанные торец фланца
крышки и цилиндрическую поверхность наибольших габаритных размеров. Наибольшие
размеры этих поверхностей способствуют обеспечению необходимой точности
базирования и надежности закрепления при обработке заготовки на первой
операции.
После черновой обработки внешнего диаметра хвостовика крышки, он будет
являться двойной направляющей технологической базой при последующей черновой и
чистовой обработке фланца крышки, являвшегося базой на первой операции, и
ступенчатого центрального отверстия.
Для всей последующей обработки, т.е. для окончательной обработке
хвостовика крышки, обработки отверстий каналов подвода смазки крышки, отверстий
крепления крышки к корпусу коробки перемены передач, бобышек, в качестве
чистовых технологических баз будут использоваться внутренняя цилиндрическая
поверхность D150 мм и торец фланца крышки.
Таким образом, на всех операциях будет обеспечиваться соблюдение принципа
единства и (или) постоянства баз.
Выбор методов и конкретных видов обработки будем
производить при использовании справочных таблиц экономической точности
обработки [13] в которых содержатся сведения о технологических возможностях
обработки резанием различными методами, типовые маршруты обработки различных
поверхностей. С помощью этих таблиц выбираются окончательный и предварительный
методы обработки, а также устанавливаются промежуточные методы.
.4 Расчет режимов резания и норм времени
Произведем расчет режимов резания и норм времени аналитическим методом, в
соответствии с методиками, изложенными в [1], [8], [9], [14].
Обрабатываемый материал ковкий чугун КЧ 37-12-Ф по ГОСТ 1215-79.
Исходные данные.
Операция - чистовое обтачивание хвостовика с подрезкой торца, выдерживая
размеры Æ60-0,106-0,060; 47-0,62.
Станок - токарный двухшпиндельный обрабатывающий центр 1727Ф6; мощность
привода главного движения 22 кВт, частота вращения шпинделей бабок шпиндельной
правой 10...3125 мин-1.
Режущий инструмент - токарный резец проходной упорный правый с пластиной
из твердого сплава ВК8 по ГОСТ 18879-73 [14] (таблица 6.2).
Таблица 6.2
|
h
|
b
|
L
|
n
|
l
|
r
|
|
20
|
16
|
120
|
6
|
16
|
1.0
|
Устанавливаем геометрические параметры резца, в соответствии с которыми
производится его заточка: γ = 12˚; α = 8...10˚ [9, с. 212, табл.1]
Определение режимов резания
Глубина резания: t = 0.5 мм
Подача: Подачу при чистовом точении выбираем в зависимости от требуемых
параметров шероховатости обработанной поверхности (Ra = 1,25 мкм) и радиуса при
вершине резца по [14, с.268, табл.14]:= 0,15 мм/об.
Скорость резания v, м/мин:
[14,
с. 265]
где
Сv = 317; x = 0,15; y = 0,20; т = 0,20. [14, с. 269, табл. 17]
Т
= 60 мин, - среднее значение стойкости.
Кv
= Кмv Кпv Киv = 1,062 1,0 0,83 = 0,88
где
Кмv= (150/НВ)nv = (150/143)1,25 = 1.062 - коэффициент, учитывающий качество
обрабатываемого материала.
Кпv
= 1,0 - коэффициент, учитывающий состояние поверхности заготовки
Киv
= 0,83 - коэффициент, учитывающий материал инструмента
м/мин
Частота
вращения заготовки составит:
об/мин
Станок
имеет бесступенчатое регулирование частоты вращения шпинделя бабки, поэтому
можем принять любое значение частоты вращения, принимаем n = 1040 об/мин
Действительная
скорость резания
м/мин
Сила
резания при точении:
где
Ср = 81; x = 1,0; y = 0,75; п = 0. [14, с. 274, табл.
22]
; [14],с.
275, табл. 23
Тогда
сила резания будет равна:
Н
Мощность
резания (эффективная):
кВт
Требуемая мощность двигателя (расчетная):
кВт
Мощность
двигателя (по паспорту станка):
кВт.
обработка
возможна.
Машинное время: [8,
с.79]
мин;
где
L = l + y + Δ,
- длина рабочего хода резца, i - число
ходов.
Штучное
время: [1, с.145]
Тшт
= 1,35 То = 1.35·0,61 = 0,82 мин
Операция. Комплексная с ЧПУ. 2 переход.
Исходные данные.
Операция - Сверлить 6 отв., выдерж. р-ры: Æ14; 2; Æ11+0,24; Æ178; 30˚; 46
Станок - обрабатывающий центр МЦ-5-700; мощность привода главного
движения 38 кВт, частота вращения шпинделей бабок шпиндельной левой и правой
10...3125 мин-1.
Режущий инструмент - комбинированное сверло Р6М5 (ГОСТ 24359-80) D1 =
11.2 мм; D2 = 14 мм.
Определение режимов резания
Глубина
резания. При сверлении глубина резания
, при
рассверливании, зенкеровании и развертывании
.
мм.
мм.
Подача.
s = 0,36 мм/об [14,
с. 277, табл. 25]
Скорость
резания. Скорость резания, м/мин, при сверлении
, [14,
c. 276]
Скорость
резания, м/мин, при рассверливании
,
где
Сv = 25,3; q = 0,25; y =
0,40; m = 0,125; [14, c.278, табл. 28]
Т
= 60 мин. - среднее значение стойкости сверла; [14, c. 279, табл.
30]
Кv = Кмv Киv Кlv = 1,041 1,0 1,0 = 1,041. [14, с.
276]
где Кмv= (150/НВ)nv = (150/143)0.85 = 1.041 - коэффициент, учитывающий
качество обрабатываемого материала.
Киv = 0,83 - коэффициент, учитывающий материал инструмента
Кlv = 1,0 - коэффициент, учитывающий глубину сверления
м/мин
м/мин
Частота
вращения шпинделя
об/мин
об/мин
Принимаем:
nпр = 1235 об/мин
Действительная
скорость резания:
м/мин
Крутящий
момент, Н м, при сверлении
; [14,
с. 277]
где
См = 0,021; q = 2,0; y = 0,8; [14, c.278,
табл. 28]
Н м
Осевая
сила, Н, при сверлении
[14,
с. 277]
где
Ср = 43,3; q = 1,0; y = 0,8; [14, c.278,
табл. 28]
Н
Мощность резания (эффективная), кВт
кВт;
Требуемая
мощность двигателя (расчетная):
кВт
Мощность
двигателя (по паспорту станка):
кВт.
обработка
возможна.
Машинное
время на обработку 1го отверстия [8, с.170]
мин
где
L = l + y + Δ, - длина обрабатываемого участка детали;
Машинное
время на обработку 6 отверстий
мин
Штучное
время [1, с. 147]
мин
Операция, Комплексная с ЧПУ. 12 переход.
Исходные данные.
Операция - фрезеровать две бобышки Æ28, выдерживая размеры 40-0,25 и 41,5 мм.
Станок - обрабатывающий центр МЦ-5-700; мощность привода главного
движения 38 кВт, частота вращения шпинделей бабок шпиндельной левой и правой
10...3125 мин-1.
Режущий инструмент - торцевая фреза со вставными пластинами из твердого
сплава ВК 8 (ГОСТ 24359-80) (таблица 6.3).
Таблица 6.3
|
D
|
L
|
d (H7)
|
Число зубьев z
|
|
80 мм
|
45 мм
|
22 мм
|
8
|
Определение режимов резания
Глубина фрезерования t = 2 мм и
Ширина фрезерования В = 28 мм.
Подача. При фрезеровании различают подачу на один зуб sz, подачу на один
оборот фрезы s и подачу минутную sм, мм/мин, которые находятся в следующем
соотношении:
где
n - частота вращения врезы, об/мин; z - число зубьев. Рекомендуемая подача для
торцового фрезерования: 1-й бобышки So1 = 0,38 мм/зуб; 2-й бобышки So2 =0,1
мм/зуб ([14, с. 285, табл. 37] )
Скорость
резания - окружная скорость фрезы, м/мин,
,
где
значения коэффициента Cv и показателей степени: [14, с. 289, табл.39]
подача
на зуб меньше или равна 0,18
Cv = 994; ; q =
0,22; x = 0,17; y = 0,1; u= 0,22; р = 0;
т = 0,33
подача
на зуб больше 0,18
Cv = 695; ; q =
0,22; x = 0,17; y = 0,32; u=
0,22; р = 0; т = 0,33
Т = 180 мин, - среднее значение периода стойкости. [14, с.290, табл.40]
Кv = Кмv Кпv Киv = 1,062 1,0 0,83 = 0,88. [14, с.
282]
где Кмv= (150/НВ)nv = (150/143)1,25 = 1.062 - коэффициент, учитывающий
качество обрабатываемого материала.
Кпv = 1,0 - коэффициент, учитывающий состояние поверхности заготовки
Киv = 0,83 - коэффициент, учитывающий материал инструмента
м/мин
м/мин
Частота
вращения фрезы:
мин-1;
мин-1
Станок имеет бесступенчатое регулирование частоты вращения
инструментального шпинделя револьверной головки, поэтому можем принять любое
значение частоты вращения, принимаем n1 = 665 мин-1; n2 = 880 мин-1
Действительная скорость резания
м/мин;
м/мин
Сила резания. Главная составляющая силы резания при фрезеровании -
окружная сила, Н:
[14,
с.282 ]
где
Cp = 491; x = 1,0; y = 0,75; n = 1,1; q = 1,3; w =
0,2. [14, табл.41, с.291]
[14,
табл.9, с.264]
Крутящий
момент, Н м, на шпинделе
Н м;
Н м
где
D - диаметр фрезы, мм
Мощность
резания (эффективная), кВт
кВт;
кВт
Мощность
двигателя (расчетная):
кВт;
кВт,
Мощность
двигателя (по паспорту станка):
кВт.
обработка
возможна.
Машинное
время
мин [8,
с.226]
где
vs = sм = sz z n =
0,38 8 665 = 2022 мм/мин мин - скорость движения подачи (минутная подача);
=
l + y + Δ - длина обрабатываемого участка детали;
мин [8,
с.226]
где
vs = sм = sz z n =
0,1 8 880 = 704 мм/мин;
Штучное
время [1, с. 147]
мин;
мин.
Операция
, Комплексная с ЧПУ. 17 переход.
Исходные
данные.
Операция
- Фрезеровать 2 паза, выдерживая р-ры: 4,5+0,48; 21,3±0,26; 31,2±0,31.
Станок - обрабатывающий центр МЦ-5-700; мощность привода главного
движения 38 кВт, пределы частот вращения шпинделя 60...14000 мин-1
Режущий инструмент - пазовая цельная фреза из быстрорежущей стали Р6М5
ГОСТ 19265-73. (таблица 6.4
Таблица 6.4
|
D (js15)
|
В
|
d (H7)
|
Число зубьев
|
|
63 мм
|
4,5 мм
|
22
|
14
|
Определение режимов резания
Глубина фрезерования t = 15 мм.
Ширина фрезерования В = L= 4,5 мм.
Подача При фрезеровании различают подачу на один зуб sz, подачу на один
оборот фрезы s и подачу минутную sм, мм/мин, которые находятся в следующем
соотношении:
где
n - частота вращения врезы, об/мин; z - число зубьев.
на
зуб по [14], с. 283, табл. 34:табл = 0,4 мм/зуб
Скорость
резания - окружная скорость фрезы, м/мин
[14,
с. 282]
где
Сv = 95.8; q = 0,25; x = 0,3; y = 0,2; u = 0,1; р = 0,1; т = 0,2.
Кv
= Кмv Кпv Киv = 1,041 1,0 1,0 = 1,041
где
Кмv= (150/НВ)nv = (150/143)0.85 = 1.041 - коэффициент, учитывающий качество
обрабатываемого материала.
Кпv
= 1,0 - коэффициент, учитывающий состояние поверхности заготовки
Киv
= 1,0 - коэффициент, учитывающий материал инструмента
м/мин
Частота
вращения инструмента составит:
об/мин
Станок
имеет бесступенчатое регулирование частоты вращения инструментального шпинделя
револьверной головки, поэтому можем принять любое значение частоты вращения,
принимаем n = 249 об/мин
Действительная
скорость резания
м/мин
Сила
резания. Главная составляющая силы резания при фрезеровании - окружная сила, Н
[8,
с.282]
где
Ср = 30; x = 0,86; y = 0,72; u = 1,0; q = 0.86; w = 0. [8, табл.41, с.291]
Тогда
сила резания будет равна:
Н
Крутящий
момент, Н м, на шпинделе:
Н м
Мощность
резания (эффективная), кВт:
кВт
Мощность двигателя (расчетная):
кВт,
Мощность
двигателя (по паспорту станка):
кВт.
обработка
возможна.
Машинное
время
мин [8,
с.239]
где
vs = sм = sz z n =
0,4 14 249 = 1394 мм/мин - скорость движения подачи (минутная подача);
L = l + y + Δ, - длина обрабатываемого участка детали;
При
фрезеровании дисковой фрезой
мм
Штучное
время [1, с. 147]
мин
На остальные переходы механической обработки крышки заднего подшипника
первичного вала коробки передач, режимы резания назначаем по справочной
литературе [9].
оснастка прочность инструментальный резание
7. Охрана труда при изготовлении деталей оснастки
.1 Общие сведения об охране труда на производстве
Охрана труда - это система законодательных,
социально-экономических, организационных, технических, гигиенических и
лечебно-профилактических мероприятий и средств, обеспечивающих безопасность,
сохранение здоровья и работоспособности человека в процессе труда. [3]
Технологическая документация, организация и выполнение технологических
процессов обработки резанием должны соответствовать требованиям ГОСТ
12.3.002-75 «ССБТ. Процессы производственные. Общие требования безопасности» и
ГОСТ 12.3.025-80 «ССБТ. Обработка металлов резанием. Требования безопасности».
Повышение производительности труда и культуры производства, требуют
крупных и серьезных преобразований в условиях, характерах и содержания труда.
На основе повышения технического уровня, автоматизации, механизация,
электронизация производства необходимо добиться сокращения применения ручного,
малоквалифицированного и непроизводительного труда. На данном этапе экономического
развития нашей страны необходимо уделять больше внимания вопросам охраны
здоровья трудящихся, создание условий для безопасного производительного труда.
На предприятиях, контроль за соблюдением трудового законодательства,
состоянием техники и промышленной санитарии, осуществляют профессиональные
союзы. Организация охраны труда возложены на администрацию цеха.
Производственные цеха современных заводов оснащены самыми различными
видами технологического оборудования. Работа этого оборудования связана с возможностью
воздействия на людей опасных или вредных факторов. Основным направлением
облегчения и оздоровления условий труда, повышением производительности является
его механизация и автоматизация работ и технологических процессов.
Основными требованиями охраны труда, предъявляемыми при проектировании
машин и механизмов, являются: безопасность для человека, надёжность,
определяемые системой стандартов безопасности труда.
Производственные помещения должны иметь все необходимые условия,
предъявляемые к ним с точки зрения безопасности и производственной санитарии.
Соблюдение этих условий контролируется системой государственных и общественных
организаций. Ответственность за обеспечение безопасности и здоровых условий
труда в соответствии с правилами и нормами техники безопасности и
производственной санитарии возложены на административно-хозяйственные органы.
.2 Краткая характеристика цеха
Здание относится к категории Д НПБ 109 -95, как механообрабатывающий цех.
Имеются склад масел и термический участок (категории В и Г.
Строительные материалы здания - несгораемые и трудносгораемые, здание
относится ко II степени огнеопасности.
Санитарный класс производства по СН 245 -71 -V. Водоснабжение и тип канализации в соответствии с СНиП II 04.01 - 85.
Площадь на одного работающего отвечает санитарным нормам. Для организации
движения транспорта и людских потоков предусмотрены магистральные проезды и
проходы между станками и участками.
Общая площадь здания цеха 15000м2 с изолированным от цеха термическим
отделением площадью 960м2. Имеются двухэтажные бытовые помещения с
расположенными под ними подвальными помещениями. Кровля цеха мягкая. Стены
капитальные кирпичные и стеклоблочные. Полы -мраморная крошка. Отопление
воздушное. Проходы цеха не загромождены, стены окрашены клеевой краской по
рекомендации бюро эстетики.
Категория помещения по взрывоопасности и пожароопасности в соответствии с
НПБ 105-95-«Д». Санитарный класс производства - V по СН-245-71. По степени огнестойкости здание относится к 1й
категории. Общая площадь цеха-1500м2 , производственная площадь 9281,5 м2.
Удельная площадь на 1 работающего в наибольшую смену:
;
где
Sпр- производственная площадь цеха;
N- количество
оборудования
.
Площадь производственного помещения по нормам на единицу оборудования
должна составлять 15м2, следовательно, проектируемая площадь отвечает
санитарным нормам.
.3 Производственный интерьер
Стены цеха окрашены в зеленый цвет на высоту 3 метра от пола. Фермы и
балки окрашены в желтый цвет. Фонари оконные элементы в белый цвет, пол в
магистральных проездах более темного цвета, чем пол участков. Границы проездов
и проходов отделены сплошной белой линией.
Поверхность металлорежущих станков окрашена в голубой цвет. Транспортные
механизмы окрашены в серый цвет, а их выступающие части- черно-желтыми
полосами. Цеховой транспорт окрашен в оранжевый цвет. Коммуникации окрашены в
соответствии с ГОСТ 142-02-88.
Схема 1 - Схема сбора информации о состоянии предприятия
В условиях современного производства отдельные мероприятия по улучшению
условий труда оказываются недостаточными, поэтому они осуществляются
комплексно, образуя систему управления безопасности труда - совокупность
объекта управления и управляющей части, связанных каналами передачи информации.
Объектом управления служит безопасность труда на рабочем месте и
характеризуется воздействием людей с предметами и орудиями труда.
Задача охраны труда - свести к минимуму вероятность поражения или
заболевания работающего с одновременным обеспечением комфорта при максимальной
производительности труда. Реальные производственные условия характеризуются
опасными и вредными факторами. Опасные производственные факторы - факторы,
воздействие которых на работающего в определенных условиях приводят к травме
или другим профессиональным заболеваниям. Вредным производственным фактором
называется такой, воздействие которого на работающего в определенных условиях
приводит к заболеванию или снижению работоспособности. Опасные - движущиеся
детали механизмов, раскаленные тела. Вредные - воздух, примеси в нем, теплота,
недостаточное освещение, шум, вибрация, ионизирующее лазерное и
электромагнитное излучения.
Состояние объектов управления определяется входными параметрами -
факторами, воздействующими на безопасность трудовой деятельности (X1,...,Xn). К
ним можно отнести безопасность конструкций, безопасность технологических
процессов, гигиенические параметры производственной среды и
социально-психологические факторы. Так как реальные производственные условия не
являются абсолютно безопасными, то выходной характеристикой системы служит
некоторый уровень безопасности (Y=f(X1,...,Xn)). Выходы объектов управления
связаны через систему сбора и обработки информации со входами управляющей
части. Информация о выявленных в процессе контроля отклонениях от нормальной
безопасности труда, потенциально опасных факторах, поступает в управляющий
орган для анализа и принятия решений, направленных на регулирование управляющих
параметров входов объекта управления
.4 Шум и меры борьбы с ним
Уровень шума на рабочем месте не должен превышать 85 дБ. Речь средней
громкости должна быть слышна на расстоянии 1,5 м при шумах любого класса по
СНиП 245-71. Для уменьшения шума в цехе необходимо располагать интенсивно
шумящие агрегаты в одном мессе и изолировать их, по возможности заменять
оборудование на менее шумное, использовать средства индивидуальной защиты.
Допустимый уровень звукового давления и звука на рабочих местах.
Таблица 7.1
|
Рабочие места.
|
Уровни звукового давления в
октавных полосах со среднегеометрическими частотами, Дб.
|
Уровни звукового давления,
эквивалентные уровню звука, ДбА.
|
|
Постоянные рабочие места и
зоны в производственных помещениях.
|
63
|
125
|
250
|
500
|
1000
|
2000
|
4000
|
8000
|
85
|
|
99
|
92
|
86
|
83
|
80
|
78
|
76
|
74
|
|
Основными источниками шума на участке являются:
- Работающее оборудование;
- Местная вентиляция;
транспортные средства.
Основные меры по снижению шума:
- применение звукопоглощающих конструкций, звукоизолирующих кожухов и
экранов;
- на пневматические станочные приспособления ставятся глушители.
.5 Вибрация
Источником вибраций являются станки, уровень звукового давления от них не
превышает 80дБ по ГОСТ 12.1.004 - 83 механообрабатывающие цехи относят к 3
категории по вибробезопасности. Технологические вибрации передаются на рабочие
места, не имеющие вибраций, и оказывают вредное воздействие на работающих. Для
устранения вибраций станки монтируют на виброгасителях. Источники вибрации:
работающие станки, транспортные средства, механизированный инструмент.
Нормы вибрации, воздействующие на человека в производственных условиях,
указаны в таблице 7.2
Таблица 7.2
|
Вид вибрации
|
Направление, на котором
нормируется вибрация
|
Среднеквадратичная
вибростойкость (м/с*10-2) и логарифмический уровень вибростойкости, Дб.
|
|
|
2
|
4
|
8
|
16
|
31.5
|
63
|
|
Транспортно-технологическая
|
Вертикальная и
горизонтальная
|
3,5 117
|
1,3 108
|
0,65 102
|
0,56 101
|
0,56 101
|
0,56 101
|
|
Вибрация на постоянных
рабочих местах
|
Вертикальная и
горизонтальная
|
1,3 108
|
0,45 99
|
0,22 93
|
0,2 92
|
0,2 92
|
0,2 92
|
Допустимые уровни вибрации ручных машин.
Таблица 7.3
|
Среднегеометрическая
частота октавной полосы, Гц
|
Вибростойкость
|
|
Среднеквадратичное значение
10-2 м/с
|
Логарифмический уровень
среднеквадратичного значения, Дб.
|
|
8
|
5,0
|
120
|
|
16
|
5,0
|
120
|
|
31,5
|
3,5
|
117
|
|
63
|
2,5
|
114
|
В цехе оборудование относится к 3 категории по вибрации: технологическая,
воздействующая на операторов стационарных машин или передающаяся на рабочие
места, не имеющие источников вибрации.
Меры борьбы: станины устанавливаются на отдельные фундаменты и на
виброопоры, изготовленные из высокопрочной резины и специальных марок бетона.
.6 Электробезопасность
Эксплуатируемые в цехе электроустановки с напряжением 380 В входят в
подразделение сетей до 1000 В. Полы цеха являются токопроводящими, а при
обработке изделий образуется токопроводящая пыль, поэтому цех относится к особо
опасным. Для предотвращения ошибочной подачи напряжения к месту работы, на щите
подачи напряжения вывешивается надпись «Не включать работают люди!». Все металлические
части оборудования, корпуса и кожухи электрооборудования должны быть заземлены.
По степени электробезопасности проектируемый цех относится к помещениям с
особо опасными условиями, т.к. токопроводящий пол и пыль. Поэтому в цехе
необходимо провести следующие мероприятия:
- вся электропроводка должна быть помещена в специальные кожуха, утечка
тока не должна превышать 0,001А;
- кнопки управления «пуск» необходимо сделать утопленными в
панелях на 3…5 мм., а кнопки «стоп» выступающими и окрашенными в красный цвет;
корпуса электромашин, щиты, пульты должны быть надежно защищены;
в цехе должны находится предупредительные клапаны и стенды;
лица, работающие электроинструментом, снабжаются НС3;
Кроме этого здание цеха имеет контурное заземление (R<40м).
.7 Метеорологические условия
Механический цех относится к помещениям с незначительными выделениями
явного тепла. Поэтому в рабочей зоне поддерживаются оптимальные условия в
соответствии с ГОСТ 121005-88. Для поддержания метеоусловий в рабочей зоне
применяется воздушное отопление, не смешанное с вентиляцией. Система отопления
в цехе -паровая, осуществляется через отопительные радиаторы, расположенные
вдоль стен. Для защиты помещения от проникновения холодного воздуха
используется устройство воздушно-тепловой завесы. Для поддержания чистоты
воздуха и нормального теплообмена в цехе предусматривается естественная
вентиляция. Она осуществляется через форточки, фрамуги, световые фонари. При
естественной вентиляции плотность воздухообмена должна быть не меньше 20м3/ч на
человека. Приточно-вытяжная вентиляция применяется на участке шлифовальной
обработки.
По ГОСТ 12.1005-88 для физических работ категории II6 допустимые нормы температуры,
относительной влажности и скорости движения воздуха в рабочей зоне
производственных помещений в холодный (тёплый) период времени года, следующие:
- t=15…21°С
(21…24°С);
- относительная влажность <75% (<70%);
скорость движения воздуха <0,4м/с (<0,5м/с);
Температура воздуха вне постоянного рабочего места 13-24°С. Для удаления
вредных веществ непосредственно от места их образования используется местная
вентиляция. Скорость движения воздуха в ней устанавливается не ниже 10м/с.
.8 Освещение
Освещение рабочих мест, проходов и других производственных площадей
необходимо при выполнении производственного процесса. Безопасность выполнения
работ зависит от степени освещенности. Источниками естественного освещения
являются окна и световые фонари, которые располагаются вдоль пролетов.
естественное освещение характеризуется коэффициентом естественного освещения:
.
Для
проектируемого цеха величина этого коэффициента находится в пределах: КЕО=3…5%
(СниП 23-05-95).
Искусственное
освещение осуществляется лампами накаливания, т.к. на их работу не влияет
температура окружающей среды, влажность; они не имеют стробоскопического
эффекта. уровень освещенности на рабочих местах рекомендуется выбирать по
действующим нормам СниП 23-05-95, в механических цехах установлено Еmin=200лк.
Аварийное освещение должно составлять не менее 30лк.
.9
Выбор системы освещения
В настоящее время действуют нормы освещенности СниП 23-05-95. Нормы
устанавливают наименьшую освещенность и построены на разграничении работ по
количественным признакам. Определяющим признаком является наименьший размер объекта
различения, при расчетном расстоянии до глаз 0,5 м. По таблице определяем что
характер работы в данном помещении соответствует зрительной работе высокой
точности.
Разряды и подразряды зрительной работы: IIIБ - освещенность при комбинированном освещении 1000лк,
при общем освещении 300лк.
Освещение бывает общим и комбинированным. Общее освещение - освещение,
светильники которого освещают всю площадь помещения. Комбинированное освещение
- совокупность общего и местного освещения. Местное освещение - освещение,
предназначенное только для определенного рабочего места и не создающее
необходимой освещенности даже на прилегающих к нему площадях.
Воспользуемся рекомендациями СниП 23-05-95 и выбираем систему
комбинированного освещения для работ с I по IVБ
разряд. Работа в механическом цехе соответствуют III разряду - работа высокой точности.
Преимуществом комбинированного освещения является меньший расход энергии,
чем при одном общем, т.к. высокая освещенность создается в пределах небольших
площадей. Тем более система комбинированного освещения уже предпочтительна тем,
что технологическое оборудование поставляется заводом изготовителем с
устройством освещения.
.10 Выбор типа светильников
При выборе типа светильников будем руководствоваться основными характеристиками:
1. светомеханические характеристики.
2. экономичность светильника.
. конструктивное использование с учетом условий среды.
Для ламп ДРЛ и для ламп накаливания выбираем специальный светильник
С3-4ДРЛ зеркальный, применяемый для ламп мощностью до 1000 Вт.
.11 Распределение светильников
Выбор расположения светильников общего освещения является одним из
основных вопросов, решаемых при устройстве осветительных установок, влияющих на
экономичность последних, качество освещения и удобство эксплуатации. На рис.1
показано расположение светильников в разрезе, на (схеме 7.2) - в плане.
Н-высота помещения;
hр-
высота рабочей поверхности над полом;
hс-
расстояние от перекрытия до светильника;
hп-
расчетная высота подвеса светильника;
А - длина цеха А=133м; В - ширина цеха В=35м;
l1,l2 - расстояние крайних рядов
светильников от стены (l=0,5*L);
lа,lB - расстояние между светильниками
вдоль и поперёк помещения;
Н=8,5м; hр=1,4м; hc=1,5м;
hп=Н-hc=8.5-1.5=7м;
la/lB£1.5; la=9.8м; lв=7м;
la/lв=1,4;
Схема
7.2 - расположения ламп
Общее
количество ламп: N=N1*N2=13*5=65ламп;
Обеспечение
равномерного распределения освещения достигается в том случае, если отношение
будет оптимальным. Для выбранного типа светильников
оно составляет 1,4.
.12 Расчет осветительной установки
Теперь необходимо рассчитать число и мощность светильников для создания
нормируемой освещенности:
.
Метод,
основанный на формуле, носит название метода коэффициента использования. Этот
метод применяется для расчета общего равномерного освещения горизонтальных
поверхностей. Из данной формулы получаем расчетную формулу.
Световой
поток от N ламп распределяется по горизонтальной площади S и
создает на ней среднюю освещенность.
где
h - коэффициент использования светового потока, он
вводится из-за того, что только часть потока попадает на горизонтальную
поверхность. Поскольку нормируется номинальная освещенность, то вводим
коэффициент неравномерности освещения:
, отсюда
;
Т.к.
нормируемая освещенность должна быть обеспечена во время эксплуатации, то
разделим эту освещенность на коэффициент запаса К, тогда получим окончательно:
;
Теперь
выразим световой поток и получим расчетную формулу:
=1,15;
принимаем К=1,8 ( в зависимости от производственного помещения и степени его
загрязнения);
h - зависит от
геометрических параметров помещения. Эта зависимость одной комплексной
характеристикой - индексом помещения
где
А,В - стороны помещения;
S - площадь
помещения;
h - расчетная
высота.
Кроме
того, коэффициент h зависит еще от двух коэффициентов :
коэффициент
отражения от пола;
коэффициент
отражения от стен.
Эти
к коэффициенты оцениваются субъективно. По сочетанию трех коэффициентов
определим h:
i=6,55;
;
получаем:
h=74%.
Теперь
полученные данные подставляем в формулу:
.
По
стандарту выбираем подходящие лампы мощностью 400Вт.
Суммарная
мощность: 400*65=26кВт.
Таким
образом, произведен расчет и установлено, что для получения необходимой
освещенности в 300лк в помещении цеха требуется 65 ламп суммарной мощностью
Р=26 кВт. Схема спроектированной осветительной установки представлена в
графической части проекта.
.13
Пожарная безопасность
Степень
опасности основных элементов здания -II (несгораемая). Помещение цеха
не пожароопасное. В целях предупреждения пожаров предусмотрены следующие
мероприятия:
1. Установка в цехе оборудования, необходимого для пожаротушения
(огнетушители, ящики с песком, ведра, балки, топоры, внутренние пожарные
краны). Число огнетушителей типа ОП-5 -25штук; ОУ-8 -25штук (огнетушители
ставятся 1 на 600м2), при тушении давление не должно падать ниже 10 кг/см3.
2. Пожарной сигнализацией снабжаются все участки основного и
вспомогательного производства. В качестве сигнализаторов применяются
реагирующие на повышение температуры до80°С.
8. Экономическая эффективность спроектированной оснастки
.1 Введение
В результате курсовой работы будет просчитан экономический эффект
модернизации технологического процесса механической обработки
крышки подшипника первичного вала.
Модернизации данного технологического процесса заключается в следующем:
заменяем станки 1Н713, 1А730, КК3263, 15А255, 1К282, МН25,6Н80, на один
обрабатывающий центр . МЦ-5-700.
В результате замены станков предполагается получение экономического
эффекта за счет:
уменьшения штучного времени;
уменьшения машинного времени;
снижения заработной платы;
снижения капиталоемкости продукции;
снижения отчислений на социальные нужды;
уменьшения количества станков;
В курсовой работе мы рассчитаем необходимое количество оборудования и
коэффициент его загрузки, себестоимость заготовки, годовую экономию. При
положительной годовой экономии, вводимое мероприятие целесообразно использовать
в заводских условиях.
.2 Исходные данные
Таблица 8.2.1
1.
Годовая программа, шт. 2. Стоимость заготовки, руб. 3. Цена 1 Кв/ч. эл.
энергии, руб. 4. Стоимость единицы др. энергоносителей, руб. вода, м3 сжатый
воздух, м3 5. Премия из ФЗП,% 6. Дополнительная заработная плата, %.
.
Единый социальный налог %
.
Норматив страхования имущества %.
.
Эксплуатация оборудования %.
.
Ремонтный фонд %.
.
Стоимость производственных площадей, руб.
.
Коэффициент, учитывающий дополнительную площадь, %.
.
Коэффициент спроса, учитывающий недогрузку электродвигателей по мощности.
.
Расход воды на 1 станок в смену, м3.
.
Норма амортизации производственной площади %.
.
Норма содержания производственной площади %.
.Часовые
тарифные ставки, руб./ч.
II разряда
III разряда
IV разряда60024
,85
,274
,40
,212
,2
.4
,5
.2
.5
.5
,265
,92
.3 Ведомость оборудования
.3.1 Расчет количества оборудования
Производим замену всех станков на обрабатывающий центр МЦ-5-700.
Расчёт необходимого станочного оборудования проводится по группам
оборудования, как по проекту, так и по базе с использованием выражения:
(1.1)
где
n - номенклатура обрабатываемых изделий;
В-
годовая программа, шт.;
t - норма
времени на обработку изделия, ч/шт.;
Тэ
- эффективный фонд времени работы оборудования, ч;
N - число единиц
оборудования данной группы, ед.;
α - коэффициент выполнения норм,
Таблица
8.3.1
|
Оборудование
|
B
|
t
|
Тэ
|
NПринимаем N
|
|
|
|
1Н713
|
60024
|
0,186667
|
3950
|
1,1
|
2.57870656
|
3
|
|
1А730
|
60024
|
0,082233
|
3950
|
1,1
|
1.13601234
|
2
|
|
КК3263
|
60024
|
0,012783
|
3950
|
1,1
|
0.17659535
|
|
15А255
|
60024
|
0,006317
|
3950
|
1,1
|
0.08726159
|
1
|
|
1К282
|
60024
|
0,010917
|
3950
|
1,1
|
0.15080829
|
1
|
|
МН25
|
60024
|
0,021217
|
3950
|
1,1
|
0.29309763
|
1
|
|
6Н80
|
60024
|
0,039
|
3950
|
1,1
|
0.53876548
|
1
|
|
6Н80
|
60024
|
0,004
|
3950
|
1,1
|
0.055258
|
1
|
|
6Н80
|
60024
|
0,01145
|
3950
|
1,1
|
0.15817602
|
1
|
.3.2 Коэффициент загрузки оборудования
Коэффициент загрузки каждой единицы оборудования во времени определяется
по формуле:
(1.2)
Результаты расчётов заносим в таблицу 8.3.2
Таблица 8.3.2
|
Оборудование
|
Программа
|
N шт.
|
t
|
Т э
|
Кз.
|
|
|
База
|
|
1К282
|
60024
|
3
|
0,186667
|
3950
|
1,1
|
0.85957
|
|
1А730
|
60024
|
2
|
0,082233
|
3950
|
1,1
|
0.56801
|
|
КК3263
|
60024
|
1
|
0,012783
|
3950
|
1,1
|
0.1766
|
|
МН25
|
60024
|
1
|
0,006317
|
3950
|
1,1
|
0.08726
|
|
1Н713
|
60024
|
1
|
0,010917
|
3950
|
1,1
|
0.15081
|
|
15А255
|
60024
|
1
|
0,021217
|
3950
|
1,1
|
0.2931
|
|
6Н80
|
60024
|
1
|
0,039
|
3950
|
1,1
|
0.53877
|
|
6Н80
|
60024
|
1
|
0,004
|
3950
|
1,1
|
0.05526
|
|
6Н80
|
60024
|
1
|
0,01145
|
3950
|
1,1
|
0.15818
|
|
|
|
0,374584
|
|
|
2.88754
|
|
Проект
|
|
TNC-42
|
60024
|
1
|
0,06
|
3950
|
1.1
|
0.82887
|
Ведомость оборудования
Таблица 8.3.3.
|
Оборудование
|
Количество, шт.
|
Цена руб/шт
|
Монтаж, доставка, руб
|
Стоимость оборудования, руб
|
Баланс. стоимость, руб
|
Норма амортизации, %
|
Сумма амортизации, руб
|
N, кВт
|
Эфф. фонд времени, ч.
|
|
База
|
|
1К282
|
1
|
103490
|
7244,3
|
110734
|
110734
|
10
|
11073
|
5,5
|
3950
|
|
1А730
|
1
|
166260
|
11638,2
|
177898,2
|
177898,2
|
10
|
17789
|
5,5
|
3950
|
|
КК3263
|
1
|
928636
|
65004,52
|
993640,5
|
993640,5
|
10
|
99364
|
5,5
|
3950
|
|
МН25
|
1
|
34330
|
2403,1
|
36733,1
|
36733,1
|
10
|
3673
|
5,5
|
3950
|
|
1Н713
|
1
|
80899
|
5662,93
|
86561,93
|
86561,93
|
10
|
8656
|
5,5
|
3950
|
|
15А255
|
1
|
558665
|
39106,55
|
597771,6
|
597771,6
|
10
|
59777
|
5,5
|
3950
|
|
6Н80
|
2
|
64215
|
4495,05
|
68710,05
|
137420,1
|
10
|
13742
|
5,5
|
3950
|
|
6Н80
|
1
|
10864
|
760,48
|
11624,48
|
11624,48
|
10
|
1162
|
5,5
|
3950
|
|
6Н80
|
|
МЦ-5-700
|
1
|
3600000
|
189000
|
3789000
|
3789000
|
10
|
378900
|
12
|
3950
|
|
|
|
|
|
|
|
|
|
|
|
.4 Расчет капиталовложений по изменяющимся элементам
(1.3)
где
Кб - балансовая стоимость изменяемых элементов основного и вспомогательного
оборудования;
Кзд
- стоимость изменяющихся элементов производственных площадей.
8.4.1
Балансовая стоимость изменяемых элементов основного и вспомогательного
оборудования
(1.4)
Таблица
8.4.1
|
Наименование изменяющихся
элементов
|
Балансовая стоимость по
ведомости обор.
|
Коэффициент загрузки, Кз.
|
Итого, Кб
|
|
База
|
|
1К282
|
332202.9
|
0.859568853
|
285551.2657
|
|
1А730
|
355796.4
|
0.568006168
|
202094.5498
|
|
КК3263
|
993640.52
|
0.176595351
|
175472.2964
|
|
МН25
|
36733.1
|
0.087261588
|
3205.388639
|
|
1Н713
|
86561.93
|
0.150808285
|
13054.25624
|
|
15А255
|
597771.55
|
0.293097629
|
175205.4243
|
|
6Н80
|
68710.05
|
0.538765478
|
37018.6029
|
|
6Н80
|
11624.48
|
0.055257998
|
642.3454891
|
|
6Н80
|
68710.05
|
0.158176018
|
10868.28213
|
|
|
|
903112.4115
|
|
Проект
|
|
МЦ-5-700
|
3789000
|
0.828869965
|
3140588.299
|
.4.2 Стоимость изменяющихся элементов производственных площадей
(1.5)
где
Sз - производственная площадь под оборудованием, м2;
Цзд
- стоимость 1м2 производственной площади, руб/м2;
γ - коэффициент, учитывающий дополнительную площадь под проходы, проезды,
предусмотренные техникой безопасности.
Таблица
8.4.2
|
Оборудование
|
Sз
|
Цзд
|
Кз
|
Кзд
|
|
|
База
|
|
1К282
|
11,9
|
2000
|
0.859568853
|
4,5
|
92059.8242
|
|
1А730
|
11,9
|
2000
|
0.568006168
|
4,5
|
60833.4606
|
|
КК3263
|
13,3
|
2000
|
0.176595351
|
4,5
|
21138.4635
|
|
МН25
|
8,5
|
2000
|
0.087261588
|
4,5
|
6675.51148
|
|
1Н713
|
16,5
|
2000
|
0.150808285
|
4,5
|
22395.0304
|
|
15А255
|
12,9
|
2000
|
0.293097629
|
4,5
|
34028.6348
|
|
6Н80
|
4,2
|
2000
|
0.538765478
|
4,5
|
20365.3351
|
|
6Н80
|
4,2
|
2000
|
0.055257998
|
4,5
|
2088.75231
|
|
6Н80
|
4,2
|
2000
|
0.158176018
|
4,5
|
|
|
|
|
|
265564.066
|
|
Проект
|
|
МЦ-5-700
|
8,8
|
2000
|
0.828869965
|
2
|
29176.2228
|
Итого:
по базе: Кзд=265564.066; Кб=903112.4115
по проекту: Кзд=29176.2228; Кб=3140588.299
.4.3 Капиталоемкость продукции по базе и проекту
(1.6)
где
К - объем капиталовложений, руб.
К=Кб+Кзд
(1.7)
Таблица
8.4.3
|
Оборудование
|
Кб
|
Кзд
|
К
|
В
|
Куд
|
|
База
|
|
1К282
|
285551.2
|
92059.824
|
377611.08
|
60024
|
6.2910017
|
|
1А730
|
202094.5
|
60833.460
|
262928.01
|
60024
|
4.3803813
|
|
КК3263
|
175472.29
|
21138.463
|
196610.75
|
60024
|
3.2755357
|
|
МН25
|
3205.3886
|
6675.5114
|
9880.9001
|
60024
|
0.1646158
|
|
1Н713
|
13054.256
|
22395.030
|
35449.286
|
60024
|
0.5905852
|
|
15А255
|
175205.42
|
34028.634
|
209234.09
|
60024
|
3.4858399
|
|
6Н80
|
37018.60
|
20365.335
|
57383.937
|
60024
|
0.9560165
|
|
6Н80
|
642.34548
|
2088.7523
|
2731.0978
|
60024
|
0.045500
|
|
6Н80
|
10868.282
|
5979.0534
|
16847.335
|
60024
|
0.2806766
|
|
285551.26
|
|
|
|
19.470153
|
|
Проект
|
|
МЦ-5-700
|
3140588
|
29176.222
|
3169764.5
|
60024
|
52.808285
|
.5 Расчет себестоимости получения изделия
(1.8)
где
- затраты на производство заготовки;
-
затраты энергии на технические цели;
-
основная заработная плата производственных рабочих;
ДЗП
- дополнительная заработная плата производственных рабочих;
- единый
социальный налог;
-
страхование имущества;
-
отчисления в ремонтный фонд;
-
амортизация оборудования;
И
- возмещение износа инструмента;
-
затраты по эксплуатации оборудования;
-
амортизация и содержание производственных площадей.
.5.1 Расчет себестоимости заготовки
Так
как способ получения заготовки не изменяется, то ее стоимость берем по
заводским данным.
.5.2
Расчет затрат энергии на технологические цели
а)
Затраты на электроэнергию в расчете на деталеоперацию, руб/шт.
(1.9)
где
- установленная мощность токоприёмников, кВт;
-
коэффициент спроса, учитывающий недогрузку по мощности;- норма штучного
времени, мин;
-
стоимость 1кВт/ч электроэнергии, руб.
Таблица
8.5.2.1
|
Оборудование
|
Nу
|
Кс
|
t,мин
|
Цэл.
|
Зэл.
|
|
База
|
|
1К282
|
5.5
|
0,2
|
11,2
|
1,274
|
0,261595
|
|
1А730
|
5.5
|
0,2
|
4,934
|
1,274
|
0,115242
|
|
КК3263
|
5.5
|
0,2
|
0,767
|
1,274
|
0,017915
|
|
МН25
|
5.5
|
0,2
|
0,379
|
1,274
|
0,008852
|
|
1Н713
|
5.5
|
0,2
|
0,655
|
1,274
|
0,015299
|
|
15А255
|
5.5
|
0,2
|
1,273
|
1,274
|
0,029733
|
|
6Н80
|
5.5
|
0,2
|
2,34
|
1,274
|
0,054655
|
|
6Н80
|
5.5
|
0,2
|
0,24
|
1,274
|
0,005606
|
|
6Н80
|
5.5
|
0,2
|
0,687
|
1,274
|
0,016046
|
|
|
|
|
|
0,524943
|
|
Проект
|
|
МЦ-5-700
|
18.50
|
0.2
|
3.6
|
1.274
|
0.282828
|
б) Затраты на сжатый воздух, руб/шт.
(1.10)
(1.11)
где
- стоимость сжатого воздуха, руб/м3;
-
годовой расход сжатого воздуха,
;
-
эффективый фонд времени работы оборудования, ч ;
g - расход
сжатого воздуха на 1 станок с пневматическим зажимом,
;
-
количество станков с с пневматическим зажимом.
Таблица
8.5.2.2
|
Оборудование
|
Цсж
|
Тэ
|
g
|
mn
|
t,мин
|
Qсж
|
Зсж
|
|
База
|
|
1К282
|
0,212
|
3950
|
|
1
|
0,767
|
180
|
0,000123
|
|
Проект
|
|
МЦ-5-700
|
0,212
|
3950
|
0,0456
|
1
|
1.95
|
|
0
|
в) Затраты на воду для производственных нужд, руб/м3.
(1.12)
где
- стоимость
воды,
;
-
годовой расход воды на один станок в смену,
;
Тсм
- время смены, ч.
Таблица
8.5.2.3
|
Оборудование
|
Цсж
|
Тэ
|
g
|
mn
|
t,мин
|
Qсж
|
Зсж
|
|
|
База
|
|
|
1К282
|
0,212
|
3950
|
|
1
|
0,767
|
180
|
0,000123
|
|
|
Проект
|
|
|
МЦ-5-700
|
0,212
|
3950
|
0,0456
|
1
|
1.95
|
|
0
|
|
|
База
|
|
1К282
|
8,40
|
0,3
|
8
|
11,2
|
0,0588
|
|
1А730
|
8,40
|
0,3
|
8
|
4,934
|
0,025904
|
|
КК3263
|
8,40
|
0,8
|
8
|
0,655
|
0,00917
|
|
МН25
|
8,40
|
0,8
|
8
|
1,273
|
0,017822
|
|
|
|
|
|
0,111696
|
|
Проект
|
|
МЦ-5-700
|
8,40
|
0,5
|
8
|
3,6
|
0.0315
|
|
|
|
|
|
|
|
|
|
|
|
|
|
|
г) Итого затраты на энергию в расчете на деталь.
(1.13)
База:
=0,524943+0,000123+0,111696=0,636762(руб)
Проект:
=0,282828+0+0,0315=0,3143(руб)
.5.3
Заработная плата и единый социальный налог
для рабочих-станочников в цехах металлообработки наибольшее
распространение получила система сдельно - премиальной оплаты труда
Таблица 8.5.3.1
|
Оборудования
|
Разряд работы
|
Норма времени, ч.
|
Часовая ставка
|
Расценка, руб.
|
Премия, руб.
|
ОЗП руб.
|
ДЗПруб.
|
ОЗП + ДЗП
|
ЕСН
|
|
База
|
|
1К282
|
4
|
0,186
|
19,04
|
3,554
|
1,243
|
4,798
|
0,568
|
5,366
|
1,459
|
|
1А730
|
4
|
0,082
|
19,04
|
1,565
|
0,548
|
2,113
|
0,250
|
2,364
|
0,643
|
|
КК3263
|
4
|
0,012
|
19,04
|
0,243
|
0,085
|
0,328
|
0,038
|
0,367
|
0,099
|
|
МН25
|
4
|
0,006
|
19,04
|
0,120
|
0,042
|
0,162
|
0,019
|
0,181
|
0,049
|
|
1Н713
|
4
|
0,010
|
19,04
|
0,208
|
0,072
|
0,281
|
0,033
|
0,314
|
0,085
|
|
15А255
|
4
|
0,021
|
19,04
|
0,403
|
0,141
|
0,545
|
0,609
|
0,165
|
|
6Н80
|
3
|
0,039
|
16,92
|
0,659
|
0,230
|
0,890
|
0,105
|
0,996
|
0,271
|
|
6Н80
|
3
|
0,004
|
16,92
|
0,067
|
0,023
|
0,091
|
0,010
|
0,102
|
0,027
|
|
6Н80
|
3
|
0,011
|
16,92
|
0,193
|
0,067
|
0,261
|
0,030
|
0,292
|
0,079
|
|
|
|
|
|
|
9,473
|
1,122
|
10,59
|
2,882
|
|
Проект
|
|
МЦ-5-700
|
4
|
0.06
|
19.04
|
1.142
|
0.399
|
1.542
|
0.182
|
1.725
|
0.469
|
.5.4 Страхование имущества
=Нсим·Куд
(1.14)
База:
=0,01·19.47=0,1947
руб.
Проект:
=0,01·52,8=0,528
руб.
.5.5
Амортизация оборудования
(1.15)
где
А - сумма амортизации оборудования, руб.
В
- годовая программа шт.
Кз
- коэффициент загрузки.
Таблица
8.5.5.1
|
Оборудование
|
А
|
В
|
Кз
|
Ар
|
|
База
|
|
1К282
|
33220.29
|
60024
|
0.859568853
|
0.475728485
|
|
1А730
|
35579.64
|
60024
|
0.568006168
|
0.336689574
|
|
КК3263
|
99364.052
|
60024
|
0.176595351
|
0.292336893
|
|
МН25
|
3673.31
|
60024
|
0.087261588
|
0.005340178
|
|
1Н713
|
8656.193
|
60024
|
0.150808285
|
0.021748394
|
|
15А255
|
59777.155
|
60024
|
0.293097629
|
0.291892284
|
|
6Н80
|
6871.005
|
60024
|
0.538765478
|
0.061673002
|
|
6Н80
|
1162.448
|
60024
|
0.055257998
|
0.001070148
|
|
6Н80
|
6871.005
|
60024
|
0.158176018
|
0.018106561
|
|
|
|
|
1.504585518
|
|
Проект
|
|
МЦ-5-700
|
378900
|
60024
|
0.828869965
|
5.232220944
|
.5.6 Отчисления в ремонтный фонд
(1.16)
где
Кi-стоимость элементов основных фондов.
Нрф
- утвержденный предприятием норматив отчислений в ремонтный фонд по данному
элементу основных фондов, %.
Таблица
8.5.6.1
|
Оборудование
|
Кi
|
Нрф
|
Кз
|
В
|
Зр
|
|
База
|
|
1К282
|
332202.9
|
2
|
0.859568853
|
60024
|
0.0951457
|
|
1А730
|
355796.4
|
2
|
0.568006168
|
60024
|
0.06733791
|
|
КК3263
|
993640.52
|
2
|
0.176595351
|
60024
|
0.05846738
|
|
МН25
|
36733.1
|
2
|
0.087261588
|
60024
|
0.00106804
|
|
1Н713
|
86561.93
|
2
|
0.150808285
|
60024
|
0.00434968
|
|
15А255
|
597771.55
|
2
|
0.293097629
|
60024
|
0.05837846
|
|
6Н80
|
68710.05
|
2
|
0.538765478
|
60024
|
0.0123346
|
|
6Н80
|
11624.48
|
2
|
0.055257998
|
60024
|
0.00021403
|
|
6Н80
|
68710.05
|
2
|
0.158176018
|
60024
|
0.00362131
|
|
|
|
|
|
0.3009171
|
|
Проект
|
|
МЦ-5-700
|
3789000
|
2
|
0.828869965
|
60024
|
1.04644419
|
8.5.7 Затраты на эксплуатацию оборудования
(1.17)
где
Нэкс- норматив на эксплуатацию оборудования, %.
Таблица
8.5.7.1
|
Оборудование
|
Кi
|
Нэкс
|
Кз
|
В
|
Зэкс
|
|
База
|
|
1К282
|
110734
|
3,4
|
0,194142
|
4519
|
0,161747
|
|
1А730
|
177898,2
|
3,4
|
0,085526
|
4519
|
0,114474
|
|
КК3263
|
993640,5
|
3,4
|
0,013295
|
4519
|
0,099393
|
|
МН25
|
36733,1
|
3,4
|
0,00657
|
4519
|
0,001816
|
|
1Н713
|
86561,93
|
3,4
|
0,011354
|
4519
|
0,007395
|
|
15А255
|
597771,6
|
3,4
|
0,022066
|
4519
|
0,099242
|
|
6Н80
|
68710,05
|
3,4
|
0,040562
|
4519
|
0,020969
|
|
6Н80
|
11624,48
|
3,4
|
0,00416
|
4519
|
0,000364
|
|
6Н80
|
68710,05
|
3,4
|
0,011909
|
4519
|
0,006156
|
|
|
|
|
|
0,511555
|
|
Проект
|
|
МЦ-5-700
|
3789000
|
3.4
|
0.828869965
|
60024
|
1.77895512
|
.5.8 Возмещение износа инструментов и приспособлений
(1.18)
где
Ар - расход данного типоразмера инструмента на программу, шт.;
В
- число деталей, обрабатываемых данным инструментом, шт.;м - машинное время на
деталеоперацию, мин.;- число инструментов, одновременно работающих на станке,
шт.;
Тр
- расчётное время работы одного инструмента до его полного износа с учётом всех
переточек, ч;
Ку
- коэффициент преждевременного выхода инструмента из строя (=0,05…0,30);
(1.19)
Т
- стойкость инструмента между двумя переточками (по нормативам), ч;- величина
рабочей части инструмента, подвергаемая переточке, мм;- величина слоя,
снимаемого при переточке, мм.
Результаты
расчёта по оснастке и её стоимость удобнее представить в виде таблицы.
По
базе Таблица 8.5.8.1
|
Инструмент
|
Т
|
L
|
l
|
Тр
|
|
1. резец ВК8 03119-0441
|
1
|
5
|
0,2
|
26
|
|
2. резец ВК8 03123-0434
|
1
|
5
|
0,2
|
26
|
|
3. резец ВК8 9346-2764
|
1
|
5
|
0,2
|
26
|
|
4. резец ВК8 9314-418
|
1
|
5
|
0,2
|
26
|
|
5. резец ВК8 03140-0350
|
1
|
5
|
0,2
|
26
|
|
6, резец ВК8 03110-0433
|
1
|
5
|
0,2
|
26
|
|
7. сверло 03436-0023
|
1
|
2
|
0.1
|
21
|
|
8. сверло 03436-0001
|
1
|
2
|
0.1
|
21
|
|
9. сверло 03453-0027
|
1
|
2
|
0,1
|
21
|
|
10.Цековка
|
1
|
1
|
0.1
|
11
|
|
11. Зенковка d
49
|
1
|
1
|
0.1
|
11
|
Таблица 8.5.8.2
|
Инструмент
|
Tм
|
АрВТрКу
|
|
|
|
|
|
1. резец ВК8 03119-0441
|
11.2
|
1
|
478.823
|
60024
|
26
|
0,1
|
|
2. резец ВК8 03123-0434
|
4.934
|
1
|
210.939
|
60024
|
0,1
|
|
3. резец ВК8 9346-2764
|
0.767
|
1
|
32.790
|
60024
|
26
|
0,1
|
|
4. резец ВК8 9314-418
|
0.379
|
1
|
16.203
|
60024
|
26
|
0,1
|
|
5. резец ВК8 03140-0350
|
0.456
|
1
|
19.494
|
60024
|
26
|
0,1
|
|
6, резец ВК8 03110-0433
|
0.122
|
1
|
5.215
|
60024
|
26
|
0,1
|
|
7. сверло 03436-0023
|
0.655
|
1
|
34.669
|
60024
|
21
|
0,1
|
|
8. сверло 03436-0001
|
1.273
|
1
|
67.381
|
60024
|
21
|
0,1
|
|
9. сверло 03453-0027
|
2.34
|
1
|
123.859
|
60024
|
21
|
0,1
|
|
10.Цековка
|
0.24
|
1
|
24.252
|
60024
|
11
|
0,1
|
|
11. Зенковка d
49
|
0.687
|
1
|
69.421
|
60024
|
11
|
0,1
|
Таблица 8.5.8.3
|
Кол-во инструментов
|
Цена 1 шт. руб.
|
Общая цена руб.
|
|
1. резец ВК8 03119-0441
|
479
|
85
|
40715
|
|
2. резец ВК8 03123-0434
|
211
|
64
|
13504
|
|
3. резец ВК8 9346-2764
|
33
|
47
|
1551
|
|
4. резец ВК8 9314-418
|
16
|
64
|
1024
|
|
5. резец ВК8 03140-0350
|
19
|
137
|
2603
|
|
6, резец ВК8 03110-0433
|
5
|
199
|
995
|
|
7. сверло 03436-0023
|
35
|
40
|
1400
|
|
8. сверло 03436-0001
|
67
|
42
|
2814
|
|
9. сверло 03453-0027
|
123
|
42
|
5166
|
|
10.Цековка
|
24
|
52
|
1248
|
|
11. Зенковка d
49
|
69
|
64
|
4416
|
Всего 75436
По проекту
Таблица 8.5.8.4
|
Инструмент
|
Tм
|
АрВТрКу
|
|
|
|
|
|
1. резец
|
0.7
|
1
|
29.92649573
|
60024
|
26
|
0,1
|
|
2. резец
|
0.3
|
1
|
12.82564103
|
60024
|
26
|
0,1
|
|
3. резец
|
0.4
|
1
|
17.1008547
|
60024
|
26
|
0,1
|
|
4. резец
|
0.3
|
1
|
12.82564103
|
60024
|
26
|
0,1
|
|
5. сверло
|
0.8
|
1
|
42.34497354
|
60024
|
21
|
0,1
|
|
6. сверло
|
0.3
|
1
|
15.87936508
|
60024
|
21
|
0,1
|
|
7.Цековка
|
0.2
|
1
|
20.21010101
|
60024
|
11
|
0,1
|
|
8. Зенковка d
49
|
0.6
|
1
|
60.63030303
|
60024
|
11
|
0,1
|
Таблица 8.5.8.5
|
Кол-во инструментов
|
Цена 1 шт. руб.
|
Общая цена руб.
|
|
1. резец
|
30
|
80
|
2400
|
|
2. резец
|
13
|
110
|
1430
|
|
3. резец
|
17
|
47
|
799
|
|
4. резец
|
13
|
68
|
884
|
|
5. сверло
|
42
|
140
|
5880
|
|
6. сверло
|
16
|
40
|
640
|
|
7.Цековка
|
20
|
40
|
800
|
|
8. Зенковка d
49
|
61
|
42
|
2562
|
Всего 15395
База: 75436/60024=1,257 руб./шт.
Проект: 15395/60024=0,256 руб./шт.
.5.9 Амортизация и содержание производственных площадей
а) амортизация производственных площадей.
(1.20)
где
На- норма амортизации, %.
Кзд-
стоимость изменяемых элементов производственных площадей.
Таблица
8.5.9.1
|
Оборудование
|
Кзд
|
На
|
В
|
Ап
|
|
База
|
|
1К282
|
92059.82417
|
1
|
60024
|
0.015337169
|
|
1А730
|
60833.46059
|
1
|
60024
|
0.010134856
|
|
КК3263
|
21138.46351
|
1
|
60024
|
0.003521669
|
|
МН25
|
6675.511484
|
1
|
60024
|
0.00111214
|
|
1Н713
|
22395.03038
|
1
|
60024
|
0.003731013
|
|
15А255
|
34028.63478
|
1
|
60024
|
0.005669171
|
|
6Н80
|
20365.33505
|
1
|
60024
|
0.003392865
|
|
6Н80
|
2088.752313
|
1
|
60024
|
0.000347986
|
|
6Н80
|
5979.053496
|
1
|
60024
|
0.00099611
|
|
|
|
|
0.04424298
|
|
Проект
|
|
МЦ-5-700
|
29176.22278
|
1
|
60024
|
0.004860759
|
б) Содержание производственных площадей.
(1.21)
где
Нс - норма содержания производственных площадей.
Таблица
8.5.9.2
|
Оборудование
|
Кзд
|
Нc
|
В
|
Аc
|
|
База
|
|
1К282
|
92059.82417
|
2.5
|
60024
|
0.038342923
|
|
1А730
|
60833.46059
|
2.5
|
60024
|
0.02533714
|
|
КК3263
|
21138.46351
|
2.5
|
60024
|
0.008804171
|
|
МН25
|
6675.511484
|
2.5
|
60024
|
0.002780351
|
|
1Н713
|
22395.03038
|
2.5
|
60024
|
0.009327532
|
|
15А255
|
34028.63478
|
2.5
|
60024
|
0.014172929
|
|
6Н80
|
20365.33505
|
2.5
|
60024
|
0.008482163
|
|
6Н80
|
2088.752313
|
2.5
|
60024
|
0.000869965
|
|
6Н80
|
5979.053496
|
2.5
|
60024
|
0.002490276
|
|
|
|
|
0.110607451
|
|
Проект
|
|
1.О-7576
|
29176.22278
|
2.5
|
60024
|
0.012151899
|
в) Амортизация и содержание производственных площадей.
Асп=Ас+Ап (1.22)
База: Асп=0,044+0,11=0,154 руб./шт
Проект: Асп=0,0048+0,0121=0,0169 руб/шт
.5.10 Технологическая себестоимость по базе и по проекту
Калькуляция технологической себестоимости.
Таблица 8.5.10.1
|
Элементы затрат, руб.
|
База
|
Проект
|
|
1. Стоимость заготовки. 2.
Затраты на технологическую энергию. 3. Основная заработная плата. 4.
Дополнительная З/П. 5. Единый соц. Налог 6. Амортизация оборудования 7.
Эксплуатация оборудования 8. Возмещение износа инструмента 9. Отчисления в
ремонтный фонд 10. Страхование имущества 11. Амортизация и содержание
производственных площадей
|
84.85 0.314328 1.54224
0.182784 0.469206528 5.232220944 1.778955121 0.256 1.046444189
0.528082854 0.017012658
|
|
Итого технологическая
себестоимость
|
102.8873604
|
96.21727429
|
Экономия на технологической себестоимости
Эм=Стб-Стп=102,887-96.217=6,67 руб. (1.23)
.5.11 Расчет экономической эффективности
Э=(Стб-Стп)*Вн (1.24)
Вн- годовой объем производства по проекту, шт.
Э=(102,887-96.217)*60024=400365 руб.
8.6 Сравнительные технико-экономические показатели
Таблица 8.6.1
|
Показатели
|
База
|
Проект
|
|
1. Годовая программа, шт.
2. Штучное время, мин. 3. Стоимость оборудования, руб.: 4. Установленная
мощность (кВт.) 5. Стоимость заготовки, руб. 6. Технологическая себестоимость
получения изделия руб/шт в т.ч: основная З/П амортизация оборудования
эксплуатация оборудования 7. Капиталоемкость, руб/шт.
|
60024 25,917 2551750 5,5
84,85 102,89 9,47 1,50 0,0062 19,47
|
60024 3,6 3789000 18,5
84,85 96,22 1,54 5,23 1,7789 52,808
|
|
8. Годовая экономия, руб.
|
400365
|
.7 Оценка экономических результатов проекта за расчетный период
Таблица 8.7.1
|
1. Расчетный период, лет 2.
Базовая программа, обеспечивающая 100%-ую загрузку 3. Планируемая годовая
программа 4. Норма времени на операцию тех. Процесса 5.Коэф. выполнения норм
6. Эффективный фонд времени 7. Капитальные вложения в оборудование 8. Ставка
налогообложения 9. Ставка дисконтирования 10. калькуляция затрат на единицу
продукции по базе по проекту 11. Стоимость 1м2 производственной площади 12.
Коэффициент, учитывающий дополнительную площадь 13. Стоимость оборудования и
производственных площадей: Оборудование-. Производственные
площади=2*8,8*2000=35200руб. Итого:
|
5 72417 60024 0,06 1,1 3950
3789000 24 0,1 102,887 96,217 2000 2 3789000 35200 3824920
|
Сначала определяется количество станков на заданную программу, она же
программа в первый год реализации проекта:
*0,06 = 0,83 Принимаем 1 станок
*1,1
Для обеспечения 100 % загрузки необходима годовая программа, штук:
*1,1*1 = 72417(шт)
,06
.7.1 Калькуляция затрат на единицу продукции, руб/шт.
Таблица 8.7.2
|
Элементы затрат, руб.
|
База
|
Проект
|
|
1. Стоимость заготовки.
|
84.85
|
84.85
|
|
2. Затраты на
технологическую энергию.
|
0.63676008
|
0.314
|
|
3. Основная заработная
плата.
|
9.4724541
|
1.54224
|
|
4. Дополнительная З/П.
|
1.12266123
|
0.182784
|
|
5. Единый соц. налог
|
2.88187137
|
0.4692
|
|
6. Амортизация оборудования
|
1.50458552
|
5.2322
|
|
7. Эксплуатация
оборудования
|
0.51155908
|
1.7789
|
|
8.Возмещение износа
инструмента
|
1.257
|
0.256
|
|
9. Отчисления в ремонтный
фонд
|
0.3009171
|
1.046
|
|
10. Страхование имущества
|
0.198
|
0.528
|
|
11. Амортизация
производственных площадей
|
0.0442
|
0.00486
|
|
12. Содержание
производственных площадей
|
0.1106
|
0.0122
|
|
Итого технологическая
себестоимость
|
102.890608
|
96.216384
|
.7.2 Расчет денежных поступлений на единицу продукции
. Текущие затраты на единицу продукции за минусом амортизации
оборудования и производственных площадей:
По базе 102.890608-1.50458552-0.0442=101,342(руб.)
По проекту: 96.216384-5.2322-0,050633=90,979 (руб.)
. Разница на текущих затратах за минусом амортизации оборудования и
площадей по базе и по проекту:
,342-90,979= 10,363(руб.)
. Амортизация оборудования и производственных площадей по проекту:
.2322+0.00486=5.23706 (руб)
. Итого денежных поступлений на единицу продукции:
.36249896+5.23706=15.59955896руб.)
.7.3 Годовые денежные поступления
Таблица 8.7.3
|
Показатели
|
1 год
|
2 год
|
3 год
|
4 год
|
5 год
|
Итого.
|
|
1. Годовая программа при
100%-ой загрузке. шт.
|
72417
|
72417
|
72417
|
72417
|
72417
|
362085
|
|
2. Планируемая годовая программа,
шт.
|
60024
|
60024
|
60024
|
60024
|
60024
|
300120
|
|
3. Годовой р-р экономии при
100%-ой загрузке, руб.
|
750421
|
750421
|
750421
|
750421
|
750421
|
3752105
|
|
4. Годовой р-р экономии при
планируемой загр. руб.
|
621998
|
621998
|
621998
|
621998
|
621998
|
3109993
|
|
5. Годовые поступления
амортизац. отчислений при 100%-ой загр, руб.
|
379252
|
379252
|
379252
|
379252
|
379252
|
1896260
|
|
6. . Годовые поступления
амортизац. отчислений при планир. загр, руб.
|
314349
|
314349
|
314349
|
314349
|
314349
|
1571746
|
|
7. Ставка налога на приб.,%
|
24%
|
24%
|
24%
|
24%
|
24%
|
|
|
8. Налоговые отчисл. при
100%-ой загр, руб.
|
180101
|
180101
|
180101
|
180101
|
180101
|
900505
|
|
9. Налоговые отчисл. при
планир. загр, руб.
|
149279
|
149279
|
149279
|
149279
|
149279
|
746398
|
|
10. Итоговые денежные
пост.(прибыль и амморт)за вычетом налогов при 100%-ой загрузке, руб.
|
949572
|
949572
|
949572
|
949572
|
949572
|
4747861
|
|
11.Нарастание по годам, руб
|
949572
|
1899144
|
2848716
|
3798288
|
474781
|
4747861
|
|
12. итого денежных поступ
за вычетом налогов при план. загрузке, руб.
|
787068
|
787068
|
787068
|
787068
|
787068
|
3935341
|
|
13. Нарастание их по годам,
руб.
|
787068
|
1574136
|
2361204
|
3148273
|
393531
|
3935341
|
8.7.4 Годовые денежные поступления с учетом капиталовложений
Таблица 8.7.4
|
Показатели
|
1 год
|
2год
|
3год
|
4год
|
5 год
|
Итого
|
|
1.Капиталов-ия (ст-ть
обор-я и пр-х площадей), руб.
|
3824920
|
3824920
|
3824920
|
3824920
|
3824920
|
3824920
|
|
2. итого денежных
поступлений (прибыли и амортизации) за вычетом налогов при 100%, руб.
|
949572
|
949572
|
949572
|
949572
|
949572
|
4747861
|
|
3. итого денежных
поступлений (прибыли и аморт.) за вычетом
налогов при планир. загрузке, руб.7870687870687870687870687870683935341
|
|
|
|
|
|
|
|
4. Итого поступлений с
учетом капитал-ий при 100%-ой загр.(руб)
|
2875347
|
949572
|
949572
|
949572
|
949572
|
922941
|
|
5.Нарастание по годам, руб.
|
2875347
|
1925775
|
976203
|
-26631
|
922941
|
922941
|
|
6. Итого поступлений с
учетом капиталловложен. При планир. загрузке, руб.
|
3037851
|
787068
|
787068
|
787068
|
787068
|
110421
|
|
7. Нарастание их по годам,
руб.
|
3037851
|
2250783
|
1463715
|
-676646
|
110421
|
110421
|
.7.5 Остаточная стоимость оборудования и зданий после расчетного периода
Оборудование:
*10*5/100=1912460 (руб.) - норма амортизации.
-1912460=1912460 (руб.)
Производственные площади:
Стоимость площади - 2000 руб./ м2
Всего 8,8 м2
Коэффициент, учитывающий место под проходы - 2
Итого 8,8*2*2000=35200 (руб.)
*1*5/100=1760 (руб.) - норма амортизации.
-1760=33440 (руб.)
О=1912460+33440=1945900 (руб.)
Дисконтируемая стоимость:
При 100% загрузке:
Д=3599625.733+1945900/(1+0,1)5-3824920= 335679,2067 (руб.)
При планируемой загрузке:
Д=2983607.923+1945900/(1+0,1)5-3824920= 366938.7257(руб.)
Дисконтированные
денежные поступления
Таблица
8.7.5
|
Показатели
|
1 год
|
2 год
|
3 год
|
4 год
|
5 год
|
Итого
|
|
1. Ставка дисконтирования
|
0.1
|
0.1
|
0.1
|
0.1
|
0.1
|
|
|
2. Итого денежных
поступлений (прибыль и аморт.) за вычетом налогов при 100%, руб.
|
949572
|
949572
|
949572
|
949572
|
949572
|
4747861
|
|
3. Итого денежных
поступлений (прибыль и аморт) за вычетом налогов план. загр, руб.
|
787068
|
787068
|
787068
|
787068
|
787068
|
3935341
|
|
4. Дисконтированная
величина ден. поступлений при 100% загр, руб.
|
863247
|
784770
|
713427
|
648570
|
589609
|
3599625
|
|
5. Дисконтированная
величина ден. поступлен при планир. загр, руб.
|
715516
|
650469
|
591336
|
537578
|
488707
|
2983607
|
|
6. Капиталовложения
(стоимость оборудования и производственных площадей ), руб.
|
3824920
|
0
|
0
|
0
|
0
|
3824920
|
.7.6 Срок окупаемости
Усредненный срок окупаемости рассчитывается по формуле:
Усредненный
срок окупаемости по не дисконтированным поступлениям при 100% загрузке:
/(
4747861/5)= 4 (лет.)
Усредненный
срок окупаемости по не дисконтированным поступлениям при планируемой загрузке.
/(
3935341.269/5)= 4,9 (лет.)
.7.7
Коэффициент внутренней доходности
П
- прибыль, получаемая в ходе реализации проекта.
А
- амортизационные отчисления на оборудование и производственные площади по
проекту.
ен
- ставка дисконтирования денежных поступлений.
n - период
эксплуатации техпроцесса.
О
- остаточная стоимость оборудования и зданий по срока службы.
К
- капитальные вложения в оборудование и здания по проекту.
При
100% загрузке:
При
е = 0,18
руб.
При
е = 0,179
руб.
Тогда
значение е=0,179+(5474/(5474+4879))*(0,18-0,179)=0,1795
Проверка:
руб.
Для
планируемой загрузки:
при
е = 0,13
руб.
при
е = 0,129
руб.
Тогда
значение е=0,129+(10989/(10989+467))*(0,13-0,129)=0,1299
Проверка:
руб
.8
Основные показатели проекта
Таблица 8.8
|
Показатели
|
100% загрузка
|
Планируемая загрузка
|
|
1. Расчетный период, лет
|
5
|
5
|
|
2. Годовая программа шт.
|
72417
|
60024
|
|
3. Капиталовложения, руб.
|
3824920
|
3824920
|
|
4. Экономия на текущих
затратах на расчетный период, руб.
|
3752105
|
3109993
|
1896260
|
1571746
|
|
6. Суммарные поступления за
расчетный период, руб.
|
4747861
|
3935341
|
|
7. Ставка дисконтирования,
доля единиц.
|
0,1
|
0,1
|
|
8. Дисконтированные
денежные поступления за расчетный период, руб.
|
3183113
|
2638374
|
|
9. Чистая дисконтированная
стоимость, руб.
|
325649
|
21705
|
|
10. Коэффициент внутренней
доходности
|
0,18
|
0,1299
|
|
11. Срок окупаемости, лет
|
4
|
5
|
9. Выводы и практические рекомендации
В наше время требование к механообработке и оснастке возрастают,
требуется увеличение скоростей обработки, тем самым решая задачи точность
обрабатываемой поверхности, настройка и быстрота переналадки оснастки на
широкий диапазон обрабатываемых размеров.
Что бы попытаться решить эти вопросы и была спроектирована данная
оснастка.
Спроектированная оснастка решила актуальную проблему, повышения точности
и производительности обработки, которая достигается за счет:
.Точное расположение режущих кромок инструмента относительно друг друга.
. Контактной жесткости, которая достигается в данном случае
использованием конических болтов. Конические болты ввинчиваются со смещением
центра, обеспечивая жесткость по двум поверхностям.
. Двойным базированием скользящих блоков, по конусу и торцу.
. Повышая контактную жесткость мы имеем возможность увеличить скорость
обработки, тем самым повышаем производительность и точность обработки.
. Непосредственно производительность достигается за счет быстрой
переналадки инструментальных блоков и оправок, на другие размеры обработки.
. Перемещение блоков в соединении «Ласточкин хвост» относительно друг
друга, позволяет регулировать размеры обработки в широком диапазоне.
Быстрая переналадка оснастки на другой обрабатываемый размер, дает
возможность применения ее в крупносерийном и мелко серийном производстве.
Список используемой литературы
1. А.Ф. Горбацевич, В.А. Шкред. Курсовое
проектирование по технологии машиностроения: [Учеб. пособие для машиностроит.
спец. вузов]. - 4-е изд., перераб. и доп. - Мн.: Высшая школа, 1983. - с. 256.
2. А.К. Горошкин. Приспособления для
металлорежущих станков: Справочник. - 7-е изд., перераб. и доп. - М.:
Машиностроение, 1979. - с. 303.
3. Г.Ф. Денисенко. Охрана труда: Учеб
пособие для инж.-экон. спец. вузов. - М.: Высш. шк., 1985. - с.319.
4. Дипломное проектирование по
технологии машиностроения: Учеб. пособие для вузов / [В.В. Бабук, П.А. Горезко,
К.П. Забродин и др.] Под общ. ред. В.В. Бабука. Мн.: Выш. школа, 1979. - с.464.
5. А.Г. Косилова, Р.К. Мещеряков, М.А.
Калинин. Точность обработки, заготовки и припуски в машиностроении: Справочник
технолога. - М.: Машиностроение, 1976. - с. 288
6. Курсовое проектирование по технологии
машиностроения: Методичедиские указания / О.Н. Калачев, Ю.А. Легенкин, А.В.
Оборин, В.Т. Синицин; Яросл. гос. техн. ун-т.-Ярославль, 2006
7. Материалы в машиностроении. Т.4.
Чугун. Справочник под общ. ред. И.В.Кудрявцева. М.: Машиностроение, 1969. с.
248.
8. Н.А. Нефедов, К.А. Осипов. Сборник
задач и примеров по резанию металлов и режущему инструменту: Учеб. пособие для
техникумов. - 5-е изд., переаб. и доп. - М.: Машиностроение, 1990. - с.448.
9. Прогрессивные режущие инструменты и
режимы резания металлов: Справочник / В.И. Баранчиков, А.В. Жаринов, Н.Д.Юдина
и др.; Под общ. ред. В.И. Баранчикова. - М.: Машиностроение, 1990. - с. 400.
10.Проектирование
технологии: Учебник для студентов машиностроительных специальностей вузов /
И.М. Баранчукова, А.А. Гусев, Ю.Б. Крамаренка и др.; Под общ. ред. Ю.М.
Соломенцева. М.: Машиностроение, 1990. - с.416.
11.Сборник задач и
упражнений по технологии машиностроения: Учеб. пособие для машиностроит. вузов
по спец. «Технология машиностроения», «Металлорежущие станки и инструменты» /
В.И. Аверченков, О.А. Горленко, Б.Б. Ильицкий и др. - М.: Машиностроение, 1988.
- с. 192
12.Синицын В.Т.
Технологическая оснастка машиностроительного производства: Учебное пособие. -
Ярославль: изд-во ЯГТУ, 2000. - 223 с.
13.Справочник
технолога-машиностроителя. В 2-х т. Т.1 /Под ред. А.Г. Косиловой, Р.К.
Мещерякова. - 4-е изд., перераб. и доп. - М.: Машиностроение, 1985. - с. 656
14.Справочник
технолога-машиностроителя. В 2-х т. Т.2 /Под ред. А.Г. Косиловой, Р.К.
Мещерякова. - 4-е изд., перераб. и доп. - М.: Машиностроение, 1986. - с. 469
15.Детали машин:
Атлас конструкций. Учеб. пособие для машиностроительных вузов. Под ред. Д.Н.
Решетова. 4-е изд., перераб. и доп. - М.: Машиностроение, 1979. - 367 с.
16.П.Ф. Дунаев,
О.П. Леликов. Конструирование узлов и деталей машин: Учеб. пособие для
машиностроит. Спец. Вузов. - 4-е изд., перераб. и доп. - М.: Высш. шк., 1985. -
416 с.
17.М.Н. Иванов.
Детали машин: Учебник для машиностроительных специальностей вузов, 7-е изд.,
перераб. и доп. - М.: Высш. шк., 2002. - 408 с.
18.А.И. Кочергин.
Конструирование и расчет металлорежущих станков и станочных комплексов.
Курсовое проектирование: Учеб. пособие для вузов. - Мн.: Высш. шк.,1991. - 382
с.
19.Металлорежущие
станки. Учебник для машиностроительных специальностей вузов. Под ред. В.К.
Тепинкичиева. - М.: Машиностроение, 1973. - 472 с.
Приложение «А»
Приложение «Б»
Ярославский государственный технический университет
Кафедра технологии машиностроения. Программа KONCUT (C)
Калачёв О.Н., 2000
KON1
Расчёт технико-экономических показателей режима резания (точение)
Исходные данные для расчёта
См. Калачёв О.Н., Синицын В.Т. Применение ЭВМ в курсовом и дипломном
проектировании по технологии машиностроения. Ярославль, ЯПИ, 1989.- 87 c.
Заказчик: студент группы МТ-57 Акимов С.А.
Материал заготовки ....................................... Ковкий чугун
Твёрдость материала, HB
.................................. 143
Название станка .......................................... 1727Ф6
Минимальная частота вращения шпинделя (Nmin), об/мин ..... 10.000
Максимальная частота вращения шпинделя (Nmax), об/мин .... 3125.000
Минимальная величина подачи (Smin), мм/об ................ 0.050
Максимальная величина подачи (Smax), мм/об ............... 1.400
Число ступеней ряда частоты вращения (Kn) ................ 20
Число ступеней геометрического ряда подач (Ks) ........... 20
Мощность электродвигателя станка (N), кВт ................ 22.0
Коэффициент полезного действия (КПД) ..................... 0.80
Тип резца ............................................ Проходной,
подрезной, расточной
Материал инструмента ..................................... Твёрдый сплав
ВК3
Профиль фасонного резца .................................. Простой
Подача инструмента (S),
мм/об ............................ 0.15
Длина рабочего хода (Lрх),
мм ............................ 95.000
Угол в плане (Fi), град
.................................. 90
Главный передний угол (Gamma),
град ...................... 10
Радиус при вершине (r), мм
............................... 1.000
Время на отдых + Время на обслуживание (Aотд+Aобс),
% .... 10.20
Вспомогательное время (Tвс),
мин ......................... 0.3
Вид обработки .......................................... Наружное
продольное точение
Характер обработки ....................................... Чистовая
Состояние обрабатываемой поверхности ..................... Без корки
Глубина резания (t), мм
.................................. 0.500
Длина (ширина) резания (Lрез, B), мм ..................... 0.500
Диаметр обработки (D), мм
................................ 61.000
Наличие СОЖ .............................................. Да
Результаты расчёта по программе KONCUT (C) Калачёв О.Н., 2000
+-------+-------------+-------------+-------------+-------------+-------------+
|
Номер | Частота | Производи- |Себестоимость| Стоимость | Машинное |
|
Ва- | вращения | тельность | обработки | расходов на | время, |
|
рианта| шпинделя, | станка, | детали, | инструмент, | мин |
|
| об/мин | дет/час | коп | коп | |
+-------+-------------+-------------+-------------+-------------+-------------+
|
1 | 10.000 | 0.82 | 110.15 | 0.00 | 66.34 |
|
2 | 13.530 | 1.10 | 81.54 | 0.00 | 49.03 |
|
3 | 18.307 | 1.49 | 60.39 | 0.00 | 36.24 |
|
4 | 24.770 | 2.01 | 44.77 | 0.00 | 26.78 |
|
5 | 33.514 | 2.71 | 33.21 | 0.00 | 19.79 |
|
6 | 45.346 | 3.65 | 24.68 | 0.00 | 14.63 |
|
7 | 61.355 | 4.90 | 18.37 | 0.00 | 10.81 |
|
8 | 83.015 | 6.57 | 13.71 | 0.00 | 7.99 |
|
9 | 112.322 | 8.77 | 10.26 | 0.00 | 5.91 |
|
10 | 151.975 | 11.67 | 7.71 | 0.00 | 4.37 |
|
11 | 205.626 | 15.44 | 5.83 | 0.00 | 3.23 |
|
12 | 278.219 | 20.28 | 4.44 | 0.00 | 2.38 |
|
13 | 376.439 | 26.40 | 3.41 | 0.00 | 1.76 |
|
14 | 509.334 | 33.98 | 2.65 | 0.00 | 1.30 |
|
15 | 689.145 | 43.12 | 2.09 | 0.00 | 0.96 |
| 16 | 932.435 | 53.82 | 1.67 |
0.00 | 0.71 |
|
17 | 1261.614 | 65.92 | 1.37 | 0.00 | 0.53 |
|
18 | 1707.003 | 79.02 | 1.14 | 0.00 | 0.39 |
|
19 | 2309.628 | 92.28 | 0.98 | 0.01 | 0.29 |
|
20 | 3125.000 | 105.70 | 0.86 | 0.01 | 0.21 |
+-------+-------------+-------------+-------------+-------------+-------------+
|
Номер | Штучное | Стойкость | Стойкость | Скорость | Мощность |
|
Ва- | время, | инстру- | инстру- | резания, | резания, |
|
рианта| мин | мента, | мента, | м/мин | кВт |
|
| | дет | мин | | |
+-------+-------------+-------------+-------------+-------------+-------------+
|
1 | 73.43 | 200512.63 | 70007.483 | 1.92 | 0.00 |
|
2 | 54.36 | 202182.85 | 52172.198 | 2.59 | 0.00 |
|
3 | 40.26 | 202058.52 | 38535.775 | 3.51 | 0.01 |
|
4 | 29.84 | 199970.36 | 28186.729 | 4.74 | 0.01 |
|
5 | 22.14 | 195780.93 | 20395.837 | 6.42 | 0.01 |
|
6 | 16.45 | 189395.92 | 14582.563 | 8.69 | 0.02 |
|
7 | 12.25 | 180776.17 | 10287.185 | 11.75 | 0.02 |
|
8 | 9.14 | 169949.85 | 7147.732 | 15.90 | 0.03 |
|
9 | 6.84 | 157024.14 | 4880.968 | 21.51 | 0.04 |
|
10 | 5.14 | 142195.60 | 3266.764 | 29.11 | 0.05 |
|
11 | 3.89 | 125758.13 | 2135.305 | 39.39 | 0.07 |
|
12 | 2.96 | 108107.30 | 1356.660 | 53.29 | 0.09 |
|
13 | 2.27 | 89739.44 | 832.322 | 72.10 | 0.12 |
|
14 | 1.77 | 71244.08 | 488.370 | 97.56 | 0.17 |
|
15 | 1.39 | 53287.57 | 269.972 | 132.00 | 0.23 |
| 16 | 1.11 | 36585.80 | 136.993 |
178.60 | 0.31 |
|
17 | 0.91 | 21860.46 | 60.497 | 241.65 | 0.42 |
|
18 | 0.76 | 9743.27 | 19.928 | 326.96 | 0.57 |
|
19 | 0.65 | 1454.15 | 2.198 | 442.39 | 0.77 |
|
20 | 0.57 | 1453.87 | 1.624 | 598.56 | 1.04 |
+-------+-------------+-------------+-------------+-------------+-------------+
#
Мощность резания превышает мощность станка
Результаты расчета технологических размерных цепей
Кафедра ТМС ЯГТУ, (C) Калачев О.Н., 2000 **** KON7 ****
З а к а з ч и к Nikitin P.V.
Таблица 1
Распечатка введенных исходных данных (проверьте правильность ввода!)
Сведения о заготовке:
Материал.................. чугун
Способ получения.......... литьё чугуна и стали в земл.фор
Класс (степень) точности.. 0
Габаритный размер......... 200.000
--------------------------------------------------------------------------------------
Замыкающие звенья | Составляющие звенья |Габа| Отклонения
P-черт.размер. Z-припуск | |риты|
допуска
------------------------------------------------------------------|обра|
пользователя
зве-|
гра- |Предел.значения|зве-| гра- | метод обработки
|сист|бот.|
но
| ницы |---------------| но | ницы
|--------------------|допу|пове|-------------
| | max | min | | O--> | наименование |код|ска |рхн.|веpх.
|нижнее
-------------------------------------------------------------------------------------
P1
| 9 11| 47.500| 47.250|A1 | 4 13|литьё чугуна и | 41|вал | 53| 0.000|
0.000
| | | | | |стали в земл.фор| | | |
|
P2
| 10 11| 13.715| 13.285|A2 | 10 13|литьё чугуна и | 41|вал | 16| 0.000|
0.000
| | | | | |стали в земл.фор| | | |
|
P3
| 3 11|142.000|141.600|A3 | 1 13|литьё чугуна и | 41|вал | 147| 0.000|
0.000
| | | | | |стали в земл.фор| | | | |
Z1
| 5 4| 0.000| 0.000|A4 | 13 5|точение с заме- | 71|вал | 52|
0.000|-1.200
| | | | | |ром от необр.пов| | | |
|
Z2
| 6 5| 0.000| 0.000|A5 | 13 6|точение с заме- | 71|вал | 51| 0.000|-1.000
| | | | | |ром от необр.пов| | | |
|
Z3
| 2 1| 0.000| 0.000|A6 | 13 2|точение с заме- | 71|вал | 146| 0.000|
0.000
| | | | | |ром от необр.пов| | | | |
Z4
| 12 13| 0.000| 0.000|A7 | 10 12|точение с заме- | 71|вал | 15|
0.350|-0.350
| | | | | |ром от необр.пов| | | |
|
Z5
| 11 12| 0.000| 0.000|A8 | 10 11|точение с заме- | 71|вал | 14|
0.215|-0.215
| | | | | |ром от необр.пов| | | |
|
Z6
| 7 6| 0.000| 0.000|A9 | 11 3|точение чистовое| 74|вал | 142|
0.000|-0.400
| | | | | | | | | |
|
Z7
| 3 2| 0.000| 0.000|A10 | 11 7|точение однократ| 73|вал | 48|
0.000|-0.250
| | | | | | | | | |
|
Z8
| 8 7| 0.000| 0.000|A11 | 11 8|точение чистовое| 74|вал | 48|
0.000|-0.250
| | | | | | | | | |
|
Z9
| 9 8| 0.000| 0.000|A12 | 11 9|точение чистовое| 74|вал | 47|
0.000|-0.250
| | | | | | | | | |
|
-------------------------------------------------------------------------------------
Блок
1
Блок
2
Блок
3
Таблица 2
Результаты
расчета - уравнения размерных цепей
-------------------------------------------------------------------------------------
Номер
| Неизв.| Уравнения в символьной форме
решения| звено |
-------------------------------------------------------------------------------------
1 | A12 | P1=+A12
2 | A8 | P2=+A8
3 | A9 | P3=+A9
4 | A7 | Z5=-A8+A7
5 | A11 | Z9=-A12+A11
6 | A2 | Z4=-A7+A2
7 | A10 | Z8=-A11+A10
8 | A5 | Z6=-A2-A10+A5+A8
9 | A6 | Z7=-A2-A9+A6+A8
10 | A4 | Z2=-A5+A4
11 | A3 | Z3=-A6+A3
12 | A1 | Z1=-A4+A1
--------------------------------------------------------------------------------------
Блок 4
** Информация о ходе расчёта технологических размеров при решении разм.
цепей **
Program KON7 О.Н.Калачев-2000
Решается разм. цепь 1 типа "P" с неизв. звеном A12 , код метода
получения= 74
с о с т а в ц е п и :
увелич. звено A12 : max= 0.000 min= 0.000
замык. звено - констр. размер P1 : max= 47.500 min= 47.250
результаты расчёта звена A12 : max= 47.500 min= 47.250
следовательно, расч. допуск= 0.250
технолог. допуск заданного метода получения звена, предлагаемый
системой= 0.100 : верхн. откл.= 0.100 нижн. откл.= 0.000
технологич. допуск, заданный пользователем= 0.250
верх. откл.= 0.000 нижн. откл.= -0.250
Расчётный допуск звена A12 отрицательный или много меньше
технологического.
Необходимая точность замыкающего звена не обеспечивается
Расчёт прерывается
Номер решения последней цепи= 1. Справка: DT= 0.250, DR= 0.250
Внимание!!! С целью анализа возникшей ситуации расчёт повторяется заново,
при этом снимается ограничение по допуску: на искомое звено A12
назначается жесткий расчётный допуск, значительно меньший, чем
технологический
--------------------------------------------------------------------------------------
Блок 4
** Информация о ходе расчёта технологических размеров при решении разм.
цепей **
Program KON7 О.Н.Калачев-2000
Решается разм. цепь 1 типа "P" с неизв. звеном A12 , код метода
получения= 74
с о с т а в ц е п и :
увелич. звено A12 : max= 0.000 min= 0.000
замык. звено - констр. размер P1 : max= 47.500 min= 47.250
результаты расчёта звена A12 : max= 47.500 min= 47.250
следовательно, расч. допуск= 0.250
технолог. допуск заданного метода получения звена, предлагаемый
системой= 0.100 : верхн. откл.= 0.100 нижн. откл.= 0.000
технологич. допуск, заданный пользователем= 0.250
верх. откл.= 0.000 нижн. откл.= -0.250
Внимание! Система назначает на звено A12 жесткий допуск, равный
расчётному.
Практически это означает, что при получении звена следует выдерживать
техн. допуск на 1 квалитет жестче заданного. Справка: DT= 0.250, DR=
0.250
принимаем расчётный размер звена A12 с учётом технолог. допуска:
номинал= 47.250 max= 47.500 min= 47.250
Решается разм. цепь 2 типа "P" с неизв. звеном A8 , код метода
получения= 71
с о с т а в ц е п и :
увелич. звено A8 : max= 0.000 min= 0.000
замык. звено - констр. размер P2 : max= 13.715 min= 13.285
результаты расчёта звена A8 : max= 13.715 min= 13.285
следовательно, расч. допуск= 0.430
технолог. допуск заданного метода получения звена, предлагаемый
системой= 0.520 : верхн. откл.= 0.520 нижн. откл.= 0.000
технологич. допуск, заданный пользователем= 0.430
верх. откл.= 0.215 нижн. откл.= -0.215
Внимание! Система назначает на звено A8 жесткий допуск, равный
расчётному.
Практически это означает, что при получении звена следует выдерживать
техн. допуск на 1 квалитет жестче заданного. Справка: DT= 0.430, DR=
0.430
принимаем расчётный размер звена A8 с учётом технолог. допуска:
номинал= 13.285 max= 13.715 min= 13.285
Решается разм. цепь 3 типа "P" с неизв. звеном A9 , код метода
получения= 74
с о с т а в ц е п и :
увелич. звено A9 : max= 0.000 min= 0.000
замык. звено - констр. размер P3 : max= 142.000 min= 141.600
результаты расчёта звена A9 : max= 142.000 min= 141.600
следовательно, расч. допуск= 0.400
технолог. допуск заданного метода получения звена, предлагаемый
системой= 0.160 : верхн. откл.= 0.160 нижн. откл.= 0.000
технологич. допуск, заданный пользователем= 0.400
верх. откл.= 0.000 нижн. откл.= -0.400
принимаем расчётный размер звена A9 с учётом технолог. допуска:
номинал= 141.600 max= 142.000 min= 141.600
Решается разм. цепь 4 типа "Z" с неизв. звеном A7 , код метода
получения= 71
припуск ZMIN, рассчитанный системой= 0.240
с о с т а в ц е п и :
уменьш. звено A8 : max= 13.715 min= 13.285
увелич. звено A7 : max= 0.000 min= 0.000
технолог. допуск заданного метода получения звена, предлагаемый
системой= 0.520 : верхн. откл.= 0.520 нижн. откл.= 0.000
технологич. допуск, заданный пользователем= 0.700
верх. откл.= 0.350 нижн. откл.= -0.350
расчётный размер звена A7 :
номинал= 13.955 max= 14.655 min= 13.955
Решается разм. цепь 5 типа "Z" с неизв. звеном A11 , код метода
получения= 74
припуск ZMIN, рассчитанный системой= 0.110
с о с т а в ц е п и :
уменьш. звено A12 : max= 47.500 min= 47.250
увелич. звено A11 : max= 0.000 min= 0.000
технолог. допуск заданного метода получения звена, предлагаемый
системой= 0.100 : верхн. откл.= 0.100 нижн. откл.= 0.000
технологич. допуск, заданный пользователем= 0.250
верх. откл.= 0.000 нижн. откл.= -0.250
расчётный размер звена A11 :
номинал= 47.610 max= 47.860 min= 47.610
Решается разм. цепь 6 типа "Z" с неизв. звеном A2 , код метода
получения= 41
припуск ZMIN, рассчитанный системой= 0.900
с о с т а в ц е п и :
уменьш. звено A7 : max= 14.655 min= 13.955
увелич. звено A2 : max= 0.000 min= 0.000
технолог. допуск заданного метода получения звена, предлагаемый
системой= 0.600 : верхн. откл.= 0.300 нижн. откл.=-0.300
расчётный размер звена A2 :
номинал= 15.855 max= 16.155 min= 15.555
Решается разм. цепь 7 типа "Z" с неизв. звеном A10 , код метода
получения= 73
припуск ZMIN, рассчитанный системой= 0.180
с о с т а в ц е п и :
уменьш. звено A11 : max= 47.860 min= 47.610
увелич. звено A10 : max= 0.000 min= 0.000
технолог. допуск заданного метода получения звена, предлагаемый
системой= 0.340 : верхн. откл.= 0.340 нижн. откл.= 0.000
технологич. допуск, заданный пользователем= 0.250
верх. откл.= 0.000 нижн. откл.= -0.250
расчётный размер звена A10 :
номинал= 48.040 max= 48.290 min= 48.040
Решается разм. цепь 8 типа "Z" с неизв. звеном A5 , код метода
получения= 71
припуск ZMIN, рассчитанный системой= 0.300
с о с т а в ц е п и :
уменьш. звено A2 : max= 16.155 min= 15.555
уменьш. звено A10 : max= 48.290 min= 48.040
увелич. звено A5 : max= 0.000 min= 0.000
увелич. звено A8 : max= 13.715 min= 13.285
технолог. допуск заданного метода получения звена, предлагаемый
системой= 0.740 : верхн. откл.= 0.740 нижн. откл.= 0.000
технологич. допуск, заданный пользователем= 1.000
верх. откл.= 0.000 нижн. откл.= -1.000
расчётный размер звена A5 :
номинал= 51.460 max= 52.460 min= 51.460
Решается разм. цепь 9 типа "Z" с неизв. звеном A6 , код метода
получения= 71
припуск ZMIN, рассчитанный системой= 0.380
с о с т а в ц е п и :
уменьш. звено A2 : max= 16.155 min= 15.555
уменьш. звено A9 : max= 142.000 min= 141.600
увелич. звено A6 : max= 0.000 min= 0.000
увелич. звено A8 : max= 13.715 min= 13.285
технолог. допуск заданного метода получения звена, предлагаемый
системой= 1.000 : верхн. откл.= 1.000 нижн. откл.= 0.000
расчётный размер звена A6 :
номинал= 145.250 max= 146.250 min= 145.250
Решается разм. цепь 10 типа "Z" с неизв. звеном A4 , код метода
получения= 71
припуск ZMIN, рассчитанный системой= 0.300
с о с т а в ц е п и :
уменьш. звено A5 : max= 52.460 min= 51.460
увелич. звено A4 : max= 0.000 min= 0.000
технолог. допуск заданного метода получения звена, предлагаемый
технологич. допуск, заданный пользователем= 1.200
верх. откл.= 0.000 нижн. откл.= -1.200
расчётный размер звена A4 :
номинал= 52.760 max= 53.960 min= 52.760
Решается разм. цепь 11 типа "Z" с неизв. звеном A3 , код метода
получения= 41
припуск ZMIN, рассчитанный системой= 1.100
с о с т а в ц е п и :
уменьш. звено A6 : max= 146.250 min= 145.250
увелич. звено A3 : max= 0.000 min= 0.000
технолог. допуск заданного метода получения звена, предлагаемый
системой= 1.200 : верхн. откл.= 0.600 нижн. откл.=-0.600
расчётный размер звена A3 :
номинал= 147.950 max= 148.550 min= 147.350
Решается разм. цепь 12 типа "Z" с неизв. звеном A1 , код метода
получения= 41
припуск ZMIN, рассчитанный системой= 1.000
с о с т а в ц е п и :
уменьш. звено A4 : max= 53.960 min= 52.760
увелич. звено A1 : max= 0.000 min= 0.000
технолог. допуск заданного метода получения звена, предлагаемый
системой= 0.800 : верхн. откл.= 0.400 нижн. откл.=-0.400
расчётный размер звена A1 :
номинал= 55.360 max= 55.760 min= 54.960
Таблица 3
Результаты расчета технологических РЦ ЯГТУ, С Калачев О.Н., 2000 ** KON7 **
------------------------------------------------------------------------------------
Замыкающие звенья | Составляющие звенья
P-черт.размер, Z-припуск
|
------------------------------------------------------------------------kon7--------
Ин-
| Гра- |Предел.значения| Ин- | Гра- | | | Отклонения
декс
| ницы |---------------|декс | ницы |Метод обработки |Номинал|---------------
звена|
звена | max | min |звена| звена | | |Верхнее|Нижнее
------------------------------------------------------------------------------------
P1
| 9 11| 47.500| 47.250| A1 | 4 13|литьё чугуна и | 55.360| 0.400| -0.400
| | | | | |стали в земл.фор| | |
P2
| 10 11| 13.715| 13.285| A2 | 13 10|литьё чугуна и | 15.855| 0.300| -0.300
| | | | | |стали в земл.фор| | |
P3
| 3 11|142.000|141.600| A3 | 1 13|литьё чугуна и |147.950| 0.600| -0.600
| | | | | |стали в земл.фор| | |
Z1
| 5 4| --- | 1.000| A4 | 5 13|точение с заме- | 52.760| 1.200| 0.000
| | | | | |ром от необр.пов| | |
Z2
| 6 5| --- | 0.300| A5 | 6 13|точение с заме- | 51.460| 1.000| 0.000
| | | | | |ром от необр.пов| | |
Z3
| 2 1| --- | 1.100| A6 | 2 13|точение с заме- |145.250| 1.000| 0.000
| | | | | |ром от необр.пов| | |
Z4
| 12 13| --- | 0.900| A7 | 12 10|точение с заме- | 13.955| 0.700| 0.000
| | | | | |ром от необр.пов| | |
Z5
| 11 12| --- | 0.240| A8 | 10 11|точение с заме- | 13.285| 0.430| 0.000
| | | | | |ром от необр.пов| | |
Z6
| 7 6| --- | 0.300| A9 | 11 3|точение чистовое|141.600| 0.400| 0.000
| | | | | | | | |
Z7
| 3 2| --- | 0.380| A10 | 7 11|точение однократ| 48.040| 0.250| 0.000
| | | | | | | | |
Z8
| 8 7| --- | 0.180| A11 | 8 11|точение чистовое| 47.610| 0.250| 0.000
| | | | | | | | |
Z9
| 9 8| --- | 0.110| A12 | 11 9|точение чистовое| 47.250| 0.250| 0.000
| | | | | | | | |
------------------------------------------------------------------------------------
Конец заказа Nikitin P.V. *** KON7 *** 2000
Конец задания......KON7 2000