Проектирование техпроцесса изготовления гайки накидной
ВВЕДЕНИЕ
В настоящее время механическая обработка детали
- широко распространённый технологический процесс современного машиностроения.
Механическая обработка находит широкое
применение в различных областях машиностроения благодаря возможности получения
деталей различной формы и конфигурации с заданными технологическими
показателями. Данным методом обработки обрабатывается до 70% всех
изготавливаемых деталей.
В настоящее время в виду перехода к рыночной
экономике большое значение приобретает конкурентоспособность создаваемой
продукции. Важными показателями продукции является качество и цена, а это
напрямую зависит от экономической эффективности и качества производства.
В целях обеспечения высокой эффективности
производства и создания качественной продукции необходима разработка таких
технологических процессов, которые позволяют с наименьшими трудовыми и
материальными затратами обеспечить изготовление продукции с требуемыми
параметрами, характеристиками и свойствами.
Ещё на стадии проектирования технологического
процесса закладывается качество будущей продукции, её себестоимости и
эффективность производства. Поэтому так важно правильное, разумное и
рациональное проектирование технологического процесса.
Эффективность того, или иного технологического
процесса зависит от того, на сколько обосновано был проведён выбор необходимого
инструмента, оборудования, оснастки, а также от методов получения заготовки и
режимов обработки.
В данном курсовом проекте первая часть посвящена
разработке и обоснованию технологического процесса изготовления детали с учётом
обеспечения высокого качества её получения методами механической обработки на
реальном оборудовании.
Вторая часть настоящего курсового проекта
посвящена проектированию специального станочного приспособления, обеспечивающего
возможность механизации технологических процессов изготовления детали.
. ТЕХНОЛОГИЧЕСКИЙ РАЗДЕЛ
.1 Характеристика
обрабатываемой детали
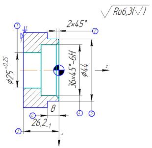
Накидные гайки применяются в резьбовых
соединениях трубопроводов, арматуры и гидропневмооборудования с углом конуса 24
град., для радиального монтажа. Основными базами гайки являются поверхность Ø44
мм
и наружная поверхность шестигранник 46 мм. Так же имеются следующие элементы:
внутренняя резьба М36х2-6Н, отверстие Ø30,2+0,25 мм,
канавка Ø36,5+0,39
мм.
Гайка является жёсткой, так как отношение ее
длины к диаметру не превышает 12 единиц.
Материал детали - сталь 35 ГОСТ 1050-88.
Заготовка получена из круглого проката.
1.2 Характеристика
материала заготовки
Деталь изготавливается из качественной
углеродистой конструкционной стали 35 ГОСТ 1050-88.
Качественная углеродистая конструкционная сталь
имеет более высокую прочность, пластичность и ударную вязкость, чем сталь
обыкновенного качества. Из среднеуглеродистых сталей (сталь 30 - сталь 45)
изготавливаются детали, от которых требуется высокая прочность и твёрдость.
Свариваемость и пластичность этих сталей умеренные.
Основными характеристиками прочности и упругости
стали 35 при растяжении являются: предел текучести (σТ)
- наименьшее напряжение, при котором материал деформируется без увеличения
растягивающей нагрузки; предел прочности или временное сопротивление (σВ)
- напряжение, соответствующее наибольшей нагрузке, предшествующей разрушению
материала. Приведенные выше механические характеристики являются важнейшими показателями
при расчете материалов на прочность.
При пластическом деформировании стали 35, кроме
прочностных характеристик, определяется пластическое свойство. Это свойство
проявляется в том, что под действием нагрузки материал удлиняется и сужается в
разной степени. Чем больше материал способен удлиняться, а его поперечное
сечение сужаться, тем материал считается более пластичным. Благодаря
пластичности сталь 35 можно обрабатывать давлением (ковкой, штамповкой,
прокаткой).
При деформировании материала пластичность
определяется двумя взаимосвязанными характеристиками: относительным удлинением
(d5) и относительным сужением (ψ).
В процессе работы деталь зачастую подвергается
ударным (динамическим) нагрузкам. Поэтому, для определения степени
сопротивляемости материала действию этих нагрузок производятся испытания на
ударный изгиб. Цель данного испытания сводится к определению ударной вязкости
материала (ан), характеризующей склонность металла к хрупкости (хладноломкость)
при работе в условиях низких температур.
Сталь 35 применяют после нормализации, улучшения
и поверхностной закалки. Сталь имеет небольшую прокаливаемость: критический
диаметр, после закалки в воде, не превышает 10 - 12 мм. В связи с этим сталь
применяется для изготовления разнообразных деталей во всех отраслях
машиностроения, но не требующих сквозной прокаливаемости. После термической
обработки сталь 35 имеет более высокую прочность и лучше обрабатывается
резанием.
Химический состав и механические свойства стали
приведены соответственно в таблицах 1.1 и 1.2.
Таблица 1.1 - Химический состав стали 35 (ГОСТ
1050-88), массовой доли %
|
C
|
Si
|
Mn
|
S
|
P
|
Ni
|
Cr
|
|
|
|
Не
более
|
|
|
|
0.30…0,40
|
0,17…0,37
|
0,50…80
|
0,04
|
0,035
|
0,25
|
0,25
|
|
|
|
|
|
|
|
|
Таблица 1.2 - Механические свойства стали 35
ГОСТ 1050-88
|
sт, МПа
|
sвр, МПа
|
d5, %
|
y, %
|
ан,
Дж/м2
|
НВ
(не более)
|
|
Не
менее
|
|
горячекатаной
|
отожженной
|
|
300
|
580
|
9
|
39
|
78
|
207
|
187
|
1.3 Анализ
технологичности конструкции детали
Гайка (см. рисунок 1.1) имеет простую
геометрическую форму и изготавливается из материала - сталь 35 ГОСТ 1050-88,
обладающего хорошими пластическими способностями, а, следовательно,
позволяющего получать заготовку из горячекатаного проката.
Рисунок 1.1 - Гайка накидная
Конструкция накидной гайки является
технологичной, так как она удовлетворяет следующим требованиям:
главные отверстия, требующие точной обработки,
являются гладкими сквозными отверстиями;
отверстия расположены перпендикулярно к плоским
поверхностям;
наличие удобных технологических баз,
обеспечивающих требуемую ориентацию и надёжное закрепление детали на станке при
возможности обработки с нескольких сторон.
Обработка основных поверхностей детали
осуществляется с точностью по 6-9 квалитетам, шероховатость этих поверхностей
не более Ra 0,8-1,6
мкм, что возможно обеспечить стандартными методами обработки. Заданная точность
достигается за счёт совмещения измерительной, технологической и конструкторской
баз.
Конструкция втулки не имеет
сложных фасонных поверхностей, позволяет обеспечить свободный доступ
инструмента к обрабатываемым поверхностям, что сокращает время на обработку, а
также содержит унифицированные элементы (фаски, радиусы), позволяющие применить
стандартные оснастку и инструмент.
.4 Выбор оптимального метода получения заготовки
Расчет изготовления заготовки производят в
следующем порядке:
1. устанавливают метод получения заготовки
согласно типу производства, конструкции детали, материалу и другим техническим
требованиям на изготовления детали;
2. назначают припуски на обрабатываемые
поверхности детали согласно выбранному методу получения заготовки по
нормативным таблицам или производят расчет аналитическим методом;
. определяют расчетные размеры на каждую
поверхность заготовки;
. назначают предельные отклонения на
размеры заготовки по нормативным таблицам в зависимости от метода получения
заготовки;
5. производят расчет массы заготовки на
сопоставляемые варианты.
1.4.1
Технико-экономическое обоснование выбора оптимального метода получения
заготовки
При выборе заготовки для проектируемого
технологического процесса предлагается сравнить несколько методов её получения,
рассчитывается технологическая себестоимость изготовления заготовки по каждому
методу и коэффициент использования материала, на основании чего делается вывод
о целесообразности использования того или иного метода при дальнейшем
проектировании техпроцесса обработки детали.
Рассмотрим способ получения заготовки, применяя
горячекатаный круглый прокат (базовый вариант) и штамповку в закрытых штампах
на КГШП (проектный вариант). Определим массу заготовки по ГОСТ 7505-89, а затем
примем окончательное решение по выбору выше предложенных методов получения
заготовки путём сравнения по коэффициенту использования материала и стоимости
заготовки.
Сравним эти два метода получения заготовки.
Исходные данные: материал детали - Сталь 35 ГОСТ
1050-88; масса готовой детали - q
= 0,16 кг; годовая программа - N
= 8000 шт.; тип производства - серийное.
Стоимость заготовок из проката,
определяется по формуле [1] с учётом массы проката, требующейся на изготовление
детали и веса сдаваемой стружки:
Sзаг.п =
,
где Sзаг.п.
- стоимость заготовки из проката, руб;
Q
- масса заготовки, кг; S
- стоимость 1кг. материала заготовки, руб;
q
- масса готовой детали, кг; Sотх
- стоимость одной тонны отходов, руб.
Определяем припуски для
заготовки из горячекатаного круглого проката. Разрабатываем эскиз заготовки с
указанием всех размеров заготовки и припусков на обработку. Назначенные
припуски для заготовки из круглого горячекатаного проката сводятся в таблицу
1.3.
Таблица 1.3 - Припуски на
механическую обработку заготовки из круглого горячекатаного проката
|
Обрабатываемая
поверхность, мм
|
Шероховатость
Ra, мкм
|
Припуск,
мм
|
Допуск,
мм
|
Размер
заготовки, мм
|
|
1
|
2
|
3
|
4
|
5
|
|
Ø54
|
Ra 6,3
|
1,0×2=2,0
|
1,2
|
Ø56
|
|
25
|
Ra 6,3
|
1,0+2,0=3,0
|
3,0
|
28
|
Рисунок 1.2 - Заготовка, полученная из круглого
горячекатаного проката
На основании данных по заготовке из проката
определяем её массу по формуле [1]:
= V×γ,
где V
- объем заготовки, мм3; γ - плотность
стали, кг/м3; γ = 7860·кг/м3.
V=
;
=
= 68929 мм3.
Q = 68929×0,0786×10-4=0,54 кг.
Определяем стоимость заготовки,
получаемой из круглого горячекатаного проката
.
Определяем стоимость заготовки,
получаемой штамповкой на КГШП по формуле [1]:
,
где Sзаг
- стоимость заготовки, руб.; Сl
- базовая стоимость 1т. заготовок, руб.;
kт,
kс, kв,
kм, kп
- коэффициенты, зависящие от класса точности, группы сложности, массы, марки
материала и объёма производства заготовок соответственно; kт
= 1,0 [2, с.35]; kс = 0,75 [2,
с.35]; kв = 1,33 [2, с.35];
kм
=1,0 [2, с.35]; kп =1,0 [2,
с.35]; Q - масса заготовки,
кг; q - масса готовой
детали, кг; Sотх - стоимость 1т.
отходов, руб.
Для стальных заготовок,
полученных горячей штамповкой на молотах, прессах, горизонтально-ковочных
машинах, а также электровысадкой - за базовую принята стоимость 1т. штамповок
из конструкционной углеродистой стали 35: Сi
= 373 у.е. = 3170500 руб.
Для определения ориентировочной расчётной массы
поковки воспользуемся формулой [3]:
Мпок.=Мдет.×Кр
,
где Кр - расчётный коэффициент; Кр=1,8 [3,
табл.20, прил.3].
Мпок.=0,16×1,8=0,288
кг.
Определяем припуски для
заготовки, полученной штамповкой в закрытых штампах на кривошипных
горячештамповочных прессах (КГШП) с последующей разработкой эскиза заготовки
(указанием всех размеров заготовки и припусков на обработку).
Для заготовки, полученной
штамповкой в закрытых штампах на кривошипных горячештамповочных прессах (КГШП),
по ГОСТ 7505-89 определяем исходные данные для назначения операционных
припусков:
Класс точности - Т3; группа
стали - М2; степень сложности - С1; исходный индекс - 8.
Назначенные припуски для
заготовки, полученной штамповкой в закрытых штампах на кривошипных
горячештамповочных прессах (КГШП) сводим в таблицу 1.4.
Таблица 1.4 - Припуски на
механическую обработку заготовки, полученной штамповкой в закрытых штампах на
кривошипных горячештамповочных прессах (КГШП)
|
Обрабатываемая
поверхность, мм
|
Шероховатость
Ra, мкм
|
Припуск,
мм
|
Допуск,
мм
|
Размер
заготовки, мм
|
|
1
|
2
|
3
|
4
|
5
|
|
Ø44
|
Ra 6,3
|
1,4×2=2,8
|
1200
|
Æ46,8
|
|
Ø54
|
Ra 6,3
|
1,3×2=2,6
|
1200
|
Ø56,6
|
|
8
|
Ra 6,3
|
1,2
|
1000
|
8
|
|
25-0,33
|
Ra 6,3
|
1,2×2=2,4
|
1000
|
27,4
|
Рисунок 1.3 - Заготовка,
полученная штамповкой в закрытых штампах на кривошипных горячештамповочных
прессах (КГШП)
Экономический эффект для
сопоставления способов получения заготовок, при которых технологический процесс
механической обработки не меняется, рассчитывается по формуле [1]:
Э = (Sзаг1
- Sзаг2)×Nг,
где Sзаг1,
Sзаг2 - стоимость
сопоставляемых заготовок, руб.; Nг
- годовая программа выпуска, шт.
Э = (866 - 813)×8000
= 424 тыс.руб.
Произведём сравнение методов получения заготовки
по коэффициенту использования материала, который рассчитывается по формуле [1]:
КИМ=
.
Для заготовки, полученной свободной ковкой в
закрытых штампах на кривошипных горячештамповочных прессах (проектный вариант):
КИМ=
=0,56.
Для заготовки, полученной в виде
круглого горячекатаного проката (базовый вариант):
КИМ=
=0,3.
Таким образом, делаем заключение,
что проектный вариант получения заготовки методом свободной ковки в закрытых
штампах на кривошипных горячештамповочных прессах (КГШП) экономически более
целесообразен с точки зрения экономии материала заготовки, и по стоимости
заготовка, полученная данным методом дешевле, чем заготовка из проката.
Исходя из этих рассуждений, можно
заключить, что использование проектного варианта получения заготовки для
дальнейшего проектирования позволит, при годовой программе выпуска 8000 штук,
обеспечить экономию материала - о чём свидетельствует коэффициент использования
материала, равный 56%, и экономический эффект 424 тыс.руб.
Следовательно, на основании данного заключения,
разработку маршрутного техпроцесса механической обработки производим с учётом
выбранного метода получения заготовки.
.5 Разработка
технологического маршрута обработки детали
При разработке маршрутной технологии всю
механическую обработку распределяют по операциям и, таким образом, выявляют
последовательность выполнения операций и их число. В условиях конкретного
производства для каждой операции выбирается оборудование и определяется
конструкторская схема приспособления.
В маршрутной технологии также предусматривается
контроль с целью технологического обеспечения заданных параметров качества
обрабатываемой детали. При этом объект контроля и его место назначается после
тех операций, при которых точность обеспечивается наиболее трудно.
Последовательность операций
назначают исходя из следующих основных положений:
1)в первую
очередь обрабатываются поверхности, которые будут являться технологическими
базами для последующих операций;
2)операции, на
которых возможно появление брака из-за внутренних дефектов заготовки, нужно
выполнять на ранних стадиях обработки;
3)первыми
следует обрабатывать поверхности, не требующие высокой точности;
4)
отверстия
сверлятся в конце технологического процесса, за исключением тех случаев, когда
они служат базами;
5)
заканчивается
процесс изготовления детали обработкой той поверхности, которая должна быть
наиболее точной и имеет основное значение для эксплуатации детали. Если она
была обработана ранее, до выполнения других смежных операций, может возникнуть
необходимость в ее повторной обработке;
6)
если
деталь подвергается термической обработке по ходу технологического процесса,
механическая обработка разбивается на две части: до термической обработки и
после неё;
7) технический контроль намечают после тех
операций, где вероятна повышенная доля брака, перед ответственными операциями,
а также в конце обработки детали.
Весь технологический маршрут
обработки детали представляется в виде таблицы 1.5.
Таблица 1.5 - Технологический
маршрут обработки детали
|
№
операции
|
Код
операции, наименование, содержание операции
|
Оборудование
|
Способ
базирования, приспособление
|
|
1
|
2
|
3
|
4
|
005 4233 Токарная с ЧПУ
1.Установить и закрепить заготовку. 2.Подрезать торец, выдерживая размер:
26,2-1,0. 3.Точить наружную поверхность, выдерживая размеры: Ø 44; 8.
4.Центровать торец, выдерживая размеры: Ø6,3; 13,98;
60°.
.Сверлить сквозное отверстие,
выдерживая размер: Ø25+0,25.
6.Расточить отверстие, выдерживая
размеры: Ø34+0,2;
12,7+0,2.
. Точить резьбу М36×2, выдерживая
размеры: 12,7+0,2; фаску 2,0×45º.
.Открепить, снять заготовку.Токарный
п/а с ЧПУ 16К20Ф3По цилиндрической поверхности заготовки Ø56,6
и торцу.
Токарный самоцентрирующийся
трехкулачковый патрон
|
ГОСТ
24351-80
|
|
|
|
|
010
|
4233
Токарная с ЧПУ 1.Установить и закрепить заготовку. 2.Подрезать торец,
выдерживая размер: 25-0,33. 3.Расточить отверстие, выдерживая размеры: Ø30,2+0,25;
5. 4.Расточить канавку, выдерживая размеры: Ø36,5+0,39;
b=5. 5.Открепить, снять заготовку.
|
Токарный
п/а с ЧПУ 16К20Ф3
|
По
предварительно обработанной наружной цилиндрической поверхности заготовки Ø44
и торцу. Токарный самоцентрирующийся трехкулачковый патрон ГОСТ24351-80
|
|
015
|
4260
Фрезерная 1.Установить и закрепить заготовку 2.Фрезеровать шестигранник
53,1х46
|
Вертикально
фрезерный станок 6Р12
|
По
наружной цилиндрической поверхности и с упором в торец. Слесарные тиски.
|
|
020
|
0125
Моечная
|
Моечная
машина Н-404
|
|
|
025
|
0220
Контрольная
|
Стол
ОТК Р684-000
|
|
|
|
|
|
|
|
1.6
Определение норм времени по укрупнённым нормативам
С целью определения типа
производства, на основании предварительно составленного технологического
маршрута обработки детали, для каждого технологического перехода операции
укрупнённо рассчитывается норма основного технологического времени на основании
данных таблицы Б1 в приложении Б [1].
Затем, используя данные расчётов, для каждой
операции укрупнённо рассчитывается техническая норма времени по формуле [1]:
Тшт.к=φк×То,
где То - основное время обработки, мин.; φк
- коэффициент для нахождения штучно-калькуляционного времени (см. таблицу Б2
приложения Б [1]).
Все рассчитанные нормы времени сводятся в виде
таблицы 1.6.
Таблица 1.6 - Сводная таблица норм времени,
рассчитанных по укрупнённым нормативам
|
№
операции
|
Наименование
операции
|
То,
мин
|
φк
|
Тшт.к,
мин
|
|
005
|
Токарная
с ЧПУ
|
0,6
|
1,98
|
1,2
|
|
010
|
Токарная
с ЧПУ
|
0,06
|
1,98
|
0,12
|
|
015
|
Фрезерная
|
0,17
|
1,84
|
0,31
|
1.7
Определение типа производства
В машиностроении различают три
основных типа производства: массовое, серийной и единичное.
В условиях массового
производства изготовление изделий измеряется в штуках, изделия выпускаются
непрерывно в течение нескольких лет. Характерным признаком массового
производства является выполнение на всех рабочих местах только одной
закрепленной операции.
При серийном производстве
изготовление изделий осуществляется партиями, периодически повторяющимися через
определенные промежутки времени. Характерным признаком серийного производства
является выполнение на рабочих местах нескольких повторяющихся операций.
При единичном производстве
изготовление изделий измеряется в штуках и осуществляется в малых количествах,
которые либо не повторяются совершенно, либо повторяются через неопределенные
промежутки времени.
Тип производства по ГОСТ
3.1108-74 характеризуется коэффициентом закрепления операций, который равен
отношению числа всех различных технологических операций, выполненных или
подлежащих выполнению в течение месяца к числу рабочих мест [1]:
КЗ.О =
где ОР.М - число различных
операций, выполняемых на одном месте; Р - число рабочих мест с различными
операциями.
Общее число операций
по
рассматриваемому технологическому процессу определяется суммированием различных
операций ОР.М, закрепленных за каждым рабочим местом.
Различным типам производства
соответствуют следующие значения коэффициента закрепления операций:
·
для
массового производства - Кз.о. < 1;
·
для
крупносерийного - Кз.о. = 1…10;
·
для
среднесерийного - Кз.о. = 10…20;
·
для
мелкосерийного - Кз.о. = 20…40;
·
для
единичного - Кз.о. > 40.
На основании исходных данных о
годовой программе выпуска деталей и располагая сведениями о штучном или
штучно-калькуляционном времени, затраченном на каждую операцию, определяется
количество станков по формуле [1]:
mР =
;
где NГ
- годовая программа, шт.; ТШТ(ШТ-К) - штучное или штучно-калькуляционное время,
мин; FД - действительный
годовой фонд времени, ч; FД=4040
ч.; ηЗ.Н -
нормативный коэффициент загрузки оборудования.
Среднее значение нормативного
коэффициента загрузки оборудования (ηн)
всеми однотипными операциями принимается в условиях серийного и массового
производства при двухсменной работе станка равным:
· для мелкосерийного
производства - 0,8…0,9;
· серийного -
0,75…0,85;
· массового и
крупносерийного - 0,65…0,75.
Поскольку на данном этапе тип
производства ещё не известен, то допускается принимать среднее значение
нормативного коэффициента загрузки оборудования 0,75…0,8.
Расчёт по всем операциям удобно
производить путём заполнения таблицы 1.7.
Таблица 1.7 - Расчёт
коэффициента закрепления операций
|
Операция
|
Тшт.к
|
Р О
|
|
|
|
|
005
Токарная с ЧПУ
|
0,6
|
0,02
|
1
|
0,02
|
40
|
|
010
Токарная с ЧПУ
|
0,06
|
0,01
|
1
|
0,01
|
80
|
|
015
Фрезерная
|
0,17
|
0,01
|
1
|
0,01
|
40
|
|
Итого
|
|
|
6
|
|
160
|
После расчёта и записи в графы
таблицы по всем операциям значений ТШТ(ШТ-К) и mР
устанавливают принятое число рабочих мест (Р). Количество рабочих мест
определяется округлением (mР)
до ближайшего числа количества станков на каждой операции.
Число различных операций,
закрепленных за одним рабочим местом, можно определить по формуле:
ОР.М =
,
где ηн
- нормативный коэффициент загрузки рабочего места всеми закрепленными за ним
операциями; ηн = 0,75 -
0,8; ηз.Ф -
фактический коэффициент загрузки рабочего места проектируемой операции.
Значение фактического коэффициента
загрузки рабочего места для каждой операции вычисляется по формуле:
ηз.Ф =
.
Все полученные значения ηз.Ф
подставляются в формулу и определяется количество операций, выполняемых на
каждом рабочем месте (ОР.М).
После выполнения расчётов и
заполнения всех граф таблицы подсчитывается суммарное значение для ОР.М и P,
производится окончательно определение КЗ.О и типа производства:
КЗ.О =
Следовательно, тип производства - мелкосерийное.
Определим количество деталей в партии по
формуле:
,
где а - периодичность запуска в днях
(Рекомендуется следующая периодичность запуска изделий: 3,6,12,24 дней) [2,
с.23]:
1.8
Обоснование выбора станков
Выбор группы оборудования
производится на основании назначенных способов обработки поверхностей детали с
целью обеспечения технических требований, предъявляемых к её конструкции.
Поэтому, при выборе модели станка, прежде всего, определяется возможность
изготовления на нём изделия с необходимыми размерами, формой и качеством
обрабатываемых поверхностей. Важной особенностью при выборе какой-либо модели
станка является также его соответствие заданному масштабу производства, так как
от этого зависят такие технические характеристики станка, как
производительность, возможность работы на оптимальных режимах резания,
максимальная мощность двигателя при обработке, степень механизации и
автоматизации выполняемой обработки, обеспечение наименьшей себестоимости
обработки.
Все данные по выбору основных
технических характеристик оборудования, применяемого в данном технологическом
процессе, сводятся в таблицу 1.8.
Таблица 1.8 - Применяемое технологическое
оборудование
|
№
наименование операции
|
Наименование
оборудования, модель
|
Основные
технические характеристики оборудования
|
Мощ-
ность, кВт
|
Габаритные
размеры, мм L ×b×
h
|
|
005;
010 Токарная с ЧПУ
|
16К20Ф3
|
Наибольший
диаметр обрабатываемой детали над станиной d=400 мм; l=500...1000мм.
|
10
|
3360×1710×1750
|
|
015
Фрезерная
|
6Р12
|
Размер
рабочей поверхности стола (ширина х длина), мм 200x780 Наибольшее перемещение
стола, мм: продольное…………400 поперечное…..……...125 вертикальное………300 Число
оборотов шпинделя в минуту……….…70-4300
|
2,0
|
1250х1400х1800
|
1.9
Разработка технологической операции с ЧПУ
.9.1
Разработка плана технологической операции с ЧПУ
На этом этапе курсового
проектирования производится подробный анализ технологической операции,
выполняемой на станке с ЧПУ и подробно разрабатываемой с точки зрения
рассмотрения используемого на данной операции режущего, вспомогательного и
измерительного инструмента; расчёта координат опорных точек, режимов резания и
технической нормы времени.
Проектируя технологическую операцию, необходимо
стремиться к уменьшению её трудоемкости. Производительность обработки зависит
от режимов резания и нормы времени на выполнение операции, от количества
переходов, рабочих и холостых ходов, последовательности их выполнения.
Работу по разработке
технологической операции с применением станка с ЧПУ осуществим в следующей
последовательности:
1) Осуществим разработку операционного эскиза
для выполнения намеченной операции на станке с ЧПУ;
Операционный эскиз представлен на рисунке 1.4.
Рисунок 1.4 - Операционный эскиз на операцию 005
) На основании данных технологического маршрута
о содержании выполняемой операции с ЧПУ и операционного эскиза составляется
план технологической операции, представленный в виде таблицы 1.9.
Таблица 1.9 - План технологической операции с
ЧПУ
|
Операция
|
Переход
|
Содержание
перехода
|
|
1
|
2
|
3
|
|
005
|
П01
|
Установить
заготовку в приспособление, закрепить.
|
|
П02
|
Подрезать
торец, выдерживая размер 3.
|
Точить
наружную поверхность, выдерживая размер 5, 6.
|
|
П04
|
Центровать
торец, выдерживая размеры: Ø6,3; 13,98; 60°.
|
|
П05
|
Сверлить
сквозное отверстие, выдерживая размер: Ø25+0,25.
|
|
П06
|
Расточить
сквозное отверстие, выдерживая размеры: Ø34+0,2;
12,7.
|
|
П07
|
Точить
резьбу, выдерживая размеры: 2; 4.
|
|
П08
|
Снять
деталь со станка
|
) Режущий, вспомогательный и измерительный
инструмент, подобранный для выполнения операции с ЧПУ на стадии построения
технологического маршрута, приводится в виде соответствующих таблиц 1.10 -
1.12.
Таблица 1.10 - Режущий инструмент
|
№
перехода
|
Режущий
инструмент
|
|
Наименование
|
Обозначение
по ГОСТ
|
Основные
размеры, мм
|
|
1
|
2
|
3
|
4
|
|
П02
П03
|
Резец
проходной Пластина режущая Т15К6
|
2103-0713
ГОСТ 20872-80 01114-220412 ГОСТ 19046-80
|
(h´b)
25´25
L=150
мм; b1=32 мм
|
|
П04
|
Центровочное
сверло Р6М5
|
2317-5090
ГОСТ 14952-75
|
d=6,3 мм; D=12
мм; L=150 мм; l=90
мм.
|
|
П05
|
Сверло
Р6М5
|
035-2301-1081
ГОСТ 24202-80
|
L=280 мм; l0=160
мм; l=186 мм;
Конус Морзе 3
|
|
П06
|
Резец
расточной Пластина режущая Т15К6
|
A25 RPSKNR12
(державка P - типа) UE
6110 - SNMG 120404-MV
|
(h´b)
25´25
L=150
мм; b1=32 мм
|
|
П07
|
Резец
резьбонарезной Пластина режущая Т15К6
|
035-2128-0541
ОСТ 2И10-8-84 ГОСТ25416-82
|
(h´b)
25´25 L=125 мм;
b=4,8 мм;
f=13 мм;
m=23 мм.
|
Таблица 3.41 - Вспомогательный инструмент
|
№
перехода
|
Вспомогательный
инструмент
|
|
Наименование
|
Обозначение
по ГОСТ
|
Основные
размеры, мм
|
|
1
|
2
|
3
|
4
|
|
П02-П03
|
Резцедержатель
с цилиндрическим хвостовиком
|
191711006
ТУ 2-024-5539-81
|
b=25 мм;
b1=60 мм;
b2=100 мм; d=50 мм;
L=138 мм.
|
|
П04
|
Втулка
переходная
|
191746001
ТУ 2-035-1110-87
|
L=106 мм;
d=50 мм
|
|
П05
|
Втулка
переходная
|
191831212
ТУ 2-035-1110-87
|
L=106 мм;
d=50 мм
|
|
П06-П07
|
Резцедержатель
с цилиндрическим хвостовиком и параллельно открытым пазом
|
191711045
ГОСТ 24900-81
|
b=25 мм; h=25
мм; d=50 мм; L=178
мм; l=100 мм.
|
После выбора режущего и вспомогательного
инструмента приступают к выбору измерительного инструмента.
Выбранный контрольно-измерительный инструмент
сводится в виде таблицы 1.12.
Таблица 1.12 - Измерительный инструмент
|
Наименование
|
Обозначение
по ГОСТ
|
Предел
измерений, точность, мм
|
Назначение
|
|
1
|
2
|
3
|
4
|
|
Штангенциркуль
|
ШЦ
ΙΙ
-125-0,05 ГОСТ 166-89
|
Предел
измерения - 125 мм; точность измерения - 0,05мм.
|
Измерение
наружных диаметральных и линейных размеров
|
|
Шаблон
|
Шаблон
М36´2-6Н
|
Точность
измерения - 0,20мм.
|
Измерение
параметров внутренней резьбы
|
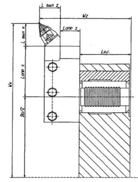
) Осуществляется выбор и расчёт инструментальных
наладок (расчёт вылета инструмента Wx,
Wz).
Револьверная головка имеет 8
базовых отверстий Ø50Н8, в
которые устанавливаются оправки для проходных и расточных резцов.
Выбор инструмента может
производиться по источникам [9], [13] или каталогам компаний Sandvik
Coromant, Iskar,
Giiring и др.
Резец проходной (Переход 02-03)
Позиция инструмента Т1-Т2
Рисунок 1.5 - Расчёт вылета
проходного резца
= LРГ
+ LОПР Z
+ LВЫЛ Z;
WX=
DО/2 + LОПР
X + LВЫЛ
X,
где LРГ
- высота револьверной головки, мм; LОПР
Z - высота
резцедержателя до базовой поверхности, мм; LВЫЛ
Z - высота головки
резца, мм; LОПР X
- базовая длина резцедержателя, мм; LВЫЛ
X - максимальный
вылет резца из резцедержателя, мм; Do
- диаметр расположения базовых отверстий инструментального диска, мм; DО
= 260 мм.
Данные определяем по источнику
[9]: LРГ = 80 мм, LОПР
Z = 31 мм, LВЫЛ
Z = 32 мм, DО/2
= 130 мм, LОПР X=
80 мм, LВЫЛ X=
35 мм.
WZ
= 80 + 31 + 32 = 143 мм;
WX
= 130 + 80 + 35 = 245 мм.
Резец расточной (Переход 06)
Позиция инструмента Т5
Рисунок 1.6 - Расчёт вылета
расточного резца
Данные определяем по источнику
[9]: LРГ = 80 мм, LОПР
Z = 97 мм,
LВЫЛ
Z = 38 мм, DО/2
= 130 мм, LОПР X=
53 мм, LВЫЛ X=
27 мм.
Расчёт вылета инструмента по
координатам X и Z
производится по формулам:
WZ
= 80 + 97 + 38 = 215 мм;
WX
= 130 + 53 + 27 = 210 мм.
) Производится проверочный
расчёт рабочего пространства станка.
Рассмотрим проверочный расчёт
рабочего пространства токарного станка с ЧПУ.
Расчёт рабочего пространства
токарного станка с ЧПУ 16К20ФЗ производится на основании схемы (рисунок 1.7) по
формуле [1]:
Zо = Lпр + Lдет + СW
+ Wz,
где Lпр - высота
приспособления, мм (L = 85 мм [9]); Lдет - длина
детали, мм. (Lдет = 25
мм); СW
-
безопасное расстояние по оси Z, мм (СW
= 50...300
мм в зависимости от компоновки станка); Wz - вылет
резца по оси Z, мм (см.
расчёт вылета инструмента).
Тогда:
Zо
= 85 + 25 + 50 + 215
= 375 мм.
Х0 = (D/2)
+ CWx+ Wx,
где D
- диаметр детали, мм; CWx
- безопасное расстояние по оси X,
мм. (CWx - 50...300
мм, в зависимости от компоновки станка); Wx
- вылет резца по оси X,
мм (см. расчёт вылета инструмента).
Тогда:
Х0 = (54/2) + 50+ 210 = 287 мм.
Рисунок 1.6 - Схема для расчёта
рабочего пространства станка модели 16К20ФЗ с УЧПУ 2Р22
Т.к Zо
< Zраб, Хо < Xраб
(значения Zраб и Xраб
принимаются по паспортным данным станка [15]), то данный станок обеспечивает
обработку детали.
) Определим траектории движения инструмента.
Для расчёта координатных точек, составляем
циклограмму движения инструмента по каждому технологическому переходу.
Переход 02. Подрезать торец, выдерживая размер:
26,2-1,0.
Переход 03. Точить наружную поверхность,
выдерживая размер: Ø44.
Переход 04. Центровать торец,
выдерживая размеры: Ø6,3;
13,98;
60°.
П02 П03 П04


|
Опорные
точки
|
X
|
Z
|
|
П02
|
0
|
245
|
143
|
|
1
|
47,8
|
2
|
|
2
|
47,8
|
-1,2
|
|
3
|
-1,5
|
-1,2
|
|
4
|
-1,5
|
2
|
|
5
|
245
|
143
|
|
П03
|
0
|
245
|
143
|
|
1
|
44
|
2
|
|
2
|
44
|
-10,1
|
|
3
|
45
|
-10,1
|
|
4
|
245
|
143
|
|
П04
|
0
|
130
|
214
|
|
1
|
0
|
2
|
|
2
|
0
|
-3
|
|
3
|
0
|
2
|
|
4
|
130
|
214
|
Рисунок 1.7 - Циклограмма перехода 02-04 и
расчёт координат опорных точек
Переход 05. Сверлить сквозное отверстие,
выдерживая размер: Ø25+0,25.
|
Опорные
точки
|
X
|
Z
|
|
П05
|
0
|
130
|
301
|
|
1
|
0
|
2
|
|
2
|
0
|
-30
|
|
3
|
0
|
2
|
|
4
|
130
|
301
|
Рисунок 1.8 - Циклограмма перехода 05 и расчёт
координат опорных точек
Переход 06. Расточить сквозное отверстие,
выдерживая размеры: Ø34+0,2; 12,7.

|
Опорные
точки
|
X
|
Z
|
|
П06
|
0
|
210
|
215
|
|
1
|
34
|
2
|
|
2
|
34
|
-13
|
|
3
|
32
|
-13
|
|
4
|
32
|
1,5
|
|
5
|
210
|
215
|
Рисунок 1.9 - Циклограмма перехода 06 и расчёт
координат опорных точек
Переход 07. Точить резьбу, выдерживая размеры:
М36×2
- 6Н;
фаску 2×45º.
|
Опорные
точки
|
X
|
Z
|
|
П06
|
0
|
210
|
215
|
|
1
|
36
|
2
|
|
2
|
36
|
-13
|
|
3
|
34
|
-13
|
|
4
|
34
|
1,5
|
|
5
|
38,5
|
1,5
|
|
6
|
35
|
-2,5
|
|
7
|
35
|
2
|
|
8
|
210
|
215
|
Рисунок 1.10 - Циклограмма перехода 07 и расчёт
координат опорных точек
1.9.2 Расчёт режимов
резания и машинного времени
При расчёте режимов резания на операцию,
выполняемую на станке с ЧПУ, необходимы следующие исходные данные: карта
инструментальной наладки и чертёж заготовки, содержание операции, механические
свойства материала заготовки, материал и геометрические параметры режущей части
инструмента, паспортные данные станка.
Таблица 1.13 - Исходные данные
для расчёта
|
Операция
|
005
Токарная с ЧПУ
|
|
Заготовка
|
Поковка
|
|
Материал
|
Сталь
35 ГОСТ 1050-88; σв = 580
МПа; 187 HB
|
|
Станок
|
Токарный
станок с ЧПУ модели 16К20Ф3
|
Рисунок 1.11 - Операционный эскиз обработки на
операцию 005
Содержание перехода и инструмент на операцию
005:
Переход 02. Подрезать торец, выдерживая размер
26,2-1,0.
Переход 03. Точить наружную поверхность,
выдерживая размер Ø44.
Резец проходной, подрезной - 2103-0713 ГОСТ
20872-80 с трёхгранной пластиной (φ = 95°) из
твёрдого сплава - пластина режущая 01114-220412 Т15К6 ГОСТ 19046-80.
Расчёт производим по источнику [4] и [2].
Расчёт режимов резания:
1. Определяем глубину резания при подрезке торца
и наружном точении цилиндрической поверхности
t
=1,2 мм; t
=1,4 мм.
2. Рассчитываем длину рабочего хода LРХ,
мм
РХ=LРЕЗ+y+LДОП,
где LРЕЗ - длина
резания, мм; L
=23,4 мм; L
=8 мм;
у = yврез+y
+y
- величина
врезания и перебега, мм [2, с. 416-417];
= 1 мм; y
+ y
= 6 мм; y = 1+6 = 7
мм;
=23,4+7=30,4 мм;
L
= 8 + 7 = 15
мм;
LДОП - дополнительная
длина хода, вызванная особенностями наладки и конфигурации детали.
3. Определяем подачу на оборот
шпинделя [2, с. 15-16] для подрезки торца S
= 0,6 мм/об,
для чернового точения S
=0,6 мм/об.
. Определяем период стойкости резца
Т, мин [2, с. 17] в зависимости от группы наладки и числа инструментов в
наладке.
Тр= Тм×l,
где Тм - период стойкости инструмента, мин; Тм =
120 мин.
λ=
, λ
=
=0,77; λ
=
=0,73.
Поскольку условие 0,7 < λ выполняется,
то Тр = Тм = 120мин.
. Определяем скорость резания n, м/мин [3, с. 19]
n=nтабл×К1×К2×К3,
где nтабл - табличное значение скорости резания,
м/мин; n
=125 м/мин;
n
=125м/мин;
К1 - коэффициент, зависящий от обрабатываемого материала, К1=0,7; К2 -
коэффициент, зависящий от стойкости и марки твердого сплава, К2=1,25; К3 -
коэффициент, зависящий от вида обработки, К3=1,2.
n
=125×0,7×1,25×1,2=131,25м/мин;
n
=125×0,7×1,25×1,2=131,25м/мин.
6. Рассчитываем частоту вращения шпинделя n,
об/мин
Так как станок 16К20Ф3 имеет бесступенчатое
регулирование частоты вращения шпинделя, то принимаем полученный результат без
уточнения.
n02=
= 893
мин-1;
n03=
= 950
мин-1.
7. Рассчитаем основное машинное время обработки tм,
в минутах по формуле
где i -
количество ходов, i
=1; i
=2.
мин;
мин.
8. Определяем силу резания PZ
, Н
PZ=P
t,
где P
- табличная
величина силы резания, Н; P
=1450 Н; P
=1450 Н.
P
=1450
1,2=1740 Н;
P
=1450
0,8=1160 Н.
. Определяем мощность резания NРЕЗ, кВт.
Nрез=Pz×n/60×1020.
N
=
= 3,73 кВт;
N
=
=2,5 кВт.
10. Проверяем достаточность мощности привода
станка по условию:
РЕЗ £ NШП;
NШП = NДВ×h,
где NДВ
- мощность двигателя станка, кВт; NДВ
= 10 кВт; h - КПД станка (паспортные данные); h=0,85.
NШП=10×0,85=8,5
кВт.
Данное условие выполняется. Следовательно,
обработка возможна.
Переход 04. Центровать торец,
выдерживая размеры: Ø6,3;
13,98;
60°.
Переход 05. Сверлить сквозное отверстие,
выдерживая размер: Ø25+0,25.
1. Определяем длину рабочего хода LР.Х,
мм
где
- длина резания, мм; L
=3,0 мм; L
=26,2 мм;
у - подвод, врезание и перебег
инструмента, мм; у04=2 мм; у05=6 мм;
- дополнительная длина хода,
вызванная в отдельных случаях особенностями наладки и конфигурации детали, мм;
= 0.
L
= 3,0 + 2 =
5,0 мм;
L
= 26,2 + 6
= 32,2 мм.
2. Назначаем подачу на оборот шпинделя S0,
мм/об
Определяем рекомендуемую подачу [4, c.
277, табл. 25]:
S04=0,10 мм/об; S05=0,17
мм/об.
. Определяем стойкость инструмента [4, c.
279, табл. 30]
Принимаем стойкость сверла: Т04=15мин;
Т05=25мин.
. Рассчитываем скорость резания V,
м/мин и число оборотов шпинделя n,
мин -1
V=
,
где Сv,
y, m,
q - соответственно
коэффициент и показатели степени; Сv=7,0;
y=0,70; m=0,20;
q=0,40 [4, c.
278, табл.28]; Кv -
поправочный коэффициент.
Кv
определяется по формуле [15, c.
282]:
Кv=Кmv×Кnv×Киv,
где Кmv
- коэффициент, учитывающий качество обрабатываемого материала [4, c.
261, табл.1];
Кlv
- коэффициент, учитывающий глубину сверления [4, c.
280, табл.31];
Киv
- коэффициент, учитывающий качество материала инструмента [4, c.
263, табл.6].
Коэффициент обрабатываемости стали Кmv
определяется по формуле [4, c.
261, табл.1]:
Кmv=Кг×
,
где Кг - коэффициент, характеризующий группу
стали по обрабатываемости; Кг=0,8 [4, c.
262, табл.2];
nv -
показатель степени; nv=1
[4, c. 262, табл.2].
Кmv=0,8×
=1,40.
Принимаем коэффициент, учитывающий
глубину сверления Кlv [4, c. 280,
табл.31]: Кlv=1,0.
Принимаем коэффициент, учитывающий
качество материала инструмента Киv [4, c. 263,
табл.6]: Киv=1,0.
Тогда, подставив в формулу значения
коэффициентов, получим:
Кv=1,40×1,0×1,0=1,40.
Скорость резания, соответственно
равна:
V04=
=50,67
м/мин;
V05=
=41,92
м/мин.
.2. Рассчитываем рекомендуемое число
оборотов шпинделя станка по формуле:
,
где D - диаметр
инструмента, мм.
;
.
. Определим силу резания при
сверлении.
Сила резания при сверлении [4, c.
277]:
,
где
, q, у -
постоянная и показатели степени для конкретных условий обработки; Cp=68; q=1,0; y=0,7 [4, c. 281,
табл.32];
- поправочный коэффициент [5,
с.280].
где
- коэффициент, учитывающий влияние
механических свойств конструкционных сталей на силы резания [4, c. 264,
табл.9].
Определим коэффициент (
),
учитывающий влияние механических свойств конструкционных сталей на силы
резания, по формуле:
=
,
где n
- показатель степени; n=0,30
[15, c. 264, табл.9].
0,96.
Тогда, подставив в формулу для силы
резания значения коэффициентов, получим:
494 H;
4721 Н.
6. Определим крутящий момент при сверлении
Крутящий момент при сверлении [4, c.
277]:
,
где Cм,
q, у - постоянная и
показатели степени для конкретных условий обработки; Cм=0,0345;
q=2,0; y=0,8
[4, c. 281, табл.32];
- поправочный коэффициент [4, с.
280]; КР=КМР=0,96.
2,08 Н∙м;
50,16 Н∙м.
. Определяем мощность резания
;
.
. Определяем мощность необходимую на
приводе станка
ПР = NДВ×h.
NПР=7,5×0,85=6,4
кВт.
Условие, когда NРЕЗ
£
NПР выполняется.
Следовательно, обработка возможна.
. Рассчитаем основное машинное время обработки tм,
в минутах по формуле:
.
;
.
Переход 06. Расточить отверстие,
выдерживая размеры: Ø34+0,2; 12,7.
. Определяем глубину резания при
растачивании отверстия:
t
=4 мм.
2. Рассчитываем длину рабочего хода LРХ,
мм
РХ=LРЕЗ+y+LДОП,
где LРЕЗ - длина
резания, мм; L
=12,7 мм;
у = yврез+y
+y
- величина
врезания и перебега, мм [2, с. 416-417];
=1 мм; y
+y
=3 мм;
=1+3=4 мм;
L
=12,7+4=16,7
мм.
LДОП -
дополнительная длина хода, вызванная особенностями наладки и конфигурации
детали.
3. Определяем подачу на оборот
шпинделя [2, с. 15-16] для чистового растачивания S
=0,4 мм/об.
. Определяем период стойкости резца
Т, мин [2, с. 17] в зависимости от группы наладки и числа инструментов в
наладке.
Тр=Тм×l,
где Тм - период стойкости
инструмента, мин; Тм=120мин.
λ=
; λ
=
=0,76.
Поскольку условие 0,7 < λ выполняется,
то Тр=Тм=120мин.
. Определяем скорость резания n, м/мин [2, с. 19]
n= n табл×К1×К2×К3,
где n табл - табличное значение скорости резания,
м/мин; n
=115 м/мин;
К1 - коэффициент, зависящий от
обрабатываемого материала, К1=1,0;
К2 - коэффициент, зависящий от
стойкости и марки твердого сплава, К2=1,25;
К3 - коэффициент, зависящий от вида
обработки, К3=0,85.
n
=115×1,0×1,25×0,85=120
м/мин.
6. Рассчитываем частоту вращения шпинделя n,
об/мин
Так как станок 16К20Ф3 имеет
бесступенчатое регулирование частоты вращения шпинделя, то принимаем полученный
результат без уточнения.
n06=
=1124 мин-1.
7. Рассчитаем основное машинное время обработки tм,
в минутах по формуле:
,
.
8. Определяем силу резания PZ
, Н
PZ=P
t,
где P
- табличная
величина силы резания, Н; P
=1450 Н.
P
= 1450
1,375 = 1994
Н.
. Определяем мощность резания NРЕЗ, кВт
Nрез=Pz×n/60×1020.
N
=
=3,91 кВт.
10. Проверяем достаточность мощности привода
станка по условию:
РЕЗ £ NШП
NШП = NДВ×h,
где NДВ
- мощность двигателя станка, кВт; NДВ
= 10 кВт; h - КПД станка (паспортные данные); h=0,85.
NШП=10×0,85=8,5
кВт.
Данное условие выполняется. Следовательно,
обработка возможна.
Переход 07. Точить резьбу, выдерживая размеры:
М36×2-6Н;
12,7; фаску 2×45º.
1. Определяем глубину резания в зависимости от
вида точения
t = 1,0 мм.
. Рассчитываем длину рабочего хода LРХ,
мм
РХ=LРЕЗ+y+LДОП,
где LРЕЗ - длина
резания, мм; L
= 12,7 мм; у
= yврез+y
+y
- величина
врезания и перебега, мм; y
=2 мм; y
=1 мм;
у =2+1=3,0мм.
LРХ = 12,7+3,0=15,7
мм.
где LДОП
- дополнительная длина хода, вызванная особенностями наладки и конфигурации
детали.
3. Определяем подачу на оборот
шпинделя для точения канавки S
, мм/об.
S
= 0,3
мм/об.
. Определяем период стойкости резца
Т, мин [6, с. 17] в зависимости от группы наладки и числа инструментов в
наладке.
Тр= Тм×λ,
где Тм - период стойкости
инструмента, мин; Тм =150мин.
λ=
, λ
=
=0,8.
Поскольку условие 0,7< λ выполняется,
то Тр=Тм=150мин.
. Определяем скорость резания n, м/мин [2, с. 19]:
n=nтабл×К1×К2×К3,
где nтабл - табличное значение скорости резания,
м/мин; n
=62 м/мин;
К1 - коэффициент, зависящий от
обрабатываемого материала, К1=0,7;
К2 - коэффициент, зависящий от
стойкости и марки твердого сплава, К2=0,9; К3 - коэффициент, зависящий от вида
обработки, К3=1,05.
n
=62×0,7×0,9×1,05=41
м/мин.
6. Рассчитываем частоту вращения шпинделя n,
об/мин
.
Так как станок 16К20Ф3 имеет
бесступенчатое регулирование частоты вращения шпинделя, то принимаем полученный
результат без уточнения.
n =
= 363
мин-1.
. Рассчитываем основное время
обработки ТО, мин.
,
где i -
количество ходов, i=1.
=0,23 мин.
;
= 0,06 + 0,07 + 0,02 + 0,32 + 0,07 +
0,23 = 0,77 мин.
. Определяем силу резания PZ , Н
= P
К1
К2,
где P
- табличная
величина силы резания, Н; P
=3200 Н;
К1 - коэффициент, зависящий от
обрабатываемого материала, К1=0,8;
К2 - коэффициент, зависящий от
скорости резания и переднего угла, К2=1,0.
PZ = 3200
0,8
1,0=2560 Н.
9. Определяем мощность резания NРЕЗ,
кВт.
Nрез=Pz×n/60×1020.
Nрез =
=1,72 кВт.
. Проверяем достаточность мощности
привода станка по условию:
РЕЗ £ NШП.
NШП = NДВ×h,
где NДВ -
мощность двигателя станка, кВт; NДВ = 10 кВт; h - КПД станка (паспортные
данные); h=0,85.
NШП=10×0,85=8,5 кВт.
Данное условие выполняется.
Следовательно, обработка возможна.
Все режимы резания по данной
операции 005 сводим в таблицу 1.14.
Таблица 1.14 - Сводная таблица
режимов резания по операции 005
|
№
пере- хода
|
t, мм
|
LРХ, мм
|
S0, мм/об
|
Т,
мин
|
V, м/мин
|
n, мин-1
|
NРЕЗ, кВт
|
PZ, Н
|
P0, Н
|
ТО,
мин
|
|
П02
|
1,2
|
30,4
|
0,6
|
120
|
131,25
|
893
|
3,73
|
1740
|
-
|
0,06
|
|
П03
|
1,4
|
15
|
0,6
|
120
|
131,25
|
950
|
2,5
|
1160
|
-
|
0,05
|
|
П04
|
3,15
|
5,0
|
0,10
|
15
|
50,67
|
2000
|
0,43
|
-
|
494
|
0,02
|
|
П05
|
12,5
|
32,2
|
0,17
|
25
|
41,92
|
534
|
2,75
|
-
|
4721
|
0,13
|
|
П06
|
4,5
|
16,7
|
0,4
|
120
|
120
|
1124
|
3,91
|
1994
|
-
|
0,07
|
|
П07
|
1
|
15,7
|
0,3
|
150
|
41
|
363
|
1,72
|
2560
|
-
|
0,23
|
|
|
0,77
|
1.9.3 Расчёт технически
обоснованной нормы времени на операцию
Под технически обоснованной нормой времени
понимается время, необходимое для выполнения заданного объема работы (операций)
при определённых организационно-технических условиях и наиболее эффективном
использовании средств производства и передового опыта новаторов. Расчёт
производим по источнику [7], [11] и [14].
Исходные данные:
Производство - тип производства
(серийное).
Размер партии детали (n),
шт.; например, n = 95 шт.
Деталь устанавливается в
приспособление (патрон самоцентрирующийся 3-х кулачковый с пневматическим
зажимом).
Масса детали - 0,16 кг.
Основное время (Т0), мин. (То =
0,77 мин, согласно расчётам).
Расчёт технически обоснованной нормы времени:
Определяем технически
обоснованную норму времени для операции токарной с ЧПУ.
При нормировании времени
операций, связанных с обработкой партии заготовок в серийном производстве,
расчёт технически обоснованной нормы времени на операцию производим по
штучно-калькуляционному времени (Тш.к), необходимому для обработки одной
заготовки, которое определяют по формуле
Тш.к.=Тшт+Тп.з/n,
где Тшт - штучное время, мин.;
Тп.з -
подготовительно-заключительное время, мин.;
n
- количество деталей в партии, шт.
1. При определении нормы штучно-калькуляционного
времени для операции, выполняемой на станке с ЧПУ в условиях серийного
производства, расчёт штучного времени (ТШТ) производим по формуле [10, с. 14]:
ТШТ.=(Тa + Тв×Кtв)
(1+
)×
,
где Та - время работы станка по программе, мин.
Та=Т
+ Т
,
где Т
- основное (технологическое)
автоматическое время, мин;
Т
= 0,77 мин;
Т
- время вспомогательное
автоматическое, мин. [8, с. 605, табл. 12];
Вспомогательное автоматическое время
работы станка с ЧПУ определяем по формуле [7, с. 15]
Т
= Т
+ Т
+ Т
+ Т
,
где Т
- время, затраченное на
позиционирование одного инструмента (для токарного станка с ЧПУ), мин;
Т
= 0,14×6 = 0,84
мин;
Т
- время холостых ходов для каждого
инструмента, мин;
На станке с ЧПУ модели 16К20Ф3 время
холостых ходов одного инструмента по осям Z и X на длине до
300 мм. принимается Т
= 0,03 мин.
Следовательно, для двух инструментов имеем:
Т
= 0,03×6 = 0,18 мин;
Т
- время, затраченное на смену
инструмента по программе, мин;
Для токарных станков с ЧПУ время на
смену одного инструмента принимается Т
= 0,02 мин. Количество инструментов
- 6 штук.
Следовательно, для двух инструментов
имеем:
Т
= 0,02×6=0,12 мин;
Т
- время на выполнение
технологических остановок, пауз, мин; Т
=0,05мин.;
Таким образом, вспомогательное
автоматическое время работы станка с ЧПУ равно:
Т
= 0,84 + 0,18 + 0,12 + 0,05 = 1,19
мин.
Автоматическое время работы станка:
Та = 0,77 + 1,19 = 1,96 мин.
Тв - время выполнения ручной
вспомогательной работы, не перекрываемой временем автоматической работы станка,
мин;
Время выполнения ручной
вспомогательной работы определяем по формуле:
Тв = Тв уст + Тв упр .+ Тв
изм.,
где Тв уст - время на установку и снятие детали,
мин; Тв уст =0,15 мин. [7, с.37];
Тв упр. - время на приёмы, связанные с
управлением станка, при выполнении операции, мин. [8, с.618], [7, с.50];
Тв упр. = Тв упр1 + Тв упр2 + Тв упр3 + Тв упр4,
где Тв упр1. - время на включение станка, мин;
Тв упр1 = 0,04 мин;
Тв упр2. - время на открытие и закрытие
защитного щитка, мин; Тв упр2 = 0,03 мин;
Тв упр3 - время на установку координат Х и Z,
мин; Тв упр3 = 0,15 мин;
Тв упр4 - время на ввод коррекции, мин; Тв упр4
=0,016 мин.
Тв упр. = 0,04 + 0,03 + 0,15 + 0,016 = 0,236
мин.
Тизм - время на контрольное измерение детали,
мин. [7, с. 52];
Тв изм = 0,22 + 0,19 + 0,12 = 0,53 мин;
Тв = 0,15 + 0,236 + 0,53 = 0,916 мин.
КtВ - коэффициент вспомогательного времени,
зависящий от серийности;
КtВ = 1,15 [7, с. 35];
К - время на обслуживание рабочего места, отдых
и личные надобности в % от оперативного времени; К = 10% [8, с. 605, табл.
12];- количество одновременно изготавливаемых деталей, шт.; q = 1 шт.
Определяем норму штучного времени (ТШТ), мин.:
Тшт = (1,96 + 0,916
1,15)
(1+
) = 2,94
мин.
. Определяем
подготовительно-заключительное время (ТПЗ).
Подготовительно - заключительное время
определяется на партию деталей, и часть его, приходящаяся на одну деталь,
включается в норму штучно - калькуляционного времени (только при серийном и
единичном производстве).
В состав подготовительно-заключительного времени
входит ознакомление с работой, настройка оборудования для выполнения данной
работы и на требуемые режимы резания, пробная обработка деталей, получение на
рабочем месте заданий, заготовок, инструмента, приспособлений, сдача продукции
и доставка на рабочее место инструмента и приспособлений и сдача их в кладовую
после окончания работы.
Подготовительно-заключительное время
определяется на основании данных нормативов, зависит от характера, объема работ
и при обработке на токарном станке с ЧПУ определяется по формуле [1]:
Тпз = Тпз1 + Тпз2 ,
где Тпз1 - время на организационную подготовку
(получение наряда, чертежа, технологической документации, приспособления,
инструмента, заготовок перед началом работы и сдача их по завершению обработки
партии деталей, мин. [10, с 56]:
Тпз1 = 7 + 2 + 3 = 12 мин;
Тпз2 - время на наладку станка, инструмента и
приспособления (установка инструмента и приспособления, ввод программы с
клавиатуры или с программного носителя, привязка инструмента, проверка
программы в покадровом режиме), мин. [10, с 57];
Тпз2 = 1,5 + 2,4 + 25 + 20 + 10 = 58,9 мин.
Тпз = 12+ 58,9 = 70,9 мин.
. Определяем норму штучно-калькуляционного
времени (ТШК), мин.
Тшт.к = 2,94. +
= 3,69 мин.
Полученные данные расчёта технически
обоснованной нормы времени на операцию сводим в таблицу 1.15.
Таблица 1.15 - Расчёт технически обоснованной
нормы времени на операцию 005
|
№
опер
|
Наименова-ние
операции
|
То
|
Та
|
Тв
|
Топ
|
Тобс.
|
Тотд.
|
Тшт.
|
Тп-з
|
n
|
Тш-к
|
|
|
|
|
Туст
|
Tупр.
|
Тизм.
|
|
|
|
|
|
|
|
|
005
|
Токарная
с ЧПУ
|
0,77
|
1,96
|
0,15
|
0,236
|
0,53
|
1,876
|
10%ТОП
|
2,94
|
70,9
|
95
|
3,69
|
1.9.4
Оформление комплекта технологической документации
Технологическая документация -
комплекс текстовых и графических документов, определяющих в отдельности или в
совокупности технологический процесс изготовления или ремонта изделия (включая
контроль и перемещения) и содержащих необходимые данные для организации
производства.
Существуют следующие виды основных документов
(на технологические процессы, специализированные по отдельным видам работ)
согласно ГОСТ 3.1102 - 81: маршрутная карта (МК), карта технологического
процесса (КТП), операционная карта (ОК), карта эскизов (КЭ), карта наладки
инструмента (КН/П), карта кодирования информации (ККИ); технологическая
инструкция (ТИ); комплектовочная карта (КК); ведомость оснастки (ВО).
Заполнение МК, ОК и КЭ
производят в соответствии с требованиями ГОСТ.3.1404-86.
МК, ОК, КЭ и КН/П для данного техпроцесса
приведены в приложении А.
2. КОНСТРУКТОРСКИЙ РАЗДЕЛ. РАСЧЁТ И
КОНСТРУИРОВАНИЕ ПРИСПОСОБЛЕНИЯ
2.1 Схема установки
детали
Для одной из операций, выполняемых на станке с
ЧПУ, в проектируемом технологическом процессе разрабатывается конструкция
станочного приспособления.
При разработке схемы установки детали в
приспособлении используются данные по разрабатываемой операции, представленные
в технологическом разделе курсового проекта: разновидность станочного
приспособления, способ базирования детали в приспособлении, информация об
обрабатываемых поверхностях.
В курсовом проекте при обработке
гайки накидной МП6 - 2022.450 на 005 операции используется схема установки по
наружной цилиндрической поверхности обрабатываемой заготовки Æ56,6
и торцу, с
использованием в качестве приспособления токарного самоцентрирующегося
трехкулачкового патрона. Приспособление предназначено для центрирования и
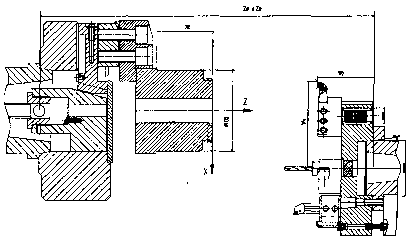
закрепления заготовок на токарно-винторезных станках и токарных станках с ЧПУ.
Базирование осуществляется по наиболее точной наружной цилиндрической
поверхности заготовки и торцу.
Схема установки детали в
приспособлении показана в виде иллюстрации на рисунке 2.1
Рисунок 2.1 - Схема установки детали в токарном
самоцентрирующемся трехкулачковом патроне при выполнении токарной операции на
станке с ЧПУ
2.2
Описание работы приспособления
В данном пункте конструкторского раздела проекта
приводится описание работы трёхкулачкового патрона, передающего вращательное
движение детали посредством имеющихся кулачков. Данный патрон используется для
центрирования и закрепления заготовки деталей типа втулок, фланцев, стаканов,
коротких валиков и др.
Патрон должен обеспечивать силу
зажима, снижение центробежных сил, сокращение времени на обработку, возможность
установки в одном патроне заготовок различной конфигурации.
Работа трёхкулачкового патрона заключается в
радиальном перемещении кулачков посредством поддерживания в пневмоцилиндре
давления до 6 атм. (0,6 МПа). Так как радиальные перемещения всех кулачков
патрона происходят одновременно и с одинаковой скоростью, то механизм
приобретает свойство самоцентрирования.
При подаче воздуха в правую полость
пневмоцилиндра поршень перемещается влево и толкает шток с винтовой частью 6,
на конце которой крепится клиновая втулка 2. Данная втулка при этом, за счёт
своей клиновой части, способствует радиальному перемещению трех основных
кулачков 3 к центру патрона, то есть происходит их центрирование. Непосредственно
зажим заготовки происходит за счёт трёх сменных кулачков 5, закреплённых через
сухарь 4 к основным кулачкам посредством винтов 10 (два винта на каждый
кулачок). При зажиме длина хода кулачков составляет 7 мм. и при их регулировке
позволяет обрабатывать заготовки Ø20 - 250мм.
Разжим заготовки осуществляется при движении
штока в обратную (правую) сторону. Фрагмент чертежа трёхкулачкового патрона
представлен на рисунке 2.2.
Рисунок 2.2 - Трёхкулачковый самоцентрирующийся клиновой
патрон
2.3 Составление
расчётной схемы приспособления
При построении расчётной схемы приспособления на
схеме должны быть показаны силы резания, места их приложения и сила зажима.
Также указывается направление усилия привода (при зажиме заготовки), все,
необходимые для расчёта усилия зажима, параметры приспособления.
Данная расчётная схема приспособления (см.
рисунок 2.3) представляет собой направления усилий, необходимых для зажима
детали в трёхкулачковом самоцентрирующемся патроне, при помощи кулачков, а так
же направления сил резания, возникающих при механической обработке детали,
которые необходимы для определения требуемого усилия зажима. Расчётная схема
приспособления необходима также при расчёте приспособления на точность.


Рисунок 2.3 - Схема зажима заготовки в
трёхкулачковом самоцентрирующемся клиновом патроне
2.4 Расчёт
приспособления на точность, силовой расчёт приспособления
.4.1 Расчёт
приспособления на точность
Расчёт приспособления на точность производится с
целью уточнения возможности использования выбранного приспособления на данной
операции.
При расчёте приспособлений на
точность суммарная погрешность ∑ε при
обработке детали не должна превышать величину допуска (Т) размера, т.е. должно
выполняться условие ∑ε ≤
Т.
Суммарная погрешность ∑ε
зависит
от ряда факторов и в общем случае может быть представлена выражением
∑ε=
εуст
+ εобр
+ εпр,
где εуст
- погрешность установки детали в приспособлении, мм; εобр
- погрешность обработки детали, мм; εпр
- расчётная погрешность приспособления, мм.
На основании заданной точности исполнительного
размера детали рассчитаем допустимые погрешности изготовления и сборки
элементов приспособления, влияющие на точность исполнительного размера детали.
Точность изготовления и сборки приспособления
рассчитаем по формуле (3.47) [9, c.151]:
,
заготовка деталь токарный обработка
где Т - допуск выполняемого размера, мм; по
12-му квалитету Т=0,62 мм;Т - коэффициент, учитывающий отклонение рассеяния
значений составляющих величин от закона нормального распределения; kТ=1,1 [9,
c. 151];
ω-
экономическая точность обработки, мм; по 12-му квалитету ω=0,3
мм;Т1 -коэффициент, учитывающий уменьшение предельного значения погрешности
базирования при работе на настроенных станках; kТ1=0,8 [9, c.151];Т2
-коэффициент, учитывающий долю погрешности обработки в суммарной погрешности,
вызываемой факторами, не зависящими от приспособления; kТ2=0,6 [9, c. 152];
,
,
,
,
- соответственно погрешности
базирования, закрепления, установки приспособления на станке, положения детали из-за
износа установочных элементов приспособления, перекоса (смещения) инструмента.
Погрешность базирования при
установке в патроне:
, так как
совмещены технологическая и измерительная базы детали.
В ряде случаев, особенно когда
применяются пневматические, гидравлические и другие зажимные устройства,
обеспечивающие постоянство усилия зажима, погрешность закрепления (
) можно
исключить из расчётов.
Тогда,
мм.
Погрешность положения детали из-за
износа установочных элементов приспособления
.
Погрешность от перекоса или смещения
инструмента определяется точностью настройки или направления инструмента
относительно положения обрабатываемой детали [9, c. 173], так как настройка
инструмента осуществляется по шаблону, то
.
Полученные значения подставляем в
исходную формулу:
.
Получаем, что условие
выполняется.
Это означает, что с помощью данного приспособления можно получать размеры по
12-му квалитету точности.
2.4.2 Силовой расчёт
приспособления
Силовой расчёт станочного приспособления
осуществляется на основании предварительно составленной схемы установки детали
в приспособлении и расчётной схемы данного приспособления на проектируемой
операции. В основе данного расчёта заложено определение усилия зажима
обрабатываемой детали.
Произведём расчёт клинового
патрона на усилие зажима при силе резания Pz,
Н (см. расчёт режимов резания - максимальная сила на рассматриваемой операции).
Обрабатываемая деталь находится в равновесии
вследствие действия сил как возникающих в процессе обработки, так и зажима и
реакций опор. Основными силами процесса обработки являются силы резания. При
расчёте сил зажима не учитываем силы веса, центробежные и инерционные,
возникающие при определенных условиях обработки.
Величина сил зажима рассчитывается, исходя из
условия равновесия всех перечисленных сил при полном сохранении контакта
базовых поверхностей обрабатываемой детали с установочными элементами
приспособления и при исключении возможности сдвига в процессе обработки. При расчётах
следует определить требуемую силу зажима с учётом коэффициента запаса (k),
предусматривающего возможное увеличение силы резания из-за затупления режущего
инструмента, неоднородности обрабатываемого металла, неравномерности припуска,
непостоянства установки, ненадлежащего закрепления заготовки и т.д.
Определяем усилие зажима W,
Н, заготовки согласно выбранной расчётной схеме и
силе резания Рz
(см. рисунок 2.4).
Усилие зажима трёхкулачкового самоцентрирующего
патрона, используемого в качестве приспособления для коротких деталей,
определяется по формуле [9, с.209]:
,
где WО
- усилие, оказываемое одним кулачком, Н; К - коэффициент запаса; М - крутящий
момент, Н мм; М=50,16 Н∙м; f
- коэффициент трения рабочих поверхностей кулачков; f=0,35;
D -диаметр
зажимаемой поверхности, мм; D=56,6
мм;
Коэффициент запаса, рассчитывается применительно
к конкретным условиям по формуле [9, с.199]:
К = Ко×К1×К2×К3×К4×К5×К6,
где Ко = 1,5 - гарантированный коэффициент
запаса; К1 = 1,2 - коэффициент, учитывающий состояние поверхности для черновой
обработки;
К2 = 1,25 - коэффициент, учитывающий увеличение
сил резания от прогрессирующего затупления инструмента;
К3 = 1,2 - коэффициент, учитывающий увеличение
силы резания при точении;
К4 = 1 - коэффициент, учитывающий постоянство
зажима при использовании пневматического привода (пневмоцилиндра);
К5 = 1 - коэффициент, учитывающий эргономику
ручных зажимных элементов;
К6 = 1,5 - коэффициент, учитывающийся только при
наличии крутящих моментов.
К = 1,5×1,2×1,25×1,2×1×1×1,5
= 4,05.
Усилие на пневматическом цилиндре
3-х кулачкового патрона с клиновым приводом (Q)
рассчитывается по формуле [9, с.210]:
Q =
,
где k1
- коэффициент, учитывающий дополнительные силы трения в патроне; К1=1,05;
f1 - коэффициент
трения в направляющих кулачков; f1=0,1;
l - вылет кулачка от
его опоры до центра приложения усилия зажима, мм; l=45мм;
l1 - длина
направляющей части кулачка, мм; l1=125мм;
β - угол клина; β=12º;
φ - угол трения на наклонной поверхности клина;
φ=2º50' [9, с. 239]; D1
- диаметр обрабатываемой поверхности, мм; D1=44
мм; D - диаметр зажимной
поверхности, мм; D=56,6 мм.
Q =
= 4235 Н
Находим диаметр пневматического
цилиндра Dц, мм [9, с.
317]:
Dц = 1,13
,
где
p - давление воздуха
МПа, p= 0,6 МПа;
η
- коэффициент
полезного действия привода; η = 0,9.
Dц = 1,13
= 100 мм.
По ГОСТ 15608-70 принимаем ближайшее
большее значение диаметра цилиндра
Dц =100 мм.
Тогда диаметр штока (dшт)
пневматического цилиндра равен:
dшт = 32 мм.
2.5 Разработка чертежа
приспособления
Чертёж приспособления, по возможности, должен
выполняться в масштабе 1:1. Исключение могут составлять приспособления для
особо крупных или мелких деталей. При этом чертёж должен содержать необходимое
количество проекций, разрезов и сечений.
На чертеже общего вида приспособления
рекомендуется тонкими сплошными или пунктирными линиями схематично показать
часть станка, на котором базируется и крепится приспособление. Например, на
чертежах патронов и оправок - контур правого конца шпинделя. На чертежах
фрезерных и сверлильных приспособлений - часть контура стола с пазами под
установочные шпонки и болты для закрепления приспособлений.
На чертеже приспособления следует указывать:
1. Габаритные размеры приспособления
(наибольшая длина, ширина, высота).
2. Контрольные размеры с допускаемыми
отклонениями (размеры, от которых зависит точность обработки детали в
приспособлении).
3. Монтажные и посадочные размеры
приспособления. Например, для приспособлений типа патронов, устанавливаемых на
фланцевой части шпинделя станка, указывается диаметр центрирующей выточки с
допуском; в фрезерных приспособлениях - размер установочных шпонок,
центрирующих пальцев с допуском, расстояние между проушинами под болты для
крепления приспособления на столе станка, размер и посадка установочного
пальца, оправки и т.д.
. Нумерация деталей и сборочных единиц
приспособления.
. Спецификация к приспособлению
выполняется на отдельных бланках (см. приложение М).
Над основной надписью чертежа с правой стороны
указываются технические требования, предъявляемые к приспособлению.
3. БЕЗОПАСНЫЕ УСЛОВИЯ ТРУДА
. Общие требования охраны труда
.1. Настоящая инструкция разработана в
соответствии с "Межотраслевыми Правилами по ОТ при холодной обработке
металлов" ПОТРМ-006-97 предназначена для лиц, выполняющих обработку металлов
на металлорежущих станках с ЧПУ.
.2. К выполнению процесса обработки металлов на
станках с ЧПУ допускаются лица, прошедшие медицинский осмотр, вводный
инструктаж, инструктаж на рабочем месте, обучение безопасным приемам и методам
работы, и сдавшие экзамен с присвоением им квалификационного разряда.
.3. Инструктаж по ОТ и обучение безопасным
приемам и методам работы обязательны для всех работающих и вновь поступающих на
работу, в том числе для лиц, имеющих перерыв в работе в течение 3 месяцев и
лиц, проходящих производственную практику.
.4. Повторный инструктаж на рабочем месте
проводят с каждым работником индивидуально не реже, чем через 3 месяца.
.5. Внеплановый инструктаж проводят при
изменении правил по охране труда, технологического процесса, замене и
модернизации оборудования, приспособлений и инструментов, исходного сырья;
нарушения работниками требований охраны труда, которые привели или могут
привести к травме, аварии, пожару, взрыву.
.6. Внеплановый инструктаж проводят
индивидуально или с группой работников одной профессии в объеме первичного
инструктажа на рабочем месте.
.7. На территории завода и в цехах выполняйте
следующие правила:
o ходить по тротуарам и дорожкам,
специально предназначенным для пешеходного движения, а где их нет - по проезжей
части, придерживаясь левой стороны;
o будьте внимательны к сигналам
движущегося транспорта и не перебегайте путь впереди его;
o не ходите по железнодорожным путям;
o не подлезайте под стоящие платформы
и вагоны;
o не разгоняйте тележки цехового
транспорта и не катайтесь на них;
o пользуйтесь только установленными
проходами, не перелезайте через конвейеры, транспортеры;
o если на высоте работают люди,
проходите это место на безопасном расстоянии, так как с высоты может упасть
какой-либо предмет;
o не стойте и не проходите под
поднятым грузом или в непосредственной близости от него;
o не смотрите незащищенными глазами на
электросварку, помните, что болевые ощущения глаз могут появиться не сразу, а
через несколько часов;
o остерегайтесь отравления газом, не находитесь
вблизи ацетиленовых аппаратов и прочих устройств, где может выделяться газ;
o не прикасайтесь к электропроводам
или иным токоведущим частям, не пытайтесь устранять сами неисправность
электропроводов или электрооборудования, вызывайте для этой цели электрика;
o не включайте и не выключайте (кроме
аварийных случаев) машины, станки и механизмы, работа на которых не поручена
Вам мастером или руководителем цеха;
o ездить на электрокарах, прицепах
тракторов, сидеть на бортах автомашин, ступеньках вагонов запрещается;
o не открывайте дверцы электрощитов и
другой электроаппаратуры;
o не поднимайте груз сверх допустимых
норм.
Помните, что разрешается поднимать груз весом не
более:
o подросткам женского пола - 7 кг;
o подросткам мужского пола - 16 кг;
o мужчинам - 30 кг;
o женщинам в возрасте 18 лет и старше:
подъем и перемещение тяжестей при чередовании с другой работой (до 2 раз в час)
- 10 кг;
o подъем и перемещение тяжестей
постоянно в течение рабочей смены - 7 кг;
o величина динамической работы,
совершаемой в течение каждого часа рабочей смены не должны превышать с рабочей
поверхности 1750 кГм;
o с пола - 875 кГм.
В массу поднимаемого и перемещаемого груза,
включается масса тары и упаковки.
.8. Выполняйте только ту работу, которая
поручена Вам мастером и при условии, что безопасные способы ее выполнения Вам
известны.
.9. Работайте на станках только тех систем,
которые Вами изучены и к самостоятельной работе на которых Вы допущены.
.10. Заметив нарушения правил охраны труда
другими рабочими, предупредите их о необходимости соблюдения требований ОТ и
сообщите мастеру.
.11. Работайте только в исправной, аккуратно
заправленной спецодежде и променяйте средства защиты, предусмотренные Типовыми
отраслевыми нормами для данной профессии. Для выполнения работ наладчику и
оператору станков с ЧПУ выдаются следующие средства индивидуальной зашиты:
o костюм;
o ботинки кожаные;
o очки защитные;
o респиратор (при обработке
пылеобразующих и стеклосодержащих материалов).
.12. Следите, чтобы пол вокруг оборудования был
ровным и нескользким, если он облит маслом, эмульсией, потребуйте, чтобы его
посыпали опилками или сделайте это сами. Затем подметите пол щеткой-сметкой,
или уберите опилки совком или лопатой в специально предназначенную тару для
сбора производственных отходов.
.13. Не работайте на неисправном оборудовании, а
также при отсутствии, или неисправности: заградительных ограждений, блокировок,
заземляющих проводов.
.14. Не выполняйте распоряжение мастера, если
оно противоречит правилам охраны труда и может привести к несчастному случаю,
сообщите об этом начальнику цеха.
.15. Опасные производственные факторы при работе
на станках с ЧПУ:
o опасность захвата одежды вращающими
частями станка или
o режущим инструментом; монотонный шум
работающих станков;
o опасность порезов рук открытым
вращающимся инструментом при нарушении правил эксплуатации станка;
o опасность травмирования отлетающей
стружкой при работе без ограждения и средств индивидуальной защиты;
o опасность поражения электрическим
током.
Для сохранения здоровья работника предельно
допустимая концентрация (ПДК) и предельно допустимый уровень (ПДУ) физических
факторов наиболее характерных на рабочем месте работника данной профессии:
o шум (эквивалентный уровень звука)
80дб;
o освещенность рабочей поверхности 400
лк;
o температура воздуха:
o летом 18-27°C
o зимой 17-23°C
o запыленность 6,0 мг/м3;
.16. В целях пожарной безопасности содержите
рабочее место в чистоте. Курите только в специально оборудованном месте.
Использованную ветошь складывайте в специальный ящик.
.17. О каждом несчастном случае с Вами, или
Вашими товарищем немедленно поставьте в известность мастера и обратитесь в
здравпункт.
.18. Наладчик и оператор станков с ЧПУ должны
знать:
o инструкцию по эксплуатации станков с
ЧПУ (паспорт станка);
o инструкцию о мерах противопожарной
безопасности;
o инструкцию по оказанию первой помощи
пострадавшим;
o инструкцию по ОТ для работающих на
заводе;
o правила внутреннего трудового
распорядка;
o при работе с ГПМ: инструкцию по ОТ
для лиц, связанных с работой на малых грузоподъемных механизмах, управляемых с
пола.
К работе на грузоподъемных механизмах,
управляемых с пола, приказом по цеху допускаются лица, прошедшие обучение и
инструктаж с последующей проверкой навыков по управлению этими механизмами.
.19. Выполняйте "Правила внутреннего
трудового распорядка", пожарной безопасности, соблюдайте режим труда и
отдыха.
.20. Соблюдайте меры личной гигиены:
o не мойте руки в масле, эмульсии,
керосине;
o не вытирайте руки концами,
загрязненными стружкой;
o не принимайте пищу у станка;
o не храните личную одежду на рабочем
месте.
.21. Требования настоящей инструкции являются
обязательными. Невыполнение этих требований рассматривается как нарушение
трудовой и производственной дисциплины.
.22. Выполняйте требования инструкции по охране
труда, этим вы предохраните себя и окружающих от несчастного случая.
. Требования охраны труда перед началом работы
.1. Перед началом работ необходимо:
o надеть рабочую одежду, которая
должна быть застегнута на все пуговицы;
o застегнуть или обвязать обшлага
рукавов;
o длинные волосы убрать под головной
убор;
o надеть индивидуальные средства
защиты (очки, наушники). Запрещается работать в легкой открытой обуви, а также
с закатанными рукавами.
.2. Перед началом работ внимательно изучите
паспорт оборудования, осмотрите станочное приспособление, необходимый
инструмент, ключи, крючок для удаления стружки, определите их исправность и
готовность к использованию.
.3. Примите станок от сменщика: рабочее место
должно быть чистым, узнайте у сменщика или мастера о имевшихся в предыдущей
смене неполадках в работе станка, и какие были приняты меры по их устранению.
.4. Отрегулируйте местное освещение так, чтобы
рабочая зона была достаточно освещена и свет не слепил глаза. Протрите арматуру
и электролампу сухой ветошью до включения лампы. Пользоваться местным
освещением, питающимся от сети напряжения свыше 50 В. запрещается
.5. Проходы, места у станочного оборудования
должны быть свободны от инструментов, деталей и расходного материала. Оснастка,
заготовки, готовые детали и отходы производства должны находиться на
специальных стеллажах, столах, в таре.
.6. Для работы сидя рабочее место должно иметь
стул (сидение) с регулируемыми высотой и наклоном спинки. Около станка на полу
должны быть исправные деревянные решетки (настилы) на всю длину рабочей зоны и
шириной не менее 0,6 м.
.7. Проверьте наличие и исправность:
o органов управления;
o ограждений опасных зон, токоведущих
частей электрической аппаратуры (пускателей, рубильников, трансформаторов и
др.) Откидные, раздвижные и съемные ограждения должны удерживаться от
самопроизвольного перемещения;
o заземляющих устройств;
o предохранительных устройств для
защиты от стружки, охлаждающих жидкостей, шланги, подводящие охлаждающую
жидкость, должны быть цельными и должны размещаться так, чтобы было исключено
соприкосновение их с режущим инструментом и движущимися частями станка;
o осмотрите трущиеся поверхности
станка, при необходимости произведите их смазку маслом из масленки;
o устройств для крепления инструмента;
o режущего (отсутствие трещин,
надломов, прочность крепления пластинок твердого сплава или керамических
пластинок и пр.), измерительного, крепежного инструмента и приспособлений;
o подножной решетки и состояние пола
на рабочем месте.
.8. Проконтролируйте работу устройства ЧПУ и
самого станка с помощью тест-программы, убедитесь в подаче СОЖ, проверьте
работу ограничивающих упоров.
.9. На холостом ходу станка проверьте:
o исправность органов управления;
o исправность фиксации рычагов
включения и переключения (убедитесь в том, что возможность самопроизвольного
переключения с холостого хода на рабочий исключена);
o нет ли заеданий или излишней слабины
в движущихся частях станка, особенно в шпинделе и направляющих салазках стола.
o работу блокировок, упоров, конечных
выключателей;
o исправность системы смазки и
охлаждения.
.10. Многооперационные станки с револьверной
головкой, а также станки, оснащенные инструментальными магазинами и системами
автоматической смены инструмента, должны иметь защитные устройства,
предохраняющие от травмирования инструментом.
.11. Режущий инструмент должен быть правильно
заточен, хвостовики и посадочные места не должны иметь повреждений, деформаций.
.12. Без заземления станок не включать.
.13. О неисправности станка немедленно сообщите
мастеру или начальнику цеха, и без его указания к работе не приступайте.
. Требования охраны труда во время работы
.1. Будьте внимательны, не отвлекайтесь сами и
не отвлекайте других от работы.
.2. Убедитесь, что на станке нет посторонних
предметов
.3. Работать на станках, при отсутствии или
неисправности:
o заземляющих устройств, упоров,
органов управления;
o экранов и ограждений, защищающих
работающих от отлетающих стружек и частиц металла;
o блокирующих устройств станка;
o защитных ограждений.
.4. Не допускается работать на станках в
рукавицах или перчатках, а также с забинтованными пальцами без напальчников.
Перед установкой детали в приспособление, необходимо протереть поверхность
закрепляющих устройств.
.5. Масса и габаритные размеры обрабатываемой
детали не должны превышать требований паспорта станка.
.6. Укладывайте заготовки деталей и обработанные
детали устойчиво на стеллажах или столах: высота штабелей не должна превышать -
1 м.
.7. Устанавливайте и снимайте тяжелые детали и
приспособления (массой более 30 кг) только с помощью подъемных механизмов. Не
превышайте нагрузку, установленную для грузоподъемных средств. Работайте в
соответствии с "Инструкцией по ОТ для лиц, связанных с работой на малых
грузоподъемных механизмах, управляемых с пола". Помните, что к работе на
грузоподъемных механизмах, управляемых с пола, приказом по цеху допускаются
лица, прошедшие обучение и инструктаж с последующей проверкой навыков по
управлению этими механизмами.
.8. Установите режущий инструмент в рабочие
позиции револьверной головки, осмотрите на отсутствие сколов, трещин режущих
кромок.
.9. После установки режущего инструмента
опробуйте станок в работе на холостом ходу в ручном режиме на различных
оборотах, затем произведите пуск станка по программе на холостом ходу.
.10. При автоматической смене инструментов
воспрещается находиться в зоне работы манипулятора.
.11. Ручная проверка размеров обрабатываемых
деталей и снятие деталей для контроля должны производиться только при
отключенных механизмах вращения или перемещения заготовок, инструмента,
приспособлений.
.12. Не допускайте скопления стружки на режущем
инструменте и оправке, используйте для этого специальный крючок или щетку.
.13. Охлаждать режущий инструмент мокрыми
тряпками или щетками запрещается.
.14. Не передавайте и не принимайте что-либо
через станок во время его работы.
.15. Обязательно остановите станок, и выключите
электродвигатель при:
o уходе от станка даже на короткое
время;
o временном прекращении работы;
o перерыве в подаче электроэнергии;
o уборке, смазке, чистке станка;
o обнаружении неисправности в
оборудовании, инструменте, приспособлении, заземляющих элементах, защитных
ограждениях, блокирующих устройств, упоров.
o регулировке трубки с охлаждающей
жидкостью;
o установке, измерении и съеме детали;
o проверке и зачистке режущей кромки
режущего инструмента.
.16. При работе с охлаждающими жидкостями на
масляной основе, пользуйтесь мазью для профилактической смазки рук по
рекомендации лечебных учреждений, и респиратором, при работе со
стеклотекстосодержащие и пылеобразующими материалами.
.17. Затачивая инструмент (или другой предмет)
на наждачном станке, выполняйте требования в соответствии с "Инструкцией
по ОТ при работе на точильно-шлифовальных станках", не поднимайте защитный
экран, а при отсутствии его надевайте очки. Помните, что на зазор между кругом
и подручником, не должен быть более 3 мм.
.18. Запрещается
o открывать и снимать ограждения и
предохранительные устройства во время работы станка;
o убирать стружку со станка голыми
руками или сжатым воздухом;
o работать на станках в рукавицах;
o принимать пищу на рабочем месте.
. Требования охраны труда в аварийных ситуациях
.1. При, внезапной поломке станка,
приспособления, режущего инструмента немедленно выключите станок и обесточьте
его.
.2. При работе на металлорежущих станках или
электроинструментом при полном или частичном прекращении электроснабжении
выключите станок, электроинструмент. После устранения аварии возобновите
работу.
.3. При сгорании предохранителей у
электрооборудования станка или электроинструмента сообщите об этом мастеру или
механику цеха.
.4. Если на металлических частях станка
обнаружено напряжение (ощущение тока), электродвигатель работает на две фазы
(гудит), заземляющий провод оборван - немедленно остановите станок, сообщите
мастеру о неисправности электрооборудования и без его указания к работе не
приступайте.
.5. В случаях возникновения пожара:
o обесточьте станок;
o выключите вентиляцию;
o вызовите пожарную охрану;
o немедленно сообщите всем работающим
и мастеру о пожаре.
Приступайте к тушению пожара первичными
средствами пожаротушения.
Помните, что загоревшееся электрооборудование
необходимо тушить углекислотным, порошковым огнетушителями, а также песком,
вспыхнувшее масло, керосин - огнетушителем ОХО-10.
.6. При отключении электроэнергии:
o прекратите работу;
o обесточьте станок;
o сообщите мастеру;
o возобновите работу при подаче
электроэнергии.
.7. При несчастном случае в первую очередь
освободите пострадавшего от травмирующего фактора. Затем доложите мастеру. При
оказании первой помощи пострадавшему пользуйтесь "Инструкцией об оказании
первой медицинской помощи пострадавшим" №149.
ВНИМАНИЕ! При освобождении пострадавшего от
действия электрического тока следите за тем, чтобы самому не оказаться в
контакте с токоведущей частью и под напряжением шага. Для чего необходимо
пользоваться деревянной палкой, доской или сухой одеждой, навернутой на руку.
. Требования охраны труда по окончании работы
.1. Выключите и обесточьте станок
.2. Приведите в порядок рабочее место. Стружку и
металлическую пыль со станка убирайте только щеткой и крючком.
.3. Уберите детали и заготовки в специальную
тару и сложите их в отведенном месте.
.4. Выключите местное освещение.
.5. Соберите промасленные тряпки в специально
предназначенный ящик
.6. Снимите рабочую одежду, уберите в
предназначенное для нее место.
.7. Вымойте лицо и руки теплой водой с мылом.
.8. Обо всех замечаниях сообщите мастеру.
4. ОХРАНА ОКРУЖАЮЩЕЙ СРЕДЫ И РЕСУРСОВ
ЭНЕРГОСБЕРЕЖЕНИЯ
Из большого объёма промышленных выбросов,
попадающих в окружающую среду, на машиностроение приходится лишь незначительная
его часть - 1-2%. Однако на машиностроительных предприятиях имеются основные и
обеспечивающие технологические процессы и производства с весьма высоким уровнем
загрязнения окружающей среды. К ним относятся:
внутризаводское энергетическое производство и
другие процессы, связанные со сжиганием топлива;
литейное производство;
металлообработка конструкций и отдельных
деталей;
сварочное производство;
гальваническое производство;
лакокрасочное производство.
По уровню загрязнения окружающей среды районы
гальванических и красильных цехов как машиностроительных в целом, так и
оборонных предприятий сопоставимы с такими крупнейшими источниками
экологической опасности, как химическая промышленность; литейное производство
сравнимо с металлургией; территории заводских котельных - с районами ТЭС,
которые относятся к числу основных загрязнителей.
Таким образом, машиностроительный комплекс в
целом и производства оборонных отраслей промышленности, как его неотъемлемая
составляющая часть, являются потенциальными загрязнителями окружающей среды:
воздушного пространства (выбросы газа,
парообразных веществ, дымов, аэрозолей, пыли и т. п.);
поверхностных водоисточников (сточные воды,
утечка жидких продуктов или полуфабрикатов и т.п.);
почвы (накопление твердых отходов, выпадение
токсичных веществ из загрязнённого воздуха, сточных вод). При всём многообразии
подотраслей машиностроения и в том числе военно-ориентированных, оборонных
предприятий по специфике загрязнения окружающей среды их можно разделить на две
группы: ресурсы и накопление.
Гальваническое производство - один из наиболее
крупных источников образования сточных вод в машиностроении. Основными
загрязнителями сточных вод гальванических производств являются ионы тяжёлых
металлов, неорганических кислот и щелочей, цианиды, поверхностно-активные
вещества.
Загрязнители, образующиеся в процессе
обезжиривания поверхностей, определяются типами используемых растворителей, в
качестве которых наиболее широко применяются растворы щелочей, хлорорганические
растворители и фреоны.
Основными загрязнителями красильных производств
машиностроительных предприятий являются лакокрасочные материалы и их
составляющие: синтетические смолы, органические растворители, пластификаторы,
катализаторы и инициаторы пленкооброзования, неорганических пигментов.
Наибольшую экологическую опасность при
пескоструйной и гидроабразивной очистке поверхности представляет образование в
ходе данных процессов пылевидных частиц.
Наиболее экологически опасными загрязнителями,
образующимися в литейном производстве, являются оксид и двуокись серы и оксиды
азота, а также твердые вещества, входящие в состав литейных форм. Основными
загрязнителями, образуемыми в процессе производства энергии из ископаемого
топлива на предприятиях машиностроения, являются двуоксид серы, оксиды азота,
взвешенные частицы, оксид углерода и углеводороды.
Наиболее экологически опасные загрязнители при
металлообработке - индустриальные масла, металлическая пыль и др.
Твердые отходы машиностроительного производства
содержат амортизационный лом (модернизация оборудования, оснастки,
инструмента), стружки и опилки металлов, древесины, пластмасс и т. п., шлаки,
золы, шламы, осадки и пыль (отходы систем очистки воздуха и др.).
На машиностроительных предприятиях 55 %
амортизационного лома образуется от замены технологической оснастки и
инструмента.
Безвозвратные потери металла вследствие трения и
коррозии составляют примерно 25 % от общего количества амортизационного лома.
Размеры отходов металла в производстве зависят
от количества металлов и сплавов, подлежащих переработке и установленного
коэффициента отходов. В основном машиностроительные предприятия образуют отходы
от производства проката (концы, обрезки, обдирочная стружка, опилки, окалина и
др.); производства литья (литники, сплески, шлаки и съёмы, сор и др.);
механической обработки (высечки, обрезки, стружка, опилки и др.). На
предприятиях машиностроения отходы составляют до 260 кг на 1 т металла, иногда
эти отходы составляют 50 % массы обрабатываемых заготовок (при листовой
штамповке потери металла достигают 60 %). Основными источниками образования
отходов легированных сталей являются металлообработка (84 %) и амортизационный
лом (16 %).
Шламы из отстойников очистных сооружений и
прокатных цехов содержат большое количество твердых материалов, концентрация
которых составляет от 20 до 300 г/л. После обезвреживания и сушки шламы
используют в качестве добавки к агломерационной шихте и удаляют в отвалы. Шламы
термических литейных и других цехов содержат токсичные соединения свинца,
хрома, меди, цинка, а также цианиды, хлорофос и др.
В небольших количествах промышленные отходы
могут содержать ртуть, вылитую из вышедших из эксплуатации приборов и
установок.
Проблема минимизации экологического ущерба в
условиях промышленного производства и в том числе машиностроительных и
военно-промышленных отраслях может решаться в двух направлениях за счет:
повышения эффективности существующих методов
очистки промышленных выбросов в окружающую среду (сточные воды, отработанные
газы, дым и др. взвешенные частицы), ликвидации (переработки) твердых отходов;
внедрения новых альтернативных технологий
(экологически чистых, безотходных).
На развитие хозяйствующих субъектов в нашей
стране существенное негативное влияние оказывает высокая доля энергетических
затрат в издержках производства, которая на промышленных предприятиях
составляет в среднем 8-12% и имеет устойчивую тенденцию к росту в связи с
большим моральным и физическим износом основного оборудования и значительными
потерями при транспортировке энергетических ресурсов.
Одним из определяющих условий снижения издержек
на промышленных предприятиях и повышения экономической эффективности
производства в целом является рациональное использование энергетических
ресурсов. Вместе с тем, энергосберегающий путь развития отечественной экономики
возможен только при формировании и последующей реализации программ
энергосбережения на отдельных предприятиях, для чего необходимо создание
соответствующей методологической и методической базы. Откладывание реализации
энергосберегающих мероприятий наносит значительный экономический ущерб
предприятиям и негативно отражается на общей экологической и
социально-экономической ситуации. Помимо этого, дальнейший рост издержек в
промышленности и других отраслях народного хозяйства сопровождается растущим
дефицитом финансовых ресурсов, что задерживает обновление производственной базы
предприятий в соответствии с достижениями научно-технического прогресса.
Для предотвращения финансовых потерь при
формировании совокупности энергосберегающих мероприятий требуется разработка и
совершенствование методов оценки эффективности программ энергосбережения,
учитывающих многовариантность использования источников инвестиций,
предназначенных для их реализации. Уменьшение энергетической составляющей в
издержках производства позволит получить дополнительные средства для
обеспечения приемлемого уровня морального и физического износа технологического
оборудования.
рациональное использование энергетических
ресурсов на предприятии является важной составляющей снижения производственных
издержек, и, следовательно, получения дополнительной прибыли, завоевания
большей доли рынка и решения социальных проблем на основе:
реализации процесса подготовки производства в
соответствии с оптимальными режимами ввода основных средств в эксплуатацию;
использования наиболее рентабельных
производственных технологий;
разработки, освоения и внедрения новой техники и
технологий, в которых энергетические ресурсы используются более эффективно;
улучшения социально-бытовой сферы для персонала
машиностроительного предприятия и социального климата населения, проживающего
на территории, закрепленной за соответствующим предприятием.
Вследствие этого, энергосбережение
рассматривается не как бесцельная экономия энергетических ресурсов, проводимая
зачастую за счет сокращения объема производства, а как фактор экономического
роста, улучшения благосостояния населения, обеспечения соответствующей
экологической и социально-бытовой обстановки. Таким образом, энергосбережение
должно быть одним из приоритетных направлений экономической политики
промышленного предприятия.
ЗАКЛЮЧЕНИЕ
В результате выполнения курсового проекта был
проведен конструкторско-технологический анализ детали «гайка накидная»,
проанализированы основные свойства материала, найден коэффициент использования
материала заготовки. На основе этих данных был выбран вид заготовки и способ ее
получения. Был разработан технологический процесс изготовления детали с учетом
обеспечения высокого качества ее получения методами механической обработки.
Было выбрано оборудование и режущий инструмент, необходимые для получения
данной детали.
Во второй части курсового проекта разработана
конструкция специального станочного приспособления, обеспечивающего возможность
механизации технологического процесса изготовления заданной детали, выбрана
схема базирования в приспособлении, рассчитаны погрешность установки заготовки
в приспособлении и величина зажимного усилия. Были указаны условия безопасности
работы проектируемого приспособления в соответствии с ГОСТ.
Разработанная конструкция и технологическая
документация на технологический процесс изготовления детали отвечает
требованиям ГОСТов и позволяет обеспечить стабильное качество изготовления
детали.
СПИСОК ИСПОЛЬЗОВАННЫХ ИСТОЧНИКОВ:
1.
Горбацевич, Н.Ф. Курсовое проектирование по технологии машиностроения: учеб.
пособие для машиностроит. спец. вузов / Н.Ф. Горбацевич, В.А. Шкред. - 4-е
изд., перераб. и доп. - Минск: Вышэйшая школа, 1983. - 256с., ил.
.
Барановский, Ю.В. Режимы резания: справочник / Ю.В. Барановский. - Москва: НИИТ
автопром, 1995.
3. ГОСТ 7505-89. Поковки стальные штампованные.
Допуски, посадки и кузнечные напуски.
. Справочник технолога-машиностроителя в 2-х
томах / А.Г. Косилова, Р.К. Мещеряков [и др.]; под ред. А.Г. Косиловой и Р.К.
Мещерякова. - 4-е изд., перераб. и доп. - Москва: Машиностроение, 1985. - Т.2.
- 496с.
5.
Общемашиностроительные нормативы времени вспомогательного на обслуживание
рабочего места и подготовительно-заключительного для технического нормирования.
Серийное производство. - Москва: Машиностроение, 1974.
.
. Бабук, В.В. Проектирование технологических процессов механической обработки в
машиностроении: учеб. пособие. / В.В. Бабук, В.А. Шкред, Г.П. Кривко; под ред.
В.В. Бабука. - Минск.: Вышэйшая школа, 1987.- 255с., ил.
.
Общемашиностроительные нормативы времени и режимов резания на работы,
выполняемые на металлорежущих станках с ЧПУ. - Москва: Экономика, 1998.
.
Справочник технолога-машиностроителя в 2-х томах / А.Г. Косилова, Р.К.
Мещеряков [и др.]; под ред. А.Г. Косиловой и Р.К. Мещерякова. - 4-е изд.,
перераб. и доп. - Москва: Машиностроение, 1985. - Т.1. - 656с.
.
Антонюк, В.Е. Конструктору станочных приспособлений: справ. пособие / В.Е.
Антонюк. - Минск: Беларусь, 1991. - 400с.