Проектирование автоматизированной системы управления технологическим процессом установки по производству клея

  • Вид работы:
    Курсовая работа (т)
  • Предмет:
    Другое
  • Язык:
    Русский
    ,
    Формат файла:
    MS Word
    1,18 Мб
  • Опубликовано:
    2013-07-07
Вы можете узнать стоимость помощи в написании студенческой работы.
Помощь в написании работы, которую точно примут!

Проектирование автоматизированной системы управления технологическим процессом установки по производству клея

Федеральное агентство по образованию

Государственное образовательное учреждение высшего профессионального образования

Самарский государственный технический университет

Филиал в г. Сызрани

Кафедра «Автоматизации технологических процессов и производств»







КУРСОВОЙ ПРОЕКТ

по дисциплине: «Автоматизация технологических процессов и производств»

на тему: «Проектирование автоматизированной системы управления технологическим процессом установки по производству клея»

Исполнитель: Седов М.Е.

Руководитель КП: старший преподаватель Тараканов А.В.


Сызрань 2008 г.

РЕФЕРАТ

Ключевые слова: клей, моделирование, контроль, управление, диаграммы, окупаемость.

Рассматриваемый объект - установка для производства клея.

Цель работы - проектирование автоматизированной системы управления технологическим процессом установки по производству клея с учетом эксплуатационных особенностей системы с применением современных средств.

Рассмотрена система производства клея. Определены основные технические характеристики объекта.

СОДЕРЖАНИЕ

ВВЕДЕНИЕ

1. СИСТЕМА УСТАНОВКИ ПО ПРОИЗВОДСТВУ КЛЕЯ

1.1 Сушильная камера

.2 Мешалка

.3 Полностью автоматические стрелочные мостовые весы тип I85

.4      Сито вибрационное ЛВС-1

.5 Жидкостнокольцевой вакуумный насос SCHPEK VU/VH 20-450

.6 Пластичный вакуумный насос R5 RA 0040 C

.7 Требования, предъявляемые к системе автоматизации

2. РАЗРАБОТКА МАТЕМАТИЧЕСКОЙ МОДЕЛИ

.1 Выбор параметра регулирования системы управления

.2 Математическое моделирование. Построение структурной схемы

.3 Расчет динамических параметров исходной системы

.4 Синтез регулятора

. РЕАЛИЗАЦИЯ АППАРАТНОЙ ЧАСТИ

ЗАКЛЮЧЕНИЕ

БИБЛИОГРАФИЧЕСКИЙ СПИСОК

ПРИЛОЖЕНИЯ

ВВЕДЕНИЕ

В данной работе будет рассмотрена камера для сушки сажи. Сушильная камера является частью установки для производства клея. Данная установка сильно устарела и часто выходит из строя. Необходимо провести работу по модернизации установки с целью увеличения производительности, сокращения времени простоя установки из-за поломки оборудования, добиться сокращения потерь сырья, увеличить экономическую эффективность установки, улучшить качество конечного продукта (клея).

Конечным продуктом установки является резиновый клей, используемый в автопромышленности.

Клей - это синтетический или природный материал, способный соединять между собой материалы различного происхождения, формируя прочную связь, которая иногда значительно прочнее самих склеиваемых материалов.

Классификация клеев:

)        Термоактивные клеи - это такие связующие вещества, которые работают при нагревании или в присутствии специальных отвердителей. Они реагируют таким образом, чтобы на финальной стадии в результате необратимого процесса получился тугоплавкий продукт.

)        Термопластичные клеи - клеи образующие склеивающий стык, постепенно теряя под действием тепла когезию, приобретая пластическую консистенцию, причем этот процесс является обратимым.

)        Резиновые клеи - данная категория клеев характеризуется эластичностью клеевого соединения.

1. СИСТЕМА УСТАНОВКИ ПО ПРОИЗВОДСТВУ КЛЕЯ

.1 Сушильная камера

Рис 1. Сушильная камера

Критерии продукта - недопустимые отклонения:

Продукт с диаметром частиц >> 0,06 мм в значительной части

Продукт с насыпным весом > 400 кг/м3

Продукт с влажностью > 4,0%

Использование установки по предназначению:

Допустимое давление внутри ёмкости: -1,0/+1,0 бар

Температура внутри ёмкости: +1400С

Скорость вращения приводного двигателя поворотного рычага: 670 мин-1

Скорость вращения поворотного рычага: 1,22мин-1

Направление вращения поворотного рычага: против часовой стрелки

Недопустимый способ применения.

1)      Как только определяется наличие настенного осадка, необходимо отключить установку и прочистить. Дальнейшее функционирование осушителя с настенным осадком приводит к неисправностям смесительного шнека, поворотного рычага и приводного блока.

)        Эксплуатация установки вне диапазона применения, при отклонении от описанных способов применения и характеристик запрещена

Информация о установке

Общая ширина - 1380 мм

Общая длина - 1680 мм

Общая высота - 4025 мм

Объём:

отсек 1 (ёмкость) - 1150 л

отсек 2 (нагрев фильтра) - 29 л

отсек 3 (фильтр) - 376 л

полезный объём (при заполнении водой) - 200 л

Давление:

отсек 1 (ёмкость) - -1,0/+1,0 бар

отсек 2 (нагрев фильтра) - 8 бар

отсек 3 (фильтр) - -1,0/+1,0 бар

Температура:

допустимая рабочая температура - 1500С

Масса:

масса пустой сушилки - 2650 кг

рабочая масса сушилки - 3885 кг

фильтр - 500 кг

Электрическая часть:

Приводной двигатель смесительного шнека - Loher DNGW132

мощность - 5,5 кВт

напряжение - 220/380 В

ток - 11,4/6,6 А

частота - 50 Гц

Светильник смотровой - Muller KEL 20 dH Exd

мощность (лампа накаливания) - 20,0 Вт

напряжение - 24 В

частота - 50 Гц

Пневманическая часть:

поворотные приводы для шаровых кранов - Bar GTE 055/065/077

сжатый воздух - 4,5-6,0 бар

Функциональное описание установки.

Загрузка сушилки осуществляется через открываемую вручную загрузочную горловину в крышке ёмкости. Газовый маятниковый трубопровод на вентиляционном патрубке обеспечивает выравнивание давления между внутренней частью ёмкости и другими узлами установки при загрузке.

Для подготовки процесса сушки запускаются вакуумная установка и система нагрева и охлаждения.

После фазы пуска вакуумного насоса открывается вакуумпровод. По очереди вакуумируются вакуумпровод, фильтр и сушилка. Для подготовки пуска нагревательной установки путём продувки сжатым воздухом из замкнутого цикла нагрева ёмкости удаляются остатки воды (кондесат). Для этого пневматически через систему управления установки открываются шаровые краны.

Во время процесса сушки система управления установки контролирует температуру продукта, температуру и давление вакуума в вакуумопроводе.

Во время сушки возникающий выпар отводится и очищается через фильтр. Устройство очистки фильтра автоматически очищает фильтруемые элементы во время процесса сушки путём обратной продувки азотом из приёмной ёмкости(сборника).

Из ёмкости азот поочерёдно через 3 мембранных клапана вдувается в 3 фильтрующих элемента. Азот проходит через фильтрующий элемент. Частицы продукта освобождаются из фильтрующего материала и отводятся назад в ёмкость.

В соответствии с задаваемыми через систему управления установки периодами времени и циклами очистки сначала открывается ходовой клапан для заполнения ёмкости и затем закрывается снова. Затем через электромагнитные клапаны для очистки фильтрующих элементов пневматически приводятся в действие мембранные клапаны.

После окончания сушки закрывается вакуумпровод. Нагрев включается через систему управления установки. Конус ёмкости охлаждается и проветривается азотом через шаровой кран.

После достаточного охлаждения продукт, при открытой вентиляции, выводится через спускной шаровой кран. Пневматический встряхиватель предотвращает забивание трубопровода для опоражнивания.

Во время работы установки процесс автоматически контролируется системой управления установки или путём наблюдения за различными показаниями (визуально) со стороны персонала.

Автоматически:

Температура продукта - термотр сопротивления

Давление внутри ёмкости - датчик давления

Давление в вакуумпроводе - датчик давления

Температура первичной фракции - термометр сопротивления

Температура вторичной фракции - термометр сопротивления

Визуально:

Внутренняя часть ёмкости - смотровое стекло

Давление в ёмкости с азотом. Очистка фильтра - манометр

Температура обратного трубопровода - температурная индикация

Температура трубопровода первичной фракции - температурная индикация.

1.2 Мешалка

Данные по продукту:

Вязкость: 30000 МПа

Плотность: 1100 кг/м3

Температура: 1000С

Рабочее давление: 0-3 бар абс.

Ёмкость:

Диаметр: 1434 мм

Общая высота: 2240 мм

Высота заполнения: 1800 мм

Привод:

Горизонтальный редуктор на полом валу с устройством для регулировки ремня и индикатором положения.

Мощность: 11 кВт

Число оборотов: 5,5-33 об/мин

Напряжение в сети: 400 вольт

Частота: 50 Гц

Класс изоляции: В

Взрывозащищённость: EExell Т3

Размеры:

Высота Н: около 1600мм

Длина вала: 21400мм

Диаметр вала с поперечно-свертной муфтой: 80мм

Анкерная мешалка со скребком и направляющий подшипник для вала: 1шт.

Уплотнение вала:

Тройное контактное уплотнительное кольцо, тип RD 23В, контактные кольца из обогащённого угля кольца круглого сечения FEP в оболочке со сборником, установлены в комплекте, смазка Палатинол С711.

Присоединительные размеры:

Монтажный фланец DN250 PN10

Д = 395 мм

К = 350 мм

Отверстия х количество = 23 мм х 12

Установка:

Центрическая, без прерывателя подачи тока.

1.3    Полностью автоматические стрелочные мостовые весы тип I85.

Предел взвешивания - 300 кг

Деление - 100 г

Упаковка - 60 кг

Размер моста (платформы) - 70х76 см

Осторожно дать нагрузку на платформу весов и проверить свободный ход весов. Весы имеют масляный амортизатор для уменьшения колебаний. Температура окружающей среды должна быть в диапазоне от +50С до +300С. После снятия крышки на стойке весов будет виден амортизатор. Регулировку амортизатора можно произвести с помощью законтрённого винта с накатанной головкой, расположенного на штанге.

Весы не требуют техобслуживания.

Весы работают по принципу закона рычага, передача усилия происходит на рычагах.

Тяга передаёт усилие в стрелочную головку. Через кулису происходит отклонение двойных маятников в стрелочной головке. Зубчатая рейка в соединении с шестернёй передаёт пропорциональную силу циферблат шкалы. Индикация или считывание соответствует действительной нагрузке на платформу весов.

Приложение нагрузки производится при открытой системе блокировки головки весов. Если весы не используются, головка должна быть заблокирована.

1.4 Сито вибрационное ЛВС-1

Сито вибрационное с линейными колебаниями для очистки сыпучих пород. Данное сито имеет увеличенную производительность, сброс более сухого шлама и лучшую степень очистки буровых растворов по сравнению с ситом ВС-1.Вибросито ЛВС представляет собой устройство с двумя последовательно установленными ситовыми поверхностями. Угол наклона вибрирующей рамы регулируется от +3° до -5° с помощью регулировочных винтов.

Технические характеристики:

Максимальная пропускная способность на сетке с размерами ячеек 0,16х0,16 мм при бурении на воде - 45 л/с

Ситовые кассеты, ширина - 1140+/-3,3мм

Ситовые кассеты, длина - 1212+/-3,3мм

Рабочая поверхность не менее - 2,6 м кв.

Частота вращения электродвигателя не более - 1450+/-50 об/мин

Мощность электродвигателя - 1,5 кВт

Максимальная амплитуда колебаний вибрирующей рамы - 2,0 мм

Вид колебаний - Линейные

Частота колебаний рамы - 24,5+/-0,5 Гц

Угол наклона рамы - +5+/-'...-3+/-6' град.

Уровень звука на рабочем месте в установившемся режиме не более - 80 дБА

Масса без запасных частей не более - 1650 кг

Установленный ресурс до капитального ремонта не менее - 10000 час.

Наработка на отказ вибратора не менее - 4000 час.

Средний срок службы - 10 лет

Длина, мм - 3000

Ширина, мм - 1756

Высота, мм - 1360

.5 Жидкостно-кольцевой вакуумный насос SCHPEK VU/VH 20-450

Барабанный насос. Обоими концами вал опирается на подшипники качения. Прокладка вала осуществляется

в конструкции - 460 двусторонними сальниковыми набивками

в конструкции - 470 двумя контактными уплотнительными кольцами.

Тем самым обеспечивается очень простая, жёсткая конструкция.

Принцип действия.








Рис 2. Жидкостнокольцевой вакуумный насос SCHPEK VU/VH 20-450

Жидкостное кольцо вращается в рабочем отсеке эксцентрично по отношению к валу. Рабочее колесо передаёт приводную мощность через вращающееся жидкостное кольцо в виде компрессорной мощности на перемещаемый газ. Это обеспечивает непульсирующее сжатие. Требуется непрерывная подача или охлаждение рабочей жидкостью, в нормальном случае воды. Она отводит возникающую теплоту сжатия и добавляет жидкости в кольцо, так как часть жидкости вращаясь со сжатым газом отводится. Отделение жидкости от газа может производиться в подключаемой ёмкости.

Область применения:

Жидкостно-кольцевые вакуумные насосы могут применяться для всех газов, если выбранный материал химически стойкий по отношению как к газу, так и к кольцевой жидкости. Одноступенчатые насосы экономичны до 150 мбар, двухступенчатые насосы , в зависимости от размера до 33 или 40 мбар при давлении в 1013 мбар, и при воде, в качестве кольцевой жидкости при входной температуре в 150С. При отклонении от рабочих условий изменяются и характеристики.

Допускаются следующие максимальные температуры: газ - 1200С, рабочая жидкость - 1000С.

1.6    Пластичный вакуумный насос R5 RA 0040 C

Рис 3. Пластичный вакуумный насос R5 RA 0040 C

Способ охлаждения - воздушное охлаждение

Номинальная всасывающая способность - 40 м3/час

Конечный вакуум - 0,5 мбар

Материалы:

Цилиндр - GG 25

Ротор - GG 25

Заслонка - Аэродур Титан

Уплотнительные кольца вала - витон

Статические прокладки - витон

Привод:

Номинальная мощность - 1,1 кВт

Номинальное число оборотов - 150 об/мин

Напряжение - 220/380 В

Частота - 50 Гц

Коэффициент мощности - 0,83

Класс изоляционного материала - F

Вид защиты - IP 55

Типоразмер - 90L

Вес - около 38 к

.7 Требования, предъявляемые к системе автоматизации

Система автоматизации должна включать в себя контроль над работой сушильной камеры, мешалки, статического миксера, а также наблюдение за уровнем в резервуарах с водой, преполимером, стабилизатором, азотом.

Требуется контролировать следующие параметры:

.        Давление в сушильной камере, мешалке, статическом миксере;

.        Температуру сажи, клея;

.        Уровень воды, преполимера, стабилизатора, азота;

.        Частоту вращения мешалок, шнека;

.        Массу сажи.

Все эти параметры важны для работы всей системы производства клея. Поэтому требуется высокая точность сохранения оптимальных параметров на протяжении работы установки вплоть до ее планового осмотра.

Новая система автоматизации должна повысить надежность работы системы, поскольку большинство оборудования устарело. Сейчас разработано много современных средств для автоматизации производства нужно лишь не потеряться в номенклатуре существующего оборудования. С помощью него создаются более надежные системы с качественным регулированием и контролированием параметров.

В данном проекте будет усовершенствована система автоматизации контролирования параметров в системе сушки сажи. Контроля требуют давление, температура и время задержки включения и выключения исполнительных устройств.

сушильный камера клей промышленный

2. РАЗРАБОТКА МАТЕМАТИЧЕСКОЙ МОДЕЛИ

.1 Выбор параметра регулирования системы управления

Для нормального функционирования системы должна реализовываться определенная технология, обеспечивающая поддержание требуемых параметров в системе. Для этого разрабатывается алгоритм работы системы по показаниям датчиков температуры, уровня, давления. Реализация алгоритма осуществляется исполнительными и защитными элементами (электродвигатели, насосы, клапаны и др.).

Установка по сушке сажи должна выполнять следующие функции:

-       управляющие (включение, выключение) обеспечивают выполнение заложенных алгоритмов нормального функционирования системы;

-       защитные (отключение при авариях, предупреждение повреждений), а именно защита при перегреве сажи;

-       регулирующие - поддержание нормальных условий сушки сажи при минимальных эксплуатационных расходах.

Основной регулируемой величиной в системе сушильной камеры установки по производству клея являются давление в сушильной камере и температура сажи. Для нашей системы мы выбираем регулирование температуры сажи в сушильной камере установки по производству клея. Регулирование с помощью нагревательных элементов (электрических тенов), которые осуществляют обогрев сушильной камеры. Температура тенов составляет 1500С. Необходимо поддерживать температуру сажи в диапозоне1400С. Следовательно основной задачей регулирования является поддержание требуемых параметров температуры сажи в сушилке.

2.2 Математическое моделирование. Построение структурной схемы

Модель - это замещение исследуемого объекта (оригинала) его условным образом или другим объектом (моделью) и изучение свойств оригинала путем исследования свойств модели.

Модель помогает выявить взаимозависимости переменных, характер их изменения во времени, найти существующие между ними закономерности. При составлении модели становится более понятной структура исследуемого объекта, вскрываются важные причинно-следственные связи. В процессе моделирования постепенно происходит разделение свойств исходного объекта на существенные и второстепенные с точки зрения сформулированных требований к модели.

Модель также позволяет научиться предсказывать поведение объекта и управлять им, испытывая различные варианты управления на модели.

Построенные модели могут использоваться для нахождения оптимальных соотношений параметров, исследования особых режимов работы.

Математическое моделирование - это научная и практическая деятельность людей, основанная на построении, исследовании и использовании математических моделей и процессов.

Центральным понятием математического моделирования является математическая модель. Под математической моделью технологического процесса и его элементов понимают систему математических соотношений, описывающих с требуемой точностью изучаемый объект и его поведение в производственных условиях.

Математическая модель в данном проекте реализуется в среде моделирования MATLAB, в которой также проверяется ее правильность.

MatLAB - матричная лаборатория - наиболее развитая система программирования для научно-технических расчетов, дополненная к настоящему времени несколькими десятками более частных приложений, относящихся к вычислительной математике, обработке информации, конструировании, электронных приборов, экономике и ряду других разделов прикладной науки [4].

При создании и внедрении САР (системы автоматического регулирования) процессов, происходящих в системе смазки, необходимо знать характеристики, как определенных элементов системы, так и системы в целом, которые описывают их поведение в переходных и установившихся режимах. Только по таким характеристикам можно оптимально выбрать регулятор, датчики, исполнительные механизмы, построить САР и произвести ее наладку.

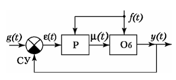
Наиболее широко используются методы математического описания САР на основе передаточных функций W(s), которые отражают взаимосвязь входных и выходных параметров отдельных элементов и всей системы. Обобщенную структурную схему САР можно представить в виде, показанном на рис. 4, где:

-       Об - объект регулирования с передаточной функцией WОб (s);

-       СУ - устройство сравнения;

-       Р - регулятор с передаточной функцией Wр(s);

-       f(t) - возмущающее воздействие;

-       y(t) - регулируемая величина;

-       ε(t) - ошибка регулирования;

-       g(t) - задающее воздействие;

-       μ(t) - управляющее воздействие.

Рис. 4. Обобщенная структурная схема САР

Зная WОб(s) и задаваясь свойствами САР - передаточной функцией WC(s), можно выбрать или настроить уже выбранный регулятор - Wр (s).

Структурная схема управления давлением в системе представлена на рис.5:

Рис 5. Структурная схема управления температурой

Структурная схема управления температурой включает в себя следующие элементы:

·        тен, выходным сигналом которого является температура Тт, равное 1500С;

·        Сушильная камера (суш камера), выходным сигналом которого является температура W, равная 1400С;

Для составления математической модели объекта проведем анализ всех составных элементов структурной схемы и рассчитаем параметры их передаточных функций:

. Передаточная функция тена:

Согласно структурной схеме (рис.2.2), первым элементом системы является тен. Его передаточная функция будет иметь вид:

, (2.1)

где - коэффициент передачи тена

; (2.2)

ТТ = 7 - постоянная времени тена.

Рассчитаем передаточную функцию тена. Поскольку температура на выходе тена составляет 1500С, напряжение на входе - 10 В, то передаточная функция ТП имеет вид

 (2.3)

где В/град; (2.4)

. Передаточная функция сушильной камеры:

 (2.5)

где KС - коэффициент передачи сушильной камеры, Т1 = 6 с - первая постоянная времени, Т2 = 5 с - вторая постоянная времени.

Рассчитаем передаточную функцию сушильной камеры. Поскольку температура на выходе должна составлять - 1400С, а температура на входе - 1500C, то передаточная функция асинхронного двигателя имеет вид

 (2.6)

где  (2.7)

. Передаточная функция усилителя напряжения:

 (2.8)

 (2.9)

.3 Расчет динамических параметров исходной системы

После описания звеньев системы определяем ее передаточную функцию, которая представляет собой произведение всех ПФ звеньев:

,  (2.10)

Подставляем в выражение полученные ранее ПФ звеньев САР, получаем:

 (2.11)

Математическую модель для проверки ее правильности реализуем в среде моделирования MATLAB. Данный программный пакет позволяет простыми и наглядными средствами приложения Simulink реализовать компьютерную модель, с возможностью совершать с ней вычислительные эксперименты.

Создание блок-схем в SIMULINK основано на технологии визуально-ориентированного программирования. В качестве компонент для построения модели динамической системы используются так называемые модули (блоки) из достаточно представительной библиотеки SIMULINK. Удобный графический интерфейс позволяет осуществить сборку схемы моделирования в интерактивном (диалоговом) режиме путем перетаскивания с помощью мыши требуемых компонент и вычерчиванием соответствующих между ними линий связи. В результате получается структура исследуемой схемы, которую обычно называют SIMULINK-моделью (S-моделью).

В процессе ввода выбранных блоков, организации соединений и задания параметров компонентов система SIMULINK автоматически программирует S-модель в виде конечно-разностных уравнений и затем при пуске процесса моделирования решает их с помощью средств MATLAB [5].

При моделировании исследуется влияние параметров системы на характер изменения временных характеристик. Схема, составленная с использованием полученных ПФ и вышеуказанных основ работы с SIMULINK, приведена на рис. 6. На вход подадим напряжение 10 В, а на выходе будем наблюдать полученный результат - график переходного процесса (рис. 7).

Рис. 6. Структурная схема исходной системы управления

Рис 7. График переходного процесса исходной системы

Из графика видно, что перерегулирование в данном переходном процессе отсутствует. Время симуляции составляет 800 секунд. Рассчитаем время переходного процесса. Поскольку временем переходного процесса принято считать время от начала переходного процесса до момента, когда кривая переходного процесса входит в 3 - 5% зону от установившегося значения и больше не выходит из нее, то время переходного процесса составит почти 600 сек или 10 мин. Но это довольно длительный процесс нагревания сажи в сушильной камере и для уменьшения времени включим в систему регулятор.

.4 Синтез регулятора

В САР поддержание заданного значения регулируемого параметра или изменение его по определенному закону обеспечивается аппаратурными средствами, имеющие общее название - автоматические регуляторы.

Задача регулятора заключается в том, чтобы вычислить рассогласование, сформировать управляющее воздействие и привести регулируемую переменную к заданному значению.

Качество процесса регулирования обычно оценивается по переходной характеристике h(t). Переходная характеристика системы отражает процесс изменения регулируемой переменной во времени при строго определенной величине возмущающих или задающих воздействий x(t).

В зависимости от задающего воздействия и параметров объекта регулирования подбирают регулятор с определенной характеристикой Wрег(s). Изменение Wрег(s) адекватно ведет к изменению коэффициентов дифференциального уравнения общего передаточного звена (регулятор-объект) и тем самым достигается необходимое качество регулирования.

Известны пять типовых законов регулирования: пропорциональный (П), интегральный (И), пропорционально-интегральный (ПИ), пропорционально - дифференциальный (ПД) и пропорционально -интегрально- дифференциальный (ПИД) . Под законом регулирования понимают уравнение динамики регулятора. При регулировании процесса нагнетания давления в трубопроводе попробуем настроить три типа регулятора: интегральный (И), пропорционально-интегральный (ПИ) и пропорционально -интегрально- дифференциальный (ПИД).

Прежде чем включить в систему регулятор необходимо добавить датчик обратной связи с передаточной функцией:

, (2.12)

где WДТ - передаточная функция датчика температуры;

КДТ - коэффициент датчика температуры.

КДТ вычисляется по формуле:

, (2.13)

следовательно:

 (2.14)

Для настройки регулятора воспользуемся блоком NCD Outport библиотеки приложения SIMULINK. Этот блок в зависимости от требуемых параметров регулирования рассчитывает необходимые коэффициенты для достижения оптимальных выходных характеристик системы.

Зададим следующие параметры переходного процесса сушки сажи в сушильной камере для блока NCD Outport (рис. 8):

время переходного процесса - 200 сек.;

время нарастания - 120сек.;

перерегулирование - 8%, т.к. максимально допустимая температура в сушильной камере 1500С.

Рис 8. Параметры переходного процесса, задаваемые в блоке NCD Outport

Структурная схема системы управления с ПИ-регулятором изображена на рис. 9. Графики переходного процесса системы с ПИ-регулятором представлены на рис. 10 и рис. 11. Коэффициенты ПИ-регулятора: kp = 1,8131, ki = 0,2489.

Рис. 9. Структурная схема системы управления с ПИ-регулятором

Рис 10. График переходного процесса системы управления с ПИ-регулятором (блок NCD Outport)

Рис 11. График переходного процесса системы управления с ПИ-регулятором (блок Scope)

Рассчитаем время переходного процесса в системе с ПИ-регулятором. Поскольку временем переходного процесса принято считать время от начала переходного процесса до момента, когда кривая переходного процесса входит в 3 - 5% зону от установившегося значения и больше не выходит из нее, то время переходного процесса нагнетания давления в трубопроводе составит 115 секунд, т.е. менее заданных 120 секунд. Перерегулированием называют величину, показывающую, насколько всплеск величины больше установившегося значения, его можно рассчитать по следующей формуле:

 (2.13)

что не превышает заданных 8%.

Время симуляции составляет 300 секунд.

Таким образом при добавлении ПИ-регулятора в систему управления удалось достичь требуемых параметров переходного процесса, а следовательно и повысить эффективность работы системы.

Структурная схема системы управления с ПИД-регулятором изображена на рис. 12. Графики переходного процесса системы с ПИД-регулятором представлены на рис. 13 и рис. 14. Коэффициенты ПИД-регулятора: kp = 2.7539, ki = 0.2805, ku = 0.2041.

Рис 12. Структурная схема системы управления с ПИД-регулятором

Рис. 13 График переходного процесса системы управления с ПИД-регулятором (блок NCD Outport)

Рис 14. График переходного процесса системы управления с ПИД-регулятором (блок Scope)

Рассчитаем время переходного процесса в системе с ПИД-регулятором. Поскольку временем переходного процесса принято считать время от начала переходного процесса до момента, когда кривая переходного процесса входит в 3 - 5% зону от установившегося значения и больше не выходит из нее, то время переходного процесса сушки сажи в сушильной камере составит 100 секунд, т.е. менее заданных 120 секунд и менее чем в системе управления с ПИ-регулятором. Перерегулирование в данном переходном процессе составляет:


что не превышает заданных 8%. Время симуляции составляет 100 секунд.

Таким образом при добавлении ПИД-регулятора в систему управления удалось достичь требуемых параметров переходного процесса, т.е. увеличить эффективность работы системы управления сушки сажи в сушильной камере. К тому же, исходя из сравнения ПИ и ПИД-регулятора, можно сделать вывод о том, что ПИ-регулятор наиболее эффективно корректирует переходный процесс системы, т.к. имеет наименьшее перерегулирование, хотя и время переходного процесса больше на 15 секунд.

3. РЕАЛИЗАЦИЯ АППАРАТНОЙ ЧАСТИ

Программируемый логический контроллер SIMATIC S7-300.

Рис.15 Программируемый логический контроллер SIMATIC S7-300

В качестве контроллера, используемого для регулирования температуры, давления, расхода, частоты вращения и уровня, был выбран контроллер SIMATIC S7-300, так как он обладает следующими необходимыми свойствами:

• Модульный программируемый контроллер для решения задач автоматизации низкого и среднего уровня сложности.

• Широкий спектр модулей для максимальной адаптации к требованиям решаемой задачи.

• Использование распределенных структур ввода-вывода и простое включение в сетевые конфигурации.

• Удобная конструкция и работа с естественным охлаждением.

• Свободное наращивание функциональных возможностей при модернизации системы управления.

• Высокая мощность благодаря наличию большого количества встроенных функций.

SIMATIC S7-300 - это модульные программируемые контроллеры, работающие с естественным охлаждением. Модульная конструкция, возможность построения распределенных структур управления, наличие дружественного пользователю интерфейса позволяет использовать контроллер для экономичного решения широкого круга задач автоматического управления в различных областях промышленного производства.

Эффективному использованию контроллеров способствует возможность использования нескольких типов центральных процессоров различной производительности , наличие широкой гаммы модулей ввода-вывода дискретных и аналоговых сигналов, функциональных модулей и коммуникационных процессоров.

Контроллеры SIMATIC S7-300 могут включать в свой состав:

Модули центральных процессоров. В зависимости от степени сложности решаемой задачи в контроллерах могут быть использованы различные типы центральных процессоров, отличающиеся производительностью, объемом памяти, наличием или отсутствием встроенных входов-выходов и специальных функций, наличием или отсутствием коммуникационных интерфейсов (CPU 312IFM, CPU 312IFM, CPU 314IFM, CPU 314, CPU 315, CPU 315-2DP, CPU 316, CPU 318-2DP).

Коммуникационные процессоры для подключения к сетям PROFIBUS (CP 342-5, CP 343-5), Industrial Ethernet (CP 343-1, CP 343-1 TCP), AS интерфейсу (CP 342-2) или организации связи по PPI интерфейсу (CP 340, CP 341).

Функциональные модули, способные самостоятельно решать задачи автоматического регулирования, позиционирования, обработки сигналов. Функциональные модули снабжены встроенным микропроцессором и способны выполнять возложенные на них функции даже в случае отказа центрального процессора ПЛК.

При необходимости в составе контроллера могут быть использованы:

Модули блоков питания, обеспечивающие возможность питания контроллера от сети переменного тока напряжением 120 или 230В.

Интерфейсные модули, обеспечивающие возможность подключения к центральному контроллеру стоек расширения ввода-вывода. Контроллеры SIMATIC S7-300 позволяют использовать в своем составе до 32 сигнальных модулей и коммуникационных процессоров, распределенных по 4 монтажным стойкам. Все модули работают с естественным охлаждением.

Промышленный таймер 5TT3 180

Таблица 1. Сравнение характеристик таймеров

Название

Потребляемая мощность

Диапазон измерений

Время сброса

Диапазон температур

Цена, руб

5TT3 180

1.5 Вт

0,05 с … 30 ч

0,05 с

-20...+60 °С

1250

ЭТ-99

2 Вт

0 с …99 мин

0,1 с

-20...+50 °С

1100

AH3-N

1,5 Вт

1с…30ч

0.05 с

-20…+50 ºС

1500


Датчик ЭТ-99 имеет малый диапазон измерений (0 с …99 мин) и поэтому его не возможно применить в данной системе. Датчик АНЗ-N имеет идентичные характеристики с датчиком 5ТТЗ 180, но имеет большую стоимость (1500 руб). В итоге из приведённых выше таймеров был выбран 5ТТЗ 180, так как он имеет необходимый диапазон измерений (0,05 с … 30 ч), минимальную потребляемую мощность (1,5 Вт), а также оптимальную стоимость (1250 руб).

Рис.16 Промышленный таймер 5TT3 180

Характеристики:

·        Диапазон установки 0.05 с … 30 ч

·        Индикатор коммутационного положения

·        Индикатор работоспособности

·        Возможность подключения переменного резистора (10 кОм) для дистанционного изменения диапазона выдержки времени

·        Широкий диапазон напряжений

·        Возможность программирования

Термопреобразователь с унифицированным выходным сигналом ТСМУ-205-Н

Таблица 2. Сравнение характеристик датчиков температуры

Название

Измеряемые среды

Потребляемая мощность

Диапазон измерений

Погрешность

Цена, руб

ТСМУ-205-Н

Газ, жидкость, пар в том числе агрессивные среды

0,3 Вт

-60...+1800С

± 0,2%

650

ТХАУ Метран-271

Газ, жидкость, пар в том числе агрессивные среды

0,25 Вт

-40..+1400С

± 0,3%

750

ТСМУ 055

Газ, жидкость, пар в том числе агрессивные среды

0,3 Вт

-50...+1500С

± 0,25%

700

ИПТВ-056

Газ, жидкость, пар в том числе агрессивные среды

0.3 Вт

-40...+110 °С

± 0,2%

590


Датчик ТХАУ Метран-271 имеет большую погрешность(± 0,3%) и более высокую стоимость(750 руб). Датчик ТСМУ 055 имеет также большую погрешность (± 0,25%), и более высокую стоимость (700 руб). Датчик ИПТВ-056 имеет малый диапозон измерений (-40...+110 °С). В итоге был выбран датчик ТСМУ-205-Н, так как он имеет необходимый диапазон измерения (-60...+1800С), малую погрешность (± 0,2%) и низкую стоимость (650 руб).

Рис.17 Термопреобразователь с унифицированным выходным сигналом ТСМУ-205-Н

Термопреобразователи предназначены для преобразования значения температуры различных, в том числе агрессивных, сред в унифицированный токовый выходной сигнал 4...20 мА.

Характеристики:

·        ИП-205 используются в составе термопреобразователей ТСМУ-205-Н, ТСПУ-205-Н, ТХАУ-205-Н с корпусом металлической головки АГ-04

·        В состав ИП-205/ХА входит компенсатор температуры "холодного спая"

·        Потенциометр подстройки «0»

·        Потенциометр подстройки диапазона

·        Клеммные соединители для подключения питания и нагрузки и два контактных штыря для подключения первичного преобразователя

·        Контактный штырь заземления для подключения ИП к корпусу металлической головки АГ-04

·        Электромагнитная совместимость (ЭМС) - III-А

Контроллер уровня универсальный КОНТУР-У

Таблица 3. Сравнение характеристик датчиков температуры

Название

Единицы измерения

Диапазон температур

Потребляемая мощность

Погрешность

Цена, руб

КОНТУР-У

%

-40...+55°C

0,9 Вт

±10мм

1700

РУПТ-А

см

-50…+50 0С

1,2 Вт

±15мм

1600

DFM 4E

см

-50…+55 0С

1,4 Вт

±5мм

3670

Rosemount 5600

см

-40…70°С

1,2 Вт

±5мм

2950


Датчик РУПТ-А имеет большую погрешность (±15мм) и большую потребляемую мощность (1,2 Вт). Датчик DFM 4E и Rosemount 5600 имеет малую погрешность (±5мм), но более высокую стоимость(3670 руб и 2950 руб соответственно) и большую потребляемую мощность(1,4 Вт и 1,2 Вт соответственно). В итоге был выбран датчик КОНТУР-У, так как он имеет необходимый диапазон измерения (-40...+55°C), малую погрешность (±10мм), низкую стоимость (1700 руб), и малую потребляемую мощность(0.9 Вт).





Рис. 18 Контроллер уровня универсальный КОНТУР-У

Автоматическое заполнение или осушение резервуара; измерение уровня; сигнализация уровня; измерение уровня в % от степени заполнения резервуара; управление насосами по выбранному алгоритму.

Характеристики:

·        имеет 14 встроенных алгоритмов работы, аналогичных САУ-МП, САУ-М6, САУ-М7Е, РОС301, РОС102, ДРУ-ЭПМР.

·        Алгоритмы переключаются кнопками передней панели.

·        4 входа, 3 выходных реле

·        диапазон задания временных уставок от 1 сек до 99 суток

·        температура окружающего воздуха от -40 до +55°С

·        защита входов от высокого напряжения - не менее 230 В переменного тока.

Датчик давления ЭЛЕМЕР АИР-20/М2

Таблица 4. Сравнение датчиков давления

Название

Измеряемые среды

Диапазон темп-р

Потребляемая мощность

Диапазон измерений

Погр.

Цена, руб

ЭЛЕМЕР АИР 10L

Газ, жидкость, пар в том числе агрессивные среды

-40...+80 °C

0,6 Вт

0-80МПа

± 0,15%

2200

ЭЛЕМЕР АИР-20/М2

Газ, жидкость, пар в том числе агрессивные среды

-40…+90 0С

0,5 Вт

0-60 МПа

± 0,2%

1800

МП3-У

Газ, жидкость, пар в том числе агрессивные среды

-50…+50 0С

0,55 Вт

0-50 МПа

± 0.2%

1950

Rosemount 3051S

Газ, жидкость, пар в том числе агрессивные среды

-73…+ 205°С

0,6 Вт

0-68,9 MПа

±0,25%

2950


Датчик МПЗ-У имеет малую погрешность (± 0.2%), но высокую стоимость (1950 руб) и большую потребляемую мощность (0,55 Вт). Датчик Rosemount 3051S имеет большой диапазон измерения (-73…+ 205°С) и высокое быстродействие (75 мс), но очень высокая стоимость (2950 руб). Датчик ЭЛЕМЕР АИР 10L большой диапазон измерений (0-80МПа), большую точность (± 0,15%), но его стоимость очень высокая (2200 руб). Из приведённых выше датчиков был выбран датчик ЭЛЕМЕР АИР-20/М2, так как он имеет необходимый диапазон измерений (0-60 МПа), допустимую погрешность (± 0,2%) и относительно дёшев (1800 руб).

Рис.19 Датчик давления ЭЛЕМЕР АИР-20/М2

Датчик давления АИР-20/М2 предназначен для преобразования в унифицированный выходной сигнал 4…20мА, 0…5мА или 20…4мА, 5…0мА следующих величин:

Абсолютного давления - АИР-20/М2-ДА;

Избыточного давления - АИР-20/М2-ДИ;

Давления разряжения - АИР-20/М2-ДВ;

Избыточного давления-разряжения - АИР-20/М2-ДИВ;

Дифференциального давления - АИР-20/М2-ДД;

Гидростатического давления - АИР-20/М2-ДГ.

Датчики давления используется в системах автоматического контроля, регулирования и управления технологическими процессами.

Характеристики:

·        Тип датчика: микропроцессорный

·        Количество поддиапазонов: 8

·        Виды измеряемого давления (ДА - преобразователи абсолютного давления, ДИ - преобразователи избыточного давления, ДВ - преобразователи вакууметрического давления (разрежения), ДИВ- преобразователи давления-разрежения, ДД - преобразовали дифференциального давления (разности давлений), ДГ - преобразователи гидростатического давления)

·        Максимальное избыточное давление: 60 МПа

·        Минимальное избыточное давление: 0,16 кПа

·        Максимальное дифференциальное давление: 16 МПа

·        Максимальное рабочее избыточное давление: 40 МПа

·        Допускаемая основная погрешность: 0,075; 0,1; 0,2; 0,5%

·        Индикатор жидкокристаллический (ЖК) с подсветкой или светодиодный (СД)

·        Виды исполнения: общепромышленное, Ex, Exd, АЭС, кислородное

·        Степень пылевлагозащиты IP54, IP65

Бесконтактный датчик ДКС (датчик контроля скорости).

Датчик контроля скорости серии ДКС предназначен в первую очередь для контроля остановки или снижения скорости вращения (движения) различных устройств, таких, как конвейеры, транспортеры, барабаны. Может применяться для выявления аварийного проскальзывания ленты на транспортере.

Датчик контроля скорости представляет собой индуктивный датчик со схемой контроля частоты импульсов воздействия и бинарным выходом. Контролируемый вращающийся объект непосредственно или с помощью соединенного с ним металлического объекта воздействует на чувствительный элемент датчика с частотой, пропорциональной частоте вращения. При нормальной частоте вращения на выходе датчика скорости и на нагрузке есть напряжение. На диаграмме пассивный выходной сигнал соответствует снижению частоты ниже допустимой. Необходимое значение контролируемой минимальной частоты устанавливается с помощью потенциометра. От изготовителя датчик скорости поставляется без конкретной настройки срабатывания. Заказчик имеет возможность настройки на требуемую пороговую частоту на месте эксплуатации с помощью встроенного потенциометра. Удобнее проводить настройку и проверку работоспособности датчика контроля скорости с использованием тест-блока ПВ-ПС-100 или ПВ-ПС-200 (см. раздел Ш1). По специальному заказу может быть поставлен датчик для контроля максимальной скорости.

Преобразователь вязкости (вискозиметр) SOLARTRON 7827


Таблица 5. Сравнение датчиков вязкости (вискозиметров)

Название

Измеряемые среды

Диапазон температур

Потребляемая мощность

Диапазон измерений

Погрешность

Цена, руб

SOLARTRON 7827

жидкость

-50..+200ºC

2 Вт

1..20 000 МПа

±1%

4500

DV-I +

жидкость

-40..+1500С

1,8 Вт

1..10 000 МПа

± 1,5%

3600

ВИБРОСКАН-2

жидкость

0..+800С

1,8 Вт

0,5..15000 МПа

± 1,5%

3800


Датчики DV-I + и ВИБРОСКАН-2 имеют малую потребляемую мощность (1,8 Вт), низкую стоимость (3600 руб и 3800 руб соответственно), но диапазоны температур (-40..+1500С и 0..+800С соответственно) и измерений (1..10000 и 0,5..15000 МПа соответственно) слишком малы, а погрешность измерений слишком высока (± 1,5%). В итоге был выбран датчик SOLARTRON 7827, характеристики которого соответствуют параметрам системы: диапазон температур (-50..+200ºC), потребляемая мощность (2 Вт), диапазон измерений (1..20000 МПа), погрешность (±1%), цена (4500 руб).









Рис. 20 Преобразователь вязкости (вискозиметр) SOLARTRON 7827

Предназначен для непрерывного измерения вязкости жидкости. Также измеряет температуру и плотность. Легко монтируется в байпасную линию, трубопровод, открытый и закрытый резервуар, агрегат высокого давления или проточную камеру подачи пробы.

Измерение: динамическая вязкость, плотность; вычисление кинематической вязкости.

Принцип работы - вибрационный. Вязкость жидкости, в которую погружен колебательный элемент, измеряется с помощью определения уровня демпфирования жидкостью резонирующего элемента - камертона.

Преимущества:

·              Отдельная калибровка каждого диапазона измерений вязкости

·              Автоматическое переключение с одного диапазона на другой

·              Большой выбор материалов обеспечивает широкий спектр применения вискозиметра.

Характеристики:

Основная погрешность по измерению вязкости ±1% полной шкалы (0.2 сПз в диапазоне 0.5-10сПз)

Диапазон измерения вязкости От 1 до 20 000 сПз

Калибруемые диапазоны вязкости От 0.5до 10; от 10 до 100; от 100 до 1000, от 1000 до 12500 сПз

Повторяемость измерений вязкости ±0.5%

Основная погрешность преобразования плотности ±0.001 г/см3 (20ºC, 1 бар абс, 1сПз)

Диапазон плотности От 0 до 3 г/см3

Калибруемый диапазон плотности От 0.6 до 1.6 г/см3

Повторяемость ±0.0001 г/см3/ºC (скорректир.)

Температурный диапазон От -50 до 200ºC

Влияние температуры на вязкость Незначительно

Влияние температуры на плотность ±0.0001 г/см3/ºC (скорректир.)

Максимальное рабочее давление 177 бар

Материал элементов, контактирующих с рабочей средой Нерж.сталь 316L, Hastelloy C22, Monel 400

Скорость потока (макс) 0.5 м/с

Питание (от преобразователя сигналов) От 24 до 27 В пост. тока, 50мА

Выходные сигналы На вязкость и плотность: частотный, 3х-проводная схема На температуру: платиновый термометр сопротивление Pt100, 4-проводная схема

Стандарт по экологии - IP66

Вес (макс.) 6.7 кг

Расходомер TIME DELTA-С

Таблица 6. Сравнение датчиков расхода

Название

Измеряемые среды

Диапазон температур

Потребляемая мощность

Диапазон измерений

Погрешность

Цена, руб

TIME DELTA-С

Газ, жидкость

-40...+80 °C

0,55 Вт

0,1 до 3200 м3

± 1%

1100

UFM 005

Газ, жидкость

+5…+150 0С

0,5 Вт

0,1 до 2500м3

± 1%

1000

УПР-1

Газ, жидкость

-10… +45°С

0,55 Вт

0,5 до1000 м3

± 1,5%

950

МЕТРАН-310Р

Газ, жидкость

-20…+ 80°С

0,6 Вт

0,03 до 4000 м3

±1,25%

2950

Датчик UFM 005 имеет малый диапазон измерений (0,1 до 2500м3/с). Датчик УПР-1 также имеет малый диапазон измерений (0,5 до1000 м3/с) и слишком большую погрешность (± 1,5%). Датчики МЕТРАН-310Р и TIME DELTA-С имеют необходимые параметры, но стоимость датчика TIME DELTA-С ниже.

Рис.21 Расходомер TIME DELTA-С

Данный тип расходометра состоит из двух датчиков, которые могут быть установлены на трубе диаметром от 13 - 6000 мм, (в зависимости от модели датчика) и цифрового преобразователя с удаленным доступом. Дисплей и интегрированная клавиатура позволяют пользователю формировать и проверять все параметры настройки. В дополнение к токовому выходу 4-20 мА, прибор TIME DELTA снабжен функцией суммирования, автоматическим изменением диапазона, двумя аварийными режимами и двумя конфигурируемыми выходами.

Основные области применения:

·        ЖКХ

·        Покрасочные цеха

·        Насосные станции

·        Пищевая промышленность

Характеристики:

·        Диапазон измерений: от -32 до 32 м/с (мин. 0,3 м/с)

·        Время отклика: 0,2 с

·        Выходной сигнал: 4-20 мА DC, импульсный, сигнализация

·        Связь: RS-232C/RS-485

·        Погрешность: 1% от диапазона измерений

·        Исполнение: степень защиты датчиков - IP52-IP68, преобразователя - IP65

·        Напряжение питания: 100-240В (АС), 30-30В (DC)

·        Длина кабеля между датчиками и преобразователем: 300 м макс

ЗАКЛЮЧЕНИЕ

В результате проделанной работы была получена система управления сушильной камеры установки по производству клея с учетом промышленных и эксплуатационных особенностей системы с применением современных средств цифровой и программной логики. С помощью этой системы происходит автоматический контроль над состоянием следующих параметров системы: температурой, уровнем, а также давлением в системе. Происходит регулирование температуры сажи в сушильной камере.

Проанализировав работу системы сушки сажи, приходим к выводу, что она имеет существенные недостатки, а именно: переходный процесс нагрева сажи в сушильной камере установки по производству клея слишком затянут и составляет порядка 10 минут. В результате математического моделирования удалось улучшить параметры данного переходного процесса, сократив его время до 2 минут.

Таким образом, в результате проведения автоматизации процесса сушки сажи в сушильной камере были достигнуты следующие результаты:

)        Ускорение процесса сушки сажи, а следовательно увеличение объёма производства;

)        Улучшение качества клея;

)        Улучшение качества работы, как сушильной камеры, так и всей системы в целом;

)        Уменьшение потерь сырья;

)        Улучшение экологической безопасности;

)        Экономическая эффективность.

Все выше перечисленные результаты являются целью данного проекта.

БИБЛИОГРАФИЧЕСКИЙ СПИСОК

1.      Беклешов В. К. Технико-экономическое обоснование дипломных проектов: Учеб.пособие для втузов. М.: Высш.шк., 1991.

.        Бенькович Е.С. Практическое моделирование динамических систем: Учеб. Пособие для вузов. СПб.: БХВ - Петербург, 2002. -464 с: ил.

.        Бородин И.Ф., Судник Ю.А. Автоматизация технологических процессов. - М.: КолосС, 2004. - 344 с.: ил.

.        Гультяев А. Визуальное моделирование в среде MATLAB: учебный курс - СПб: Питер, 2000. - 432 с.

.        Дьяконов В., Круглов В. MATLAB. Анализ, идентификация и моделированиесистем. Специальный справочник. - СПб.: Питер, 2002. - 448 с.

.        Ларман К. Применения UML и шаблонов проектирования.: Пер. с англ.: Уч.пос. - М.: Изд. дом «Вильямс», 2001. - 496 с: ил.

.        Семенов А. С. Информационные технологии: Объектно-ориентированное моделирование: Учеб. пособие для вузов. М.: МГТУ «Станкин», 2000. - 82 с: ил.

.        Ступин А. К. Насосы. - Каталог-справочник. - М.: Государственное научно-техническое издательство машиностроительной литературы, 1960.

.        Фалько С.Г. Экономика предприятия: Учеб. для вузов. - М.: Дрофа, 2003.

ПРИЛОЖЕНИЯ

Приложение А

Приложение Б

Похожие работы на - Проектирование автоматизированной системы управления технологическим процессом установки по производству клея

 

Не нашли материал для своей работы?
Поможем написать уникальную работу
Без плагиата!
Без нейросетей!