Перспективы, применение и технология получения наноструктурированных ферромагнетиков

  • Вид работы:
    Курсовая работа (т)
  • Предмет:
    Другое
  • Язык:
    Русский
    ,
    Формат файла:
    MS Word
    3,48 Мб
  • Опубликовано:
    2013-08-29
Вы можете узнать стоимость помощи в написании студенческой работы.
Помощь в написании работы, которую точно примут!

Перспективы, применение и технология получения наноструктурированных ферромагнетиков













Курсовая работа

По дисциплине "Материалы и методы нанотехнологии"

на тему "Перспективы, применение и технология получения наноструктурированных ферромагнетиков"

Содержание

Реферат

Введение

. Методы получения ферромагнетиков

.1 Самосборка

.2 Катализ

. Технология получения наноструктурированных магнитных материалов в лабораторных условиях

.1 Магнитные наночастицы  для биомедицинских применений

Заключение

Литература

Реферат

Пояснительная записка содержит 24 страницы машинописного текста, включает 14 рисунков, список использованных источников из 9 наименований.

Ключевые слова: ферромагнетик, намагниченность, наночастица, аминокислота, коллоидная взвесь частиц, монослой, столбчатая глина, синтез, самосборка, катализ.

Цель работы: 1) провести обзор материалов и методов получения ферромагнитных материалов; 2) составить технологическую структуру получения наноструктурированных магнитных материалов в лабораторных условиях.

Задачи: использовать данную курсовую работу как основу фундамента знаний для дальнейшего более глубокого изучения проблемы получения ферромагнитных материалов в лабораторных условиях, а так же развить свой технический кругозор для улучшения своей профессиональной пригодности.

Актуальность: данная проблема актуальна в наши дни, поскольку наука не стоит на месте и пусть и маленькими шагами, но все же движется по пути глобального научного продвижения.

Введение

Ученые из Университета Миннесоты разработали одношаговый метод производства класса магнитных наночастиц, которые можно использовать в разных областях - от биомедицины до хранения данных. Магнитные свойства состоящих из железа и кобальта уникальных наночастиц, покрытых золотом были проверены в NSLS (National Synchrotron Light Source).

Например, в медицине такие магнитные наночастицы можно использовать в качестве переносчиков антиракового лекарства или атомов радионуклидов к нужной области организма, а также для увеличения контрастности изображений магнитного резонанса. Другое применение - для усовершенствования устройств магнитной памяти, а также в будущих приборах спинтроники. Большая _етали_на магнитного момента таких наночастиц - показатель магнитной силы - делает их особо ценными для использования.

Рассказывает из University of Minnesota Professor Jian-Ping Wang: "Наночастицы с сильными магнитными моментами особенно ценны для биомедицины, так как чем они сильнее, тем меньшее их количество надо внедрять в человеческое тело. А это очень важный аспект для клинических испытаний", - рассказывает профессор Ванг (Jian-Ping Wang).

Также коллектив российских учёных из Института углехимии и химического материаловедения СО РАН впервые использовал метод восстановления водных растворов хлоридов для синтеза смешанных железо-кобальтовых наночастиц, на основе которых можно создавать материалы с улучшенными магнитными характеристиками. Такие системы "железо-кобальт" ранее уже были синтезированы, однако известные физические методы их получения слишком дороги и энергоёмки, а созданные с их помощью материалы находятся в резко неравновесных состояниях. Метод, предложенный российскими учёными, позволяет устранить эти недостатки.

Наноструктурные материалы интересны в первую очередь тем, что благодаря очень малым размерам частиц могут проявлять свойства, которые часто превосходят характеристики обычных крупнозернистых поликристаллических веществ. Железо-кобальтовые сплавы попадают в поле зрения науки как материалы, обладающие отличными магнитными характеристиками. Логично предположить, что если синтезировать материал на основе наночастиц железо-кобальт, то по своим свойствам он значительно превзойдёт обычные сплавы этих металлов. Получатся магнитные наноструктурные материалы нового поколения. Их можно применять в качестве магнитных сенсоров, основы для постоянных магнитов, а также сред для записи и хранения информации. С их помощью можно направленно доставлять лекарства к очагу поражения, удалять органические отходы и токсины из воды.

Результаты исследования дают чёткое представление о морфологии железо-кобальтовых частиц, особенностях их фазового портрета и процесса химического получения. Используя эти знания, учёные смогут управлять магнитными свойствами наноматериалов, а в перспективе - и получать материалы с заранее запрограммированными свойствами.

Несмотря на то, что такие материалы уже существуют, сегодня исследователи, работающие в этой сфере, нацелены на поиск новых, менее дорогостоящих и энергоёмких методов их синтеза, а также на получение магнитных материалов с более высоким насыщением намагничивания (чем выше магнитонасыщение материала, тем меньше его требуется для создания магнитного поля определённой величины, то есть меньше расход материала).

1. Методы получения ферромагнетиков

1.1 Самосборка

Заниматься синтезом довольно сложно, поэтому перспективным направлением всегда считалась возможность использования самоорганизации системы.

Белки - большие молекулы с молекулярными весами, составляющими десятки тысяч, найдены практически во всех клетках и тканях тела и играют для жизни ключевую роль. Они образуются последовательным _етали_ниием сотен аминокислот, каждая из которых подводится к месту своего присоединения молекулой транспортной рибонуклеиновой кислоты (РНК) в порядке, предписанном молекулой информационной РНК. По прибытии на место каждая аминокислота легко связывается с предыдущей. Таким образом, последовательности аминокислот собираются в полипептидную цепь, которая непрерывно увеличиваясь в длине, в конце этого процесса становится белком. Этот тип _емосборки, естественным образом протекающий во всех живых системах, имеет свой аналог в нанонауке.

Самосборка относится к типичным методам получения наноструктур (наноматериалов) "снизу-вверх". Основная задача, которая стоит при ее реализации - это необходимость таким образом повлиять на параметры системы и так задать свойства отдельных частиц, чтобы они организовывались с образованием желаемой структуры. Самосборка находится в основе многих процессов супрамолекулярной химии, где "инструкции", как собирать большие объекты, "закодированы" в структурных особенностях отдельных молекул. Следует отличать самосборку от самоорганизации, которая может быть использована как механизм создания сложных "шаблонов", процессов и структур на более высоком иерархическом уровне организации. Отличия состоят в многочисленных и многовариантных взаимодействий компонент на низких уровнях, на которых существуют свои, локальные, законы взаимодействия, отличные от коллективных законов поведения самой упорядочивающейся системы. Для процессов _емоорганизации характерны различные по масштабу энергий взаимодействия, а также существование ограничений степеней свободы системы на нескольких различных уровнях ее организации. Таким образом, процесс самосборки - более простое явление. Тем не менее, не стоит опускаться до крайностей и считать, например, что процесс роста монокристалла - это самосборка атомов (что соответствует, в принципе, определению), хотя, например, самосборка более крупных объектов - микросфер одинакового размера, формирующих плотнейшую шаровую упаковку, что приводит к образованию так называемого фотонного кристалла (трехмерной дифракционной решетки из микросфер), - это типичный пример самосборки (рисунок 1).

Рисунок 1 - Трехмерная дифракционная решетка из микросфер

К самосборке можно отнести формирование самособирающихся мономолекулярных слоев , например, молекул тиолов на гладкой поверхности золотой пленки, образование пленок Ленгмюра- Блоджетт , послойную сборку и прочее. Пример самосборки: характерные проекции бинарных сверхрешеток, образованных различными наночастицами, и модельные элементарные ячейки соответствующих трехмерных структур.

Один тип самосборки касается образования полупроводниковых островков, что осуществляется способом, называемым гетероэпитаксией. Он заключается в осаждении материала, образующего островок на подложке, состоящей из другого материала с близкой структурой и значением параметра решетки. Гетероэпитаксия широко используется как при проведении исследований, так и при промышленном изготовлении многих полупроводниковых устройств, превратившись, по существу, в хорошо развитую технологию. Она включает в себя доставку атомов или молекул к поверхности подложки, где они могут принимать участие в одном из трех процессов: а) адсорбции и диффузии по поверхности с образованием зародыша островка путем соединения с другими адатомами; б) присоединении к существующему островку, в) десорбции с испарением в окружающее пространство. Маленькие островки могут продолжать расти, мигрировать на другое место или испаряться. Существует критический размер, при котором они становятся устойчивыми и больше не испытывают существенного испарения. Таким образом, есть начальная стадия формирования островков, когда их число с добавлением новых порций материала увеличивается. За ней следует вторая, в течение которой количество островков стабилизируется, а _еталствующие растут в размере. Наконец, есть стадия слияния, когда главными событиями являются объединения существующих островков друг с другом с образованием больших кластеров. Модельная система, которая хорошо иллюстрирует принципы и преимущества процесса самосборки, - самособранный монослой. Метод Ленгмюра - Блоджетт, который исторически предшествовал подходу самосборки, широко использовался в прошлом для подготовки и изучения оптических покрытий, биосенсоров, лиганд-стабилизированных кластеров , антител и ферментов. В этом методе на границе раздела воздух-вода формируют монослой кластеров, а затем в виде того, что называют пленкой Ленгмюра - Блоджетт, переносят его на подложку. Однако такие пленки сложны в приготовлении. Самособранные слои прочнее, легче в изготовлении и могут быть получены из более широкого класса веществ [1].

Самособранные монослои и мультислои приготавливали на различных металлических и неорганических подложках, например, на Ag, Au, Cu, Ge, Pt, Si, GaAs, SiO2 (рисунок 2, 3) и других материалах.

Рисунок 2 - Шестиугольная плотноупакованная решетка адсорбированных молекул n-алкантиолата, занимающих одну шестую триплетных положений на решетке плотноупакованных атомов золота

Рисунок 3 - Самосборка монослоя n-алкантиола на золоте

При создании золотой подложки, предназначенной для последующей схемосборки на ней, применяют испарение золота с помощью электронного пучка или высокотемпературного нагревательного элемента и последующее его осаждение в виде поликристаллического слоя толщиной от 5 до 300 нм на полированное основание, например, на стеклянную пластинку, кремниевую шайбу или листок слюды. Внешний атомный слой золота, несмотря на поликристаллическую структуру, образует локальные области с плоской гексагональной плотноупакованной решеткой, как показано на рисунках 2 и 3.

Различные свойства материалов - проводимость, степень прозрачности, размер доменов, поверхностная шероховатость и др. зависят от толщины пленки. Адсорбционные позиции находятся в полых выемках между триплетами атомов золота на поверхности. Количество таких мест равно количеству атомов золота на поверхности. Иногда для облегчения адгезии добавляют атомы Cr или Ti. Когда молекулы из жидкой (или паровой) фазы входят в контакт с подложкой, они спонтанно адсорбируются упорядоченным образом, то есть самособираются (рисунок 4).

Рисунок 4 - Образование самособирающихся мономолекулярных слоев

Для использования самособранных монослоев в коммерческих микроструктурах их можно расположить на структурированных подходящим образом участках поверхности или в необходимых областях, пользуясь шаблоном. Алкантиоловыми "чернилами" можно писать и рисовать узоры на золотой поверхности. "Чернила", образующие монослой, можно наносить на поверхность с помощью процесса, называемого микроконтактной печатью, при которой для переноса изображения в качестве штампа используется эластомер - материал со свойствами, подобными каучуку. Эта технология применима для получения тонких радиационно-чувствительных слоев в наноразмерной литографии. Сами монослои могут служить в качестве пассиваторов, защищая основную поверхность от коррозии. Алкантиолы могут помочь при подготовке коллоида, управляя размером и свойствами частиц, и это применение может быть очень полезным для повышения эффективности катализаторов [2].

ферромагнетик катализ магнитный наночастица

1.2 Катализ

Катализ химической реакции состоит в увеличении ее скорости посредством добавления вещества, называемого катализатором, которое не расходуется в процессе реакции. Обычно катализатор участвует в реакции, соединяясь с одним или несколькими реагентами, а в конце процесса он восстанавливается до первоначального состояния. Когда две или больше химических реакции идут последовательно или параллельно, катализатор может играть селектирующую роль, ускоряя одну реакцию относительно других [3].

Существует два основных типа катализаторов. Гомогенные катализаторы находятся в той же фазе, что и реагенты, обычно пребывающие в газовой фазе или в жидком растворе. Гетерогенные катализаторы находятся в фазе, отличной от реагентов, и отделены от них газовой границей. Гетерогенные каталитические реакции обычно имеют место на поверхности твердых катализаторов, типа оксидов кремния или алюминия, имеющих из-за пористой или губчатой структуры очень высокую удельную поверхность. Поверхность этих катализаторов насыщена кислотными центрами или покрыта каталитически активным материалом типа платины, а скорость реакции обычно пропорциональна площади покрытой платиной доступной поверхности. Множество реакций в биологии _етализируются биологическими катализаторами, называемыми ферментами. Например, специфические ферменты могут разлагать большие молекулы на несколько меньших, добавлять функциональные группы к молекулам или инициировать оксилительно-восстановительные реакции. Ферменты обычно специфичны для конкретной реакции.

Катализ может играть две основные роли в нанотехнологии: 1 - катализаторы могут использоваться в некоторых методиках получения квантовых точек, нанотрубок и множества других наноструктур; 2 - некоторые наноструктуры сами могут служить катализаторами для отдельных химических реакций [4].

В качестве примера можно рассмотреть коллоиды и столбчатые глины.

Глины - тип слоистых материалов с промежутками между слоями, которые могут адсорбировать молекулы воды или положительные и отрицательные ионы, то есть катионы и анионы. В них может происходить ионный обмен с внешней средой.

Один из методов получения столбчатых глин использует суспензию глины в растворе, содержащем ионы Кеггина (рисунок 5) , с контролируемой кислотностью pH и отношением OH-/Al. Часть начального заряда иона (+7) компенсируется при образовании столбиков и связей с силикатными слоями. Сами столбики могут рассматриваться как цилиндры диаметром 1,1 нм. На каждый столбик приходится приблизительно 6,5 элементарных ячеек сапонита, содержащих кислород в качестве . Беря значение А=3,15 нм2 для площади 6,5 элементарных ячеек силикатного слоя, можно оценить расстояние между соседними столбиками. Если считать, что столбики образуют квадратную решетку, то расстояние между центрами ближайших столбов , а если они расположены на правильной треугольной или шестиугольной решетке, то расстояние между ними взяв среднее этих двух значений, можно получить величину свободного пространства между столбиками порядка 0,74 нм. Экспериментальные измерения показывают, что в получающейся столбчатой глине расстояние между слоями составляет 1,85 нм, удельная поверхность - 250 м2/г и объем пор - 0,2 см3/г.

Рисунок 5 - Схема структуры иона Кеггина с одной тетраэдрической группой AlO4 в центральном положении, окруженной 12 группами AlO6

Важной особенностью столбчатых глин, вносящей вклад в их каталитические свойства, является присутствие кислотных центров Льюиса или Бренстеда. При нагреве столбчатой глины для компенсации отрицательных зарядов слоев от молекул воды и гидроксильных групп отщепляются протоны, а столбики стремятся к электрической нейтральности, что и приводит к генерированию кислотных центров Бренстеда. Кислотные центры Льюиса образуются на слоях при формировании дефекта и на столбиках при удалении ОН групп. Для подтверждения присутствия этих центров на поверхности столбчатой глины на нее адсорбируют гетероциклическое соединение пиридин () и регистрируют инфракрасный спектр. Этот спектр показывает сильную полосу на 1453 см-1, возникающую от кислотных центров Льюиса, и более слабую - на 1550 см-1 от центров Бренстеда [5].

Наноразмерные частицы металлов обычно нерастворимы в неорганических или органических растворителях, но если они получены в коллоидной форме, они могут проявлять большую каталитическую активность. Коллоид - это взвесь частиц с размерами от 1 до 1000 нм, то есть большими, чем большинство обычных молекул, но все еще слишком маленькими, чтобы быть видимыми невооруженным глазом. Многие коллоидные частицы могут, однако, быть обнаружены по рассеянию света, как частицы пыли в воздухе. Эти мелкие частицы все время хаотично движутся, что называется броуновским движением. Оно является результатом столкновений с молекулами растворителя, которые сами находятся в непрерывном движении. Стабильности взвеси способствуют отталкивающие электростатические силы между частицами. Добавление соли к коллоиду может ослабить эти силы и вызвать агрегирование взвешенных частиц и, в конечном счете, выпадение их в осадок. Этот процесс осаждения коллоида называют флокуляцией. Некоторые обсуждаемые коллоидные системы относятся к коллоидным взвесям нерастворимых материалов (например, наночастиц) в органических жидкостях, и их называют органозолями. Аналогичные коллоидные взвеси в воде называют гидрозолями [6]. В качестве примера рассмотрим способ получения коллоидной взвеси в органических жидкостях.

Способ получения коллоидной взвеси в органических жидкостях состоит в том, чтобы стабилизировать металлическую частицу, используя липофильное ПАВ - галид тетраалкиламмония , где  - галоген, например хлор (Cl) или бром (Br), а  представляет алкиловую группу . Эта группа является углеводородным радикалом, образованным удалением атома водорода от концевого атома углерода линейной цепочки, или обычной алкановой молекулы с , обычно лежащим в диапазоне от 6 до 20.

Например, гексиловый радикал с


Является производной гексана


полученной удалением крайнего правого атома водорода, где точка "" на крайнем правом углероде гексила означает присутствие в атоме неспаренного электрона. Для того, чтобы стабилизировать металлическую наночастицу коллоида молекулы  расщепляют на катионы  и анионы  на металической поверхности, как показано на рисунке 6.

Рисунок 6 - Металлическая коллоидная частица, стабилизированная молекулами галида тетраалкиламмония NR4X

Металлические ядра различных диаметров от 1,3 до 10 нм можно получить, выбирая разные переходные металлы: Ru (1,3 нм), Ir (1,5 нм), Rh (2,1 нм), Pd (2,5 нм), Co, Ni, Pt (2,8 нм) , Fe (3,0 нм), Cu (8,3 нм) и Au (10 нм). Радиально расположенные вокруг металлического ядра углеводородные цепочки, как показано на рисунке 6, являются липофильными, то есть они притягиваются к органическим молекулам растворителя, образуя устойчивую взвесь в органических жидкостях. Аналогичная коллоидная взвесь в воде может быть получена прикреплением  группы к концу одной из углеводородных цепочек каждого  иона, что делает ее гидрофильной, или притягивающей воду, как показано на рисунке 7.

Рисунок 7 - Металлическая коллоидная частица, стабилизированная молекулами сульфобетаина

Это конкретное металлстабилизированное гидрофильное соединение называется сульфобетаин [7].

2. Технология получения наноструктурированных магнитных материалов в лабораторных условиях

Если за основу классификации методов получения наночастиц взять тип исходного вещества и особенности его обработки, можно выделить следующие основные подходы к формированию наночастиц:

получение из макроскопических материалов путем диспергирования;

химический синтез, то есть направленное изменение состава веществ с остановкой (тем или иным методом) роста новой фазы на стадии наноразмеров;

превращение наночастиц с изменением состава.

Последний путь пока мало распространен.

К настоящему времени разработан ряд общих методов синтеза наночастиц. Большинство из них можно использовать для получения магнитных частиц [8].

.1 Магнитные наночастицы  для биомедицинских применений

В настоящее время все более актуальными становятся исследования, связанные с получением предназначенных для биомедицинских применений нетоксичных магнитных наночастиц оксидов железа. Маггемит и магнетит, как и практически все ферриты, используемые в качестве дисперсной фазы в магнитных жидкостях, в отличие от многих других металлов и их соединений для человеческого организма практически безвредны. Получение магнитных наночастиц маггемита и магнетита с заданными свойствами интересны с различных точек зрения их биомедицинского применения, в частности, для доставки лекарств в организме человека, а также лечения рака с помощью гипертемии.

Для доставки лекарств и ряда других практически важных применений необходимо разработать методику, приводящую к максимальному увеличению площади поверхности магнитных наночастиц. Увеличение площади поверхности магнитных наночастиц может быть достигнуто с помощью использования приемов темплатного синтеза наночастиц на основе оксида железа (III) путем создания в них мезопористой структуры с размером пор около 6 нм. Для получения мезопористых наночастиц маггемита использовали метод микроэмульсий. Для пространственного ограниченного осаждения гидратированных оксидов железа (III) была выбрана система гептан-вода. В качестве мицеллообразующего агента, формирующего микрокристаллические матрицы, использовали цетилтриметиламмоний-бромид , в качестве осаждающего агента - раствор аммиака. Полученный микроэмульсионным методом порошок изотермически отжигали на воздухе при температурах 200 - 1000 °С в течение 20 минут с последующей закалкой (трубчатая печь Nabertherm).

Ключевым моментом в достижении требуемых магнитных характеристик образцов является поиск оптимальных режимов их термообработки, приводящих к формированию метастабильной гамма-модификации оксида железа (III).

По данным рентгенофазного анализа исходный порошок, полученный методом микроэмульсий, является рентгеноаморфным (М1). В зависимости от температуры изотермического отжига наблюдается преобладание  фазы или . В сравнительно узком диапазоне температур 350 - 400 °С удается добиться доминирования метастабильной магнитной фазы , которая содержит  лишь в качестве незначительной примеси. Дальнейшее увеличение температуры отжига ведет к значительному увеличению количества термодинамически стабильной фазы  (рисунок 8). Использование ПАВ при получении образцов оксида железа (III) существенно изменяет поверхностные свойства образцов.

Рисунок 8 - Рентгенофазовый анализ образцов, полученных методом микроэмульсий, после кратковременной термообработки (20 минут) при различных температурах: * - фаза ;  - фаза . М1 - рентгеноаморфный образец; образцы, полученные после отжига М1 при температуре 200 °С - М2, 300 °С - М3, 400 °С - М4, 500 °С - М5, 600 °С - М6, 1000 °С - М7

Взаимодействие неорганического прекурсора с мицеллообразующим ПАВ имеет важное значение в образовании мезопористых материалов. Так, магнитный образец М4 () характеризуется (рисунок 9) достаточно большой площадью поверхности 40 м2/г, которая в два раза выше площади поверхности образца, полученного в тех же условиях синтеза без добавления ПАВ. Подобная величина площади поверхности хорошо коррелирует со средним значением размеров ОКР, составивших 30 - 40 нм, что свидетельствует о высокой дисперсности частиц образца. Кроме того, образец содержит систему мезопор, что подтверждается кривой распределения пор по радиусам, среднее значение этого важнейшего параметра составило ~ 6 нм.

Рисунок 9 - Распределение пор по размеру для образца  (М4), рассчитанное из данных капиллярной адсорбции азота. На вставке приведены сорбционные характеристики образца М4 в сопоставлении с контрольным образцом, полученны без использования ПАВ

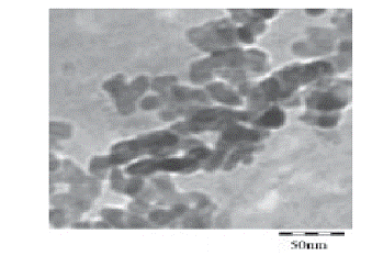
Таким образом, при темплатном синтезе с использованием микроэмульсий формируются мезопористые магнитные наночастицы  размером 20 - 25 нм (рисунок 10) с площадью поверхности 40 м2/г и средним размером пор около 6 нм, которые перспективны для доставки лекарств в организме человека благодаря возможности сорбции лекарственных препаратов на поверхности наночастиц.

Рисунок 10 - Микролитография ПЭМ наночастиц  (М4)

Также были получены наночастицы , стабилизированные олеиновой кислотой, в процессе термического разложения  в диоктиловом эфире, сопровождаемом контролируемым окислением образующихся наночастиц железа с помощью триметиламин N-оксида (рисунок 11). По данным РФА было установлено, что полученные наночастицы имеют структуру шпинели, а по составу отвечают  (рисунок 12).

Рисунок 11 - Синтез наночастиц  в инертной атмосфере

Рисунок 12 - РФА наночастиц  в олеиновой оболочке

На рисунке 13 представлены микролитографии наночастиц в олеиновой оболочке, средний размер частиц составляет 4 - 6 нм.

Рисунок 13 - Микрофотографии ПЭМ наночастиц  в олеиновой оболочке

Полученные наночастицы  перспективны для биомедицинских применений благодаря столь малому размеру полученных наночастиц и возможности дальнейшей модификации их поверхности, поскольку наночастицы изолированы в оболочке из олеиновой кислоты. Так, была показана возможность дальнейшей модификации полученных наночастиц  молекулами ДНК. На рисунке 14 представлены данные АСМ, показана самосборка наночастиц  на молекулах ДНК.

Рисунок 14 - Данные АСМ по наночастицам , обранными на молекулах ДНК

Таким образом, в настоящей работе представлены результаты по синтезу и свойствам наночастиц , предназначенных для биомедицинских применений [9].

Заключение

В данной курсовой работе мною была проведена работа по нахождению и описанию основных аспектов технологии получения, методов получения и применения ферромагнитных материалов, с целью дальнейшего более углубленного рассмотрения данных материалов в практических условиях.

Данная работа является фундаментом приобретения высоких профессиональных навыков и рассчитана на широкий круг читателей - инженеров, научных работников и студентов младших и старших курсов технических вузов.

Необходимая информация, приведённая в моей курсовой работе, служит для привлечения молодых предприимчивых студентов к активной творческой деятельности в данном развивающемся направлении.

Литература

1 A. Clearfield, "Preparation of Pillared Clays and Their Catalytic Properties", in Moser (2008), Chapter 14, p. 345

A. Lerf Intercalation Compounds in Layered Host Lattices: Supramolecular Chemistry in Nanodimensions, in Nalwa (2009), Vol. 5, Chapter 1, p.1

W. R. Moser, ed., Advanced Catalysts and Nanoslructured Materials, Academic Press, San Diego, 2009

H. S. Nalwa, ed., Handbook of Nanoslructured Materials and Nanotechnology, Vols. 1-5, Academic Press, Boston, 2010

S. Sugano and H. Koizumi, Microclusler Physics, Springer, Berlin, 1998

W. H. Weinberg, C. M. Reaves, B. Z. Nosho, R. l. Pelzel, and S. P. DenBaars, Strained-Layer Heteroepitaxy to Fabricate Self-Assemled Semiconductor Islands, in Nalwa (2009), Vol. 1, Chapter 6, p.300

J. L. Wilber and G. M. Whitesides, in nanotechnology, G. Timp, ed., Springer-Verlag, Berlin, 2009, Chapter 8

8 С.П. Губин, Ю.А. Кошкаров, Неорганические материалы, 38, 2002

9 International Scientific Journal for Alternative Energy and Ecology ISJAEE № 1 (45), 2007

Похожие работы на - Перспективы, применение и технология получения наноструктурированных ферромагнетиков

 

Не нашли материал для своей работы?
Поможем написать уникальную работу
Без плагиата!
Без нейросетей!