Особенности применения мезооптических систем к анализу рассеянного излучения
Содержание
Введение
1. Методы неразрушающего контроля
1.1 Классификация методов неразрушающего контроля
1.2 Акустический контроль
1.3 Магнитный метод неразрушающего контроля
1.4 Визуально-измерительный метод контроля
2. Рассеяние излучения на шероховатой поверхности
2.1 Неровности поверхности
2.2 Высотные параметры неровностей поверхности
2.3 Шаговые параметры неровностей поверхности
2.4 Структурные параметры неровностей поверхности
2.5 Определение параметров шероховатой поверхности
2.6 Методы контроля параметров профиля шероховатости
2.7 Теория светорассеяния
2.8 Метод интегрирующей сферы
3. Применение средств оптической обработки информации для анализа
рассеяного излучения
3.1 Мезооптические системы
3.2 Фотометрический контроль состояния поверхности
3.3 Применение мезооптических систем для анализа рассеянного
излучения
Заключение
Приложение A
Введение
Все реальные тела в той или иной
мере шероховаты. Этим объясняется повышенный интерес к теории рассеяния волн
шероховатыми поверхностями, которая стала актуальной и интенсивно развивающейся
областью статистической теории дифракции и распространения волн. Теория
рассеяния на статистически неровных поверхностях применяется в самых различных
областях современной физики - в радиофизике, акустике, оптике, радио и
гидролокации, радиоастрономии, физике твердого тела, сейсмологии.
Затруднительно даже простое перечисление задач, решение которых требует
привлечения теории рассеяния волн шероховатыми поверхностями. Прежде всего, это
задачи, связанные с рассеянием электромагнитных волн различных диапазонов - от
сверхдлинных радиоволн до волн СВЧ и оптического диапазонов, распространяющихся
над пересеченной местностью или над взволнованной поверхностью моря. Нужно
отметить вопросы рассеяния звуковых волн на поверхности моря и на морском дне,
проблемы рассеяния ультразвука на поверхности твердого тела, вопросы передачи
звуковой и электромагнитной анергии по волноводам с шероховатыми стенками, в
том числе по естественным волноводам, таким, как Земля - ионосфера, приповерхностный
звуковой канал и др. Большой интерес представляет также рассеяние упругих волн
на неровных границах раздела, влияние неровностей больших зеркальных антенн на
характеристики радиотелескопов, рассеяние радиолокационных сигналов на
поверхности Луны, искажение лазерных лучков неровностями зеркал и т. д.
Первые попытки дать количественное
объяснение рассеянию света матовыми поверхностями [1] мы находим еще у Бугера.
Представляя шероховатую поверхность как совокупность выступов и впадин,
распределенных случайным образом, П. Бугер считал, что микрограни этих
неровностей отражают свет как миниатюрные зеркала по закону «угол отражения
равен углу падения», а распределение отраженного света в пространстве
определяется углом падения света и углами наклона отдельных микрограней. Эта
модель легла в основу опытов и теоретических рассуждений П. Бугера, который
определял зависимость распределения микрограней по углам наклона. Для этого в
обратном направлении по отношению к падающему световому пучку измерялась
яркость шероховатой пластинки при разных углах наклона. Сущность опытов
состояла в следующем: две одинаковые пластинки, установленные рядом, освещались
одним источником света, и их яркость наблюдалась одновременно. Одна пластинка
наклонялась по отношению к падающему пучку света, а вторая освещалась по
нормали к ее поверхности. Яркость наклоняемой пластинки по мере увеличения угла
наклона уменьшалась, и относительная величина яркости оценивалась с помощью
второй пластинки, устанавливаемой на таком расстоянии от источника, на котором
ее яркость уравнивалась с яркостью исследуемой пластинки. Пользуясь законом
обратных квадратов расстояний, П. Бугер смог оценить яркость наклоняемой
пластинки по отношению к ее максимальному значению, которое наблюдалось при
падении света по нормали к пластинке. По существу это были первые
фотометрические опыты, в которых определялась яркость рассеянного света как
функция угла. В этих опытах П. Бугер определил индикатрису яркости света,
отраженного в направлении, обратном направлению падающего пучка при различных
углах наклона исследуемой пластинки. Затем П. Бугер нашел зависимость
распределения микрограней по углам наклона, считая, что количество света,
отраженного в том или ином направлении, пропорционально отражающей площади, а
коэффициент отражения света не зависит от угла падения.
Полученные П. Бугером количественные
результаты следует рассматривать как первое и грубое приближение, так как
только у металлической пластинки распределение отраженного света определяется
ее микротопографией. У образцов из гипса и голландской бумаги отраженный свет
состоит из двух частей-внутренней, отраженной теми слоями, которые находятся
под поверхностью, и внешней, отраженной самой поверхностью. В связи с этим
индикатрису рассеяния у этих образцов нельзя рассматривать как функцию только
внешней компоненты.
Однако волновая картина, правда, в
случае рассеяния па синусоидальной поверхности, была дана значительно позже
Рэлеем, который предложил приближенный метод расчета рассеянного поля. Теория,
учитывающая статистический характер неровностей, была впервые развита на основе
метода Рэлея Мандельштамом, Андроновым и Леонтовичем в связи с задачей о
рассеянии света на тепловых флуктуациях поверхности жидкости. Наиболее бурно,
однако, теория стала развиваться с начала 50-х годов, главным образом в связи с
новыми идеями и методами, привнесенными работами советских ученых Л.М.
Бреховских, М.А. Исаковича, Е.Л. Фойнберга, Ф. Г. Еасса и др.
Л.И. Бреховских разработал теорию
отражения звуковых и электромагнитных волн от поверхностей с периодическими
неровностями [2]. На основе этой теории были рассчитаны индикатрисы отраженного
света, которые представляют собой систему дифракционных лепестков, занимающих
большую или меньшую угловую область. При этом симметрия относительно зеркального
направления наблюдается не всегда. Чем грубее поверхность, тем больше угол
рассеяния и тем значительнее отступление от симметрии.
Интерес к изучению шероховатой
поверхности возникал в связи с разными задачами:
) при отыскании материалов для
создания образцов сравнения (эталонов) в фотометрических измерения;
) при попытках разработать методы
измерения блеска (глянца) поверхности;
) при исследованиях рассеяния
электромагнитных излучений поверхностью.
Целью дипломной работы является
исследование особенностей применения аксиально-симметричных оптических
элементов с конической либо тороидальной преломляющей поверхностью в качестве
селектора рассеянного излучения при фотометрическом контроле.
Задачами дипломной работы является
моделирование измерительной установки, а так же исследование аппаратной функции
конической, сфероконической и тороидальной линзы.
1. Методы неразрушающего контроля
.1 Классификация методов
неразрушающего контроля
Методы неразрушающего контроля
базируются на наблюдении, регистрации и анализе результатов взаимодействия
физических полей (излучений) или веществ с объектом контроля, причем характер
этого взаимодействия зависит от химического состава, строения, состояния
структуры контролируемого объекта и т.п.
Все методы неразрушающего контроля
являются косвенными методами. Настройка, калибровка должны осуществляться по
контрольным образцам, имитирующим измеряемый физический параметр. Метода,
который бы мог обнаружить самые разнообразные по характеру дефекты нет. Каждый
отдельно взятый метод неразрушающего контроля решает ограниченный круг задач
технического контроля.
Выбор оптимального метода
неразрушающего контроля следует осуществлять исходя из его:
) реальных особенностей;
) физических основ;
) степени разработки;
) области применения;
) чувствительности;
) разрешающей способности;
) технических условий отбраковки;
) технических характеристик
аппаратуры.
Измерительная система средств
неразрушающего контроля должна быть скомплектована из прибора, преобразователя
и контрольного образца.
Раскомплектовка измерительной
системы недопустима и ведёт к изменению метрологических характеристик.
Важной характеристикой любых методов
неразрушающего контроля является их чувствительность. Чувствительность -
выявление наименьшего по размерам дефекта; зависит от особенностей метода
неразрушающего контроля, условий проведения контроля, материала изделий.
Удовлетворительная чувствительность для выявления одних дефектов может быть
совершенно непригодной для выявления дефектов другого характера.
Чувствительность методов
неразрушающего контроля к выявлению одного и того же по характеру дефекта
различна.
При определении предельно допустимой
погрешности выбранного метода неразрушающего контроля следует обязательно
учитывать дополнительные погрешности, возникающие от влияющих факторов:
) минимального радиуса кривизны
вогнутой и выпуклой поверхностей;
) шероховатости контролируемой
поверхности;
) структуры материала;
) геометрических размеров зоны
контроля;
) других влияющих факторов указанных
в инструкциях для конкретных приборов.
В зависимости от физических явлений,
положенных в основу методов неразрушающего контроля, они подразделяются на
десять основных видов: акустический, магнитный, вихретоковый, проникающими
веществами, радиоволновый, радиационный, оптический, тепловой и электрический,
визуально-измерительный метод контроля.
.2 Акустический контроль
К акустическим методам
неразрушающего контроля относят обширную область испытания материалов и
изделий, основанную на применении упругих колебании и волн, точнее, на
регистрации параметров упругих волн, возбуждаемых или возникающих в объекте
неразрушающего контроля. Для акустического метода неразрушающего контроля
применяют колебания ультразвукового и звукового колебания диапазонов частотой
от 50 Гц до 50 МГц. Интенсивность колебаний обычно невелика, не превышает 1
кВт/
.
Такие колебания происходят в области упругих деформаций среды, где напряжения и
деформации связаны пропорциональной зависимостью.
Методы неразрушающего
акустического контроля широко применяют благодаря ряду их преимуществ: волны
легко вводятся в объект контроля, хорошо распространяются в металлах, бетоне и
других материалах; эффективны при выявлении дефектов с малым раскрытием,
чувствительны к изменению структуры и физико-механических свойств материалов,
не представляют опасности для персонала. Использование различных типов волн
(продольных, поперечных, поверхностных, нормальных и других) расширяет
возможности акустических методов неразрушающего контроля.
Мировой опыт показывает,
что использование средств ультразвукового неразрушающего контроля в
машиностроении, металлургии, энергетике, строительстве, транспортной
промышленности способствует улучшению качества продукции, обеспечению
безаварийной эксплуатации энергетических установок и транспортных средств,
повышению производительности труда, снижению материалоемкости конструкций и
сооружений, улучшению качества выпускаемой продукции, экономии сырьевых и
трудовых ресурсов.
Акустический метод
неразрушающего контроля находит свое применение в различных областях:
котлонадзор, системы газоснабжения, подъемные сооружения, объекты горнорудной
промышленности, объекты угольной промышленности, нефтяная и газовая
промышленность, металлургическая промышленность, оборудование взрывопожароопасных
и химически опасных производств, объекты железнодорожного транспорта, объекты
хранения и переработки зерна.
Из акустических методов
неразрушающего контроля наибольшее практическое применение находит эхо-метод.
Около 90% объектов, контролируемых акустическими методами неразрушающего
контроля, проверяют эхо-методом, применяя различные типы волн. С его помощью
решают задачи дефектоскопии поковок, отливок, сварных соединений, многих
неметаллических материалов. Эхо-метод используют также для измерения размеров
изделий.
Зеркально-теневой метод
акустического контроля используют вместо или в дополнение к эхо-методу для
выявления дефектов, дающих слабое отражение ультразвуковых волн в направлении
раздельно-совмещенного преобразователя (например, вертикальные трещины).
Эхо-зеркальный метод
акустического контроля также применяют для выявления дефектов, ориентированных
перпендикулярно поверхности ввода. При этом он обеспечивает более высокую
чувствительность к таким дефектам, но требует, чтобы в зоне расположения
дефектов был достаточно большой участок ровной поверхности. В рельсах,
например, это требование не выполняется, поэтому там возможно применение только
зеркально-теневого метода. Эхо-зеркальный метод в варианте "тандем"
используют для выявления вертикальных трещин и непроваров при неразрушающем
контроле сварных соединений. Дефекты некоторых видов сварки, например, непровар
при электронно-лучевой сварке, имеют гладкую отражающую поверхность, очень
слабо рассеивающую ультразвуковые волны, но такие дефекты хорошо выявляются
эхо-зеркальным методом.
Вариант "косой
тандем" применяют, когда расположение преобразователей в одной плоскости
затруднительно. Его используют, например, для выявления поперечных трещин в
сварных швах.
Дельта и
дифракционно-временной методы также используют для получения дополнительной
информации о дефектах при неразрушающем контроле сварных соединений.
Теневой и эхо-сквозной
методы используют только при двустороннем доступе к изделию, для
автоматического контроля изделий простой формы, например, листов в иммерсионной
ванне. Теневой метод применяют также для контроля изделий с большим уровнем
структурной реверберации, т.е. шумов, связанных с отражением ультразвука от
неоднородностей, крупных зерен, дефектоскопии многослойных конструкций и
изделий из слоистых пластиков.
Локальный метод
вынужденных колебаний применяют для измерения малых трещин при одностороннем
доступе.
Интегральный метод
вынужденных колебаний применяют для определения модулей упругости материала по
резонансным частотам продольных, изгибных или крутильных колебаний образцов
простой формы, вырезанных из материала изделия, т.е. при разрушающих
испытаниях. В последнее время этот метод используют также для неразрушающего
контроля небольших изделий: абразивных кругов, турбинных лопаток.
Интегральный метод
свободных колебаний используют для проверки бандажей вагонных колес или
стеклянной посуды "по чистоте звона" с субъективной оценкой
результатов на слух.
Реверберационный,
импедансный, велосимметрический, акустико-топографический методы и локальный
метод свободных колебаний используют в основном для контроля многослойных
конструкций. Реверберационным методом обнаруживают, в основном, нарушения
соединений металлических слоев (обшивок) с металлическими или неметаллическими
силовыми элементами или наполнителями. Импедансным методом выявляют дефекты
соединений в многослойных конструкциях из композиционных полимерных материалов
и металлов, применяемых в различных сочетаниях. Велосимметрическим методом и
локальным методом свободных колебаний контролируют, в основном, изделия из
полимерных композиционных материалов. Акустико-топографический метод применяют
для обнаружения дефектов преимущественно в металлических многослойных
конструкциях (сотовые панели, биметаллы и т.п.).
Вибрационно-диагностический
и шумо-диагностический методы служат для диагностики работающих механизмов.
Метод акустической эмиссии применяют в качестве средства исследования
материалов, конструкций, контроля изделий (например, при гидроиспытаниях) и
диагностики во время эксплуатации. Его важными преимуществами перед другими
методами контроля является то, что он реагирует только на развивающиеся,
действительно опасные дефекты, а также возможность проверки больших участков
или даже всего изделия без сканирования его преобразователем. Основной его
недостаток как средства контроля - трудность выделения сигналов от
развивающихся дефектов на фоне помех
.3 Магнитный метод
неразрушающего контроля
Магнитный метод
неразрушающего контроля - вид контроля, основанный на анализе взаимодействия
магнитного поля с контролируемым объектом.
В магнитный вид
неразрушающего контроля входят методы: магнитопорошковый, феррозондовый,
магнитографический и другие.
Магнитопорошковый метод
основан на регистрации магнитных полей рассеяния над дефектами с использованием
в качестве индикатора ферромагнитного порошка или суспензии.
Феррозондовый метод
контроля основан на измерении напряженности магнитного поля, в том числе и
магнитных полей рассеяния, возникающих в зоне дефектов, феррозондами.
Магнитографический метод
неразрушающего контроля заключается в намагничивании зоны контролируемого
металла или сварного шва вместе с прижатым к его поверхности эластичным
магнитоносителем (магнитной лентой). Фиксации на магнитоносителе возникающих в
местах дефектов полей рассеяния и последующим воспроизведении полученной
записи.
Считывание магнитных
отпечатков полей дефектов с магнитной ленты осуществляется в дефектоскопах.
Магнитные методы
неразрушающего контроля решают следующие задачи:
) магнитопорошковый
метод предназначен для выявления поверхностных и под поверхностных (на глубине
до (1,5... 2) мм) дефектов типа нарушения сплошности материала изделия:
трещины, волосовины, расслоения, не проварка стыковых сварных соединений,
закатов и т.д.;
) этим методом можно контролировать
изделия любых габаритных размеров и форм, если магнитные свойства материала
изделия (относительная максимальная магнитная проницаемость не менее 40)
позволяют намагничивать его до степени, достаточной для создания поля рассеяния
дефекта, способного притянуть частицы ферромагнитного порошка;
) феррозондовый метод
контроля применяется для выявления поверхностных и под поверхностных (глубиной
до 10 мм) дефектов типа нарушения сплошности материала: волосовины, трещин,
раковин, закатов, плен и т.п., а также для выявления дефектов типа нарушения
сплошности сварных соединений и для контроля качества структуры и
геометрических размеров изделий, используется для определения степени
размагниченности изделий после магнитного контроля;
) этот метод можно применять
на изделиях любых размеров и форм, если отношение их длины к наибольшему
размеру в поперечном направлении и их магнитные свойства дают возможность
намагничивания до степени, достаточной для создания магнитного поля рассеяния
дефекта, обнаруживаемого с помощью преобразователя;
) магнитографическим
методом контроля выявляют дефекты типа нарушения сплошности материала изделий,
в основном для контроля сварных стыковых соединений из ферромагнитных
материалов при их толщине от 1 до 18 мм.
1.4 Визуально-измерительный
метод контроля
Для выявления дефектов
так же используют визуальный и измерительный контроль. Неразрушающий контроль
начинают с проведения визуального измерительного контроля. Визуальный
измерительный контроль проводят с использование оптических систем с
формированием пучков световых лучей, отражённых от поверхности изделия. При
визуальном измерительном контроле используются: микроскопы, эндоскопы, линзы,
радиусные шаблоны, измерительные щупы, угломеры и т.п. В ситуациях, когда
температура или химическая среда представляют опасность, или, когда
конфигурация объекта контроля не позволяет контролировать, используют
промышленные телевизионные системы, включающие телевизионную установку,
световой прибор и систему транспортировки. Такие системы называют комплексами
дистанционного визуального контроля. В таких системах протекают следующие
физические процессы: световое излучение, регулируемое световым прибором и
отражённое от поверхности объекта контроля, воздействует на первичный
преобразователь и преобразуется в первичные сигналы, передающиеся по каналу
связи. Во вторичном преобразователе электросигналы преобразуются в световые
изображения, воспринимаемые глазом человека.
Измерительный контроль -
вторая часть визуального измерительного контроля. Измерением называют
нахождение, значение физической величины опытным путём с помощью средств
измерения. На выбор измерительных средств оказывают влияние метрологические
показатели: цена деления шкалы, диапазон измерений, предел допустимой
погрешности средств измерений, допустимая погрешность средств измерений,
пределы измерений и нормативные условия. Погрешностью измерения называют
отклонение результата измерения от истинного значения. По сравнению с другими
методами неразрушающего контроля визуальный контроль легко применим и
относительно недорог. Доказано, что этот метод контроля является надежным
источником точной информации о соответствии сварных изделий техническим
условиям. Этот вид контроля отличается от других видов неразрушающего контроля
границами спектральной области электромагнитного излучения, используемого для
получения информации об объекте. Видимое излучение (свет) - излучение, которое
может непосредственно вызывать зрительное ощущение. И действительно, визуальный
контроль - это единственный неразрушающий метод контроля, который может
выполняться и часто выполняется без какого-либо оборудования и проводится с
использованием простейших измерительных средств. Ввиду того, что некоторые
технические средства визуального и измерительного контроля доступны каждому, а
сама процедура контроля кажется достаточно простой, предполагают, что любое
обсуждение этого метода может быть простым и быстрым. Фактически же, визуальный
и измерительный контроль является таким же современным сложным видом контроля,
как радиационный и ультразвуковой. Для эффективного выявления дефектов
специалисты по любому виду неразрушающего контроля должны уметь выбрать подход,
разработать методику проведения испытания и создать необходимые приспособления.
Кроме того, эти специалисты должны соответствующим образом подготовить
технический персонал для проведения требуемого испытания и обработки его
результатов. В процессе изготовления и монтажа сварных конструкций осуществляют
систематический контроль качества производства сварочных работ - предварительный
контроль и контроль готовых сварных соединений.
2. Рассеяние излучения
на шероховатой поверхности
.1 Неровности
поверхности
На поверхности изделий и
их деталей возникают неровности в результате выполнения технологических
процессов изготовления и последующей эксплуатации [3].
Эксплуатационные
воздействия, определенным образом связанные с технологически полученными
неровностями, выражаются в истирании или разрушении поверхностей
соответствующих деталей и тем самым приводят к завершению срока службы изделий.
Это особенно отчетливо проявляется на рабочих поверхностях деталей машин и
приборов.
Технологические факторы,
вызывающие неровности поверхности, одновременно влияют на другие показатели
физического состояния поверхности. К ним относятся наклеп, остаточные
напряжения, микротрещины, структурное состояние и т. д. Упрочнение и
разупрочнение поверхностного слоя деталей обусловливается комплексом всех
физических характеристик.
Неровности поверхности
по традиции подразделяют на шероховатость и волнистость. К ним относятся также
и некоторые отклонения формы. Например, из волн в поперечных сечениях
цилиндрических деталей выделяют огранку - неровности, повторяющиеся на длине
окружности реже, чем неровности, относимые к волнистости. Эти подразделения складывались
в процессе изучения неровностей под влиянием развития техники измерений.
Еще в прошлом столетии
были опубликованы первые работы по выявлению зависимости высоты неровностей
поверхности от геометрических параметров инструмента и режимов обработки.
Впоследствии было установлено, что на неровности оказывают также влияние
упругие искажения, пластические деформации и разрушение, обусловливающее
вырывание частиц из нижележащего слоя, толчки, дрожания, вибрации и т. д.
В качестве шаговой
границы между шероховатостью и другими видами неровностей была регламентирована
так называемая «базовая длина» - длина
базовой линии,
используемая для выделения неровностей, характеризующих шероховатость
поверхности, т. е. совокупность неровностей поверхности с относительно малыми
шагами на базовой длине.Наиболее употребительными базовыми длинами и до
настоящего времени являются
мм и
мм.
Таким образом, физически
обоснованной, а тем более естественной физической границы между шероховатостью,
с одной стороны, и волнистостью поверхности как совокупностью неровностей с
шагами, превышающими базовую длину, - с другой, не имеется. Во всяком случае
она пока не выявлена.
При выбранной базовой
длине с помощью различного рода фильтров (механических, электрических и др.)
можно выделить шероховатость и волнистость из общей совокупности неровностей
поверхности. Шероховатость и волнистость выделяют автоматически, например при
измерениях и записях неровностей посредством частотных фильтров, встроенных в
рассматриваемые далее электромеханические профилометры.
Не имеется чёткой
физической границы также между волнистостью и огранкой, при которой реальный
профиль поперечного сечения цилиндрической детали представляет собой
многогранную фигуру. Потребность и возможность разделения волнистости и огранки
возникла опять таки с развитием техники измерения некруглости щуповым методом.
Однако в настоящее время имеются лишь отдельные предложения, относящиеся к
разграничению волнистости и огранки поверхности по числу
неровностей
на длине окружности, ограничивающей поперечное сечение детали, причем
зависимость шага SH неровностей от радиуса r детали определяется соотношением
(1)
В различных предложениях
граничные значения
сильно
отличаются друг от друга, например, предлагались значения 4, 8, 15 и т. д.
Были и другие
предложения по разграничению неровностей: по происхождению, по отношению высоты
к шагу и т. д. Однако их еще труднее оправдать.
Современная
измерительная аппаратура позволяет отделить друг от друга неровности,
повторяющиеся неодинаковое число раз по длине окружности.
Шероховатость и
волнистость профиля поверхности имеют сложные спектральные составы, причем сами
шаги и отвечающие им высоты неровностей варьируют по длине профиля и, конечно в
еще большей мере на разных профилях поверхности одной детали, а тем более в
совокупности деталей.
Поэтому еще в самом
начале развития нормирования и контроля неровностей поверхности возникла идея
количественной оценки неровностей в виде неких средних величин Такие оценки,
определяемые на профилях, к настоящему времени стали традиционными, они фигурируют
в национальных стандартах различных стран и в международной нормативной
документации.
.2 Высотные параметры
неровностей поверхности
Количественными
показателями неровностей поверхности служат:
параметры высоты,
характеризующие размеры неровностей по нормали к базе отсчета;
параметры шага,
характеризующие расстояния между неровностями вдоль базы отсчета;
структурные параметры,
характеризующие строение и форму неровностей.
Из параметров высоты
наибольшее распространение с 40-х годов текущего столетия имеет среднее
арифметическое отклонение профиля Ra, представляющее собой среднее
арифметическое абсолютных значений отклонений профиля от базовой линии (по
нормали к ней) в пределах базовой длины
(2)
Где x - абсцисса
профиля, отсчитываемая по базовой линии;(x) - функция, описывающая профиль;
(i=1,2,..,n) - ординаты
n учитываемых точек профиля в пределах базовой длины; - базовая длина.
Этот параметр
геометрически интерпретируется высотой прямоугольника, построенного на базовой
длине и равновеликого по площади фигуре, очерченной профилем неровностей и его
средней линией.
Параметр Ra известен под
названием эмпирического среднего абсолютного отклонения
(3)
Где
(i=1,2,..,n)
- выборочные значения рассматриваемой случайной величины y (в данной связи
случайной величиной является ордината профиля поверхности);- выборочное среднее
арифметическое значение (оно обращается в нуль, если за начало отсчета выбрать
среднюю линию, которая, как известно, проходит через точку
).
Этот статистический
параметр вышел из употребления вследствие того, что по своим аналитическим
свойствам и как характеристика рассеивания значительно уступает среднему
квадратическому отклонению. При нормировании же неровностей поверхности среднее
квадратическое отклонение профиля от его средней линии, задаваемое формулой
(4)
ранее использовалось в
качестве высотного параметра, но с 60-х годов этот параметр был заменён на Ra.
Замена была сделана из соображений:
) большей наглядности
) большего удобства
измерения последнего, заключающегося в линейном преобразовании текущего
значения измеряемой величины, а не в квадратичном, как это требуется для
определения
.
Рисунок 1 - Геометрическая
интерпретация параметров высоты неровностей поверхности Ra и Rq как
характеристик рассеивания
Для измерений оптическими приборами,
о которых будет сказано в дальнейшем, параметры
и
не
подходят, так как требуют трудоемких операций. Поэтому применительно к этой
категории средств измерений неровностей применяли различные модификации
параметров общей высоты неровностей Rmax. К последним относится, прежде всего
стандартизированная в СССР высота неровностей профиля по десяти точкам
, представляющая собой сумму средних арифметических абсолютных
отклонений точек пяти наибольших минимумов и пяти наибольших максимумов в
пределах базовой длины
(5)
Для средней линии, имеющей форму
отрезка прямой,
представляет
собой среднее расстояние между пятью высшими точками выступов и пятью низшими
точками впадин, находящимися в пределах базовой длины, измеренное от линии,
параллельной средней линии и не пересекающей профиль
(6)
где
-
расстояние от i-й высшей точки i-го выступа до линии, параллельной средней и не
пересекающей профиль;
- расстояние от низшей
точки i-й впадины до той же линии.
За рубежом используют в
качестве высотных параметров еще расстояния Rp и Rv от высшей и низшей точек
профиля неровностей до его средней линии, причем для их измерения имеется
соответствующая аппаратура. Назовем Rp высотой сглаживания (в некоторых
иностранных стандартах она называется глубиной сглаживания и обозначается G) и
Rv - глубиной сглаживания, причем, очевидно, имеем соотношение
(7)
Рисунок 2 -
Геометрическая интерпретация параметров высоты неровностей поверхности Rz,
Rmax, Rp
Общим недостатком
рассмотренных высотных параметров является то, что не только их числовые
значения, но и направление измерения зависят от произвольно выбираемой в каждом
отдельном случае величины базовой длины. Этот недостаток в некоторой мере
компенсируется при физико-техническом обосновании выбора значения базовой
длины. Однако и в этом случае имеет место погрешность
определения
той составляющей суммарной высоты
неровностей. Если
составляющие суммарной высоты определяются по профилограмме, то величина
возрастает с увеличением коэффициента горизонтального сжатия профиля. Ее можно
определить следующим соотношением:
(8)
Наименьшие значения
отношения
имеют
место при точении, а наибольшие при полировании.Если с некоторым запасом
принять
и
,
то по формуле получим
а потому при обычных условиях значение
можно принять за
достаточно близкое к наибольшему предельному.
.3 Шаговые параметры
неровностей поверхности
Базовая длина уже
является своеобразным шаговым параметром, поскольку указывает для показателей
шероховатости поверхности наибольшее возможное значение шага тех составляющих
профиля, которые учитываются при измерениях. Однако фактически в профиле таких
составляющих может и не быть. Шаговыми параметрами в прямом смысле являются
средний шаг неровностей
и
средний шаг неровностей по вершинам
.
Средний шаг неровностей
определяется
по средней линии как длина отрезка средней линии, пересекающего профиль в трех
соседних точках и ограниченного двумя крайними точками этого отрезка. Крайние
из трех точек, очевидно, являются двумя такими соседними точками пересечения, в
которых профиль неровностей, пересекая среднюю линию, опускается вниз (или
поднимается ввepx). Иными словами, это две соседних соответственных точки
профиля. Расстояние же между соседними соответственными («правыми» или «левыми»)
точками отвечает обычному пониманию шага (резьбы, зубчатого колеса и т. д.).
Шаг усредняется на базовой длине, и среднее арифметическое значение шага служит
числовым значением параметра
на этой длине. Таким
образом, для среднего шага
имеется соотношение
(9)
где
-
длина отрезка средней линии между первым пересечением и последним нечетным
пересечением ее профилем в пределах базовой длины;
- число пересечений
средней линии профилем в тех же пределах, считая с первого по последнее
нечетное пересечение. Имеется в виду, что от первого пересечения ведется счет
порядковых номеров пересечений.
Средний шаг неровностей
по вершинам s представляет собой среднее арифметическое значение длины отрезка
средней линии между проекциями на нее двух наивысших точек соседних выступов
профиля или среднее расстояние между наивысшими точками вершин, измеренное по
направлению средней линии профиля, т. е.
(10)
где
-
длина отрезка средней линии между проекциями наивысших точек первого и
последнего выступов профиля в пределах базовой длины;
- число выступов профиля
в тех же пределах.
По аналогии с шагами
неровностей, ограниченными базовой длиной, можно рассматривать пока еще не
регламентированный средний шаг волн, т. е. средний крупный шаг
определяемый
по формуле
(11)
где
-
рабочая длина профиля;
- число гребней волн на
рабочей длине.
.4 Структурные параметры
неровностей поверхности
Из структурных параметров
неровностей поверхности стандартизирована относительная опорная длина профиля
на
уровне
сечения
профиля, выражающаяся в процентах от базовой длины. Уровень
откладывается
от линии выступов и выражается в свою очередь в процентах от максимальной
высоты профиля Rmax. Опорная длина
представляет собой
сумму отрезков в пределах базовой длины, отсекаемых на заданном уровне
в
материале выступов профиля линией, эквидистантной средней линии. Если уровень
плавно
изменять от 0 до 100%, то относительная опорная длина
будет
также изменяться в пределах от 0 до 100%. Кривую, описывающую это изменение,
обычно называют опорной кривой. За рубежом она известна под названием кривой
Аббота. Отвечающую ей функцию можно записать в виде
(12)
Опорная кривая
характеризует структуру неровностей поверхности в том смысле, что показывает
закономерность нарастания площади опоры в выбранном сечении при сближении (в
процессе контактирования) абсолютно гладкого тела с данной поверхностью,
имеющей неровности (ее еще называют шероховатой поверхностью). Такая
характеристика важна во многих рассматриваемых далее условиях эксплуатации
деталей машин.
Относительная опорная
длина
характеризует
лишь единичное значение опорной кривой на одном каком-то уровне, т. е. при
единичном значении аргумента
функции
.
Ясно, что такие единичные значения для различных поверхностей могут совпадать
при существенно отличающихся друг от друга их опорных кривых.
.5 Определение
параметров шероховатой поверхности
В предыдущих пунктах
было показано, что оптические свойства шероховатой поверхности являются
функциями ее статистических параметров: среднеквадратического отклонения точек
профиля поверхности от средней линии σ,
корреляционного интервала а и среднеквадратического наклона микрограней
.
Этими параметрами определяются интенсивность отраженного или рассеянного света
и пространственное его распределение. При практическом использовании
шероховатых поверхностей необходимо знать численные значения этих
характеристик.
Для определения
среднеквадратической высоты микронеровностей может быть использована
закономерность:
, (13)
где r - коэффициент
отражения;з - зеркальная составляющая отраженного потока;- интенсивность
падающего света.
Логарифмируя это
выражение, получаем
(14)
Если r в некоторой
области углов сохраняет постоянное значение, то уравнение (14) можно
представить графически в виде прямой, откладывая по оси абсцисс
,
а по оси ординат - ln Iз. Тангенс угла наклона этой прямой определяется по
формуле
(15)
Чтобы найти значение
,
нужно при выбранной длине волны λ и
углах падения Ψ1 и Ψ2 измерить зеркальную составляющую IЗ1 и IЗ2. Затем из двух
уравнений типа (14) можно получить следующую формулу для вычисления
:
(16)
Из формулы (16) следует,
что точность измерений
зависит
от точности измерения зеркальной составляющей и угла падения света. При
соответствующем выборе измерительного прибора и приемника и достаточно большом
сигнале приемника максимально возможная относительная погрешность для числителя
дроби, стоящей под корнем формулы (16), может быть не больше 0,5%. Большую
погрешность имеет знаменатель дроби: при углах Ψ < 40˚
эта погрешность составляет около 0,5%, а при углах Ψ
> 80˚ может достигать 10-15%.
.6 Методы контроля
параметров профиля шероховатости
Для измерения параметров
профиля разработаны различные методы, которые можно разделить на две группы -
контактную и бесконтактную. К первой относятся механические методы, в основе
которых лежит ощупывание поверхности с помощью иглы, ко второй - оптические,
позволяющие оценивать высоту микронеровностей и размеры шага. Оптические методы
измерения параметров профиля можно осуществлять с помощью двойного микроскопа
МИС 11 и микроинтерферометра МИИ 4. Если шероховатости представляют собой
систему продольных штрихов, то с помощью оптических приборов можно получить
достаточно точные значения отдельных высот и шагов, но использование их при исследовании
поверхностей со случайным распределением микронеровностей весьма
затруднительно, так как наблюдаемая с помощью таких приборов картина имеет
весьма сложный вид.
И контактные, и
оптические методы, основанные на использовании явления интерференции световых
лучей, следует считать локальными, так как получаемая при исследовании
информация относится к весьма малому участку поверхности. Интегральным можно
назвать рефлектометрический метод, основанный на связи между параметрами
поверхности и количеством отраженного от нее света. В этом случае отраженный
световой пучок дает информацию со значительного участка поверхности и
определяемый параметр является уже физически усредненным. Этот метод является
относительным и требует градуировки по образцам, параметры шероховатости
которых должны быть измерены другими методами. Подобного рода относительные
методы находят применение при оценке параметров шероховатости у однотипных
объектов.
По ГОСТ 2789-73 значения
Rz находятся в пределах от 1000 до 0,025 мкм; причем при значении 0,025 мкм
поверхность не является достаточно гладкой с точки зрения требований,
предъявляемых в современном оптическом приборостроении, где приходится иметь
дело с поверхностями, параметры которых значительно меньше. Методов и приборов
для определения параметров таких поверхностей в производственных условиях не
существует. Иногда для оценки качества подобного рода поверхностей используют
электронный микроскоп, который имеет свои особенности. С его помощью нельзя
рассматривать поверхность так же просто, как в оптический микроскоп. В этом
случае применяют особые приемы: например, снимают с поверхности реплику и затем
с помощью электронного микроскопа подвергают ее исследованию. Используется
также оттенение шероховатостей с помощью молекулярных пучков, благодаря которым
становится возможным определять высоту микронеровностей. Сложность оценки
параметров оптически гладкой поверхности с помощью электронного микроскопа не
позволяет применять его в производственных условиях.
.7 Теория светорассеяния
Рассеяние света -
изменение характеристик потока оптического излучения (света) при его
взаимодействии с веществом. Этими характеристиками могут быть пространственное
распределение интенсивности, частотный спектр, поляризация света. Часто
рассеяние света называется только обусловленное пространственной
неоднородностью среды изменение направления распространения света,
воспринимаемое как несобственное свечение среды.
Последовательное
описание рассеяния света возможно в рамках квантовой теории взаимодействия
излучения с веществом, основанной на квантовой электродинамике и квантовых
представлениях о строении вещества. В этой теории единичный акт рассеяния света
рассматривается как поглощение частицей вещества падающего фотона с энергией w,
импульсом k и поляризацией m, а затем испускание фотона с энергией w, импульсом
k' и поляризацией m'. Здесь w и w' - частоты фотонов, каждая из величин k и k'
- волновой вектор. Если энергия испущенного фотона равна энергии поглощённого
(w= w'), рассеяние света называется рэлеевским, или упругим. При w ¹
w' рассеяние света сопровождается перераспределением энергии между излучением и
веществом и его называют неупругим.
Во многих случаях
оказывается достаточным описание рассеяния света в рамках волновой теории
излучения. С точки зрения этой теории (называемой классической), падающая
световая волна возбуждает в частицах среды вынужденные колебания электрических
зарядов, которые становятся источниками вторичных световых волн. При этом
определяющую роль играет интерференция света между падающей и вторичными
волнами.
Количественной
характеристикой рассеяния света и при классическом, и при квантовом описании
является дифференциальное сечение рассеяния ds, определяемое как отношение
потока излучения dl, рассеянного в малый элемент телесного угла dW, к величине
падающего потока. Полное сечение рассеяния s есть сумма ds по всем dW. При
упругом рассеянии можно считать, что s - размер площадки, "не пропускающей
свет" в направлении его первоначального распространения. При классическом
описании рассеяние света часто пользуются матрицей рассеяния, связывающей
амплитуды падающей и рассеянных по всевозможным направлениям световых волн и
позволяющей учесть изменение состояния поляризации рассеянного света.
Неполной, но наглядной
характеристикой рассеяния света служит индикатриса рассеяния - кривая,
графически отображающая различие в интенсивностях света, рассеянного в разных
направлениях. Вследствие обилия и разнообразия факторов, определяющих рассеяние
света, весьма трудно развить одновременно единый и детальный способ его
описания для различных случаев. Поэтому рассматривают идеализированные ситуации
с разной степенью адекватности самому явлению.
Процесс прохождения
света через шероховатую поверхность исследовался главным образом на стеклах
[4]. Матированные стекла используются в оптике, для перераспределения световых
потоков. Так, при голографировании транспарантов перед последними устанавливают
рассеиватели, чтобы излучение от каждой точки объекта было распределено по всей
голограмме. При этом каждый участок голограммы будет содержать информацию обо
всем объекте. В приемных устройствах, чтобы избежать влияния неравномерности
чувствительности по площади приемника, также применяют матированные стекла в
целях «размазывания» направленного светового пучка на возможно большей площади
светочувствительной поверхности. Кроме того, в оптических приборах матированные
стекла применяются для получения равномерно освещенного поля зрения или
используются в качестве экранов, на которых фокусируется изображение рассматриваемого
объекта.
Интересная работа была
выполнена А. А. Гершуном и О. И. Поповым [5]. Предполагая, что поверхность
состоит из совокупности большого числа элементарных площадок, авторы считали,
что эти площадки по углам наклона распределены по определенному закону, который
выражается функцией распределения f(δ,ε)
где δ - угол между нормалью N' к микроплощадке и нормалью N к матовому
стеклу (рисунки 3 и 4); ε - азимутальный угол проекции нормали N' на плоскость ху
макроповерхности, отсчитываемый от оси х (рисунок 3).
Рисунок 3 - Схема
угловых координат наклона микроплощадок
Рисунок 4 - Ход луча
света через матовую поверхность при падении по нормали на полированную сторону
стекла
Если σ0
- площадь матового стекла, то площадь микроплощадок dσ,
нормали к которым лежат в телесном угле dω
около направления (δ,ε), равна:
. (17)
Решая задачу нахождения
яркости матового стекла как функции направления наблюдения и предполагая при
этом азимутальную симметрию распределения микроплощадок f(δ,ε)
= f(δ), авторы получили формулу, в которой относительная яркость
(18)
выражена через произведение
двух функций:
. (19)
Здесь
, (20)
. (21)
Для относительной силы
света формула будет иметь вид:
(22)
Через α
обозначен угол рассеяния луча, преломленного микроплощадкой,
нормаль N' которой образует угол δ с
нормалью N к матовому стеклу; п = п2/п1, где п1 и п2 - показатели преломления
окружающей среды и стекла соответственно (рисунок 4).
Приведенные формулы
относятся к случаю нормального падения естественного света на полированную
поверхность стекла (рисунок 4).
.8 Метод интегрирующей
сферы
Измерение коэффициента
диффузного отражения при направленном освещении осуществляется с помощью шара
[4], но при этом шар выполняет функцию интегратора диффузно отраженного
светового потока. Покрытие внутренних стенок шара должно обладать достаточно
высоким коэффициентом отражения и хорошо рассеивать падающий на него свет.
На рисунке 5
представлена схема устройства, работающая по этому принципу. Свет от источника
зеркалом через отверстие направляется в шар и падает на исследуемый образец.
Отраженный образцом свет, многократно отражаясь от стенок шара, создает на них
некоторую освещенность, измеряемую приемником. Пусть эта освещенность равна Е0.
Затем световой пучок направляется на образец сравнения коэффициент отражения
которого известен. При этом приемник зарегистрирует освещенность на стенках
шара. Отношение первого и второго отсчетов, умноженное на коэффициент отражения
образца сравнения, дает искомый коэффициент отражения. Это так называемый
относительный метод измерения. Метод этот прост, но для его осуществления
необходимо иметь образец сравнения (эталон) с известным и хорошо сохраняющимся
во времени коэффициентом отражения.
Рисунок 5 - Схема
приставки к спектрофометру для измерений коэффицента отражения с интегрирующей
сферой: 1 - отверстие; 2 - зеркало; 3 - приёмник; 4 - экран; 5 - исследемый
образец; 6 - шар
А.X. Тэйлор предложил
метод измерения абсолютных значений коэффициента диффузного отражения без
эталона. Идея этого метода состоит в следующем.
Пусть в шар проходит
направленный световой поток Ф и создает на его стенках равномерную освещенность
.Легко
вывести формулу, связывающую входящий в шар поток, освещенность, создаваемую на
его стенках
,
и коэффициент отражения стенок шара
. Это будет сумма членов
бесконечного убывающего ряда
(23)
Пусть далее входящий
поток падает на образец, коэффициент отражения которого необходимо найти. В
этом случае ряд и его сумма будут иметь следующий вид:
(24)
Отношение освещенностей
в том и другом случае определяет относительный коэффициент отражения
(25)
Допустим теперь, что в
ряде, представляющем освещенность
, первый член
отсутствует. Тогда сумма оставшихся членов будет иметь вид
(26)
Разделив выражение (26)
на соотношение (22), получим абсолютный коэффициент отражения исследуемого
образца
.
Практическое
осуществление метода А. X. Тэйлора сводится к следующему. Внутри шара
устанавливается экран, который закрывает приемник энергии от прямого попадания
лучей, отраженных образцом; при этом исключается первый член ряда (24).
Операция измерения производится так. Вначале световой пучок с помощью зеркала,
направляется на стенку шара. (экран при этом находится в верхнем положении) и
производится отсчет, пропорциональный освещенности
.
Затем поворотом зеркала пучок переводится на образец, экран устанавливается в
нижнее положение и снова производится отсчет, пропорциональный теперь
освещенности
.
Значение коэффициента отражения находят, разделив второй отсчет на первый.
Эффективность
интегрирующей сферы. Метод А. X. Тэйлора удобен тем, что позволяет получить
результат либо путем одного измерения (при двухлучевом устройстве), либо из
двух последовательных измерений (при однолучевом устройстве), при этом не
требуется эталон. Однако результаты, полученные с помощью этого метода, будут
правильными только в том случае, когда стенки шара являются идеальным
рассеивателем. В действительности фотометрические свойства реальных материалов,
которыми покрывается внутренняя поверхность шара, в той или иной степени
отличаются от свойств идеального рассеивателя. Существенную роль при этом
играет светопоглощательная способность покрытия, которая характеризуется
параметром
.
Из формулы (23) следует,
что чем меньше эта величина, или (что то же самое) чем больше коэффициент
отражения покрытия, тем больше освещенность, а вместе с тем и яркость стенок
шара. Параметр
,
представляющий собой отношение коэффициентов отражения и поглощения покрытия,
иногда называют эффективностью интегрирующей сферы. Чем выше кратность
отражения, тем больше эффективность сферы, и можно считать, что в замкнутом
пространстве, которое образует фотометрический шар, благодаря многократному
отражению создается однородное световое поле. Отсюда следует, что для
приближения к свойствам идеального рассеивателя необходимо пользоваться
покрытием с высоким коэффициентом отражения.
3. Применение средств
оптической обработки информации для анализа рассеянного излучения
.1 Мезооптические
системы
Обычный гауссов пучок
превращают в бесселев при помощи так называемого аксикона - конической линзы,
которая фокусирует параллельный пучок лучей не в точку, а в отрезок прямой
линии на оптической оси. Проекция световых пучков на экране выглядит как яркое
пятно, окруженное системой концентрических колец (такое распределение
интенсивности описывает известная в математике функция Бесселя, и поэтому сами
пучки называют бесселевыми).
Среди оптических систем
с кольцевым импульсным откликом наиболее эффективными в энергетическом смысле
являются оптические системы с импульсным откликом в виде максимально узкого
светового кольца. Наиболее известной изображающей оптической системой с узким
кольцевым импульсным откликом является система с аксиконом - стеклянным
конусом, который освещается со стороны основания, а оптическая ось проходит
вдоль высоты конуса. Аксикон, как правило, используется в оптике для создания
узкого «бездифракционного» лазерного пучка или совместно с линзой для
формирования узкого кольцевого распределения интенсивности света. Раздел
оптики, в котором используются изображающие оптические системы с кольцевым импульсным
откликом, Сороко Л.М. предложил называть мезооптикой [6]. Изображающая система
называется мезооптической, если в приближении геометрической оптики отдельная
точка предметного пространства преобразуется мезооптической системой в отрезок
прямой линии, линии, в окружность или в более сложную фигуру в пространстве
изображений.
Это - необратимое или
гомоморфное преобразование, в результате которого происходит мультиплицирование
каждой точки предметного пространства. Типичный пример мезооптической изображающей
системы -кольцевой аксикон с коническими поверхностями (рисунок 6).
Рисунок 6 - Схема
получения мультиплицированных изображений точки, лежащей на оптической оси: Ак
- кольцевой конический аксикон; Рn - среднее фокусное расстояние аксикона,
зависящее от угла
;
L - длина отрезка
Точка, лежащая на
оптической оси аксикона в предметном пространстве, преобразуется в отрезок
прямой линии, длина которого L, в приближении геометрической оптики конечная
может быть сделана произвольно большой. Дифракция света в мезооптических
системах приводит к тому, что каждый элемент мультиплицированного изображения
точки превращается в сигару точно так же, как и в традиционной оптической
изображающей системе. Отличие от последней состоит в том, что в мезооптике
достаточно учитывать только поперечное размытие Vх и Vу:
(27)
а продольный равен
(28)
где А, - длина волны
света,
г - радиус апертуры
собирающейлинзы,
а -угловая апертура
линзы, - фокусное расстояние линзы.
Поперечные и продольные
размера сигарообразной фигуры связаны фундаментальным соотношением физической
оптики;
(29)
Длина сигары Vz в
мезооптике оказывается, как правило, значительно меньше длины отрезка
мультиплицированного изображения точки. Поэтому продольным эффектом дифракции
света в мезооптике можно пренебречь. Чтобы получить простейшую мезооптическую
систему, добавим конус к плосковыпуклой линзе (рисунок 7). Линза превратится в
аксикон, одна из наружных поверхностей которого является конической, а вторая -
сферической.
Рисунок 7 - Схема
превращения плосковыпуклой линзы в мезооптическую систему путем добавления
конуса, соосного с линзой: Ak - конус, соосный с линзы,
-
фокусное расстояние, L- длина отрезкаL
Получившаяся
мезооптическая система создаёт продольное мультиплицированное изображение
точки.
На рисунке 8 приведена
другая схема превращения оптической системы в мезооптическую. Из плосковыпуклой
линзы удалена конусная часть. Получившаяся таким образом мезооптическая система
мультиплицирует каждую точку, лежащую на оптической оси в предметном пространстве,
в окружность, которая лежит в плоскости, перпендикулярной оптической оси, а
центр окружности находится на оптической оси.
Рисунок 8 - Схема
превращения плосковыпуклой линзы в мезооптическую систему путём удаления из
линзы конуса: Л - плосковыпуклая линза, И - поперечное мультиплицирование
изображения точки
.2 Фотометрический
контроль состояния поверхности
Контроль поверхности
изделий в процессе обработки приобрел особую значимость в связи с развитием
точного машиностроения, электронной и оптической промышленности, где стоимость
контрольных операций может быть сопоставима со стоимостью всего остального
технологического процесса. Одним из важнейших требований к таким системам
контроля является их неразрушающий характер, оперативность и низкая
себестоимость. Наиболее полно данным требованиям отвечают системы
фотометрического контроля состояния поверхности [4]. Сущность последнего
заключается в том, что, как известно [7], вид и параметры распределения
микронеровностей поверхности полностью определяют пространственный спектр
рассеянного излучения. Решение обратной задачи, то есть восстановление вида
спектра по индикатрисе рассеяния, возможно, однако это технически сложно и на
практике применяется достаточно редко. Как правило, проводят измерение
интегральных характеристик излучения, а оценку параметров поверхности дают в
предположении Гауссовой статистики распределения ее микронеровностей или.
Существует ряд
разновидностей систем фотометрического контроля и множество направлений их
развития [8]. Наиболее перспективным фотометрическим методом контроля состояния
поверхности является метод, основанный на измерении отношения интенсивности
некогерентной компоненты рассеянной световой волны IД (диффузное рассеяние) к
интенсивности когерентной компоненты IЗ (зеркальное отражение):
. (30)
Такое отношение не
зависит от френелевского коэффициента отражения. При использовании в качестве
зондирующего светового пучка лазерного излучения зеркальную компоненту можно
рассматривать как нулевую пространственную частоту в спектре рассеянного
излучения (в схеме с почти нормальным падением). Однако, поскольку сечение
зондирующего пучка ограничено, он обладает определенной угловой расходимостью в
области главного лепестка, и поэтому при измерении производится интегрирование
рассеянного излучения в области dW, близкой к нулевой
частоте, то есть:
, (31)
где угловое
распределение рассеянного светового поля
(включающее зеркальную
компоненту), в силу дуализма пространственных частот, совпадает в определенной
области с пространственно-частотным
. Это позволяет
применить к изучению рассеяния аппарат Фурье-анализа.
Уясним смысл диффузной
(некогерентной) и зеркальной (когерентной) компонент отраженного поля. Пусть
-
трансформанты Фурье, а распределение фазы на поверхности образца при нормальном
падении плоской волны
, (32)
где
-
случайная действительная функция, описывающая рельеф поверхности;
-
текущая координата в спектре пространственных частот; j
- угол дифракции (рассеяния).
При наклонном падении
зондирующего светового пучка на рассеивающую поверхность спектр
пространственных частот рассеянного поля претерпевает преобразование сдвига:
, (33)
где
;
J - угол падения;
- оператор
преобразования Фурье.
Профиль поверхности
можно рассматривать как центрированный стационарный процесс и, следовательно,
автокорреляционная функция и спектр
функции
будут
четными и действительными.
При распространении
световое поле рассеянного излучения претерпевает изменения в спектральной
области, обусловленные фильтрующими свойствами свободного пространства, что
может быть описано умножением спектра на частотную характеристику свободного
пространства
.
Учитывая, что для дальней зоны рассеянного излучения
(34)
указанные изменения
заключаются в фильтрации пространственных частот выше k при сохранении вида
спектрального распределения внутри интервала
. Однако такое
представление оставляет открытым вопрос о перераспределении мощности излучения.
Спектр пространственных
частот теряет свойство четности ввиду возникновения асимметрии его расположения
относительно начала координат в области пространственных частот, что
обусловлено отличием направления распространения пучка относительно нормали к
поверхности. Так как стационарность процесса сохраняется, то соответствующий
преобразованному спектру процесс теряет свойство центрированности, а
следовательно спектр мощности, приобретает вид:
, (35)
где
-
d-
функция Дирака.
В силу закона сохранения
энергии (теорема Парсеваля)
. (36)
Поскольку (-W)
соответствует углу падения зондирующего излучения, то W
описывает зеркальную компоненту отраженного поля, то есть ту его часть, для
которой выполняется закон Снелля, и пространственные частоты, превышающие k,
вносят свой вклад в формирование зеркальной компоненты [9], причем величина
этого вклада
. (37)
Так как
при
(очевидное
требование в силу конечности энергии сигнала), наклонное падение увеличивает
долю энергии в зеркальной компоненте, причем, как это следует из (37), при
(то
есть при скользящем падении)
(38)
- интенсивность
зондирующего излучения, а регистрируемая интенсивность рассеянного поля в
направлении зеркального отражения
, (39)
по уровню всегда
превышает интенсивность диффузной компоненты. При этом клад в зеркальную компоненту,
обусловленный фильтрующими свойствами пространства [11], зависит от параметра s,
характеризующего среднее квадратичное отклонение микронеровностей от линии
профиля поверхности. Для гладких поверхностей (vэфф << k, где vэфф
- пространственная частота, отвечающая спаду интенсивности в e раз и напрямую
связанная с автокорреляционной длиной L) некогерентная добавка
в интенсивность рассеяния в направлении зеркальной компоненты практически
отсутствует, в то время как при vэфф ~
k (поверхности с достаточно большой шероховатостью) этот вклад может быть
весьма велик. Тем не менее, он имеет вполне закономерный характер и может быть
учтен при известной функции распределения микронеровностей.
Таким образом,
фотометрический контроль шероховатости по TIS в существующем виде не может быть
применим, кроме как в области контроля сверхгладких поверхностей. Это, впрочем,
относится и к любому другому виду контроля - в том числе и профилометрическому,
так как частотные ограничения, аналогичные рассмотренным выше, ввиду конечности
размеров зонда, характерны для любой измерительной системы. Поэтому
перспективным является развитие методов, базирующихся на анализе вида углового
распределения, либо спектра светорассеяния (DIS). Проблемой при этом является
наличие анизотропии поверхностного светорассеяния, что требует азимутального
усреднения индикатрисы рассеяния посредством интегрирования светового поля по
азимутальному углу [12].
Данная операция может
быть осуществлена в системах оптической обработки информации с применением конических,
сфероконических либо тороидальных интеграторов. Рассматривая преобразование,
аналогичное проведенному в [9], имея поля световой волны на объекте
при
фазовом пропускании интегратора
, (40)
для преобразованного
поля
в
области регистрации в параксиальном приближении можно получить:
(41)
где
a и f - параметры оптического интегратора;- расстояние от объекта
до интегратора;, u, g - координаты тестируемой поверхности, интегратора и зоны
регистрации сигнала соответственно;- текущая координата вдоль оптической оси
системы.
При выполнении условия D = 0 система будет
формировать изображение, обладающее интересной особенностью наличия радиального
сдвига. Однако практически более важным является расположение объекта в
фокальной плоскости сферической компоненты линзы. В этом случае выражение (46)
примет вид:
(42)
где
,
.
Причем для малых объектов (х << f) угловое распределение интенсивности
поля вдоль оси системы имеет вид
.
(43)
Обобщая результаты на двумерные объекты, можно придти к выводу,
что распределение поля вдоль оси системы пропорционально общей интенсивности
излучения, рассеянного под углом
к оптической оси, что
позволяет проводить регистрацию углового распределения интенсивности
рассеянного поля с одновременным азимутальным интегрированием. Для
широкоапертурных объектов такая процедура представляется проблематичной, однако
при d = z = f
,
(44)
причем функция (44) в точке x = 0 определяет полную интенсивность
излучения, рассеянного под углом a.
Данный результат получен без учета поляризационных эффектов, что
может быть оправдано лишь при поляризации анализируемого излучения в плоскости,
перпендикулярной плоскости координатных осей, в то время как при рассеянии
трудно предположить выполнение данного требования. Поэтому применение данной
методики ограничено областью малых углов рассеяния, то есть гладкими и
сверхгладкими поверхностями, для которых решаемая задача наиболее актуальна.
Зарегистрированный таким образом спектр пространственных частот
позволяет корректным образом провести интерполяцию углового распределения
диффузной компоненты рассеянного излучения в области низких пространственных
частот, а следовательно разделить когерентную и некогерентную компоненты поля
при любой статистике микронеровностей контролируемой поверхности. Более того,
становится возможным анализ вида статистики путем разложения спектральной
кривой по собственным функциям, соответствующим обобщенным статистикам.
.3 Применение мезооптических систем для анализа рассеянного
излучения
Существует способ и устройство для измерения высоты
микронеровностей поверхности, содержащее лазер, коллимирующую систему,
полупрозрачное стекло, фокусирующую линзу, в фокальной плоскости которой
расположен фотоэлемент [13].
Согласно этому способу, интенсивность отраженного излучения на
нулевой пространственной частоте регистрируют путем измерения интенсивности
зеркальной компоненты отраженного излучения. Интегральную интенсивность отраженного
излучения на заданной пространственной частоте регистрируют по интенсивности
излучения в кольцевой плоскости осветительного конуса. Кольцевую плоскость
осветительного конуса центрируют относительно зеркального отражения.
Интенсивность зеркальной компоненты оценивают с помощью световода и
фотоприемника, а интегральную интенсивность в кольцевой плоскости - с помощью
световодного конуса и фотоприемника. Из этого следует, что этот способ можно
рассматривать как попытку определения шероховатости поверхности по отношению
интегральной интенсивности излучения на заданной пространственной частоте
при
аксиальной (осевой) симметрии спектра пространственных частот к интенсивности
излучения на нулевой пространственной частоте.
В этом способе используют оптическую систему обработки информации,
световодный конус и световод. При этом лучи, соответствующие одной и той же
пространственной частоте, но приходящие из разных точек контролируемой
поверхности, пересекают фокальную плоскость регистрации под различными углами
и, следовательно, при использовании интегрирующего конуса аппаратная функция
прибора зависит от вида спектра и не может быть учтена при измерениях. При
определении среднеквадратичной высоты микронеровностей анизотропных
поверхностей влияние «мертвых зон» между фотоэлементами на достоверность
измерения интегральной интенсивности на заданной пространственной частоте
возрастает и вместо высоты микронеровностей выявляется дефект обработки
поверхности. Кроме того, при произвольном статистическом распределении
неоднородностей поверхности необходимо проведение калибровки устройства
.
Рисунок 9 - Сфероконическая система
Рассмотрим, какие преобразования осуществляет сфероконическая
система с точки зрения волновой оптики. Пусть распределение поля в плоскости, в
которой находится сфероконическая система, описывается функцией
,
где
-
текущая координата (Рисунок 9).
Фазовое пропускание сфероконической системы имеет вид:
,
(45)
где к - волновое число;- фокусное расстояние сферической
поверхности сфероконической системы;
а - параметр наклона конической части сфероконической системы.
Пусть плоскость Р(х) с текущей координатой х расположена
перпендикулярно оси системы на расстоянии d1 от линзы. Амплитудно-фазовое
распредепение поля в плоскости Р(х) описывается функцией
и
связано с полем
преобразованием
Френеля следующим образом:
(46)
Пусть плоскость Р(у) с текущей координатой у, в которой
формируется изображение, расположена перпендикулярно оси системы на расстоянии
d2 от линзы. Поле в плоскости Р(у) описывается функцией V(y) и связано с полем
преобразованием
Френеля следующим образом:
(47)
Подставляя значения
,
и делая замену
получим
(48)
Рассмотрим, какое преобразование осуществляет сфероконическая
система при условии, что
.
При этих условиях выражение (48) примет вид:
(49)
где
-
оператор преобразования Фурье;
-
пространственная частота;
Если
,
то в этом случае выражение типа формула Френеля под оператором Фурье можно
пренебречь и поле в плоскости объекта с точностью до соответствующих фазовых
множителей будет представлять собой сумму спектральных компонент, симметрично
расположенных относительно оси системы со сдвигом на
.
Рассмотрим спектр мощности поля:
(50)
где функция G описывает спектр исходного распределения поля.
Очевидно, что при y=0 это выражение можно представить в виде:
(51)
Которое представляет собой выражение для мощности суммы
спектральных компонент, симметрично расположенных относительно оси системы со
сдвигом на
.
Обобщая данное выражение на трехмерный случай, можно прийти к
выводу, что распределение поля на оптической оси сфероконической системы
представляет собой сумму спектральных компонент, соответствующих мощности
светового поля, рассеянного под определенным углом к оптической оси
сфероконической системы, определяемого из выражения
,где
-
угол между волновым вектором дифрагированной компоненты и оптической осью
сфероконической системы.
Таким образом, система играет роль конического интегратора. Так
как
является
функцией положения плоскости регистрации d2, то перемещением точки регистрации
вдоль оптической оси системы можно производить измерение углового спектра поля
с одновременным интегрированием по азимутальному углу.
Следует отметить, что интенсивность на произвольной и нулевой
пространственной частоте регистрируется одним и тем же фотоприемником,
расположенным на оптической оси системы. Нормальное падение освещающего пучка
обеспечивает аксиальность спектров и возможность регистрации спектра поля на
оптической оси системы. При наличии анизотропии обработки поверхности положение
плоскости регистрации может быть выбрано таким образом, что пространственные
частоты, соответствующие анизотропии, не совпадут с
,
что позволяет избежать погрешности измерения, обусловленной анизотропией
обработки.
Указанные факторы способствуют получению достоверной и более
точной оценки интенсивности отраженного излучения на нулевой пространственной
частоте и интегральной интенсивности на заданной пространственной частоте.
Оценка среднеквадратичной высоты микронеровностей производится по
отношению интегральной интенсивности отраженного излучения на заданной
пространственной частоте N3 к интегральной интенсивности отраженного излучения
на нулевой пространственной частоте N(
). Однако явная форма
зависимости среднеквадратичной высоты неровностей
может
быть определена только для определенной статистики распределения
неоднородностей поверхности. При известной статистике распределения
неоднородностей поверхности можно производить работы в статическом варианте,
устанавливая пространственную частоту регистрации, в наибольшей степени
соответствующую диапазону микронеровностей и наличию анизотропии обработки. В
динамическом режиме, автоматически изменяя положение плоскости регистрации,
измеряется спектральное распределение энергии в рассеянном поле с
интегрированием по азимутальному углу, что позволяет оценить статистику
распределения неоднородностей поверхности и определить зависимость

(52)
Способ и устройство решают задачу повышения точности и
достоверности определения шероховатости поверхности.
Технический результат, достигаемый изобретением, заключается в
обеспечении точности и достоверности определения среднеквадратичной высоты
микронеровностей поверхностей с неизвестным характером статистики распределения
неоднородностей поверхностей без дополнительной калибровки прибора.
Достижение указанного технического результата обеспечивается тем,
что в способе определения шероховатости поверхности, заключающемся в том, что
освещают исследуемую поверхность под прямым углом к ней параллельным
когерентным пучком света, разлагают отраженное поверхностью излучение в спектр
пространственных частот, регистрируют интегральную интенсивность отраженного
излучения на пространственной частоте и интенсивность отраженного излучения на
нулевой пространственной частоте, по отношению которых судят о шероховатости
поверхности, интегральную интенсивность отраженного излучения регистрируют на
оси оптической системы на произвольной пространственной частоте, а о
шероховатости поверхности судят по среднеквадратичной высоте микронеровностей
на поверхности, которую определяют по отношению интегральной интенсивности
отраженного излучения на произвольной пространственной частоте к интенсивности
отраженного излучения на нулевой пространственной частоте. Способ реализуется с
помощью устройства.
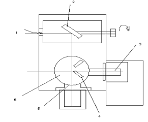
Рисунок 10 - оптическая схема устройства для определения шероховатости
поверхности: 1 - источник когерентного излучения (лазер) ЛГ-208 с длиной волны
генерации 628нм; 2 - зеркало; 3 - сфероконическая система; 4 - диафрагма; 5 -
фотоприёмник; 6 - узел перемещения; 7 - исследуемая поверхность
Устройство содержит лазер, расположенные последовательно по ходу
лазерного излучения плоское полупрозрачное зеркало, оптическую сфероконическую
систему, диафрагму и фотоприемник, узел перемещения, электрически связанный с
измерительным блоком (на фигуре не показан).
Полупрозрачное зеркало установлено под углом 45° к оптической оси,
проходящей через лазер, и под углом 45° к оптической оси, проходящей через
оптическую сфероконическую систему, диафрагму и фотоприемник.
Диафрагма жестко закреплена на фотоприемнике. Фотоприемник установлен
с возможностью перемещения вдоль оптической оси, между положениями плоскости
регистрации, соответствующими нулевой и выбранной пространственной частоте.
Исследуемая поверхность установлена перпендикулярно ходу луча
лазера в передней фокальной плоскости оптической сфероконической системы.
Устройство работает следующим образом: лазерный лучок от лазера полупрозрачным
плоским зеркалом направляется по нормали на исследуемую поверхность. Отраженное
от поверхности излучение попадает на оптическую сфероконическую систему,
которая преобразует рассеянное излучение в излучение, распределение поля
которого представляет собой сумму спектральных компонент, соответствующих
мощности светового поля, рассеянного под определенным углом к оси системы.
Измерительный блок (не показан) дает команду узлу 6 перемещения, который
устанавливает фотоприемник с диафрагмой последовательно в плоскости регистрации
нулевой пространственной частоты и произвольной пространственной частоты.
Интегральные интенсивности N(
) и Nз соответствующие
нулевой и произвольной пространственной частоте, регистрируются измерительным
блоком. В динамическом режиме работы фотоприемник с диафрагмой непрерывно
перемещается вдоль оптической оси между плоскостями регистрации,
соответствующими нулевой и произвольной пространственной частоте. Интегральная
интенсивность N(
),
соответствующая пространственной частоте
, непрерывно
регистрируется измерительным блоком. Измерительный блок опредепяет отношение
а
по нему, величину среднеквадратичной высоты микронеровностей
.
Благодаря оптической сфероконической системе происходит
непрерывное аналоговое интегрирование и регистрация интенсивности отраженного
излучения на произвольной го частоте
, причем измерение
компонент излучения на произвольной пространственной частоте осуществляют одним
и тем же фотоприемником.
Благодаря указанным особенностям регистрации интенсивности
отраженных излучений появляется возможность определения статистики
распределения неоднородностей поверхности и выбора произвольной
пространственной частоты, в наибольшей степени соответствующей диапазону
микронеровностей и наличию анизотропии обработки, что позволяет значительно
снизить погрешность измерения по сравнению с известными решениями.
Так же существует иной способ определения шероховатости
поверхности [14]. Он заключается в том, что освещают поверхность под прямым
углом к ней широкоапертурным параллельным когерентным пучком света, разлагают
отраженное поверхностью излучение в спектр пространственных частот,
регистрируют интенсивность отраженного излучения на оси оптической системы, по которой
судят об интенсивности отраженного излучения на нулевой пространственной
частоте, отличающийся тем, что дополнительно широкоапертурный параллельный
когерентный пучок света подвергают пространственной модуляции с изменением
амплитуды и фазы по закону косинуса, разлагают промодулированное отраженное
поверхностью излучение в спектр пространственных частот и регистрируют
интенсивность промодулированного излучения на оси оптической системы, по
которой судят об интегральной интенсивности промодулированного отраженного
излучения на заданной пространственной частоте, а о шероховатости поверхности
судят по средней квадратической высоте микронеровностей на поверхности, которую
определяют по отношению интегральной интенсивности промодулированного
отраженного излучения на заданной пространственной частоте к интенсивности
отраженного излучения на нулевой пространственной частоте.
На рисунке 11 изображена оптическая схема этого устройства для
определения шероховатости поверхности.
Рисунок 11 - Устройство для
определения шероховатости поверхности: 1 - лазер; 2 - расширитель лазерного
пучка; 3 - пространственный модулятор света; 4 - коллиматор; 5 - полупрозрачное
плоское зеркало; 6 - фокусирующая линза; 7 - фотоприемник; 8 - исследуемая
поверхность; 9 - диафрагма
Рисунок 12 - Изображение
пространственного модулятора: 1 - полуволновая фазовая пластина; 2 -
амплитудный плоский транспарант
Устройство для определения
шероховатости поверхности содержит лазер, последовательно установленные по ходу
лазерного излучения расширитель лазерного пучка, пространственный модулятор
света, коллиматор, полупрозрачное плоское зеркало, установленное под углом в
45° к оптической оси, фокусирующую линзу, фотоприемник, электрически связанный
с измерительным блоком (на фигуре не показан). Исследуемая поверхность
установлена в передней фокальной плоскости линзы, а фотоприемник установлен на
оптической оси в фокусе линзы. Перед фотоприемником установлена диафрагма в
форме отверстия. Полупрозрачное зеркало установлено под углом 45° к оптической
оси, проходящей через лазер, расширитель, модулятор, коллиматор и под углом 45°
к оптической оси, проходящей через фокусирующую линзу и фотоприемник.
Коллиматор выполнен в виде конфокально-установленных линз. Пространственный
модулятор света установлен с возможностью перемещения перпендикулярно
оптической оси (направлению распространения - отмечено стрелкой). Модулятор
закреплен в обойме (на рисунке не показана), связанной механизмом перемещения
(на рисунке не показан), который обеспечивает перемещение модулятора в два
крайних положения: по центру лазерного пучка и вне лазерного пучка.
Пространственный модулятор света выполнен (рисунок 12) в виде комбинации
полуволновой фазовой пластины и амплитудного плоского транспаранта, причем
последний выполнен в виде чередующихся с шагом h прозрачных и непрозрачных
концентрических кольцевых полос и центрального прозрачного диаметром h, а
пропускание амплитудной пластины изменяется по закону
(53)
Фазовая пластина 10
выполнена в виде набора концентрических полуволновых пластинок равной ширины,
расположенных в одной плоскости таким образом, что максимальное изменение фазы
совпадает с максимумом пропускания, а минимум - с минимумом пропускания.
Согласно этому способу,
в качестве освещающих (зондирующих) пучков когерентного света используют
широкоапертурные параллельные пучки, нормально падающие на исследуемую
поверхность. Широкоапертурность пучков предполагает разложение отраженного
поверхностью излучения в спектры пространственных частот. В одном случае
зондирующий пучок пространственно модулируют по амплитуде и фазе по закону
косинуса, а в другом - нет. В обоих случаях регистрацию интенсивности
отраженного и разложенного в спектр пространственных частот излучения
осуществляют на оптической оси одним фотоприемником, расположенным на
оптической оси в фокусе фокусирующей линзы, осуществляющей разложение
отраженных излучений в спектры Фурье пространственных частот. В случае
разложения в спектр немодулированного и отраженного поверхностью излучения на
оптической оси в фокусе линзы локализуется нулевая пространственная частота
спектра, интенсивность которой измеряется фотоприемником.
В случае разложения в
спектр промодулированного по закону косинуса и отраженного от поверхности
излучения на оптической оси в фокусе фокусирующей линзы локализуется заданная
пространственная частота, интегральная интенсивность которой регистрируется тем
же фотоприемником.
В этом способе было
рассмотрено влияние пространственной модуляции на изменение спектра
пространственных частот, отраженного поверхностью когерентного излучения. Пусть
освещающий пучок модулируется по закону косинусного пропускания, т.е. когда
амплитуда и фаза пропускания связаны с ней зависимостью
(54)
(55)
где Т(х)- пропускание
после прохождения пространственного модулятора в плоскости, перпендикулярной
оптической оси;
- пространственная
частота модуляции - период (шаг) модуляции, конструктивно задаваемый
пространственным модулятором.
Пусть g(x) -
распределение поля в плоскости образца, G(
) - спектр функции g(x).
Тогда поле дальней зоны (угловой спектр) запишется как Фурье - преобразование
от произведения исходной функции g(x) на функцию пропускания модулятора Т(х),
т.е.
(56)
как нетрудно показать,
последний интеграл может быть сведен к виду
(57)
Таким образом,
результатом воздействия пространственной модуляции будет смещение спектральных
составляющих на величину
,
т.е. нулевая пространственная частота окажется "размытой" по кольцу
радиусом
,
а текущая частота в спектре сдвинется к центру на величину
и
при сохранении аксиального характера спектра локализуется на оптической оси,
т.е. в центре спектра. При этом интенсивность локализованного излучения на оси
излучения будет соответствовать интенсивности излучения, рассеянного под острым
углом
(58)
проинтегрированного по
азимутальному углу,
где
-
пространственная частота, задаваемая косинусной модуляцией (косинусным
пропусканием) в соответствии с выражением (55).
При этом нулевая
пространственная частота окажется локализованной на кольцевой поверхности,
вокруг оптической оси, отстоящей от оси на угол
в фокальной
плоскости фокусирующей линзы. Интенсивность нулевой пространственной частоты,
локализованной по кольцу, будет соответствовать интенсивности нулевой
пространственной частоты, локализованной на оптической оси в фокусе линзы, но
без пространственной модуляции пучка. Интенсивность излучения,
проинтегрированного по азимутальному углу и рассеянного под углом
,
локализованного на оптической оси в результате действия модулятора и
фокусирующей линзы, является интегральной интенсивностью отраженного излучения
на заданной пространственной частоте.
При отсутствии модуляции
пучка нулевая пространственная частота локализуется на оптической оси в фокусе
фокусирующей линзы и сохраняется аксиальный характер спектра пространственных
частот в фокальной плоскости линзы.
Следует иметь в виду,
что при наличии анизотропии обработки шаг h, a значит и
могут
быть выбраны таким образом, что пространственные частоты, соответствующие
анизотропии, не совпадут с
, а значит не
локализуются на оптической оси в фокальной плоскости линзы, что позволяет
избежать погрешностей измерения интегральной интенсивности на заданной
пространственной частоте, обусловленных анизотропией обработки. Интегрирование
по азимутальному углу осуществляется аналогичным путем в результате разложения
в спектр Фурье промодулированного по закону косинуса отраженного поверхностного
излучения. Интенсивности на пространственных частотах и нулевой
пространственной частоте (т.е. с модуляцией и без нее) регистрируются одним и
тем же фотоприемником, расположенным в фокусе линзы. Нормальное падение
освещающих пучков обеспечивает симметричность (аксиальность) спектров до и
после модуляции и возможность локализации излучения на оптической оси в
фокальной плоскости.
Указанные факторы
способствуют получению достоверной и более точной оценки интенсивности
отраженного излучения на нулевой пространственной частоте и интегральной
интенсивности на заданной пространственной частоте.
Оценки
среднеквадратичной высоты микронеровностей определяют по отношению интегральной
интенсивности отраженного излучения на заданной пространственной частоте J(
)
к интегральной интенсивности нулевой пространственной частоты (Jз), измеренной
без модуляции, т.е.
(59)
где h - шаг или период
модуляции;- автокорреляционный радиус;
- длина волны
зондирующего излучения.
Поскольку формула (59)
справедлива для Гауссовой статистики, то при произвольной статистике явного
выражения не будет, однако однозначность зависимости
(60)
позволяет произвести
калибровку устройства и получить эмпирическую зависимость
(61)
Повышенный интерес к
мезооптическим системам обусловлен возможностями получения так называемых
бездифракционных (или бесселевых) световых пучков. Однако на этом сфера их
применения не ограничивается. В области неразрушающего контроля состояния
технологических поверхностей при наличии анизотропии светорассеяния возникает
необходимость проведения операции азимутального интегрирования рассеянного
излучения, которая также может быть решена путем применения
аксиально-симметричных оптических элементов с конической либо тороидальной
преломляющей поверхностью. В настоящей работе проведено экспериментальное
исследования применения аксикона для регистрации распределения интенсивности
рассеянного светового поля по широтному углу с одновременным интегрированием по
азимутальному. На рисунке 13 представлена схема экспериментальной установки.
Рисунок 13 - схема
экспериментальной установки: 1 - источник когерентного излучения (лазер) ЛГ-208
с длиной волны генерации 628нм; 2 - Исследуемый материал; 3 - Коническая линза;
4 - фотоприемник; 5 - измеритель мощности лазерного излучения «Кварц -1»
Излучение, рассеянное на
контролируемой поверхности, попадает на переднюю поверхность аксикона,
расположенного параллельно контролируемому образцу, а измерение мощности
производится путем перемещения фотоприемника вдоль оптической оси системы
(рисунок 14). Полученное распределение поля сравнивалось с индикатрисой
изотропного образца, определенной на гониометрической установке. Результаты
измерений представлены не рисунке 15.
Рисунок 14 - График
зависимости интенсивности рассеянного излучения от расстояния до источника
Рисунок 15 - График
зависимости интенсивности рассеянного излучения от угла
Из сравнения видно, что
для применяемого аксикона с малым углом наклона образующей конической
поверхности к основанию, форма распределения изменяется весьма несущественно,
что позволяет судить о перспективности данной методики. При проведении
экспериментальных исследований в качестве образцов применялись матированные
стекла с различной степенью шероховатости поверхности, обладающие заведомой
изотропией светорассеяния и гауссовым характером распределения неоднородностей.
Углы при основании конических поверхностей изменялись в пределах от 1 до 6
градусов. При увеличении угла требуемый размер измерительной базы уменьшается,
однако, при этом увеличивается нелинейность в преобразовании индикатрисы.
Выходом из ситуации представляется применение интегрирующего элемента, передняя
поверхность которого является сферической, а задняя - конической.
Контролируемый образец размещается в фокусе сферической компоненты. Также может
применяться элемент с плоской передней и эллиптической выходной поверхностью,
устанавливаемый непосредственно вблизи контролируемой поверхности. Однако в
этом случае, несмотря на то, что область контролируемых углов расширяется
практически до переднего полупространства, возникает необходимость определения
аппаратной (передаточной) функции системы, а связь между угловыми координатами
рассеянного излучения и положением фотоприемника приобретает выраженный
нелинейный характер.
Заключение
оптический
фотометрический контроль линза
В настоящее время
существует множество разновидностей систем неразрушающего контроля, из которых
наиболее перспективными для оперативного контроля состояния узлов трения,
технологических поверхностей в электронике и т.д. представляется
фотометрический контроль в силу его бесспонтанности и оперативности получения
результата.
Традиционные методы,
основанные на определении интегральной интенсивности рассеянного излучения
(TIS) практически работают в режиме реального времени, однако требуют
определённого знания статистики распределения неоднородности. Методы,
основанные на анализе индикатрисы светорассеяния более информативны, однако
возможны к применению только при заведомой изотропии поверхности.
В настоящей работе
показано, что разумной альтернативой этих методов, сочетающих интегральность
контроля и возможность анализа индикатрисы, является применение мезооптических
систем на основе конических, сфероконических и тороидальных линз. Осуществлено
интегрирование индикатрисы светорассеяния по азимутальному углу с определением
зависимости интенсивности от широтного угла. В результате приведённых
экспериментальных исследований установлено, что для слабо рассеивающих объектов
распределение поля на оси мезооптической системы с точностью до постоянного
множителя совпадает с угловым распределением поля эталонного образца, что
позволяет судить о технической реальности создания систем подобного типа.
По результатам
проведенной работы сделан доклад на конференцию. Результаты опубликованы.
Список использованных
источников
1. Бугер, П. Оптический трактат о градации света [Текст]:
пер. с франц. Н.А. Толстого и П. П. Феолфилова. М. / П. Бугер // Изд. АН СССР.
- 1950. - 358 с.
. Бреховских, Л.М. Дифракция волн на неровной поверхности
[Текст] / Л. М. Бреховских // Журнал экспериментальной и теоретической физики
№3. - 1962. - 275-304 с.
. Дунин- Барковский, И.В. Измерения и анализ шероховатости,
волнистости и некруглости поверхности [Текст] / И.В. Дунин- Барковский, А. Н.
Карташова. - М.:Машиностроение, 1978. - 227 с.
. Топорец, А.С. Оптика шероховатых поверхностей [Текст] /
А.С. Топорец. - Л.:"Машиностроение" Ленинградское отделение, 1988. -
216 с.
. Гершун, А.А. Теоретическое обоснование выбора показателя
для оценки рассеивающих свойств матовых стекол [Текст] / А.А. Гершун, О.И.
Попов. - Т.:ГОИ, 1955. - 3 - 17 с.
. Сороко, Л.М. Гильберт-оптика [Текст] / Л.М. Сороко. - М.:
Наука, 1981. - 146-159 c.
. Рытов, Ю.А. Введение в статистическую радиофизику. Ч.2.
[Текст] / Ю.А. Рытов., В.И. Татарский. - М. 1978. - 249-254 c.
. Топорец, А.С. Зеркальное отражение от шероховатой
поверхности [Текст] / А.С. Топорец // Оптика и спектроскопия. - М. 1964. - 102
- 111 с.
. Алешкевич, Н.И. Фотометрический контроль шероховатости и
дефектности [Текст] / Н.И. Алешкевич., В.И. Кондратенко, В.В. Сытько, В.Л.
Трушко - Минск 1989. - 9-17 c.
. Гуревич, С.Б. Передача и обработка информации
голографическими методами [Текст] / С.Б. Гуревич // Передача и обработка
информации. - М. 1978. - 204-209 с.
. Топорец, А.С. О дефузном отражении света от шероховатой
поверхности [Текст] / А. С. Топорец, М.М. Мазуренко// Журнал “Прикладная
спектроскопия” №1. - 1968. - 161-153 с.
. Фотометрический контроль состояния поверхности. Известие
Белорусской инженерной академии: научный доклад / ред. В.И. Кондратенко. -
Гомель: ГГУ им. Ф. Скорины, 1997.
. Способ и устройство для определения шероховатости
поверхности. Учреждение образования “Гомельский государственный университет
имени Франтиска Скорины”: патент №121450 / ред. Учреждение образования
“Гомельский государственный университет имени Франтиска Скорины. - Гомель: ГГУ
им. Ф. Скорины, 2005.
. Способ и устройство для определения шероховатости
поверхности. Учреждение образования “Гомельский государственный университет
имени Франтиска Скорины”: патент №970648 / ред. Учреждение образования
“Гомельский государственный университет имени Франтиска Скорины. - Гомель: ГГУ
им. Ф. Скорины, 1997.
Приложение A
В таблице 2 приведены
экспериментальные данные измерения распределения интенсивности рассеянного
излучения в пространстве
Таблица 2- Экспериментальные данные
измерения распределения интенсивности рассеянного излучения в пространстве
Расстояние L,см Аксикон Аксикон+
Круглая пластина, I,лк·
Аксикон+
Прямогольная Пластини,
|
I,лк· Нормированные
значения
|
|
|
|
|
0
|
1,9
|
9,34
|
10,5
|
0,026171
|
1
|
0,930027
|
|
0,1
|
1,25
|
8,89
|
11,29
|
0,017218
|
0,95182
|
1
|
|
0,2
|
1,39
|
8,76
|
10,94
|
0,019146
|
0,937901
|
0,968999
|
|
0,3
|
5,37
|
8,85
|
11,02
|
0,073967
|
0,947537
|
0,976085
|
|
0,4
|
11,26
|
8,78
|
10,95
|
0,155096
|
0,940043
|
0,969885
|
|
0,5
|
18,04
|
8,87
|
10,72
|
0,248485
|
0,949679
|
0,949513
|
|
0,6
|
23,07
|
8,87
|
10,71
|
0,317769
|
0,949679
|
0,948627
|
|
0,7
|
27,98
|
8,74
|
10,61
|
0,385399
|
0,93576
|
0,93977
|
|
0,8
|
45,4
|
8,72
|
10,69
|
0,625344
|
0,933619
|
0,946856
|
|
0,9
|
48,4
|
8,74
|
10,89
|
0,666667
|
0,93576
|
0,96457
|
|
1
|
53
|
8,62
|
10,78
|
0,730028
|
0,922912
|
0,954827
|
|
1,1
|
56,4
|
8,56
|
10,45
|
0,77686
|
0,916488
|
0,925598
|
|
1,2
|
61,9
|
8,4
|
10,24
|
0,852617
|
0,899358
|
0,906997
|
|
1,3
|
64,7
|
8,51
|
10,05
|
0,891185
|
0,911135
|
0,890168
|
|
1,4
|
67,8
|
8,33
|
9,81
|
0,933884
|
0,891863
|
0,868911
|
|
1,5
|
68,8
|
8,13
|
9,51
|
0,947658
|
0,87045
|
0,842338
|
|
1,6
|
69,4
|
8,09
|
9,33
|
0,955923
|
0,866167
|
0,826395
|
|
1,7
|
71,7
|
7,93
|
9,09
|
0,987603
|
0,849036
|
0,805137
|
|
1,8
|
72,4
|
7,8
|
8,76
|
0,997245
|
0,835118
|
0,775908
|
|
1,9
|
72,6
|
7,61
|
8,53
|
1
|
0,814775
|
0,755536
|
|
2
|
72,4
|
7,34
|
8,24
|
0,997245
|
0,785867
|
0,729849
|
|
2,1
|
71,4
|
7,13
|
8,05
|
0,983471
|
0,763383
|
0,71302
|
|
2,2
|
68,6
|
6,95
|
7,84
|
0,944904
|
0,744111
|
0,69442
|
|
2,3
|
55,8
|
6,71
|
7,53
|
0,768595
|
0,718415
|
0,666962
|
|
2,4
|
49,1
|
6,43
|
7,18
|
0,676309
|
0,688437
|
0,635961
|
|
2,5
|
40,3
|
6,19
|
6,95
|
0,555096
|
0,662741
|
0,615589
|
|
2,6
|
29,7
|
6,02
|
6,61
|
0,409091
|
0,64454
|
0,585474
|
|
2,7
|
21,9
|
5,84
|
6,42
|
0,301653
|
0,625268
|
0,568645
|
|
2,8
|
14,6
|
5,76
|
6,19
|
0,201102
|
0,616702
|
0,548273
|
|
2,9
|
11
|
5,6
|
5,97
|
0,151515
|
0,599572
|
0,528787
|
|
3
|
7,45
|
5,45
|
5,78
|
0,102617
|
0,583512
|
0,511957
|
|
3,1
|
5,31
|
5,21
|
5,59
|
0,07314
|
0,557816
|
0,495128
|
|
3,2
|
3,58
|
5,02
|
5,35
|
0,049311
|
0,537473
|
0,473871
|
|
3,3
|
2,74
|
4,77
|
5,14
|
0,037741
|
0,510707
|
0,45527
|
|
3,4
|
2,35
|
4,58
|
4,98
|
0,032369
|
0,490364
|
0,441098
|
|
3,5
|
1,9
|
4,4
|
4,75
|
0,026171
|
0,471092
|
0,420726
|
|
3,6
|
1,87
|
4,24
|
4,53
|
0,025758
|
0,453961
|
0,40124
|
|
3,7
|
1,81
|
4,35
|
4,39
|
0,024931
|
0,465739
|
0,38884
|
|
3,8
|
1,67
|
4,06
|
4,27
|
0,023003
|
0,43469
|
0,378211
|
|
3,9
|
1,5
|
3,94
|
4,08
|
0,020661
|
0,421842
|
0,361382
|
|
4
|
1,32
|
3,77
|
3,93
|
0,018182
|
0,40364
|
0,348096
|
|
4,1
|
1,21
|
3,71
|
3,83
|
0,016667
|
0,397216
|
0,339238
|
1,12
|
3,54
|
3,69
|
0,015427
|
0,379015
|
0,326838
|
|
4,3
|
1,06
|
3,44
|
3,62
|
0,014601
|
0,368308
|
0,320638
|
|
4,4
|
0,99
|
3,37
|
3,4
|
0,013636
|
0,360814
|
0,301151
|
|
4,5
|
0,96
|
3,29
|
3,29
|
0,013223
|
0,352248
|
0,291408
|
|
4,6
|
0,91
|
3,22
|
3,18
|
0,012534
|
0,344754
|
0,281665
|
|
4,7
|
0,87
|
3,14
|
3,08
|
0,011983
|
0,336188
|
0,272808
|
|
4,8
|
0,83
|
3,05
|
2,99
|
0,011433
|
0,326552
|
0,264836
|
|
4,9
|
0,79
|
3
|
2,88
|
0,010882
|
0,321199
|
0,255093
|
|
5
|
0,76
|
2,95
|
2,78
|
0,010468
|
0,315846
|
0,246236
|
|
5,1
|
0,72
|
2,85
|
2,71
|
0,009917
|
0,305139
|
0,240035
|
|
5,2
|
0,68
|
2,81
|
2,59
|
0,009366
|
0,300857
|
0,229407
|
|
5,3
|
0,65
|
2,7
|
2,51
|
0,008953
|
0,289079
|
0,222321
|
|
5,4
|
0,63
|
2,65
|
2,45
|
0,008678
|
0,283726
|
0,217006
|
|
5,5
|
0,6
|
2,59
|
2,39
|
0,008264
|
0,277302
|
0,211692
|
|
5,6
|
0,58
|
2,53
|
2,28
|
0,007989
|
0,270878
|
0,201949
|
|
5,7
|
0,57
|
2,47
|
2,22
|
0,007851
|
0,264454
|
0,196634
|
|
5,8
|
0,52
|
2,42
|
2,16
|
0,007163
|
0,259101
|
0,19132
|
|
5,9
|
0,5
|
2,35
|
2,12
|
0,006887
|
0,251606
|
0,187777
|
|
6
|
0,47
|
2,32
|
2,03
|
0,006474
|
0,248394
|
0,179805
|
|
6,1
|
0,46
|
2,28
|
1,97
|
0,006336
|
0,244111
|
0,174491
|
|
6,2
|
0,44
|
2,24
|
1,93
|
0,006061
|
0,239829
|
0,170948
|
|
6,3
|
0,43
|
2,19
|
1,9
|
0,005923
|
0,234475
|
0,168291
|
|
6,4
|
0,41
|
2,15
|
1,85
|
0,005647
|
0,230193
|
0,163862
|
|
6,5
|
0,41
|
2,11
|
1,81
|
0,005647
|
0,22591
|
0,160319
|
|
6,6
|
0,39
|
2,07
|
1,75
|
0,005372
|
0,221627
|
0,155004
|
|
6,7
|
0,38
|
2,02
|
1,7
|
0,005234
|
0,216274
|
0,150576
|
|
6,8
|
0,37
|
2
|
1,66
|
0,005096
|
0,214133
|
0,147033
|
|
6,9
|
0,36
|
1,96
|
1,64
|
0,004959
|
0,20985
|
0,145261
|
|
7
|
0,34
|
1,93
|
1,6
|
0,004683
|
0,206638
|
0,141718
|
|
7,1
|
0,33
|
1,89
|
1,58
|
0,004545
|
0,202355
|
0,139947
|
|
7,2
|
0,33
|
1,85
|
1,54
|
0,004545
|
0,198073
|
0,136404
|
|
7,3
|
0,31
|
1,81
|
1,51
|
0,00427
|
0,19379
|
0,133747
|
|
7,4
|
0,3
|
1,77
|
1,47
|
0,004132
|
0,189507
|
0,130204
|
|
7,5
|
0,3
|
1,72
|
1,43
|
0,004132
|
0,184154
|
0,126661
|
|
7,6
|
0,29
|
1,73
|
1,4
|
0,003994
|
0,185225
|
0,124004
|
|
7,7
|
0,28
|
1,7
|
1,39
|
0,003857
|
0,182013
|
0,123118
|
|
7,8
|
0,27
|
1,66
|
1,34
|
0,003719
|
0,17773
|
0,118689
|
|
7,9
|
0,27
|
1,61
|
1,31
|
0,003719
|
0,172377
|
0,116032
|
|
8
|
0,26
|
1,58
|
1,29
|
0,003581
|
0,169165
|
0,11426
|
|
8,1
|
0,25
|
1,56
|
1,26
|
0,003444
|
0,167024
|
0,111603
|
|
8,2
|
0,25
|
1,54
|
1,23
|
0,003444
|
0,164882
|
0,108946
|
|
8,3
|
0,24
|
1,52
|
1,22
|
0,003306
|
0,162741
|
0,10806
|
|
8,4
|
0,23
|
1,48
|
1,19
|
0,003168
|
0,158458
|
0,105403
|
|
8,5
|
0,23
|
1,44
|
1,17
|
0,003168
|
0,154176
|
0,103632
|
|
8,6
|
0,22
|
1,4
|
1,15
|
0,00303
|
0,149893
|
0,10186
|
|
8,7
|
0,21
|
1,39
|
1,12
|
0,002893
|
0,148822
|
0,099203
|
|
8,8
|
0,21
|
1,37
|
1,09
|
0,002893
|
0,146681
|
0,096546
|
|
8,9
|
0,2
|
1,36
|
1,07
|
0,002755
|
0,14561
|
0,094774
|
|
9
|
0,2
|
1,34
|
1,04
|
0,002755
|
0,143469
|
0,092117
|
|
9,1
|
0,19
|
1,32
|
1,01
|
0,002617
|
0,141328
|
0,08946
|
|
9,2
|
1,3
|
0,98
|
0,002617
|
0,139186
|
0,086802
|
|
9,3
|
0,18
|
1,28
|
0,96
|
0,002479
|
0,137045
|
0,085031
|
|
9,4
|
0,18
|
1,24
|
0,95
|
0,002479
|
0,132762
|
0,084145
|
|
9,5
|
0,14
|
1,23
|
0,92
|
0,001928
|
0,131692
|
0,081488
|
В таблице 1 приведены
экспериментальные данные измерения распределения интенсивности рассеянного
излучения в пространстве
Таблица 1- Экспериментальные данные
измерения распределения интенсивности рассеянного излучения в пространстве
Круглая пластина, I,лк·
Прямоугольная
Пластины,,лк·
ГрадусыКруглая
пластина,,лк·
Прямоугольная
пластины,,лк·
ГрадусыКруглая
пластина,,лк·
Прямоугольная
пластины,
|
I,лк· Градусы
|
|
|
|
|
|
|
|
|
|
11,8
|
23,2
|
1
|
684
|
655
|
115
|
1209
|
1217
|
229
|
|
12,4
|
22,9
|
2
|
722
|
675
|
116
|
1205
|
1180
|
230
|
|
12,7
|
22,6
|
3
|
766
|
707
|
117
|
1164
|
1130
|
231
|
|
13,3
|
24,1
|
4
|
789
|
744
|
118
|
1097
|
1103
|
232
|
|
13,7
|
24,1
|
5
|
813
|
767
|
119
|
1064
|
1042
|
233
|
|
13,7
|
24,1
|
6
|
836
|
773
|
120
|
1053
|
1000
|
234
|
|
13,8
|
25,9
|
7
|
896
|
799
|
121
|
1006
|
964
|
235
|
|
14,6
|
27,1
|
8
|
952
|
852
|
122
|
934
|
883
|
236
|
|
14,7
|
27,2
|
9
|
973
|
904
|
123
|
914
|
887
|
237
|
|
14,6
|
27,2
|
10
|
1043
|
957
|
124
|
904
|
870
|
238
|
|
15
|
27,8
|
11
|
1093
|
982
|
125
|
875
|
805
|
239
|
|
14,7
|
29,1
|
12
|
1169
|
1010
|
126
|
820
|
761
|
240
|
|
15,7
|
29,5
|
13
|
1230
|
1077
|
127
|
773
|
733
|
241
|
|
16,5
|
30,2
|
14
|
1237
|
1112
|
128
|
725
|
709
|
242
|
|
16,8
|
30,4
|
15
|
1336
|
1185
|
129
|
695
|
690
|
243
|
|
17,6
|
30
|
16
|
1420
|
1247
|
130
|
671
|
653
|
244
|
|
18,4
|
30,9
|
17
|
1440
|
1304
|
131
|
657
|
619
|
245
|
|
18,8
|
31,9
|
18
|
1548
|
1354
|
132
|
630
|
560
|
246
|
|
19,6
|
32,4
|
19
|
1613
|
1385
|
133
|
602
|
566
|
247
|
|
20,8
|
33
|
20
|
1698
|
1482
|
134
|
593
|
532
|
248
|
|
21,4
|
33,5
|
21
|
1802
|
1552
|
135
|
569
|
508
|
249
|
|
22,1
|
34,5
|
22
|
1865
|
1584
|
136
|
539
|
500
|
250
|
|
22,3
|
35,8
|
23
|
1956
|
1661
|
137
|
523
|
472
|
251
|
|
22,3
|
35,4
|
24
|
2039
|
1754
|
138
|
496
|
461
|
252
|
|
23
|
37
|
25
|
2151
|
1814
|
139
|
466
|
442
|
253
|
|
24,2
|
37,7
|
26
|
2207
|
1926
|
140
|
452
|
432
|
254
|
|
24
|
38,4
|
27
|
2315
|
2027
|
141
|
441
|
421
|
255
|
|
24,6
|
40
|
28
|
2491
|
2076
|
142
|
432
|
414
|
256
|
|
27,4
|
40,7
|
29
|
2561
|
2086
|
143
|
427
|
398
|
257
|
|
28
|
42
|
30
|
2652
|
2196
|
144
|
412
|
372
|
258
|
|
28,3
|
42,5
|
31
|
2791
|
2334
|
145
|
396
|
357
|
259
|
|
28,6
|
44
|
32
|
2870
|
2390
|
146
|
377
|
358
|
260
|
|
29,8
|
46,1
|
33
|
2965
|
2456
|
147
|
362
|
336
|
261
|
|
31,4
|
45,6
|
34
|
3121
|
2635
|
148
|
353
|
309
|
262
|
|
31,4
|
46,9
|
35
|
3280
|
2814
|
149
|
327
|
297
|
263
|
|
31,3
|
48,5
|
36
|
3350
|
2876
|
311
|
290
|
264
|
|
32,5
|
50
|
37
|
3580
|
2999
|
151
|
309
|
285
|
265
|
|
32,1
|
52,1
|
38
|
3680
|
3140
|
152
|
310
|
275
|
266
|
|
34,1
|
53,8
|
39
|
3760
|
3200
|
153
|
295
|
263
|
267
|
|
36,9
|
55,4
|
40
|
4050
|
3310
|
154
|
279
|
262
|
268
|
|
37,3
|
54,6
|
41
|
4380
|
3340
|
155
|
273
|
258
|
269
|
|
38,6
|
57
|
42
|
4510
|
3520
|
156
|
260
|
248
|
270
|
|
40,5
|
60,1
|
43
|
4640
|
3780
|
157
|
246
|
236
|
271
|
|
43,5
|
60,2
|
44
|
4860
|
3780
|
158
|
234
|
232
|
272
|
|
45,4
|
61,4
|
45
|
5180
|
4100
|
159
|
230
|
231
|
273
|
|
45,9
|
63,9
|
46
|
5430
|
4290
|
160
|
225
|
218
|
274
|
|
46,1
|
65,2
|
47
|
5690
|
4380
|
161
|
217
|
201
|
275
|
|
47,6
|
67,4
|
48
|
5840
|
4530
|
162
|
213
|
198
|
276
|
|
48,2
|
69,7
|
49
|
5940
|
4680
|
163
|
204
|
198
|
277
|
|
51,7
|
71,4
|
50
|
6180
|
4820
|
164
|
192
|
190
|
278
|
|
55,6
|
72,1
|
51
|
6470
|
5050
|
165
|
184
|
178
|
279
|
|
55,8
|
73,7
|
52
|
6710
|
5290
|
166
|
183
|
170
|
280
|
|
56,6
|
79,6
|
53
|
6940
|
5450
|
167
|
177
|
168
|
281
|
|
65
|
80,4
|
54
|
7350
|
5590
|
168
|
166,5
|
170
|
282
|
|
63,5
|
80,1
|
55
|
7840
|
5750
|
169
|
166,5
|
169
|
283
|
|
65,4
|
85,3
|
56
|
7990
|
5830
|
170
|
161,7
|
162,7
|
284
|
|
68,9
|
88,8
|
57
|
8230
|
5860
|
171
|
152,8
|
150,6
|
285
|
|
74
|
90,4
|
58
|
8580
|
6010
|
172
|
143,6
|
141
|
286
|
|
72,2
|
92,6
|
59
|
9130
|
6290
|
173
|
141,5
|
139,7
|
287
|
|
71,9
|
92,6
|
60
|
9350
|
6420
|
174
|
133,9
|
136,6
|
288
|
|
74,9
|
95,8
|
61
|
9360
|
6700
|
175
|
126,2
|
134,4
|
289
|
|
79,1
|
100,1
|
62
|
9380
|
7120
|
176
|
124,3
|
129,1
|
290
|
|
80,2
|
102,4
|
63
|
9640
|
7350
|
177
|
121,6
|
124,6
|
291
|
|
83,1
|
107,4
|
64
|
10000
|
7370
|
178
|
117,5
|
120,4
|
292
|
|
85,4
|
110
|
65
|
9920
|
7430
|
179
|
112,9
|
117,5
|
293
|
|
86,8
|
110,9
|
66
|
9520
|
8050
|
180
|
108,9
|
113
|
294
|
|
89,5
|
116,7
|
67
|
9620
|
8290
|
181
|
108,7
|
108,4
|
295
|
|
91,7
|
120,7
|
68
|
9660
|
8040
|
182
|
105
|
107,8
|
296
|
|
96,7
|
120,7
|
69
|
9320
|
7720
|
183
|
101,6
|
106,8
|
297
|
|
102,4
|
125,9
|
70
|
8690
|
7960
|
184
|
98,3
|
104,4
|
298
|
|
106,7
|
131,6
|
71
|
8600
|
7040
|
185
|
93,9
|
100
|
299
|
|
111,2
|
136,1
|
72
|
8100
|
6910
|
186
|
92,2
|
95,4
|
300
|
|
116,5
|
141
|
73
|
7300
|
6620
|
187
|
91,1
|
95,4
|
301
|
|
119,8
|
145,8
|
74
|
6780
|
6360
|
188
|
89,3
|
93,7
|
302
|
|
126,2
|
148,9
|
75
|
6540
|
6070
|
87,1
|
90,1
|
303
|
|
130,3
|
148,7
|
76
|
6380
|
5830
|
190
|
88,8
|
89,2
|
304
|
|
132,5
|
155,9
|
77
|
5960
|
5700
|
191
|
89,2
|
89,2
|
305
|
|
139,6
|
172,2
|
78
|
5520
|
5640
|
192
|
81,1
|
85,2
|
306
|
|
147,8
|
175,4
|
79
|
5400
|
5580
|
193
|
77,5
|
81,9
|
307
|
|
149,7
|
167,1
|
80
|
5200
|
5360
|
194
|
76,7
|
79,5
|
308
|
|
153,6
|
177,2
|
81
|
4870
|
5230
|
195
|
71,8
|
76,4
|
309
|
|
167,3
|
192,4
|
82
|
4580
|
5060
|
196
|
71,9
|
74
|
310
|
|
181
|
197,4
|
83
|
4420
|
4730
|
197
|
71,4
|
72,7
|
311
|
|
180,4
|
203,9
|
84
|
4330
|
4570
|
198
|
69,8
|
72,6
|
312
|
|
180,5
|
214,9
|
85
|
4110
|
4450
|
199
|
66,3
|
71,8
|
313
|
|
193,4
|
226,1
|
86
|
3820
|
4240
|
200
|
61,5
|
67,7
|
314
|
|
206,2
|
229,3
|
87
|
3680
|
4060
|
201
|
63
|
65,8
|
315
|
|
211,2
|
232
|
88
|
3580
|
3970
|
202
|
60,9
|
62,6
|
316
|
|
225,4
|
239,7
|
89
|
3430
|
3740
|
203
|
58,3
|
63,1
|
317
|
|
239,3
|
249,2
|
90
|
3320
|
3620
|
204
|
55,8
|
61,7
|
318
|
|
247,1
|
264,9
|
91
|
3110
|
3490
|
205
|
54,3
|
58,6
|
319
|
|
252,7
|
269
|
92
|
2910
|
3340
|
206
|
53
|
56,7
|
320
|
|
265,3
|
280
|
93
|
2780
|
3180
|
207
|
51,9
|
55,5
|
321
|
|
277,1
|
292
|
94
|
2730
|
3060
|
208
|
51
|
54,6
|
322
|
|
282
|
305
|
95
|
2700
|
2980
|
209
|
49,7
|
53,8
|
323
|
|
285,3
|
316
|
96
|
2570
|
2900
|
210
|
47
|
51,8
|
324
|
|
301
|
321
|
97
|
2380
|
2170
|
211
|
46,1
|
49,9
|
325
|
|
314
|
338
|
98
|
2350
|
2530
|
212
|
45,8
|
48,8
|
326
|
|
332
|
357
|
99
|
2342
|
2470
|
213
|
44,6
|
47,2
|
327
|
|
340
|
363
|
100
|
2196
|
2390
|
214
|
42,8
|
46,6
|
328
|
|
343
|
364
|
101
|
2119
|
2330
|
215
|
41,4
|
45,2
|
329
|
|
358
|
373
|
102
|
2113
|
2230
|
216
|
40,4
|
44,8
|
330
|
|
379
|
395
|
103
|
2063
|
2120
|
217
|
40,9
|
44,3
|
331
|
|
399
|
428
|
104
|
1958
|
2020
|
218
|
40,1
|
43,3
|
332
|
|
426
|
445
|
105
|
1848
|
1927
|
219
|
37,6
|
41
|
333
|
|
451
|
456
|
106
|
1773
|
1923
|
220
|
35,9
|
40,5
|
334
|
|
464
|
489
|
107
|
1699
|
1790
|
221
|
35,9
|
40,2
|
335
|
|
496
|
509
|
108
|
1665
|
1636
|
222
|
35,1
|
38,1
|
336
|
|
522
|
516
|
109
|
1638
|
1592
|
223
|
33
|
37,5
|
337
|
|
529
|
512
|
110
|
1507
|
1536
|
224
|
31,5
|
36,9
|
338
|
|
552
|
532
|
111
|
1442
|
1426
|
225
|
31
|
36,3
|
339
|
|
590
|
569
|
112
|
1431
|
1347
|
226
|
30,4
|
35,4
|
340
|
|
614
|
591
|
113
|
1347
|
1321
|
227
|
30,3
|
34,5
|
341
|
|
646
|
617
|
114
|
1245
|
1267
|
29,8
|
35,2
|
342
|
|
28,2
|
35,2
|
343
|
|
|
26,9
|
32
|
344
|
|
|
27,3
|
31,5
|
345
|
|
|
26,7
|
30,3
|
346
|
|
|
25,7
|
29,7
|
347
|
|
|
24,2
|
29
|
348
|
|
|
23,6
|
28,9
|
349
|
|
|
23,3
|
29
|
350
|
|
|
22,6
|
27,9
|
351
|
|
|
22,4
|
27,7
|
352
|
|
|
22,8
|
27,3
|
353
|
|
|
21,9
|
26,2
|
354
|
|
|
20,5
|
25,6
|
355
|
|
|
20,2
|
25,3
|
356
|
|
|
20,1
|
25,5
|
357
|
|
|
20
|
24,2
|
358
|
|
|
18,8
|
23,7
|
359
|
|
|
18,2
|
23,4
|
360
|
|
|
17,8
|
22,6
|
361
|
|