Метрология и взаимозаменяемость
ФЕДЕРАЛЬНОЕ АГЕНТСТВО ПО ОБРАЗОВАНИЮ
РФ
РОССИЙСКИЙ ГОСУДАРСТВЕННЫЙ
УНИВЕРСИТЕТ
НЕФТИ И ГАЗА имени И.М. Губкина (НИУ)
Факультет инженерной механики
Кафедра "Стандартизация,
сертификация и управление качеством производства нефтегазового
оборудования"
Курсовая работа по дисциплинам
"МЕТРОЛОГИЯ" И
"ВЗАИМОЗАМЕНЯЕМОСТЬ"
Выполнил:
студент гр. МП-10-6
Тналиев Р.Я.
Принял:
Скрипка В.Л.
Москва 2012
Часть 1. Выбор и расчет допусков и посадок гладких
цилиндрических соединений
Дано:
Класс точности подшипника: 5
Номер подшипника: 7606H
Расчетная радиальная реакция опоры: Fr=25000 H
Осевая нагрузка на опору: Fa=10000 H
Перегрузка до 300%
Вал не имеет уступа, полый с диаметром отверстия dотв = 0.4d.
Внутреннее кольцо удерживается от осевых смещений втулкой, наружное кольцо -
выступом крышки, входящим в корпус. Корпус - неразъемный, крышка - глухая, т.е.
без отверстия для выхода вала.
Номинальные размеры, мм:
d1=D, d2=d, d3=d+6
Натяги в сопряжении вал - зубчатое колесо (по d3): наибольший - 70 мкм
наименьший - 20 мкм
Решение:
Для подшипника 7606Н находим посадочные размеры по ГОСТ 27365 -
87
Диаметр наружного кольца D=72 мм
Диаметр внутреннего кольца d=30 мм
Ширина колец подшипник В=27 мм
По ГОСТ 520 - 2002 находим отклонения посадочных размеров: D=72-0.009
d=30-0.011
Определяем вид нагружения колец подшипника: Т.к. радиальная сила,
постоянная по направлению, приложена к валу, который вращается, то наружное
кольцо имеет местное нагружение, а внутреннее - циркуляционное.
1. Посадка внутреннего кольца с валом
Нагружение - циркуляционное. Необходимо рассчитать интенсивность
нагружения:
где
K1 -
коэффициент, учитывающий динамические нагрузки.
По
табл. 14 для перегрузок до 300% K1=1.8
K2 - коэффициент,
учитывающий ослабление посадки при полом вале.
По
табл. 15 для
и
K2=1
K3 - коэффициент,
учитывающий влияние осевых сил на перераспределение радиальных сил.
По табл. 16 K3=1 т.к. нет сдвоенных и двухрядных подшипников.
По
табл. 13 с учетом класса подшипника находим поле допуска вала n5
Строим
схему полей допусков посадки
30L5/n5
2.
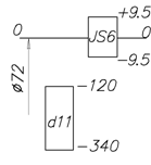
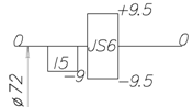
Посадка наружного кольца подшипника с корпусом (по D)
Нагружение - местное. Для D=72 мм наружного кольца неразъемного корпуса, принимая во внимание перегрузку
до 300% по табл. 15 находим поле допуска, учитывая класс точности
подшипника.
Строим схему полей допусков посадки
72JS6/l5
3. Посадка крышки с корпусом (по d1)
Для легкости сборки крышки с корпусом рекомендуется посадки с зазором
невысокой точности. Таким образом, для глухой крышки предпочтительней выбрать
поле допуска d11.
Строим схему полей допусков посадки
72JS6/d11
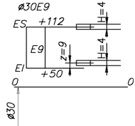
4. Посадка распорной втулки с валом (по d2)
Для легкости сборки посадка распорной втулки с валом должна иметь зазор
не менее 20…30 мкм.
Отклонения вала определены посадкой внутреннего кольца подшипника, тогда
для получения необходимого зазора подбираем такое поле допуска отверстия, у
которого основное отклонение больше, чем верхнее отклонение вала на 20…30
мкм.
Получаем поле допуска отверстия
Строим схему полей допусков посадки
30E9/n5
5. Посадка валa c зубчатым колесом (по d3)
По табл. 6 выбираем посадку наименьшей точности в системе отверстия, для
которого соблюдаются следующие условия:
Предельные
функциональные натяги уже определены заданием:
NmaxF=70 мкм
NminF=20 мкм
NmaxF- NminF=70-20=50 мкм=
Из
табл. 4 - квалитет 7
Этим
условиям удовлетворяет посадка
36H7/t6, для которой Nmax=64 мкм Nmin=23 мкм
Строим
схему полей допусков посадки
36H7/t6
6. Рассчитаем числовые характеристики посадок для
соединений: d1 ,d2 ,d3 и указываем их значения на схемах
расположения полей допусков
А) для d1:
72P6/d11
Smax=ES-ei=-32-(-340)=308 мкм
Smin=EI-es=-51-(-120)=69 мкмm=Em-em=-41.5-(-230)=271.5
мкм= Smax-
Smin=308-69=239 мкм
мкм
мкм
мкм
Б)
для d2:
30E9/n5
Smax=ES-ei=112-15=97 мкмmin=EI-es=50-24=26 мкмm=Em-em=81-19.5=61.5 мкм= Smax- Smin=97-26=71 мкм
мкм
мкм
мкм
) для d3:
36H7/t6
max=ei-ES=64-0=64 мкмmin=es-EI=48-25=23 мкмm= em -Em=112-12.5=99.5 мкм= Nmax- Nmin=64-23=41 мкм
мкм
мкм
мкм
Требования,
предъявляемые к поверхностям корпуса и вала, предназначенным для посадок
подшипников качения.
1. Отклонения формы поверхностей корпуса и вала не должны превышать
для подшипника 5 класса точности значений, равных IT/8. Особенно опасны для
подшипников качения конусообразность и овальность посадочных поверхностей.
Поэтому укажем допуск круглости и профиля продольного сечения, а не допуск
цилиндричности, который вызывает затруднения при контроле. В данном случае
допуски формы равны:
для корпуса FT = IT6 / 8 = 19/8 = 2.375 мкм,
для вала FT = IT5 / 8 = 9/8 = 1.125 мкм.
2. Шероховатость поверхностей устанавливается в зависимости от
класса точности подшипника и диаметра различной для корпуса и вала и торцов
заплечиков в корпусе, на валу или распорной втулки.
3. Для данного варианта находим среднее арифметическое отклонение:
поверхности корпуса Ra=0.63, вала Ra=0.63, для заплечиков Ra=1.25.
Расчет
исполнительных размеров рабочих калибров
Необходимо рассчитать исполнительные размеры калибров для втулки, т.е. в
данном случае для отверстия Æ30E9 и вала Æ30n5 (т.к для IT5
калибры не предусмотрены возьмем поле n6).
Находим в мкм для пробки: IT9= 62, z = 9, α= 0, H =
4, для скоб IT6 = 16, z1
= 3, α1
= 0, H1 = 4, y1 = 3
Строим схему полей допусков изделия и калибров.
Наибольший предельный размер проходной пробки
Dmin+z+H/2=30.026+0.009+0.004/2 = 30.037 мм.
компенсатор прокладка допуск посадка
Наибольший предельный размер непроходной пробки
Dmax+α+H/2=30.097+0.00+0.004/2=30.099 мм.
Наибольший предельный размер проходной скобы
dmax-z1-H1/2=30.024-0.003-0.004/2 = 30.019 мм.
Наименьший предельный размер непроходной скобы
dmin -H1/2=30.015-0.004/2=30.013мм.
У пробок при изготовлении калибров допуски указывают отклонениями в тело
от наибольшего предельного размера. Для нашего случая получим:
Для пробок: Æ30.037-0.004 и Æ30.099-0.004.
Средства измерений для технического контроля деталей.
Для вала
30n5 вертикальный длинномер.
Диапазон измерения 0-250мм, ∆си=±1.5 мкм, цена деления
0,001 мм.
Для распорной втулки
30Е9 нутрометр.
Диапазон измерения 18-50мм, ∆си=±5 мкм, цена деления
0,01 мм.
Рабочий калибр
Часть 2. Расчет размерной цепи
Сборочная
размерная цепь
Решить сборочную размерную цепь методом регулирования. Определить толщину
и число прокладок компенсатора. Рассчитать необходимые комплекты прокладок из
стандартных толщин.
Исходные
данные:
Указания
1. Отклонение
размеров, кроме заданных, устанавливаются: 
по 
, 
по 
, 
симметричные

.
. Для
размера 
допуск
принимается равным половине допуска размера длины втулки 
с
отклонениями по 
.
. Замыкающий
размер 
-
смещение средней плоскости в передаче.
. 
-
компенсирующее звено.

В
размерную цепь вместо радиального и торцового биения следует вводить
соответствующие им эксцетриситеты 
, 
.

-
увеличивающие размеры

-
уменьшающие размеры

-
замыкающий размер.

Для решения проблемы обеспечения полной
взаимозаменяемости необходимо подобрать размер компенсатора 
.
Поскольку
замыкающим размером является 
,
справедливо выражение:
откуда:
Тогда
номинальный размер компенсатора:
Диапазон регулирования компенсатора:
Так
как размер 
-
увеличивающий,
Тогда
Предельные
размеры компенсатора:
Размер основной прокладки (по ряду Ra10):
Диапазон регулирования сменными прокладками:
Число сменных прокладок:
Толщина
сменных прокладок:
Округляем

до
стандартного значения из ряда Ra10 с учетом условия 
: 
.
Размеры
комплектов прокладок:
|
Кол-во сменных прокладок
|
Размер комплекта
|
|
0
|
0,900 мм
|
|
1
|
1,025 мм
|
|
2
|
1,150 мм
|
|
3
|
1,275 мм
|
|
4
|
1,400 мм
|
|
5
|
1,525 мм
|
Необходимое регулирование может быть обеспечено при помощи основной
прокладки толщиной 0,9 мм и пяти дополнительных толщиной 0,125 мм каждая.
Подетальная размерная цепь
Для вала, представленного на эскизе, выбрать последовательность
обработки, обеспечив требования сборки.
Последовательность
выполнения:
1. Определить требуемую точность изготовления оставляющих размеров
в последовательностях обработки a и b.
. Выбрать экономически целесообразную последовательность обработки.
. Начертить эскиз детали с размерами и соответствующими им
предельными отклонениями для выбранной последовательности обработки.
Указания
1. Варианты последовательности обработки:
a. 
b. 
2. Назначить
допуски и отклонения обрабатываемых размеров так, чтобы исходный размер 
, равный
размеру 
в
сборочной цепи, был выполнен по 8-му квалитету и имел отклонение в
"-".
Исходные
данные

Вариант
a

-
увеличивающий размер

-
уменьшающие размеры

-
замыкающий размер

в
размерную цепь не входит
Требуемый
размер 
Для
расчета среднего числа единиц допуска необходимо найти единицы допусков
составляющих размеров: 
Для


Для


Для


Среднее
число единиц допуска:
По
СТ СЭВ 145-71 значению 
соответствует
квалитет 5.
Допуски
размеров с учетом IT5:

,
следовательно выбранные допуски подходят.
Устанавливаем:
Для
размера 
устанавливаем
допуск H12 как для не влияющего на функционально важные
размеры.
Вариант
b

-
увеличивающий размер

- уменьшающий размер

-
замыкающий размер

в
размерную цепь не входит
Исходный
размер 
независимым
и на него устанавливается допуск, соответствующий с заданными требованиями, что
соответствует IT8. Остальные размеры не влияют на исходный размер 
, и
допуски на них назначаются по квалитету не ниже исходного. Тогда назначаем
допуски на размеры 
и 
по IT8:
Для
размера 
устанавливаем
допуск H12 как для не влияющего на функционально важные
размеры.
Отклонения
замыкающего 
:

, что
соответствует IT10.
Изготовление детали в последовательности B более экономично, в связи с большей допускаемой грубостью
(на 3 - 5 квалитетов грубее) размеров.
Часть 3.
Оценка адекватности модели и объекта измерений
Схема
расположения точек измерения.
1.
Выбор средства измерения.
При
проведении исследования допускаемую погрешность измерений можно принять равной
0,1 предполагаемого диапазона измерений размеров детали в процессе обработки: ∆идет
= 0,1R.
Учитывая, что погрешность измерения включает в себя
инструментальную, методическую и субъективную погрешности выбираем такое
средство измерения, чтобы его погрешность не превышала 0,7 допускаемой
погрешности измерения:
∆сидет
= 0,7∆идет =>∆сидет
= 0,7∙0,1∙R=0,07∙27=1,89мкм.
С учётом диапазона измерения из табл.23 выбираем:
оптиметр вертикальный.
Погрешность измерений СИ: ±0,3мкм.
Дано: l=18f8
|
Номер точки объекта
|
Результаты наблюдений, мкм
|
|
xi1
|
xi2
|
xi3
|
xi4
|
xi5
|
xi6
|
|
1
|
-3
|
-11
|
-3
|
-10
|
-8
|
-7
|
|
2
|
-9
|
-5
|
-2
|
-1
|
-3
|
|
3
|
1
|
-3
|
-7
|
1
|
-6
|
-6
|
|
Номер точки объекта
|
 
|
|
|
|
1
|
-7
|
58
|
11,6
|
|
2
|
-4,83
|
73,4845
|
12,167
|
|
3
|
-3,33
|
65,3334
|
13,067
|
2.
Анализ однородности дисперсии.
Среднее значение дисперсии:
Критерий
Бартлета будет равен:
Уровень
значимости критерия - 10%.
Число
степеней свободы k=m-1=2.
Значение
.
Вывод: различия между оценками дисперсий допустимы, то есть
дисперсии однородны. В этом случае можно использовать дисперсионный анализ.
Вычисляем
общее среднее арифметическое значение:
.
Определяем
сумму квадратов отклонений между группами:
.
Определяем
сумму квадратов отклонений внутри группы:
.
Вычисляем
критерий Фишера:
Задаваясь
уровнем значимости q=10%, находим число степеней свободы:
Для
этих значений по табл.25 находим:
.
Вследствие
того, что
, а
, то
следовательно, различия средних арифметических групп считается допустимым. В
этом случае делаем вывод об адекватности модели и объекта измерения.
Методическая
погрешность измерений:
, где t-коэф. Стьюдента, зависящий
от доверительной вероятности P=1-q и числа степеней свободы k=m-1.
.
Список
литературы
) В. Л.
Скрипка, О. И. Ягелло "Методические указания к выполнению курсовой работы
по дисциплинам "Метрология" и "Взаимозаменяемость". - М.:
РГУ нефти и газа им. И. М. Губкина. - 2007. - 110 с.