Маршрутный технологический процесс

  • Вид работы:
    Практическое задание
  • Предмет:
    Другое
  • Язык:
    Русский
    ,
    Формат файла:
    MS Word
    1018,84 Кб
  • Опубликовано:
    2013-05-15
Вы можете узнать стоимость помощи в написании студенческой работы.
Помощь в написании работы, которую точно примут!

Маршрутный технологический процесс

Министерство образования и науки РФ

институт (филиал)

Государственного образовательного учреждения высшего

профессионального образования

« Московский Государственный открытый университет







Журнал практических работ

по предмету:

«Основы технологии машиностроения»

Специальность 151001 - Технология машиностроения










г.

Содержание

Практическая работа № 1

Цель работы. Последовательность выполнения работы

Оформление маршрутной карты для технологического процесса изготовления заданной детали

Вывод по работе

Практическая работа №2

Выводы по работе

Практическая работа № 3

Выводы по работе

Практическая работа № 1

Цель работы:

Усвоить правило оформление маршрутной карты для разработоного технологического процесса.

Последовательность выполнения работы:

. Заполнить графы основной надписи.

. В соответствии с таблицей "Маршрутный технологический процесс" (П.р. №3), вписать технологические операции в бланк маршрутной карты используя служебные символы А и Б.

. Для каждой технологической операции включенной в маршрутную карту указать необходимые коды технико-экономической информации.

. Вывод по работе.

Вывод по работе:

Изучение оформления маршрутной карты для разработаного технологического процесса.

Практическая работа № 2

маршрутный карта технологический операция

«Разработка и оформление карты наладки технологического оборудования и оснастки»

Цель работы: Приобритение студентами навыков проектирования эскизов технологических наладок и оформления карты наладки оборудования и оснастки.

Исходные данные и оснащение:

.        Чертеж детали с нумерацией обрабатываемых поверхностей и указанием методов их обработки.

2.      Милиметровая бумага формата А1 (841х594) и чертежные инструменты.

.        Цифровая фототехника.

.        Методические указания по разработке технологических операций.

.        Справочные материалы (паспортные данные станков, стандарты на технологическую оснастку).

Порядок выполнения работы:

.        Записать содержание технологической операции по переходам и вычертить операционные эскизы.

2.      Выбрать модель металлорежущего станка (заполнить таблицу 1).

.        Выбрать режущий, вспомогательный и измерительный инструмент (заполнить таблицу 2-4).

.        Выполнить компоновку эскиза наладки. Построить циклограмму работы каждого режущего инструмента.

.        Оформить операционную карту обработки резанием.

.        Установить режимы резания и расчитать норму времени для данной операции.

.        Сформулировать выводы по работе.

Выполнение работы

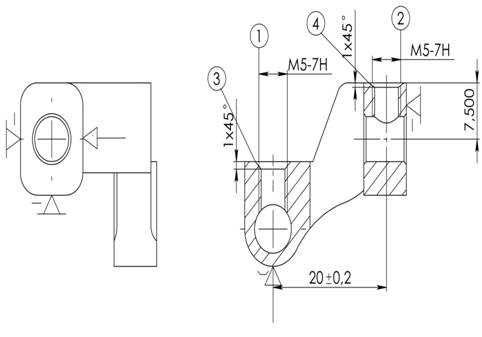
Координатно-сверлильная с ЧПУ.

А. Установить. Закрепить. Снять.

Позиция 1.

. Центровать отверстие (3), выдерж. разм. 1Х45°.

. Сверлить отверстие (1), выдерж. разм. d = 4,2, l = 7,5, на проход.

. Нарезать резьбу (1), выдерж. разм. М=5-7Н, на проход.

Позиция 2.

. Центровать отверстие (4), выдерж. разм. 1Х45°.

. Сверлить отверстие (2), выдерж. разм. d = 4,2, l = 7,5, на проход.

. Нарезать резьбу (2), выдерж. разм. М=5-7Н, на проход.

. Контроль исполнителем.

Операционный эскиз.


Таблица 1. Техническая характеристика применяемого станка.

Наименование станка  Модель

Координатно-сверлильный с ЧПУ 2Д132МФ2

Габаритные размеры обрабатываемой детали, мм

31х26х26

Размеры рабочей зоны станка по осям X, Z,Y мм

400х630х590

Размеры присоединительных элементов станка: - шпиндель (номер и размеры) - стол (длина и ширина)

 40, 7:24,475 400х700

16

Диапазон частоты вращения, об/мин

45-2000

Число ступеней вращения шпинделя

12

Число подач сверлильной головки

18

Рабочие подачи, мм/об

10-500

Скорость быстрого перемещения (стола и шпиндельной бабки), мм/мин

7 4

Мощность электродвигателя привода главного движения, кВт

4


Таблица 2. Применяемый режущий инструмент.

Показатель

Характеристика РИ

Наименование режущего инструмента

Сверло спиральное с цилиндрическим хвостовиком для зацентровки под сверление

Материал режущей части (марка, номер стандарта)

Р6М5 ГОСТ 19265-77

Геометрические параметры режущей части

Ψ=55°, 2φ=90°, ω=26°

Конструктивные размеры рабочей части инструмента

d=10, l=30

Конструктивные размеры крепежной (присоединительной) части инструмента

L=75

Обозначение по стандарту (с децимальным номером)

Сверло ОСТ 2И20-5-80 035-2317-0101

Наименование режущего инструмента

Метчик машино-ручной с проходным хвостовиком

Материал режущей части (марка, номер стандарта)

Р6М5 ГОСТ 19265-77

Геометрические параметры режущей части

Ψ=75°,φ=14°

Конструктивные размеры рабочей части инструмента

d=5, P=0.8,l=16,

Конструктивные размеры крепежной (присоединительной) части инструмента

d1=6 , L=58, S=4,9

Обозначение по стандарту (с децимальным номером)

Метчик ГОСТ 3266-81 2621-2457

Наименование режущего инструмента

Сверло спиральное с цилиндрическим хвостовиком

Материал режущей части (марка, номер стандарта)

Р6М5 ГОСТ 19265

Геометрические параметры режущей части

Ψ=55°, 2φ=118°, ω=26°

Конструктивные размеры рабочей части инструмента

l=42, d=4,2

Конструктивные размеры крепежной (присоединительной) части инструмента

L=75, d=4,2

Обозначение по стандарту (с децимальным номером)

Сверло 035-2300-1215 ОСТ 2И20-1-80


Таблица 3. Применяемый вспомогательный инструмент.

Наименование и обозначение вспомогательного инструмента

Параметры присоединительных поверхностей (мм)


для станка

для режущего инструмента

1. Патрон цанговый DIN 69871 40 ER 32 SHORT

7:24

d= 2-20

2. Цанга ER 32 SPR 4-5 DIN 6499

A=33,B=40

d=4,2

3. Цанга ER 32 SPR 10-11 DIN 6499

A=33,B=40

d=10

6. Патрон для крепления метчиков GTI BT40 ER 16

7:24

М3-М10

8. Цанга ER 16 SPR DIN 6499

d=6


Таблица 4. Применяемые средства измерения и контроля.

Проверяемый размер

Единица измерения

Допуск

Допускаемая погрешность

Наименование и обозначение средства измерения и контроля

6 ± мм0,240,1Штангенглубиномер

ШЦ-I-0-160

ГОСТ 164-80





М5-7Н

мм

0,05

0,01

Пробка резьбовая ГОСТ 17756-72


Выводы: При оформлении карты наладки необходимо понимание зависимости технических характеристик станка и его оснастки от требований, предъявляемых к изготовлению детали.

Практическая работа № 3

« Нормирование технологической операции, выполняемой на станке с ЧПУ »

Цель работы: Усвоение методики нормирования технологической операции, определение нормы времени, нормы выроботки, расценки и дневной сдельной заработной платы.

Порядок выполнения работы:

1.      Составить операцию, выполняемую на станке с ЧПУ (Задание выполнить в условиях практической работы № 2)

.        Расчитать режимы резания на выполнение каждого перехода в данной операции по нормативам.

.        Определение оперативного времени.

.        Определение штучного времени.

.        Определение подготовительно-заключительного времени.

.        Определение нормы времени на данной операции.

.        Определение нормы выроботки, расценки по зарплате.

.        Сформулировать выводы по работе.

Выполнение работы.

1.      Выполняемая операция.

Координатно-сверлильная с ЧПУ.

А. Установить. Закрепить. Снять.

Позиция 1.

. Центровать отверстие (1), выдерж. разм. 1Х45°.

. Сверлить отверстие (1), выдерж. разм. d = 4,2, l = 7,5, на проход.

. Нарезать резьбу (1), выдерж. разм. М=5-7Н, на проход.

Позиция 2.

. Центровать отверстие (2), выдерж. разм. 1Х45°.

. Сверлить отверстие (2), выдерж. разм. d = 4,2, l = 7,5, на проход.

. Нарезать резьбу (2), выдерж. разм. М=5-7Н, на проход.

. Контроль исполнителем.

.        Характеристика системы СПИД.

Станок:

Координатно-сверлильный 2Д132МФ2

Приспособление:

Для станочных и ручных работ 73ХХ-0001.

Инструмент:

РИ:   - сверло спиральное с цилиндрическим хвостовиком Р6М5 d=4,2;

метчик машино-ручной с проходным хвостовиком М5х0,8 Р6М5;

сверло спиральное с цилиндрическим хвостовиком для зацентровки под сверление Р6М5 d=10, 2φ = 90°.

ВИ:   Патрон цанговый DIN 69871 40 ER 32 SHORT, Патрон для крепления метчиков GTI BT40 ER 16.

СИ:   - Пробка резьбовая М5-5Н6Н ГОСТ 17756-72.

Штангенциркуль ШЦ-II-0-160 ГОСТ 164-80.

Деталь:

Масса детали - 30 г.

Число деталей в партии - 154 шт.



Определение основного времени на операцию:


3.      Определение времени цикла автоматической работы станка по программе.

ТЦА = ТO + ТMB= 0,52 + 26,92 = 27,44 мин.                  [3, стр. 603,]

где ТMB = tL + tУР + tСИ + tТП = 0,95 +1,97 + 24 + 0 = 26,92 мин.

где tL=Lmax∙i / VS max=630∙6/4000=0,95мин

СИ = iси ∙ t’СИ = 3 ∙ 8 = 24 мин.

ТП = 0 мин.

4.      Определение вспомогательного времени.

ТВ = ТВтаб ∙ КТВ = 1,08∙ 1,15 = 1,242 мин.

где ТВтаб = tУС + tВ.ОП + tКИ = 0,14 + 0,35 +0,59 = 1,08 мин.

где    tУС = 0,14 мин.                              [2, стр. 34, карта 3]В.ОП = 0,2 + 0,12 + 0,03 = 0,35 мин.КИ= 0,59                               [6, стр. 89, карта 15]

Расчет трудоемкости производства:

ТО ∙ nД / 60 ∙ 6 = 0,52 ∙ 154 / 60 ∙6 = 0,2 смены.

КТВ = 1,15                                     [2, стр. 31, карта 1]

.        Определение оперативного времени.

ТОП = ТЦА + ТВ = 27,44 + 1,242 = 28,682 мин.

.        Определение штучного времени.


7.      Определение штучно-калькуляционного времени.


8.      Определение нормы выработки.


9.      Определение расценки.

Квалификация рабочего на данную операцию - 4 разряд.


10.    Определение зарплаты.

ЗП = Р ∙ НВ =9,44∙101=953,44 руб.

Выводы по работе: Расчеты нормирования технологической операции требуют определенных навыков работы с общемашиностроительными нормативами времени, а также умения пользоваться справочниками для расчета режимов резания.

Список используемой литературы

1.      Режимы резания для токарных и сверлильно-фрезерно-расточных станков с числовым программным управлением: Справочник /Под ред. В.И. Гузеева. М.: Машиностроение, 2005. 368 с.

.        Общемашиностроительные нормативы времени вспомогательного, на обслуживание рабочего места и подготовительно-заключительного для технического нормирования станочных работ: Серийное производство. / Изд. 2-е. М.: Машиностроение, 1974. 418 с.

.        Справочник технолога-машиностроителя. Том 1. Под ред. А. Г. Косиловой и Р. К. Мещерякова - 4-е изд., перераб. и доп. - М.: Машиностроение, 1985. 496 с. : ил.

.        Справочник технолога-машиностроителя. Том 2. Под ред. А. Г. Косиловой и Р. К. Мещерякова - 4-е изд., перераб. и доп. - М.: Машиностроение, 1985. 496 с. : ил.

.        Кузнецов Ю.И. Маслов А.Р. Байков А.Н. Оснастка для станков с ЧПУ: Справочник. - 2-е изд., перераб. И доп. - М.: Машиностроение, 1990. 512 с. : ил.

.        Общемашиностроительные нормативы времени и режимов резания для нормирования работ, выполняемых на универсальных и многоцелевых станках с ЧПУ. Часть 1. Нормативы времени. Ред. С.Ю. Романова / Изд. М.: Экономика, 1990. 207 с. : ил.

Похожие работы на - Маршрутный технологический процесс

 

Не нашли материал для своей работы?
Поможем написать уникальную работу
Без плагиата!
Без нейросетей!