Коллектор ЧН6-12-19

  • Вид работы:
    Курсовая работа (т)
  • Предмет:
    Другое
  • Язык:
    Русский
    ,
    Формат файла:
    MS Word
    1,79 Мб
  • Опубликовано:
    2013-06-19
Вы можете узнать стоимость помощи в написании студенческой работы.
Помощь в написании работы, которую точно примут!

Коллектор ЧН6-12-19

1. Общий раздел

1.1    Назначение детали.

«Коллектор ЧН6-12-19» входит в коробку передач сельскохозяйственного гусеничного трактора ЧЕТРА ЧН6 с треугольным обводом и резинотросовой гусеницей (рис. 1).

Применяемость 1 шт. на трактор.

Трактор предназначен для целого комплекса сельскохозяйственных работ: основной и предпосевной обработки почвы, в том числе пахоты средних и тяжелых почв на глубину до 40 см, двух- и трехъярусной вспашки, глубокого безотвального рыхления, плантажной вспашки, сплошной культивации, сева зерновых, проведения уборочных и транспортных работ, внесения удобрений и других работ. Трактор способен работать на равнинах и склонах до 10 градусов в агрегате с навесными, полунавесными и прицепными гидрофицированными машинами и орудиями, другими рабочими органами, предусмотренными для тягового класса 6, в различных почвенно-климатических зонах.

Рисунок 1. Гусеничный трактор ЧЕТРА ЧН6

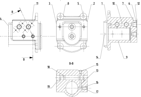
Коллектор устанавливается и крепится с помощью двух болтов М10 на ЧН6-12-13 - «Крышка коробки передач» (рис. 3).

Коллектор предназначен для подвода масла в систему гидроуправления и смазки коробки передач, а также для установки электромагнитного клапана и датчика давления.

Рисунок 2. Рабочие поверхности

Масло в системе гидроуправления подводится к отверстию 1 (рис. 2) с резьбой М18х1,5-7Н, которое соединено сверлениями с электромагнитным клапаном, который устанавливается в отверстие 2, и крепятся на отверстия 3 с резьбой М5-7Н.

На коллекторе устанавливается электромагнитный клапан, который при подаче на него электрического сигнала обеспечивают подачу масла к фрикционам, установленным на входном валу через отверстие 5 и отвод через отверстие 6.

Отверстие 4 с трубной цилиндрической резьбой G 1/4» выполнено с канавкой для установки резинового уплотнительного кольца для установки датчика давления.

Отверстия 7,8,9,10 диаметром 18х1,5-7Н предназначены для подвода масла к узлам коробки передач.

1.2    Описание конструкции детали


По своей конфигурации деталь представляет собой тело призматической формы (рис. 4) со множеством глубоких отверстий (рис. 4), которые пересекаются друг с другом. Рассмотрим все поверхности присутствующие в детали, после механической обработки. Анализ начнем с простейших поверхностей.

В детали имеются более 10 фасок, представляющие собой коническую поверхность, срезающую кромку, образованную торцевой поверхностью и собственно цилиндрической поверхностью отверстия, полученные зенкованием зенковкой с углом при вершине 90. Фаски присутствующие в детали с углом скоса 25 получены обработкой специально спроектированным инструментом - комбинированным зенкером и разверткой с углом при вершине 25.

Следующие по сложности - плоскости, к ним относятся торцы. Все плоскости детали образованы в основном фрезерованием.

В детали имеется много отверстий, разного предназначения. Минимальный размер принадлежит отверстию под резьбу М5 в количестве 2 шт. Глубина резьбы в отверстии ограничена - 10 мм, для лучшего процесса установки болта предусмотрена фаска с углом в 450 на глубину равную 0,5 мм. Так же имеется 1 отверстие с трубной цилиндрической резьбой G1/4.

Следует выделить 1 ступенчатое отверстия с диаметрами 16,97 мм, 17,93 мм и 21,97 мм для получения которых были спроектированы специальные комбинированные инструменты - зенкер и развертка, диаметр 19 мм можем получить фрезерованием при помощи круговой интерполяции. Два отверстия  с глубиной сверления 20 мм.

Так же следует отметить 1 отверстие полученное сверлением под углом 300.

Рисунок 4. 3D вид детали «Коллектор».

1.3 Материал

Деталь «Коллектор» изготавливается из кремнемарганцовистой стали Сталь 09Г2С ГОСТ 19903-74 (химический состав и механические характеристики приведены в табл. 1 и 2). Для обеспечения качества стали оговорен состав входящих в него химических элементов, который нормируется (табл. 3). Допускается замена материала: Сталь 09Г2, сталь 09Г2ДТ, сталь 09Г2Т, сталь 10Г2С.

Марка стали 09Г2С находит свое применение при изготовлении деталей сварных металлоконструкций, работающих в широком интервале температур от -70 до +425 °С. Это детали паровых котлов, а также других аппаратов, работающих в условиях высокого давления. Сталь 09Г2С применяется в судостроении, химической промышленности, а также в производстве труб.

Физические свойства стали 09Г2С достаточны для того, чтобы обеспечить прочность фасонного, сортового и полосового металлопроката при различных толщинах (от 10 до 100 мм). При этом какой-либо дополнительной обработки не потребуется.

Обозначение 09Г2С имеет прямой физический смысл. Цифры 09 идущие перед буквами, обозначают, что в данной марке стали всего 0,09% углерода. Буква «Г», обозначает, что в стали присутствует марганец, а двойка, идущая после «Г» - что марганца до 2%. Буквой С обозначается кремний. Обратите внимание, что после буквы цифры нет, это обозначает, что кремния в стали меньше 1%. Таким образом, 09Г2С - это низколегированная сталь.

Таблица 1. Химический состав Сталь 09Г2С ГОСТ 19903-74.

Массовая доля элементов, %

C

Si

Mn

Ni

S

P

Сr

N

Cu

As

до 0,12

0,5 - 0,8

1,3 - 1,7

до 0,3

до 0,04

до 0,035

до 0,3

до 0,008

до 0,3

до 0,08


Таблица 2. Механические свойства Сталь 09Г2С ГОСТ 19903-74.

Сортамент

KCU

HB не более


МПа

%

кДж/


Лист, ГОСТ 5520-79

430-490

265-345

21

56

590-640

255

 

1.3 Анализ технологичности детали


Деталь должна изготовляться c минимальными трудовыми и материальными затратами. Эти затраты можно сократить в значительной степени от правильного выбора технологической конструкции детали, что влечет за собой наилучший выбор варианта технологического процесса, его оснащению, механизации, применению оптимальных режимов обработки и правильной подготовки производства.

Анализ технологичности может быть произведен по нескольким показателям и позволяет оценить фактическую воспроизводимость детали в конкретных производственных условиях. Цель такого анализа - выявление недостатков конструкции по сведениям, содержащимся в чертежах и технических требованиях, а также возможное улучшение технологичности рассматриваемой конструкции.

Анализ технологичности проводиться в два этапа:

а) качественная оценка;

б) количественная оценка;

Качественная оценка технологичности конструкции изделия осуществляется в зависимости от типа детали.

Оценим деталь с точки зрения качественной технологичности, рассмотрев ее чертеж.

Конструкция детали допускает обработку плоскостей напроход.

Имеется свободный доступ инструмента к обрабатываемым поверхностям, что позволяет использовать при обработке высокопроизводительные режимы резания.

Есть много глухих отверстий, которые невозможно заменить на сквозные, ввиду назначения детали.

Имеются обрабатываемые плоскости, расположенные под острым углом 65, так же отверстия.

Деталь достаточно жесткая и не ограничивает режимы резания.

В конструкции детали имеются достаточные по размерам и расстоянию базовые поверхности.

Способ получения заготовки достаточно простой и характерный для деталей данного типа - отливка.

С Точки зрения механической обработки деталь является вполне технологичной. Наружную и внутреннюю поверхности наиболее удобно обрабатывать с применением станков с ЧПУ.

Количественная оценка технологичности определяется в соответствии с ГОСТ 14.202-73.

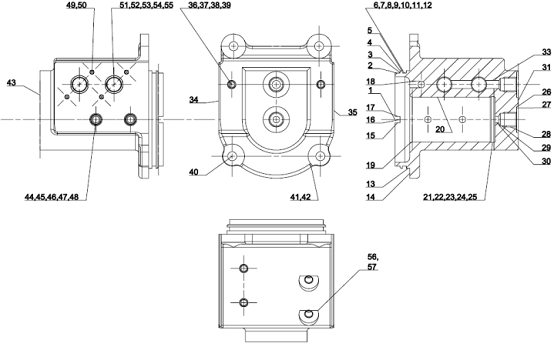
Для расчетов составим таблицу с указанием основных размеров с квалитетами точности, шероховатости, унификации размера и количества поверхностей (рис. 5, табл. 4)

Рисунок 5. Обрабатываемые поверхности

Таблица 4. Обрабатываемые поверхности

№№

Наименование и типоразмер

Кв.

Шер.

Униф. элементы





Общ. кол.

Униф.

1

Торец левый l=122

14

6,3

1

1

2

Цилиндрическая поверхность 114

14

6,3

1

1

3

Поверхность l=6

14

20

1


4

Фаска 1,6х45

14

20

1

1

5

Цилиндрическая поверхность 120h8

8

3,2

1

1

14

Торец l=18b12

12

3,2

1


6

Канавка R0,2

14

20

1

1

7

Канавка l=4,7

14

20

1


8

Канавка R0,6

14

20

1


9

Канавка 114,4h9

9

2,5

1


10

Канавка R0,6

14

20

1


11

Канавка l=4,7

14

20

1


12

Канавка R0,2

14

20

1


15

Паз l=8

14

20

1

1

16

Паз l=6

14

20

1


17

Паз l=8

14

20

1


18

Отверстие 8

14

20

1

1

19

Фаска 3х30

14

20

1

1

20

Отверстие55H7

7

1,6

1

1

21

Канавка 5

14

20

1

1

22

Канавка R1,6

14

20

1


23

Канавка 0,5

14

20

1


24

Канавка R1,6

14

20

1


25

Канавка l=122

14

20

1


26

Цековка 32

14

20

2

2

27

Цековка l=2

14

20

2


28

Резьба М18х1,5-7Н

7

6,3

2

2

29

Отверстие под резьбу

14

20

2

2

30

Отверстие

14

20

1

1

31

Торец правый

14

20

1

1

33

Отверстие 10

14

20

1

1

34

Лыска левая

14

2,5

1

1

35

Лыска правая

14

2,5

1

1

36

Фаска 1х45

14

20

7

7

37

Резьба КГ1/8»


2,5

7

7

38

Отверстие под резьбу

14

20

7

7

39

Отверстие 8

14

20

6

6

40

Отверстие

14

20

4

4

41

Цековка 30

14

20

4

4

42

Цековка l=2

14

20

4


44

Фаска 0,5х60

14

20

4

4

45

Отверстие 13,5Н11

11

2,5

4

4

46

Резьба G1/4»


2,5

4

4

47

Отверстие под резьбу

144

20

4

4

48

Отверстие 8

14

20

4

4

49

Резьба М5-7Н

7

4

4

50

Отверстие под резьбу

14

20

4

4

51

Отверстие 21,97

7

1,6

4

4

52

Отверстие

7

1,6

4

4

53

Фаска 1х25

14

1,6

4


54

Отверстие16,97F7

7

1,6

4


55

Отверстие 19

14

12,5

2

2

56

Цековка 24

14

20

2

2

57

Цековка l=8

14

20

2



Анализ технологичности детали включает: отработку ее конструкции с целью максимальной унификации элементов, выбор и нанесение размеров, оптимальных допусков и шероховатостей, соблюдение всех требований, предъявляемых к заготовкам и т.д.

Ввиду того, что на стадии разработки отсутствуют данные о трудоемкости, технологической себестоимости детали, так как технологический процесс еще не разработан, воспользуемся для определения технологичности дополнительным показателем по следующей методике:

)        коэффициент унификации конструктивных элементов:

,                       (1.3.1)

где  соответственно число унифицированных конструктивных элементов детали и общее, шт.

Деталь является технологичной, так как ;

)        максимальное значение квалитета обработки IT 14;

)        максимальное значение параметра шероховатости обрабатываемых поверхностей не более Rz 80;

)        коэффициент точности обработки:

, (1.3.2)

где Аср - средний квалитет обработки изделия;

квалитета - 19; 8 квалитета - 1; 9 квалитета - 1; 11 квалитета - 4; 12 квалитета - 1; 14 квалитета - 89.

Деталь является технологичной, так как  1.

)        коэффициент шероховатости поверхности:

                      (1.3.3)

где Бср - среднее числовое значение параметра шероховатости (Ra);

с Rа=20 - 79, Rа=12,5 - 2, Rа=6,3 - 8; Rа=3,2 - 2; Rа=2,5 - 18; Rа=1,6 - 17.

Чем выше вычисляемые коэффициенты, тем деталь считается более технологичной. В нашем случае коэффициенты точности обработки, шероховатости близки к единице, что говорит о довольно высокой технологичности.

1.4 Определение типа производства


Тип производства определяется ориентировочно, исходя из массы детали и программы выпуска деталей, по табл. 5 [5, с. 27]. Для массы детали 10,3 кг и программы выпуска 100 деталей соответствует мелкосерийное производство.

Таблица 5. Выбор типа производства по годовому выпуску и массе деталей, шт.

Производство

Число обрабатываемых деталей одного типоразмера в год, шт.


тяжелых (массой более 100 кг)

средних (массой от 10 до 100 кг)

легких (массой до 10 кг)

Единичное

до 5

до 10

до 100

Мелкосерийное

5-100

10-200

100-500

Среднесерийное

100-300

200-500

500-5000

Крупносерийное

300-1000

500-5000

5000-50000

Массовое

более 1000

более 5000

более 50000


Мелкосерийное производство - это производство ограниченной номенклатуры однородной продукции сериями или партиями, количество которых зависит от заказа или соглашения. Изменение серий продукции обусловлено изменением технологической схемы, структуры производственного процесса, продолжительности цикла. Это, в свою очередь, требует переналадки процесса. Если переналадка оборудования в течение рабочей смены осуществляется один или несколько раз, то такое производство является мелкосерийным.

В машиностроении мелкосерийное производство характеризуется закреплением за каждым рабочим местом от 20 до 40 операций, серийное - от 10 до 20 операций. Рабочие места на предприятиях мелкосерийного производства в определенной степени специализированы. При этом происходит преимущественно их предметная специализация - закрепление за каждым из них нескольких операций для изготовления деталей, обработка которых ведется партиями.

2. Технологический раздел

 

2.1 Проектирование и расчет заготовки


Одним из направлений повышения конкурентоспособности продукции машиностроения являются снижение металлоемкости, сокращение отходов и потерь металла за счет рационального применения заготовок, экономичных методов фоpмообpазования и механической обработки. Немаловажное значение при этом имеет выбор метода получения заготовок, соответствующих производственным условиям конкретного машиностроительного предприятия. Рационально выбранная заготовка позволяет уменьшить припуски и, как следствие, объем последующей обработки резанием, трудоемкость и себестоимость изготовления продукции.

На выбор заготовки влияют:

1)      материал детали;

)        конструкция и размеры детали;

)        программа выпуска;

)        наличие оборудования в заготовительных цехах;

)        и другие реальные производственные условия изготовления.

Чем в большей степени размеры и формы заготовок приближаются к формам готовых деталей, тем меньше станкоемкость и трудоемкость механической обработки, тем она проще и дешевле. Однако повышение точности изготовления заготовок связано обычно с удорожанием и усложнением процессов их получения.

Технические требования, предъявляемые к заготовке детали «Коллектор»:

Точность отливки 11-0-0-11Т ГОСТ Р 53464-2009.

Литейные уклоны (формовочные) по ГОСТ 3212-92.

Неуказанные литейные радиусы не более 6 мм.

Коллектор, для снятия внутренних напряжений и стабилизации размеров отливки во избежание ее коробления, подвергнуть искусственному старению.

Произведем расчет допусков и допускаемых отклонений и припусков на отливку (ГОСТ Р 53464-2009):

)        Исходные данные детали:

.        Материал СЧ20 ГОСТ Р 53464-2009.

.        Масса детали 10,3 кг.

)        Исходные данные для отливки:

.        Класс размерной точности - 11;

.        Класс точности массы - 11Т;

.        Степень коробления - 0;

.        Степень точности поверхности - 0.

)        Припуски:

.        Назначаем припуски на механообработку, для этого определяем допуски по номинальным размерам детали (табл. 1, стр. 13, [1]).

 - 4 мм

 - 5 мм

150 - 5 мм

- 5 мм

- 5 мм

- 5 мм

- 3,6 мм

R72 - 4,4 мм

- 4,4 мм

- 4,4 мм

- 4,4 мм

.        Для механической обработки поверхностей определяем вид окончательной обработки.

 - чистовая

 - не обрабатывается

 - черновая

- чистовая

- чистовая

- черновая

- черновая

R72 - не обрабатывается

- не обрабатывается

- не обрабатывается

- не обрабатывается

.        Устанавливаем общий припуск на механическую обработку на сторону (табл. 6, стр. 16, [1]).

 - 5 мм

150 - 3,9 мм (нижний) и 4,9 мм (верхний=нижний+25%)

- 5,3 мм

- 10 мм

)        Размеры отливки и их допуски:

.        Определяем действительные размеры отливки:

 - 5х2 = 45 мм

 мм

150 + 3,9 + 4,9 = 158,8 принимаем 159 мм

+5,3 + 5,3 = 150,6 принимаем 150 мм

- 10 + 4,9 = 116,9 принимаем 117 мм

+ 18 + 4,9 = 137,9 принимаем 138 мм

+ 18 + 4,9 = 34,9 принимаем 35 мм

R72 мм

мм

мм

мм

.        Действительные размеры с допусками:

45  2 мм

105  2,5 мм

159  2,5 мм

150  2,5 мм

117  2,5 мм

138  2,5 мм

35  1,8 мм

R72  1,1 мм

92  2,2 мм

75  2,2 мм

90  1,1 мм

5)      По полученным результатам чертим чертеж отливки и вычисляем массу отливки - 13,9 кг (масса рассчитана в программе Solid Edge ST4).

6)      Расчет коэффициента использования материала (массы рассчитаны в программе Solid Edge ST4).

,

где q и Q - масса детали и заготовки, кг;                   (2.2.1)

.

Рисунок 6. 3D вид заготовки детали «Коллектор»

2.2 Назначение методов обработки

Обработка коллектора состоит из токарной, фрезерной, сверлильной и расточной обработки. Также будет применяться развертывание, зенкование и нарезание резьбы.

Рассмотрим обработку основных поверхностей (рис. 7):

         - цилиндрическая базовая поверхность - точение.

         - плоскость, сопрягаемая с другими деталями - фрезерование.

         - плоскость, сопрягаемая с другими деталями - фрезерование;

         - плоскость, сопрягаемая с другими деталями - фрезерование;

         - отверстия, для стяжки болтами с другой деталью - сверление;

         - фаска под резьбу - зенкование;

         - отверстия для соединения детали с другими деталями сборочного узла - нарезание резьбы метчиком;

         - циковки - цекование;

         - отверстие для установки вала - тонкое точение;

         - отверстия под масло - сверление;

         - отверстия для соединения детали с другими деталями сборочного узла - нарезание резьбы метчиком;

         - циковки - цекование;

         - отверстия под масло - сверление;

         - паз - фрезерование;

         - отверстия для соединения детали с другими деталями сборочного узла - нарезание резьбы метчиком;

         - отверстия для соединения детали с другими деталями сборочного узла - нарезание резьбы метчиком;

         - канавка для установления уплотнительного кольца - зенкерование;

         - отверстия для соединения детали с другими деталями сборочного узла - развертывание;

         - отверстия для соединения детали с другими деталями сборочного узла - развертывание.

Рисунок 7. Обрабатываемые поверхности

2.3 Разработка теоретических схем базирования

Каждое приспособление должно обеспечивать выполнение всех функций, обусловленных операцией. Среди них главной является базирование заготовки, то есть придание ей требуемого положения в приспособлении. После базирования заготовку необходимо закрепить, чтобы она сохранила при обработке неподвижность относительно приспособления.

Рисунок 8. Схемы базирования

2.4 Выбор оборудования и формирование операций

Использование того или иного вида оборудования зависит от сложности изготовляемой детали и серийности производства. Чем меньше серийность производства, тем большую технологическую гибкость должен иметь станок.

В некоторых случаях при изготовлении деталей со сложными профилями использование станков с ЧПУ является почти единственным технически оправданным решением. Это оборудование целесообразно применять и тогда, когда невозможно быстро изготовить оснастку.

Для токарной обработки применим станок SKQ - 8 NC.

Подробное описание операций, на станке:

подрезать торец;

точить предварительно поверхность в размер 122h12 на длину 18 за 11 проходов;

точить окончательно поверхность в размер 120h8 на длину 18b12;

точить поверхность, выдерживая размеры 114h14 и 60,18;

точить фаску, выдерживая размеры 1,6х45;

точить канавку, выдерживая размеры 114,4h9 и 4,70,18;

расточить отверстие начерно в размер 54,5

Рисунок 9. Общий вид станка SKQ - 8 NC

Выбор станка на комплексную операцию.

Рассмотрим несколько возможных вариантов:

1)      Станок Mazak nexus 410A-II (рис. 10).

Современные характеристики для более высокой производительности. Обрабатывающие центры вертикальной компоновки Mazak применяются во всех отраслях промышленности, от субподрядчиков до авиастроения. В станках серии NEXUS II сочетаются передовые технологии и высокая производительность, и разумная цена.

Рисунок 10. Общий вид станка Mazak nexus 410A-II

Таблица 6. Технические характеристики станка Mazak nexus 410A-II

Размеры стола

900х410 мм

Подача по оси X/Y/Z

560/410/510 мм

Быстрая подача,

36000 мм/мин

Шпиндель

12000 об/мин/18,5 кВт

Тип хвостовика инструмента

MAS BT40, CAT-40

Вместимость магазина

30

Требуемая площадь

2093,5х2600 мм


Станок имеет подходящие характеристики, но нет возможности четырех и пяти координатной обработки, как на станке 600V, так как станок трех координатный. Ставя деталь на этот станок, нам потребуется две дополнительные операции.

)        Станок Mazak integrex 300 - IV S (рис. 11).

Рисунок 11. Общий вид станков Mazak integrex - IV

Таблица 7. Технические характеристики станка Mazak integrex 300 - IV S

Расстояние между патроном и центром

1000U/1500U/2500U

Размер патрона (главный / второй шпиндель)

10/10

Макс. обрабатываемая длина

1067, 1524, 2498 мм

Макс., обрабатываемый диаметр (верхняя / нижняя револьверная головка)

760 мм/-

Перемещение по осям X/Y/Z/B (верхняя револьверная головка)

630/230/1128, 1585, 2559 мм/225

Количество инструментов

40

Главный шпиндель

4000 об/мин, 30 кВт

Второй шпиндель

4000 об/мин, 26 кВт

Фрезерный шпиндель

12000 об/мин, 18,5 кВт

Требуемая площадь

4250х2473/5110х2473/6636х2808 мм


Станок имеет подходящие характеристики, но на данный момент на нем обрабатываются детали из стали и обработка на них деталей из чугунов приводит к затратам времени на уборку станка.

)        Станок 600V.

Станок сверлильно-фрезерно-расточной с автоматической сменой инструмента (АСИ) и числовым программным управлением (ЧПУ) 600V (рис. 9) предназначен для комплексной обработки деталей из различных конструкционных материалов в условиях единичного, мелкосерийного и серийного производства. Станки сверлильно-фрезерно-расточные с ЧПУ 600V и 800V выполняют операции сверления, зенкерования, развертывания, получистового и чистового растачивания отверстий, нарезания резьбы метчиками и фрезами, фрезерования. Имеется возможность оснащения поворотным столом для четырех- и пяти - координатной обработки.

Рисунок 12. Общий вид станка 600V

Таблица 8. Технические характеристики станка 600V

Параметры стола

Размер рабочей поверхности стола, мм

600х1250

Наибольшее расстояние от торца шпинделя до стола, мм

730

Наибольшая масса обрабатываемой детали, кг

600

Шпиндель

Конус шпинделя (DIN 69871)

SK40

Пределы частот вращения шпинделя, об/мин

0…8000

Номинальный крутящий момент на шпинделе, Нм

70

Перемещения

Наибольшие перемещения по осям, мм

- продольное перемещение стола (Х)

1000

- поперечное перемещение стола (Y)

570

- поперечное перемещение шпиндельной бабки (Z)

600

Точность позиционирования, мм

0,01

Диапазон рабочих подач по координатам, мм/мин

1…15000

Инструментальный магазин

Емкость инструментального магазина, шт

20

Время смены инструмента, сек

7

Наибольший диаметр инструмента, устанавливаемого в магазине, мм

125

Наибольшая длина инструмента, устанавливаемого в шпинделе станка, мм

250

Наибольшая масса оправки, устанавливаемой в магазине, кг

10

Характеристика электрооборудования

Мощность двигателя главного привода, кВт

11

Номинальная частота вращения, об/мин

1500

Максимальная частота вращения, об/мин

8000

Суммарная мощность установленных на станке электродвигателей, кВт

36

Система ЧПУ

SIMENS SINUMERIK 802D

Прочие характеристики

Габаритные размеры

- длина

2700

- ширина

3600

- высота

3210

Общая площадь станка в плане, В.м., не более (с учетом открытых дверей шкафа)

8,9

Масса, кг

840



Возможность установить дополнительный инструментальный магазин, наличие люльки с возможностью поворота, а так же планшайбы, лишает необходимости в дополнительной операции по обработке отверстий под углом 65 к оси детали.

Для второй комплексной операции, где присутствует токарная обработка, выбираем станок 600VT.

Рисунок 13. Общий вид станка 600VT

Станки вертикальные токарные фрезерно-расточные с автоматической сменой инструмента (АСИ) и числовым программным управлением (ЧПУ) 600VT и 800VT предназначены для комплексной обработки деталей из различных конструкционных материалов в условиях единичного, мелкосерийного и серийного производства. Выполняют операции наружного и внутреннего точения, сверления, зенкерования, развертывания, получистового и чистового растачивания отверстий, нарезания резьбы метчиками и фрезами, фрезерования.

Таблица 9. Технические характеристики станка 600VТ

Параметры стола

600VT

Диаметр рабочей поверхности, мм

630

Диаметр центрального отверстия, мм

100Н6

Ширина направляющего паза, мм

18Н11

Количество т образных пазов

8

Наибольшее расстояние от торца шпинделя до рабочей поверхности стола, мм

800

500

Шпиндель

Конус шпинделя (DIN 69871)

НSK 63А

Диапазон частот вращения шпинделя, об/мин

0-12000

Номинальный крутящий момент на шпинделе, Нм

87

Перемещения

Наибольшие перемещения по осям, мм

- перемещение вращающегося стола (Х)

500

- вертикальное перемещение шпиндельной бабки (Z)

600

Наибольшая частота вращения стола (С), об/мин (с водяным охлаждением)

400

Точность позиционирования по всем осям, мм

0,01

Номинальный крутящий момент стола, Нм (с водяным охлаждением)

500

Диапазон рабочих подач по координатам, мм/мин

1…15000

Ускорение хода по всем осям, м/мин

15…25

Характеристика электрооборудования

Мощность главного привода, кВт

19

Номинальная частота вращения, об/мин

2100

Максимальная частота вращения, об/мин

12000

Инструментальный магазин

Емкость инструментального магазина, шт.

20

Время смены инструмента, с

7

Наибольший диаметр инструмента, устанавливаемого в магазине, мм

125

Наибольшая длина инструмента, устанавливаемого в шпинделе станка, мм

250

Наибольшая масса оправки, устанавливаемой в магазине, кг

10

Система ЧПУ

SIMENS SINUMERIK 802D

Прочие характеристики

Габаритные размеры, мм

2000х2720х3690

Общая площадь станка в плане, В.м, не более

6,1

Масса, кг

7500


.5     
Разработка маршрутного технологического процесса

Разработка маршрутного технологического процесса механической обработки заготовки является основой всего курсового проекта. От правильности и полноты разработки маршрутного технологического процесса во многом зависит организация производства и дальнейшие технико-экономические расчеты дипломного проекта.

Разработка технологического процесса должна быть основана на использовании научно-технических достижений во всех отраслях промышленности и направлена на повышение технологического уровня производства, качества продукции и производительности труда.

Маршрут обработки в первую очередь будет состоять из заготовительной операции, включающей в себя формовку, отливание заготовки и очистку ее от окалины. После идет обработка (табл. 10).

Таблица 10. Маршрутный технологический процесс

Номер операции

Операция

Применяемое оборудование

005

Токарная с ЧПУ

Карусельный станок SKQ - 8 NC

010

Комплексная с ЧПУ

600V

015

Комплексная с ЧПУ

600VТ


2.6 Расчет припусков на обработку поверхности


Рассчитываются припуски на обработку и промежуточные предельные размеры для отверстия диаметром 55Н7).

Способ получения заготовки - литье.

Условное обозначение отливки 11-0-0-11Т ГОСТ Р 53464-2009.

Технологический процесс обработки отверстия 55Н7) состоит из 3 операций:

-        черновое растачивание

-        чистовое растачивание

         тонкое растачивание

Расчет припусков на обработку отверстия диаметром 55Н7) приведен в таблице, в которой последовательно записывается технологический маршрут обработки отверстия и все значения элементов припуска.

1.    Суммарное значение пространственных отклонений определяется по формуле [3]:


Получим:

Определяем остаточное пространственное отклонение по формуле [3]:

,

где - коэффициент уточнения формы.

Получим:

а) Растачивание черновое:

б) Растачивание чистовое:

в) Растачивание тонкое:

2. Погрешность установки заготовки .

Остаточная погрешность установки для растачивания определяется по формуле (1.10):


а) Растачивание черновое:

б) Растачивание чистовое:

в) Растачивание тонкое:

3. Определяем значения расчётных припусков по формуле [3]:


а) Черновое растачивание:

б) Чистовое растачивание:

в) Тонкое растачивание:

. Расчет размеров выполняется, начиная с конечного размера путем последовательного вычитания расчетного минимального припуска каждого технологического перехода:

а) Тонкое растачивание:

б) Чистовое растачивание:

в) Черновое растачивание:

г) Заготовка:

Наименьшие предельные размеры вычисляем вычитанием допуска из наибольшего предельного размера:

а) Тонкое растачивание:

б) Чистовое растачивание:

в) Черновое растачивание:

г) Заготовка:

5. Предельные максимальные значения припусков:

а) Тонкое растачивание:

б) Чистовое растачивание:

в) Черновое растачивание:

Предельные минимальные значения припусков:

а) Тонкое растачивание:

б) Чистовое растачивание:

в) Черновое растачивание:   

Таблица 7. Расчет припусков и предельных размеров по технологическим переходам на обработку отверстия крышки

Технологические переходы обработки поверхности

Элементы припуска, мкм

Расчет- ный при- пуск 2, мкм

Расчет- ный размер , мм

До-пуск , мкм

Предельный размер, мм


Rz

Т




Заготовка

500

4000



44,72

740

43,98

44,72

Растачивание: черновое

100

100

240

500

53,78

460

53,32

53,78

чистовое

25

-

160

20

54,66

74

54,58

54,66

тонкое

5

-

88

10

55,03

30

55,00

55,03

Итого


2.7 Расчет режимов резания

Режимы резания устанавливают и назначают с учетом целого ряда параметров: тип и твердость обрабатываемого материала, вид и состояние заготовки, мощность станка, жесткость технологической системы станок-приспособление-инструмент-деталь (СПИД), требование к детали по точности, шероховатости, и т.д.

Обычно вначале выбирают значение глубины резания, стремясь весь припуск снять за минимальное количество проходов. Затем назначают наибольшую величину подачи и оптимальную частоту вращения заготовки (или режущего инструмента), при которых достигаются высокие точность обработки и качество поверхностей при удовлетворительной производительности.

Режимы резания можно найти в каталогах от производителей инструмента.

Операция - токарная:

.        подрезать торец. По каталогу инструментов фирмы Korloy выбираем режущую пластину CNMG-GН:

S=0,35 мм/об;

v=120 мм/мин;

Частота вращения шпинделя

об /мин.

Основное время:

Тo== мин

2.      Наружное точение предварительное. По каталогу инструментов фирмы Korloy выбираем режущую пластину ту же самую, что и на подрезку торца.

S=0,35 мм/об;

v=120 мм/мин;

Частота вращения шпинделя

об /мин.

Основное время:

Тo== мин

3.      Наружное точение чистовое. По каталогу инструментов фирмы Korloy выбираем режущую пластину на чистовую операцию CNMG-GR.

S=0,1 мм/об;

v=200 мм/мин;

Частота вращения шпинделя


Основное время:

Тo==мин

4.      Наружное точение. Пластина с перехода 2.

S=0,35 мм/об;

v=120 мм/мин;

Частота вращения шпинделя

об /мин.

Основное время:

Тo== мин

5.      Точение фаски. По каталогу инструментов фирмы Korloy выбираем пластину SNMG-GR:

S=0,5 мм/об;

v=220 мм/мин;

Частота вращения шпинделя

об /мин.

Основное время:

Тo==0,005 мин

6.      Расточить канавку. По каталогу инструментов выбираем режущую пластину MGMN 150G NC 305К.

S=0,5 мм/об;

v=130 мм/мин;

Частота вращения шпинделя

трактор коллектор заготовка электромагнитный


Основное время:

Тo==мин

7.      Растачивание отверстия. Инструмент с перехода 2.

S=0,35 мм/об;

v=120 мм/мин;

Частота вращения шпинделя


Основное время:

Тo==мин

Частота вращения шпинделя


Основное время:

Тo==мин

Т==

Т∑о=4,87 мин.

Похожие работы на - Коллектор ЧН6-12-19

 

Не нашли материал для своей работы?
Поможем написать уникальную работу
Без плагиата!
Без нейросетей!