Исследование цифровых СУЭП с апериодическими регуляторами состояния и регуляторами класса 'вход-выход'
Министерство образования и науки
Российской Федерации
Федеральное государственное бюджетное
образовательное учреждение
высшего профессионального образования
«Пермский национальный
исследовательский политехнический университет»
Кафедра микропроцессорных средств
автоматизации
КУРСОВАЯ РАБОТА
по дисциплине «Системы управления
электроприводов»
Тема: Исследование цифровых СУЭП с
апериодическими регуляторами состояния и регуляторами класса «вход-выход»
Вариант: б - а - 12
Пермь 20__ г.
Содержание
1. Аннотация
2. Индивидуальное задание
. Математическое описание электромеханических объектов
(ЭМОУ), процедура синтеза ЭМСУ и решение задачи подготовки данных к
использованию компьютерной программы исследования цифровых СУЭП с регуляторами
состояния.
4. Синтез и анализ САР скорости СУЭП с апериодическими регуляторами
состояния.
5. Синтез и анализ САР положения СУЭП с апериодическими
регуляторами состояния.
6. Синтез и анализ САР скорости СУЭП с регуляторами класса «вход-выход».
Заключение
Список использованной литературы
1. Аннотация
Цель работы: исследование оптимальных по критерию быстродействия цифровых
электромеханических систем управления с апериодическими регуляторами состояния
и типовых СУЭП с регуляторами класса «вход-выход».
В курсовой работе представлены результаты математического описания,
синтеза и анализа СУЭП, причем ориентированных как на типовые, так и на
нетиповые решения. При этом рассмотрены задачи исследования СУЭП применительно
к 2-м основным координатам электропривода - скорости и положения вала рабочего
органа.
2. Индивидуальное задание
Вариант: б - а - 12
управление регулятор электромеханический вал
|
№ вари- анта
|
Параметры ЭМСУ и их
размерности
|
|
Uян (В)
|
Iян (А)
|
l (о.е.)
|
wн
(1/с)
|
Uу, max (В)
|
Rэ (Ом)
|
Кд (Вс)
|
Тэ (с)
|
Тм (с)
|
Ктп (о.е.)
|
Ттп (с)
|
Кт (Ом)
|
Тmт (с)
|
Кj (о.е.)
|
Т (с)
|
|
12
|
110
|
75
|
8
|
105
|
10
|
0,1
|
1,024
|
0,015
|
0,25
|
20
|
0,0075
|
0,017
|
0,01
|
10
|
0,03
|
3. Математическое описание электромеханических
объектов (ЭМОУ)
Краткие теоретические положения.
Пусть линейный стационарный объект управления описывается
дискретно-непрерывным векторно-матричным уравнением
(1)
где
– векторы состояния, управления и возмущения
соответственно размерности
;
–
матрицы состояния, управления, возмущения размерности
соответственно;
T – такт
дискретного управления;
k – номер такта
дискретного управления.
(2)
В
этом уравнении
– матрицы соответственно размерности
, определение которых и является задачей синтеза.
Синтез свободного управляемого движения дискретно-непрерывной ЭМСУ
Управляемый
свободный процесс в системе определяется парой матриц A, B
объекта управления и матрицей
регулятора
состояния, призванной обеспечивать оптимальность переходных свободных движений
при произвольных начальных значениях вектора состояния X(0). На первом
этапе синтеза будем полагать равными нулю все внешние аддитивные воздействия
. Тогда управление свободным движением примет вид
.
(3)
Для
нахождения матрицы
воспользуемся теоремой об n интервалах
дискретного управления в сочетании с принципом оптимальности Беллмана [1]. Не
снижая общности выкладок будем полагать, что оптимальное свободное движение
системы завершается через n тактов дискретного управления в нулевой точке
пространства состояний
. Сформируем расширенный вектор-столбец состояния
(t) = col [X(t), U(kT)], (4)
и перепишем уравнение для случая управляемого свободного движения в виде
(5)
где
D – матрица управляемого состояния размерности (n+m)´(n+m),
.
(6)
Зададимся
некоторой произвольной дискретной управляющей последовательностью U(kT), k = –1, –2,
... , –n, и рассмотрим движение системы в обратном времени, т.
е. примем конечное нулевое состояние системы за начальное. Проинтегрируем
уравнение (5) при нулевых начальных условиях X(0) = 0,
воспользовавшись аппаратом переходных матриц состояния. Тогда получим векторное
дискретное уравнение состояния
(7)
где
– расширенная обратная матрица перехода.
Сформируем
матрицы дискретного управления W размерности
и
дискретного состояния G размерности
в виде
W = [ U(-T) U(-2T) ... U(-nT) ] ,
(8)= [ X(-T) X(-2T) ... X(-nT) ]
. (9)
Поскольку
не наложены какие-либо ограничения на множества управляющих воздействий и
дискретные состояния системы, а также, по определению, система находилась в
нулевом начальном состоянии, очевидно, что ее движение в обратном (по отношению
к принятому при синтезе) направлении будет носить оптимальный по быстродействию
апериодический характер. Следовательно, с учетом выражения (2) искомая матрица
определится в виде
.
(10)
Решение
векторно-матричного уравнения (10) будет единственным при полном ранге матрицы G, т.
е. если rank(G) = n.
Синтез
вынужденного управляемого движения дискретно-непрерывной ЭМСУ
На
втором этапе синтеза определим матрицы
, d, входящие в выражение (2), для чего рассмотрим вынужденное движение
системы.
Представим
вектор-столбец установившихся состояний САУ в виде
(11)
где
– подвектор размерности m´1, определяющий заданное
установившееся состояние системы, т. е.
,
–
подвектор размерности (n-m)´1, включающий в себя
остальные координаты состояния системы управления.
Соответствующую
матрицу установившихся состояний представим в виде блочной матрицы
(12)
где
– подматрицы соответственно размерности
.
Представим все аддитивные воздействия на систему в виде обобщенного
вектора-столбца размерности (2m+d)´1 задающих и возмущающих воздействий,
т.е.
, (13)
и
зададимся численными значениями его 2
компонент 2
раз, из которых сформируем неособую матрицу Q
аддитивных воздействий размерностью (2m+d)´(2m+d) в виде
. (14)
Тогда,
с учетом введенных обозначений (2…14) уравнение (1) для квазиустановившихся
состояний системы (
) можно переписать в виде
. (15)
Подставим
векторы
установившихся состояний в уравнение (2) и выразим
искомую блочную матрицу
. (16)
Матрицы
d, b, g определяются
однозначно при полном ранге матрицы Q, что легко обеспечить
соответствующим заданием значений аддитивных воздействий, либо формированием
заведомо невырожденных матриц размерности (2m+d)´ (2m+d).
Таким
образом, результирующее дискретное управление в форме (2) представляет собой
регулятор состояния, обеспечивающий комбинированное апериодическое управление
по отклонению выходной координаты от заданного значения и по возмущающим
воздействиям, а также астатизм первого порядка по задающим воздействиям
(квази-инвариантность системы по задающим воздействиям).
Расчетная
часть
Составим общее дифференциальное уравнение для ЭМОУ скорости, схемы «б»:
Составим общее дифференциальное уравнение для ЭМОУ положения, схемы «а»:
.
Синтез и анализ САР скорости СУЭП с апериодическими регуляторами состояния
Синтез
САР скорости:
Анализ
САР скорости:
1) Ступенчатое задание в «малом»
) Ступенчатое задание нагрузки на валу двигателя принимается номинальному
значению:
) Пуск в «малом» под нагрузкой:
) Пуск в «большом» под нагрузкой:
5. Синтез и анализ САР положения СУЭП
Синтез САР положения:
Анализ САР положения:

) Ступенчатое задание нагрузки на валу двигателя принимается равным
номинальному значению:
) Пуск в «малом» под нагрузкой:
) Пуск в «большом" под нагрузкой:
. Синтез и анализ САР скорости СУЭП с регуляторами класса «вход-выход»
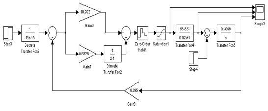
Исследуемая система регулирования скорости представлена в следующем виде:
Определение передаточной функции регулятора непрерывной системы
Настроим контур регулирования скорости на СО. Тогда:
Моделирование
непрерывной СУЭП с ПИ регулятором
График
переходного процесса в непрерывной СУЭП:
Показатели
качества: tпп = 0.243 c, σ = (11,38-10,52)/10,52=0,0817, т.е. 8,17%.
Нахождение
дискретной передаточной функции ПИ регулятора
1. Синтез методом прямоугольников:
; примем
с.
.
Анализ
эффективности синтезированной СУЭП
Для
анализа систему представляем в виде:
а)
Ступенчатое задание в «малом»: R(0) =10 рад/с; F(0) = 0 А
tпп = 0,237 c ; σ = 9.7%
б)
Ступенчатое возмущение: R(0) = 0 рад/с; F(0) = 60 А
в)
Ступень задания в «малом» + ступень возмущения:
R(0) = 10 рад/с;
F(0) = 60 А
г)
Ступень задания в «большом»: R(0) = 5 рад/с; F(0) = 60 А
2. Синтез методом трапеций:
; примем
с.
Анализ
эффективности синтезированной СУЭП
Для
анализа систему представляем в виде:
а)
Ступенчатое задание в «малом»: R(0) =1 рад/c; F(0) = 0 А
tпп = 0.237 c ; σ = 9,5 %
б)
Ступенчатое возмущение: R(0) = 0 рад/c; F(0) = 50 А
в)
Ступень задания в «малом» + ступень возмущения:
R(0) = 1 рад/с; F(0 =
50 А
г)
Ступень задания в «большом»: R(0) = 5 рад/c; F(0) = 50 А
Заключение
1. Синтезированные цифровые СУЭП с регуляторами состояния оптимальны по
быстродействию, т.к. переходные процессы в них как по заданию, так и по
возмущению заканчиваются за n-
интервалов дискретного управления, «в большом» не оптимальны, т.к. на них е
распространяется теорема об n-
интервалах дискретного управления.
2. Синтезированные СУЭП с регуляторами класса «вход-выход» отвечают
стандартной настройке контура скорости на симметричный оптимум с предшествующим
фильтром на входе.
. Показатели качества регулирования контура скорости в цифровых
СУЭП с регулятором класса «вход-выход» методами прямоугольников и трапеций
близки и отвечают показателям качества регулирования непрерывной СУЭП.
Список использованной литературы
1. Гудвин Г.К. Проектирование систем
управления. - М.: БИНОМ. Лаборатория базовых знаний, 2010. - 911 с.
2. Синтез электромеханических приводов с
цифровым управлением / Вейц В.Л., Вербовой П.Ф., Вольберг О.Л., Съянов А.М.,;
Киев: Наук. Думка, 1991. - 232 с.
3. Дорф Р. Современные системы
управления / Р. Дорф, Р. Бишоп. Пер. с англ. Б. И. Копылова. - М.: Лаборатория
Базовых Знаний, 2002. - 832 с.
4. Теория автоматического управления:
Учеб. для вузов / Брюханов В.Н., Косов М.Г., Протопопов С.П. и др. / ред.
Соломенцев Ю.М. - М.: Высш. шк., 2000. - 268 с.