Исследование работоспособного состояния подшипниковых опор электродвигателя привода нижнего валка стана 950 обжимного цеха ЗАО ММЗ 'Эстил Украина'

  • Вид работы:
    Курсовая работа (т)
  • Предмет:
    Другое
  • Язык:
    Русский
    ,
    Формат файла:
    MS Word
    2,53 Мб
  • Опубликовано:
    2013-07-23
Вы можете узнать стоимость помощи в написании студенческой работы.
Помощь в написании работы, которую точно примут!

Исследование работоспособного состояния подшипниковых опор электродвигателя привода нижнего валка стана 950 обжимного цеха ЗАО ММЗ 'Эстил Украина'

РЕФЕРАТ

Объект: электродвигатель привода нижнего валка стана 950 обжимного цеха ЗАО ММЗ «Эстил Украина».

Цель: исследование работоспособного состояния подшипниковых опор электродвигателя.

В курсовом проекте: рассмотрена технология прокатки стана 950; оборудование прокатного цеха; конструкция приводного двигателя; проведены вибрационные обследования вала нижнего двигателя привода стана 950; приведены предложения по диагностированию технического состояния двигателя привода стана 950; расчёты мощности, элементов механизма подшипники и т.п.

ЭЛЕКТРОДВИГАТЕЛЬ, ПОДШИПНИК СКОЛЬЖЕНИЯ, МОЩНОСТЬ, АНАЛИЗ РАБОТЫ, ОТКАЗ, ЗАТЯЖКА ФУНДАМЕНТНЫХ БОЛТОВ, ИЗМЕРЕНИЯ ВИБРАЦИЙ.

ВВЕДЕНИЕ

Электродвигатель предназначен для приведения во вращения нижнего валка стана 950 обжимного цеха, обладает огромной мощностью 2*2.7 МВт, является главной, уникальной частью всего стана.

Прокатка - это процесс деформации металла между двумя или несколькими вращающимися валками называется прокаткой. В зависимости от назначения (т.е. от вида выпускаемой продукции) прокатные станы можно разделить на следующие группы.

Актуальность: Решение проблемы, поставленной в данной работе, которая состоит в определении причины разрушения вала ротора электродвигателя привода нижнего рабочего валка клети 950 стана 950/900, является чрезвычайно важной производственной задачей, так как подобного рода детали уникальны. Поэтому их аварийный отказ влечёт длительный простой стана, крупные потери и, как следствие, значительные затраты на восстановление работоспособности оборудования. В связи с этим очень важно тщательно проанализировать данный случай, чтобы исключить возможность повторения таких аварий на этом и других прокатных станах.

Станы горячей прокатки: обжимные (блюминг, слябинг), заготовочные, рельсобалочные, крупносортные, среднесортные, мелкосортные, проволочные, толстолистовые, широкополосовые и штрипсовые выпускающие штрипс-заготовку для труб в виде полосы шириной до 400 мм).

Станы холодной прокатки: листовые, жестепрокатные и станы для прокатки тонкой и тончайшей ленты.

Станы узкого назначения (специальной конструкции): колесопрокатные, бандажепрокатные, для прокатки полос и профилей переменного и периодического сечения и т.п.

Практические задачи диагностики подшипников в процессе эксплуатации решаются ,как правило, одним из трех основных способов. Первый использует алгоритмы обнаружения дефектов по росту температуры подшипникового узла, второй - по появлению в смазке продуктов износа, а третий - по изменению свойств вибрации (шума). Наиболее полная и детальная диагностика подшипников с обнаружением и идентификацией дефектов на ранней стадии развития выполняется по сигналу вибрации подшипника, в основном, высокочастотной. Основные проблемы такой диагностики возникают в двух случаях, когда высокочастотная вибрация слишком слаба, т.е. в низкооборотных машинах, и когда корпус подшипникового узла недоступен для измерения высокочастотной вибрации.

Основные проблемы.

Дефекты подшипников появляются на трех основных этапах жизненного цикла - в процессе изготовления, при установке в подшипниковый узел и во время эксплуатации. К последнему этапу можно отнести и транспортировку машины до места установки, и монтаж ее на рабочем месте.

Типовые дефекты изготовления, к которым относятся плавные отклонения формы поверхностей трения от расчетной, лучше всего обнаруживать во время выходного контроля, при прокручивании на специальном станке, по низкочастотной вибрации опор последнего. Естественно, что частота вращения подшипника в этом случае должна быть достаточно большой, выше 3-5 Гц, чтобы не возникли сложности при измерении низкочастотной вибрации. Для обнаружения скрытых дефектов изготовления, таких как трещины и т.д., приводящих к появлению ударных импульсов, можно использовать измерения высокочастотного шума подшипника в ближней зоне излучения. Таким образом, при выходном контроле подшипников можно избежать проблем, появляющихся при диагностике низкооборотных подшипников. Типовые дефекты монтажа подшипников, приводящие к значительному увеличению локальных нагрузок на поверхности и снижению толщины масляной пленки в точках приложения этих нагрузок, чаще всего обнаруживаются по росту среднечастотной вибрации подшипникового узла. В подшипниках низкооборотных машин те составляющие вибрации, по которым обнаруживаются дефекты монтажа, попадают уже в область низких частот. Соответственно возникают проблемы разделения подшипниковых составляющих вибрации с вибрацией, дошедшей до точки контроля от других узлов машины или даже от других машин. Кроме того, возникают проблемы, связанные с низким уровнем подшипниковой вибрации, амплитуда которой в первом приближении пропорциональна квадрату частоты вращения подшипника, а также задачи частотного разделения составляющих подшипниковой вибрации, которые могут различаться лишь на величину, равную частоте вращения сепаратора. Решение этих задач возможно лишь при использовании измерительной аппаратуры с большим динамическим диапазоном и высоким разрешением по частоте в режиме измерения типа “Лупа”. Дефекты, возникающие в подшипниках во время эксплуатации, в первую очередь изменяют свойства сил трения, поэтому на ранней стадии развития обнаруживаются лишь по высокочастотной случайной вибрации, возбуждаемой силами трения. Ударные импульсы, возникающие при контакте поверхностей качения с многими видами дефектов, можно рассматривать как одну из составляющих сил трения, также обнаруживаемую по высокочастотной вибрации. Лишь после того, как дефекты становятся аварийно-опасными, их влияние на низкочастотную вибрацию машины в целом оказывается достаточным, чтобы обнаружить дефект с большой степенью достоверности. При диагностике подшипников низкооборотной машины в процессе ее эксплуатации возникает ряд проблем, требующих усложнения методов обнаружения дефектов и роста технических возможностей измерительной и анализирующей аппаратуры. Это связано с низким уровнем высокочастотной вибрации подшипников низкооборотных машин, а, при диагностике по низкочастотной вибрации, еще и с высоким уровнем вибрации, распространяющейся в точки контроля от других узлов машины или других машин и оборудования, установленных на одном фундаменте. Поскольку с уменьшением скорости вращения машины, вибрация на высоких частотах падает гораздо быстрее, чем на средних и низких частотах, для диагностики подшипников по высокочастотной вибрации, возбуждаемой силами трения, необходимо увеличивать не только чувствительность измерительной аппаратуры, но и такие ее параметры, как динамический диапазон и линейность.. Лишь в этом случае выделяемые из сигнала высокочастотные составляющие превышают собственные шумы измерительных приборов и шумы, вносимые за счет нелинейных искажений низкочастотных и среднечастотных составляющих, часто превышающих уровень высокочастотных составляющих в 1000 и более раз. Кроме того для диагностики подшипников по среднечастотной вибрации при слишком слабом уровне высокочастотной, как и при монтаже подшипника, необходимо иметь приборы с высоким разрешением по частоте и возможностью работы в режиме “Лупа”.

1. ТЕХНОЛОГИЯ ПРОКАТКИ

Через прокатные цехи металлургического завода проходит почти вся сталь, выплавляемая в сталеплавильных цехах, и только небольшое ее количество - через литейные и кузнечные цехи. Технологический процесс получения готового проката является завершающей стадией металлургического производства.

Для прокатки металла на металлургических заводах устанавливают станы различного типа и назначения. Прокатный стан - это комплекс машин и агрегатов, предназначенных для осуществления пластической деформации в валках (собственно прокатки), дальнейшей его обработкой (правки, резки и пр.) и транспортирования.

В прокатных цехах установлены также нагревательные печи и колодцы, печи для отжига и нормализации металла, агрегаты для очистки поверхности и нанесения защитных покрытий на полосу, другие машины и агрегаты, необходимые для выпуска готовой продукции требуемого качества.

В зависимости от состава прокатных станов и сортамента продукции все металлургические заводы подразделяют на заводы листового профиля (установлены только листовые и широкополосовые станы), сортового профиля (установлены только сортопрокатные станы) и смешанного профиля.

Технический процесс прокатного производства сортопрокатного цеха состоит из двух стадий: получение полупродукта (заготовки) и прокатка полупродукта в готовый прокат.

Основными задачами при производстве готового проката являются получение проката заданных размеров и форм в максимально возможном количестве и с наименьшими затратами, а также получение проката высокого качества, которое характеризуется не только физико-механическими свойствами, но и состоянием поверхности. Эти задачи могут быть выполнены только при точном соблюдении режима всех технологический операций, к которым относятся: подготовка исходных материалов к прокатке; нагрев материалов перед прокаткой; прокатка; отделка (включая резку, охлаждение, правку, удаление поверхности дефектов и др.)

Прокатывают слитки в соответствии с режимами обжатий, приведенными в табл.1.

Температура начала прокатки должна быть после четвертого прохода не ниже: для стали ШХ15 - 1130 ºС, для стали 54 - 58ПП - 1120 °С, для сталей всех остальных марок- 1145°С.

При прокатке двух слитков первый слиток захватывают на тех же оборотах, что и при одиночной прокатке. Второй слиток захватывается на оборотах, обеспечивающих надежный захват без пробуксовок и резких ударов.

сортопрокатный цех стан двигатель

Таблица 1 - Режим обжатий 5,5-т слитка сечением 710*630 мм при прокатке блюмов 205*205, 162*162 и 180*207 мм

Проход калибр

Толщина, мм

Ширина, мм

Обжатие, мм

Проход, калибр

Толщина, мм

Ширина мм

Обжатие мм

1,Б

640


70

1,Б

640


70

2*

575

635

65

2*

580

630

60

3,Б

565


70

3,Б

580


55

4*

500

580

65

4*

505

590

75

515


65

5,Б

520


70

450


65

6

450


70

7

385


65

7

380


70

8*

320

535

65

8*

325

540

55

9,l

460


75

9,l

465


75

10

385


75

10

380


85

11

310


75

11

310


70

12

235

365

75

12*

235

365

75

13,ll

280


85

13,ll

280


85

14*

190

265

90

14*

200

265

80

15,lll

180

207

85

15,lll

205

205

60





16*

155

210





17IY

165

162

48


Таблица 2 - Режим обжатий 5,5-т слитков сечением 710*630 мм при прокатке слябов 200*600 мм

Проход, Калибр

Толщина, мм

Ширина, мм

Обжатие, мм

Проход, калибр

Толщина, мм

Ширина, мм

Обжатие, мм

1,Б

670


40

8

335


60

2

630


40

9

275


60

3

595


40

10*

235

685

40

4

545


50

11,ll

640


45

5

495


50

12*

600

245

40

6

445


50

13

202

605

43

7

395


50






* Кантовка после прохода

Слитки массой 5,5 т можно прокатывать одновременно до предпоследней кантовки, после чего раскаты прокатывают раздельно. Слитки массой 4,5 т можно прокатывать одновременно до последнего прохода, а кантовку и прокатку в последнем калибре осуществляют раздельно. Скорость прокатки 1,1 - 4,6 м/с. Температура конца прокатки на клети 950 должна быть 1070 °С. Температура начала прокатки на клети 900 не ниже 950 °С, а конца прокатки 800 °С.

Заготовочная клеть 900 служит для переката в заготовку (готовый профиль) блюмов (сталь круглая, квадратная), получаемых с клети 950. Клеть 900 двухвалковая реверсивная с гидравлическим уравновешивающим устройством верхнего валка. Станина закрытого типа. Максимальный диаметр рабочих валков 930 мм, минимальный 830 мм, длина бочки 2400 мм. Материал валков чугун марок ЛШН-44 и ЛШНМ-44. Подшипники валков текстолитовые, охлаждаются и смазываются водой. Приводятся валки клети от 2-х 3600 кВт электродвигателя двухъякорного типа 2П73/71 (0 - 80 - 170 об/мин). Момент вращения передастся от электродвигателя к рабочим валкам через шестеренную клеть, валки которой соединяются с рабочими валками универсальными шпинделями с головками диаметром 600 -850 мм, диаметр тела - 420 мм. максимальный угол наклона верхнего шпинделя 12°', максимальный момент прокатки 1.0 МH·м.

Нажимное устройство винтовое. Привод нажимных винтов от электродвигателя. Максимальный ход верхнего валка и нажимных винтов 400 мм, диаметр и шаг нажимного винта 360/24 мм, максимальная скорость перемещения нажимных винтов 6,34 мм/с. Максимальное усилие прокатки 7,2 МН. Скорость прокатки до 6 м/с. Диаметр станинных роликов 400 мм, длина бочки - 2300 мм. Давление в гидросистеме 8 МПа.

Клеть 900 оборудована манипулятором с кантователем. Наибольший рабочий ход манипулятора 2250 мм, скорость передвижения от 0,46 до 0,92 м/с. Привод от четырех 21/42-кВт электродвигателей типа ДП-42 (660/1320 об/мин). Механизмы зажима, подъема и кантовки - гидравлические.

Валки клети заменяют, используя цепной механизм, аналогичный механизму клети 950.

Подготовка металла к прокатке

Исходные заготовки - 5,5-тонные слитки спокойной стали мартеновского и электросталеплавильного производства сечением 710x630 мм (верхнее) и 590x510 мм (нижнее), высотой 1930 мм, в том числе высота утепленной части 380±50 мм; 4,5-тонные слитки шарикоподшипниковой стали электросталеплавильного производства

сечением 685x620 мм (верхнее) и 570x505 мм (нижнее), высотой 1600 мм, в том числе высота утепленной части 320±30 мм.

Слитки поступают в отделение нагревательных колодцев горячими непосредственно из сталеплавильных цехов с обработкой составов в стриперном отделении и холодными со склада слитков. Их не зачищают.

Перед прокаткой слитки нагревают в 11 группах нагревательных колодцев рекуперативного типа с инжекционной горелкой в торцевой стене. Каждая группа колодцев состоит из двух независимых ячеек высотой 4,5, длиной 9,5 (7,9), шириной 2,7 м, площадью пода 25,6 (21,3) м. Ёмкость ячейки 14ч-22 слитка. Производительность группы 27-гЗО (2СМ-23) т/ч.

Слитки сажают равномерно вдоль боковых стен. Садка одной нормальной ячейки 14 слитков, удлиненной - 18 слитков.

В зависимости от температуры посада слитков, определяемой продолжительностью с момента разливки плавки, маркой стали, ячейки разогревают или охлаждают до требуемой температуры.

Топливо основное - природный газ, резервное - мазут. Давление газа в коллекторе 10 кПа. Максимальный расход газа на одну ячейку 1000 м3/ч.

Каждая ячейка оборудована для подогрева воздуха до 700:800.° С трубчатым керамическим рекуператором с поверхностью нагрева по воздуху 318м, из которого воздух инжектируется к горелке компрессорным воздухом давлением 30:40 кПа, предварительно подогреваемым в металлическом трубчатом рекуператоре до 250:300 °С. Шлакоудаление сухое.

Максимальная грузоподъемность слитковоза 11 тонн, максимальная скорость передвижения 5,5 м/с.

На приемный рольганг стана слитки передаются сталкивателем реечного типа с максимальным рабочим усилием 45 кН и скоростью 1,04 м/с; максимальный рабочий ход сталкивателя 3300 мм.

Отделение нагревательных колодцев обслуживается четырьмя электромостовыми клещевыми кранами грузоподъёмностью 10/10 т и одним электромостовым краном грузоподъёмностью 50/10 т.

2. ОБОРУДОВАНИЕ ОБЖИМНО-ЗАГОТОВОЧНОГОСТАНА 950/900

Стан предназначен для прокатки слитков в заготовки: квадратные со стороной 100 - 245 мм, круглые диаметром 140-180 мм; слябы сечением (120 - 200) x (600 - 900) мм дня сортовых станов 400, 350, 250 и 300. листового стана 2300, а также для прокатки товарной продукции. Проектная производительность стана 960 тыс. т.в год.

Стан состоит из двух реверсивных клетей: блюминга 950 и заготовочной клети 900. В клети 950 из 4,5 - 6-т слитков прокатывают слябы (130 + 200) х 600 мм, слябы для электродов (145 + 165) х (550 + 805) мм и подкат для клети 900: квадратные заготовки со стороной 162 и 205 мм, блюмы сечением 180 х 207 мм, 158 х 215 мм, 190 х 205 мм. На клети 900 прокатывают для сортовых станов завода передельные квадратные заготовки со стороной от 125 до 140 мм; товарную продукцию - квадратные заготовки со стороной от 100 до 205 мм, заготовки трубные и сталь круглую диаметром от 130 до 180 мм.

На стане прокатывают стали обыкновенного качества (ГОСТ 380-71, ГОСТ 5521-76, ГОСТ 19281-73), качественные и высококачественные (ГОСТ 1050-74, ГОСТ 4543-71, ГОСТ 1435-74, ГОСТ 14959-79, ГОСТ 801-78).

Общая масса технологического оборудования (без кранов) 7378 т.

Схема расположения основного технологического оборудования стана приведена на рис.1.

Станина рабочей клети 950 закрытого типа. Максимальный диаметр рабочих валков 1035 мм, минимальный - 930 мм, длина бочки 2400 мм. Материал валков -кованая стал марки 60ХН. Подшипники валков текстолитовые, охлаждаемые и смазываемые водой. Периодически через систему прокачивают машинное масло. Охлаждение валков водяное.

Привод валков клети от двух 2 х 2.7-МВт электродвигателей двухякорных типа 2П23/71-1,8-2,7 (60 - 110 об/мин) через универсальные уравновешенные шпиндели. Скорость прокатки 1,1 - 4,6 м/с. Длина шпинделя по осям шарниров 10 м, диаметр шеек в торцах 420 мм. Угол наклона верхнего шпинделя 7°-6º, нижнего - 2°-30º. Уравновешивание шпинделей гидравлическое, а для нижнего - и механическое.

Нажимное устройство винтовое, привод электромеханический от двух вертикальных электродвигателей. Поступательная скорость верхнего валка до 180 мм/с, максимальный подъем 1020 мм. Максимальный рабочий раствор валков 900 мм. Уравновешивание верхнего валка гидравлическое.

Допустимые нагрузки: усилие прокатки с передней стороны 10,5 МН, момент прокатки 1,9 МН·м.

С передней стороны клеть 950 оборудована манипулятором с кантователем, с задней стороны - манипулятором. Манипулятор клети состоит из двух пар линеек., Линейки стальные литые. Рабочий ход линеек 2200 мм, максимальная скорость передвижения линеек 0,59 м/с, при сближении линеек на один метр скорость их передвижения снижается до 0,28 м/с. Усилие правки на линейках 0,7 МН. Привод от 200/280-кВт электродвигателей типа МП200-25. На левой линейке перед клетью установлен пятикрюковый кантователь. Рабочий ход крюка 1150 мм. Клеть оборудована раскатными и рабочими рольгангами.

При смене валков используют цепной механизм. Максимальное тяговое усилие 245 кН, скорость движения цепи 0,05 м/с, максимальный ход захвата 5600 мм. Время перевалки 4 ч. После каждой перевалки валки клети 950 наплавляют: дно калибров - порошковой проволокой 25Х5ФМС, боковые стенки - проволокой ЗХ2В8 или ПП8-ЖН. Для улучшения захвата металла на бочке валков для первого калибра клети 950 разрешается нарезка лунок глубиной «г 3 мм с развалом без острых кромок. Лунки нарезают рядами по шесть в ряду на бочке и по четыре в ряду на дне по периметру калибра. По окружности валка ряды располагаются через 45°.

Рисунок 1 - Схема расположения основного технологического оборудования обжимно-заготовочного стана 950/900: 1-слитковоз; 2-сталкиватель; 3 - рабочая линия клети блюминга 950; 4 - ножницы № 1 усилием резания 10 МН; 5 - клеймовочная машина; 6 - уборочное устройство; 7 - штабелирующие столы; 8 - рабочая линия заготовочной клети 900; 9 - передвижные пилы горячей резки; 10 - ножницы № 2 усилием резания 10 МН; 11- стационарные пилы горячей резки; 12 - пила для отбора проб; 13 -перегружатель заготовок уборочного устройства; 14 - конвейер уборки обрези

3. АНАЛИЗ УСЛОВИЙ РАБОТЫ, КОНСТРУКЦИЙ ОТКАЗОВ И ПОСТАВКА ЗАДАЧИ

.1 Обоснование проведения обследования и оценки состояния двигателей приводов стана 950 и 900

Работа обжимного цеха зависит от состояния двигателей приводов станов 950 и 900. Разрушение вала привода нижнего валка стана 950 в 2005 году и принудительная установка резервного ротора в 2006 году указывают на необходимость не только контроля текущего состояния подшипниковых узлов двигателей, но и диагностирования всех элементов главных линий. Данное оборудование является уникальным, работает в условиях нестационарного нагружения в реверсивном режиме. Динамический режим нагружения, близкий к ударному, не позволяет использовать существующие методы диагностирования роторного оборудования, работающего в режиме длительного нагружения. Для разработки методов оценки состояния двигателей приводов стана 950 и 900 предлагается рассмотреть главные линии как электромеханическую систему и провести комплексное обследование оборудования. На двигателях машинного зала обжимного цеха предлагается выполнить:

. Контроль вибрационных параметров при работе оборудования в рабочем режиме и в режиме холостого хода.

. Измерение параметров вибрации при шпинделе и без шпинделя.

. Анализ проведенных ремонтных воздействий и отказов.

. Математическое моделирование упругой линии валов двигателя привода нижнего валка стана 950 и промежуточного вала.

. Термографирование элементов двигателя и схем управления.

. Контроль линии прогиба валов двигателей и промежуточного вала.

. Контроль радиальных биений валов.

. Контроль электромеханических параметров привода.

В дальнейшем предполагается осуществлять еженедельный мониторинг технического состояния двигателей привода станов 950 и 900 и ежеквартальное диагностирование фактического состояния оборудования. Привлечение к выполнению данных работ сотрудников предприятия позволит повысить квалификацию персонала и ответственность за исправность оборудования.

.2 Вибрация привода прокатных клетей

Определение сроков и объемов ремонтов является актуальной задачей, стоящей перед ремонтными службами ремонтных предприятий. Основание для решения этой проблемы - оценка технического состояния с применением методов и средств безразборной диагностики оборудования. Использование полученной информации о состоянии механизмов создает предпосылки для снижения затрат и повышения эффективности проводимых ремонтов. Следует отметить следующие этапы технического диагностирования: оценка фактического состояния машин и механизмов; принятие решения о необходимости и объемах проводимых ремонтов; контроль качества проведенного ремонта и правильности принятых решений. Допустимое значение виброскорости - 11,2 мм/с (согласно ГОСТ 10816).

На протяжении 2007 г. проводилось обследование работоспособного состояния двигателей стана 950/900 ЗАО «Эстил Украина». Были получены диаграммы вибро-ускорения в подшипниковых опорах в различных точках двигателя на холостом ходу при различных частотах вращения двигателя 30, 25, 20 об/мин.

Рисунок 2 - т.1 30 об/мин.

Рисунок 3 - т.3 25 об/мин.

Рисунок 4 - т.1 20 об/мин.

Рисунок 5 - т.3 30 об/мин.

Рисунок 6 - т.3 25 об/мин.

Рисунок 7 - т.3 20 об/мин.

На основании этих диаграмм вибро-ускорения были получены и построены графики зависимости амплитуды колебания от времени при этой же частоте вращения, в программном обеспечении Mathcad Professional 2000.

3.3 Оценка технического состояния механического оборудования

В настоящее время для оценки технического состояния промышленного оборудования все большее распространение получают методы спектрального анализа вибрации. Спектральный анализ вибрации используется для идентификации неисправностей путем выявления повышенных амплитуд вибрации на частотах, совпадающих с собственными частотами элементов конструкции машины (или их гармоник), или на частотах протекания процессов, в том числе процессов, связанных с дефектами [1].

Популярность спектрального анализа вибрации в первую очередь объясняется возможностью выявления дефектов на ранней стадии их развития, что в рамках активной стратегии ремонтов по состоянию позволяет предпринимать упреждающие ремонтные воздействия с целью повышения срока службы элементов оборудования и снижения вероятности отказа. Не малую роль при этом сыграл научно-технический прогресс, обусловивший создание и распространение таких аппаратных средств технической диагностики, как сборщики данных, спектроанализаторы, переносные и стационарные диагностические комплексы и пр.

Использование методов спектрального анализа на практике, тем не менее, сопряжено с рядом существенных трудностей, среди которых:

необходимость сепарации и обработки огромных объемов диагностической информации - порядка нескольких тысяч диагностических параметров в результате единичного обследования каждой машины;

отсутствие нормативной базы и общепринятых рекомендаций относительно процесса анализа данных и постановки диагноза;

метод практически не поддается автоматизации на основе четкой логики, требуя использования элементов искусственного интеллекта (нейронных сетей, экспертных систем).

В виду вышесказанного метод спектрального анализа вибрации остается прерогативой специалистов высокого уровня, нехватка которых остро ощущается большинством предприятий. Посему, не умаляя той меры полезности, которую, несомненно, несет в себе метод спектрального анализа вибрации, можно указать на два ключевых вопроса, возникающих в этой связи:

Всегда ли так необходимо использование трудоемкого метода спектрального анализа вибрации? Существует ли у данного метода оценки технического состояния достойная альтернатива?

Отвечая на первый вопрос, следует отметить, что использование метода спектрального анализа вибрации в большинстве случаев не является необходимостью. Это связано с тем, что на начальном этапе обследования целесообразнее получить общую оценку технического состояния имеющихся машин, на основе которой разделить парк оборудования на три-четыре группы с различной степенью риска отказа. Пример такого разделения приведен в таблице 1 (для наглядности группы соотнесены с зонами технических состояний согласно [2]). На основании результатов предварительного обследования может быть сделан вывод о целесообразности проведения дальнейшего анализа с применением методов спектрального анализа вибрации.

Таблица 3 - Пример выделения групп по степеням риска отказа

Риск отказа

Зона технического состояния

Дополнительное обследование

Низкий

Зона A (хорошо)

Нецелесообразно, поскольку дефекты носят непроявленный характер

Умеренный

Зона B (удовлетворительно)




Целесообразно, с целью принятия превентивных мер для снижения скорости развития дефектов

Повышенный

Зона C (плохо)


Высокий

Зона D (аварийно)

Нецелесообразно, поскольку необходима остановка с дальнейшей разборкой машины

В связи с этим второй вопрос, поставленный выше, имеет смысл перефразировать следующим образом. Существует ли относительно простой метод, лишенный недостатков спектрального анализа вибрации, который позволит получить общую оценку технического состояния?

Соразмерным ответом в данной ситуации может быть использование метода оценки технического состояния механического оборудования по общему уровню вибрации.

Согласно [2] оценка технического состояния машин по общему уровню вибрации подразумевает определение некоторого параметра вибрации (как правило, среднего квадратичного значения виброскорости). Максимальное значение, полученное в результате измерения на каждой опоре в трех взаимно перпендикулярных направлениях, сравнивают с границами четырех зон, установленных исходя из международного опыта проведения исследований и эксплуатации.

Поскольку вибрация конкретной машины зависит от размеров, динамических характеристик вибрирующих деталей, способа монтажа и назначения, при выборе границ зон необходимо учитывать условия, влияющие на ее вибрационное состояние [3]. С этой целью при оценке технического состояния машин по общему уровню вибрации вводится понятие «класс машины». В случае, если для конкретной машины не найдено однозначное соответствие тому или иному классу, путем экспертной оценки ее относят к классу, наиболее близкому по характеристикам.

Метод оценки технического состояния механического оборудования по общему уровню вибрации стандартизирован, прост, имеет ряд программно-аппаратных решений, что обеспечило его широкое распространение. Однако следует отметить и ряд допущений, которые позволяют оспорить получаемые результаты.

Например, не всегда возможно однозначно отнести конкретную машину к тому или иному классу, хотя в базовом стандарте [2] указано на непосредственную связь границ технических состояний с классом машины.

Кроме того, в [3] утверждается, что при нормальной работе машины горизонтальная составляющая параметров вибрации, как правило, имеет максимальное значение, а осевая - минимальное, что связано с отличием жесткости машины и ее проницаемости для вибросигнала в различных направлениях. Таким образом, можно говорить о необходимости учета направления измерения вибрации при сравнении с границами зон технических состояний.

Предлагаемый ниже метод оценки технического состояния механического оборудования по потерям мощности на вибрацию позволяет отказаться от процедуры определения класса машины и выработать единую систему границ зон технических состояний.

Положенная в основу метода гипотеза заключается в том, что поскольку назначение класса в первую очередь связано с мощностью машины, а класс определяет значения границ зон технических состояний, то правомерно предположить о наличии непосредственной связи между мощностью машины, вибрацией и зонами технических состояний. Другими словами, техническое состояние может быть определено в зависимости от того, какая часть мощности машины расходуется на вибрацию.

Для оценки технического состояния механического оборудования по потерям мощности на вибрацию необходимо наличие спектров виброскорости (м/с) в частотном диапазоне от fн до fв, где fн, fв - нижняя и верхняя частотные границы измерения вибрации соответственно, Гц. Измерения выполняются с разрешением N линий в диапазоне. Требования по выбору точек измерения, а также к условиям проведения измерений в остальном соответствуют рекомендациям, приведенным в [2].

На момент начала анализа подразумевается наличие трехмерного массива данных X, элементами xijk которого являются значения амплитуды виброскорости на частоте fk

(, )

по направлению j (, где V соответствует вертикальному направлению, H - горизонтальному, A - осевому) в точке i, принадлежащей обследуемому элементу машины. Под элементом машины подразумевается совокупность узлов и деталей, связанных с одним вращающимся валом в собственных опорах.

Для каждого направления j каждой точки i рассчитывается удельная мощность вибрации, Вт/кг:

.

Для каждой точки i рассчитывается мощность, расходуемая на вибрацию, Вт:

,

где mi - масса элемента машины, приходящаяся на опору в точке i;- коэффициент, характеризующий степень ослабления вибрационного сигнала в направлении j ().

Определяется относительная величина потерь мощности на вибрацию:

,

где Pп - мощность, получаемая элементом машины.

Далее найденное значение относительной величины потерь мощности на вибрацию ε соотносится с границами зон технических состояний, на основании чего делается вывод о техническом состоянии элемента машины.

К достоинствам метода оценки технического состояния механического оборудования по потерям мощности на вибрацию следует отнести:

связь эксплуатационных характеристик с процессами развития дефектов, имеющих место при работе оборудования, и, в конечном итоге, с вибрацией как параметром технического состояния;

исключение сомнительной процедуры отнесения обследуемой машины к тому или иному классу, неверное определение которого критично влияет на достоверность получаемых диагнозов;

учет анизотропии распространения вибрации в различных направлениях измерения, а также ослабления при прохождении вибрационного сигнала от источника к датчику;

наличие единственного параметра, на основании которого ставится общий диагноз по элементу машины, что позволяет шире дифференцировать зоны технических состояний, а также плотнее связать последние с необходимыми воздействиями;

простота реализации с использованием как программных, так и исключительно аппаратных средств, что свидетельствует о возможности непосредственного применения в стационарных диагностических системах.

Тем не менее, нельзя не отметить также и те вопросы, которые требуют дальнейшего или дополнительного исследования в рамках метода оценки технического состояния механического оборудования по потерям мощности на вибрацию:

обоснование выбора частотных границ измерения вибрации fн и fв, а также разрешения, количества линий N в диапазоне измерения;

определение коэффициентов Kj, характеризующих степень ослабления вибрационного сигнала в направлениях измерения вибрации;

нормирование границ зон технических состояний по параметру ε, относительной величине потерь мощности на вибрацию.

В целом метод оценки технического состояния механического оборудования по потерям мощности на вибрацию призван стать тем долгожданным и необходимым звеном в процессе анализа технического состояния машин, которое позволит не только значительно повысить эффективность применения метода спектрального анализа вибрации, но и точнее исследовать связь процессов развития дефектов с их проявлением на этапе эксплуатации в виде вибрации.

Выводы

. Выделены проблемы использования спектрального анализа вибрации как метода оценки технического состояния механического оборудования. В виду значительной сложности и отсутствия нормативно-методологической базы метод спектрального анализа вибрации продолжает оставаться достоянием специалистов высокого уровня, что сдерживает темпы его внедрения.

. Рассмотрены подходы, позволяющие оптимизировать применение спектрального анализа. Для этого рекомендуется проведение предварительной оценки технического состояния парка машин с целью выделения групп, для которых проведение дальнейшего спектрального анализа вибрации наиболее целесообразно.

. Приведено краткое описание и высказаны опасения относительно применения метода оценки технического состояния по общему уровню вибрации в виду ряда допущений, снижающих достоверность получаемых оценок. Среди них: неоднозначность соотнесения конкретной машины с классом; отсутствие учета анизотропии вибрационного сигнала для различных направлений измерения вибрации.

. Предложен метод оценки технического состояния механического оборудования по потерям мощности на вибрацию. Приведены требования к исходным данным, математическое описание, достоинства и направления дальнейшего совершенствования предлагаемого метода.

4. РАСЧЁТНАЯ ЧАСТЬ

.1 Расчёт напряжений, возникающих в валу ротора, при максимальной рабочей нагрузке

Построение эпюр изгибающих моментов.

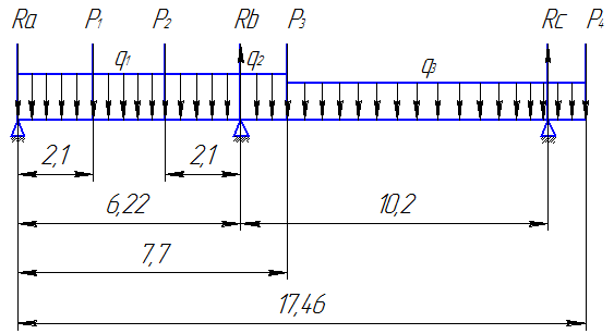
Исходные данные:

Р1 = Р2 = 367,9 кН - силы тяжести роторов электродвигателя;

Р3 = Р4 = 127,5 кН - силы тяжести муфт;= q2 = 28 кН/м - распределённая нагрузка от веса вала ротора;= 21,5 кН/м - распределённая нагрузка от веса промежуточного вала;

МД.н. = 860 кНм - номинальный момент двигателя;

Мкр.max = 2322 кНм - максимальный момент двигателя.

Расчётная схема представлена на рисунке 8.

Рисунок 8 - Схема нагружения валов

Данная система является один раз статически неопределённой, поэтому её расчёт будет производиться при помощи уравнений трёх моментов, которые дают зависимость между изгибающими моментами на трёх последовательно расположенных опорах неразрезной балки. Записывая уравнение последовательно для каждой пары пролётов, получается система уравнений, имеющая то преимущество, что независимо от общего числа лишних неизвестных, в каждое уравнение входят только три неизвестных момента. На концах балки добавляются опорные моменты, которыми учитывается влияние неразрывности балки. Для крайних шарнирных опор значения моментов равны нулю. Если же неразрезная балка имеет на конце консоль, то момент отличен от нуля, но легко определяется статически и входит в уравнение трёх моментов как известный.

Методика расчёта статически неопределённых систем приводится в [11, 14].

Перед составлением уравнений трёх моментов для каждого пролёта строится эпюра изгибающих моментов от пролётной нагрузки, так как по этим эпюрам вычисляют правые части уравнений.

Следуя данной методике, в MathCAD (приложение А) произведен расчёт опорных реакций, построены эпюры изгибающих моментов для каждого пролёта, определены значения опорных моментов, на основании которых построена эпюра изгибающих моментов всей балки.

Основная система, используемая при расчёте неразрезной балки представлена на рисунке 9.

Рисунок 9 - Основная система

Система уравнений трёх моментов для принятой основной системы имеет вид:


где М0 … М3 - опорные моменты;… l3 - длины пролётов;… I3 - моменты инерции сечений пролётов:

;

где D1 - наружный диаметр вала двигателя;- наружный диаметр промежуточного вала;- внутренний диаметр валов;

,  - фиктивные опорные реакции от нагрузки пролёта, рассматриваемого как простую балку:

 

где F1, F2 - площади эпюр;

с1, с2 и d1, d2 - координаты центров тяжести эпюр.

Момент инерции сечения первого пролёта равен:


Моменты инерции сечений второго и третьего пролётов равны:


На рисунках 10 и 11 показаны эпюры изгибающих моментов для каждого из пролётов от пролётной нагрузки.

Рисунок 10 - Эпюра изгибающих моментов на первом пролёте

Рисунок 11 - Эпюра изгибающих моментов на втором и третьем пролётах

Координаты центров тяжести и площади эпюр, вычисленные в MathCAD, имеют следующие значения:

= 3745 кНм2; F2 = 2098 кНм2; F3 = -149,89 кНм2;

с1 = d1 = 3,11 м; с2 = 4,183 м; d2 = 4,917 м; с3 = 1,081 м; d3 = 1,059 м.

Фиктивные опорные реакции от нагрузки пролёта:


Как уже говорилось ранее, значение опорных моментов на крайних шарнирных опорах равны нулю, поэтому М0 = 0. В свою очередь М3 определяется из следующего уравнения:

 кНм.

Выражая М1 из системы уравнений трёх моментов, получается следующая зависимость для его определения:



Опорный момент М2 определяется из следующего соотношения:


Имея значения опорных моментов, можно построить суммарную эпюру изгибающих моментов для всей неразрезной балки. Результат построения данной эпюры приведен на рисунке 12.

Рисунок 12 - Эпюра изгибающих моментов

4.2 Расчет подшипников скольжения

Большинство подшипников скольжения работает в режиме полужидкостного трения, при котором большая часть поверхности разделена слоем смазки, но отдельные элементы соприкасаются, коэффициент трения - 0,008-0,08.

Расчёт производится по удельной нагрузке р и величине pv, в некоторой мере характеризующей износ последнего и нагрев.

Окружная скорость на шейке вала:

.

Для того чтобы рассчитать силы действующие на подшипниковые опоры, найдем массу якоря:

=2m1+m2+m3;

где m1 - масса ротора;- масса вала ротора;- масса муфты.

=2*36,79+5,775+12,75=55,315т.

Следовательно, вес будет равен:

Gi= g*mi, H= 9.81*36790=367.9кН;=9,81*5775=57,75кН;

G3= 9,81*12750=127,5кН.

р=G= G1+G2+G3=367.9+57,75+127.5=553150 Н.

Удельное давление в подшипнике найдем по формуле:


где р - усилие, действующее на подшипник;п - длина втулки;- диаметр подшипника;

.

По полученным значениям определяем материал втулки - Бронза БрАЖ9-4.

4.3 Определение мощность двигателя

Мощность приводного двигателя определяется по формуле:


где  - номинальный момент ротора двигателя;

ηпр - коэффициент полезного действия технологической линии привода валков от двигателя (ηпр = 0,75…0,8);

ωв.і - угловая скорость валка.


где Vпр. - скорость прокатки (Vпр.=1,1…4,6 м/с);


Необходим двигатель мощностью Nдв=5400 кВт.

ЗАКЛЮЧЕНИЕ

В данной курсовой работе рассмотрел технологию прокатки стана 950; оборудование прокатного цеха; конструкция приводного двигателя; приведены вибрационные обследования подшипниковых опор вала нижнего двигателя привода стана 950; приведены предложения по диагностированию технического состояния двигателя привода стана 950; так же был произведён расчёт напряжений, возникающих в валу ротора, при максимальной рабочей нагрузке; расчёт мощности двигателя; расчёт подшипников скольжения и выбран материал подшипника; элементов механизма подшипники и т.п.

По диаграммам вибрационного ускорения были построены графики зависимости амплитуды колебаний вибрационного ускорения от времени в различных точках приводных электродвигателей стана 950.

Более подробное исследование и описания диаграмм вибрационного ускорения и графиков зависимости будет произведено в дальнейшей магистерской работе.

ЛИТЕРАТУРА

1. Серенсен С.В., Когаев В.П., Шнейдерович Р.М. Несущая способность и расчёт деталей машин на прочность. Руководство и справочное пособие. - М.: Машиностроение, 1975. - 488 с.

. Королёв А.А. Конструкция и расчёт машин и механизмов прокатных станов: Учеб. пособие для вузов. - 2-е изд. - М.: Металлургия, 1985. - 376 с.

. Гребенник В.М., Цапко В.К. Надёжность металлургического оборудования. Справочник. - М.: Металлургия, 1989. - 520 с.

. Когаев В.П., Махутов Н.А., Гусенков А.П. Расчёты деталей машин и конструкций на прочность и долговечность: Справочник. - М.: Машиностроение, 1985. - 224 с.

. Голуб Е.С., Мадорский Е.З., Розенберг Г.Ш. Диагностирование судовых технических средств: Справочник. - М.: Транспорт, 1993. - 150 с.

. ГОСТ ИСО 10816-1-97. Контроль состояния машин по результатам измерений вибрации на невращающихся частях. Часть 1: Общие требования. - Введ. 01.07.99. - М.: ИПК Изд-во стандартов. - 18 с.

. Техническая диагностика механического оборудования / Сидоров В.А., Кравченко В.М., Седуш В.Я. и др. - Донецк: Новый мир, 2003. - 125 с.

. Іванченко Ф.К., Гребеник В.М., Ширяєв В.І. Розрахунок машин і механізмів прокатних цехів. - К.: Вища школа, 1995 - 453с.

9. http:// masters, donntu.edu.ua.

Похожие работы на - Исследование работоспособного состояния подшипниковых опор электродвигателя привода нижнего валка стана 950 обжимного цеха ЗАО ММЗ 'Эстил Украина'

 

Не нашли материал для своей работы?
Поможем написать уникальную работу
Без плагиата!
Без нейросетей!