Анализ работы средств сепарации грохота доменного цеха ОАО 'Уральская сталь'

  • Вид работы:
    Контрольная работа
  • Предмет:
    Другое
  • Язык:
    Русский
    ,
    Формат файла:
    MS Word
    647,56 Кб
  • Опубликовано:
    2013-08-07
Вы можете узнать стоимость помощи в написании студенческой работы.
Помощь в написании работы, которую точно примут!

Анализ работы средств сепарации грохота доменного цеха ОАО 'Уральская сталь'

Введение

Целью работы является:

Изучение опыта по эксплуатации просеивающего оборудования доменного цеха;

Установление основных недостатков грохота коксовой мелочи и их влияние на технологический процесс;

Разработка проектных решений организационно-технического характера с учетом конструктивных и технологических особенностей оборудования.

В процессе выполнения работы был проведен анализ работы самобалансного коксового грохота, установлены типы отказов оборудования и определены меры по модернизации.

1. Характеристика просеиваемого материала

В доменном процессе используется крупный кокс, размер кусков которого превышает 30 мм, это связано с технологическими особенностями производства чугуна, для отделения кусков кокса меньшего размера в доменных цехах устанавливают грохоты коксовой мелочи.

Куски кокса имеют правильную форму.

Основными физико-химическими свойствами кокса являются:

реакционная способность взаимодействия с СО2 с образованием СО, которая необходима для восстановления оксидов Fe.

горючесть, т.е. скорость сгорания.

температура воспламенения (600-700 °С).

Просеивание кокса происходит при температуре окружающей среды.

2. Схема подачи шихтового материала в доменную печь

На рисунке 1 приведена принципиальная схема доменного цеха, на которой под номером 18 располагается грохот коксовой мелочи.

Рисунок 1 - Принципиальная схема доменного цеха

Руду и другие материалы в вагонах подают для разгрузки вагоноопрокидывателем 3, руду выгружают с траншеи 2. Из траншеи руду перегружают в штабель 1 при помощи грейферного крана 4.

Для непосредственной разгрузки материалов в штабель из саморазгружающихся вагонов предусмотрен железнодорожный путь 5 на консоли бункерной эстакады. Из штабеля 1 руду загружают в перегрузочный вагон 6, при помощи которого доставляют руду к бункерам 7, расположенными под эстакадой. Под бункерами располагаются вагон-весы 22, при помощи которых набирают материалы из бункеров и составляют шихту.

Шихту доставляют вагон-весами к скиповой яме 21 и выгружают в скип. В бункер 8 загружают кокс с помощью ленточного конвейера, непосредственно из коксохимического цеха. Коксовый бункер снабжен просеивающим грохотом 18 для отделения мелочи. Крупный кокс направляют во взвешивающую коробку 19 и после взвешивания в скип 20. Груженый скип поднимают по наклонному мосту 10, выгружают из него шихту и кокс в приемную воронку засыпного аппарата 13. Скипы поднимают и опускают при помощи лебедки 16 скипового подъемника.

Из доменной печи жидкий чугун по желобам направляют в чугуновозные ковши 15 и в них доставляют в сталеплавильный цех. Аналогично жидкий шлак сливают в шлаковозные ковши 14 и отвозят в отвал. Для обслуживания доменной печи используется консольно-поворотный кран 11 для монтажа и демонтажа оборудования и грузовая тележка 12 для замены аппарата.

3. Характеристика применяемого оборудования

На рисунке 2 представлен самобалансный коксовый грохот.

Рисунок 2 - Грохот коксовой мелочи

Данный грохот располагается в доменном цехе на ОАО «Уральская сталь» и предназначен для отделения кусков кокса с размерностью меньшей 35 мм.

Вибрационный коксовый грохот состоит из тележки, пружин, короба и вибратора.

Короб является основной частью грохота и предназначен для сортировки по крупности просеиваемового материала. Внутри короба вдоль стенок располагаются сита в 2 ряда, верхние с ячейкой 700 мм и нижние с ячейкой 35 мм, сита представлены на рисунке 3. Для крепления сит используют скобы, которые крепятся болтами к боковой стенке.

Рисунок 3 - Сита с диаметром ячейки 70 мм и 35 мм.

Короб, установленный наклонно, колеблется под действием центробежной силы, возникающей от вращения валов инерционного вибратора.

Техническая характеристика вибратора. = 970 мин-1 - частота вращения;

Рэ = 17 кВт - мощность;

Мв = 167,5 Н*м - возмущающий момент;

Т = 100 т/ч - производительность;

4. Основные причины отказов

Исходя из результатов проведенного анализа конструкции грохота и эксплуатационного опыта, определены основные причины незапланированных остановок оборудования.

в зоне расположения электродвигателя и вибратора находится большое количество пыли, которая оседает на открытые части привода. Отсутствие защитного короба приводит к засорению смазки, следовательно, происходит повышение скорости износа взаимодействующих между собой поверхностей, перегрев деталей вибратора и электродвигателя.

Опорные пружины короба не выдерживают действующих на них нагрузок и периодически лопаются.

В данном вибраторе выбрано механическое регулирование амплитуды колебания. Для увеличения или уменьшения амплитуды, необходимо останавливать работу оборудования и вручную добавлять или убирать дебалансирующие грузы.

Просеивающие поверхности изнашиваются в результате воздействия просеиваемого материала (абразивный износ), ударного воздействия кусков материала (ударный износ) и циклических нагрузок в элементах сита, его вибраций и усталостных повреждений (усталостный износ).

Отсутствие самостоятельного передвижения грохота. В случае аварийной остановки работы грохота и необходимости его отвода из-под загрузочного конуса, необходимы вспомогательные механизмы передвижения.

5. Предложения по модернизации приводной части самоболансного коксового грохота

Приводная часть, которая задает движение грохоту, разработана более 30 лет назад. С 1978 года технологии сделали большой шаг вперед, сейчас существует выбор среди вибраторов, которые способны воспроизводить колебания в любых условиях, в условиях большой запыленности и в условиях повышенных температур. Кроме этого, фирмы, занимающиеся изготовлением и продажей вибраторов, предоставляют различные услуги по монтажу, техническому обслуживанию и дают гарантию на свою продукцию, следовательно, в случае неполадок, затраты на ремонт будут намного меньше, нежели на ремонт самодельного вибропривода.

Учитывая эти факты, нами был подобран современный вибратор MVSI 10/10000 - S90, компании Italvibras (Рисунок 4).

коксовый грохот доменный печь

Рисунок 4 - Вибратор MVSI 10/10000 - S90, компании Italvibras

Серия MVSI S90 представлена на рынке серией электровибраторами с диапазоном значений центробежной силы от 0,04 кН до 220кН.

Механическая защита обеспечена в соответствии со стандартами IES 529-19899, CEI 70.1, EN 60529, CENELEC HD 365 и NFC 20-010 для предотвращения проникновения пыли и жидкостей, а также в целях обеспечения достаточной ударопрочности. Данный электровибратор приспособлен для работы в условиях высоких температур благодаря вакуумной герметизации или «капельной» пропитке обмотки. Может быть установлен в любом положении без ограничений.

Для того, чтобы колебательная сила была направлена вдоль одной линии и вызывала возвратно-поступательное колебание в незатухающем синусоидальном режиме, необходима установка двух электровибраторов с противоположными направлениями вращения. Электровибраторы будут крепиться к стенкам короба с противоположных сторон.

Смазка электровибраторов производится при их сборке на заводе; дополнительной смазки в течение срока эксплуатации не требуется. Специальная система смазки со сложной системой каналов и камерами точно рассчитанных размеров в сочетании с применением специальной синтетической консистентной смазки обеспечивает возможность смазки вибраторов двумя способами:

долговечная смазка без периодического обслуживания не требует обслуживания до момента полной замены смазки после 5000 часов работы.

периодическое смазывание смазка узлов и деталей производится периодически через специальные масленки. Метод периодического смазывания рекомендуется для вибраторов, работающих в особо тяжелых условиях, например, при круглосуточной непрерывной работе или при эксплуатации в условиях высоких температур окружающей среды (>40 °C).

Рисунок 5 - Автоматическая система смазки

Излишняя смазка выдавливается из системы каналов в отсек эксцентриковых грузов.

Смазка Kluber STABURAGS NBU 8 EP - это консистентные смазки на базе комплексного бариевого мыла и минерального масла. Они успешно используются в качестве долговечной смазки для подшипников, работающих под высокой нагрузкой. Экономичное расходование смазки достигается путем добавления загустителя.

6. Модернизация опорной части грохота

В ходе эксплуатации грохота, нередко возникает такая проблема, как лопнувшие опорные пружины. В результате анализа конструкции грохота, нами было установлено, что количество пружин, которое сейчас находится в работе, не справляется с нагрузками, поэтому необходимо увеличить количество пружин до 12 шт.

В процессе работы грохота на пружины действуют и поперечные колебания, которые могут стать причиной выхода их из строя. Поэтому нами было принято решение установить на каждую опору ограничитель.

Ограничитель - стержень для направления перемещений короба, установленный с зазором, учитывающим величину поперечных колебаний (Рисунок 6).

Рисунок 6 - Схема ограничителя

7. Замена металлических сит на полиуретановые

Основным рабочим элементом в грохоте для разделения фракций на нужны величины являются сита, верхнее - ячейка с диаметром 70 мм , нижнее - ячейка с диаметром 35 мм. Верхнее сито изготавливается из черного металла (Ст. 3 конструкционная углеродистая), а нижнее из 12Х18Н9Т (коррозионно-стойкая), срок службу их составляет 1,5-2 мес и 6-8 мес соответственно.

В ходе работы грохота интенсивному изнашиванию подвергаются металлические сита. Просеивающие поверхности изнашиваются в результате действия различных процессов, происходящих одновременно: истирания (абразивного износа), ударного воздействия зёрен материала (ударного износа), циклических нагрузок в элементах сита, его вибраций и усталостных повреждений (усталостного износа).

Недостатками металлических сит являются:

быстрый износ сит (верхние 1,5 - 2 месяца, нижние 6 - 8 месяцев);

частая остановка грохота для замены сит.

Преимущества полиуретановых сит.

Абразивная стойкость полиуретановых сит превышает, абразивную стойкость нержавеющей стали в 7 -9 раз, они работают в 3 -4 раз дольше резиновых сит. Поэтому срок службы полиуретановых сит - от 1 года до 2 лет в зависимости от абразивных свойств сортируемого материала и нагрузки на грохот.

Благодаря эластичности материала сита, большой амплитуде колебаний и специальной форме отверстий, эти сита имеют производительность на 15-20 % больше, чем металлические, и на 10-12 % больше, чем резиновые.

Снижена забиваемость сит благодаря трапецеидальной в сечении форме отверстий, расширяющихся книзу (эффект самоочистки).

Точная сортировка за счёт сохранения размеров ячеек сита.

Высокая скорость прохождения материала.

Высокая износостойкость и защита подситника от износа.

Модульный принцип сборки просеивающих поверхностей, позволяющий при эксплуатации грохота уменьшить затраты на замену износившихся панелей и облегчить их монтаж и демонтаж.

Уменьшение шума при работе оборудования (на 5…20 дБ в зависимости от площади грохочения).

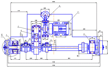
8. Разработка привода передвижения тележки грохота

Спроектированная нами схема привода передвижения тележки, представленная на рисунке 7, состоит из следующих компонентов:

Электродвигатель из серии МТКН;

Редуктор ВК-350;

Зубчатая муфта М3-2-Н35;

Упругая втулочно-пальцевая муфта с тормозным шкивом;

Зубчатая муфта М3П-2;

Тормоз типа ТКГ - 160;

Рисунок 7 - Привод передвижения тележки грохота

Заключение

В данной курсовой работе проводился анализ средств сепарации грохота коксовой мелочи. Рассматривались конструктивные особенности оборудования, учитывался эксплуатационный опыт.

В ходе анализа выявлены основные требования к работе приводной части. Приведены технические характеристики вибратора MVSI 10/10000 - S90, компании Italvibras. Приведены различные варианты замены смазки, рассмотрена схема регулировки подачи смазки в систему.

Рассмотрены пути модернизации опорной части грохота, просеивающих поверхностей, а так же разработана схема привода тележки самобалансного грохота.

Внедрение нового оборудования улучшит условия труда персонала, в частности, для регулировки возмущающего момента не надо будет вручную убирать или добавлять грузы в дебалансы, достаточно будет просто задать электронным регулятором нужное значение момента.

Из всего сказанного следует, что имеется целесообразность внедрения предлагаемых в проекте технических решений по модернизации самобалансного грохота.

Список использованных источников

1. Технолог-доменщик / Ю.П. Волков - М.: Металлургия, 1986.

. Сооружения и оборудование доменных цехов / Н.К. Леонидов - М.: Металлургиздат, 1955.

. Доменные воздухонагреватели / Шкляр Ф.Р. - М.: Металлургия, 1982.

. Пути предупреждения и устранения неполадок в работе доменной печи / И.В. Яковлева - Новотроицк: НПК, 2008.

5. Каталог электро-вибраторов компании Italvibras. <http://transportexpo.ru/files/vybratory-electro2.pdf>

. Сборник производственно-технических инструкций по обслуживанию газового и воздухонагревательного хозяйства доменного цеха. - Новотроицк: ОАО «Уральская сталь», 2003.

Похожие работы на - Анализ работы средств сепарации грохота доменного цеха ОАО 'Уральская сталь'

 

Не нашли материал для своей работы?
Поможем написать уникальную работу
Без плагиата!
Без нейросетей!