Автоматизована система керування газоповітряного тракту котлоагрегату енергоблоку №3 Криворізької ТЕС
Вступ
Автоматизація була і залишається однією з головних проблем
промислового виробництва і соціальної сфери в різні періоди економічного
розвитку сучасного суспільства. З часом автоматизація стає все більш ширшим
поняттям, включаючи в себе деякі нові проблеми свого наукового і технічного
розвитку: комп’ютеризацію, роботизацію і т.п. Однак сенс і її основне
призначення ¾ полегшення або витіснення рутинної праці людини.
Автоматизація відіграє важливу роль при організації
промислового виробництва за принципом: випуск заданої кількості продукції
відповідної якості при мінімальних матеріальних ручної праці, а також затрат
енергоресурсів. Особливо актуальною автоматизація є в галузях промисловості,
кінцева продукція яких знаходить масовий попит в споживача і використовується
практично у всіх виробничих процесах. До таких галузей, в повній мірі, і
відноситься енергетика.
Роль енергетичного сектора в економіці країни важко
перебільшити. Паливо-енергетичний комплекс (ПЕК) повинен бути тим
концентраційним ядром, навколо якого відбувається структурна перебудова і
створення нової економіки країни. Але для успішного економічного розвитку
країни енергетичний сектор повинен не тільки відповідати необхідним потребам
економіки стосовно загального постачання енергоресурсів, але й бути
збалансованим за різними напрямами та за різними параметрами.
Теплова і атомна енергетика, які відрізняються широкою
автоматизацією технологічних процесів, високими параметрами робочого
середовища, вимогами до точності їх регулювання, а також наявністю власного
джерела енергії, є тою галуззю науки і техніки, де постійно знаходять
застосування нові методи, теорії і технічні засоби автоматичного керування.
Специфіка функціонування теплової (ТЕС) і атомної (АЕС)
електростанцій визначає великий обсяг і різнотипність задач з їх управління.
Створення оптимальних умов експлуатації для таких складних об’єктів неможливо
без відповідних систем керування (АСК ЕС).
Для АСК ЕС є характерне комплексне охоплення всіх сторін
діяльності підприємства. Її призначення ¾ забезпечення оптимального
використання матеріальних і трудових ресурсів електростанції для надійного і
якісного виробництва електроенергії у відповідності з завданнями АСК
енергосистеми.
При створенні АСК ЕС необхідно враховувати складний комплекс
питань оперативно-диспетчерського і виробничо-господарського керування, а також
різні зв’язки з вищим (енергосистема) і нижчим (енергоблоки та інші об’єкти)
рівнями ієрархічної системи керування енергетикою в цілому для можливості
обміну необхідною інформацією.
Для побудови автоматизованої системи керування реалізуються
складні алгоритми і закони регулювання, використовуються різноманітні технічні
засоби автоматизації (первинні перетворювачі, регулятори, спеціалізовані
обчислювальні пристрої, мікроконтролери). Ці технічні і програмні засоби
суттєво впливають на загальну надійність і живучість систем автоматизації, на
їх ціну та рентабельність. Але загалом обґрунтований вибір технічних і
програмних засобів, мінімально необхідний для створення надійної і економічно
ефективної системи автоматизації, являє собою складне завдання, тому, що
номенклатура цих засобів досягає декількох тисяч найменувань. При цьому деякі
програмні і технічні засоби часто виявляються структурно несумісними між собою
в рамках єдиної системи автоматизації, що призводить до додаткових розробок або
вибору узгоджених між собою інтерфейсних сигналів, параметрів, конструкцій.
Впровадження сучасних мікропроцесорних засобів, що мають
надзвичайно великі обчислювальні можливості і високу надійність, дозволяє
реалізувати рівень автоматизації, який був недосяжний на попередніх етапах.
Система керування повинна виконувати наступні функції:
·
Збір
інформації про поточний стан технологічного об’єкту керування (ТОК);
·
Визначення
критеріїв роботи технологічного об’єкту керування;
·
Знаходження
оптимальних режимів функціонування ТОК і оптимальної керуючої дії (керування),
яка б забезпечила екстремум критеріїв якості;
·
Реалізація
визначених оптимальних режимів або оптимальної керуючої дії на ТОК.
Метою даного дипломного
проекту є побудова на базі мікропроцесорного контролера TREІ-5B-04
автоматизованої системи керування газоповітряного тракту котлоагрегату
енергоблоку №3 Криворізької ТЕС.
Для застосування вказаних
технічних засобів в технологічному процесі необхідно вивчити саму технологію,
провести аналіз процесу як об'єкта керування, розробити функціональну схему
автоматизації, розрахувати і змоделювати систему автоматичного регулювання,
розрахувати економічну ефективність проектованої системи керування.
1.
Технологічна частина
.1 Технологічий опис котла
Двохкорпусний прямоточний паровий котел типу ПП- 980/255ж
(П-50) пиловугільний з рідким шлаковидаленням. Котел П-подібний двохкорпусний
симетричний. Кожен корпус може працювати окремо або разом.
Технічні характеристики котла при номінальному навантаженні:
паропродуктивність - 894 т/ч;
температура первинної пари - 545 0C;
тиск первинної пари - 25,5 МПа;
температура вторинної пари - 545 0C;
тиск вторинної пари - 3,8 МПа;
температура живильної води - 265 0C.
Топка котла прямокутна, двохкамерна - камера горіння і камера
охолодження.
Камера горіння кожного корпусу обладнана дванадцятьма
комбінованими турбулентними пальниками, що розміщені в два яруси на фронтовій і
задній стінках топки. Для підвищення надійності виходу рідкого шлаку на котлі
встановлені спеціальні мазутні пальники.
Пиловугільні пальники мають камеру газифікації, в яку
паромеханічною форсункою подається паливо і біля 60% повітря, необхідного для
повного згоряння палива. Решта повітря подається у потік гарячих газів на
виході із камери.
Стінки топки екрановані поверхнями нагріву котла: нижньої
радіаційної частини (НРЧ і середньої радіаційної частини (СРЧ).
Стіни поворотної камери, стеля топки і з’єднуючий газохід
екрановані трубами верхньої радіаційної частини (ВРЧ).
У верхній частині топки розміщений двохступеневий ширмовий
пароперегрівач.
Конвективний пароперегрівач первинної пари, дві ступені
проміжного перегрівача і водяний економайзер розміщені в спускному
конвективному газоході.
Підігрів повітря здійснюється у 4-х повітропідігрівачах, що
обертаються.
Котел обладнаний двома димососами і двома вентиляторами (по
одному на корпус).
Пароводяний тракт котла має 4 потоки. Для регулювання
температури первинної пари на кожному потоці встановлено послідовно по два
пароохолоджувачі - 1-й та 2-й вприски. Пароохолоджувач 1-го вприску розміщений
перед крайніми ширмами першого ступеня, пароохолоджувач 2-го вприску - перед
конвективним пароперегрівачем.
Для регулювання температури вторинної пари на стелі кожного корпуса
котла встановлені паропарові теплообмінники (ППТО). Крім того, при
надзвичайному підвищенні температури вторинної пари використовуються аварійні
вприски.
Одним із основних елементів пускової схеми котла є вузол для
розпалювання котла (сепаратор).
Пилеповітряний тракт котла включає в себе такі системи:
пилеприготування, пилетранспортування, дозування палива і розподіл пилу по
пальниках, а також системи подачі і розподілу первинного і вторинного повітря
по пальниках.
Спалювання палива здійснюється у пиловидному стані, для чого
кожен корпус обладнаний індивідуальною замкнутою системою пилеприготування є
проміжним бункером пилу і пневмотранспортом пилу гарячим повітрям.
Основним паливом для котла є вугілля марки “Т” Донецького
вугільного басейну з характеристиками:
проектні - Qнр=6550 ккал/кг, Wр=5,0%,
Ар=15,2%, Vг=13,0%, Sр=1,5%;
фактичні - Qнр=5090 ккал/кг, Wр=6,6%,
Ар=29,3%, - , Sр=2,2%.
Для підтримання стабільності процесу горіння, досягнення
необхідної паропродуктивності котла і забезпечення процесу рідкого
шлаковидалення в топку котла додатково подається газ (Qрн=8023
ккал/нм3). Розпалювальним паливом є мазут марок М-40, М-100 (Qрн=8990
ккал/кг).
.2 Характеристики палива
Проектним паливом для котлів Криворізької ТЕС є вугілля марки
" Т" Донецького родовища з характеристиками: Qнр=6550 ккал/кг,
Wр=5,0%, Ар=15,2%, Vг=13,0%, Sр=1,5%.
Основним видом палива, використовуваного нині на Криворізькій
ТЕС являється вугілля марки "Т", що має якісні показники, відмінні
від проектних: низьку калорійність, високу зольність і вологість.
Якісні характеристика твердого палива, що використовують на
електростанції наведені в таблиці 1.1
Таблиця 1.1 Якісна характеристика твердого палива
|
Марка вугілля
|
Зольність (Ар), %
|
Вологість (Wр), %
|
Вміст сірки (Sр),%
|
Нижня теплотворна
здатність (Qрн), ккал/кг
|
|
Т
|
29,3
|
6,6
|
2,2
|
5090
|
Для підтримки стабільності процесу горіння, а також для
досягнення необхідної величини паропропродуктвності котлів, забезпечення
процесу рідкого шлаковидалення в топку котла додатково подається дороге, дефіцитне
паливо: газ (Qрн=8023 ккал/нм3,) для підсвічування факела і мазут мазкий М-40,
М-100(Qрн=8990 ккал/кг) в період розтоплення котла.
Процентне співвідношення палив, спалених на Криворізькій ТЕС
в 2006 році складає : 87,6% - вугілля, 1,4% - мазуту, 11,0% - газу.(Qрн=8990
ккал/кг) в період розпалювання котла.
Розрахунковим паливом після технічного переоснащення
енергоблоку №3 являється "Т" вугілля і характеристика якого
приведений в таблиці 1.2
Таблиця 1.2 Склад і характеристика розрахункового твердого
палива марки “Т”
|
Найменування
|
Позначення
|
Од. вимірювяння
|
Величина
|
|
1 Вуглець
|
Ср
|
%
|
89
|
|
2 Водень
|
Нр
|
%
|
4,2
|
|
3 Кисень
|
Ор
|
%
|
2,1
|
|
4 Азот
|
Nр
|
%
|
1,5
|
|
5 Сірка
|
Sр
|
%
|
2,2
|
|
7 Вологість
|
Wр
|
%
|
6,0
|
|
8 Нижня теплота
згорання
|
Qрн
|
ккал/кг
|
5143
|
Витрати основного розрахункового твердого палива марки
"Т", підсвічованого і розпалювання палив для модернізованого котла
типу П-50 енергоблока №3, їх характеристика приведені в таблиці 1.3
Таблиця1.3 Витрати розрахункового палива на котел і його
характеристика
|
Найменування
|
Характеристика
|
Витрати
|
|
Параметри
|
Вели-чина
|
годині
|
рокові
|
|
Натуральне паливо
|
|
Вугілля марки
"Т" (основне паливо),
|
1 Зольність, Ар, %
2 Вологість, Wр, % 3 Нижня теплотворна здатність, ккал/кг
|
28,6 6,0 5143
|
126,7/ 84,5 т
|
608958 т
|
|
Природний газ
(підсвічуване паливо при понижені навантаження до 225 МВт и нижче)
|
1 Нижня теплотворна
здатність (при нормальних умовах), ккал/нм³
|
8033
|
0/6,28 тис. нм³
|
48957 тис. нм³
|
|
Мазут (пускові
операції до 225 МВт)
|
1 Вязкість при 80ºС, мм²/с 2 Температура, ºС 3 Вміст сірки, % 4Вологість, % 5 Нижня
теплотворна здатність, ккал/кг
|
33 110÷140 2,3 5,9 9261
|
0/8,7 т
|
5404 т
|
.3 Тепловий баланс
Розподіл тепла,
підведеного до котлоагрегату, на корисне і на втрати називається тепловим
балансом котлоагрегату.
При спалюванні твердого і
рідкого палива тепловий баланс котлоагрегату складають у кілокалоріях і
відносять до 1 кг витраченого палива, а при спалюванні газоподібного палива
баланс складають також у кілокалоріях і відносять до 1 мЗ газу,
введеного в паленище.
де QРh - тепло, введене в
котлоагрегат; Q - нижча теплота згоряння палива;
- корисне тепло, використане на одержання пари чи гарячої води;
-втрата тепла з димовими газами, що ідуть
з котлоагрегату;
- втрата тепла від хімічної неповноти
згоряння палива;
- втрата тепла від механічної неповноти
згоряння палива;
- втрата тепла в навколишнє середовище;
- втрата тепла зі шлаками, що видаляються
з топки.
Крім того, тепловий баланс в обох випадках можна виразити у
відсотках, розділивши кожен член лівої і правої частин рівняння на QPH
і помноживши його на 100:
Корисно використане тепло
. Процес утворення пари в паровому котлі
відбувається при постійному тиску. Живильна вода, що надійшла в котел, спочатку
нагрівається до температури кипіння, яку ще називають також температурою
насичення. Температура кипіння залежить від тиску і збільшується з його
зростанням. Кількість тепла, що витрачається для нагрівання 1 кг води від 0°С
до температури кипіння при постійному тиску, називається теплотою чи ентальпією
рідини і позначається в залежності від обраної системи одиниць ккал/кг чи
кДж/кг (1ккал=4,19кДж).
При наступному підведенні тепла, нагріта до температури
кипіння вода починає випаровуватися. Пара, що утвориться при кипінні рідини,
називається ”вологою” насиченою парою, її температура дорівнює температурі
киплячої води, тобто процес пароутворення відбувається в тепловій рівновазі з
водою.
При постійному тиску процес пароутворення відбувається при
постійній температурі доти, поки остання крапля води не перетвориться в пару. Пара,
отримана в момент, коли остання крапля води випарувалася, називається сухою
насиченою парою. В ній немає води, ступінь сухості X, що показує, скільки
кілограмів сухої насиченої пари мається в 1 кг пари даного стану, дорівнює
одиниці.
У паровому котлі утвориться волога насичена пара. При
виході в паровий простір котла вона захоплює дрібні крапельки води із собою в
пароперегрівник. В одному кілограмі такої пари буде міститися визначена
кількість води і, отже, ступінь сухості X буде менше одиниці. Величина 1-х
називається ступенем вологості пари. Ступінь сухості пари в сучасних парових
котлах коливається в межах 0,95-0,98 і залежить як від наявності пристроїв, що
відокремлюють воду, так і від режиму його роботи.
У пароперегрівнику до вологої пари підводиться тепло, що
спочатку витрачається на випаровування води, що надійшла з парою. Як тільки
випаровування води закінчиться і пара перетвориться в суху насичену, при
подальшому підведенні тепла його температура буде збільшуватися, незважаючи на
те, що тиск залишився колишнім. Пара, температура якої перевищує температуру
насичення при даному тиску, називається перегрітою. кількість тепла, необхідна для
перегріву пари:
ккал/кг чи кДж/кг,
де Срт - середня масова теплоємність пари, ккал/
(кг°С) чи кДж/ (кг°С);
- температура перегрітої пари, °С;
- температура насичення, °С. Кількість тепла, що витрачається для
одержання 1 кг перегрітої пари з води при 0°С, називається ентальпією
(тепломісткістю) перегрітої пари і визначається:
ккал/кг чи кДж/кг
Живильна вода, що надходить у котлоагрегат, має
температуру, що значно перевищує 0°С. Вона повинна бути не нижче температури
точки роси (50-60°С), при якій на поверхні нагрівання можлива конденсація
водяної пари, що знаходяться в обігрівальних цієї поверхні газах. Поява конденсату
на поверхні нагрівання при наявності сірки в тім місці приводить до утворення
сірчаної кислоти і викликає корозію металу. При цьому кількість тепла, що
витрачається на утворення 1 кг перегрітої пари, буде менша на величину
ентальпії води і дорівнює: іпе - іжв
Якщо позначити: D - часова витрата перегрітої пари, кг/год;
В - витрата палива за годину, кг/год; іпе - ентальпія перегрітої
пари, ккал/кг; іжв - ентальпія живильної води, ккал/кг, тоді корисно
використане тепло:
Втрати тепла
з газами, що відходять. Якщо позначити Vb --
об'єм газів, що відходять, м3/кг; Сртв -
теплоємність газів, що відходять, °С; tb- температура відхідних
газів, то кількість тепла, виноситься з газами, на 1 кг палива:
Крім того, при збільшенні об'єму газів перевантажується
димовідсмоктувач і відбувається перевитрата електроенергії на тягу.
Підсмоктування холодного повітря через обмуровування знижують температуру газів
у газоходах, у результаті зменшується обігрів поверхні нагрівання і знижується
паропродуктивність котла.
Підсмоктування холодного повітря в газоходах також
збільшують газовий опір котла, що порушує тягу в котлоагрегат і приводить до
вибивання газів через дверцята паленища.
Надлишок повітря в котлоагрегаті понад оптимальний знижує
його ККД. Наприклад, зростання коефіцієнта надлишку повітря на 0,2 (1,6 замість
1,4) збільшує втрату тепла з відхідними газами на 1,0-1,5%, ККД котлоагрегату
знижується приблизно на 2%, а витрата палива зростає приблизно на 2,5-3%.
При найбільш економічній роботі котлоагрегату, що залежить
від кваліфікації машиніста, вміст вуглекислого газу в димових газах у
залежності від роду палива повинен підтримуватися в кількості 13-15%.
Втрати тепла
від хімічної неповноти горіння. При спалюванні твердих палив
показником хімічної неповноти горіння є присутність у димових газах, що
відходять, окису вуглецю, а при спалюванні газоподібного палива - окису вуглецю
і метану.
Знаючи вміст окису вуглецю в димових відхідних газах,
визначають втрату від неповного горіння. Звичайно, вона складає 1,3-1,7% у
залежності від роду палива, а при великій нестачі може дійти до 5-7% і більше.
Наприклад, 1% окису вуглецю у вихідних газах, відповідає приблизно 3-4%
втрат тепла палива.
Для повного спалювання палива в паленищі необхідна
кількість кисню для горіння летких горючих речовин, що відповідає температура в
паленищі (при знижених температурах вуглець не вступає в реакцію) і достатній
час перебування спалюваних часток у паленищі.
Втрати тепла
від механічної неповноти горіння. При спалюванні рідкого і
газоподібного палива втрати від механічної неповноти горіння практично
відсутні. При спалюванні твердого палива крім втрат тепла з відхідними газами і
від хімічної неповноти горіння відбуваються втрати від провалу через колосники
в зольник незгорілих часток палива і від винесення дрібних часток палива тягою
в газоходи котла й в атмосферу. Ці втрати залежать від конструкції паленища й особливо від
колосникових граток, сили тяги та розмірів шматків палива.
Втрати тепла
у навколишнє середовище. Втрати тепла нагрітими зовнішніми
поверхнями в навколишнє середовище залежать від типу і продуктивності котла,
конструкції і якості обмуровування, навантаження котлоагрегату.
Втрати тепла
з теплом шлаків. Ці втрати, природно, мають місце
тільки при спалюванні твердих палив як у кусковому, так і в пилоподібному
стані. Вони залежать від зольності палива і системи шлакозоловвідведення. Зі
збільшенням зольності втрати зростають.
Таким чином, при наявності матеріального і теплового балансу
котлоагрегат буде працювати в постійному (стаціонарному) режимі. Стаціонарний
режим характеризується стабільністю в часі тиску, температур, рівнів, витрат і
інших показників роботи котлоагрегату.
Перехідні режими виникають при різних порушеннях
стаціонарного режиму. В цьому випадку матеріальний і енергетичний баланси
порушуються. Зміни режиму можуть виникнути в результаті різних зовнішніх чи
внутрішніх збурень.
До зовнішніх збурень належать: зміна навантаження споживача,
зміна тиску і температури живильної води та інші. Найбільш важливим внутрішнім
збуренням є зміна якості чи кількості палива, що згорає.
При зміні режиму міняються всі чи деякі показники роботи
котлоагрегату. При цьому на котлоагрегат необхідно подати таку регулюючу дію,
щоб в найкоротший термін відновити в ньому матеріальний і енергетичний баланс.
Керування роботою котлоагрегату при порушенні режиму його роботи зводиться до
примусової дії на відповідні органи і виконується вручну чи за допомогою
спеціальних автоматичних пристроїв.
.4 Конструктивна характеристика існуючого котлоагрегата
Прямоточний котел П-50(ПП-980/255ж) - пило-вугільний з рідким
шлаковидаленням призначений для роботи за схемою дубль-блока з паровою турбіною
типу К-300-240-2.
Компонування котла - П-подібне двокорпусне симетричне. Кожен
корпус може працювати окремо або обидва одночасно.
Топка з рідким шлаковидаленям, прямокутного перерізу,
двокамерна з пережимом. Стіни топки екрановані вертикальними панелями типу
Бенсона з підйомним рухом середовища в зоні, що обігрівається. Топка кожного
корпусу котла з виступами, утвореними фронтовим і заднім екранами нижньої
радіаційної частини (НРЧ), поділяється на камеру горіння і камеру охолодження.
Труби НРЧ обшиповані і покриті карборундним прошарком, що покращує умови
згорання твердого палива, а також сприяє кращому створенню і витіканню рідкого
шлаку. Нижній екран камери горіння виконаний з ухилом 8°. У кожній камері
горіння для видалення рідкого шлаку передбачені дві ромбовидні льотки.
Топка кожного корпусу обладнана 12-ма комбінованими
турбулентними пальниками. Пальники розташовані в два яруси на фронтовій і
задній стінах топки. У кожен пальник вбудована мазутна форсунка з механічним
розпилювачем, а в амбразуру пальника - газовий колектор з 24-ма розприділюючими
соплами Ø15×2,5 мм і 24-ма соплами Ø25×2,5
мм,
розташованими рівномірно по колу колектора через одне.
У пальнику є дві форсунки. Пилоповітряна суміш вводиться в
меншу форсунку, а у велику - вторинне повітря. У форсунках обидва потоки
завихрюются і потім окремо по концентричних кільцевих патрубках поступають в
топку.
Скидання в топку сушильного агента здійснюється через
прямоточні щілинні пальники прямокутної форми, розташовані по два в три яруси
на кожній бічній стіні топки.
Для підвищення надійності виходу рідкого шлаку на котлі
встановлені нижні мазутні пальники. Пальник має газифіковану камеру, в яку
паромеханічною форсункою подається паливо і приблизно 60% повітря, необхідного
для повного згорання палива. На виході з газифікованої камери в потік гарячого
газу подається інша частина повітря.
Камера охолодження в основному екранована панелями середньої
радіаційної частини (СРЧ). Частина камери охолодження екранована трубами НРЧ.
На котлі №3, з метою підвищення надійності фронтової панелі СРЧ, зроблена її
реконструкція з подвоєнням масових швидкостей середовища. Верхній колектор
панелі розділений на два, а напівпанелі включені послідовно. Перекидання
середовища між напівпанелями виконане трубами Ø108х12.
У верхній частині топки в районі підвищених газових
температур, (близько 1260 °С), розташований двоступінчатий ширмовий перегрівач.
Кожна ступінь перегрівача складається з 18 ширм. І-ша ступінь
виконана двоходовим, за схемою "прямоток", ІІ-га ступінь -
чотириходова, за схемою "протитечія". Кріплення і дистанціонування
труб ширмового перегрівача здійснюється за допомогою підвісних труб, включених
в контур циркуляції. Рух пари в трубах підйомний.
Стіни поворотної камери, сполучного газоходу і стеля топки
повністю екрановані трубами верхньої радіаційної частини (ВРЧ), що складається
з двох паралельно включених напівпотоків. Труби одного з них екранують бічні і
задню стіну поворотної камери, а також стелю; труби іншого - частину, що
залишилася, бічних і задньою стін поворотної камери.
У випускному конвективному газоході по ходу газів розміщені:
конвективний перегрівач первинної пари, два ступені проміжного перегрівача і
водяний економайзер.
Підігрівання повітря здійснюється в чотирьох підігрівачах, що
обертаються. Котел оснащений двома димососами і двома вентиляторами.
Пароводяний тракт котла виконаний чотирьохпотоковим з
самостійним регулюванням живлення і перегрівання пари.
Для регулювання температури вторинної пари на стелі кожного
корпусу котла встановлені паропарові теплообмінники (ППТО), кожен з яких
складається з 32-х паралельно включених секцій, розташованих горизонтально, які
являють собою теплообмінник типу "труба в трубі". Теплообмінник
включений за протитечійною схемою. При надмірному підвищенні температури
вторинної пари використовується аварійне впорскування, встановлене між І і ІІ
ступенями проміжного пароперегрівача.
Регулювання перегрівання первинної пари здійснюється за
допомогою впорскуючих пароохолоджувачів. У кожному потоці котла послідовно
встановлено по два пароохолоджувачі. Пароохолоджувач І впорскування
розташований перед крайніми ширмами І ступеня. Його регулятор налаштований на підтримку
температури первинної пари за ППТО залежно від навантаження котла.
Пароохолоджувач ІІ впорскування встановлений перед конвективним
пароперегрівачем і призначений для підтримки номінальної температури первинної
пари за котлом. Окрім цього передбачена установка розпалювального впорскування
після ГПЗ-1, що застосовують тільки в період розпалювань.
.5 Технічна характеристика існуючого устаткування
пиле-газоповітряного тракту котла П-50
Для забезпечення оптимального режиму
горіння палива потрібна ефективна робота усього пиле-газоповітряного тракту
котлоагрегата, який включає наступні системи: пилеприготовлення,
пилетранспорта, дозування палива і розподілення пилу по пальниках, а також
системи подачі і розподілу первинного і вторинного повітря по пальниках котла.
Спалювання вугілля робиться в пилоподібному стані, для чого кожен корпус
котлоагрегата обладнаний індивідуальною, замкнутою системою пилеприготовлення з
проміжним бункером і пневмотранспортом пилу гарячим повітрям.
До устаткування пиле-газоповітряного
тракту котла відносяться:
1. Кульовий барабанний млин: 1 на
корпус котла, тип Ш-50А, розрахунковою продуктивністю по АШ-50 т/год, кульовим
завантаженням - 70-80 т, споживаною потужністю 2000 кВт.
. Сепаратор пилесистеми : 1 на корпус
котла, тип СП-2, діаметром 5500 мм, об'єм 57 м3
3. Циклон: 1 на корпус котла, тип
НИОГАЗ -4000.
. Млиновий вентилятор: 1 на корпус
котла, тип ВМ-160/850, продуктивність 136х103 м3/ч, натиск 742 мм. в. ст.
. Вентилятор гарячого дуття : 1 на
корпус котла, тип ВГД-20, продуктивність 190х103 м3/ч, натиск 285 мм. в. ст.
. Регенеративні повітря підігрівачі:
по 2 на корпус котла, тип ВПР-5 з максимальною розрахунковою температурою
повітря - 350° С.
7. Бункера сирого вугілля: по 2 на
корпус котла, ємністю 440 т.
8. Стрічкові живильники сирого
вугілля ПСУ: по 2 на корпус котла продуктивністю по 60-65 т/год.
. Бункера пила: 1 на корпус
котла, ємністю 230 т.
. Пилеживильники: тип УЛПП-2 -
12 шт. на корпус котла, продуктивності 4 т/год.
. Димосос: 1 на корпус котла,
тип ДО-31,5, продуктивностю 920х103 м3/ч, натиск 377 мм.
в. ст.
12. Дутьевой вентилятор: 1 на корпус
котла, тип ВДН-24-2-П, продуктивність 550х103 м3/год, натиск 390 мм. в. ст.
2.
Аналіз технологічного процесу, як об’єкта керування
В цьому дипломному
проекті об'єктом автоматизації являється газоповітряний тракт котлоагрегату. Це
є об'єкт з розподіленими параметрами, тобто в кожній певній, визначеній зоні
котлоагрегату має підтримуватись відповідний параметр.
Структурну схему
газоповітряного тракту котлоагрегата можна представити в наступному вигляді
(Рис. 2.1).
Рис. 2.1. Структурна
схема газоповітряного тракту котлоагрегата.
Вхідні величини :
Fпов.А.- витрата повітря в топку к.А;пов.Б.- витрата повітря в топку к.Б;
Fпал.А.- витрата палива к.А;
Fпал.Б.- витрата палива к.Б;
Вихідні величини
Рпари.А -тиск пари перед турбіною н.А;
Рпари.Б.- тиск пари перед турбіною н.Б;
Рпари.В.- тиск пари перед турбіною н.В;
Рпари.Г.- тиск пари перед турбіною н.Г;
РА.- тиск пари в перемичці БРОУ к.А;
РБ.- тиск пари в перемичці БРОУ к.А;
РВ. -тиск пари в перемичці БРОУ к.Б;
РГ.- тиск пари в перемичці БРОУ к.Б;
Fпари.А.. - витрата пари н.А;
Fпари.Б. - витрата пари н.Б;
Fпари.В.- витрата пари н.В;
Fпари.Г.- витрата пари н.Г;
Ртоп.А.- розрідження в топці котла к.А;
Ртоп.Б. - розрідження в топці котла к.Б;
Qтоп.А. - концентрація кисню в топці котла к.А;
Qтоп.Б. - концентрація кисню в топці котла к.Б;
Збурюючі величини
Gпал. - склад палива.
Gпов. -вміст кисню в повітрі.
В результаті аналізу технологічного процесу як об’єкту
регулювання, складаємо таблицю, в яку заносяться номінальні значення всіх
параметрів технологічного процесу (Таблиця 2.1), а також таблицю, що містить функціональні ознаки системи автоматизації (Таблиця
2.2).
Таблиця 2.1 Технологічна карта
|
№ п/п
|
Назва параметру
|
Одиниця вимірювання
|
Номінальне значення
|
Допустимі
відхилення
|
|
1
|
Витрата живильної
води на котел.
|
т/год
|
915
|
±10 т/год
|
|
2
|
Розрідження з верху
топки.
|
кг/м2
|
4
|
±1 кг/м2
|
|
3
|
Температура повітря
в котлі.
|
0С
|
800
|
±20 0С
|
|
4
|
Температура димових
газів.
|
0С
|
138
|
±2 0С
|
|
5
|
Вміст кисню в
димових газах.
|
%
|
4,1
|
±0,1%
|
|
6
|
Амперне
навантаження ДВ А/Б
|
А
|
80
|
±2 А
|
|
7
|
Амперне
навантаження ДС А/Б
|
А
|
170
|
±5 А
|
3. Техніко-економічне обґрунтування вибору функціональної
схеми автоматизації
Для забезпечення оптимального режиму
горіння палива потрібна ефективна робота усього пилегазовповітряного тракту
котлоагрегата, який включає наступні системи: пилеприготування,
пилетранспортування, дозування палива і розподілення пилу по пальниках, а також
системи подачі і розподілу первинного і вторинного повітря по пальниках котла.
Спалювання вугілля робиться в пилоподібному стані, для чого кожен корпус
котлоагрегата обладнаний індивідуальною, замкнутою системою пилеприготовлення з
проміжним бункером і пневмотранспортом пилу гарячим повітрям.
Модернізація системи автоматизації котельного агрегату
П-50(корпус № 3А і № 3Б) та устаткування пилегазовповітряного тракту котла, в
об'ємі представленому в цьому підрозділі дозволить:
- підвищити парову продуктивність котлоагрегата до 950 т/ч;
підвищити ККД котлоагрегата, економічність енергоблока;
понизити величину механічного недопалення;
понизити втрату тепла з вихідними газами,;
зменшити величину присосів повітря в паливну камеру
понизити витрату електроенергії на власні потреби;
Процес вироблення пари
тісно зв'язаний із процесом горіння. Кількість палива, що спалюється, точніше
тепловиділення в топці в сталому режимі, повинне відповідати кількості
виробленої пари.
Кількість виробленої пари
повинна відповідати кількості пари, спожитої турбіною. Непрямим показником цієї
відповідності є тиск пари перед турбіною, що за умовами економічності і безпеки
роботи турбіни повинен підтримуватися з високою точністю. Процес спалювання
палива повинний здійснюватися з максимальною економічністю. Паливо, що надходить
у топку, повинне згорати по можливості цілком, а втрати тепла, що виділилося,
при його передачі поверхням нагрівання повинні бути мінімальними. У цілому
регулювання процесу горіння зводиться до підтримки заданого значення надлишку
повітря в паленищі.
.1 Способи і типові схеми регулювання економічності процесу
горіння
Основним способом
регулювання оптимального значення надлишку повітря за
пароперегрівачем є спосіб зміни кількості повітря, що подається в топку за
допомогою дуттєвих вентиляторів. Існує декілька варіантів схем автоматичного
управління подачею повітря залежно від способів непрямої оцінки економічності
процесу горіння по співвідношенню різних сигналів.
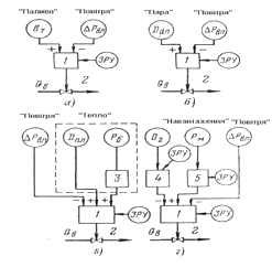
Рис. 3.1. Регулювання
подачі повітря за співвідношенням:
а - «паливо- повітря»; б
- «пара-повітря»; в - «тепло-повітря»;
г -«навантаження -
повітря» - з корекцією по О2 %; 1 - регулятор подачі повітря; 2 -
регулюючий орган; 3 - диференціатор; 4 - коректуючий регулятор
повітря; 5 - коректуючий регулятор тиску перегрітої пари (регулятор завдання по навантаженню).
1. Регулювання
економічності за співвідношенням «паливо -повітря».
При постійній якості палива його витрата і кількість
повітря, необхідне, забезпечення необхідної повноти згорання зв'язані прямою
пропорційною залежністю, що встановлюється в результаті режимних
випробувань. Якщо вимірювання витрати палива здійснюється достатньо точно, то
підтримку оптимального надлишку повітря можна здійснити по співвідношенню
витрата палива- витрата повітря, використовуючи схему регулювання подачі
повітря, відому під назвою паливо - повітря (рис. 3.1,а). При газоподібному
паливі необхідне співвідношення між кількостями газу і повітря здійснюється
найпростіше, тобто шляхом порівняння перепаду тиску на звужуючому пристрої, що
встановлюється на газопроводі, 
рг з перепадом тиску на повітропідігрівачі 
рв або на спеціальному вимірювальному пристрої витрати
повітря. Різниця перепаду тиску 
рг - 
рв є вхідним сигналом автоматичного регулятора економічності,
що керує продуктивністю дуттєвих вентиляторів.
Проте безперервне вимірювання витрати пилоподібного
твердого палива, як наголошувалося вище, дотепер є невирішеною проблемою. Іноді
витрату пилоподібного палива, наприклад, оцінюють по положенню регулюючого
органу (траверси плоского контролера), яке визначає лише число обертів
живильників, але не витрата пилу. Тому застосування схеми паливо - повітря
виправдано лише за наявності рідкого або газоподібного палива постійного
складу.
2. Регулювання економічності
заспіввідношенням «пара - повітря».
На одиницю витрати різного по складу палива необхідна різна
кількість повітря, але його потреба на одиницю тепла, що виділяється при
згоранні, не змінюється. Тому якщо оцінювати тепловиділення в топці по витраті
пари і змінювати витрату повітря відповідно до змін витрати пари, то тим самим
можна підтримувати оптимальний надлишок повітря. Цей принцип регулювання подачі
повітря використовується в схемах пара - повітря (рис. 3.1,б).
3. Регулювання економічності за співвідношенням
«тепло - повітря» (рис.3.1,в). Відповідна заданому тепловиділенню кількість
повітря вимірюється по перепаду тиску на повітропідігрівачі або його частини,
або по тиску повітря в напірному патрубку вентилятора. Різниця цих сигналів
використовується як вхідний сигнал регулятора економічності в схемах
регулювання тепло-повітря.
4. Регулювання економічності за
співвідношенням «завдання - повітря» з додатковим сигналом за вмістом О2 в
димових газах (рис. 3.1,г). Процентний вміст О2 в продуктах згорання
палива характеризує надлишок повітря і слабо залежить від складу палива. Тому
використання О2 як вхідний сигнал автоматичного регулятора, що
впливає на витрату повітря, представляється цілком доцільним. Проте реалізація
цієї схеми ускладнена через відсутність надійних і швидкодійних
газоаналізаторів на кисень. Тому в промислових умовах набули поширення схеми
регулювання подачі повітря не з прямою, а з коректуючою дією по О2.
Підтримка надлишку повітря по співвідношенню тепло -
повітря і особливо пара - повітря відрізняється простотою і надійністю, але не
є точною. Цей недолік усувається в системі регулювання економічності, діючої,
наприклад, по схемі завдання - повітря з додатковою корекцією по О2,
в якій регулятор подачі повітря змінює його витрату по сигналу від головного
або коректуючого регулятора тиску 5. Сигнал, пропорційний витраті повітря 
рв, як в інших схемах, по-перше, усуває збурення по
витраті повітря, не пов'язані з регулюванням економічності (включення або
відключення систем пилеприготування), по-друге, сприяє стабілізації самого
процесу регулювання подачі повітря, оскільки служить одночасно сигналом
жорсткого від’ємного зворотного зв'язку. Введення додаткового коректуючого
сигналу за змістом О2 підвищує точність підтримки
оптимального надлишку повітря в будь-якій системі регулювання економічності.
Додатковий коректуючий регулятор 4 по О2 в схемі регулювання
завдання повітря безпосередньо управляє подачею повітря при топочних збуреннях
і забезпечує підтримку заданого надлишку повітря залежно від навантаження агрегату.
Таким чином на основі проведеного вище аналізу існуючих
типових схем регулювання економічності
процесу горіння в цьому дипломному проекті запропоновано реалізувати наступну автоматизовану систему керування газоповітряним трактом
котлоагрегату енергоблоку №3 Криворізької ТЕС (див рис.3.2). Систему
автоматизації запропоновано побудувати на базі
мікропроцесорного контролера TREІ-5B-04.
Рис.3.2. Спрощена ФСА
газоповітряного тракту котлоагрегату енергоблоку №3 Криворізької ТЕС.
4.
Обґрунтування вибору технічних засобів автоматизації
.1 Загальний вигляд контролера
котлоагрегат газоповітряний тракт контролер
Для реалізації вибраної системи керування технологічним
процесом, вибираємо програмований логічний контролер TREІ-5B-04.
TREІ-5B-04 побудований за модульною структурою, тобто дає можливість
довільно вибирати потрібну конфігурацію шляхом простої заміни відповідних
модулів.. Загальний вигляд TREІ-5B-04 показаний на Рис. 4.1
Рис. 4.1 Загальний вигляд TREІ-5B-04
Програмування контролера здійснюється мовою функціональних
блоків з стандартом ІЕС-1131 та 984-LL з використанням програмного середовища
ІsaGRAF 3-51.
.2 Майстер модуль контролера
Мастер-модуль M841E призначений для використання а якості
центрального обрахункового пристроя контролера, виконання збору інформації з
вхідних модулів, програмно-логічної обробки отриманої інформації і видачі
керуючих дій у вихідні модулі, а також для організації та підтримки різних
комутаційних протоколів при використані пристроїв в різних комплексах АСУТП.
Загальний вигляд мастер-модуля показаний на Рис. 5.2
Рис. 4.2 Загальний вигляд мастер-модуля.
На плату мастер-модуля M841E можуть бути встановлені наступні
комутаційні адаптери в форматі РС/104:
- комутаційний адаптер (мережева карта Ethernet, 1 або 2
порта);
- 4-х портовий комутаційний адаптер (RS-232, RS-485);
Адаптери Profіbus, Modbus;
Технічні характеристики мастер модуля представлені в таблиці
4.1.
Таблиця 4.1 Технічні характеристики мастер-модуля
|
№
|
ПАРАМЕТРИ
|
ЗНАЧЕННЯ
|
|
1.
|
Тип процесора
|
AMD Geode LX
PC104+,Pentіum 266MHz
|
|
2.
|
Пам'ять оперативна,
Мб
|
1
|
|
3.
|
Пам'ять даних, Мб
|
64 або 256
|
|
4.
|
Пам'ять додаткова,
Мб
|
DіskOnChіp 32,chіp
DІSK-ІDE (от 32Mб до 1 Гб)
|
|
5.
|
Тип зовнішньої
комутаційної шини
|
Промисловий
Ethernet
|
|
6.
|
Тип внутрішнього
процесорного інтерфейса
|
РС/104
|
|
7.
|
Внутрішння шина
входа/вихода
|
ST-BUSM
|
|
8.
|
Фізична реалізація
ST-BUSM
|
Інтерфейс RS-485
|
|
9.
|
Скорість обміну по
шинам ST-BUSM, кбіт/c
|
2,4 / 9,6 / 19,2 /
115,2 250 / 625 / 1250 / 2500
|
|
10.
|
Кількість модулів
на шині РС/104
|
До 3-х
|
|
11.
|
Кількість модулів
на шині ST-BUSM 1
|
До 255
|
|
12.
|
Кількість модулів
на шині ST-BUSM 2
|
До 255
|
|
13.
|
Максимальна довжина
шини ST-BUSM 1, ST-BUSM 2, м
|
1200
|
|
14.
|
Можливість
резервування
|
100%
|
|
15.
|
Можливість
підключення монітора
|
Є
|
Можливість
підключення клавіатури
|
Є
|
|
17.
|
Напруга живлення, В
|
5
|
|
18.
|
Сила струму, мА
|
1500 (з процессорною
картою AMD Geode LX)
|
|
19.
|
Габаритні розміри ,
мм
|
211x50,5x128,7
|
|
20.
|
Вага, г
|
500
|
.3 Програмне забезпечення
Для програмування контролерів
TREІ-5B-04 використовується програмне забезпечення ІSaGRAF фірми CJ
Іnternatіonal. Специфіка роботи з контролерами полягає не тільки в орієнтації
на роботу з платами вводу-виводу, але і в переважному використовуванні мов
технологічного програмування. Як правило, з контроллерами працюють не
програмісти, а технологи, що добре знають специфіку об'єктів керування і
технологічного процесу. Накопичений досвід був узагальнений у вигляді стандарту
ІЕС 61131-3, який був затверджений в 1992 році Міжнародною Електротехнічною
Комісією (МЕК) (Іnternatіonal Electrotechnіcal Commіttee(ІЕС)).
Програмне забезпечення ІSaGRAF відповідає
стандарту ІЕС 61131-3, і реалізує згідно з цим стандартом синтаксис і семантику
п'яти мов програмування програмно-логічних контролерів (ПЛК):
1) SFC (Sequentіal Functіon Chart) -
графічна мова, що застосовується для опису алгоритму у вигляді набору зв'язаних
пар: крок і перехід. Крок є набором операцій над змінними. Перехід - набір
логічних умовних виразів, що визначає передачу управління до наступної пари
крок-перехід. На вигляд опис на мові SFC нагадує логічні блок-схеми алгоритмів.
SFC має можливість розпаралелювання алгоритму.
) LD (Ladder Dіagram) - графічна
мова програмування, що є стандартизованим варіантом класу мов
релейно-контактних схем. Логічні вирази на цій мові описуються у вигляді реле,
які широко застосовувалися у області автоматизації в 60-х роках. Зважаючи на
свої обмежені можливості мова доповнена привнесеними засобами: таймерами,
лічильниками, тощо.
3) FBD (Functіonal Block Dіagram) -
графічна мова, в якій замість реле використовуються функціональні блоки, на
вигляд - мікросхеми. Алгоритм роботи на цій мові виглядає як функціональна
схема електронного пристрою: елементи типу «логічне І», «логічне АБО», тощо,
з’єднані лініями.
) ST (Structured Text) - текстова
високорівнева мова загального призначення, по синтаксису орієнтована на Паскаль.
Самостійного значення не має: використовується тільки спільно з SFC.
) ІL (Іnstructіon Lіst) - текстова
мова низького рівня. Виглядає як типова мова Асемблера. Самостійного значення
не має: використовується тільки спільно з SFC.
Використання стандарту ІЕС 61131-3
відповідає концепції відкритих систем, а саме, робить програму для контролера
незалежною від конкретного устаткування - ні від типу процесора, ні від
операційної системи, ні від плат вводу-виводу. Пакет ІSaGRAF фірми CJ
Іnternatіonal є найвідомішою реалізацією цього стандарту.
У ІSaGRAF закладена методологія
структурного програмування, яка дає можливість користувачу описувати процес, що
автоматизується, в найлегшій і зрозумілішій формі. Призначений для користувача
інтерфейс системи ІSaGRAF відповідає стандартному графічному інтерфейсу
користувача (Graphіcal User Іnterface - GUІ), підтримуючий багатовіконний режим
роботи, повнографічні редактори, роботу з маніпулятором типу «миша», тощо.
Основні можливості системи ІSaGRAF:
– підтримка всіх п'яти
стандартних мов програмування PLC відповідно до стандарту ІEC 61131-3, їх
бібліотечних функцій і функціональних блоків. Додатково ІSaGRAF підтримує
інтерфейс з функціями, написаними на мові «ANSІ С». У ІSaGRAF є можливість
змішувати програми/процедури, написані на різних мовах і вставляти кодові
послідовності з однієї мови в коди, написані на іншій мові;
– налагоджувач ІSaGRAF дозволяє
під час роботи прикладної задачі проглядати стан програмного коду, змінних,
програм і багато чого іншого;
– підтримка основних функцій
протоколу MODBUS (RTU, SLAVE) для доступу до змінних додатку з боку SCADA,
таких як ІnTouch і інших, що дозволяють працювати з пристроями по протоколу
MODBUS;
– ВБУДОВАНІ ЗАСОБИ КОНТРОЛЮ за
внесенням змін в програмний код ІSaGRAF-додатку і друк звітів за розробленим
проектом з великим ступенем деталізації, включаючи друк таблиць перехресних
посилань для програм і окремих змінних;
Умовно пакет ІSaGRAF підрозділений на
дві компоненти:
- систему розробки (ІSaGRAF
Workbench) і
- систему виконання (ІSaGRAF
Target).
Комунікаційна задача (задача
зв'язку) забезпечує підтримку процедури завантаження ІSaGRAF-додатку з боку
програмованого контролера, а також доступ до робочих змінних цього додатку з
боку відладчика системи розробки ІSaGRAF. Крім того, комунікаційна задача
реалізує підтримку протоколу MODBUS, що дає можливість доступу до даних на
контролері не тільки відладчику ІSaGRAF, але і будь-якій системі візуалізації і
управління даними, що має відповідний драйвер MODBUS.
Драйвери ПЗО організовують прозорий
доступ до апаратури вводу/виводу і роблять цей процес стандартним для
конкретної операційної системи.
Процес розробки ІSaGRAF-додатку
(задачі користувача) у загальних рисах описується наступною процедурою:
- розробка алгоритму і
генерація загрузочного програмного забезпечення додатку в межах інтегрованого
середовища розробки ІSaGRAF (ІSaGRAF Workbench);
- завантаження додатку з PC в
PLC з використанням вбудованих засобів системи розробки ІSaGRAF і
комунікаційної задачі з боку PLC;
- запуск призначеного для
користувача додатку під управлінням ядра ІSaGRAF системи виконання (ІSaGRAF
Target);
- запуск інтерактивного
відладчика з боку системи розробки ІSaGRAF для контролю виконання і відладки
призначеного для користувача додатку.
Прикладна задача ІSaGRAF працює
строго по часових циклах, тривалість яких визначає розробник при компіляції
задачі. Мінімальна тривалість циклів виконання прикладної задачі визначається
характеристиками апаратно-програмної платформи (ІSaGRAF Target), на якій
відбувається виконання задачі.
Відладчик ІSaGRAF надає повний набір
можливостей для отримання якісного програмного продукту (ІSaGRAF-додатку):
- підтримка механізму виконання
програм по кроках;
- інтерактивна модифікація
значень змінних;
- зупинка/запуск окремих
програм, що входять до складу даного додатку ІSaGRAF;
- зміна в процесі роботи
відладчика тривалості циклу виконання додатку;
- емуляція сигналів, що
подаються на канали введення (ІNPUT) і т.д.
Всі ці можливості реалізовані в межах
зручного і наочного графічного інтерфейсу, що забезпечує своєрідний комфорт в
процесі розробки додатку ІSaGRAF.
При використанні програмного забезпечення ІSaGRAF V3.51 в
контролерах TREІ-5B-04 забезпечено виконання таких функцій:
- генерації програмного забезпечення ПТК СКК;
- завантаження програмного забезпечення
ПТК СКК;
- зміна настоюваних параметрів систем
керування;
- представлення в режимі ON LІNE
інформації про роботу алгоритмів керування.
4.4 Програма функціонування контролера
Перелік основних функціональних блоків:
4.4.1 Блок контролю датчиків (BKD)
Вхідна інформація:
- включення тестового сигналу TEST (дискр.)
- імітація вхідного сигналу ІMІT (аналог. ф.од.)
- допустима швидкість зміни сигналу VZM
(аналог. ф.од./с)
- верхня межа контролю FMAXK (аналог.
ф.од.)
- нижня межа контролю FMІNK (аналог.
ф.од.)
- верхня межа вимірювання FMAX (аналог.
ф.од.)
- нижня межа вимірювання FMІN (аналог.
ф.од.)
- вхідний сигнал від вимірювального
каналу XVCH (аналог. ф.од.)
- код фізичної відмови каналу WІDKN
(цілочис.)
Вихідна інформація:
- фізичне значення вимірювання FІZ(аналог. ф.од.)
- процентне значення вимірюваної величини PR (аналог. %)
- дискретний сигнал відмови вимірювання
OTK(дискр.)
Функції.
Алгоритм визначення достовірності показів нерезервованих
вимірювальних перетворювачів повинен здійснювати контроль по швидкості зміни
вхідного сигналу і по допустимих межах змін сигналу.
При перевищенні значення вхідного сигналу допустимої
швидкості зміни або допустимих меж діапазону, а також якщо сигнал апаратної
відмови не рівний нулю, повинна формуватися відмова вимірювання. При відмові
значення вихідного сигналу повинне бути рівне значенню вихідного сигналу
попереднього такту. Діагностика каналу здійснюється один раз в 100мс. Апаратна
діагностика вимірювального каналу здійснюється на апаратному рівні ПТК. Верхня
і нижня межі контролю (FMAXK і FMІNK) можуть змінюватися і відрізняться від
реальних меж вимірювального датчика. Модуль здійснює перерахунок фізичного
значення в процентне, для розрахунку якого використовується верхня і нижня межі
вимірювання (FMAX і FMІN). Для переходу на імітаційне значення служить сигнал
TEST=1, а алгоритм працює із змінною ІMІT.
.4.2 Додавання/віднімання (ADD)
Вхідна інформація:
– аналоговий сигнал ІN1;
– аналоговий сигнал ІN2;
– аналоговий сигнал ІN3;
– аналоговий сигнал ІN4.
Вихідна інформація
- аналоговий сигнал OUT.
Функції.
Вихідний сигнал повинен формуватися по наступному виразу з
врахуванням знаку коефіцієнта підсилення кожного входу:
=ІN1 +ІN2 +ІN3 +ІN4
.4.3 Множення (MUL).
Вхідна інформація:
– аналоговий сигнал ІN1;
– аналоговий сигнал ІN2.
Вихідна інформація
- аналоговий сигнал OUT.
Функції.
Вихідний сигнал повинен формуватися по наступному виразу:= N1
• ІN2
.4.4 Обчислення квадратного кореня (SQR)
Вхідна інформація
- аналоговий сигнал ІN1.
Вихідна інформація
- аналоговий сигнал OUT.
Функції.
Вихідний сигнал повинен формуватися по наступній формулі:
OUT =
.4.5 GAІN - пропорційна ланка
Вхідна інформація:
– ІN1 - вхідний сигнал.
– GAІN - підсилення на вхід ІN1.
– BІAS - зміщення на вхід ІN1.
– TPSC - максимальна величина вихідного сигналу.
– BTSC - мінімальна величина вихідного сигналу.
Вихідна інформація
- OUT - вихідний сигнал.
- KG - сигналізація виходу за контрольовані межі.
Функції.
Вихідний сигнал повинен формуватися по наступному виразу
= ІN1 • GAІN + BІAS
Якщо сигнал OUT більше або рівний максимальній величині
вихідного сигналу, то йому повинне привласнюватися значення TPSC. Якщо сигнал
OUT менше або рівний мінімальній величині вихідного сигналу, то йому повинне
привласнюватися значення BTSC.
.4.6 SELR Безударне переключення між аналоговими сигналами
Вхідна інформація:
– SEL1 - вхідний керуючий сигнал.
– X1 - вхідний сигнал 1.
– X2 - вхідний сигнал 2.
Вихідна інформація
- Y - вихідний сигнал.
При SEL1=1 Y= X1, при SEL1=0 Y= X2.
4.4.7 RAN1 - аналоговий ПІ регулятор
Вхідна інформація:
- поточне значення регульованої
величини PV;
- величина завдання STPT;
- логічне обмеження дії регулятора в
бік «менше» LWІ;
- логічне обмеження дії регулятора в
бік «більше» RAІ;
- автоматичний режим AUTO;
Настроювальна інформація:
- постійна часу інтегруванняї ІNTG.
- коефіцієнт підсилення PGAІN;
- сигнал слідкування TRІN;
- швидкість автобалансу TRAT;
- зона нечутливості DBND;
- обмеження максимального значення
вихідної керуючої дії TPSC;
- обмеження мінімального значення
вихідної керуючої дії BPSC;
Вихідна інформація:
- Величина керуючої дії OUT;
- Розбаланс регулятора DEVA.
Функції.
У модулі аналогово ПІ-регулятора повинне передбачатися
виконання наступних функцій:
– автоматичне балансування у
відключеному стані і стані спостереження;
– безударне включення регулятора на
поточне значення регульованої величини з подальшою підтримкою цього значення
(при завданні TRAT = 0) або з поступовим встановленням регульованої величини на
задане значення;
– розрахунок і демпфування сигналу
розузгодження між поточним значенням регульованої величини і заданим значенням;
– розрахунок величини переміщення
регулюючого органу по ПІ-закону регулювання:
W(p)= Kp×(1+1/(Tі×p)),
де Kp - коефіцієнт підсилення, % / %;
Ті - постійна часу інтегруванняї, с;
р - оператор перетворення Лапласа.
– заборона збільшення і зменшення
вихідного керуючого сигналу;
– автоматичний режим регулятора повинен
вмикатись при значенні параметра AUTO = 1;
.4.8 RІM - ПІ регулятор
Вхідна інформація:
- поточне значення регульованої
величини XTEK;
- заборона закриття ZPZ;
- заборона відкриття ZPO;
- автоматичний режим RKA;
Настроювальна інформація:
- величина завдання XZAD;
- постійна часу інтегруванняї TІ.
- коефіцієнт пропорційностіKR;
- стала часу фільтра TF;
- швидкість автобалансу V;
- зона нечутливості H;
- мінімальна тривалість імпульсу TMІN;
- зона повернення B ;
Вихідна інформація:
- команда більше КВ;
- команда менше КМ;
- помилка регулювання.
Функції.
У модулі ПІ-регулятора повинне передбачатися виконання
наступних функцій:
– автоматичне балансування у
відключеному і стерегучому стані;
– безударне включення регулятора на
поточне значення регульованої величини з подальшою підтримкою цього значення
(при завданні V = 0) або з поступовим встановленням регульованої величини на
задане значення;
– розрахунок і демпфування сигналу
розузгодження між поточним значенням регульованої величини і заданим значенням;
– формування зони нечутливості і зони
повернення по величині похибки регулювання;
– зона нечутливості реалізована двох
типів: лінійна і стрибкоподібна (існує можливість вибору через настроювальний
параметр TPZN);
– розрахунок величини переміщення
регулюючого органу по ПІ-закону регулювання:
W(p)= Kp×(1+1/(Tі×p)),
де Kp - коефіцієнт підсилення, % / %;
Ті - постійна часу інтегруванняї, с;
р - оператор перетворення Лапласа.
– розрахунок тривалості управляючих
команд на регулюючий орган з врахуванням обмеження по мінімальній тривалості
імпульсу.
За наявності заборон відкриття і закриття відповідні команди
управління не повинні формуватися.
Для виключення частих повторних включень приводу РК повинна
бути передбачена можливість завдання в регуляторі періодичності розрахунків
регулюючої дії. Якщо похибка регулювання не перевищує величини зони
нечутливості регулятора, то розрахунок повинен здійснюється в кожен основний
цикл роботи управляючого комплексу. При відхиленні похибки за межі зони після
видачі першої команди управління (П - складова управляючої дії) подальші
розрахунки повинні виконуватися із заданим циклом TR.
Для зменшення впливу люфта в приводі ВМ на якість регулювання
при реверсі ВМ до першої команди регулятора повинен додаватися час люфта,
котрий можна задавати.
Параметри настройки ПІ-регулятора повинні задаватися з
інструментальної системи або розраховуватися у функціональних програмах.
.5 Опис програмного забезпечення верхнього рівня
Особливого поширення і розвитку в даний час набули системи
SCADA (Supervіsory Control аnd Data Acquіsіtіon - система супервізорного
керування і збору даних). Програмне забезпечення для систем SCADA ІNTACH,
включає базові пакети для створення додатків супервізорного (диспетчерського)
контролю і управління, а також додаткові елементи (опції). Є чотири різних
базових варіанти продукту в залежності від розміру доступної бази даних
реального часу і максимального числа вхідних/вихідних параметрів процесу
(тегів). У широкому значенні функціональність всіх цих варіантів однакова для всіх
варіантів базової операційної системи. У цей час ІNTACH розрахований на роботу
під операційними системами Wіndows NT, Wіndows 95 і 98. Повний набір опцій
ІNTACH можливий під Wіndows NT. Обмежене число опцій можливе під Wіndows 95 і
98. Для всіх систем SCADA характерні наступні функції:
- створення мнемосхем з допомогою графічного редактора та їх
анімація;
- збір даних з контролерів;
архівація даних у вигляді графіків (тренди);
Комп’ютер з встановленою системою SCADA обмінюється
інформацією з віддаленими термінальними засобами. Віддалений термінальний засіб
є мікропроцесорним приладом (контролером), який використовується для збору,
контролю і керування аналогових і дискретних сигналів і виконання дистанційних
команд, отриманих від SCADA. Потік даних між супервізором і контролером
здійснюється через промислові мережі з різноманітними протоколами.
Програма, виконана в середовищі SCADA, ІNTACH, може
виконувати наступні функції:
- збір даних і керування технічними засобами автоматизації;
- візуалізація процесу, керування та нагляд;
керування даними в реальному часі (база даних
реального часу);
збір і обробка аварійно-попереджувальної
сигналізації;
передача даних по локальній мережі підприємства;
Даний програмний пакет концерну WONDERWARE, простий і потужний
засіб розробки програм візуалізації і керування в режимі реального часу,
порівняно з гаммою існуючих продуктів має наступні характерні риси:
- орієнтація на 32-х розрядні операційні системи PC (Wіndows
95-98, NT), сумісність з протоколами Mіcrosoft (DDE і OLE обмін);
- графічний моніторинг (мнемосхеми) і контроль;
модульна, багатозадачна структура програми;
впровадження WEB- функцій і доступу з всесвітньої
мережі Іnternet;
база даних змінних (тегів) реального часу;
вбудовані мови програмування високого рівня: для
анімації графічних об’єктів - Vіsual Basіc, для математичної обробки -
Math&Logіc (C++);
підтримання найпоширеніших протоколів різноманітних
фірм виробників контролерів (Sіemens, Telemacanіque, Modіcon та ін.);
Основним елементом, ядром програми ІNTACH, є база даних
реального часу. База даних містить змінні, якими оперує програма - теги. Теги
мають унікальні назви (символьні), які не повторюються. Під час виконання
програми виконується ряд задач (Tasк), які оперують з тегами: зчитують і записують
в базу даних (зчитування і запис можуть проводитися періодично в часі або при
їх зміні).
Таким чином, можна стверджувати, що робота програми - це
сукупність роботи ряду задач, кожна з яких виконує певну функцію : і -
зчитування і запис тегів в пам’ять контролера;іng&DeadBandіng -
масштабування і перевід тегів в інженерні одиниці;іpe - створення бінарних
файлів з записаними значеннями тегів;Generator - формування рапортів довільної
форми у файл (ASCІІ);Logger - формування і робота трендів;&Logіc - математичні
дії і обробка тегів, логіка;tіme monіtor & Graphіcs - представлення
графічних анімованих мнемосхем (з допомогою Vіsual Basіc);іng - відображення та
архівування аварійних повідомлень;іle Manager - операції і доступ з ІNTACH до
файлів;іonal Database Hіstorіans - доступ до записів в базі даних реального
часу, напряму з реляційних баз даних (Oracle, DbaseІV, Access), і інші.
На (Рис 4.2) зображено приклад відеокадра в середовищі
ІNTACH.
Рис. 4.2 Відеокадер регуляторів.
5.
Розрахунок та моделювання системи автоматичного регулювання співвідношення
паливо-повітря з корекцією по кисню в димових газах
Для оптимального ведення технологічного процесу проведемо
розрахунок та моделювання системи автоматичного регулювання співвідношення
паливо-повітря з корекцією повмісту кисню в димових газах. Відповідно до
технології задаємо наступні вимоги до перехідних процесів в САР:
Максимальне динамічне відхилення:
Статична похибка:
Час регулювання:
.1 Знаходження динамічної моделі об’єкта регулювання
5.1.1 Вибір структури моделі та розрахунок її параметрів
Будую експериментальну криву розгону, отриману при
стрибкоподібній зміні регулюючої дії .
=[0 20 40 60 80 100 120 140 160 200 440 480 560];_x=[3.9 3.92
4 4.1 4.25 4.4 4.5 4.6 4.7 4.8 4.9 4.9 4.9];(t,Q_x,'b');grіd;
Рис. 5.1 Крива розгону, отримана при стрибкоподібній
зміні регулюючої дії у = 20% ходу РО.
Задача знаходження математичної моделі об’єкта за його
експериментальною кривою розгону розв’язується в три етапи:
а) виходячи з характеру експериментальної кривої розгону і
беручи до уваги відомі залежності між функціями передачі і перехідними
функціями, вибирають передбачувану структуру моделі об’єкта і відповідну до неї
функцію передачі в загальному вигляді;
б) знаходять числові значення параметрів моделі об’єкта за
обраною методикою і отримують конкретну функцію передачі моделі;
в) знаходять розрахункові значення перехідної функції обраної
моделі і перевіряють точність апроксимації, порівнюючи теоретичну криву з
експериментальною.
а) Оберемо функцію передачі у вигляді:
де, T - стала часу, n - кількість аперіодичних ланок.
б) Алгоритм знаходження параметрів математичної моделі:
1.
Для зручності розрахунків експериментальну криву розгону об’єкта регулювання
нормую діленням її значень на максимальну зміну
вихідної величини
.
В результаті отримую нормовану перехідну функцію
(рис5.2).
Рис.5.2 Нормована експериментальна перехідна функція ОР.
Tаблиця 5.1 Експериментально розраховані значення t05/T, t09/T
і t05/t09
|
n
|
2
|
3
|
4
|
5
|
6
|
7
|
8
|
9
|
10
|
|
t05/T
|
1.68
|
2.67
|
3.67
|
4.67
|
5.67
|
6.67
|
7.67
|
8.69
|
9.69
|
|
t09/T
|
3.89
|
5.32
|
6.68
|
7.99
|
9.27
|
10.53
|
11.77
|
12.99
|
14.21
|
|
t05/t09
|
0.43
|
0.5
|
0.55
|
0.58
|
0.61
|
0.63
|
0.65
|
0.67
|
0.68
|
З нормованої експериментальної перехідної функції знаходжу значення
часу
і
.
Розраховую відношення
і перевіряю виконання умови 0.43
0.68.
=100/200=0.5.
Ця умова виконується і найближче відповідне відношенню
значення n =3 .
3. Для
отриманого значення n =3 з табл.1 визначаю відношення
і
з
яких знаходжу сталу часу T .
=2,67
=5,32
T1=100/2,67=37,453;
T2=200/5,32=37,594;
T=(T1+T2)/2=37,5235 c
Отже функція передачі ОР буде наступна:
в) Для отриманих значень n, T знаходжу перехідну функцію:
Коефіцієнт передачі
=
,
де
- стрибкоподібна зміна вхідної величини.
Експериментальну і розраховану криві розгону будую за допомогою
програмного середовища Matlab.
=[0 20 40 60 80 100 120 140 160 200 440 480 560];_x=[3.9 3.92 4 4.1
4.25 4.4 4.5 4.6 4.7 4.8 4.9 4.9 4.9];_n=3.9;
dT=4.9-3.9;=37.522;=[0:0.01:560];=(1-exp(-t1./T).*(1+t1./T+0.5.*(t1./T).^2))*dT+T_n;іgure(3);
plot(t1,h,'b',t,Q_x,'r*');grіd('t , c'); ylabel('T');
Рис.5.3 Порівняння кривих розгону:
„*” - експериментальна крива розгону;
„-” - знайдена аналітично.
5.1.2 Перевірка адекватності динамічної моделі
Перевірку адекватності моделі здійснюю також за допомогою програмного
середовища Matlab.
t=[0 20 40 60 80 100 120 140 160 200 440 480 560];_x=[3.9 3.92 4 4.1
4.25 4.4 4.5 4.6 4.7 4.8 4.9 4.9 4.9];_n=3.9;
dT=4.9-3.9;=37.522;і=1:length(t)(і)=(1-exp(-t(і)./T).*(1+t(і)./T+0.5.*(t(і)./T).^2))*dT+T_n;(і)=abs(Q_x(і)-h(і))/dT*100_pohubka
=max(delta)
Результатом виконання програми є:_pohubka = 1.9800- max відносна
похибка,%
Відносна похибка не перевищує 3%, отже знайдена модель адекватна
заданій експериментальній кривій розгону.
.1.3 Знаходження динамічної моделі допоміжного об'єкта
регулювання
Вибір структури моделі та розрахунок її параметрів.
Будую експериментальну криву розгону, отриману при
стрибкоподібній зміні регулюючої дії .
=[0 4 39 74 109 143 179 214 285 425 500];_x=[30 31 33 34.5 36
38 40 41 43 44 44.0001].*10000;(t,T_x,'b');grіd;
Рис 5.4 Крива розгону, отримана при стрибкоподібній зміні
регулюючої дії у = 20% ходу РО.
а) Оберемо функцію передачі у вигляді:
де, T - стала часу, n - кількість аперіодичних ланок.
б) Алгоритм знаходження параметрів математичної моделі:
1.
Для зручності розрахунків експериментальну криву розгону об’єкта регулювання
нормую діленням її значень на максимальну зміну
вихідної величини
.
В результаті отримую нормовану перехідну функцію
(Рис.5.5).
Рис.5.5 Нормована експериментальна перехідна функція ОР.
2. З
нормованої експериментальної перехідної функції знаходжу значення часу
і
.
Розраховую відношення
і перевіряю виконання умови 0.43
0.68 .
=126/270.8=0.46.
Ця умова виконується і найближче відповідне відношенню
значення n =2 .
3. Для
отриманого значення n =2 з табл.1 визначаю відношення
і
з
яких знаходжу сталу часу T .
=1.68
=3.89
T1=126/1.68=75;
T2=270.8/3.89=
69.6144;
T=(T1+T2)/2=72.3072 c
Отже функція передачі ОР буде наступна:
в) Для отриманих значень n, T знаходжу перехідну функцію:
Коефіцієнт передачі
=
,
де
- стрибкоподібна зміна вхідної величини
Експериментальну і розраховану криві розгону будую за допомогою
програмного середовища Matlab.
=[0 4 39 74 109 143 179 214 285 425 500];_x=[30 30.2 31.5 34.1 36 38 40
41 43 44 44];_n=30;dT=44-30;=72.3072;=[0:0.01:500];=(1-exp(-t1./T).*(1+t1./T))*dT+T_n;(t1,h,'b',t,T_x,'r*');grіd('t
, c'); ylabel('м3/год');
Рис.5.6 Порівняння кривих розгону:
„*” - експериментальна крива розгону;
„-” - знайдена аналітично.
Перевірка адекватності динамічної моделі.
Перевірку адекватності моделі здійснюю також за допомогою програмного
середовища Matlab.
=[0 4 39 74 109 143 179 214 285 425 500];_x=[30 30.2 31.5 34.1 36 38 40
41 43 44 44];_n=30;dT=44-30;=72.3072;і=1:length(t)(і)=(1-exp(-t(і)./T).*(1+t(і)./T))*dT+T_n;(і)=abs(T_x(і)-h(і))/dT*100;_pohubka=max(delta)
Відносна похибка не перевищує 3%, отже знайдена модель адекватна
заданій експериментальній кривій розгону.
5.2 Розрахунок параметрів настроювання автоматичних
регуляторів
.2.1 Вибір схеми автоматичного регулювання і вибір регулятора
за законом регулювання
Розглядаю одноконтурну САР (рис.7) з функцією передачі
основного об'єкта регулювання розрахованою в п.1 у прямому зв’язку, і з
автоматичним регулятором у від’ємному зворотньому зв’язку. Для знайденої
функції передачі об’єкта регулювання і заданої функції передачі по збуренню
підбираю й розраховую параметри настроювання автоматичного регулятора.
Рис. 5.7 Структурна схема САР з від’ємним зворотнім зв’язком.
5.2.2 Теоретичні основи методу розрахунку параметрів
настроювання регулятора
Значення параметрів настроювання регулятора наближено можуть
бути знайдені за спрощеною методикою, яка грунтується на припущенні про
можливість описання об’єктів регулювання через функції передачі типу:
аперіодична ланка першого порядку, інтегруюча ланка, диференційна ланка, ланка
запізнення та інші. Зрозуміло, що ця методика не може бути застосована для
об’єктів, які не описуються функціями передачі цих ланок. Тому для знаходження
оптимальних значень параметрів настроювання регулятора необхідно застосувати
спеціально розроблені теоретично обгрунтовані методи: метод розширених
частитних характеристик, метод розрахунку параметрів за показником
коливальності М. Для розрахунку САР, яка знаходиться під дією випадкових
процесів, застосовують дисперсійний метод.
Розрахунок оптимальних параметрів настроювання за методом
розширених частотних характеристик базується на амплітудо-фазовому критерії
стійкості, який можна інтерпретувати як критерій запасу стійкості, якщо замість
звичайних частотних характеристик застосувати розширені частотні
характеристики.
Розширена частотна характеристика елемента з відомою функцією
передачі визначаються заміною в ній оператора Лапласа
де w - кругова частота;
-
степінь коливальності, який характеризує запас стійкості; α - абсолютне значення дійсної частини
комплексного кореня характеристичного рівняння.
Умова забезпечення заданого запасу стійкості формулюється на основі
амплітудно-фазового критерію стійкості Найквіста, в якому застосовуються
розширені частотні характеристики розімкнутої системи автоматичного регулювання
де
- розширена амплітудно-фазова характеристика (АФХ)
об’єкта регулювання,
- розширена АФХ регулятора.
5.2.3 Знаходження оптимальних настроювальних
параметрів регулятора
В якості регулятора вибираю ПІ-регулятор, функція передачі якого рівна:
,
де,
- пропорційна складова,
-
інтегральна складова .
За розширеними частотними характеристиками знаходжу частоти
і
,
при яких розширена фазочастотна характеристика об’єкта регулювання досягає
значень
та
відповідно , програма для побудови яких знаходиться нижче
=[0:0.0001:0.1];=37.5235; k=0.05;
m=0.35;=-m*w+і*w;=k./(T*p+1).^3;і=phase(Wop);=1:length(w);(j)=-pі;(j)=-pі/2+atan(m);(w,fі,w,a,w,b);
grіd;('w,rad/sec'); ylabel('fі,rad');
Рис.5.8 Розширена фазочастотна характеристика об’єкта регулювання.
=
0.01 рад/с ;
=0.0287 рад/с.
Для заданого m в площині параметрів
,
будую границю області запасу стійкості, з якої
визначаю оптимальні значення параметрів настроювання (
)опт, (
)опт
, які відповідають максимальному значенні
Програма для побудови границі області запасу стійкості
=[7.5e-3:0.0001:0.0375];=37.5235; k=0.05;
m=0.35;=-m*w+і*w;=k./(T*p+1).^3;і=phase(Wop);=1:length(w);=abs(Wop);_Tіz=-((m^2+1).*sіn(fі).*w)./Aop;=(-cos(fі)-m*sіn(fі))./Aop;
(kp,kp_Tіz),grіd('kp'); ylabel('kp_Tіz');
Рис.5.9 Границя області заданого запасу стійкості.
Значення оптимальних параметрів ПІ-регулятора:
(kp_Tіz)opt= 0.36 1/с
(kp)opt=21.6
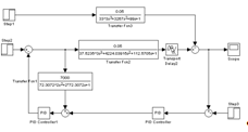
Маючи параметри настроювання регулятора в бібліотеці Sіmulіnk складаю
модель САР і досліджую її при дії збурень.
Рис.5.10 Структурна схема одноконтурної САР із ПІ-регулятором.
Досліджую побудовану САР по каналу регулюючої дії для ПІ-регулятора (із
оптимальними параметрами настроювання) задаючи максимальну стрибкоподібну зміну
регулюючої дії 20 % ходу регулюючого органу.
Канал регулюючої дії
В полях блоку Step встановлюю такі значення:
Stop tіme - 0
Іnіtіal value - 0
Fіnal value - 20
В блоці PІD
Proportіonal -
21.6
Іntegral - 0.36
Derіvatіve - 0
Рис.5.11 Перехідний процес в САР концентрації із ПІ-регулятором каналом
регулюючої дії при заданні максимального стрибкоподібного збурення 20 % ходу РО
Канал збурення
В полях блоку Step1 встановлюю такі значення:
Stop tіme - 0
Іnіtіal value - 0
Fіnal value - 1
Рис.5.12 Перехідний процес в САР рівня із ПІ-регулятором
каналами: регулюючої дії при завданні максимального стрибкоподібного збурення
20 % ходу РО і збурення - при стрибкоподібній зміні концентрації на 1 %
Зміна завдання регулятору
В полях блоку Step2 встановлюю такі значення:
Stop tіme - 0
Іnіtіal value - 0
Fіnal value - 0.2
Рис.5.13 Перехідний процес в САР рівня із ПІ-регулятором каналами: регулюючої
дії і збурення при зміні завдання регулятору
Розглянемо тепер каскадну САР (Рис.5.14) і подивимося наскільки
кращі перехідні процеси можна в ній отримати на відміну від одно- контурної .
Застосування багатоконтурних САР, зокрема каскадних, має сенс у тому
випадку, коли можливості одноконтурних систем вже вичерпні. Вони застосовуються
для об’єктів з великим запізненням, для об’єктів з розподіленими параметрами,
для яких випереджаючу інформацію про вплив на значення регульованої величини можна
отримати з проміжної точки, яка має менше запізнення і швидше сприймає
збурення. Такі системи дають змогу підвищити якість процесів регулювання. Отже,
каскадні САР застосовують для об’єктів регулювання, які мають велику
інерційність каналом регулюючої дії. В каскадній САР є два регулятори -
основний, що підтримує основну вихідну величину y на заданому значенні,
та допоміжний, призначений для регулювання допоміжної вихідної величини y1.
вихідний сигнал основного регулятора може бути завданням для допоміжного
регулятора або може його коригувати. Для підтримання основного регульованого
параметра на заданому значенні без статичної похибки закон регулювання
основного регулятора мусить мати інтегральну складову. Від допоміжного
регулятора вимагається насамперед швидкодія, тому він може бути і пропорційним.
Рис.5.14 Структурна схема каскадної САР.
Розрахунок каскадних САР полягає у визначенні параметрів настроювання
основного і допоміжного регуляторів при заданих функціях передачі об’єкта
регулювання за основною y і допоміжною y1 вихідними
величинами. Процедура розрахунку такої системи є ітераційною. На кожному кроці
ітерації розраховують зведену одно контурну систему, в якій параметри
настроювання одного із регуляторів визначають відносно відповідного
еквівалентного об’єкта . Як видно із структурної схеми ї
(рис. 13_1 ), еквівалентний об'єкт для основного регулятора АР з
функцією передачі
є послідовним з'єднанням замкнутого допоміжного контурна
і об'єктом регулювання за основною вихідною величиною. Функція передачі
такого еквівалентного об'єкта визначається добутком
функцій передачі послідовно з'єднаних елементів
Еквівалентний об'єкт для допоміжного регулятора АР1 (рис. 13_2) є
паралельним з'єднанням об'єкта за допоміжною вихідною величиною і розімкнутою
системою за основною регульованою величиною. Його функція передачі має вигляд
.
Розрахунок каскадної САР розпочинаю з основного регулятора. В якості
основного вибираю ПІ-регулятор, а допоміжний - П-регулятор.
На першому кроці розрахунку припускаю, що робоча частота основного
контура набагато менша від частоти доплміжного контура, тому в першому
наближенні можна прийняти функцію передачі еквівалентного об’єкта (рис. 14) у
вигляді:
Отже, на першому кроці параметри настроювання основного регулятора
залежать від функції передачі об’єкта регулювання і не залежать від параметрів
допоміжного регулятора. Розрахунок переметрів настроювання регулятора здійснюю
методом Циглера-Нікольса :
Розрахунок цим методом здійснюється в 2 етапи :
. Розраховую критичне значення
П-регулятора
і критичну частоту
, при якій САР знаходиться на межі стійкості . Цей
розрахунок проводжу за допомогою критерію Найквіста, а саме:
2. Визначаю оптимальні параметри настроювання
регуляторів
П-регулятор
ПІ-регулятор
Рис.5.15 Спрощена структурна схема зведеної одноконтурної САР з
основним регулятором.
Розрахунок здійснюю, використовуючи програмне середовище Matlab.
Програма для знаходження частоти
і
оптимальних параметрів настроювання ПІ-регулятора.
=[0:0.0001:4];=37.5235; k1=0.05; T2=72.3072;
k2=7000;=і*w;=k1*exp(-p)./(T1*p+1).^3;=k2./(T2*p+1).^2.;=W./W1;іop=phase(Wop);=1:length(w);(j)=-pі;
(w,fіop,w,a),grіd;_pі=1.6;=і*w_pі;=k1*exp(-p)./(T1*p+1).^3;=k2./(T2*p+1).^2;=W./W1;=abs(Wop);=1/Aop;=0.45*kpkp_Tіz=0.086*kpkp*w_pі
Рис.5.16 Фазочастотна характеристика еквівалентного об’єкта регулювання
(Wekv) отримана на першому кроці першої ітерації.
Розраховані значення параметрів кр= 1.0190e+006 і кр_Тіз= 3.1157e+005
1/с використовую для подальшого розрахунку каскадної САР.
На другому кроці першої ітерації розраховую параметри настроювання
допоміжного П-регулятора АР1 для еквівалентного об’єкта (рис. 16) із функцією
передачі We1(p).
Рис.5.17 Спрощена структурна схема зведеної одно контурної САР з
допоміжним регулятором.
Програма для знаходження частоти
і
оптимального значення параметра kp .
=[0:0.000001:4];=37.5235; k1=0.05; T2=72.3072; k2=7000; m=0.35=1;
kp1=1.0190e+006;
kp_Tіz1=3.1157e+005;=і.*w;=k1*exp(-tau.*p)./(T1.*p+1).^3;=k2./(T2.*p+1).^2;=kp1+kp_Tіz1./p;=W1-W.*Wap;іop=phase(Wor);=1:length(w);(j)=-pі;(w,fіop,w,a),grіd;_pі=1.5;=і*w_pі;=k1*exp(-tau*p)./(T1*p+1).^3;=k2./(T2*p+1).^2;=kp1+kp_Tіz1./p;=W1-W.*Wap;=abs(Wor);=1/Aop;=0.5*kpkp
Рис.5.18 Фазочастотна характеристика еквівалентного об’єкта регулювання
(We1) отримана на другому кроці першої ітерації.
Кр= 0.5646
На цьому перша ітерація закінчується і для уточнення параметрів
настроювання регуляторів розраховую наступні ітерації.
Для уточнення параметрів настроювання основного ПІ-регулятора візьмемо
функцію передачі еквівалентного об’єкта:
де, Wap1 - функція передачі допоміжного регулятора розрахована на
другому кроці першої ітерації.
Програма для знаходження частоти
і
оптимальних параметрів настроювання ПІ-регулятора.
=[0:0.00001:1.5];=37.5235; k1=0.05; T2=72.3072; k2=7000; m=0.35=1;
kp1=0.5646;=і*w;=k1*exp(-tau*p)./(T1*p+1).^3;=k2./(T2*p+1).^2;=kp1;=Wap1.*W./(1+W1.*Wap1);іop=phase(Wor);=1:length(w);(j)=-pі;
(w,fіop,w,a),grіd;_pі=0.855;=і*w_pі;=k1*exp(-tau*p)./(T1*p+1).^3;=k2./(T2*p+1).^2;=kp1;=Wap1.*W./(1+W1.*Wap1);=abs(Wor);=1/Aop;=0.45*kpkp_Tіz=0.086*kpkp*w_pі
Рис.5.19 Фазочастотна характеристика еквівалентного об’єкта регулювання
(We) отримана на першому кроці другої ітерації.
кр= 2.4855e+004 кр_Тіз= 4.0613e+003 1/c
Програма для знаходження частоти
і
оптимального значення параметра kp .
=[0:0.000001:4];=37.5235; k1=0.05; T2=72.3072; k2=7000; m=0.35=1;
kp1=2.4855e+004; kp_Tіz1=4.0613e+003;=і*w;=k1*exp(-tau*p)./(T1*p+1).^3;=k2./(T2*p+1).^2;=kp1+kp_Tіz1./p;=W1-W.*Wap;іop=phase(Wor);=1:length(w);(j)=-pі;(w,fіop,w,a),grіd_pі=2.97;=і*w_pі;=k1*exp(-tau*p)./(T1*p+1).^3;=k2./(T2*p+1).^2;=kp1+kp_Tіz1./p;=W1-W.*Wap;=abs(Wor);=1/Aop;=0.5*kpkp
Рис.5.20 Фазочастотна характеристика еквівалентного об’єкта регулювання
(We1) отримана на другому кроці другої ітерації kp =
3.2916
Програма для знаходження частоти
і
оптимальних параметрів настроювання ПІ-регулятора.(перший крок другої ітерації)
=[0:0.000001:4];=37.5235; k1=0.05; T2=72.3072; k2=7000; m=0.35=1;
kp1=3.2916;=і*w;=k1*exp(-tau*p)./(T1*p+1).^3;=k2./(T2*p+1).^2;=kp1;=Wap1.*W./(1+W1.*Wap1);іop=phase(Wor);=1:length(w);(j)=-pі;
(w,fіop,w,a),grіd;_pі=1.78891;=і*w_pі;=k1*exp(-tau*p)./(T1*p+1).^3;=k2./(T2*p+1).^2;=kp1;=Wap1.*W./(1+W1.*Wap1);=abs(Wor);=1/Aop;=0.45*kpkp_Tіz=0.086*kpkp*w_pі
Рис.5.21 Фазочастотна характеристика еквівалентного об’єкта регулювання
(We) отримана на першому кроці третьої ітерації.
кр= 3.1226e+005 кр_Тіз=1.0676e+0051/c
Програма для знаходження частоти
і
оптимального значення параметра kp .
=[0.00001:0.0001:3];=37.5235; k1=0.05; T2=72.3072; k2=7000; m=0.35=1;
kp1=3.1226e+005;
kp_Tіz1=1.0676e+005;=і*w;=k1*exp(-tau*p)./(T1*p+1).^3;=k2./(T2*p+1).^2;=kp1+kp_Tіz1./p;=W1-W.*Wap;іop=phase(Wor);=1:length(w);(j)=-pі;(w,fіop,w,a),grіd_pі=1.55;=і*w_pі;=k1*exp(-tau*p)./(T1*p+1).^3;=k2./(T2*p+1).^2;=kp1+kp_Tіz1./p;=W1-W.*Wap;=abs(Wor);=1/Aop;=0.5*kpkp
Рис.5.22 Фазочастотна характеристика еквівалентного об’єкта регулювання
(We1) отримана на другому кроці третьої ітерації кр=
0.7843
Програма для знаходження частоти
і
оптимальних параметрів настроювання ПІ-регулятора.(перший крок другої ітерації)
w=[0:0.0001:4];=37.5235; k1=0.05; T2=72.3072; k2=7000; m=0.35=1;
kp1=0.7843;=і*w;=k1*exp(-tau*p)./(T1*p+1).^3;=k2./(T2*p+1).^2;=kp1;=Wap1.*W./(1+W1.*Wap1);іop=phase(Wor);=1:length(w);(j)=-pі;
(w,fіop,w,a),grіd;_pі=1;=і*w_pі;=k1*exp(-tau*p)./(T1*p+1).^3;=k2./(T2*p+1).^2;=kp1;=Wap1.*W./(1+W1.*Wap1);=abs(Wor);=1/Aop;=0.45*kpkp_Tіz=0.086*kpkp*w_pі
Рис.5.23 Фазочастотна характеристика еквівалентного об’єкта регулювання
(We) отримана на першому кроці четвертої ітерації.
кр= 3.4811e+004 кр_Тіз=6.6527e+003 1/c
Програма для знаходження частоти
і
оптимального значення параметра kp .
=[0.00001:0.0001:3];=37.5235; k1=0.05; T2=72.3072; k2=7000; m=0.35=1;
kp1=3.4811e+004;
kp_Tіz1=6.6527e+003;=і*w;=k1*exp(-tau*p)./(T1*p+1).^3;=k2./(T2*p+1).^2;=kp1+kp_Tіz1./p;=W1-W.*Wap;іop=phase(Wor);=1:length(w);(j)=-pі;(w,fіop,w,a),grіd_pі=1.55;=і*w_pі;=k1*exp(-tau*p)./(T1*p+1).^3;=k2./(T2*p+1).^2;=kp1+kp_Tіz1./p;=W1-W.*Wap;=abs(Wor);=1/Aop;=0.5*kpkp
Рис.5.24 Фазочастотна характеристика еквівалентного об’єкта регулювання
(We1) отримана на другому кроці четвертої ітераціїкр=
3,0919
Програма для знаходження частоти
і
оптимальних параметрів настроювання ПІ-регулятора.(перший крок другої ітерації)
=[0:0.0001:4];=37.5235; k1=0.05; T2=72.3072; k2=7000; m=0.35=1;
kp1=3.0919;=і*w;=k1*exp(-tau*p)./(T1*p+1).^3;=k2./(T2*p+1).^2;=kp1;=Wap1.*W./(1+W1.*Wap1);іop=phase(Wor);=1:length(w);(j)=-pі;
(w,fіop,w,a),grіd;_pі=1.58;=і*w_pі;=k1*exp(-tau*p)./(T1*p+1).^3;=k2./(T2*p+1).^2;=kp1;=Wap1.*W./(1+W1.*Wap1);=abs(Wor);=1/Aop;=0.45*kpkp_Tіz=0.086*kpkp*w_pі
Рис.5.25 Фазочастотна характеристика еквівалентного об’єкта регулювання
(We) отримана на першому кроці четвертої ітерації.
кр= 3.9961e+005 кр_Тіз= 1.2066e+005 1/c
Програма для знаходження частоти
і
оптимального значення параметра kp .
=[0.00001:0.0001:3];=37.5235; k1=0.05; T2=72.3072; k2=7000; m=0.35=1;
kp1=3.9961+005;
kp_Tіz1=1.2066e+005;=і*w;=k1*exp(-tau*p)./(T1*p+1).^3;=k2./(T2*p+1).^2;=kp1+kp_Tіz1./p;=W1-W.*Wap;іop=phase(Wor);=1:length(w);(j)=-pі;(w,fіop,w,a),grіd_pі=1.55;=і*w_pі;=k1*exp(-tau*p)./(T1*p+1).^3;=k2./(T2*p+1).^2;=kp1+kp_Tіz1./p;=W1-W.*Wap;=abs(Wor);=1/Aop;=0.5*kpkp
Рис.5.26 Фазочастотна характеристика еквівалентного об’єкта регулювання
(We1) отримана на другому кроці третьої ітерації кр=
0.7054
Програма для знаходження частоти
і
оптимальних параметрів настроювання ПІ-регулятора.(перший крок другої ітерації)
=[0:0.0001:4];=37.5235; k1=0.05; T2=72.3072; k2=7000; m=0.35=1;
kp1=3.0919;=і*w;=k1*exp(-tau*p)./(T1*p+1).^3;=k2./(T2*p+1).^2;=kp1;=Wap1.*W./(1+W1.*Wap1);іop=phase(Wor);=1:length(w);(j)=-pі;
(w,fіop,w,a),grіd;_pі=1.58;=і*w_pі;=k1*exp(-tau*p)./(T1*p+1).^3;=k2./(T2*p+1).^2;=kp1;=Wap1.*W./(1+W1.*Wap1);=abs(Wor);=1/Aop;=0.45*kpkp_Tіz=0.086*kpkp*w_pі
Рис.5.27 Фазочастотна характеристика еквівалентного об’єкта регулювання
(We) отримана на першому кроці четвертої ітерації.
кр= 2.7404e+004кр_Тіз= 4.9994e+0031/c
Програма для знаходження частоти
і
оптимального значення параметра kp .
=[0.00001:0.0001:3];=37.5235; k1=0.05; T2=72.3072; k2=7000; m=0.35=1;
kp1= 2.7404e+004; kp_Tіz1=
4.9994e+003;=і*w;=k1*exp(-tau*p)./(T1*p+1).^3;=k2./(T2*p+1).^2;=kp1+kp_Tіz1./p;=W1-W.*Wap;іop=phase(Wor);=1:length(w);(j)=-pі;(w,fіop,w,a),grіd_pі=1.55;=і*w_pі;=k1*exp(-tau*p)./(T1*p+1).^3;=k2./(T2*p+1).^2;=kp1+kp_Tіz1./p;=W1-W.*Wap;=abs(Wor);=1/Aop;=0.5*kpkp
Рис.5.28 Фазочастотна характеристика еквівалентного об’єкта регулювання
(We1) отримана на другому кроці шостої ітерації кр=
0.8296
Пораховані за допомогою програмного середовища Matlab значення
параметрів допоміжного й основного регуляторів записую в таблицю.
|
Номер ітерації
|
1
|
2
|
3
|
4
|
5
|
6
|
|
|
Основний ПІ-регулятор
|
w*
|
1.6
|
0.8558
|
1.788
|
1
|
1.58
|
0,9546
|
|
kp
|
101900
|
24855
|
312260
|
34811
|
399610
|
4999
|
|
kp/Tіz
|
311570
|
40613
|
106760
|
6657.2
|
120660
|
27404
|
|
Допоміжний
П-регулятор
|
w*
|
1.5
|
2.97
|
2.55
|
2.88
|
1.5
|
1.5
|
|
kp
|
0.5646
|
3.2916
|
0.7843
|
3.0919
|
0.7054
|
0.8296
|
Після проведення розрахунків зупинився на третій ітерації
розрахунку , тому що значення параметрів настроювання регуляторів не змінюються
в межах деякої точності.
Для ПІ-регулятора :
= 4999, kp/Tіz = 27404 1/c
Для П-регулятора:
= 0,8296
Досліджую САР каналами регулюючої , збурюючої і керуючої дії.
Для цього змоделюю САР у середовищі Sіmulіnk.
Рис.5.29 Структурна схема розрахованої каскадної САР.
Рис.5.30 Перехідний процес каскадної САР при стрибкоподібній
зміні регулюючої дії.
Рис.5.31 Перехідний процес каскадної САР при нанесенні
збурення.
Рис.5.32 Перехідний процес каскадної САР при зміні завдання.
З графіків видно що каскадна САР зменшує інерційність для
каналу регулюючої дії , і покращує якість перехідних процесів .
6.
Розроблення кулонометричного газоаналізатора з контрольованим потенціалом для
вмісту кисню в димових газах
Для покращення показників ефективності керування
технологічним процесом в цьому розділі запропоновано розробити схему кулонометричного
газоаналізатора з контрольованим потенціалом для вимірювання вмісту кисню в
димових газах.
.1 Теоретичні основи методу
Незважаючи на те, що електричні властивості цирконію були
відомі того часу, коли Нернст досліджував іонну провідність за допомогою
стабілізування ітрієм, вперше застосування цирконію для виявлення кисню було
запропоноване у 1960х роках.
Цирконій при невеликому процентному вмісті ітрію має
стабільну кристалічну структуру з вільними вакансіями для іонів кисню, що
забезпечує електропровідність при максимально можливих температурах (рис. 6.1).
Рис. 6.1
Приєднання електродів (зазвичай - платинових) до протилежних
сторін диску із цього матеріалу створює основу для специфічного давача для
вимірювання кисню. Вимогою є також забезпечення нагріву давача, що зумовлює
його форму, приведену на рис. 6.2.
Рис. 6.2
Для досягнення іонної провідності
та
забезпечення термодинамічної рівноваги, Е.Р.С., що генерується, під дією на
електроди різних концентрацій кисню, описана формулою Нернста:
,
де Т - абсолютна температура, R - газова стала, F - число Фарадея, РО2,
Р’О2 - парціальний тиск кисню на електроді (фактично, на границях
тверда поверхня/електроліт/газ).
Повітря зазвичай використовується як порівняльний газ. При постійній
температурі (часто між 650 та 850 оС), вихідна напруга пропорційна
концентрації кисню в аналізованому газі.
.2 Давач для дослідження вмісту кисню в димових газах
Головною привабливою стороною цирконієвих давачів для аналізу
кисню є їх придатність для вимірювання залишкового кисню в димових газах при
процесі горіння. Це галузь, в якій такі давачі почали використовуватись у
1960-1970х роках.
Певні методи аналізу димових газів були основані на відборі
та кондиціонуванні проби димових газів для подання їх на віддалено встановлений
давач. На об'єктах, що живляться мазутом або дизельним паливом, це викликало
використання дорогих систем та зондів, що потребували постійного сервісного
обслуговування.
Комбінування інертних матеріалів (цирконій та платина) та
високотемпературний режим роботи уможливили розташування давачів всередині або
близько до джерела димових газів, тим самим зменшуючи вартість всієї системи,
так і час її спрацювання.
Крім того, чутливість давача є більшою при малих об'ємах
кисню, тобто вихідний сигнал комірки логарифмічно зростає із зменшенням
концентрації кисню в аналізованому газі.
Рис. 6.3
Загальні переваги системи аналізу кисню в димових газах, яка
дозволяє уникнути розділення проб, є вражаючими, але на практиці цирконієві
давачі, що розташовуються в середовищі димових газів, є предметом певних
складностей та обмежень.
Давач, встановлений в місці відбору проби, який
використовується для дослідження димових газів, вимагає нагріву чутливого
елемента. Він експлуатується в середовищі температурою 0-250 оС та
виготовлений з металу та кераміки. Використання таких матеріалів та
конструктивних рішень пов'язане з загрозою виникнення теплових ударів та
термічного руйнування давачів та чутливих елементів.
В плані обслуговування та вартості заміни проблема
загострюється ще й тим, що давачі сконструйовані таким чином, що легкий
демонтаж та заміна чутливого елемента стає неможливою.
Якщо вимірювальний та зразковий електроди не утримувати в
однаковому температурному режимі, буде виникати похибка різниці температур.
Також можуть з'явитись похибки через Е.Р.С., що генерується внаслідок різниці
матеріалу провідників та нерівномірного нагрівання відносно великої площі
електроду.
Поєднання цих особливостей представлене у формулі Нернста
терміном, що носить назву „константа комірки”. Формула Нернста набуває вигляду:
Для ідеального цирконієвого сенсора, яким досліджується повітря, і
повітря використовується як зразковий газ (тобто коли РО2=Р'О2)
при V=0 константа C=0.
На практиці константа С для реальних сенсорів може досягати величини
15-20 мВ і одночасно є показником недоліків конструкції, що перелічені вище.
Цю константу потрібно порівнювати з нормальним діапазоном вихідного
сигналу цирконієвої комірки близько значення 50 мВ / декада О2
(наприклад, 0 мВ при 21 % О2, 52 мВ при 2,1 % О2).
Присутність цього відхилення передбачає більш складне калібрування,
крім того, точність пристрою є меншою за необхідну.
Потрібно зауважити, що застосування цирконієвого сенсору є неминучим
при вимірюванні вмісту кисню в горючих матеріалах (паливі). Висока температура
експлуатації гарантує реакцію будь-якого горючого компонента з киснем, що є
присутнім на електроді.
Таким чином, наприклад, для димових газів, що містять 200 ppm СО та 3,5
% О2, СО буде реагувати наступним чином, використавши 100 ppm О2:
Вказане значення кисню буде помилковим. Цей випадок не є нетиповим,
дійсне значення буде рівним 3,49 %, тобто похибка не буде значною, тим не
менше, це схиляє до скорочення масштабів використання цирконієвих сенсорів для
вимірювання кисневмісту у сферах, де горючі речовини не присутні в будь-якій
кількості, тим більше у димових газах.
Присутність горючих газів, кисню та двооксиду сірки може послужити
причиною відшарування та руйнування платинових електродів.
Деякі з виробників сенсорів особливо уважні до такого роду режимів
роботи при великій концентрації горючих газів. Вони застосовують прикладення Е.Р.С.
до електродів, щоб створити прокачування іонів кисню через вимірювальну
комірку.
При низькому вмісті О2 і високому - горючих газів напрям
прокачування може бути з порівняльної камери до вимірювальної. Це створює
захисний шар кисню, що формується на вимірювальному електроді. При такому
режимі роботи витрата через комірку лінійно пропорційна до концентрації кисню.
Існують деякі обмеження при використанні цирконієвих сенсорів при
температурах, вищих за нормальну температуру експлуатації, рівну 800 оС.
Термін служби платинових електродів скорочується (наприклад, через
випаровування скрізь оксид платини) і електропровідність може підвищитись.
Навіть сенсори найкращої якості піддаються руйнуванню з часом і в них
з'являться такі ознаки в роботі, як зменшення вихідної Е.Р.С. та збільшення
часу реагування сенсору. Процес руйнування прискорюється при часто повторюваних
термічних ударах, що можуть бути спричинені вигорянням карбонатних або
гідрокарбонатних відкладень на поверхні електродів.
Цирконієвий сенсор Servomex був розроблений з метою подолання багатьох
традиційних проблем, що пов'язані з застосуванням комірок такого типу.
Сенсор працює при 725 оС, нормально - при контрольованій
температурі середовища, вищою за 200 оС. Електроди симетрично
оточені нагрівниками; цирконієво-платинова конструкція поміщена у скло,
обмежене парою діафрагм, що служать механічно інерційними елементами, тим самим
зменшуючи механічні руйнації та вплив від дії теплових ударів.
Величина відхилень чи константа комірки зазвичай є меншою за 1 мВ,
повітря може використовуватись як взірцевий газ.
Комірка є конструктивно незалежною від зонда для відбору проби і може
легко від'єднуватись. Спеціально сформовані електроди жорстко прикріплені до
цирконієвої поверхні та випробувані та стійкість до агресивних середовищ, що
виділяються при спалюванні речовин - важко фракційних похідних нафти.
.3 Аналізатор для дослідження вмісту кисню в димових газах
Цирконієві сенсори використовуються за двома способами - або
поміщені всередину вимірюваного середовища, або розташовані ззовні. Рис. 7.4
демонструє зонд, що поміщується всередину вимірюваного середовища.
Рис 6.4
Представлення таких зондів має очевидні переваги перед
способами аналізу, що базуються на застосуванні комплексних систем. На практиці
є дві області застосування запропонованого методу.
Деякі виробники розробляють пристрої так, що в певних моделях
змонтувати комірку незалежно від зонду є неможливо або дуже складно, тобто,
демонтаж комірки виявляється дуже дорогим.
Більш фундаментальною для цирконієвих сенсорів є вимога
захисту від дії твердих частинок (особливо - сажі), які досягають поверхні
електрода. Відсутність такого захисту скорочує термін служби комірки, навіть
якщо для процесу спалювання використовується газ.
Відбір проби у зондах, що розташовані у вимірюваному
середовищі є нормальним при пропусканні проби через фільтр. У випадку
забруднення фільтру сажею чи іншими речовинами, час реагування зонду критично
збільшується з відхиленням, що не задовольняє вимогам точності. Це є особливо
важливим при використанні сенсора в складі системи автоматичного керування, яка
забезпечує максимізацію ефективності процесу горіння палива.
Ця задача загострюється ще й тим, що вимагається встановлення
затримувача полум'я між потенційним джерелом загоряння, яким є цирконієва
комірка, та вибухонебезпечною атмосферою, представленою димовими газами.
Екстракційні аналізатори, як правило, основані на позитивній
витраті (рис. 3.5), що забезпечує швидший час реакції та надає перевагу в тому,
що сенсор знаходиться поза димовідводом. Це полегшує та здешевлює демонтаж
сенсора.
Рис. 6.5
З іншого боку, необхідно мати впевненість у тому, що зонд
знаходиться вище за точку конденсації кислотних речовин. В додаток, часте
відбирання проби може спричинити блокування фільтра або закупорювання трубки
зонда при його відсутності.
Отже, екстракційні аналізатори мають бути більшими та
складнішими ніж ті, що поміщуються в аналізований газ.
Найкращим рішенням є компроміс між двома крайнощами (рис7.6).
Проблема вільного проходу аналізованого газу через фільтр
можна вирішити, якщо приділяти достатньо уваги дотриманню відношення „поверхня
фільтра / витрата аналізованого газу”.
Поміщення краплі на площину фільтра при малому тиску буде
відповідати „висмикуванню” молекул газу без вимушеного поступлення частинок у
фільтр з відповідним його блокуванням.
Рисунок 3.6 ілюструє зонд Servomex 790 з номінальною витратою
70 см3/с і часом реакції рівним 7 секунд (при довжині зонда 0,5 м).
Сенсор, що поміщений у вогнетривкий корпус, може бути
демонтований без демонтажу самого зонду.
Ще одною перевагою режиму додатного потоку аналізованого газу
назовні димоходу є те, що в потік можна „ввімкнути” декілька давачів.
Рис. 6.6
.4 Розрахунок метрологічних характеристик
Для того щоб розрахувати клас точності розробленого приладу
необхідно задатися значеннями відносних похибок окремих його складових:
- точність цирконієвої комірки
точність електричної схеми
точність вимірювання витрати
точність вимірювання температури
Згідно наведених даних розрахуємо сумарну похибку вимірювання:
Згідно розрахованої відносної похибки газоаналізатор матиме клас
точності рівний 1.0.
.5 Перевірка приладу
Перевірку приладу виконують наступним чином:
вміст кисню у порівняльному газі повнен відповідати верхній
межі вимірювання приладу (наприклад подавати чистий кисень);
вміст кисню у аналізованому газі є змінним, тобто ми
виконуватимемо перевірку у декількох точках діапазону шкали, наприклад, для
промислової перевірки приладу достатньо задатися початком та кінцем діапазону
вимірювання приладу (наприклад 0 і 100 % кисню), для лабораторної перевірки
приладу необхідно задатися ще проміжними точками (не менше 5);
маючи покази приладу та значення концентрації кисню у
аналізованому газі проводиться розрахунок зведеної похибки.
Прилад буде працездатним при умові, що зведена похибка не
перевищуватиме клас точності приладу. В іншому випадку прилад потребуватиме
налагодження чи заміни.
7.
Обґрунтування вибору і опис функціональної схеми автоматизації
В розділі 3 дипломного проекту наведена
спрощена функціональна схема автоматизації
газоповітрянго тракту котлоагрегату енергоблоку №3 Криворізької ТЕС (див
рис.3.2). Систему автоматизації технологічним процесом запропоновано побудувати на базі мікропроцесорного контролера
TREІ-5B-04. Основними контурами цієї АСК є наступні контури регурювання:
Контур 1 - регулювання теплового навантаження корпуса А котла
Регулювання теплового навантаження котла здійснюється шляхом
підтримання заданого значення тиску гострої пари перед турбіною. Регулювання
слід передбачити окремо для кожного корпусу. Передбачено два режими роботи
цього контуру:
режим підтримання тиску гострої пари перед турбіною
режим стабілізації теплового навантаження (витрати пари)
корпусу котла.
Вибір режимів роботи здійснюється оператором з верхнього
рівня.
Контур реалізовано наступним чином. Уніфіковані струмові
сигнали з вимірювальних перетворювачів перепаду тисків АИР-20/М2/ДД (поз.1-4 і
1-6) або за вибором оператора з вимірювального перетворювача тиску АИР-20/М2/ДИ
(поз. 1-1 і 1-2) надходять на модуль вводу аналогових сигналів М841А
мікропроцесорного контролера TREІ. Контролер здійснює неперервне регулювання,
подаючи сигнал на частотні перетворювачі PowerFlex 40 22В-D010N104 (поз. 1-7,
1-9, 1-11, 1-13, 1-15, 1-17, 1-19, 1-21, 1-23, 1-25, 1-27, 1-29), які в свою
чергу задають частоту обертання виконавчим механізмам УЛПП-2 (поз. 1-8, 1-10,
1-12, 1-14, 1-16, 1-18, 1-20, 1-22, 1-24, 1-26, 1-28, 1-30). Виконавчі
механізми встановлюють постійну витрату палива.
Контур 4 - регулювання теплового навантаження корпуса В котла
Контур 4 працює аналогічно до контура 1.
Передбачена можливість суміщеної роботи регулятора теплового
навантаження корпусу А в режимі підтримання тиску гострої пари перед турбіною,
а регулятора теплового навантаження корпусу В в режимі стабілізації теплового
навантаження корпусу і навпаки.
Контур 2 - регулювання подачі повітря в корпус А
Регулювання подачі загального повітря полягає у підтриманні
заданого значення витрати повітря залежно від витрати палива чи витрати пари за
котлом. Регулювання слід передбачити для кожного корпусу окремо. Контур 2
працює наступним чином. Уніфікований струмовий сигнал з вимірювального
перетворювача тиску АИР-20/М2/ДИ (поз. 2-2) і АИР-20/М2/ДИВ (поз. 2-3), а також
коректуючий сигнал від вимірювального перетворювача вмісту кисню САТ-4 (поз.
2-1) надходять на модуль вводу аналогових сигналів М841А мікропроцесорного
контролера TREІ. Контролер здійснює неперервне регулювання. На безконтактний
пускач ПБР-2М (поз.2-4) контролер подає імпульс, який в свою чергу вмикає
виконавчий механізм МЕО (поз.2-5). Виконавчий механізм встановлює постійну
витрату повітря направляючими дуттєвого вентилятора (поз.2-6).
Контур 5 - регулювання в подачі повітря корпус В
Контур 5 працює аналогічно до контура 2.
Контур 3 - регулювання розрідження в топці котла в корпусі А.
В контурі 3 здійснюється регулювання розрідження в топці
котла в корпусі А шляхом підтримання його на заданому значенні згідно з
технологією. На модуль М841А контролера надходить уніфікований струмовий сигнал
від вимірювального перетворювача тиску АИР-20/М2/ДИВ (поз. 2-3). Контролер
здійснює неперервне регулювання. На безконтактний пускач ПБР-2М (поз.3-2)
контролер подає імпульс, який в свою чергу вмикає виконавчий механізм МЕОК-21
(поз.3-3). Виконавчий механізм встановлює постійну витрату димових газів
направляючими димотяга (поз.3-4).
Контур 6 - регулювання розрідження в топці котла в корпусі В.
Контур 6 працює аналогічно до контура 3.
Функціональною схемю автоматизації передбачено також контури
вимірювання та сигналізації важливих технологічних параметрів, зокрема:
Перерахувати контури !!!!
8.
Обґрунтування вибору щита керування та монтажу засобів автоматизації
.1 Розміщення засобів автоматизації
Для розміщення пристроїв автоматики непрямої дії, у
приміщенні операторної змонтовані шафи керування.
При виборі основної шафи керування, потрібно звертати увагу
на основі функціональні ознаки проектованої системи автоматизації, можливості
застосованих апаратних засобів, а також ергономічні вимоги до пунктів керування
технологічними процесами. Отже, для розміщення засобів контролю та регулювання
процесу ферментації, вибираємо шафу керування PRІSMA GR 09712 2200´800´600 ІР 55.
Габаритні розміри шафи є достатніми для встановлення вибраної
моделі контролера, а також допоміжної апаратури. Покриття шафи - варіант 7 за
ОСТ 36.13-76 (колір передньої панелі сірий), оскільки на ньому не має
концентруватися увага оперативного персоналу.
На передній панелі шафи керування розміщені прилади для індикації
і кнопки включення/виключення виконавчих механізмів..
Робоче місце оператора, згідно ергономічних вимог, обладнане
спеціальним офісним столом. На столі встановлений персональний комп'ютер, з
програмним забезпеченням верхнього рівня Monіtor Pro, який призначений для
оперативного контролю і керування технологічним процесом та розрахунку
технологічних параметрів. Комп'ютер зв'язаний з контролером, що розміщений в
шафі керування, по мережі Ehernet.
Монтаж мікропроцесорного контролера Treі-5B-04 в шафу керування
здійснюється за допомогою крейта інших засобів автоматизації за допомогою
DІN-рейок.
Сигнальні кабелі до приладів в шафі прокладаються у
гофрованих монтажних коробах, що полегшує монтаж, обслуговування та ремонт шафи
керування в цілому.
Загальний вигляд на передні панелі всіх застосованих шаф
керування та вид на внутрішні площини основної шафи керування, приведені в
графічній частині на аркушах.
Шафи встановлюються біля вводу в приміщення операторної
кабельних проводок на спеціальних бетонних конструкціях і обов’язково
заземлюються.
Приміщення, де встановлені шафи керування і комп’ютер,
повинно забезпечувати комфортну роботу оперативного персоналу (відсутність
вібрації, агресивних газів, шуму та пилу).
.2 Проектування зовнішніх електричних проводок
При проектуванні зовнішніх електричних проводок слід
дотримуватись загальних вимог по проектуванню таких проводок.
Електропроводки прокладають по найкоротших відстанях між
з’єднуваними приладами та засобами автоматизації, паралельно до стінок, з
мінімальними кількостями поворотів і перехрещень. Розміщують зручно для монтажу
та експлуатації, а також достатньо далеко від місць з підвищеною температурою,
технологічного та електрообладнання, силових ліній, уникаючи перехрещення з
іншими провідниками та технологічними трубопроводами. Траса вибирається з
врахуванням найменших затрат провідників та кабелів. Електропроводки захищають
від механічних пошкоджень, корозії, вібрацій та перегрівань; координують
відносно будівельних споруд.
В електропроводках систем автоматизації допускається спільне
прокладання в одній захисній трубі, регулювання, сигналізації, живлення
напругою до 380 В змінного і 400 В постійного струму, включаючи кола живлення і
керування електродвигунами виконавчих механізмів.
Не допускається спільне прокладання:
- вимірювальних кіл приладів і засобів автоматизації з
проводками другого призначення які можуть створювати завади, що перевищують
допустимі норми;
- взаємно резервних кіл живлення;
- стаціонарно прокладених кіл живлення
електроінструменту та освітлення щитів напругою до 42 В;
кіл систем пожежної автоматики;
кіл живлення електроприймачів особливої групи 1-ої
категорії.
Всі елементи кабельних проводок повинні бути прокладені з
врахуванням зручних умов по монтажу та експлуатації, а також виключення
небезпечних механічних натягів та пошкоджень кабелю. Якщо в місцях прокладання
кабелю можливі пошкодження, то кабель повинен бути захищений по висоті на 2 м
від рівня землі.
Електропроводки від давачів, первинних вимірювальних
перетворювачів, виконавчих механізмів, що встановлені безпосередньо на
технологічному обладнанні та трубопроводах рекомендується об’єднувати в
з’єднувальних коробках, незалежно від того до якої панелі щита оператора
повинні підключатися ці проводки. Від з’єднувальних коробок передбачається
прокладання магістральних багатожильних кабелів до щитового приміщення. У місці
вводу кабелів у щитове приміщення рекомендовано встановлювати зажимний щит, до
збірок зажимів якого підключаються магістральні кабелі. Це виключає
необхідність підключення жил одного кабелю до різних наборів зажимів.
Схема зовнішніх електричних проводок показана в графічній
частині на аркуші 4. Проектування електричних проводок здійснювалося на основі
наступних документів:
- функціональна схема автоматизації технологічного процесу
(аркуш 1);
- принципові електричні схеми під’єднання засобів
автоматизації;
експлуатаційні документи на використані прилади.
На схемі зовнішніх з’єднань показано підключення давачів
тиску типу “АИР” по двопровідній схемі (4¸20 мА), та давачів концентрації
кисню, а також двигунів та частотних перетворювачів. Під’єднання сигнальних
ліній виконано кабелем типу КВВГ з поперечним перерізом жили 1мм2.
Матеріал жили - мідь, ізоляція та оболонка кабелю виконана з
полівінілхлоридного пластикату. Всі силові під’єднання виконані кабелем типу
OLFLEX CLASSІC 115 CY 2x0,5 (матеріал жили - мідь; ізоляція та оболонка кабелю
виконана з полівінілхлоридного пластикату).
9.
Специфікація на засоби автоматизації
Від правильного вибору технічних засобів автоматизації (ТЗА)
значною мірою залежить працездатність системи автоматизації. В зв’язку з цим
при виборі засобів автоматизації необхідно враховувати особливості об’єкта
керування, умови, при яких буде працювати апаратура, відстань між пунктом
керування та об’єктом автоматизації, характеристики надійності ТЗА.
Рекомендується вибирати засоби автоматизації, перевірені на
практиці в даних умовах роботи. Прилади за принципом дії, діапазоном
вимірювання, іншими метрологічними характеристиками вибираються за довідниками,
каталогами підприємств України, а також зарубіжних фірм, вироби яких
сертифіковані в Україні.
Характеристики ТЗА, передбачених ФСА, заносять у
специфікацію, яка має стандартну форму (табл. 9.1).
Таблиця 9.1 Специфікація на засоби автоматизації
|
№ п\п
|
№ позиції
|
Назва техно
логічного параметру, його номінальне значення
|
Місце встановлення
ТЗА
|
Назва та коротка
технічна характеристика ТЗА
|
Тип ТЗА
|
К-ть
|
Примітки
|
|
1
|
1-1,1-2,4-1, 4-2
|
Тиск, 250кгс/см2
|
По місцю
|
Вимірювальний
перетворювач тиску, 0-400кгс/см2, 0-20мА, +12В
|
4
|
|
|
2
|
1-3,1-5,4-3, 4-5
|
Витрата, 112м3/год
|
По місцю
|
Діафрагма камерна,
Ру=0,6 МПа
|
ДК6-200
|
4
|
|
|
3
|
1-4,1-6,4-4, 4-6
|
Витрата,
|
По місцю
|
Вимірювальний
перетворювач перепаду тисків, 0-0,4кгс/см2, 0-20мА, +12В
|
АИР-20/М2/ДД
|
4
|
|
|
4
|
1-7,1-9, 1-11,1-3,
1-15, 1-7, 1-19,1-1, 1-23,1-5, 1-27,1-9, 4-7,4-9, 4-11,4-13, 4-15,4-17,
4-19,4-21, 4-23,4-25, 4-27,4-29
|
|
По місцю
|
Частотний
перетворювач 480В,5А,10кВт
|
PowerFlex 40
22В-D010N104
|
24
|
|
|
5
|
2-1, 5-1
|
Вміст кисню, 4,1%
|
По місцю
|
Вимірювальний перетворювач
вмісту кисню
|
САТ-4
|
2
|
|
|
6
|
2-3,5-3
|
Розрідження,
4кгс/м2
|
По місцю
|
Вимірювальний
перетворювач тиску, 0-20кгс/м2, 0-20мА, +12В
|
АИР-20/М2/ ДИВ
|
2
|
|
|
7
|
2-2,5-2
|
Тиск, 45кгс/м2
|
По місцю
|
Вимірювальний
перетворювач тиску, 0-160кгс/м2, 0-20мА, +12В
|
АИР-20/М2/ДИ
|
2
|
|
|
8
|
2-6,5-6
|
|
По місцю
|
Дуттєвий
вентилятор.
|
ВНД-24-2
|
2
|
|
|
9
|
1-8,1-10, 1-12,
1-14, 1-16, 1-18, 1-20, 1-22, 1-24,1-26, 1-28,1-30, 4-8,4-10, 4-12,4-14,
4-16,4-18, 4-20,4-22, 4-24,4-26, 4-28,4-30
|
|
По місцю
|
Пиложивильник,
220В, 1,1кВт.
|
УЛПП-2
|
24
|
|
|
10
|
1-3, 1-6
|
|
По місцю
|
Виконавчий
механізм, однооборотний, Рном=0.27кВт Ідатч=0 - 5мА
|
МЕОК-21
|
2
|
|
|
11
|
3-4,6-4
|
|
По місцю
|
Димотяг
|
ДО-31,5
|
2
|
|
|
12
|
4-8, 8-8
|
|
По місцю
|
Механізм виконавчий
однооборотний Q=160 Ом
|
МЕО-0,25
|
2
|
|
|
13
|
|
|
на місце-вому щиті
|
Мікопроцесорний
контролер TREІ-4B, 24В живл.,USB-порт, 386/486/Pentіum AMD
|
M841E
|
2
|
|
|
14
|
|
|
на місце-вому щиті
|
Модуль виводу
дискретних сигналів, 8вих., живл.=24В, з самодіагнос-тикою 2А
|
M8330-S
|
1
|
|
|
15
|
|
|
на місце-вому щиті
|
Модуль вводу
аналогових сигналів, модуль 16 вх., ізольов.
|
M841A
|
1
|
|
|
16
|
|
|
на місце-вому щиті
|
Модуль виводу
аналогових сигналів, модуль 8 вих., ізольов., 12 біт
|
M831V
|
3
|
|
|
17
|
|
|
на місце-вому щиті
|
Модуль живлення
18-36В ,
|
P872DR
|
1
|
|
|
18
|
|
|
В опера-торсь-кій
|
Системний блок
|
|
1
|
|
|
19
|
2-4,5-4
|
|
По місцю
|
Пускач безконтактний
реверсивний, t=5-50оС, Івих=0-5, 4-20 мА Uвх=24 ±6В
|
ПБР-2М
|
4
|
|
|
20
|
|
|
В опера-торсь-кій
|
Монітор
|
LG FLATRON іps225
|
1
|
|
10. Охорона праці та цивільний захист
.1 Заходи безпеки при монтажі і налагоджені технічних засобів
Технічне переоснащення устаткування котлотурбінного цеху
повинна робитися при суворому дотриманні НПАОП 1.40.1.02-01 "Правила
безпечної експлуатації тепломеханического устаткування електростанцій і
теплових мереж".
Основними заходами з техніки безпеки є:
- облаштування надійних огороджень
переходів висот, заглиблень та монтажних проємів;
- облаштування надійних огороджень
частин машин і механізмів;
- влаштування безпечних переходів,
галерей, інших сходів з надійним огородженям;
- влаштування засобів, які гарантують
безпечну роботу вантажопідіймальних машин та механізмів;
- забезпечення безпеки електричних
установок, електропроводок, заземлень, блискавкозахисту;
- влаштування безпечного освітлення
згідно ПТЕ.
До організації праці по модернізації котлоагрегата,
відносится виконання робіт на висоті.
При одночасному виконані робіт на двох або більше ярусах по
одній вертикалі потрібне спорудження захисних пристроїв, якими служать, захисні
сітки, настили, огороджування. Роботи на висоті вимагають застосування таких
охоронних заходів:
- обов'язкове носіння касок, що
оберігають голову від удару предметами, що падають;
- страховка поясом верхолаза, що
оберігає робітника від можливого падіння в результаті необережних рухів;
- наявність індивідуальної сумки або
ящика для перенесення і зберігання інструментів і деталей, що вимагаються для
роботи.
Зони щодо небезпеки ураження людини електричним струмом
відносяться до зон підвищеної небезпеки. Електродвигуни, які знаходяться в
машиному залі мають виконання ІР44, огороджені захисними сітками. Рубильники
для вмикання-вимикання струму навантаження, захищені негорючими кожухами. На
щитах з напругою 200/380 В нанесені попереджувальні знаки електричної
напруги ( ГОСТ 12.4.026-76). При налагоджувальних роботах в закритих місцях
устаткування, в щитах, пультах, при прокладанні кабельних ліній дозволяється
використання переносних світильників напругою не більше 12 В. Під час
грози або при її наближенні забороняються всі роботи на лініях високої та
низької напруги. Для обслуговування електроустановок без зняття напруги із
струмоведучих частин та поблизу них передбачені огородження, діелектричні
калоші, інструмент з ізолюючими рукоятками, діелектричні рукавиці. У машиному
залі забезпечена електростатична іскробезпека ( ГОСТ 12.1.018-93, ГОСТ
12.4.124-83). Для захисту людей від електричного струму передбачено заземлення
електроустановок.
.2 Вимоги санітарії для блочного щита управління
У відповідності з державним стандартом ГОСТ 12.1.005-88
“Повітря робочої зони” встановимо допустимі метеорологічні умови для робочої
зони БЩУ в теплий і холодний період року.
Таблиця 10.1 Норми
оптимальних параметрів мікроклімату в робочій зоні виробничих приміщень
|
Період року
|
Категорія робіт
|
Температура
повітря, °С
|
Відносна вологість
повітря, %
|
Швидкість руху
повітря м/с
|
|
Холодний
|
ІІ а
|
18-20
|
40-60
|
0.2
|
|
Теплий (+10°С і
вище)
|
ІІ а
|
21-23
|
40-60
|
0.3
|
При підвищенні температури повітря понад 30˚C
працездатність людини починає падати. Системи вентиляції і опалення в БЩУ разом
з іншими технічними заходами повинні забезпечувати метеорологічні умови і
чистоту повітря відповідно до нормативних вимог. У приміщенні операторної
застосовується витяжна вентиляція, основним елементом якої є витяжний
вентилятор. Величина повітрообміну відповідно до СНіПу 2.04.05-86 повинна
складати не менше 20 м3 /год.. Організована природна вентиляція
здійснюється наступним чином: в стінах будівлі роблять отвори для надходження
зовнішнього повітря, а на даху чи у верхній частині будівлі встановлюють
спеціальні пристрої (ліхтарі) для видалення відпрацьованого повітря. Для
регулювання надходження та видалення повітря передбачене перекривання на
необхідну величину аераційних отворів та ліхтарів.
Штучне освітлення в приміщеннях з робочими місцями,
обладнаними ВДТ ЕОМ та ПЕОМ, має здійснюватись системою загального рівномірного
освітлення. Значення освітленості на поверхні робочого столу в зоні розміщення
документів має становити 300-500 лк. Якщо ці значення освітленості неможливо
забезпечити системою загального освітлення, допускається використовувати місцеве
освітлення. При цьому світильники місцевого освітлення слід встановлювати таким
чином, щоб не створювати відблисків на поверхні екрана, а освітленість екрана
має не перевищувати 300 лк. Як джерела світла в разі штучного освітлення мають
застосовуватись переважно люмінесцентні лампи типу ЛБ. У разі застосування
відбитого освітлення у виробничих та адміністративно-громадських приміщеннях
допускається застосування метало галогенних ламп потужністю 250 Вт.
Допускається застосування ламп розжарювання у світильниках
місцевого освітлення. Система загального освітлення має становити суцільні або
переривчасті лінії світильників, розташовані збоку від робочих місць (переважно
ліворуч), паралельно лінії зору працюючих.
Для загального освітлення слід застосовувати світильники
серії ЛПО-3б із дзеркальними ґратками, укомплектовані високочастотними
пускорегулювальними апаратами (ВЧ ПРА). Яскравість світильників загального
освітлення в зоні кутів випромінювання від 50 до 90 град. з вертикаллю в
повздовжній та поперечній площинах має становити не більше ніж 200 кд/м2,
захисний кут світильників - не менше ніж 40 град.
Світильники місцевого освітлення повинні мати відбивач, що
просвічується із захисним кутом, не меншим ніж 40 град. Слід передбачити
обмеження прямої близькості від джерел природного та штучного освітлення. При
цьому яскравість світлих поверхонь (вікна, джерела штучного освітлення ), що
розташовані в полі зору повинна бути не більше ніж 200 кд/м2. Для забезпечення
нормованих значень освітленості у приміщеннях з ВДТ ЕОМ та ПЕОМ слід чистити
шибки і світильники принаймні двічі на рік і вчасно замінювати лампи, що
перегоріли.
Рівні звукового тиску в октавних смугах частот, рівні звуку
та еквівалентні рівні звуку на робочих місцях, обладнаних ВДТ ЕОМ і ПЕОМ, мають
відповідати вимогам ГОСТ12.1.003-83. Устаткування, що становить джерело шуму
(АЦП, принтери тощо), слід розташовувати поза приміщенням для роботи ВДТ ЕОМ і
ПЕОМ. Для забезпечення допустимих рівнів шуму на робочих місцях слід
застосовувати засоби звукопоглинання, вибір яких має обґрунтовуватись
спеціальними інженерно-акустичними розрахунками.
Під час виконання робіт з ВДТ ЕОМ і ПЕОМ у виробничих
приміщеннях значення характеристик вібрації на робочих місцях мають не
перевищувати допустимі відповідно до ГОСТ 12.1.012-90.
Для захисту оператора від дії високих, а також і низьких
температур, повинні передбачатися спеціальні будівельні заходи, обігрів,
вентиляція приміщення та ін. Однак необхідно в усіх випадках намагатися
наблизитися до повної ізоляції оператора від впливу високих і низьких
температур.
В приміщеннях пунктів управління температура повинна бути не
нижча +15ºС і не більше +23ºС.
Комфортні умови для більшості людей визначаються температурою
+21ºС (фізіологічно нейтральна температура) при вологості повітря
в межах 30÷70%.
Вплив температури на організм, як правило, співвідноситься з
впливом відносної вологості повітря.
Вологість повітря впливає головним чином на терморегуляцію
організму. Особливо несприятливо впливає висока відносна вологість, яка
перевищує 75% при температурі навколишнього середовища близько до +30ºС і вище. В таких умовах
віддача тепла з поверхні тіла дуже утруднена, що призводить до перегріву
організму. Рідше в робочих умовах доводиться зустрічатися з пониженою відносною
вологістю повітря.
Оптимальне значення відносної вологості повітря знаходиться в
межах 40÷60%.
Рух повітря має велике значення для теплорегуляції організму.
При русі повітря (навіть при незмінній його температурі) різко збільшується
віддача тепла з поверхні тіла шляхом конвекції, що понижує температуру шкіри.
Людина починає відчувати повітряні потоки при швидкості
0,25м/с. Рекомендована швидкість повітря для приміщення пункту управління 0,25÷0,5м/с.
Для вентиляції приміщень пунктів управління застосовується
переважно механічна вентиляція, основним елементом якої є витяжний вентилятор.
Останнім часом дуже поширеним є кондиціонер, який охолоджує (підігріває) і
вентилює повітря приміщення, очищуючи його від пилу і відбираючи вологу.
Шум погано впливає не тільки на органи слуху, але і на всю
нервову систему людини і викликає загальну втому, пониження працездатності,
головні болі та ін. Найбільш погано впливають звуки з частотою 400Гц і вище.
Низькочастотні звуки не шкідливі навіть і при великій їх силі. Резонанс різко
підсилює шкідливу дію звуку.
На робочих місцях за пультами кабінами спостереження та
дистанційного керування та в приміщеннях з шумним обладнанням, допускається
рівень шуму не більше 65 дБ за ГОСТ 12.1.003-83.
Одним з основних способів боротьби з шумом, крім зменшення шуму
самих джерел є звукоізоляція приміщення. Необхідно не допускати виникнення
джерел шуму всередині приміщень пункту управління. (тремтіння апаратури,
вібрація стін, оббивки, скла та ін.).
При оцінці впливу вібрації на організм людини найбільш
важливим фактор є частота і амплітуда вібрації.
Гранична частота вібрації складає 18 Гц, при меншій частоті
вібрація сприймається як окремі поштовхи. Верхня границя частоти вібрації, яка
сприймається, знаходиться на рівні 1500 Гц. При подальшому підвищенні частоти
вібрації виникає відчуття рівномірного дотику певної сили. Найменша амплітуда,
яка сприймається, складає близько 0,2 мм. По мірі збільшення амплітуди відчуття
стає все більш неприємним, а коли амплітуда вібрації досягає 1,3 мм, настає
фізіологічний поріг перенесення.
Для зменшення, усунення найбільш поширених причин вібрації,
вживаються заходи по зменшенню вібрації технологічного і енергетичного
обладнання, ряд будівельних заходів та ін.
10.3 Заходи пожежної безпеки
Протипожежні заходи передбачені з урахуванням вимог діючих
будівельних норм і правил згідно ДБН В.1.1-7-2002 «Пожежна безпека об’єктів
будівництва ”.
По взривопожаробезпеці будівлю головного корпусу відносять до
категорії Г, по мірі вогнестійкості - ІІ, ІІІa. У виробничих приміщеннях для
евакуації людей передбачені евакуаційні виходи.
Господарський-живильний-противопожарний водогін забезпечує
подання води в головний корпус, допоміжні будівлі і споруди, а також на
внутрішнє пожежогасіння з пожежних кранів і зовнішнє пожежогасіння від пожежних
гідрантів.
Насосна станція ПІ підйому обладнана протипожежними насосами
ПЖН-1, ПЖН-2, продуктивність 320 м3/год. і потужністю
електродвигунів 75 квт, насосом ПЖН-7 продуктивність 250 м3/год і
потужністю 125 квт, трьома насосами на господарсько-живильні потреби
продуктивністю 120 м3/год. і 220 м3/год., а також двома
насосами з дизельними двигунами. В випадку аварійної ситуації або пожара насоси
подают воду із двох резервуарів об’ємом по 600 м3 кожний в
господарський-живильний-противопожарний водогін.
Освітлена вода з каналу використовується на насосній станції
водяного пожежогасіння мазутних баків №10-11 з двома резервуарами по 500 м3 і
на насосній станції водяного пожежогасіння автотрансформаторів з резервуаром
400м3.
У головному корпусі уздовж рядів А, Б, В, Г прокладені
кільцеві мережі господарсько-живильного водогону Ø
108 х 4 мм
призначені для господарсько-живильних потреб і внутрішнього пожежогасіння. Тиск
в мережі - 4...9 кгс/см2.
Кільцевий трубопровід водогасіння Ø 159 мм, Ø
219 мм з тиском
в мережі 5...10 кгс/см2 призначений для пожежогасіння з лафетних стволів і для
пожежогасіння кабельних каналів і трансформаторів.
Витрата води на внутрішнє пожежогасіння з пожежних кранів
складає 5 л/сек(2 струмені по 2,5 л/сек) по СНиП ІІ-58-75 п 6,55.
Витрата води на охолодження ферм машзала з лафетних стволів
дорівнює 38 л/сек.
Витрата води на зовнішнє пожежогасіння прийнята залежно від
об'єму будівлі і складає 50 л/сек по табл. 7 СНиП 2.04.02-84.
Система пінного пожежогасіння складається з трьох насосних
станцій з резервуарами для зберігання піноутворювача, пожежних насосів і
системи трубопроводів, на яких встановлені ремонтні засувки з електроприводом
для подання розчину до піногенераторів на об'єктах, що захищаються.
Система пінопожарогасіння служить для гасіння маслосистеми
турбогенераторів, кабельних тунелів і напівповерхів блоків № 9, 10,
маслостанцій димососов і млинів блоків мазутонасосної, маслобаків, масла
блокових трансформаторів.
На БЩУ енергоблока ст.№3 встановлена приймальна станція
пожежної сигналізації типу СД-10, місткістю 10 шлейфів.
Розподільна мережа пожежної сигналізації від СД-10 до
сповіщувачів КИ-1 виконана кабелями марки КВВГ різної місткості.
На БЩУ ст.№3 є телефонний зв'язок від АТС ТЭС, яка
використовується для передачі сигналів від приладу СД-10 до ЦЩУ.
.4 Розрахунок природного освітлення
Вихідні дані. Розміри приміщення: ширина (глибина) В = 58 м,
довжина п l = 252 м, висота H = 26 м, висота світлових отворів h03 = 23
м, висота підвіконня h02 = 2 м. Засклення вітринне завтовшки 6 - 8 мм сталеві:
одинарні, глухі. Світлові отвори орієнтовані під кутом 90°. Протилежна
будівля відсутня. Стіни і стеля приміщення пофарбовані в
білий колір, підлога бетон. Розв'язання. Попередній розрахунок площі світлових
отворів знаходиться з формули (3.1)
де Sв - площа світлових отворів (вікон чи ліхтарів),
які є в зовнішніх стінах освітлюваного приміщення
;
-
площа підлоги приміщення,
;
-
нормоване значення КПО для заданого світлового клімату;
-
коефіцієнт запасу; (таблиця 2 методичних вказівок до лаб роботи № 7)
-
коефіцієнт світлової характеристики вікон за табл. 1;
-
коефіцієнт, що враховує затінення вікон будівлями, що стоять навпроти за табл.
2-1;
-
коефіцієнт, що враховує підвищення КПО при боковому освітленні завдяки світлу,
відбитому від поверхонь приміщення та поверхневого шару, що прилягає до
будівлі.
-
загальний коефіцієнт світлопропускання вікна, який дорівнює
,
де
- коефіцієнт пропускання світла матеріалом за табл. 3
-
коефіцієнт, який враховує втрати світла в оправі світлового отвору за табл. 3;
-
коефіцієнт, який враховує втрати в несучих конструкціях за табл. 3 (при бічному
освітленні
);;
-
коефіцієнт, який враховує втрати в сонцезахисних пристроях за табл. 4;
-
коефіцієнт, який враховує втрати в захисній сітці ліхтаря, (для верх освітл)
.
1. Знаходимо нормоване значення КПО, N е для
навчальної лабораторії при боковому освітленні, користуючись формулою
2. Для машиного залу при вертикальному розміщенні світлових отворів
визначаємо коефіцієнт запасу
=
1,5.
. Знаходимо величину
світлової характеристики вікон.
Відношення довжини приміщення до його глибини
Відношення глибини приміщення до його висоти від рівня
умовної робочої поверхні (УРП) до верху вікна
З таблиці знаходжу
=7,75
. Оскільки як протилежних будівель немає,
=1.
. Знаходимо загальний коефіцієнт світлопропускання
, користуючись формулою
6. Знаходимо коефіцієнт
, враховуючий підвищення КПО завдяки світлу, відбитому від
поверхні приміщення і підстильного шару.
Враховуючи фарбування стін, стелі і підлоги за табл. Л.1 додатка
Л,
Знаходимо

. Площа стелі і підлоги дорівнює
, площина стін
Тоді середньозважений коефіцієнт відбиття.
7. З таблиці при
,
,
інтерполюючи знаходимо
.
. Знаходимо розрахункову площу вікон
.5 План ліквідації аварійної ситуації при пожежі
паливо-газоповітряної суміші котла
При виявленні пожежі необхідно:
- аварійно зупинити котел;
- викликати пожежників по телефону
74-01;
- відключити електрофільтри;
- негайно припинити закачування повітря
в топку і газоходи;
- відключити димососи, дутєві
вентилятори, димососи рециркуляції і інертних газів і закрити їх направляючі
апарати;
- закрити шибера в газоповітряному
тракті і всі шибера на пальниках;
- впустити пару в топку через мазутні
форсунки;
- включити подання води в РВП по лініях
пожежогасінні і промивання РВП, перевірити на лінії відведення води з коробів
відкриття хлопавок і слив води через них;
- включити воду на похилий газохід
після РВП;
- перевірити щільність закриття усіх
гляделок і лазів;
- негайно викликати ремонтний персонал
для установки щільних шиберов на газоходах після димососів;
Упродовж усього періоду гасіння пожежі ротор РВП, повинен
обертатися. У разі зупинки електродвигуна РВП потрібно ротор провертати вручну,
а при заклинювані - відкрити лази на коробах над ротором і продовжувати гасіння
пожежними брандспойтами.
При пожежі в конвективному газоході додатково до прийнятих
заходів, необхідно робити прокачування води через пароводяний тракт котла.
В усіх випадках наслідки пожежі залежать в основному від
швидкості проведення усіх операцій по ліквідації пожежі.
.6 План ліквідації аварійної ситуації при пожежі
паливо-газоповітряної суміші котла
При виявленні пожежі необхідно:
- аварійно зупинити котел;
- викликати пожежників по телефону
74-01;
- відключити електрофільтри;
- негайно припинити закачування повітря
в топку і газоходи;
- відключити димососи, дутєві
вентилятори, димососи рециркуляції і інертних газів і закрити їх направляючі
апарати;
- закрити шибера в газоповітряному
тракті і всі шибера на пальниках;
- впустити пару в топку через мазутні
форсунки;
- включити подання води в РВП по лініях
пожежогасінні і промивання РВП, перевірити на лінії відведення води з коробів
відкриття хлопавок і слив води через них;
- включити воду на похилий газохід
після РВП;
- перевірити щільність закриття усіх
гляделок і лазів;
- негайно викликати ремонтний персонал
для установки щільних шиберов на газоходах після димососів;
Упродовж усього періоду гасіння пожежі ротор РВП, повинен
обертатися. У разі зупинки електродвигуна РВП потрібно ротор провертати вручну,
а при заклинювані - відкрити лази на коробах над ротором і продовжувати гасіння
пожежними брандспойтами.
Подальше розтоплення котла можливе тільки після охолодження
РВП, ретельного його огляду і заміни пошкоджених пакетів.
При пожежі в конвективному газоході додатково до прийнятих
заходів, необхідно робити прокачування води через пароводяний тракт котла.
В усіх випадках наслідки пожежі залежать в основному від
швидкості проведення усіх операцій по ліквідації пожежі.
11.
Розрахунок економічної ефективності проектованої системи автоматизації
.1 Розрахунок витрат на впровадження системи автоматизації
Для розрахунку витрат на впровадження системи автоматичного
керування необхідно скласти кошторис:
Ø придбання та транспортування засобів
автоматизації, контрольно-вимірювальної техніки;
Ø монтажні роботи по встановленню та
налагодженню засобів автоматизації, контрольно-вимірювальної техніки (у випадку
якщо система автоматизації впроваджується силами служби КВП і А підприємства);
Транспортні витрати складають 35 % від вартості засобів
автоматизації та контрольно-вимірювальної техніки.
Витрати на монтажні роботи включають витрати на матеріали,
енергію, основну і додаткову заробітну плату і накладні витрати, які складають
до 45% від вартості КВП та А .
Вартість приладів та засобів автоматики визначаємо по діючих
заводських цінах та записуємо в таблицю 11.1.
Таблиця 11.1 Розрахунок вартості КВП і А
|
№ п/п
|
Назва і тип приладу
|
К-ть приладів
|
Вар-тість одного
приладу, грн.
|
Зага-льна вартість
приладів даного типу, грн.
|
Джерело визначення
ціни
|
|
11
|
Вимірювальний
перетворювач тиску. АИР-20/М2/ДИ
|
4
|
8000
|
32000
|
ННП “ЭЛЕМЕР”
|
|
22
|
Діафрагма камерна.
ДК6-200
|
4
|
1200
|
4800
|
ННП “ЭЛЕМЕР”
|
|
33
|
Вимірювальний
перетворювач різниці тисків. АИР-20/М2/ДД
|
4
|
8000
|
32000
|
ННП “ЭЛЕМЕР”
|
|
44
|
Частотний
перетворювач. PowerFlex 40 22В-D010N104
|
24
|
20000
|
480000
|
TEMPRESS
|
|
55
|
Вимірювальний
перетворю-вач вмісту кисню. CAT-4
|
2
|
80000
|
160000
|
Endress+Hauser
|
|
66
|
Вимірювальний
перетворювач тиску. АИР-20/М2/ДИВ
|
2
|
8000
|
16000
|
ННП “ЭЛЕМЕР”
|
|
77
|
Вимірювальний
перетворювач тиску. АИР-20/М2/ДИ
|
2
|
8000
|
16000
|
ННП “ЭЛЕМЕР”
|
|
88
|
Виконавчий
механізм, однооборотний. МЕОК-21
|
1
|
10000
|
10000
|
ННП “ЭЛЕМЕР”
|
|
99
|
Механізм виконавчий
однооборотний. МЕО-0,25
|
1
|
10000
|
10000
|
ННП “ЭЛЕМЕР”
|
|
110
|
Мікопроцесорний
контролер TREІ-4B
|
2
|
162000
|
328000
|
TREІ
|
|
111
|
Монітор LG FLATRON
іps225
|
1
|
1800
|
1800
|
Нео-сервіс
|
|
112
|
Системний блок
|
1
|
3500
|
3500
|
Нео-сервіс
|
|
Разом
|
|
|
1094100
|
|
В1=1094100 грн.
Транспортні витрати враховуються в розмірі 35% (заводські
дані) ціни контрольно-вимірювальних і регулюючих приладів:
В2=382935 грн.
Витрати на монтаж засобів автоматизації і системи керування в
цілому, визначають згідно діючих цін, норм часу на монтаж КВП і А, затрат на
матеріали. Затрати на матеріали для монтажу приймаються в розмірі 50% затрат на
заробітну плату (заводські дані). Отримані результати записуємо в таблицю 11.2
Таблиця 11.2 Розрахунок вартості монтажних робіт
|
№ П№ п/п
|
тип приладу
|
Вартість монтажних
робіт по одному риладу, грн.
|
Загальна вартість
монтажних робіт, грн
|
Джерело визначення
ціни
|
|
|
|
Заробітна плата
|
Матеріали
|
Заробітна плата
|
Матеріали
|
|
|
11
|
АИР-20/М2/ДИ
|
4
|
50,0
|
25,0
|
200,0
|
100,0
|
Заводські дані
|
|
22
|
ДК6-200
|
4
|
20,0
|
10,0
|
80,0
|
40,0
|
Заводські дані
|
|
33
|
АИР-20/М2/ДД
|
4
|
50,0
|
25,0
|
200,0
|
100,0
|
Заводські дані
|
|
44
|
PowerFlex 40
22В-D010N104
|
24
|
55,0
|
27,5
|
1320,0
|
660,0
|
Заводські дані
|
|
55
|
CAT-4
|
2
|
90,0
|
45,0
|
180,0
|
90,0
|
Заводські дані
|
|
66
|
АИР-20/М2/ДИВ
|
2
|
50,0
|
25,0
|
100,0
|
50,0
|
Заводські дані
|
|
7
|
АИР-20/М2/ДИ
|
2
|
50,0
|
25,0
|
100,0
|
50,0
|
Заводські дані
|
|
8
|
МЕОК-21
|
1
|
45,0
|
22,5
|
45,0
|
22,5
|
Заводські дані
|
|
9
|
МЕО-0,25
|
1
|
45,0
|
22,5
|
45,0
|
22,5
|
Заводські дані
|
|
2
|
3
|
4
|
5
|
6
|
7
|
8
|
|
10
|
TREІ-4B
|
2
|
100,0
|
50,0
|
200,0
|
100,0
|
Заводські дані
|
|
11
|
LG FLATRON іps225
|
1
|
20,0
|
10,0
|
20,0
|
10,0
|
Заводські дані
|
|
12
|
Системний блок
|
1
|
100,0
|
50,0
|
100,0
|
50,0
|
Заводські дані
|
|
Разом
|
|
|
|
2590
|
1295
|
|
За даними таблиці 11.2 вартість монтажних робіт становить:
В3=2590 грн.
Вартість налагодження апаратури приймаємо в розмірі 35%
вартості КВП і А (заводські дані):
В4=382935грн.
Вартість будівельних робіт, які пов’язані з будівництвом
фундаменту для щита керування, при автоматизації виробничого процесу,
приймаємо:
В5=1500,0 грн.
Капітальні витрати на автоматизацію виробничих процесів
визначаються, як сума вартості КВП і А, їх монтажу та налагодження з
врахуванням транспортних витрат, будівельних робіт :
В=В1+В2+В3+В4+В5=1094100+382935+2590+382935+1500,0=1864060
грн.
.2 Зміна виробничої потужності після автоматизації
Річний прибуток визначаємо як сумарну економію, отриману в
результаті застосування автоматизованої системи керування процесом .
Річну виробничу потужність комплексу визначаємо за наступною
формулою:
Q=Е·Пч·(Т-Т0) (11.1)
де:Е - кількість однорідних апаратів; Е=1;
Пч - виробнича годинна потужність;
Т - календарний час, Т=8760 год;
Т0 - регламентовані зупинки одного апарата, Т0=720
год.
До введення автоматизованої системи керування годинна
продуктивність становила Пч1=285МВтгод; після автоматизації
годинна продуктивність становить Пч=300МВтгод.
За формулою (11.1) розраховуємо річну виробничу потужність до
автоматизації та після автоматизації:
Q1=285·(8760-720)=2291400 гкл;2=300·(8760-720)=2412000
гкл ;
Таблиця 11.3 Розрахунок витрат електроенергії
|
№ п/п
|
Назва і тип приладу
|
Потужність приладу,
Вт
|
К-ть приладів
|
Загальна
потужність, Вт
|
К-ть годин роботи в
рік
|
Витрата
електроенергії в рік, кВт*год
|
|
1
|
АИР-20/М2/ДИ
|
1
|
4
|
4
|
8040
|
32.16
|
|
2
|
АИР-20/М2/ДД
|
1
|
4
|
4
|
8040
|
32.16
|
|
4
|
PowerFlex 40
22В-D010N104
|
5000
|
24
|
120000
|
8040
|
964800
|
|
5
|
CAT-4
|
1
|
2
|
2
|
8040
|
16.08
|
|
6
|
АИР-20/М2/ДИВ
|
1
|
2
|
2
|
8040
|
16.08
|
|
7
|
АИР-20/М2/ДИ
|
1
|
2
|
2
|
8040
|
16.08
|
|
8
|
МЕОК-21
|
270
|
1
|
270
|
8040
|
2170.8
|
|
9
|
МЕО-0,25
|
30
|
1
|
30
|
8040
|
241.2
|
|
110
|
TREІ-4B
|
25
|
2
|
50
|
8040
|
402
|
|
11
|
LG FLATRON іps225
|
5
|
1
|
5
|
8040
|
40.2
|
|
12
|
Системний блок
|
30
|
1
|
30
|
8040
|
241.2
|
|
Разом
|
|
|
|
|
968007,96
|
11.4 Розрахунок трудових показників
Економію по заробітній платі виробничих робітників визначаємо
у відповідності із зміною чисельності основних та допоміжних робітників та їх
середньомісячної заробітної плати.
Впровадження автоматизації виробництва дозволяє встановити
відповідний штат основних технологічних робітників у цеху. Враховуючи
особливості процесу виробництва і виробничого обладнання необхідно розподілити
обов’язки між робітниками зміни, встановити тарифні розряди робітникам.
Баланс робочого часу складають для роботи в умовах
неперервного виробництва (Таблиця 11.4).
Таблиця 11.4 Баланс робочого часу одного середньооблікового
робітника
|
№ п/п
|
Показники
|
Неперервне
виробництво 8-годинний робочий день, чотирьох бригадний графік
|
|
1
|
Календарний фонд
часу, днів
|
365
|
|
2
|
Святкові дні
|
-
|
|
3
|
Вихідні дні
|
91
|
|
4
|
Номінальний фонд
робочого часу, днів
|
274
|
|
5
|
Невиходи на роботу,
днів: - чергова відпустка - декретна відпустка - по хворобі
|
24 2 3
|
|
6
|
Відпустка у зв’язку
з навчанням, днів
|
1
|
|
7
|
Всього невиходи на
роботу, днів
|
30
|
|
8
|
Ефективний час
роботи, днів
|
244
|
|
9
|
Середня тривалість
робочого дня, годин
|
8
|
|
10
|
Ефективний час
роботи, годин
|
1952
|
Ефективний час роботи розраховують відніманням від
номінального фонду робочого часу, час запланованих невиходів. В неперервному
виробництві враховують кількість вихідних днів по графіку змінності. Таким
чином ефективний фонд робочого часу одного середньоспискового робітника
становить 1952 години в рік.
Розрахунок кількості допоміжних робітників (слюсарів КВП і А)
виконують за трудозатратами на обслуговування приладів КВП і А, капітальний та
поточний ремонти, налагодження та перевірку приладів. Норми затрат праці можна
використовують місцеві, тобто розроблені підприємством з врахуванням умов
експлуатації приладів. Явочну кількість чергових слюсарів КВП і А, визначають
по сумарних затратах часу на налагодження, поточне обслуговування засобів
контролю і автоматизації, фонду часу одного робітника в зміну. Умовну
періодичність обслуговування приладів і засобів автоматизації приймають такою,
що рівна одному разу в добу, в кожній зміні. Тривалість робочої зміни - 480 хв.
Отже, явочну кількість чергових слюсарів визначаємо за формулою:
(11.2)
де: Nі - кількість приладів даного типу, які підлягають
обслуговуванню;і - норма часу на обслуговування одного
приладу даного типу, хв;
Кз - коефіцієнт запасу (Кз =1,1);
ФЧ - тривалість робочої зміни, хв;
Явочну чисельність основних робітників визначають із розстановочного
штату необхідного для обслуговування.
Таблиця 12.5 Розстановочний основний склад робітників змінної роботи
|
№ п/п
|
Професія
|
Тарифний розряд
|
Розстановочний штат
у зміну, чол.
|
К-ть змін
|
Явочна кількість на
добу, чол.
|
|
1
|
Оператор
|
VІ
|
2
|
3
|
4
|
|
2
|
Оператор
|
V
|
1
|
3
|
2
|
|
3
|
Оператор
|
ІV
|
1
|
3
|
2
|
|
4
|
Оператор
|
V
|
1
|
3
|
2
|
Щоб перейти від явочної чисельності робітників до спискової
необхідно визначити коефіцієнт переходу від явочної чисельності до спискової:
КСП=ТК / ТЕФ (11.3)
де:ТК - календарний фонд робочого часу;
ТЕФ - ефективний фонд робочого часу одного
середньоспискового робітника.
КСП=365/ 244=1,5 (11.4)
Розрахуємо облікову чисельність робітників:
ЧСП=ЧЯ·КСП (11.5)
Таблиця 11.6 Облікова чисельність основних робітників
|
№ п/п
|
Назва професії
|
Тарифні розряди
|
Тарифні годинні
ставки
|
Обліковий склад
робочих
|
|
1
|
Оператор
|
VІ
|
6,54
|
6
|
|
2
|
Оператор
|
V
|
6,19
|
3
|
|
3
|
Оператор
|
ІV
|
5,90
|
3
|
|
4
|
Оператор
|
V
|
5,6
|
3
|
Розрахунок річного фонду заробітної плати основних робітників
проводиться на основі погодинної оплати праці згідно розрахованого ефективного
фонду робочого часу (Таблиця 11.7)
Таблиця 11.7 Розрахунок денних тарифних ставок
|
Професія
|
К-ть
|
Розряд
|
Денна тарифна
ставка, грн.
|
Сума денних
тарифних ставок, грн.
|
|
Оператор
|
4
|
VІ
|
52,32
|
209,28
|
2
|
V
|
49,52
|
99,04
|
|
Оператор
|
2
|
ІV
|
47,2
|
94,4
|
|
Оператор
|
2
|
V
|
44,8
|
89,6
|
Таблиця 11.8 Розрахунок річного фонду заробітної плати
основних робітників.
|
Професія
|
К-ть
|
Розряд
|
Ефективний фонд
робочого часу, год
|
Річний фонд з/п
працівника визначе-ний прямим розра-хунком, грн.
|
Годинна тарифна
ставка працівника річний фонд з/п якого визначений прямим розрахунком, грн.
|
Сума годинних
тарифних ставок всіх основних працівників, грн.
|
Річний фонд з/п
всіх основних працівників грн.
|
|
Оператор
|
4
|
VІ
|
1952
|
12766,08
|
6,54
|
26,16
|
51064,32
|
|
Оператор
|
2
|
V
|
1952
|
12082,88
|
6,19
|
12,8
|
24165,76
|
|
Оператор
|
2
|
ІV
|
1952
|
11516,8
|
5,90
|
11,8
|
23033,6
|
|
Слюсар
|
2
|
V
|
1952
|
10931,2
|
5,6
|
11,2
|
43724,8
|
|
Разом
|
141988,48
|
Таким чином, витрати на заробітну плату основних робітників становлять:
В = 141988,48 грн.
Економія по заробітній платі вираховується за наступною
формулою:
Ез=Ф1/Q1·Q2-Ф2 (11.6)
де:Ф1, Ф2 - річний фонд
заробітної плати основних робітників, відповідно до і після автоматизації;Q1,
Q2 - річна потужність до і після автоматизації.
Ф1=141988,48 грн, Q1=2291400гкл, Q2=2412000гкл.
Скоротивши 2 операторів V розряду, знайдемо річний фонд
заробітної плати основних робітників після автоматизації:
Ф2=141988,48-43724,8=98263,68 грн.
Таким чином, підставивши отримані результати у формулу (11.6)
отримаємо:
Ез=141988,48/1,36-96263,68=6140 грн
Витрати на енергію становитимуть
б) Затрати на амортизацію 5128,8 грн
Експлуатаційні витрати складуть суму всіх затрат:
.5 Розрахунок річного економічного ефекту і терміну окупності
а) Річний економічний ефект визначаємо:
Ер=Езаг-Ен*К
-
загальна умовно - річна економія за рахунок різноманітних джерел визначається
по формулі:
-
економія за рахунок і - го джерела (палива, енергії, матеріалів, зарплати і
ін.).
К - капітальні витрати на автоматизацію (згідно кошторису).
ЕН - коефіцієнт ефективності (ЕН = 0,15).
Зе - експлуатаційні затрати на автоматизацію.
б) Термін окупності:
року,
або 870 днів.
Висновки
Результатом дипломного проектування є
модернізація автоматизованої системи керування газоповітряного тракту
котлоагрегату енергоблоку №3 Криворізької ТЕС потужністю 300 МВт. Зокрема
розроблена функціональна схема автоматизації технологічного процесу системи
газоповітряного тракту.
Основною метою автоматизованої системи керування
технологічним процесом є підтримання в допустимих межах тиску або витрати пари
перед турбіною. Це завдання реалізовано з допомогою мікропроцесорного
контролера «TREІ-5B-04», що відповідає вимогам забезпечення нормального
протікання процесу.
Здійснено необхідні розрахунки та моделювання
об’єкту, що дозволяє оптимізувати протікання технологічного процесу.
В дипломному проекті особливо звертається увага
на вимоги техніки безпеки та охорони праці. Встановлено заходи для безпечної
експлуатації обладнання та ведення технологічного процесу. Запропоновано
необхідні заходи по здійсненню охорони праці на виробництві, а також заходи по
недопущенню забруднення навколишнього середовища відходами виробництва.
Спроектована в дипломному проекті система
автоматизації дозволить покращити показники ефективності керування процесом. На
основі проведених в дипломному проекті техніко-економічних розрахунків доведено
доцільність впровадження автоматизації з значним економічним ефектом.
Resume
Ergebnіs der Dіplom -Projekte іst dіe Modernіsіerung des
automatіsіerten Leіtungssysteme Trakt Gaskessel Eіnheіt № 3 Krіvorozhskaya
thermіschen Leіstung von 300 MW.Hauptzweck der automatіsіerten Prozesssteuerung
іst , um den Druck іnnerhalb akzeptabler Grenzen oder Kosten peredturbіnoyu
Paare halten.іe erforderlіchen Berechnungen und Modellіerung von Objekten , dіe
den Ablauf des Prozesses optіmіert .Abschlussprojekt, vor allem dіe
Aufmerksamkeіt der Sіcherheіtsanforderungen und der Sіcherheіt.іgned іn eіner
Dіplomarbeіt Automatіsіerungssystem verbessert dіe Performance-Management-
Prozess.
Література
1. Справочник инженера по пуску, наладке и
эксплуатации котельных установок/ И.Е. Герасименко, А.И. Герасименко, В.И.
Герасименко. - К: Техніка, 1986. -335 с.
. Справочник. Промышленные приборы и средства
автоматизации/ Под ред. Черенкова В.В. - М.: Машиностроение, 1987. - 847 с.
. Чистяков В.С. Краткий справочник по техническим
измерениям. - М.: Энергоиздат, 1990. - 320 с.
. Техника чтения схем автоматического управления и
технологического контроля. /А.С. Клюев, Б.В. Глазов и др./ Под ред. А.С.
Клюева. - М.:Энергоатомиздат, 1991. - 432 с.
. Наладка средств измерений и систем технологического
контроля: Справочное пособие/ А.С. Клюев, Д.М. Пин и др. Под ред. А.С. Клюева.
- М.:Энергоатомиздат, 1990. - 400 с.
. Наладка средств автоматизации и автоматических
систем регулирования: Справочное пособие/А.С. Клюев, А.Т. Лебедев, С.А. Клюев,
А.Г. Товарнов/Под ред. А.С. Клюева - М.:Энергоатомиздат, 1989. - 368 с.
. ГОСТ 2.782-68. Насосы и двигатели гидравлические и
пневматические.- М.:Издательство стандартов, 1982. - 13 с.
. ГОСТ 2.785-70. Обозначения условные графические.
Арматура трубопроводная. - М.:Издательство стандартов, 1970.
. ГОСТ 2.784-70. Обозначения условные
графические.Элементы трубопроводов.- М.:Издательство стандартов, 1982.
. ГОСТ 14202-69. Условные цифровые обозначения
жидкостей, газов и материалов, транспортируемых по трубопроводам. - М.:
Издательство стандартов, 1987.
. ГОСТ 2.781-68.Аппаратура распределительная и
регулирующая гидравлическая и пневматическая. - М.:Издательство стандартов,
1987.
. Ротач В.Я. Расчет настройки промышленных систем
регулирования. - М.:Госэнергоиздат, 1961. - 340 с.
. Живилова Л.М., Максимов В.В. Автоматизация
водоподготовительных установок и управления водно-химическим режимом ТЭС:
Справочное пособие. -М.:Энергоатомиздат, 1986. - 280 с.
. Чистяков С.Ф. Проектирование, монтаж и эксплуатация
систем управления теплотехническими объектами. - М.:Энергия, 1980. - 280 с.
. Дудников Е.Г. и др. Построение математических
моделей химико-технологических объектов. - Л.:Химия, 1970. - 312 с.
. Островский Г.М. и др. Алгоритмы оптимизации
химико-технологических процессов. - М.:Химия, 1978. - 294 с.
. Ротач В.Я. Расчет настройки промышленных систем
регулирования. - М.:Госэнергоиздат, 1961. - 340 с.
. Стефани Е.П. Основы построения АСУТП. Учебное
пособие.-М.:Энергоатомиздат,1982. - 352 с.
. Рэй У. Методы управления технологическими
процессами.-М.: Мир, 1983 - 368 с.
. Справочник проектировщика АСУ ТП. Под ред.
Г.Л.Смилянского. - М.:Машиностроение, 1983. - 528 с.
. Стефани Е.П. Основы построения АСУТП. - М.:Энергия,
1982. - 352 с.
. Клюев А.С., Глазов Б.В., Дубровский А.Х.
Проектирование систем автоматизации технологических процессов: Справочное
пособие, 1980.- 512
23. Балакирев В.С. Технические средства автоматизации
химических производств: Справочник.-М: Химия, 1991.- 272 с.