Задачи по схемотехнике
Задачи по схемотехнике
Перевести
следующие числа из десятичной системы счисления в двоичную и из двоичной в
шестнадцатеричную: 127,184,356,200,427.
127=128-1
= 1111111;
0111|1111=
7FH;
184=128+32+16+8=10111000;
1011|1000=B8H;
356=256+64+32+4=101100100;
1|0110|0100=164H;
200=128+64+8=11001000;
1100|1000=C8H;
427=256+128+32+8+2+1=110101011;
1|1010|1011=1ABH;
1.2.
Перевести следующие числа из шестнадцатеричной системы в двоичную и из двоичной
в десятичную, а также непосредственно из шестнадцатеричной в десятеричную:
BD5H; 8E1H; CABH; 91DH; AF1H;
BD5H=1011|1101|0101=1+4+16+64+128+256+512+2048=3029;
162*11+162*13+160+5=3029;
8E1H=1000|1110|0001=1+32+64+128+2048=2273;
8E1H=8*162+4*161+1*160=2273;
CABH=110010101011=1+2+8+32+128+1024+2048=3243;
CABH=12*162+10*161+11=3243;
91DH=100100011101=1+4+8+16+256+2048=2333;
91DH=9*162+1*16+13=2333;
AF1H=101011110001=1+16+32+64+128+512+2048=2801;
AF1H=162*10+16*15+1=2801;
1.4.
На вход узла равнозначности подается серия импульсов, приведенная на рис.1.2.
Построить временную диаграмму выходного сигнала без учета задержек и фронтов,
создаваемых логическими элементами устройства.
1.6.
Синтезировать шифратор на пять входов
а)
на элементах ИЛИ-НЕ;
б)
на элементах И-НЕ;

a




b

c




d


e
















a





b



c




d


e
1.8.
Синтезировать полный сумматор на элементах И-ИЛИ-НЕ.
&
1.11.
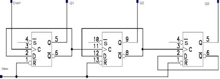
На рисунке приведена схема суммирующего 3 – разрядного счетчика на D – триггерах 155ТМ2:
Рис.
3 – разрядного двоичного счетчика на D –
триггерах.
а)
пояснить принцип работы счетчика;
б)
составить таблицу переключений счетчика. Определить коэффициент пересчета
(модуль счета) k;
в)
построить временные диаграммы сигналов на выходах Q1,Q2, и Q3;
г)
определить максимальную задержку, создаваемую счетчиком. Задержка создаваемая
одним триггером, tзтр=55нс;
а)
Принцип работы счетчика: асинхронные входы установлены в положение синхронной
загрузки с входов D,C. На
входе D установлено значение инвертированного
выхода Q, поэтому при появлении на тактовом входе
С положительного перепада в триггер записывается значение входа D, а на выходе устанавливается инвертированное значение
входа. В случае счетчика типа делителя на два на выходе устанавливается сигнал того
– же уровня после подачи на вход С двух импульсов. Для переключения следующего
счетчика из одного уровня в тот же самый необходимо подать четыре импульса и т.
д., счет составляет 2 n где n – количество триггеров, в данном случае 23=8 импульсам на
входе. У данного счетчика есть одна особенность, при включении выходы Q кроме первого принимают значения 1, поэтому после
включения счетчик необходимо обнулить, подав на вход R импульс.
б)
|
Счет
|
Выход
|
|
1
|
2
|
3
|
С
|
|
0
|
Н
|
В
|
В
|
|
|
1
|
В
|
Н
|
В
|
|
|
2
|
Н
|
Н
|
В
|
|
|
3
|
В
|
В
|
Н
|
|
|
4
|
Н
|
В
|
Н
|
|
|
5
|
В
|
Н
|
Н
|
|
|
6
|
Н
|
Н
|
Н
|
|
|
7
|
В
|
В
|
В
|
|
Таблица составлена после обнуления всех триггеров.
Коэффициент
пересчета или модуль счета k= 23.
в)
Временные диаграммы составлены для не инвертированных выходов Q1, Q2, Q3 после обнуления счетчика.






































С









Q1




Q2


Q3
г)
максимальное время задержки создаваемое счетчиком происходит при переключении
третьего триггера, поэтому максимальное время задержки счетчика есть сумма
времени задержки на каждом триггере с момента поступления положительного
перепада на вход С, tмзc=tтр1+tтр2+tтр3; tмзс=3*tтр;
tмзс=3*55; tмзс=165нс.
1.13.
Суммирующий счетчик находится в нулевом состоянии. В каком состоянии он будет
находиться после подачи 64 и 67 входных импульсов?
Так
как счетчик считает до 23 , при 64 импульсах мы будем иметь состояния входов в
состоянии Q1= H, Q2= H, Q3= H, так как 64 кратно 23 .
При
67 импульсах состояния входов будет Q1= B, Q2= B, Q3= H, так как 67- 64=3, третий импульс соответствует счету 2.
2.2.
Разработать схему не инвертирующего усилителя сумматора на 3 входа со
следующими коэффициентами суммирования по каждому из входов: 2; 5; 7.
Рассчитать значение Uвых при Uвх1=1 В, Uвх2=0.2 В, Uвх3=0.05 В. Сопротивление обратной связи Rос=10 кОм.
Uвых=U1+U2+...Un;
R’o.c=10 KOm;
Ro.c/R1=R’o.c/R’1+R’o.c/R’2+...+R’o.c/R’n;
Uвых=2U1+5U2+7U3;
R’1=R’o.c/2=5 KOm;
R’2=R’o.c/5=2 KOm;
Ro.c/R1=10KOm/5KOm+10KOm/2KOm+10KOm/1.42KOm;
R1=10KOm/2+5+7=10KOm/14=714 Om;
Uвых=2*1+5*0.2+7*0.05=3.35B;
2.3.
Разработать схему трехвходового суммирующего интегратора со следующими
постоянными интегрирования: t=7 мс.
Рассчитать и начертить значение Uвых при
постоянных значениях Uвх1=0.1 В, Uвх2=0.2 В, Uвх3=0.05 В на
участке изменения выходного напряжения от 0 до напряжения насыщения Uнас=10 В. Конденсатор в цепи отрицательной обратной связи
Сос= 100нФ.
Uвых=-1/R1*C1ò(U1+U2+...+Un)d;
если
R1=R2=...Rn;
ic=iR1+iR2+...+iRn так что,
-C(dUвых/dt)=(U1/R1)+(U2/R2)+...+(Un/Rn);
При R1=R2=...=Rn имеем dUвых=-(U1+U2+...+Un)/C1R1.
Проинтегрировав
это равенство
Uвых=-1/RC
(U1+U2+...+Un)dt;
t=R*C;
7*10-3=R*100*10-9;
R1=7*10-3/100*10-9;
R1=70 kOм;
так
как t для всех входов равно одному времени
интегрирования следует, что R1=R2=R3.
max Uвых =10 B – напряжению
насыщения ;
min Uвых = 0B ;
10B=(-1/(70*103Om*100*10-9F))*0.35B*t;
10/(-1/70000*100*10-9)*0.35=0.2c;
2.4.
Докажите, что дифференциальный усилитель может выполнять математическую
операцию вычитания двух чисел.
Uвых=U3(R’oc/R’1)+U4(R’oc/R’2)-U1(Roc/R1)-U2(Roc/R2);
если
Roc/R1+Roc/R2=R’oc/R’1+R’oc/R’2;
2.7.
Начертить гистерезисную схему сравнения двух напряжений. Объяснить принцип ее
работы.
В
качестве гистерезисной схемы сравнения примем триггер Шмитта с двумя
источниками питания, уровни включения и выключения и выключения которого не
совпадают, как у обычного компаратора, а различаются на величину, называемую
гистерезисом переключения DUe. Когда Uвх<Uвто, то Uвых велико, напряжение верхней точки опрокидывания
получается с помощью деления на сопротивлениях напряжения выхода Uвых. Когда Uвх>Uвто, то выходное напряжение становится отрицательным и
стремится к –Uнас, т.е. к максимальному отрицательному
выходному напряжению компаратора. Отрицательное выходное напряжение вызывает
падение напряжения на не инвертирующем входе до напряжения нижней точки опрокидывания.
Компаратор не изменит своего состояния, пока Uвх>Uнто.
2.8.
Начертить временные диаграммы выходных напряжений Uвых одно-пороговой и гистерезисной схем сравнения для заданных
входных напряжений Uвх1, Uвх2.
3.1.
Начертить структурную схему АЦП «напряжение – код» параллельного типа.
Объяснить принцип его работы.
АЦП параллельного типа состоит из резисторного делителя на резисторах, линейки
компараторов и преобразователя кода. На вход Uвх поступает оцифровываемый аналоговый сигнал, а на вход Uоп подается опорное напряжение, которое через резисторный
делитель распределяется на входы компараторов. Так как Uвх подаётся на не инвертирующий вход, то выходное напряжение будет
велико, когда Uвх>Uоп, и мало, когда Uвх<Uоп. Входное напряжение может принимать значения от 0 до n-1/n. При
выполнении условия Uвх>Uоп на выходе компаратора Kn
устанавливается высокий логический уровень, далее берется наибольший разряд Kn, на котором устанавливается высокий
логический уровень в линейке компараторов, код подаётся на шифратор и
преобразуется в соответствующий двоичный код.
Список литературы
Для
подготовки данной работы были использованы материалы с сайта http://www.cooldoclad.narod.ru/