Характеристика валкових дробилок
Вступ
дробилка клиноремінний
передача
Валкові дробилки застосовують для
середнього і дрібного подрібнення матеріалів високої (sСТ
> 50 МПа) та середньої (sСТ
= 10…50 МПа) міцності, а також для подрібнення пластичних та крихких
матеріалів.
В залежності від типу поверхні
валків розрізняють дробилки з гладкими, рифленими і зубчастими валками.
Дробилки можуть бути одно-, двох- та багато валковими.
В одновалкових дробинках (з
зубчастими валками) куски матеріалу подаються в простір між валком, що
обертається та нерухомою подрібнювальною плитою; вони подрібнюються
роздавлюванням, розколюванням і, частково, стиранням.
В двохвалкових дробинках з гладкими
валками подрібнюваний матеріал подається зверху на валки однакового діаметру,
які обертаються назустріч один одному. Шматки матеріалу захоплюються під дією
сил тертя. Подрібнювання відбувається, головним чином, роздавлюванням та,
частково, стиранням; ступінь подрібнення і = 3…5. Для збільшення стираючої дії
при обробці вологих або в’язких матеріалів валкам надають різну кутову
швидкість; для видалення налиплих шматків на валки встановлюють скребки.
Багатовалкова, наприклад
чотирьохвалкова, дробилка являє собою сполучення в одному агрегаті двох
двохвалкових дробилок; подрібнення матеріалу відбувається послідовно.
Рифлені та зубчасті валки дозволяють
подрібнювати більші шматки, ніж гладкі валки.
В валкових дробинках відбувається
однократне стискання матеріалу, що дозволяє уникнути зайве здрібнення
початкового матеріалу.
Типорозмір валкових дробилок
визначається діаметром та довжиною валків. Виготовляють двохвалкові дробилки ДГ
з гладкими валками для середнього та дрібного, сухого та мокрого подрібнення
матеріалів з границею міцності на стискання до 350 МПа; двохвалкові дробилки ДР
з рифленими валками для подрібнення матеріалів з границею міцності на стискання
до 250 МПа; двохвалкові дробилки ДГР з гладкими та рифленими валками;
чотирьохвалкові дробилки Д4Г для дрібного подрібнення коксу.
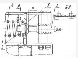
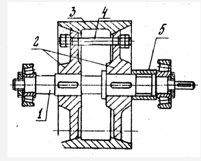
1.Конструкція дробилки
Двохвалкова дробилка з гладкими або
рифленими валками (рис. 3.1) складається із станини 1 рамної конструкції, яка
може бути зварена із прокатного профілю, або вилита із чавуну чи сталі. Валок 8
встановлюється на підшипниках, розміщених в роз’ємних корпусах 9, які нерухомо
закріплені на станині. Корпуси 5 підшипників іншого валка встановлені на
направляючих 4 і можуть пересуватися по ним вздовж станини. Для регулювання
ширини випускної щілини (зазору між валками) призначений набір прокладок 10,
встановлених між корпусами нерухомих і рухомих підшипників. Рухомий валок
притискується до нерухомого системою верхніх і нижніх тяг з пакетом пружин 3.
Попередній натяг пружин, створений гайками 2, забезпечує сумарне зусилля на
валок. Це і забезпечує подрібнення матеріалу. при потраплянні неподрібнюваного
шматка рухомий валок відходить від нерухомого, пропускаючи цей шматок. валки
зовні захищені кожухом з прийомною воронкою 7, яка закріплена до повздовжніх
балок станини. На внутрішніх бокових стінках воронки закріплені два рухомих
щитка, які закривають щілину між його стінками та поверхнею рухомого валка при
зміщенні останнього у випадку зміни величини зазору між валками.
Рис. 3.1. Схема двохвалкової
дробилки
Валки є робочими органами дробилки
(рис. 3.2), їх виконують збірними: ступицю виливають із чавуну, а змінний
бандаж - із вуглецевої або високомарганцевистої сталі. Для закріплення бандажу
до ступиці використовують шпонки, стяжні шпильки або гвинти.
Рис. 3.2. Валок
Така конструкція забезпечує швидку і
зручну заміну бандажу. Бандаж відливається із високомарганцовистої сталі, яка
погано піддається механічній обробці, але має гарну рідкотекучість при
виливанні. У зв’язку з цим бандаж має просту геометричну форму, яка забезпечує
його фрикційне зчеплення зі ступцями. Затяжка, що забезпечує відсутність
провертання бандажу відносно ступиці, здійснюється за допомогою шпильок 4. Для
попередження осьового зміщення бандажа вздовж валу достатньо закріпити в
осьовому напрямку одну з ступить, наприклад за допомогою бурта на валу і
розпірної втулки 5. Іншим способом кріплення бандажу можуть служити спеціальні
секторні вкладиші 1 (рис. 3.3), які встановлюються між бандажем
Рис. 3.3. Кріплення бандажу до
і
однією із ступиць.
Вкладиші шпильками (по дві на кожен
сектор) приєднуються до іншої ступиці. Для зручності збирання бандаж і ступиця
додатково з’єднуються стопорною планкою 2, яка гвинтами прикріплюється до
ступиці.
Опори валу валка виконуються на
підшипниках ковзання або кочіння. Якщо використовуються підшипники ковзання, то
площина роз’єму корпуса розташовується під кутом до горизонту таким чином, щоб
нормаль до площини роз’єму співпадала з напрямком сили подрібнення, прикладеної
до валу.
На рис. 3.4. представлено приклад
установки в опорах валу рухомого валка. Корпуси лівого та правого підшипника
можуть переміщуватися в направляючих рами дробилки; підшипники є такими, що
самі встановлюються.
Для попередження утворення рівчаків
на поверхні валків інколи передбачено можливість повздовжнього пересування
одного з валків (за звичай з нерухомими опорами) (рис. 3.5). За допомогою
регулювального гвинта 1, який ввернуто в гайку на кришці підшипника,
здійснюється осьове переміщення вала. Приєднання гвинта до валу виконується
через конічні роликові підшипники. Переміщення виконується один-два рази за
зміну приблизно на 1/3 діаметра початкового шматка подрібнюваного матеріалу.
Рис. 3.4 Варіант виконання опори
рухомого валка. Рис. 3.5 Пристрій
для осьового переміщення
При встановленні вала на опорах
кочіння використовують роликові підшипники, двохрядні, такі, що самі
встановлюються (рис. 3.6). Вузли тертя захищають від пилу поєднанням
лабіринтного та манжетного ущільнювачів.
Рис.3.6. Встановлення підшипника
кочіння в корпусі
Привід валків може здійснюватися від
одного електродвигуна (рис. 3.7, а) через клиноремінну 1 і зубчасту 2 передачі,
які надають обертання валку 2 з нерухомими опорами, та через зубчасту передачу
3 з подовженими зубцями, яка обертає валок з рухомими опорами. Передача 3
забезпечує зберігання зчеплення зубчастих коліс як при регулюванні ширини
щілини, так і при потраплянні між валками неподрібнюваного шматка.
Рис.3.7. Схеми приводу двохвалкової
дробилки
Застосовують і інші види приводу:
через редуктор з карданними валами (рис. 3.7, б), від індивідуальних
електродвигунів для кожного валка (рис. 3.7, в).
Всі зубчасті
передачі розміщені в запобіжних кожухах, які одночасно служать картерами для
заливання в них масла.
Запобіжний пристрій захищає
найважливіші частини машини від перевантаження при потраплянні між валками
матеріалу, що не подрібнюється, і одночасно служить для регулювання зусилля
подрібнення. Останньому відповідає сумарне зусилля попереднього натягу пружин.
Зазор між валками регулюється незалежно від натягу пружин.
В наведеному прикладі запобіжного
пристрою (рис. 3.8) величина зазору регулюється набором прокладок, які
встановлюються між корпусами підшипників рухомих та нерухомих опор.
Рис.3.8
Відстань а вибирається таким чином.
Щоб в крайньому правому положенні спеціальної гайки 3 можна було б зняти
пружину 4, не демонтуючи весь вузол. Пружини запобіжного пристрою розраховують
за умови проходження недробимого шматка, який має розмір, що дорівнює
максимальному для даного матеріалу, тобто dП, поскільки вважається,
що матеріал в дробинку подається після грохочення. Товщина шайби визначається
за умови її зрізування при перевищенні максимального зусилля подрібнення на 10
- 15 %.
Рама (станина) виконується звареною
з листового і профільованого прокату. Вона є несучою конструкцією. В ній або на
окремих її елементах відбувається замикання зусиль технологічного опору (зусиль
подрібнення), які на фундамент машини не передаються. На рамі закріплюються
пилонепроникні кожухи, що захищають валки дробилки.
Фундамент дробилок проектується з
урахуванням коефіцієнту динамічності, яки приймається 1,6…1,8. Дробилки до
фундаменту прикріплюються 4 - 6 болтами М20 - М48.
Завдання до курсової роботи:К=0,004м,
dП=0,03м, r=800 кг/м3 , Е=250 МПа, sСТ=1,5МПа,
µ=0,3 f=0,32
D=0,6
м L=0,4
м
За наданими початковими даними визначаємо:
· ступінь
подрібнення і
і= dП/ dК і=0,03/0,004=7,5
· Робочу
довжину валка LP
LР ≈ 0,9L LР=0,9*0,4=0,36м
· Максимальну
частоту обертання валка nmax
· Приймаємо
дійсну частоту валка n Практично з метою зменшення зношування бандажів
приймаємо частоту обертання валків
n = (0,4…0,7)nmax. n = (0,4…0,7)*15,2=6,08…10,64
об/с
Звичайно колова швидкість валків становить u = pDn = 3…6
м/с.
u=3,14*0,6*6=11,3м/
Продуктивність дробилки Q
Q=1025*3014*0,6*0,54*0,004*800*6*0,3=7,32об/с
· Зусилля,
що діють на вал Р
Умова захоплення шматка матеріалу в даній
дробилці: кут захоплення повинен бути більший, ніж подвійний кут тертя a ≤ 2j. Діаметр D
валка находять з геометричних міркувань. Вважаючи, що діаметр dП
початкового шматка матеріалу відомий (тобто заданий), а ширина щілини між
валками дорівнює діаметру dК кінцевого шматка матеріалу, з
трикутника АВС отримаємо:
Будемо вважати ,що
=х
0,315*х=0,302
arcos
0.9587=16.5; α=33о
Р=0,25*1,5*0,6*0,36*0,576*0,3=0,014
мн
Сумарне
зусилля пружин приймаємо Р0 = (1,2…1,3) Р0= 0,017…0,018
МН. За ним розраховуємо на міцність вали, опори, пружини.
· Потужність,
що витрачається на подрібнення
NДР
= pfР0Dn,
NДР
= 3,14*0,32*0,018*0,6*
=6,5кВт
З
таблиць приймаємо до встановлення електродвигуни потужністю 11 кВт.
Вибирається частота обертання валу
електродвигуна.
Визначається передавальне число
клиноремінної передачі.
Передавальне число клиноремінної
передачі повинно знаходитися в межах 3
< иРЕМ < 5.
иРЕМ = nДВ/
n
иРЕМ = 1000/(6·60)
= 2,78.
Виконується розрахунок клиноремінної
передачі.
Знайдемо потужність з урахуванням
ккд приводу:
p=Nдвηp
= 11
. 0,98 = 10,78
кВт.
Вибираємо перетин клинового ременя
(табл. 2, Додаток В). Попередньо визначаємо кутову швидкість і номінальний
обертаючий момент М1 ведучого вала:
, с-1
w1 = 3,14 ×
1000 / 30 = 104,667 с-1.
М1 = Nр
/ w1,
М1 = 107800 /
104,667 = 1029,933 Н /м.
При такому значення М1
обираємо перетин Г ременя з площею поперечного перерізу F = 476 мм2.
Мінімальне значення діметру Dmin = 315 мм. Однак для забезпечення
більшої довговічності ременя приймаємо на один номер більше (з ряду в Додатку
В).
D1 = 335 мм.
Знаходимо діаметр D2
більшого шківа, прийнявши відносне ковзання ε
= 0,015:
2 =
иРЕМ D1(1- ε)
D2 = 2,78 .
335 (1- 0,015) = 917,33 мм.
Приймаємо найближче стандартне
значення D2 = 900 мм .
Уточнюємо передавальне відношення u рем
з урахуванням ε:
иРЕМ = D2 / (D1(1-
ε))
иРЕМ = 900/ (335 (1-
0.015)) = 2,7.
Перераховуємо
2 =
n1 / иРЕМ = 1000/2,7=370,37 об/хв,
Отже, приймаємо D1= 335
мм; D2 = 900 мм.
Визначаємо міжосьову відстань a
amin = 0,55(D1 +
D2) + h,max = 2(D1+D2)
Вибираємо її в інтервалі:
min
= 0,55(335 + 900) + 19 = 698,25 мм,max = 2(335 + 900) = 2470 мм.
Приймаємо близьке до середнього
значення a = 1600 мм.
Розрахункова довжина паса
визначається за формулою:
Найближча до стандарту (Додаток В)
довжина L = 5000 мм.СР = 0,5(D1 + D2)
=0,5(335+900)= 617,5 мм.
Визначаємо нове значення а з
урахуванням стандартної довжини L за формулою:
При монтажі передачі необхідно
забезпечити можливість зменшення а на 0,01 L для того, щоб полегшити надягання
пасів на шків; для збільшення натягу пасів необхідно передбачити можливість
збільшення а на 0.025L; необхідні переміщення складуть у меншу сторону 0,01 .
5000 = 50 мм, у більшу 0,025.5000 = 125 мм.
Кут охоплення меншого шківа
Швидкість
υ
= 0,5ω1D1
υ
= 0,5 . 104,667 . 335 .10-3 =
17,532 м/с
Знаходимо величину окружного зусилля
ро (табл.4, Додаток В), яке передається одним клиновим пасом
перетину Г при D 1 = 335 мм і υ
= 17,532 м/с .ро= 990 Н.
Колове зусилля, що допускається, на
один пас
[p] = роCαCLCp
тут Cα=1-
0,003(180 - α1)
=1 - 0,003(180 - 157,46) = 0,93.
Коефіцієнт, що враховує вплив
довжини ременя CL= 1.
Коефіцієнт режиму роботи при заданих
вище умовах Cp=1.
Отже, [p] = 990.0,93 =
920,7 Н.
Визначаємо колове зусилля
= N/υ.
= 129,36 .103/17,532
= 7378,648 H.
Розрахункове число пасів
= P / [p]
Z = 614,875 / 920,7 = 0,667.
Приймаємо кількість пасів Z = 1.
Визначаємо зусилля в пасовій
передачі, прийнявши напругу від попереднього натягу σo=
1,6 Н/мм2.
Попередній натяг кожної галузі паса
o =
σoF
o
= 1,6 . 476 = 761,6 H.
Робочий натяг ведучої галузі
1=
So+P/(2Z)
1 =
761,6 + 614,875/(2 × 1) = 1069,037 H,
Робочий натяг відомої галузі
2 =
So - P / (2 Z) =761,6-614,875/2= 454,162 H.
Зусилля на вали
= 2 So Z sin(α1/2)
= 2. 761,6 . 1.
sin(157,46/2) = 1493,828 H.
Менший шків клиноремінної передачі
виконують дисковим, а більший - із спицями. Матеріал шківів - чавун СЧ 15-32,
сталь 25 Л. Шорсткість робочих поверхонь Ra ≤ 2,5 мкм.
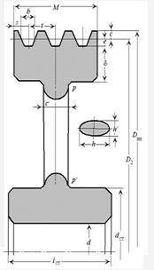
Рис. Профіль клинового пасу та
канавки для ременя нормального перетину Г y0 = 6,9 мм; b = 32 мм; h
= 19 мм; bp = 27 мм; c = 8,1 мм; s = 24 мм; t = 37 мм; e = 20 мм.
Визначення діаметра вала нерухомого
валка:
де МВИГ = Р0·L/2
=990·5/22475Н·м - вигинальний момент від зусилля подрібнення, [s]ВИГ
- допустиме напруження матеріалу вала, МПа.
[s]ВИГ
= 600 МПа;
= 1029,933 Н·м (із
розрахунку клиноремінної передачі)
Тоді d
> 392,9 мм, і вал приймаємо d
= 400 мм
Визначення розірів шківів
клиноремінної передачі:
Меньший шків виконується дисковим з
чавуна СЧ15-32
Рис. Конструкції дискового шківа
Ширина ободу:
= (Z - 1)t + 2s
М=(1-1)37+2·24=48 мм
Товщина ободу чавунних шківів:
dЧАВ =
(1,1...1,3) е
dЧАВ
=
(1,1...1,3)·20=22…26 ммСТ ЧАВ = 1,6d + 10СТ ЧАВ=1,6·400+10=650
ммСТ = (1,2…2,0) dСТ=(1,2…2,0)·400=480…800 мм
Пиймаємо: d=24
мм; l СТ=600 мм
Товщина диску шківів:
с = (1,2…1,3) d
с = (1,2…1,3)·24=28,8…31,2 мм
Приймаємо: с =30 мм
Більший шків виконується дисковим зі
спицями з сталі 25Л
Рис. Конструкції дискового шківа зі
спицями
Ширина ободу:
= (Z - 1)t + 2s
М=(1-1)37+2·24=48 мм
Товщина ободу шківа:
d
=
(0,88...1) е=(0,88...1)·20=17,6…20 ммСТ СТ = 1,5d +
10=1,5·340+10=520 ммСТ = (1,2…2,0) d=(1,2…2,0)·340=408…680 мм
приймаємо: d=18 мм; l СТ
=500 мм
Товщина диску шківів: с = (1,2…1,3) d=(1,2…1,3)·18=21,6…23,4
мм
приймаємо: с =22 мм
Виконується
розрахункова схема приводу дробилки (індивідуальний привід кожного валка:
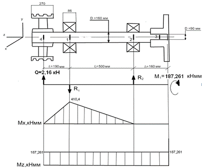
Компоновка вала та побудування епюр
Робимо компоновку вала меншого шківа
та будуємо епюри
Сили, які діють на вал:
навантаження від клиноремінної
передачі:Q=1.5 кН
З етапу компонування:
Реакції опор дорівнюють:
Рис. Компоновка вала та епюри
внутрішніх силових факторів
Уточнений розрахунок вала:
Приймаємо, що нормальний напруги від
вигину міняються по симетричному циклі, а дотичні від крутіння по від нульовому
(пульсуючому).
Матеріал вала сталь 45, термічна
обробка - поліпшення.
По таблиці при діаметрі від 160
мм до 400 мм:
середня межа міцності
;
границя витривалості при
симетричному циклі вигину:
границя витривалості при
симетричному циклі дотичних напружень:
Перетин 3
Цей перетин при передачі
обертального моменту від електродвигуна через муфту розраховуємо на крутіння.
Концентрацію напруг викликає наявність шпонкової канавки.
Коефіцієнт запасу міцності по
дотичних напруженнях:
де амплітуда і середнє значення
нульового циклу:
Конструкція закріплення на вал
передбачає сприйняття радіально консольного навантаження в середині посадкової
частини вала. При
згинаючий момент
від консольного навантаження дорівнює:
Коефіцієнт запасу міцності по
нормальним напругам:
приймаємо:
амплітуда нормальних напруг:
осьовий момент опору:
Результуючий коефіцієнт запасу
міцності:
Міцність вала гарантується. Перетин
1 Цей перетин при передачі обертального моменту від електродвигуна та натягу
клиноремінної розраховуємо на крутіння та вигинання.
Коефіцієнт запасу міцності по
дотичних напруженнях :
де амплітуда і середнє значення
нульового циклу:
приймаємо:
Коефіцієнт запасу міцності по
нормальним напругам:
приймаємо:
амплітуда нормальних напруг:
осьовий момент опору вигину:
Результуючий коефіцієнт запасу
міцності:
Міцність вала гарантується.
Такий великий запас міцності
та
пояснюється тим, що діаметр вала був збільшений до стандартного діаметра
підшипника й муфти. При такому запасі міцності в найнебезпечніших перетинах
інші перетини перевіряти немає необхідності.
Вал ведений
Визначаємо діаметр вала
де
-
вигинальний момент від зусилля подрібнення;
;
-
допустиме напруження матеріалу вала, МПа.
Приймаємо
.
Компоновка вала та побудування епюр
Робимо компоновку вала нерухомого
валка та будуємо епюри (мал.3.2).
Сили, які діють на вал:
навантаження від зусилля
подрібнення:
навантаження від клиноремінної
передачі:
З етапу компонування:
Реакції опор дорівнюють:
; -
Провірка:
Компоновка вала та епюри внутрішніх
силових факторів
Уточнений розрахунок вала
Матеріал вала сталь 45, термічна
обробка - поліпшення
По таблиці при діаметрі від 160 мм
до 400 мм:
середня межа міцності
границя витривалості при
симетричному циклі вигину
границя витривалості при
симетричному циклі дотичних напружень:
Перетин 5
Цей перетин при передачі
обертального моменту через клиноремінної передачі розраховуємо на крутіння.
Концентрацію напруг викликає наявність шпонкової канавки.
Коефіцієнт запасу міцності по
дотичних напруженнях:
де амплітуда і середнє значення
нульового циклу:
при діаметрі 90 мм:
;
приймаємо:
Конструкція закріплення на вал
передбачає сприйняття радіально консольного навантаження в середині посадкової
частини вала. При
згинаючий момент
від консольного навантаження дорівнює:
Коефіцієнт запасу міцності по
нормальним напругам:
приймаємо:
амплітуда нормальних напруг:

осьовий момент опору:
Результуючий коефіцієнт запасу
міцності:
Міцність вала гарантується. Перетин
9. Цей перетин при передачі обертального моменту від більшого шківа
клиноремінної передачі, натягу клиноремінної передачі та зусилля подрібнення
розраховуємо на крутіння
Коефіцієнт запасу міцності по
дотичних напруженнях :
де амплітуда і середнє значення
нульового циклу:
приймаємо:
Коефіцієнт запасу міцності по
нормальним напругам:
приймаємо:
амплітуда нормальних напруг:
осьовий момент опору вигину:
Результуючий коефіцієнт запасу
міцності:
Міцність вала гарантується
Перетин 10. Цей перетин при передачі
обертального моменту від більшого шківа клиноремінної передачі, натягу
клиноремінної передачі та зусилля подрібнення розраховуємо на крутіння та
вигинання. Концентрацію напруг викликає перепад між діаметрами від 90
мм до 100мм.
Коефіцієнт запасу міцності по
дотичних напруженнях :
де амплітуда і середнє значення
нульового циклу:
приймаємо:
Коефіцієнт запасу міцності по
нормальним напругам:
приймаємо:
амплітуда нормальних напруг:
осьовий момент опору вигину:
Результуючий коефіцієнт запасу
міцності:
Міцність вала гарантується.
Розрахунок підшипників. Підшипник
ведучого вала
Обираємо підшипник по найбільш
навантаженій опорі 1:
Підшипник 3003780 з
характеристиками:
d=400 мм; D=590
мм;
; e=0.85; у=1,666
Визначаємо
еквівалентне навантаження:
З таблиць знаходимо:
Розрахункова довговічність:
Умова довговічності цілком
виповнюється.
Підшипник веденого валу
Обираємо підшипник по найбільш
навантаженій опорі 6:
Підшианик зі сферичним вкладишем з
характеристиками:
d=90
мм; D=180
мм;В=24мм.
Для визначення швидкості ковзання
обчислюємо кутову швидкість вала:

Середній тиск на робочу поверхню
вкладиша:
Добуток
З таблиць обираємо матеріал для
вкладиша антифрикційний чавун АЧВ-1
для якого
маємо:
для швидкості
Для отриманої вище швидкості
ковзання
знаходимо
методом інтерполіровання значення
,
отже
Умови роботи підшипника
задовольняються.
Розрахунок шпонок. Шпонки ведучого
валу
Шпонка яка з'єднує муфту з валом.
Для з'єднаня валів з деталями
застосовують призматичні шпонки зі
сталі 45,які мають границю міцності
Довжина шпонки приймається зі
стандартного ряду трохи менше довжини муфти l=100
мм.
Параметри шпонки при d=10мм;b=25мм;h=14мм;
Перевіряємо шпонку на зминання за
умовою:
де
;
М-момент,що передається, Нмм;d-діаметр
валу у місці встановлення шпонки, мм;
=(14-9)100=500
-
площа зминання;
робоча довжина
шпонки;
допустиме
напруження зминання.
Умова міцності виконується.
Шпонка,яка з'єднує шків з валом.
Для з'єднання валів з деталями застосовуємо
призматичні шпонки зі сталі 45,які мають границю міцності
Довжина шпонки приймається зі
стандартного ряду трохи менше довжини шківа l=250мм.
Параметри шпонки при d=400мм;b=25мм;h=14мм;
Перевіряємо шпонку на зминання за
умовою:
де
;
М-момент,що передається, Нмм;d-діаметр
валу у місці встановлення шпонки, мм;
=(14-9)250=1250
-
площа зминання;
робоча довжина
шпонки;
допустиме
напруження зминання.
Умова міцності виконується.
Шпонка веденого валу
Шпонка яка з'єднує шків з валом.
Для з'єднаня валів з деталями
застосовують призматичні шпонки зі
сталі 45,які мають границю міцності
Довжина шпонки приймається зі
стандартного ряду трохи менше довжини шківа l=220
мм.
Параметри шпонки при d=130мм;b=25мм;h=14мм;
Перевіряємо шпонку на зминання за
умовою:
де
;
М-момент,що передається, Нмм;d-діаметр
валу у місці встановлення шпонки, мм;
=(14-9)220=1107
-
площа зминання;
робоча довжина
шпонки;
допустиме
напруження зминання.
Умова міцності виконується.
Розрахунок пружин запобіжних
пристроїв
Вхідні дані:
сила пружини при попередній
деформації
сила пружини при робочій
деформації
відносний інерційний зазор
пружини δ=0,16
робочий хід пружини
h=40мм
попереднє значення
зовнішнього діаметра пружини
Обчислюємо силу пружини при
максимальній деформації:
По таблиці ГОСТ
13767-86 знаходимо,що до нашої дробилки треба встановити дві пружини.Параметри
одної пружини:
Зовнішній діаметр витка пружини
найбіль близький до заданого
;значення
сили
діаметр
дроту d=8мм;
твердість одного витка
максимальна
деформація одного витка пружини
Знаходимо жорсткість пружини:
Число робочих витків:
Повне число витків:
Середній діаметр пружини:
Деформації пружини залежно від
навантаження:

Крок пружини: